创维43P580HD51P580HD45P800W48P800W43P680HD51P680HD43PTV3

分类:电子电工 日期: 点击:0
创维43P580HD51P580HD45P800W48P800W43P680HD51P680HD43PTV3-0 创维43P580HD51P580HD45P800W48P800W43P680HD51P680HD43PTV3-1 创维43P580HD51P580HD45P800W48P800W43P680HD51P680HD43PTV3-2 创维43P580HD51P580HD45P800W48P800W43P680HD51P680HD43PTV3-3 创维43P580HD51P580HD45P800W48P800W43P680HD51P680HD43PTV3-4 创维43P580HD51P580HD45P800W48P800W43P680HD51P680HD43PTV3-5 创维43P580HD51P580HD45P800W48P800W43P680HD51P680HD43PTV3-6 创维43P580HD51P580HD45P800W48P800W43P680HD51P680HD43PTV3-7 创维43P580HD51P580HD45P800W48P800W43P680HD51P680HD43PTV3-8 创维43P580HD51P580HD45P800W48P800W43P680HD51P680HD43PTV3-9

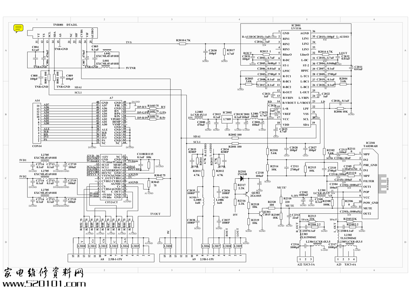
1 1 2 2 3 3 4 4 5 5 6 6 D D C C B B A A L-AUDIO R-AUDIO 10uH L2001 ROUT LOUT S-GND S-GND S-GND S-GND RD R_OUT L_OUT LCXR 4X3.5 L2301 S-GND VP S-35V MUTE SGND SGND L7809 SGND LOUT ROUT L-AUDIO R-AUDIO GND SCL1 SDA1 SCL1 SDA1 TVS A2GND TV TVOUT A1-GND A1GND A1GND A1GND A1GND A1GND S-V C Cb Cr Y A2GND A3GND D3GND D1GND EXCML45A910H L2705 5VD1 TUCOA633 CF32ACT 12VD EXCML45A910H L001 EXCML45A910H L002 0.1uF C004 0.1uF C005 SCL1 SDA1 5Vdmm 5Vdmm 5Vddd 5Vdda LD GND DPTVV DPTVH R/Pr G/Pb B/Y DP-R/Pr DP-G/Pb DP-B/Y AD0 AD1 AD2 AD3 AD4 AD5 AD6 AD7 ALE WR RD INT PS DPTVRES TLS159054E L2302 TLS159054E L2303 SGND LCXR 4X3.5 L2304 LCXR 4X3.5 L2305 TPA16 TPA17 S-GND GND D1GND CVBS2 MUTE' S-GND S-GND S-GND 1uH L2005 1uH L2006 SGND SGND LCXR 4X3.5 L2003 100pF C008 100pF C009 15V TNR001 DTA21L 11 12 13 14 15 21 22 23 24 25 VT VS SCL SDA AS NC SIF CVBS VIF AUDIO 100 R002 100 R001 4.7uF R2017 5.6K R2301 75 R3043 10K R1115 1 R2013 4.7K R2010 3.6K R2003 4.7K R2011 75 R3042 22K R2303 2.2 R2305 22K R2313 2.2 R2304 100K R2308 18K R2309 220 R2310 18K R2318 10K R2319 100 R2320 0 R2306 100 R2002 10K R2006 10K R2315 10K R2314 5.6K R2302 100 R2001 0 R2312 0 R2311 75 R1403 75 R1402 75 R1401 4.7K R2012 4.7K R2014 4.7K R2015 3.6K R2004 4.7K R2014 2.2K R2316 2.2K R2317 470uF C006 470uF C007 100uF C2719 100uF C2001 100uF C2001 4.7uF C2025 470uF C2000 4.7uF C2002 10uF C2306 1uF C2022 4.7uF C2010 0.01uF C2011 100pF C2015 10uF C2305 100uF C2313 1000uF C2303 100uF C2318 1000uF C2302 22uF C2312 100uF C2304 1000uF C2301 100uF C2315 100uF C2314 TNR-GND 5VTNR TNR-GND TNR-GND TNR-GND TNR-GND 0.1uF C2713 0.1uF C2714 EXCML45A910H L2705 5VD2 100uF C2719 0.1uF C2713 0.1uF C2714 EXCML45A910H L2705 100uF C2719 0.1uF C2713 0.1uF C2714 D1GND D1GNDD1GND D3GND D3GNDD3GND D2GND D2GNDD2GND A14 CON14 D1GND D1GND 0.1uF C1108 1000P C2038 1000P C2035 8200P C2033 8200P C2034 1000P C2037 1000P C2036 0.1uF C2308 1000pF C2317 1000pF C2316 D1GND A1GND 2 3 4 5 6 7 8 9 10 11 12 13 14 15 1 A8 2.5B-1-15Y L3011 L3012 L3013 L3014 L3015 L3010 75 R3045 75 R3046 75 R3047 75 R3048 75 R3049 75 R3050 75 R3051 75 R3052 75 R3053 75 R3044 2 3 4 5 6 7 8 9 10 11 12 13 14 15 16 1 17 18 19 20 21 22 23 24 25 26 27 28 29 30 31 32 33 34 35 36 37 38 39 40 41 42 43 44 45 46 47 48 49 50 51 52 53 54 55 56 57 58 59 60 61 62 63 64 A7 AD0 AD1 AD2 AD3 AD4 AD5 AD6 AD7 ALE WR RD INT PS GND NC GND NC GND GND GND GND GND GND VSMP HSMP VPORT R/Pr B/Pb B/Y GND FBL V_OUT VSYNC HSYNC AGND3 SCL1 SCL0 +5Vddm GND C Cb CVBS4 NC +5Vddd +12V +5Vdda NC GND GND C_OUT AGND1 Cr AGND2 CVBS3 CVBS1 AGND4 GND RESET SDA1 SDA0 +5Vddm GND 2 3 4 5 6 7 8 9 10 11 12 13 14 15 1 A9 2.5B-1-15Y L3020 L3016 L3017 L3018 L3019 9V SGND SGND MPF IN2 PRE_GND IN1 MPF FILTER OUT1 POP VCC POW_GND MUTE OUT2 12 11 10 9 8 7 6 5 4 3 2 1 0.1uF C2309 0.1uF C2020 0.01uF C2032 0.1uF C2012 100pF C2027 100pF C2028 0.1uF C2018 0.1uF C2013 0.1uF C2007 2700pF C2009 0.1uF C2019 0.068uF C2004 2700pF C2310 0.1uF C2307 2700pF C2311 SGND SGND SGND SGND 2SA1015 Q2302 C1815 Q2301 1N4148 D2301 SGND SGND SGND SGND SGND 15V 3 2 1 A22 TJC3-3A 1 2 3 4 A23 TJC3-4A IC2301 TA8200AH R-VROUT L-VROUT SGND GND GND 1uF C2021 1uF C2026 4.7uF C2023 1uF C2016 1uF C2015 0.1uF C2017 2700pF C2003 0.1uF C2008 0.01uF C2006 5600pF C2005 100pF C2031 100pF C2030 SGND SGND IC2001 LV1116 1 2 3 4 5 6 7 8 9 10 11 12 13 14 15 16 17 18 19 20 21 22 23 24 25 26 27 28 29 30 31 32 33 34 35 36 IC2002 SGND R-BC1 VDD R-TC1 VCC LPFC L+R ST-1 R-OUT R-DC R-VRIN RlineO VREF RIN3 R-BC2 RIN2 RIN1 GND L-BC2 SCL L-BC1 LPF L-TC1 L-OUT HPFC SDA ST-2 L-VRIN L-DC LlineO VSS LIN3 LIN2 LIN1 AGND SGND SGND 1 2 3 4 5 6 7 8 9 10 11 12 13 14 SGND SGND SGND SGND vdrout 1 vdrout 2 EW out 3 EHT in 4 Flash in 5 Vss 6 Digital supply 7 H out 8 SCL 10 Sandcast out 9 SDA 11 H select 12 H flyback 13 Dynamic phase shift in 14 V saw 15 I ref 16 Vcc 17 Bandgap 18 Ground 19 Xtal in 20 Xtal out 21 Low power stat up 22 VD 23 HD 24 DAC out 25 V in 26 U in 27 Y in 28 Fixed switch off 29 R1 in 30 G1 in 31 B1 in 32 F1 in 33 PWL 34 R2 Iin 35 G2 in 36 B2 in 37 F2 in 38 Vcc 39 R out 40 G out 41 B out 42 Beam current limiter in 43 Black current in 44 IC1315 A3GND A3GND A3GND A3GND A3GND A3GNDA3GND A3GND 8VAV3 A3GND A3GND 8VAV3 33uH L1302 SDA1 SCL1 A3GND A3GND A3GND A3GND A3GND 8VAV3 A3GND 8VAV3 12V SCL1 SDA1 A3GND 8VAV3 EWOUT HDRV VGASW HFB ACL EHT V+ V- R1 G1 B1 HSYNC VSYNC YOSD ROSD GOSD BOSD A3GND A3GND A3GND R out G out B out A3GND A3GND A3GND A3GND 8VAV3 12V R out A3GND A3GND 8VAV3 ROUT GOUT B1 G1 R1 2SB709ATX Q7705 2SD601ATX Q7701 2SD601ATX Q7702 2SC3526H Q7706 2SB709ATX Q7703 2SB709ATX Q7704 270 R7702 330 R7703 680 R7704 220 R7705 470 R7706 560 R7707 470 R7708 100 R1413 1.5K R7710 220 R7711 150 R7712 150 R7713 0 R7714 350 R7715 33 R7716 100 R1430 10K R1714 100 R1431 10K R1422 100 R1415 100 R1414 1K R551 100K R559 1K R558 100 R1302 39K R1303 100 R1301 100K R555 27K R557 100K R556 0 R550 470 R7701 47uF C7701 10uF C1415 47uF C1304 47uF C7704 12MHz X1301 1N4148 D542 1N4148 D541 0.1uF C544 270pF C7705 0.33uF C7703 0.33uF C7702 A3GND A3GND A3GND A3GND A3GND A3GND A3GND 8VAV3 G out 2SB709ATX Q7711 2SD601ATX Q7707 2SD601ATX Q7708 2SC3526H Q7712 2SB709ATX Q7709 2SB709ATX Q7710 270 R7718 330 R7719 680 R7720 220 R7721 470 R7722 560 R7723 470 R7724 1.5K R7726 220 R7727 150 R7728 150 R7729 0 R7730 350 R7731 33 R7732 470 R7717 270pF C7706 A3GND A3GND A3GND A3GND A3GND A3GND A3GND 8VAV3 B out 2SB709ATX Q7717 2SD601ATX Q7713 2SD601ATX Q7714 2SC3526H Q7706 2SB709ATX Q7715 2SB709ATX Q7716 270 R7734 330 R7735 680 R7736 220 R7737 470 R7738 560 R7739 470 R7740 1.5K R7742 220 R7743 150 R7744 150 R7745 0 R7746 350 R7747 33 R7748 470 R7733 270pF C7707 12V 12V 1 S3 TJC3-11A VM A3GND 1 2 S4 TJC3-2A A3GND A3GND A3GND A3GND 8VAV3 A3GND 2 3 4 5 6 7 8 9 10 11 A3GND IK S-ABL 12V 8VAV3 12V BOUT TDA9332 0.1uF C1308 30pF C1301 30pF C1302 0.1uF C1305 0.1uF C1309 0.1uF C1303 0.1uF C545 10uF C546 27pF C1411 27pF C1410 0.1uF C1404 0.1uF C1406 0.1uF C1407 47pF C1401 0.1uF C1405 0.1uF C1403 0.1uF C1402 10pF C1408 0.1uF C543 1000pF C402 1000pF C401 47pF C1409 0.1uF C1306 470pF C1414 A3GND 100 R1432 10K R750 15K R751 A3GND 6.8K R7749 2.2K R1409 100 R1410 A3GND 100 R1407 100 R1412 100 R1411 47uF C1307 33uH L1301 A3GND A3GND A3GND 8VAV3 12V 8VAV3 S1 2.5B-1-15A S2 2.5B-1-15A 1 2 3 4 5 6 7 8 9 10 11 12 13 14 15 1 2 3 4 5 6 7 8 9 10 11 12 13 14 15 1 1 2 2 3 3 4 4 5 5 6 6 7 7 8 8 D D C C B B A A 1 2 VDDI1 3 XWC 5 SDAM 6 SCLM 7 XSTOP 8 XACKM 9 XBUSY 10 XI2CRES 11 XMUTE 12 XRAMCLR 13 XRESET 14 VSS2 15 VDDI2 16 XOFDET 17 SDAS 18 SCLS 19 VBLKOUT1 20 VBLKOUT2 21 VBLKOUT3 22 VBLKOUT4 23 HBLKOUT 24 PWM1 25 26 26 27 27 28 28 29 29 30 30 31 31 ODEVOUT 32 ODEVIN 33 XTEST3 34 E0 35 VVSS 36 HBLKIN 37 E1 38 ROUT 39 VSS4 40 EXCKIN 41 EXCKSEL 42 VCOSEL 43 GOUT 44 VVDD 45 46 46 47 47 48 48 49 49 50 50 BOUT 51 YMOUT 52 VDDI3 53 VSS5 54 YSOUT 55 RIN 56 GIN 57 BIN 58 YMIN 59 YSIN 60 BCLK 61 WCLK1 62 WCLK2 63 RVOUT1 64 VSS6 65 VDDI4 66 GVOUT1 67 BVOUT1 68 RHOUT1 69 GHOUT1 70 BHOUT1 71 RVOUT2 72 VSS1 4 GVOUT2 73 BVOUT2 74 RHOUT2 75 76 76 77 77 78 78 VSS7 79 TEST1 80 DAVDD1 81 VRN1 82 VRP1 83 AOUT1 84 SG1 85 DAVSS1 86 87 DAVDD2 88 VRN2 89 VRP2 90 AOUT2 91 SG2 92 DAVSS2 93 94 94 95 95 96 96 97 97 98 98 99 99 100 100 TEST PWM2 CLKOUT VDDE1 VSS3 VBLKIN DDEVSEL XYEST4 VCOIN PDOUT E2 DIVOUT VDDE2 BHOUT2 GHOUT2 CM0021AF IC7107 SW1 1 SW0 2 DAC4 3 DAC3 4 DAC2 5 DAC1 6 DAC0 7 GND 8 SW2 9 SW3 10 SAD0 11 SAD1 12 SAD2 13 SDA 14 SCL 15 VCC 16 CXA1876AM IC7121 A0 1 A1 2 A2 3 VSS 4 SDA 5 SCL 6 WP 7 VCC 8 24LC64 IC7102 DG B 1 YS 2 OUT B 3 GND 4 OUT G 5 OUT R 6 YS 7 DG R 8 R OSD 9 GND 10 G OSD 11 YS 12 VCC 13 DG G 14 GND 15 B OSD 16 BA7603 IC7110 DIN3 1 DIN2 2 DIN1 3 BCLK 4 WCLK 5 DVSS 6 VSS4 7 OUT4 8 REF4 9 VDD4 10 VSS6 11 OUT6 12 REF6 13 VDD6 14 VSS5 15 OUT5 16 REF5 17 VDD5 18 NC 19 NC 20 NC 21 NC 22 VSSC1 23 NC 24 OUTC 25 VDDC 26 NC 27 NC 28 VSSC2 29 NC 30 VDD2 31 REF2 32 OUT2 33 VSS2 34 VDD3 35 REF3 36 OUT3 37 VSS3 38 VDD1 39 REF1 40 OUT1 41 VSS1 42 DVSS 43 DVDD 44 MUTEB 45 DIN6 46 DIN5 47 DIN4 48 CD0031AM IC7104 1 2 3 4 5 6 7 8 9 10 11 12 13 14 V+ V- out out out out 1ACFV1K IC7105A 1 2 3 4 5 6 7 8 9 10 11 12 13 14 V+ V- out out out out 1ACFV1K IC7106A IN 3 OUT 1 2 COMMON AN78L12M IC7108 1 2 3 4 5 6 7 8 GND VCC H04 IC7103 HIN +5V VIN HIN 1.2K R657 330 R658 330 R653 330 R652 1.2K R655 1.2K R656 GND GND GND 1 C7145 1 C7146 1 C7147 1 C7148 0.01 C7153 1 C7144 1 C7143 GND 270 R7197 270 R7198 270 R7196 GND 4.7K R7195 4.7K R7194 4.7K R7123 10K R7158 10K R7111 10K R7157 2.7K R7109 10K R7155 0.01uF C7119 0.01 C7129 GND GND 0.01 C7116 0.01 C7117 0.01 C7118 GND GND IN 2 OUT 3 1 COMMON AN79L12M IC7109 GND GND 0.01 C7171 GND1 0.01 C7162 0.01 C7172 GND1 GND1 0.01 C7175 GND1 0.01 C7176 GND1 GND1 3.0K R7128 620 R7127 0.027 C7173 GND1 GND GND 0.01 C7123 0.01 C7124 0.01 C7125 0.01 C7122 GND GND GND GND 2.2K R7141 2.2K R7101 10K R7142 560pF C7112 GND 100pF C7105 47K R7106 0.1 C7101 0.1 C7104 0.1 C7149 GND 10K R7166 10K R7165 10K R7104 10K R7167 10K R7105 10K R7168 10K R7169 2.2K R7153 10K R7154 2.2K R7103 2.2K R7147 2.2K R7102 10K R7148 560pF C7113 560pF C7114 100pF C7106 GND GND 47K R7107 GND GND 100pF C7107 47K R7108 2.2K R7151 10K R7152 2.2K R7121 47K R7117 2.2K R7149 2.2K R7120 10K R7150 47K R7115 GND 100pF C7139 560pF C7133 560pF C7134 100pF C7140 GND GND GND 680pF C7161 680pF C7164 680pF C7159 33 R7171 33 R7170 33 R7124 GND GND1 GND1 0.01 C7174 GND1 GND1 470 R7126 470 R7129 1K R7122 GND 0.01 C7130 GND1 GND1 GND OSD_YS 100 R7130 -12V +18V +12V -18V 0.01 C7121 GND 12K R7191 GND 270 R7189 180 R7188 10K R7187 10K R7185 2.7K R7186 NPN1 Q7102 PNP1 Q7103 GND GND GND 680pF C7166 33 R7172 GND D7102 0.01 C7151 0.01 C7135 0.01 C7152 0.01 C7168 GND GND GND GND IN 1 GND 2 OUT 3 4 IC7180 10uH L7180 0.01 C7180 0.01 C7182 GND1 0.1uF C7120 GND1 GND GND GND GND1 0.01 C7141 GND1 GND1 GND1 GND1 GND1 0.01 C7197 GND1 1 2 3 4 5 6 7 8 9 10 11 12 13 14 15 F1 1 2 3 4 5 6 7 8 9 10 11 12 13 14 15 F2 WP SDAM SCLM WP SDAM SCLM SDA SCL SCL1 SDA1 OSD-YS OSD-B OSD-G OSD-R R-OSD G-OSD B-OSD YS-OSD OSD-YS OSD-B OSD-G OSD-R B-OSD G-OSD R-OSD TSTOP RESET MUTE I2CRES RAMCLR DFDET BUSY BUSY DFDET RAMCLR I2CRES MUTE RESET TSTOP SCL SDA DFDET BUSY ACKM ACKM ACKM GV BV BH GHO RVO RHO BCLK WCLK GVO BHO BVO RH GH RV CENTER BH BV GH GV RV CENTER BHO GHO RHO BVO GVO RVO WCLK BCLK RH GH-OUT BH-OUT BV-OUT RH-OUT RV-OUT GH-OUT GV-OUT BH-OUT BV-OUT +5V GND1 1uF C7191 GND1 100pF C7195 2200pF C7196 GND GND 150 R7131 150 R7135 DAF 3.3V 000 J7103 1K R7133 GND 2NPN Q7101 10K R7199 000 J7102 GND1 100 R7200 100 R7201 10K R7202 10K R7203 100P C7198 100P C7199 GND GND SDA SCL +18V -18V 1 2 3 4 F3 GND 5VFA 1N4148 D7101 1N4148 D7103 3.3V GND 5V 5V 5V GND1 3.3V 5V 3.3V GND1 5V GND1 47uF C7157 47uF C7156 47uF C7155 47uF C7109 47uF C7110 47uF C7111 47uF C7126 47uF C7127 47uF C7128 47uF C7150 100uF C7136 47uF C7165 100uF C7152 47uF C7181 47uF C7183 47uF C7157 47uF C7156 47uF C7155 5V GND 12V GND GND GND ? 0.1 C7142 2.2K R7145 10K R7146 2.2K R7119 47K R7116 2.2K R7143 2.2K R7118 10K R7144 47K R7114 GND 100pF C7137 560pF C7131 560pF C7132 100pF C7138 GND GND GND 680pF C7160 680pF C7163 680pF C7158 33 R7164 33 R7163 33 R7125 GND RH-OUT RV-OUT GV-OUT L376 D366 L375 210V GND HEATER 1K 12V S-ABL (G1) GND 1 D371 L904 C920 C907 L951 L956 L953 C955 C962 L954 D962 VM COIL(B) VM COIL(G) VM COIL(R) 1 2 3 LG7 1 2 3 LG6 1 2 3 LG5 18V 210V NC 18V GND HEATER NC 140V GND BLUE GND RED 1K 12V NC NC GND 11 (G1) S-ABL 12V 1K HEATER GND 210V NC JS11 JS12 JS13 JS3 GND GREEN GND S-ABL VM JS15 G1 G2 H HG K CRT (GRERN) 8 7 6 9 10 11 12 K H H G1 G1 4 5 G1 G1 G2 G1 1 FOCUS GND JK371 FOCUS (TO FBT) EHT C376 L373 D369 D367 D377 C377 D368 D370 D376 D373 D374 D375 L374 D3361 C3363 D3362 C381 L372 C373 L371 A21 10 9 LG1 ! ! 1 LG20 R385 R386 R387 R388 R389 R375 R376 R378 R379 R383 R382 R3365 R3366 R3367 C380 C371 C3362 Q376 Q395 Q3361 Q374 Q373 1 LG13 LG3 9 LG4 11 2 3 4 5 6 7 8 9 10 1 R901 R902 R903 R904 R905 R906 R907 R915 R908 R916 R917 R951 R920 R952 R953 R954 R955 R956 R978 R914 R960 R961 R923 R964 R967 R966 R956 R969 R970 R971 R972 R973 R922 R975 R976 R977 Q955 Q961 Q951 Q954 Q956 Q962 Q953 Q952 Q908 Q902 Q903 Q907 C901 C932 C906 C910 C974 C964 C961 C966 C967 C902 C911 C958 C952 C973 C972 D953 C365 R377 2 3 4 5 6 7 8 LG2 1 2 3 4 5 6 7 8 1 2 3 4 5 6 7 8 1 2 3 4 5 6 7 10 1 1 2 2 3 3 4 4 D D C C B B A A HSYNC 1 VSYNC 2 P40/AD4 3 P41/INT2 4 P42/TIM2 5 P43/TIM3 6 P24/AD3 7 P25/AD2 8 P26/AD1 9 P27/AD5 10 P00/PWM4 11 P01/PWM5 12 P02/PWM6 13 P17/SIN 14 P44/INT1 15 P45/SOUT 16 P46/SCLK 17 AVCC 18 HLF/AD6 19 P72/RVCO 20 P71/VHOLD 21 P70/CVIN 22 CNVSS 23 XIN 24 XOUT 25 VSS 26 P52/R 52 P53/G 51 P54/B 50 P55/OUT1 49 P04/PWM0 48 P05/PWM1 47 P06/PWM2 46 P07/PWM3 45 P20 44 P21 43 P22 42 P23 41 P10/OUT2 40 P11/SCL1 39 P12/SCL2 38 P13/SDA1 37 P14/SDA2 36 P15 35 P16/INT3 34 P03/DA 33 P30 32 P31 31 -RESET 30 P64/OSC2/XOUT 29 P63/OSC1/XIN 28 VCC 27 M37274 IC1101 NC 1 NC 2 ADD 3 GND 4 VCC 8 WP 7 SCL 6 SDA 5 24C08 IC1102 2.7uH L1101 0.01uF C1107 TLK20LFA103M LC1101 TLK20LFA103M LC1102 TLK20LFA103M LC1103 TLK20LFA103M LC1104 TLK20LFA103M LC1105 TLK212T256AL LC1106 TLK20LFA103M LC1107 TLK212T256AL LC1108 TLK20LFA224M LC1109 TLK20LFA224M LC1110 TLK212T256AL LC1111 TLK212T256AL LC1112 TLK20LFA224M LC1113 TLK20LFA224M LC1114 TLK20LFA103M LC1115 TLK212T256AL LC1116 GND GND GND GND RESET 5VMCU OSDY VSYNC OSD1 OSD2 OSD3 HSYNC DAFSW PROTECT BEAMSW RELAY LED IR KEY GND GND SCL1 SDA1 DPTVRES 5V 5V SCL2 SDA2 IICIDENT VGAH VGAV VGAH VGAV VGASW VGASW YSOSD GND 1N4148 D1101 GND 3.9V D1102 GND 5V 100 R1101 100 R1102 100 R1104 100 R1105 100 R1106 100 R1107 10K R1108 10K R1109 5.1K R1110 10K R1111 5.1K R1112 10K R1113 1K R1114 1K R1117 0 R1118 1K R1119 5.6K R1120 5.6K R1121 10K R1122 100 R1103 2SC1815Y Q1101 2SC1815Y Q1103 2SC1815Y Q1102 10pF C1101 10pF C1102 0.1uF C1103 10pF C1104 22pF C1105 22pF C1106 8MHz X1101 GND GND GND GND GND GND GND 5V GND GND GND GND GND GND GND GND GND GND GND U1 BF32abT U2 BF32abT 1 2 3 4 5 6 7 8 9 10 11 12 13 14 15 16 17 18 19 20 21 22 23 24 25 26 27 28 29 30 31 32 1 2 3 4 5 6 7 8 9 10 11 12 13 14 15 16 17 18 19 20 21 22 23 24 25 26 27 28 29 30 31 32 1 1 2 2 3 3 4 4 D D C C B B A A KEY GND IR 5V MCU LED KEY S1001 KEY S1002 KEY S1003 KEY S1004 KEY S1005 KEY S1006 120 R1001 100K R1008 0.1uF C1001 100pF C1003 DUBLIGHT D1001 3.3K R1011 3.3K R1012 220 R1013 10K R1014 120 R1002 120 R1003 120 R1004 120 R1005 120 R1006 120 R1007 100 R1010 100 R1009 100uF C1002 2SC1815Y Q1001 M1 D1002 1 2 3 1 28 2 27 3 26 4 25 5 24 6 23 7 22 8 21 9 20 10 19 11 18 12 17 13 16 14 15 JP2 HEADER 14X2 1 28 2 27 3 26 4 25 5 24 6 23 7 22 8 21 9 20 10 19 11 18 12 17 13 16 14 15 JP4 + C54 10u*6 + C53 + C52 + C51 + C50 + C49 + C1 + C37 + C38 + C2 10u + C3 10u + C4 10u + C39 + C40 + C41 + C42 + C43 + C44 + C27 10U + C45 470u + C47 10u C5 CAP C48 CAP R10 RES2 R12 270*6 R13 R14 R15 R16 R17 C20 0.1 C19 0.1 C15 0.01 C13 2200p C16 0.01 C46 104 R13 3.3k R15 6.2k C14 2200P C17 0.01U C21 0.1 C22 0.1 C18 0.01 R16 6.2K R14 3.3K R2 22k R4 22k R5 22k R6 22k AR1 22k AR18 22k AR20 22k AR21 22k AR22 22k R8 22k R7 22k R9 22k P1 BNC P3 BNC P7 BNC P4 BNC P5 BNC P6 BNC P8 BNC P9 BNC P10 BNC P2 BNC P11 BNC P12 BNC R11 RES2 SCL SCL SDA SDA L1 L2 L3 L4 R1 R2 R3 R4 FLI FRI CTI SUBI SLI SRI MIXO VCC REF GND LPF_I LPF_O FLO FRO CTO SUBO SLO SRO SCL SDA RCMID2 RCMID1 CTRE_FR IN_FR IN_SR IN_SUB VREF GND IN_CT IN_SL IN_FL CTRE_FL RCMID1_FL RCMID2_FL RCBAS1_FL RCBAS2_FL RCBAS1_FR RCBAS2_FR GND OUT_FR OUT_SR OUT_SUB VCC OUT_CT OUT_SL OUT_FL +9V +9V Lch1 Lch2 Lch3 Lch4 Rch1 Rch2 Rch3 Rch4 FL_IN FR_IN CT_IN SUB_IN SL_IN SR_IN PT2323 PT2322 1 2 3 4 JP3 4 HEADER SCL SDA 1 2 3 JP1 HEADER 3 AR25100 AR26100 R7 56K R13 1.2K + C7 100U + C13 4.7U NF 2 OUT 1 IN 3 IN 4 NF 5 OUT 6 OUT 7 IN 8 NF 9 IN 10 NF 11 OUT 12 NF 13 IN 14 IN 15 NF 16 OUT 17 NC 18 -VCC 19 OUT 20 SUB 21 +VCC 22 U1 HM600-020 C33 200P R1 10 C1 0.1uF R8 56K C34 200P R9 56K C22 3P R19 56K C213P R20 56K R15 1.2K C23 0.1uF R16 1.2K C25 0.1uF R3 10 C4 0.1uF SR OUT + C14 4.7U + C9 100U + C17 4.7U + C10 100U + C11 100U FL OUT R4 10 C3 0.1uF R21 56K R24 56K C22 3P R23 56K R12 56K C26 3P R5 10 C6 0.1uF SL OUT R14 390 C37 200P C38 200P R10 56K C24 3P R18 1.2K R2 10 C2 0.1uF R11 56K C25 3P + C12 100U + C15 4.7U R22 56K + C16 4.7U R6 10 C5 0.1uF R17 1.2K + C18 4.7U SUB OUT CT OUT FR OUT -15V + C8 100U JPK2 JPK1 AQ1 NPN AQ2 NPN BR42 470 BR43 470 AD1 AD2 FL OUT SL OUT SR OUT SUB OUT CT OUT FR OUT FR CT SUB SL FL SR QJ1 C1815 RJ1 15K RJ2 15K + CJ1 100u KJ1 RA 470 ÖÁA°åCPU¿ØÖÆ ¿ª¹Ø°å ´¥·¢¿ª¹Ø ¼ÌµçÆ÷ ¼ÌµçÆ÷ ÑïÉùÆ÷ ×î´ó¹¦ÂÊ700Íß + C20 4700u + C2 4700u + C21 4700u + C1 4700u + C18 470u 1 2 3 4 AD1 C3 0.1uF C23 0.1uF C19 0.1uF +15V -15V Vin 1 GND 2 +8V 3 U2 MC7809 + C22 220u C24 0.1uF +9V F1 AC250V 5A F2 AC250V 5A R24 22 1 2 J1 CON2 »·ÐαäѹÆ÷ ! ! ! ! 1 1 2 2 3 3 4 4 5 5 6 6 D D C C B B A A 1 2 3 4 5 6 7 8 9 10 11 12 13 14 15 2.5B-1-15A H1 1 2 3 4 5 6 7 8 9 10 11 12 13 14 15 2.5B-1-15A H2 1 2 3 4 5 6 7 8 9 TJC3-9A H3401 Y Pr Pb C SVIDEO TVOUT A2-GND 9V SDA1 SCL1 R-AUDIO L-AUDIO ROUT LOUT GND S-GND Lout2 1 Rout2 2 DetI 3 DetS 4 LTV 5 RTV 6 VTV 7 LV1 8 RV1 9 VV1 10 LS1 11 Y/VS1 12 RS1 13 CS1 14 LS2 15 Y/VS2 16 RS2 17 CS2 18 I/O1 19 I/O2 20 I/O3 21 O4 22 GND 23 SCL 24 SDA 25 SYNCO 26 ADDR 27 VV2 28 LV2 29 Yin 30 RV2 31 Cin 32 VCC 33 Cout 34 Rout1 35 Yout 36 Lout1 37 Vout1 38 RoTV 39 LoTV 40 O5 41 Vout2 42 TA1218 IC3001 SDA1 SCL1 LAV1 RAV1 V/YAV1 CAV1 S1AV1 GNDAV1 R-AUDIO L-AUDIO SAV2 CAV2 V/YAV2 LAV2 S-GND S-GND LAV3 RAV3 RAV2 VAV3 LAV2 LAV3 A2-GND S-GND EXCML45A910H L3009 TVOUT VAV3 V/YAV1 V/YAV2 EXCML45A910H L3003 0.1uF C3008 9V A2GND LOUT ROUT LAV3 RAV3 LAV1 RAV1 LAV2 RAV2 VGAL VGAR 56uH L3006 56uH L3007 CAV2 CAV1 9V EXCML45A910H L3004 GNDAV A2GND OUTL OUTR S-GND A2-GND 9V C SVIDEO OUTV GND VOUT AGND LOUT AGND ROUT GND V1 AGND L1 AGND L1 R1 GND V2 AGND L2 AGND L2 R2 AGND L3 AGND L3 R3 GND Y GND Pb GND Pr YIN GND CIN GND SAV SAV TJB0A630 H3402 VGAL VGAL VGAR Y Pb Pr OUTV OUTR OUTL GNDAV 1 2 3 4 5 6 7 8 9 10 11 12 13 14 15 DB15HDPFV VGA1 1 2 3 4 5 6 7 8 9 TJC3-9A VGA2 VGAGND R G B H V 100 R3002 5.6 R3000 100 R3001 10uF C3026 C1730 Q3005 C1815Y Q3006 C1815Y Q3007 C1730 Q3003 C1730 Q3004 C1815Y Q3001 C1815Y Q3002 1K R3003 1K R3004 1K R3005 1K R3006 1K R3007 1K R3008 1K R3009 1K R3010 1K R3011 1K R3012 1K R3013 1K R3014 1K R3015 1K R3016 1K R3017 1K R3018 1K R3019 1K R3020 1K R3021 100 R3022 100 R3023 1K R3024 1K R3025 1K R3026 1K R3027 1K R3028 1K R3029 1K R3030 1K R3031 1K R3032 1K R3033 1K R3034 1K R3036 1K R3037 1K R3038 1K R3039 1K R3040 1K R3041 10uF C3002 10uF C3003 10uF C3004 10uF C3005 10uF C3007 10uF C3016 10uF C3017 10uF C3018 10uF C3019 10uF C3020 10uF C3021 10uF C3022 10uF C3023 10uF C3024 10uF C3025 10uF C3027 0.047uF C3001 0.1uF C3010 0.1uF C3014 0.1uF C3013 0.1uF C3012 0.1uF C3011 A2GND A2GND A2GND A2GND GNDAV GNDAV VCC VCC VCC GNDAV GNDAV VCC GNDAV GND GND GNDAV SGND SGND SGND GNDAV GND 9V 10uF C3006 0.1uF C3009 GND GND 10uF C3015 0.1uF C3028 GND GND S1AV1 媒体编号 旧底图总号 底图总号 日期 签名 拟制 审核 标记 数量 更改单号 签名 日期 第 张 制图: 描图: 幅面: 3a 格式( ) 1 2 3 4 5 6 7 8 9 10 11 12 13 14 15 16 TJSF20216 A1 1 2 3 4 5 6 7 8 9 10 11 12 13 14 15 16 TJSF20216 A2 GND 12V STB 6.5V RELAY GND BEAMSW PROTECT DAFSW 15V GND S-GND S-35V BT30V VIN 1 VOUT 2 COM 3 VADJ 4 PQ30RV21 IC1201 VIN 1 VOUT 2 COM 3 OADJ 4 ON/OFF 5 SI-8090K IC2704 470uF C1201 470uF C1202 0.1uF C1203 0.1uF C1204 GND GND GND 10K R1201 30K R1202 5VMCU Vin 1 GND 2 +8V 3 MC7808T IC2705 0.1uF C2728 0.1uF C2729 470uF C2722 A3GND 8VA3 EXCCL4532U1 L2718 470uF C2723 470uF C2724 AK04V0 D2703 100pF C2732 0.1uF C2730 EXCML45A910H L2719 EXCML45A910H L2720 470uF C2733 150uH L2723 150uH L2724 LCXR 4X3.5 L2725 GND 9V Vin 1 GND 2 +5V 3 MC7805T IC001 0.1uF C001 0.1uF C002 100uF C003 TNR-GND 5VTNR VIN 1 VOUT 2 COM 3 OADJ 4 ON/OFF 5 PQ1CG21H2RZ IC2706 470uF C2725 470uF C2727 470uF C2726 RK34LFC4 D2704 0.1uF C2731 220uH L2721 33uH L2722 EXCML45A910H L2737 EXCML45A910H L2739 LCXR 4X3.5 L2735 6.8K R2705 2.2K R2706 GND LCXR 4X3.5 L2738 LCXR 4X3.5 L2736 5VFOCUS 0.1uF C2734 GND 100uF C2735 VIN 1 VOUT 2 COM 3 OADJ 4 ON/OFF 5 PQ1CG21H2RZ IC2701 470uF C2701 470uF C2702 470uF C2703 RK34LFC4 D2701 0.1uF C2709 220uH L2714 33uH L2716 EXCML45A910H L2701 EXCML45A910H L2702 LCXR 4X3.5 L2708 6.8K R2701 2.2K R2703 GND LCXR 4X3.5 L2709 LCXR 4X3.5 L2710 5VD2 VIN 1 VOUT 2 COM 3 OADJ 4 ON/OFF 5 PQ1CG21H2RZ IC2702 470uF C2704 470uF C2703 470uF C2706 RK34LFC4 D2702 0.1uF C2710 220uH L2715 33uH L2717 EXCML45A910H L2703 EXCML45A910H L2704 LCXR 4X3.5 L2711 6.8K R2702 2.2K R2704 GND LCXR 4X3.5 L2712 LCXR 4X3.5 L2713 5VD1 L7001 L7002 L7003 L7004 L7005 L7006 BV4 RV4 BH1 BH2 GH1 GH2 GV3 GV4 RH1 RH2 RV3 RV4 RH1 GH1 C7002 C7003 C7006 C7007 C7008 C7009 C7010 C7011 GV4 BH1 GH2 BV3 GV4 BH1 -18V +18V -18V RV C7015 +18V C7016 GV RH C7017 C7018 C7019 C7020 C7010 C7011 RV4 RH1 GV4 RV3 RH2 GV3 -18V -18V GND1 GND1 GND1 GND1 D453 C464 C456 GND1 GND1 GND1 C460 GND1 GND1 L452 L453 D457 D458 D459 D460 -18V +18V DR2 DB1 18-12V C9611 D9602 C9614 D9605 C9615 HV-DAF 18-12V GC1 BC1 RC1 1 2 3 4 5 2 3 2 3 F1 TO LG-CRT SOCKET TO LR-CRT SOCKET F5 TO LRS TO LG13 F4 H.L1 V.L2 V.N3 H.N4 V H H.L1 H.H2 V.H3 V.L4 DY-B H.L1 V.L2 V.N3 H.N4 V H H.L1 H.H2 V.H3 V.L4 DY-G H.L1 V.L2 V.N3 H.N4 V H H.L1 H.H2 V.H3 V.L4 DY-R L555 Q701 D702 D701 C701 L703 L704 C702 L701 L705 C704 C705 L702 L501 L502 L503 L504 C511 L509 L508 C513 C512 L505 L506 L507 C514 C516 C536 C517 C518 C526 C519 EW-OUT BF-30V H-OUT FBP DB3 C515 10 5 9 8 2 3 6 4 7 EHT FO ABL T551 D510 C521 L513 D519 C524 +18V L531 C530 D530 H-DRIVE D513 D514 ACL BEAM SW TO RED CRT ANODE TO GREEN CRT ANODE TO BLUE CRT ANODE IN CG BR BG C9603 C9602 EHT 18-12V HV. DISTRIBUTOR 9 8 7 10 11 12 13 14 15 16 17 18 5 4 1 2 T801 D860 C860 L861 S-GND S-GND L820 C839 L830 C832 L857 15V D829 L822 C842 L826 L815 C815 L816 C813 L818 Q805 D816 C823 D821 C829 D820 L814 D813 D807 C817 C816 L851 +140V +18V L828 -18V COLD HOT +15V C876 PROTECT 6.5V GND RELAY 12V 18V BEAM SW PROTECT DAF SW 15V GND S-GND +35V BT 30V C7090BLK C7091 C7092 C7093 C7094 C7095 D2322 GS E IN GF TO LB-CRT SOCKET TO LBS RF DF RS 140V D511 C2 V+ GND GND V- H-DRIVE +18V VBLKIN 2 -18V +18V GND EW-OUT HV-DAF +9V H-DRIVE FBP ACL TUNERGND EHT 1080i/OTHER L862 18-12V C870 C873 18-12V C819 1 1 1 1 1 1 GND 2 1 2 BV BH V V V V V V V V 1 1 1 1 1 1 1 1 1 1 1 1 1 1 1 1 1 1 ! ! ! ! ! ! ! ! ! ! ! R803 R804 D805 D805 IC801 5 4 3 2 1 D50 1 2 3 C822 C820 D809 R810 R806 R819 D811 R820 R837 R836 R821 R822 D819 R815 C861 C859 R845 D851 C862 C880 C833 D831 R832 R886 R885 R873 C889 R887 Q849 R880 R872 R884 R881 D869 R871 Q854 2 3 IC801 R808 1 D894 D870 R867 R846 D828 C841 R7085 C872 IC810 1 2 3 C837 C840 R7080 R465 R701 R1 R703 Q551 R545 D503 R525 D504 R510 C520 R506 R507 D505 R540 C522 R9626 R526 R527 R526 C523 R9627 R9602 D9603 R9606 D9607 C9604 R9605 Q553 Q554 Q552 R530 R531 R532 R533 R534 R529 R518 R9604 R9603 C9601 R519 R520 R521 R522 R452 R524 R478 R460 R515 R516 R517 R454 R451 R453 R456 R461 D512 C525 R9608 D9601 D9604 R9609 IC9601 R472 R473 R474 BR1 GR1 GR2 RR2 RR4 BR6 BR2 GR2 GR5 RR6 BR3 BR4 GR3 GR4 BR1 RR3 R9610 R9611 R9612 R9613 R9614 R9615 R9616 R9617 R9618 R9619 R9620 R9621 R9622 R9623 R9624 R9625 C9613 Q9601 Q9602 Q9603 C9612 R9607 D454 Q451 D455 R477 C451 D452 R462 D461 D462 GND1 R468 R469 GND1 C452 C461 L414 C453 R455 C1 R475 R476 GND1 R7036 R7037 R7038 R7039 R7040 R7041 R7042 R7043 R7016 R7044 R7045 R7046 R7047 R7048 R7049 R7050 R7034 R7035 D15 R7021 R7051 R7052 R7053 R7054 R7055 R7056 R7057 R7058 R7059 R7060 R7061 R7062 R7063 R7064 R7065 R7066 R7067 R7068 R7069 R7070 R7071 R7017 R7010 R7011 R7012 R7013 R7008 R7009 R7020 R7018 R7019 R7020 R7021 R7022 R7023 R7024 R7025 R7026 R7027 R7028 R7029 C7014 C7013 C7001 C7005 C7004 Q7001 Q7002 -18V +18V -18V GH +18V GV4 BV3 BH2 -18V -18V C7012 R7033 R7032 D14 D13 R7030 R7031 R7090 R7091R7092 R7093R7094 R7095 D6 BV BH GV GH RV RH 1 2 3 4 5 6 7 8 9 10 11 12 13 14 15 16 1 2 3 4 1 2 3 4 IC7002 1 2 3 4 5 6 7 8 9 10 11 12 13 14 15 16 17 18 IC7001 1 2 3 4 5 6 7 8 9 10 11 12 13 14 15 16 17 18 D12 1 2 3 4 5 6 7 8 2 2 2 2 2 2 2 2 2 2 2 2 2 2 2 2 2 V V V V V IC451 1 2 3 4 5 6 7 1 1 1 1 1 1 1 1 1 1 1 1 1 1 1 1 1 1 1 D2 1 16 5 10 15 2 3 4 6 7 8 9 11 12 13 14 SOUND D70 1 2 3 4 5 6 7 8 D1 1 16 5 10 15 2 3 4 6 7 8 9 11 12 13 14 D60 1 2 3 4 5 6 7 8 D1 1 16 5 10 15 2 3 4 6 7 8 9 11 12 13 14 1 5 2 3 4 6 7 8 D40 D8 1 2 3 4 5 6 D4 1 2 3 D5 D11 1 2 3 4 D10 1 2 3 4 D9 1 2 3 4 1 C808 T501 L500 D501 Q501 C888 C884 C885 1 11 6 7 T881 D890 C890 RL801 D871 L883 L6720 L6719 D6705 C6718 C888 C6715 D6712 D893 C893 D876 1 2 3 4 D801 C804 C803 C802 JSP17 1 2 3 4 5 6 7 8 9 10 11 12 L821 JSP26 JSP25 JSP27 JSP28 C806 L870 C805 D875 F801 L873 L880 C874 C807 C809 COLD 6.5V GND RELAY 18V HDRIVE HOUT GND ! ! ! ! ! ! ! ! ! ! ! C891 C889 C895 C894 C883 C505 C502 R890 R891 R854 R503 R504 R501 R502 R882 R883 R? R6704 R874 R870 D885 D6710 IC881 Q852 D886 JSP11 R801 C503 C504 D502 D500 P70 GND 2 3 4 5 6 7 8 1 P50 P5 P2 1 2 3 4 5 P4 3 2 1 P40 1 2 1 2 3 4 5 6 7 8 P60 1 2 3 4 5 6 7 8 1 2 3 4 5 6 7 8 1 4 2 5 3 6 D884

标签:

版权声明

1. 本站所有素材,仅限学习交流,仅展示部分内容,如需查看完整内容,请下载原文件。
2. 会员在本站下载的所有素材,只拥有使用权,著作权归原作者所有。
3. 所有素材,未经合法授权,请勿用于商业用途,会员不得以任何形式发布、传播、复制、转售该素材,否则一律封号处理。
4. 如果素材损害你的权益请联系客服QQ:77594475 处理。