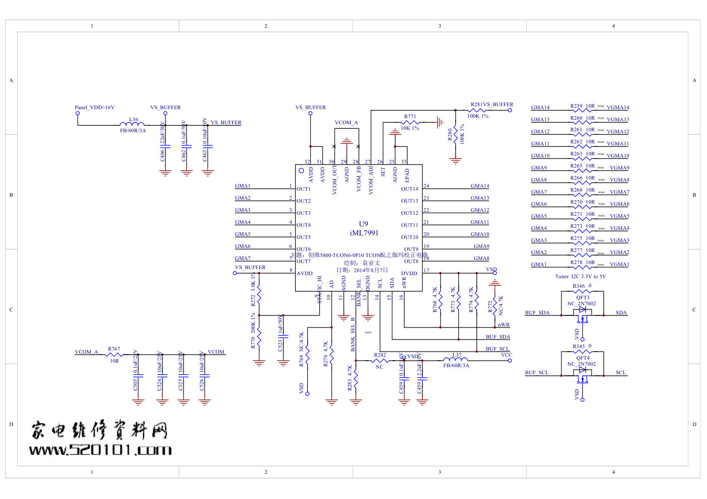
创维5800-TCON6-0P10 TCON板之伽玛校正电路
) 
            
            1 1 2 2 3 3 4 4 D D C C B B A A R0402 R0402 DGND R0402 R0402 R0402 R0402 R0402 R0402 R0402 R0402 R0402 R0402 R0402 R0402 U9 iML7991 4.7K R274 BANK_SEL_B 3.0K 1% R272 200K 1% R770 NC/4.7K R769 VSD 1uF/50V C523 4.7K R768 4.7K R773 4.7K R774 NC/4.7K R772 4.7K R283 NC R282 VSD VSD 100K 1% R280 100K 1% R281VS_BUFFER 10K 1% R771 VS_BUFFER VCOM_A 0.1uF/16V C459 2.2uF/10V C459 L37 FB/60R/3A VCC nWR BUF_SDA BUF_SCL VS_BUFFER GMA1 GMA2 GMA3 GMA4 GMA5 GMA6 GMA7 GMA8 GMA9 GMA10 GMA11 GMA12 GMA13 GMA14 QFT3 NC_2N7002 0 R346 SDA BUF_SDA VSD QFT4 NC_2N7002 0 R345 SCL BUF_SCL VSD Tuner I2C 3.3V to 5V 10uF/25V C526 10uF/25V C525 10uF/25V C524 0.1uF/25V C505 10R R767 VCOM VCOM_A 0.10uF/50V C463 0.1uF/50V C462 22uF/50V C496 VS_BUFFER Panel_VDD=16V L36 FB/60R/3A VS_BUFFER GMA8 GMA9 GMA10 GMA11 GMA12 GMA13 GMA14 VGMA8 VGMA9 VGMA10 VGMA11 VGMA12 VGMA13 VGMA14 GMA1 GMA2 GMA3 GMA4 GMA5 GMA6 GMA7 VGMA1 VGMA2 VGMA3 VGMA4 VGMA5 VGMA6 VGMA7 10R R259 10R R260 10R R261 10R R262 10R R263 10R R265 10R R266 10R R268 10R R270 10R R271 10R R273 10R R275 10R R277 10R R278 1 2 3 4 5 6 7 8 9 10 11 12 13 14 15 16 17 18 19 20 21 22 23 24 25 26 27 28 29 30 31 32 33 绘制:袁亚文 主题:创维5800-TCON6-0P10 TCON板之伽玛校正电路 日期:2014年8月7日 OUT1 OUT2 OUT3 OUT4 OUT5 OUT6 OUT7 OUT8 OUT9 OUT10 OUT11 OUT12 OUT13 OUT14 AVDD DVDD nWR SDA SCL DGND BANK_SEL AGND AD STATIC_HI AVDD AVDD AGND VCOM_OUT VCOM_FB VCOM_ADJ SET AGND EPAD
版权声明
1. 本站所有素材,仅限学习交流,仅展示部分内容,如需查看完整内容,请下载原文件。
        2. 会员在本站下载的所有素材,只拥有使用权,著作权归原作者所有。
        3. 所有素材,未经合法授权,请勿用于商业用途,会员不得以任何形式发布、传播、复制、转售该素材,否则一律封号处理。
        4. 如果素材损害你的权益请联系客服QQ:77594475 处理。