海信TLM32V66A系列液晶(4204板)主板电路原理图

分类:电子电工 日期: 点击:0
海信TLM32V66A系列液晶(4204板)主板电路原理图-0 海信TLM32V66A系列液晶(4204板)主板电路原理图-1 海信TLM32V66A系列液晶(4204板)主板电路原理图-2 海信TLM32V66A系列液晶(4204板)主板电路原理图-3 海信TLM32V66A系列液晶(4204板)主板电路原理图-4 海信TLM32V66A系列液晶(4204板)主板电路原理图-5 海信TLM32V66A系列液晶(4204板)主板电路原理图-6

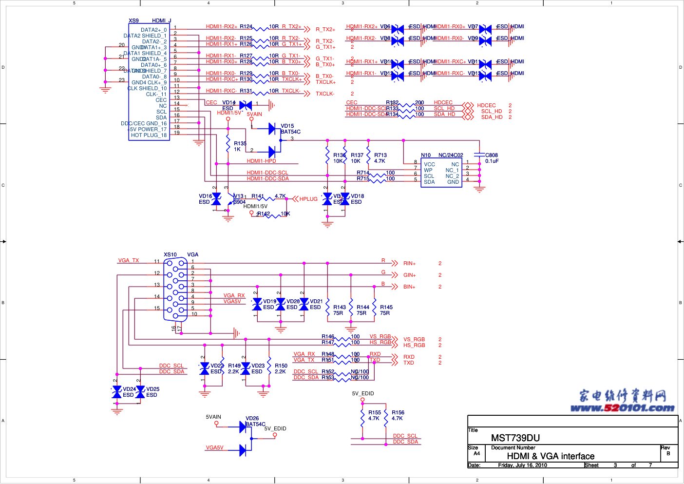
5 4 3 2 1 D D C C B B A A ADJ_PWM BL-ADJUST BL-ADJUST BL-ON/OFF BL-ON/OFF PANEL_CTL ON_PANEL ON_PBACK STANDBY STANDBY WAKEUP VDDC AVDD_MPLL AVDDA 3.3AVDD VDDP 3.3AVDD AVDD_AU AVDD_VIF 3.3Vstb VDDP_PM 5VAIN 5Vstb VCC1.26V 5VAIN 5Vstb 5Vstb VCC-Panel +12V 5Vstb +12V 5VAIN 5VAIN 5VAIN 5Vstb +12V 5VAIN WAKEUP 2 ON_PANEL 2 ON_PBACK 2 ADJ_PWM 2 Title Size Document Number Rev Date: Sheet of 1 7 B Power MST739DU A3 Friday, July 16, 2010 Title Size Document Number Rev Date: Sheet of 1 7 B Power MST739DU A3 Friday, July 16, 2010 Title Size Document Number Rev Date: Sheet of 1 7 B Power MST739DU A3 Friday, July 16, 2010 1.25V 8mA 1.4mA 6.8mA 142mA 14mA 380mA 310mA OPC:R437/1K,R406/R407/R408/V20/NC 不用OPC:R437/NC 背光控制 CA1 220uF/25V CA1 220uF/25V 1 2 3 V1 3904 V1 3904 R20 NC R20 NC 1 2 3 V6 3904 V6 3904 1 2 C3 0.1uF C3 0.1uF R14 0R R14 0R 1 2R4 4.7K R4 4.7K 1 2 R21 1K R21 1K C18 0.1uF C18 0.1uF R23 4.7K R23 4.7K 1 2 C51 0.1uF C51 0.1uF R9 4.7K R9 4.7K R18 NC R18 NC R36 NC R36 NC 1 2 3 V8 NC/3904 V8 NC/3904 R31 0R R31 0R 1 2 CA2 100uF/16V CA2 100uF/16V 1 2 C53 0.1uF C53 0.1uF C37 0.1uF C37 0.1uF R30 10K R30 10K R1 4.7K R1 4.7K 1 2 L1 BLM31PG L1 BLM31PG C24 2.2uF C24 2.2uF C13 0.1uF C13 0.1uF C29 0.1uF C29 0.1uF 1 2 L5 FB0603 L5 FB0603 R3 1K R3 1K R2 10K R2 10K C26 0.1uF C26 0.1uF CA3 470uF/16V CA3 470uF/16V GND 1 VOUT 2 VIN 3 VOUT_3 4 N5 AMS1117-3.3 N5 AMS1117-3.3 R32 4.7K R32 4.7K C7 0.1uF C7 0.1uF 1 2 C34 0.1uF C34 0.1uF 1 2 L4 FB0603 L4 FB0603 1 2 R12 0R R12 0R 1 2 C56 0.1uF C56 0.1uF C8 0.1uF C8 0.1uF C14 2.2uF C14 2.2uF R7 NC R7 NC R58 10K R58 10K 1 2 C19 0.1uF C19 0.1uF 1 2 C17 0.1uF C17 0.1uF 1 2R6 100K R6 100K 1 2 C27 0.1uF C27 0.1uF C30 0.1uF C30 0.1uF 1 2 C15 0.1uF C15 0.1uF 1 2 C43 0.68uF C43 0.68uF C38 0.1uF C38 0.1uF 1 2 3 V2 3904 V2 3904 1 2 C21 0.1uF C21 0.1uF 1 2 C32 0.1uF C32 0.1uF R35 3.0R/2W R35 3.0R/2W 1 2 L3 NC/BLM31PG L3 NC/BLM31PG 1 2 3 V9 3904 V9 3904 CA22 470uF/16V CA22 470uF/16V R29 22K R29 22K 1 2 3 ADJ IN N25 TO-252 AP1084-3.3V ADJ IN N25 TO-252 AP1084-3.3V R24 NC/10K R24 NC/10K R37 0R R37 0R 1 2 C22 0.1uF C22 0.1uF 1 2 3 V5 NC/3904 V5 NC/3904 C46 10uF C46 10uF R33 4.7K R33 4.7K C36 0.1uF C36 0.1uF C25 0.1uF C25 0.1uF 1 2 CA4 100uF/16V CA4 100uF/16V C50 4.7uF C50 4.7uF C11 0.1uF C11 0.1uF 1 2 C20 0.1uF C20 0.1uF C35 0.1uF C35 0.1uF 1 2 CA18 100uF/16V CA18 100uF/16V C2 2.2uF C2 2.2uF GND 1 VOUT 2 VIN 3 VOUT_3 4 N4 AMS1117-3.3 N4 AMS1117-3.3 1 2 3 V3 3904 V3 3904 C28 100pF C28 100pF 1 2 3 N3 AO3401 N3 AO3401 1 2 C58 0.1uF C58 0.1uF 1 2 C52 0.1uF C52 0.1uF C48 2.2uF C48 2.2uF C12 0.1uF C12 0.1uF 1 2 C33 0.1uF C33 0.1uF 1 2 C55 0.1uF C55 0.1uF R28 NC/10K R28 NC/10K C49 2.2uF C49 2.2uF 1 2 R5 NC/0R R5 NC/0R 1 2 C16 0.1uF C16 0.1uF R34 2.7R/2W R34 2.7R/2W 1 2 L8 NC/FB0603 L8 NC/FB0603 GND 1 VOUT 2 VIN 3 VOUT_3 4 N6 AMS1117-ADJ N6 AMS1117-ADJ 1 2 L2 FB0603 L2 FB0603 1 2 C23 0.1uF C23 0.1uF 1 2 C5 0.1uF C5 0.1uF C45 10uF C45 10uF R8 1K R8 1K 1 2 C44 0.1uF C44 0.1uF R15 4.7K R15 4.7K 1 2 C9 100pF C9 100pF C31 2.2uF C31 2.2uF 1 2 C54 0.1uF C54 0.1uF 1 2 3 4 5 6 7 8 9 10 11 12 13 14 XP3 Power XP3 Power 1 2 C57 0.1uF C57 0.1uF 5 4 3 2 1 D D C C B B A A PWM0 PWM0 AMP-L AMP-MUTE AMP-MUTE AMP-R AUVRADN AUVRADP AUVREF AU_LOUT AU_ROUT AV_AUL1 AV_AUL2 AV_AUR1 AV_AUR2 BIN+ B_TX0+ B_TX0- CKV GCLK3 CPV CPV1 CVBS0 CVBS1 CVBSOut CZ CZ DATA1 GCLK2 OE DATA11 DATA2 FLK3 GVOFF DATA21 DPM1 FLK1 FLK2 GCLK4 GCLK5 GCLK6 GIN+ GSP MR STV MR1 G_TX1+ G_TX1- HCONV1 HDCEC HDCP-SCL HDCP-SDA HD_L HD_R HPLUG HS_RGB HWRESET HWRESET I2C_SCL I2C_SCL I2C_SCL I2C_SDA I2C_SDA I2C_SDA IR-in IR-in IR_SYNC IR_SYNC IR_SYNC KEY0-in KEY0-in KEY1-in KEY1-in LED LED LED LEDON1 LED_CTL LED_CTL LLV0N RXEC+ RXEC+ LLV0N LLV0P RXEC- RXEC- LLV0P LLV1N RXE3+ RXE3+ LLV1N LLV1P RXE3- RXE3- LLV1P LLV2N RXE4+ RXE4+ LLV2N LLV2P RXE4- RXE4- LLV2P LLV3N LLV3P LLV4N LLV4N LLV4P LLV4P LLV5N LLV5N LLV5P LLV5P LLV6N LLV6N LLV6P LLV6P LLV7N LLV7N LLV7P LLV7P LLV8N LLV8P LP SOE TP1 LP1 LP1 LVDS_SL ML POL POL ML1 ON_PANEL ON_PANEL ON_PBACK ON_PBACK OPT_N1 OPT_P1 PB+ PR+ PT_EN1 PT_EN1 PT_EN2 PT_EN2 PWM1 PWM1 PWM2 PWM2 PWM2 PWM3 PWM3 RIN+ RLV0N RXO0+ RXO0+ RLV0N RLV0P RXO0- RXO0- RLV0P RLV1N RXO1+ RXO1+ RLV1N RLV1P RXO1- RXO1- RLV1P RLV2N RXO2+ RXO2+ RLV2N RLV2P RXO2- RXO2- RLV2P RLV3N RXOC+ RXOC+ RLV3P RXOC- RXOC- RLV4N RXO3+ RXO3+ RLV4N RLV4P RXO3- RXO3- RLV4P RLV5N RXO4+ RXO4+ RLV5N RLV5P RXO4- RXO4- RLV5P RLV6N RXE0+ RXE0+ RLV6N RLV6P RXE0- RXE0- RLV6P RLV7N RXE1+ RXE1+ RLV7N RLV7P RXE1- RXE1- RLV7P RLV8N RXE2+ RXE2+ RLV8P RXE2- RXE2- RXD RXD R_TX2+ R_TX2- SCAN_BLK1 SCAN_BLK2 SCK SCK SCL_HD SDA_HD SI SI SIFM SIFP SIF_CTL SIF_CTL SO SO SPI_CK SPI_CZ SPI_DI SPI_DO1 TAGC TXCLK+ TXCLK- TXD TXD VCOM VCOM VGH_EVEN VGH_ODD VGMA1 VGMA1 VGMA9 VGMA9 VGMA10 VGMA10 VGMA11 VGMA11 VGMA2 VGMA2 VGMA3 VGMA3 VGMA4 VGMA4 VGMA5 VGMA5 VGMA6 VGMA6 VGMA8 VGMA8 VIFM VIFP VIF_CTL VIF_CTL VR27 VS_RGB WAKEUP WAKEUP WPWM1 WP_EE WP_EE Y+ IR-in2 LED_CTL2 IR-in2 IR-in LED_CTL2 LED_CTL VGMA12 VGMA12 DATA1 DATA11 CPV LP LP1 DATA2 DATA21 MR MR1 ML ML1 CPV1 3.3Vstb 3.3AVDD 3.3AVDD 3.3AVDD 3.3AVDD 3.3AVDD 3.3AVDD 5Vstb 5VAIN AVDDA VDDP VDDC AVDD_AU AVDD_VIF 5VAIN VDDP_PM AVDD_MPLL VCC-Panel VCC-Panel 5Vstb 3.3Vstb 3.3Vstb 5Vstb 5Vstb 3.3AVDD 3.3AVDD VCC-Panel Panel_VCC Panel_VDD VGH VGL1 VGL2 Panel_VCC Panel_VDD 5Vstb Panel_VCC 3.3AVDD Panel_VCC 3.3AVDD Panel_VCC 3.3AVDD Panel_VCC 3.3AVDD Panel_VCC 3.3AVDD Panel_VCC 3.3AVDD B_TX0+ 3 B_TX0- 3 G_TX1- 3 G_TX1+ 3 R_TX2+ 3 R_TX2- 3 TXCLK- 3 TXCLK+ 3 VS_RGB 3 HS_RGB 3 BIN+ 3 GIN+ 3 RIN+ 3 Y+ 4 PR+ 4 PB+ 4 CVBSOUT 4 CVBS1 4 AV_AUL1 4 AV_AUR1 4 SIFP 5 SIFM 5 PWM3 5 ON_PANEL 1 AMP-MUTE 6 ON_PBACK 1 SIF_CTL 5 VIFM 5 VIFP 5 WAKEUP 1 CVBS0 4 ADJ_PWM 1 PWM3 5 HPLUG 3 HDCEC 3 SDA_HD 3 SCL_HD 3 TXD 3 RXD 3 I2C_SCL 5,7 I2C_SDA 5,7 VIF_CTL 5 TAGC 5 AMP-R 6 AMP-L 6 AU_LOUT 4 AU_ROUT 4 VGMA11 7 VGMA6 7 VGMA8 7 VGMA9 7 VGMA10 7 VGMA1 7 VGMA2 7 VGMA3 7 VGMA4 7 VGMA5 7 VGMA12 7 VCOM 7 PT_EN2 7 PT_EN1 7 HD_L 4 HD_R 4 AV_AUL2 4 AV_AUR2 4 Title Size Document Number Rev Date: Sheet of 2 7 B MST739DU MST739DU A2 Friday, July 16, 2010 Title Size Document Number Rev Date: Sheet of 2 7 B MST739DU MST739DU A2 Friday, July 16, 2010 Title Size Document Number Rev Date: Sheet of 2 7 B MST739DU MST739DU A2 Friday, July 16, 2010 Mode Selection I2C address at A0. Debug port UART0 HDCP_KEY 09IPS 13.54V 10IPS 12.6V 2.5V 31.3V 09IPS -5V 10IPS -6V 09IPS -17.3V 10IPS NC 12.6V 2.5V 插座线序和供电网络更改 C134 0.1uF C134 0.1uF C302 47nF C302 47nF R65 33R R65 33R 1 2R107 1K R107 1K C183 10uF C183 10uF 1 2 R104 4.7K R104 4.7K 1 2 3 4 5 6 7 8 RP8 22R RP8 22R 1 2 R117 47 R117 47 ~_0 TP43 TP43 1 1 2 2 3 3 4 4 5 5 XP5 IR&LED XP5 IR&LED ~_0 TP33 TP33 R64 33R R64 33R 1 2R106 10K R106 10K C153 10nF C153 10nF 1 2 R78 4.7K R78 4.7K C175 10uF C175 10uF 1 2 3 4 5 6 7 8 RP11 22R RP11 22R C305 47nF C305 47nF C303 47nF C303 47nF C140 1nF C140 1nF 1 2 R73 0R R73 0R 1 2R102 10K R102 10K 1 2R111 NC R111 NC 1 2 C159 27pF C159 27pF 1 2 3 4 5 6 7 8 RP6 22R RP6 22R R68 22R R68 22R GND_135 1 HSYNC1 2 BIN1 3 BIN1M 4 SOGIN1 5 GIN1 6 GIN1M 7 RIN1 8 RIN1M 9 VSYNC1 10 AVDD_ADC 11 GND 12 HSYNC0 13 BIN0M 14 BIN0 15 GIN0M 16 GIN0 17 SOGIN0 18 RIN0M 19 RIN0P 20 VSYNC0 21 GND_2 22 AVDD_ADC_23 23 CVBS7 24 CVBS6 25 CVBS5 26 CVBS4 27 CVBS3 28 CVBS2 29 CVBS1 30 CVBS0 31 VCOM0 32 CVBSOUT2 33 CVBSOUT 34 GND_19 35 AVDD_MPLL 36 XOUT 37 XIN 38 GND_147 39 AVDD_VIF_20 40 AVDD_VIF_40 41 AVSS_VIF 42 VIFP 43 VIFM 44 SIFM 45 SIFP 46 AVSS_VIF_72 47 VR27 48 AVDD_VIF 49 TAGC 50 AVDD_AU 51 LINE_IN_0L 52 LINE_IN_0R 53 LINE_IN_1L 54 LINE_IN_1R 55 LINE_IN_2L 56 LINE_IN_2R 57 LINE_IN_3L 58 LINE_IN_3R 59 LINE_IN_4L 60 LINE_IN_4R 61 AUCOM 62 AUVRM 63 AUVRP 64 AUVAG 65 GND_25 66 DAC_OUT_L 67 DAC_OUT_R 68 LINE_OUT_L 69 LINE_OUT_R 70 AVDD_AU_194 71 VDDP_65 72 GND_39 73 TCON0 74 TCON1 75 TCON2 76 TCON3 77 TCON4 78 TCON5 79 TCON6 80 TCON7 81 TCON8 82 TCON9 83 VDDC 84 GND_64 85 VDDP_66 86 TCON10 87 TCON11 88 TCON12 89 TCON13 90 GPIOB[12]_127 91 GPIOB[11]_130 92 GPIOB[10]_128 93 GPIOB[9]_129 94 GPIOB[8]_131 95 GPIOB[3]_132 96 GPIOB[2]_153 97 GPIOB[1]_154 98 GPIOB[0]_155 99 VDDP_68 100 GND_74 101 VDDC_70 102 PWM3 103 PWM2 104 PWM1 105 PWM0 106 GND_156 107 VDDP_196 108 ALE/GPIO_22 109 RDZ/GPIO_21 110 WRZ/GPIO_14 111 AD[3]/GPIO_17 112 AD[2]/GPIO_16 113 AD[1]/GPIO/SPI_SIO3_15 114 AD[0]/GPIO/SPI_SIO2_24 115 SPI_SDO 116 SPI_SDI 117 SPI_SCZ 118 SPI_SCK 119 LLV8N 120 LLV8P 121 LLV7N 122 LLV7P 123 LLV6N 124 LLV6P 125 LLV5N 126 LLV5P 127 LLV4N 128 LLV4P 129 LLV3N 130 LLV3P 131 VDDC_157 132 GND_195 133 VDDP 134 LLV2N 135 LLV2P 136 LLV1N 137 LLV1P 138 LLV0N 139 LLV0P 140 RLV8N 141 RLV8P 142 RLV7N 143 RLV7P 144 RLV6N 145 RLV6P 146 VDDP_60 147 GND_49 148 RLV5N 149 RLV5P 150 RLV4N 151 RLV4P 152 RLV3N 153 RLV3P 154 RLV2N 155 RLV2P 156 RLV1N 157 RLV1P 158 RLV0N 159 RLV0P 160 GND_180 161 VDDP_124 162 GND_197 163 VDDP_198 164 GND_200 165 VDDP_199 166 GND_201 167 DDCA_CLK 168 DDCA_DAT 169 INT 170 IRIN 171 SAR4 172 SAR3 173 SAR2 174 SAR1 175 SAR0 176 VDDP_2_75 177 DDCD_SCL 178 DDCD_SDA 179 GPIOB[6]_203 180 GPIOB[7]_10 181 HWRESET 182 CEC 183 WAKEUP 184 VDDC_185 185 GND_181 186 VDDP_182 187 TCON21 188 TCON20 189 TCON19 190 TCON18 191 TCON17 192 TCON16 193 TCON15 194 TCON14 195 GPIOT[0]_214 196 GPIOT[1]_213 197 GPIOT[2]_212 198 GPIOT[3]_187 199 GPIOM[0]_188 200 GPIOM[1]_189 201 GPIOM[2]_190 202 GPIOM[3]_191 203 VDDP_186 204 GND_183 205 VDDC_192 206 RXACKN 207 RXACKP 208 RXA0N 209 RXA0P 210 AVDD_ADC_193 211 RXA1N 212 RXA1P 213 HOTPLUG 214 RXA2N 215 RXA2P 216 Epad_215 217 N7 MST740KULS N7 MST740KULS 1 2 R115 47 R115 47 1 2 R109 10K R109 10K R332 10K R332 10K R340 10K R340 10K 1 2R41 4.7K R41 4.7K 1 2 R55 68R R55 68R R85 1K R85 1K C169 0.1uF C169 0.1uF R71 1K R71 1K ~_0 TP38 TP38 R198 10K R198 10K 1 2 R39 100K R39 100K R158 10K R158 10K C310 47nF C310 47nF C81 47nF C81 47nF 1 2 C127 0.1uF C127 0.1uF 1 2 L10 FB0603 L10 FB0603 1 2 3 4 5 6 7 8 RP4 22R RP4 22R 1 2R113 10K/NC R113 10K/NC R47 0R R47 0R C317 1nF C317 1nF ~_0 TP46 TP46 1 2 C158 27pF C158 27pF 1 2 R90 22K R90 22K R335 NC R335 NC R50 33R R50 33R 1 2 R99 4.7K R99 4.7K R46 33R R46 33R 1 2 R118 47 R118 47 ~_0 TP6 TP6 1 2 3 V35 2N7002 V35 2N7002 1 2 R84 2.2K R84 2.2K 1 2 R140 0 R140 0 R112 33K R112 33K 1 2 3 4 5 6 7 8 RP16 22R RP16 22R 1 2 C111 2.2uF C111 2.2uF C171 0.1uF C171 0.1uF 1 2 R82 2.2K R82 2.2K 1 1 2 2 3 3 4 4 XP4 KEY XP4 KEY C316 1nF C316 1nF 1 2 R51 68R R51 68R ~_0 TP34 TP34 1 2 R60 68R R60 68R 1 2 3 VD2 BAV99 VD2 BAV99 R304 NC/0R R304 NC/0R C304 1nF C304 1nF 1 1 2 2 3 3 4 4 5 5 XP1 IR&LED XP1 IR&LED 1 2R122 10K R122 10K 1 2 R80 100 R80 100 1 2 3 V39 2N7002 V39 2N7002 1 2 3 V38 2N7002 V38 2N7002 1 2 3 V12 3904 V12 3904 1 2 R110 10K R110 10K 1 2 3 4 5 6 7 8 RP9 22R RP9 22R 1 2 3 V11 3904 V11 3904 C82 2.2uF C82 2.2uF C115 47nF C115 47nF ~_0 TP48 TP48 1 2 3 4 5 6 7 8 RP15 22R RP15 22R 1 2 C129 NC/22pF C129 NC/22pF C309 47nF C309 47nF R88 1K R88 1K 1 2 L11 FB0603 L11 FB0603 VCC_1 1 VCC 2 VCC_3 3 VCC_2 4 GND_5 5 GND 6 GND_7 7 GND_6 8 AI/SDA_9 9 LVDS_SL/SCL_8 10 BRI_EXT/DIS_11 11 BRI_OUT 12 GND_13 13 GND_12 14 TXA0-_15 15 TXA0+_14 16 TXA1-_17 17 TXA1+_16 18 TXA2-_19 19 TXA2+_18 20 TXAC-_21 21 TXAC+_20 22 TXA3-_23 23 TXA3+_22 24 TXA4-_25 25 TXA4+_24 26 GND_27 27 GND_26 28 TXB0-_29 29 TXB0+_28 30 TXB1-_31 31 TXB1+_30 32 TXB2-_33 33 TXB2+_32 34 TXBC-_35 35 TXBC+_34 36 TXB3-_38 37 TXB3+_36 38 TXB4-_39 39 TXB4+_37 40 XP2 LVDS XP2 LVDS 1 2 R81 100 R81 100 R72 10K R72 10K C112 1nF C112 1nF 1 2R95 10K R95 10K R52 33R R52 33R 1 2 R116 47 R116 47 R341 NC R341 NC C314 47nF C314 47nF 1 2 R139 0 R139 0 R67 22R R67 22R 1 2 R91 4.7K R91 4.7K 1 2 R49 68R R49 68R 1 2 R53 68R R53 68R 1 2 3 4 5 6 7 8 RP14 22R RP14 22R R75 4.7K R75 4.7K R333 NC R333 NC ~_0 TP36 TP36 1 2 C128 0.1uF C128 0.1uF R330 10K R330 10K C311 47nF C311 47nF R336 10K R336 10K 1 2 R97 4.7K R97 4.7K ~_0 TP39 TP39 ~_0 TP1 TP1 1 2R69 4.7K R69 4.7K R101 NC/4.7K R101 NC/4.7K 1 2 3 4 5 6 7 8 RP13 22R RP13 22R 1 2R120 10K/NC R120 10K/NC A0 1 A1 2 A2 3 GND 4 SDA 5 SCL 6 WP 7 VCC 8 N19 24C04 N19 24C04 C85 2.2uF C85 2.2uF R338 10K R338 10K C308 47nF C308 47nF 1 2 R74 100 R74 100 1 2 3 V37 2N7002 V37 2N7002 C152 10nF C152 10nF R70 1K R70 1K ~_0 TP41 TP41 R57NC/0R R57NC/0R C315 47nF C315 47nF C74 2.2uF C74 2.2uF 1 2 R100 4.7K R100 4.7K 1 2 R66 68R R66 68R 1 2R98 10K R98 10K C176 10nF C176 10nF C73 2.2uF C73 2.2uF R76 22R R76 22R C174 1uF C174 1uF 1 2 VD3 ESD VD3 ESD 1 2 R83 100 R83 100 R61 33R R61 33R C173 4.7uF C173 4.7uF C168 0.1uF C168 0.1uF R157 10K R157 10K R54 33R R54 33R 1 2 L19 NC/FB0603 L19 NC/FB0603 ~_0 TP45 TP45 1 2R114 10K R114 10K ~_0 TP15 TP15 1 2 R56 68R R56 68R 1 2 VD47 ESD VD47 ESD C312 1nF C312 1nF R62 NC/0R R62 NC/0R 1 1 2 2 3 3 4 4 XP11 Debug XP11 Debug 1 2R42 100 R42 100 R630R R630R C300 10uF C300 10uF R43 27K R43 27K C165 0.1uF C165 0.1uF 1 2 3 4 5 6 7 8 RP19 22R RP19 22R 1 2R121 10K R121 10K 1 2R103 NC/10K R103 NC/10K C306 47nF C306 47nF 1 2 R108 100 R108 100 C177 10uF C177 10uF R45 10K R45 10K R86 22K R86 22K 1 2 R44 22K R44 22K C170 100pF C170 100pF R331 NC R331 NC R334 10K R334 10K ~_0 TP14 TP14 1 2R119 10K R119 10K 1 2 R40 1M R40 1M R199 NC R199 NC A0 1 A1 2 A2 3 GND 4 SDA 5 SCL 6 WP 7 VCC 8 N9 24C16 N9 24C16 1 2 3 4 5 6 7 8 RP10 22R RP10 22R 1 2 3 4 5 6 7 8 RP12 22R RP12 22R C307 47nF C307 47nF 1 2 VD4 ESD VD4 ESD 1 2 R105 4.7K R105 4.7K C172 0.1uF C172 0.1uF R154 10K R154 10K 1 2 3 4 5 6 7 8 RP7 22R RP7 22R 1 2 L12 FB0603 L12 FB0603 R339 NC R339 NC R337 NC R337 NC ~_0 TP28 TP28 C301 47nF C301 47nF 1 2 3 V40 2N7002 V40 2N7002 R92 22R R92 22R ~_0 TP49 TP49 1 2R123 10K R123 10K R94 22R R94 22R 1 2 + CA17 100uF/25V + CA17 100uF/25V R89 22K R89 22K 1 2 VD5 ESD VD5 ESD 1 2 3 V36 2N7002 V36 2N7002 C313 47nF C313 47nF C154 10nF C154 10nF 1 2 Z1 14.318MHZ Z1 14.318MHZ 1 2 3 V10 3906 V10 3906 ~_0 TP29 TP29 C72 2.2uF C72 2.2uF R59 0R R59 0R 1 2R38 470 R38 470 VRF1 1 VRF2 2 VRF3 3 VRF4 4 VRF5 5 VRF6 6 LP 7 MR 8 DB12N 9 DB12P 10 GND 11 DB11N 12 DB11P 13 DB10N 14 DB10P 15 GND_15 16 CPHBN 17 CPHBP 18 GND_18 19 DB02N 20 DB02P 21 DB01N 22 DB01P 23 GND_23 24 DB00N 25 DB00P 26 GND_26 27 VDD 28 VDD_28 29 VRF8 30 VRF9 31 VRF10 32 VRF11 33 VRF12 34 AVDD 35 AVDD_35 36 AVDD_36 37 AVDD_37 38 VCOM 39 VCOM_39 40 41 41 42 42 XP8 MiniLVDS_IPS_A XP8 MiniLVDS_IPS_A ~_0 TP47 TP47 R77 22R R77 22R C71 2.2uF C71 2.2uF R138 22R R138 22R VCOMS 1 CPV 2 DATA1 3 DATA2 4 VON 5 VOFF2 6 VOFF1 7 GND 8 GND_8 9 VRF1 10 VRF2 11 VRF3 12 VRF4 13 VRF5 14 VRF6 15 LP 16 ML 17 DA12N 18 DA12P 19 GND_19 20 DA11N 21 DA11P 22 DA10N 23 DA10P 24 GND_24 25 CPHAN 26 CPHAP 27 GND_27 28 DA02N 29 DA02P 30 DA01N 31 DA01P 32 GND_32 33 DA00N 34 DA00P 35 GND_35 36 VDD 37 VDD_37 38 VRF8 39 VRF9 40 VRF10 41 VRF11 42 VRF12 43 AVDD 44 AVDD_44 45 AVDD_45 46 AVDD_46 47 VCOM 48 VCOM_48 49 VCOM_49 50 51 51 52 52 XP9 MiniLVDS_IPS_B XP9 MiniLVDS_IPS_B ~_0 TP44 TP44 1 2 R87 22K R87 22K R93 4.7K R93 4.7K R48 33R R48 33R 1 2 R96 100 R96 100 1 2 R79 100 R79 100 CE#_0 1 SO 2 WP#_2 3 VSS 4 SI 5 SCK 6 HOLD#_6 7 VDD 8 N8 MX25LV040 N8 MX25LV040 5 4 3 2 1 D D C C B B A A B B_TX0+ B_TX0- CEC CEC DDC_SCL DDC_SCL DDC_SCL DDC_SDA DDC_SDA DDC_SDA G G_TX1+ G_TX1- HDCEC HDMI1-DDC-SCL HDMI1-DDC-SCL HDMI1-DDC-SDA HDMI1-DDC-SDA HDMI1-HPD HDMI1-RX0+ HDMI1-RX0+ HDMI1-RX0- HDMI1-RX0- HDMI1-RX1+ HDMI1-RX1+ HDMI1-RX1- HDMI1-RX1- HDMI1-RX2+ HDMI1-RX2+ HDMI1-RX2- HDMI1-RX2- HDMI1-RXC+ HDMI1-RXC+ HDMI1-RXC- HDMI1-RXC- HS_RGB R RXD R_TX2+ R_TX2- SCL_HD SDA_HD TXCLK+ TXCLK- TXD VGA5V VGA5V VGA_RX VGA_RX VGA_TX VGA_TX VS_RGB 5VAIN 5VAIN HDMI1/5V HDMI1/5V 5V_EDID 5V_EDID HDCEC 2 RIN+ 2 GIN+ 2 BIN+ 2 HS_RGB 2 VS_RGB 2 HPLUG 2 B_TX0+ 2 B_TX0- 2 G_TX1+ 2 G_TX1- 2 R_TX2+ 2 R_TX2- 2 TXCLK+ 2 TXCLK- 2 SDA_HD 2 SCL_HD 2 RXD 2 TXD 2 Title Size Document Number Rev Date: Sheet of MST739DU HDMI & VGA interface B 7 3 A4 Friday, July 16, 2010 Title Size Document Number Rev Date: Sheet of MST739DU HDMI & VGA interface B 7 3 A4 Friday, July 16, 2010 Title Size Document Number Rev Date: Sheet of MST739DU HDMI & VGA interface B 7 3 A4 Friday, July 16, 2010 1 2 VD22 ESD VD22 ESD R124 10R R124 10R R133 100 R133 100 C808 0.1uF C808 0.1uF R715 100 R715 100 VD26 BAT54C VD26 BAT54C R136 10K R136 10K R147 100 R147 100 R714 100 R714 100 1 2 3 VD15 BAT54C VD15 BAT54C R126 10R R126 10R 1 2 VD12 ESD_HDMI VD12 ESD_HDMI R150 2.2K R150 2.2K R155 4.7K R155 4.7K R146 100 R146 100 R134 100 R134 100 1 2 VD8 ESD_HDMI VD8 ESD_HDMI R130 10R R130 10R 1 2 VD9 ESD_HDMI VD9 ESD_HDMI 1 2 VD25 ESD VD25 ESD 1 2 VD6 ESD_HDMI VD6 ESD_HDMI R137 10K R137 10K R713 4.7K R713 4.7K 1 2 VD24 ESD VD24 ESD R143 75R R143 75R 1 2 VD16 ESD VD16 ESD 1 2 R132 200 R132 200 R127 10R R127 10R 1 2 3 V13 3904 V13 3904 1 2 VD14 ESD VD14 ESD R129 10R R129 10R 1 2 VD20 ESD VD20 ESD 1 2 VD10 ESD_HDMI VD10 ESD_HDMI R125 10R R125 10R R145 75R R145 75R 1 2 VD17 ESD VD17 ESD 1 2R142 10K R142 10K R128 10R R128 10R 1 2 R151 100 R151 100 1 2 VD7 ESD_HDMI VD7 ESD_HDMI 1 2 R152 NC/100 R152 NC/100 NC 1 NC_1 2 NC_2 3 GND 4 SDA 5 SCL 6 WP 7 VCC 8 N10 NC/24C02 N10 NC/24C02 R156 4.7K R156 4.7K 1 2 VD11 ESD_HDMI VD11 ESD_HDMI 1 2 3 4 5 6 7 8 9 10 11 12 13 14 15 16 17 XS10 VGA XS10 VGA 1 2 VD19 ESD VD19 ESD 1 2 VD21 ESD VD21 ESD 1 2 VD23 ESD VD23 ESD R144 75R R144 75R R135 1K R135 1K 1 2 R153 NC/100 R153 NC/100 1 2 VD13 ESD_HDMI VD13 ESD_HDMI 1 2 R148 100 R148 100 R149 2.2K R149 2.2K R131 10R R131 10R 1 2 VD18 ESD VD18 ESD DATA2+_0 1 DATA2 SHIELD_1 2 DATA2-_2 3 DATA1+_3 4 DATA1 SHIELD_4 5 DAT1A-_5 6 DATA0+_6 7 DATA0 SHIELD_7 8 DATA0-_8 9 CLK+_9 10 CLK SHIELD_10 11 CLK-_11 12 CEC 13 NC 14 SCL 15 SDA 16 DDC/CEC GND_16 17 +5V POWER_17 18 HOT PLUG_18 19 GND1 20 GND2 21 GND3 22 GND4 23 XS9 HDMI_J XS9 HDMI_J R141 4.7K R141 4.7K 5 4 3 2 1 D D C C B B A A AUL1_AV AUL1_AV AUL2_AV AUL2_AV AUR1_AV AUR1_AV AUR2_AV AUR2_AV AU_LOUT AU_ROUT AV_AUL1 AV_AUL2 AV_AUR1 AV_AUR2 AV_LOUT AV_LOUT AV_OUT AV_OUT AV_ROUT AV_ROUT AV2 CVBS0 CVBS0 AV2 CVBS1 AV1 AV1 CVBSOut HD_L HD_Lin HD_Lin HD_R HD_Rin HD_Rin OUT-L OUT-L OUT-R OUT-R Pb_IN Pb_IN Pr_IN Pr_IN Y_IN Y_IN +12V +12V 5V-IF CVBS1 2 PR+ 2 Y+ 2 PB+ 2 AV_AUL1 2 AV_AUR1 2 AU_ROUT 2 AU_LOUT 2 CVBSOUT 2 HD_L 2 HD_R 2 CVBS0 2 AV_AUL2 2 AV_AUR2 2 Title Size Document Number Rev Date: Sheet of 4 7 B Video & Audio Interface MST739DU A3 Friday, July 16, 2010 Title Size Document Number Rev Date: Sheet of 4 7 B Video & Audio Interface MST739DU A3 Friday, July 16, 2010 Title Size Document Number Rev Date: Sheet of 4 7 B Video & Audio Interface MST739DU A3 Friday, July 16, 2010 VIDEO_OUT Close to connector Audio Line out HDTV&AV1_input AV2_input&AV_out R182 10K R182 10K 1 2 R184 10K R184 10K 1 2 3 V20 3904 V20 3904 R170 10K R170 10K C192 0.1uF C192 0.1uF 1 2 R190 12K R190 12K R178 100 R178 100 R193 220 R193 220 R159 75R R159 75R 1 2 R177 12K R177 12K R171 10K R171 10K R188 330 R188 330 1 2 R197 10K R197 10K 1 2 C319 0.1uF C319 0.1uF 1 2 VD46 ESD VD46 ESD 1 2 VD42 ESD VD42 ESD R195 4.7K R195 4.7K 1 2 R196 12K R196 12K 1 2 R175 8.2K R175 8.2K 1 2 R166 47K R166 47K 1 2 3 V22 3906 V22 3906 1 2 VD35 ESD VD35 ESD 1 2 CA5 100uF/16V CA5 100uF/16V 1 2 VD34 ESD VD34 ESD 1 2 3 4 5 6 7 黄 白 红 左 中 右 上 XS5A AV_out 黄 白 红 左 中 右 上 XS5A AV_out 1 2 VD37 ESD VD37 ESD R189 10K R189 10K R 1 GND 2 L 5 GND_3 6 红 白 上 左 右 XS4A AV4-L3-HX 红 白 上 左 右 XS4A AV4-L3-HX R180 100 R180 100 1 2 C323 2.2uF C323 2.2uF R161 75R R161 75R 1 2 C326 1nF C326 1nF 1 2 VD27 ESD VD27 ESD 1 2 R176 10K R176 10K 8 9 10 11 12 13 14 黄 白 红 左 中 右 下 XS5B AV2 黄 白 红 左 中 右 下 XS5B AV2 1 2 C324 2.2uF C324 2.2uF 1 2 C320 0.1uF C320 0.1uF 1 2 R186 10K R186 10K 1 2 VD36 ESD VD36 ESD C322 10uF C322 10uF R183 10K R183 10K 1 2 R187 12K R187 12K R168 75R R168 75R 1 2 VD52 ESD VD52 ESD 1 2 R181 12K R181 12K 1 2 R173 8.2K R173 8.2K 1 2 VD31 ESD VD31 ESD C321 10uF C321 10uF R174 47 R174 47 1 2 C327 1nF C327 1nF AV 1 GND 2 L 3 GND_3 4 黄 白 上 左 右 XS3A AV4-L2-HX 黄 白 上 左 右 XS3A AV4-L2-HX R165 47 R165 47 R192 75 R192 75 Pr_0 3 GND 4 R 7 GND_3 8 红 红 下 左 右 XS4B AV4-L3-HX 红 红 下 左 右 XS4B AV4-L3-HX R194 75 R194 75 1 2 R185 12K R185 12K 1 2 R191 10K R191 10K 1 2 C193 560pF C193 560pF 1 2 VD53 ESD VD53 ESD 1 2 VD38 ESD VD38 ESD R160 75R R160 75R 1 2 VD28 ESD VD28 ESD 1 2 R167 47K R167 47K 1 2 VD29 ESD VD29 ESD 1 2 R163 4.7K R163 4.7K R164 47 R164 47 R172 47 R172 47 1 2 R162 4.7K R162 4.7K R169 75R R169 75R 1 2 VD51 ESD VD51 ESD 1 2 L7 FB0603 L7 FB0603 Y 5 GND 6 Pb_2 7 GND_3 8 绿 蓝 下 左 右 XS3B AV4-L2-HX 绿 蓝 下 左 右 XS3B AV4-L2-HX 1 2 3 V21 3904 V21 3904 1 2 R179 10K R179 10K 1 2 3 V23 3904 V23 3904 5 4 3 2 1 D D C C B B A A I2C_SCL I2C_SDA IF_TV IF_TV PWM3 RF_AGC RF_AGC SIFM SIFP TAGC TUNER_SCL TUNER_SCL TUNER_SDA TUNER_SDA VIFM VIFP VIF_CTL +12V 40V 5V-IF 5V-IF 33V 5V-IF 5V-Tuner AGND +12V 33V 5V-Tuner 5V-IF +12V 5VAIN PWM3 2 VIF_CTL 2 TAGC 2 I2C_SDA 2,7 I2C_SCL 2,7 SIF_CTL 2 SIFP 2 SIFM 2 VIFP 2 VIFM 2 Title Size Document Number Rev Date: Sheet of MST739DU IF_Interface B 7 5 A4 Friday, July 16, 2010 Title Size Document Number Rev Date: Sheet of MST739DU IF_Interface B 7 5 A4 Friday, July 16, 2010 Title Size Document Number Rev Date: Sheet of MST739DU IF_Interface B 7 5 A4 Friday, July 16, 2010 N6274 0: NTSC 1: PAL N9455 0: M/N 1: BG/DK/I HY Add For 14pin Power 090811 CA7 10uF/50V CA7 10uF/50V 1 2 3 V16 2SC2216 V16 2SC2216 C233 22pF C233 22pF R221 47R R221 47R R202 4.7K R202 4.7K R234 100K R234 100K R222 6.8K R222 6.8K R229 NC R229 NC C242 NC C242 NC R219 NC/0 R219 NC/0 L22 0.82uH L22 0.82uH C249 0.1uF C249 0.1uF VD40 BA277 VD40 BA277 IF 1 VT_33V__0 2 AS 3 SDA 4 SCL 5 MB_5V__4 6 BT_Test__7 7 AGC 8 GND 9 GND_9 10 GND_10 11 GND_11 12 U17 HFT-8B1/V116H U17 HFT-8B1/V116H R211 4.7K R211 4.7K C230 22pF C230 22pF C219 10nF C219 10nF R208 4.7K R208 4.7K R209 10K R209 10K 1 2 C299 2.2uF C299 2.2uF 1 2 3 V18 3904 V18 3904 R207 680 R207 680 VD44 BA277 VD44 BA277 R236 NC/10R/2W R236 NC/10R/2W R201 300/0805 R201 300/0805 1 2 3 V17 3904 V17 3904 C226 0.1uF C226 0.1uF R206 4.7K R206 4.7K IN 1 OUT 2 TAB/GND_2 3 N18 NC/78M05 N18 NC/78M05 R200 300/0805 R200 300/0805 C236 NC C236 NC VD43 UP574 VD43 UP574 IN 1 ING 2 GND 3 OUT1 4 OUT2 5 SAW N12 N9455 SAW N12 N9455 R225 100 R225 100 1 2 3 V25 3904 V25 3904 IN 1 ING 2 GND 3 OUT1 4 OUT2 5 SAW N13 N6274 SAW N13 N6274 C238 0.1uF C238 0.1uF 1 2 3 V19 3904 V19 3904 R216 0R R216 0R C229 10nF C229 10nF R214 20/0603 R214 20/0603 1 2 C328 2.2uF C328 2.2uF R231 1K R231 1K VD45 1N4148 VD45 1N4148 R210 56R R210 56R R218 4.7K R218 4.7K R223 6.8K R223 6.8K L21 FB0603 L21 FB0603 R228 0R R228 0R 1 2 L20 NC L20 NC R203 4.7K R203 4.7K 1 2 3 V24 2SC1815 V24 2SC1815 R226 0R R226 0R R227 2.2K R227 2.2K 1 2 L9 100uH L9 100uH R204 4.7K R204 4.7K C220 10nF C220 10nF R217 0R R217 0R R212 NC/75 R212 NC/75 R220 47R R220 47R C235 10nF C235 10nF VD39 BA277 VD39 BA277 R205 4.7K R205 4.7K L13 220uH L13 220uH 1 2 CA6 100uF/16V CA6 100uF/16V C248 NC/0.1uF C248 NC/0.1uF R215 0R R215 0R 1 2 C329 NC/2.2uF/16V C329 NC/2.2uF/16V VD41 BA277 VD41 BA277 C234 0.1uF C234 0.1uF R235 NC/10R/2W R235 NC/10R/2W R232 4.7K R232 4.7K R213 1K R213 1K R224 12K R224 12K CA8 10uF/50V CA8 10uF/50V R233 4.7K R233 4.7K C239 0.1uF C239 0.1uF R230 10R/0805 R230 10R/0805 5 4 3 2 1 D D C C B B A A AMP-L AMP-L AMP-LIN AMP-LIN AMP-LIN AMP-Lout+ AMP-Lout+ AMP-Lout- AMP-R AMP-R AMP-RIN AMP-RIN AMP-RIN AMP-Rout+ AMP-Rout- OP_VCC1 OP_VCC1 PH-Lin PH-Lin PH-Rin PH-Rin PWD_MT PWD_MT +12V 6VBuf1 OP_VCC1 5V-IF 5Vstb 5VAIN +12V 5Vstb 5VAIN +12V +12V +12V GND +12V GND AMP-L 2 AMP-R 2 AMP-MUTE 2 Title Size Document Number Rev Date: Sheet of 6 7 B Audio_Amplifier MST739DU A3 Friday, July 16, 2010 Title Size Document Number Rev Date: Sheet of 6 7 B Audio_Amplifier MST739DU A3 Friday, July 16, 2010 Title Size Document Number Rev Date: Sheet of 6 7 B Audio_Amplifier MST739DU A3 Friday, July 16, 2010 AMP-MUTE=1,MUTE;AMP-MUTE=0,ON; + CA14 10uF/16V + CA14 10uF/16V R243 10K R243 10K R238 NC/0 R238 NC/0 1 2 3 4 8 - + N14A TL062 - + N14A TL062 C335 1nF C335 1nF R263 47K R263 47K C336 100pF C336 100pF 1 1 2 2 3 3 4 4 5 5 6 6 7 7 8 8 H3 NC H3 NC R258 NC R258 NC C338 2.2uF C338 2.2uF R274 4.7K R274 4.7K R255 1K/NC R255 1K/NC R264 22 R264 22 1 2 R240 100/0603 R240 100/0603 R280 10K R280 10K 1 2 + CA11 470uF/16V + CA11 470uF/16V R246 47K R246 47K 1 2 3 E B C SOT 23 V29 3904 E B C SOT 23 V29 3904 R239 100 R239 100 CA15 100uF/16V CA15 100uF/16V CA16 100uF/16V CA16 100uF/16V 1 2 3 V30 3904 V30 3904 1 2 3 4 XP6 Speaker XP6 Speaker R270 47K/NC R270 47K/NC R241 100 R241 100 R260 47K R260 47K R242 10K R242 10K R271 47K R271 47K R259 1K R259 1K R273 0 R273 0 R272 220 R272 220 C178 2.2uF C178 2.2uF VD58 1N4148 VD58 1N4148 1 1 2 2 3 3 4 4 5 5 6 6 7 7 8 8 H1 NC H1 NC R247 22 R247 22 M1 MARK M1 MARK R269 10K R269 10K C181 1nF C181 1nF 1 1 2 2 3 3 4 4 5 5 6 6 7 7 8 8 H2 NC H2 NC 1 2 VD33 ESD VD33 ESD VD57 1N4148 VD57 1N4148 1 2 3 4 V27 NC V27 NC 1 2 R257 39K R257 39K R250 47K R250 47K VD54 1N4148 VD54 1N4148 VD60 1N4148 VD60 1N4148 R251 0 R251 0 R267 47K R267 47K R276 NC R276 NC C330 2.2uF C330 2.2uF C293 NC/10uF C293 NC/10uF R278 47K R278 47K 1OUT+_2 1 1OUT-_1 2 VCC1 3 1IN+_0 4 NC1 5 AMUTE 6 Standby_11 7 PWGND 8 SGND 9 NC2 10 NC3 11 2IN+_5 12 VCC2 13 2OUT-_4 14 2OUT+_3 15 N16 M-TO_220-15-TDA7266SA-NO-HX TDA7266SA N16 M-TO_220-15-TDA7266SA-NO-HX TDA7266SA + CA13 47uF/25V + CA13 47uF/25V C184 0.1uF C184 0.1uF 1 2 VD32 ESD VD32 ESD 1 2 R256 NC/4.7K R256 NC/4.7K C333 2.2uF C333 2.2uF R281 470 R281 470 C332 2.2uF C332 2.2uF 1 2 R262 47K R262 47K R282 470 R282 470 C340 10uF C340 10uF 1 2 L16 BLM31PG121SN1 L16 BLM31PG121SN1 C179 1nF C179 1nF M2 MARK M2 MARK M3 MARK M3 MARK R253 220 R253 220 R252 10K R252 10K R265 NC R265 NC C180 2.2uF C180 2.2uF 1 2 3 E B C SOT 23 V28 3906 E B C SOT 23 V28 3906 1 2 R244 33K R244 33K 1 2 R248 10K R248 10K C334 100uF/16V C334 100uF/16V C182 1nF C182 1nF 1 2 R261 10K R261 10K 1 2 3 V26 3904 V26 3904 R277 100K R277 100K C331 0.1uF C331 0.1uF L 1 WL 2 R 3 WR 4 AGND 5 XS8 HeadPhone XS8 HeadPhone R254 NC R254 NC 1 1 2 2 3 3 4 4 5 5 6 6 7 7 8 8 H4 NC H4 NC VD59 1N4148 VD59 1N4148 VD55 10V VD55 10V 1 2 3 VD61 BAV99 VD61 BAV99 + CA12 47uF/25V + CA12 47uF/25V VD56 1N4148 VD56 1N4148 7 6 5 4 8 - + N14B TL062 - + N14B TL062 R279 47K R279 47K 1 2 R249 47K R249 47K R275 NC R275 NC 1 2 R268 39K R268 39K R237 NC/0 R237 NC/0 R266 100K R266 100K C339 100pF C339 100pF C337 2.2uF C337 2.2uF 1 2 R245 33K R245 33K 5 4 3 2 1 D D C C B B A A BUF_SCL BUF_SCL BUF_SDA BUF_SDA EN1 EN1 EN2 EN2 FBP FBP GD GD I2C_SCL I2C_SDA PT_EN1 PT_EN2 SW SW VCOM VGMA1 VGMA10 VGMA11 VGMA12 VGMA13 VGMA14 VGMA16 VGMA2 VGMA3 VGMA4 VGMA5 VGMA6 VGMA7 VGMA8 VGMA9 VOUT1 VOUT10 VOUT11 VOUT12 VOUT13 VOUT14 VOUT15 VOUT16 VOUT17 VOUT18 VOUT19 VOUT2 VOUT20 VOUT3 VOUT4 VOUT5 VOUT6 VOUT7 VOUT8 VOUT9 VS_BUFFER VREFL Panel_VCC VSD Panel_VDD VS_BUFFER VS_BUFFER VREFH VREFH VREFL Panel_VDD VGL1 VGH VS VCC-Panel VS VCC-Panel Panel_VCC Panel_VDD VGL1 VCC-Panel VGL2 VCC-Panel VSD 3.3Vstb 3.3AVDD VGMA5 2 VGMA6 2 VGMA3 2 VGMA12 2 VCOM 2 VGMA4 2 VGMA1 2 VGMA2 2 VGMA8 2 VGMA9 2 VGMA10 2 VGMA11 2 PT_EN1 2 PT_EN2 2 I2C_SDA 2,5 I2C_SCL 2,5 Title Size Document Number Rev Date: Sheet of B 7 7 A3 Saturday, July 17, 2010 Title Size Document Number Rev Date: Sheet of B 7 7 A3 Saturday, July 17, 2010 <Doc> <Title> Title Size Document Number Rev Date: Sheet of B 7 7 A3 Saturday, July 17, 2010 <Doc> <Title> TRD VGH=26V IPS VGH= 31.3V TRD VS=16V IPS09 VS=13.54V IPS10 VS=12.6V TRD VGL1=-5V IPS09 VGL1=-5V IPS10 VGL=-6V 16V panel_VCC= 1.2 x _ 1 + R305/R309 _ TRD Panel_VCC=3.3V IPS Panel_VCC=2.5V VGL= -1.2 x _ 1 + R291/R302 _ IPS VGL2=-17.3V VGH= 1.2 x _ 1 + R298/R300 _ panel_VDD= 1.2 x _ 1 + R287/R289 _ R300 22K R300 22K L14 FB0603 L14 FB0603 ~_0 TP53 TP53 R285 2K R285 2K C203 2.2uF C203 2.2uF 1 2 3 VD50 BAV99 VD50 BAV99 C211 22pF C211 22pF L17 18uH/1.2A L17 18uH/1.2A R292 0R R292 0R R305 20K/1% R305 20K/1% C246 10uF/16V C246 10uF/16V L15 FB0603 L15 FB0603 C210 0.47uF/50V C210 0.47uF/50V R298 560K R298 560K C223 10nF C223 10nF 1 2 3 VD66 BAV99 VD66 BAV99 R294 12K/1% R294 12K/1% R318 0R R318 0R ~_0 TP52 TP52 C199 0.1uF C199 0.1uF VD62 SR34 VD62 SR34 1 2 3 4 5 6 7 8 RP20 0R RP20 0R C47 10uF C47 10uF 1 2 3 R-SOT3N-095-280-HX V34 NC/2N7002 R-SOT3N-095-280-HX V34 NC/2N7002 1 2 3 4 5 6 7 8 RP22 0R RP22 0R 1 2 3 V31 MMBT3904 V31 MMBT3904 1 2 3 VD63 BAV99 VD63 BAV99 C240 10nF C240 10nF 1 2 3 4 5 6 7 8 RP21 0R RP21 0R C202 2.2uF C202 2.2uF R286 11K R286 11K R315 NC/2.2K R315 NC/2.2K 1 2 3 V32 MMBT3904 V32 MMBT3904 CA20 NC/10uF CA20 NC/10uF R320 NC/2.2K R320 NC/2.2K CA9 NC/10uF/50V CA9 NC/10uF/50V R307 10K R307 10K R322 0R R322 0R R293 0R R293 0R C244 0.47uF/50V C244 0.47uF/50V R312 4.7K R312 4.7K R296 0R R296 0R C241 0.1uF C241 0.1uF ~_0 TP50 TP50 C214 NC/2.2uF C214 NC/2.2uF R301 0R R301 0R C215 10uF/25V C215 10uF/25V R302 0R R302 0R 1 2 3 N20 AO3407 N20 AO3407 VD68 SR34 VD68 SR34 R313 0R R313 0R C227 22nF C227 22nF VD67 NC/31V VD67 NC/31V L18 22uH/3A L18 22uH/3A VD65 MLL5232B/17V VD65 MLL5232B/17V C222 22nF C222 22nF L23 NC/FB0603 L23 NC/FB0603 C247 0.47uF C247 0.47uF R288 82K R288 82K R317 NC/10K R317 NC/10K R314 NC/2.2K R314 NC/2.2K C225 0.1uF C225 0.1uF R291 51.1K/1% R291 51.1K/1% C209 1uF/16V C209 1uF/16V R310 10K R310 10K R295 0 R295 0 C213 0.1uF C213 0.1uF R290 100K R290 100K C201 2.2uF C201 2.2uF C207 220nF C207 220nF C217 470nF C217 470nF C231 10uF C231 10uF R299 0R R299 0R C218 1uF C218 1uF R287 191K/1% R287 191K/1% CA19 47uF/25V CA19 47uF/25V C205 0.1uF C205 0.1uF L25 FB0603 L25 FB0603 R308 4.7K R308 4.7K L24 FB0603 L24 FB0603 R289 18K/1% R289 18K/1% C232 10nF C232 10nF C204 0.1uF C204 0.1uF FB 1 COMP 2 OS 3 SW 4 SW_15 5 PGND 6 PGND_11 7 SUP 8 EN2 9 DRP 10 DRN 11 FREQ 12 FBN 13 FBP 14 FBB 15 EN1 16 BOOT 17 SWB 18 NC 19 VINB 20 VINB_3 21 AVIN 22 GND 23 REF 24 DLY1 25 DLY2 26 GD 27 SS 28 EPAD 29 N21 TPS65161 N21 TPS65161 CA21 NC/10uF/25V CA21 NC/10uF/25V R319 0R R319 0R C224 10uF/16V C224 10uF/16V 1 2 3 R-SOT3N-095-280-HX V33 NC/2N7002 R-SOT3N-095-280-HX V33 NC/2N7002 C251 0.47uF C251 0.47uF C245 1uF/50V C245 1uF/50V R297 0R R297 0R CA10 10uF/50V CA10 10uF/50V R283 100K R283 100K VD64 SR34 VD64 SR34 1 2 3 VD30 BAV99 VD30 BAV99 R309 16.9K/1% R309 16.9K/1% R316 NC/10K R316 NC/10K C200 0.1uF C200 0.1uF C243 0.47uF C243 0.47uF ~_0 TP51 TP51 C208 2.2uF C208 2.2uF C228 220nF C228 220nF C221 470nF/25V C221 470nF/25V VCOM OUT2_0 1 REFH 2 NC1 3 NC2 4 OUT1 5 OUT2 6 OUT3 7 OUT4 8 OUT5 9 OUT6 10 GNDA1 11 VS1 12 OUT7 13 OUT8 14 OUT9 15 REFH OUT_15 16 VSD 17 SCL 18 SDA 19 A0 20 LD 21 GNDD 22 OUT10 23 OUT11 24 OUT12 25 OUT13 26 VS2 27 GNDA2 28 OUT14 29 OUT15 30 OUT16 31 OUT17 32 OUT18 33 REFL OUT_33 34 NC4 35 NC3 36 REFL 37 VCOM OUT1_37 38 N22 BUF20800 N22 BUF20800 R311 200 R311 200 R284 51R R284 51R C250 0.47uF C250 0.47uF R321 0R R321 0R C237 10uF C237 10uF R303 0R R303 0R </p> <div class="main-left-down hidden-xl hidden-lg hidden-md"> <!--资源收费且没有购买--> <a href="http://www.wenhuiw.com/index.php?s=score&c=buy&m=index&module=wenku&id=8448" id="down_box_confirm" class="not-logged-in btn bg-green"><i class="fa fa-shopping-cart"></i> 立即购买</a> <p class="down-score">下载本素材需消耗 <span class="f-red">10</span> 积分</p> <p class="down-feedback">无法下载?<a class="hover:text-green-600" href="tencent://message/?uin=77594475" target="_blank">立即反馈</a></p> </div> <div class="tag">标签: </div> <div class="use-tip"> <h3>版权声明</h3> <p><b>1. 本站所有素材,仅限学习交流,仅展示部分内容,如需查看完整内容,请下载原文件。</b><br> 2. 会员在本站下载的所有素材,只拥有使用权,著作权归原作者所有。<br> 3. 所有素材,未经合法授权,请勿用于商业用途,会员不得以任何形式发布、传播、复制、转售该素材,否则一律封号处理。<br> 4. 如果素材损害你的权益请联系客服QQ:<a href="tencent://message/?uin=77594475">77594475</a> 处理。 </p> </div> </div> <div class="main-relate hidden-sm hidden-xs"> <div class="module-title-box"> <h2 class="title">相关素材</h2> </div> <ul class="module-list"> <li class="col-xl-3 col-lg-3 col-md-3 col-sm-6 col-6"> <div class="module-list_box"> <a class="module-list_thumb wide lazyload" href="/wenku/a23249.html" title="JCT 997-2006 装饰纸面石膏板" data-original="http://file.wenhuiw.com/202306/e292ed4137e88a.png#系统开启了相对路径模式,本地址是站外域名,不能转为相对路径(在关闭开发者模式后不显示这句话)#没有设置高宽参数,将以原图输出"></a> <div class="module-list_detail"> <h4 class="title txt-ov"><a href="/wenku/a23249.html" title="JCT 997-2006 装饰纸面石膏板">JCT 997-2006 装饰纸面石膏板</a></h4> </div> </div> </li> <li class="col-xl-3 col-lg-3 col-md-3 col-sm-6 col-6"> <div class="module-list_box"> <a class="module-list_thumb wide lazyload" href="/wenku/a23245.html" title="JCT 993-2006 外墙外保温用膨胀聚苯乙烯板抹面胶浆" data-original="http://file.wenhuiw.com/202306/2b2e9c8f05c1a.png#系统开启了相对路径模式,本地址是站外域名,不能转为相对路径(在关闭开发者模式后不显示这句话)#没有设置高宽参数,将以原图输出"></a> <div class="module-list_detail"> <h4 class="title txt-ov"><a href="/wenku/a23245.html" title="JCT 993-2006 外墙外保温用膨胀聚苯乙烯板抹面胶浆">JCT 993-2006 外墙外保温用膨胀聚苯乙烯板抹面胶浆</a></h4> </div> </div> </li> <li class="col-xl-3 col-lg-3 col-md-3 col-sm-6 col-6"> <div class="module-list_box"> <a class="module-list_thumb wide lazyload" href="/wenku/a23244.html" title="JCT 992-2006 墙体保温用膨胀聚苯乙烯板胶粘剂" data-original="http://file.wenhuiw.com/202306/1b863e61d25b589.png#系统开启了相对路径模式,本地址是站外域名,不能转为相对路径(在关闭开发者模式后不显示这句话)#没有设置高宽参数,将以原图输出"></a> <div class="module-list_detail"> <h4 class="title txt-ov"><a href="/wenku/a23244.html" title="JCT 992-2006 墙体保温用膨胀聚苯乙烯板胶粘剂">JCT 992-2006 墙体保温用膨胀聚苯乙烯板胶粘剂</a></h4> </div> </div> </li> <li class="col-xl-3 col-lg-3 col-md-3 col-sm-6 col-6"> <div class="module-list_box"> <a class="module-list_thumb wide lazyload" href="/wenku/a23243.html" title="JCT 991-2006 建材工业用石膏墙板(砌块)成型机" data-original="http://file.wenhuiw.com/202306/771f07e799519.png#系统开启了相对路径模式,本地址是站外域名,不能转为相对路径(在关闭开发者模式后不显示这句话)#没有设置高宽参数,将以原图输出"></a> <div class="module-list_detail"> <h4 class="title txt-ov"><a href="/wenku/a23243.html" title="JCT 991-2006 建材工业用石膏墙板(砌块)成型机">JCT 991-2006 建材工业用石膏墙板(砌块)成型机</a></h4> </div> </div> </li> <li class="col-xl-3 col-lg-3 col-md-3 col-sm-6 col-6"> <div class="module-list_box"> <a class="module-list_thumb wide lazyload" href="/wenku/a23226.html" title="JCT 969-2005 墙板挤压机技术条件" data-original="http://file.wenhuiw.com/202306/877c61829c4a649.png#系统开启了相对路径模式,本地址是站外域名,不能转为相对路径(在关闭开发者模式后不显示这句话)#没有设置高宽参数,将以原图输出"></a> <div class="module-list_detail"> <h4 class="title txt-ov"><a href="/wenku/a23226.html" title="JCT 969-2005 墙板挤压机技术条件">JCT 969-2005 墙板挤压机技术条件</a></h4> </div> </div> </li> <li class="col-xl-3 col-lg-3 col-md-3 col-sm-6 col-6"> <div class="module-list_box"> <a class="module-list_thumb wide lazyload" href="/wenku/a23215.html" title="JCT 958-2005 水泥胶砂流动度测定仪(跳桌)" data-original="http://file.wenhuiw.com/202306/104e5c621c62ab1.png#系统开启了相对路径模式,本地址是站外域名,不能转为相对路径(在关闭开发者模式后不显示这句话)#没有设置高宽参数,将以原图输出"></a> <div class="module-list_detail"> <h4 class="title txt-ov"><a href="/wenku/a23215.html" title="JCT 958-2005 水泥胶砂流动度测定仪(跳桌)">JCT 958-2005 水泥胶砂流动度测定仪(跳桌)</a></h4> </div> </div> </li> <li class="col-xl-3 col-lg-3 col-md-3 col-sm-6 col-6"> <div class="module-list_box"> <a class="module-list_thumb wide lazyload" href="/wenku/a23205.html" title="JCT 947-2005 先张法预应力混凝土管桩用端板" data-original="http://file.wenhuiw.com/202306/202e904d09bf791.png#系统开启了相对路径模式,本地址是站外域名,不能转为相对路径(在关闭开发者模式后不显示这句话)#没有设置高宽参数,将以原图输出"></a> <div class="module-list_detail"> <h4 class="title txt-ov"><a href="/wenku/a23205.html" title="JCT 947-2005 先张法预应力混凝土管桩用端板">JCT 947-2005 先张法预应力混凝土管桩用端板</a></h4> </div> </div> </li> <li class="col-xl-3 col-lg-3 col-md-3 col-sm-6 col-6"> <div class="module-list_box"> <a class="module-list_thumb wide lazyload" href="/wenku/a23201.html" title="JCT 940-2004 玻璃纤维增强水泥 (GRC)装饰制品" data-original="http://file.wenhuiw.com/202306/f739a4f6c22c42e.png#系统开启了相对路径模式,本地址是站外域名,不能转为相对路径(在关闭开发者模式后不显示这句话)#没有设置高宽参数,将以原图输出"></a> <div class="module-list_detail"> <h4 class="title txt-ov"><a href="/wenku/a23201.html" title="JCT 940-2004 玻璃纤维增强水泥 (GRC)装饰制品">JCT 940-2004 玻璃纤维增强水泥 (GRC)装饰制品</a></h4> </div> </div> </li> </ul> </div> </div> <div class="main-right col-xl-3 col-lg-3 col-md-3 hidden-sm hidden-xs"> <div class="side-box-dw"></div> <div class="side-fixed-box"> <div class="side shadow"> <a href="javasctipr:;" class="not-logged-in btn bg-yellow"><i class="fa fa-download"></i> 立即下载</a> <p class="down-score">下载本素材需消耗 <span class="f-red">10</span> 积分</p> <p class="down-feedback">无法下载?<a class="hover:text-green-600" href="tencent://message/?uin=77594475" target="_blank">立即反馈</a></p> <ul class="down-attribute"> <li><span>文件大小:</span>283.24 KB</li> <li><span>文件格式:</span>pdf</li> </ul> </div> <div class="side mt20 shadow"> <div class="module-title-box mb15"> <h2 class="title">随机推荐</h2> </div> <ul class="module-list"> <li class="col-lg-4 col-md-3 col-sm-4 col-xs-3 col-4"> <div class="module-list_box p0"> <a class="module-list_thumb wide" href="/wenku/a23254.html" title="一张母狮子卧在草丛里的照片" style="display: block; background-image: url('http://file.wenhuiw.com/202403/c18d26349a7554b.jpg#系统开启了相对路径模式,本地址是站外域名,不能转为相对路径(在关闭开发者模式后不显示这句话)#没有设置高宽参数,将以原图输出')" ;> </a> <div class="module-list_detail"> <h4 class="title"><a href="/wenku/a23254.html" title="一张母狮子卧在草丛里的照片">一张母狮子卧在草丛里的照片</a></h4> </div> </div> </li> <li class="col-lg-4 col-md-3 col-sm-4 col-xs-3 col-4"> <div class="module-list_box p0"> <a class="module-list_thumb wide" href="/wenku/a23253.html" title="员工花名册.xlsx" style="display: block; background-image: url('http://file.wenhuiw.com/202403/389f25971624d9f.jpg#系统开启了相对路径模式,本地址是站外域名,不能转为相对路径(在关闭开发者模式后不显示这句话)#没有设置高宽参数,将以原图输出')" ;> </a> <div class="module-list_detail"> <h4 class="title"><a href="/wenku/a23253.html" title="员工花名册.xlsx">员工花名册.xlsx</a></h4> </div> </div> </li> <li class="col-lg-4 col-md-3 col-sm-4 col-xs-3 col-4"> <div class="module-list_box p0"> <a class="module-list_thumb wide" href="/wenku/a23252.html" title="员工年假统计表" style="display: block; background-image: url('http://file.wenhuiw.com/202403/bde7ec85b0ccdf1.jpg#系统开启了相对路径模式,本地址是站外域名,不能转为相对路径(在关闭开发者模式后不显示这句话)#没有设置高宽参数,将以原图输出')" ;> </a> <div class="module-list_detail"> <h4 class="title"><a href="/wenku/a23252.html" title="员工年假统计表">员工年假统计表</a></h4> </div> </div> </li> <li class="col-lg-4 col-md-3 col-sm-4 col-xs-3 col-4"> <div class="module-list_box p0"> <a class="module-list_thumb wide" href="/wenku/a23251.html" title="实验室安全歌.doc" style="display: block; background-image: url('http://file.wenhuiw.com/202309/310d89e8c45eb81.jpg#系统开启了相对路径模式,本地址是站外域名,不能转为相对路径(在关闭开发者模式后不显示这句话)#没有设置高宽参数,将以原图输出')" ;> </a> <div class="module-list_detail"> <h4 class="title"><a href="/wenku/a23251.html" title="实验室安全歌.doc">实验室安全歌.doc</a></h4> </div> </div> </li> <li class="col-lg-4 col-md-3 col-sm-4 col-xs-3 col-4"> <div class="module-list_box p0"> <a class="module-list_thumb wide" href="/wenku/a23250.html" title="JCT 998-2006 喷涂聚氨酯硬泡体保温材料" style="display: block; background-image: url('http://file.wenhuiw.com/202306/a9f08eb9830da52.png#系统开启了相对路径模式,本地址是站外域名,不能转为相对路径(在关闭开发者模式后不显示这句话)#没有设置高宽参数,将以原图输出')" ;> </a> <div class="module-list_detail"> <h4 class="title"><a href="/wenku/a23250.html" title="JCT 998-2006 喷涂聚氨酯硬泡体保温材料">JCT 998-2006 喷涂聚氨酯硬泡体保温材料</a></h4> </div> </div> </li> <li class="col-lg-4 col-md-3 col-sm-4 col-xs-3 col-4"> <div class="module-list_box p0"> <a class="module-list_thumb wide" href="/wenku/a23249.html" title="JCT 997-2006 装饰纸面石膏板" style="display: block; background-image: url('http://file.wenhuiw.com/202306/e292ed4137e88a.png#系统开启了相对路径模式,本地址是站外域名,不能转为相对路径(在关闭开发者模式后不显示这句话)#没有设置高宽参数,将以原图输出')" ;> </a> <div class="module-list_detail"> <h4 class="title"><a href="/wenku/a23249.html" title="JCT 997-2006 装饰纸面石膏板">JCT 997-2006 装饰纸面石膏板</a></h4> </div> </div> </li> <li class="col-lg-4 col-md-3 col-sm-4 col-xs-3 col-4"> <div class="module-list_box p0"> <a class="module-list_thumb wide" href="/wenku/a23248.html" title="JCT 996-2006 玻璃纤维壁布" style="display: block; background-image: url('http://file.wenhuiw.com/202306/5156b2f64e53176.png#系统开启了相对路径模式,本地址是站外域名,不能转为相对路径(在关闭开发者模式后不显示这句话)#没有设置高宽参数,将以原图输出')" ;> </a> <div class="module-list_detail"> <h4 class="title"><a href="/wenku/a23248.html" title="JCT 996-2006 玻璃纤维壁布">JCT 996-2006 玻璃纤维壁布</a></h4> </div> </div> </li> <li class="col-lg-4 col-md-3 col-sm-4 col-xs-3 col-4"> <div class="module-list_box p0"> <a class="module-list_thumb wide" href="/wenku/a23247.html" title="JCT 995-2006 低比表面积高烧结活性氧化锆粉体" style="display: block; background-image: url('http://file.wenhuiw.com/202306/8c1c96b37a561d4.png#系统开启了相对路径模式,本地址是站外域名,不能转为相对路径(在关闭开发者模式后不显示这句话)#没有设置高宽参数,将以原图输出')" ;> </a> <div class="module-list_detail"> <h4 class="title"><a href="/wenku/a23247.html" title="JCT 995-2006 低比表面积高烧结活性氧化锆粉体">JCT 995-2006 低比表面积高烧结活性氧化锆粉体</a></h4> </div> </div> </li> <li class="col-lg-4 col-md-3 col-sm-4 col-xs-3 col-4"> <div class="module-list_box p0"> <a class="module-list_thumb wide" href="/wenku/a23246.html" title="JCT 994-2006 微晶玻璃陶瓷复合砖" style="display: block; background-image: url('http://file.wenhuiw.com/202306/fff87b6f9176d27.png#系统开启了相对路径模式,本地址是站外域名,不能转为相对路径(在关闭开发者模式后不显示这句话)#没有设置高宽参数,将以原图输出')" ;> </a> <div class="module-list_detail"> <h4 class="title"><a href="/wenku/a23246.html" title="JCT 994-2006 微晶玻璃陶瓷复合砖">JCT 994-2006 微晶玻璃陶瓷复合砖</a></h4> </div> </div> </li> </ul> </div> </div> </div> </div> <div class="main-box-dw"></div> <div class="scroll-to-top hidden-sm hidden-xs" id="toTop"> <i class="bi bi-arrow-up-circle-fill"></i> </div> <!-- 底部 --> <div class="footer"> <div class="container"> <div class="flex justify-center"> <span class="hidden-sm hidden-xs">© CopyRight 2022 文汇知识网</span> <a class="ml10 mr10" href="https://beian.miit.gov.cn" target="_blank">滇ICP备2022006959号-4</a> <span class="hidden-sm hidden-xs"><script> var _hmt = _hmt || []; (function() { var hm = document.createElement("script"); hm.src = "https://hm.baidu.com/hm.js?f0f56f82f7c67c360794e2549e59d9cd"; var s = document.getElementsByTagName("script")[0]; s.parentNode.insertBefore(hm, s); })(); </script> <a href="http://news.zzszq.net/">深知资讯网</a><a href="http://tv.zzszq.net/">深视网</a><a href="http://www.80hlw.com/">80商务</a></span> </div> </div> </div> <!-- 会员登录 --> <div id="login_box" class="hidden fixed"> <div class="login_box_title"> <h4 class="tc">会员登录</h4> <button id="close_login"><i class="fa fa-close"></i></button> </div> <form class="login-form" id="myform" action="" method="post"> <div class="form-group"> <input class="form-control" type="text" autocomplete="off" placeholder="会员名/邮箱/手机" name="data[username]" /> </div> <div class="form-group"> <input class="form-control" type="password" autocomplete="off" placeholder="登录密码" name="data[password]" /> </div> <div class="form-group"> <div class="col-6 pl0 pr0 fl"> <input class="form-control" type="text" autocomplete="off" placeholder="验证码" name="code" /> </div> <div class="col-6 tr fr"> <img align="absmiddle" style="cursor:pointer;" onclick="this.src='/index.php?s=api&c=api&m=captcha&width=120&height=35&t='+Math.random();" src="/index.php?s=api&c=api&m=captcha&width=120&height=35" /> </div> <div class="clearfix"></div> </div> <div class="form-group"> <button type="button" onclick="dr_ajax_member('http://www.wenhuiw.com/index.php?s=member&c=login&m=index', 'myform');" class="btn bg-green">登录</button> </div> <div class="form-group"> <a href="http://www.wenhuiw.com/index.php?s=member&c=register&m=index" id="register-btn" class="fr">注册账号</a> <input type="checkbox" name="remember" value="1" checked="checked" style="vertical-align: -2px;"/> 记住我 <a href="http://www.wenhuiw.com/index.php?s=member&c=login&m=find">忘记密码</a> </div> <div class="form-group tc"> <!--<p class="text-muted">第三方快捷登录</p>--> </div> </form> </div> <div class="mask-body mask-body-dark" style="display: none;"></div> <script src="/static/x2h-002/js/swiper-bundle.min.js"></script> <script src="/static/x2h-002/js/jquery.lazyload.js"></script> <script src="/static/x2h-002/js/common.js"></script> <script> $(function () { $.ajax({ type: "GET",dataType:"json", url: "/index.php?s=api&c=run&is_ajax=1&num=5" }); }); </script> </body> </html>