海信LED42K16X3D系列液晶(4584板)电源电路原理图

分类:电子电工 日期: 点击:0
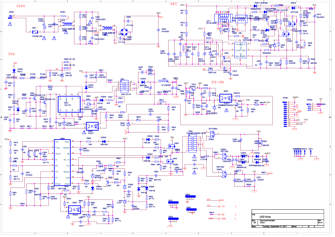
海信LED42K16X3D系列液晶(4584板)电源电路原理图-0 海信LED42K16X3D系列液晶(4584板)电源电路原理图-1

5 4 3 2 1 D D C C B B A A PWM PWM SW 300V AUDIO 12V 5VS BO BO BR BR 300V +20V PFC 5VS VCC1 +20V STB1 PS-ON PFC VCC1 PFC VCC1 12V 100V 12V 300V PFC AUDIO 12V 5VS PS-ON AUDIO VCC1 12V SW 2 PWM 2 12V 2 5VS Title Size Document Number Rev Date: Sheet of Ver.A LED Drive 2 A3 Thursday, September 01, 2011 1 Title Size Document Number Rev Date: Sheet of Ver.A LED Drive 2 A3 Thursday, September 01, 2011 1 Title Size Document Number Rev Date: Sheet of Ver.A LED Drive 2 A3 Thursday, September 01, 2011 1 PS-ON 300V PFC 5VS C847 102 C847 102 C858 102/50V C858 102/50V C892 102 C892 102 W817 W817 1 2 VD831 RG1C VD831 RG1C C844 103 C844 103 Css 1 Rt 4 Ctimer 3 HB 14 Vboot 16 Fmax 2 Mupper 15 NC_13 13 BO 5 FB 6 DT 7 FFault 8 Vcc 12 Mlower 11 Gnd 10 Sfault 9 N802 NCP1396 N802 NCP1396 1 2 VD815 4148 VD815 4148 R871 100K R871 100K R897 1M R897 1M R837 2R2 R837 2R2 R849 0.33/2W R849 0.33/2W R1033 10R R1033 10R 1 G912 G912 R8471K R8471K ! R900 10K R900 10K C842 104 C842 104 C846 22uF/50V/NC C846 22uF/50V/NC R841 100K R841 100K 1 2 VZ813 5V6 /NC VZ813 5V6 /NC R813 1M R813 1M C816 104 C816 104 C836 104/nc C836 104/nc W848 W848 R814 24K R814 24K 1 2 3 4 V916 BCP56 V916 BCP56 W807 W807 R887 5k1 R887 5k1 W815 W815 1 2 VD836 1N4148 VD836 1N4148 R855 0R R855 0R R827 1M1% R827 1M1% T902 TRANSFORMER-16-HX T902 TRANSFORMER-16-HX 1 2 3 N903 TL431 N903 TL431 R859 22R R859 22R 1 2 VD842MBR506 NC VD842MBR506 NC 1 G911 G911 C863 56P/1KV C863 56P/1KV R844 100K R844 100K R816 20K R816 20K C866 474 C866 474 R1032 1M/NC R1032 1M/NC C886 474/50V C886 474/50V R856 22R R856 22R RT801 10D/9 RT801 10D/9 ! C813 68u/450V C813 68u/450V C865 22n/630V C865 22n/630V 1 2 3 VD854 SRF1560 VD854 SRF1560 C845 104 C845 104 R863 1K R863 1K R809 0R R809 0R R877 8k2 1% R877 8k2 1% 2 6 5 4 1 3 L811 BK-50-32QE L811 BK-50-32QE W821 W821 W804 W804 R857 68R R857 68R R885 22R R885 22R 1 2 VD839 MUR160 VD839 MUR160 R882 27K R882 27K C833 102/1KV C833 102/1KV ! 3 1 2 V804 2907/NC V804 2907/NC 1 2 3 4 L805 S-LCL-2508-HX L805 S-LCL-2508-HX R836 1K/NC R836 1K/NC R820 47R R820 47R R883 2K R883 2K C834 683/50V C834 683/50V 1 2 3 4 N840 PC817 N840 PC817 1 2 3 VD853 SFF1006G VD853 SFF1006G C856 105 C856 105 1 2 VZ840 BZT52C18 VZ840 BZT52C18 C879 47uF/50V C879 47uF/50V 1 2 VZ839 BZT52C18 VZ839 BZT52C18 VB801 KBJ1006G VB801 KBJ1006G W805 W805 R902 5K1 R902 5K1 R899 1M R899 1M ! R867 1K R867 1K R891 1K R891 1K W831 W831 R878 5k1 R878 5k1 C854 1000u/25V C854 1000u/25V 1 2 3 4 Q831 Q831 1 2 VD844 MBR506 NC VD844 MBR506 NC R834 470K/2W R834 470K/2W 1 2 VD810 1N4148 VD810 1N4148 C802 474/AC275V C802 474/AC275V R839 330R R839 330R C840 104 C840 104 R838 3K3 R838 3K3 1 2 VD832 FR104 VD832 FR104 R1026 680k/NC R1026 680k/NC 1 2 3 4 XP902 XP902 R89522R/NC R89522R/NC 1 2 3 4 5 6 7 8 9 10 11 12 13 XP901 XP901 RT802 NTC5D-15LCS\V7 RT802 NTC5D-15LCS\V7 W828 W828 R868 24K R868 24K 1 G915 G915 R806 0R NC R806 0R NC 1 G916 G916 R858 5K1 R858 5K1 R898 4K7 R898 4K7 C837 104 C837 104 R852 2K 1% R852 2K 1% C862 104/50V C862 104/50V C852 1000u/25V C852 1000u/25V R905 20R R905 20R R808 10R/NC R808 10R/NC C850 103/ AC275V C850 103/ AC275V VFB 1 Comp_5_1 2 Multi_6_2 3 CS 4 Zcd_3_4 5 GND 6 Dri_2_6 7 Vcc_4_7 8 N810 NCP33262 N810 NCP33262 L831 LP-HX L831 LP-HX R821 1K R821 1K R853 2K4 1% R853 2K4 1% R869 4K7 1% R869 4K7 1% R894 75R R894 75R R828 1M 1% R828 1M 1% 1 2 VD811 MUR460 VD811 MUR460 ! C872 104/50V C872 104/50V 3 1 2 V832 MMBT2222ALT1G V832 MMBT2222ALT1G 1 2 3 4 L803 S-LCL-2508-HX L803 S-LCL-2508-HX C838 1000u/16V C838 1000u/16V R907 0R R907 0R 3 1 2 V805 2907/NC V805 2907/NC R826 1M 1% R826 1M 1% C839 1000u/16V C839 1000u/16V 1 2 3 4 L806 S-LCL-2508-HX L806 S-LCL-2508-HX C871 104 C871 104 C841 104 C841 104 1 2 VD851 1N4148 VD851 1N4148 W812 W812 ! R866 100K R866 100K 1 2 3 V840 10N60 V840 10N60 1 2 VD840 MBR506 VD840 MBR506 R851 82K R851 82K 1 2 3 4 Q803 Q803 R825 0.33/2W R825 0.33/2W W802 W802 R888 10k R888 10k 1 2 VZ811 18V VZ811 18V C851 1000u/25V C851 1000u/25V R864 1K0 R864 1K0 1 10 2 3 9 8 7 6 4 5 T903 TRANSFORMER-10-HX T903 TRANSFORMER-10-HX ! R848 20R R848 20R EN 1 BM/P 2 NC 3 D 4 S5 5 S6 6 S7 7 S8 8 N831 TNY175 N831 TNY175 R803 270K R803 270K C803 102/AC250V C803 102/AC250V C804 Y1 102/AC250V C804 Y1 102/AC250V W808 W808 R845 1K R845 1K 1 2 3 4 Q804 Q804 R817 0R R817 0R C812 68u/450V C812 68u/450V R876 1M R876 1M C821 102 C821 102 R824 820R /NC R824 820R /NC C849 102 C849 102 1 2 VD833 MBR506 VD833 MBR506 R846 1K/nc R846 1K/nc R843 10K R843 10K W822 W822 C801 474/AC275V C801 474/AC275V C835 47uF/50V C835 47uF/50V 1 2 3 4 N833 PC817 N833 PC817 1 G918 G918 R805 56K R805 56K 1 2 3 4 L804 S-LCL-2508-HX L804 S-LCL-2508-HX 1 2 VZ814 18V/NC VZ814 18V/NC C806 471/1KV C806 471/1KV W811 W811 ! 1 2 VD837 1N4148 VD837 1N4148 R873 100K R873 100K R893 68K/2W R893 68K/2W R850 82K R850 82K 1 2 VD834 1N4148 VD834 1N4148 ! 3 1 2 V803 2907 V803 2907 R819 200K R819 200K R812 1M R812 1M 1 2 F801 TR53821400 F801 TR53821400 1 2 3 4 T905 TRANSFORMER-4-HX T905 TRANSFORMER-4-HX R889 2K R889 2K 1 2 3 V839 10N60 V839 10N60 R903 68K/2W R903 68K/2W 1 2 XP801 XP801 R881 15k R881 15k C832 104 C832 104 1 2 VZ812 18V VZ812 18V 1 2 3 V810 10N60 V810 10N60 R823 1M R823 1M 1 2 VD841 MBR506 VD841 MBR506 R861 5K1 R861 5K1 ! R802 270K R802 270K R908 0R R908 0R R860 68R R860 68R R818 20K/NC R818 20K/NC R833 2K2/2W R833 2K2/2W R822330R R822330R C864 104/50V C864 104/50V 3 1 2 V833 MMBT2222ALT1G V833 MMBT2222ALT1G C853 104 C853 104 R880 15K 1% R880 15K 1% C885 684/nc C885 684/nc C805 471/1KV C805 471/1KV R906 20K R906 20K C861 474 C861 474 1 G914 G914 1 2 VZ831 18V VZ831 18V C814 47u/50V C814 47u/50V RV801 14D561 RV801 14D561 C857 474/50V C857 474/50V 1 2 3 N842 TL431 N842 TL431 1 2 VZ841 BZT52C22/NC VZ841 BZT52C22/NC R854 1k R854 1k R832 22K R832 22K R862 0R R862 0R W819 W819 1 2 3 4 Q833 Q833 ! R892 0R R892 0R W886 W886 C811 221/1KV C811 221/1KV R1028 1M/NC R1028 1M/NC W813 W813 1 2 3 4 N832 PC817 N832 PC817 W818 W818 R830 68K/NC R830 68K/NC C843 104 C843 104 R875 1M R875 1M R807 0R R807 0R R890 10K R890 10K R815 20R R815 20R C820 224 C820 224 C808 474/450V C808 474/450V 1 2 VD835 1N4148 VD835 1N4148 1 2 VD812 SFF1506 VD812 SFF1506 R835 0.15/1W R835 0.15/1W R801 270K R801 270K ! R804 0R NC R804 0R NC C895 472 /NC C895 472 /NC C855 105 C855 105 W809 W809 R1030 150K 1% /NC R1030 150K 1% /NC R865 15K 1% R865 15K 1% 1 2 3 VD852 SRF1560 VD852 SRF1560 R1034 5K1/NC R1034 5K1/NC 1 2 3 N841 TL431 N841 TL431 R884 200K R884 200K R840 1K R840 1K R842 10K R842 10K 3 1 2 V806 2907 V806 2907 3 1 2 V834 MMBT2222ALT1G V834 MMBT2222ALT1G R870 100K R870 100K C860 1000u/25V C860 1000u/25V W816 W816 R879 2M2 R879 2M2 C848 150u/160V C848 150u/160V W832 W832 C823 224 C823 224 R886 75R R886 75R R896 4K7 R896 4K7 1 2 3 V811 10N60/NC V811 10N60/NC R901 1M R901 1M R874 1M R874 1M 1 2 VD843 RG1C VD843 RG1C R1009 100K R1009 100K W859 W859 W810 W810 R829 20K 1% R829 20K 1% 1 2 VZ832 3V3 VZ832 3V3 1 10 2 3 9 8 7 6 4 5 T901 BCK-XX-XX T901 BCK-XX-XX W814 W814 C867 102/Y1 C867 102/Y1 C891 101 C891 101 R811 1M R811 1M C859 104/50V C859 104/50V C815 102/Y1 C815 102/Y1 R872 100K R872 100K R904 0R R904 0R C918 104/NC C918 104/NC 1 2 VD816 4148/NC VD816 4148/NC VREF SS UVLS 3D_Enable_High 3D_Enable SS SW 12V 3D_Enable_High OVP PWM5 PWM6 PWM2 PWM3 PWM1 PWM4 VREF OVP ADIM VREF VREF ADIM 12V 3D_Enable STATUS PWM1 PWM2 PWM3 PWM4 PWM5 PWM6 TOP3 VOUT TOP2 VOUT TOP1 VOUT TOP1 ISEN3 ISEN1 TOP2 TOP3 VOUT DOWN2 VOUT DOWN3 VOUT DOWN1 DOWN1 ISEN6 DOWN3 ISEN5 DOWN2 ISEN4 3D SW 2D PWM ON/OFF ISEN2 UVLS 3D SW SW 12V ISEN1 S OVP ISEN2 S OVP 12V ISEN3 S OVP 12V 12V ISEN6 S OVP S OVP 12V S OVP 12V 2D PWM ON/OFF 12V ISEN5 ISEN4 S OVP OVP VOUT 100V 12V 12V 12V 12V 5VS SW 2 PWM 2 12V 2 PWM1-----TOP2 PWM2-----TOP3 PWM3-----TOP1 PWM4-----DOWN3 PWM5-----DOWN1 PWM6-----DOWN2 1 2 VD938 1N4148 VD938 1N4148 C958 103 C958 103 R941 1K R941 1K C966 220n/50V /NC C966 220n/50V /NC C924 102 C924 102 R980 10 R980 10 R1055 330R R1055 330R R933 0R33 R933 0R33 R948 0R /NC R948 0R /NC R970 10 R970 10 R1041 100K R1041 100K L913 302A L913 302A 3 1 2 V937 MMBT2222A /NC V937 MMBT2222A /NC R987 0R R987 0R R1084 10K R1084 10K 1 2 VZ905 RLZTE-119.1B VZ905 RLZTE-119.1B R989 0R R989 0R R1031 3K3 R1031 3K3 3 1 2 V943 2N7002 V943 2N7002 R1060 8K2 R1060 8K2 R961 0R R961 0R C934 104/250V C934 104/250V 1 2 VD941 1N4148 VD941 1N4148 R1027 100K R1027 100K 1 2 VD945 1N4148 VD945 1N4148 R929 0R R929 0R 1 2 3 4 5 6 7 8 9 10 11 12 13 XP905 XP905 W833 W833 R967 0R R967 0R R950 0R /NC R950 0R /NC L909 302A L909 302A C939 0.1u/50V C939 0.1u/50V C963 100n/50V C963 100n/50V R957 0R R957 0R C962 100n/50V C962 100n/50V R1000 0R R1000 0R R1024 100k R1024 100k 3 1 2 V917 1042 V917 1042 R1072 1M R1072 1M 3 1 2 V944 2N7002 V944 2N7002 3 1 2 V938 MMBT2907ALT1 /NC V938 MMBT2907ALT1 /NC C927 102 C927 102 1 2 VZ902 RLZTE-119.1B VZ902 RLZTE-119.1B R935 0R33 R935 0R33 1 2 VD943 1N4148 VD943 1N4148 R940 1K R940 1K R936 NC R936 NC W834 W834 3 1 2 V922 1042 V922 1042 R915 200K R915 200K C938 225/50V C938 225/50V 2 1 3 V927 3N40C V927 3N40C R910 10k R910 10k R985 5R1 R985 5R1 L901 L901 R983 5R1 R983 5R1 C951 1n/50V C951 1n/50V C953 10n/50V C953 10n/50V R1025 100k R1025 100k R1048 1K R1048 1K R926 1k 1% R926 1k 1% 2 1 3 V925 3N40C V925 3N40C C955 103 C955 103 R931 1K R931 1K C929 102 C929 102 R922 5.1k R922 5.1k R914 10k R914 10k C941 471/1KV/NC C941 471/1KV/NC R956 0R R956 0R 3 1 2 V940 MMBT2222A V940 MMBT2222A 1 2 3 4 5 6 7 8 9 10 11 12 XP904 XP904 C942 330P C942 330P R1059 5R1 R1059 5R1 R1058 10R R1058 10R R1002 0R R1002 0R R964 0R R964 0R R998 0R R998 0R R996 0R R996 0R R981 5R1 R981 5R1 R1040 100K R1040 100K R1078 1M R1078 1M R977 5R1 R977 5R1 R988 0R R988 0R W824 W824 R912 10k R912 10k 3 1 2 V919 1042 V919 1042 R945 1K /NC R945 1K /NC R1071 0R1071 0 W823 W823 W826 W826 R932 1K R932 1K R1054 200k R1054 200k R1074 1M R1074 1M C937 NC C937 NC R947 1K R947 1K R1049 5k1/NC R1049 5k1/NC R1022 100K R1022 100K 3 1 2 V918 1042 V918 1042 R960 0R R960 0R R1079 560K R1079 560K R1085 10K R1085 10K C926 102 C926 102 1 2 VD935 1N4148 VD935 1N4148 R916 8K2 R916 8K2 1 2 3 V920 AOD5N50 V920 AOD5N50 R991 0R R991 0R R1023 15k R1023 15k R917 5.1k R917 5.1k R978 10 R978 10 R1075 560K R1075 560K R909 10k R909 10k R972 4R7 R972 4R7 R963 0R R963 0R R1062 5k1 R1062 5k1 1 2 VD944 1N4148 VD944 1N4148 R942 470 R942 470 R925 1k 1% R925 1k 1% W801 W801 1 2 VD955 MBR0520LT1 VD955 MBR0520LT1 C943 220n/50V C943 220n/50V C961 100n/50V C961 100n/50V R975 5R1 R975 5R1 R951 0R R951 0R C935 104/250V C935 104/250V R955 0R /NC R955 0R /NC R984 4R7 R984 4R7 R954 0R /NC R954 0R /NC R982 10 R982 10 R1086 10K R1086 10K R974 100K R974 100K 1 2 VD936 1N4148 VD936 1N4148 R1015 10K R1015 10K R976 10 R976 10 W836 W836 1 2 3 4 5 6 7 8 9 10 11 12 XP903 XP903 R1064 20K 1% R1064 20K 1% R946 1K /NC R946 1K /NC 2 1 3 V929 3N40C V929 3N40C R918 1k 1% R918 1k 1% R1039 100K R1039 100K R949 0R /NC R949 0R /NC R1017 NC 1% R1017 NC 1% R924 1k 1% R924 1k 1% C959 100n/50V C959 100n/50V R1050 1k/NC R1050 1k/NC R1056 100k R1056 100k R1073 560K R1073 560K R1061 10K R1061 10K 3 1 2 V941 2N7002 V941 2N7002 C936 NC C936 NC 2 1 3 V926 3N40C V926 3N40C R919 5.1k R919 5.1k R934 0R33 R934 0R33 1 2 3 V923 2907 V923 2907 R927 1k 1% R927 1k 1% C965 103 C965 103 1 2 VD939 1N4148 VD939 1N4148 R1082 1M R1082 1M R1016 10K 1% R1016 10K 1% R953 0R /NC R953 0R /NC R943 0R R943 0R R1029 33k R1029 33k 1 Q801 Q801 R968 4R7 R968 4R7 R997 0R R997 0R C956 103 C956 103 R990 0R R990 0R R1076 1M R1076 1M 1 2 VZ904 RLZTE-119.1B VZ904 RLZTE-119.1B 1 2 VD940 1N4148 VD940 1N4148 R921 5.1k R921 5.1k R1051 510R/NC R1051 510R/NC 1 2 VZ903 RLZTE-119.1B VZ903 RLZTE-119.1B C898 150u/160V C898 150u/160V C954 10n/50V C954 10n/50V W835 W835 R913 10k R913 10k R1083 560K R1083 560K R1069 330 R1069 330 C928 102 C928 102 W827 W827 R1065 10K R1065 10K R1070 0/NC R1070 0/NC C940 10n/50V C940 10n/50V R962 0R R962 0R 1 2 VD947 1N4148 VD947 1N4148 R1067 10K R1067 10K R928 1k 1% R928 1k 1% 1 2 VD932 1N4148 VD932 1N4148 1 2 VD946 1N4148 VD946 1N4148 SYNC 29 VREF 30 ENA 31 VIN 32 STATUS 1 ADIM 2 RT 3 PWM1 4 PWM2 5 PWM3 6 PWM4 7 PWM5 8 ISEN6 20 COMP5 19 ISEN5 18 COMP4 17 ISEN4 16 COMP3 15 ISEN3 14 COMP2 13 ISEN2 12 COMP1 11 ISEN1 10 PWM6 9 COMP6 21 OVP 22 UVLS 23 SSTCMP 24 RANGELED 25 ISW 26 GND 27 DRV 28 N905 OZ9908B N905 OZ9908B 1 2 VZ900 RLZTE-119.1B VZ900 RLZTE-119.1B R1077 560K R1077 560K 3 1 2 V921 1042 V921 1042 R923 5.1k R923 5.1k C952 474/50V C952 474/50V 3 1 2 V939 2N7002 V939 2N7002 L912 TRANSFORMER-8-HX /NC L912 TRANSFORMER-8-HX /NC C944 1n/50V C944 1n/50V C964 100n/50V C964 100n/50V 2 1 3 V928 3N40C V928 3N40C R920 5.1k R920 5.1k R1063 3K3 1% R1063 3K3 1% R911 10k R911 10k 3 1 2 V915 1042 V915 1042 R1018 200K 1% R1018 200K 1% R1052 1k/NC R1052 1k/NC R937 0R33 R937 0R33 1 2 VD934 1N4148 VD934 1N4148 R1053 100k R1053 100k C960 100n/50V C960 100n/50V 1 2 VD933 1N4148 VD933 1N4148 3 1 2 V942 MMBT2222A V942 MMBT2222A R1014 10K R1014 10K W825 W825 R986 4R7 R986 4R7 R1036 100K R1036 100K 1 2 VD942 1N4148 VD942 1N4148 R979 5R1 R979 5R1 W820 W820 R969 10 R969 10 R938 1K R938 1K R1057 51k R1057 51k C945 471/1KV/NC C945 471/1KV/NC 1 2 VZ901 RLZTE-119.1B VZ901 RLZTE-119.1B R1080 1M R1080 1M W830 W830 R971 4R7 R971 4R7 1 2 VD927 MUR460 VD927 MUR460 R966 0R R966 0R C957 103/NC C957 103/NC R939 1M R939 1M W829 W829 R1068 5k1 R1068 5k1 R1019 200K 1% R1019 200K 1% 2 1 3 V924 3N40C V924 3N40C C950 103/NC C950 103/NC C925 102 C925 102 R965 0R R965 0R C923 103 C923 103 1 2 VD937 1N4148 VD937 1N4148 R930 1K R930 1K R973 4R7 R973 4R7 R1081 560K R1081 560K 3 1 2 V945 MMBT2222A V945 MMBT2222A R1066 10k R1066 10k R999 0R R999 0R

标签:

版权声明

1. 本站所有素材,仅限学习交流,仅展示部分内容,如需查看完整内容,请下载原文件。
2. 会员在本站下载的所有素材,只拥有使用权,著作权归原作者所有。
3. 所有素材,未经合法授权,请勿用于商业用途,会员不得以任何形式发布、传播、复制、转售该素材,否则一律封号处理。
4. 如果素材损害你的权益请联系客服QQ:77594475 处理。