海信LED32T29X3D液晶电视(4336板)主板电路原理图

分类:电子电工 日期: 点击:0
海信LED32T29X3D液晶电视(4336板)主板电路原理图-0 海信LED32T29X3D液晶电视(4336板)主板电路原理图-1 海信LED32T29X3D液晶电视(4336板)主板电路原理图-2 海信LED32T29X3D液晶电视(4336板)主板电路原理图-3 海信LED32T29X3D液晶电视(4336板)主板电路原理图-4 海信LED32T29X3D液晶电视(4336板)主板电路原理图-5 海信LED32T29X3D液晶电视(4336板)主板电路原理图-6 海信LED32T29X3D液晶电视(4336板)主板电路原理图-7 海信LED32T29X3D液晶电视(4336板)主板电路原理图-8 海信LED32T29X3D液晶电视(4336板)主板电路原理图-9

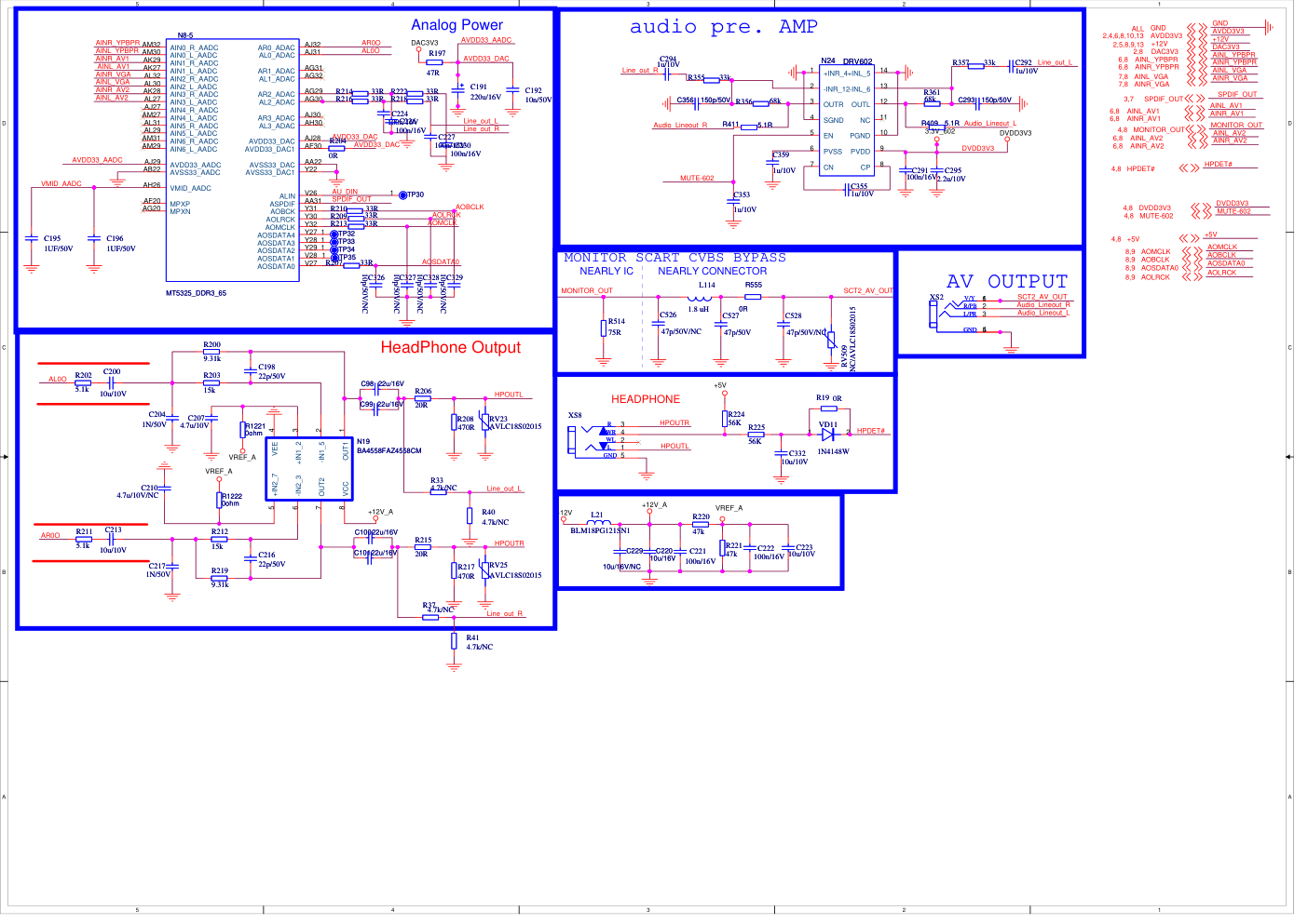
5 4 3 2 1 D D C C B B A A Title Size Document Number Rev Date: Sheet of 1 14 Hisense Electric Co.,LTD 1.0 INDEX MT5311G A2 Friday, February 18, 2011 Title Size Document Number Rev Date: Sheet of 1 14 Hisense Electric Co.,LTD 1.0 INDEX MT5311G A2 Friday, February 18, 2011 Title Size Document Number Rev Date: Sheet of 1 14 Hisense Electric Co.,LTD 1.0 INDEX MT5311G A2 Friday, February 18, 2011 MT5325 HDMI1 YPbPr#0 I2S PWM AR/L0 PWM AR/L1 MT5325 BGA HeadPhone Tuner MPX/IF+/- ADC_IN R/L x 7 MT5325 BGA LM4558 VGA Video System SOY0,CVBS2P Y0P,VDAC_OUT1 COM0,ADIN0 PB0P PR0P Audio System AV#1 CVBS0P LM4558 AUDIO OUT USB#1 USB#2 HSYNC VSYNC RP,GP, BP VGACOM SOG VGASDA VGASCL RX_0 RX_0B RX_1 RX_1B RX_2 RX_2B RX_C RX_CB USB_DP0 USB_DM0 USB_DP1 USB_DM1 GPIO_7 GPIO_8 OPCTRL0 OPCTRL1 OPCTRL2 OPCTRL3 MUTE_CTL ADIN0 ADIN1 ADIN2 ADIN3 ADIN4 ADIN5 USB_PWR_EN1 OPWM0 OPWM1 OPWM2 USB_PWR_EN0 Light-Sensor USB_OC_COM Function define POWER_LED Key PAD 1 5325 GPIO Definition PIN NAME NET NAME GPIO_0 GPIO_1 GPIO_2 GPIO_3 GPIO_4 GPIO_5 GPIO_6 strap[1] strap[0] GPIO_16 GPIO_17 SYS_EEPROM_WP BL_ON/OFF HPDET# GPIO_9 GPIO_10 GPIO_11 GPIO_12 GPIO_13 GPIO_14 GPIO_15 GPIO_18 PHY_DE GPIO_20 GPIO_21 GPIO_19 GPIO_22 GPIO_23 LVDS_PWR_EN OPCTRL4 OPCTRL5 OPCTRL6 BL_DIMMING MT5325 BGA Mini_LVDS Mini_LVDS LVDS1 LVDS2 Display System ASPDIF strap[2] SPEAKER TAS5707 5 4 3 2 1 D D C C B B A A +12V +14V +3V3SB +5V +5VSB AVDD1V2 AVDD3V3 BL_DIMMING BL_DIMMING BL_EN BL_ON/OFF DAC3V3 DIMMING DIMMING GND ON/OFF OPWRSB OPWRSB VCCK DIMMING BL_EN 5EN 12EN OPWRSB 5EN OPWRSB +3V3SB DVDD3V3 ON/OFF BL_EN BL_ON/OFF +5VSB VPA 12EN DIMMING +5VSB +12V +5VSB +14V +3V3SB +5VSB AVDD3V3 DVDD3V3 +5V DAC3V3 +5V AVDD3V3 AVDD3V3 AVDD1V2 DVDD3V3 +5V +5V +3V3SB +12V_in +12V +5VSB +5VSB +12V_in +12V_in +5V +12V_in +5VSB +5V +3V3SB +12V VCCK VPA +14V +12V +12V_in +5VSB +5V +5VSB 2,4,9 GND ALL +14V 2,9 +3V3SB 2,3,10 +12V 2,5,8,9,13 +5V 2,5,6,7,9,13,14 AVDD3V3 2,4,6,8,10,13 DAC3V3 2,8 AVDD1V2 2,3,4,5,6,10,11,13,14 VCCK 2,3 OPWRSB 2,3 BL_DIMMING 2,4 BL_ON/OFF 2,4 +3V3SB 2,3,10 DVDD3V3 2,3,5,9,12,14 +5VSB 2,4,9 VPA 2,4,9 DIMMING 2,4 STANDBY POWER 3V3SB MAIN POWER PWM POWER AVDD33_DAC DIGITAL POWER DVDD3V3 ANALOG POWER AVDD1V2 OPWRSB HIGH = > OPEN FRAME POWER OFF LOW = > OPEN FRAME POWER ON Back Light Control CORE POWER 1.1V Vout=0.8*_R1+R2_/R2 Buck Converter 3A +5V FOR SYS C10 100n/16V C10 100n/16V R14 4.7k/NC R14 4.7k/NC C1 100n/16V/NC C1 100n/16V/NC SW1 2 SW2 3 BST 4 VCC 7 FB 6 GND 8 EN/SYNC_6 5 IN 1 EPAD 9 N6 MP9415 N6 MP9415 C823 10u/16V C823 10u/16V L22 BLM18PG121SN1 L22 BLM18PG121SN1 C12 100n/16V C12 100n/16V R4 4.7k R4 4.7k C14 22u/6.3V C14 22u/6.3V R235 4.7k R235 4.7k C24 10u/16V C24 10u/16V L3 4.7 uH L3 4.7 uH C28 100n/16V C28 100n/16V R38 10k R38 10k C93 22u/6.3V C93 22u/6.3V R5 1k/NC R5 1k/NC R231 4.7k/NC R231 4.7k/NC C42 100u/16V/NC C42 100u/16V/NC C41 100n/16V C41 100n/16V R25 0R R25 0R C13 22u/6.3V C13 22u/6.3V R22 0R R22 0R ADJ 1 VOUT_3 2 VIN 3 VOUT 4 N101 LD1117A-3.3AZ1117H-3.3 N101 LD1117A-3.3AZ1117H-3.3 C29 22u/6.3V C29 22u/6.3V C34 100n/16V C34 100n/16V R3 1k/NC R3 1k/NC 3 1 2 V22 MMBT3904LT1 V22 MMBT3904LT1 ADJ 1 VOUT_3 2 VIN 3 VOUT 4 N4 LD1117A-3.3AZ1117H-3.3 N4 LD1117A-3.3AZ1117H-3.3 R11 1.8k/NC R11 1.8k/NC R27 4.7k/NC R27 4.7k/NC R239 10k R239 10k R15 10k R15 10k R12 1.8k/NC R12 1.8k/NC C16 22u/6.3V C16 22u/6.3V L11 STPB2012-121PT L11 STPB2012-121PT C70 4.7u/10V/NC C70 4.7u/10V/NC R236 1k R236 1k R18 0R/NC R18 0R/NC R34 100k R34 100k C32 100n/16V/NC C32 100n/16V/NC R242 10k/NC R242 10k/NC C8 100n/16V/NC C8 100n/16V/NC C25 10u/16V C25 10u/16V R8 10k/NC R8 10k/NC L6 10.0 uH L6 10.0 uH R28 4.7k R28 4.7k R26 7.5k R26 7.5k 1 2 3 V2 V2 R1 1k/NC R1 1k/NC C66 1u/6.3V C66 1u/6.3V 1 2 VD107 MBR0520LT1/B0520LW/NC VD107 MBR0520LT1/B0520LW/NC C82 10u/16V C82 10u/16V R240 1k R240 1k C22 100u/16V/NC C22 100u/16V/NC R232 4.7k/NC R232 4.7k/NC 1 2 3 V12 MMBT3904LT1 V12 MMBT3904LT1 C2 100n/16V C2 100n/16V R312 0R R312 0R R6 0R R6 0R R405 68k R405 68k L49 BLM18PG121SN1/NC L49 BLM18PG121SN1/NC R20 100k R20 100k C209 2.2u/16V C209 2.2u/16V L5 BLM18PG121SN1 L5 BLM18PG121SN1 R29 0R R29 0R R23 4.7k R23 4.7k C27 10u/16V C27 10u/16V C47 100n/16V C47 100n/16V L4 STPB2012-121PT/NC L4 STPB2012-121PT/NC R35 100k/NC R35 100k/NC R31 40.2k R31 40.2k C45 100n/16V C45 100n/16V C15 100n/16V C15 100n/16V C260 100n/16V/NC C260 100n/16V/NC R233 4.7k/NC R233 4.7k/NC C5 100n/16V/NC C5 100n/16V/NC C43 10u/16V C43 10u/16V L12 STPB2012-121PT/NC L12 STPB2012-121PT/NC C38 1n/50V C38 1n/50V R39 100k R39 100k R237 4.7k/NC R237 4.7k/NC R241 4.7k R241 4.7k C39 100n/16V C39 100n/16V L33 BLM18PG121SN1 L33 BLM18PG121SN1 C11 10u/16V C11 10u/16V S1 1 G1 2 S2 3 G2 4 D22 5 D21 6 D12 7 D11 8 N30 IRF7314 N30 IRF7314 1 2 3 4 5 6 7 8 9 10 11 12 13 XP1 TJC10-13AW/NC XP1 TJC10-13AW/NC R9 0R R9 0R C31 1n/50V/NC C31 1n/50V/NC 1 2 3 V1 MMBT3904LT1 /NC V1 MMBT3904LT1 /NC R10 4.7k/NC R10 4.7k/NC R32 22R R32 22R L7 BLM18PG121SN1/NC L7 BLM18PG121SN1/NC GND 1 VOUT_3 2 VIN 3 VOUT 4 N103 AP1122E N103 AP1122E R21 4.7k/NC R21 4.7k/NC C6 10u/10V/NC C6 10u/10V/NC 1 2 3 4 5 6 7 XP13 XP13 C19 100n/16V C19 100n/16V R238 10k/NC R238 10k/NC C40 22u/6.3V C40 22u/6.3V R7 2k/NC R7 2k/NC 3 1 2 V23 MMBT3904LT1 V23 MMBT3904LT1 C208 2.2u/16V C208 2.2u/16V VIN 2 FB 4 AGND 3 EN 6 LX2 8 PGND 1 LX1 7 COMP 5 N5 AOZ1031AI\TP\JK\ROH N5 AOZ1031AI\TP\JK\ROH C44 22u/6.3V C44 22u/6.3V C30 100n/16V C30 100n/16V C20 100n/16V C20 100n/16V R30 10k R30 10k C18 1n/50V C18 1n/50V 3 1 2 V25 MMBT3904LT1/NC V25 MMBT3904LT1/NC R234 10k R234 10k R36 4.02k R36 4.02k C91 10u/16V C91 10u/16V C83 22u/6.3V C83 22u/6.3V 1 2 3 V8 MMBT3904LT1/NC V8 MMBT3904LT1/NC C84 22u/6.3V C84 22u/6.3V L10 STPB2012-121PT L10 STPB2012-121PT R24 10R R24 10R R273 0R R273 0R C81 10u/16V C81 10u/16V R13 10k/NC R13 10k/NC ADJ 1 VOUT_3 2 VIN 3 VOUT 4 N102 LD1117A-3.3AZ1117H-3.3 N102 LD1117A-3.3AZ1117H-3.3 3 1 2 V24 MMBT3904LT1 V24 MMBT3904LT1 1 2 3 V4 MMBT3904LT1/NC V4 MMBT3904LT1/NC R2 4.7k/NC R2 4.7k/NC C17 100n/16V C17 100n/16V C26 100n/16V C26 100n/16V C46 10u/16V C46 10u/16V 5 4 3 2 1 D D C C B B A A AVDD12_PLL AVDD12_PLL AVDD1V2 AVDD33_REG_STB AVDD33_XTAL_STB DVDD3V3 Flash_WP# FSRC_WR GND HOLD# OIRI OIRI OPCTRL4 OPCTRL4 OPCTRL5 OPCTRL5 OPWRSB OPWRSB ORESET# OSCL0 OSCL0 OSCL1 OSDA0 OSDA0 OSDA1 OXTALI OXTALI OXTALO OXTALO PAALE PAALE PACLE PACLE PARB# PARB# PDD0 PDD0 PDD0 PDD1 PDD1 PDD1 PDD2 PDD2 PDD3 PDD3 PDD4 PDD4 PDD5 PDD5 PDD6 PDD6 PDD7 PDD7 POCE0# POCE0# POCE1# POCE1# POOE# POOE# POOE# POWE# POWE# SPDIF_OUT SYS_EEPROM_WP U0RX U0RX U0RX U0TX U0TX U0TX U1RX U1TX VCCK AVDD10_LDO SPDIF_OUT +3V3SB ORESET# Flash_WP# ORESET# SYS_EEPROM_WP SYS_EEPROM_WP HW_WP SYS_EEPROM_WP SYS_EEPROM_WP EEPROM_WP_FINAL OSCL0 OSDA0 HW_WP AVDD33_XTAL_STB U1TX JTRST# OSDA1 OSCL1 U1RX +5V AVDD33_REG_STB VCCK VCCK DVDD3V3 AVDD1V2 +3V3SB DVDD3V3 +3V3SB +3V3SB DVDD3V3 DVDD3V3 VCCK DVDD3V3 DVDD3V3 DVDD3V3 DVDD3V3 DVDD3V3 +3V3SB +3V3SB +3V3SB +3V3SB DVDD3V3 +3V3SB DVDD3V3 +5V +5V DVDD3V3 +3V3SB OPWRSB 2,3 OPCTRL4 3,4 OPCTRL5 3,4 SYS_EEPROM_WP 3,4 GND ALL OSCL0 3,9,10,13 OSDA0 3,9,10,13 VCCK 2,3 DVDD3V3 2,3,5,9,12,14 AVDD1V2 2,3,4,5,6,10,11,13,14 OIRI 3,4 U0RX 3,7 U0TX 3,7 SPDIF_OUT 3,7 +3V3SB 2,3,10 +5V 2,5,6,7,9,13,14 Analog Power Core Power 3.3V IO Power 27MHz CRYSTAL Serial Flash _ Co-Layout _ UART0 UART1 STRAPPING 2nd I2C 0 0 0 0 0 1 OPCTRL5_O_ OPCTRL4_O_ SPDIF_OUTO_ STRAPPING ICE mode+27M+serial boot ROM boot+27M NAND Flash RESET Circuit close to MT5301C SYSTEM EEPROM L = > WRITE H = > Write Protect HARDWARE WRITE PROTECT R302 2.2k/NC R302 2.2k/NC R74 10k R74 10k POCE0#_0 AL1 POOE#_1 AK3 PARB#_2 AM1 PAALE AK1 POCE1#_4 AM5 PACLE AK2 POWE#_6 AJ4 PDD0 AL2 PDD1 AM2 PDD2 AL3 PDD3 AM3 PDD4 AK4 PDD5 AJ5 PDD6 AK5 PDD7 AL5 JTDO AH1 JTMS AH3 JTCK AH2 JTDI AH4 JTRST#_19 AJ3 OSCL0 AA30 OSDA0 AA29 OSDA1 AB29 OSCL1 AB30 XTALO AL26 XTALI AM26 U0RX AJ13 U0TX AH14 U1RX AC31 U1TX AC30 ORESET#_30 AH13 OPWRSB AF13 OIRI AG13 FSRC_WR F29 AVDD12_PLL AG19 AVSS12_PLL AC20 AVDD33_XTAL_STB AK26 AVSS33_XTAL AG23 AVDD10_LDO AH16 AVDD33_VGA_STB AK16 AVSS33_VGA_STB AC15 VCC3IO M22 VCC3IO_42 AE9 VCC3IO_43 AE10 VCC3IO_44 L22 VCC3IO_45 L23 VCC3IO_46 M23 VCC3IO_47 N23 VCCK AG1 VCCK_49 AG2 VCCK_50 AG3 VCCK_51 AG4 VCCK_52 AG5 VCCK_53 V12 VCCK_54 Y20 VCCK_55 T21 VCCK_56 U22 VCCK_57 Y21 VCCK_58 AB19 VCCK_59 P12 VCCK_60 M12 VCCK_61 N21 VCCK_62 AB15 VCCK_63 N11 VCCK_64 P21 VCCK_65 P11 VCCK_66 L16 VCCK_67 M14 VCCK_68 L12 VCCK_69 L14 VCCK_70 AB17 VCCK_71 AB18 VCCK_72 Y11 VCCK_73 AA19 VCCK_74 V11 VCCK_75 AB13 VCCK_76 AA12 VCCK_77 AA11 VCCK_78 N12 VCCK_79 AA15 VCC3IO_80 AF10 VCC3IO_81 AF9 VCCK_82 Y12 VCCK_83 T11 VCCK_84 AA17 VCCK_85 T20 N8-8 MT5325_DDR3_65 N8-8 MT5325_DDR3_65 1 TP23 TP23 R45 4.7k/NC R45 4.7k/NC RV9 ULCE0505A015FR RV9 ULCE0505A015FR R110 1.3k/1% R110 1.3k/1% R58 10k R58 10k C64 22u/6.3V C64 22u/6.3V R59 12k R59 12k C62 27p/50V C62 27p/50V A0 1 A1 2 A2 3 GND 4 SDA 5 SCL 6 WP 7 VCC 8 N11 AT24C32N-10SI-2.7 N11 AT24C32N-10SI-2.7 C60 10n/50V C60 10n/50V RV52 ULCE0505A015FR RV52 ULCE0505A015FR C35 47u/16V C35 47u/16V R43 4.7k R43 4.7k R311 4.7k/NC R311 4.7k/NC C96 100n/16V/NC C96 100n/16V/NC R44 10k R44 10k C54 10n/50V C54 10n/50V C149 100n/16V C149 100n/16V C357 100n/16V/NC C357 100n/16V/NC R78 100R R78 100R R60 10k R60 10k R69 0R R69 0R R79 100R R79 100R C57 10u/10V C57 10u/10V GND 1 /RST 2 VCC 3 AP1701EWLA/T7M7809ST/NC N804 AP1701EWLA/T7M7809ST/NC N804 R68 10k R68 10k R77 4.7k R77 4.7k R61 7.5k R61 7.5k R51 4.7k R51 4.7k R48 4.7k R48 4.7k C119 10u/10V C119 10u/10V 1 TP10 TP10 R76 4.7k R76 4.7k R270 10k/NC R270 10k/NC C50 4.7u/10V C50 4.7u/10V C49 100n/16V/NC C49 100n/16V/NC C120 1u/50V C120 1u/50V 1 TP21 TP21 C51 100n/16V C51 100n/16V C58 10n/50V C58 10n/50V R55 100R R55 100R C56 10n/50V C56 10n/50V C59 10n/50V C59 10n/50V R72 10k/NC R72 10k/NC C72 10n/50V C72 10n/50V R57 10k R57 10k R81 4.7k R81 4.7k GND 1 /RST 2 VCC 3 AP1701EWLA/NC N304 AP1701EWLA/NC N304 R47 4.7k/NC R47 4.7k/NC R67 10k/NC R67 10k/NC R70 0R R70 0R R83 4.7k R83 4.7k C52 100n/16V/NC C52 100n/16V/NC R122 0R R122 0R NC_1 1 NC_2 2 NC_3 3 NC_4 4 NC_5 5 NC_6 6 R/B_0_6_6_6 7 RE_1_7_7_7 8 CE_2_8_8_8 9 NC_10 10 NC_11 11 VCC 12 VSS_1 13 NC_14 14 NC_15 15 CLE 16 ALE 17 WE_7_17_17_17 18 WP_8_18_18_18 19 NC_20 20 NC_21 21 NC_22 22 NC_23 23 NC_24 24 NC_25 25 NC_26 26 NC_27 27 NC_28 28 I/O0_9_28_28_28 29 I/O1_10_29_29_29 30 I/O2_11_30_30_30 31 I/O3_12_31_31_31 32 NC_33 33 NC_34 34 NC_35 35 VSS 36 VCC_1 37 NC_38 38 NC_39 39 NC_40 40 I/O4_13_40_40_40 41 I/O5_14_41_41_41 42 I/O6_15_42_42_42 43 I/O7_16_43_43_43 44 NC_45 45 NC_46 46 NC_47 47 NC_48 48 N9 Flash_128Mx8_NAND N9 Flash_128Mx8_NAND 1 2 3 V5 MMBT3904LT1 V5 MMBT3904LT1 R50 4.7k R50 4.7k C65 4.7u/10V C65 4.7u/10V R62 3.9k R62 3.9k R46 4.7k/NC R46 4.7k/NC R330 100k/NC R330 100k/NC C225 1uF/50V C225 1uF/50V 1 2 VD18 1N4148W/NC VD18 1N4148W/NC R274 4.7k/NC R274 4.7k/NC C71 100n/50V C71 100n/50V R71 0R R71 0R R75 10k/NC R75 10k/NC R54 100R R54 100R R331 1K/NC R331 1K/NC 1 2 VD17 1N4148W/NC VD17 1N4148W/NC R63 10k R63 10k C145 100n/50V C145 100n/50V 1 2 3 V13 MMBT3904LT1/NC V13 MMBT3904LT1/NC C131 1uF/50V C131 1uF/50V 1 2 Z1 JAS27K Z1 JAS27K C61 27p/50V C61 27p/50V C122 10u/10V C122 10u/10V R66 100k/NC R66 100k/NC R52 4.7k R52 4.7k R186 0R R186 0R 1 2 3 V7 MMBT3904LT1 V7 MMBT3904LT1 C53 4.7u/10V C53 4.7u/10V CS#_0 1 DO 2 WP#_2 3 VSS 4 DI 5 CLK 6 HOLD#_6 7 VCC 8 N10 EN25B40EN25F40-100GCP/NC N10 EN25B40EN25F40-100GCP/NC R49 4.7k R49 4.7k 1 TP20 TP20 C121 1u/10V C121 1u/10V R56 10k R56 10k 1 TP14 TP14 1 2 3 4 XP3 XP3 R53 100R R53 100R R80 4.7k R80 4.7k R82 4.7k R82 4.7k R268 1k R268 1k R198 22k/NC R198 22k/NC R73 10k R73 10k C55 10n/50V C55 10n/50V 5 4 3 2 1 D D C C B B A A +3V3SB/+5VSB +5VSB ADIN2 ADIN2 ADIN3 AVDD12_COM AVDD12_COM AVDD12_REC AVDD12_REC AVDD1V2 AVDD33_LD AVDD33_REC AVDD33_LD AVDD33_COM AVDD33_REC AVDD33_COM AVDD3V3 BL_DIMMING BL_DIMMING BL_ON/OFF BL_ON/OFF Speaker_shutdown DEMOD_TSCLK DEMOD_TSCLK DEMOD_TSDATA0 DEMOD_TSDATA0 DEMOD_TSSYNC DEMOD_TSSYNC DEMOD_TSVAL DEMOD_TSVAL AVSS12_COM AVSS33_REC AVSS12_REC AVSS33_LD AVSS33_COM GND HPDET# HPDET# LED2/PHYAD2 LED2/PHYAD2 LED2/PHYAD2 LED3/PHYAD3 LED3/PHYAD3 LED3/PHYAD3 LVDS_PWR_EN LVDS_PWR_EN MDI_RN MDI_RN MDI_RP MDI_RP MDI_TN MDI_TN MDI_TP MDI_TP MUTE_CTL MUTE_CTL GPIO19_3D_ENABLE GPIO23_DISP_R OIRI OPCTRL4 OPCTRL4 OPCTRL5 OPCTRL5 PHY_DE PHY_DE POWER_LED PW_LED REGOUT REGOUT REXT SYS_EEPROM_WP SYS_EEPROM_WP +3V3SB ADIN4 PAD_SPI_DATA PAD_SPI_CLE PAD_SPI_CLK PAD_SPI_CLE PAD_SPI_DATA PAD_SPI_CLK PAD_PVR_TS_CLK PAD_PVR_TS_DATA1 PAD_PVR_TS_DATA0 PAD_PVR_TS_SYNC PAD_PVR_TS_VAL PAD_PVR_TS_DATA1 PAD_PVR_TS_DATA0 PAD_PVR_TS_SYNC PAD_PVR_TS_VAL PAD_PVR_TS_CLK PAD_CI_TS_SYNC PAD_CI_TS_VAL PAD_CI_TS_DATA0 PAD_CI_TS_CLK PAD_CI_TS_DATA0 PAD_CI_TS_SYNC PAD_CI_TS_VAL PAD_CI_TS_CLK DEMOD_RST PAD_CI_INT PAD_CI_INT Speaker_shutdown DEMOD_TSDATA0 DEMOD_RST ADIN4 OIRI PW_LED +5VSB ADIN3 GPIO19_3D_ENABLE GPIO23_DISP_R POWER_LED AVDD3V3 AVDD1V2 +5VSB +3V3SB/+5VSB +3V3SB +5VSB +3V3SB AVDD1V2 AVDD3V3 AVDD3V3 +5VSB OPCTRL4 3,4 OPCTRL5 3,4 SYS_EEPROM_WP 3,4 LVDS_PWR_EN 4,13 BL_DIMMING 2,4 BL_ON/OFF 2,4 MUTE_CTL 4,9 HPDET# 4,8 Speaker_shutdown 4,5 +5VSB 2,4,9 GND ALL AVDD3V3 2,4,6,8,10,13 AVDD1V2 2,3,4,5,6,10,11,13,14 OIRI 3,4 DEMOD_TSVAL 4,5 DEMOD_TSSYNC 4,5 DEMOD_TSCLK 4,5 DEMOD_TSDATA0 4,5 +3V3SB 2,3,10 PAD_SPI_DATA 5,6 PAD_SPI_CLE 5,6 PAD_SPI_CLK 5,6 PAD_PVR_TS_CLK 5,6 PAD_PVR_TS_DATA1 5,6 PAD_PVR_TS_DATA0 5,6 PAD_PVR_TS_SYNC 5,6 PAD_PVR_TS_VAL 5,6 PAD_CI_TS_SYNC 5,6 PAD_CI_TS_VAL 5,6 PAD_CI_TS_DATA0 5,6 PAD_CI_TS_CLK 5,6 PAD_CI_INT 5,6 DEMOD_TSDATA0 4,5 DEMOD_RST 4,5 +5VSB 2,4,9 GPIO19_3D_ENABLE 4,13 GPIO23_DISP_R 4,13 ETHERNET PHY Close to RJ45 TO IR/LED BOARD TO KEY BOARD IR 1 2 VD4 FC-3215BXK-465D/NC VD4 FC-3215BXK-465D/NC R104 330R/NC R104 330R/NC 1 TP15 TP15 C85 1n/2KV C85 1n/2KV 1 TP7 TP7 L36 BLM21PG221SN1 L36 BLM21PG221SN1 1 TP12 TP12 C79 1n/50V C79 1n/50V R103 0R R103 0R R105 470R R105 470R C88 100n/50V C88 100n/50V C80 10u/10V C80 10u/10V R100 75R R100 75R C125 5pF/50V/NPO C125 5pF/50V/NPO 1 TP4 TP4 1 2 3 V6 MMBT3904LT1 V6 MMBT3904LT1 C78 1n/50V C78 1n/50V R85 1M R85 1M R414 100k R414 100k R88 0R R88 0R R89 0R/NC R89 0R/NC 1 TP11 TP11 C77 10n/50V C77 10n/50V 1 TP16 TP16 R96 5.1k R96 5.1k NTX0+_0 1 NTX0-_1 2 NRX0+_2 3 4 4 5 5 NRX0-_5 6 7 7 8 8 PGND1 9 PGND2 10 Y+_10 11 Y-_11 12 G+_12 13 G-_13 14 PGND3 15 PGND4 16 RJ-45 G Y XS1 9822-8813-S0L1-G-LFG RJ-45 G Y XS1 9822-8813-S0L1-G-LFG OPCTRL0 AE14 OPCTRL1 AG12 OPCTRL2 AJ11 OPCTRL3 AH12 OPCTRL4 AK12 OPCTRL5 AJ12 ADIN0_SRV AG17 ADIN1_SRV AG16 ADIN2_SRV AF17 ADIN3_SRV AF18 ADIN4_SRV AH17 ADIN5_SRV AF19 OPWM0 AA26 OPWM1 AC32 OPWM2 AA27 GPIO0 AK6 GPIO1 AJ6 GPIO2 AK7 GPIO3 AH7 GPIO4 AH10 GPIO5 AK8 GPIO6 AJ8 GPIO7 AD27 GPIO8 AD28 GPIO9 N27 GPIO10 N28 GPIO11 N29 GPIO12 L29 GPIO13 K30 GPIO14 L28 GPIO15 E29 GPIO16 D32 GPIO17 E30 GPIO18 D30 GPIO19 C30 GPIO20 D29 GPIO21 C29 GPIO22 C32 GPIO23 C31 DEMOD_TSSYNC V30 DEMOD_RST U31 DEMOD_TSCLK U32 DEMOD_TSDATA0 U30 DEMOD_TSVAL V29 LDM_CS E32 LDM_CLK E31 LDM_VSYNC F32 LDM_DO D31 PVR_TSSYNC R28 PVR_TSDATA0 R31 PVR_TSCLK R29 PVR_TSVAL T28 PVR_TSDATA1 R32 SD_D0 N32 SD_D1 M30 SD_D2 L30 SD_D3 L31 SD_CLK N30 SD_CMD N31 CI_TSDATA0 T29 CI_TSSYNC U28 CI_TSCLK U29 CI_TSVAL T27 CI_INT P29 SPI_CLE P28 SPI_CLK P31 SPI_DATA P32 TXVP_0 AE32 TXVN_0 AE31 TXVP_1 AD32 TXVN_1 AD31 TANA_0 AF31 TANA_1 AF32 REXT AA32 PHYLED0 AB28 PHYLED1 AA28 AVDD33_LD AC29 AVSS33_LD V22 AVDD33_REC AC28 AVSS33_REC W22 AVDD33_COM AC27 AVSS33_COM AG28 AVDD12_COM AD30 AVSS12_COM W23 AVDD12_REC AE30 AVSS12_REC AF29 OPCTRL6 AF12 SPI_CLK1 P30 LDM_DI F30 N8-9 MT5325_DDR3_65 N8-9 MT5325_DDR3_65 C87 10n/50V C87 10n/50V R106 0R R106 0R C86 100n/50V C86 100n/50V R97 75R R97 75R R437 100R R437 100R 1 TP1 TP1 1 TP18 TP18 R108 0R R108 0R C142 100n/16V C142 100n/16V L35 BLM21PG221SN1 L35 BLM21PG221SN1 C311 22p/50V C311 22p/50V R136 4.7K R136 4.7K L30 BLM21PG221SN1 L30 BLM21PG221SN1 1 TP2 TP2 R90 24k/1% R90 24k/1% R84 1M R84 1M R94 1k R94 1k C75 10n/50V C75 10n/50V C74 10n/50V C74 10n/50V TD1+ 1 CT1 2 TD1- 3 NC1 4 NC2 5 RD2+ 6 CT2 7 RD2- 8 RX2- 9 CMT2 10 RX2+ 11 NC3 12 NC4 13 TX2- 14 CMT1 15 TX1+ 16 N12 PM44-11BP N12 PM44-11BP R123 4.7K R123 4.7K 1 TP9 TP9 1 TP38 TP38 R99 75R R99 75R C126 5pF/50V/NPO C126 5pF/50V/NPO C73 10n/50V C73 10n/50V R92 4.7k/NC R92 4.7k/NC 1 2 3 4 5 6 7 8 XS303 XS303 R102 0R R102 0R R189 1k R189 1k R93 4.7k/NC R93 4.7k/NC C89 10n/50V C89 10n/50V R121 1k R121 1k L37 BLM21PG221SN1 L37 BLM21PG221SN1 C127 5pF/50V/NPO C127 5pF/50V/NPO C76 10n/50V C76 10n/50V C143 100n/16V C143 100n/16V 1 TP13 TP13 C124 5pF/50V/NPO C124 5pF/50V/NPO R124 4.7K R124 4.7K 1 TP19 TP19 1 2 3 4 XP4 XP4 L24 BLM21PG221SN1 L24 BLM21PG221SN1 DVSS AA14 DVSS_1 AD3 DVSS_2 AD4 DVSS_3 R11 DVSS_4 U11 DVSS_5 AA16 DVSS_6 AA20 DVSS_7 T12 DVSS_8 AA18 DVSS_9 AB12 DVSS_10 N13 DVSS_11 P13 DVSS_12 R13 DVSS_13 T13 DVSS_14 U13 DVSS_15 V13 DVSS_16 W13 DVSS_17 Y13 DVSS_18 AA13 DVSS_19 N14 DVSS_20 P14 DVSS_21 R14 DVSS_22 T14 DVSS_23 U14 DVSS_24 V14 DVSS_25 W14 DVSS_26 Y14 DVSS_27 U12 DVSS_28 N15 DVSS_29 P15 DVSS_30 R15 DVSS_31 T15 DVSS_32 U15 DVSS_33 V15 DVSS_34 W15 DVSS_35 Y15 DVSS_36 M16 DVSS_37 N16 DVSS_38 P16 DVSS_39 R16 DVSS_40 T16 DVSS_41 U16 DVSS_42 V16 DVSS_43 W16 DVSS_44 Y16 DVSS_45 AB16 DVSS_46 N17 DVSS_47 P17 DVSS_48 R17 DVSS_49 T17 DVSS_50 U17 DVSS_51 V17 DVSS_52 W17 DVSS_53 Y17 DVSS_54 N18 DVSS_55 AA21 DVSS_56 W21 DVSS_57 R21 DVSS_58 M15 DVSS_59 AB20 DVSS_60 M13 DVSS_61 W20 DVSS_62 V20 DVSS_63 U20 DVSS_64 N20 DVSS_65 AB21 DVSS_66 Y19 DVSS_67 W19 DVSS_68 V19 DVSS_69 U19 DVSS_70 T19 DVSS_71 R19 DVSS_72 P19 DVSS_73 N19 DVSS_74 V21 DVSS_75 Y18 DVSS_76 W18 DVSS_77 V18 DVSS_78 U18 DVSS_79 T18 DVSS_80 R18 DVSS_81 P18 DVSS_82 L13 DVSS_83 R27 DVSS_84 R26 DVSS_85 W12 DVSS_86 AF26 DVSS_87 AF27 DVSS_88 AF28 DVSS_89 AF25 DVSS_90 AG27 DVSS_91 AK30 DVSS_92 AK31 DVSS_93 AK32 DVSS_94 M19 DVSS_95 AE26 DVSS_96 AE27 DVSS_97 AH28 DVSS_98 AF16 DVSS_99 F28 DVSS_100 L27 DVSS_101 AG26 DVSS_102 AD26 DVSS_103 AE25 DVSS_104 AH27 DVSS_105 AB11 DVSS_106 AB14 DVSS_107 AF8 DVSS_108 L11 DVSS_109 M11 DVSS_110 P20 DVSS_111 R12 DVSS_112 U21 DVSS_113 W11 DVSS_114 R20 DVSS_115 AH29 DVSS_116 L15 N8-10 MT5325_DDR3_65 N8-10 MT5325_DDR3_65 R91 4.7k R91 4.7k L34 BLM21PG221SN1 L34 BLM21PG221SN1 R107 470R R107 470R R374 100R R374 100R R101 5.1k R101 5.1k R98 75R R98 75R 1 TP5 TP5 5 4 3 2 1 D D C C B B A A +12V +5V DEMOD_RST PAD_MT5135_RST DEMOD_TSCLK PAD_DEMOD_TS_CLK DEMOD_TSDATA0 PAD_DEMOD_TS_DATA0 DEMOD_TSSYNC PAD_DEMOD_TS_SYNC DEMOD_TSVAL PAD_DEMOD_TS_VAL GND TUNER_CLK TUNER_DATA TUNER_CLK TUNER_SCL1 TUNER_DATA TUNER_SDA1 MT5135AD- VIN_ATV MT5135AD+ VIP_ATV RF_AGC_T RF_AGC_M RSSI DFAT_IN+ DFAT_IN- VIP_ATV VIN_ATV CI_INCLK M_CI_OUTCLK M_CI_OUTDATA2 M_CI_INDATA2 M_CI_INDATA1 M_CI_INDATA3 M_CI_INDATA4 M_CI_INDATA5 M_CI_INVALID M_CI_INDATA6 M_CI_INDATA7 M_CI_OUTVALID M_CI_OUTDATA0 M_CI_OUTSYNC M_CI_OUTDATA1 CI_OUTSYNC CI_OUTDATA2 CI_OUTDATA0 CI_OUTDATA1 CI_OUTVALID CI_INDATA1 CI_INDATA2 CI_INDATA5 CI_INVALID CI_INDATA4 CI_INDATA3 CI_INDATA7 CI_INDATA6 M_CI_INSYNC M_CI_INCLK CI_OUTDATA3 M_CI_OUTDATA3 M_CI_OUTDATA6 CI_OUTDATA4 M_CI_INDATA0 CI_OUTDATA6 CI_OUTDATA7 CI_OUTDATA5 M_CI_OUTDATA4 CI_INDATA0 CI_INSYNC M_CI_OUTDATA7 M_CI_OUTDATA5 CI_OUTCLK CI_CD1# CI_VS1# CI_IREQ# CI_WAIT# CI_CD2# CI_OUTCLK CI_CE2# AS RF_AGC_H PAD_SPI_CLK PAD_SPI_DATA PAD_SPI_CLE PAD_PVR_TS_DATA1 PAD_PVR_TS_DATA0 PAD_PVR_TS_SYNC PAD_PVR_TS_VAL PAD_PVR_TS_CLK PAD_CI_TS_DATA0 PAD_CI_TS_SYNC PAD_CI_TS_VAL PAD_CI_TS_CLK 5395_XTALI CI_PWR_EN PCM_PWRPMOS-G RF_AGC_S RF_AGC_H RF_AGC_Control XTALI XTALO 5395_XTALI 5395_XTALO 5395_XTALO TUNER_SDA1 B2 RF_AGC_T AS TUNER_SCL1 ANT_PWR DFAT_IN+ DFAT_IN- PAD_CI_INT RF_AGC_S RF_AGC_T ANT_PWR B2 AVDD1V2 RF_AGC_H DVDD3V3 CI_D3 CI_D4 CI_D5 CI_D6 CI_D7 CI_CE1# CI_A10 CI_OE# CI_A11 CI_A9 CI_A8 CI_A13 CI_A14 CI_WE# CI_IREQ# CI_INVALID CI_INCLK CI_A12 CI_A7 CI_A6 CI_A5 CI_A4 CI_A3 CI_A2 CI_A1 CI_A0 CI_D0 CI_D1 CI_D2 CI_CD1# CI_OUTDATA3 CI_OUTDATA4 CI_OUTDATA5 CI_OUTDATA6 CI_OUTDATA7 CI_CE2# CI_VS1# CI_IORD# CI_IOWR# CI_INSYNC CI_INDATA0 CI_INDATA1 CI_INDATA2 CI_INDATA3 CI_INDATA4 CI_INDATA5 CI_INDATA6 CI_INDATA7 CI_OUTCLK CI_RESET CI_WAIT# CI_REG# CI_OUTVALID CI_OUTSYNC CI_OUTDATA0 CI_OUTDATA1 CI_OUTDATA2 CI_CD2# PCM_PWRPMOS-S PCM_PWR_CTLL PAD_MT5135_RST M_CI_OUTDATA4 M_CI_INDATA6 PAD_PVR_TS_SYNC CI_VS1# M_CI_OUTDATA2 CI_WE# PAD_CI_TS_CLK PAD_CI_TS_VAL PAD_CI_TS_SYNC PAD_CI_TS_DATA0 PAD_DEMOD_TS_DATA0 PAD_DEMOD_TS_VAL PAD_DEMOD_TS_SYNC CI_D4 M_CI_INCLK CI_A11 M_CI_OUTDATA3 M_CI_OUTDATA1 M_CI_INDATA0 M_CI_OUTDATA6 M_CI_INDATA4 CI_A3 CI_D3 RSSI CI_A10 M_CI_INDATA2 M_CI_OUTDATA0 TUNER_CLK TUNER_DATA RF_AGC_M CI_CD1# CI_A4 PAD_DEMOD_TS_CLK CI_A0 IF_AGC_M CI_OE# CI_PWR_EN CI_WAIT# CI_A8 M_CI_OUTSYNC CI_D6 CI_IREQ# M_CI_OUTCLK CI_CE1# CI_A14 CI_A5 CI_A1 CI_IOWR# CI_RESET MT5135AD+ PAD_PVR_TS_CLK PAD_PVR_TS_VAL PAD_PVR_TS_DATA0 PAD_CI_INT CI_A6 CI_CD2# M_CI_INSYNC M_CI_OUTDATA5 PAD_SPI_CLK PAD_SPI_DATA TN TP XTALO XTALI M_CI_OUTVALID M_CI_INDATA1 M_CI_OUTDATA7 M_CI_INDATA5 CI_A7 CI_D2 M_CI_INDATA3 MT5135AD- CI_A2 M_CI_INDATA7 RF_AGC_Control CI_D1 PAD_CHIP_CTRL CI_REG# PAD_PVR_TS_DATA1 CI_IORD# CI_A9 CI_A12 CI_D5 CI_D0 CI_PWR_EN PAD_SPI_CLE CI_A13 CI_D7 M_CI_INVALID CI_PWR_EN +5V_TUNER VCC-PCMCIA DVDD33 DVDD33 DVDD33 AV12_demod DVDD10 +3V3 AV12 +3V3 AVDD33_3 AVDD33_2 AVDD33_1 +3V3 +3V3 AVDD33_4 +3V3 DVDD33 AV12_demod DVDD33 AV12 +3V3 +12V +5V_Tuner +5V +5V DVDD10 +5V VCC-PCMCIA +5V DVDD3V3 AVDD1V2 +5V_Tuner +5V_Tuner DVDD3V3 DVDD3V3 DVDD3V3 VCC-PCMCIA VCC-PCMCIA VCC-PCMCIA VCC-PCMCIA DVDD10 DVDD33 AV12_demod AVDD33_2 DVDD10 DVDD33 DVDD33 DVDD10 AVDD33_4 AVDD33_3 AV12_demod DVDD33 DVDD33 AVDD33_3 AVDD33_1 DVDD33 DVDD10 GND ALL DEMOD_RST 4,5 VIP_ATV 5,6 VIN_ATV 5,6 DEMOD_TSVAL 4,5 DEMOD_TSSYNC 4,5 DEMOD_TSCLK 4,5 DEMOD_TSDATA0 4,5 +5V 2,5,6,7,9,13,14 +12V 2,5,8,9,13 TUNER_CLK 5,6 TUNER_DATA 5,6 PAD_SPI_CLK 5,6 PAD_SPI_DATA 5,6 PAD_SPI_CLE 5,6 PAD_PVR_TS_DATA1 5,6 PAD_PVR_TS_DATA0 5,6 PAD_PVR_TS_SYNC 5,6 PAD_PVR_TS_VAL 5,6 PAD_PVR_TS_CLK 5,6 PAD_CI_TS_DATA0 5,6 PAD_CI_TS_SYNC 5,6 PAD_CI_TS_VAL 5,6 PAD_CI_TS_CLK 5,6 5395_XTALI 5,6 5395_XTALO 5,6 PAD_CI_INT 5,6 AVDD1V2 2,3,4,5,6,10,11,13,14 RF_AGC_H 5,6 DVDD3V3 4,8 CI interface Closed to PCMCIA Closed to Main Chip Function 1 (Internal CI) CI Interface TUNER POWER +5V_TUNER 1000mA Core Power 1.1V Default Output Voltage:1.12V Low: PCMCIA Power Off High: PCMCIA POWER On Close to Tuner Near Tuner GPI/O 1:Differential 0:Single end GPIO C236 NC C236 NC C21 100n/16V C21 100n/16V R372 7.5M R372 7.5M C255 NC C255 NC R119 4.02k R119 4.02k R675 47R R675 47R C258 1u/10V/NC C258 1u/10V/NC C150 10p/50V C150 10p/50V R275 4.7k R275 4.7k R137 50ohm R137 50ohm C252 100n/16V/NC C252 100n/16V/NC C140 100n/16V C140 100n/16V C103 100n/16V C103 100n/16V R131 100R R131 100R C264 22u/6.3V C264 22u/6.3V C254 100n/16V C254 100n/16V GND 3 Vout 2 Vin 1 N27 CW78D05CZ N27 CW78D05CZ R447 68R/NC R447 68R/NC PGND 1 VIN 2 AGND 3 FB 4 COMP 5 EN 6 LX7 7 LX8 8 N15 AOZ1016AI N15 AOZ1016AI GND4 1 D3 2 D4 3 D5 4 D6 5 D7 6 CE1 7 A10 8 OE 9 A11 10 DRX(A9) 11 CRX(A8) 12 A13 13 A14 14 WE 15 IREQ(READY) 16 VCC2 17 VPP-1 18 MIVAL(A16) 19 MCLKI(A15) 20 A12 21 QTX(A7) 22 ETX(A6) 23 ITX(A5) 24 CTX(A4) 25 A3 26 A2 27 A1 28 A0 29 D0 30 D1 31 D2 32 IOIS16(WP) 33 GND3 34 GND2 35 CD1 36 MDO3(D11) 37 MDO4(D12) 38 MDO5(D13) 39 MDO6(D14) 40 MDO7(D15) 41 CE2 42 VS1 43 IORD(RFU) 44 IOWR(RFU) 45 MISTRT(A17) 46 MDI0(A18) 47 MDI1(A19) 48 MDI2(A20) 49 MDI3(A21) 50 VCC1 51 VPP-2 52 MDI4(A22) 53 MDI5(A23) 54 MDI6(A24) 55 MDI7(A25) 56 MCLKO(VS2) 57 RESET 58 WAIT 59 INPACK 60 REG 61 MOVAL(BVD2) 62 MOSTRT(BVD1) 63 MDO0(D8) 64 MDO1(D9) 65 MDO2(D10) 66 CD2 67 GND1 68 69 69 70 70 71 71 72 72 3V XP22 A0MC5A0012N8P03/NC 3V XP22 A0MC5A0012N8P03/NC C234 5.6P C234 5.6P R128 0R R128 0R 1 2 Z2 JAS27K/NC Z2 JAS27K/NC R278 47k R278 47k C147 56p/50V C147 56p/50V C116 100n/16V C116 100n/16V R126 100K R126 100K C110 100n/16V C110 100n/16V R129 4.7k R129 4.7k R244 0R R244 0R R277 10K R277 10K C37 22u/6.3V C37 22u/6.3V L40 BLM18PG121SN1 L40 BLM18PG121SN1 L29 10.0 uH L29 10.0 uH C238 10n/50V C238 10n/50V R587 100k R587 100k CD5 1u/10V CD5 1u/10V R132 100R R132 100R C109 100n/16V C109 100n/16V R262 22R R262 22R R308 0R/NC R308 0R/NC R109 10k R109 10k R670 47R R670 47R R285 10K R285 10K R282 10K R282 10K R261 22R R261 22R C235 5.6P C235 5.6P C97 100n/16V C97 100n/16V R114 100k R114 100k C118 100n/16V C118 100n/16V C24110u/16V C24110u/16V L44 BLM18PG121SN1 L44 BLM18PG121SN1 1 TP22 TP22 C249 10u/16V C249 10u/16V C36 1n/50V C36 1n/50V R248 22R R248 22R RT3 22R/2W RT3 22R/2W C245 10u/16V C245 10u/16V C153 220p/50V C153 220p/50V L46 BLM18PG121SN1 L46 BLM18PG121SN1 C107 100n/16V C107 100n/16V L17 220NH L17 220NH R127 49.9R R127 49.9R R672 47R R672 47R R257 22R R257 22R L56 BLM18PG121SN1 L56 BLM18PG121SN1 C95 10u/16V C95 10u/16V C148 220p/50V C148 220p/50V C233 220P C233 220P C240 10n/50V C240 10n/50V C105 100n/16V C105 100n/16V C108 100n/16V C108 100n/16V R249 22R R249 22R L41 BLM18PG121SN1 L41 BLM18PG121SN1 R163 0R R163 0R C251 10u/16V/NC C251 10u/16V/NC C90 1u/6.3V C90 1u/6.3V R288 10K R288 10K R264 22R R264 22R C112 100n/16V C112 100n/16V R307 4.7K R307 4.7K R263 22R R263 22R R247 NC R247 NC R250 22R R250 22R C242 10u/16V C242 10u/16V L52 STPB2012-121PT/NC L52 STPB2012-121PT/NC L18 NC L18 NC C146 10p/50V C146 10p/50V R267 22R R267 22R PAD_SPI_CLE 1 PAD_SPI_DATA 2 PAD_SPI_CLK 3 PAD_PVR_TS_DATA1 4 PAD_PVR_TS_DATA0(TS_ERR) 5 PAD_PVR_TS_SYNC(TS_DATA7) 6 PAD_PVR_TS_VAL(TS_DATA6) 7 PAD_PVR_TS_CLK(TS_DATA5) 8 PAD_CI_TS_DATA0(TS_DATA4) 9 PAD_CI_TS_SYNC(TS_DATA3) 10 PAD_CI_TS_VAL(TS_DATA2) 11 PAD_CI_TS_CLK(TS_DATA1) 12 DGND33 13 DVDD33 14 PAD_DEMOD_TS_DATA0(TS_DATA0) 15 PAD_DEMOD_TS_SYNC(TS_SYNC) 16 PAD_DEMOD_TS_VAL(TS_VAL) 17 PAD_DEMOD_TS_CLK(TS_CLK) 18 PAD_MT5135_RST 19 DVDD10 20 AVDD12_PLL 21 AVDD33_RSSI 22 PAD_ADIN0 23 AVSS33_RSSI 24 PAD_TN 25 PAD_TP 26 AVDD33_DEMOD_3 27 AVSS33_DEMOD_3 28 PAD_XTALI 29 AVSS33_XTAL 30 PAD_XTALO 31 AVDD33_XTAL 32 PAD_TUNER_DATA 41 PAD_TUNER_CLK 42 PAD_IF_AGC 43 PAD_RF_AGC 44 PAD_S2_TS_CLK 45 PPAD_S2_TS_SYNC 46 AD_S2_TS_VAL 47 PAD_S2_TS_DATA0 48 DGND33 49 DVDD33 50 PAD_S2_TS_DATA1 51 PAD_S2_TS_DATA2 52 PAD_S2_TS_DATA3 53 PAD_S2_TS_DATA4 54 PAD_S2_TS_DATA5 55 PAD_S2_TS_DATA6 56 PAD_S2_TS_DATA7 57 PAD_CHIP_CTRL 58 PAD_CD1_ 59 PAD_D3 60 PAD_D11 61 PAD_D4 62 PAD_D12 63 PAD_D5 64 PAD_D13 65 PAD_D6 66 PAD_D14 67 PAD_D7 68 PAD_D15 69 PAD_CE1_ 70 DVDD33 71 DGND33 72 PAD_A10 73 PAD_VS1_ 74 PAD_OE_ 75 PAD_IORD_ 76 PAD_A11 77 PAD_IOWR_ 78 PAD_A9 79 PAD_A17 80 PAD_A8 81 DGND10 82 DVDD10 83 PAD_A18 84 PAD_A13 85 PAD_A19 86 PAD_A14 87 PAD_A20 88 DVDD33 89 DGND33 90 PAD_WE_ 91 PAD_A21 92 PAD_READY 93 PAD_A22 94 PAD_A16 95 PAD_A23 96 PAD_A15 97 PAD_A24 98 PAD_A12 99 PAD_A25 100 PAD_A7 101 PAD_VS2_ 102 PAD_A6 103 PAD_PCMCIA_RESET 104 DVDD10 113 PAD_A2 114 PAD_BVD2 115 PAD_A1 116 PAD_BVD1 117 PAD_A0 118 PAD_D8 119 PAD_D0 120 PAD_D9 121 PAD_D1 122 PAD_D10 123 PAD_D2 124 PAD_CD2_ 125 PAD_CI_INT 126 DGND33 127 DVDD33 128 PAD_EXT_CLKSEL 33 AVSS12_DEMOD_3 34 PAD_IFPGA_INN 35 PAD_IFPGA_INP 36 AVDD12_DEMOD 37 AVDD33_IFPGA 38 AVSS10_5 39 DVDD10 40 PAD_A5 105 PAD_WAIT_ 106 PAD_A4 107 PAD_A3 108 DGND33 109 DVDD33 110 PAD_REG_ 111 DGND10 112 N2 MT5135 N2 MT5135 C284 100u/16V C284 100u/16V C244 100n/16V C244 100n/16V C102 1n/50V/NC C102 1n/50V/NC R404 47R R404 47R R371 15M R371 15M C137 56p/50V C137 56p/50V R253 22R R253 22R C250 10u/16V C250 10u/16V R251 22R R251 22R R130 4.7k R130 4.7k R276 10K R276 10K C115 100n/16V C115 100n/16V R673 47R R673 47R R125 10K R125 10K R134 0R R134 0R L26 0R L26 0R R309 4.7K/NC R309 4.7K/NC R111 68k R111 68k L31 STPB2012-121PT L31 STPB2012-121PT L47 BLM18PG121SN1 L47 BLM18PG121SN1 C253 100n/16V C253 100n/16V C154 220p/50V C154 220p/50V C243 100n/16V C243 100n/16V C231 10n/50V C231 10n/50V R294 0R R294 0R C117 100n/16V C117 100n/16V R258 22R R258 22R C266 10u/16V C266 10u/16V R674 1K R674 1K L27 120NH L27 120NH C138 220p/50V C138 220p/50V R293 0R R293 0R R252 22R R252 22R C139 47n/50V C139 47n/50V L45 BLM18PG121SN1 L45 BLM18PG121SN1 R115 100k R115 100k C114 100n/16V C114 100n/16V R368 0R R368 0R C237 10n/50V C237 10n/50V C256 10u/16V C256 10u/16V 3 1 2 V21 MMBT3906LT1 V21 MMBT3906LT1 R266 22R R266 22R C113 100n/16V C113 100n/16V C239 10n/50V C239 10n/50V C248 10u/16V C248 10u/16V R283 10K/NC R283 10K/NC C270 10u/16V C270 10u/16V R265 22R R265 22R L28 120NH L28 120NH C136 100n/16V C136 100n/16V C247 10u/16V C247 10u/16V C94 100n/16V C94 100n/16V C825 22u/16V C825 22u/16V R369 NC R369 NC R161 0R R161 0R C106 100n/16V C106 100n/16V R243 0R R243 0R C246 10u/16V C246 10u/16V L51 STPB2012-121PT L51 STPB2012-121PT R118 10k/NC R118 10k/NC R671 47R R671 47R R306 0R R306 0R R298 47R R298 47R L42 BLM18PG121SN1 L42 BLM18PG121SN1 L50 BLM18PG121SN1/NC L50 BLM18PG121SN1/NC 1 2 3 V60 2N7002 V60 2N7002 L25 0R L25 0R R310 4.7K R310 4.7K R255 22R R255 22R C111 100n/16V C111 100n/16V C144 10p/50V C144 10p/50V C104 100n/16V C104 100n/16V L55 BLM18PG121SN1 L55 BLM18PG121SN1 C130 100n/16V C130 100n/16V R279 10K R279 10K R260 22R R260 22R R291 0R/NC R291 0R/NC R379 0R/NC R379 0R/NC R133 49.9R R133 49.9R L43 BLM18PG121SN1 L43 BLM18PG121SN1 R226 50ohm R226 50ohm R259 22R R259 22R L38 BLM18PG121SN1/NC L38 BLM18PG121SN1/NC 1 2 3 S G D V61 AO3401_SOT223 S G D V61 AO3401_SOT223 ANT_5V 1 N.C1 2 RF_AGC 3 N.C 4 AS 5 SCL 6 SDA 7 Tuner_5V 8 4M REF out 9 IF_2 11 IF_1 10 GND 14 GND 13 GND 15 GND 16 BIF 12 U28 TH2603 U28 TH2603 R135 100R R135 100R C232 10n/50V C232 10n/50V R254 22R R254 22R R256 22R R256 22R 5 4 3 2 1 D D C C B B A A +5V AINL_YPBPR AINL_YPBPR AINR_YPBPR AINR_YPBPR AV1 AVDD12_RGB AVDD12_DEMOD AVDD12_RGB AVDD12_DEMOD AVDD1V2 AVDD33_DEMOD AVDD33_IFPGA AVDD33_CVBS AVDD33_DEMOD AVDD33_IFPGA AVDD33_VDAC AVDD33_VDAC AVDD33_CVBS AVDD3V3 BP BP COM0 COM0 CVBS0P CVBS0P CVBS_COM CVBS_COM GND GP GP HSYNC HSYNC RF_AGC_H PB0P PB0P PB1_IN PR0P PR0P PR1_IN RP RP SOG SOG SOY0 SOY0 TUNER_CLK TUNER_DATA VDAC_FS VGACOM VGACOM VGASCL VGASCL VGASDA VGASDA VIN_ATV VIP_ATV VSYNC VSYNC Y0P Y0P Y1_IN RF_AGC 5395_XTALI 5395_XTALO 5395_XTALI 5395_XTALO RF_AGC_H VIN_ATV VIP_ATV AINL_AV1 AINR_AV1 AINL_AV1 AINR_AV1 MONITOR_OUT MONITOR_OUT AV1L_IN1 AV1R_IN1 YPBPRL_IN0 YPBPRR_IN0 PB1_IN Y1_IN PR1_IN AV1 RF_AGC AV1L_IN1 AV1R_IN1 YPBPRR_IN0 YPBPRL_IN0 AV2 CVBS1P CVBS1P AINL_AV2 AINR_AV2 AV2R_IN1 AV2L_IN1 AINL_AV2 AINR_AV2 AV2 AV2L_IN1 AV2R_IN1 AVDD1V2 AVDD1V2 AVDD3V3 AVDD3V3 AVDD3V3 HSYNC 6,7 VSYNC 6,7 RP 6,7 GP 6,7 BP 6,7 VGACOM 6,7 SOG 6,7 VGASDA 6,7 VGASCL 6,7 AINL_YPBPR 6,8 AINR_YPBPR 6,8 GND ALL +5V 2,5,6,7,9,13,14 AVDD3V3 2,4,6,8,10,13 AVDD1V2 2,3,4,5,6,10,11,13,14 VIP_ATV 5,6 VIN_ATV 5,6 TUNER_CLK 5,6 TUNER_DATA 5,6 5395_XTALI 5,6 5395_XTALO 5,6 RF_AGC_H 5,6 AINL_AV1 6,8 AINR_AV1 6,8 MONITOR_OUT 4,8 AINL_AV2 6,8 AINR_AV2 6,8 Title Size Document Number Rev Date: Sheet of MT5325 YPBPR/AV INPUT 1.0 Hisense Electric Co.,LTD 14 6 A2 Friday, February 18, 2011 Title Size Document Number Rev Date: Sheet of MT5325 YPBPR/AV INPUT 1.0 Hisense Electric Co.,LTD 14 6 A2 Friday, February 18, 2011 Title Size Document Number Rev Date: Sheet of MT5325 YPBPR/AV INPUT 1.0 Hisense Electric Co.,LTD 14 6 A2 Friday, February 18, 2011 Analog Power NEARLY YPBPR CONNECTOR NEARLY MT5380 Close to MT5303G R147 75R R147 75R R143 100R R143 100R C278 10u/10V C278 10u/10V S7 D4 S7 D4 C175 10u/10V C175 10u/10V M6 MARK M6 MARK C172 47p/50V C172 47p/50V C176 10u/10V C176 10u/10V R150 100R R150 100R R165 30k R165 30k C168 47n/16V C168 47n/16V L20 BLM18PG121SN1 L20 BLM18PG121SN1 RV12 RV12 R201 30k R201 30k C165 47p/50V C165 47p/50V RV26 RV26 C163 1.5n/50V C163 1.5n/50V RV8 AVLC18S02015 RV8 AVLC18S02015 R144 0R R144 0R M1 MARK M1 MARK 1 E1 RSAG7.308.107 E1 RSAG7.308.107 R158 56R R158 56R C174 10n/50V C174 10n/50V S1 D4 S1 D4 C262 10u/10V C262 10u/10V R164 30k R164 30k C155 100n/16V C155 100n/16V C169 10n/50V C169 10n/50V C170 47p/50V C170 47p/50V C157 100n/16V C157 100n/16V C272 100n/16V C272 100n/16V R166 30k R166 30k 1 2 3 4 5 6 7 8 9 10 11 12 13 14 15 16 17 XS36 XS36 1 2 3 4 Q1 RSAG7.070.153 Q1 RSAG7.070.153 L23 BLM18PG121SN1 L23 BLM18PG121SN1 S8 D4 S8 D4 C162 47n/16V C162 47n/16V 1 TP24 TP24 R152 18R R152 18R R142 18R R142 18R R141 75R R141 75R C265 10u/10V C265 10u/10V S3 D4 S3 D4 C160 100n/16V C160 100n/16V R140 100R R140 100R RV6 RV6 R148 100R R148 100R S11 D4 S11 D4 M2 MARK M2 MARK R159 18R R159 18R R162 30k R162 30k R160 100R R160 100R ADCINP_DEMOD AM24 ADCINN_DEMOD AL24 IF_AGC W30 RF_AGC W29 TUNER_CLK V32 TUNER_DATA V31 AVDD33_DEMOD AJ24 AVSS33_DEMOD AF22 AVDD33_IFPGA AF23 AVDD12_DEMOD AK25 AVSS12_DEMOD AH24 SC0 AK21 SC1 AL22 SY0 AM21 SY1 AM22 CVBS2P AK22 CVBS1P AJ23 CVBS0P AK24 CVBS_COM AK23 AVDD33_CVBS AH23 AVSS33_CVBS AC21 HSYNC AL13 VSYNC AM13 RP AM15 GP AK15 BP AK13 COM AL15 SOG AK14 VGA_SCL AF14 VGA_SDA AG14 COM1 AJ17 PB1P AK17 PR1P AJ18 Y1P AM16 SOY1 AL16 COM0 AL19 PB0P AM19 PR0P AK19 Y0P AM18 SOY0 AL18 VDAC_OUT1 AJ20 VDAC_OUT2 AK20 FS_VDAC AL21 BYPASS0 AJ22 BYPASS1 AJ21 AVDD12_RGB AK18 AVSS12_RGB AC17 AVDD33_VDAC AH20 AVSS33_VDAC AC19 LOUTN AJ25 LOUTP AJ26 N8-6 MT5325_DDR3_65 N8-6 MT5325_DDR3_65 R139 560R R139 560R R149 0R R149 0R 1 TP25 TP25 M3 MARK M3 MARK RV11 RV11 R146 56R R146 56R RV7 RV7 S9 D4 S9 D4 C164 10n/50V C164 10n/50V RV5 AVLC18S02015 RV5 AVLC18S02015 C158 100n/16V C158 100n/16V C161 47n/16V C161 47n/16V S4 D4 S4 D4 RV33 RV33 C171 10n/50V C171 10n/50V S6 D4 S6 D4 R245 51R R245 51R C173 47p/50V C173 47p/50V M4 MARK M4 MARK RV10 RV10 C159 100n/16V C159 100n/16V R246 51R R246 51R C276 10u/10V C276 10u/10V R157 56R R157 56R C167 47p/50V C167 47p/50V C156 100n/16V C156 100n/16V R190 30k R190 30k R138 10k R138 10k M5 MARK M5 MARK R145 0R R145 0R S5 D4 S5 D4 RV53 RV53 C166 1u/6.3V C166 1u/6.3V R153 100R R153 100R RV24 RV24 5 4 3 2 1 D D C C B B A A +5V AINL_VGA AINL_VGA AINR_VGA AINR_VGA BLU BLU BP BP GND GP GP GRN GRN HSYNC HSYNC HSYNC# HSYNC# VGA_5Vin RED RED RP RP SOG SOG U0RX U0RX U0TX U0TX VGACOM VGACOM VGASCL VGASCL VGASCL_IN VGASCL_IN VGASDA VGASDA VGASDA_IN VGASDA_IN VGA_PLUGPWR VSYNC VSYNC VSYNC# VSYNC# +5VSB VGA_5Vin +5VSB VGA_PLUGPWR VGA_PLUGPWR +5VSB VGA_PLUGPWR AINL_VGA 7,8 AINR_VGA 7,8 GND ALL +5V 2,5,6,7,9,13,14 HSYNC 6,7 VSYNC 6,7 RP 6,7 GP 6,7 BP 6,7 VGACOM 6,7 SOG 6,7 VGASDA 6,7 VGASCL 6,7 U0RX 3,7 U0TX 3,7 VGA_PLUGPWR 7,8 +5VSB 2,4,9 +5VSB 2,4,9 Title Size Document Number Rev Date: Sheet of MT5325 VGA INPUT 1.0 Hisense Electric Co.,LTD 14 7 A3 Friday, February 18, 2011 Title Size Document Number Rev Date: Sheet of MT5325 VGA INPUT 1.0 Hisense Electric Co.,LTD 14 7 A3 Friday, February 18, 2011 Title Size Document Number Rev Date: Sheet of MT5325 VGA INPUT 1.0 Hisense Electric Co.,LTD 14 7 A3 Friday, February 18, 2011 VGA INPUT VGA SYNC SLICER Close to MT5395 Close to VGA CONN. VGA AUDIO INPUT 3 1 2 VD1 BAT54C VD1 BAT54C C179 47p/50V C179 47p/50V R172 0R R172 0R RV17 AVLC18S02015 RV17 AVLC18S02015 R178 0R R178 0R C186 10u/10V C186 10u/10V C132 NC/10u/10V C132 NC/10u/10V 1 2 3 4 5 6 7 8 9 10 11 12 13 14 15 16 17 XS5 XS5 RV22 AVLC18S02015 RV22 AVLC18S02015 RV21 AVLC18S02015 RV21 AVLC18S02015 C187 10u/10V C187 10u/10V R196 10k R196 10k R185 30k R185 30k R180 75R R180 75R R187 30k R187 30k R195 0R R195 0R RV16 AVLC18S02015 RV16 AVLC18S02015 R192 0R R192 0R R193 10k R193 10k C180 10n/50V C180 10n/50V R174 0R R174 0R R167 0R R167 0R R188 100R R188 100R C183 10n/50V C183 10n/50V R170 100R/NC R170 100R/NC R177 75R R177 75R C190 5p/50V C190 5p/50V C185 100p/50V C185 100p/50V C177 1.5n/50V C177 1.5n/50V RV20 AVLC18S02015 RV20 AVLC18S02015 R182 100R R182 100R C182 47p/50V C182 47p/50V 1 2 3 4 5 R WR WL L GND XS6 R WR WL L GND XS6 RV13 AVLC18S02015 RV13 AVLC18S02015 R179 100R R179 100R R169 100R R169 100R R171 75R R171 75R R168 0R R168 0R RV19 AVLC18S02015 RV19 AVLC18S02015 R184 10k R184 10k R191 1k R191 1k R176 100R/NC R176 100R/NC RV14 AVLC18S02015 RV14 AVLC18S02015 C181 10n/50V C181 10n/50V C188 100p/50V C188 100p/50V R175 100R R175 100R RV18 AVLC18S02015 RV18 AVLC18S02015 C189 5p/50V C189 5p/50V R173 100R R173 100R R181 10k R181 10k RV15 AVLC18S02015 RV15 AVLC18S02015 C178 10n/50V C178 10n/50V C184 47p/50V C184 47p/50V R194 1k R194 1k 5 4 3 2 1 D D C C B B A A +12V AINL_VGA AINR_VGA AINL_YPBPR AINR_YPBPR AINR_VGA AINL_VGA AINR_YPBPR AINL_YPBPR AL0O AOMCLK AR0O AU_DIN AVDD33_AADC AVDD33_DAC AVDD33_DAC AVDD3V3 DAC3V3 GND HPDET# HPDET# HPOUTL HPOUTL HPOUTR HPOUTR SPDIF_OUT VMID_AADC AOLRCK AR0O AL0O SPDIF_OUT AINL_AV1 AINR_AV1 AINR_AV1 AINL_AV1 MONITOR_OUT SCT2_AV_OUT MONITOR_OUT DVDD3V3 Audio_Lineout_L Audio_Lineout_R SCT2_AV_OUT +5V AOBCLK AOMCLK AOSDATA0 AOLRCK AOSDATA0 AOBCLK AINL_AV2 AINR_AV2 AINR_AV2 AINL_AV2 AVDD33_AADC DVDD3V3 Line_out_L Line_out_R MUTE-602 Audio_Lineout_L Audio_Lineout_R Line_out_L Line_out_R MUTE-602 AVDD33_DAC Line_out_L Line_out_R DAC3V3 VREF_A +12V +12V_A +12V_A +5V VREF_A VREF_A 3.3V_602 DVDD3V3 GND ALL DAC3V3 2,8 HPDET# 4,8 AINL_YPBPR 6,8 AINR_YPBPR 6,8 AINL_VGA 7,8 AINR_VGA 7,8 +12V 2,5,8,9,13 AVDD3V3 2,4,6,8,10,13 SPDIF_OUT 3,7 AINL_AV1 6,8 AINR_AV1 6,8 MONITOR_OUT 4,8 DVDD3V3 4,8 +5V 4,8 AOMCLK 8,9 AOBCLK 8,9 AOSDATA0 8,9 AOLRCK 8,9 AINL_AV2 6,8 AINR_AV2 6,8 MUTE-602 4,8 Analog Power HeadPhone Output HEADPHONE NEARLY IC NEARLY CONNECTOR MONITOR SCART CVBS BYPASS AV OUTPUT audio pre. AMP R214 33R R214 33R C293 150p/50V C293 150p/50V C229 10u/16V/NC C229 10u/16V/NC 1 TP33 TP33 R200 9.31k R200 9.31k C294 1u/10V C294 1u/10V R357 33k R357 33k C98 22u/16V C98 22u/16V R197 47R R197 47R R217 470R R217 470R 1 TP32 TP32 R220 47k R220 47k C295 2.2u/10V C295 2.2u/10V R224 56K R224 56K R211 5.1k R211 5.1k R213 33R R213 33R C196 1UF/50V C196 1UF/50V R555 0R R555 0R 3 4 2 1 5 R WR WL L GND XS8 R WR WL L GND XS8 L114 1.8 uH L114 1.8 uH R225 56K R225 56K C332 10u/10V C332 10u/10V R37 4.7k/NC R37 4.7k/NC R218 33R R218 33R R202 5.1k R202 5.1k R206 20R R206 20R L21 BLM18PG121SN1 L21 BLM18PG121SN1 R409 5.1R R409 5.1R C526 47p/50V/NC C526 47p/50V/NC R355 33k R355 33k 1 2 3 45 6 V/Y R/PB L/PR GND XS2 V/Y R/PB L/PR GND XS2 C210 4.7u/10V/NC C210 4.7u/10V/NC R208 470R R208 470R C527 47p/50V C527 47p/50V R19 0R R19 0R 1 2 VD11 1N4148W VD11 1N4148W R411 5.1R R411 5.1R C329 10p/50V/NC C329 10p/50V/NC R222 33R R222 33R C230 100n/16V C230 100n/16V RV509 NC/AVLC18S02015 RV509 NC/AVLC18S02015 C528 47p/50V/NC C528 47p/50V/NC C220 10u/16V C220 10u/16V C222 100n/16V C222 100n/16V C191 220u/16V C191 220u/16V R40 4.7k/NC R40 4.7k/NC C328 10p/50V/NC C328 10p/50V/NC R219 9.31k R219 9.31k C207 4.7u/10V C207 4.7u/10V R215 20R R215 20R C326 10p/50V/NC C326 10p/50V/NC R41 4.7k/NC R41 4.7k/NC R514 75R R514 75R OUT1 1 -IN1_5 2 +IN1_2 3 VEE 4 +IN2_7 5 -IN2_3 6 OUT2 7 VCC 8 N19 BA4558FAZ4558CM N19 BA4558FAZ4558CM R361 68k R361 68k RV23 AVLC18S02015 RV23 AVLC18S02015 C327 10p/50V/NC C327 10p/50V/NC C216 22p/50V C216 22p/50V R216 33R R216 33R R1222 0ohm R1222 0ohm C355 1u/10V C355 1u/10V C353 1u/10V C353 1u/10V C224 100n/16V C224 100n/16V 1 TP35 TP35 C226 100n/16V C226 100n/16V C221 100n/16V C221 100n/16V C10022u/16V C10022u/16V C227 100n/16V C227 100n/16V C356 150p/50V C356 150p/50V 1 TP30 TP30 1 TP34 TP34 C198 22p/50V C198 22p/50V AIN0_R_AADC AM32 AIN0_L_AADC AM30 AIN1_R_AADC AK29 AIN1_L_AADC AK27 AIN2_R_AADC AL32 AIN2_L_AADC AL30 AIN3_R_AADC AK28 AIN3_L_AADC AL27 AIN4_R_AADC AJ27 AIN4_L_AADC AM27 AIN5_R_AADC AL31 AIN5_L_AADC AL29 AIN6_R_AADC AM31 AIN6_L_AADC AM29 AOMCLK Y32 AOLRCK Y30 AOBCK Y31 AOSDATA0 V27 AOSDATA1 V28 AOSDATA2 Y29 AOSDATA3 Y28 AOSDATA4 Y27 AR0_ADAC AJ32 AL0_ADAC AJ31 AR1_ADAC AG31 AL1_ADAC AG32 AR2_ADAC AG29 AL2_ADAC AG30 AR3_ADAC AJ30 AL3_ADAC AH30 ALIN V26 ASPDIF AA31 VMID_AADC AH26 AVDD33_AADC AJ29 AVSS33_AADC AB22 AVDD33_DAC AJ28 AVSS33_DAC AA22 AVDD33_DAC1 AF30 AVSS33_DAC1 Y22 MPXP AF20 MPXN AG20 N8-5 MT5325_DDR3_65 N8-5 MT5325_DDR3_65 C10122u/16V C10122u/16V RV25 AVLC18S02015 RV25 AVLC18S02015 C359 1u/10V C359 1u/10V R204 0R R204 0R C200 10u/10V C200 10u/10V R1221 0ohm R1221 0ohm C192 10n/50V C192 10n/50V C217 1N/50V C217 1N/50V R207 33R R207 33R C223 10u/10V C223 10u/10V R203 15k R203 15k C291 100n/16V C291 100n/16V R209 33R R209 33R C213 10u/10V C213 10u/10V C99 22u/16V C99 22u/16V C195 1UF/50V C195 1UF/50V C204 1N/50V C204 1N/50V +INR_4 1 -INR_12 2 OUTR 3 SGND 4 EN 5 PVSS 6 CN 7 CP 8 PVDD 9 PGND 10 NC 11 OUTL 12 -INL_6 13 +INL_5 14 N24 DRV602 N24 DRV602 R221 47k R221 47k C292 1u/10V C292 1u/10V R212 15k R212 15k R210 33R R210 33R R356 68k R356 68k R33 4.7k/NC R33 4.7k/NC 5 4 3 2 1 D D C C B B A A +12V +14V +5V +5VSB GND MUTE_CTL Speaker_shutdown +3V3SB +5VSB VPA AMP_L+ AMP_L- AMP_R+ AMP_R- DVDD3V3 AOBCLK AOMCLK AOSDATA0 AOLRCK OSCL0 OSDA0 AMP_L+ AMP_L- AMP_R+ AMP_R- AOBCLK AOLRCK OSCL0 OSDA0 Speaker_shutdown AOSDATA0 STBY MUTE_CTL AOMCLK STBY STBY MUTE-602 MUTE-602 AVDD12_VB1A AVDD12_VB1B AVSS12_VB1B AVSS12_VB1A AVDD12_VB1A AVDD12_VB1B USB_DM0 USB_DP0 USB_DP1 USB_DM1 +5V AVDD1V2 GND USB_DM0 USB_DM1 USB_DP0 USB_DP1 DVDD3V3 VCC_AMP VCC_AMP +3V3SB +12V +5V VPA +12V +5V VPA +12V +5V VPA DVDD3V3 DVDD3V3 DVDD3V3 +12V VPA AVDD1V2 AVDD1V2 +5V +5V MUTE_CTL 4,9 GND ALL +5V 2,5,6,7,9,13,14 +14V 2,9 +5VSB 2,4,9 +12V 2,5,8,9,13 Speaker_shutdown 4,5 +3V3SB 2,3,10 +5VSB 2,4,9 VPA 2,4,9 DVDD3V3 2,3,5,9,12,14 AOMCLK 8,9 AOBCLK 8,9 AOSDATA0 8,9 AOLRCK 8,9 OSCL0 3,9,10,13 OSDA0 3,9,10,13 MUTE-602 4,8 GND ALL +5V 2,5,6,7,9,13,14 AVDD1V2 2,3,4,5,6,10,11,13,14 USB_DP0 14,14 USB_DM0 14,14 USB_DP1 14,14 USB_DM1 14,14 TAS5707PHP only_5Vor3v3 Mute Circuit EQUAL LENGTH and DIFFERENTIAL IMPEDANCE 90ohm EQUAL LENGTH and DIFFERENTIAL IMPEDANCE 90ohm R8015 100R R8015 100R OUT_A 1 PVDD_A 2 PVDD_A_7 3 BST_A 4 GVDD_OUT_31 5 SSTIMER 6 OC_ADJ 7 NC 8 AVSS 9 PLL_FLTM 10 PLL_FLTP 11 VR_ANA 12 AVDD 13 FAULT_13 14 MCLK 15 OSC_RES 16 DVSSO 17 VR_DIG 18 PDN_18 19 LRCLK 20 SCLK 21 SDIN 22 SDA 23 SCL 24 RESET_24 25 STEST 26 DVDD 27 DVSS 28 GND 29 AGND 30 VREG 31 GVDD_OUT 32 BST_D 33 PVDD_D 34 PVDD_D_44 35 OUT_D 36 PGND_CD 37 PGND_CD_5 38 OUT_C 39 PVDD_C 40 PVDD_C_29 41 BST_C 42 BST_B 43 PVDD_B_46 44 PVDD_B 45 OUT_B 46 PGND_AB 47 PGND_AB_2 48 EPAD 49 N801 TAS5707 N801 TAS5707 R812 0R/NC R812 0R/NC R805 100k R805 100k C8028 220n/50V C8028 220n/50V C8032 2.2u/10V C8032 2.2u/10V C8009 1u/10V/NC C8009 1u/10V/NC VCC 1 D -_1 2 D+_2 3 GND 4 GND_4 5 GND_5 6 XP9 XP9 C8026 470n/50V C8026 470n/50V C8002 47n/16V C8002 47n/16V L8005 15.0 uH L8005 15.0 uH R807 0R R807 0R 3 1 2 V802 MMBT3904LT1 V802 MMBT3904LT1 C8038 100n/50V C8038 100n/50V R811 0R/NC R811 0R/NC C406 10p/50V C406 10p/50V C8013 33n/50V C8013 33n/50V C8030 470p/50V/NC C8030 470p/50V/NC C8018 470n/50V/NC C8018 470n/50V/NC 1 2 VD801 1N4148W VD801 1N4148W C8014 470n/50V C8014 470n/50V R813 1k R813 1k RV79 AVLC18S02015 RV79 AVLC18S02015 C394 10n/50V C394 10n/50V C8008 10n/50V C8008 10n/50V 3 1 2 V801 MMBT3906LT1 V801 MMBT3906LT1 R815 22k R815 22k R8017 4.7R/NC R8017 4.7R/NC C8007 2.2n/50V C8007 2.2n/50V C8035 100n/50V C8035 100n/50V C8031 100n/16V C8031 100n/16V 1 2 VD805 1N4148W VD805 1N4148W 1 2 VD802 1N4148W VD802 1N4148W L8004 15.0 uH L8004 15.0 uH C404 10u/10V C404 10u/10V C801 10u/16V C801 10u/16V C395 10n/50V C395 10n/50V R818 NC/4.7k R818 NC/4.7k R8016 4.7R/NC R8016 4.7R/NC C8004 47n/16V C8004 47n/16V R8019 4.7R/NC R8019 4.7R/NC C8011 470p/50V/NC C8011 470p/50V/NC R8010 200R R8010 200R C8036 100n/50V C8036 100n/50V R816 4.7k R816 4.7k C8010 100n/16V C8010 100n/16V R808 NC/0R R808 NC/0R C8040 100u/25V C8040 100u/25V C392 10n/50V C392 10n/50V L8002 15.0 uH L8002 15.0 uH RV76 AVLC18S02015 RV76 AVLC18S02015 1 2 VD811 BZT52C10 VD811 BZT52C10 C8034 2.2u/10V C8034 2.2u/10V C8019470p/50V/NC C8019470p/50V/NC R8009 470R R8009 470R L8008 BLM18PG181SN1 L8008 BLM18PG181SN1 R8011 18k R8011 18k 1 2 3 4 XP29 XP29 R806 47k R806 47k R826 4.7k R826 4.7k TXN0_VB1 B22 TXP0_VB1 A22 TXN1_VB1 B23 TXP1_VB1 A23 TXN2_VB1 B24 TXP2_VB1 A24 TXN3_VB1 B25 TXP3_VB1 A25 TXNA_EPI B21 TXPA_EPI A21 TXNB_EPI B26 TXPB_EPI A26 LOCKN D21 HTPDN C21 REXT_VB1 F21 AVDD12_VB1A F22 AVSS12_VB1A F19 AVDD12_VB1B G26 AVSS12_VB1B G24 N8-4 MT5325_DDR3_65 N8-4 MT5325_DDR3_65 R8000 10k R8000 10k C393 10n/50V C393 10n/50V R802 NC/1k R802 NC/1k C400 10u/10V C400 10u/10V C8020 1u/16V C8020 1u/16V R8008 18k R8008 18k C8005 4.7u/10V C8005 4.7u/10V L8003 15.0 uH L8003 15.0 uH C8001 4.7n/50V C8001 4.7n/50V R817 NC/4.7k R817 NC/4.7k C135 10u/16V/NC C135 10u/16V/NC R367 12k R367 12k C8006 100n/16V C8006 100n/16V 1 2 VD803 1N4148W VD803 1N4148W C8015 220n/50V C8015 220n/50V R8018 4.7R/NC R8018 4.7R/NC C8003 4.7n/50V C8003 4.7n/50V C8033 100n/16V C8033 100n/16V VCC 1 D -_1 2 D+_2 3 GND 4 GND_4 5 GND_5 6 XP8 XP8 C8017 220n/50V C8017 220n/50V R814 47k R814 47k R825 4.7k/NC R825 4.7k/NC C8016 470n/50V C8016 470n/50V C8023 33n/50V C8023 33n/50V R809 NC/0R R809 NC/0R L8006 BLM18PG181SN1 L8006 BLM18PG181SN1 C397 10p/50V C397 10p/50V C8021 1u/16V C8021 1u/16V C8029 470n/50V/NC C8029 470n/50V/NC 1 2 VD807 1N4148W VD807 1N4148W R8006 22R R8006 22R 1 2 3 VD806 BAV99LT1 VD806 BAV99LT1 C8024 33n/50V C8024 33n/50V RV77 AVLC18S02015 RV77 AVLC18S02015 R803 1k R803 1k C8027 220n/50V C8027 220n/50V R827 0R R827 0R R801 NC/1k R801 NC/1k 1 2 VD804 1N4148W VD804 1N4148W R8005 22R R8005 22R C396 10p/50V C396 10p/50V R8014 10k R8014 10k C8022 470p/50V/NC C8022 470p/50V/NC R8007 470R R8007 470R R810 100k R810 100k C802 47u/16V C802 47u/16V C8025 470n/50V C8025 470n/50V C8039 100n/50V C8039 100n/50V C8012 33n/50V C8012 33n/50V R8012 15k R8012 15k C408 10p/50V C408 10p/50V R804 1k R804 1k RV78 AVLC18S02015 RV78 AVLC18S02015 R8013 22k R8013 22k L8012 BLM21PG221SN1 L8012 BLM21PG221SN1 5 4 3 2 1 D D C C B B A A +3V3SB AVDD12_HDMI AVDD12_HDMI AVDD1V2 AVDD33_HDMI AVDD33_HDMI AVDD3V3 GND HDMISCL_1 HDMISCL_1 HDMISCL_2 HDMISCL_2 HDMISDA_1 HDMISDA_1 HDMISDA_2 HDMISDA_2 HDMI_CEC HDMI_HPD HDMI_RX0+ HDMI_RX0- HDMI_RX1+ HDMI_RX1- HDMI_RX2+ HDMI_RX2- HDMI_RXC+ HDMI_RXC- PWR5V OSCL0 OSDA0 POW1 POW2 RX1C RX1C RX1CB RX1CB RX1_0 RX1_0 RX1_0B RX1_0B RX1_1 RX1_1 RX1_1B RX1_1B RX1_2 RX1_2 RX1_2B RX1_2B RX2C RX2C RX2CB RX2CB RX2_0 RX2_0 RX2_0B RX2_0B RX2_1 RX2_1 RX2_1B RX2_1B RX2_2 RX2_2 RX2_2B RX2_2B VGASCL VGASDA VGA_PLUGPWR HDMI_RX0+ HDMI_RX0- HDMI_RX1+ HDMI_RX1- HDMI_RX2+ HDMI_RX2- HDMI_RXC+ HDMI_RXC- HDMI_CEC HDMI_HPD RX1_0 RX1_0B RX1_1 RX1_1B RX1_2 RX1_2B RX1C RX1CB HPD1 PWR5V POW1 HDMI_VCC1 +5VSB +5VSB HDMI_VCC2 +5VSB RX1_0B RX1_0 RX1_1B RX1_1 RX1_2B RX1_2 RX1CB RX1C ADDR HDMI_RX0- HDMI_RX2+ HDMI_RX0+ HDMI_RX2- HDMI_RXC- HDMI_RXC+ HDMI_RX1+ HDMI_RX1- POW1 POW2 OSCL0 OSDA0 RX2_0B RX2_2 RX2_1 RX2C RX2_0 RX2_2B RX2CB RX2_1B HDMI_HPD HDMI_SCL HDMI_SDA HDMISCL_1 HDMISDA_1 HPD1 HDMISCL_2 HDMISDA_2 HPD2 HDMI_SCL HDMI_SDA HDMISDA_1 HDMISCL_1 HPD1 HDMI_VCC1 HPD2 HDMI_VCC2 HDMI_SDA HDMI_SCL PWR5V AVDD1V2 AVDD3V3 PS321_VCC PS321_VCC AVDD3V3 PS321_VCC PS321_VCC PS321_VCC PS321_VCC PS321_VCC PS321_VCC PS321_VCC PS321_VCC GND ALL OSCL0 3,9,10,13 OSDA0 3,9,10,13 AVDD3V3 2,4,6,8,10,13 AVDD1V2 2,3,4,5,6,10,11,13,14 VGASCL 6,7,8 VGASDA 6,7,8 VGA_PLUGPWR 7,8 +3V3SB 2,3,10 +5VSB 2,3,10 Title Size Document Number Rev Date: Sheet of 10 14 Hisense Electric Co.,LTD 1.0 HDMI MT5311G A2 Friday, February 18, 2011 Title Size Document Number Rev Date: Sheet of 10 14 Hisense Electric Co.,LTD 1.0 HDMI MT5311G A2 Friday, February 18, 2011 Title Size Document Number Rev Date: Sheet of 10 14 Hisense Electric Co.,LTD 1.0 HDMI MT5311G A2 Friday, February 18, 2011 Analog Power HDMI2 HDMI1 R391 0R/NC R391 0R/NC RV39 AVLC18S02015 RV39 AVLC18S02015 RV29 ASES12U020R2 RV29 ASES12U020R2 C279 10n/50V C279 10n/50V R3653.3K R3653.3K R352 NC/4.7K R352 NC/4.7K R388 100R R388 100R R376 0R R376 0R RV48 AVLC18S02015 RV48 AVLC18S02015 R380 100R R380 100R R287 47k R287 47k RV47 ASES12U020R2 RV47 ASES12U020R2 RV37 AVLC18S02015 RV37 AVLC18S02015 R345 NC/0R R345 NC/0R R364 3.3K R364 3.3K R383 0R R383 0R R400 0R/NC R400 0R/NC R392 47k R392 47k R397 0R/NC R397 0R/NC DATA2+_0 1 DATA2S 2 DATA2-_2 3 DATA1+_3 4 DATA1S 5 DATA1-_5 6 DATA0+_6 7 DATA0S 8 DATA0-_8 9 CLK+_9 10 CLKS 11 CLK-_11 12 CEC 13 NC 14 SCL 15 SDA 16 CEC/GND_16 17 +5V_17 18 HPDET 19 GND1 20 GND2 21 GND3 22 GND4 23 XS10 DC1R019JB1 XS10 DC1R019JB1 RV32 ASES12U020R2 RV32 ASES12U020R2 R346 4.7k R346 4.7k R394 0R/NC R394 0R/NC C281 10u/10V C281 10u/10V RV49 AVLC18S02015 RV49 AVLC18S02015 RV28 ASES12U020R2 RV28 ASES12U020R2 1 2 3 V10 MMBT3904LT1 V10 MMBT3904LT1 RV27 ASES12U020R2 RV27 ASES12U020R2 RV44 ASES12U020R2 RV44 ASES12U020R2 RV36 AVLC18S02015 RV36 AVLC18S02015 R292 1k R292 1k RV42 ASES12U020R2 RV42 ASES12U020R2 RV41 ASES12U020R2 RV41 ASES12U020R2 R401 0R/NC R401 0R/NC R347 499R R347 499R 1 2 3 VD602 BAT54C VD602 BAT54C R3844.7K/NC R3844.7K/NC R286 4.7k R286 4.7k R272 37K R272 37K RV46 ASES12U020R2 RV46 ASES12U020R2 RV43 ASES12U020R2 RV43 ASES12U020R2 R382 100R R382 100R R385 37K R385 37K 1 2 3 V11 MMBT3904LT1 V11 MMBT3904LT1 R289 0ohm/NC R289 0ohm/NC RX_0 AL10 RX_0B AM10 RX_1 AL11 RX_1B AM11 RX_2 AL12 RX_2B AM12 RX_C AL9 RX_CB AM9 HDMI_CEC AJ10 HDMI_HPD AK10 HDMI_SCL AJ9 HDMI_SDA AK9 PWR5V AG10 AVDD12_HDMI AK11 AVDD33_HDMI AG8 AVSS33_HDMI AC13 N8-7 MT5325_DDR3_65 N8-7 MT5325_DDR3_65 RV51 AVLC18S02015 RV51 AVLC18S02015 R398 0R/NC R398 0R/NC R295 1k R295 1k R353 NS/10K R353 NS/10K R290 47k R290 47k R395 0R/NC R395 0R/NC HPD2 1 SDA2 2 SCL2 3 B21 4 A21 5 POW2 6 B22 7 A22 8 GND9 9 B23 10 A23 11 VCC12 12 B24 13 A24 14 POW1 15 HPD1 16 I2C_RST 17 SDA1 18 SCL1 19 B11 20 A11 21 VCC22 22 B12 23 A12 24 GND25 25 B13 26 A13 27 NC 28 B14 29 A14 30 REXT 31 POWDN 32 SDA_CTL 33 SCL_CTL 34 I2C_ADDR 35 Y4 36 Z4 37 VCC38 38 Y3 39 Z3 40 GND41 41 Y2 42 Z2 43 HPD_SINK 44 Y1 45 Z1 46 SCL_SINK 47 SDA_SINK 48 POW_SINK 49 HPD3 50 SDA3 51 SCL3 52 B31 53 A31 54 POW3 55 B32 56 A32 57 GND58 58 B33 59 A33 60 VCC61 61 B34 62 A34 63 CEXT 64 N21 PS331TQFP64G N21 PS331TQFP64G R386 0ohm R386 0ohm RV38 AVLC18S02015 RV38 AVLC18S02015 RV40 ASES12U020R2 RV40 ASES12U020R2 R387 0R/NC R387 0R/NC R413 0R/NC R413 0R/NC C287 100n/16V C287 100n/16V C290 100n/16V C290 100n/16V R284 1k R284 1k RV30 ASES12U020R2 RV30 ASES12U020R2 R366 4.7k/NC R366 4.7k/NC C277 10n/50V C277 10n/50V R296 4.7k R296 4.7k RV50 AVLC18S02015 RV50 AVLC18S02015 C288 100n/16V C288 100n/16V R271 47k R271 47k R281 1k R281 1k R280 100k R280 100k RV34 ASES12U020R2 RV34 ASES12U020R2 C289 100n/16V C289 100n/16V R297 100k R297 100k RV45 ASES12U020R2 RV45 ASES12U020R2 DATA2+_0 1 DATA2S 2 DATA2-_2 3 DATA1+_3 4 DATA1S 5 DATA1-_5 6 DATA0+_6 7 DATA0S 8 DATA0-_8 9 CLK+_9 10 CLKS 11 CLK-_11 12 CEC 13 NC 14 SCL 15 SDA 16 CEC/GND_16 17 +5V_17 18 HPDET 19 GND1 20 GND2 21 GND3 22 GND4 23 XS11 DC1R019JB1 XS11 DC1R019JB1 1 2 3 VD601 BAT54C VD601 BAT54C R399 0R/NC R399 0R/NC RV35 ASES12U020R2 RV35 ASES12U020R2 1 TP17 TP17 R406 0R/NC R406 0R/NC RV31 ASES12U020R2 RV31 ASES12U020R2 R381 0R/NC R381 0R/NC R269 100R R269 100R L32 BLM18PG121SN1 L32 BLM18PG121SN1 R396 0R/NC R396 0R/NC R373 4.7k/NC R373 4.7k/NC R300 0ohm/NC R300 0ohm/NC C228 2.2u/10V C228 2.2u/10V 5 4 3 2 1 D D C C B B A A 1_A0 1_A1 1_A10 1_A11 1_A12 1_A13 1_A2 1_A3 1_A4 1_A5 1_A6 1_A7 1_A8 1_A9 1_BA0 1_BA1 1_BA2 1_CAS# 1_CKE 1_CS# 1_ODT 1_RAS# 1_RREST_MEM 1_WE# 2_A0 2_A1 2_A10 2_A11 2_A12 2_A13 2_A2 2_A3 2_A4 2_A5 2_A6 2_A7 2_A8 2_A9 2_BA0 2_BA1 2_BA2 2_CAS# 2_CKE 2_CS# 2_ODT 2_RAS# 2_RREST_MEM 2_WE# AV1V2_MEMPLL AV1V2_MEMPLL AVDD1V2 A_RREST_MEM A_RVREF1 A_RVREF2 A_RVREF3 A_RVREF4 A_ZQ1 A_ZQ2 GND RA0 RA1 RA10 RA11 RA12 RA13 RA2 RA3 RA4 RA5 RA6 RA7 RA8 RA9 RBA0 RBA1 RBA2 RCAS# RCKE RCLK0 RCLK0_D RCLK0# RCLK0#_D RCLK1 RCLK1_D RCLK1# RCLK1#_D RCS# RDQ0 RDQ0 RDQ1 RDQ1 RDQ10 RDQ10 RDQ11 RDQ11 RDQ12 RDQ12 RDQ13 RDQ13 RDQ14 RDQ14 RDQ15 RDQ15 RDQ16 RDQ16 RDQ17 RDQ17 RDQ18 RDQ18 RDQ19 RDQ19 RDQ2 RDQ2 RDQ20 RDQ20 RDQ21 RDQ21 RDQ22 RDQ22 RDQ23 RDQ23 RDQ24 RDQ24 RDQ25 RDQ25 RDQ26 RDQ26 RDQ27 RDQ27 RDQ28 RDQ28 RDQ29 RDQ29 RDQ3 RDQ3 RDQ30 RDQ30 RDQ31 RDQ31 RDQ4 RDQ4 RDQ5 RDQ5 RDQ6 RDQ6 RDQ7 RDQ7 RDQ8 RDQ8 RDQ9 RDQ9 RDQM0 RDQM0 RDQM1 RDQM1 RDQM2 RDQM2 RDQM3 RDQM3 RDQS0 RDQS0 RDQS0# RDQS0# RDQS1 RDQS1 RDQS1# RDQS1# RDQS2 RDQS2 RDQS2# RDQS2# RDQS3 RDQS3 RDQS3# RDQS3# RODT RRAS# RVREF5 RVREF6 RVREF6 RWE# RVREF5 1_A0 1_A1 1_A10 1_A11 1_A12 1_A13 1_A2 1_A3 1_A4 1_A5 1_A6 1_A7 1_A8 1_A9 1_BA0 1_BA1 1_BA2 1_CAS# 1_CKE 1_CS# 1_ODT 1_RAS# 1_RREST_MEM 1_WE# 2_A0 2_A1 2_A10 2_A11 2_A12 2_A13 2_A2 2_A3 2_A4 2_A5 2_A6 2_A7 2_A8 2_A9 2_BA0 2_BA1 2_BA2 2_CAS# 2_CKE 2_CS# 2_ODT 2_RAS# 2_RREST_MEM 2_WE# A_RREST_MEM A_RREST_MEM A_RVREF1 A_RVREF2 A_RVREF3 A_RVREF4 RA0 RA0 RA1 RA1 RA10 RA10 RA11 RA11 RA12 RA12 RA13 RA13 RA2 RA2 RA3 RA3 RA4 RA4 RA5 RA5 RA6 RA6 RA7 RA7 RA8 RA8 RA9 RA9 RBA0 RBA0 RBA1 RBA1 RBA2 RBA2 RCAS# RCAS# RCKE RCKE RCLK0_D RCLK0 RCLK0#_D RCLK0# RCLK1_D RCLK1 RCLK1#_D RCLK1# RCS# RCS# RODT RODT RRAS# RRAS# RVREF6 RWE# RWE# DDRV DDRV DDRV AVDD1V2 DDRV DDRV DDRV DDRV DDRV DDRV DDRV DDRV GND ALL RVREF6 11,12 AVDD1V2 2,3,4,5,6,10,11,13,14 DDR3#1 DDR3#2 AD/CM Damping Differential Clock NEAR DRAM NEAR MT5325 NEAR MT5325 NEAR DRAM DDR3#2 Ref Volt. DDR3#1 Ref Volt. Near MT5395 Near DRAM Near DRAM MT5325 Ref Volt. Differential Clock Main Chip Bottom Side MT5325 DE-CAP. DRAM#2 Bypass Cap DRAM#1 Bypass Cap C556 100n/50V C556 100n/50V R595 1k R595 1k C563 100n/50V C563 100n/50V R647 100R R647 100R R635 0R R635 0R R642 330R R642 330R R641 330R R641 330R C585 100n/50V C585 100n/50V R615 100R R615 100R R652 100R R652 100R C538 100n/50V C538 100n/50V R611 100R R611 100R C564 100n/50V C564 100n/50V C535 100n/50V C535 100n/50V C533 1u/6.3V C533 1u/6.3V C593 10u/10V C593 10u/10V C582 1uf C582 1uf R593 1k R593 1k R605 1k R605 1k R637 0R R637 0R C565 100n/50V C565 100n/50V C554 100n/50V C554 100n/50V C586 100n/50V C586 100n/50V C577 10u/10V C577 10u/10V C578 10u/10V C578 10u/10V R613 100R R613 100R C529 4.7u/10V C529 4.7u/10V C558 100n/50V C558 100n/50V R640 0R R640 0R C562 100n/50V C562 100n/50V C590 1uf C590 1uf R650 100R R650 100R C537 100n/50V C537 100n/50V C557 100n/50V C557 100n/50V R599 240R R599 240R C591 1uf C591 1uf C352 100n/50V C352 100n/50V R617 0R R617 0R C403 10u/10V C403 10u/10V C587 100n/50V C587 100n/50V C561 100n/50V C561 100n/50V C588 100n/50V C588 100n/50V R643 100R R643 100R R610 100R R610 100R C589 1u/6.3V C589 1u/6.3V R618 0R R618 0R R609 100R R609 100R R612 100R R612 100R R603 1k R603 1k R598 100R R598 100R C584 1uf C584 1uf C560 100n/50V C560 100n/50V C580 100n/50V C580 100n/50V C568 100n/50V C568 100n/50V R604 1k R604 1k C592 1uf C592 1uf R594 240R R594 240R R646 100R R646 100R R639 0R R639 0R C536 100n/50V C536 100n/50V R608 100R R608 100R C569 100n/50V C569 100n/50V R606 1k R606 1k C555 100n/50V C555 100n/50V R614 100R R614 100R R592 1k R592 1k C539 100n/50V C539 100n/50V C581 100n/50V C581 100n/50V R638 0R R638 0R R619 0R R619 0R C559 100n/50V C559 100n/50V C553 100n/50V C553 100n/50V R648 100R R648 100R R651 100R R651 100R C570 100n/50V C570 100n/50V R645 100R R645 100R R620 0R R620 0R C567 100n/50V C567 100n/50V C579 4.7u/10V C579 4.7u/10V R634 0R R634 0R C552 100n/50V C552 100n/50V C566 10n/50V C566 10n/50V R636 0R R636 0R R644 100R R644 100R R633 0R R633 0R VCC2IO H3 VCC2IO_1 L3 VCC2IO_2 AF2 VCC2IO_3 AF1 VCC2IO_4 AC4 VCC2IO_5 U3 VCC2IO_6 W3 VCC2IO_7 AF3 VCC2IO_8 AE4 VCC2IO_9 F6 VCC2IO_10 G7 VCC2IO_11 F7 DVSS AB4 DVSS_13 D2 DVSS_14 T4 DVSS_15 H4 DVSS_16 K4 DVSS_17 N4 DVSS_18 W4 MEMTP J8 MEMTN H8 RVREF U7 RVREF_22 D1 ARCKE M5 ARCLK1 L2 ARCLK1#_25 L1 ARCLK0 AE2 ARCLK0#_27 AE1 ARODT M3 ARRAS#_29 T2 ARCAS#_30 M4 ARCS#_31 T1 ARWE#_32 N5 REXTDN D3 ARBA0 R4 ARBA1 P5 ARBA2 T3 AVDD12_MEMPLL J6 AVSS12_MEMPLL K6 ARDQM2 G3 ARDQS2 G2 ARDQS2#_41 G1 ARDQ16 F2 ARDQ17 J2 ARDQ18 F3 ARDQ19 J1 ARDQ20 E4 ARDQ21 K1 ARDQ22 E3 ARDQ23 K2 ARDQM3 F1 ARDQS3 H2 ARDQS3#_52 H1 ARDQ24 L4 ARDQ25 H5 ARDQ26 L5 ARDQ27 G5 ARDQ28 L7 ARDQ29 G4 ARDQ30 L6 ARDQ31 H6 ARDQM0 Y3 ARDQS0 Y2 ARDQS0#_63 Y1 ARDQ0 V2 ARDQ1 AB3 ARDQ2 V1 ARDQ3 AC1 ARDQ4 U1 ARDQ5 AC3 ARDQ6 U2 ARDQ7 AC2 ARDQM1 W1 ARDQS1 AB2 ARDQS1#_74 AB1 ARDQ8 AB6 ARDQ9 AA5 ARDQ10 AB5 ARDQ11 Y4 ARDQ12 AA3 ARDQ13 W5 ARDQ14 AA4 ARDQ15 Y6 ARA0 N3 ARA1 U5 ARA2 P4 ARA3 N2 ARA4 U4 ARA5 R3 ARA6 T6 ARA7 P3 ARA8 T5 ARA9 P1 ARA10 N6 ARA11 R5 ARA12 P6 ARA13 N1 ARRESET P2 DVSS_98 J14 DVSS_99 AD5 N8-1 MT5325_DDR3_65 N8-1 MT5325_DDR3_65 C534 4.7u/10V C534 4.7u/10V C583 100n/50V C583 100n/50V R596 1k R596 1k VDD_0 B2 NC_0 J1 VSS_0 A9 VSSQ_0 B1 UDQS#_4 B7 VDDQ_0 A1 DQ14 B8 VSSQ_1 B9 UDM D3 UDQS C7 VSSQ_2 D1 DQ15 A3 VDDQ_1 A8 DQ9 C3 VDDQ_2 C1 VDDQ_3 C9 DQ8 D7 VDDQ_4 D2 DQ12 A7 VSSQ_3 D8 DQ11 C2 DQ10 C8 VSSQ_4 E2 DQ13 A2 VDD_1 D9 NC_1 J9 VSS_1 B3 VSSQ_5 E8 LDQS#_28 G3 VDDQ_5 E9 DQ6 G2 VSSQ_6 F9 LDM E7 LDQS F3 VSSQ_7 G1 DQ7 H7 VDDQ_6 F1 DQ1 F7 VDDQ_7 H2 DQ0 E3 VDDQ_8 H9 DQ4 H3 VSSQ_8 G9 DQ3 F8 DQ2 F2 BA2 M3 DQ5 H8 VDD_5 N1 VREFDQ H1 VSS_2 E1 VSS_5 J8 CK J7 VDD_2 G7 CKE K9 WE#_54 L3 RAS#_55 J3 CK#_56 K7 ODT K1 RESET#_58 T2 BA0 M2 BA1 N8 CAS#_61 K3 CS#_62 L2 A10/AP_63 L7 A1 P7 A2 P3 A0 N3 VDD_3 K2 VSS_3 G8 A3 N2 A5 P2 A6 R8 A4 P8 A7 R2 A9 R3 A11 R7 A8 T8 VSS_4 J2 VDD_4 K8 A12/BC#_79 N7 NC_3 L9 ZQ L8 NC_2 L1 VREFCA M8 NC_4 M7 NC_5 T3 NC_6 T7 VSS_6 M1 VSS_7 M9 VSS_8 P1 VSS_9 P9 VSS_10 T1 VSS_11 T9 VDD_6 N9 VDD_7 R1 VDD_8 R9 N22 NT5CB64M16AP-CF N22 NT5CB64M16AP-CF R597 100R R597 100R VDD_0 B2 NC_0 J1 VSS_0 A9 VSSQ_0 B1 UDQS#_4 B7 VDDQ_0 A1 DQ14 B8 VSSQ_1 B9 UDM D3 UDQS C7 VSSQ_2 D1 DQ15 A3 VDDQ_1 A8 DQ9 C3 VDDQ_2 C1 VDDQ_3 C9 DQ8 D7 VDDQ_4 D2 DQ12 A7 VSSQ_3 D8 DQ11 C2 DQ10 C8 VSSQ_4 E2 DQ13 A2 VDD_1 D9 NC_1 J9 VSS_1 B3 VSSQ_5 E8 LDQS#_28 G3 VDDQ_5 E9 DQ6 G2 VSSQ_6 F9 LDM E7 LDQS F3 VSSQ_7 G1 DQ7 H7 VDDQ_6 F1 DQ1 F7 VDDQ_7 H2 DQ0 E3 VDDQ_8 H9 DQ4 H3 VSSQ_8 G9 DQ3 F8 DQ2 F2 BA2 M3 DQ5 H8 VDD_5 N1 VREFDQ H1 VSS_2 E1 VSS_5 J8 CK J7 VDD_2 G7 CKE K9 WE#_54 L3 RAS#_55 J3 CK#_56 K7 ODT K1 RESET#_58 T2 BA0 M2 BA1 N8 CAS#_61 K3 CS#_62 L2 A10/AP_63 L7 A1 P7 A2 P3 A0 N3 VDD_3 K2 VSS_3 G8 A3 N2 A5 P2 A6 R8 A4 P8 A7 R2 A9 R3 A11 R7 A8 T8 VSS_4 J2 VDD_4 K8 A12/BC#_79 N7 NC_3 L9 ZQ L8 NC_2 L1 VREFCA M8 NC_4 M7 NC_5 T3 NC_6 T7 VSS_6 M1 VSS_7 M9 VSS_8 P1 VSS_9 P9 VSS_10 T1 VSS_11 T9 VDD_6 N9 VDD_7 R1 VDD_8 R9 N1 NT5CB64M16AP-CF N1 NT5CB64M16AP-CF R6222 60 R6222 60 R649 100R R649 100R 5 4 3 2 1 D D C C B B A A 3_A0 3_A1 3_A10 3_A11 3_A12 3_A13 3_A2 3_A3 3_A4 3_A5 3_A6 3_A7 3_A8 3_A9 3_BA0 3_BA1 3_BA2 3_CAS# 3_CKE 3_CS# 3_ODT 3_RAS# 3_RREST_MEM 3_WE# A_ZQ3 B_RREST_MEM B_RVREF5 B_RVREF6 RCLK0#_B CLK0#_B_D RCLK0_B CLK0_B_D RA0_B RA10_B RA11_B RA12_B RA13_B RA1_B RA2_B RA3_B RA4_B RA5_B RA6_B RA7_B RA8_B RA9_B RBA0_B RBA1_B RBA2_B RCAS#_B RCKE_B RCS#_B RDQ0_B RDQ0_B RDQ10_B RDQ10_B RDQ11_B RDQ11_B RDQ12_B RDQ12_B RDQ13_B RDQ13_B RDQ14_B RDQ14_B RDQ15_B RDQ15_B RDQ1_B RDQ1_B RDQ2_B RDQ2_B RDQ3_B RDQ3_B RDQ4_B RDQ4_B RDQ5_B RDQ5_B RDQ6_B RDQ6_B RDQ7_B RDQ7_B RDQ8_B RDQ8_B RDQ9_B RDQ9_B RDQM0_B RDQM0_B RDQM1_B RDQM1_B RDQS0#_B RDQS0#_B RDQS0_B RDQS0_B RDQS1#_B RDQS1#_B RDQS1_B RDQS1_B RODT_B RRAS#_B RVREF_B RWE#_B B_RVREF5 B_RVREF6 RVREF_B RVREF6 +5V DVDD3V3 GND RVREF6 3_A0 3_A1 3_A10 3_A11 3_A12 3_A13 3_A2 3_A3 3_A4 3_A5 3_A6 3_A7 3_A8 3_A9 3_BA0 3_BA1 3_BA2 3_CAS# 3_CKE 3_CS# 3_ODT 3_RAS# 3_RREST_MEM 3_WE# B_RREST_MEM RCLK0#_B CLK0#_B_D RCLK0_B CLK0_B_D RA0_B RA10_B RA11_B RA12_B RA13_B RA1_B RA2_B RA3_B RA4_B RA5_B RA6_B RA7_B RA8_B RA9_B RBA0_B RBA1_B RBA2_B RCAS#_B RCKE_B RCS#_B RODT_B RRAS#_B RWE#_B DDRV DDRV +5V DDRV DDRV DDRV DDRV DDRV +5V 2,5,6,7,9,13,14 DVDD3V3 11,12 GND ALL RVREF6 11,12 Title Size Document Number Rev Date: Sheet of 12 14 Hisense Electric Co.,LTD 1.0 DRAM X1 MT5311G A3 Friday, February 18, 2011 Title Size Document Number Rev Date: Sheet of 12 14 Hisense Electric Co.,LTD 1.0 DRAM X1 MT5311G A3 Friday, February 18, 2011 Title Size Document Number Rev Date: Sheet of 12 14 Hisense Electric Co.,LTD 1.0 DRAM X1 MT5311G A3 Friday, February 18, 2011 DDR3#3 1.25 x _1+22/110_ = 1.5V LDO for DRAM Power DDR3#3 Ref Volt. Near DRAM Near MT5395 DRAM DE-CAP. [ RESERVE ] DDR#1 Bottom Side MT5395 Ref Volt. Damping for DDR3#3 ADDR/CMD NEAR BRANCH Damping and Termination for CLK NEAR IC NEAR DRAM R676 100R R676 100R C594 10u/10V C594 10u/10V R607 240R R607 240R C574 100n/50V C574 100n/50V R339 100R R339 100R R616 0R R616 0R R601 1k R601 1k R626 0R R626 0R C540 100n/16V C540 100n/16V R588 100R R588 100R VDD_0 B2 NC_0 J1 VSS_0 A9 VSSQ_0 B1 UDQS#_4 B7 VDDQ_0 A1 DQ14 B8 VSSQ_1 B9 UDM D3 UDQS C7 VSSQ_2 D1 DQ15 A3 VDDQ_1 A8 DQ9 C3 VDDQ_2 C1 VDDQ_3 C9 DQ8 D7 VDDQ_4 D2 DQ12 A7 VSSQ_3 D8 DQ11 C2 DQ10 C8 VSSQ_4 E2 DQ13 A2 VDD_1 D9 NC_1 J9 VSS_1 B3 VSSQ_5 E8 LDQS#_28 G3 VDDQ_5 E9 DQ6 G2 VSSQ_6 F9 LDM E7 LDQS F3 VSSQ_7 G1 DQ7 H7 VDDQ_6 F1 DQ1 F7 VDDQ_7 H2 DQ0 E3 VDDQ_8 H9 DQ4 H3 VSSQ_8 G9 DQ3 F8 DQ2 F2 BA2 M3 DQ5 H8 VDD_5 N1 VREFDQ H1 VSS_2 E1 VSS_5 J8 CK J7 VDD_2 G7 CKE K9 WE#_54 L3 RAS#_55 J3 CK#_56 K7 ODT K1 RESET#_58 T2 BA0 M2 BA1 N8 CAS#_61 K3 CS#_62 L2 A10/AP_63 L7 A1 P7 A2 P3 A0 N3 VDD_3 K2 VSS_3 G8 A3 N2 A5 P2 A6 R8 A4 P8 A7 R2 A9 R3 A11 R7 A8 T8 VSS_4 J2 VDD_4 K8 A12/BC#_79 N7 NC_3 L9 ZQ L8 NC_2 L1 VREFCA M8 NC_4 M7 NC_5 T3 NC_6 T7 VSS_6 M1 VSS_7 M9 VSS_8 P1 VSS_9 P9 VSS_10 T1 VSS_11 T9 VDD_6 N9 VDD_7 R1 VDD_8 R9 N23 NT5CB64M16AP-CF N23 NT5CB64M16AP-CF C545 100n/50V C545 100n/50V C542 1u/10V C542 1u/10V R654 100R R654 100R C549 100n/50V C549 100n/50V C530 4.7u/10V C530 4.7u/10V R621 0R R621 0R R627 0R R627 0R R340 100R R340 100R R591 1k R591 1k ADJ 1 VOUT_3 2 VIN 3 VOUT 4 N25 AZ1084S-ADJ N25 AZ1084S-ADJ R341 100R R341 100R RT4 6.8R/2W RT4 6.8R/2W R600 1k R600 1k C48 100u/16V C48 100u/16V R602 1k R602 1k C543 100n/50V C543 100n/50V RVREF C3 BRCLK0 A8 BRCLK0#_2 B8 BRCKE A7 BRODT C1 BRRAS#_5 E8 BRCAS#_6 E7 BRCS#_7 C2 BRBA0 B1 BRBA1 A6 BRBA2 C7 BRWE#_11 D7 BRA13 C4 BRA12 A4 BRA11 B4 BRA10 B7 BRA9 A3 BRA8 D5 BRA7 B3 BRA6 C5 BRA5 B2 BRA4 B6 BRA3 A1 BRA2 A2 BRA1 C6 BRA0 D6 DVSS G14 DVSS_27 H14 DVSS_28 F14 DVSS_29 F10 BRDQM0 C11 BRDQS0 B11 BRDQS0#_32 A11 BRDQ0 E11 BRDQ1 D11 BRDQ2 F13 BRDQ3 D10 BRDQ4 E13 BRDQ5 E9 BRDQ6 E12 BRDQ7 D9 BRDQM1 C12 BRDQS1 B10 BRDQS1#_43 A10 BRDQ8 C8 BRDQ9 B13 BRDQ10 D8 BRDQ11 A13 BRDQ12 C10 BRDQ13 C13 BRDQ14 C9 BRDQ15 D13 BRRESET E6 VCC2IO E5 VCC2IO_54 D4 VCC2IO_55 E10 DVSS_56 F9 DVSS_57 A14 DVSS_58 B14 DVSS_59 C14 DVSS_60 D14 DVSS_61 E14 N8-2 MT5325_DDR3_65 N8-2 MT5325_DDR3_65 R624 R624 R653 100R R653 100R C544 100n/50V C544 100n/50V C424 10u/10V C424 10u/10V R589 22R R589 22R R590 100R R590 100R R631 0R R631 0R C546 100n/50V C546 100n/50V R630 0R R630 0R C548 10n/50V C548 10n/50V C547 1u/6.3V C547 1u/6.3V C551 100n/50V C551 100n/50V C571 10n/50V C571 10n/50V R628 0R R628 0R R657 100R R657 100R C338 100n/50V C338 100n/50V C575 22u/6.3V C575 22u/6.3V C572 100n/50V C572 100n/50V R625 0R R625 0R R632 0R R632 0R C541 4.7u/10V C541 4.7u/10V R655 100R R655 100R C573 100n/50V C573 100n/50V R629 0R R629 0R RT5 6.8R/2W RT5 6.8R/2W R656 100R R656 100R C423 10u/10V C423 10u/10V C367 22u/6.3V C367 22u/6.3V C531 4.7u/10V C531 4.7u/10V C354 100n/50V C354 100n/50V C550 10n/50V C550 10n/50V C576 10u/10V C576 10u/10V C366 22u/6.3V C366 22u/6.3V R623 0R R623 0R 5 4 3 2 1 D D C C B B A A +12V +5V AVDD12_VPLL AVDD12_VPLL AVDD1V2 AVDD33_USB_2P AVDD33_LVDSTX AVDD33_LVDSTX AVDD33_USB_2P AVDD3V3 GND LVDSTX_AE0N LVDSTX_AE0P LVDSTX_AE1N LVDSTX_AE1P LVDSTX_AE2N LVDSTX_AE2P LVDSTX_AE3N LVDSTX_AE3P LVDSTX_AE4N LVDSTX_AE4P LVDSTX_AECKN LVDSTX_AECKP LVDSTX_AO0N LVDSTX_AO0P LVDSTX_AO1N LVDSTX_AO1P LVDSTX_AO2N LVDSTX_AO2P LVDSTX_AO3N LVDSTX_AO3P LVDSTX_AO4N LVDSTX_AO4P LVDSTX_AOCKN LVDSTX_AOCKP LVDSTX_BE0N LVDSTX_BE0P LVDSTX_BE1N LVDSTX_BE1P LVDSTX_BE2N LVDSTX_BE2P LVDSTX_BE3N LVDSTX_BE3P LVDSTX_BE4N LVDSTX_BE4P LVDSTX_BECKN LVDSTX_BECKP LVDSTX_BO0N LVDSTX_BO0P LVDSTX_BO1N LVDSTX_BO1P LVDSTX_BO2N LVDSTX_BO2P LVDSTX_BO3N LVDSTX_BO3P LVDSTX_BO4N LVDSTX_BO4P LVDSTX_BOCKN LVDSTX_BOCKP LVDS_PWR_EN OSCL0 OSDA0 USB_DM0 USB_DM0 USB_DM1 USB_DM1 USB_DP0 USB_DP0 USB_DP1 USB_DP1 USB_VRT DVDD3V3 TX_BO4NH TX_BO4PH TX_BO3NH TX_BO3PH TX_BOCKNH TX_BOCKPH TX_BO2NH TX_BO2PH TX_BO1NH TX_BO1PH TX_BO0NH TX_BO0PH TX_BE4NH TX_BE4PH TX_BE3NH TX_BE3PH TX_BECKNH TX_BECKPH TX_BE2NH TX_BE2PH TX_BE1NH TX_BE1PH TX_BE0NH TX_BE0PH SEL TX_AO4NH TX_AO4PH TX_AO3NH TX_AO3PH TX_AOCKNH TX_AOCKPH TX_AO2NH TX_AO2PH TX_AO1NH TX_AO1PH TX_AO0NH TX_AO0PH TX_AE4NH TX_AE4PH TX_AE3NH TX_AE3PH TX_AECKNH TX_AECKPH TX_AE2NH TX_AE2NH TX_AE2PH TX_AE1NH TX_AE1NH TX_AE1PH TX_AE0NH TX_AE0PH GPIO19_3D_ENABLE GPIO23_DISP_R GPIO23_DISP_R GPIO19_3D_ENABLE BRI_OUT SEL BRI_EXT/DIS BRI_OUT BRI_EXT/DIS Dimming OSCL0 OSDA0 BRI_OUT BL_DIMMING BL_DIMMING DIMMING TX_AE2NH TX_AE2PH TX_AE3NH TX_AE3PH TX_AE4NH TX_AE4PH TX_AECKNH TX_AECKPH TX_AO0NH TX_AO0PH TX_AO1NH TX_AO1PH TX_AO2NH TX_AO2PH TX_AO3NH TX_AO3PH TX_AO4NH TX_AO4PH TX_AOCKNH TX_AOCKPH TX_BE0NH TX_BE0PH TX_BE1NH TX_BE1PH TX_BE2NH TX_BE2PH TX_BE3NH TX_BE3PH TX_BE4NH TX_BE4PH TX_BECKNH TX_BECKPH TX_BO0NH TX_BO0PH TX_BO1NH TX_BO1PH TX_BO2NH TX_BO2PH TX_BO3NH TX_BO3PH TX_BO4NH TX_BO4PH TX_BOCKNH TX_BOCKPH LVDSTX_AE0N LVDSTX_AE0P LVDSTX_AE1N LVDSTX_AE1P LVDSTX_AE2N LVDSTX_AE2P LVDSTX_AE3N LVDSTX_AE3P LVDSTX_AE4N LVDSTX_AE4P LVDSTX_AECKN LVDSTX_AECKP LVDSTX_AO0N LVDSTX_AO0P LVDSTX_AO1N LVDSTX_AO1P LVDSTX_AO2N LVDSTX_AO2P LVDSTX_AO3N LVDSTX_AO3P LVDSTX_AO4N LVDSTX_AO4P LVDSTX_AOCKN LVDSTX_AOCKP LVDSTX_BE0N LVDSTX_BE0P LVDSTX_BE1N LVDSTX_BE1P LVDSTX_BE2N LVDSTX_BE2P LVDSTX_BE3N LVDSTX_BE3P LVDSTX_BE4N LVDSTX_BE4P LVDSTX_BECKN LVDSTX_BECKP LVDSTX_BO0N LVDSTX_BO0P LVDSTX_BO1N LVDSTX_BO1P LVDSTX_BO2N LVDSTX_BO2P LVDSTX_BO3N LVDSTX_BO3P LVDSTX_BO4N LVDSTX_BO4P LVDSTX_BOCKN LVDSTX_BOCKP TX_AE0NH TX_AE0PH TX_AE1NH TX_AE1PH +5V LVDS_PWR_EN AVDD1V2 AVDD3V3 AVDD3V3 DVDD3V3 DVDD3V3 LVDSVDD LVDSVDD VDD_Panel +5V +12V VDD_Panel +5V LVDSVDD DVDD3V3 DVDD3V3 USB_DP0 13,14 USB_DM0 13,14 USB_DP1 13,14 USB_DM1 13,14 LVDS_PWR_EN 4,13 GND ALL OSCL0 3,9,10,13 OSDA0 3,9,10,13 +5V 2,5,6,7,9,13,14 +12V 2,5,8,9,13 AVDD3V3 2,4,6,8,10,13 AVDD1V2 2,3,4,5,6,10,11,13,14 DVDD3V3 4,8 GPIO19_3D_ENABLE 4,13 GPIO23_DISP_R 4,13 BL_DIMMING 2,4 DIMMING 2,4 +5V 2,5,6,7,9,13,14 Title Size Document Number Rev Date: Sheet of MT5311G POWER AND INVERTOR 1.0 Hisense Electric Co.,LTD 14 13 A3 Friday, February 18, 2011 Title Size Document Number Rev Date: Sheet of MT5311G POWER AND INVERTOR 1.0 Hisense Electric Co.,LTD 14 13 A3 Friday, February 18, 2011 Title Size Document Number Rev Date: Sheet of MT5311G POWER AND INVERTOR 1.0 Hisense Electric Co.,LTD 14 13 A3 Friday, February 18, 2011 Close to MT5325 Analog Power Near IC LVDS 120HZ Power for Panel 小尺寸机型贴V6;大尺寸机型贴N13 R363 0R/NC R363 0R/NC R151 0R R151 0R R660 22R R660 22R C128 10u/16V C128 10u/16V R658 22R R658 22R R375 0R R375 0R R407 0R/NC R407 0R/NC 3 1 2 V9 AO3401L V9 AO3401L R520 100R R520 100R C389 100n/16V/NC C389 100n/16V/NC R665 22R R665 22R R354 5.1k R354 5.1k R360 4.7k/NC R360 4.7k/NC R154 10k R154 10k C141 1u/16V C141 1u/16V R669 22R R669 22R C129 10u/16V/NC C129 10u/16V/NC R521 100R/NC R521 100R/NC R393 4.7k/NC R393 4.7k/NC R667 22R R667 22R C133 100n/16V C133 100n/16V C385 10n/50V C385 10n/50V R661 22R R661 22R R390 0ohm/NC R390 0ohm/NC 1 2 3 V19 MMBT3904LT1/NC V19 MMBT3904LT1/NC R155 10k/NC R155 10k/NC C134 100n/16V C134 100n/16V C388 1u/6.3V/NC C388 1u/6.3V/NC C390 10n/50V C390 10n/50V R112 10k R112 10k 1 2 3 4 5 6 7 8 9 10 11 12 13 14 15 16 17 18 19 20 21 22 23 24 25 26 27 28 29 30 31 32 33 34 35 36 37 38 39 40 41 57 42 43 44 45 56 46 47 48 49 50 51 52 53 55 54 58 59 60 61 XP14 XP14 R659 22R R659 22R R662 22R R662 22R C123 100n/16V/NC C123 100n/16V/NC S1 1 G1 2 S2 3 G2 4 D22 5 D21 6 D12 7 D11 8 N13 IRF7314 N13 IRF7314 C387 10n/50V C387 10n/50V R666 22R R666 22R R668 22R R668 22R 1 2 3 V20 MMBT3904LT1 V20 MMBT3904LT1 R117 4.7k R117 4.7k L9 STPB2012-121PT L9 STPB2012-121PT 1 2 3 4 5 6 7 8 9 10 11 12 13 14 15 16 17 18 19 20 21 22 23 24 25 26 27 28 29 30 31 32 33 34 35 36 37 38 39 40 41 43 42 45 44 46 47 48 49 50 51 XP12 XP12 R664 22R R664 22R R113 20k R113 20k AO0N B15 AO0P A15 AO1N B16 AO1P A16 AO2N B17 AO2P A17 AOCKN B18 AOCKP A18 AO3N B19 AO3P A19 AO4N B20 AO4P A20 AE0N C15 AE0P D15 AE1N E15 AE1P E16 AE2N C17 AE2P D17 AECKN E17 AECKP E18 AE3N C19 AE3P D19 AE4N E19 AE4P E20 BO0N C23 BO0P D23 BO1N E23 BO1P E24 BO2N C25 BO2P D25 BOCKN E26 BOCKP E25 BO4N E27 BO4P E28 BO3N C27 BO3P D27 BE0N B27 BE0P A27 BE1N B28 BE1P A28 BE2N B29 BE2P A29 BECKN B30 BECKP A30 BE3N B31 BE3P A31 BE4N B32 BE4P A32 AVDD33_LVDSA F18 AVSS33_LVDSA M17 AVDD33_LVDSB F23 AVSS33_LVDSB M20 USB_2P_DP0 AL7 USB_2P_DM0 AM7 USB_2P_DP1 AL6 USB_2P_DM1 AM6 USB_2P_VRT AH8 AVDD33_USB_2P AH6 AVSS33_USB_2P AC12 AVDD12_VPLL E22 AVSS12_VPLL F20 DPM M28 FLK K31 SOE F31 POL G32 VST J32 VGH_EVEN J31 VGH_ODD G31 GCLK6 G30 GCLK5 K29 GCLK4 K28 GCLK3 J30 GCLK2 L32 GCLK1 K32 N8-3 MT5325_DDR3_65 N8-3 MT5325_DDR3_65 R389 0ohm/NC R389 0ohm/NC R579 0R/NC R579 0R/NC L15 STPB2012-121PT/NC L15 STPB2012-121PT/NC R663 22R R663 22R R578 0R/NC R578 0R/NC R116 0R R116 0R

标签:

版权声明

1. 本站所有素材,仅限学习交流,仅展示部分内容,如需查看完整内容,请下载原文件。
2. 会员在本站下载的所有素材,只拥有使用权,著作权归原作者所有。
3. 所有素材,未经合法授权,请勿用于商业用途,会员不得以任何形式发布、传播、复制、转售该素材,否则一律封号处理。
4. 如果素材损害你的权益请联系客服QQ:77594475 处理。