海信LED32K300液晶电视(4801板)电路图

分类:电子电工 日期: 点击:0
海信LED32K300液晶电视(4801板)电路图-0 海信LED32K300液晶电视(4801板)电路图-1 海信LED32K300液晶电视(4801板)电路图-2 海信LED32K300液晶电视(4801板)电路图-3 海信LED32K300液晶电视(4801板)电路图-4 海信LED32K300液晶电视(4801板)电路图-5 海信LED32K300液晶电视(4801板)电路图-6

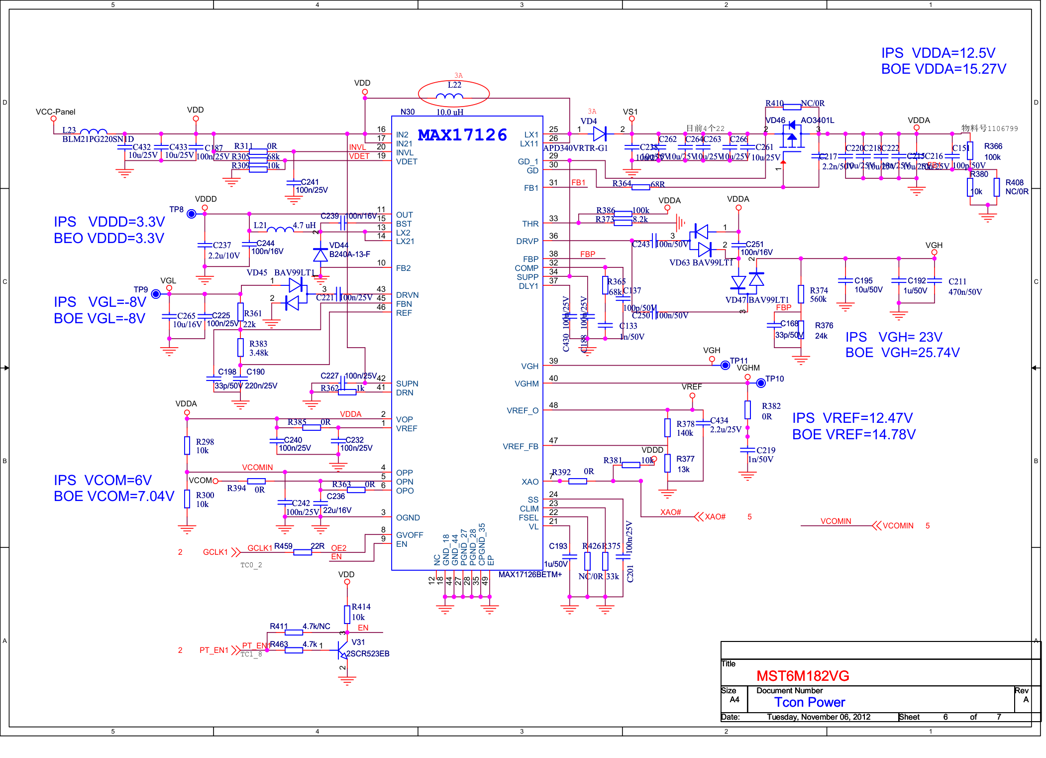
5 5 4 4 3 3 2 2 1 1 D D C C B B A A N5为内存提供电源: MST6M181VG/MST6M182VG:内存类型为DDR2,N5上 要焊接AMS1117-1.8,输出为1.8V;L7不焊接。 主IC为MST6M181VG、MST6M182VG,则L4、L7不焊接,但要焊接L5; 主IC为MST6M161LG,则L4、L7要焊接,但不焊接L5。 如果主IC为MST6M161LG,在使用过程中,N4温度太高无法满足要 求,则可已将L7不焊接,在N5上则可焊接一片AMS1117-2.5。 电源输入 背光控制 +5V需要调整到5.25V---5.3V之间,保证 后续转tuner5V的 LDO输入供电电压. +5V FOR SYS Vout=0.765*(1+R1/R2) SOT-223 2.5V Power_Normal 3.3V Power_Normal 1.26V FOR 182 CORE POWER 增加滤波电容10u 靠近主芯片放置 3.3V Power_Standby Power for Panel 5VAIN POWER +12V POWER 1.8V Power for DDR SOT-252 预留延时电路 增加5V_USB控制电路 USB POWER BL-ON/OFF BL-ADJUST PWR-ON BL-ON/OFF PWR-ON PWR-ON PWR-ON VBL_CTRL BRI_ADJ-PWM0 BL-ADJUST ADJ_P BL-ON/OFF BL-ADJUST PWR-ON PANEL_ON/OFF PWR-ON +12V_IN 3.3Vstb 5Vstb +12V_IN 5VAIN 5VS +12V_IN +12V_IN 5VS 5VAIN 2.5V_Normal 5VAIN 3.3V_Normal +1.2V_VDDC +12V_IN 5VAIN 5Vstb 3.3Vstb +12V 2.5V_Normal AVDD_DDR +12V_IN 5VAIN VCC-Panel VCC-A 3.3V_Normal +12V +12V_IN +12V +12V 5VAIN 5VS 5VAIN 5VAIN 5VAIN +12V_IN 5Vstb VCC-A AVDD_DDR 5VAIN 5VAIN 5V_USB 5VAIN 5VS 5Vstb +12V_IN PWR-ON/OFF 2 VBL_CTRL 2 PANEL_ON/OFF 2 BL-ADJUST 2 ADJ_P 2 BRI_ADJ-PWM0 2 ON_USB1 2 Title Size Document Number Rev Date: Sheet of 4F-1, No. 26, Tai-Yuan St., ChuPei, Hsinchu Hsien, Taiwan 302, R.O.C MStar Semiconductor, Inc MST6M181VS A MST6M181VS DEMO BOARD A3 1 7 Tuesday, November 06, 2012 Title Size Document Number Rev Date: Sheet of 4F-1, No. 26, Tai-Yuan St., ChuPei, Hsinchu Hsien, Taiwan 302, R.O.C MStar Semiconductor, Inc MST6M181VS A MST6M181VS DEMO BOARD A3 1 7 Tuesday, November 06, 2012 Title Size Document Number Rev Date: Sheet of 4F-1, No. 26, Tai-Yuan St., ChuPei, Hsinchu Hsien, Taiwan 302, R.O.C MStar Semiconductor, Inc MST6M181VS A MST6M181VS DEMO BOARD A3 1 7 Tuesday, November 06, 2012 R47 100k/NC R47 100k/NC C3 100n/16V C3 100n/16V R347 22k R347 22k R2 4.7k R2 4.7k C248 22u/6.3V C248 22u/6.3V R78 10k R78 10k R297 10k R297 10k L4 STPB2012-121PT/NC L4 STPB2012-121PT/NC R282 NC/100k R282 NC/100k C413 100n/16V C413 100n/16V C205 1u/16V C205 1u/16V XP2 XP2 1 2 3 4 5 6 7 N26 AO4459/NC N26 AO4459/NC S1 1 S2 2 S3 3 G 4 D1 8 D1 7 D2 6 D2 5 L20 BLM18PG121SN1 L20 BLM18PG121SN1 R388 2.4k R388 2.4k R598 22k/NC R598 22k/NC R40 NC/0R R40 NC/0R R310 100k/NC R310 100k/NC R30 4.7k R30 4.7k R32 100k R32 100k R409 1k R409 1k C1 100n/16V C1 100n/16V N25 AO3401L N25 AO3401L 3 1 2 R43 22R R43 22R R4 4.7k R4 4.7k C77 10u/16V/NC C77 10u/16V/NC R19 10k R19 10k R345 4K7/NC R345 4K7/NC C180 22u/6.3V C180 22u/6.3V C308 100n/16V C308 100n/16V R295 10k R295 10k R599 6.8k/NC R599 6.8k/NC C86 100n/16V C86 100n/16V L32 2.2 uH L32 2.2 uH C67 22p/50V C67 22p/50V R3 4.7k R3 4.7k N3 TLV70233DBVR N3 TLV70233DBVR VIN 1 EN 3 VOUT 5 NC 4 GND 2 V20 2SCR523EB V20 2SCR523EB 3 1 2 R341 47k R341 47k R121 4.7k R121 4.7k C122 100n/16V C122 100n/16V C7 100n/16V C7 100n/16V R281 10k/NC R281 10k/NC R28 220k R28 220k L15 BLM21PG220SN1D/NC L15 BLM21PG220SN1D/NC C258 100n/16V/NC C258 100n/16V/NC V27 2SCR523EB V27 2SCR523EB 3 1 2 C58 1u/25V C58 1u/25V R50 NC/0R R50 NC/0R N10 AO3401L N10 AO3401L 3 1 2 C47 10u/16V C47 10u/16V R38 10k/NC R38 10k/NC V34 2SCR523EB /NC V34 2SCR523EB /NC 3 1 2 R410R R410R R6 4.7k R6 4.7k L18 BLM21PG220SN1D L18 BLM21PG220SN1D R45 22R R45 22R L44 BLM21PG220SN1D/NC L44 BLM21PG220SN1D/NC R48 20k R48 20k V11 2SCR523EB V11 2SCR523EB 3 1 2 C204 100n/16V C204 100n/16V C6 100n/16V C6 100n/16V R190 4.7k R190 4.7k C254 22u/6.3V C254 22u/6.3V C13 2.2u/10V C13 2.2u/10V C63 1u/25V C63 1u/25V C46 1n/50V C46 1n/50V C207 100n/16V C207 100n/16V C231 1n/50V C231 1n/50V C14 NC/2.2u/10V C14 NC/2.2u/10V C246 100n/16V C246 100n/16V R49 36k R49 36k V5 2SCR523EB V5 2SCR523EB 3 1 2 C257 22u/6.3V C257 22u/6.3V R343 22k R343 22k C414 220p/50V C414 220p/50V R5 4.7k R5 4.7k R303 10k/NC R303 10k/NC V40 2SCR523EB V40 2SCR523EB 3 1 2 R346 22k R346 22k C255 22u/6.3V C255 22u/6.3V N27 AO3401L N27 AO3401L 3 1 2 R20 2.2k R20 2.2k C260 100n/16V/NC C260 100n/16V/NC C21 100n/16V C21 100n/16V R119 4.7k R119 4.7k L28 BLM18PG181SN1/NC L28 BLM18PG181SN1/NC V39 2SCR523EB V39 2SCR523EB 3 1 2 XP3 XP3 1 2 3 4 5 6 7 8 9 10 11 12 13 C11 10u/10V C11 10u/10V C95 10u/10V C95 10u/10V C228 22u/6.3V C228 22u/6.3V L10 4.7 uH L10 4.7 uH F1 1206SB2500V032T/NC F1 1206SB2500V032T/NC 1 2 N4 LD1117A-2.5AZ1117H-2.5 N4 LD1117A-2.5AZ1117H-2.5 ADJ 1 VOUT 4 VIN 3 VOUT 2 C66 100n/25V C66 100n/25V V22 2SCR523EB V22 2SCR523EB 3 1 2 L25 BLM21PG220SN1D/NC L25 BLM21PG220SN1D/NC R26 10k/NC R26 10k/NC C247 100n/16V C247 100n/16V C96 100n/16V C96 100n/16V R46 130k R46 130k R34 4.7k R34 4.7k N15 MP1492 N15 MP1492 SW 3 BYP 5 BST 4 GND 2 FB 7 EN 6 FREQ 8 IN 1 C99 1u/16V C99 1u/16V L46 STPB2012-121PT L46 STPB2012-121PT C199 1u/16V C199 1u/16V C229 22u/6.3V C229 22u/6.3V R27 100R R27 100R R302 10k R302 10k R296 10k R296 10k L5 STPB2012-121PT L5 STPB2012-121PT C249 10u/16V C249 10u/16V R37 180k R37 180k VZ14 LM3Z5V6T1G VZ14 LM3Z5V6T1G 1 2 V21 2SCR523EB V21 2SCR523EB 3 1 2 V14 2SCR523EB V14 2SCR523EB 1 2 3 C2 2.2u/10V C2 2.2u/10V C5 2.2u/10V C5 2.2u/10V L17 BLM18PG121SN1 L17 BLM18PG121SN1 C181 22u/6.3V C181 22u/6.3V N17 AO3401L /NC N17 AO3401L /NC 3 1 2 C123 10u/16V C123 10u/16V C224 100n/16V C224 100n/16V C234 100n/16V C234 100n/16V V30 2SCR523EB V30 2SCR523EB 3 1 2 L16 BLM18PG121SN1/NC L16 BLM18PG121SN1/NC R44 22k R44 22k R340 47k R340 47k R280 10k\NC R280 10k\NC C73 100n/16V C73 100n/16V R418 4.7k R418 4.7k C35 100n/16V C35 100n/16V C4 2.2u/10V C4 2.2u/10V C163 100n/16V C163 100n/16V R185 15M R185 15M R359 22k R359 22k C182 22u/6.3V C182 22u/6.3V R313 100k R313 100k C233 10u/16V C233 10u/16V R18 100R R18 100R R348 4K7 R348 4K7 C62 10n/50V C62 10n/50V C65 10u/16V C65 10u/16V C196 100n/16V C196 100n/16V R419 10k R419 10k L35 BLM18PG121SN1/NC L35 BLM18PG121SN1/NC R42 0R R42 0R C97 1u/16V C97 1u/16V R389 1k R389 1k C71 10u/16V C71 10u/16V C230 22u/6.3V C230 22u/6.3V N18 AO4459 N18 AO4459 S1 1 S2 2 S3 3 G 4 D1 8 D1 7 D2 6 D2 5 R115 20k R115 20k VD107MBR0520LT1/B0520LW VD107MBR0520LT1/B0520LW 1 2 R9 1k R9 1k V19 2SCR523EB V19 2SCR523EB 3 1 2 C235 100n/16V C235 100n/16V R387 2.2R/2W R387 2.2R/2W R349 NC/10k R349 NC/10k R186 100R R186 100R C75 4.7u/10V C75 4.7u/10V R29 4.7k R29 4.7k R21 1k R21 1k V1 2SCR523EB V1 2SCR523EB 3 1 2 R299 47k R299 47k C508 100n/16V C508 100n/16V N6 LD1117A-3.3AZ1117H-3.3 /NC N6 LD1117A-3.3AZ1117H-3.3 /NC ADJ 1 VOUT 4 VIN 3 VOUT 2 C306 2.2u/10V C306 2.2u/10V R206 NC/0R R206 NC/0R C309 2.2u/10V C309 2.2u/10V L9 BLM21PG220SN1D L9 BLM21PG220SN1D C98 100n/16V C98 100n/16V N5 AP1084DGAZ1084D-ADJ N5 AP1084DGAZ1084D-ADJ ADJ 1 Vout 3 Vin 2 L7 STPB2012-121PT/NC L7 STPB2012-121PT/NC R308 10k R308 10k C76 100n/16V C76 100n/16V N12 TPS54426PWPR N12 TPS54426PWPR VIN1 13 VFB 2 SS 4 EN 7 SW1 10 VBST 12 PGND1 8 PwPd 15 VIN2 14 SW2 11 PG 6 VREG5 3 PGND2 9 GND 5 VO 1 C31 22u/6.3V C31 22u/6.3V C312 100n/16V C312 100n/16V R307 0R R307 0R C45 10u/16V C45 10u/16V C202 10u/16V C202 10u/16V C84 10u/16V C84 10u/16V C307 100n/16V C307 100n/16V L34 BLM18PG121SN1 L34 BLM18PG121SN1 L26 BLM18PG181SN1/NC L26 BLM18PG181SN1/NC R33 NC/0R R33 NC/0R R301 4.7k R301 4.7k 5 5 4 4 3 3 2 2 1 1 D D C C B B A A Standby Power 3.3V Normal Power 3.3V Normal Power 1.2V DDR2 VREF Normal Power 2.5V 250mA Close IC Close to IC with width trace SERIAL FLASH RESET CIRCUIT System XTAL Audio Chip Config Tuner DDR power 主IC为MST6M181VG、MST6M182VG时, R104、R106、C114要焊接; 主IC为MST6M161LG时, R104、R106、C114不焊接。 主IC为MST6M181VG、MST6M182VG时, GPIO4(BALL N8)和GPIO7(BALL N9)为NC PIN。 主IC为MST6M181VG、MST6M182VG时, BALL D5到BALL B4为NC PIN; 只有MST6M161LG这些PIN 才为HDMI INPUT Debug port IR 工程机增加遥控输出 3D Sync 改成220P DVDD_NODIE_1.2V HP_DET ON_USB1 LED DDCDA_CK HDMI1-SCL HDMI1-ARC ARC DDCDA_DA HDMI1-SDA HDMI1-RX0N HDMI1-RX0N HDMI1-CLKP HDMI1-CLKP HDMI1-CLKN HDMI1-CLKN HDMI1-RX1N HDMI1-RX1N HDMI_HP1 HDMI_HP1 BIN0 HDMI1-RX0P HDMI1-RX0P HDMI1-RX1P HDMI1-RX1P HDMI1-RX2P HDMI1-RX2P HDMI1-RX2N HDMI1-RX2N VGA_VS VGA_VS VGA_HS VGA_HS SOGIN0 GIN0P GIN0M RIN0 RIN2 BIN2 GIN2M GIN2P SOGIN2 BRI_ADJ-PWM0 RXE4- RXE3+ RXE4+ XTALI AGC VIFM VIFP RXE3- RXE0+ XTALO RXO3+ RXOC+ RXO3- RXO4- RXO2+ RXOC- RXO1+ RXO0- RXO0+ RXO2- RXE0- RXE2- RXE1- RXEC- RXO4+ RXO1- RXE2+ RXE1+ RXEC+ System-RST IRIN SPI-CSZ USB1_D+ USB1_D- KEY1-SAR1 KEY0-SAR0 MI2C-SDA EEPROM-WP AVSS_PGA PWR-ON/OFF PANEL_ON/OFF SPI_WP CFG-PWM1 AVout_GAIN 3D_RL AUVRP MDDR_VREF AMP-AUOUTR0 AV-AUOUTR3 AUR0 CVBS1P AV-AUOUTL3 AMP-AUOUTL0 AUVAG AUL2 AUR2 AUL0 CVBS0P CVBS_OUT0 VCOM0 AUVRM RGB0_Pb+ RGB0_Y+ RGB0_Y-SOG RGB0_Pr+ RGB2-HDTV_SOGIN RGB2-HDTV_GIN RGB2-HDTV_RIN RGB2-HDTV_BIN SPI-SDO SPI-SDI SPI-SCK AMP-MUTE UART-TX UART-RX MDDR_VREF AV-CVBS0P AV_AULin0 AV_AURin0 AUBCK_OUT AUMCK_OUT CFG-PWM1 BRI_ADJ-PWM0 DVDD_NODIE_1.2V RX3 AUBCK_OUT 3D-EN TAGC AGC VIFP VIFM XTALO XTALI AUVAG AUVRP AUVRM TX3 AUMCK_OUT VBL_CTRL HD_AURin2 HD_AULin2 AV2-CVBS1P SPI_SCK SPI_SDI SPI_CSZ SPI_SDO SPI_WP System-RST UART-TX UART-RX LVDS_SCL KEY0-in SAR2 KEY1-in LED_CTL IR_IN KEY1-in KEY1-in KEY0-SAR0 KEY1-SAR1 KEY0-in DPWM_IN DPWM_OUT DPWM_OUT DPWM_IN ADJ_P BL-ADJUST AMP-MUTE PANEL_ON/OFF LED LED_CTL EEPROM-WP MI2C-SCL MI2C-SDA VCC_EEP MI2C-SCL SPI_CSZ SPI_SDO SPI_SDI SPI_SCK AV-AUOUTL3 AV-AUOUTR3 IROUT IRIN IRIN IR_IN AMP-MUTE2 HDMI-CEC AMP-AUOUTL0 AMP-AUOUTR0 AVSS_PGA TX3 RX3 AMP-MUTE2 3D_SG_SYNC 3D_SG_SYNC_IN 3D_SG_SYNC_IN 3D_SG_SYNC_IN PT_EN1 PT_EN1 MI2C-SCL MI2C-SDA I2C-SCL-3D I2C-SDA-3D Bit_SCL CFG-PWM1 3D_RL 3D_EN 3D-EN SPDIF_OUT LVDS_SCL LVDS_SEL LVDS_SCL I2C-SDA-3D ON_USB1 DPWM_OUT 3D_EN DPWM_IN LVDS_SEL I2C-SDA-3D I2C-SCL-3D Bit_SCL 3D_RL 3D_SG_SYNC 3D_EN HP_DET 3.3V_Normal AVDD_33 3.3Vstb VDDC +1.2V_VDDC +2.5V_PGA VDDC AVDD_DDR AVDD_33 ADC2P5 AVDD_33_PM AVDD_DDR AVDD_33_PM 2.5V_Normal +2.5V_PGA 2.5V_Normal ADC2P5 AVDD_DDR 5V-IF 3.3Vstb 3.3Vstb 3.3Vstb 3.3Vstb 5VAIN VCC-Panel 5Vstb 3.3Vstb 3.3Vstb 3.3V_Normal 3.3V_Normal 3.3V_Normal 3.3Vstb 5Vstb 3.3V_Normal 5VAIN 5Vstb 5Vstb +5V_3D +5V_3D +5V_3D 5VAIN 5VAIN 3.3V_Normal 3.3V_Normal +5V_3D 3.3V_Normal 3.3V_Normal 3.3V_Normal VCC-Panel VCC-Panel 3.3V_Normal 3.3V_Normal VGA_HS 3 VGA_VS 3 RGB0_Pb+ 3 RGB0_Y-SOG 3 RGB0_Y+ 3 RGB0_Pr+ 3 RGB2-HDTV_BIN 3 RGB2-HDTV_SOGIN 3 RGB2-HDTV_GIN 3 RGB2-HDTV_RIN 3 USB1_D- 4 USB1_D+ 4 BRI_ADJ-PWM0 1 PWR-ON/OFF 1 CVBS_OUT0 3 AV_AULin0 3 AV_AURin0 3 HDMI1-RX2P 4 HDMI1-RX2N 4 HDMI1-RX1P 4 HDMI1-RX1N 4 HDMI1-RX0P 4 HDMI1-RX0N 4 HDMI1-CLKP 4 HDMI1-CLKN 4 HDMI1-SCL 4 HDMI1-SDA 4 HDMI_HP1 4 ARC 4 AV-CVBS0P 3 TAGC 3 VIFM 3 VIFP 3 HD_AULin2 3 HD_AURin2 3 AV2-CVBS1P 3 BL-ADJUST 1 ADJ_P 1 AMP-MUTE 5 PANEL_ON/OFF 1 UART-RX 3 UART-TX 3 AU_ROUT 5 AU_LOUT 5 IROUT 3 AMP-MUTE2 5 HDMI-CEC 4 AMP_AUOUTR0 5 AMP_AUOUTL0 5 TX3 RX3 VBL_CTRL 1 AVout_GAIN 3 LHSYNC 5 LVSYNC 5 POL 5 VST 5 GCLK1 6 GCLK2 5 GCLK3 5 SOE 5 LDE 5 LCK 5 PT_EN1 6 MI2C-SCL MI2C-SDA SPDIF_OUT ON_USB1 1 RXO0+ 5 RXO0- 5 RXO1- 5 RXO1+ 5 RXO2- 5 RXO2+ 5 RXOC- 5 RXOC+ 5 RXO3- 5 RXO3+ 5 RXO4- 5 RXO4+ 5 RXE0- 5 RXE0+ 5 RXE1- 5 RXE1+ 5 RXE2- 5 RXE2+ 5 RXEC- 5 RXEC+ 5 RXE3- 5 RXE3+ 5 RXE4- 5 RXE4+ 5 RLV4P 5 RLV2P 5 LLV6N 5 RLV3N 5 RLV3P 5 LLV2P 5 LLV5N 5 LLV3P 5 LLV1N 5 RLV5P 5 LLV0P 5 LLV4N 5 LLV2N 5 RLV6P 5 RLV2N 5 RLV4N 5 LLV5P 5 LLV6P 5 LLV1P 5 LLV3N 5 LLV4P 5 RLV5N 5 RLV6N 5 LLV0N 5 ON_USB1 1 HP_DET 5 STV1-AUO Title Size Document Number Rev Date: Sheet of 4F-1, No. 26, Tai-Yuan St., ChuPei, Hsinchu Hsien, Taiwan 302, R.O.C MStar Semiconductor, Inc MST6M161VS A MST6M181VS DEMO BOARD A2 2 7 Tuesday, November 06, 2012 Title Size Document Number Rev Date: Sheet of 4F-1, No. 26, Tai-Yuan St., ChuPei, Hsinchu Hsien, Taiwan 302, R.O.C MStar Semiconductor, Inc MST6M161VS A MST6M181VS DEMO BOARD A2 2 7 Tuesday, November 06, 2012 Title Size Document Number Rev Date: Sheet of 4F-1, No. 26, Tai-Yuan St., ChuPei, Hsinchu Hsien, Taiwan 302, R.O.C MStar Semiconductor, Inc MST6M161VS A MST6M181VS DEMO BOARD A2 2 7 Tuesday, November 06, 2012 R56 4.7k R56 4.7k C26 100n/16V C26 100n/16V R80 100R R80 100R R175 10k R175 10k C69 47n/16V C69 47n/16V Q1 RSAG7.070.153 Q1 RSAG7.070.153 1 2 3 4 C57 47n/16V C57 47n/16V R120 10k R120 10k R285 2.2k R285 2.2k C142 NC/100p/50V C142 NC/100p/50V R575 27k R575 27k R270 22k/NC R270 22k/NC R65 NC/10k R65 NC/10k R31 1M R31 1M R69 0R R69 0R C115 2.2u/10V C115 2.2u/10V C415 100n/16V/NC C415 100n/16V/NC C25 100n/16V C25 100n/16V C61 47n/16V C61 47n/16V L63 BLM18PG181SN1 L63 BLM18PG181SN1 R102 0R/NC R102 0R/NC R176 10k R176 10k R274 4.7k R274 4.7k R112 100R R112 100R C113 100n/16V/NC C113 100n/16V/NC R116 1k/NC R116 1k/NC C42 100n/16V C42 100n/16V APX810-29SAG-7 N21 APX810-29SAG-7 N21 GND 1 RST 2 VCC 3 R228 22R R228 22R N31 MX25L3205D N31 MX25L3205D CE#_0 1 SO 2 WP#_2 3 VSS 4 SI 5 SCK 6 HOLD#_6 7 VDD 8 R53 220k R53 220k R99 4.7k R99 4.7k V33 2SCR523EB/NC V33 2SCR523EB/NC 1 2 3 R560 0R/NC R560 0R/NC R440 1k R440 1k C447 15p/50V C447 15p/50V C114 1n/50V C114 1n/50V C146 NC/100p/50V C146 NC/100p/50V C72 100n/16V C72 100n/16V R104 1k R104 1k C89 10u/16V C89 10u/16V R189 NC/10k R189 NC/10k C152 1n/50V C152 1n/50V R90 68R R90 68R C15 220p/50V C15 220p/50V R564 0R/NC R564 0R/NC C459 20p/50V/NC C459 20p/50V/NC R100 100R R100 100R TP140 TP140 C34 100n/16V C34 100n/16V R114 4.7k R114 4.7k R177 10k R177 10k R107 100R R107 100R C36 100n/16V C36 100n/16V R103 4.7k R103 4.7k R68 NC/100R R68 NC/100R R201 10k/NC R201 10k/NC R139 1k R139 1k R192 NC/10k R192 NC/10k C139 10u/10V C139 10u/10V R202 4.7k R202 4.7k R563 0R/NC R563 0R/NC C51 47n/16V C51 47n/16V C79 220p/50V C79 220p/50V R601 0R/NC R601 0R/NC C20 47n/16V C20 47n/16V R148 0R R148 0R R550 100R R550 100R V4 2SCR523EB V4 2SCR523EB 3 1 2 R108 100R R108 100R C56 47n/16V C56 47n/16V R224 22R R224 22R R275 33R/NC R275 33R/NC C48 10u/16V C48 10u/16V R140 1k R140 1k C120 22p/50V C120 22p/50V C460 20p/50V/NC C460 20p/50V/NC C140 10p/50V C140 10p/50V R54 220k R54 220k C112 2.2u/10V C112 2.2u/10V R106 1k R106 1k C60 47n/16V C60 47n/16V R187 10k R187 10k R35 100k R35 100k C43 100n/16V C43 100n/16V R94 4.7k R94 4.7k R194 NC/10k R194 NC/10k R62 NC/27k R62 NC/27k C153 20p/50V C153 20p/50V L11 BLM18PG181SN1 L11 BLM18PG181SN1 C24 220p/50V C24 220p/50V C68 47n/16V C68 47n/16V C141 100n/16V C141 100n/16V V13 2SCR523EB/NC V13 2SCR523EB/NC 3 1 2 R155 NC/4.7k R155 NC/4.7k R111 4.7k R111 4.7k R91 68R R91 68R R147 0R R147 0R XP9 XP9 1 2 3 L12 BLM18PG181SN1 L12 BLM18PG181SN1 C70 2.2u/10V C70 2.2u/10V V35 2N7002 V35 2N7002 3 1 2 R535 0R/NC R535 0R/NC R562 4.7k/NC R562 4.7k/NC R98 4.7k R98 4.7k R84 220k R84 220k C111 2.2u/10V C111 2.2u/10V C105 2.2u/10V C105 2.2u/10V R227 22R R227 22R XP307 XP307 1 3 2 4 R151 NC/100R R151 NC/100R R196 NC/10k R196 NC/10k R113 1k R113 1k C74 100n/16V C74 100n/16V R157 0R R157 0R MST6M181VG MST6M182VG MST6M161LG 1.26V DDR1 2.5V DDR2 1.8V 2.5V 3.3V GPIO define MST6M161LG/MST6M181VG MST6M182VG MST6M161LG N1 MST6M181VG MST6M182VG MST6M161LG 1.26V DDR1 2.5V DDR2 1.8V 2.5V 3.3V GPIO define MST6M161LG/MST6M181VG MST6M182VG MST6M161LG N1 B_ODD7/LVA2M R12 NC/GPIO62 N9 SOGIN1 H2 BIN1P H3 GIN1M J2 GIN1P J3 CVBS2 K1 AVDD_DVI H4 AUL0 M2 AUREFM M4 GIN0P F3 RFAGC T4 B_ODD2/LVA3P P11 VIFM R6 VIFP T6 AVDD_PGA N5 AVDD_33 J4 RIN1P J1 R_ODD2/LVB2P N14 B_ODD5/LVACKM P12 G_ODD0/LVA1P P13 SAR2_GPIO13/GPIO73 C10 SAR1_GPIO12/GPIO74 C11 GPIO11/TCON11/HCON_39 D15 GPIO10/TCON10/OPT_N_38 G15 GPIO9/TCON9/OPT_P_37 F16 GPIO8/TCON8/FLK3_36 H16 GPIO3/TCON3/GCLK2_31 E16 GPIO2/TCON2/GCLK1_30 J14 GIN0M F2 GPIO21/TCON21/VGH_ODD_49 K14 GPIO20/TCON20/VGH_EVEN_48 K16 GPIO19/TCON19/GCLK6_47 L15 GPIO18/TCON18/GCLK5_46 K15 GPIO17/TCON17/GCLK4_45 G16 GPIO16/TCON16/WPWM_44 F15 GPIO13/TCON13/LEDON_41 D14 B_ODD0/LVA4P P10 B_ODD1/LVA4M R10 B_ODD3/LVA3M R11 B_ODD4/LVACLP T11 SCZ B15 G_ODD3/LVA0M R14 G_ODD4/LVB4P T14 G_ODD5/LVB4M T15 G_ODD6/LVB3P R15 G_ODD7/LVB3M R16 R_ODD4/LVB1P M14 G_ODD2/LVA0P P14 SDO B16 IRIN B9 CEC D6 HWRESET A9 HOTPLUGA D4 SOGIN0 E2 AUOUTL1 N4 AUOUTR1 P3 AUOUTL0 R2 AUOUTR0 T2 XIN T3 XOUT R3 AVDD_DMPLL K4 RXCKN_A A3 RXCKP_A A2 RX0N_A B3 RX0P_A B2 RX1N_A B1 RX1P_A C3 DDCDA_DA D3 RX2N_A C1 RX2P_A C2 DDCDA_CK D1 ARC D2 VDDC_L8 L8 HSYNC0 E4 BIN0P E3 RIN0P F1 VSYNC0 F4 AVDD_PLL J5 AVDD_25 H6 CVBS1 K2 CVBS0 L1 VCOM L2 CVBSOUT M1 AUR0 N1 AUL1 N2 AUR1 P1 AUVAG L3 AUL2 P2 AUR2 R1 AUL3 M3 AUR3 N3 AVDD_AU33 M5 AVDD_REF K6 PGA-COM P5 GPIO24/GPIO56 R8 GPIO25/GPIO57 R9 GPIO23/GPIO58 P8 NC/GPIO59 N8 GPIO27/GPIO60 T9 GPIO26/GPIO61 P9 GPIO22/GPIO55 T8 B_ODD6/LVA2P T12 G_ODD1/LVA1M R13 R_ODD0/LVBCKP P15 R_ODD1/LVBCKM P16 R_ODD3/LVB2M N15 R_ODD5/LVB1M M15 R_ODD6/LVB0P M16 R_ODD7/LVB0M L16 AVDD_MOD_L5 L5 SAR3_GPIO14/INT_GPIO65 G14 DDCR_CK/GPIO63 B14 GPIO15/TCON15/SCAN_BLK1_43 F14 DDCR_DA/GPIO64 C14 GPIO14/TCON14/SCAN_BLK_42 E14 GPIO12/TCON12/DPM_40 D16 GPIO6/TCON6/FLK_34 J16 GPIO7/TCON7/FLK2_35 L14 GPIO5/TCON5/SOE_33 H15 GPIO4/TCON4/GCLK3_32 J15 GPIO1/TCON1/VST_29 H14 GPIO0/TCON0/POL_28 E15 USB0_DM A15 TESTPIN C13 USB0_DP A14 USB1_DM A13 USB1_DP B13 SCK C15 GND_EFUSE D13 SDI C16 SAR0_GPIO11/GPIO75 B11 DDCA_CK D10 DDCA_DA D11 PWM0_GPIO20/GPIO26 B12 PWM1_GPIO21/GPIO25 C12 PMGPIO_GPIO10/GPIO66 D12 PM1_GPIO6/GPIO67 A11 PM4_GPIO7/GPIO68 A10 PM5_GPIO8/GPIO69 B10 PM6_GPIO9/GPIO70 C9 HOTPLUGD D5 RXCKN_D C7 RXCKP_D B7 RX0N_D C6 RX0P_D B6 RX1N_D A6 RX1P_D C5 DDCDD_DA C4 RX2N_D A5 RX2P_D B5 DDCDD_CK B4 GND_R7 R7 GND_T7 T7 GND_H9 H9 GND_H11 H11 GND_J9 J9 GND_J10 J10 GND_J11 J11 GND_K9 K9 GND_K10 K10 GND_K11 K11 GND_A12 A12 GND_F13 F13 GND_G13 G13 GND_G1 G1 GND_G2 G2 GND_G3 G3 GND_P4 P4 GND_R4 R4 GND_R5 R5 GND_T5 T5 GND_P6 P6 GND_P7 P7 VDDC_L7 L7 VDDC_K8 K8 VDDC_K7 K7 VDDC_J8 J8 VDDC_J7 J7 VDDC_H8 H8 AVDD_1P2 H7 AVDD_DDR_D9 D9 AVDD_DDR_E13 E13 AVDD_DDR_M11 M11 AVDD_DDR_M10 M10 AVDD_MOD_K5 K5 AVDD_MOD_M6 M6 AVDD_MOD_L6 L6 DVDD_NODIE D7 MVREF K13 GPIO30/LCK_74 N10 GPIO29/LDE_75 N11 GPIO28/LHSYNC N12 GPIO27/LVSYNC N13 VSYNC1 K3 VRP L4 GND_H10 H10 AVDD_AU25 J6 AVDD_DDR_G8 G8 GND_N6 N6 R105 10k R105 10k V36 2N7002 V36 2N7002 3 1 2 C37 100n/16V C37 100n/16V R555 2.2k R555 2.2k C155 20p/50V C155 20p/50V N39 PIC12F609-I N39 PIC12F609-I VDD 1 VPP 4 CLKOUT 3 ICSPCLK 6 VSS 8 CLKIN 2 ICSPDAT 7 COUT 5 C28 100n/16V C28 100n/16V C44 47n/16V C44 47n/16V C50 10u/16V C50 10u/16V C38 100n/16V C38 100n/16V R97 220k R97 220k C40 100n/16V C40 100n/16V C29 100n/16V C29 100n/16V R86 68R R86 68R R271 22k R271 22k C39 100n/16V C39 100n/16V C103 2.2u/10V C103 2.2u/10V V32 2SCR523EB/NC V32 2SCR523EB/NC 1 2 3 C30 100n/16V C30 100n/16V R92 NC/100R R92 NC/100R R138 10k R138 10k C41 100n/16V C41 100n/16V C27 100n/16V C27 100n/16V C54 47n/16V C54 47n/16V C32 100n/16V C32 100n/16V R71 4.7k R71 4.7k XP306 XP306 1 2 3 5 7 9 11 13 15 17 19 21 23 25 27 29 31 33 35 37 39 4 6 8 10 12 14 16 18 20 22 24 26 28 30 32 34 36 38 40 42 41 44 43 R118 2.2k R118 2.2k R283 4.7k/NC R283 4.7k/NC C106 2.2u/10V C106 2.2u/10V C49 10u/16V C49 10u/16V C147 0.1u C147 0.1u R536 0R/NC R536 0R/NC R79 4.7k R79 4.7k C136 22p/50V C136 22p/50V R73 4.7k R73 4.7k C59 47n/16V C59 47n/16V C94 220p/50V C94 220p/50V C154 20p/50V C154 20p/50V R72 4.7k R72 4.7k C156 100n/16V C156 100n/16V R286 0R/NC R286 0R/NC L13 BLM18PG181SN1 L13 BLM18PG181SN1 R551 0R/NC R551 0R/NC L6 BLM18PG181SN1/NC L6 BLM18PG181SN1/NC R117 2.2k R117 2.2k R95 4.7k/NC R95 4.7k/NC R81 NC/0R R81 NC/0R R572 10k R572 10k C64 47n/16V C64 47n/16V Z1 HC-49SM24MHZ Z1 HC-49SM24MHZ 1 2 R135 NC/4.7k R135 NC/4.7k C149 0.1u C149 0.1u XP5 XP5 1 2 3 4 R269 220R/NC R269 220R/NC R85 68R R85 68R R287 47k/NC R287 47k/NC R199 NC/0R R199 NC/0R R96 4.7k/NC R96 4.7k/NC C93 22n/25V C93 22n/25V R561 0R/NC R561 0R/NC XP12 XP12 1 2 3 4 5 6 7 8 9 R101 10k R101 10k R55 4.7k R55 4.7k R284 4.7k/NC R284 4.7k/NC XP4 XP4 1 2 3 4 R171 10k R171 10k C102 2.2u/10V C102 2.2u/10V R109 10k R109 10k R195 22k/NC R195 22k/NC C33 100n/16V C33 100n/16V R200 0R R200 0R L14 BLM18PG181SN1 L14 BLM18PG181SN1 R289 0R/NC R289 0R/NC R156 0R R156 0R C22 100n/16V C22 100n/16V L66 BLM18PG181SN1/NC L66 BLM18PG181SN1/NC R288 2.2k/NC R288 2.2k/NC N7 AT24C32N-10SI-2.7 N7 AT24C32N-10SI-2.7 A0 1 GND 4 A2 3 SCL 6 VCC 8 A1 2 WP 7 SDA 5 R226 22R R226 22R C104 2.2u/10V C104 2.2u/10V C150 10u/10V C150 10u/10V R93 100R R93 100R R87 68R R87 68R R273 4.7k R273 4.7k R110 4.7k R110 4.7k R1434.7k R1434.7k C172 1n/50V C172 1n/50V C52 47n/16V C52 47n/16V R144 0R R144 0R Z4 JAS8D/NC Z4 JAS8D/NC 1 2 5 5 4 4 3 3 2 2 1 1 D D C C B B A A YPbPr AV输入1 AV1 HDTV_input AV2复用分量视频和音频 VGA Input Tuner BPF_IN BPF 38.9MHz: 3th Order 远离tuner放置 33V FOR TUNER 33V Power AVOUT TUNER AGC,Close TUNER AV_out 工程机增加串口输出 同轴/工程机遥控输出端子 要改成200R RGB2-HDTV_SOGIN RGB2-HDTV_GIN RGB2-HDTV_RIN RGB2-HDTV_BIN AV-CVBS0P AV_AULin0 AV1_L AV1_V AV1_R HD_Lin HD_Rin Pb_IN Pr_IN Y_IN Y_IN Y_IN Pb_IN Pr_IN AV2-CVBS1P RGB0_Y-SOG RGB0_Pr+ VGA_VS VGA_HS HS VGA_R VGA_G VGA_B UART-RX UART-TX VGA_RX VGA_TX VGA_G HS VGA_B VGA_TX VS VGA_R VGA_RX VS RGB0_Y+ RGB0_Pb+ TU_SDA TU_SDA TU_SCL RF_AGC IF-IN+ IF-IN- BPF_OUT- BPF_OUT+ IF-IN- IF-IN+ VIFP VIFM AV_OUT CVBS_OUT0 AV1_V RF_AGC AU-Rout+ AU-Lout+ AV_OUT TX3 C_RXD C_TXD PCRXD RX3 PCTXD TAGC AU-Lout- AU-Rout- AU-Lout+ AU-Rout+ AU_LOUT AU_ROUT MI2C-SCL MI2C-SDA IROUT PCRXD PCTXD HD_AULin2 AV_AURin0 HD_AURin2 HD_Lin HD_Rin AV1_L AV1_R TU_SCL TU_SDA 33V 5V-IF 5V-IF +12V 33V +12V 5VAIN 3.3V_Normal 5VAIN 3.3V_Normal 5V-IF 5V-IF 5V-IF RGB2-HDTV_BIN 2 RGB2-HDTV_SOGIN 2 RGB2-HDTV_GIN 2 RGB2-HDTV_RIN 2 AV_AULin0 2 AV_AURin0 2 AV-CVBS0P 2 AV2-CVBS1P 2 RGB0_Y-SOG 2 RGB0_Pb+ 2 VGA_VS 2 VGA_HS 2 UART-RX 2 UART-TX 2 RGB0_Pr+ 2 RGB0_Y+ 2 VIFM 2 VIFP 2 CVBS_OUT0 2 TAGC 2 HD_AULin2 2 HD_AURin2 2 AU-Lout+ 5 AU-Lout- 5 AU-Rout+ 5 AU-Rout- 5 RX3 TX3 AVout_GAIN AU_LOUT AU_ROUT MI2C-SCL MI2C-SDA IROUT SPDIF_OUT Title Size Document Number Rev Date: Sheet of 4F-1, No. 26, Tai-Yuan St., ChuPei, Hsinchu Hsien, Taiwan 302, R.O.C MStar Semiconductor, Inc MST6M181VS A MST6M181VS DEMO BOARD A3 3 7 Tuesday, November 06, 2012 Title Size Document Number Rev Date: Sheet of 4F-1, No. 26, Tai-Yuan St., ChuPei, Hsinchu Hsien, Taiwan 302, R.O.C MStar Semiconductor, Inc MST6M181VS A MST6M181VS DEMO BOARD A3 3 7 Tuesday, November 06, 2012 Title Size Document Number Rev Date: Sheet of 4F-1, No. 26, Tai-Yuan St., ChuPei, Hsinchu Hsien, Taiwan 302, R.O.C MStar Semiconductor, Inc MST6M181VS A MST6M181VS DEMO BOARD A3 3 7 Tuesday, November 06, 2012 C80 NC/560p/50V C80 NC/560p/50V R219 33R R219 33R R159 100R R159 100R R59 33R R59 33R VD37 NC/AVLC18S02015 VD37 NC/AVLC18S02015 R290 100R R290 100R R293 NC/0R R293 NC/0R C368 10u/16V C368 10u/16V C55 100n/16V C55 100n/16V R181 12k R181 12k V15 2SCR523EB V15 2SCR523EB 3 1 2 C755 100n/16V C755 100n/16V R66 33R R66 33R R134 4.7k R134 4.7k R267 0R R267 0R R146 150R R146 150R VD36 NC/AVLC18S02015 VD36 NC/AVLC18S02015 C165 220p/50V C165 220p/50V L55 220.0 uH L55 220.0 uH C138 NC/22p/50V C138 NC/22p/50V R60 33R R60 33R R266 4.7k/NC R266 4.7k/NC C756 100n/16V C756 100n/16V VD24 NC/AVLC18S02015 VD24 NC/AVLC18S02015 C85 100n/16V C85 100n/16V C173 100n/16V C173 100n/16V R278 1k R278 1k R193 100R R193 100R R162 100R R162 100R XS17 XS17 SIGNAL1 1 GND 2 SIGNAL2 3 V37 2N7002 V37 2N7002 3 1 2 L19 BLM18PG181SN1 L19 BLM18PG181SN1 R150 33k R150 33k N29 GSC34063 N29 GSC34063 collector_0 1 emitter_1 2 timing_2 3 GND 4 input_7 5 VCC 6 sense_5 7 driver_4 8 R179 0R R179 0R R174 10k R174 10k R WR WL L GND XS4 R WR WL L GND XS4 3 4 2 1 5 R250 10R R250 10R R265 10k R265 10k V25 2SCR523EB V25 2SCR523EB 3 1 2 C757 100n/16V C757 100n/16V R137 75R R137 75R C90 100n/16V C90 100n/16V VD9 NC/AVLC18S02015 VD9 NC/AVLC18S02015 VD13 NC/AVLC18S02015 VD13 NC/AVLC18S02015 C373 470n/50V C373 470n/50V R149 150R R149 150R R220 33R R220 33R R183 10k R183 10k C252 22u/6.3V C252 22u/6.3V R490 2.2R R490 2.2R C88 20p/50V C88 20p/50V VD35 NC/AVLC18S02015 VD35 NC/AVLC18S02015 R268 NC/0R R268 NC/0R R136 75R R136 75R VD14 NC/AVLC18S02015 VD14 NC/AVLC18S02015 N11 CW78D05CZ N11 CW78D05CZ GND 3 Vout 2 Vin 1 R279 1k R279 1k VD31 NC/AVLC18S02015 VD31 NC/AVLC18S02015 R141 47k R141 47k C174 NC/390p/50V C174 NC/390p/50V R188 12k R188 12k XS21 XS21 1 6 7 8 9 2 3 4 5 11 10 C374 1n/50V C374 1n/50V VD30 NC/AVLC18S02015 VD30 NC/AVLC18S02015 红 白 黄 左 中 右 XS19 红 白 黄 左 中 右 XS19 GND 2 GND 5 SIGNAL7 7 SIGNAL9 9 GND 8 SIGNAL4 4 SIGNAL6 6 SIGNAL1 1 SIGNAL3 3 R57 33R R57 33R R128 75R R128 75R C758 100n/16V C758 100n/16V VD25 NC/AVLC18S02015 VD25 NC/AVLC18S02015 V38 2N7002 V38 2N7002 3 1 2 CE13 10u/50V CE13 10u/50V R63 33R R63 33R R142 330R R142 330R R36 100k R36 100k R166 100R R166 100R VD10 NC/AVLC18S02015 VD10 NC/AVLC18S02015 R178 0R R178 0R R191 12k R191 12k V9 2SAR523EB V9 2SAR523EB 3 1 2 C109 10u/16V C109 10u/16V R492 1k R492 1k R291 100R R291 100R R222 51R R222 51R C178 100n/16V C178 100n/16V R294 10k R294 10k R251 4.7k R251 4.7k R167 100R R167 100R C366 470n/50V C366 470n/50V R323 100R R323 100R R164 10k R164 10k R153 75R R153 75R L8 BLM18PG181SN1 L8 BLM18PG181SN1 C175 100n/16V C175 100n/16V R132 4.7k R132 4.7k C144 2.2u/10V C144 2.2u/10V C119 10u/16V C119 10u/16V R180 10k R180 10k 红 蓝 绿 左 中 右 XS3 AV3-WBP-RGB 红 蓝 绿 左 中 右 XS3 AV3-WBP-RGB GND 2 GND 5 SIGNAL7 7 SIGNAL9 9 GND 8 SIGNAL4 4 SIGNAL6 6 SIGNAL1 1 SIGNAL3 3 R182 12k R182 12k C53 4.7u/10V C53 4.7u/10V R496 2.2k R496 2.2k L27 0.1 uH L27 0.1 uH C179 100n/16V C179 100n/16V R154 75R R154 75R C92 100n/16V C92 100n/16V R272 4.7k R272 4.7k C176 NC/390p/50V C176 NC/390p/50V R58 33R R58 33R R39 100k R39 100k C206 1u/16V C206 1u/16V R292 NC/0R R292 NC/0R N79 MAX3232C N79 MAX3232C C1+ 1 V+ 2 C1- 3 C2+ 4 C2- 5 V- 6 R2IN 8 R2OUT 9 T2IN 10 T1IN 11 R1OUT 12 R1IN 13 VCC 16 T2OUT 7 T1OUT 14 GND 15 R184 NC/0R R184 NC/0R R211 0R R211 0R R252 NC/4.7k R252 NC/4.7k VD16 1N4148W VD16 1N4148W 1 2 C81 10u/25V C81 10u/25V C91 100n/16V C91 100n/16V R61 33R R61 33R VD26 NC/AVLC18S02015 VD26 NC/AVLC18S02015 R145 75R R145 75R C759 100n/16V C759 100n/16V R165 10k R165 10k R64 33R R64 33R R494 10R R494 10R C145 2.2u/10V C145 2.2u/10V R212 0R R212 0R R67 33R R67 33R VD27 NC/AVLC18S02015 VD27 NC/AVLC18S02015 VD29 NC/AVLC18S02015 VD29 NC/AVLC18S02015 C108 22u/6.3V C108 22u/6.3V C177 NC/120p C177 NC/120p 红 白 黄 左 中 右 XS5 红 白 黄 左 中 右 XS5 GND 2 GND 5 SIGNAL7 7 SIGNAL9 9 GND 8 SIGNAL4 4 SIGNAL6 6 SIGNAL1 1 SIGNAL3 3 R129 75R R129 75R R276 0R R276 0R R324 100R R324 100R U3 HFT-96/T116H U3 HFT-96/T116H AGC 1 VT_33V 2 SDA 3 SCL 4 BM_+5V 5 IF_out2 6 IF_out1 7 GND4 8 GND3 9 GND2 10 GND1 11 R152 75R R152 75R R277 0R R277 0R C367 1.5n/50V C367 1.5n/50V R173 10k R173 10k VD28 NC/AVLC18S02015 VD28 NC/AVLC18S02015 R221 51R R221 51R C87 20p/50V C87 20p/50V R249 15k R249 15k R70 33R R70 33R XS2 XS2 1 2 3 4 5 6 7 8 9 10 11 12 13 14 15 17 16 R133 4.7k R133 4.7k V10 2SCR523EB V10 2SCR523EB 3 1 2 R160 100R R160 100R R495 56k R495 56k R168 100R R168 100R R253 4.7k R253 4.7k 5 5 4 4 3 3 2 2 1 1 D D C C B B A A USB1 HDMI1-RX2+ HDMI1-RX2- HDMI1-RX1- HDMI1-RX1+ HDMI1-RX2+ HDMI_HP1 HDMI1-RX2- HDMI1-RX1+ HDMI1-RX1- HDMI1-RX0- HDMI1-RXC+ HDMI1-RXC- CEC HDMI1-DDC-SDA HDMI1-DDC-SCL HDMI1-HPD HDMI1-RX0+ HDMI1-RX0+ HDMI1-RX0- HDMI1-RXC- HDMI1-RXC+ USB1_D1-_in USB1_D1+_in USB1_D1+_in USB1_D- USB1_D+ HDMI1-HPD HDMI1/5V 5V_USB HDMI1-SCL 2 HDMI1-RX2P 2 HDMI1-RX0N 2 HDMI1-SDA 2 HDMI1-RX2N 2 HDMI1-CLKP 2 HDMI_HP1 2 HDMI1-RX1P 2 HDMI1-RX1N 2 HDMI1-RX0P 2 HDMI1-CLKN 2 HDMI-CEC 2 ARC 2 USB1_D- 2 USB1_D+ 2 Title Size Document Number Rev Date: Sheet of 4F-1, No. 26, Tai-Yuan St., ChuPei, Hsinchu Hsien, Taiwan 302, R.O.C MStar Semiconductor, Inc MST6M181VS A MST6M181VS DEMO BOARD A4 4 7 Tuesday, November 06, 2012 Title Size Document Number Rev Date: Sheet of 4F-1, No. 26, Tai-Yuan St., ChuPei, Hsinchu Hsien, Taiwan 302, R.O.C MStar Semiconductor, Inc MST6M181VS A MST6M181VS DEMO BOARD A4 4 7 Tuesday, November 06, 2012 Title Size Document Number Rev Date: Sheet of 4F-1, No. 26, Tai-Yuan St., ChuPei, Hsinchu Hsien, Taiwan 302, R.O.C MStar Semiconductor, Inc MST6M181VS A MST6M181VS DEMO BOARD A4 4 7 Tuesday, November 06, 2012 R198 5.1R R198 5.1R VD113 ESDA6V8UF VD113 ESDA6V8UF IC1 4 GND 2 I/O3 3 I/O1 1 VCC 5 IC2 6 R214 22R R214 22R VD43 NC/ASES12U020R2 VD43 NC/ASES12U020R2 R208 NC/100R R208 NC/100R R161 5.1R R161 5.1R H2 NC H2 NC 1 1 2 2 3 3 4 4 5 5 6 6 7 7 8 8 VD39 NC/ASES12U020R2 VD39 NC/ASES12U020R2 M3 MARK M3 MARK R213 4.7k R213 4.7k XS10 XS10 VCC 1 D - 2 D+ 3 GND 4 GND 5 GND 6 R203 5.1R R203 5.1R VD42 NC/ASES12U020R2 VD42 NC/ASES12U020R2 R163 5.1R R163 5.1R R169 10k R169 10k VD110 ESDA6V8UBA VD110 ESDA6V8UBA Vp 4 I/O1 2 I/O2 3 GND 1 M2 MARK M2 MARK R215 22R R215 22R R204 5.1R R204 5.1R R170 10k R170 10k H1 NC H1 NC 1 1 2 2 3 3 4 4 5 5 6 6 7 7 8 8 R172 5.1R R172 5.1R R209 1k R209 1k XS7 DC1R019JB1 XS7 DC1R019JB1 DATA2+ 1 DATA2S 2 DATA2- 3 DATA1+ 4 DATA1S 5 DATA1- 6 DATA0+ 7 DATA0S 8 DATA0- 9 CLK+ 10 CLKS 11 CLK- 12 CEC 13 NC 14 SCL 15 SDA 16 CEC/GND 17 +5V 18 HPDET 19 GND1 20 GND3 22 GND2 21 GND4 23 C23 47n/16V C23 47n/16V R88 5.1R R88 5.1R R205 5.1R R205 5.1R H3 NC H3 NC 1 1 2 2 3 3 4 4 5 5 6 6 7 7 8 8 R89 5.1R R89 5.1R VD112 ESDA6V8UF VD112 ESDA6V8UF IC1 4 GND 2 I/O3 3 I/O1 1 VCC 5 IC2 6 R197 5.1R R197 5.1R M1 MARK M1 MARK R207 33R R207 33R C116 10u/16V C116 10u/16V V7 2SCR523EB V7 2SCR523EB 3 1 2 R210 10k R210 10k C117 100n/16V C117 100n/16V H4 NC H4 NC 1 1 2 2 3 3 4 4 5 5 6 6 7 7 8 8 5 5 4 4 3 3 2 2 1 1 D D C C B B A A 0: Normal 1: Shutdown Power On Mute Power Off Mute MUTE 左右声道电源分开走线,从5v-if处分两条电源 工程机增加一路功放静音控制 工程机增加一路功放 增加二极管防止误静音 AMP-MUTE PH-Rin PH-Lin AMP-Lout+ AMP-Lout+ AMP-Lout- AMP-Lout- AMP-Rout+ AMP-Rout+ AMP-Rout- AMP-Rout- AMP-LIN AMP-RIN SHUTDOWN PWD_MT SHUTDOWN PWD_MT AMP-MUTE2 AMP_AUOUTL0 AMP_AUOUTR0 HP_DET OUT-L AU_ROUT OUT-R AU_LOUT AU-Lout+ OUT-L OUT-R SHUTDOWN AU-Lout- AU-Rout- PH-Lin PH-Rin AU-Rout+ SHUTDOWN2 AMP-LIN AMP-RIN SHUTDOWN2 SHUTDOWN2 PWD_MT 5VAIN VCC-A VCC-A VCC-A 5Vstb 5VAIN 5Vstb 5VAIN 5V-IF 5V-IF 5V-IF 5V-IF 5VAR2 5VAL2 VCC-A VCC-A VCC-A 5VAL GND 5VAR GND 5VAR 5VAL +12V_IN +12V_IN AMP-MUTE 2 AMP_AUOUTL0 2 AMP_AUOUTR0 2 HP_DET 2 AU_LOUT 2 AU_ROUT 2 AU-Rout+ 3 AU-Rout- 3 AU-Lout- 3 AU-Lout+ 3 AMP-MUTE2 2 Title Size Document Number Rev Date: Sheet of 5 7 A Audio Amplifier MST6M182VL A3 Tuesday, November 06, 2012 Title Size Document Number Rev Date: Sheet of 5 7 A Audio Amplifier MST6M182VL A3 Tuesday, November 06, 2012 Title Size Document Number Rev Date: Sheet of 5 7 A Audio Amplifier MST6M182VL A3 Tuesday, November 06, 2012 R247 47k R247 47k C382 220n/25V C382 220n/25V L57 NC/BLM21PG220SN1D L57 NC/BLM21PG220SN1D R264 33R R264 33R V18 2SCR523EB V18 2SCR523EB 3 1 2 C416 10u/16V C416 10u/16V C358 1n/50V C358 1n/50V R254 47k R254 47k L53 NC/BLM21PG220SN1D L53 NC/BLM21PG220SN1D R502 10k R502 10k R468 NC/100k R468 NC/100k R225 10k R225 10k R235 33R R235 33R C378 330p/50V C378 330p/50V R470 NC/100k R470 NC/100k R315 100R R315 100R VD34 NC/AVLC18S02015 VD34 NC/AVLC18S02015 C387 1n/50V C387 1n/50V R493 10R R493 10R L58 BLM18PG181SN1 L58 BLM18PG181SN1 R360 10k R360 10k R248 1.5k R248 1.5k V23 2SCR523EB V23 2SCR523EB 3 1 2 R234 1k R234 1k R230 470R R230 470R R505 0R R505 0R C107 47u/16V C107 47u/16V R255 470R R255 470R C395 470n/16V C395 470n/16V C399 470n/16V C399 470n/16V R457 1k R457 1k R456 0R R456 0R VD32 NC/AVLC18S02015 VD32 NC/AVLC18S02015 R453 NC/0R R453 NC/0R N16 TPA3110D2 N16 TPA3110D2 SD 1 FAULT 2 LINP 3 LINN 4 GAIN0 5 GAIN1 6 AVCC 7 AGND 8 GVDD 9 PLIMIT 10 RINN 11 RINP 12 NC 13 PBTL 14 PVCCR 15 PVCCR 16 BSPR 17 OUTPR 18 PGND 19 OUTNR 20 BSNR 21 BSNL 22 OUTNL 23 PGND 24 OUTPL 25 BSPL 26 PVCCL 27 PVCCL 28 GND 29 R355 NC/0R R355 NC/0R R260 470R R260 470R R454 0R R454 0R R497 NC/100k R497 NC/100k C407 1u/16V C407 1u/16V C369 330p/50V C369 330p/50V C361 1n/50V C361 1n/50V R256 1.5k R256 1.5k C256 1u/16V C256 1u/16V C400 1n/50V C400 1n/50V C727 220n/10V C727 220n/10V C118 22u/6.3V C118 22u/6.3V L30 BLM18PG181SN1 L30 BLM18PG181SN1 VD102 1N4148W VD102 1N4148W 1 2 C730 470n/16V C730 470n/16V V24 2SAR523EB V24 2SAR523EB 3 1 2 VD105 1N4148W VD105 1N4148W 1 2 L52 BLM21PG221SN1 L52 BLM21PG221SN1 L59 NC/BLM21PG220SN1D L59 NC/BLM21PG220SN1D C379 1n/50V C379 1n/50V C420 NC/1n/50V C420 NC/1n/50V C121 22u/6.3V C121 22u/6.3V C417 100n/16V C417 100n/16V VD38 1N4148W/NC VD38 1N4148W/NC 1 2 C401 2.2u/16V C401 2.2u/16V VD33 1N4148W/NC VD33 1N4148W/NC 1 2 R458 NC/0R R458 NC/0R R5011k/NC R5011k/NC C124 2.2u/10V C124 2.2u/10V C390 470n/25V C390 470n/25V R242 33k R242 33k L41 15.0uH L41 15.0uH L51 15.0 uH L51 15.0 uH R239 1.05k R239 1.05k C362 1u/16V C362 1u/16V C371 470n/25V C371 470n/25V R243 470R R243 470R R216 33R R216 33R R498 0R R498 0R C408 330p/50V C408 330p/50V R232 220R R232 220R L42 BLM21PG221SN1 L42 BLM21PG221SN1 L61 BLM21PG221SN1 L61 BLM21PG221SN1 C135 100u/16V C135 100u/16V C396 330p/50V C396 330p/50V R480 22k R480 22k R261 10k R261 10k V16 2SCR523EB V16 2SCR523EB 3 1 2 C365 1u/16V C365 1u/16V C409 100u/16V C409 100u/16V R445 10R R445 10R C359 10u/16V C359 10u/16V C733 470n/16V C733 470n/16V R479 10R R479 10R C412 100u/16V C412 100u/16V V29 2SCR523EB V29 2SCR523EB 3 1 2 VD11 1N4148W VD11 1N4148W 1 2 R401 22k R401 22k R416 0R R416 0R R384 47k R384 47k C385 220n/25V C385 220n/25V R481 1k R481 1k V12 2SCR523EB V12 2SCR523EB 3 1 2 R240 1.05k R240 1.05k C397 470n/16V C397 470n/16V R398 22k R398 22k C185 2.2u/10V C185 2.2u/10V L43 15.0uH L43 15.0uH R217 22k R217 22k R223 47k R223 47k C392 1n/50V C392 1n/50V XP6 XP6 1 2 3 4 C403 330p/50V C403 330p/50V VD100 1N4148W VD100 1N4148W 1 2 C363 330p/50V C363 330p/50V R455 10R R455 10R C186 2.2u/10V C186 2.2u/10V C386 1u/16V C386 1u/16V L33 BLM21PG221SN1 L33 BLM21PG221SN1 R417 0R R417 0R R233 22k R233 22k C410 220n/25V C410 220n/25V C422 NC/470n/25V C422 NC/470n/25V R352 47k R352 47k R257 10k R257 10k R304 0R R304 0R L40 15.0uH L40 15.0uH C375 470n/16V C375 470n/16V C404 2.2u/16V C404 2.2u/16V C376 1n/50V C376 1n/50V C370 1n/50V C370 1n/50V L37 BLM21PG221SN1 L37 BLM21PG221SN1 R218 220R R218 220R C421 NC/1n/50V C421 NC/1n/50V R372 1k R372 1k R262 33R R262 33R R499 NC/100k R499 NC/100k C418 10u/16V C418 10u/16V R241 33k R241 33k V28 2SCR523EB V28 2SCR523EB 3 1 2 R402 22k R402 22k R371 100k R371 100k C143 2.2u/10V C143 2.2u/10V VD1031N4148W VD1031N4148W 1 2 C731 470n/16V C731 470n/16V R258 1k R258 1k R357 NC/0R R357 NC/0R R503 10R R503 10R R467 NC/100k R467 NC/100k C364 1n/50V C364 1n/50V R441 0R R441 0R C360 10u/16V C360 10u/16V R231 22k R231 22k C372 NC/470n/25V C372 NC/470n/25V VD101 BAV99LT1 VD101 BAV99LT1 1 3 2 R263 1k R263 1k R358 10k R358 10k C384 330p/50V C384 330p/50V C391 220n/25V C391 220n/25V C110 100u/16V C110 100u/16V C411 NC/1n/50V C411 NC/1n/50V R353 NC/1k R353 NC/1k R237 22k R237 22k R367 0R R367 0R R259 33R R259 33R C383 1n/50V C383 1n/50V L50 15.0 uH L50 15.0 uH R488 0R R488 0R C405 2.2u/16V C405 2.2u/16V R229 470R R229 470R C101 100u/16V C101 100u/16V C393 1u/16V C393 1u/16V R489 NC/0R R489 NC/0R V17 2SCR523EB V17 2SCR523EB 3 1 2 R415 10R R415 10R VD12 1N4148W VD12 1N4148W 1 2 V26 2SCR523EB V26 2SCR523EB 3 1 2 L56 NC/BLM21PG220SN1D L56 NC/BLM21PG220SN1D R245 470R R245 470R C380 1u/16V C380 1u/16V C357 1u/16V C357 1u/16V C419 100n/16V C419 100n/16V N28 TPA3110D2/NC N28 TPA3110D2/NC SD 1 FAULT 2 LINP 3 LINN 4 GAIN0 5 GAIN1 6 AVCC 7 AGND 8 GVDD 9 PLIMIT 10 RINN 11 RINP 12 NC 13 PBTL 14 PVCCR 15 PVCCR 16 BSPR 17 OUTPR 18 PGND 19 OUTNR 20 BSNR 21 BSNL 22 OUTNL 23 PGND 24 OUTPL 25 BSPL 26 PVCCL 27 PVCCL 28 GND 29 L47 15.0 uH L47 15.0 uH R244 10k R244 10k R246 10k R246 10k C394 1n/50V C394 1n/50V R370 NC/0R R370 NC/0R R400 22k R400 22k C184 2.2u/10V C184 2.2u/10V VD106 1N4148W VD106 1N4148W 1 2 C381 1n/50V C381 1n/50V R504 22k R504 22k C726 220n/10V C726 220n/10V C398 330p/50V C398 330p/50V C388 470n/25V C388 470n/25V L39 15.0uH L39 15.0uH R442 0R R442 0R L62 BLM21PG221SN1 L62 BLM21PG221SN1 C183 2.2u/10V C183 2.2u/10V C389 470n/25V C389 470n/25V R399 22k R399 22k R369 NC/0R R369 NC/0R R478 NC/22k R478 NC/22k R WR WL L GND XS1 R WR WL L GND XS1 3 4 2 1 5 C728 220n/10V C728 220n/10V C732 470n/16V C732 470n/16V C406 2.2u/16V C406 2.2u/16V C402 NC/1n/50V C402 NC/1n/50V R491 1k/NC R491 1k/NC L54 BLM21PG221SN1 L54 BLM21PG221SN1 R238 1k R238 1k L49 15.0 uH L49 15.0 uH C377 1u/16V C377 1u/16V R500 10R R500 10R C729 220n/10V C729 220n/10V C253 1u/16V C253 1u/16V R469 10R R469 10R R397 0R R397 0R L24 BLM18PG181SN1 L24 BLM18PG181SN1 VD104 1N4148WVD104 1N4148W 1 2 R368 100k R368 100k C148 100n/16V C148 100n/16V R236 33R R236 33R 5 5 4 4 3 3 2 2 1 1 D D C C B B A A 13.5V 3.3V TC0_0 TC0_1 TC0_3 TC0_4 TC0_5 物料号1109931,CIS库里没有 VDDAM should be follow to DS. spec. VDDAH / VDDAL POWER CIRCUIT Connect to PIN 7 预留 增加R351/R350/R354 增加R379/R407/R356 Layout Place Left Layout Place Right source板上如果有电容,排阻要用22R RLV4N RLV4P RLV5N RLV5P VST OE_AUO CKV_AUO GCLK3 TP_AUO SOE POL POL_AUO XAO_AUO XAO# RLV2N RLV3P RLV2P RLV3N VCOM POL_AUO GM11 GM10 GM9 GM8 GM14 GM13 GM12 GM5 GM4 GM3 GM2 GM1 GM7 GM6 TP_AUO STV_AUO RLV1N RLV1P RLV3P RLV3N RLV2N RLV2P RLV0N RLV0P CKV_AUO XAO_AUO TP_AUO POL_AUO LLV5P LLV4N LLV4P LLV6P LLV3N LLV5N LLV3P STV_AUO CKV_AUO GM11 GM14 GM8 GM9 GM10 GM4 GM5 GM6 GM12 GM13 GM1 GM2 GM3 GM7 XAO_AUO VCOM1 VCOM VCOM1 RLV0N RLV0P RLV1N RLV1P LLV0P RLV6N RLV6P LLV0N LLV6N LLV6P LLV4N LLV4P LLV5N LLV5P LLV1P LLV1N LLV2N LLV2P LLV3N LLV3P RLV4N RLV4P RLV5N RLV5P RLV6N RLV6P LLV2P LLV2N LLV1P LLV1N LLV0P LLV6N OE_AUO VMID VMID VDDAL VMID VDDAH VDDA OE_AUO VCOM VCOMIN VREF VREF VCOMIN LLV0N VCOMIN GM13 GM14 GM1 GM2 GM3 GM5 GM9 GM4 GM6 GM10 GM7 GM11 VOUT1 VOUT10 VOUT11 VOUT12 VOUT13 VOUT14 VOUT2 VOUT3 VOUT4 VOUT5 VOUT6 VOUT7 VOUT8 VOUT9 GM8 GM12 VOUT19 GCLK2 STV_AUO STV1_AUO STV1_AUO STV1_AUO STV1-AUO VDDD VSD VDDA VS_BUFFER VDDD VSD 3.3Vstb VDDA VDDD VDDAH VDDAL VDDA VDDD VDDAL VDDAH VDDD VDDA VDDAH VDDAL VDDA VDDD VDDD VDDD VGL VGHM VGL VGHM VCOM VREF VS_BUFFER RXO2+ 2 RXO2- 2 RXO1+ 2 RXO1- 2 RXO0- 2 RXO0+ 2 RXOC- 2 RXOC+ 2 POL 2 VST 2 GCLK2 2 GCLK3 2 SOE 2 MI2C-SCL 2 MI2C-SDA 2 XAO# 6 LVSYNC 2 LHSYNC 2 LCK 2 LDE 2 RXO4+ 2 RXO4- 2 RXO3- 2 RXO3+ 2 RXE0+ 2 RXE0- 2 RXE4+ 2 RXE4- 2 RXEC+ 2 RXEC- 2 RXE2+ 2 RXE2- 2 RXE3+ 2 RXE3- 2 RXE1+ 2 RXE1- 2 VCOMIN 6 RLV2N 2 RLV2P 2 RLV3N 2 RLV3P 2 RLV4N 2 RLV4P 2 RLV5N 2 RLV5P 2 RLV6N 2 RLV6P 2 LLV0N 2 LLV0P 2 LLV1N 2 LLV1P 2 LLV2N 2 LLV2P 2 LLV3N 2 LLV3P 2 LLV4N 2 LLV4P 2 LLV5N 2 LLV5P 2 LLV6N 2 LLV6P 2 STV1-AUO Title Size Document Number Rev Date: Sheet of 5 7 A Tcon Interface MST6M182VL A3 Tuesday, November 06, 2012 Title Size Document Number Rev Date: Sheet of 5 7 A Tcon Interface MST6M182VL A3 Tuesday, November 06, 2012 Title Size Document Number Rev Date: Sheet of 5 7 A Tcon Interface MST6M182VL A3 Tuesday, November 06, 2012 C200 100n/25V C200 100n/25V L29 NC/BLM18PG181SN1 L29 NC/BLM18PG181SN1 R336 0R R336 0R C259 1.2n/50V C259 1.2n/50V RP8 22R RP8 22R 1 8 2 3 4 5 7 6 R462 22R R462 22R R314 0R/NC R314 0R/NC R407 NC/0R R407 NC/0R R334 0R/NC R334 0R/NC XP16 XP16 1 2 3 4 5 6 7 8 9 10 11 12 13 14 15 16 17 18 19 20 21 22 23 24 25 26 27 28 29 30 31 32 33 34 35 36 37 38 39 40 41 42 43 44 45 46 47 48 49 50 51 52 53 54 55 56 57 58 59 60 61 62 R438 22R R438 22R R351 NC/0R R351 NC/0R R428 0R R428 0R XP15 XP15 1 2 3 4 5 6 7 8 9 10 11 12 13 14 15 16 17 18 19 20 21 22 23 24 25 26 27 28 29 30 31 32 33 34 35 36 37 38 39 40 41 42 43 44 45 46 47 48 49 50 51 52 53 54 55 56 57 58 59 60 61 62 R434 0R R434 0R R443 0R/NC R443 0R/NC L88 BLM18PG181SN1 L88 BLM18PG181SN1 C213 100n/25V C213 100n/25V R316 0R/NC R316 0R/NC R420 10k R420 10k C208 2.2u/10V C208 2.2u/10V R425 100R R425 100R R4460R/NC R4460R/NC R333 0R/NC R333 0R/NC RP100R RP100R 1 8 2 3 4 5 7 6 L31 BLM18PG181SN1 L31 BLM18PG181SN1 R329 0R/NC R329 0R/NC R427 100R R427 100R R444 0R/NC R444 0R/NC R436 NC/0R R436 NC/0R R326 0R/NC R326 0R/NC R327 0R/NC R327 0R/NC R430 NC/0R R430 NC/0R R317 0R/NC R317 0R/NC C245 2.2u/16V C245 2.2u/16V R451 0R/NC R451 0R/NC R328 0R/NC R328 0R/NC R460 22R R460 22R R332 0R/NC R332 0R/NC R319 0R/NC R319 0R/NC RP5 0R RP5 0R 1 8 2 3 4 5 7 6 R3390R/NC R3390R/NC RP6 22R RP6 22R 1 8 2 3 4 5 7 6 R450 0R/NC R450 0R/NC R318 NC/0R R318 NC/0R R325 0R/NC R325 0R/NC C212 100n/16V C212 100n/16V RP19 22R RP19 22R 1 8 2 3 4 5 7 6 VD17 MBR0520LT1/B0520LW VD17 MBR0520LT1/B0520LW 1 2 C209 10u/25V C209 10u/25V R379 NC/0R R379 NC/0R C82 2.2u/16V C82 2.2u/16V C191 100n/25V C191 100n/25V R350 0R R350 0R R312 0R/NC R312 0R/NC TP7 TP7 R439 22R R439 22R C435 10u/25V C435 10u/25V R448 0R/NC R448 0R/NC R393 0R R393 0R VD18 MBR0520LT1/B0520LW VD18 MBR0520LT1/B0520LW 1 2 RP110R RP110R 1 8 2 3 4 5 7 6 R435 0R R435 0R R395 0R R395 0R R429 10k R429 10k R322 0R/NC R322 0R/NC R422 0R R422 0R RP7 22R RP7 22R 1 8 2 3 4 5 7 6 R437 22R R437 22R R338 0R/NC R338 0R/NC N8 MAX9650 N8 MAX9650 NC1 1 IN- 2 IN+ 3 GND 4 NC2 8 VDD 7 OUT 6 NC3 5 EP 9 R321 0R/NC R321 0R/NC R424 22R R424 22R R433 0R R433 0R R432 22R R432 22R R431 10k R431 10k L36 BLM21PG220SN1D L36 BLM21PG220SN1D C83 10u/25V C83 10u/25V R571 0R/NC R571 0R/NC R423 0R R423 0R R330 0R/NC R330 0R/NC R461 22R R461 22R R331 0R/NC R331 0R/NC R354 NC/0R R354 NC/0R R421 10k R421 10k N24 BUF16821 N24 BUF16821 VCOM OUT2 1 OUT1 2 OUT2 3 OUT3 4 OUT4 5 OUT5 6 OUT6 7 GNDA1 8 VS1 9 OUT7 10 OUT8 11 OUT9 12 VSD 13 SCL 14 SDA 15 A0 16 BKSEL 17 GNDD 18 OUT10 19 OUT11 20 OUT12 21 OUT13 22 VS2 23 GNDA2 24 OUT14 25 OUT15 26 OUT16 27 VCOM OUT1 28 EPAD_GND 29 R356 NC/0R R356 NC/0R TP6 TP6 RP20 22R RP20 22R 1 8 2 3 4 5 7 6 RP12 22R RP12 22R 1 8 2 3 4 5 7 6 R337 0R R337 0R R320 0R R320 0R R335 0R/NC R335 0R/NC RP18 22R RP18 22R 1 8 2 3 4 5 7 6 R447 0R/NC R447 0R/NC 5 5 4 4 3 3 2 2 1 1 D D C C B B A A IPS VCOM=6V BOE VCOM=7.04V IPS VDDA=12.5V BOE VDDA=15.27V IPS VDDD=3.3V BEO VDDD=3.3V IPS VGL=-8V BOE VGL=-8V TC1_8 IPS VGH= 23V BOE VGH=25.74V IPS VREF=12.47V BOE VREF=14.78V TC0_2 物料号1106799 3A 3A 目前4个22 EN FBP VCOMIN VDDA VDET FB1 FBP INVL XAO# GCLK1 OE2 PT_EN1 EN VCOMIN FB1 VDDA VCC-Panel VDD VDD VDDA VGH VDDD VS1 VGL VDD VDDD VGHM VDDA VGH VDDA VCOM VREF PT_EN1 2 XAO# 5 GCLK1 2 VCOMIN 5 Title Size Document Number Rev Date: Sheet of 6 7 A Tcon Power MST6M182VG A4 Tuesday, November 06, 2012 Title Size Document Number Rev Date: Sheet of 6 7 A Tcon Power MST6M182VG A4 Tuesday, November 06, 2012 Title Size Document Number Rev Date: Sheet of 6 7 A Tcon Power MST6M182VG A4 Tuesday, November 06, 2012 C263 10u/25V C263 10u/25V C240 100n/25V C240 100n/25V C244 100n/16V C244 100n/16V R392 0R R392 0R R375 33k R375 33k L23 BLM21PG220SN1D L23 BLM21PG220SN1D C237 2.2u/10V C237 2.2u/10V C216 10u/25V C216 10u/25V C264 10u/25V C264 10u/25V C222 10u/25V C222 10u/25V R381 10k R381 10k C151 100p/50V C151 100p/50V R373 8.2k R373 8.2k R385 0R R385 0R VD44 B240A-13-F VD44 B240A-13-F 1 2 R362 1k R362 1k C266 10u/25V C266 10u/25V R377 13k R377 13k C215 10u/25V C215 10u/25V C250 100n/50V C250 100n/50V R376 24k R376 24k VD47 BAV99LT1 VD47 BAV99LT1 1 3 2 C432 10u/25V C432 10u/25V V31 2SCR523EB V31 2SCR523EB 3 1 2 R361 22k R361 22k C188 100n/25V C188 100n/25V C242 100n/25V C242 100n/25V TP10 TP10 R311 0R R311 0R VD4 APD340VRTR-G1 VD4 APD340VRTR-G1 1 2 C227 100n/25V C227 100n/25V R426 NC/0R R426 NC/0R C168 33p/50V C168 33p/50V C218 10u/25V C218 10u/25V R364 68R R364 68R R378 140k R378 140k TP8 TP8 C239 100n/16V C239 100n/16V C190 220n/25V C190 220n/25V C225 100n/25V C225 100n/25V C251 100n/16V C251 100n/16V C220 10u/25V C220 10u/25V MAX17126 N30 MAX17126BETM+ MAX17126 N30 MAX17126BETM+ VREF 1 VOP 2 OGND 3 OPP 4 OPN 5 OPO 6 XAO 7 GVOFF 8 EN 9 FB2 10 OUT 11 NC 12 LX2 13 LX21 14 BST 15 IN2 16 IN21 17 GND_18 18 VDET 19 INVL 20 VL 21 FSEL 22 CLIM 23 SS 24 EP 49 LX1 25 LX11 26 PGND_27 27 PGND_28 28 GD_1 29 GD 30 FB1 31 COMP 32 THR 33 SUPP 34 CPGND_35 35 DRVP 36 DLY1 37 FBP 38 VGH 39 DRN 41 SUPN 42 VGHM 40 DRVN 43 GND_44 44 FBN 45 REF 46 VREF_FB 47 VREF_O 48 C198 33p/50V C198 33p/50V C219 1n/50V C219 1n/50V C211 470n/50V C211 470n/50V R463 4.7k R463 4.7k C238 10u/25V C238 10u/25V C201 100n/25V C201 100n/25V VD46 AO3401L VD46 AO3401L 1 2 3 R410 NC/0R R410 NC/0R C195 10u/50V C195 10u/50V VD45 BAV99LT1 VD45 BAV99LT1 1 3 2 R414 10k R414 10k C430 100n/25V C430 100n/25V R459 22R R459 22R VD63 BAV99LT1 VD63 BAV99LT1 1 3 2 C236 22u/16V C236 22u/16V C217 2.2n/50V C217 2.2n/50V C137 100p/50V C137 100p/50V R298 10k R298 10k R408 NC/0R R408 NC/0R R386 100k R386 100k C192 1u/50V C192 1u/50V R374 560k R374 560k R411 4.7k/NC R411 4.7k/NC L21 4.7 uH L21 4.7 uH TP11 TP11 R309 10k R309 10k R365 68k R365 68k C241 100n/25V C241 100n/25V R305 68k R305 68k C133 1n/50V C133 1n/50V R380 10k R380 10k R383 3.48k R383 3.48k C261 10u/25V C261 10u/25V C193 1u/50V C193 1u/50V C187 100n/25V C187 100n/25V L22 10.0 uH L22 10.0 uH R394 0R R394 0R R382 0R R382 0R C433 10u/25V C433 10u/25V R363 0R R363 0R C434 2.2u/25V C434 2.2u/25V C265 10u/16V C265 10u/16V C243 100n/50V C243 100n/50V C262 10u/25V C262 10u/25V C221 100n/25V C221 100n/25V R300 10k R300 10k C232 100n/25V C232 100n/25V TP9 TP9 R366 100k R366 100k

标签:

版权声明

1. 本站所有素材,仅限学习交流,仅展示部分内容,如需查看完整内容,请下载原文件。
2. 会员在本站下载的所有素材,只拥有使用权,著作权归原作者所有。
3. 所有素材,未经合法授权,请勿用于商业用途,会员不得以任何形式发布、传播、复制、转售该素材,否则一律封号处理。
4. 如果素材损害你的权益请联系客服QQ:77594475 处理。