乐华液晶屏改显示器驱动板说明书

分类:电子电工 日期: 点击:0
乐华液晶屏改显示器驱动板说明书-0 乐华液晶屏改显示器驱动板说明书-1 乐华液晶屏改显示器驱动板说明书-2 乐华液晶屏改显示器驱动板说明书-3 乐华液晶屏改显示器驱动板说明书-4 乐华液晶屏改显示器驱动板说明书-5 乐华液晶屏改显示器驱动板说明书-6 乐华液晶屏改显示器驱动板说明书-7 乐华液晶屏改显示器驱动板说明书-8

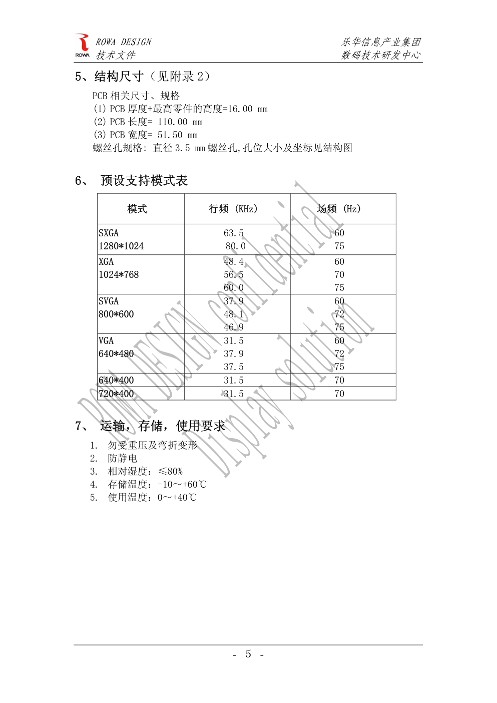
ROWA DESIGN 乐华信息产业集团 技术文件 数码技术研发中心 LCD 主控板规格书 型号: 3523-11A 类别: 通用组件 级别: 机密 编制: 审核: 批准: 发布日期:2005 年 09 月 09 日 QB050909002 ROWA DESIGN 乐华信息产业集团 技术文件 数码技术研发中心 - 1 - 目录 1、概述 2、主要特性 3、AD 驱动板外观图 4、接口定义及接口电气要求 5、结构尺寸 6、预设支持模式表 7、运输、存储、使用要求 8、附录 ROWA DESIGN 乐华信息产业集团 技术文件 数码技术研发中心 - 2 - 1、概述 该设计主要用于配接 TFT LCD PANEL,实现最高分辨率可达 SXGA 的模拟 R、 G、B 输入信号的再现,色彩再现可支持至 24 bit,支持 64 阶相位。行频在 30 到 80 KHz、场频 56 到 75 Hz 范围内的信号,可以实现同步自动检测。同步方式 要求使用行场分离的同步信号。 非另有说明,产品所符合规范在本文档内描述。 2、主要特性 控制板支持规格: 输入信号: 模拟RGB(0.7Vp-p),行场同步分离 (TTL) 支持模式: DOS,VGA,SVGA,XGA,SXGA 色 彩: 24bit 行同步范围: 30-80KHz 场同步范围: 56-75Hz 输出信号: 双口LVDS标准 控制按键: POWER、DOWN、UP、MENU、AUTO OSD菜单: 亮度,对比度,自动校正,相位,时钟,行场位置, 功能设置,复位 电源输入: 12 V(+/-0.6V)(DC) 电源操作: 正常工作模式,低功耗模式 功耗: 3.0W(无负载时) 尺寸: 110mm(L)×51.5mm(W)×16mm(H) 即插即用功能: 支持 电源管理: 待机功耗<3W ROWA DESIGN 乐华信息产业集团 技术文件 数码技术研发中心 - 3 - 3、AD 驱动板外观图 (顶层) CN5:按键接 口 CN6:软件升 级接口 CN10 : INVERTER 接口 CN12: PANEL 接口 CN4:VGA 端子 CN3:VGA 插座 (可选) CN2:电源插座 (可选) CN1:电源端子 ROWA DESIGN 乐华信息产业集团 技术文件 数码技术研发中心 - 4 - (底层) 4、接口定义(见附录 1)及接口电气要求 1. 按键板操作接口:最多 6 个独立式按键接口; 2. INVERTER 接口:背光开关控制; ROWA DESIGN 乐华信息产业集团 技术文件 数码技术研发中心 - 5 - 5、结构尺寸(见附录 2) PCB 相关尺寸、规格 (1) PCB 厚度+最高零件的高度=16.00 mm (2) PCB 长度= 110.00 mm (3) PCB 宽度= 51.50 mm 螺丝孔规格: 直径 3.5 mm 螺丝孔,孔位大小及坐标见结构图 6、 预设支持模式表 模式 行频 (KHz) 场频 (Hz) SXGA 1280*1024 63.5 80.0 60 75 XGA 1024*768 48.4 56.5 60.0 60 70 75 SVGA 800*600 37.9 48.1 46.9 60 72 75 VGA 640*480 31.5 37.9 37.5 60 72 75 640*400 31.5 70 720*400 31.5 70 7、 运输,存储,使用要求 1. 勿受重压及弯折变形 2. 防静电 3. 相对湿度:≤80% 4. 存储温度:-10~+60℃ 5. 使用温度:0~+40℃ ROWA DESIGN 乐华信息产业集团 技术文件 数码技术研发中心 - 6 - 8、附录 附录 1:接口定义表 CN4 (信号输入) DB15 端子 脚序号 定义 描述 1 RED 红色分量信号输入 2 GREEN 绿色分量信号输入 3 BLUE 蓝色分量信号输入 4 RXD ISP 升级口 5 GND 地 6 GND 地 7 GND 地 8 GND 地 9 NC 空 10 GND 地 11 TXD ISP 升级口 12 DDC_SDA DDC 数据 13 HSYNC 行同步 14 VSYNC 场同步 15 DDC_SCL DDC 时钟 CN3(信号输入)12PIN/2.0 (可选) 注:连接端子板时请参照 CN4 定义,注意保留 ISP 连线 脚序号 定义 描述 1 GND 地 2 VSYNC 场同步信号 3 HSYNC 行同步信号 4 GND 地 5 RED 红色分量信号输入 6 GND 地 7 GREEN 绿色分量信号输入 8 GND 地 9 BLUE 蓝色分量信号输入 10 GND 地 11 DDC_SDA DDC 数据接口 12 DDC_SCL DDC 时钟接口 13 RXD ISP 升级口 14 TXD ISP 升级口 ROWA DESIGN 乐华信息产业集团 技术文件 数码技术研发中心 - 7 - CN10 (INVERTER) 6PIN/2.0 脚序号 定义 描述 1 12V INVERTER 电源 2 12V INVERTER 电源 3 BL_ON INVERTER 开关控制(高电平有效) 4 ADJ 亮度调节(预置接地) 5 GND 地 6 GND 地 CN5 (按键) 10PIN/2.0 脚序号 定义 描述 1 NC 空 2 K0 按键接口 0 3 LED-R 红色指示灯 4 LED-G 绿色指示灯 5 GND 地 6 K1 按键接口 1 7 K2 按键接口 2 8 K3 按键接口 3 9 K4 按键接口 4 10 K5 按键接口 5 CN12(PANEL 接口) 脚序号 定义 类型 描述 1 LCD-VDD Power Power for Panel 2 LCD-VDD Power Power for Panel 3 LCD-VDD Power Power for Panel 4 GND Ground --- 5 GND Ground --- 6 GND Ground --- 7 RXO0- O LVDS ODD 0 - Signal 8 RXO0+ 0 LVDS ODD 0 + Signal 9 RXO1- O LVDS ODD 1 - Signal 10 RXO1+ 0 LVDS ODD 1 + Signal 11 RXO2- O LVDS ODD 2 - Signal 12 RXO2+ 0 LVDS ODD 2 + Signal 13 GND Ground --- 14 GND Ground --- ROWA DESIGN 乐华信息产业集团 技术文件 数码技术研发中心 - 8 - 15 RXOC- O LVDS ODD Clock - Signal 16 RXOC+ 0 LVDS ODD Clock + Signal 17 RXO3- O LVDS EVEN 3 - Signal 18 RXO3+ 0 LVDS EVEN 3 + Signal 19 RXE0- O LVDS EVEN 0 - Signal 20 RXE0+ 0 LVDS EVEN 0 + Signal 21 RXE1- O LVDS EVEN 1 - Signal 22 RXE1+ 0 LVDS EVEN 1 + Signal 23 RXE2- O LVDS EVEN 2 - Signal 24 RXE2+ 0 LVDS EVEN 2 + Signal 25 GND Ground --- 26 GND Ground --- 27 RXEC- O LVDS EVEN Clock - Signal 28 RXEC+ 0 LVDS EVEN Clock + Signal 29 RXE3- O LVDS EVEN 3 - Signal 30 RXE3+ 0 LVDS EVEN 3 + Signal Unit:mm 附录 2:结构尺寸图

标签:

版权声明

1. 本站所有素材,仅限学习交流,仅展示部分内容,如需查看完整内容,请下载原文件。
2. 会员在本站下载的所有素材,只拥有使用权,著作权归原作者所有。
3. 所有素材,未经合法授权,请勿用于商业用途,会员不得以任何形式发布、传播、复制、转售该素材,否则一律封号处理。
4. 如果素材损害你的权益请联系客服QQ:77594475 处理。