JCT 974-2005 道桥用改性沥青防水卷材

分类:建材标准 日期: 点击:0
JCT 974-2005 道桥用改性沥青防水卷材-0 JCT 974-2005 道桥用改性沥青防水卷材-1 JCT 974-2005 道桥用改性沥青防水卷材-2 JCT 974-2005 道桥用改性沥青防水卷材-3 JCT 974-2005 道桥用改性沥青防水卷材-4 JCT 974-2005 道桥用改性沥青防水卷材-5 JCT 974-2005 道桥用改性沥青防水卷材-6 JCT 974-2005 道桥用改性沥青防水卷材-7 JCT 974-2005 道桥用改性沥青防水卷材-8 JCT 974-2005 道桥用改性沥青防水卷材-9

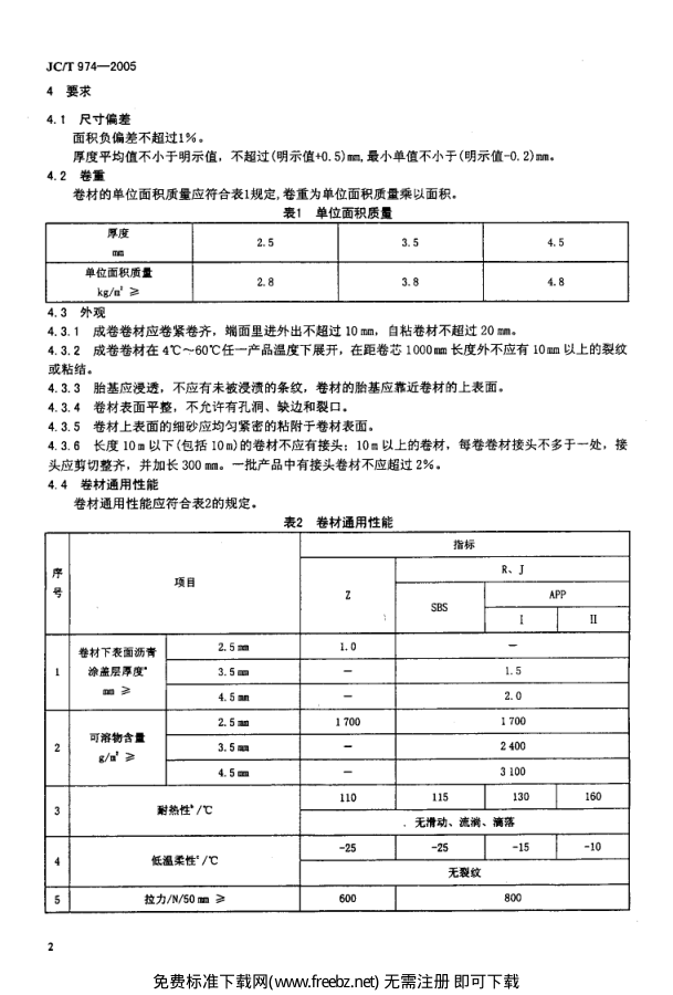
IC S 9 1 . Q 17 备案号: 12 0 . 3 0 15246- 2005 i c 中 华 人 民 共 和 国 建 材 行 」业标 准 J C /T 9 74 - 20 0 5 道桥用改性沥青防水卷材 Modified bituminous waterproofing sheets for concrete bridge decks and other concrete surfaces trafficable by vehicles 2005- 02- 14发布 2005- 07- 01实施 中华 人 民 共 和 国 国家 发 展 和 改 革 委 员 会 发布 免费标准下载网(www.freebz.net) 无需注册 即可下载 J C / r 9 74 - 200 5 HIJ 吕 本标准参考了欧洲标准prEN 14695 《柔性防水卷材一用于混凝土桥面和车辆通行的混凝土表面的增 强沥青卷材一定义和要求》及其相关标准。 本标准由中国建筑材料工业协会提出。 本标准由全国轻质与装饰装修建筑材料标准化技术委员会归口。 本标准负责起草单位: 中国化学建筑材料公司苏州防水材料研究设计所、北京市市政工程设计研究 总院、中国建筑防水材料工业协会。 本标准参加起草单位: 盘锦禹王防水建材集团有限公司、北京东方雨虹防水技术股份有限公司、沈 阳蓝光新型防水材料有限公司、徐州卧牛山新型防水材料有限公司、上海建筑防水材料(集团)公司、上 海湿克威建筑材料有限公司、德国威达有限公司上海代表处、上海汇城建筑装饰有限公司、佳斯迈威(上 海)非织造布有限公司、温州市长城防水材料厂、胜利油田石油大明新型建筑防水材料有限公司、河南 省彩虹防水材料有限公司、三门峡市八四八化工厂、德州双环建材有限公司、吴江市月星建筑防水材料 有限公司。 本标准主要起草人: 朱志远、朱冬青、沈中治、张捷、王新、詹福民、李坤全、李国干、陈文洁。 本标准为首次发布。 免费标准下载网(www.freebz.net) 无需注册 即可下载 J C / T 9 74- 20 05 道桥用改性沥青防水卷材 1 范 围 本标准规定了道桥用改性沥青防水卷材的分类、要求、试验方法、检验规则、标志、包装、运输与 贮 存 。 本标准适用于以水泥混凝土为面层的道路和桥梁表面,并在其上面铺加沥青混凝土层的改性沥青聚 醋胎防水卷材,其它用途如机场跑道、停车场也可参照使用。 2 规范性弓I用文件 下列文件中的条款通过本标准的引用而成为本标准的条款。凡是注日期的引用文件,其随后所有的 修改单(不包括勘误的内容) 或修订版均不适用于本标准,然而,鼓励根据本标准达成协议的各方研究是 否可使用这些文件的最新版本。凡是不注日期的引用文件,其最新版本适用于本标准。 GB 12952- 2003 聚氯乙烯防水卷材 GB 18242- 2000 弹性体改性沥青防水卷材 J GJ / T 55- 1996 普通混凝土配合比设计规程 TTG F40- 2004 公路沥青路面施工技术规范 3 分类 3. 1 类型 产品按施工方式分为自粘施工(Z) 、热熔(R) 或热熔胶(J ) 施工防水卷材。 热熔或热熔胶施工防水卷材按改性材料不同分为苯乙烯一丁二烯一苯乙烯(SBS)热塑性弹性体、无 规聚丙烯或无规聚烯烃类(APP) 塑性体改性沥青防水卷材。 自粘施工防水卷材是整体具有自粘性的以SBS为主,加入其它聚合物的橡胶改性沥青防水卷材。 APP改性沥青防水卷材按沥青铺装层的形式不同分为 I 、II型。 卷材上表面材料为细砂(S) . 热熔施工防水卷材按下表面材料分为: 聚乙烯膜(PE) 、细砂(S)。 热熔胶施工防水卷材下表面材料为细砂(S) . 3. 2 规格 卷材长度规格分为7. 5 m, 10 m, 15 m, 20 ma 卷材宽度为1 m, 自粘施工防水卷材厚度为2. 5 二。 热熔施工防水卷材厚度分为3. 5二、4. 5 mm, 热熔胶施工防水卷材厚度分为2. 5 mm, 3. 5 mm. 3. 3 标记 产品按施工方式、改性材料(APP或SBS类) 、型号、下表面材料、面积、厚度和本标准号顺序标记。 示例: 热熔和热熔胶施工APP改性沥青I 型细砂10扩的3. 5 mm厚度道桥防水卷材标记为: 道桥防水卷材 R$J APP I S 10 m' 3. 5二 J C/T 974- 2005 3. 4 用途 自粘, SBS, APP I 型改性沥青防水卷材主要用于摊铺式沥青混凝土的铺装,APP I 型改性沥青防水卷 材主要用于浇注式沥青混凝土混合料的铺装。 免费标准下载网(www.freebz.net) 无需注册 即可下载 J C T 974- 2005 4 要求 4. 1 尺寸偏差 面积负偏差不超过1% a 厚度平均值不小于明示值,不超过(明示值+0. 5) nim,最小单值不小于(明示值一0. 2) mm, 4. 2 卷 重 卷材的单位面积质量应符合表1规定,卷重为单位面积质量乘以面积。 表1 单位面积质量 I$l}mm 2 . 5 3 . 5 4 . 5 单位面积质 爱 kg/m' ) 2. 8 3. 8 4 . 8 4. 3 外观 4. 3. 1 成卷卷材应卷紧卷齐,端面里进外出不超过 10 mm,自粘卷材不超过 20 mm, 4.3. 2 成卷卷材在40C- 60℃任一产品温度下展开,在距卷芯1000 mm长度外不应有10二 以上的裂纹 或粘结。 4. 3. 3 胎基应浸透,不应有未被浸溃的条纹,卷材的胎基应靠近卷材的上表面。 4. 3. 4 卷材表面平整,不允许有孔洞、缺边和裂口。 4.3. 5 卷材上表面的细砂应均匀紧密的粘附于卷材表面。 4.3. 6 长度 lo m以下(包括 10 m) 的卷材不应有接头; lo m以上的卷材,每卷卷材接头不多于一处,接 头应剪切整齐,并加长300 mm。一批产品中有接头卷材不应超过2%, 4.4 卷材通用性能 卷材通用性能应符合表2的规定。 表2 卷材通用性能 序 号 项 目 指标 Z R . J SBS AP P I 11 1 卷材下表面沥 青 涂盖层厚度“ 口口 多 2 . 5 血皿 1 . 0 3 . 5 mo 1 . 5 4. 5 口口 2 . 0 2 可溶物含t B/m' 2 . 5 mm 1 700 1 700 3. 5 四. 2 400 4. 5 m 3 100 3 耐热性“/ ℃ 110 1 1 5 130 160 . 无滑动、流淌、滴落 4 低温柔性e/ ℃ - 25 - 25 - 15 - 10 无裂纹 冈 拉力/N/50 mm ) 600 80 0 免费标准下载网(www.freebz.net) 无需注册 即可下载 J C / f 9 74- 200 5 表 1( 续 ) 序 号 项 目 指标 2 B , J S BS AP P I , , } 6 最大拉力时延伸率/ % ) 4 0 7 盐 处 理 拉力保持 率/% 多 9 0 低温柔性/ ℃ - 25 - 25 一15 - 10 无裂纹 质量增 加/% S 1. 0 8 热 老 化 拉 力保 持率/% ) 9 0 延伸率保 持率/% ) 9 0 低温柔性/ ℃ - 2 0 - 2 0 一10 - 5 无裂纹 尺寸变化 率/% ( 0. 5 质量损 失/ % 〔 L O 9 渗油性/张 数 ( 1 10 自粘沥青剥离强度/N/mm 1 . 0 a 不包 括热熔胶施工卷材 。 b 供需双方可以商定更高的温度. c 供需双方可 以商定更低 的温度 . 4. 5 卷材应用性能 卷材应用性能应符合表3规定。 表3 卷材应用性能 序 号 项 目 指标 1 50'C剪切 强度, '/MPa ) 0. 12 2 50'C粘 结强度./MPa 〕 0. 050 3 热碾 压后抗渗性 0. 1 MPa, 30 min不透 水 4 接缝变形能力. 10 000次循环无破坏 a 供需双方根据需要可 以采用其 它温度。 5 试验方法 5. 1 标准试验条件 标准试验温度: 23'C 1 2'C,相对湿度45%- 70%. 免费标准下载网(www.freebz.net) 无需注册 即可下载 J Cf r 974- 2005 5. 2 面积 用最小分度值为lmm的卷尺在卷材的两端和中部三处测量长度和宽度,以其平均值相乘得到卷材的 面积,精确到0.01m'。若有接头,以量出的两段长度之和减去300 mm计算。 5. 3 厚度 用10 mm直径接触面,单位面积压力为0. 02 MPa,分度值为0. 01 mm的厚度计测量,测量装置慢慢落 下,避免使试件变形。在卷材留边处,去除砂粒后测量卷材的厚度,为保证测量准确,可将留边裁下。 测量五点,两点的间距为250 mm,取五点的平均值为卷材厚度。 5. 4 卷重 称量每卷卷材卷重,卷重不包括卷芯、隔离纸(仅对自粘卷材) 。 随机抽取10扩隔离纸和1。根卷芯,称取其质量,计算出隔离纸单位面积质量(g/动与每根卷芯的平 均质量,计算卷重时扣除。 根据5. 2得到的面积,计算单位面积质量,精确到。. 1 kg/m'. 5. 5 外观 将成卷卷材放在平面上,小心的展开卷材,肉眼观察。 5. 6 卷材通用性能试件制备 将取样卷材切除距外层卷头2 500 mm后,取2 m长的卷材,在距卷材边缘100 mm以外,均匀分布裁取 试件,卷材性能试件的形状和数量按表4裁取。 表4 卷材通用性能试件形状和数量 序 号 试验项 目 试件形状 (长 x 宽) 国 团 i 1 卷材下表面沥青涂盖层厚度 200 X 50 横 向3 2 可溶物含量 100 X 100 3 3 耐热性 100 X 50 纵 向3 4 低温柔性 巧 0 X 25 纵向10 5 拉力及最大拉 力时延伸率 280 X 50 纵横 向各5 6 盐 处 理 拉力保持率 280 X 50 纵横向各5 低 温 柔 性 巧 0 X 25 纵 向10 质盆增加 200 X 50 纵向5 7 热 老化 拉力及延伸率保持率 280 X 50 纵横向各5 低温柔性 150 X 25 纵向10 尺寸变化率及质t 损失 280 x 50 纵 向5 8 渗油性 50X 50 3 9 自粘沥青剥离强度 loo x 1 00 0 1 注: 试件的长度方向应与最后一列中注明的方向平行,纵向是指顺卷材长度方向,横向是指顺卷材宽度方向. 5. 7 卷材下表面沥青涂盖层厚度 按5.6裁取试件,用5.3要求的厚度计,沿卷材的宽度方向距卷材边缘100 mm以外,均匀裁取三块试 件,测量试件的厚度,每块试件测量两点,相距50 mm测量,取两点的平均值。然后用热刮刀铲去卷材 下表面的涂盖层直至胎基,待其冷却到标准试验条件,再测量每个试件原来两点的厚度,取两点的平均 值。每块试件前后两次厚度平均值的差值,即为该块试件的下表面沥青涂盖层厚度,取三个试件的平均 值作为卷材下表面沥青涂盖层厚度,精确到0. 1二。 免费标准下载网(www.freebz.net) 无需注册 即可下载 J C / T 9 74- 20 05 5.8 可溶物含量 按GB 18242- 200。中5. 3.2进行,取三个试件的平均值,精确到1 g/mz, 5. 9 耐热性 按GB 18242- 2000中5. 3.5进行,观察沥青防水卷材涂盖层相对于胎基是否滑动、流淌,沥青是否 滴落。 5. 10 低温柔性 按GB 18242- 2000中5.3.6在液体中进行,2. 5 mm, 3. 5 mm厚度卷材弯曲直径30二,4. 5 mm厚度卷材 弯曲直径50 mm,应采用机械或自动装置进行试验。 5. 11 拉力及最大拉力时延伸率 按GB 18242- 2000中5. 3.3进行,拉伸速度50 mm/min,夹具间距200 mm。分别取纵向、横向各五个 试件的平均值,拉力精确到5 N/50 mm,延伸率精确到1%, 5. 12 盐处理 5. 12. 1 仪器设备 5. 12. 1.1 水槽: 用不与溶液反应的材料制成,并有盖子。 5. 12. 1. 2 天平: 精度 0. 1 g. 5. 12. 1. 3 油漆刷。 5. 12. 1. 4 鼓风烘箱: 控温精度士20C o 5. 12. 1. 5 悬挂试件的装置。 5. 12. 2 试件处理 对于测量质量增加的试件,用刷子刷除表面所有粘结不牢的细砂,试件在50℃士2℃的烘箱中干燥 24 h士30 mi n. 然后在标准试验条件下放置1h后称量试件质量(MO,在干燥和放置过程中试件相互间不 应接触。然后浸入23℃士2℃的20%士1%浓度的NaCl盐溶液中7d士1h,试件应完全浸入溶液中。为了 防止掉砂,每组试件最好分别放置。 对于测量拉力保持率和低温柔性的试件不需要在浸液体前刷除细砂、烘干及称量,其余处理同质量 增加试件。 5. 12. 3 试验步骤 在浸溶液168 h士1h后,取出试件及掉落的砂粒,在23 `C士2 0C,相对湿度50 士5%的条件下放置5h 士5 min。试件干燥过程中垂直悬挂,相互间距至少20 mm. 对于拉力保持率试件,立即按5. 11进行拉伸试验。 对于低温柔性试件,立即按5. 10进行试验。 对于质量增加试件,立即称量试件(MR) . 5. 12. 4 结果计算 5. 12. 4. 1 拉力保持率 拉力保持率按式(1)计算: _ 哭 大,= 任卜x 1V U T, ··· ··· ·· ··· ··· .. .... ... ...... ( 1) 式中: 尺— 试件处理后拉力保持率,%; 兀— 试件处理前拉力平均值,单位为牛顿每50毫米(N/50二); 叮— 试件处理后拉力平均值,单位为牛顿每50毫米(N/50 mm). 试验结果精确到1%. 5. 12. 4. 2 低温柔性 记录试件表面有无裂纹。 免费标准下载网(www.freebz.net) 无需注册 即可下载 J C /T 9 74- 2 00 5 12. 4. 3 质 量 增 加 质量增加按式 (2)计算: W =〔 }一, )·‘。 “ · ” 二’ ‘’· ’·· ··· ··· ··· ··· ⋯ ⋯ (2) 式 中 : W — 试件处理后质量增加,% ; nh — 试件处理前质量,单位为克(g) 伙— 试件处理后质量。单位为克(g) 试验结果取五个试件的算术平均值,精确到0. 1%e 5. 13 热老化 5. 13. 1 仪器设备 5. 13. 1. 1 天平: 精度 0. 1 g, 5. 13. 1. 2 烘箱: 控温精度士20C , 5. 13. 1. 3 游标卡尺: 精度士0. 02 mm, 5. 13. 2 试件处理 没有争议时,纵向拉力保持率及最大拉力时延伸率可以用尺寸变化率及质量损失测定后的试件试 验,否则用新试件检测。 进行质量损失测定的试件按5.6裁取后,清除表面所有粘结不牢的细砂,试件在50`C1 2℃的烘箱中 干燥24h土30min,然后在标准试验条件下放置1h后称量试件质量(m,) ,用游标卡尺测量试件的长度(LJ , 在干燥和放置过程中试件相互间不应接触。试件平放在撒有滑石粉的玻璃板上,质量损失试件放置在隔 离纸上,然后将试件水平放入己调节到80℃士2℃的烘箱中,在此温度下处理7 d士1 h, 对于测量拉力保持率及最大拉力时延伸率、尺寸变化率和低温柔性的试件不需要清除粘附不牢的细 砂、烘干及称量,其余处理同质量损失试件。 5. 13. 3 试验步骤 在加热处理7 d士1 h后,取出试件在标准试验条件下放置2 h士5 mine 对于拉力保持率试件,立即按5. 11进行拉伸试验。 对于低温柔性试件,立即按5. 10进行试验。 对于尺寸变化率试件,立即在原来测量L 的位置测量试件长度(L,) o 对于质量损失试件,立即称量试件(MO e 5.13.4 结果计算 5.13.4. 1 拉力保持率及最大拉力时延伸率保持率 拉力保持率按5. 12. 4. 1计算,精确到1%0 最大拉力时延伸率保持率参照5.12. 4. 1计算,精确到1%0 5. 13.4.2 低温柔性 记录试件表面有无裂纹。 5. 13.4.3 尺寸变化率 每个试件的尺寸变化率按式(3) 计算: D一险一卜100 .. .... . .... ... ... ... ... ... .... (3) 式中: D — 试件处理后尺寸变化率,% ; 入— 试件处理前长度,单位为毫米(二) ; 免费标准下载网(www.freebz.net) 无需注册 即可下载 J C / f 9 74- 2 00 5 L2— 试件处理后长度,单位为毫米(二)。 试验结果取五个试件的算术平均值,精确到0. 1%e 5. 13. 4. 4 质量损失 质量损失按式(4) 计算: 、=望止卫互x 100 mI .. ... .... ... ... .. ... .... ... ... ( 4) 式中: w — 试件处理后质量损失,% : m, — 试件处理前质量,单位为克(g); m2— 试件处理后质量,单位为克(g) o 试验结果取五个试件的算术平均值,精确到0. 1% . 5. 14 渗油性 5. 14.1 仪器设备 5. 14. 1. 1 烘箱: 控温精度士20C , 5. 14. 1. 2 滤纸: 中速定性滤纸。 5. 14. 2 试件制备 将用于试验的试件下表面PE膜或细砂除去。去除表面的任何保护膜,适宜的方法是常温下用胶带粘 在上面,冷却到接近假设的冷弯温度,然后从试件上撕去胶带: 另一方法是用压缩空气吹〔压力约0.5 MPa(56ar) . 喷嘴直径约。. 5 mml 。假若上面的方法不能除去保护膜,用火焰烤,用最少的时间破坏膜而 不损伤试件。 5. 14. 3 试验步骤 将处理好的试件分别放在5层直径大于试件的滤纸上,滤纸下垫釉面砖,然后将试件放入已调节到 耐热性规定温度的烘箱中,水平放置5h士15 min,然后在标准试验条件下放置1h,检查渗油张数。 5. 14. 4 结果计算 凡有污染痕迹的滤纸都算作渗出,以三个试件中最多的渗出张数作为结果。 5. 15 自粘沥青剥离强度 5. 15. 1 仪器设备 5. 15.1. 1 拉力试验机: 测量值在量程的15%- -85%之间,示值精度不低于2%,伸长范围大于500 mm. 5. 15.1.2 聚酷胎基: 160 g/m,士20 g/m',长纤聚醋毡。 5. 15. 2 试件制备 取一块自粘冷施工防水卷材,用热刮刀将卷材的涂盖层铲下,放入增锅中,保证增锅中的沥青约有 100 g,然后裁取100 mm X 50 mm的聚酷胎基五块。将增锅放在电炉上加热至沥青融化,温度约1800C,将 一块聚醋胎基浸入沥青中5s,浸溃沥青的长度为50 mm,取出冷却,共制备五个试件。为防止试件粘结 可用硅油纸隔离。 在标准试验条件下放置4 h后,将浸溃沥青的聚酷胎基的沥青粘在光洁的100二X 50 mm铝板上,粘 合面积为50二X 50 mm。粘合后用质量500 g辊子来回滚压5次。试件在标准试验条件下放置24h,共制备 五个试件。 5. 15.3 试验步骤 采用5. 11使用的拉力试验机进行剥离性能试验,一个夹头夹铝板,另一个夹头夹己浸沥青胎基, 180。剥离,夹具间距为100二士5 mm,拉速速度为100 mm/min士10 mm/min,试验在23℃士2℃进行。记 录试件分离的最大力,用N表示. 5_ 15 4 结 果 计 笠 免费标准下载网(www.freebz.net) 无需注册 即可下载 J C /T 974- 2005 单位宽度的最大力为试件的剥离强度,单位为N/mm。取五个试件最大剥离强度的算术平均值,精确 到0. 1 N/mme 5. 16 卷材应用性能试件制备 5. 16. 1 试件制备 按JGJ /T 55- 1996制备强度等级C30的水泥混凝土试件,厚度为40 mm- 50 mm,长和宽满足5. 16.3 要求,养护21d备用。施工防水卷材的表面应清洁、无浮浆,并使表面粗糙度在1.5 mm士0. 3 mm。为了 达到要求的粗糙度,可以在混凝土表面涂一层环氧树脂,未固化前撒过量的粒径在1. 4。一1. 6 mm砂, 固化后,除去未粘住的砂。 根据生产商的要求在水泥混凝土试件的表面是否使用底涂,并按生产商的要求养护后,在试件上面 按生产商要求采用热熔或热熔胶施工防水卷材,标注卷材的方向,然后在标准试验条件放置24 ha 采用合适的模框,将有施工防水卷材的水泥混凝土试件放入,卷材面朝上,倒入己加热到140 0C 士5℃的沥青混凝土,沥青混凝土应符合J TG F40- 2004要求的中粒式,立即采用合适的压机慢慢将沥青 混凝土压实,压力为0. 5 MPa保持5min, 沥青混凝土厚度约40二一50二。然后将制备好的试件取出,冷 却至室温。 对于APP 11型卷材,采用2500C士10℃的浇注式沥青混凝土混合料倒在卷材上,冷却至室温。 若生产商有要求,按生产商要求在卷材的表面施工保护层,然后铺装沥青混凝土。 可以按5. 16. 3单独制备,或用大的试块切割符合5. 16.3要求的试件,然后在标准试验条件下养护 24 h o 5. 16. 2 试件类型 试件的类型分三种(试件外形见图1) : 类型 1: 水泥混凝土与防水卷材,加或不加底涂; 类型 2: 沥青混凝土与防水卷材,加或不加保护层; 类型 3: 水泥混隆土、防水卷材与沥青混凝土,加或不加底涂、保护层。 类型 3 k / / Z 已 沪/ } 、 、 、、 、 1- 沥青混凝土 ; 2一一- 保护层 ; 3— 防水卷材 ; 4— 底涂 ; 5— 水泥混凝 土。 图1 试件外形截面 免费标准下载网(www.freebz.net) 无需注册 即可下载 J C /T 97 4- 20 05 5. 16. 3 试 件 形 状 和数 虽 应用性能试件的形状和数量见表5,所用防水卷材试件应距卷材边缘100 mm以上裁取。 表5 卷材应用性能试件形状和数量 序 号 试 验 项 目 试件形状 (长“x 宽) 口口 数 量 个 1 50 0C剪切强度“ 类型3 ( 100 x 100) 5 2 50'C粘结强度卜 类型3 ( 100X 100) 5 3 热碾压后抗渗性 类 型3 ( 150 X 150) 3 4 接缝变形 能力 类 型1(400 x 200) 2 卷材的纵 向与试 件的长度 方向平行 . b 根据供需双方的要求可以试验其它类型的试件,用于了解不同类型试件的结果. 5. 17 500C剪切强度 5. 17.1 仪器设备 5. 17. 1. 1 压力试验机: 测量值在量程的 15% - 85%之间,示值精度不低于2% , 5. 17. 1.2 烘箱: 控温精度士2'C e 5. 17.2 试验步骤 取按5. 16制备的类型3试件四个,将试件在50 `C 士2℃放置4 h. 然后取出将试件,立即放入压力试 验机,夹具的外形见图2,注意使卷材的纵向与水平剪切力的方向平行,试验机速度为10mm/min。开动 试验机开始试验与取出试件的间隔不超过5 se 记录试验过程的最大力及滑移位置。 试脸机 压板 试毅 机压板 F . 1- 垫板 : 2— 夹具 ; 3— 试件 : 刁一 滚轴 : a- 30度 角。 图2 剪切性能夹具示意图 5. 17. 3 结 果 计 算 水平剪切强度按式(5)计算: 免费标准下载网(www.freebz.net) 无需注册 即可下载 J C / C 97 4- 2 00 5 PIV = 式中: Po - 剪切强度,单位为兆帕(MPa) ; F — 最大压力,单位为牛顿(N) ; A — 粘结面积,单位为平方毫米 (咖2) 。 二x sin 301 A 与平均值比较去除四个数据中偏离最大的值,取三个试件的平均值, 5. 18 500C粘结强度 5. 18. 1 仪 器 设 备 ·一 :.. .. ... ... ... ... .... ... .. (5) 精确到0. 0 1 MPa0 5. 18. 1. 1 拉力试验机: 测量值在量程的 155/6- 85%之间,示值精度不低于2 % . 5. 18. 1. 2 烘箱: 控温精度1 20C e 5. 18. 2 试验步骤 取按5. 16制备的类型3试件四个,将试件的上、下两面(一面为水泥混凝土、一面为沥青混凝土) 清 洁干净、平整。用高强度环氧树脂胶粘剂将粘结夹具粘在试件的两面,如图3所示,然后放置在标准试 验条件下24 h. 将试件在50℃士2℃放置4h,然后取出,将粘结有夹具的试件装入拉力试验机,标准拉力垂直作用 于试件,调整拉伸速度为10 mm/min,开动试验机拉伸至粘结破坏。开动试验机开始试验与取出试件时 的间隔不超过5 so 记录粘结破坏时的荷载和破坏位置,测量粘结面的面积,精确到l m z mm 0 1— 夹具; 2- 沥青 混凝土; 3- 卷材 ; 月— 水 泥 混 凝 土 . 图3 粘结强度试件及夹具示惫图 免费标准下载网(www.freebz.net) 无需注册 即可下载 J C /T 97 4- 20 05 18. 3 结 果 计 算 粘结强度按式 (6)计算: ... ... ... ... ... ... .. ... ... .... ( 6) F-A 一- 口 式中: 6 粘结强度,单位为兆帕(MPa) ; F — 破坏荷载,单位为牛顿(N) ; A — 试件粘结面积,单位为平方毫米(mm2) 。 与平均值比较去除四个数据中偏离最大的值,取三个试件的平均值,精确到0. 001 MPa. 5. 19 热碾压后杭渗性 5. 19. 1 仪器设备 5. 19. 1. 1 不透水仪: 符合 GB 12952- 2003 的规定,十字开缝槽板。 5. 19. 1. 2 烘箱: 控温精度土2 0C . 5. 19. 2 试验步骤 按5. 16制备类型3试件三个,但将防水卷材的上、下两面不与基层粘结,每面用约120 g防粘纸和一 张报纸隔开。试件制备好后趁热将上下两面的水泥混凝土和沥青混凝土小心移除,取出中间的防水卷材。 然后将试件在标准试验条件放置4 h,用不透水仪进行试验。将试件放入不透水仪,开始试验,升 压到0. 1 MPa,保持30 min. 5. 19.3 结果计算 记录每个试件表面有无水迹,压力是否保持0. 1 P a. 5. 20 接缝变形能力 5. 20. 1 仪器设备 5. 20. 1. 1 变形试验机: 能控制裂缝宽度的变化,裂缝宽度的测量可精确到0.01,。 5. 20. 2 试验步骤 按5. 16制备如图4所示的类型1试件两个,锯割混凝土基板的下面,形成如图4所示的凹槽,锯痕上 面的裂缝是用变形试验机或类似装置产生的. 同时不应使防水系统弯曲、损坏,在此时裂缝的宽度不超 过0. 20 mm. F . . . . . . . . . 目门. 口 F 旧. - 门 卜 1— 防水系统(防水卷材); 2- 混凝土基板 400 mm X 200 mm X 50 mm. 图4 接缝变形试件 试件安装在变形试验机上,保证试验机的力F在试验的防水系统的同一平面内(如图4)。试验机能保 证裂缝位移在规定的极限范围内,试验时,避免磨损和扯动裂缝的边缘。 采用合适的装置测量裂缝的位移,试件裂缝随两边试验夹具变化,测量装置控制裂缝宽度的变化。 试验在23℃士2℃进行,供需双方也可商定其它试验温度: 00C、- 100C、-200C . 试验前,试件在试验温度至少放置4 h,不超过24 ho 免费标准下载网(www.freebz.net) 无需注册 即可下载 J C /T 9 74 - 2 00 5 先在60S时间内产生0. 5 mm的裂缝,然后开始循环变化裂缝宽度,变化频率1 Hz,振幅o w=0. 25 mm, _ .. _ . _ _ _ . _ __ _ .一 、__ 、_ , ,卜_ _ _ _ .‘ Aw . 「2 .军, 、1 平均裂缝宽度为w,= 0. 50 mm,时间与位移的关系曲线见图5,用公式w(L) 二、+- .sin - (t 一t。) !表 2 L T ’ “ 」 不 。 试验进行10 000次循环,若防水系统完全破坏则停止试验,记录试验次数。 试验过程中定期观察试件,应记录如下对评价裂缝变形能力有关的现象,如: 裂缝变化、剥离、分 层、撕裂、起皱、裂缝区域厚度减少等。可以采用视频、照片、画图或其它方法记录。 裂缝宽度,( e) ,口. 二 百( c) Wm Wmin e w i 2 W- 裂缝宽度 ; t— 时间 ; △ W一 振幅 : W.- 裂缝平均 宽度 丁— 频 率 。 图5 位移时间关系曲线 5. 20. 3 结 果 伴 足 试验过程中出现胎基断裂、沥青涂盖层开裂、孔洞,边缘裂口大于10 mm即为破坏,记录试件破坏 时的试验次数。 若循环10 000次后防水系统没有破坏,则记录观察到的现象。如: 裂缝变化、剥离、分层、撕裂、 起皱、裂缝区域厚度减少等,报告为无破坏。 6 检验规则 6卜1 检验分类 6. 1. 1 按检验类型分为出厂检验和型式检验。 6.1.2 出厂检验 出厂检验项目包括: 尺寸偏差、卷重、外观、及表2所列的全部项目。 6.1.3 型式检验 型式检验项目包括第4章要求中所有项目,在下列情况下进行型式检验: a) 新产品投产或产品定型鉴定时; b) 正常生产时,每半年进行一次: c) 原材料、工艺等发生较大变化,可能影响产品质量时; d) 出广检验结果与上次型式检验结果有较大差异时; e) 产品停产 6 个月以上恢复生产时; 免费标准下载网(www.freebz.net) 无需注册 即可下载 J C /T 974- 2005 f ) 国家质量监督检验机构提出型式检验要求时。 6. 2 组批 以同一类型、同一规格10 000扩为一批,不足10 000扩亦可作为一批。 6 3 抽样 在每批产品中随机抽取五卷进行尺寸偏差、卷重、外观检查。 在上述检查合格后,从五卷中任取一卷裁取卷材通用性能和应用性能样品,抽取量满足检测要求。 6. 4 判定规则 6. 4. 1 尺寸偏差、卷重、外观 尺寸偏差、卷重、外观均符合4. 1, 4. 2, 4. 3规定时,判其尺寸偏差、卷重、外观合格。若其中一 项不合格的,允许在该批产品中随机另抽五卷对不合格项重新检验,全部达到标准规定即判其尺寸偏差、 卷重、外观合格,若仍有不符合标准规定的即判该批产品不合格。 6. 4. 2 卷材通用性能与应用性能 6.4.2. 1 对于可溶物含量、拉力、最大拉力时延伸率、处理后拉力保持率、延伸率保持率、质量增加、 质量损失、自粘沥青剥离强度、剪切强度、粘结强度,以试件的算术平均值分别达到标准规定,即判该 项合格。 6.4. 2. 2 耐热性、渗油性、热碾压后抗渗性、接缝变形能力所有试件都符合标准规定,判该项合格, 若有一个试件不符合标准规定则为不合格。 6.4. 2. 3 低温柔性、处理后低温柔性以每面五个试件有四个符合标准规定为该面符合,两面都符合标 准规定,判该项合格。 6.4.2.4 试验结果符合4.4 规定,判该批产品通用性能合格,试验结果符合4.5 规定判该批产品应用 性能合格。 6.4.2.5 若仅有一项不符合标准4.4 和4.5 规定,允许在该批产品中随机另取一卷进行单项复测,合 格则判该批产品该性能合格,否则判该批产品不合格。 6.4.2.6 若共有两项及两项以上不符合标准4.4和4. 5规定,则判该批产品不合格。 6. 4. 3 总判定 试样结果符合标准第4章全部要求时判该批产品合格。 7 包装、标志、运输和贮存 7. 1 包 装 卷材可用纸包装或塑胶带包装,纸包装应以全柱面包装,柱面两端未包装长度总计不超过100二。 塑胶带包装,应采用带宽不小于40 mm胶带三道。 7. 2 标志 卷材外包装上应包括: a) 生产厂名、地址: b) 商标; c) 产品名称、产品标记; d) 生产日期或批号: e) 运输和贮存注意事项。 7.3 运输和贮存 7. 3. 1 贮存与运输时,不同类型、规格的产品应分别堆放,不应混杂。避免日晒雨淋,并注意通风. 7.3.2 热熔或热熔胶防水卷材应在50℃以下立放。其高度不超过两层。自粘防水卷材立放只能单层, 盒装可以平放,高度不宜超过五层. 7. 3. 3 在正常运输、贮存条件下,贮存期自生产日起至少为一年。 免费标准下载网(www.freebz.net) 无需注册 即可下载

标签:

版权声明

1. 本站所有素材,仅限学习交流,仅展示部分内容,如需查看完整内容,请下载原文件。
2. 会员在本站下载的所有素材,只拥有使用权,著作权归原作者所有。
3. 所有素材,未经合法授权,请勿用于商业用途,会员不得以任何形式发布、传播、复制、转售该素材,否则一律封号处理。
4. 如果素材损害你的权益请联系客服QQ:77594475 处理。