海信LED42K16X3D系列液晶(4335板)主板电路原理图

分类:电子电工 日期: 点击:0
海信LED42K16X3D系列液晶(4335板)主板电路原理图-0 海信LED42K16X3D系列液晶(4335板)主板电路原理图-1 海信LED42K16X3D系列液晶(4335板)主板电路原理图-2 海信LED42K16X3D系列液晶(4335板)主板电路原理图-3 海信LED42K16X3D系列液晶(4335板)主板电路原理图-4 海信LED42K16X3D系列液晶(4335板)主板电路原理图-5 海信LED42K16X3D系列液晶(4335板)主板电路原理图-6 海信LED42K16X3D系列液晶(4335板)主板电路原理图-7 海信LED42K16X3D系列液晶(4335板)主板电路原理图-8 海信LED42K16X3D系列液晶(4335板)主板电路原理图-9

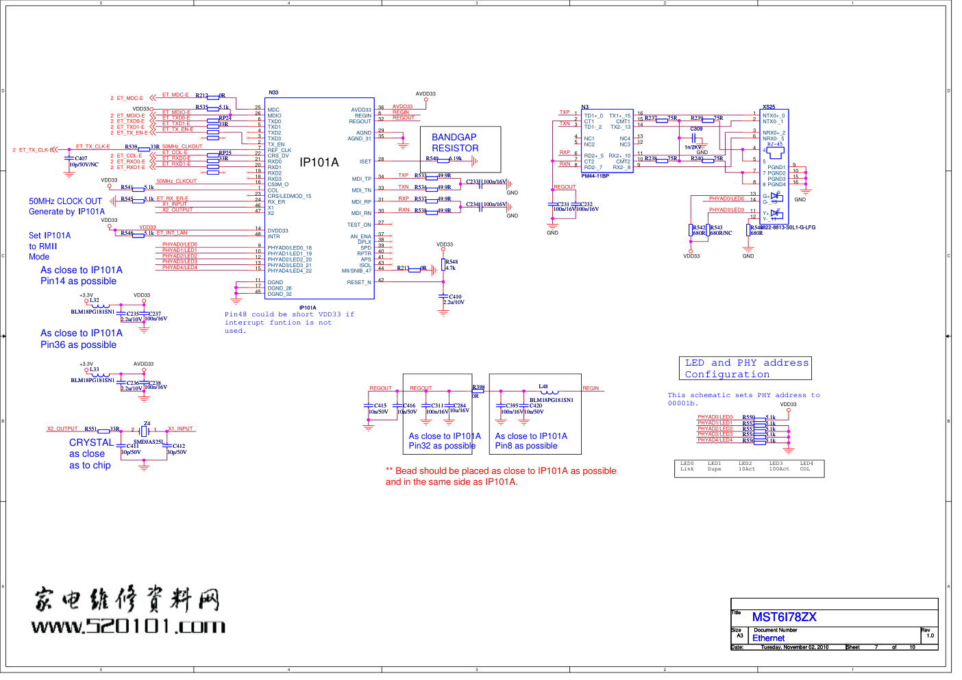
5 4 3 2 1 D D C C B B A A BL-ADJUST BRI_ADJ-PWM2 ON_PBACK BL-ADJUST BL-ON/OFF STANDBY PW_CTL PW_CTL STANDBY PW_CTL BL-ON/OFF +5V +5V +1.8V_DDR2 +5V +12V +5V +12V VCC1.2V +12V VCC-Panel +3.3V 5Vstb +5V 3.3Vstb +5V +2.5V_Normal 5V_USB +5V +12V +5V +12V 5Vstb +12V VCC-A 5Vstb 3.3Vstb +12V 5Vstb VCC-A 5Vstb +3.3V +12V ON_PBACK 2 ON_PANEL 2 BRI_ADJ-PWM2 2,10 BL-ADJUST 10 PW_CTL 2 Title Size Document Number Rev Date: Sheet of 1 MST6I78ZX 1.0 10 System Power A3 Tuesday, November 02, 2010 Title Size Document Number Rev Date: Sheet of 1 MST6I78ZX 1.0 10 System Power A3 Tuesday, November 02, 2010 Title Size Document Number Rev Date: Sheet of 1 MST6I78ZX 1.0 10 System Power A3 Tuesday, November 02, 2010 1000mA 1.26V FOR 6i78 CORE POWER 1.8V Power_DDR2 Power for Panel TO Inverter Board 3.3V Power_Standby only for AVDD_MPLL and IR 2.5V FOR 6I78 3.3V Power_Normal +5V FOR SYS STANDBY: HIGH->NORMAL LOW->STANDBY Power Input C27 1n/50V/NC C27 1n/50V/NC C26 100n/16V C26 100n/16V C385 100n/16V C385 100n/16V C12 4.7u/10V C12 4.7u/10V 1 2 3 V10 MMBT3904LT1 V10 MMBT3904LT1 C256 22u/6.3V C256 22u/6.3V CE5 100u/16V/NC CE5 100u/16V/NC R11 4.7k/NC R11 4.7k/NC R28 1k R28 1k ADJ 1 VOUT 4 VIN 3 VOUT 2 N7 AZ1084S-ADJ N7 AZ1084S-ADJ R15 0R/NC R15 0R/NC R20 2R/2W R20 2R/2W C5 4.7u/10V C5 4.7u/10V 1 2 3 V5 MMBT3904LT1 V5 MMBT3904LT1 C78 10u/16V C78 10u/16V L4 STPB2012-121PT L4 STPB2012-121PT C22 100n/16V C22 100n/16V CE11 100u/16V/NC CE11 100u/16V/NC L2 BLM18PG181SN1/NC L2 BLM18PG181SN1/NC C17 100n/16V C17 100n/16V C19 22u/6.3V C19 22u/6.3V R49 5.1k R49 5.1k R6 4.7k R6 4.7k L14 STPB2012-121PT/NC L14 STPB2012-121PT/NC C23 2.2u/10V C23 2.2u/10V L3 BLM18PG181SN1 L3 BLM18PG181SN1 C15 10u/10V C15 10u/10V C1 4.7u/10V C1 4.7u/10V L20 STPB2012-121PT/NC L20 STPB2012-121PT/NC C58 100n/16V C58 100n/16V R19 100k R19 100k R21 100k R21 100k CE3 100u/16V/NC CE3 100u/16V/NC C52 4.7u/10V/NC C52 4.7u/10V/NC C161 1u/16V C161 1u/16V R214 953R R214 953R C18 22u/6.3V C18 22u/6.3V C9 100n/16V C9 100n/16V C165 100n/16V/NC C165 100n/16V/NC C239 1u/16V C239 1u/16V CE9 100u/16V/NC CE9 100u/16V/NC R7 1k R7 1k 1 2 3 4 XP15 XP15 C30 10u/16V C30 10u/16V R2 4.7k R2 4.7k 1 E1 RSAG7.308.107 E1 RSAG7.308.107 R5 0R R5 0R L6 STPB2012-121PT L6 STPB2012-121PT R10 10k R10 10k ADJ 1 VOUT 4 VIN 3 VOUT 2 N2 LD1117A-3.3AZ1117H-3.3/NC N2 LD1117A-3.3AZ1117H-3.3/NC R36 10k R36 10k C240 100n/16V C240 100n/16V C11 100n/16V C11 100n/16V C8 22u/6.3V C8 22u/6.3V R47 22R R47 22R C24 10u/16V C24 10u/16V R8 2.2k R8 2.2k M7 NC/MARK M7 NC/MARK C29 100n/16V C29 100n/16V L23 15.0 uH L23 15.0 uH R12 4.7k R12 4.7k R16 4.7k R16 4.7k ADJ 1 VOUT 4 VIN 3 VOUT 2 N26 LD1117A-3.3AZ1117H-3.3 N26 LD1117A-3.3AZ1117H-3.3 L5 10.0 uH L5 10.0 uH R24 1k R24 1k 1 2 3 V3 MMBT3904LT1 V3 MMBT3904LT1 R26 10k R26 10k R1678 10k R1678 10k 1 2 3 V2 MMBT3904LT1/NC V2 MMBT3904LT1/NC C405 10u/16V C405 10u/16V C20 100n/16V C20 100n/16V R9 10k R9 10k 1 2 3 4 5 6 7 8 9 10 11 12 13 XP6 XP6 C164 100n/16V/NC C164 100n/16V/NC 1 2 VD7 B540C VD7 B540C L9 STPB2012-121PT L9 STPB2012-121PT R207 10k/NC R207 10k/NC C6 100n/16V C6 100n/16V M9 NC/MARK M9 NC/MARK C28 1n/50V C28 1n/50V R172 100k R172 100k L16 STPB2012-121PT L16 STPB2012-121PT C4 100n/16V C4 100n/16V R3 4.7k R3 4.7k R4 0R R4 0R R92 4.7k/NC R92 4.7k/NC C2 100n/16V C2 100n/16V C25 22u/6.3V C25 22u/6.3V 1 2VD107 MBR0520LT1/B0520LW VD107 MBR0520LT1/B0520LW R43 560R R43 560R C16 100n/16V C16 100n/16V C90 10u/16V C90 10u/16V C82 10u/16V C82 10u/16V L7 BLM18PG181SN1 L7 BLM18PG181SN1 C242 100n/16V C242 100n/16V C34 10u/10V C34 10u/10V CE21 100u/16V/NC CE21 100u/16V/NC R23 2.4k R23 2.4k R1 4.7k/NC R1 4.7k/NC M10 NC/MARK M10 NC/MARK C3 100n/16V C3 100n/16V R222 20k R222 20k R22 6.2k R22 6.2k C241 100n/16V C241 100n/16V C40 1n/50V C40 1n/50V C21 22u/6.3V C21 22u/6.3V M8 NC/MARK M8 NC/MARK C402 10u/10V/NC C402 10u/10V/NC PGND 1 VIN 2 AGND 3 FB 4 COMP 5 EN 6 LX7 7 LX8 8 N8 AOZ1016AI N8 AOZ1016AI ADJ 1 Vout 3 Vin 2 N5 AP1084D33GAZ1084D-3.3 N5 AP1084D33GAZ1084D-3.3 L28 STPB2012-121PT L28 STPB2012-121PT L17 STPB2012-121PT L17 STPB2012-121PT C13 100n/16V C13 100n/16V R14 100R R14 100R C7 10u/10V C7 10u/10V R38 10R R38 10R SW 1 BST 2 VCC 3 GND 4 FB 5 PG 6 EN/SYNC_6 7 IN 8 TGND 9 N29 MP2380DN N29 MP2380DN S1 1 G1 2 S2 3 G2 4 D22 5 D21 6 D12 7 D11 8 N16 IRF7314 N16 IRF7314 C10 4.7u/10V C10 4.7u/10V 1 2 3 V1 MMBT3904LT1 V1 MMBT3904LT1 C194 22u/6.3V C194 22u/6.3V R33 0R/NC R33 0R/NC 1 2 3 V11 MMBT3904LT1 V11 MMBT3904LT1 R34 10k R34 10k R13 10k/NC R13 10k/NC R25 68k R25 68k C31 100n/16V C31 100n/16V CE10 330u/6V/NC CE10 330u/6V/NC 1 2 3 V4 MMBT3904LT1 V4 MMBT3904LT1 R17 4.7k R17 4.7k C255 22u/6.3V C255 22u/6.3V ADJ 1 VOUT 4 VIN 3 VOUT 2 N19 LD1117A-2.5AZ1117H-2.5 N19 LD1117A-2.5AZ1117H-2.5 R27 4.7k R27 4.7k R175 100k R175 100k C14 10u/10V C14 10u/10V CE19 330u/6V/NC CE19 330u/6V/NC C135 100n/16V C135 100n/16V 5 4 3 2 1 D D C C B B A A AUL0 AUL1 AUL2 AUL3 AUL4 AUOUTL0 AUOUTL0 AUOUTR0 AUOUTR0 AUR0 AUR1 AUR2 AUR3 AUR4 AUVAG AUVAG AUVRM AUVRM AUVRP AUVRP B0_TRXE4+ B1_TRXE4- B2_TRXE3+ B3_TRXE3- B4_TRXEC+ B5_TRXEC- B6_TRXE2+ B7_TRXE2- BIN1 BIN1M BIN2 BIN2M Boot_Flash-CSN BRI_ADJ-PWM2 BRI_ADJ-PWM2 CVBS0P CVBS1P CVBS2-RCA CVBS_VCOM DIF-M DIF-P DIFM DIFP DTV-IFM DTV-IFP AUOUTL1 AUOUTR1 EEP_Vcc EEP_Vcc EEP_Vcc ET_COL-E ET_COL ET_MDC-E ET_MDC ET_MDIO ET_MDIO-E ET_RXD0-E ET_RXD0 ET_RXD1-E ET_RXD1 ET_TXD0-E ET_TXD0 ET_TXD1-E ET_TXD1 ET_TX_CLK-E ET_TX_CLK ET_TX_EN-E ET_TX_EN FLASH_WPN FLASH_WPN-C FLASH_WPN-C FLH_3.3V FLH_3.3V F_RBZ G0_TRXE1+ G1_TRXE1- G2_TRXE0+ G3_TRXE0- G4_TRXO4+ G5_TRXO4- G6_TRXO3+ G7_TRXO3- GIN1M GIN1P GIN2M GIN2P HDMI-CEC HDMI1-CLKN HDMI1-CLKP HDMI1-HPDIN HDMI1-RX0N HDMI1-RX0P HDMI1-RX1N HDMI1-RX1P HDMI1-RX2N HDMI1-RX2P HDMI1-SCL HDMI1-SDA HDMI2-CLKN HDMI2-CLKP HDMI2-HPDIN HDMI2-RX0N HDMI2-RX0P HDMI2-RX1N HDMI2-RX1P HDMI2-RX2N HDMI2-RX2P HDMI2-SCL HDMI2-SDA HDMI3-CLKN HDMI3-CLKP HDMI3-HPDIN HDMI3-RX0N HDMI3-RX0P HDMI3-RX1N HDMI3-RX1P HDMI3-RX2N HDMI3-RX2P HDMI3-SCL HDMI3-SDA I2C-SCL I2C-SCL I2C-SCL I2C-SCL-TUNER I2C-SDA I2C-SDA I2C-SDA I2C-SDA-TUNER I2S-IN_SD I2S-OUT_BCK I2S-OUT_BCK I2S-OUT_MCK I2S-OUT_MCK I2S-OUT_SD I2S-OUT_SD I2S-OUT_WS IF_AGC IRIN LED MICCM MICIN MIC_CM MIC_IN MUTE_S MUTE_S NAND_ALE NAND_ALE NAND_CEz NAND_CEz NAND_CLE NAND_CLE NAND_RBZ NAND_RBZ NAND_REz NAND_REz NAND_WEz NAND_WEz NAND_WPz NAND_WPz ON_PANEL ON_PANEL I2S-IN_WS ON_PBACK ON_PBACK ON_USB1 ON_USB1 PCM_PF-AD0 PCM_PF-AD1 PCM_PF-AD2 PCM_PF-AD3 PCM_PF-AD4 PCM_PF-AD5 PCM_PF-AD6 PCM_PF-AD7 PF_AD15 PF_ALE PF_CE0Z PF_CE1Z PF_OEZ PF_WEZ 3D_EN 3D_EN PWM0-RFID PWM0-RFID PW_CTL R0_TRXOC+ R1_TRXOC- R2_TRXO2+ R3_TRXO2- R4_TRXO1+ R5_TRXO1- R6_TRXO0+ R7_TRXO0- RESET_FE0# RF_AGC RF_AGC_SEL RF_AGC_SEL RGB1-BIN0 RGB1-BIN0M RGB1-GIN0M RGB1-GIN0P RGB1-RIN0 RGB1-RIN0M RGB1-SOGIN0 RGB2-YPbPr_BIN+ RGB2-YPbPr_GIN+ RGB2-YPbPr_RIN+ RGB2_Pb+ RGB2_Pb- RGB2_Pr+ RGB2_Pr- RGB2_Y+ RGB2_Y- RGB2_Y-SOG RIN1 RIN1M RIN2 RIN2M RST_AMP RST_AMP SAR0 SAR1 SAR2 SC_CVBS-IN SOGIN1 SOGIN2 SPI-SCK SPI-SDI SPI-SDO SPI_CSN_0 SPI_CSN_0 SPI_SCK SPI_SCK SPI_SDI SPI_SDI SPI_SDO SPI_SDO System-RST TAGC TS1_OUT_CLK TS1_OUT_D0 TS1_OUT_D1 TS1_OUT_D2 TS1_OUT_D3 TS1_OUT_D4 TS1_OUT_D5 TS1_OUT_D6 TS1_OUT_D7 TS1_OUT_SYNC TS1_OUT_VLD UART-RX UART-RX UART-TX UART-TX USB0_DM USB0_DP USB1_DM USB1_DP 3D_RL 3D_RL VCOM0 VGA_BIN+ VGA_GIN+ VGA_RIN+ VIFM VIFP PWM1 6M30_RST PWM1 WP_EEP XTALI XTALI XTALO XTALO USB0_DP USB0_DM AV2_CVBS1P MIC_LIN RCA_AU_IN_3R VGA_VSYNC AV1_CVBS0P COMP_AUL2 COMP_AUR2 VGA_HSYNC RCA_AU_IN_3L TV-L/R MIC_RIN SC_CVBS_OUT WP_EEP System-RST SYS_RST KEYPAD-KEY0 KEYPAD-KEY1 SAR0 SAR1 SAR2 IR_IN LED LED_CTL_IR IRIN IR_IN SPI_CSN_0 TS0_IN_D3 TS0_IN_D4 TS0_IN_D0 TS0_IN_D7 TS0_IN_D5 TS0_IN_D1 TS0_IN_D6 TS0_IN_D2 TS0_D7 TS0_D3 TS0_D2 TS0_D1 TS0_D6 TS0_D0 TS0_D5 TS0_D4 TS1_SYNC TS1_VLD TS1_D4 TS1_D0 TS1_D6 TS1_D2 TS1_D5 TS1_D1 TS1_D3 TS1_D7 TS1_CLK PCM_REG_N PCM_WAIT_N PCM_IORD_N PCM_IRQA_N PCM_IOWR_N PCM_OE_N PCM_WE_N PCM_CE_N PCM_RESET PCM_CD_N PCM_CD_N PCMCIA_IRQA_N PCMCIA_REG_N PCMCIA_CE_N PCMCIA_WE_N PCMCIA_IOWR_N PCMCIA_OE_N PCMCIA_IORD_N PCMCIA_WAIT_N PCMCIA_RESET PCMCIA_D2 PCMCIA_D3 PCMCIA_D6 PCMCIA_D7 PCMCIA_D4 PCMCIA_D5 PCMCIA_D0 PCMCIA_D1 PCM_PF-AD6 PCM_PF-AD7 PCM_PF-AD5 PCM_PF-AD3 PCM_PF-AD4 PCM_PF-AD2 PCM_PF-AD1 PCM_PF-AD0 PCMCIA_A14 PCMCIA_A12 PCMCIA_A13 PCMCIA_A11 PCMCIA_A9 PCMCIA_A10 PCMCIA_A8 PCM_D4 PCM_D7 PCM_D5 PCM_D6 PCM_D3 PCM_D1 PCM_D0 PCM_D2 CI_PF-AD6 CI_PF-AD0 CI_PF-AD1 CI_PF-AD2 CI_PF-AD3 CI_PF-AD4 CI_PF-AD5 CI_PF-AD7 PCM_A10 PCM_A13 PCM_A11 PCM_A12 PCM_A14 PCM_A8 PCM_A9 VGA_AU_IN_R VGA_AU_IN_L ON_PBACK BRI_ADJ-PWM2 LED_CTL_IR SPDIF_OUT LD_EN LD_EN USB1_DP USB1_DM 3.3Vstb +3.3V +3.3V 5V-IF 5V-IF +3.3V 3.3Vstb +3.3V 3.3Vstb FLH_3.3V +3.3V +3.3V +5V 5V_USB 5V_USB 3.3Vstb 3.3Vstb 5Vstb 3.3Vstb 5Vstb 5Vstb 5Vstb FLH_3.3V 5Vstb 3.3Vstb R1_RXOC- 10 R0_RXOC+ 10 R7_RXO0- 10 R6_RXO0+ 10 R5_RXO1- 10 R4_RXO1+ 10 R3_RXO2- 10 R2_RXO2+ 10 G7_RXO3- 10 G6_RXO3+ 10 G5_RXO4- 10 G4_RXO4+ 10 G3_RXE0- 10 G2_RXE0+ 10 G1_RXE1- 10 G0_RXE1+ 10 B7_RXE2- 10 B6_RXE2+ 10 B3_RXE3- 10 B2_RXE3+ 10 B1_RXE4- 10 B0_RXE4+ 10 VGA_HSYNC 5 VGA_VSYNC 5 VGA_RIN+ 5 VGA_GIN+ 5 VGA_BIN+ 5 RGB2-YPBPR_RIN+ 5 RGB2-YPBPR_GIN+ 5 RGB2-YPBPR_BIN+ 5 SC_CVBS-IN 5 SC_CVBS_OUT 5 I2C-SCL-TUNER 6 I2C-SDA-TUNER 6 UART-TX 5 UART-RX 5 B5_RXEC- 10 B4_RXEC+ 10 I2C-SCL 8,10 I2C-SDA 8,10 CVBS2-RCA 5 COMP_AUL2 5 COMP_AUR2 5 SPDIF_OUT 5 AMP-R 8 AMP-L 8 EARPHONE_OUTL 8 EARPHONE_OUTR 8 RF_AGC 6 PW_CTL 1 VIFM 6 VIFP 6 3D_RL 1 RESET_FE0# 6 DVBC_IFAGC 6 I2S-OUT_WSO 8 I2S-OUT_MCKO 8 I2S-OUT_BCKO 8 I2S-OUT_SDO 8 HDMI-CEC 4 HDMI1-RX1P 4 HDMI1-CLKP 4 HDMI1-RX1N 4 HDMI1-RX0P 4 HDMI1-CLKN 4 HDMI1-RX2P 4 HDMI1-SCL 4 HDMI1-RX0N 4 HDMI1-HPDIN 4 HDMI1-RX2N 4 HDMI1-SDA 4 HDMI3-RX2N 4 HDMI3-RX1P 4 HDMI3-SCL 4 HDMI3-CLKP 4 HDMI3-RX1N 4 HDMI3-SDA 4 HDMI3-RX0P 4 HDMI3-CLKN 4 HDMI3-RX2P 4 HDMI3-RX0N 4 HDMI3-HPDIN 4 ET_COL-E 7 ET_TXD0-E 7 ET_TXD1-E 7 ET_TX_EN-E 7 ET_TX_CLK-E 7 ET_RXD0-E 7 ET_RXD1-E 7 ET_MDC-E 7 ET_MDIO-E 7 MUTE_S 8 RF_AGC_SEL 6 BRI_ADJ-PWM2 1,10 ON_PBACK 1 ON_PANEL 1 MIC_RIN 5 MIC_LIN 5 RCA_AU_IN_3L RCA_AU_IN_3R TS1_OUT_VLD <5> TS1_OUT_SYNC <5> TS1_OUT_D[7:0] <5> TS1_OUT_CLK <5> DTV-IFP <5> DTV-IFM <5> RST_AMP 8 HDMI2-RX2N 4 HDMI2-RX1P 4 HDMI2-SCL 4 HDMI2-CLKP 4 HDMI2-RX1N 4 HDMI2-SDA 4 HDMI2-RX0P 4 HDMI2-CLKN 4 HDMI2-RX2P 4 HDMI2-RX0N 4 HDMI2-HPDIN 4 USB1_DM 1 USB1_DP 1 USB0_DP 1 USB0_DM 1 USB0_DM 1 USB0_DP 1 3D_EN 6 ON_PCMCIA 1 TS0_IN_CLK <5> TS0_IN_SYNC <5> TS0_IN_VLD <5> TS0_IN_D[7:0] <5> PCMCIA_CE_N <5> PCMCIA_RESET <5> PCM_CD_N <5> PCMCIA_OE_N <5> PCMCIA_WE_N <5> PCMCIA_REG_N <5> PCMCIA_IRQA_N<5> PCMCIA_WAIT_N<5> PCMCIA_IORD_N<5> PCMCIA_IOWR_N<5> PCMCIA_A[14:8] <5> PCMCIA_D[7:0] <5> PCM_PF-AD[7:0] <5> LD_EN 6 LD_EN 6 IR_IN 2 Light_Sen 2 USB1_DP 1 USB1_DM 1 6M30_RST 6 Title Size Document Number Rev Date: Sheet of MST6I78ZX 1.0 2 10 Main Block Custom Tuesday, November 02, 2010 Title Size Document Number Rev Date: Sheet of MST6I78ZX 1.0 2 10 Main Block Custom Tuesday, November 02, 2010 Title Size Document Number Rev Date: Sheet of MST6I78ZX 1.0 2 10 Main Block Custom Tuesday, November 02, 2010 Boot Loader SPI Flash EEPROM AUCOM System XTAL Debug port Mode Selection I2C address at A0. I2C address at A4 RESET IR KEY PAD R667 33R R667 33R R87 10k/NC R87 10k/NC C149 100n/16V C149 100n/16V R129 4.7k R129 4.7k R159 100R R159 100R R614 33R R614 33R R592 0R R592 0R C143 100n/16V C143 100n/16V __0_0 1 TP27 TP27 C35 4.7u/10V C35 4.7u/10V R177 100R R177 100R C152 100n/16V C152 100n/16V R664 33R R664 33R RP3 10R RP3 10R R573 33R R573 33R C96 4.7u/10V C96 4.7u/10V R180 1M R180 1M R578 33R R578 33R R671 33R R671 33R R93 33R/NC R93 33R/NC RV22 ULCE0505A015FR RV22 ULCE0505A015FR C130 4.7u/10V C130 4.7u/10V C139 100n/16V C139 100n/16V R656 33R R656 33R R215 4.7k R215 4.7k R625 33R R625 33R R230 10k R230 10k 1 2 3 V7 MMBT3906LT1 V7 MMBT3906LT1 C141 10p/50V C141 10p/50V C333 100n/16V C333 100n/16V R602 4.7k/NC R602 4.7k/NC R647 68R R647 68R C212 47n/16V C212 47n/16V R622 10k R622 10k C396 100n/16V C396 100n/16V __0_0 1 TP36 TP36 R588 33R R588 33R R121 4.7k R121 4.7k R40 33R R40 33R R613 33R R613 33R VCC 1 D - 2 D+ 3 GND 4 GND 5 GND 6 XP13 XP13 R579 33R R579 33R R672 33R R672 33R L22 BLM18PG181SN1 L22 BLM18PG181SN1 1 2 3 4 XP5 XP5 C128 10p/50V/NC C128 10p/50V/NC C371 10u/16V C371 10u/16V R185 4.7k R185 4.7k R657 33R R657 33R R572 33R R572 33R 1 2 3 V8 MMBT3904LT1/NC V8 MMBT3904LT1/NC R643 33R R643 33R R62 33R R62 33R R161 4.7k/NC R161 4.7k/NC R184 4.7k R184 4.7k R589 33R R589 33R RP6 10R RP6 10R C95 10u/10V C95 10u/10V R619 68R R619 68R C150 1n/50V C150 1n/50V C368 100n/16V C368 100n/16V R580 33R R580 33R R673 33R R673 33R R600 4.7k R600 4.7k L15 BLM18PG181SN1 L15 BLM18PG181SN1 C137 10p/50V C137 10p/50V R64 33R R64 33R R298 100R R298 100R C175 20p/50V C175 20p/50V C211 47n/16V C211 47n/16V R658 33R R658 33R C226 2.2u/10V C226 2.2u/10V R593 0R R593 0R C124 100n/16V C124 100n/16V C136 10u/10V C136 10u/10V C147 20p/50V C147 20p/50V R231 10k R231 10k C87 2.2u/10V C87 2.2u/10V C220 47n/16V C220 47n/16V R644 33R R644 33R R131 100R R131 100R 1 2 3 V6 BAV99LT1 V6 BAV99LT1 R18 0R R18 0R C146 1n/50V C146 1n/50V R590 33R R590 33R R232 10k R232 10k C305 100n/16V C305 100n/16V R612 68R R612 68R R123 0R/NC R123 0R/NC R603 4.7k/NC R603 4.7k/NC R581 33R R581 33R R674 33R R674 33R C204 47n/16V C204 47n/16V R373 2.2k R373 2.2k AUL0 R4 AUR0 T6 AUL1 T4 AUR1 T5 AUL2 U6 AUR2 U5 AUL3 V6 AUR3 V5 AUL4 V4 AUR4 W6 AUOUTL0 AB5 AUOUTR0 AB6 EARPHONE_OUTR AA1 EARPHONE_OUTL AA2 AUCOM AA6 AUVAG AC4 AUVRP AC3 AUVRM AB4 SPDIF_IN/GPIO145 AB10 SPDIF_OUT/GPIO178 Y5 I2S_IN_WS/GPIO174 A3 I2S_IN_BCK/GPIO175 AA9 I2S_IN_SD/GPIO176 D4 I2S_OUT_WS/GPIO180 Y8 I2S_OUT_MCK W8 I2S_OUT_BCK AA8 I2S_OUT_SD AB8 AUOUTR2 AB7 AUOUTL2 AA7 MICIN W5 MICCM W4 MIC_DETIN Y4 AUDIO Line-In MIC-Phone Line-Out I2S-In I2S-Out SPDIF N1C MST6I78ZX AUDIO Line-In MIC-Phone Line-Out I2S-In I2S-Out SPDIF N1C MST6I78ZX R65 33R R65 33R R659 33R R659 33R R209 100R R209 100R R44 5.1R R44 5.1R C210 47n/16V C210 47n/16V R666 33R R666 33R R168 1k/NC R168 1k/NC RV24 ULCE0505A015FR RV24 ULCE0505A015FR RP1 10R RP1 10R R216 4.7k R216 4.7k R606 33R R606 33R R598 4.7k/NC R598 4.7k/NC RP2 10R RP2 10R A0 1 A1 2 A2 3 VSS 4 SDA 5 SCL 6 WP 7 VCC 8 N13 AT24C04N-10SU-2.7 N13 AT24C04N-10SU-2.7 1 2 3 V9 MMBT3904LT1/NC V9 MMBT3904LT1/NC R182 1k R182 1k C197 47n/16V C197 47n/16V C225 47n/16V C225 47n/16V R675 33R R675 33R __0_0 1 TP26 TP26 R106 68k R106 68k R296 100R R296 100R C187 2.2u/10V C187 2.2u/10V R387 4.7k R387 4.7k R267 4.7k R267 4.7k R135 100R R135 100R R637 33R R637 33R R662 33R R662 33R R79 10k R79 10k R391 4.7k R391 4.7k C229 2.2u/10V C229 2.2u/10V R130 100R R130 100R R618 33R R618 33R SO/SIO1 2 GND 4 WP#/ACC 3 SCLK 6 VCC 8 CS# 1 LOLD# 7 SI/SIO0 5 N12 MX25L1605D-SST25VF016B N12 MX25L1605D-SST25VF016B C196 47n/16V C196 47n/16V R114 4.7k/NC R114 4.7k/NC C36 100n/16V C36 100n/16V R68 100k R68 100k R178 2.2k R178 2.2k C209 47n/16V C209 47n/16V R632 33R R632 33R C460 22n/25V C460 22n/25V C138 10u/10V C138 10u/10V R677 33R R677 33R GPIO_PM[10]/SPI_CS2 E5 GPIO_PM[1]/UART1_TX W9 GPIO_PM[12] F5 GPIO_PM[6]/SPI_CSZ1 D5 GPIO_PM[5]/UART1_RX Y9 GPIO_PM[0]/INT0 E4 GPIO_PM[4]/POWER_ON/OFF D8 TESTPIN D12 RESET N4 XTALO AB1 XTALI AB2 SPI_DI B5 SPI_DO B6 SPI_CSZ0 C7 SPI_CK C6 USB0_DP B4 USB0_DM A4 USB1_DP AD10 USB1_DM AC10 SAR0 G5 SAR1 G4 SAR2 F4 SAR3 H6 IRIN H5 PWM0 AC25 PWM1 AC24 PWM2 AC23 R1_RXOC+ AE22 R0_RXOC- AD22 R3_RXO2+ AE23 R2_RXO2- AD23 R5_RXO1+ AE24 R4_RXO1- AD24 R7_RXO0+ AE25 R6_RXO0- AD25 G1_RXE1+ AD19 G0_RXE1- AE19 G3_RXE0+ AC20 G2_RXE0- AE20 G5_RXO4+ AD20 G4_RXO4- AC21 G7_RXO3+ AD21 G6_RXO3- AC22 B1_RXE4+ AD16 B0_RXE4- AE16 B3_RXE3+ AC17 B2_RXE3- AE17 B5_RXEC+ AD17 B4_RXEC- AC18 B7_RXE2+ AD18 B6_RXE2- AC19 DDCR_CK AA22 DDCR_DA Y22 DDCA_CLK M4 DDCA_DA N6 UART_TX2/GPIO149 Y10 UART_RX2/GPIO147 AA10 GND_EFUSE G12 PWM3 AB22 GPIO_PM[8] C5 SAR4 A5 SAR PWM USB SPI Flash Crystal MI2C UART LVDS N1E MST6I78ZX SAR PWM USB SPI Flash Crystal MI2C UART LVDS N1E MST6I78ZX R630 1M R630 1M R639 33R R639 33R 1 2 3 4 XP8 XP8 R649 33R R649 33R R71 4.7k R71 4.7k R653 33R R653 33R R165 4.7k/NC R165 4.7k/NC R94 100k/NC R94 100k/NC R575 33R R575 33R R385 2.2k R385 2.2k R303 100R R303 100R R633 33R R633 33R C88 2.2u/10V C88 2.2u/10V R88 10k R88 10k R181 1k R181 1k RXACKP G2 RXACKN G1 RXA0P H2 RXA0N G3 RXA1P J2 RXA1N H3 RXA2P J3 RXA2N J1 DDCDA_DA M6 DDCDA_CK L5 HOTPLUGA M5 RXBCKP D2 RXBCKN D1 RXB0P E2 RXB0N D3 RXB1P F2 RXB1N E3 RXB2P F3 RXB2N F1 DDCDB_DA K5 DDCDB_CK K4 HOTPLUGB L6 RXCCKP AD7 RXCCKN AC7 RXC0P AC8 RXC0N AE7 RXC1P AD8 RXC1N AE8 RXC2P AD9 RXC2N AC9 DDCDC_DA AD6 DDCDC_CK AC6 HOTPLUGC AD5 HSYNC0 N5 VSYNC0 P6 BIN0P K3 GIN0P M2 SOGIN0 L3 GIN0M M1 HSYNC1 P5 VSYNC1 R6 RIN1P P3 GIN1P N3 BIN1P M3 SOGIN1 N2 RIN2P R1 GIN2P T2 BIN2P U2 SOGIN2 T1 CVBS1P Y2 Y0(CVBS2P) V3 C0(CVBS3P) V1 Y1(CVBS4P) V2 C1(CVBS5P) W3 CVBS0P Y3 VCOM W1 CVBS_OUT W2 CVBS_OUT1 AA3 CEC J6 GIN1M P2 RIN0P K1 HSYNC2 R5 GIN2M T3 HOTPLUGD K6 DDCDD_CK J5 DDCDD_DA J4 RXDCKP A2 RXDCKN B3 RXD0P B2 RXD0N A1 RXD1P C2 RXD1N B1 RXD2P C3 RXD2N C1 RIN0M K2 BIN0M L2 RIN1M R2 BIN1M N1 RIN2M R3 BIN2M U3 HDMI RGB CVBS_IN S-Video CVBS_OUT N1B MST6I78ZX HDMI RGB CVBS_IN S-Video CVBS_OUT N1B MST6I78ZX R616 33R R616 33R C186 2.2u/10V C186 2.2u/10V RV23 ULCE0505A015FR RV23 ULCE0505A015FR R211 100R R211 100R R574 33R R574 33R C383 100n/16V C383 100n/16V R599 68R R599 68R C227 2.2u/10V C227 2.2u/10V 1 2 Z2 HC-49SM24MHZ Z2 HC-49SM24MHZ R640 33R R640 33R R100 4.7k/NC R100 4.7k/NC R69 0R R69 0R R48 5.1R R48 5.1R R650 33R R650 33R R107 4.7k R107 4.7k C151 1n/50V C151 1n/50V R295 100R R295 100R RV25 ULCE0505A015FR RV25 ULCE0505A015FR C230 2.2u/10V C230 2.2u/10V C216 47n/16V C216 47n/16V R75 1k R75 1k R183 4.7k/NC R183 4.7k/NC 1 2 3 4 5 6 7 8 XP10 XP10 R41 33R R41 33R RP4 10R RP4 10R C89 2.2u/10V C89 2.2u/10V R170 10k R170 10k C323 100n/16V C323 100n/16V R634 33R R634 33R R607 33R R607 33R C148 4.7u/10V C148 4.7u/10V C86 2.2u/10V C86 2.2u/10V C63 3.3n/50V C63 3.3n/50V R651 33R R651 33R R46 5.1R R46 5.1R C134 20p/50V C134 20p/50V R136 100R R136 100R R570 33R R570 33R C198 47n/16V C198 47n/16V R208 100R R208 100R R615 33R R615 33R C386 100n/16V C386 100n/16V R86 10k R86 10k C127 10p/50V/NC C127 10p/50V/NC R160 100R R160 100R R608 33R R608 33R C188 2.2u/10V C188 2.2u/10V R374 4.7k/NC R374 4.7k/NC C400 10p/50V/NC C400 10p/50V/NC R63 33R R63 33R C195 47n/16V C195 47n/16V R571 33R R571 33R R169 10k R169 10k C129 10u/10V C129 10u/10V C306 100n/16V C306 100n/16V R104 68k R104 68k A0 1 GND 4 A2 3 SCL 6 VCC 8 A1 2 WP 7 SDA 5 N10 AT24C32N-10SI-2.7 N10 AT24C32N-10SI-2.7 R652 33R R652 33R C44 3.3n/50V C44 3.3n/50V R29 0R R29 0R C361 100n/16V C361 100n/16V C145 100n/16V C145 100n/16V ET_TXD0/GPIO167 E7 ET_TXD1/GPIO166 F7 ET_CRS/GPIO165 F8 ET_TXEN/GPIO168 F6 ET_REFCLK/GPIO169 G6 ET_RXD0/GPIO170 D6 ET_RXD1/GPIO171 E6 ET_MDC/GPIO172 D7 TS0_D0/GPIO77 P19 TS0_VLD/GPIO85 T20 TS0_SYNC/GPIO86 R19 TS0_CLK/GPIO87 U19 NAND_WPZ/PF_AD15/GPIO136 AC12 NAND_WEZ/PF_WEZ/GPIO140 AD11 NAND_RBZ/PF_RBZ/GPIO142 AE10 NAND_ALE/PF_ALE/GPIO141 AE11 NAND_CEZ/PF_CE0Z/GPIO137 AC11 NAND_CLE/PF_CE1Z/GPIO138 AB11 NAND_REZ/PF_OEZ/GPIO139 Y11 ET_MDIO/GPIO173 E8 DIFP AD1 DIFM AE1 VIFP AE2 VIFM AD2 SIFP AD3 SIFM AE3 IF_AGC AC5 RFAGC/TAGC AE5 TUNER_SDA/TGPIO3 AD4 TUNER_SCL/TGPIO2 AE4 TS0_D1/GPIO78 P21 TS0_D2/GPIO79 P22 TS0_D3/GPIO80 Y12 TS0_D4/GPIO81 AA13 TS0_D5/GPIO82 AB14 TS0_D6/GPIO83 AA15 TS0_D7/GPIO84 AC15 TS1_CLK/GPIO98 W19 TS1_VLD/GPIO96 AA21 TS1_SYNC/GPIO97 AA18 TS1_D0/GPIO88 Y18 TS1_D1/GPIO89 AA19 TS1_D2/GPIO90 AA20 TS1_D3/GPIO91 Y19 TS1_D4/GPIO92 Y21 TS1_D5/GPIO93 W20 TS1_D6/GPIO94 V20 TS1_D7/GPIO95 W21 PCMDATA[0]/CI_DATA[0]/GPIO126 R20 PCMDATA[1]/CI_DATA[1]/GPIO127 P20 PCMDATA[2]/CI_DATA[2]/GPIO128 N20 PCMDATA[3]/CI_DATA[3]/GPIO120 AA11 PCMDATA[6]/CI_DATA[6]/GPIO117 Y14 PCMDATA[7]/CI_DATA[7]/GPIO116 AA14 PCMDATA[5]/CI_DATA[5]/GPIO118 Y13 PCMDATA[4]/CI_DATA[4]/GPIO119 AA12 PCMADR[0]/CI_A[0]/NAND_D0/GPIO125 AD14 PCMADR[1]/CI_A[1]/NAND_D1/GPIO124 AE14 PCMADR[2]/CI_A[2]/NAND_D2/GPIO122 AC14 PCMADR[3]/CI_A[3]/NAND_D3/GPIO121 AB13 PCMADR[4]/CI_A[4]/NAND_D4/GPIO99 AD13 PCMADR[5]/CI_A[5]/NAND_D5/GPIO101 AE13 PCMADR[6]/CI_A[6]/NAND_D6/GPIO102 AC13 PCMADR[7]/CI_A[7]/NAND_D7/GPIO103 AD12 PCMADR[8]/CI_A[8]/GPIO108 AB17 PCMADR[9]/CI_A[9]/GPIO110 AB16 PCMADR[10]/CI_A[10]/GPIO114 AD15 PCMADR[11]/CI_A[11]/GPIO112 Y16 PCMADR[12]/CI_A[12]/GPIO104 V19 PCMADR[13]/CI_A[13]/GPIO107 Y17 PCMADR[14]/CI_A[14]/GPIO106 AB19 CI_CD_N/GPIO130 N21 PCM_REG_N/CI_CLK/GPIO123 T19 CI_RST/GPIO129 U21 PCM_IRQA_N/CI_INT/GPIO105 Y20 PCM_OE_N/GPIO113 AC16 PCM_IORD_N/CI_RD/GPIO111 AA16 PCM_IOWR_N/CI_WR/GPIO109 AA17 PCM_CE_N/CI_CS/GPIO115 Y15 PCM_WE_N AB20 PCM_WAIT_N/CI_WACK/GPIO100 U20 VSYNC/TGPIO0 AC1 100BASE-TX Ethernet Parallel TS (IN) Front-End NAND FLASH Parallel TS (IN/OUT) PCMCIA N1D MST6I78ZX 100BASE-TX Ethernet Parallel TS (IN) Front-End NAND FLASH Parallel TS (IN/OUT) PCMCIA N1D MST6I78ZX R407 0R R407 0R R66 100R R66 100R C224 47n/16V C224 47n/16V R626 33R R626 33R R50 1k R50 1k R138 100R R138 100R C509 220p/50V C509 220p/50V C461 22n/25V C461 22n/25V R665 33R R665 33R C448 1n/50V C448 1n/50V R89 10k R89 10k R67 33R R67 33R R605 10k R605 10k R117 10k R117 10k R654 33R R654 33R R576 33R R576 33R R660 33R R660 33R C126 10p/50V/NC C126 10p/50V/NC R119 10k/NC R119 10k/NC R611 33R R611 33R R648 33R R648 33R C140 10p/50V C140 10p/50V C108 1u/10V C108 1u/10V R601 4.7k R601 4.7k R638 33R R638 33R C201 47n/16V C201 47n/16V R609 33R R609 33R R293 100R R293 100R R629 33R R629 33R R167 1k/NC R167 1k/NC C107 100n/16V C107 100n/16V C384 10u/16V C384 10u/16V C133 100n/16V C133 100n/16V R621 68R R621 68R C207 47n/16V C207 47n/16V R582 33R R582 33R R122 4.7k R122 4.7k R179 1M R179 1M R577 33R R577 33R R669 33R R669 33R R297 100R R297 100R R77 100R R77 100R C228 2.2u/10V C228 2.2u/10V R42 33R R42 33R R655 33R R655 33R C125 10p/50V/NC C125 10p/50V/NC R631 33R R631 33R R610 33R R610 33R R661 33R R661 33R NC_1 1 NC_2 2 NC_3 3 NC_4 4 NC_5 5 NC_6 6 R/B_0_6 7 RE_1_7 8 CE_2_8 9 NC_10 10 NC_11 11 VCC 12 VSS 13 NC_14 14 NC_15 15 CLE 16 ALE 17 WE_11_17 18 WP_12_18 19 NC_20 20 NC_21 21 NC_22 22 NC_23 23 NC_24 24 NC_25 25 NC_26 26 NC_27 27 NC_28 28 D0 29 D1 30 D2 31 D3 32 NC_33 33 NC_34 34 NC_35 35 VSS_35 36 VCC_37 37 NC_38 38 NC_39 39 NC_40 40 D4 41 D5 42 D6 43 D7 44 NC_45 45 NC_46 46 NC_47 47 NC_48 48 N34 H27U1G8F2BTR-BC N34 H27U1G8F2BTR-BC R102 4.7k R102 4.7k R617 33R R617 33R R583 33R R583 33R R74 4.7k R74 4.7k R620 68R R620 68R R628 68R R628 68R R604 4.7k R604 4.7k R663 33R R663 33R R670 33R R670 33R R45 5.1R R45 5.1R RP5 10R RP5 10R R210 100R R210 100R C208 47n/16V C208 47n/16V VCC 1 D - 2 D+ 3 GND 4 GND 5 GND 6 XP12 XP12 5 4 3 2 1 D D C C B B A A AVSS_PGA A_MADR0 A_MADR1 A_MADR2 A_MADR3 A_MADR4 A_MBADR0 A_MCKE A_MDATA0 A_MDATA10 A_MDATA9 A_MDQMU A_MDQSL A_MDQSLZ B_MADR0 B_MADR10 B_MADR11 B_MADR12 B_MADR7 B_MADR8 B_MBADR0 B_MBADR1 B_MBADR2 B_MCASZ B_MCKE B_MDATA0 B_MDATA1 B_MDATA10 B_MDATA11 B_MDATA12 B_MDATA13 B_MDATA14 B_MDATA15 B_MDATA2 B_MDATA3 B_MDATA4 B_MDATA5 B_MDATA6 B_MDATA7 B_MDATA8 B_MDATA9 B_MODT B_MRASZ B_MWEZ A_MODT A_MRASZ B_MODT B_MRASZ MB_DQS1 MB_DQSB1 MB_MCLKZ B_MADR5 B_MBADR2 B_MADR12 B_MADR3 B_MADR1 B_MADR7 B_MADR10 B_MDQSL B_MDQSLZ MB_DQS0 MB_DQSB0 B_MDQSU B_MDQSUZ MB_DQ15 MB_DQ8 MB_DQ10 MB_DQ13 B_MDATA11 B_MDATA12 B_MDATA9 B_MDATA14 MB_DQ11 MB_DQ12 MB_DQ9 MB_DQ14 MB_DQ6 MB_DQ1 MB_DQ3 MB_DQ4 B_MDATA6 B_MDATA1 B_MDATA3 B_MDATA4 B_MDATA7 B_MDATA0 B_MDATA2 B_MDATA5 MB_DQ5 MB_DQ2 MB_DQ7 MB_DQ0 B_MDATA15 B_MDATA8 B_MDATA10 B_MDATA13 MA_DQS1 MA_DQSB1 MB_ODT MB_RASZ MB_A8 MB_A6 MB_A12 MB_A7 MB_A3 MB_A1 MB_A10 MB_A5 B_MADR2 B_MADR4 MB_CASZ MB_A0 MB_BA0 B_MCLK B_MCLKZ MB_WEZ B_MBADR0 MB_MCLK B_MWEZ B_MADR11 MB_BA1 MB_A11 B_MADR6 B_MADR8 B_MBADR1 MB_CKE MB_BA2 MB_A2 MB_A4 B_MCASZ B_MADR0 B_MCKE MB_DQM1 MB_DQM0 B_MDQML B_MDQMU A_MADR5 A_MBADR2 A_MADR7 B_MADR9 A_MADR3 A_MADR1 A_MADR12 A_MADR9 A_MADR10 A_MDQSL A_MDQSLZ MA_DQS0 MA_DQSB0 A_MDQSU A_MDQSUZ MA_DQ15 MA_DQ8 MA_DQ10 MA_DQ13 A_MDATA11 A_MDATA12 A_MDATA9 A_MDATA14 MA_DQ11 MA_DQ12 MA_DQ9 MA_DQ14 MA_DQ6 MA_DQ1 MA_DQ3 MA_DQ4 A_MDATA6 A_MDATA1 A_MDATA3 A_MDATA4 A_MDATA7 A_MDATA0 A_MDATA2 A_MDATA5 MA_DQ5 MA_DQ2 MA_DQ7 MA_DQ0 A_MDATA15 A_MDATA8 A_MDATA10 A_MDATA13 MA_ODT MA_RASZ MA_A8 MA_A6 MA_A7 MA_A9 MA_A12 MA_A3 MA_A1 MA_A10 MA_A5 A_MADR2 A_MADR4 MA_CASZ MA_A0 MA_BA0 A_MCLK A_MCLKZ MA_WEZ A_MBADR0 MA_MCLKZ MA_MCLK A_MWEZ A_MADR11 MA_BA1 MA_A11 A_MADR6 A_MADR8 A_MBADR1 MA_CKE MA_BA2 MA_A2 MA_A4 A_MCASZ A_MADR0 A_MCKE MA_DQM1 MA_DQM0 A_MDQML A_MDQMU MB_A9 B_MVERF A_MVERF MA_DQM0 MA_DQM1 MA_DQS0 MA_DQSB0 MA_DQS1 MA_DQSB1 MA_DQ11 MA_DQ12 MA_DQ9 MA_DQ14 MA_DQ6 MA_DQ1 MA_DQ3 MA_DQ4 MA_BA1 MA_BA0 MA_A1 MA_A10 MA_A5 MA_A9 MA_A12 MA_A7 MA_A3 MA_BA2 A_MVERF MA_CKE MA_MCLKZ MA_MCLK MA_DQ15 MA_DQ8 MA_DQ10 MA_DQ13 MA_DQ7 MA_DQ0 MA_DQ2 MA_DQ5 MA_ODT MA_RASZ MA_CASZ MA_WEZ MA_A0 MA_A2 MA_A4 MA_A6 MA_A8 MA_A11 MB_DQM0 MB_DQM1 MB_DQS0 MB_DQSB0 MB_DQS1 MB_DQSB1 MB_DQ11 MB_DQ12 MB_DQ9 MB_DQ14 MB_DQ6 MB_DQ1 MB_DQ3 MB_DQ4 MB_BA0 MB_BA1 MB_A1 MB_A10 MB_A5 MB_A9 MB_A12 MB_A7 MB_A3 MB_BA2 B_MVERF MB_MCLKZ MB_MCLK MB_CKE MB_DQ15 MB_DQ8 MB_DQ10 MB_DQ13 MB_DQ7 MB_DQ0 MB_DQ2 MB_DQ5 MB_ODT MB_RASZ MB_CASZ MB_A0 MB_A2 MB_A4 MB_A6 MB_A8 MB_A11 MB_WEZ AVSS_PGA DVDD_NODIE_1.2V A_MDATA14 A_MDATA14 A_MCLK A_MCLK A_MADR11 A_MADR11 A_MDATA2 A_MDATA2 A_MADR8 A_MADR8 A_MDQSUZ A_MDQSUZ B_MDQSU B_MDQSU A_MCLKZ A_MCLKZ A_MDQML A_MDQML A_MDATA1 A_MDATA1 B_MDQSUZ B_MDQSUZ A_MRASZ A_MRASZ A_MCASZ A_MCASZ A_MDATA11 A_MDATA11 A_MDATA5 A_MDATA5 A_MADR6 A_MADR6 A_MDATA7 A_MDATA7 A_MADR10 A_MADR10 B_MDQSLZ B_MDQSLZ B_MCLK B_MCLK A_MDATA12 A_MDATA12 B_MADR5 B_MADR5 A_MADR5 A_MADR5 B_MCLKZ B_MCLKZ A_MDATA13 A_MDATA13 A_MWEZ A_MWEZ A_MDATA6 A_MDATA6 B_MDQML B_MDQML B_MADR4 B_MADR4 B_MADR9 B_MADR9 A_MBADR1 A_MBADR1 A_MDATA3 A_MDATA3 B_MADR1 B_MADR1 A_MADR7 A_MADR7 A_MBADR2 A_MBADR2 A_MADR12 A_MADR12 B_MADR6 B_MADR6 A_MDATA8 A_MDATA8 A_MADR9 A_MADR9 A_MDATA4 A_MDATA4 A_MDQSU A_MDQSU B_MDQSL B_MDQSL B_MDQMU B_MDQMU B_MADR3 B_MADR3 B_MADR2 B_MADR2 A_MDATA15 A_MDATA15 A_MODT A_MODT A_MADR13 B_MADR13 B_MADR13 A_MADR13 MB_A13 MA_A13 MB_A13 MA_A13 +2.5V_PGA +2.5V_MAINCHIP VDDC VDDP 3.3Vstb +1.8V_DDR2 +2.5V_MAINCHIP +2.5V_Normal +2.5V_PGA 3.3Vstb VDDP +3.3V VDDP +1.8V_DDR2 VDDC VCC1.2V DVDD DVDD +1.8V_DDR2 +1.8V_DDR2 +1.8V_DDR2 +1.8V_DDR2 +1.8V_DDR2 +1.8V_DDR2 +1.8V_DDR2 Title Size Document Number Rev Date: Sheet of DDR Block 10 3 1.0 MST6I78ZX A2 Tuesday, November 02, 2010 Title Size Document Number Rev Date: Sheet of DDR Block 10 3 1.0 MST6I78ZX A2 Tuesday, November 02, 2010 Title Size Document Number Rev Date: Sheet of DDR Block 10 3 1.0 MST6I78ZX A2 Tuesday, November 02, 2010 230mA(DDR2/PCS) C270 100n/16V C270 100n/16V C268 100n/16V C268 100n/16V C462 1u/10V C462 1u/10V C113 100n/16V C113 100n/16V R51 56R R51 56R C100 100n/16V C100 100n/16V R148 56R R148 56R C279 100n/16V C279 100n/16V R171 56R R171 56R C272 100n/16V C272 100n/16V R431 10k R431 10k C266 100n/16V C266 100n/16V C101 100n/16V C101 100n/16V R56 56R R56 56R B_MADR0 F25 B_MADR1 Y24 B_MADR2 F24 B_MADR3 AB23 B_MADR4 F23 B_MADR5 AA24 B_MADR6 E24 B_MADR7 AB24 B_MADR8 E23 B_MADR9 D25 B_MADR10 AA23 B_MADR11 D24 B_MADR12 AB25 B_MCASZ G24 B_MRASZ G25 B_MWEZ W23 B_MCKE W24 B_MODT H24 B_MBADR1 W25 B_MBADR0 Y23 B_MDQL0 K23 B_MDQL1 U24 B_MDQL2 J24 B_MDQL3 V23 B_MDQL4 V24 B_MDQL5 J25 B_MDQL6 U25 B_MDQL7 K24 B_MDQU0 L25 B_MDQU1 T24 B_MDQU2 L24 B_MDQU3 U23 B_MDQU4 T25 B_MDQU5 L23 B_MDQU6 R25 B_MDQU7 M24 B_MDQMU R24 B_MDQML P25 B_MDQSL P24 B_MDQSLZ N25 B_MDQSUZ N24 B_MDQSU M25 B_MCLKZ H25 B_MCLK J23 A_MADR0 C9 A_MADR1 B22 A_MADR2 B8 A_MADR3 A23 A_MADR4 A8 A_MADR5 B23 A_MADR6 C8 A_MADR7 A24 A_MADR8 A7 A_MADR9 B24 A_MADR10 C23 A_MADR11 B7 A_MADR12 C24 A_MCASZ B9 A_MRASZ C10 A_MWEZ A20 A_MCKE C21 A_MODT B10 A_MBADR1 A21 A_MBADR0 B21 A_MDQL0 A12 A_MDQL1 B19 A_MDQL2 B12 A_MDQL3 C20 A_MDQL4 B20 A_MDQL5 A11 A_MDQL6 C19 A_MDQL7 C13 A_MDQU0 C14 A_MDQU1 C18 A_MDQU2 B13 A_MDQU3 B18 A_MDQU4 A18 A_MDQU5 A13 A_MDQU6 A17 A_MDQU7 B14 A_MDQMU B17 A_MDQML A16 A_MDQSL B16 A_MDQSLZ A15 A_MDQSU C15 A_MDQSUZ B15 A_MCLKZ A10 A_MCLK B11 B_MBADR2 Y25 A_MBADR2 C22 MVREF D22 A_MADR13 B25 A_MRESETZ A25 B_MRESETZ D23 B_MADR13 C25 DDR2 N1A MST6I78ZX DDR2 N1A MST6I78ZX R142 56R R142 56R C55 100n/16V C55 100n/16V R150 56R R150 56R R52 56R R52 56R C49 100n/16V C49 100n/16V L54 BLM18PG181SN1 L54 BLM18PG181SN1 AVDD_AU_3.3V J15 AVDD_ADC_3.3V L9 VDDP_3.3V F18 VDDP_3.3V G17 GND AC2 GND AB3 GND AA4 GND AA5 GND R7 GND U7 GND V7 GND W7 GND Y7 GND K11 GND M11 GND N11 GND R11 GND T11 GND V11 AVDD_MEMPLL_LPLL_3.3V E18 AVDD_DDR_1.8V F21 AVDD_DDR_1.8V F22 AVDD_DDR_1.8V G23 AVDD_DDR_1.8V G22 GND H12 GND J12 GND R12 GND T12 GND F12 AVDD_DDR_1.8V E21 GND M12 GND N12 GND P12 GND V12 GND D13 GND E13 GND K12 GND L12 VDDC_1.2V H19 VDDC_1.2V J17 VDDC_1.2V H18 VDDC_1.2V G20 VDDC_1.2V E20 VDDC_1.2V J16 AVDD_DDR_1.8V H22 AVDD_DDR_1.8V H23 GND U12 AVDD_DDR_1.8V E22 AVDD_DMPLL_3.3V L10 AVDD_ADC_2.5V N8 AVDD_PGA_2.5V M9 AVDD_DVI_NODIE_3.3V H11 GND F13 GND H13 GND J13 GND K13 GND L13 GND M13 GND R13 GND G14 GND H14 GND J14 AVDD_AU_2.5V P9 AVDD_REF_DEMOD_2.5V N9 AVDD_EAR_3.3V H16 AVDD_DVI_NODIE_3.3V J10 DVDD_NODIE_1.2V E12 GND T7 GND G13 GND T13 VDDC_1.2V K15 VDDC_1.2V K16 VDDC_1.2V G18 VDDC_1.2V G19 VDDC_1.2V F19 VDDC_1.2V F20 VDDC_1.2V E19 AVDD1P2_1.2V L15 DVDD_1.2V H20 GND L11 GND P11 GND U11 GND U13 GND V13 GND D14 GND E14 GND F14 GND D15 GND K14 GND L14 AVDD_MOD_2.5V P10 GND N13 GND P13 GND M14 GND N14 GND P14 GND R14 GND T14 GND U14 GND V14 GND E15 GND F15 GND G15 GND H15 GND R15 GND T15 GND U15 GND V15 GND C16 GND D16 GND E16 GND G16 GND N16 GND P16 GND N17 GND M17 GND L17 GND K17 GND D17 GND C17 GND V16 GND U16 GND T16 GND R16 AVSS_PGA M10 DVDD_1.2V H17 AVDD_ADC_2.5V P8 GND L18 GND J18 GND R17 GND P17 GND T18 GND T17 GND U17 GND P18 GND V17 GND R18 GND M18 GND N18 GND K18 GND J19 GND L19 GND K19 GND U18 GND V18 GND M19 GND K20 GND J20 GND L20 GND M20 GND M21 GND K21 GND L21 GND J21 GND L22 GND K22 GND N22 GND M22 GND J22 GND N23 GND M23 GND F16 GND P15 GND N19 GND T8 GND U8 GND V8 GND T9 GND U9 GND V9 GND T10 GND U10 AVDD_DVI_NODIE_3.3V K10 AVDD_DVI_NODIE_3.3V K9 GND Y6 GND R8 GND R9 GND R10 GND V10 GND J11 GND M15 GND N15 GND L16 GND M16 GND E17 GND F17 Stand-by Power Normal Power N1F MST6I78ZX Stand-by Power Normal Power N1F MST6I78ZX RP39 56R RP39 56R R275 56R R275 56R R152 22R R152 22R RP35 56R RP35 56R R461 10k R461 10k C46 2.2u/10V C46 2.2u/10V C53 10u/10V C53 10u/10V RP36 56R RP36 56R RP34 56R RP34 56R C473 100n/16V C473 100n/16V R164 56R R164 56R C202 100n/16V C202 100n/16V R53 56R R53 56R C281 100n/16V C281 100n/16V L12 BLM18PG181SN1 L12 BLM18PG181SN1 C245 100n/16V C245 100n/16V C39 100n/16V C39 100n/16V C174 100n/16V C174 100n/16V C48 100n/16V C48 100n/16V C47 100n/16V C47 100n/16V R120 56R R120 56R R449 56R R449 56R C105 100n/16V C105 100n/16V R140 22R R140 22R R174 56R R174 56R C501 10n/50V C501 10n/50V C54 100n/16V C54 100n/16V R460 10k R460 10k C104 100n/16V C104 100n/16V RP49 56R RP49 56R RP45 56R RP45 56R C466 100n/16V C466 100n/16V R54 56R R54 56R RP50 56R RP50 56R RP46 56R RP46 56R RP51 56R RP51 56R RP47 56R RP47 56R C114 100n/16V C114 100n/16V R163 56R R163 56R R55 56R R55 56R C103 10u/10V C103 10u/10V R462 10k R462 10k R459 22R R459 22R C84 100n/16V C84 100n/16V L64 STBL2012-121PT L64 STBL2012-121PT C269 100n/16V C269 100n/16V L10 BLM18PG181SN1 L10 BLM18PG181SN1 R173 56R R173 56R C64 100n/16V C64 100n/16V C271 100n/16V C271 100n/16V C65 100n/16V C65 100n/16V R57 22R R57 22R R145 56R R145 56R C267 100n/16V C267 100n/16V C106 100n/16V C106 100n/16V DQ0 G8 DQ1 G2 DQ2 H7 DQ3 H3 DQ4 H1 DQ5 H9 DQ6 F1 DQ7 F9 DQ8 C8 DQ9 C2 DQ10 D7 DQ11 D3 DQ12 D1 DQ13 D9 DQ14 B1 DQ15 B9 A0 M8 A1 M3 A2 M7 A3 N2 A4 N8 A5 N3 A6 N7 A7 P2 A8 P8 A9 P3 A10 M2 A11 P7 A12 R2 BA0 L2 BA1 L3 BA2 L1 UDQS A8 UDQS B7 LDQS E8 LDQS F7 UDM B3 LDM F3 WE K3 CAS L7 RAS K7 CS L8 CKE K2 CK J8 CK K8 ODT K9 VDD A1 VDD E1 VDD J9 VDD M9 VDD R1 VDDQ1 A9 VDDQ2 C1 VDDQ3 C3 VDDQ4 C7 VDDQ5 C9 VDDQ7 G1 VDDQ8 G3 VDDQ9 G7 VDDQ10 G9 VDDL J1 VDDQ6 E9 VSS A3 VSS J3 VSS N1 VSS P9 VSSQ2 B2 VSSQ3 B8 VSSQ4 D2 VSSQ5 D8 VSS E3 VSSQ6 E7 VSSQ7 F2 VSSQ8 F8 VSSQ9 H2 VSSQ10 H8 VSSDL J7 VREF J2 VSSQ1 A7 NCA2 A2 E2 E2 R3 R3 R7 R7 R8 R8 N17 H5PS1G63EFR-S5C N17 H5PS1G63EFR-S5C C112 100n/16V C112 100n/16V C111 10u/10V C111 10u/10V C280 100n/16V C280 100n/16V C83 2.2u/10V C83 2.2u/10V C273 100n/16V C273 100n/16V RP40 56R RP40 56R R149 56R R149 56R C109 100n/16V C109 100n/16V RP41 56R RP41 56R C248 100n/16V C248 100n/16V RP37 56R RP37 56R C276 100n/16V C276 100n/16V C464 100n/16V C464 100n/16V RP42 56R RP42 56R RP38 56R RP38 56R C471 100n/16V C471 100n/16V C110 100n/16V C110 100n/16V C244 100n/16V C244 100n/16V C38 100n/16V C38 100n/16V C274 100n/16V C274 100n/16V C176 100n/16V C176 100n/16V C470 2.2u/10V C470 2.2u/10V R151 56R R151 56R C247 10u/10V C247 10u/10V DQ0 G8 DQ1 G2 DQ2 H7 DQ3 H3 DQ4 H1 DQ5 H9 DQ6 F1 DQ7 F9 DQ8 C8 DQ9 C2 DQ10 D7 DQ11 D3 DQ12 D1 DQ13 D9 DQ14 B1 DQ15 B9 A0 M8 A1 M3 A2 M7 A3 N2 A4 N8 A5 N3 A6 N7 A7 P2 A8 P8 A9 P3 A10 M2 A11 P7 A12 R2 BA0 L2 BA1 L3 BA2 L1 UDQS A8 UDQS B7 LDQS E8 LDQS F7 UDM B3 LDM F3 WE K3 CAS L7 RAS K7 CS L8 CKE K2 CK J8 CK K8 ODT K9 VDD A1 VDD E1 VDD J9 VDD M9 VDD R1 VDDQ1 A9 VDDQ2 C1 VDDQ3 C3 VDDQ4 C7 VDDQ5 C9 VDDQ7 G1 VDDQ8 G3 VDDQ9 G7 VDDQ10 G9 VDDL J1 VDDQ6 E9 VSS A3 VSS J3 VSS N1 VSS P9 VSSQ2 B2 VSSQ3 B8 VSSQ4 D2 VSSQ5 D8 VSS E3 VSSQ6 E7 VSSQ7 F2 VSSQ8 F8 VSSQ9 H2 VSSQ10 H8 VSSDL J7 VREF J2 VSSQ1 A7 NCA2 A2 E2 E2 R3 R3 R7 R7 R8 R8 N15 H5PS1G63EFR-S5C N15 H5PS1G63EFR-S5C C502 10n/50V C502 10n/50V C163 100n/16V C163 100n/16V C166 4.7u/10V C166 4.7u/10V C85 100n/16V C85 100n/16V RP43 56R RP43 56R RP48 56R RP48 56R L11 BLM18PG181SN1 L11 BLM18PG181SN1 R143 56R R143 56R RP44 56R RP44 56R 5 4 3 2 1 D D C C B B A A HDMI-1-SCL HDMI-1-SDA HDMI-2-SCL HDMI-2-SDA HDMI1-5V HDMI2-5V HDMI1-CLKN HDMI1-CLKP HDMI1-RX0N HDMI1-RX0P HDMI1-RX1N HDMI1-RX1P HDMI1-RX2N HDMI1-RX2P HDMI1_CEC HDMI1_CLKN HDMI1_CLKP HDMI1_HPDIN HDMI1_RX0N HDMI1_RX0P HDMI1_RX1N HDMI1_RX1P HDMI1_RX2N HDMI1_RX2P HDMI2-CLKN HDMI2-CLKP HDMI2-RX0N HDMI2-RX0P HDMI2-RX1N HDMI2-RX1P HDMI2-RX2N HDMI2-RX2P HDMI2_CEC HDMI2_CLKN HDMI2_CLKP HDMI2_HPDIN HDMI2_RX0N HDMI2_RX0P HDMI2_RX1N HDMI2_RX1P HDMI2_RX2N HDMI2_RX2P HDMI-1-SCL HDMI-1-SDA HDMI-2-SCL HDMI-2-SDA HDMI1-HPDIN HDMI1-SCL HDMI1-SDA HDMI1_HPDIN HDMI2-HPDIN HDMI2-SCL HDMI2-SDA HDMI2_HPDIN HDMI-3-SCL HDMI-3-SCL HDMI-3-SDA HDMI-3-SDA HDMI3-5V HDMI3-CLKN HDMI3-CLKP HDMI3-HPDIN HDMI3-RX0N HDMI3-RX0P HDMI3-RX1N HDMI3-RX1P HDMI3-RX2N HDMI3-RX2P HDMI3-SCL HDMI3-SDA HDMI3_CEC HDMI3_CLKN HDMI3_CLKP HDMI3_HPDIN HDMI3_HPDIN HDMI3_RX0N HDMI3_RX0P HDMI3_RX1N HDMI3_RX1P HDMI3_RX2N HDMI3_RX2P HDMI-CEC HDMI1_CEC HDMI2_CEC HDMI3_CEC HDMI1_ARC SPDIF_OUT_ARC_HDMI13 HDMI1_ARC SPDIF_OUT_ARC HDMI2_ARC HDMI2_ARC SPDIF_OUT_ARC HDMI3_ARC HDMI3_ARC SPDIF_OUT_ARC_HDMI13 HDMI1-5V HDMI2-5V HDMI2_VCC HDMI2-5V HDMI2-5V HDMI1_VCC HDMI1-5V HDMI1-5V HDMI3-5V HDMI3_VCC HDMI3-5V HDMI3-5V HDMI1_VCC HDMI2_VCC HDMI3_VCC HDMI1-CLKN 2 HDMI1-RX1N 2 HDMI1-RX0P 2 HDMI1-CLKP 2 HDMI1-RX2N 2 HDMI1-RX0N 2 HDMI1-RX2P 2 HDMI2-CLKN 2 HDMI2-RX1N 2 HDMI2-RX0P 2 HDMI2-CLKP 2 HDMI2-RX2N 2 HDMI2-RX0N 2 HDMI2-RX2P 2 HDMI2-RX1P 2 HDMI1-RX1P 2 HDMI2-HPDIN 2 HDMI2-SCL 2 HDMI2-SDA 2 HDMI1-HPDIN 2 HDMI1-SCL 2 HDMI1-SDA 2 HDMI3-CLKN 2 HDMI3-RX1N 2 HDMI3-RX0P 2 HDMI3-CLKP 2 HDMI3-RX2N 2 HDMI3-RX0N 2 HDMI3-RX2P 2 HDMI3-RX1P 2 HDMI3-HPDIN 2 HDMI3-SCL 2 HDMI3-SDA 2 HDMI-CEC 2 SPDIF_OUT_ARC 2 SPDIF_OUT_ARC 2 Title Size Document Number Rev Date: Sheet of HDMI 10 5 1.0 MST6I78ZX A3 Tuesday, November 02, 2010 Title Size Document Number Rev Date: Sheet of HDMI 10 5 1.0 MST6I78ZX A3 Tuesday, November 02, 2010 Title Size Document Number Rev Date: Sheet of HDMI 10 5 1.0 MST6I78ZX A3 Tuesday, November 02, 2010 R586 100k R586 100k R116 0R R116 0R C80 100n/16V C80 100n/16V R96 0R/NC R96 0R/NC R133 0R R133 0R R72 0R R72 0R R118 0R R118 0R R153 4.7k R153 4.7k RV2 ULCE0505A015FR RV2 ULCE0505A015FR C79 100n/16V C79 100n/16V R186 0R/NC R186 0R/NC R105 0R R105 0R R302 100R R302 100R R299 100R R299 100R R158 10k R158 10k R76 0R R76 0R R32 0R R32 0R R690 51R R690 51R R99 10k R99 10k R688 0R R688 0R DATA2+_0 1 DATA2S 2 DATA2-_2 3 DATA1+_3 4 DATA1S 5 DATA1-_5 6 DATA0+_6 7 DATA0S 8 DATA0-_8 9 CLK+_9 10 CLKS 11 CLK-_11 12 CEC 13 NC 14 SCL 15 SDA 16 CEC/GND_16 17 +5V_17 18 HPDET 19 GND1 20 GND2 21 GND3 22 GND4 23 XS24 DC1R019JB1 XS24 DC1R019JB1 1 2 3 V21 MMBT3904LT1 V21 MMBT3904LT1 RV3 ULCE0505A015FR RV3 ULCE0505A015FR 3 1 2 V62 MMBT3906LT1 V62 MMBT3906LT1 C81 100n/16V C81 100n/16V R78 0R R78 0R R95 10k R95 10k 3 1 2 V63 MMBT3906LT1 V63 MMBT3906LT1 R301 100R R301 100R R126 0R R126 0R R103 0R R103 0R R585 100k R585 100k R300 100R R300 100R R692 51R R692 51R R125 0R R125 0R R84 0R R84 0R RV4 ULCE0505A015FR RV4 ULCE0505A015FR C93 2.2u/10V C93 2.2u/10V R127 0R R127 0R R90 10k R90 10k 3 1 2 V64 MMBT3906LT1 V64 MMBT3906LT1 R696 0R R696 0R R91 10k R91 10k R689 51R R689 51R R1570R/NC R1570R/NC R82 0R R82 0R R39 0R R39 0R R146 10k R146 10k R691 0R R691 0R R156 10k R156 10k R124 0R R124 0R R197 0R/NC R197 0R/NC C92 2.2u/10V C92 2.2u/10V R139 0R R139 0R 1 2 3 V20 MMBT3904LT1 V20 MMBT3904LT1 C94 2.2u/10V C94 2.2u/10V R98 4.7k R98 4.7k R134 0R R134 0R R115 0R R115 0R R108 0R R108 0R 1 2 3 V13 MMBT3904LT1 V13 MMBT3904LT1 R97 4.7k R97 4.7k R132 0R R132 0R R110 0R R110 0R R492 1k R492 1k R693 0R R693 0R R206 0R/NC R206 0R/NC R128 0R R128 0R R493 1k R493 1k DATA2+_0 1 DATA2S 2 DATA2-_2 3 DATA1+_3 4 DATA1S 5 DATA1-_5 6 DATA0+_6 7 DATA0S 8 DATA0-_8 9 CLK+_9 10 CLKS 11 CLK-_11 12 CEC 13 NC 14 SCL 15 SDA 16 CEC/GND_16 17 +5V_17 18 HPDET 19 GND1 20 GND2 21 GND3 22 GND4 23 XS27 DC1R019JB1 XS27 DC1R019JB1 DATA2+_0 1 DATA2S 2 DATA2-_2 3 DATA1+_3 4 DATA1S 5 DATA1-_5 6 DATA0+_6 7 DATA0S 8 DATA0-_8 9 CLK+_9 10 CLKS 11 CLK-_11 12 CEC 13 NC 14 SCL 15 SDA 16 CEC/GND_16 17 +5V_17 18 HPDET 19 GND1 20 GND2 21 GND3 22 GND4 23 XS23 DC1R019JB1 XS23 DC1R019JB1 R491 1k R491 1k R304 100R R304 100R R584 100k R584 100k R699 0R R699 0R R1410R/NC R1410R/NC R154 10k R154 10k R83 0R R83 0R R698 200R R698 200R R307 100R R307 100R R101 10k R101 10k 5 4 3 2 1 D D C C B B A A AV1_L AV1_R DDC_SCL DDC_SCL DDC_SDA DDC_SDA RCA_AU_IN_3L RCA_AU_IN_3R SCART_CVBSO SC_CVBS-IN AV1_V VGA_BIN+ VGA_GIN+ HS_RGB VGA_RIN+ VGA_RX VGA_RX VGA_TX VGA_TX VS_RGB DDC_SCL DDC_SCL DDC_SDA DDC_SDA VGA5V VGA5V SPDIF_OUT_ARC SPDIF-OUT RGB2-YPbPr_BIN+ RGB2-YPbPr_GIN+ RGB2-YPbPr_RIN+ COMP_AUL2 COMP_AUR2 HD2_L HD2_R RGB2-YPbPr_RIN+ HD2_L HD2_R SCART-Rout SCART-Lout RGB2-YPbPr_BIN+ VGA_RIN+ VGA_GIN+ VGA_BIN+ RGB2-YPbPr_GIN+ AV1_V AV1_R AV1_L SCART_CVBSO SCART-Lout SCART-Rout AV2_L AV2_R CVBS2_RCA CVBS2-RCA MIC_LIN MIC_RIN CVBS2_RCA AV2_L AV2_R AV1_L AV1_R AV2_L AV2_R CVBS2_RCA HD2_L HD2_R RGB2-YPBPR_BIN+ RGB2-YPbPr_GIN+ RGB2-YPbPr_RIN+ AV1_V SCART_CVBSO SCART-Lout SCART-Rout SC_CVBS_OUT +5V +5V SC_CVBS_OUT 2 VGA_HSYNC 2 UART-RX 2 UART-TX 2 SC_CVBS-IN 2 RCA_AU_IN_3R 2 RCA_AU_IN_3L 2 VGA_VSYNC 2 VGA_RIN+ 2 VGA_GIN+ 2 VGA_BIN+ 2 SPDIF_OUT 2 RGB2-YPBPR_GIN+ 2 RGB2-YPBPR_BIN+ 2 RGB2-YPBPR_RIN+ 2 COMP_AUR2 2 COMP_AUL2 2 SCART-ROUT 2 SCART-LOUT 2 CVBS2-RCA 2 MIC_RIN 2 MIC_LIN 2 SPDIF_OUT_ARC 2 Title Size Document Number Rev Date: Sheet of Video Interface 10 5 1.0 MST6I78ZX A3 Tuesday, November 02, 2010 Title Size Document Number Rev Date: Sheet of Video Interface 10 5 1.0 MST6I78ZX A3 Tuesday, November 02, 2010 Title Size Document Number Rev Date: Sheet of Video Interface 10 5 1.0 MST6I78ZX A3 Tuesday, November 02, 2010 AV2 Input HDTV1 Input COAXIAL OUTPUT AV OUTPUT VGA AV1 Input 1 2 3 45 6 V/Y R/PB L/PR GND XS11 V/Y R/PB L/PR GND XS11 C221 100n/16V C221 100n/16V R259 75R R259 75R R187 100R R187 100R 3 1 2 VD101 BAT54C/NC VD101 BAT54C/NC SIGNAL1 1 GND 2 SIGNAL2 3 XS16 XS16 R289 12k R289 12k R260 51R R260 51R R204 10k R204 10k C37 10u/10V C37 10u/10V 1 2 3 V15 MMBT3906LT1 V15 MMBT3906LT1 R201 10k R201 10k R309 100R R309 100R 1 2 3 4 5 6 7 8 9 10 11 12 13 14 15 17 16 XS17 XS17 R200 10k R200 10k R266 75R R266 75R RV20 ICVL0518030FR RV20 ICVL0518030FR GND 2 GND 5 SIGNAL7 7 SIGNAL9 9 GND 8 SIGNAL4 4 SIGNAL6 6 SIGNAL1 1 SIGNAL3 3 红 白 黄 左 中 右 XS13 红 白 黄 左 中 右 XS13 R435 4.7k/NC R435 4.7k/NC C153 10u/10V/NC C153 10u/10V/NC R202 10k R202 10k R697 200R R697 200R R236 75R R236 75R R190 75R R190 75R R264 27k R264 27k R284 12k R284 12k R257 75R R257 75R RV13 ICVL0518030FR RV13 ICVL0518030FR R189 510R R189 510R R291 12k R291 12k R203 10k R203 10k R263 51R R263 51R R234 75R R234 75R R432 4.7k/NC R432 4.7k/NC C500 1n/50V C500 1n/50V R253 330R R253 330R R285 12k R285 12k R262 75R R262 75R RV21 ICVL0518030FR RV21 ICVL0518030FR R193 100R/NC R193 100R/NC R196 100R/NC R196 100R/NC R286 12k R286 12k R194 10k R194 10k R434 4.7k/NC R434 4.7k/NC C43 10u/10V C43 10u/10V R254 47k R254 47k R162 10k R162 10k 1 2 3 V16 MMBT3904LT1 V16 MMBT3904LT1 R290 12k R290 12k RV1 ICVL0518030FR RV1 ICVL0518030FR R195 100R R195 100R R192 10k R192 10k R147 510R R147 510R L8 BLM18PG181SN1 L8 BLM18PG181SN1 1 2 3 4 5 6 7 8 9 10 11 12 13 14 15 17 16 XS20 XS20 R191 75R R191 75R A0 1 A1 2 A2 3 Vss 4 SDA 5 SCL 6 WP 7 VCC 8 N37 24LC02B-I/SN/NC N37 24LC02B-I/SN/NC C406 10u/10V/NC C406 10u/10V/NC R205 10k R205 10k R188 75R R188 75R 5 4 3 2 1 D D C C B B A A T_BB ANT_POWE BP1 BP1 DEMO_SEL DEMO_SEL DMBT_IFAGC DMBT_IFAGC DTV-IFM DTV-IFP DVBC_IFAGC FE0_SCL FE0_SDA I2C_TSCL I2C_TSCL I2C_TSDA I2C_TSDA IF_AGC_DEM IF_TV IF_TV QH_IF_AGC QH_IF_AGC QH_IF_AGC QH_IF_OUT+ QH_IF_OUT+ QH_IF_OUT- QH_IF_OUT- QH_TS_CLK QH_TS_CLk QH_TS_D0 QH_TS_D0 QH_TS_D1 QH_TS_D1 QH_TS_D2 QH_TS_D2 QH_TS_D3 QH_TS_D3 QH_TS_D4 QH_TS_D4 QH_TS_D5 QH_TS_D5 QH_TS_D6 QH_TS_D6 QH_TS_D7 QH_TS_D7 QH_TS_SYNC QH_TS_SYNC QH_TS_VID QH_TS_VID RESET_FE0# RF_AGC RF_AGC_SEL RF_AGC_T RF_AGC_T TS1_OUT_CLK TS1_OUT_D0 TS1_OUT_D1 TS1_OUT_D2 TS1_OUT_D3 TS1_OUT_D4 TS1_OUT_D5 TS1_OUT_D6 TS1_OUT_D7 TS1_OUT_SYNC TS1_OUT_VLD T_B1 T_B1 VIFP VIFM T_I2C_TSCL T_I2C_TSDA FE0_SDA I2C-SCL-TUNER I2C-SDA-TUNER FE0_SCL FE0_SCL Tuner_SCL Tuner_SDA Tuner_SCL Tuner_SDA T_I2C_TSCL T_I2C_TSDA IF_TV IF_TV Tuner_SCL Tuner_SDA RF_AGC_T 5V-IF +2.5V_Normal VDD2.5_DE VDD1.2_DE VDD2.5_DE VDD2.5_DE VDD2.5_DE VDD2.5_DE VDD2.5_DE VDD2.5_DE VDD2.5_DE VDD2.5_DE 5V-IF VDD2.5_DE VDD1.2_DE VDD1.2_DE VDD2.5_DE VDD2.5_DE VBIAS VDD1.2_DE VDD1.2_DE VDD1.2_DE VDD2.5_DE VDD1.2_DE VDD2.5_DE VDD1.2_DE VDD1.2_DE 5V-IF 33V 5V-IF +12V 5V-TUNER VDD2.5_DE ANT_POWE T_B1 +5V +5V VDD1.2_DE +12V +12V 5V-TUNER ANT_POWE T_B1 +3.3V 5V-TUNER1 33V VDD2.5_DE VDD2.5_DE 5V-IF TS1_OUT_SYNC TS1_OUT_CLK TS1_OUT_VLD RESET_FE0# 2 RF_AGC_SEL 2 TS1_OUT_D6 TS1_OUT_D7 TS1_OUT_D5 TS1_OUT_D3 TS1_OUT_D4 TS1_OUT_D2 TS1_OUT_D0 TS1_OUT_D1 VIFP 2 RF_AGC 2 DVBC_IFAGC 2 VIFM 2 DTV-IFM 2 DTV-IFP 2 I2C-SCL-TUNER 2 I2C-SDA-TUNER 2 Title Size Document Number Rev Date: Sheet of MST6I78ZX 1.0 6 10 TV Interface A2 Tuesday, November 02, 2010 Title Size Document Number Rev Date: Sheet of MST6I78ZX 1.0 6 10 TV Interface A2 Tuesday, November 02, 2010 Title Size Document Number Rev Date: Sheet of MST6I78ZX 1.0 6 10 TV Interface A2 Tuesday, November 02, 2010 600mA DMBT Tuner Cap at each vdd2.5 pin of N42 Cap placed at each vdd1.2 pin of N42 Please closed to 8G80 I2C Address: 0x32/0x36 CE_A0 IF ANALOG INPUT 144 Pin QFP 远离tuner放置 ANALOG TUNER RF_AGC_SEL 0: DTV 1: ATV +1.2V FOR 8G52 5V FOR TUNER POWER FOR 8G52 POWER FOR TUNER 33V FOR TUNER 33V Power ANALOG TUNER I2C Level Shifter Analog: R413 6K8;R412 56R C319 有 Digital: R370 0R; C319等NC; C354 1u/10V/NC C354 1u/10V/NC R412 56R/NC R412 56R/NC R438 10R/2W R438 10R/2W R424 22R/NC R424 22R/NC C300 4.7u/10V/NC C300 4.7u/10V/NC R465 20k/NC R465 20k/NC C340 100n/16V/NC C340 100n/16V/NC C315 10p/50V C315 10p/50V C511 22u/6.3V/NC C511 22u/6.3V/NC C331 20p/50V/NC C331 20p/50V/NC C378 220p/50V/NC C378 220p/50V/NC R379 220R R379 220R L56 0.82 uH/NC L56 0.82 uH/NC L42 0.82 uH L42 0.82 uH C373 100n/16V/NC C373 100n/16V/NC C312 10n/50V C312 10n/50V R347 0R/NC R347 0R/NC C346 100n/16V/NC C346 100n/16V/NC C337 1.5n/50V/NC C337 1.5n/50V/NC C319 10n/50V/NC C319 10n/50V/NC C287 100n/16V/NC C287 100n/16V/NC R646 300R/NC R646 300R/NC 1 2 3 V18 2SC2717/NC V18 2SC2717/NC R368 4.7k/NC R368 4.7k/NC R353 0R R353 0R L35 BLM18PG181SN1/NC L35 BLM18PG181SN1/NC C357 100n/16V/NC C357 100n/16V/NC R388 100k R388 100k C294 100n/16V/NC C294 100n/16V/NC R310 0R/NC R310 0R/NC R345 10k R345 10k C352 470n/50V/NC C352 470n/50V/NC C364 1n/50V/NC C364 1n/50V/NC C366 2.2u/10V/NC C366 2.2u/10V/NC NC1 1 NC2 2 ANT POWER_2 3 BB_+5V_3 4 RF AGC_4 5 MB_5V 6 GND 7 SDA 8 SCL 9 AS 10 4MHz out_10 11 IF+_11 12 IF-_12 13 IF AGC_13 14 AIF OUT_14 15 NC16 16 NC17 17 GND2 18 GND3 19 GND4 20 GND5 21 U1 VA1E1CD2403 U1 VA1E1CD2403 R380 220R R380 220R R370 0R R370 0R R414 22R/NC R414 22R/NC L40 BLM18PG181SN1/NC L40 BLM18PG181SN1/NC R422 22R/NC R422 22R/NC L51 BLM18PG181SN1/NC L51 BLM18PG181SN1/NC R483 1k/NC R483 1k/NC C351 100n/16V/NC C351 100n/16V/NC C379 2.2u/10V/NC C379 2.2u/10V/NC C372 2.2u/10V/NC C372 2.2u/10V/NC C302 10p/50V C302 10p/50V C325 10p/50V/NC C325 10p/50V/NC R395 4.7k/NC R395 4.7k/NC R428 22R/NC R428 22R/NC R282 10k/NC R282 10k/NC collector_0 1 emitter_1 2 timing_2 3 GND 4 input_7 5 VCC 6 sense_5 7 driver_4 8 N25 GSC34063/NC N25 GSC34063/NC C292 100n/16V/NC C292 100n/16V/NC R408 680R/NC R408 680R/NC R349 0R R349 0R C377 20p/50V C377 20p/50V C356 22u/6.3V/NC C356 22u/6.3V/NC C343 100n/16V/NC C343 100n/16V/NC C332 10u/10V C332 10u/10V C291 100n/16V C291 100n/16V BS 1 IN 2 SW 3 GND 4 FB 5 COMP 6 EN 7 SS 8 N18 MP1482/NC N18 MP1482/NC C338 20p/50V/NC C338 20p/50V/NC C360 10u/10V/NC C360 10u/10V/NC R426 22R/NC R426 22R/NC R312 0R/NC R312 0R/NC 1 2 VD43 BA277/NC VD43 BA277/NC C350 100n/16V/NC C350 100n/16V/NC R466 20k/NC R466 20k/NC C307 100n/16V/NC C307 100n/16V/NC C387 100n/16V/NC C387 100n/16V/NC C299 100n/16V/NC C299 100n/16V/NC R469 1k/NC R469 1k/NC R645 300R/NC R645 300R/NC L53 BLM18PG181SN1/NC L53 BLM18PG181SN1/NC L57 BLM18PG181SN1/NC L57 BLM18PG181SN1/NC R328 0R R328 0R R382 220R/NC R382 220R/NC C344 100n/16V/NC C344 100n/16V/NC C367 100n/16V/NC C367 100n/16V/NC R413 6.8k/NC R413 6.8k/NC R367 0R/NC R367 0R/NC L41 STPB2012-121PT/NC L41 STPB2012-121PT/NC RF AGC 1 VT_33V 2 AS 3 SDA 4 SCL 5 MB_5V 6 BT_NC 7 IFOUT2 8 GND1 9 GND2 10 GND3 11 GND4 12 U2 HFT-8B1/V116H/NC U2 HFT-8B1/V116H/NC R281 4.7k/NC R281 4.7k/NC C320 100n/16V/NC C320 100n/16V/NC C339 1n/50V/NC C339 1n/50V/NC R694 10R/NC R694 10R/NC C303 10p/50V C303 10p/50V R288 4.7k/NC R288 4.7k/NC R436 180R/NC R436 180R/NC R283 4.7k/NC R283 4.7k/NC R402 2.2k/NC R402 2.2k/NC C348 100n/16V/NC C348 100n/16V/NC C335 10u/50V/NC C335 10u/50V/NC R442 56k/NC R442 56k/NC R468 649R/NC R468 649R/NC R277 4.7k/NC R277 4.7k/NC R443 2.2k/NC R443 2.2k/NC IN2/SW 2 OUT1 4 GND 3 OUT2 5 IN1 1 N22 F6763 N22 F6763 C347 100n/16V/NC C347 100n/16V/NC R344 10k R344 10k C358 3.3n/50V/NC C358 3.3n/50V/NC C353 10n/50V/NC C353 10n/50V/NC R278 4.7k/NC R278 4.7k/NC C318 10p/50V/NC C318 10p/50V/NC R311 75R/NC R311 75R/NC R452 2.2k/NC R452 2.2k/NC L49 BLM18PG181SN1/NC L49 BLM18PG181SN1/NC R348 0R R348 0R R287 4.7k/NC R287 4.7k/NC C298 100n/16V/NC C298 100n/16V/NC C296 100n/16V/NC C296 100n/16V/NC C317 10p/50V/NC C317 10p/50V/NC R292 4.7k/NC R292 4.7k/NC C336 470n/50V/NC C336 470n/50V/NC CE22 330u/6V/NC CE22 330u/6V/NC L13 BLM18PG181SN1/NC L13 BLM18PG181SN1/NC R326 47k/NC R326 47k/NC 1 2 VD44 1N4148W/NC VD44 1N4148W/NC R451 3.3k/NC R451 3.3k/NC R369 4.7k/NC R369 4.7k/NC R453 10k/NC R453 10k/NC C32 10u/16V C32 10u/16V C316 10p/50V C316 10p/50V L18 BLM18PG181SN1/NC L18 BLM18PG181SN1/NC L38 BLM18PG181SN1 L38 BLM18PG181SN1 R280 10k/NC R280 10k/NC R420 22R/NC R420 22R/NC C349 100n/16V/NC C349 100n/16V/NC R425 22R/NC R425 22R/NC L34 BLM18PG181SN1 L34 BLM18PG181SN1 C310 100n/16V C310 100n/16V R274 0R/NC R274 0R/NC R433 200R/NC R433 200R/NC R381 220R/NC R381 220R/NC R279 0R/NC R279 0R/NC C330 100n/16V C330 100n/16V L37 10.0 uH/NC L37 10.0 uH/NC C510 10u/10V/NC C510 10u/10V/NC R440 2.2R/NC R440 2.2R/NC R467 1k/NC R467 1k/NC C275 100n/16V/NC C275 100n/16V/NC R400 6.8k/NC R400 6.8k/NC RES A1 RES_1 B2 RES_2 C3 RES_3 B1 VDD2.5_4 C2 DGND D3 MPEG_D5 C1 MPEG_D4 D2 RES_8 E3 RES_9 D1 RES_10 E2 RES_11 F3 VDD1.2_12 E1 DGND_13 F2 CLKO G6 RES_15 F1 CE_A2 G5 RES_17 H6 VDD2.5_18 G4 DGND_19 H5 BP1 J6 RES_21 H4 Q9 J5 Q8 G3 Q7 J4 Q6 G2 MPEG_D3 H3 MPEG_D2 G1 MPEG_D1 H2 MPEG_D0 J3 Q5 H1 Q4 J2 Q3 J1 Q2 K2 XTALIN K1 XTALOUT L1 Q1 K3 Q0 L2 I9 M1 I8 K4 PLLVDD1.2_40 L3 PLLGND M2 PLLVDD2.5_42 K5 PLL_AGND L4 I7 M3 I6 K6 I5 L5 I4 M4 VDD1.2_48 G7 DGND_49 L6 I3 M5 I2 G8 I1 H7 I0 M6 VDD2.5_54 G9 DGND_55 H8 AVDD2.5_56 J7 AGND K7 RES_58 H9 RES_59 J8 IP K8 IM L7 VBG/RES_62 J9 CE_A1 K9 RES_64 L8 RES_65 M7 RES_66 L9 RES_67 M8 VDD2.5_68 L10 DGND_69 M9 RFAGC M10 IFCLK M11 RES_72 M12 RES_73 L11 GPIO0 K10 RES_75 L12 VDD2.5_76 K11 VDD1.2_77 J10 DGND_78 K12 CE_A0 J11 RES_80 H10 RES_81 J12 RES_82 H11 RES_83 G10 VDD2.5_84 H12 DGND_85 G11 RES_86 F7 RES_87 G12 RES_88 F8 RES_89 E7 VDD1.2_90 F9 DGND_91 F10 RES_92 D7 RES_93 E9 VDD2.5_94 D8 DGND_95 E8 RES_96 D9 RES_97 F11 AGC E10 RESETN F12 SCL E11 SDA D10 RES_102 E12 RES_103 D11 VDD2.5_104 D12 DGND_105 C11 SCLT C12 SDAT B12 RES_108 A12 RES_109 B11 RES_110 C10 RES_111 A11 BLKERRN B10 LOCK C9 VDD1.2_114 A10 DGND_115 B9 RES_116 C8 RES_117 A9 RES_118 B8 RES_119 C7 VDD2.5_SDRAM_120 A8 DGND_SDRAM B7 RES_122 F6 RES_123 A7 RES_124 E6 RES_125 F5 VDD1.2_126 D6 DGND_127 E5 RES_128 F4 RES_129 D5 RES_130 E4 GPIO1 C6 RES_132 D4 RES_133 B6 RES_134 C5 MPEG_SYNC A6 MPEG_VALID B5 MPEG_CLK C4 VDD2.5_138 A5 DGND_139 B4 VDD1.2_140 A4 RES_141 B3 MPEG_D7 A3 MPEG_D6 A2 N23 LGS-8G85-A1/NC N23 LGS-8G85-A1/NC R445 1M/NC R445 1M/NC C345 100n/16V/NC C345 100n/16V/NC R423 22R/NC R423 22R/NC C98 22u/6.3V C98 22u/6.3V C374 1n/50V/NC C374 1n/50V/NC C375 100n/16V/NC C375 100n/16V/NC C342 22u/6.3V/NC C342 22u/6.3V/NC R352 0R R352 0R C355 100n/16V/NC C355 100n/16V/NC R437 10R/2W R437 10R/2W CE15 330u/6V/NC CE15 330u/6V/NC R346 0R/NC R346 0R/NC C321 10n/50V/NC C321 10n/50V/NC R340 100k/NC R340 100k/NC L82 LGA0305-0u82-K/NC L82 LGA0305-0u82-K/NC C328 100n/16V/NC C328 100n/16V/NC C365 100n/16V/NC C365 100n/16V/NC C359 100n/16V C359 100n/16V C327 100n/16V/NC C327 100n/16V/NC C341 100n/16V/NC C341 100n/16V/NC R276 1k R276 1k C33 1u/50V/NC C33 1u/50V/NC R399 6.8k/NC R399 6.8k/NC R341 100k/NC R341 100k/NC R421 22R/NC R421 22R/NC R418 22R/NC R418 22R/NC 1 2 3 V37 MMBT3906LT1 V37 MMBT3906LT1 C99 22u/6.3V C99 22u/6.3V L58 BLM18PG181SN1/NC L58 BLM18PG181SN1/NC C264 10u/16V/NC C264 10u/16V/NC R419 22R/NC R419 22R/NC C363 10u/10V/NC C363 10u/10V/NC 1 2 3 V38 MMBT3904LT1 V38 MMBT3904LT1 Vin_2 1 Vout_0 2 GND 3 N24 CW78D05CZ N24 CW78D05CZ C297 100n/16V/NC C297 100n/16V/NC 1 2 Z3 JAS30C/NC Z3 JAS30C/NC C362 100n/16V/NC C362 100n/16V/NC C399 100n/16V/NC C399 100n/16V/NC C376 220p/50V/NC C376 220p/50V/NC C324 10p/50V/NC C324 10p/50V/NC L44 220.0 uH/NC L44 220.0 uH/NC R306 0R/NC R306 0R/NC 5 4 3 2 1 D D C C B B A A 50MHz_CLKOUT 50MHz_CLKOUT AVDD33 ET_COL-E ET_INT_LAN ET_MDC-E ET_MDIO-E ET_RXD0-E ET_RXD1-E ET_RX_ER-E ET_TXD0-E ET_TXD1-E ET_TX_CLK-E ET_TX_EN-E PHYAD0/LED0 PHYAD0/LED0 PHYAD0/LED0 PHYAD1/LED1 PHYAD1/LED1 PHYAD2/LED2 PHYAD2/LED2 PHYAD3/LED3 PHYAD3/LED3 PHYAD3/LED3 PHYAD4/LED4 PHYAD4/LED4 REGIN REGIN REGOUT REGOUT REGOUT REGOUT RXN RXN RXP RXP TXN TXN TXP TXP VDD33 X1_INPUT X1_INPUT X2_OUTPUT X2_OUTPUT VDD33 VDD33 AVDD33 VDD33 VDD33 +3.3V AVDD33 VDD33 +3.3V VDD33 GND GND VDD33 GND GND GND GND ET_MDC-E 2 ET_MDIO-E 2 ET_TXD0-E 2 ET_TXD1-E 2 ET_TX_EN-E 2 ET_COL-E 2 ET_RXD0-E 2 ET_RXD1-E 2 ET_TX_CLK-E 2 Title Size Document Number Rev Date: Sheet of MST6I78ZX 1.0 7 10 Ethernet A3 Tuesday, November 02, 2010 Title Size Document Number Rev Date: Sheet of MST6I78ZX 1.0 7 10 Ethernet A3 Tuesday, November 02, 2010 Title Size Document Number Rev Date: Sheet of MST6I78ZX 1.0 7 10 Ethernet A3 Tuesday, November 02, 2010 50MHz CLOCK OUT Generate by IP101A Set IP101A to RMII Mode IP101A BANDGAP RESISTOR Pin48 could be short VDD33 if interrupt funtion is not used. As close to IP101A Pin14 as possible As close to IP101A Pin36 as possible CRYSTAL as close as to chip LED and PHY address Configuration This schematic sets PHY address to 00001b. LED0 LED1 LED2 LED3 LED4 Link Dupx 10Act 100Act COL As close to IP101A Pin32 as possible As close to IP101A Pin8 as possible ** Bead should be placed as close to IP101A as possible and in the same side as IP101A. C410 2.2u/10V C410 2.2u/10V C236 2.2u/10V C236 2.2u/10V R212 0R R212 0R R552 5.1k R552 5.1k C411 30p/50V C411 30p/50V C234 100n/16V C234 100n/16V 1 2 Z4 SMDJAS25L Z4 SMDJAS25L C232 100n/16V C232 100n/16V R538 49.9R R538 49.9R C407 10p/50V/NC C407 10p/50V/NC R240 75R R240 75R R239 75R R239 75R C412 30p/50V C412 30p/50V C231 100n/16V C231 100n/16V L32 BLM18PG181SN1 L32 BLM18PG181SN1 C416 10n/50V C416 10n/50V R548 4.7k R548 4.7k R537 49.9R R537 49.9R C311 100n/16V C311 100n/16V C238 100n/16V C238 100n/16V R554 5.1k R554 5.1k C420 10n/50V C420 10n/50V R540 6.19k R540 6.19k R543 680R/NC R543 680R/NC R546 5.1k R546 5.1k R398 0R R398 0R C233 100n/16V C233 100n/16V R533 49.9R R533 49.9R R539 33R R539 33R R553 5.1k R553 5.1k C284 10u/16V C284 10u/16V L33 BLM18PG181SN1 L33 BLM18PG181SN1 R213 0R R213 0R R534 49.9R R534 49.9R TD1+_0 1 CT1 2 TD1-_2 3 NC1 4 NC2 5 RD2+_5 6 CT2 7 RD2-_7 8 RX2-_8 9 CMT2 10 RX2+_10 11 NC3 12 NC4 13 TX2-_13 14 CMT1 15 TX1+_15 16 N3 PM44-11BP N3 PM44-11BP R542 680R R542 680R R238 75R R238 75R L48 BLM18PG181SN1 L48 BLM18PG181SN1 R535 5.1k R535 5.1k C235 2.2u/10V C235 2.2u/10V R541 5.1k R541 5.1k C395 100n/16V C395 100n/16V R237 75R R237 75R C309 1n/2KV C309 1n/2KV C415 10n/50V C415 10n/50V R544 680R R544 680R COL 1 TX_EN 2 TXD3 3 TXD2 4 TXD1 5 TXD0 6 REF_CLK 7 REGIN 8 PHYAD0/LED0_18 9 PHYAD1/LED1_19 10 DGND 11 PHYAD2/LED2_20 12 PHYAD3/LED3_21 13 DVDD33 14 PHYAD4/LED4_22 15 C50M_O 16 DGND_26 17 RXD3 18 RXD2 19 RXD1 20 RXD0 21 CRS_DV 22 CRS/LEDMOD_15 23 RX_ER 24 MDC 25 MDIO 26 TEST_ON 27 ISET 28 AGND 29 MDI_RN 30 MDI_RP 31 REGOUT 32 MDI_TN 33 MDI_TP 34 AGND_31 35 AVDD33 36 AN_ENA 37 DPLX 38 SPD 39 RPTR 40 APS 41 RESET_N 42 ISOL 43 MII/SNIB_47 44 DGND_32 45 X1 46 X2 47 INTR 48 N33 IP101A N33 IP101A R550 5.1k R550 5.1k R545 5.1k R545 5.1k RP24 33R RP24 33R R556 5.1k R556 5.1k C237 100n/16V C237 100n/16V R551 33R R551 33R NTX0+_0 1 NTX0-_1 2 NRX0+_2 3 4 4 5 5 NRX0-_5 6 7 7 8 8 PGND1 9 PGND2 10 Y+_10 11 Y-_11 12 G+_12 13 G-_13 14 PGND3 15 PGND4 16 RJ-45 G Y XS25 9822-8813-S0L1-G-LFG RJ-45 G Y XS25 9822-8813-S0L1-G-LFG RP25 33R RP25 33R 5 4 3 2 1 D D C C B B A A AMP-L AMP-Lout+ AMP-Lout+ AMP-Lout- AMP-Lout- AMP-R AMP-Rout+ AMP-Rout+ AMP-Rout- AMP-Rout- EARPHONE-OUTL HP_CHECK HP_CHECK I2S-OUT_BCKO I2S-OUT_MCKO I2S-OUT_SDO I2S-OUT_WSO MUTE_5707 MUTE_5707 MUTE_602 MUTE_602 MUTE_AMP MUTE_AMP MUTE_AMP MUTE_S PH-Lin PH-Lin PH-Lin PH-Rin PH-Rin PH-Rin PWD_MT PWD_MT RST_AMP SCART-Lout SCART-Rout SHUTDOWN SHUTDOWN 3D_RL VR_ANT_A VR_ANT_A I2S-OUT_BCKO I2S-OUT_SDO I2S-OUT_MCKO I2S-OUT_WSO MUTE_5707 RST_AMP VR_ANT_B Woofer+ Woofer- Woofer+ Woofer- VR_ANT_B EARPHONE-OUTR POWER_OFF-MUTE POWER_OFF-MUTE Woofer_IN+ Woofer_IN- Woofer_IN+ Woofer_IN- VCC-A +5V +12V VCC-A +5V +12V VCC-A +5V +12V +3.3V 3.3V_602 +3.3V 3.3V_602 +3.3V VCC-A +3.3V +3.3V +3.3V +5V +5V VCC-A +3.3V +3.3V +3.3V +3.3V MUTE_S 2 AMP-R 2 AMP-L 2 EARPHONE_OUTR 2 EARPHONE_OUTL 2 I2S-OUT_MCKO 2 I2S-OUT_BCKO 2 I2S-OUT_WSO 2 I2S-OUT_SDO 2 I2C-SCL 2,10 I2C-SDA 2,10 RST_AMP 2 SCART-LOUT 2 SCART-ROUT 2 3D_RL 2 I2S-OUT_MCKO 2 I2S-OUT_BCKO 2 I2S-OUT_WSO 2 I2S-OUT_SDO 2 I2C-SCL 2,10 I2C-SDA 2,10 Title Size Document Number Rev Date: Sheet of MST6I78ZX 1.0 8 10 Audio Amplifier Custom Tuesday, November 02, 2010 Title Size Document Number Rev Date: Sheet of MST6I78ZX 1.0 8 10 Audio Amplifier Custom Tuesday, November 02, 2010 Title Size Document Number Rev Date: Sheet of MST6I78ZX 1.0 8 10 Audio Amplifier Custom Tuesday, November 02, 2010 Power On Mute Power Off Mute MUTE audio pre. AMP 0: Normal 1: Shutdown TAS5707PHP 耳机输出 TAS5707PHPA C160 100n/50V C160 100n/50V C250 33n/50V C250 33n/50V R265 4.7k R265 4.7k C178 100n/50V C178 100n/50V R362 4.7R/NC R362 4.7R/NC R363 4.7R R363 4.7R R243 1k R243 1k C474 1u/10V C474 1u/10V R596 200R R596 200R 1 1 2 2 3 3 4 4 5 5 6 6 7 7 8 8 H9 NC H9 NC R384 4.7k R384 4.7k C308 470n/50V/NC C308 470n/50V/NC C172 2.2u/10V C172 2.2u/10V R233 0R/NC R233 0R/NC 1 2 VD39 1N4148W VD39 1N4148W R364 4.7R R364 4.7R C159 100n/50V C159 100n/50V 1 2 3 V29 MMBT3906LT1/NC V29 MMBT3906LT1/NC R252 4.7k R252 4.7k C288 33n/50V C288 33n/50V C182 220n/50V C182 220n/50V C179 100n/50V C179 100n/50V C170 220n/50V C170 220n/50V 1 2 VD45 1N4148W VD45 1N4148W R249 0R/NC R249 0R/NC C132 2.2u/10V/NC C132 2.2u/10V/NC R241 0R/NC R241 0R/NC R255 470R R255 470R R248 0R/NC R248 0R/NC L52 22.0 uH L52 22.0 uH R258 470R R258 470R R343 4.7R/NC R343 4.7R/NC C456 10u/10V C456 10u/10V R155 18k R155 18k R447 15k/NC R447 15k/NC R355 22R R355 22R C503 220n/50V C503 220n/50V C382 15p/50V C382 15p/50V R315 2.2k R315 2.2k C261 100n/16V C261 100n/16V R335 100k/NC R335 100k/NC 1 2 VD100 1N4148W VD100 1N4148W C218 1n/50V/NC C218 1n/50V/NC C262 100n/16V C262 100n/16V C121 2.2u/10V C121 2.2u/10V R318 27k/NC R318 27k/NC C214 2.2n/50V/NC C214 2.2n/50V/NC L19 BLM18PG181SN1 L19 BLM18PG181SN1 C388 15p/50V C388 15p/50V L36 BLM18PG181SN1 L36 BLM18PG181SN1 CE14 100u/16V/NC CE14 100u/16V/NC R358 4.7R/NC R358 4.7R/NC R256 470R R256 470R R144 18k R144 18k C455 10u/10V C455 10u/10V 1 1 2 2 3 3 4 4 5 5 6 6 7 7 8 8 H3 NC H3 NC C215 1n/50V/NC C215 1n/50V/NC +INR_4 1 -INR_12 2 OUTR 3 SGND 4 EN 5 PVSS 6 CN 7 CP 8 PVDD 9 PGND 10 NC 11 OUTL 12 -INL_6 13 +INL_5 14 N73 DRV602 N73 DRV602 C183 100n/16V C183 100n/16V OUT_A 1 PVDD_A 2 PVDD_A_7 3 BST_A 4 GVDD_OUT_31 5 SSTIMER 6 OC_ADJ 7 NC 8 AVSS 9 PLL_FLTM 10 PLL_FLTP 11 VR_ANA 12 AVDD 13 FAULT_13_13 14 MCLK 15 OSC_RES 16 DVSSO 17 VR_DIG 18 PDN_18_18 19 LRCLK 20 SCLK 21 SDIN 22 SDA 23 SCL 24 RESET_24_24 25 STEST 26 DVDD 27 DVSS 28 GND 29 AGND 30 VREG 31 GVDD_OUT 32 BST_D 33 PVDD_D 34 PVDD_D_44 35 OUT_D 36 PGND_CD 37 PGND_CD_5 38 OUT_C 39 PVDD_C 40 PVDD_C_29 41 BST_C 42 BST_B 43 PVDD_B_46 44 PVDD_B 45 OUT_B 46 PGND_AB 47 PGND_AB_2 48 EPAD 49 N6 TAS5707A N6 TAS5707A C313 220n/50V C313 220n/50V C246 10u/10V C246 10u/10V R365 470R R365 470R C162 100n/50V C162 100n/50V 1 1 2 2 3 3 4 4 5 5 6 6 7 7 8 8 H2 NC H2 NC C322 33n/50V C322 33n/50V R350 33k R350 33k C169 2.2n/50V/NC C169 2.2n/50V/NC R334 1M/NC R334 1M/NC C289 10n/50V C289 10n/50V C290 47n/16V C290 47n/16V R401 1k R401 1k R383 10k R383 10k 1 2 VD106 1N4148W/NC VD106 1N4148W/NC R247 0R R247 0R C180 47n/16V C180 47n/16V C213 1n/50V/NC C213 1n/50V/NC L30 22.0 uH L30 22.0 uH C168 470n/50V C168 470n/50V R251 4.7k R251 4.7k R245 0R/NC R245 0R/NC R60 22k R60 22k C389 15p/50V C389 15p/50V C91 10u/16V/NC C91 10u/16V/NC C484 1u/10V C484 1u/10V C185 470n/50V C185 470n/50V C334 220n/50V C334 220n/50V 1 2 VD36 1N4148W/NC VD36 1N4148W/NC R339 100k R339 100k R322 47k/NC R322 47k/NC R246 0R/NC R246 0R/NC C200 470n/50V/NC C200 470n/50V/NC R403 470R R403 470R C118 100n/50V C118 100n/50V R356 22R R356 22R R242 0R/NC R242 0R/NC R360 4.7R/NC R360 4.7R/NC C191 470n/50V C191 470n/50V C115 100n/16V C115 100n/16V C203 100n/50V C203 100n/50V C217 1n/50V/NC C217 1n/50V/NC R59 10k R59 10k R448 15k/NC R448 15k/NC R333 10k R333 10k C155 100n/16V C155 100n/16V C283 470n/50V C283 470n/50V 1 2 3 V42 MMBT3904LT1 V42 MMBT3904LT1 C123 4.7n/50V C123 4.7n/50V R30868k R30868k R357 4.7R/NC R357 4.7R/NC L47 BLM18PG181SN1 L47 BLM18PG181SN1 C171 100n/16V C171 100n/16V C265 100n/16V C265 100n/16V C119 100n/50V C119 100n/50V C181 4.7n/50V C181 4.7n/50V R337 100k/NC R337 100k/NC C285 470n/50V C285 470n/50V R366 47k R366 47k 1 1 2 2 3 3 4 4 5 5 6 6 7 7 8 8 H6 NC H6 NC R227 18k R227 18k C508 470n/50V/NC C508 470n/50V/NC R220 10k R220 10k OUT_A 1 PVDD_A 2 PVDD_A_7 3 BST_A 4 GVDD_OUT_31 5 SSTIMER 6 OC_ADJ 7 NC 8 AVSS 9 PLL_FLTM 10 PLL_FLTP 11 VR_ANA 12 AVDD 13 FAULT_13_13 14 MCLK 15 OSC_RES 16 DVSSO 17 VR_DIG 18 PDN_18_18 19 LRCLK 20 SCLK 21 SDIN 22 SDA 23 SCL 24 RESET_24_24 25 STEST 26 DVDD 27 DVSS 28 GND 29 AGND 30 VREG 31 GVDD_OUT 32 BST_D 33 PVDD_D 34 PVDD_D_44 35 OUT_D 36 PGND_CD 37 PGND_CD_5 38 OUT_C 39 PVDD_C 40 PVDD_C_29 41 BST_C 42 BST_B 43 PVDD_B_46 44 PVDD_B 45 OUT_B 46 PGND_AB 47 PGND_AB_2 48 EPAD 49 N14 TAS5707 N14 TAS5707 1 2 3 4 5 R WR WL L GND XS19 R WR WL L GND XS19 C260 47n/16V C260 47n/16V R235 0R/NC R235 0R/NC C193 4.7n/50V C193 4.7n/50V C481 2.2u/10V C481 2.2u/10V L24 22.0 uH L24 22.0 uH C393 15p/50V C393 15p/50V R221 10k R221 10k C205 1n/50V/NC C205 1n/50V/NC C50 22u/6.3V C50 22u/6.3V R386 1k/NC R386 1k/NC C286 10n/50V C286 10n/50V C391 15p/50V C391 15p/50V R228 15k R228 15k C504 33n/50V C504 33n/50V C301 220n/50V C301 220n/50V C117 100n/16V C117 100n/16V C479 100n/16V C479 100n/16V L27 22.0 uH L27 22.0 uH R338 33k R338 33k SIGNAL1 1 GND 2 SIGNAL2 3 XS31 XS31 R325 100k/NC R325 100k/NC C278 4.7u/10V C278 4.7u/10V L39 BLM18PG181SN1 L39 BLM18PG181SN1 C392 15p/50V C392 15p/50V L55 LQM21FN100M70 L55 LQM21FN100M70 C258 33n/50V C258 33n/50V C177 2.2u/10V C177 2.2u/10V 1 2 VD37 1N4148W/NC VD37 1N4148W/NC 1 1 2 2 3 3 4 4 5 5 6 6 7 7 8 8 H1 NC H1 NC R229 15k R229 15k C249 33n/50V C249 33n/50V R397 15k/NC R397 15k/NC C56 22u/6.3V C56 22u/6.3V C142 220n/50V C142 220n/50V R371 4.7R/NC R371 4.7R/NC R405 47k/NC R405 47k/NC R361 4.7R/NC R361 4.7R/NC R226 18k R226 18k C480 1u/10V C480 1u/10V C154 470n/50V C154 470n/50V R61 10k R61 10k C184 100n/16V C184 100n/16V R199 200R R199 200R R376 22R R376 22R R354 22R R354 22R C293 1u/50V C293 1u/50V CE12 100u/25V CE12 100u/25V C390 15p/50V C390 15p/50V 1 1 2 2 3 3 4 4 5 5 6 6 7 7 8 8 H7 NC H7 NC 1 1 2 2 3 3 4 4 5 5 6 6 7 7 8 8 H5 NC H5 NC R35 10k R35 10k CE8 100u/25V CE8 100u/25V 1 1 2 2 3 3 4 4 5 5 6 6 7 7 8 8 H4 NC H4 NC 1 2 VD35 1N4148W/NC VD35 1N4148W/NC C295 1u/50V C295 1u/50V R224 100R R224 100R L45 LQM21FN100M70 L45 LQM21FN100M70 1 2 3 XP33 XP33 C263 100n/16V C263 100n/16V C122 1u/50V C122 1u/50V C304 1n/50V/NC C304 1n/50V/NC C156 33n/50V C156 33n/50V C189 1n/50V/NC C189 1n/50V/NC 1 2 3 V22 MMBT3904LT1 V22 MMBT3904LT1 R58 22k R58 22k C57 22u/6.3V C57 22u/6.3V R198 200R R198 200R R305 68k R305 68k C120 4.7n/50V C120 4.7n/50V R225 100R R225 100R C144 2.2u/10V/NC C144 2.2u/10V/NC 1 2 VZ1 LM3Z10VT1G/NC VZ1 LM3Z10VT1G/NC L31 22.0 uH L31 22.0 uH R597 200R R597 200R R351 100k R351 100k R250 10k R250 10k 1 2 3 V23 MMBT3904LT1 V23 MMBT3904LT1 C206 1n/50V/NC C206 1n/50V/NC C173 1u/50V C173 1u/50V R396 15k/NC R396 15k/NC C380 15p/50V C380 15p/50V R359 4.7R/NC R359 4.7R/NC 1 2 VD38 1N4148W VD38 1N4148W L50 22.0 uH L50 22.0 uH R336 4.7R/NC R336 4.7R/NC C277 4.7u/10V C277 4.7u/10V 1 2 VD34 1N4148W/NC VD34 1N4148W/NC C51 22u/6.3V C51 22u/6.3V C478 1u/10V C478 1u/10V R261 470R R261 470R C199 220n/50V C199 220n/50V C167 47n/16V C167 47n/16V R404 10k/NC R404 10k/NC 1 2 3 4 XP29 XP29 L25 22.0 uH L25 22.0 uH L46 BLM18PG181SN1 L46 BLM18PG181SN1 C259 33n/50V C259 33n/50V 1 2 VZ2 LM3Z10VT1G/NC VZ2 LM3Z10VT1G/NC 1 1 2 2 3 3 4 4 5 5 6 6 7 7 8 8 H8 NC H8 NC R244 1k/NC R244 1k/NC 1 2 3 V24 BAV99LT1/NC V24 BAV99LT1/NC 1 2 3 V19 MMBT3904LT1 V19 MMBT3904LT1 L26 22.0 uH L26 22.0 uH C401 2.2u/10V/NC C401 2.2u/10V/NC C507 470n/50V C507 470n/50V C381 1u/10V C381 1u/10V R372 4.7R/NC R372 4.7R/NC C157 470n/50V C157 470n/50V C158 470n/50V/NC C158 470n/50V/NC C116 2.2u/10V C116 2.2u/10V 5 4 3 2 1 D D C C B B A A LVDS_SCL 3D_EN GG3_RXE0- BB4_RXEC+ BB5_RXEC- BB6_RXE2+ BB7_RXE2- GG0_RXE1+ GG1_RXE1- GG2_RXE0+ RR5_RXO1- GG6_RXO3+ GG7_RXO3- RR0_RXOC+ RR6_RXO0+ RR1_RXOC- RR7_RXO0- RR2_RXO2+ RR3_RXO2- GG4_RXO4+ RR4_RXO1+ GG5_RXO4- BB3_RXE3- BB0_RXE4+ BB1_RXE4- BB2_RXE3+ I2C_SCL_43 B6_RXE2+ B7_RXE2- G0_RXE1+ G1_RXE1- G2_RXE0+ G3_RXE0- B4_RXEC+ B5_RXEC- LVDS_SCL 3D_RL GND25 G6_RXO3+ G7_RXO3- R0_RXOC+ R1_RXOC- R2_RXO2+ R3_RXO2- R5_RXO1- R6_RXO0+ R4_RXO1+ R7_RXO0- GND9 LD_EN1 GND26 I2C_SDA_44 G4_RXO4+ G5_RXO4- B2_RXE3+ B3_RXE3- B0_RXE4+ B1_RXE4- RR0_RXOC+ RR1_RXOC- GG6_RXO3+ GG7_RXO3- BB6_RXE2+ BB7_RXE2- GG0_RXE1+ GG1_RXE1- GG2_RXE0+ GG3_RXE0- BB4_RXEC+ BB5_RXEC- LVDS_SCL BB2_RXE3+ BB3_RXE3- GG5_RXO4- RR3_RXO2- RR5_RXO1- RR2_RXO2+ RR6_RXO0+ RR4_RXO1+ RR7_RXO0- GG4_RXO4+ BB0_RXE4+ BB1_RXE4- 3D_EN GG3_RXE0- BB4_RXEC+ BB5_RXEC- BB6_RXE2+ BB7_RXE2- GG0_RXE1+ GG1_RXE1- GG2_RXE0+ RR5_RXO1- GG6_RXO3+ GG7_RXO3- RR0_RXOC+ RR6_RXO0+ RR1_RXOC- RR7_RXO0- RR2_RXO2+ RR3_RXO2- GG4_RXO4+ RR4_RXO1+ GG5_RXO4- BB3_RXE3- BB0_RXE4+ BB1_RXE4- BB2_RXE3+ I2C_SCL_43 LVDS_SCL 3D_RL GND25 GND9 LD_EN1 GND26 I2C_SDA_44 I2C-SCL 3D_EN I2C-SDA LVDS_SCL LD_EN IR_IN LS_IN_46 I2C-SDA I2C-SCL GND47 VCC_48 VCC_49 VCC_50 GND51 GND51 GND47 LS_IN_46 Light_Sen VCC_48 VCC_49 VCC_50 RST_LVDS LD_EN1 VCC-Panel VCC-Panel VCC-Panel VCC-Panel +12V VCC-Panel VCC-Panel VCC_CON VCC_CON VCC-Panel +12V 5Vstb 3D_EN 10 R5_RXO1- 10 R7_RXO0- 10 R3_RXO2- 10 G7_RXO3- 10 R1_RXOC- 10 G5_RXO4- 10 3D_RL 2 B0_RXE4+ 10 G0_RXE1+ 10 G2_RXE0+ 10 B4_RXEC+ 10 B2_RXE3+ 10 R2_RXO2+ 10 B6_RXE2+ 10 G6_RXO3+ 10 R0_RXOC+ 10 G4_RXO4+ 10 R6_RXO0+ 10 R4_RXO1+ 10 B1_RXE4- 10 B3_RXE3- 10 G3_RXE0- 10 B5_RXEC- 10 G1_RXE1- 10 B7_RXE2- 10 LD_EN 10 IR_IN 2 Light_Sen 2 I2C-SDA I2C-SCL 6M30_RST 6 Title Size Document Number Rev Date: Sheet of MST6I78ZX 1.0 8 10 Audio Amplifier Custom Tuesday, November 02, 2010 Title Size Document Number Rev Date: Sheet of MST6I78ZX 1.0 8 10 Audio Amplifier Custom Tuesday, November 02, 2010 Title Size Document Number Rev Date: Sheet of MST6I78ZX 1.0 8 10 Audio Amplifier Custom Tuesday, November 02, 2010 AUO/CMO/HS/NC SS AUO/CMO/HS/NC L63 BLM18PG181SN1/NC L63 BLM18PG181SN1/NC R503 0R/NC R503 0R/NC R490 0R/NC R490 0R/NC 1 2 3 4 5 6 7 8 9 10 11 12 13 14 15 16 17 18 19 20 21 22 23 24 25 26 27 28 29 30 31 32 33 34 35 36 37 38 39 40 41 57 42 43 44 45 56 46 47 48 49 50 51 52 53 55 54 58 59 60 61 XP20 XP20 R472 100R R472 100R R512 0R/NC R512 0R/NC R695 0R R695 0R R415 0R/NC R415 0R/NC R458 0R/NC R458 0R/NC R487 0R/NC R487 0R/NC R498 0R/NC R498 0R/NC R513 0R/NC R513 0R/NC R506 0R/NC R506 0R/NC L62 BLM18PG181SN1/NC L62 BLM18PG181SN1/NC R499 0R/NC R499 0R/NC R486 0R/NC R486 0R/NC R504 0R/NC R504 0R/NC R507 0R/NC R507 0R/NC R485 0R/NC R485 0R/NC R406 0R/NC R406 0R/NC R500 0R/NC R500 0R/NC R510 0R/NC R510 0R/NC R505 0R/NC R505 0R/NC R501 0R/NC R501 0R/NC L60 STPB2012-121PT/NC L60 STPB2012-121PT/NC R511 0R/NC R511 0R/NC R687 0R R687 0R L61 BLM18PG181SN1/NC L61 BLM18PG181SN1/NC 1 2 3 4 5 6 7 8 9 10 11 12 13 14 15 16 17 18 19 20 21 22 23 24 25 26 27 28 29 30 31 32 33 34 35 36 37 38 39 40 41 53 42 43 44 45 52 46 47 48 49 50 51 XP21 XP21 R495 0R/NC R495 0R/NC 1 2 3 4 5 6 7 8 9 10 11 12 13 14 15 16 17 18 19 20 21 22 23 24 25 26 27 28 29 30 31 32 33 34 35 36 37 38 39 40 41 53 42 43 44 45 52 46 47 48 49 50 51 XP23 XP23 C41 10u/16V C41 10u/16V R514 0R/NC R514 0R/NC R494 0R/NC R494 0R/NC R411 10k R411 10k R410 100R R410 100R R454 0R/NC R454 0R/NC L21 BLM18PG181SN1/NC L21 BLM18PG181SN1/NC R456 0R/NC R456 0R/NC R508 0R/NC R508 0R/NC R409 100R R409 100R 1 2 3 4 5 6 7 8 9 10 11 12 13 14 15 16 17 18 19 20 21 22 23 24 25 26 27 28 29 30 31 32 33 34 35 36 37 38 39 40 41 42 43 44 45 46 47 48 49 50 XP11 XP11 L59 STPB2012-121PT L59 STPB2012-121PT R455 0R/NC R455 0R/NC R509 0R/NC R509 0R/NC R416 100R/NC R416 100R/NC L65 STPB2012-121PT/NC L65 STPB2012-121PT/NC C42 10u/16V C42 10u/16V R482 0R/NC R482 0R/NC R496 0R/NC R496 0R/NC R502 0R/NC R502 0R/NC R394 27k R394 27k R484 0R/NC R484 0R/NC R497 0R/NC R497 0R/NC 5 4 3 2 1 D D C C B B A A PCMCIA_A[14:8] ON_PCMCIA PCMCIA_A10 PCMCIA_A11 PCMCIA_A12 PCMCIA_A13 PCMCIA_A14 PCMCIA_A8 PCMCIA_A9 PCMCIA_CE_N PCMCIA_D0 PCMCIA_D1 PCMCIA_D2 PCMCIA_D3 PCMCIA_D4 PCMCIA_D5 PCMCIA_D6 PCMCIA_D7 PCMCIA_IORD_N PCMCIA_IOWR_N PCMCIA_IRQA_N PCMCIA_OE_N PCMCIA_REG_N PCMCIA_WE_N PCM_CD1_N PCM_CD1_N PCM_CD2_N PCM_CD_N PCM_PF-AD0 PCM_PF-AD1 PCM_PF-AD2 PCM_PF-AD3 PCM_PF-AD4 PCM_PF-AD5 PCM_PF-AD6 PCM_PF-AD7 PCM_PWRPMOS-G PCM_PWRPMOS-S PCM_PWR_CTLL TS0_IN_CLK TS0_IN_D0 TS0_IN_D1 TS0_IN_D2 TS0_IN_D3 TS0_IN_D4 TS0_IN_D5 TS0_IN_D6 TS0_IN_D7 TS0_IN_SYNC TS0_IN_VLD TS1_OUT_CLK TS1_OUT_D0 TS1_OUT_D1 TS1_OUT_D2 TS1_OUT_D3 TS1_OUT_D4 TS1_OUT_D5 TS1_OUT_D6 TS1_OUT_D7 TS1_OUT_SYNC TS1_OUT_VLD PCM_PF-AD[7:0] PCMCIA_D[7:0] PCMCIA_WAIT_N PCMCIA_RESET PCM_CD2_N VCC-PCMCIA +5V VCC-PCMCIA +3.3V +5V +3.3V ON_PCMCIA 1 TS0_IN_D[7:0] <5> TS1_OUT_D[7:0] <5> PCMCIA_A[14:8] <5> PCM_PF-AD[7:0] <5> PCMCIA_D[7:0] <5> PCMCIA_OE_N <5> TS1_OUT_CLK <5> TS1_OUT_VLD <5> TS1_OUT_SYNC <5> TS0_IN_CLK <5> TS0_IN_VLD <5> TS0_IN_SYNC <5> PCMCIA_REG_N <5> PCMCIA_CE_N <5> PCMCIA_WE_N <5> PCMCIA_IORD_N <5> PCMCIA_IOWR_N <5> PCMCIA_IRQA_N <5> PCM_CD_N <5> PCMCIA_WAIT_N<5> PCMCIA_RESET <5> Title Size Document Number Rev Date: Sheet of Ethernet 10 9 1.0 MST6I78ZX A3 Tuesday, November 02, 2010 Title Size Document Number Rev Date: Sheet of Ethernet 10 9 1.0 MST6I78ZX A3 Tuesday, November 02, 2010 Title Size Document Number Rev Date: Sheet of Ethernet 10 9 1.0 MST6I78ZX A3 Tuesday, November 02, 2010 PCMCIA Card Detect Low: PCMCIA Power Off High: PCMCIA POWER On PCMCIA Power Control C253 1u/10V C253 1u/10V 1 2 3 VD108 BAT54C VD108 BAT54C R223 47k R223 47k R219 2.2k R219 2.2k C254 1u/10V C254 1u/10V 1 2 3 S G D V61 AO3401_SOT223 S G D V61 AO3401_SOT223 1 2 3 V60 2N7002 V60 2N7002 C243 100n/16V C243 100n/16V GND4 1 D3 2 D4 3 D5 4 D6 5 D7 6 CE1 7 A10 8 OE 9 A11 10 DRX(A9) 11 CRX(A8) 12 A13 13 A14 14 WE 15 IREQ(READY) 16 VCC2 17 VPP-1 18 MIVAL(A16) 19 MCLKI(A15) 20 A12 21 QTX(A7) 22 ETX(A6) 23 ITX(A5) 24 CTX(A4) 25 A3 26 A2 27 A1 28 A0 29 D0 30 D1 31 D2 32 IOIS16(WP) 33 GND3 34 GND2 35 CD1 36 MDO3(D11) 37 MDO4(D12) 38 MDO5(D13) 39 MDO6(D14) 40 MDO7(D15) 41 CE2 42 VS1 43 IORD(RFU) 44 IOWR(RFU) 45 MISTRT(A17) 46 MDI0(A18) 47 MDI1(A19) 48 MDI2(A20) 49 MDI3(A21) 50 VCC1 51 VPP-2 52 MDI4(A22) 53 MDI5(A23) 54 MDI6(A24) 55 MDI7(A25) 56 MCLKO(VS2) 57 RESET 58 WAIT 59 INPACK 60 REG 61 MOVAL(BVD2) 62 MOSTRT(BVD1) 63 MDO0(D8) 64 MDO1(D9) 65 MDO2(D10) 66 CD2 67 GND1 68 69 69 70 70 71 71 72 72 3V XP22 A0MC5A0012N8P03 3V XP22 A0MC5A0012N8P03 R217 1k R217 1k C257 10u/10V C257 10u/10V C251 10u/10V C251 10u/10V R218 1k R218 1k C252 1u/10V C252 1u/10V R37 4.7k R37 4.7k R587 100k R587 100k L43 STPB2012-121PT L43 STPB2012-121PT L29 STPB2012-121PT/NC L29 STPB2012-121PT/NC

标签:

版权声明

1. 本站所有素材,仅限学习交流,仅展示部分内容,如需查看完整内容,请下载原文件。
2. 会员在本站下载的所有素材,只拥有使用权,著作权归原作者所有。
3. 所有素材,未经合法授权,请勿用于商业用途,会员不得以任何形式发布、传播、复制、转售该素材,否则一律封号处理。
4. 如果素材损害你的权益请联系客服QQ:77594475 处理。