康佳LC32HS62B液晶电视(34006601板)电源板电路图

分类:电子电工 日期: 点击:0
康佳LC32HS62B液晶电视(34006601板)电源板电路图-0 康佳LC32HS62B液晶电视(34006601板)电源板电路图-1 康佳LC32HS62B液晶电视(34006601板)电源板电路图-2 康佳LC32HS62B液晶电视(34006601板)电源板电路图-3 康佳LC32HS62B液晶电视(34006601板)电源板电路图-4

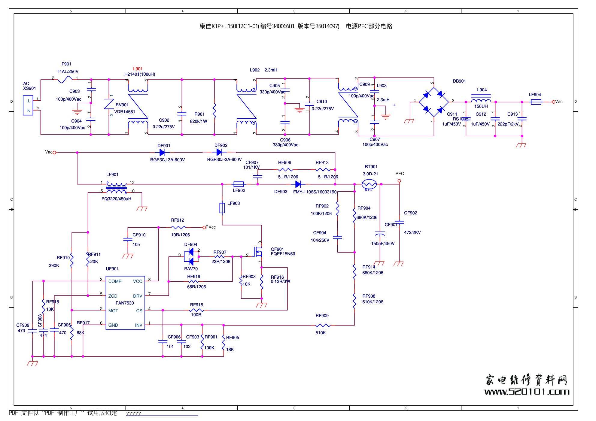
5 5 4 4 3 3 2 2 1 1 D D C C B B Vac Vac PVcc PFC RF909 510K RF909 510K 1 2 C909 100p/400Vac C909 100p/400Vac RF905 18K RF905 18K RF906 5.1R/1206 RF906 5.1R/1206 CF902 472/2KV CF902 472/2KV L904 150UH L904 150UH CF903 102 CF903 102 RF914 680K/1206 RF914 680K/1206 RF919 68R/1206 RF919 68R/1206 RF902 100K/1206 RF902 100K/1206 DF902 RGP30J-3A-600V DF902 RGP30J-3A-600V 1 2 C912 1uF/450V C912 1uF/450V 1 2 C907 100p/400Vac C907 100p/400Vac RF918 10K RF918 10K RF903 10K RF903 10K CF904 104/250V CF904 104/250V DF901 RGP30J-3A-600V DF901 RGP30J-3A-600V 1 2 F901 T4AL/250V F901 T4AL/250V RF907 22R/1206 RF907 22R/1206 LF904 LF904 1 2 C905 330p/400Vac C905 330p/400Vac LF903 LF903 N 2 L 1 XS901 AC XS901 AC CF905 470 CF905 470 4 3 1 2 L901 H21401(100uH) L901 H21401(100uH) 1 3 2 4 - + DB901 RS1005 - + DB901 RS1005 2 3 1 QF901 FQPF15N50 QF901 FQPF15N50 GND 6 ZCD 5 VCC 8 CS 4 COMP 3 INV 1 MOT 2 DRV 7 UF901 FAN7530 UF901 FAN7530 LF902 LF902 1 2 C906 330p/400Vac C906 330p/400Vac CF909 473 CF909 473 CF906 101 CF906 101 1 2 RV901 VDR14561 RV901 VDR14561 5 12 1 10 LF901 PQ3220/450uH LF901 PQ3220/450uH RF910 390K RF910 390K RF901 100K RF901 100K 1 2 C910 0.22u/275V C910 0.22u/275V 4 2 1 3 L902 2.3mH L902 2.3mH 1 2 C902 0.22u/275V C902 0.22u/275V 1 2 3 DF904 BAV70 DF904 BAV70 RF904 680K/1206 RF904 680K/1206 RF908 510K/1206 RF908 510K/1206 RF915 100R RF915 100R 1 2 4 3 L903 2.3mH L903 2.3mH CF908 474 CF908 474 RF917 68K RF917 68K 1 2 C904 100p/400Vac C904 100p/400Vac CF907 101/1KV CF907 101/1KV 1 2 C911 1uF/450V C911 1uF/450V RF911 20K RF911 20K CF910 105 CF910 105 R901 820k/1W R901 820k/1W CF901 150uF/450V CF901 150uF/450V 1 2 C903 100p/400Vac C903 100p/400Vac 1 2 C913 222pF/2kV C913 222pF/2kV RF913 5.1R/1206 RF913 5.1R/1206 DF903 FMY-1106S/16003190 DF903 FMY-1106S/16003190 RF912 10R/1206 RF912 10R/1206 RF916 0.12R/3W RF916 0.12R/3W NTC RT901 3.0D-21 NTC RT901 3.0D-21 PDF 文件以 "PDF 制作工厂" 试用版创建 ÿÿÿÿ ÿ � 康佳KIP+L150I12C1-01(编号34006601 版本号35014097) 电源PFC部分电路 5 5 4 4 3 3 2 2 B B A A Adj_PWM B/L ON/OFF P VCC Vac +12V +12V P/S on/off B/L dim B/L on/off +12V +12V P/S on/off PFC 400V VCC-Inv +12V P/S on/off VCC PVcc S12V +5V P +5V S12V PFC 400V 12V 过流保护 R914 1.5M/1206 R914 1.5M/1206 RW959 1K RW959 1K R952 1K R952 1K RW905 2.7/1206 RW905 2.7/1206 Q951 PBSS5160 Q951 PBSS5160 1 2 3 Q901 5160 Q901 5160 R903 10K R903 10K RW913 100K/1206 RW913 100K/1206 R919 470K R919 470K 1 2 DW904 FR104 DW904 FR104 RW901 5.1K RW901 5.1K R918 2.7R R918 2.7R CW952 104 CW952 104 QW953 2N3904/NC QW953 2N3904/NC 1 2 DW901 1n4007 DW901 1n4007 LW902 FB LW902 FB R902 22K R902 22K R908 1K R908 1K R916 1.5M/1206 R916 1.5M/1206 QW901 2N3904 QW901 2N3904 RW906 18K RW906 18K 1 2 D953 L4148 D953 L4148 4.7k R956 4.7k R956 R954 47K R954 47K R906 2K R906 2K 3 2 1 NW951 TL431 NW951 TL431 1 2 CW910 105 CW910 105 C952 400Vac-222 C952 400Vac-222 RW953 NA RW953 NA 1 3 2 DW951 MBR20100 DW951 MBR20100 RW951 10K RW951 10K 1 2 C957 104 C957 104 R917 1.5M/1206 R917 1.5M/1206 1 2 CW911 22uF/50V CW911 22uF/50V RW907 39K RW907 39K 1 6 4 2 11 8 10 12 9 7 TW901 EER28L TW901 EER28L 1 2 D952 L4148 D952 L4148 RW961 1K/NC RW961 1K/NC 1 2 CW904 473 CW904 473 1 2 C954 104 C954 104 3 2 1 U954 TL431 U954 TL431 CW957 102 CW957 102 R907 47K R907 47K RW911 100K/2W RW911 100K/2W R951 8.2M/2W R951 8.2M/2W RW910 6.2K RW910 6.2K 1 2 CW903 100uF/50V CW903 100uF/50V R904 1K R904 1K RW952 18/1206 RW952 18/1206 RW902 1.5M RW902 1.5M Q953 2N3904 Q953 2N3904 1 2 3 DW903 BAV70 DW903 BAV70 RW956 4.75K/F RW956 4.75K/F 1 2 C956 104 C956 104 RW957 100K/F RW957 100K/F R912 1.5K R912 1.5K RW960 10K/NC RW960 10K/NC 1 2 CW912 22uF/50V CW912 22uF/50V 1 2 C955 103 C955 103 1 2 DW902 L4148/NC DW902 L4148 ZW951 C5.1V/NC ZW951 C5.1V/NC 1 2 LW951 3uH LW951 3uH RW954 18.7K/F RW954 18.7K/F OUT1 1 -IN2 6 +IN2 5 -IN1 2 +IN1 3 OUT2 7 VCC 8 GND 4 N951 LM358 N951 LM358 1 2 CW915 2700pF/1.6KV CW915 2700pF/1.6KV RW908 390K RW908 390K CW956 473 CW956 473 CW905 105 CW905 105 CW953 1000u/25V CW953 1000u/25V 12V 1 GND 2 P/S On/off 5 XS951 CON5 PIN XS951 CON5 PIN RW903 1.5M RW903 1.5M 1 2 4 3 N952 PC817B N952 PC817B RW904 1.5M RW904 1.5M 1 3 2 DW952 MBR20100 DW952 MBR20100 C951 100NF/25V C951 100NF/25V Q950 2N3906 Q950 2N3906 R910 1K R910 1K 1 2 D951 L4148 D951 L4148 R911 62K R911 62K 1 2 CW906 33 CW906 33 R905 62K R905 62K CW954 1000p/500V CW954 1000p/500V R913 10K R913 10K 1 2 C959 103 C959 103 RW955 5mR RW955 5mR RW958 1.8K RW958 1.8K 1 2 CW901 22u/10V CW901 22u/10V 1 3 2 QW902 2N7002 QW902 2N7002 CW955 1000u/25V CW955 1000u/25V RW914 RW914 0 1 2 CW902 22uF/50V CW902 22uF/50V RW909 2.7/1206 RW909 2.7/1206 1 2 4 3 NW950 PC817 NW950 PC817 QW903 2N3904/NC QW903 2N3904 R915 1.5M/1206 R915 1.5M/1206 R953 47K R953 47K R955 4.7K R955 4.7K B/L Brigh 1 B/L On/off 2 NC 3 GND 4 XS952 CON4 PIN XS952 CON4 PIN RW912 12K RW912 12K Q952 2N3904 Q952 2N3904 R909 100K R909 100K Drain 1 SYNC 5 FB 4 VCC 3 GND 2 VST 6 NW901 FSQ0765 NW901 FSQ0765 1 2 CW907 221 CW907 221 1 2 CW913 104 CW913 104 3 2 1 U953 TL431 U953 TL431 CW951 470u/25V CW951 470u/25V 1 2 CW908 105 CW908 105 1 2 ZW901 16V ZW901 16V 1 2 C958 105 C958 105 QW954 2N3904/NC QW954 2N3904/NC PDF 文件以 "PDF 制作工厂" 试用版创建 ÿÿÿÿ ÿ � 2.5V 康佳KIP+L150I12C1-01(编号34006601 版本号35014097) 12V和控制部分电路 开关机控制 12V过流保护 (实物未装) 12V稳压 实测14.5V 5 5 4 4 3 3 2 2 IFB ENA PWM VF VF VCS VCS VDD 13V IFB VCS B/L dim PFC 400V VCC-Inv 12~16V R760 1M R760 1M 1 2 D703 L4148/NC D703 L4148/NC R752 NC R752 NC C708 104 C708 104 C710 105 C710 105 R701 33k R701 33k C709 104 C709 104 R770 330K R770 330K Q703 2N3904 Q703 2N3904 D751 BAV99 D751 BAV99 Q704 2N3904 Q704 2N3904 C702 NC C702 NC C753 C753 D754 BAV99 D754 BAV99 1 2 D701 L4148 D701 L4148 1 2 4 3 N702 PC817 N702 PC817 C754 C754 R772 30K R772 30K C704 103 C704 103 R707 R707 R759 300K R759 300K R712 1K R712 1K R710 1K R710 1K R753 100K R753 100K C762 471 C762 471 D752 BAV99 D752 BAV99 C701 103 C701 103 C763 51P C763 51P 1 2 3 CON2_0 XS751 CON2_0 XS751 D753 BAV99 D753 BAV99 R751 1K R751 1K 1 2 4 3 N701 PC817 N701 PC817 C752 C752 C715 471 C715 471 R773 100K C761 471 C761 471 C705 224 R723 82 R723 82 1 2 3 CON2_0 XS752 CON2_0 XS752 R705 10K R705 10K 1 2 C716 22uF/50V C716 22uF/50V C712 104 C712 104 R724 82 R724 82 IFB 1 CIFB 2 CVFB 4 CSWP 5 CT 6 CF 7 IREF 8 NC 21 SH 22 FS 23 GH 24 VFB 3 CPWM 9 SGND 10 COMM 11 nonFAULT 12 NC 20 NC 19 GL 18 PGND 17 PWMD 13 VDD 16 PWMA 14 EN 15 NXP2071 U701 NXP2071 U701 R755 2K R755 2K 1 2 D702 L4148/NC D702 L4148/NC C755 222 C755 222 R716 82/NC R716 82 R721 1K C757 222 C757 222 2 3 1 Q702 FQPF8N50 Q702 FQPF8N50 R703NC R703 R702 R702 1K NC R720 NC C758 222 C758 222 ZD751 C2.4 ZD751 C2.4 R714 0 R714 0 3 2 1 NW952 TL431 C764 102 C764 102 2 5 8 3 10 7 T701 N=5 LK=25mH T701 T701 N=5 LK=25mH T701 R709 100 R709 100 2 3 1 Q701 FQPF8N50 Q701 FQPF8N50 R713 30K R713 30K R774 1K R774 1K R711 10K R711 10K R761 10K R761 10K C713 NC R722 NC 1 2 F701 250V-T2AH F701 250V-T2AH R708 47 R708 47 R706 51K R706 51K C706 33p C706 33p C703 104 C703 104 C711 104 C711 104 C751 C751 1 2 4 3 N704 PC817 R715 82 R715 82 ZD701 C13V ZD701 C13V C717 C717 4 6 10 2 L701 1:1 3mH L701 1:1 3mH C707 33p C707 33p R754 NC R754 NC C714 224/630V C714 224/630V R771 200 R771 200 PDF 文件以 "PDF 制作工厂" 试用版创建 ÿÿÿÿ ÿ � 33pF/6KV 33pF/6KV 5nF 5nF 2.2V 2.2V 0.8V 2.2V 2.2V 0.7V 1.6V 0V 0V 4.7V 0.3V 0V 11V 13V 0V B/L on/off +12V +12V VDD VF R719 82K R719 82K 3 2 1 N705 TL431 N705 TL431 R717 82K R717 82K R718 10K R718 10K C756 222 C756 222 R757 75K R757 75K R756 10K R756 10K R758 330K R758 330K 1 2 4 3 N703 PC817 N703 PC817 +12V 224/630V/NC 2.2nF 47 康佳KIP+L150I12C1-01(编号34006601 版本号35014097) 逆变部分电路 背光脉宽调光 背光开关,打开背光时高电位 高压过压 保护 注意:如果C751和C753容量为10pF 那么C752和C754容量为2.2nF 背光频率为90KHz 灯管过流 保护 5 5 4 4 3 3 2 2 1 1 D D C C B B A A HV VCC HV VCC H HV +5Vsb N951P14 +12V1 +24V N951P8 +5Vsb H Title Size Document Number Rev Date: Sheet of Designed by:lixian 0.2 KPS220-01 LCD Power B 1 1 Wednesday, April 30, 2008 Title Size Document Number Rev Date: Sheet of Designed by:lixian 0.2 KPS220-01 LCD Power B 1 1 Wednesday, April 30, 2008 Title Size Document Number Rev Date: Sheet of Designed by:lixian 0.2 KPS220-01 LCD Power B 1 1 Wednesday, April 30, 2008 PFC与STDBY电路部分 OVP OVP OCP Start KONKA + CF901 150uF/450V + CF901 150uF/450V 1 2 C956 100NF/50V C956 100NF/50V 1 2 DB903 L4148 DB903 L4148 C906 470PF/400Vac C906 470PF/400Vac L 1 N 2 XS901 TKP-PVHI-03-N1 XS901 TKP-PVHI-03-N1 RB907 47K/0805 RB907 47K/0805 C903 470PF/400Vac C903 470PF/400Vac RF911 10R/0805 RF911 10R/0805 R906 470K/1206 R906 470K/1206 1 2 DF902 RGP30J DF902 RGP30J RB909 100K/2W RB909 100K/2W R971 4.7K/0805 R971 4.7K/0805 RB953 2.4K/0805,F RB953 2.4K/0805,F RF904 470K/0805 RF904 470K/0805 RW905 1K/0805 RW905 1K/0805 CB953 100nF/50V CB953 100nF/50V RB902 1M/0805 RB902 1M/0805 R901 470K/1206 R901 470K/1206 2 3 1 4 - + BD901 RBU1005M - + BD901 RBU1005M CF911 101/1kV CF911 101/1kV QF901 STP14NK50ZFP QF901 STP14NK50ZFP RF906 470K/0805,F RF906 470K/0805,F 5 1 7 11 12 8 LF901 0.6mH/PQ3225 JLC3322 LF901 0.6mH/PQ3225 JLC3322 1 2 C958 100NF/50V C958 100NF/50V CF906 2.2nF/50V CF906 2.2nF/50V R963 47K/0805 R963 47K/0805 C904 470PF/400Vac C904 470PF/400Vac R965 30K/0805 R965 30K/0805 QF903 2N3906 QF903 2N3906 RF916 10R/0805 RF916 10R/0805 CB905 100nF/50V CB905 100nF/50V RW917 2.2R/1206 RW917 2.2R/1206 Q952 PM3904 Q952 PM3904 CB956 10uF/10V CB956 10uF/10V 1 2 D955 L4148 D955 L4148 RF903 1.5M/0805 RF903 1.5M/0805 RF918 510K/0805,F RF918 510K/0805,F CF904 1NF/50V CF904 1NF/50V RB905 47K/0805 RB905 47K/0805 QB951 PM3904 QB951 PM3904 RB901 1M/0805 RB901 1M/0805 CF910 100NF/150V CF910 100NF/150V RB911 6.2K/0805 RB911 6.2K/0805 QB952 PM3904 QB952 PM3904 C905 470PF/400Vac C905 470PF/400Vac +CB952 470uF/16V +CB952 470uF/16V RF907 470K/0805,F RF907 470K/0805,F LF903 BEND CORE LF903 BEND CORE RB908 6.2K/0805 RB908 6.2K/0805 C902 0.22UF/275V C902 0.22UF/275V RF920 20R/1206 RF920 20R/1206 RB912 100K/1206 RB912 100K/1206 RF910 56K/0805 RF910 56K/0805 Q953 2N3906 Q953 2N3906 RF914 100K/0805 RF914 100K/0805 R969 4.7K/0805 R969 4.7K/0805 RF902 1.5M/0805 RF902 1.5M/0805 CB909 100nF/50V CB909 100nF/50V RF905 470K/0805,F RF905 470K/0805,F QF902 STP14NK50ZFP QF902 STP14NK50ZFP 1 2 4 3 F901 4A/250V F901 4A/250V 1 2 ZDW902 16V ZDW902 16V + CB904 22uF/50V + CB904 22uF/50V CB903 47nF/1kV CB903 47nF/1kV 1 5 2 3 6 7 8 TB901 EEL19 TB901 EEL19 1 2 DB951 SR360 DB951 SR360 RV901 RN471 RV901 RN471 LB951 3.3uH LB951 3.3uH QB902 3904 QB902 3904 1 3 4 2 L902 ET24 13mH L902 ET24 13mH RB904 120K/0805 RB904 120K/0805 RB956 2.4K/0805,F RB956 2.4K/0805,F RB957 1K/0805 RB957 1K/0805 1 2 4 3 N950 PC817 N950 PC817 RB906 4.7K/0805 RB906 4.7K/0805 CB910 33PF/50V CB910 33PF/50V LF902 BEND CORE LF902 BEND CORE RF912 22R/0805 RF912 22R/0805 CF903 100NF/50V CF903 100NF/50V CB954 100nF/50V CB954 100nF/50V + CB902 100uF/10V + CB902 100uF/10V 1 2 3 QB901 5160 QB901 5160 CF902 100PF/50V CF902 100PF/50V 1 2 DF903 L4148 DF903 L4148 GND 1 VCC 2 FB 3 Stnv 4 Vstr 5 D 6 D 7 D 8 NB901 Q0265R NB901 Q0265R 1 2 DB952 SR360 DB952 SR360 RB952 220R/0805 RB952 220R/0805 R903 470K/1206 R903 470K/1206 CF907 1uF/50V CF907 1uF/50V CB908 1uF/16V CB908 1uF/16V R967 47K/0805 R967 47K/0805 R964 47K/0805 R964 47K/0805 CF912 10nF/2KV CF912 10nF/2KV RF908 2.7K/0805 RF908 2.7K/0805 RB954 100K/0805,F RB954 100K/0805,F 1 2 DB902 FR104 DB902 FR104 R904 470K/1206 R904 470K/1206 RF915 220K/0805 RF915 220K/0805 1 2 DF901 F08S60S DF901 F08S60S CB907 100nF/50V CB907 100nF/50V RF917 100R/0805 RF917 100R/0805 CF908 1uF/450V CF908 1uF/450V CF909 22PF/50V CF909 22PF/50V FB 1 Vcon 2 IN 3 CS 4 VM 5 GND 6 DRV 7 VCC 8 NF901 NCP1653A NF901 NCP1653A RF919 20R/1206 RF919 20R/1206 NB902 TL431 NB902 TL431 + CB906 22uF/50V + CB906 22uF/50V Q951 PM3904 Q951 PM3904 1 2 4 3 NB950 PC817 NB950 PC817 RB955 4.7K/0805,F RB955 4.7K/0805,F R970 1K/0805 R970 1K/0805 1 2 3 C901 0.47/275V C901 0.47/275V 1 2 ZD952 HZ27-2TA ZD952 HZ27-2TA 1 2 D956 L4148 D956 L4148 QF904 2N3906 QF904 2N3906 L903 150UH L903 150UH C954 100nF/50V C954 100nF/50V 1 2 DB901 1N4007 DB901 1N4007 RF909 0.12R/2W RF909 0.12R/2W RF913 10K/0805 RF913 10K/0805 R902 470K/1206 R902 470K/1206 1 2 ZD951 13B ZD951 13B 1 2 DB904 L4148 DB904 L4148 R905 470K/1206 R905 470K/1206 1 2 D954 L4148 D954 L4148 RF901 1.5M/0805 RF901 1.5M/0805 RT901 5D214 RT901 5D214 1 2 D953 L4148 D953 L4148 CF905 47NF/50V CF905 47NF/50V RB951 1K/0805 RB951 1K/0805 RB910 12K/0805 RB910 12K/0805 RB903 1M/0805 RB903 1M/0805 1 3 4 2 L901 LCL-F112 L901 LCL-F112 +CB955 2200uF/16V +CB955 2200uF/16V PDF 文件以 "PDF 制作工厂" 试用版创建 ÿÿÿÿ ÿ � 5 5 4 4 3 3 2 2 1 1 D D C C B B A A VCC HV +24V +12V +5Vsb N951P8 +5Vsb N951P14 +24V PSON +5Vsb +24V +12V PSON +24V +24V +5Vsb +12V PSON +12V1 +12V1 +24V Title Size Document Number Rev Date: Sheet of DC TO DC与PROTECT电路 0.2 KPS220-01 LCD Power B 1 1 Wednesday, April 30, 2008 Title Size Document Number Rev Date: Sheet of DC TO DC与PROTECT电路 0.2 KPS220-01 LCD Power B 1 1 Wednesday, April 30, 2008 Title Size Document Number Rev Date: Sheet of DC TO DC与PROTECT电路 0.2 KPS220-01 LCD Power B 1 1 Wednesday, April 30, 2008 OCP Start KONKA Designed by:lixian RW955 10K/1206 RW955 10K/1206 CW903 1uF/50V CW903 1uF/50V 1 2 3 4 5 6 7 8 9 10 11 12 XS955 2.0-14PIN XS955 2.0-14PIN LW952 2.2uH LW952 2.2uH C952 100nF/50V C952 100nF/50V RW903 15K/0805,F RW903 15K/0805,F D951 L4148 D951 L4148 1 2 3 4 5 6 7 8 XS951 3.96-8PIN XS951 3.96-8PIN DW904 L4148 DW904 L4148 DW953 MBRF20H100CTG DW953 MBRF20H100CTG RW961 6.8K/0805,F RW961 6.8K/0805,F C957 10nF/50V C957 10nF/50V RW959 4.7K/0805 RW959 4.7K/0805 RW962 6.8K/0805,F RW962 6.8K/0805,F CW958 10nF/50V CW958 10nF/50V 3 2 1 UW951 TL431 UW951 TL431 R954 1K/0805 R954 1K/0805 R973 1K R973 1K DW902 L4148 DW902 L4148 R957 1K/0805 R957 1K/0805 CW956 100nF/50V CW956 100nF/50V R968 10K/0805 R968 10K/0805 RW953 10K/1206 RW953 10K/1206 R962 10K/0805 R962 10K/0805 CW955 470uF/16V CW955 470uF/16V RW902 4.7K/0805 RW902 4.7K/0805 DW905 L4148 DW905 L4148 CW905 33nF/400V CW905 33nF/400V DW951 MBRF20H100CTG DW951 MBRF20H100CTG CW952 1000uF/35V CW952 1000uF/35V RW904 2.4K/0805 RW904 2.4K/0805 R953 1K R953 1K R955 82K/0805,F R955 82K/0805,F RW956 10K/1206 RW956 10K/1206 1 2 3 4 5 XS954 3.96-8PIN XS954 3.96-8PIN DW901 L4148 DW901 L4148 R974 1K R974 1K D952 L4148 D952 L4148 RW911 220R/0805 RW911 220R/0805 RW951 5mR Mn-Cu LINE RW951 5mR Mn-Cu LINE RW957 4.7K/1206 RW957 4.7K/1206 1 2 4 3 NW950 PC817 NW950 PC817 CW904 10nF/50V CW904 10nF/50V RW908 47R/0805 RW908 47R/0805 QW901 STP14NK50ZFP QW901 STP14NK50ZFP CW908 100nF/50V CW908 100nF/50V DW903 L4148 DW903 L4148 C951 100nF/50V C951 100nF/50V CW951 1000uF/35V CW951 1000uF/35V 1 2 3 4 XS953 2.0-4PIN XS953 2.0-4PIN RW916 750K/0805 RW916 750K/0805 RW965 82K/0805,F RW965 82K/0805,F CW901 0.47uF/50V CW901 0.47uF/50V CW907 100nF/50V CW907 100nF/50V R958 1K/0805 R958 1K/0805 R975 1K R975 1K R956 39K/0805,F R956 39K/0805,F RW964 1K/0805 RW964 1K/0805 CW910 1nF/50V CW910 1nF/50V R961 100K/0805 R961 100K/0805 RW909 10K/0805 RW909 10K/0805 1 2 ZDW901 16V ZDW901 16V RW952 5mR Mn-Cu LINE RW952 5mR Mn-Cu LINE CW957 100nF/50V CW957 100nF/50V QW902 STP14NK50ZFP QW902 STP14NK50ZFP C953 220nF/50V C953 220nF/50V Out3 1 -In3 2 +In3 3 Vcc 4 +In1 5 -In1 6 Out1 7 Out2 8 -In2 9 +In2 10 GND 11 +In4 12 -In4 13 Out4 14 N951 LM324 N951 LM324 R952 1K/0805 R952 1K/0805 3 2 1 N952 TL431 N952 TL431 RW913 12K/0805 RW913 12K/0805 RW960 20K/0805,F RW960 20K/0805,F R959 10K/0805 R959 10K/0805 RW918 750K/0805 RW918 750K/0805 RW907 47R/0805 RW907 47R/0805 RW906 330R/0805 RW906 330R/0805 RW912 22K/1206 RW912 22K/1206 RW915 750K/0805 RW915 750K/0805 RW963 3.9K/0805 RW963 3.9K/0805 CW954 1500uF/16V CW954 1500uF/16V 4 1 14 12 13 8 10 9 11 3 TW901 ERL39 TW901 ERL39 R976 1K R976 1K CW950 2.2nF/400Ac CW950 2.2nF/400Ac R966 1K R966 1K RW901 750K/0805 RW901 750K/0805 R951 1K R951 1K 1 2 3 4 5 6 7 8 9 10 11 12 13 14 XS952 2.0-14PIN XS952 2.0-14PIN LW951 3.3uH LW951 3.3uH R960 10K/0805 R960 10K/0805 DW952 STPS2045CFP DW952 STPS2045CFP C955 100nF/50V C955 100nF/50V CW953 470uF/35V CW953 470uF/35V RW910 10K/0805 RW910 10K/0805 CW906 330pF/2kV CW906 330pF/2kV CW902 470pF/50V CW902 470pF/50V CW909 1uF/50V CW909 1uF/50V Css 1 Delay 2 Cf 3 Rfmin 4 Stby 5 Isen 6 Line 7 Dis 8 Pfc-stop 9 GND 10 ILVG 11 Vcc 12 Nc 13 Out 14 Hvg 15 Vboot 16 NW901 L6599 NW901 L6599 RW950 8.2M RW950 8.2M RW914 750K/0805 RW914 750K/0805 RW954 10K/1206 RW954 10K/1206 R972 1K R972 1K PDF 文件以 "PDF 制作工厂" 试用版创建 ÿÿÿÿ ÿ �

标签:

版权声明

1. 本站所有素材,仅限学习交流,仅展示部分内容,如需查看完整内容,请下载原文件。
2. 会员在本站下载的所有素材,只拥有使用权,著作权归原作者所有。
3. 所有素材,未经合法授权,请勿用于商业用途,会员不得以任何形式发布、传播、复制、转售该素材,否则一律封号处理。
4. 如果素材损害你的权益请联系客服QQ:77594475 处理。