康佳液晶电视LED37F3300E(35017333板)电路图

分类:电子电工 日期: 点击:0
康佳液晶电视LED37F3300E(35017333板)电路图-0 康佳液晶电视LED37F3300E(35017333板)电路图-1 康佳液晶电视LED37F3300E(35017333板)电路图-2 康佳液晶电视LED37F3300E(35017333板)电路图-3 康佳液晶电视LED37F3300E(35017333板)电路图-4 康佳液晶电视LED37F3300E(35017333板)电路图-5 康佳液晶电视LED37F3300E(35017333板)电路图-6 康佳液晶电视LED37F3300E(35017333板)电路图-7 康佳液晶电视LED37F3300E(35017333板)电路图-8 康佳液晶电视LED37F3300E(35017333板)电路图-9

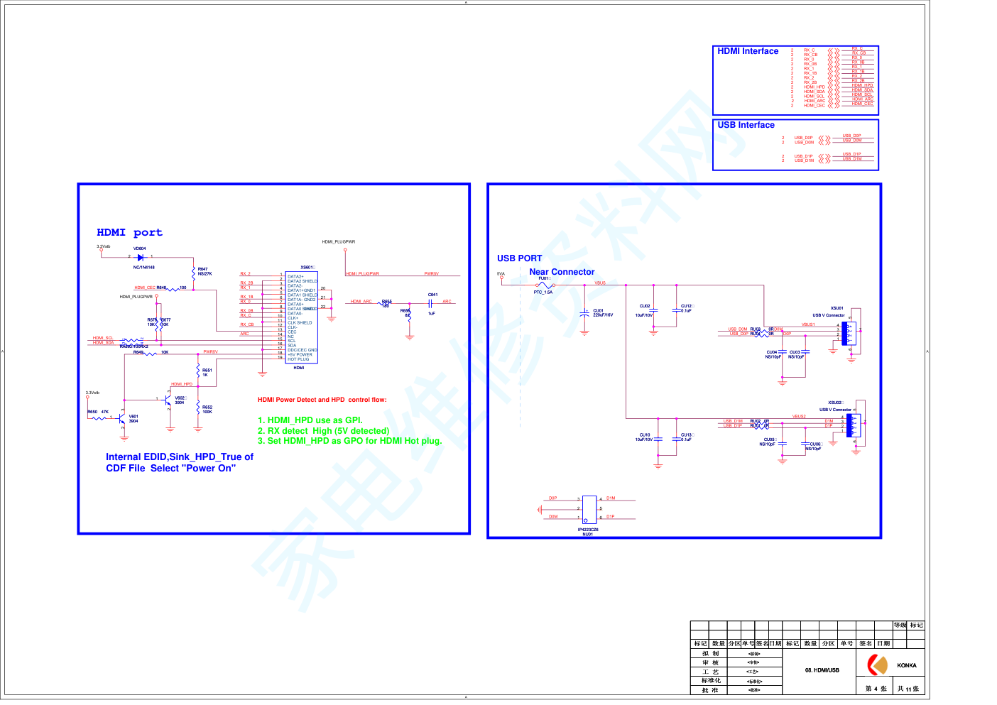
5 5 4 4 3 3 2 2 1 1 D D C C B B A A Rev DATE P# History V0.1 INITIAL VERSION V1.0 3300 FIrst VERSION 增加高频头接地隔离C122,C123;XS607,XS616 AV座换新封装 2012-7-2 增加高频头接地隔离C124,C125 2012-7-14 家电维修资料网 A A B B C C D D E E 4 4 3 3 2 2 1 1 BKLT_EN POWER-ON/OFF-INV POWER-ON/OFF-INV BKLT_EN BL_DIMMING BKLT_ADJ On_Panel 5V-STBIN BL_ON/OFF OPWRSB POWER-ON/OFF-INV BL_DIMMING BL_ON/OFF On_Panel POWER-ON/OFF-INV OPWRSB BKLT_ADJ VCC12VIN On_Panel VCC_Panel VCC12V 5Vstb 5VA 3.3Vstb POWER-ON/OFF-INV DDR_V BKLT_EN BKLT_ADJ AVDD3V3 DVDD3V3 DDR_V 5VA VCCK VCCK AVDD1V2 +12V 3.3Vstb 3.3VA 3.3VA 5VA 5Vstb 3.3Vstb 5VA VCC_Panel +12V 5VA 5Vstb +12V 5VA 5Vstb VCCK AVDD3V3 3.3VA 3.3Vstb 5VA ADAC_3V3 AVDD3V3 5VA VCCK VCC12V 5Vstb BL_DIMMING 2 BL_ON/OFF 2 On_Panel 2 POWER-ON/OFF-INV 2 OPWRSB 2 POWER-ON/OFF-INV BKLT_EN BKLT_ADJ 标记 数量 等级 标记 批 准 标准化 工 艺 审 核 拟 制 签名日期 分区单号 数量 签名 单号 分区 标记 日期 第 张 共 张 KONKA <拟制> <审核> <工艺> <标准化> <批准> 03.System Power 11 1 标记 数量 等级 标记 批 准 标准化 工 艺 审 核 拟 制 签名日期 分区单号 数量 签名 单号 分区 标记 日期 第 张 共 张 KONKA <拟制> <审核> <工艺> <标准化> <批准> 03.System Power 11 1 标记 数量 等级 标记 批 准 标准化 工 艺 审 核 拟 制 签名日期 分区单号 数量 签名 单号 分区 标记 日期 第 张 共 张 KONKA <拟制> <审核> <工艺> <标准化> <批准> 03.System Power 11 1 HI = > POWER_OFF LO = > POWER_ON MAIN POWER CONTROL STANDBY POWER ANALOG POWER AVDD3V3 DRAM POWER 1.25 x (1+100/100) =2.5V for DDR1 ANALOG POWER AVDD3V3_ADAC(For Audio) 1.25 x (1+47/100) =1.8V for DDR2 Need finetune Close to SOC R853 for DDR1 R854 for DDR2 H:OFF L:ON 5V STANDBY TCON POWER 5TVstb 1A电源不装9435 与电源部分接口 feedback 0.923 VCC_Panel CORE POWER 1.2V 3.3Vstb 5VA R831 100R R831 100R C884 0.1uF C884 0.1uF C867 0.1uF C867 0.1uF C894 0.1uF C894 0.1uF L801 2.2uH L801 2.2uH R808 NC/4.7K R808 NC/4.7K R807� 4.7K R807� 4.7K R853 0 R853 0 V805 3904 V805 3904 R824 NC R824 NC C841 0.1uF C841 0.1uF 1 2 L822 FB_2A L822 FB_2A 2 1 N1 Thermal/NC N1 Thermal/NC EN 1 GND 2 LX 3 GND 5 IN 4 FB 6 N801� SY8009A N801� SY8009A C837 0.1uF C837 0.1uF R814 15 R814 15 C842� 0.1uF C842� 0.1uF V806 3904 V806 3904 C875 10uF/10V C875 10uF/10V C854 0.1uF C854 0.1uF 1 2 L812 FB_3A L812 FB_3A 1 DDR_V DDR_V R811 4.7K R811 4.7K R849 10K R849 10K R802 NC R802 NC R832 10K R832 10K R834 2.7K/1% R834 2.7K/1% V804 3904 V804 3904 R829 1K R829 1K R803 10K 1% R803 10K 1% R850� 1K R850� 1K 1 2 L804 FB L804 FB C865 10uF C865 10uF C886 NC/10uF/10V C886 NC/10uF/10V 1 2 L810 FB_3A L810 FB_3A 1 2 3 V811 3904 V811 3904 R830 1K R830 1K 1 2 L807 FB_3A L807 FB_3A C881 10uF/10V C881 10uF/10V C887 NC/0.1uF C887 NC/0.1uF 3 2 1 4 ADJ OUT IN N808 AMS1117-3.3 ADJ OUT IN N808 AMS1117-3.3 1 BKLT_EN BKLT_EN R852� 47K R852� 47K C883� 10uF C883� 10uF F801 F5A/32V F801 F5A/32V R827 NC/1K R827 NC/1K C826 10nF C826 10nF R842 100K R842 100K R806 33 R806 33 1 PWR-ON/OFF� PWR-ON/OFF� R823 NC R823 NC C846 NC/0.1uF C846 NC/0.1uF R835 100K R835 100K 1 2 3 V810 3904 V810 3904 C879 0.1uF C879 0.1uF 1 BKLT_ADJ� BKLT_ADJ� C857 0.47uF C857 0.47uF + C893 NC/100uF/16V + C893 NC/100uF/16V F803� PTC_1.5A F803� PTC_1.5A C873 0.1uF C873 0.1uF C828 0.1uF C828 0.1uF C844 0.1uF C844 0.1uF C829 0.1uF C829 0.1uF R810 4.7K R810 4.7K C848 10uF C848 10uF S 1 S 2 S 3 G 4 D 8 D 7 D 6 D 5 V803 WPM9435 V803 WPM9435 1 2 L814� NC/FB_3A L814� NC/FB_3A 1 On_Panel� On_Panel� IN 2 GND 4 BS 1 FB 5 COMP 6 EN 7 SS 8 SW 3 N802 FR9888 N802 FR9888 D 1 D 2 D 3 G 4 S 8 S 7 S 6 S 5 V801 WPM9435 V801 WPM9435 R804 10K R804 10K C863 0.1uF C863 0.1uF 1 VCC12V� VCC12V� C840 0.1uF C840 0.1uF C830 10uF C830 10uF R809 100R R809 100R 3 2 1 GND IN OUT N806 WL2004 GND IN OUT N806 WL2004 C888 NC/10uF/10V C888 NC/10uF/10V R801 11K 1% R801 11K 1% C852 10uF/16V C852 10uF/16V C832 10uF C832 10uF + C896 NC/100uF/16V + C896 NC/100uF/16V C864 10uF C864 10uF C847 22uF C847 22uF + C834 220uF + C834 220uF R836 12K/1% R836 12K/1% C845 15pF C845 15pF R851 100K R851 100K C880 10uF C880 10uF L806 10uH L806 10uH V802 NC/WPM3407 V802 NC/WPM3407 C814� 0.1uF C814� 0.1uF R833� 4.7K R833� 4.7K C889 NC/0.1uF C889 NC/0.1uF 1 VCC_Panel VCC_Panel 1 2 L811 FB_3A L811 FB_3A C833 10uF C833 10uF C891 0.1uF C891 0.1uF 1 5Vstb 5Vstb 1 2 L815 FB_4A L815 FB_4A 3 2 1 GND IN OUT N809 NC/WL2004 GND IN OUT N809 NC/WL2004 C885 10uF C885 10uF 1 2 L808 FB_2A L808 FB_2A 1 2 L823 FB_600mA L823 FB_600mA R822 2.2K R822 2.2K R841 47K R841 47K 1 5VA 5VA R828 1K R828 1K 1 2 L825 FB_2A L825 FB_2A C882 10uF C882 10uF 3 2 1 4 ADJ OUT IN N810 AMS1117-2.5 ADJ OUT IN N810 AMS1117-2.5 C892 0.1uF C892 0.1uF C866 0.1uF C866 0.1uF 1 2 L826 FB_600mA L826 FB_600mA 1 2 L816 FB_4A L816 FB_4A C890 10uF C890 10uF C831 3.3nF C831 3.3nF C843 10uF C843 10uF 1 3-3Vstb 3-3Vstb + C858 NC/220uF + C858 NC/220uF 家电维修资料网 5 5 4 4 3 3 2 2 1 1 D D C C B B A A E3P E3N E2P E2N E1P E1N E0P E0N O3P O3N OCKP OCKN O2P O2N O1P O1N O0P O0N On_Panel Strap_IN2 OXTALO OXTALI VCCK VCCK IR_in HDMI_SDA HDMI_SCL HDMI_CEC VCCK OPWRSB Strap_IN0 VCCK RX_C RX_0 RX_0B RX_CB RX_1 RX_1B RX_2 RX_2B Key_in VCCK VDAC_OUT AVDD10_LDO COM GP BP VSYNC RP SOG HSYNC CVBS2 HDMI_HPD U0TX U0RX RF_AGCO Y1P PB1P SOY1 COM1 PR1P CVBS1 VCCK DVDD3V3IO AVDD3V3_PLL AVDD3V3_MEMPLL BL_DIMMING USB_D0P USB_D0M USB_D1M USB_D1P SPDIFO Strap_IN3 DDR_V DDR_V DDR_V DDR_V DDRVREF HDMI_ARC VGASDA MUTE_AMP BL_ON/OFF VGASCL ORESET# VGA_L_In VGA_R_In AVDD3V3_ADAC0 YPbPr_L_In AV1_L_In YPbPr_R_In AV1_R_In IFN IFP HP_R HP_L VCCK DDR_V S_CLK S_D S_Q S_CE AOLRCK Strap_IN1 AOBCK AOSDATA0 SDA SCL SDA SCL U0TX U0RX IFN IFP OPWRSB USB_D1P USB_D1M USB_D0P USB_D0M BL_DIMMING RF_AGC RX_C RX_CB RX_0 RX_0B RX_1 RX_1B RX_2 RX_2B HDMI_SDA HDMI_SCL HDMI_HPD HDMI_CEC BL_ON/OFF ON_Panel VCCK DDR_V AVDD3V3_MEMPLL YPbPr_L_In YPbPr_R_In AV1_L_In AV1_R_In MUTE_AMP PR1P Y1P PB1P VDAC_OUT SOY1 SPDIFO AOMCK AOLRCK HP_R HP_L COM1 CVBS2 CVBS1 AOBCK AOSDATA0 VGASDA VGASCL VGA_L_In VGA_R_In BP GP COM VSYNC RP HSYNC SOG OXTALI OXTALO Key_in LED_R IR_in +3.3VSTB LED_R LED_G KEY-in POWER-ON/OFF-INV IR-in KEY-in IR-in +3.3VSTB LED_R LED_G S_Q WP_VPP S_CLK S_D DV33_SPI S_CE Strap_IN1 Strap_IN0 Strap_IN2 Strap_IN3 AOSDATA0 AOBCK AOMCK AOLRCK AVDD3V3_ADAC0 Key_in LVDS_SEL O0P O0N O1N OCKN O2N OCKP O1P O2P RXOC- RXO2+ RXO2- RXOC+ RXO0- RXO0+ RXO1- RXO1+ RXO3- RXO3+ O3P O3N OD_SEL2/INT_FREE HDMI_ARC POWER-ON/OFF-INV LED_G U0RX U0TX RXO3- RXO3+ LVDS_SEL OD_SEL2/INT_FREE RXO0- RXO0+ RXO1- RXO1+ RXO2- RXO2+ RXOC- RXOC+ LVDS_SEL RF_AGC On_Panel AOMCK S_CE S_Q WP_VPP S_D S_CLK ORESET# DV33_SPI DDR_V STB3V3_XTAL STB3V3 STB3V3_VGA AVDD1V2_HDMI AVDD3V3_HDMI AVDD3V3_USB AVDD1V2_DEMOD AVDD3V3_DEMOD AVDD1V2_RGB AVDD3V3_VDAC AVDD3V3_CVBS AVDD3V3_AADC AVDD3V3_LVDS AVDD1V2_LVDS VCCK AVDD3V3 AVDD3V3 DVDD3V3 AVDD3V3_PLL DVDD3V3IO DDR_V STB3V3_VGA 3.3Vstb STB3V3 STB3V3_XTAL 3.3Vstb 3.3Vstb 3.3Vstb 5Vstb 3.3Vstb 3.3Vstb 3.3Vstb 3.3Vstb DV33_SPI DV33_SPI DVDD3V3 DV33_SPI ADAC_3V3 AVDD3V3_LVDS AVDD1V2_LVDS AVDD3V3 AVDD1V2 VCC_Panel 3V3_P 3V3_P 3V3_P AVDD1V2_RGB AVDD1V2 AVDD3V3_VDAC AVDD3V3 AVDD3V3_AADC AVDD3V3_CVBS AVDD3V3 AVDD3V3 AVDD1V2_HDMI AVDD1V2 AVDD3V3_USB AVDD3V3_HDMI AVDD3V3 AVDD3V3_DEMOD AVDD1V2_DEMOD AVDD3V3 AVDD1V2 3.3VA 3.3Vstb 3.3Vstb VCC_Panel VCC_Panel SDA 5,6 SCL 5,6 U0TX 3 U0RX 3 IFN 6 IFP 6 OPWRSB 1 USB_D1P 4 USB_D1M 4 USB_D0P 4 USB_D0M 4 BL_DIMMING 1 RF_AGC 6 HDMI_SDA 4 HDMI_SCL 4 HDMI_CEC 4 HDMI_HPD 4 RX_2B 4 RX_2 4 RX_1B 4 RX_1 4 RX_0B 4 RX_0 4 RX_CB 4 RX_C 4 BL_ON/OFF 1 ON_Panel 1 YPbPr_L_In 3 YPbPr_R_In 3 AV1_L_In 3 AV1_R_In 3 MUTE_AMP 5 Y1P 3 PB1P 3 PR1P 3 SOY1 3 VDAC_OUT 3 SPDIFO 3 AOMCK 5 AOLRCK 5 HP_L 5 HP_R 5 CVBS1 3 CVBS2 3 COM1 3 AOBCK 5 AOSDATA0 5 VGASCL 3 VGASDA 3 VGA_L_In 3 VGA_R_In 3 VSYNC 3 HSYNC 3 BP 3 SOG 3 GP 3 COM 3 RP 3 HDMI_ARC 4 POWER-ON/OFF-INV 1 RXO0+ 2 RXO1+ 2 RXO0- 2 RXO1- 2 RXO2+ 2 RXOC+ 2 RXO3+ 2 RXOC- 2 RXO3- 2 RXO2- 2 标记 数量 等级 标记 批 准 标准化 工 艺 审 核 拟 制 签名日期 分区单号 数量 签名 单号 分区 标记 日期 第 张 共 张 KONKA <拟制> <审核> <工艺> <标准化> <批准> 04.Main Chip/Bypass Cap 11 2 标记 数量 等级 标记 批 准 标准化 工 艺 审 核 拟 制 签名日期 分区单号 数量 签名 单号 分区 标记 日期 第 张 共 张 KONKA <拟制> <审核> <工艺> <标准化> <批准> 04.Main Chip/Bypass Cap 11 2 标记 数量 等级 标记 批 准 标准化 工 艺 审 核 拟 制 签名日期 分区单号 数量 签名 单号 分区 标记 日期 第 张 共 张 KONKA <拟制> <审核> <工艺> <标准化> <批准> 04.Main Chip/Bypass Cap 11 2 Near IC Near IC USB Interface Tuner/Demod Panel Interface Control/Communication/Other Interface HDMI Interface Near IC Pin AVDD3V3_PLL AVDD3V3_MEMPLL BYPASS CAP SCART/YPBPR Interface Audio Video Input VGA Input STB Power 27MHz CRYSTAL NEAR IC (红) LED_CTRL AND KEY RESET Circuit Near IC Flash MT8227 STRAPPING MODE IIS Near IC NEAR IC NEAR IC LVDS NEAR IC NEAR IC NEAR IC Near IC NEAR IC HDMI/USB Power NEAR IC DEMOD POWER NEAR IC NEAR IC FOR CODE DOWNLOAD AND DEBUGGING UART Port 0 标清FFC C511 0.1uF C511 0.1uF C518 0.1uF C518 0.1uF C530 0.1uF C530 0.1uF C517 4.7uF/10V C517 4.7uF/10V C637 0.1uF C637 0.1uF + C526 NS/100uF/16V + C526 NS/100uF/16V C548 0.1uF C548 0.1uF R506 1K 1% R506 1K 1% C536 10nF C536 10nF C544 NC/22pF C544 NC/22pF C515� 4.7uF/10V C515� 4.7uF/10V R528 4.7K R528 4.7K C516 0.1uF C516 0.1uF 1 2 L512 FB L512 FB 2 4 1 3 RA505 33 2 4 1 3 RA505 33 C520 0.1uF C520 0.1uF 3 1 4 2 RA509 100RX2 3 1 4 2 RA509 100RX2 R633 0 R633 0 3 1 4 2 RA501 4.7KX2 3 1 4 2 RA501 4.7KX2 C528� 0.1uF C528� 0.1uF C115 0.1uF C115 0.1uF R543� 100/NC R543� 100/NC C541 4.7uF C541 4.7uF 1 2 L513 FB L513 FB C537 100pF C537 100pF R516 12K R516 12K C532 NC/0.1uF C532 NC/0.1uF C503 0.1uF C503 0.1uF C523 4.7uF/10V C523 4.7uF/10V C521 0.1uF C521 0.1uF C504 4.7uF C504 4.7uF 1 S_CE S_CE C512 0.1uF C512 0.1uF R523� NC/1K R523� NC/1K R546 1K R546 1K 7 5 3 1 8 6 4 2 RA503 22RX4 7 5 3 1 8 6 4 2 RA503 22RX4 R512 15K/1% R512 15K/1% C638 0.1uF C638 0.1uF R509 33 R509 33 R518 0 R518 0 R645� 0 R645� 0 1 S_Q S_Q C522 0.1uF C522 0.1uF C534 27pF C534 27pF + C506� 100uF/16V + C506� 100uF/16V R547 390R R547 390R C618 0.1uF C618 0.1uF R525 4.7K R525 4.7K R520 10K/1% R520 10K/1% C501� 47nF C501� 47nF 1 ORESET# ORESET# C542 NC/22pF C542 NC/22pF 1 S_CLK S_CLK R140 0 R140 0 R529� 4.7K R529� 4.7K R646� 0 R646� 0 C626 0.1uF C626 0.1uF R542� 0R R542� 0R R505 1K 1% R505 1K 1% C533 27pF C533 27pF 1 S_D S_D C524 0.1uF C524 0.1uF R530 0 R530 0 1 2 L501� FB L501� FB C116 0.1uF C116 0.1uF 1 2 3 4 XS510� D2006-4A XS510� D2006-4A C543 NC/22pF C543 NC/22pF C513� 0.1uF C513� 0.1uF R513� 0/Cost Down R513� 0/Cost Down 1 WP_VPP WP_VPP C502 NC/0.1uF C502 NC/0.1uF C539� 0.1uF C539� 0.1uF C507� 0.1uF C507� 0.1uF C546 NC/0.1uF C546 NC/0.1uF R514 4.7K R514 4.7K R504 4.7K R504 4.7K R531 0 R531 0 1 2 L502 FB L502 FB 1 2 3 4 5 6 7 8 9 10 11 12 13 14 15 16 17 18 19 20 21 22 23 24 25 26 27 28 29 30 31 32 XS502 32Pin XS502 32Pin R554 10K R554 10K C505 1uF C505 1uF C547 100pF C547 100pF C545 NC/22pF C545 NC/22pF R555� 100R R555� 100R C538 0.1uF C538 0.1uF C527 10uF C527 10uF 1 2 3 4 5 6 7 8 9 10 11 12 13 14 15 16 17 18 19 20 21 22 23 24 25 26 27 28 29 30 31 32 XS501 32Pin_FPC XS501 32Pin_FPC C639 NC/1uF C639 NC/1uF C508� 0.1uF C508� 0.1uF 7 5 3 1 8 6 4 2 RA504� 22RX4 7 5 3 1 8 6 4 2 RA504� 22RX4 C636 0.1uF C636 0.1uF C529 0.1uF C529 0.1uF R544 0R R544 0R Z501 27MHz@CL=20pF Z501 27MHz@CL=20pF R545 0R R545 0R 1 2 L511� FB L511� FB R519 1K R519 1K R534 NC/100 R534 NC/100 R501 10K R501 10K GND 1 RESET# 2 VCC 3 N515 NC/APX809-2.93 N515 NC/APX809-2.93 C540� 0.1uF C540� 0.1uF C509 0.1uF C509 0.1uF R517 18K R517 18K R526 4.7K R526 4.7K C627 0.1uF C627 0.1uF C531 0.1uF C531 0.1uF C617 0.1uF C617 0.1uF R502 33 R502 33 R535 NC/0R R535 NC/0R 1 DV33_SPI DV33_SPI R503 33 R503 33 1 3 2 V501 3906 V501 3906 R521 100 R521 100 C510 0.1uF C510 0.1uF 1 2 3 4 5 6 XS645� D2006-6W XS645� D2006-6W R634 0 R634 0 RF_AGCO 1 Boost_PWM 2 BL_ON/OFF 4 BL_DIMMING 3 DVDD3V3 5 Fuse_WR 6 SFCS 7 SFCK 8 SFD0 9 SFD1 10 DDR_V 11 VCCK 12 DDRVRef 13 DDR_V 14 AVDD3V3_MEMPLL 16 VCCK 17 DDR_V 18 DDR_V 15 VCCK 24 JTDO 26 VGA_SDA/JTMS 28 OIRI 30 GPO1/SPDIF 32 U0TX 22 HDMI_SDA 35 HDMI_CEC 37 RX_CB 39 RX_0B 41 GP 58 BP 56 VSYNC 54 AVDD10_LDO 52 DDR_V 19 OSDA0 20 OSCL0 21 STB3V3 33 ADIN4 49 AVDD1V2_HDMI 47 RX_2B 45 COM 59 YP 62 PBP 64 AVSS1V2_RGB 67 VCCK 70 RX_1B 43 AVDD3V3_CVBS 72 SY 74 AVDD1V2_DEMOD 76 IFN 79 AVSS3V3_DEMOD 81 STB3V3_XTAL 84 AIN1_L 86 ADIN0 50 AVDD3V3_AADC 88 AIN1_R 90 U0RX 23 JTRST# 25 JTCK 27 VGA_SCL/JTDI 29 OPWRSB 31 AVSS1V2_DEMOD 77 HDMI_HPD 34 HDMI_SCL 36 AVDD3V3_HDMI 38 VMID_ADAC 92 ALine out_R 98 AVSS33 93 VDAC_OUT 69 RX_C 40 RX_0 42 SOG 57 HSYNC 55 STB3V3_VGA 53 ORESET# 51 VCCK 48 RP 60 RX_2 46 RX_1 44 SOY 61 COM1 63 AVDD1V2_RGB 66 AVDD3V3_VDAC 68 OXTALO 83 AVDD3V3_PLL 71 SC 73 CVBSP 75 IFP 78 AVDD3V3_DEMOD 80 OXTALI 82 AIN2_R 91 AIN0_L 85 AIN2_L 87 AIN0_R 89 OCKN 120 O2P 121 O3N 118 PRP 65 AVSS3V3_ADAC 95 HP_L 97 HP_R 99 ALine out_L 96 VCCK 100 D0M 101 D0P 102 AVDD3V3_ADAC 94 D1M 104 AVDD3V3_USB 103 E0N 115 E0P 114 E1N 113 D1P 105 O3P 117 E1P 112 E3N 109 E2P 110 E2N 111 E3P 108 AVDD1V2_LVDS 107 VCCK 106 OCKP 119 O2N 122 O1P 123 O1N 124 O0P 125 O0N 126 LVDS_CTRL0 127 LVDS_PWR_CTRL 128 AVDD3V3_LVDS 116 E-PAD 129 N501 8227 N501 8227 R507 10K R507 10K C535 NC/0.1uF C535 NC/0.1uF C519 0.1uF C519 0.1uF R527 4.7K R527 4.7K 3 1 4 2 RA502 100RX2 3 1 4 2 RA502 100RX2 C514� 4.7uF/10V C514� 4.7uF/10V R141 0 R141 0 R508 33 R508 33 1 2 L503 FB L503 FB R522 4.7K R522 4.7K CS# 1 S_Q 2 W#/VPP 3 VSS 4 S_D 5 SCLK 6 HOLD# 7 VCC 8 N506 MX25L3206E-12G N506 MX25L3206E-12G C525 0.1uF C525 0.1uF 家电维修资料网 5 5 4 4 3 3 2 2 1 1 D D C C B B A A COM1 PR1P SOY1 Y1P PB1P CVBS2 CVBS1 CVBS_1 CVBS1 AV1_L_In AV1_R_In YPbPr_L_In YPbPr_R_In AV1_R_In AV1_L_In AV1R_IN AV1_IN VDAC_OUT HP_MUTE HPOUT_L HPOUT_R PR_IN_1 Y_IN_1 PB_IN_1 YPbPr_R_In YPbPr_L_In AV2_IN AV2_IN COM_1 CVBS_2 CVBS2 YPbPrR_IN SOY1 SOY_1 Y1P COM1 PB_IN_1 PB1 PR1P PR1 PR_IN_1 Y_IN_1 PB1P Y1 VDAC_OUT AV1L_IN VGASCL VGASDA BP GP COM VSYNC RP HSYNC SOG VGA_L_In VGA_R_In SPDIFO VSYNC# VGASDA VGASDA U0TX U0RX U0RX VGASCL VGASCL U0TX RED GRN BLU HSYNC# HSYNC# VSYNC# VSYNC HSYNC RED GP COM SOG GRN BP RP BLU AV_OUT AV_OUT YPbPrL_IN PR_IN_1 PB_IN_1 Y_IN_1 AV_OUT AV1R_IN AV1L_IN AV1_IN YPbPrL_IN YPbPrR_IN 5Vstb 5VA 5VA CVBS1 2 CVBS2 2 SOY1 2 Y1P 2 PB1P 2 COM1 2 PR1P 2 AV1_L_In 2 AV1_R_In 2 YPbPr_L_In 2 YPbPr_R_In 2 VDAC_OUT 2 HP_MUTE 2 HPOUT_R 2 HPOUT_L 2 VGASDA 2 VGASCL 2 VSYNC 2 HSYNC 2 BP 2 SOG 2 GP 2 COM 2 RP 2 VGA_L_In 2 VGA_R_In 2 SPDIFO 2 U0TX 4,5 U0RX 4,5 HPOUT_R HPOUT_L HP_MUTE 标记 数量 等级 标记 批 准 标准化 工 艺 审 核 拟 制 签名日期 分区单号 数量 签名 单号 分区 标记 日期 第 张 共 张 KONKA <拟制> <审核> <工艺> <标准化> <批准> 06. AV/YPbPr 11 3 标记 数量 等级 标记 批 准 标准化 工 艺 审 核 拟 制 签名日期 分区单号 数量 签名 单号 分区 标记 日期 第 张 共 张 KONKA <拟制> <审核> <工艺> <标准化> <批准> 06. AV/YPbPr 11 3 标记 数量 等级 标记 批 准 标准化 工 艺 审 核 拟 制 签名日期 分区单号 数量 签名 单号 分区 标记 日期 第 张 共 张 KONKA <拟制> <审核> <工艺> <标准化> <批准> 06. AV/YPbPr 11 3 Video Input Audio NEARLY CONNECTOR AV1 Audio Input NEARLY CONN. NEAR IC NEARLY IC SCART Interface ESD NEARLY IC NEAR IC AV2 Video Input NEARLY CONNECTOR YPbPr Audio Input NEARLY CONN. NEARLY IC NEARLY YPBPR CON. YPbPr & AV2 Input VGA Input VGA CONNECTOR NEARLY CONN. NEARLY VGA CONN. NEARLY IC VGA Audio Input 借用YPbPr 的Audio 恒流源 YPbPr&AV2&VGA INPUT VGA后出 AV1 INPUT AV1 Input R643 100 R643 100 R670� 12K R670� 12K R653 0 R653 0 C611 2.2uF C611 2.2uF C614 2.2uF C614 2.2uF R627 0/Cost Down R627 0/Cost Down R615 10K R615 10K C645 NC/560pF C645 NC/560pF R609 56 R609 56 R612 100 R612 100 R644 100 R644 100 R672 10K R672 10K R654 0 R654 0 R605 18 R605 18 C604 10nF C604 10nF C635 10nF C635 10nF R602� 0 ohm R602� 0 ohm R617 100 R617 100 6 4 1 3 5 2 XS608 ypbpr XS608 ypbpr R614 100 R614 100 C629 10pF C629 10pF R610� 56 R610� 56 R667 NC/3.9K R667 NC/3.9K R606 18 R606 18 C602 1.5nF C602 1.5nF C607 10pF C607 10pF R659� NC/100 R659� NC/100 R626 100 R626 100 R625� 100 R625� 100 R668� 12K R668� 12K R658 12K R658 12K R661 NC/470 R661 NC/470 C623 NS/5pF C623 NS/5pF R618 75 R618 75 C628 10pF C628 10pF 6 4 1 3 5 2 7 XS616 AV3 XS616 AV3 C648 NC/560pF C648 NC/560pF R664 0R/NC R664 0R/NC C619 220pF C619 220pF R632 75 R632 75 R619 100 R619 100 V604 NC/3906 V604 NC/3906 C634 10nF C634 10nF C605 10nF C605 10nF R642 100 R642 100 R604� 0 ohm R604� 0 ohm R666 NC/1.2K R666 NC/1.2K R620 10K R620 10K 1 2 3 V600 NC/3904 V600 NC/3904 C622 NS/5pF C622 NS/5pF R635� 0 ohm/Cost Down R635� 0 ohm/Cost Down C631 10nF C631 10nF R669� 12K R669� 12K R611 100 R611 100 R601 0 ohm R601 0 ohm R639 75 R639 75 R671 10K R671 10K 3 1 4 2 RA601 4.7KX2 3 1 4 2 RA601 4.7KX2 C612 2.2uF C612 2.2uF C615 2.2uF C615 2.2uF C609 NC/47pF C609 NC/47pF R628 0/Cost Down R628 0/Cost Down R637 0 ohm/Cost Down R637 0 ohm/Cost Down C608 10pF C608 10pF R640 75 R640 75 2 1 XS620� AV out XS620� AV out C642 NC/10uF/10V C642 NC/10uF/10V C647 NC/560pF C647 NC/560pF R624 10K R624 10K C601 10pF C601 10pF R641 100 R641 100 R665 NC/33R R665 NC/33R C646� NC/560pF C646� NC/560pF R608� 56 R608� 56 R621 10K R621 10K 3 1 4 2 RA602 100KX2 3 1 4 2 RA602 100KX2 C603 10nF C603 10nF R613 100 R613 100 R636� 0 ohm/Cost Down R636� 0 ohm/Cost Down R660� NC/10K R660� NC/10K R607 18 R607 18 R603� 0 ohm R603� 0 ohm C613 47pF C613 47pF R616 10K R616 10K R663 NC/100 R663 NC/100 R622� 0 ohm R622� 0 ohm C610 47nF C610 47nF R657 NC/75R R657 NC/75R 1 2 VD402 5.6V VD402 5.6V C630 10pF C630 10pF C644� NC/10uF/10V C644� NC/10uF/10V 2 3 4 1 5 XS607 AUDIO_out XS607 AUDIO_out C643 NC/0.1uF C643 NC/0.1uF C620 220pF C620 220pF R623 10K R623 10K 1 2 3 V603 NC/3904 V603 NC/3904 L601 2.2uH_0.05A L601 2.2uH_0.05A R662 NC/10K R662 NC/10K C632 1.5nF C632 1.5nF C606 10nF C606 10nF C633 10nF C633 10nF C616 47nF C616 47nF 5 4 2 3 6 7 1 XS606 HEADPHONE XS606 HEADPHONE 1 2 3 5 4 6 N602 IP4223CZ6 N602 IP4223CZ6 R638 75 R638 75 16 17 1 2 3 4 5 6 7 8 9 10 11 12 13 14 15 XS605 D-SUB XS605 D-SUB 家电维修资料网 A A A A RX_CB RX_C RX_1B RX_1 RX_2B RX_2 RX_0B RX_0 HDMI_HPD HDMI_PLUGPWR PWR5V RX_C RX_CB RX_0 RX_0B RX_1 RX_1B RX_2 RX_2B HDMI_SDA HDMI_SCL HDMI_HPD HDMI_CEC USB_D1P USB_D1M USB_D0P USB_D0M PWR5V HDMI_CEC VBUS HDMI_SCL HDMI_SDA VBUS2 VBUS1 D1P D1M USB_D1P USB_D1M HDMI_ARC ARC HDMI_ARC ARC USB_D0P USB_D0M D0M D0P D0P D1M D1P D0M HDMI_PLUGPWR HDMI_PLUGPWR 3.3Vstb 5VA 3.3Vstb HDMI_SDA 2 HDMI_SCL 2 HDMI_CEC 2 HDMI_HPD 2 RX_2B 2 RX_2 2 RX_1B 2 RX_1 2 RX_0B 2 RX_0 2 RX_CB 2 RX_C 2 USB_D1P 2 USB_D1M 2 USB_D0P 2 USB_D0M 2 HDMI_ARC 2 标记 数量 等级 标记 批 准 标准化 工 艺 审 核 拟 制 签名日期 分区单号 数量 签名 单号 分区 标记 日期 第 张 共 张 KONKA <拟制> <审核> <工艺> <标准化> <批准> 08. HDMI/USB 11 4 标记 数量 等级 标记 批 准 标准化 工 艺 审 核 拟 制 签名日期 分区单号 数量 签名 单号 分区 标记 日期 第 张 共 张 KONKA <拟制> <审核> <工艺> <标准化> <批准> 08. HDMI/USB 11 4 标记 数量 等级 标记 批 准 标准化 工 艺 审 核 拟 制 签名日期 分区单号 数量 签名 单号 分区 标记 日期 第 张 共 张 KONKA <拟制> <审核> <工艺> <标准化> <批准> 08. HDMI/USB 11 4 USB PORT HDMI port HDMI Interface Internal EDID,Sink_HPD_True of CDF File Select "Power On" USB Interface Near Connector HDMI Power Detect and HPD control flow: 1. HDMI_HPD use as GPI. 2. RX detect High (5V detected) 3. Set HDMI_HPD as GPO for HDMI Hot plug. CU04 NS/10pF CU04 NS/10pF RU02 0R RU02 0R R656 82 R656 82 R651 1K R651 1K 4 3 2 1 5 6 7 4 3 2 1 XSU02� USB V Connector 4 3 2 1 XSU02� USB V Connector R649 10K R649 10K CU13� 0.1uF CU13� 0.1uF CU05� NS/10pF CU05� NS/10pF CU10 10uF/10V CU10 10uF/10V R647 NS/27K R647 NS/27K R650 47K R650 47K RU03 0R RU03 0R CU06� NS/10pF CU06� NS/10pF FU01� PTC_1.5A FU01� PTC_1.5A + CU01 220uF/16V + CU01 220uF/16V 2 1 VD604 NC/1N4148 VD604 NC/1N4148 R648 100 R648 100 RU04 0R RU04 0R RU01 0R RU01 0R C641 1uF C641 1uF R652 100K R652 100K 3 1 4 2 RA603�100RX2 3 1 4 2 RA603�100RX2 1 2 3 V601 3904 V601 3904 R677 10K R677 10K DATA2+ 1 DATA2 SHIELD 2 DATA2- 3 DATA1+ 4 DATA1 SHIELD 5 DAT1A- 6 DATA0+ 7 DATA0 SHIELD 8 DATA0- 9 CLK+ 10 CLK SHIELD 11 CLK- 12 CEC 13 NC 14 SCL 15 SDA 16 DDC/CEC GND 17 +5V POWER 18 HOT PLUG 19 GND1 20 GND2 21 GND3 22 XS601� HDMI XS601� HDMI R655 180 R655 180 CU02 10uF/10V CU02 10uF/10V 1 2 3 5 6 4 NU01 IP4223CZ6 NU01 IP4223CZ6 1 2 3 V602� 3904 V602� 3904 CU03 NS/10pF CU03 NS/10pF CU12� 0.1uF CU12� 0.1uF 4 3 2 1 5 6 7 4 3 2 1 XSU01 USB V Connector 4 3 2 1 XSU01 USB V Connector R678 10K R678 10K 家电维修资料网 5 5 4 4 3 3 2 2 1 1 D D C C B B A A MUTE_AMP HP_R HP_L HPOUT_R HPOUT_L HPOL HP_R HP_L HPOR AMP_EN Rout+ Rout- Lout- AOSDATA0 AOLRCK AOBCK AOMCK PLL_FILT AMP_EN SCL SDA AMP_RESET Lout+ SCL SDA HPOUT_L HPOUT_R HP_MUTE PLL_FILT AMP_Rout+ AMP_Rout- AMP_Lout+ AMP_Lout- Lout+ Rout+ HP_MUTE MUTE_AMP AMP_RESET Lout- Rout- AOMCK AOLRCK AOBCK AOSDATA0 AMP_RESET 3.3Vstb AMP_12V 3.3VA 3.3VA 3.3VA AMP_12V 3.3VA 3.3VA +12V 3.3Vstb AMP_12V +12V 3.3VA MUTE_AMP 2 HP_L 2 HP_R 2 SCL 2,6 SDA 2,6 HPOUT_R 3 HPOUT_L 3 HP_MUTE 3 AOMCK 2 AOLRCK 2 AOBCK 2 AOSDATA0 2 标记 数量 等级 标记 批 准 标准化 工 艺 审 核 拟 制 签名日期 分区单号 数量 签名 单号 分区 标记 日期 第 张 共 张 KONKA <拟制> <审核> <工艺> <标准化> <批准> 09. Speaker/HP/Line out/Mute 11 5 标记 数量 等级 标记 批 准 标准化 工 艺 审 核 拟 制 签名日期 分区单号 数量 签名 单号 分区 标记 日期 第 张 共 张 KONKA <拟制> <审核> <工艺> <标准化> <批准> 09. Speaker/HP/Line out/Mute 11 5 标记 数量 等级 标记 批 准 标准化 工 艺 审 核 拟 制 签名日期 分区单号 数量 签名 单号 分区 标记 日期 第 张 共 张 KONKA <拟制> <审核> <工艺> <标准化> <批准> 09. Speaker/HP/Line out/Mute 11 5 Audio MUTE Circuit Audio Control Headphone output Close to Mainchip 200mS HI = > MUTE LO = > UN-MUTE 8欧姆喇叭 Audio AMP C227 NC/0.1uF C227 NC/0.1uF R240 NC/6.2 R240 NC/6.2 R586 10K R586 10K C256 2200pF/25V C256 2200pF/25V C248 NC/0.1uF C248 NC/0.1uF R235 10/Cost Down R235 10/Cost Down C241 100pF C241 100pF 1 2 3 4 XS201� D2006-4W XS201� D2006-4W R232 NC/47K R232 NC/47K 1 3 2 C C D ESD VD605 PESD3V3L2BT C C D ESD VD605 PESD3V3L2BT C255 1nF C255 1nF C210 10uF C210 10uF R201 150 R201 150 R203 NC/390 R203 NC/390 R236 10/Cost Down R236 10/Cost Down R231� NC/47K R231� NC/47K C215 10uF C215 10uF C224� NC/470pF C224� NC/470pF R238 22 R238 22 R227 NC/47 R227 NC/47 R234� NC/6.2 R234� NC/6.2 1 3 2 V214 3904 V214 3904 C212 0.1uF C212 0.1uF R214 NC/4.7K R214 NC/4.7K 1 2 L228 FB L228 FB L204 10uH L204 10uH C226 NC/470pF C226 NC/470pF C209� 0.1uF C209� 0.1uF C244� NC/0.1uF C244� NC/0.1uF 1 2 L214 FB L214 FB GND 1 RESET# 2 VCC 3 N205 APX809-2.93 N205 APX809-2.93 C249 NC/0.1uF C249 NC/0.1uF C228 NC/0.1uF C228 NC/0.1uF C216 0.1uF C216 0.1uF 3 1 4 2 RA201 100RX2 3 1 4 2 RA201 100RX2 3 1 4 2 RA202 4.7KX2 3 1 4 2 RA202 4.7KX2 C257 2200pF/25V C257 2200pF/25V C253 1nF C253 1nF 1 2 L225� FB L225� FB C242 680pF C242 680pF R213 4.7K R213 4.7K C222 0.1uF C222 0.1uF C237 0.1uF C237 0.1uF R229 3R3 R229 3R3 R222� 10K R222� 10K C217 10uF C217 10uF C258 2200pF/25V C258 2200pF/25V + C238 220uF/16V + C238 220uF/16V C245� NC/0.1uF C245� NC/0.1uF C247 NC/0.1uF C247 NC/0.1uF C250 330pF C250 330pF C236 0.1uF C236 0.1uF R237 NC/6.2 R237 NC/6.2 1 2 L226 FB L226 FB C254� 2200pF/25V C254� 2200pF/25V R228 NC/47 R228 NC/47 C223 0.1uF C223 0.1uF TEST_MODE 3 VSS 4 GND_SUB 1 SA 2 VCC2 8 GND2 7 VCC_REG 5 OUT2B 6 GND1 12 VCC1 11 OUT1B 10 OUT2A 9 BICKI 28 XTI 27 PLL_GND 26 Filter_PLL 25 LRCKI 29 SDI 30 RESET 31 INT_LINE 32 SDA 33 SCL 34 GND_DIG 35 VDD_DIG 36 OUT1A 13 GND_REG 14 VDD 15 CONFIG 16 NC 17 NC 18 VDD_PLL 24 PWRDN 23 GND_DIG 22 VDD_DIG 21 NC 20 NC 19 STA333W N202� STA333W N202� R239 NC/6.2 R239 NC/6.2 R225 0R R225 0R 1 3 2 V217 3904 V217 3904 C235 NC/0.1uF C235 NC/0.1uF R230 2K2 R230 2K2 R233 22 R233 22 C251 NC/0.1uF C251 NC/0.1uF R221 3R3 R221 3R3 R241 NC/10K R241 NC/10K C246 NC/0.1uF C246 NC/0.1uF 1 2 L223 FB L223 FB R224 0R/20K R224 0R/20K L207 10uH L207 10uH C240 4.7nF C240 4.7nF + C239 220uF/16V + C239 220uF/16V R216 4.7K R216 4.7K + C234� 220uF/16V + C234� 220uF/16V C252 NC./0.1uF C252 NC./0.1uF L206 10uH L206 10uH C213 0.1uF C213 0.1uF L205 10uH L205 10uH C243 330pF C243 330pF R226 0R/20K R226 0R/20K 1 2 L227� FB L227� FB R223 1K R223 1K R217 4.7K R217 4.7K R242 NC/0R R242 NC/0R 1 2 L224 FB L224 FB + C233 220uF/16V + C233 220uF/16V 家电维修资料网 5 5 4 4 3 3 2 2 1 1 D D C C B B A A SDA SCL IFN IFP RF_AGC IFN IFP DIF1_OUT1 DIF1_OUT2 TUNER-SDA TUNER-SCL SCL SDA DIF1_OUT1 DIF1_OUT2 RF_AGC 3.3V_Tuner 3.3V_Tuner 3.3V_Tuner 3.3V_Tuner 3.3V_Tuner 3.3V_Tuner 3.3V_Tuner 3.3V_Tuner 3.3V_Tuner 3.3V_Tuner 3.3V_Tuner 3.3V_Tuner 3.3V_Tuner 5VA SDA 2,5 SCL 2,5 IFN 2 IFP 2 RF_AGC 2 标记 数量 等级 标记 批 准 标准化 工 艺 审 核 拟 制 签名日期 分区单号 数量 签名 单号 分区 标记 日期 第 张 共 张 KONKA <拟制> <审核> <工艺> <标准化> <批准> 11.Tuner 11 6 标记 数量 等级 标记 批 准 标准化 工 艺 审 核 拟 制 签名日期 分区单号 数量 签名 单号 分区 标记 日期 第 张 共 张 KONKA <拟制> <审核> <工艺> <标准化> <批准> 11.Tuner 11 6 标记 数量 等级 标记 批 准 标准化 工 艺 审 核 拟 制 签名日期 分区单号 数量 签名 单号 分区 标记 日期 第 张 共 张 KONKA <拟制> <审核> <工艺> <标准化> <批准> 11.Tuner 11 6 Different signal ,keep the same trace width ,space and gnd shielding on top layer IF-BPF Tuner/Demod Closed to Tuner Closed to IC pin1 pin16 pin27 pin35 3.3V_Tuner的滤波电容 RF端子后出 TUNER POWER R149 0 R149 0 C131 10uF/16V C131 10uF/16V 3 2 1 4 ADJ OUT IN N807 AMS1117-3.3 ADJ OUT IN N807 AMS1117-3.3 1 2 L131 FB_600mA L131 FB_600mA 1 2 L132 FB_600mA L132 FB_600mA C105 150pF 50V 5% C105 150pF 50V 5% C109 33pF 50V 5% C109 33pF 50V 5% 1 2 L129 FB_600mA L129 FB_600mA 1 2 L133 FB_600mA L133 FB_600mA L126� 2.2nH 1000mA +/- 0.2nH L126� 2.2nH 1000mA +/- 0.2nH 1 2 L827 FB_2A L827 FB_2A C130 100uF/16V C130 100uF/16V 3 1 4 2 RA520 NC/4.7KX2 3 1 4 2 RA520 NC/4.7KX2 C150 47pF C150 47pF 1 2 L134 FB_600mA L134 FB_600mA 3 1 4 2 RA517 100RX2 3 1 4 2 RA517 100RX2 R157 100 R157 100 L809 10uH L809 10uH C117 1uF C117 1uF 1 2 L135 FB_600mA L135 FB_600mA 1 2 L127 FB_600mA L127 FB_600mA C126� 0.1uF C126� 0.1uF C114 0.22uF C114 0.22uF C148� 47pF C148� 47pF C132 0.47uF C132 0.47uF R161 200 R161 200 C113� 6.8nF 50V 10% C113� 6.8nF 50V 10% 1 2 L136 FB_600mA L136 FB_600mA L107 330nH/180nH 140mA 5% L107 330nH/180nH 140mA 5% C112 47nF C112 47nF C136 47nF C136 47nF R159 0 R159 0 C878 10uF C878 10uF C121 10nF C121 10nF 1 2 L128 FB_600mA L128 FB_600mA R158 100 R158 100 C137 47nF C137 47nF C102 120pF/100V/5% C102 120pF/100V/5% R160 0 R160 0 C134 47nF C134 47nF C110 2.7nF 50V 10% C110 2.7nF 50V 10% C138 10pF C138 10pF C120 1uF C120 1uF L108 220nH 120mA 5% L108 220nH 120mA 5% C108 100nF 16V 10% C108 100nF 16V 10% R148 0 R148 0 C877 0.1uF C877 0.1uF C111 0.22uF C111 0.22uF C149 47pF C149 47pF 5 4 3 2 1 XS100 IEC Female XS100 IEC Female R181 0 R181 0 L124 100nH_150mA_+/-5% L124 100nH_150mA_+/-5% R179 430R R179 430R C118 22pF C118 22pF 1 2 L824 FB_2A L824 FB_2A C103 120pF/100V/5% C103 120pF/100V/5% L123 8.2nH_110mA_+/-0.1nH L123 8.2nH_110mA_+/-0.1nH R180 10K R180 10K C106 33pF 50V 5% C106 33pF 50V 5% C876 10uF C876 10uF C135 100pF C135 100pF GNDSYNT 18 VTUNE 19 CP 20 XTOUT1 21 XTOUT2 22 CAPREGVCO 17 IFP 25 GNDIF 26 V_IF_AGC 28 VCCIF 27 IRQ 30 V_Sync 29 DGND 23 IFN 24 VHFSupply 31 VHFL 32 VCCRF 1 RFin 2 NC 3 NC 4 DGND 5 AS_XTSEL 6 DGND 7 TEST1 8 TEST2 9 DGND 10 SCL 11 DGND 13 XtalP 14 SDA 12 XtalN 15 VCCSYN 16 CapRFAGC 40 RF_AGC_sense 39 UHFH 38 UHFSupply 37 UHFL 36 VCCRF 35 VHFH 34 VHFSense 33 GNDIF 41 N110 TDA18273 N110 TDA18273 C147� 47pF C147� 47pF C874 0.1uF C874 0.1uF C104 82pF/50V 5% C104 82pF/50V 5% C895 10uF C895 10uF 1 3-3V_Tuner 3-3V_Tuner C119 22pF C119 22pF Z100 16MHz Z100 16MHz R182 0R R182 0R L125� 2.4nH_220mA_+/-0.05nH L125� 2.4nH_220mA_+/-0.05nH 家电维修资料网 5 5 4 4 3 3 2 2 1 1 D D C C B B A A Title Size Document Number Rev Date: Sheet of MediaTek Inc.TEL:(03)567-0766 FAX:(03)578-7610 No.1-2, Innovation Rd 1, SBIP, Hsin-Chu City 300 Drawn 0.1 C 7 11 Wednesday, September 12, 2012 Placement/Sys Flow MediaTek Confidential Max Yang Title Size Document Number Rev Date: Sheet of MediaTek Inc.TEL:(03)567-0766 FAX:(03)578-7610 No.1-2, Innovation Rd 1, SBIP, Hsin-Chu City 300 Drawn 0.1 C 7 11 Wednesday, September 12, 2012 Placement/Sys Flow MediaTek Confidential Max Yang Title Size Document Number Rev Date: Sheet of MediaTek Inc.TEL:(03)567-0766 FAX:(03)578-7610 No.1-2, Innovation Rd 1, SBIP, Hsin-Chu City 300 Drawn 0.1 C 7 11 Wednesday, September 12, 2012 Placement/Sys Flow MediaTek Confidential Max Yang FR9886 +1.2V_VDDC 1.4A 360mA 3.3V_Tuner 1117 3.3V 360mA 360mA WL2004 WL2004 3.3V_DAC(200mA) 3.3V_VDD(200mA) 400mA 900mA 2.5A +12V 5Vstb WL2004 3.3Vstb 9435 5VA 1117 3.3V 3.3V 1117 2.5V +2.5V_DDR +5VUSB 9435 VCC-Panel 12VAMP MT8227 300mA 400mA 2.06A 50mA 1.5A_PTC 50mA DDR 800mA FR9888 硅Tuner 300mA 1A 家电维修资料网 D C B A +100V FAULT VCC12V BKLT_ADJ BKLT_EN 标记数量 签名 更改单号 日期 11 审核 拟制 32寸一体机背光驱动 标记数量 签名 更改单号 日期 11 审核 拟制 32寸一体机背光驱动 标记数量 签名 更改单号 日期 11 审核 拟制 32寸一体机背光驱动 C753 10u/400V C753 10u/400V L702 470uH/0.72A L702 470uH/0.72A R713 10k/0805 R713 10k/0805 R723 4.7Ω/0805 R723 4.7Ω/0805 R755� 150k/0805 R755� 150k/0805 R720 10k/0805 R720 10k/0805 R709 2.2M/0805 R709 2.2M/0805 R716 N.C. R716 N.C. R704 10k/0805 R704 10k/0805 1 2 3 VD721 BAV70 VD721 BAV70 V751� 1.5A400V V751� 1.5A400V 1 TP-BKLT_ADJ TP-BKLT_ADJ 1 TP-LED+188V� TP-LED+188V� R758 4.3Ω/0805 R758 4.3Ω/0805 R757 10Ω0805 R757 10Ω0805 C703 0.1uF/0805 C703 0.1uF/0805 C709 0.1uF/0805 C709 0.1uF/0805 C706 0.1uF/0805 C706 0.1uF/0805 L2 0805 L2 0805 1 2 L750 L750 1 LED1- 2 2 3 LED1+ 4 4 5 LED2- 6 6 7 LED2+ XS702 7PIN-2.0mm XS702 7PIN-2.0mm C723 100pF/0805 C723 100pF/0805 L3 0805 L3 0805 R708� 33k/0805 R708� 33k/0805 L4 0805 L4 0805 C722 100pF/0805 C722 100pF/0805 R731 10k/0805 R731 10k/0805 1 TP-BKLT_EN TP-BKLT_EN R759 4.7Ω/0805 R759 4.7Ω/0805 C705� 1nF/0805 C705� 1nF/0805 1 2 L751 L751 UVLS 1 VCC 2 ENA 3 VREF 4 RT 5 PWM 6 ADIM 7 TIMER 8 SSTCMP 9 ISEN 10 PROT 11 ISW 12 OVP 13 GND 14 DRV 15 FAULT 16 N701 OZ9902C N701 OZ9902C R700 0R/0805 R700 0R/0805 L701 470uH/0.72A L701 470uH/0.72A C755 472/1kV C755 472/1kV C708� 1uF/0805 C708� 1uF/0805 L1 0805 L1 0805 R763 150k/0805 R763 150k/0805 L703 470uH/0.72A L703 470uH/0.72A 1 2 3 VD757 BAV70 VD757 BAV70 R764� 4.7Ω/0805 R764� 4.7Ω/0805 R760 N.C. R760 N.C. V701 5A400V V701 5A400V R714 1Ω/1206 R714 1Ω/1206 VD752� SB2200 VD752� SB2200 R707 10k/0805 R707 10k/0805 R761 N.C. R761 N.C. R721 10Ω/0805 R721 10Ω/0805 C711 1000pF/0805 C711 1000pF/0805 R715 4.7Ω/1206 R715 4.7Ω/1206 R701 1M/0805 R701 1M/0805 C704 0.1uF/0805 C704 0.1uF/0805 R706 10k/0805 R706 10k/0805 R703 10Ω/0805 R703 10Ω/0805 VD751 SB2200 VD751 SB2200 C707 1uF/0805 C707 1uF/0805 C712 470nF/0805 C712 470nF/0805 R705 10k/0805 R705 10k/0805 R702 120k/0805 R702 120k/0805 R756 3.3k/0805 R756 3.3k/0805 R722 2k/0805 R722 2k/0805 C724 100pF/0805 C724 100pF/0805 R762� 10k/0805 R762� 10k/0805 家电维修资料网 D D C C B B A A +100V VCC12V VCC12V POWER-ON/OFF-INV 签名 批 准 标准化 审 核 拟 制 日期 第 张 共 张 更改单号 数量 标记 阶段标记 外销32寸一体机电源 KONKA 2 1 签名 批 准 标准化 审 核 拟 制 日期 第 张 共 张 更改单号 数量 标记 阶段标记 外销32寸一体机电源 KONKA 2 1 签名 批 准 标准化 审 核 拟 制 日期 第 张 共 张 更改单号 数量 标记 阶段标记 外销32寸一体机电源 KONKA 2 1 100V/0.3A 3.5A L N Option 可选 VD902 CHR208 VD902 CHR208 VD903 CHR208 VD903 CHR208 CX901� 275Vac-224 CX901� 275Vac-224 ! R905 1.5M/1206 R905 1.5M/1206 CY903 N.C. CY903 N.C. CX902 275Vac224 CX902 275Vac224 CW923 4.7uF/50V CW923 4.7uF/50V CW912 100pF/1kV CW912 100pF/1kV R964 1k0805 R964 1k0805 CW973� 1uF/0805 CW973� 1uF/0805 CW916 104/0805 CW916 104/0805 R904� 1.5M/1206 R904� 1.5M/1206 CY905 400Vac-220pF CY905 400Vac-220pF RW927 N.C. RW927 N.C. VDW952 HER3007G VDW952 HER3007G ! CW920 22uF/50V CW920 22uF/50V RW917 33k1206 RW917 33k1206 ! C965� 104 C965� 104 ! VD901 CHR208 VD901 CHR208 1 3 2 VW921 4160 VW921 4160 RW920 2.7Ω/1206 RW920 2.7Ω/1206 ! RW932 2.7k/0805 RW932 2.7k/0805 VW901 10N60L-B VW901 10N60L-B CY906� 400Vac-220pF CY906� 400Vac-220pF RW915 10k/0805 RW915 10k/0805 CW968� 22uF/250V CW968� 22uF/250V VDW920 FR104 VDW920 FR104 ! RW901 1.5M/0805 RW901 1.5M/0805 R930 10k/0805 R930 10k/0805 RW970 30k/0805 RW970 30k/0805 1 2 4 3 NW952 PC817B NW952 PC817B CW965� 470uF/25V CW965� 470uF/25V ! VDW928 6.8V VDW928 6.8V CY904� N.C. CY904� N.C. ! ! CW966 470uF/25V CW966 470uF/25V RW982 1k/0805 RW982 1k/0805 1 2 3 VD964 BAV70 VD964 BAV70 1 2 3 VDW913� BAV70 VDW913� BAV70 RW913 4.7Ω/0805 RW913 4.7Ω/0805 1 2 3 VW971 3904 VW971 3904 ! 1 4 3 2 L901 100uH L901 100uH RW978 10k/0805 RW978 10k/0805 RW903 1.5M/0805 RW903 1.5M/0805 ! 1 TP-POWER-ON/OFF TP-POWER-ON/OFF 1 TP-VCC16V TP-VCC16V CW953 471pF/2kV CW953 471pF/2kV VD963 B13V VD963 B13V R903 1.5M/1206 R903 1.5M/1206 R906 1.5M/1206 R906 1.5M/1206 1 TP-12V� TP-12V� CW911 472/1kV CW911 472/1kV CW979 N.C. CW979 N.C. VINS 1 FB 2 CS 3 GND 4 GATE 5 VDD 6 NC 7 HV 8 NW907� FAN6755W NW907� FAN6755W ! ! 6 1 2 4 11 9 10 8 3 5 7 12 TW901 PQ3219 TW901 PQ3219 VDW921 18V VDW921 18V VD904 CHR208 VD904 CHR208 2 3 1 NW951 TL431 NW951 TL431 RW974 1MΩ/0805(100k/0805) RW974 1MΩ/0805(100k/0805) 2 1 RW912 0.33Ω/1W RW912 0.33Ω/1W RW973 6.8k/0805 RW973 6.8k/0805 RW905 1.5M/0805 RW905 1.5M/0805 4 3 2 1 L903 30mH L903 30mH VDW912 IN4007 VDW912 IN4007 1 TP-100V TP-100V 1 2 F901 250Vac-T4AL F901 250Vac-T4AL ! R965 N.C. R965 N.C. 1 2 LW911 LW911 1 2 3 VDW924 BAV70 VDW924 BAV70 1 2 XS901 D3913-3A XS901 D3913-3A 2 1 LW950 3.3uH LW950 3.3uH R902 1.5M/1206 R902 1.5M/1206 RW902 1.5M/0805 RW902 1.5M/0805 CW952 68u/200V CW952 68u/200V RW914 51Ω/0805 RW914 51Ω/0805 ! RW904� 1.5M/0805 RW904� 1.5M/0805 VDW951 HER3007G VDW951 HER3007G ! ! 1 2 4 3 N966 PC817B N966 PC817B CY909 400Vac-2200pF CY909 400Vac-2200pF 3 1 2 VDW961 MBRB20100CTG VDW961 MBRB20100CTG RW921 4.7k/0805 RW921 4.7k/0805 1 3 2 V966 3904 V966 3904 3 1 2 VDW961-NC MBRB20100CTG VDW961-NC MBRB20100CTG CW907 470pF/0805 CW907 470pF/0805 RW911� 33k1206 RW911� 33k1206 R966 1k/0805 R966 1k/0805 RT901 5R RT901 5R VDW929 6.8V VDW929 6.8V RW907 56k/1206 RW907 56k/1206 ! RW916 33k1206 RW916 33k1206 CW906 104 CW906 104 RW961 20Ω/1206 RW961 20Ω/1206 RV901 10D561 RV901 10D561 ! CW962 180uF/16V CW962 180uF/16V ! CW967� 100nF/0805 CW967� 100nF/0805 RW909 56k/1206 RW909 56k/1206 R901 1.5M/1206 R901 1.5M/1206 RW975 10k/0805 RW975 10k/0805 C901 150uF/400V C901 150uF/400V RW908 56k/1206 RW908 56k/1206 RW981 1kΩ/0805 RW981 1kΩ/0805 RW906 51k/0805 RW906 51k/0805 RW971 20k/0805 RW971 20k/0805 RW977 3.9k/0805 RW977 3.9k/0805 CW928� 330pF/50V CW928� 330pF/50V ! VDW911 IN4007 VDW911 IN4007 CW978� 100nF/0805 CW978� 100nF/0805 ! RW928 100Ω/0805 RW928 100Ω/0805 ! RW976 5.6k/0805 RW976 5.6k/0805 ! ! 1 2 3 VDW923 BAV70 VDW923 BAV70 CW926� N.C. CW926� N.C. CW961 1000pF/500V CW961 1000pF/500V 1 2 3 VDW922 BAV70 VDW922 BAV70 家电维修资料网 5 5 4 4 3 3 2 2 1 1 D D C C B B A A Title Size Document Number Rev Date: Sheet of B 11 11 Wednesday, September 12, 2012 Title Size Document Number Rev Date: Sheet of <Doc> <RevCode> <Title> B 11 11 Wednesday, September 12, 2012 Title Size Document Number Rev Date: Sheet of <Doc> <RevCode> <Title> B 11 11 Wednesday, September 12, 2012 140 43 23 23 28.5 22.5 210 8 13 17 14 14 14 14 14 14 26.5 29.5 5 5 15.5 72.5 Video OUT YPbPr AV1 RF HDMI VGA YPbPr&VGA Audio 耳机 USB1 USB2 增加螺丝孔 提高插拔VGA 的强度 16.5 10 195 43 23 23 28.5 72.5 240 8 13 17 14 14 14 14 14 14 26.5 29.5 15.5 102.5 5 5 耳机 RF USB1 USB2 HDMI VGA Video OUT YPbPr AV1 YPbPr&VGA Audio 增加螺丝孔 提高插拔VGA 的强度 16.5 10 LED40/42F3300C LED32F3300C 此孔打塑料支撑柱 家电维修资料网 </p> <div class="main-left-down hidden-xl hidden-lg hidden-md"> <!--资源收费且没有购买--> <a href="http://www.wenhuiw.com/index.php?s=score&c=buy&m=index&module=wenku&id=10648" id="down_box_confirm" class="not-logged-in btn bg-green"><i class="fa fa-shopping-cart"></i> 立即购买</a> <p class="down-score">下载本素材需消耗 <span class="f-red">5</span> 积分</p> <p class="down-feedback">无法下载?<a class="hover:text-green-600" href="tencent://message/?uin=77594475" target="_blank">立即反馈</a></p> </div> <div class="tag">标签: </div> <div class="use-tip"> <h3>版权声明</h3> <p><b>1. 本站所有素材,仅限学习交流,仅展示部分内容,如需查看完整内容,请下载原文件。</b><br> 2. 会员在本站下载的所有素材,只拥有使用权,著作权归原作者所有。<br> 3. 所有素材,未经合法授权,请勿用于商业用途,会员不得以任何形式发布、传播、复制、转售该素材,否则一律封号处理。<br> 4. 如果素材损害你的权益请联系客服QQ:<a href="tencent://message/?uin=77594475">77594475</a> 处理。 </p> </div> </div> <div class="main-relate hidden-sm hidden-xs"> <div class="module-title-box"> <h2 class="title">相关素材</h2> </div> <ul class="module-list"> <li class="col-xl-3 col-lg-3 col-md-3 col-sm-6 col-6"> <div class="module-list_box"> <a class="module-list_thumb wide lazyload" href="/wenku/a23249.html" title="JCT 997-2006 装饰纸面石膏板" data-original="http://file.wenhuiw.com/202306/e292ed4137e88a.png#系统开启了相对路径模式,本地址是站外域名,不能转为相对路径(在关闭开发者模式后不显示这句话)#没有设置高宽参数,将以原图输出"></a> <div class="module-list_detail"> <h4 class="title txt-ov"><a href="/wenku/a23249.html" title="JCT 997-2006 装饰纸面石膏板">JCT 997-2006 装饰纸面石膏板</a></h4> </div> </div> </li> <li class="col-xl-3 col-lg-3 col-md-3 col-sm-6 col-6"> <div class="module-list_box"> <a class="module-list_thumb wide lazyload" href="/wenku/a23245.html" title="JCT 993-2006 外墙外保温用膨胀聚苯乙烯板抹面胶浆" data-original="http://file.wenhuiw.com/202306/2b2e9c8f05c1a.png#系统开启了相对路径模式,本地址是站外域名,不能转为相对路径(在关闭开发者模式后不显示这句话)#没有设置高宽参数,将以原图输出"></a> <div class="module-list_detail"> <h4 class="title txt-ov"><a href="/wenku/a23245.html" title="JCT 993-2006 外墙外保温用膨胀聚苯乙烯板抹面胶浆">JCT 993-2006 外墙外保温用膨胀聚苯乙烯板抹面胶浆</a></h4> </div> </div> </li> <li class="col-xl-3 col-lg-3 col-md-3 col-sm-6 col-6"> <div class="module-list_box"> <a class="module-list_thumb wide lazyload" href="/wenku/a23244.html" title="JCT 992-2006 墙体保温用膨胀聚苯乙烯板胶粘剂" data-original="http://file.wenhuiw.com/202306/1b863e61d25b589.png#系统开启了相对路径模式,本地址是站外域名,不能转为相对路径(在关闭开发者模式后不显示这句话)#没有设置高宽参数,将以原图输出"></a> <div class="module-list_detail"> <h4 class="title txt-ov"><a href="/wenku/a23244.html" title="JCT 992-2006 墙体保温用膨胀聚苯乙烯板胶粘剂">JCT 992-2006 墙体保温用膨胀聚苯乙烯板胶粘剂</a></h4> </div> </div> </li> <li class="col-xl-3 col-lg-3 col-md-3 col-sm-6 col-6"> <div class="module-list_box"> <a class="module-list_thumb wide lazyload" href="/wenku/a23243.html" title="JCT 991-2006 建材工业用石膏墙板(砌块)成型机" data-original="http://file.wenhuiw.com/202306/771f07e799519.png#系统开启了相对路径模式,本地址是站外域名,不能转为相对路径(在关闭开发者模式后不显示这句话)#没有设置高宽参数,将以原图输出"></a> <div class="module-list_detail"> <h4 class="title txt-ov"><a href="/wenku/a23243.html" title="JCT 991-2006 建材工业用石膏墙板(砌块)成型机">JCT 991-2006 建材工业用石膏墙板(砌块)成型机</a></h4> </div> </div> </li> <li class="col-xl-3 col-lg-3 col-md-3 col-sm-6 col-6"> <div class="module-list_box"> <a class="module-list_thumb wide lazyload" href="/wenku/a23226.html" title="JCT 969-2005 墙板挤压机技术条件" data-original="http://file.wenhuiw.com/202306/877c61829c4a649.png#系统开启了相对路径模式,本地址是站外域名,不能转为相对路径(在关闭开发者模式后不显示这句话)#没有设置高宽参数,将以原图输出"></a> <div class="module-list_detail"> <h4 class="title txt-ov"><a href="/wenku/a23226.html" title="JCT 969-2005 墙板挤压机技术条件">JCT 969-2005 墙板挤压机技术条件</a></h4> </div> </div> </li> <li class="col-xl-3 col-lg-3 col-md-3 col-sm-6 col-6"> <div class="module-list_box"> <a class="module-list_thumb wide lazyload" href="/wenku/a23215.html" title="JCT 958-2005 水泥胶砂流动度测定仪(跳桌)" data-original="http://file.wenhuiw.com/202306/104e5c621c62ab1.png#系统开启了相对路径模式,本地址是站外域名,不能转为相对路径(在关闭开发者模式后不显示这句话)#没有设置高宽参数,将以原图输出"></a> <div class="module-list_detail"> <h4 class="title txt-ov"><a href="/wenku/a23215.html" title="JCT 958-2005 水泥胶砂流动度测定仪(跳桌)">JCT 958-2005 水泥胶砂流动度测定仪(跳桌)</a></h4> </div> </div> </li> <li class="col-xl-3 col-lg-3 col-md-3 col-sm-6 col-6"> <div class="module-list_box"> <a class="module-list_thumb wide lazyload" href="/wenku/a23205.html" title="JCT 947-2005 先张法预应力混凝土管桩用端板" data-original="http://file.wenhuiw.com/202306/202e904d09bf791.png#系统开启了相对路径模式,本地址是站外域名,不能转为相对路径(在关闭开发者模式后不显示这句话)#没有设置高宽参数,将以原图输出"></a> <div class="module-list_detail"> <h4 class="title txt-ov"><a href="/wenku/a23205.html" title="JCT 947-2005 先张法预应力混凝土管桩用端板">JCT 947-2005 先张法预应力混凝土管桩用端板</a></h4> </div> </div> </li> <li class="col-xl-3 col-lg-3 col-md-3 col-sm-6 col-6"> <div class="module-list_box"> <a class="module-list_thumb wide lazyload" href="/wenku/a23201.html" title="JCT 940-2004 玻璃纤维增强水泥 (GRC)装饰制品" data-original="http://file.wenhuiw.com/202306/f739a4f6c22c42e.png#系统开启了相对路径模式,本地址是站外域名,不能转为相对路径(在关闭开发者模式后不显示这句话)#没有设置高宽参数,将以原图输出"></a> <div class="module-list_detail"> <h4 class="title txt-ov"><a href="/wenku/a23201.html" title="JCT 940-2004 玻璃纤维增强水泥 (GRC)装饰制品">JCT 940-2004 玻璃纤维增强水泥 (GRC)装饰制品</a></h4> </div> </div> </li> </ul> </div> </div> <div class="main-right col-xl-3 col-lg-3 col-md-3 hidden-sm hidden-xs"> <div class="side-box-dw"></div> <div class="side-fixed-box"> <div class="side shadow"> <a href="javasctipr:;" class="not-logged-in btn bg-yellow"><i class="fa fa-download"></i> 立即下载</a> <p class="down-score">下载本素材需消耗 <span class="f-red">5</span> 积分</p> <p class="down-feedback">无法下载?<a class="hover:text-green-600" href="tencent://message/?uin=77594475" target="_blank">立即反馈</a></p> <ul class="down-attribute"> <li><span>文件大小:</span>283.24 KB</li> <li><span>文件格式:</span>pdf</li> </ul> </div> <div class="side mt20 shadow"> <div class="module-title-box mb15"> <h2 class="title">随机推荐</h2> </div> <ul class="module-list"> <li class="col-lg-4 col-md-3 col-sm-4 col-xs-3 col-4"> <div class="module-list_box p0"> <a class="module-list_thumb wide" href="/wenku/a23254.html" title="一张母狮子卧在草丛里的照片" style="display: block; background-image: url('http://file.wenhuiw.com/202403/c18d26349a7554b.jpg#系统开启了相对路径模式,本地址是站外域名,不能转为相对路径(在关闭开发者模式后不显示这句话)#没有设置高宽参数,将以原图输出')" ;> </a> <div class="module-list_detail"> <h4 class="title"><a href="/wenku/a23254.html" title="一张母狮子卧在草丛里的照片">一张母狮子卧在草丛里的照片</a></h4> </div> </div> </li> <li class="col-lg-4 col-md-3 col-sm-4 col-xs-3 col-4"> <div class="module-list_box p0"> <a class="module-list_thumb wide" href="/wenku/a23253.html" title="员工花名册.xlsx" style="display: block; background-image: url('http://file.wenhuiw.com/202403/389f25971624d9f.jpg#系统开启了相对路径模式,本地址是站外域名,不能转为相对路径(在关闭开发者模式后不显示这句话)#没有设置高宽参数,将以原图输出')" ;> </a> <div class="module-list_detail"> <h4 class="title"><a href="/wenku/a23253.html" title="员工花名册.xlsx">员工花名册.xlsx</a></h4> </div> </div> </li> <li class="col-lg-4 col-md-3 col-sm-4 col-xs-3 col-4"> <div class="module-list_box p0"> <a class="module-list_thumb wide" href="/wenku/a23252.html" title="员工年假统计表" style="display: block; background-image: url('http://file.wenhuiw.com/202403/bde7ec85b0ccdf1.jpg#系统开启了相对路径模式,本地址是站外域名,不能转为相对路径(在关闭开发者模式后不显示这句话)#没有设置高宽参数,将以原图输出')" ;> </a> <div class="module-list_detail"> <h4 class="title"><a href="/wenku/a23252.html" title="员工年假统计表">员工年假统计表</a></h4> </div> </div> </li> <li class="col-lg-4 col-md-3 col-sm-4 col-xs-3 col-4"> <div class="module-list_box p0"> <a class="module-list_thumb wide" href="/wenku/a23251.html" title="实验室安全歌.doc" style="display: block; background-image: url('http://file.wenhuiw.com/202309/310d89e8c45eb81.jpg#系统开启了相对路径模式,本地址是站外域名,不能转为相对路径(在关闭开发者模式后不显示这句话)#没有设置高宽参数,将以原图输出')" ;> </a> <div class="module-list_detail"> <h4 class="title"><a href="/wenku/a23251.html" title="实验室安全歌.doc">实验室安全歌.doc</a></h4> </div> </div> </li> <li class="col-lg-4 col-md-3 col-sm-4 col-xs-3 col-4"> <div class="module-list_box p0"> <a class="module-list_thumb wide" href="/wenku/a23250.html" title="JCT 998-2006 喷涂聚氨酯硬泡体保温材料" style="display: block; background-image: url('http://file.wenhuiw.com/202306/a9f08eb9830da52.png#系统开启了相对路径模式,本地址是站外域名,不能转为相对路径(在关闭开发者模式后不显示这句话)#没有设置高宽参数,将以原图输出')" ;> </a> <div class="module-list_detail"> <h4 class="title"><a href="/wenku/a23250.html" title="JCT 998-2006 喷涂聚氨酯硬泡体保温材料">JCT 998-2006 喷涂聚氨酯硬泡体保温材料</a></h4> </div> </div> </li> <li class="col-lg-4 col-md-3 col-sm-4 col-xs-3 col-4"> <div class="module-list_box p0"> <a class="module-list_thumb wide" href="/wenku/a23249.html" title="JCT 997-2006 装饰纸面石膏板" style="display: block; background-image: url('http://file.wenhuiw.com/202306/e292ed4137e88a.png#系统开启了相对路径模式,本地址是站外域名,不能转为相对路径(在关闭开发者模式后不显示这句话)#没有设置高宽参数,将以原图输出')" ;> </a> <div class="module-list_detail"> <h4 class="title"><a href="/wenku/a23249.html" title="JCT 997-2006 装饰纸面石膏板">JCT 997-2006 装饰纸面石膏板</a></h4> </div> </div> </li> <li class="col-lg-4 col-md-3 col-sm-4 col-xs-3 col-4"> <div class="module-list_box p0"> <a class="module-list_thumb wide" href="/wenku/a23248.html" title="JCT 996-2006 玻璃纤维壁布" style="display: block; background-image: url('http://file.wenhuiw.com/202306/5156b2f64e53176.png#系统开启了相对路径模式,本地址是站外域名,不能转为相对路径(在关闭开发者模式后不显示这句话)#没有设置高宽参数,将以原图输出')" ;> </a> <div class="module-list_detail"> <h4 class="title"><a href="/wenku/a23248.html" title="JCT 996-2006 玻璃纤维壁布">JCT 996-2006 玻璃纤维壁布</a></h4> </div> </div> </li> <li class="col-lg-4 col-md-3 col-sm-4 col-xs-3 col-4"> <div class="module-list_box p0"> <a class="module-list_thumb wide" href="/wenku/a23247.html" title="JCT 995-2006 低比表面积高烧结活性氧化锆粉体" style="display: block; background-image: url('http://file.wenhuiw.com/202306/8c1c96b37a561d4.png#系统开启了相对路径模式,本地址是站外域名,不能转为相对路径(在关闭开发者模式后不显示这句话)#没有设置高宽参数,将以原图输出')" ;> </a> <div class="module-list_detail"> <h4 class="title"><a href="/wenku/a23247.html" title="JCT 995-2006 低比表面积高烧结活性氧化锆粉体">JCT 995-2006 低比表面积高烧结活性氧化锆粉体</a></h4> </div> </div> </li> <li class="col-lg-4 col-md-3 col-sm-4 col-xs-3 col-4"> <div class="module-list_box p0"> <a class="module-list_thumb wide" href="/wenku/a23246.html" title="JCT 994-2006 微晶玻璃陶瓷复合砖" style="display: block; background-image: url('http://file.wenhuiw.com/202306/fff87b6f9176d27.png#系统开启了相对路径模式,本地址是站外域名,不能转为相对路径(在关闭开发者模式后不显示这句话)#没有设置高宽参数,将以原图输出')" ;> </a> <div class="module-list_detail"> <h4 class="title"><a href="/wenku/a23246.html" title="JCT 994-2006 微晶玻璃陶瓷复合砖">JCT 994-2006 微晶玻璃陶瓷复合砖</a></h4> </div> </div> </li> </ul> </div> </div> </div> </div> <div class="main-box-dw"></div> <div class="scroll-to-top hidden-sm hidden-xs" id="toTop"> <i class="bi bi-arrow-up-circle-fill"></i> </div> <!-- 底部 --> <div class="footer"> <div class="container"> <div class="flex justify-center"> <span class="hidden-sm hidden-xs">© CopyRight 2022 文汇知识网</span> <a class="ml10 mr10" href="https://beian.miit.gov.cn" target="_blank">滇ICP备2022006959号-4</a> <span class="hidden-sm hidden-xs"><script> var _hmt = _hmt || []; (function() { var hm = document.createElement("script"); hm.src = "https://hm.baidu.com/hm.js?f0f56f82f7c67c360794e2549e59d9cd"; var s = document.getElementsByTagName("script")[0]; s.parentNode.insertBefore(hm, s); })(); </script> <a href="http://news.zzszq.net/">深知资讯网</a><a href="http://tv.zzszq.net/">深视网</a><a href="http://www.80hlw.com/">80商务</a></span> </div> </div> </div> <!-- 会员登录 --> <div id="login_box" class="hidden fixed"> <div class="login_box_title"> <h4 class="tc">会员登录</h4> <button id="close_login"><i class="fa fa-close"></i></button> </div> <form class="login-form" id="myform" action="" method="post"> <div class="form-group"> <input class="form-control" type="text" autocomplete="off" placeholder="会员名/邮箱/手机" name="data[username]" /> </div> <div class="form-group"> <input class="form-control" type="password" autocomplete="off" placeholder="登录密码" name="data[password]" /> </div> <div class="form-group"> <div class="col-6 pl0 pr0 fl"> <input class="form-control" type="text" autocomplete="off" placeholder="验证码" name="code" /> </div> <div class="col-6 tr fr"> <img align="absmiddle" style="cursor:pointer;" onclick="this.src='/index.php?s=api&c=api&m=captcha&width=120&height=35&t='+Math.random();" src="/index.php?s=api&c=api&m=captcha&width=120&height=35" /> </div> <div class="clearfix"></div> </div> <div class="form-group"> <button type="button" onclick="dr_ajax_member('http://www.wenhuiw.com/index.php?s=member&c=login&m=index', 'myform');" class="btn bg-green">登录</button> </div> <div class="form-group"> <a href="http://www.wenhuiw.com/index.php?s=member&c=register&m=index" id="register-btn" class="fr">注册账号</a> <input type="checkbox" name="remember" value="1" checked="checked" style="vertical-align: -2px;"/> 记住我 <a href="http://www.wenhuiw.com/index.php?s=member&c=login&m=find">忘记密码</a> </div> <div class="form-group tc"> <!--<p class="text-muted">第三方快捷登录</p>--> </div> </form> </div> <div class="mask-body mask-body-dark" style="display: none;"></div> <script src="/static/x2h-002/js/swiper-bundle.min.js"></script> <script src="/static/x2h-002/js/jquery.lazyload.js"></script> <script src="/static/x2h-002/js/common.js"></script> <script> $(function () { $.ajax({ type: "GET",dataType:"json", url: "/index.php?s=api&c=run&is_ajax=1&num=5" }); }); </script> </body> </html>