康佳液晶电视35017819板(POWER MAIN17819-sch-V0)电路原理图

分类:电子电工 日期: 点击:0
康佳液晶电视35017819板(POWER MAIN17819-sch-V0)电路原理图-0 康佳液晶电视35017819板(POWER MAIN17819-sch-V0)电路原理图-1 康佳液晶电视35017819板(POWER MAIN17819-sch-V0)电路原理图-2 康佳液晶电视35017819板(POWER MAIN17819-sch-V0)电路原理图-3 康佳液晶电视35017819板(POWER MAIN17819-sch-V0)电路原理图-4 康佳液晶电视35017819板(POWER MAIN17819-sch-V0)电路原理图-5 康佳液晶电视35017819板(POWER MAIN17819-sch-V0)电路原理图-6 康佳液晶电视35017819板(POWER MAIN17819-sch-V0)电路原理图-7 康佳液晶电视35017819板(POWER MAIN17819-sch-V0)电路原理图-8 康佳液晶电视35017819板(POWER MAIN17819-sch-V0)电路原理图-9

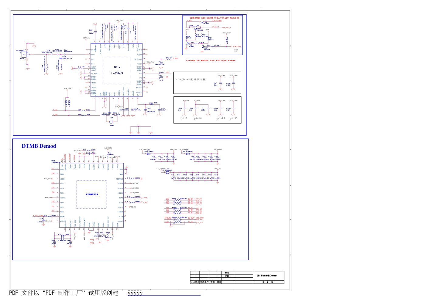
5 5 4 4 3 3 2 2 1 1 D D C C B B A A PWR-ON/OFF ADJ-PWM BKLT_EN BKLT_ADJ POWER-ON POWER-ON BKLT_EN BKLT_ADJ VCC12VIN BKLT_EN BKLT_ADJ POWER-ON VID0 PWR-ON/OFF VCC12VIN VCC-Panel +12V 1.5V_DDR 3V3_Normal 2.5V_Normal 5Vstb 3.3V_Standby +12V +12V 3V3_Normal 3V3_Normal 5Vstb +12V 5Vstb 3V3_Normal 1.2V_Demod 5Vstb 3V3_Normal 3.3V_Tuner 5Vstb 3.3V_Standby VDDC 3.3V 5VA 3.3V 3V3_Normal PANEL_ON/OFF BRI_ADJ VBL_CTRL PWM-IN VCC_VSENSE PWR-ON/OFF VID0 POWER-ON VCC12VIN BKLT_EN BKLT_ADJ 标记 数量 签名 更改单号 日期 拟制 审核 第 张 1 01.System Power 标记 数量 签名 更改单号 日期 拟制 审核 第 张 1 01.System Power 标记 数量 签名 更改单号 日期 拟制 审核 第 张 1 01.System Power PANEL POWER DDR3 1.5V 2.5V_Normal +3.3V STANDBY POWER 1.2V FOR 6A800C CORE Feedback Voltage = 0.923 12V to 5Vstb Feedback Voltage = 0.923 POWER INPUT H:OFF L:ON 电源输入接口 3V3_Normal 1.2V DEMOD 3V3 TUNER H :Power on L :Power off 1 2 L815 FB_600mA/NC L815 FB_600mA/NC C870 10uF C870 10uF C862 0.1uF/NC C862 0.1uF/NC R842 100K R842 100K + C822 220uF + C822 220uF L801 4.7uH L801 4.7uH C818 10uF C818 10uF C810 10uF C810 10uF 1 2 F804 FB_6A F804 FB_6A 3 1 2 V808 3904 V808 3904 R844 10K R844 10K C887 10uF C887 10uF R832 10K R832 10K 3 1 2 V815 3904 V815 3904 R837 10K R837 10K R830 2.2K/1% R830 2.2K/1% C884 10uF C884 10uF C867 22uF 6.3V C867 22uF 6.3V C809 0.1uF C809 0.1uF 1 2 L804 FB_2A L804 FB_2A C871 10uF C871 10uF 1 2 L820 FB_600mA L820 FB_600mA R853 4.7K R853 4.7K C886 0.1uF C886 0.1uF C846 10uF C846 10uF C863 0.1uF C863 0.1uF C849 27pF C849 27pF L806 10uH L806 10uH C802 3.3nF C802 3.3nF C864 10uF C864 10uF 3 1 2 V813 3904 V813 3904 R835 47K/1% R835 47K/1% C817 10uF C817 10uF R822 2.2K R822 2.2K S 1 S 2 S 3 G 4 D 8 D 7 D 6 D 5 V801 9435A V801 9435A C826 10nF C826 10nF C873 0.1uF C873 0.1uF 1 2 L816 FB_600mA/NC L816 FB_600mA/NC C835 10uF C835 10uF C872 0.1uF C872 0.1uF C827 0.1uF C827 0.1uF 7 6 5 4 3 2 1 XS809 NC/CON8_2.0 XS809 NC/CON8_2.0 R806 51K/1% R806 51K/1% R816 100R R816 100R +C858 NC/220uF +C858 NC/220uF R804 2.2K R804 2.2K C829 10uF C829 10uF C845 NC/0.1uF C845 NC/0.1uF VD803 5.6V VD803 5.6V V816 ME2345A V816 ME2345A R809 100R R809 100R R803 10K/1% R803 10K/1% 3 2 1 GND IN OUT N809 NC/WL2004N33G GND IN OUT N809 NC/WL2004N33G C837 0.1uF C837 0.1uF R801 NC R801 NC R836 47K R836 47K C868 0.1uF C868 0.1uF C831 3.3nF C831 3.3nF C859 10uF/NC C859 10uF/NC 3 2 1 GND IN OUT N807 NC/WL2004_2.5V GND IN OUT N807 NC/WL2004_2.5V 3 2 1 4 ADJ OUT IN N813 1117-1.2/NC ADJ OUT IN N813 1117-1.2/NC R848 10K R848 10K 1 2 3 V810 3904 V810 3904 R802 2K/1% R802 2K/1% R846 10K R846 10K V807 NC/ME2345' V807 NC/ME2345' C854 0.1uF C854 0.1uF C841 0.1uF C841 0.1uF C865 0.1uF C865 0.1uF 3 2 1 4 ADJ OUT IN N804 AP2114 ADJ OUT IN N804 AP2114 C821 0.1uF C821 0.1uF + C834 220uF + C834 220uF 1 2 L821 FB_600mA L821 FB_600mA R805 51K/1% R805 51K/1% C836 10uF C836 10uF IN 2 GND 4 BS 1 FB 5 COMP 6 EN 7 SS 8 SW 3 GND 9 N802 AP3503E N802 AP3503E R849 47K R849 47K R851 15R/1% R851 15R/1% C920 10uF C920 10uF R831 100R R831 100R C860 0.1uF/NC C860 0.1uF/NC D G S V811 2N7002 V811 2N7002 R841 47K R841 47K C828 0.1uF C828 0.1uF C857 0.47uF C857 0.47uF 1 2 L812 FB_2A L812 FB_2A C838 10uF C838 10uF 1 2 L810 FB_2A L810 FB_2A + C888 220uF + C888 220uF R811 47K R811 47K EN 1 GND 2 LX 3 VIN 4 FB 5 N806 SY8087 N806 SY8087 C812 10uF C812 10uF C801 10nF C801 10nF 3 2 1 4 ADJ OUT IN N808 AMS1117-3.3 ADJ OUT IN N808 AMS1117-3.3 R828 1K R828 1K R854 4.7K R854 4.7K R845 10K R845 10K V812 3904 V812 3904 C803 47nF C803 47nF R858 100K R858 100K C830 10uF C830 10uF V814 ME2345A V814 ME2345A C842 0.1uF C842 0.1uF C843 0.1uF C843 0.1uF R824 NC R824 NC 3 2 1 4 ADJ OUT IN N814 1117-3.3 ADJ OUT IN N814 1117-3.3 R829 10K/1% R829 10K/1% C861 10uF/NC C861 10uF/NC C885 0.1uF C885 0.1uF C852 NC/10uF C852 NC/10uF R810 10K R810 10K C866 0.1uF C866 0.1uF 3 2 1 4 ADJ OUT IN N803 AZ1117-1.5 ADJ OUT IN N803 AZ1117-1.5 R847 10K R847 10K C848 10uF C848 10uF R815 0R R815 0R C869 0.1uF C869 0.1uF IN 2 GND 4 BS 1 FB 5 COMP 6 EN 7 SS 8 SW 3 GND 9 N801 AP3503 N801 AP3503 C850 22uF 6.3V C850 22uF 6.3V R807 4.7K R807 4.7K R838 10K R838 10K C883 0.1uF C883 0.1uF R840 47K R840 47K C814 0.1uF C814 0.1uF C881 10uF C881 10uF L809 2.2uH L809 2.2uH 1 2 L808 FB_3A L808 FB_3A C890 10uF C890 10uF R834 100K R834 100K R823 10K/1% R823 10K/1% C844 0.1uF C844 0.1uF C813 0.1uF C813 0.1uF R839 1K R839 1K C880 0.1uF C880 0.1uF R843 100R R843 100R PDF 文件以 "PDF 制作工厂" 试用版创建 ÿÿÿÿ ÿ � 5 5 4 4 3 3 2 2 1 1 D D C C B B A A I2S-OUT_MCK I2S-OUT_BCK CFG-PWM1 CFG-PWM0 SPI_SCK SPI_SDO SPI_SDI CFG-PWM1 SPI_CSN PWM_PM HDMI-CEC HDMI2-RX2N HDMI2-RX1P HDMI2-SCL HDMI2-CLKP HDMI2-RX1N HDMI2-SDA HDMI2-RX0P HDMI2-CLKN HDMI2-RX2P HDMI2-RX0N HDMI2-HPDIN AUVAG AUVRM AV1-Lin AV1-Rin LINE_IN_2R LINE_IN_2L LINE_IN_1L LINE_IN_1R HDMI-CEC HDMI-ARC EARPHONE_OUTL EARPHONE_OUTR I2S-OUT_MCK I2S-OUT_BCK NAND_RBZ NAND_ALE NAND_CEZ NAND_CLE AUVRM AUVAG SPI_SCK SPI_SDI SPI_CSN #F_WP SPI_SDO EARPHONE_OUTR EARPHONE_OUTL XTALO XTALI NAND_WEZ HDMI-ARC HD_Lin HD_Rin NAND_WPZ NAND_REZ IF-AGC-SEL PWR-ON/OFF PWM_PM VCOM0 GIN1N VGA_HSYNC RIN0 GIN0 BIN0 GIN0N SOGIN1 RIN1 GIN1 BIN1 CVBS1 VGA_VSYNC VGA_HSYNC CVBS0 CVBS1_OUT VCOM0 GIN1N RIN0 GIN0 BIN0 GIN0N SOGIN1 RIN1 GIN1 BIN1 USB0_D+ USB1_D- USB1_D+ USB0_D- MDI_RN MDI_RP MDI_TP MDI_TN CVBS1_OUT CVBS1 CVBS0 VGA_VSYNC EMMC_RSTZ EMMC_CMD EMMC_CLK PANEL_ON/OFF KEY_in LED_G System-RST XTALO XTALI IR_in SPI_SDI CFG-PWM0 PM_RX VBL_CTRL BRI_ADJ UART_RX UART_TX VID0 PM_TX AMP-MUTE LVB2P LVB3P LVB4P LVBCLKP LVB1P LVB0N LVB2N LVB3N LVB4N LVBCLKN LVB1N LVACLKN LVA2P LVA4P LVA3P LVA1P LVACLKP LVA0N LVA2N LVA3N LVA4N LVA1N LVB0P LVA0P EMMC_RSTZ EMMC_CLK EMMC_CMD NAND-CEZ1 DVDD_NODIE TS_D1 TS_D2 TS_CLK TS_D3 TS_D4 TS_D5 TS_D6 TS_D7 TS_D0 TS_SYNC TS_VLD IR_in KEY-in PWR-ON/OFF KEY_in STB_PWR KEY-in STB_PWR 3.3V_Standby IR LOGO_PWR UART_TX UART_RX IF_AGC_T HDMI2_DET HDMI1_DET HDMI1-RX1P HDMI1-CLKP HDMI1-RX1N HDMI1-RX0P HDMI1-CLKN HDMI1-RX2P HDMI1-SCL HDMI1-RX0N HDMI1-HPDIN HDMI1-RX2N HDMI1-SDA PM_TX AMP-MUTE PM_RX VBL_CTRL UART-RX UART-TX IR System-RST AUOUTL2 AUOUTR2 AUOUTR AUOUTL AUOUTL2 AUOUTR2 MUTE-DET MUTE_DET MUTE-DET UART-RX UART-TX KEY-in 3.3V_ADC USB_DP2 USB_DM2 HDMI2-RX2N HDMI2-RX1P HDMI2-SCL HDMI2-CLKP HDMI2-RX1N HDMI2-SDA HDMI2-RX0P HDMI2-CLKN HDMI2-RX2P HDMI2-RX0N HDMI2-HPDIN HDMI1-RX0P HDMI1-RX1N HDMI1-RX1P HDMI1-RX2N HDMI1-RX0N HDMI1-RX2P HDMI1-CLKN HDMI1-CLKP HDMI1-SCL HDMI1-SDA HDMI1-HPDIN PCM_A2 PCM_A7 PCM_A3 PCM_A4 PCM_A0 PCM_A5 PCM_A1 PCM_A6 LED_G LOGO_PWR 3V3_Normal 3.3V_Standby 3.3V_Standby AVDD_NODIE AVDD_MIU0 1.5V_DDR AVDD_DMPLL VDD33 AVDD_DMPLL AVDD_NODIE AVDD2P5 DVDD_DDR AVDD_MIU0 VDDC VDD33 3V3_Normal VDDC DVDD_DDR 2.5V_Normal 3.3V_Standby 3.3V_Standby 3.3V_Standby 5Vstb 3.3V_Standby 3.3V_Standby 5Vstb 3.3V_Tuner 3.3V_Standby 3V3_Normal VDDCLV VDDCLV VDD33 3.3V_Standby AVDD2P5 5Vstb 5VA BRI_ADJ HDMI-CEC AV1-Rin AV1-Lin HDMI2-RX2N HDMI2-RX1P HDMI2-SCL HDMI2-CLKP HDMI2-RX1N HDMI2-SDA HDMI2-RX0P HDMI2-CLKN HDMI2-RX2P HDMI2-RX0N HDMI2-HPDIN HDMI-ARC NAND_WEZ NAND_RBZ NAND_ALE NAND_REZ NAND_CEZ NAND_CLE T_SDA T_SCL EARPHONE-OUTL EARPHONE-OUTR HD_Rin HD_Lin NAND_WPZ AV1_VIN YPbPr_PR YPbPr_Y YPbPr_PB VGA_HSYNC VGA_VSYNC CVBS1_OUT VGA-Bin VGA-Gin VGA-Rin USB0_D- USB0_D+ USB1_D- USB1_D+ MDI_TP MDI_TN EMMC_CMD EMMC_RSTZ EMMC_CLK PWR-ON/OFF MDI_RP MDI_RN VBL_CTRL PANEL_ON/OFF AMP-MUTE LVB0N LVB1P LVB1N LVB2N LVBCLKN LVBCLKP LVB2P LVB3P LVB3N LVB4P LVB4N LVACLKN LVA0N LVA1N LVA1P LVA2N LVA2P LVACLKP LVA3N LVA3P LVA4N LVA4P LVB0P LVA0P IF-AGC-SEL NAND-CEZ1 VCC_VSENSE TS_D1 TS_D0 TS_D2 TS_D3 TS_D4 TS_D5 TS_D6 TS_D7 TS_CLK TS_VLD TS_SYNC VID0 IFP IFN IF_AGC_T AV2_VIN OD-SEL MIC_RIN MIC_LIN HDMI1_DET HDMI2_DET HDMI1-CLKP HDMI1-RX1N HDMI1-RX0P HDMI1-CLKN HDMI1-RX2P HDMI1-SCL HDMI1-RX0N HDMI1-RX2N HDMI1-SDA HDMI1-HPDIN HDMI1-RX1P AUOUTL AUOUTR MUTE_DET UART-RX UART-TX USB_DM2 USB_DP2 PCM_A1 PCM_A2 PCM_A3 PCM_A4 PCM_A5 PCM_A6 PCM_A7 PCM_A0 标记数量 签名 更改单号 日期 拟制 审核 第 张 2 02. MSD6A800C 标记数量 签名 更改单号 日期 拟制 审核 第 张 2 02. MSD6A800C 标记数量 签名 更改单号 日期 拟制 审核 第 张 2 02. MSD6A800C RESET Mode Selection IR&KEYB HDMI Interface Closed to MSTIC Close to MSTAR IC with width trace FLASH Audio Line Out HDMI & Audio NAND & CI & TS & Front End GPIO & LVDS Crystal 靠近mstar IC NOTE:晶 体 频 偏 需 要 小 于 30PPM C1=C2=2*CL-5 C1 C2 靠 近 主 IC SAR口耐压只能到3.3V!!!!! Close to MST IC with wide trace Close to MST IC video // {PM_PWM} Boot from EXT_FLASH 1'b0 Boot from INT_FLASH 1'b1 //{PAD_PM_SPI_DI} NODIE_STABLE 1'b0 DIE_STABLE 1'b1 // CHIP_CONFIG {I2S_OUT_BCK, I2S_OUT_MCK, PWM1, PWM0} B51_NO_EJ (External SPI) B51_W/O_Scramble (Internal SPI/OTP) B51_W/_Scramble (Internal SPI/OTP) CA9_EMMC_NO_EJ CA9_SPI_NO_EJ (External SPI) CA9_SPI_EJ1 (External SPI) CA9_ROM_NO_EJ CA9_EMMC_M1_EJ1 CA9_ROM_EJ1 CA9_WOS (Internal SPI/OTP) CA9_WS (Internal SPI/OTP) SBUS CA9_EMMC_M2_NO_EJ CA9_EMMC_M2_EJ1 DBUS 4'b0000 (0x0) 4'b0001 (0x1) 4'b0010 (0x2) 4'b0011 (0x3) 4'b0100 (0x4) 4'b0101 (0x5) 4'b0110 (0x6) 4'b0111 (0x7) 4'b1000 (0x8) 4'b1001 (0x9) 4'b1010 (0xa) 4'b1011 (0xb) 4'b1100 (0xc) 4'b1101 (0xd) 4'b1111 (0xf) SPI_SDI MUTE be pull up 3.3vstb 软 件 必 须 要 做 写 保 护 1.5V_DDR Place C557 on bottom side for debug Place C535 & C536 on bottom side for debug +3.3V_Standby Place C552,C553 on bottom side for debug Place C527 & C531 on bottom side for debug Place C547 & C548 on bottom side for debug +1.15V_VDDC Place C562 & C563 on bottom side for debug LED_IR_KEY (红) (绿) 屏端返回的3D同步信号 Debug port print message 电 源 纹 波 在 50mV以 内 DEBUG C558 10uF C558 10uF R567 NC/100R R567 NC/100R R564 1M R564 1M R511 68R R511 68R L501 10uH L501 10uH 1 2 Z501 24MHz Z501 24MHz GND 1 RESET 2 VCC 3 N515 IMP810 N515 IMP810 C506 10uF C506 10uF R607 4.7K R607 4.7K C565 0.1uF C565 0.1uF C567 27pF C567 27pF R506 33R R506 33R R538 4.7K R538 4.7K R547 NC R547 NC R514 33R R514 33R R526 200R R526 200R C513 0.1uF C513 0.1uF 1 2 L505 FB_600mA L505 FB_600mA R602 1K R602 1K C556 0.1uF C556 0.1uF R501 33R R501 33R R563 0R R563 0R C546 0.1uF C546 0.1uF R612 1K R612 1K C534 0.1uF C534 0.1uF 1 2 3 V615 3904 V615 3904 C550 10uF C550 10uF R505 33R R505 33R C531 NC/0.1uF C531 NC/0.1uF C503 47nF C503 47nF C539 220pF C539 220pF R513 10K R513 10K C532 10uF C532 10uF R521 33R R521 33R R527 100R R527 100R 1 2 L507 FB_300mA L507 FB_300mA C538 1uF C538 1uF C508 47nF C508 47nF R517 100R R517 100R R530 200R R530 200R CE# 1 SO 2 WP# 3 VSS 4 SI 5 SCK 6 HOLD# 7 VDD 8 N506 MX25L1605 N506 MX25L1605 R502 100R R502 100R C524 10uF C524 10uF C547 0.1uF C547 0.1uF C602 100pF C602 100pF C511 1nF C511 1nF C528 0.1uF C528 0.1uF R557 0R R557 0R C545 2.2uF C545 2.2uF VDDC J14 VDDC K14 VDDC H15 VDDC_CPU J17 VDDC_CPU J15 VDDC H16 AVDD_AU33 U7 AVDD_DDR0_D G15 AVDD_DDR0_D G14 AVDD_NODIE U5 DVDD_DDR G20 GND_EFUSE L7 AVDD3P3 U6 AVDD2P5 T6 VDDC H14 AVDD_DDR0_C G13 VDDC_CPU J16 AVDD_MOD T7 VDDP_PLL U8 DVDD_NODIE E5 AVDDLV K16 GND T4 GND T5 GND A7 GND B8 GND F8 GND F10 GND R6 GND H10 GND J10 GND K10 GND L10 GND H11 GND J11 GND N10 GND C11 GND G11 TEST L8 VSENSE G18 GND L11 GND K11 GND N11 GND F12 GND H12 GND J12 GND K12 GND L12 GND B13 GND J13 GND K13 GND N13 GND A14 GND F14 GND N14 GND P14 VSENSE_VSS L14 AVDD_DMPLL T8 GND B15 GND A16 GND F16 GND A17 GND C18 GND F18 VDDC H17 VDDC_CPU K15 N501F MSD6A800 N501F MSD6A800 C501 47nF C501 47nF C515 22nF C515 22nF R560 100K R560 100K C560 10uF C560 10uF C526 0.1uF C526 0.1uF IP T2 IM T1 TGPIO0 T3 TEST1(NC) P12 I2C_SCKM1 W1 I2C_SDAM1 V2 IF_AGC V1 PCMDATA0 V15 PCMDATA1 T14 PCMDATA2 W14 PCMDATA3 Y13 PCMDATA4 V14 PCMDATA5 W13 PCMDATA6 U13 PCMDATA7 U15 PCMADR0/NF_D0 T15 PCMADR1/NF_D1 R17 PCMADR2/NF_D2 U17 PCMADR3/NF_D3 R16 PCMADR4/NF_D4 T16 PCMADR5/NF_D5 R15 PCMADR6/NF_D6 Y18 PCMADR7/NF_D7 T17 PCMADR8 V20 PCMADR9 V17 PCMADR10 Y16 PCMADR11 V13 PCMADR12 Y15 PCMADR13 U16 PCMADR14 W17 PCMIRQA_N W20 PCMOE_N W15 PCMIORD_N W18 PCMCE_N W16 PCMWE_N V16 PCMCD_N V19 PCM_RESET P15 PCMREG_N R14 PCMIOWR_N Y19 PCMWAIT_N W19 NF_ALE/EMMC_D1 W7 NF_WPZ/EMMC_D2 V7 NF_CEZ/EMMC_D6 V8 NF_CLE/EMMC_D5 W9 NF_REZ/EMMC_D4 Y7 NF_WEZ/EMMC_D3 W8 NF_RBZ/EMMC_D0 V6 TS1DATA0 W11 TS1DATA1 R11 TS1DATA2 P11 TS1DATA3 R12 TS1DATA4 Y12 TS1DATA5 V12 TS1DATA6 W12 TS1DATA7 T12 TS1CLK R13 TS1VALID T13 TS1SYNC U12 TS0DATA0 T10 TS0DATA1 U10 TS0DATA2 V11 TS0DATA3 R10 TS0DATA4 W10 TS0DATA5 T11 TS0DATA6 Y10 TS0DATA7 P10 TS0CLK R9 TS0VALID P9 TS0SYNC V10 NF_CEZ1/EMMC_D7 Y9 EMMC_CLK V9 EMMC_CMD T9 EMMC_RSTN U9 (In/Out) TS1 TS0 (In) FRONT-END NAND/EMMC PCMCIA EMMC N501B MSD6A800 (In/Out) TS1 TS0 (In) FRONT-END NAND/EMMC PCMCIA EMMC N501B MSD6A800 C514 10nF C514 10nF C554 0.1uF C554 0.1uF C519 47nF C519 47nF R566 10K R566 10K R608 1K_1% R608 1K_1% C553 NC/0.1uF C553 NC/0.1uF C580 0.1uF C580 0.1uF R510 49.9R/1% R510 49.9R/1% R518 100R R518 100R R552 4.7K R552 4.7K C523 33pF C523 33pF C601 0.1uF C601 0.1uF C509 47nF C509 47nF C537 1uF C537 1uF R613 NC/1K R613 NC/1K R542 NC R542 NC R512 33R R512 33R 1 2 3 4 XS506 D2006-4A XS506 D2006-4A C529 33pF C529 33pF R509 49.9R/1% R509 49.9R/1% SAR0 C6 SAR1 D7 SAR2 D6 TEST5(NC) G7 PWM0 M17 PWM1 M16 PWM2 M15 PM_SPI_SCK B2 PM_SPI_SCZ1/GPIO_PM[6] A3 PM_SPI_SDI A2 PM_SPI_SDO B3 DDCA_CK/UART0_RX H5 DDCA_DA/UART0_TX E6 I2C_SCKM2/I2C_DDCR_CK J18 I2C_SDAM2I2C_DDCR_DA H19 PM_UART_TX/GPIO_PM[1] G6 PM_UART_RX/GPIO_PM[5] E7 LVA0M N19 LVA0P P18 LVA1M P19 LVA1P R18 LVA2M R19 LVA2P R20 LVA3M T19 LVA3P U18 LVACKM T18 LVACKP T20 LVA4M U19 LVA4P V18 LVB0M J19 LVB0P J20 LVB1M K18 LVB1P K20 LVB2M K19 LVB2P L18 LVBCKM L19 LVBCKP M18 LVB3M M19 LVB3P M20 LVB4M N18 LVB4P N20 PWM_PM H6 SPI1_CK N17 GPIO_PM[0] F6 UART2_RX H18 UART2_TX G19 GPIO_PM[4] F7 TEST6(NC) K7 SPI1_DI N16 VSYNC_LIKE P16 TEST7(NC) M8 SPI2_CK P17 SPI2_DI N15 GPIO25 U3 GPIO31 R5 GPIO32 R4 PWM SAR SPI UART LVDS L/Dimming PM GPIO NORMAL GPIO N501D MSD6A800 PWM SAR SPI UART LVDS L/Dimming PM GPIO NORMAL GPIO N501D MSD6A800 R606 4.7K R606 4.7K R523 47K R523 47K R535 10K R535 10K R565 0R R565 0R C555 10uF C555 10uF C520 47nF C520 47nF C559 0.1uF C559 0.1uF C548 0.1uF C548 0.1uF 1 2 3 4 5 6 7 8 XS645 NC/D1250-6AD XS645 NC/D1250-6AD R545 4.7K R545 4.7K 1 2 L509 FB_300mA L509 FB_300mA AUOUTL2 N4 AUOUTR2 N5 EARPHONE_OUTL P5 EARPHONE_OUTR P6 AUL0 M4 AUR0 M5 AUL1 L6 AUR1 L4 AUL3 M6 AUR3 N6 AUVAG R3 AUVRM P4 SPDIF_OUT B7 I2S_OUT_BCK J5 I2S_OUT_MCK L5 I2S_OUT_WS J6 I2S_OUT_SD K5 RXA0N F2 RXA0P G3 RXA1N G2 RXA1P H3 RXA2N H2 RXA2P H1 RXACKN F3 RXACKP F1 DDCDA_CK D5 DDCDA_DA C5 HOTPLUGA F4 USB2_DP V5 USB2_DM W5 CEC G4 TEST4(NC) G8 TEST2(NC) K8 I2S_IN_SD(3D_FLAG) K6 TEST3(NC) J7 RXD0N C2 RXD0P D3 RXD1N D2 RXD1P E3 RXD2N E2 RXD2P E1 RXDCKN C3 RXDCKP C1 DDCDD_CK D4 DDCDD_DA C4 HOTPLUGD B1 ARC0 G5 AUL2 M7 AUR2 N7 GND W3 GND Y4 GND W4 GND V4 GND V3 GND Y3 HDMI ANALOG AUDIO AUDIO DIGITAL N501C MSD6A800 HDMI ANALOG AUDIO AUDIO DIGITAL N501C MSD6A800 R553 NC R553 NC C604 10nF C604 10nF C502 47nF C502 47nF C564 0.1uF C564 0.1uF GIN0P J2 GIN0M K3 SOGIN0 J1 HSYNC0 H4 VSYNC0 J4 GIN1M M3 CVBS1 U4 VCOM R1 CVBSOUT1 R2 TP B5 TN A5 RN A6 RP B6 HWRESET H7 XIN W2 XOUT Y2 IRIN F5 USB1_DM W6 USB1_DP Y6 RIN0P K2 BIN0P J3 RIN1P M1 GIN1P L1 BIN1P L3 RIN2P P3 GIN2M N2 GIN2P N3 BIN2P M2 HSYNC2 P2 VSYNC2 P1 SOGIN1 L2 CVBS0 U2 USB0_DM A4 USB0_DP B4 CVBS IN OUT ETHERNET USB MISC VGA YPbPr SCART N501E MSD6A800 CVBS IN OUT ETHERNET USB MISC VGA YPbPr SCART N501E MSD6A800 R605 4.7k R605 4.7k C518 1uF C518 1uF C527 NC/0.1uF C527 NC/0.1uF C557 0.1uF C557 0.1uF C530 33pF C530 33pF R504 33R R504 33R C533 0.1uF C533 0.1uF R525 4.7K R525 4.7K C566 27pF C566 27pF C544 1uF C544 1uF R611 NC/1K R611 NC/1K C512 0.1uF C512 0.1uF R528 100R R528 100R R522 47K R522 47K C517 0.1uF C517 0.1uF R515 0R R515 0R C525 0.1uF C525 0.1uF R549 330K R549 330K C504 47nF C504 47nF C522 33pF C522 33pF L503 FB_600mA L503 FB_600mA C568 NC/0.1uF C568 NC/0.1uF C521 47nF C521 47nF C552 NC/0.1uF C552 NC/0.1uF R520 33R R520 33R R524 4.7K R524 4.7K C541 1uF C541 1uF R604 4.7K R604 4.7K R551 NC R551 NC R555 NC R555 NC C578 220pF C578 220pF R508 49.9R/1% R508 49.9R/1% 1 2 L508 FB_300mA L508 FB_300mA L502 10uH L502 10uH C562 NC/0.1uF C562 NC/0.1uF C535 NC/0.1uF C535 NC/0.1uF C505 0.1uF C505 0.1uF R548 4.7K R548 4.7K R537 4.7K R537 4.7K C561 0.1uF C561 0.1uF 1 2 3 V616 3904 V616 3904 R561 100K R561 100K C536 NC/0.1uF C536 NC/0.1uF C540 220pF C540 220pF C551 0.1uF C551 0.1uF R601 10K R601 10K R507 49.9R/1% R507 49.9R/1% R519 68R R519 68R C516 0.1uF C516 0.1uF C549 10uF C549 10uF C571 NC/0.1uF C571 NC/0.1uF R516 1K R516 1K 1 2 L506 FB_600mA L506 FB_600mA C563 NC/0.1uF C563 NC/0.1uF C542 1uF C542 1uF C543 1uF C543 1uF R503 68R R503 68R R540 4.7K R540 4.7K C510 47nF C510 47nF C579 220pF C579 220pF R544 NC R544 NC R554 4.7K R554 4.7K R556 4.7K R556 4.7K C507 47nF C507 47nF R603 100R R603 100R 1 2 3 XS650 D2006-3W XS650 D2006-3W PDF 文件以 "PDF 制作工厂" 试用版创建 ÿÿÿÿ ÿ � 5 5 4 4 3 3 2 2 1 1 D D C C B B A A A-DDR3-A11_2 A-DDR3-A0_2 A-DDR3-A10_2 A-DDR3-A3_2 A-DDR3-A14_2 A-DDR3-A12_2 A-DDR3-A9_2 A-DDR3-A2_2 A-DDR3-A4_2 A-DDR3-A6_2 A-DDR3-A7_2 A-DDR3-A1_2 A-DDR3-A8_2 A-DDR3-A5_2 A-DDR3-A13_2 A_DDR3_A1 A-DDR3-A1_2 A-DDR3-A8_2 A_DDR3_A8 A_DDR3_A6 A_DDR3_A4 A-DDR3-A6_2 A-DDR3-A4_2 A_DDR3_MCLK A-DDR3_MCLK_2 A-DDR3_MCLK A-DDR3_MCLKZ_2 A-DDR3_MCLKZ A-DDR3-A2_1 A-DDR3-A12_1 A_DDR3_A13 A_DDR3_WEZ A_DDR3_CASZ A-DDR3-RESET_1 A-DDR3-A5_1 A-DDR3-A3_1 A-DDR3-CASZ_1 A-DDR3-CKE_1 A-DDR3-A9_1 A_DDR3_A10 A-DDR3-A4_1 A_DDR3_BA2 A-DDR3-A14_1 A-DDR3-A11_1 A_DDR3_A0 A_DDR3_A3 A_DDR3_CKE A-DDR3-WEZ_1 A_DDR3_A8 A_DDR3_A11 A-DDR3-A10_1 A_DDR3_BA1 A_DDR3_A4 A-DDR3-A8_1 A-DDR3-A6_1 A_DDR3_BA0 A-DDR3-BA0_1 A-DDR3-A0_1 A_DDR3_A6 A-DDR3-BA1_1 A_DDR3_A7 A_DDR3_A9 A-DDR3-ODT_1 A_DDR3_A12 A_DDR3_RESET A-DDR3-A1_1 A-DDR3-BA2_1 A_DDR3_MCLKZ A-DDR3_MCLK_2 A-DDR3_MCLKZ_2 A-DDR3-CKE_2 A-DDR3-A10_2 A_DDR3_BA0 A-DDR3-A5_2 A-DDR3-A14_2 A-DDR3-BA1_2 A-DDR3-BA0_2 A-DDR3-A9_2 A-DDR3-A11_2 A-DDR3-A13_2 A-DDR3-A0_2 A_DDR3_A5 A_DDR3_CASZ A_DDR3_WEZ A_DDR3_A13 A_DDR3_A14 A_DDR3_A11 A_DDR3_A3 A_DDR3_A0 A_DDR3_A10 A_DDR3_CKE A_DDR3_BA1 A_DDR3_RESET A_DDR3_A12 A_DDR3_A9 A_DDR3_A2 A_DDR3_A7 A-DDR3-A12_2 A-DDR3-BA2_2 A_DDR3_BA2 A-DDR3-A2_2 A-DDR3-WEZ_2 A-DDR3-RESET_2 A-DDR3-ODT_2 A-DDR3-CASZ_2 A-DDR3-A3_2 A-DDR3-RASZ_2 A-DDR3-A7_2 A_DDR3_DQSL A_DDR3_DQSLB A_DDR3_DQL1 A_DDR3_DQL5 A_DDR3_DQL7 A_DDR3_DQL4 A_DDR3_DQL0 A_DDR3_DQL3 A_DDR3_DQL2 A_DDR3_DQL6 A_DDR3_DML A-DDR3_MCLKZ MVREFCA_A_2 A_DDR3_DQSU A_DDR3_DQSUB A-DDR3-BA0_2 A-DDR3-BA2_2 A-DDR3-RESET_2 A-DDR3-CASZ_2 A-DDR3-CKE_2 A-DDR3-WEZ_2 A-DDR3-BA1_2 A-DDR3-ODT_2 MVREFDQ_A_2 A_DDR3_DMU A-DDR3_MCLK_2 A-DDR3-RASZ_2 A-DDR3_MCLKZ_2 A-DDR3_MCLK A_DDR3_DQU6 A_DDR3_DQU3 A_DDR3_DQU0 A_DDR3_DQU7 A_DDR3_DQU5 A_DDR3_DQU2 A_DDR3_DQU1 A_DDR3_DQU4 A-DDR3-A11_1 A-DDR3-A0_1 A-DDR3-A10_1 A-DDR3-A3_1 A-DDR3-A14_1 A-DDR3-A12_1 A-DDR3-A9_1 A-DDR3-A2_1 A-DDR3-A4_1 A-DDR3-A6_1 A-DDR3-A7_1 A-DDR3-A1_1 A-DDR3-A8_1 A-DDR3-A5_1 A-DDR3-A13_1 A-DDR3_MCLK A-DDR3_MCLKZ MVREFCA_A_1 A-DDR3-BA0_1 A-DDR3-BA2_1 A-DDR3-RESET_1 A-DDR3-CASZ_1 A-DDR3-CKE_1 A-DDR3-WEZ_1 A-DDR3-BA1_1 A-DDR3-ODT_1 MVREFDQ_A_1 A-DDR3_MCLK A-DDR3-RASZ_1 A-DDR3_MCLKZ A-DDR3-RESET_1 A_DDR3_RESET A_DDR3_BA2 A_DDR3_DQU3 A_DDR3_MCLKZ A_DDR3_MCLK A_DDR3_DQSU A_DDR3_DQSUB A_DDR3_DQU0 A_DDR3_DQL3 A_DDR3_DQL4 A_DDR3_DQU5 A_DDR3_DQU2 A_DDR3_DQU4 A_DDR3_DQL6 A_DDR3_DQL1 A_DDR3_DQL7 A_DDR3_DQL0 A_DDR3_DQU6 A_DDR3_DML A_DDR3_DQSL A_DDR3_DQSLB A_DDR3_DMU A_DDR3_DQU1 A_DDR3_DQL2 A_DDR3_DQL5 A_DDR3_DQU7 A_DDR3_A11 A_DDR3_WEZ A_DDR3_CKE A_DDR3_A12 A_DDR3_A9 A_DDR3_A5 A_DDR3_A10 A_DDR3_A1 A_DDR3_BA0 A_DDR3_BA1 A_DDR3_A3 A_DDR3_A7 A_DDR3_ODT A_DDR3_A6 A_DDR3_A0 A_DDR3_A2 A_DDR3_A4 A_DDR3_A8 A_DDR3_CASZ A_DDR3_RASZ A_DDR3_A13 A_DDR3_A14 A_DDR3_CKE MVREFCA_A_2 MVREFCA_A_1 MVREFDQ_A_2 MVREFDQ_A_1 A-DDR3-A7_1 A_DDR3_A2 A_DDR3_A5 A-DDR3-A13_1 A-DDR3-RESET_2 A_DDR3_A14 A_DDR3_A1 A_DDR3_ODT A_DDR3_RASZ A-DDR3-RASZ_1 A-DDR3-RASZ_1 A_DDR3_ODT A_DDR3_RASZ AVDD_DDR0 AVDD_DDR0 AVDD_DDR0 AVDD_DDR0 AVDD_DDR0 1.5V_DDR AVDD_DDR0 AVDD_DDR0 AVDD_DDR0 AVDD_DDR0 AVDD_DDR0 AVDD_DDR0 标记数量 签名 更改单号 日期 拟制 审核 第 张 3 03. Dram 标记数量 签名 更改单号 日期 拟制 审核 第 张 3 03. Dram 标记数量 签名 更改单号 日期 拟制 审核 第 张 3 03. Dram Close to DRAM Close to DRAM STR电路 Close to DDR POWER PIN MSD MIU MIU0 connect MIU0 MIU0 power STR MIU1 connect MIU1 C423 0.1uF C423 0.1uF 7 5 3 1 8 6 4 2 RA401 22RX4 7 5 3 1 8 6 4 2 RA401 22RX4 R409 1K/1% R409 1K/1% C402 10nF C402 10nF R407 240R_1% R407 240R_1% C425 0.1uF C425 0.1uF C412 0.1uF C412 0.1uF C422 1nF C422 1nF C420 0.1uF C420 0.1uF R402 10R R402 10R C427 0.1uF C427 0.1uF C430 0.1uF C430 0.1uF 7 5 3 1 8 6 4 2 RA408 22RX4 7 5 3 1 8 6 4 2 RA408 22RX4 C421 0.1uF C421 0.1uF R410 1K R410 1K R419 22R R419 22R C415 0.1uF C415 0.1uF R401 10R R401 10R C426 0.1uF C426 0.1uF C409 1nF C409 1nF 7 5 3 1 8 6 4 2 RA405 22RX4 7 5 3 1 8 6 4 2 RA405 22RX4 R408 1K/1% R408 1K/1% R423 240R_1% R423 240R_1% C428 0.1uF C428 0.1uF R413 1K/1% R413 1K/1% C431 0.1uF C431 0.1uF R411 2K R411 2K A0 K3 A1 L7 A2 L3 A3 K2 A4 L8 A5 L2 A6 M8 A7 M2 A8 N8 A9 M3 A10 H7 A11 M7 A12 K7 DQ2 C2 DQ1 C7 DQ6 D2 DQ4 E3 DQ7 E7 DQ5 E8 CK F7 CK# G7 DM/TDQS B7 DQ0 B3 NU/TDQS# A7 VREFCA J8 ZQ H8 VDD M9 VDD M1 VDD K9 VDD K1 VSS N9 VSSQ D1 VSSQ D9 VSSQ C9 VSSQ B8 VSSQ B2 VDD G8 VDD G2 VDDQ E9 VDDQ E2 VDD D7 VDDQ C1 VDDQ B9 VDD A9 VDD A2 VSS N1 VSS L9 VSS L1 VSS J9 VSS J1 VSS F8 VSS F2 VSS D8 VSS B1 VSS A8 VSS A1 NC1 A3 NC2 F1 NC3 F9 NC4 H1 NC5 H9 A13 N3 A15 J7 A14 N7 DQ3 C8 BA0 J2 BA1 K8 BA2 J3 VREFDQ E1 DQS# D3 DQS C3 /CS H2 /RAS F3 /CAS G3 /WE H3 ODT G1 RESET# N2 CKE G9 N502 H5TQ1G83DFR-PBC KON-BGA78-DDR3 N502 H5TQ1G83DFR-PBC KON-BGA78-DDR3 C405 0.1uF C405 0.1uF 7 5 3 1 8 6 4 2 RA404 22RX4 7 5 3 1 8 6 4 2 RA404 22RX4 A_DDR3_A1 D10 A_DDR3_A2 D9 A_DDR3_A3 A10 A_DDR3_A4 D13 A_DDR3_A5 A11 A_DDR3_A6 D12 A_DDR3_A7 B11 A_DDR3_A8 E11 A_DDR3_A9 C13 A_DDR3_A10 D14 A_DDR3_A11 E10 A_DDR3_A12 E12 A_DDR3_A13 B12 A_DDR3_DQL0 C19 A_DDR3_DQL1 B16 A_DDR3_DQL2 C20 A_DDR3_DQL3 C16 A_DDR3_DQL4 D19 A_DDR3_DQL5 B14 A_DDR3_DQL6 D20 A_DDR3_DQL7 C15 A_DDR3_DQU0 D16 A_DDR3_DQU1 E17 A_DDR3_DQU2 E14 A_DDR3_DQU3 E18 A_DDR3_DQU4 D17 A_DDR3_DQU5 D18 A_DDR3_DQU6 E15 A_DDR3_DQU7 E16 A_DDR3_CASZ C9 A_DDR3_RASZ C8 A_DDR3_WEZ E9 A_DDR3_DQML B17 A_DDR3_DQMU E19 A_DDR3_ODT A8 A_DDR3_BA0 B9 A_DDR3_BA1 E13 A_DDR3_BA2 B10 A_RESET D8 A_DDR3_MCKE D15 A_DDR3_MCLK C14 A_DDR3_MCLKZ A13 A_DDR3_DQSU A18 A_DDR3_DQSL B19 A_DDR3_DQSBL A19 A_DDR3_A14 D11 A_DDR3_A0 E8 A_DDR3_DQSBU B18 MIU0 N501A MSD6A800 MIU0 N501A MSD6A800 C418 0.1uF C418 0.1uF C433 0.1uF C433 0.1uF C410 0.1uF C410 0.1uF C408 0.1uF C408 0.1uF C429 0.1uF C429 0.1uF R415 1K/1% R415 1K/1% R412 2K R412 2K 7 5 3 1 8 6 4 2 RA411 22RX4 7 5 3 1 8 6 4 2 RA411 22RX4 C434 0.1uF C434 0.1uF C403 0.1uF C403 0.1uF C406 0.1uF C406 0.1uF 7 5 3 1 8 6 4 2 RA407 22RX4 7 5 3 1 8 6 4 2 RA407 22RX4 R422 56R R422 56R 7 5 3 1 8 6 4 2 RA406 22RX4 7 5 3 1 8 6 4 2 RA406 22RX4 C413 0.1uF C413 0.1uF 7 5 3 1 8 6 4 2 RA409 22RX4 7 5 3 1 8 6 4 2 RA409 22RX4 C416 0.1uF C416 0.1uF R403 22R R403 22R R405 56R R405 56R C411 0.1uF C411 0.1uF C432 0.1uF C432 0.1uF R416 1K/1% R416 1K/1% C404 1nF C404 1nF R404 22R R404 22R C435 10nF C435 10nF C424 1nF C424 1nF A0 K3 A1 L7 A2 L3 A3 K2 A4 L8 A5 L2 A6 M8 A7 M2 A8 N8 A9 M3 A10 H7 A11 M7 A12 K7 DQ2 C2 DQ1 C7 DQ6 D2 DQ4 E3 DQ7 E7 DQ5 E8 CK F7 CK# G7 DM/TDQS B7 DQ0 B3 NU/TDQS# A7 VREFCA J8 ZQ H8 VDD M9 VDD M1 VDD K9 VDD K1 VSS N9 VSSQ D1 VSSQ D9 VSSQ C9 VSSQ B8 VSSQ B2 VDD G8 VDD G2 VDDQ E9 VDDQ E2 VDD D7 VDDQ C1 VDDQ B9 VDD A9 VDD A2 VSS N1 VSS L9 VSS L1 VSS J9 VSS J1 VSS F8 VSS F2 VSS D8 VSS B1 VSS A8 VSS A1 NC1 A3 NC2 F1 NC3 F9 NC4 H1 NC5 H9 A13 N3 A15 J7 A14 N7 DQ3 C8 BA0 J2 BA1 K8 BA2 J3 VREFDQ E1 DQS# D3 DQS C3 /CS H2 /RAS F3 /CAS G3 /WE H3 ODT G1 RESET# N2 CKE G9 N503 H5TQ1G83DFR-PBC KON-BGA78-DDR3 N503 H5TQ1G83DFR-PBC KON-BGA78-DDR3 R417 1K/1% R417 1K/1% R421 56R R421 56R R406 56R R406 56R 7 5 3 1 8 6 4 2 RA403 22RX4 7 5 3 1 8 6 4 2 RA403 22RX4 C414 0.1uF C414 0.1uF R420 22R R420 22R C419 0.1uF C419 0.1uF R418 1K/1% R418 1K/1% 7 5 3 1 8 6 4 2 RA402 22RX4 7 5 3 1 8 6 4 2 RA402 22RX4 C407 0.1uF C407 0.1uF C401 2.2uF C401 2.2uF 7 5 3 1 8 6 4 2 RA410 22RX4 7 5 3 1 8 6 4 2 RA410 22RX4 7 5 3 1 8 6 4 2 RA412 22RX4 7 5 3 1 8 6 4 2 RA412 22RX4 C417 0.1uF C417 0.1uF R414 1K/1% R414 1K/1% PDF 文件以 "PDF 制作工厂" 试用版创建 ÿÿÿÿ ÿ � 5 5 4 4 3 3 2 2 1 1 D D C C B B A A RXE3+ RXE4+ RXE4- B0+ B0- ACK- A1- A1+ A0+ A0- A3- A4+ ACK+ A3+ A2- A2+ B3- B1+ B2+ A4- B1- B4+ B4- B2- BCK+ BCK- RXE1+ RXE2+ RXE1- RXE0+ RXE0- B3+ RXE2- RXEC+ RXEC- RXE3- RXO0+ RXO0- RXO1+ RXOC+ RXO3+ RXO2- RXO2+ RXOC- RXO1- RXO4- RXO3- RXO4+ PWM-IN NC/SDA LVDS_SEL NC/SCL Bit_SEL NC/SDA Bit_SEL OD_SEL NC/SCL RXE2- RXE0- PWM_IN RXO3- RXO1- RXE3+ RXO3+ RXO1+ RXE2+ RXE3- RXO2- RXO2+ RXO0- RXE4- RXE4+ RXO4- RXE0+ RXO4+ RXOC- RXE1- RXEC- RXO0+ RXOC+ RXEC+ LVDS_SEL RXE1+ PWM_IN OD_SEL OD-SEL LVDS_SEL RXO2- RXO2+ RXO0- RXO0+ RXO1+ RXO1- RXO3+ RXOC- RXO3- RXOC+ OD_SEL 3V3_P VCC-Panel VCC-Panel 3V3_P 3V3_P 3V3_P VCC-Panel LVB4N LVBCLKN LVB1N LVB3P LVB4P LVB0N LVBCLKP LVB1P LVB2P LVB0P LVB3N LVB2N LVA3P LVA2P LVA0P LVA3N LVA1P LVA4N LVACLKN LVA1N LVA2N LVA4P LVA0N LVACLKP OD-SEL T_SCL PWM-IN T_SDA 标记数量 签名 更改单号 日期 拟制 审核 第 张 4 04. LVDS 标记数量 签名 更改单号 日期 拟制 审核 第 张 4 04. LVDS 标记数量 签名 更改单号 日期 拟制 审核 第 张 4 04. LVDS 靠近6A800C放置 高清FFC Over Drive过扫描 提高液晶的响应时间 奇美 BOE 标清 FFC 3 1 4 2 RA508 0RX2 3 1 4 2 RA508 0RX2 R585 4.7K/NC R585 4.7K/NC 3 1 4 2 RA503 0RX2 3 1 4 2 RA503 0RX2 1 2 3 4 5 6 7 8 9 10 11 12 13 14 15 16 17 18 19 20 21 22 23 24 25 26 27 28 29 30 31 32 XS502 32Pin XS502 32Pin C569 0.1uF C569 0.1uF R584 0R R584 0R 7 5 3 1 8 6 4 2 RA501 0RX4 7 5 3 1 8 6 4 2 RA501 0RX4 R588 NC/4.7K R588 NC/4.7K R572 0R R572 0R 3 1 4 2 RA507 0RX2 3 1 4 2 RA507 0RX2 1 1 2 2 3 3 4 4 5 5 6 6 7 7 8 8 9 9 10 10 11 11 12 12 13 13 14 14 15 15 16 16 17 17 18 18 19 19 20 20 21 21 22 22 23 23 24 24 25 25 26 26 27 27 28 28 29 29 30 30 31 31 32 32 33 33 34 34 35 35 36 36 37 37 38 38 39 39 40 40 41 41 42 42 43 43 44 44 45 45 46 46 47 47 48 48 49 49 50 50 51 51 52 52 53 53 XS501 51Pin_FPC XS501 51Pin_FPC R571 100R/NC R571 100R/NC R583 4.7K/NC R583 4.7K/NC 7 5 3 1 8 6 4 2 RA502 0RX4 7 5 3 1 8 6 4 2 RA502 0RX4 R591 100R R591 100R R578 4.7K R578 4.7K 7 5 3 1 8 6 4 2 RA505 0RX4 7 5 3 1 8 6 4 2 RA505 0RX4 R573 0R R573 0R 7 5 3 1 8 6 4 2 RA506 0RX4 7 5 3 1 8 6 4 2 RA506 0RX4 R595 1K R595 1K R570 100R/NC R570 100R/NC R569 100R/NC R569 100R/NC R596 390R R596 390R 3 1 4 2 RA504 0RX2 3 1 4 2 RA504 0RX2 R579 0R/NC R579 0R/NC PDF 文件以 "PDF 制作工厂" 试用版创建 ÿÿÿÿ ÿ � 5 5 4 4 3 3 2 2 1 1 D D C C B B A A AV2-Vin+ HD1_Y 5V_AMP CVBS1_OUT AVOUT HD1_Pr HD1_Pb HD1_Y HD1_Pb HD1_Y HD1_Pr HD1_Y HD1_Pb HD1_Pr AV1-Vin+ AV1-Lin AV1-Rin HD1-L HD1-R AV1-R AV1-L AV1 AV1-R AV1-L AV1 PH_R PH_L PH_L EARPHONE-OUTR EARPHONE-OUTL PH_R HP_MUTE MUTE_DET 5V_AMP 5VA AV2_VIN HD_Lin HD_Rin CVBS1_OUT YPbPr_Y YPbPr_PR YPbPr_PB AV1_VIN AV1-Lin AV1-Rin EARPHONE-OUTR EARPHONE-OUTL MUTE_DET HP_MUTE 标记数量 签名 更改单号 日期 拟制 审核 第 张 5 05. Video 标记数量 签名 更改单号 日期 拟制 审核 第 张 5 05. Video 标记数量 签名 更改单号 日期 拟制 审核 第 张 5 05. Video Keep A_GND trace with Signal. Keep Spacing for L/R cahnnel. Keep trace width(12mil+). 恒流源 椭圆圈内的参数可以微调 1.2VDC 偏压调整,使V602-E=1.2VDC Audio IN YPbPr/AV2 VIDEO OUT AV1 IN ESD 560pF以往设计均加,现参考设计无 Close to Mstar IC 560pF以往设计均加,现参考设计无 75R Close to Mstar IC EPHONE OUT C611 10uF C611 10uF C634 22uF 6.3V C634 22uF 6.3V 1 3 2 C C D ESD V612 NC/PESD5VOS2BT C C D ESD V612 NC/PESD5VOS2BT R637 12K R637 12K R673 10K R673 10K C618 NC/560pF C618 NC/560pF R635 10K R635 10K 1 2 L604 FB_33000440 L604 FB_33000440 R633 6.8K R633 6.8K V605 3906 V605 3906 1 3 2 6 5 7 4 XS606 25002563 XS606 25002563 1 2 L605 FB_33000440 L605 FB_33000440 R670 10K R670 10K R671 75R R671 75R C610 10uF C610 10uF R640 1.2K R640 1.2K VD604 5.6V VD604 5.6V C615 NC C615 NC 6 4 1 3 5 2 7 XS616 AV XS616 AV R686 75R R686 75R R634 499R/1% R634 499R/1% 1 3 2 C C D ESD V611 NC/PESD5VOS2BT C C D ESD V611 NC/PESD5VOS2BT R674 12K R674 12K 2 3 4 1 5 XS607 AUDIO_out XS607 AUDIO_out 6 4 1 3 5 2 XS608 ypbpr XS608 ypbpr VD602 5.6V VD602 5.6V C621 NC/560pF C621 NC/560pF C609 0.1uF C609 0.1uF C632 470pF C632 470pF R688 0R R688 0R C616 NC C616 NC R620 22K R620 22K R615 10K R615 10K R687 10K R687 10K R619 12K R619 12K R621 5.1K R621 5.1K 1 2 3 V607 3904 V607 3904 C631 470pF C631 470pF C614 NC C614 NC R624 49.9R/1% R624 49.9R/1% 2 1 XS621 AV OUT XS621 AV OUT 1 2 3 5 4 6 N603 NC/IP4223CZ6 N603 NC/IP4223CZ6 1 3 2 C C D ESD V610 NC/PESD5VOS2BT C C D ESD V610 NC/PESD5VOS2BT R683 10K R683 10K R622 6.8K R622 6.8K C617 NC/560pF C617 NC/560pF R610 75R R610 75R R672 75R R672 75R R632 75R R632 75R 1 2 L602 FB_600mA L602 FB_600mA C620 NC/560pF C620 NC/560pF VD601 5.6V VD601 5.6V R641 3.9K R641 3.9K R623 499R/1% R623 499R/1% C613 NC C613 NC 1 2 3 V606 3904 V606 3904 R669 12K R669 12K C633 22uF 6.3V C633 22uF 6.3V R639 33R R639 33R C612 NC/47pF C612 NC/47pF PDF 文件以 "PDF 制作工厂" 试用版创建 ÿÿÿÿ ÿ � 5 5 4 4 3 3 2 2 1 1 D D C C B B A A VGA_HSYNC VGA_VSYNC VGA_HS VGA_VS UART-TX UART-RX RGB1-VGA_B RGB1_VGA-G RGB1-VGA_R UART-TX UART-RX VGA_HSYNC VGA_VSYNC VGA-Bin VGA-Gin VGA-Rin 标记 数量 签名 更改单号 日期 拟制 审核 第 张 6 06. VGA 标记 数量 签名 更改单号 日期 拟制 审核 第 张 6 06. VGA 标记 数量 签名 更改单号 日期 拟制 审核 第 张 6 06. VGA Close to Mstar IC VGA R651 10K R651 10K R653 510R R653 510R R656 75R R656 75R 1 2 3 5 6 4 N605 NC/IP4223CZ6 N605 NC/IP4223CZ6 R650 10K R650 10K R652 510R R652 510R 5 10 4 9 3 8 2 7 1 15 14 13 12 11 6 16 17 XS605 VGA XS605 VGA R654 75R R654 75R R655 75R R655 75R 1 2 3 5 6 4 N604 NC/IP4223CZ6 N604 NC/IP4223CZ6 PDF 文件以 "PDF 制作工厂" 试用版创建 ÿÿÿÿ ÿ � 5 5 4 4 3 3 2 2 1 1 D D C C B B A A MDI_TP MDI_TN USB0_D+ MDI_RN USB_DM2 USB_DP2 DM1 DP1 DP2 DM2 MDI_RP LAN_RX- LAN_TX- LAN_TX+ MDI_TP LAN_RX+ REGOUT MDI_TN MDI_RP MDI_RN DP2 DP1 DM1 DM2 USB0_D- USB1_D+ USB1_D- 5V_USB VBUS VBUS 5Vstb 2.5V_Normal 5V_USB 3V3_Normal 3V3_Normal VBUS 3V3_Normal USB0_D+ USB0_D- MDI_TP MDI_TN MDI_RP MDI_RN USB_DM2 USB_DP2 USB1_D+ USB1_D- 标记数量 签名 更改单号 日期 拟制 审核 第 张 7 07. USB&Ethernet 标记数量 签名 更改单号 日期 拟制 审核 第 张 7 07. USB&Ethernet 标记数量 签名 更改单号 日期 拟制 审核 第 张 7 07. USB&Ethernet 14001370 1.5A Switch USB Ethernet Wifi RU10 75R RU10 75R RU09 75R RU09 75R CU08 10nF CU08 10nF CU02 0.1uF CU02 0.1uF 1 2 3 4 XSU07 D2006-4A XSU07 D2006-4A RU04 0R RU04 0R RU03 10K RU03 10K 1 2 3 5 4 6 NU10 IP4223CZ6 NU10 IP4223CZ6 RU07 75R RU07 75R RU14 5.1R RU14 5.1R 3 1 4 2 RU06 5.1RX2 3 1 4 2 RU06 5.1RX2 CU04 10nF CU04 10nF RU01 10K RU01 10K RU15 5.1R RU15 5.1R FU01 NC\PTC_1.5A FU01 NC\PTC_1.5A RU23 5.1R RU23 5.1R CU07 10uF CU07 10uF CU06 150pF/3KV CU06 150pF/3KV 4 3 2 1 5 6 4 3 2 1 XSU02 USB V Connector 4 3 2 1 XSU02 USB V Connector 6 7 3 4 5 8 1 2 11 12 9 10 RJ-45 XSU05 ETHERNET_JACK RJ-45 XSU05 ETHERNET_JACK RU24 5.1R RU24 5.1R CU23 0.1uF CU23 0.1uF TD+ 1 TD- 3 CT 2 CT 7 RD+ 6 RD- 8 TX+ 16 CT 15 TX- 14 RX+ 11 TC 10 RX- 9 nc 4 nc 5 nc 12 nc 13 NU06 PD1602 NU06 PD1602 CU03 2.2uF CU03 2.2uF 4 3 2 1 5 6 4 3 2 1 XSU01 USB V Connector 4 3 2 1 XSU01 USB V Connector + CU01 220uF + CU01 220uF 1 2 LU01 FB_3A LU01 FB_3A RU08 75R RU08 75R IN 5 OUT 1 EN 4 GND 2 FLAG 3 NU22 MC2110 NU22 MC2110 1 2 3 5 6 4 NU02 IP4223CZ6 NU02 IP4223CZ6 PDF 文件以 "PDF 制作工厂" 试用版创建 ÿÿÿÿ ÿ � 5 5 4 4 3 3 2 2 1 1 D D C C B B A A CEC HDMI-CEC HDMI_ARC HDMI-ARC CEC HDMI2-HPD HDMI2-DDC-SDA HDMI2-DDC-SCL HDMI2-HPD HDMI2-DDC-SCL HDMI2-HPDIN HDMI1-DDC-SDA HDMI1-DDC-SCL HDMI1-HPD HDMI1-HPD HDMI1-DDC-SDA HDMI1-DDC-SCL HDMI1-HPDIN HDMI2-DDC-SDA HDMI2-RX1P HDMI2-RX2N HDMI2-RX1N HDMI2-RX2P HDMI2-RX0N HDMI2-RX0P HDMI2-CLKN HDMI2-CLKP HDMI2_RX1P HDMI2_RX1N HDMI2_RX0N HDMI2_RX2N HDMI2_CLKN HDMI2_RX2P HDMI2_CLKP HDMI2_RX0P HDMI2_RX1P HDMI2_RX1N HDMI2_RX0N HDMI2_RX2N HDMI2_CLKN HDMI2_RX2P HDMI2_CLKP HDMI2_RX0P HDMI1-RX1P HDMI1-RX2N HDMI1-RX1N HDMI1-RX2P HDMI1-RX0N HDMI1-RX0P HDMI1-CLKN HDMI1-CLKP HDMI1_RX1P HDMI1_RX1N HDMI1_RX0N HDMI1_RX2N HDMI1_CLKN HDMI1_RX2P HDMI1_CLKP HDMI1_RX0P HDMI1_RX1P HDMI1_RX1N HDMI1_RX0N HDMI1_RX2N HDMI1_CLKN HDMI1_RX2P HDMI1_CLKP HDMI1_RX0P CEC HDMI_ARC HDMI2_DET HDMI2/5V HDMI1/5V HDMI1_DET HDMI2/5V HDMI2/5V HDMI2/5V HDMI1/5V HDMI1/5V HDMI1/5V 3V3_Normal 3V3_Normal HDMI-CEC HDMI-ARC HDMI2-HPDIN HDMI2-SCL HDMI2-SDA HDMI1-HPDIN HDMI1-SCL HDMI1-SDA HDMI2-RX2P HDMI2-RX2N HDMI2-RX1P HDMI2-RX1N HDMI2-RX0P HDMI2-RX0N HDMI2-CLKP HDMI2-CLKN HDMI1-RX2P HDMI1-RX2N HDMI1-RX1P HDMI1-RX1N HDMI1-RX0P HDMI1-RX0N HDMI1-CLKP HDMI1-CLKN HDMI2_DET HDMI1_DET 标记 数量 签名 更改单号 日期 拟制 审核 第 张 8 08. HDMI 标记 数量 签名 更改单号 日期 拟制 审核 第 张 8 08. HDMI 标记 数量 签名 更改单号 日期 拟制 审核 第 张 8 08. HDMI HDMI2 HDMI1 CEC & ARC 靠近端子放置 靠近端子放置 7 5 3 1 8 6 4 2 RA510 0RX4 7 5 3 1 8 6 4 2 RA510 0RX4 R642 1K R642 1K R614 10K R614 10K R665 10K R665 10K 1 2 3 V602 3904 V602 3904 1 2 3 V604 3904 V604 3904 1 2 3 V608 3904 V608 3904 7 5 3 1 8 6 4 2 RA509 0RX4 7 5 3 1 8 6 4 2 RA509 0RX4 R666 22R R666 22R R627 10K R627 10K R629 10K R629 10K R625 1K R625 1K R638 0R R638 0R R657 1K R657 1K DATA2+ 1 DATA2 SHIELD 2 DATA2- 3 DATA1+ 4 DATA1 SHIELD 5 DAT1A- 6 DATA0+ 7 DATA0 SHIELD 8 DATA0- 9 CLK+ 10 CLK SHIELD 11 CLK- 12 CEC 13 NC 14 SCL 15 SDA 16 DDC/CEC GND 17 +5V POWER 18 HOT PLUG 19 20 20 21 21 22 22 XS601 HDMI XS601 HDMI C603 2.2uF C603 2.2uF R647 10K R647 10K 7 5 3 1 8 6 4 2 RA512 10RX4 7 5 3 1 8 6 4 2 RA512 10RX4 R609 1K R609 1K R684 10K R684 10K 7 5 3 1 8 6 4 2 RA511 10RX4 7 5 3 1 8 6 4 2 RA511 10RX4 R646 10K R646 10K R643 200R R643 200R R628 10K R628 10K R645 10K R645 10K DATA2+ 1 DATA2 SHIELD 2 DATA2- 3 DATA1+ 4 DATA1 SHIELD 5 DAT1A- 6 DATA0+ 7 DATA0 SHIELD 8 DATA0- 9 CLK+ 10 CLK SHIELD 11 CLK- 12 CEC 13 NC 14 SCL 15 SDA 16 DDC/CEC GND 17 +5V POWER 18 HOT PLUG 19 GND1 20 GND2 21 GND3 22 GND3 23 GND 26 GND 25 GND 24 GND 27 GND 28 XS602 HDMI/180D XS602 HDMI/180D R644 10K R644 10K R662 10K R662 10K R617 4.7K R617 4.7K R685 10K R685 10K R667 22R R667 22R 1 2 3 V603 3904 V603 3904 R663 22R R663 22R R668 4.7K R668 4.7K R664 22R R664 22R PDF 文件以 "PDF 制作工厂" 试用版创建 ÿÿÿÿ ÿ � 5 5 4 4 3 3 2 2 1 1 D D C C B B A A TS2 TS_D2 TS2 TS_D5 TS_D3 TS_D1 TS_D7 TS_D6 TS_D0 TS_D4 TS0 TS3 TS1 TS6 TS4 TS5 TS7 TS6 TS0 TS-SYNC TS-VALID TSCLK TS3 TS-VALID TS-SYNC TS7 IF_AGC_DTMB TS_SYNC TS_VLD TS_CLK TSCLK TS4 TS5 IFP TS1 IFN IFN IF_AGC IF_AGC_T IF_AGC_DTMB IF_AGC T_SCL T_SDA IFP 3v3_DEMO ASIC_1v2 ASIC_1v2 ASIC_1v2 ASIC_1v2 ASIC_3V3 ASIC_1v2 3v3_DEMO 3v3_DEMO 3.3V_Tuner 3.3V_Tuner 1.2V_Demod ASIC_1v2 ASIC_3V3 3v3_DEMO 3v3_DEMO 3v3_DEMO ASIC_1v2 3v3_DEMO ASIC_3V3 ASIC_3V3 ASIC_1v2 3.3V_Tuner 3.3V_Tuner 3.3V_Tuner 3.3V_Tuner 3.3V_Tuner 3.3V_Tuner 5VA 5VA 3.3V_Tuner 3.3V_Tuner 3.3V_Tuner 3.3V_Tuner 3.3V_Tuner 3.3V_Tuner TS_VLD TS_CLK TS_SYNC IFP T_SDA T_SCL TS_D0 TS_D2 TS_D3 TS_D4 TS_D5 TS_D6 TS_D7 TS_D1 IFN IF_AGC_T IF-AGC-SEL 标记 数量 签名 更改单号 日期 拟制 审核 第 张 9 09. Tuner&Demo 标记 数量 签名 更改单号 日期 拟制 审核 第 张 9 09. Tuner&Demo 标记 数量 签名 更改单号 日期 拟制 审核 第 张 9 09. Tuner&Demo DTMB Demod pin1 pin16 pin27 pin35 3.3V_Tuner的滤波电容 切换DTMB DTV AGC和主芯片的ATV AGC开关 1:DTMB 0:ATV Closed to MSTIC,for silicon tuner R171 4.7K R171 4.7K 5 4 3 2 1 XS100 IEC Female XS100 IEC Female R162 NC/100K R162 NC/100K C167 0.1uF/NC C167 0.1uF/NC C137 0.47uF C137 0.47uF C119 6.8nF 50V 10% C119 6.8nF 50V 10% R166 100R R166 100R R197 4.7K R197 4.7K C153 0.1uF/NC C153 0.1uF/NC V105 NC/3904 V105 NC/3904 C129 0.1uF C129 0.1uF L109 330nH/180nH 140mA 5% L109 330nH/180nH 140mA 5% C120 0.22uF C120 0.22uF 7 5 3 1 8 6 4 2 RA103 33RX4/NC 7 5 3 1 8 6 4 2 RA103 33RX4/NC R121 10K/NC R121 10K/NC R116 100R/NC R116 100R/NC C112 6.8nF 50V 10% C112 6.8nF 50V 10% C131 10uF C131 10uF C113 0.1uF C113 0.1uF C140 1uF/NC C140 1uF/NC R123 100K/NC R123 100K/NC C149 12p/NC C149 12p/NC C154 0.1uF/NC C154 0.1uF/NC C139 0.1uF/NC C139 0.1uF/NC R163 NC/10K R163 NC/10K C121 0.1uF C121 0.1uF C174 10uF/NC C174 10uF/NC 1 2 L111 FB_600mA/NC L111 FB_600mA/NC C105 120pF/100V/5% C105 120pF/100V/5% V106 NC/3906 V106 NC/3906 R115 100K/NC R115 100K/NC C115 2.7nF 50V 10% C115 2.7nF 50V 10% R190 430R R190 430R R117 100R/NC R117 100R/NC C114 100nF 16V 10% C114 100nF 16V 10% C144 0.1uF/NC C144 0.1uF/NC C133 0.47uF C133 0.47uF R191 1K R191 1K 7 5 3 1 8 6 4 2 RA101 33RX4/NC 7 5 3 1 8 6 4 2 RA101 33RX4/NC C146 0.1uF/NC C146 0.1uF/NC V107 NC/3904 V107 NC/3904 C161 0.1uF/NC C161 0.1uF/NC Z105 30.4MHz/NC Z105 30.4MHz/NC L108 220nH 120mA 5% L108 220nH 120mA 5% C116 0.22uF C116 0.22uF L124 100nH_150mA_+/-5% L124 100nH_150mA_+/-5% C134 0.47uF C134 0.47uF C135 10p C135 10p R179 0R R179 0R R164 NC/10K R164 NC/10K C150 0.1uF/NC C150 0.1uF/NC TSB7 1 TSB6 2 TSB5 4 TSB4 5 TSB3 6 VDD12 7 VDD33 3 TSB2 8 TSB1 9 PWM0 11 VDD12 12 REFCLK10 13 REFCLK11 14 VDD_OSC 15 CLK_REF_OUT 16 ADVDD_ADC 17 QVINP 18 QVINN 19 IVINP 20 IVINN 21 REF_BIAS_EXT 22 VDD12 23 PWM1 24 I2CINT 25 SCLM 26 SDAM 27 VDD12 28 SCLS 29 SDAS 30 VDD33 31 VDD33 32 VDD12 33 TESTIO23 34 GND 35 TSB0 10 GND 36 VDD12 37 VDD33 38 TESTIO20 39 VDD33 40 VDD12 41 RESETN 42 DBGSEL 43 TEST0 44 TEST1 45 TSBCLK 46 TSBVLD 47 TSBSYNC 48 GND 49 ATBM8859 N102 ATBM8859/NC ATBM8859 N102 ATBM8859/NC C164 0.1uF/NC C164 0.1uF/NC C106 120pF/100V/5% C106 120pF/100V/5% R192 0R R192 0R C141 10uF/NC C141 10uF/NC L123 8.2nH_110mA_+/-0.1nH L123 8.2nH_110mA_+/-0.1nH C117 30pF 50V 5% C117 30pF 50V 5% C160 0.1uF/NC C160 0.1uF/NC C175 0.1uF/NC C175 0.1uF/NC C108 82pF/50V 5% C108 82pF/50V 5% R122 59K/1%/NC R122 59K/1%/NC R151 NC/4.7K R151 NC/4.7K R120 1M/NC R120 1M/NC Z110 16MHz Z110 16MHz C136 0.47uF C136 0.47uF V108 NC/3906 V108 NC/3906 7 5 3 1 8 6 4 2 RA102 33RX4/NC 7 5 3 1 8 6 4 2 RA102 33RX4/NC GNDSYNT 18 VTUNE 19 CP 20 XTOUT1 21 XTOUT2 22 CAPREGVCO 17 IFP 25 GNDIF 26 V_IF_AGC 28 VCCIF 27 IRQ 30 V_Sync 29 DGND 23 IFN 24 VHFSupply 31 VHFL 32 VCCRF 1 RFin 2 NC 3 NC 4 DGND 5 AS_XTSEL 6 DGND 7 TEST1 8 TEST2 9 DGND 10 SCL 11 DGND 13 XtalP 14 SDA 12 XtalN 15 VCCSYN 16 CapRFAGC 40 RF_AGC_sense 39 UHFH 38 UHFSupply 37 UHFL 36 VCCRF 35 VHFH 34 VHFSense 33 GNDIF 42 GNDIF 41 GNDIF 44 GNDIF 43 GNDIF 46 GNDIF 45 GNDIF 47 GNDIF 48 GNDIF 49 GNDIF 50 GNDIF 51 GNDIF 52 N110 TDA18273 N110 TDA18273 C151 0.1uF/NC C151 0.1uF/NC C138 0.47uF C138 0.47uF C165 0.1uF/NC C165 0.1uF/NC L125 2.4nH_220mA_+/-0.05nH L125 2.4nH_220mA_+/-0.05nH 1 2 L110 FB_600mA/NC L110 FB_600mA/NC R160 NC/100K R160 NC/100K R113 10K/NC R113 10K/NC C109 150pF 50V 5% C109 150pF 50V 5% 1 2 L112 FB_600mA/NC L112 FB_600mA/NC C143 0.1uF/NC C143 0.1uF/NC C147 12p/NC C147 12p/NC C118 30pF 50V 5% C118 30pF 50V 5% C155 0.1uF/NC C155 0.1uF/NC C176 10uF/NC C176 10uF/NC C152 0.1uF/NC C152 0.1uF/NC C166 0.1uF/NC C166 0.1uF/NC R169 4.7K R169 4.7K R161 NC/4.7K R161 NC/4.7K R185 100R R185 100R L126 2.2nH 1000mA +/- 0.2nH L126 2.2nH 1000mA +/- 0.2nH PDF 文件以 "PDF 制作工厂" 试用版创建 ÿÿÿÿ ÿ � 5 5 4 4 3 3 2 2 1 1 D D C C B B A A AUOUTR MUTE_EN AMP_Rout+ AMP_Lout- AMP_Rout- AMP_EN AMP_Rout+ AMP_Rout- AMP_Lout+ AMP_Lout- AUOUTL AMP_Lout+ GAIN0 AMP_EN GAIN0 AR_MIC AL_MIC OP OP OP HP_MUTE +12V AMP_12V +12V AMP_12V AVDD AMP_12V AVDD 3V3_OP 5VA OP 3V3_OP AMP-MUTE AUOUTL AUOUTR MIC_LIN MIC_RIN HP_MUTE 标记 数量 签名 更改单号 日期 拟制 审核 第 张 10 10. Amplify 标记 数量 签名 更改单号 日期 拟制 审核 第 张 10 10. Amplify 标记 数量 签名 更改单号 日期 拟制 审核 第 张 10 10. Amplify MUTE Control H:OFF L:ON 8欧 姆 喇 叭 H:MUTE L:ON AMP Mic_Drive 不插:L 插入:H 3 1 2 V203 BAV99 V203 BAV99 R251 47K R251 47K C209 1uF/25V C209 1uF/25V 1 3 2 V215 3904 V215 3904 R235 10K R235 10K C211 1uF/25V C211 1uF/25V 2 2 3 3 1 1 XS623 Mic XS623 Mic R222 10K R222 10K R258 1K R258 1K C212 4.7nF/25V C212 4.7nF/25V C203 0.1uF C203 0.1uF R260 1K R260 1K 1 2 L213 NC/FB L213 NC/FB C252 2.2uF C252 2.2uF L214 15uH L214 15uH R210 100K R210 100K NC 3 AVDD 4 VIPL 1 VINL 2 AVSS 8 REXT 7 SD_B 5 FAULT_B 6 VIPR 12 VINR 11 G0 10 NC 9 PVSSR 16 OUTPR 15 BSPR 14 PVDDR 13 OUTNR 17 BSNR 18 BSNL 19 OUTNL 20 PVSSL 21 OUTPL 22 BSPL 23 PVDDL 24 PowerPAD 25 MSH9010 N202 MSH9010 N202 R224 10K R224 10K R220 2.2K R220 2.2K R221 100R R221 100R C228 1nF C228 1nF C254 0.1uF C254 0.1uF C233 10uF C233 10uF R227 1K R227 1K C239 2.2uF C239 2.2uF C231 10nF C231 10nF C224 1uF/25V C224 1uF/25V C217 1uF/25V C217 1uF/25V R231 47K R231 47K C214 2.2uF C214 2.2uF C223 0.22uF/25V C223 0.22uF/25V C238 2.2uF C238 2.2uF C246 2.2uF C246 2.2uF R212 0R R212 0R C216 1uF/25V C216 1uF/25V C250 10nF C250 10nF + C230 220uF + C230 220uF C253 2.2uF C253 2.2uF R213 1K R213 1K + C207 220uF + C207 220uF R234 100R R234 100R C255 0.1uF C255 0.1uF C226 1nF C226 1nF R256 1K R256 1K + C213 220uF + C213 220uF L212 15uH L212 15uH R237 10K R237 10K R259 820R R259 820R C875 2.2uF C875 2.2uF C208 0.47uF C208 0.47uF R250 100K R250 100K C251 10nF C251 10nF R226 33K R226 33K C247 3.3nF C247 3.3nF 3 2 1 GND IN OUT N810 WL2004_3.3V GND IN OUT N810 WL2004_3.3V R233 1K R233 1K 1 2 L203 FB_3A L203 FB_3A R229 1K R229 1K C227 0.1uF C227 0.1uF C241 2.2uF C241 2.2uF 1 2 L215 NC/FB L215 NC/FB C232 10nF C232 10nF R218 NC/10K R218 NC/10K C204 1nF C204 1nF R225 10R R225 10R 3 2 1 8 4 - + N204A AZ4558 - + N204A AZ4558 1 3 2 C C D ESD V205 PESD5VOS2BT C C D ESD V205 PESD5VOS2BT R206 1K R206 1K 1 2 L208 NC/FB L208 NC/FB R232 33K R232 33K C218 0.22uF/25V C218 0.22uF/25V R262 47K R262 47K 1 2 L205 FB_300mA L205 FB_300mA R219 47K R219 47K C876 2.2uF C876 2.2uF C243 3.3nF C243 3.3nF R215 1K R215 1K R216 20K R216 20K C236 0.1uF C236 0.1uF 1 3 2 V214 3904 V214 3904 1 2 3 4 XS201 D2006-4W XS201 D2006-4W C242 1nF C242 1nF R230 1K R230 1K C225 0.47uF C225 0.47uF R261 47K R261 47K C215 4.7nF/25V C215 4.7nF/25V 3 1 2 V206 BAV99 V206 BAV99 C234 27pF C234 27pF C235 10uF C235 10uF C245 1nF C245 1nF R223 10K R223 10K R228 0R/NC R228 0R/NC C220 0.47uF C220 0.47uF C210 0.47uF C210 0.47uF 1 GND 3 3 2 2 4 4 5 5 XS624 25003709 XS624 25003709 5 6 7 8 4 - + N204B AZ4558 - + N204B AZ4558 1 2 L211 NC/FB L211 NC/FB R214 1K R214 1K C237 27pF C237 27pF R236 1K R236 1K PDF 文件以 "PDF 制作工厂" 试用版创建 ÿÿÿÿ ÿ � 5 5 4 4 3 3 2 2 1 1 D D C C B B A A EMMC_CLK EMMC_CMD NF_CMD EMMC_RSTZ NF_RSTZ NAND_REZ PCM_D4 NAND-CEZ1 PCM_D7 NAND_WEZ PCM_D3 NAND_RBZ PCM_D0 NAND_CEZ PCM_D6 NAND_WPZ PCM_D2 NAND_ALE PCM_D1 NAND_CLE PCM_D5 NF_CLK PCM_D6 PCM_D2 PCM_D1 PCM_D7 PCM_D5 PCM_D0 PCM_D3 PCM_D4 EMMC_CMD PCM_D2 EMMC_RSTZ PCM_D3 PCM_D0 PCM_D1 PCM_D5 PCM_D6 EMMC_CLK EMMC_CMD PCM_D7 PCM_D4 NAND-CEZ NAND-CEZ2 NAND-CLE PCM_A3 NAND-REZ NAND-CEZ NAND-WEZ NAND-RBZ NAND-CEZ2 NAND-RBZ PCM_A2 NAND-WEZ NAND-ALE NAND-REZ NAND-WPZ PCM_A1 PCM_A0 PCM_A7 NAND_REZ NAND-CEZ1 NAND_WEZ NAND_CEZ NAND_RBZ NAND_WPZ NAND_CLE NAND_ALE PCM_A6 PCM_A5 NAND-CLE NAND-ALE PCM_A4 NAND-WPZ FLH_3.3V 3V3_Normal FLH_3.3V FLH_3.3V FLH_3.3V 3V3_Normal NAND_FLASH_PWR-3.3V NAND_FLASH_PWR-3.3V EMMC_CLK EMMC_CMD EMMC_RSTZ NAND-CEZ1 NAND_WEZ NAND_RBZ NAND_ALE NAND_REZ NAND_CEZ NAND_CLE NAND_WPZ PCM_A7 PCM_A6 PCM_A5 PCM_A4 PCM_A3 PCM_A2 PCM_A1 PCM_A0 标记数量 签名 更改单号 日期 拟制 审核 第 张 11 11. NAND 标记数量 签名 更改单号 日期 拟制 审核 第 张 11 11. NAND 标记数量 签名 更改单号 日期 拟制 审核 第 张 11 11. NAND iNAND FLASH iNAND FLASH Micron Nand需要NC NAND FLASH C574 NC/33pF C574 NC/33pF R453 33R R453 33R 1 2 L504 FB_600mA L504 FB_600mA R427 10K R427 10K R450 33R R450 33R C570 10uF C570 10uF R457 33R R457 33R C577 0.1uF C577 0.1uF R425 10K R425 10K C576 0.1uF C576 0.1uF R452 33R R452 33R R428 10K R428 10K R559 10K R559 10K R558 56R R558 56R R430 10K R430 10K R432 10K R432 10K R562 NC/0R R562 NC/0R C572 0.1uF C572 0.1uF R424 10K R424 10K R456 33R R456 33R R426 10K R426 10K R/B 7 RE 8 CE 9 NC6/CE2 10 NC7 11 VCC 12 VSS 13 NC8 14 NC9 15 CLE 16 ALE 17 WE 18 WP 19 NC28/VSS 48 NC27 47 NC26 46 NC25 45 D7 44 D6 43 D5 42 D4 41 VCC 37 VSS 36 NC21 35 NC20/VCC 34 NC19 33 D3 32 D2 31 D1 30 D0 29 NC0/VCC 1 NC1/VSS 2 NC2 3 NC3 4 NC4 5 NC5/R/B2 6 NC10 20 NC11 21 NC12 22 NC13/VSS 23 NC14/VCC 24 NC15/VSS 25 NC16 26 NC17 27 NC18 28 NC22/VCC 38 NC23 39 NC24 40 N516 MT29F2G08ABA N516 MT29F2G08ABA R451 33R R451 33R VDDF K9 VDDF J10 VDDF F5 VDDF E6 VDD P3 VDD P5 VDD N4 VDD M4 VDD C6 VDDi C2 VSS C4 CLK M6 CMD M5 D0 A3 D1 A4 D2 A5 D3 B2 VSS E7 VSS G5 VSS H10 VSS K8 VSS N2 VSS N5 VSS P4 VSS P6 D4 B3 D5 B4 D6 B5 D7 B6 RESETn K5 iNAND N510 iNAND iNAND N510 iNAND R455 33R R455 33R R431 10K R431 10K C573 2.2uF C573 2.2uF R454 33R R454 33R C575 0.1uF C575 0.1uF R429 10K R429 10K PDF 文件以 "PDF 制作工厂" 试用版创建 ÿÿÿÿ ÿ � 5 5 4 4 3 3 2 2 1 1 D D C C B B A A 标记数量 签名 更改单号 日期 拟制 审核 第 张 12 12.Power Block 标记数量 签名 更改单号 日期 拟制 审核 第 张 12 12.Power Block 标记数量 签名 更改单号 日期 拟制 审核 第 张 12 12.Power Block 3.3V_Wifi 200mA WIFI 350mA 6A800C电源框图 WL2004 3.3V 5V_USB 3V3_OP DEMO 1.75A 1.2V_Demod 1117 1.2V 250mA 8087 3.3V MSD6A800 MSD6A800 MSD6A800 1117 1.5V DDR3 Tuner 3V3_Normal AP3503E 500mA 360mA 2.75A MAX ME2345 1.5V_DDR3 2.5V_Normal 供EEPROM、nand flash、上拉等 供MSD6A800 & DDR3 12VAMP MC2110 AP2114 1117 3.3V_Tun 100mA 400mA 150mA 9435A VCC-Panel USB 5V +12V 5VA Max 1A Max 1A 3A Max 1A MSD6A800 3.3STB MSD6A800、KEY、IR、上拉等; 1117 350mA 5STB 100mA-300mA VCC1.13V MSD6A800 850mA 10mA FT9889 1.13V 100mA-300mA ME2345 3.3V 700mA 400mA 1.1A Max 2.5A Max 1.27A PDF 文件以 "PDF 制作工厂" 试用版创建 http://www.fineprint.com www. j dwx. i nf o 家电维修论坛 5 5 4 4 3 3 2 2 1 1 D D C C B B A A VCC12VIN VBL VBL POWER-ON +12.2Vsb VCC12VIN POWER-ON 标记数量 签名 更改单号 日期 拟制 审核 第 张 13 13.Power Flyback 标记数量 签名 更改单号 日期 拟制 审核 第 张 13 13.Power Flyback 标记数量 签名 更改单号 日期 拟制 审核 第 张 13 13.Power Flyback HOT COLD 机芯地 OLP:0.83V STB Linear Regulators BLOCK VCC:18V VIN-LATCH:5V OLP:0.83V 15V-22V(Vovp:25V) 0.9V HOT Optional Component 可选器件 (R901~R906) COLD (BD901~BD904) VDW955 HER3007 VDW955 HER3007 R906 1M/1206 R906 1M/1206 ! RW931 10R RW931 10R CW916 105 CW916 105 3 1 4 VDW957 MBRB20100CTG VDW957 MBRB20100CTG 3 1 4 VDW956 MBRB20100CTG VDW956 MBRB20100CTG RW959 30K/2W RW959 30K/2W 1 2 3 VDW916 BAV70 VDW916 BAV70 CW951 104 CW951 104 RW915 33K/1206 RW915 33K/1206 CW958 103 CW958 103 VIN 1 FB 2 SENSE 3 GND 4 GATE 5 VDD 6 NC 7 HV 8 NW907 FAN6755W NW907 FAN6755W RW954 1k RW954 1k C902 39uF/400V C902 39uF/400V CX902 275Vac-224 CX902 275Vac-224 CW910 471 CW910 471 VDW902 CHR208 VDW902 CHR208 C903 39uF/400V C903 39uF/400V RW963 10K RW963 10K R905 1M/1206 R905 1M/1206 BD901 CHR208 BD901 CHR208 CW953 470uF/25V CW953 470uF/25V RW955 10K RW955 10K CW952 102/1KV CW952 102/1KV C905 39uF/400V C905 39uF/400V 1 2 LW908 33001015 LW908 33001015 RV901 14K561 RV901 14K561 1 2 4 3 NW950 PC817B NW950 PC817B VDW921 B6V8 VDW921 B6V8 CW904 10uF/50V CW904 10uF/50V ! RW930 51R RW930 51R VDW911 FR104 VDW911 FR104 CY901 250Vac-221 CY901 250Vac-221 2 1 RW918 0.22R/2W RW918 0.22R/2W ! CW961 NC CW961 NC R902 1M/1206 R902 1M/1206 3 1 2 4 L903 15mH L903 15mH RW956 NC RW956 NC ! RW993 1K RW993 1K ! ! RW919 3.3M/1206 RW919 3.3M/1206 CW918 101/2KV CW918 101/2KV RT901 3.3R RT901 3.3R ! CY904 250Vac-471 CY904 250Vac-471 CW959 22u/250V CW959 22u/250V 1 2 LW911 LW911 RW924 NC RW924 NC ! RW965 47K RW965 47K CW956 180u/16V/ 固态 CW956 180u/16V/ 固态 RW992 330R RW992 330R RW921 1K RW921 1K RW916 10K RW916 10K 1 2 XS901 3PIN-3.96mm XS901 3PIN-3.96mm 6 1 2 4 11 7 8 10 TW901 EPC34 TW901 EPC34 RW910 56K/1206 RW910 56K/1206 BD904 CHR208 BD904 CHR208 R903 1M/1206 R903 1M/1206 CW955 104 CW955 104 CW907 471 CW907 471 RW952 16K-F RW952 16K-F RW960 10K RW960 10K 1 2 3 4 L902 5mH L902 5mH RW961 2.2M RW961 2.2M RW953 3.9K RW953 3.9K ! RW903 3.3M/1206 RW903 3.3M/1206 RW957 1k RW957 1k CW967 221/1KV CW967 221/1KV ! RW951 10R/1206 RW951 10R/1206 CW903 222p/2KV CW903 222p/2KV 3 1 2 VDW952 MBRB10100CTG VDW952 MBRB10100CTG RW967 NC/1206 RW967 NC/1206 CW968 221/1KV CW968 221/1KV CW957 22u/250V CW957 22u/250V CY902 250Vac-221 CY902 250Vac-221 CW905 105 CW905 105 RW905 270K RW905 270K RW909 10R RW909 10R 1 3 2 VW957 3904 VW957 3904 1 2 LW950 1uH LW950 1uH R904 1M/1206 R904 1M/1206 BD903 CHR208 BD903 CHR208 1 3 2 VW906 4160 VW906 4160 CW901 105 CW901 105 RW964 16K-F RW964 16K-F VDW953 HER3007 VDW953 HER3007 VDW954 1N4148 VDW954 1N4148 3 2 1 VW952 3904 VW952 3904 RW958 NC/1206 RW958 NC/1206 CW954 104 CW954 104 RW929 10k RW929 10k BD902 CHR208 BD902 CHR208 ! C901 39uF/400V C901 39uF/400V CW960 470uF/25V CW960 470uF/25V RW966 1M RW966 1M ! CX901 275Vac-224 CX901 275Vac-224 RW912 33K/1206 RW912 33K/1206 VDW915 B18V VDW915 B18V RW913 5.1K RW913 5.1K ! 1 2 F901 250V-T4AL F901 250V-T4AL 2 1 LW951 3.3uH LW951 3.3uH RW962 47K RW962 47K CW915 22uF/50V CW915 22uF/50V ! 1 2 3 VDW909 BAV70 VDW909 BAV70 RW907 2.2M RW907 2.2M CW917 105 CW917 105 1 2 NW958A PC817B NW958A PC817B R901 1M/1206 R901 1M/1206 ! ! C904 39uF/400V C904 39uF/400V 1 2 3 VDW918 BAV70 VDW918 BAV70 1 2 3 VW907 7N60L_B VW907 7N60L_B 3 1 2 VDW950 MBRB10100CTG VDW950 MBRB10100CTG CY905 250Vac-102 CY905 250Vac-102 4 1 2 3 L901 100uH L901 100uH ! RW914 33K/1206 RW914 33K/1206 VDW907 B6V8 VDW907 B6V8 3 2 1 4 HS1 37021144 HS1 37021144 RW994 1K RW994 1K 3 2 1 VW953 3904 VW953 3904 ! 2 3 1 NW952 TL431 NW952 TL431 RW917 3.3M/1206 RW917 3.3M/1206 RW906 2.7R/1206 RW906 2.7R/1206 1 2 LW909 33001015 LW909 33001015 RW911 56K/1206 RW911 56K/1206 ! CY903 250Vac-471 CY903 250Vac-471 3 4 NW958B PC817B NW958B PC817B VDW905 1N4007 VDW905 1N4007 ! VDW994 B13V VDW994 B13V PDF 文件以 "PDF 制作工厂" 试用版创建 ÿÿÿÿ @ÿ � www. j dwx. i nf o 家电维修论坛 5 5 4 4 3 3 2 2 1 1 D D C C B B A A PWM BR LED2+ LED2- LED1+ +12VAA ISEN2 PWM ISW2 OVP2 G2 ISEN2 OVP2 BR DRV2 G2 VREF1 A ISW2 DRV2 A +12VAA PWM LED1- VREF1 A PWM/ADIM BL/ON VBL VBL +12.2Vsb POWER-ON BKLT_EN BKLT_ADJ 标记数量 签名 更改单号 日期 拟制 审核 第 张 14 14.Led dirver 标记数量 签名 更改单号 日期 拟制 审核 第 张 14 14.Led dirver 标记数量 签名 更改单号 日期 拟制 审核 第 张 14 14.Led dirver 未接灯条或灯故障,电源待机保护。 单路输出时,芯片为OZ9902C,此路元件不焊。 37R5200 120mA/305V VD704 SB2200 VD704 SB2200 R735 33R R735 33R C712 104 C712 104 1 3 2 V712 3904 V712 3904 R723 1R R723 1R R752 4.7R/1206 R752 4.7R/1206 C722 105 C722 105 R736 1K R736 1K R749 4.7R/1206 R749 4.7R/1206 R750 0/1206 R750 0/1206 L702 470uH/0.75A L702 470uH/0.75A R709 100K R709 100K R724 4.7R/1206 R724 4.7R/1206 R733 1R/ 1206 R733 1R/ 1206 R762 0 R762 0 1 2 L709 L709 R754 4.7R/1206 R754 4.7R/1206 R706 120K R706 120K R748 5.1R/1206 R748 5.1R/1206 R719 33R R719 33R R714 33K R714 33K C701 22u/250V C701 22u/250V R753 510K R753 510K VD705 SB2200 VD705 SB2200 R705 10R R705 10R R726 10K R726 10K R702 100K R702 100K VD702 6.8V VD702 6.8V R715 10K R715 10K C718 474 C718 474 1 2 L706 L706 C725 101 C725 101 R737 0R R737 0R R729 1K R729 1K R727 2K R727 2K V710 1.5A400V V710 1.5A400V VD709 6.8V VD709 6.8V R767 NC/1206 R767 NC/1206 R746 510K R746 510K R718 1K R718 1K R763 NC R763 NC L701 470uH/0.75A L701 470uH/0.75A R730 33R R730 33R VD703 1N4148 VD703 1N4148 C704 104 C704 104 R770 NC/1206 R770 NC/1206 R720 1K R720 1K C707 1n C707 1n R725 10K R725 10K R708 10K R708 10K C705 1n C705 1n R760 NC R760 NC R758 NC/1206 R758 NC/1206 VD708 6.8V VD708 6.8V C755 472/1kV C755 472/1kV R711 10K R711 10K C724 472/1kV C724 472/1kV R721 33R R721 33R 1 2 L710 L710 R759 0/1206 R759 0/1206 R761 0 R761 0 L705 NC L705 NC UVLS 1 VCC 2 ENA 3 VREF 4 RT 5 PWM 6 ADIM 7 TIMER 8 SSTCMP 9 ISEN 10 PROT 11 ISW 12 OVP 13 GND 14 DRV 15 FAULT 16 N702 OZ9902C N702 OZ9902C V708 250V/2A V708 250V/2A R751 0 R751 0 R722 10K R722 10K R755 NC R755 NC R738 0R R738 0R VD701 SB2200 VD701 SB2200 UVLS 1 VCC 2 3 ENA VREF 4 RT 5 SYNC 6 PWM1 7 PWM2 8 ADIM 9 TIMER 10 SSTCMP1 11 SSTCMP2 12 ISEN2 13 PROT2 14 OVP2 15 ISW2 16 ISEN1 17 PROT1 18 OVP1 19 ISW1 20 GND 21 DRV2 22 DRV1 23 FAULT 24 N701 OZ9902A N701 OZ9902A C723 101 C723 101 R768 NC R768 NC R717 10K R717 10K R742 1M R742 1M C703 104/250V C703 104/250V L707 NC L707 NC R712 NC R712 NC VD706 6.8V VD706 6.8V C727 10u/400V C727 10u/400V R701 10K R701 10K R707 2.2M R707 2.2M R743 4.7R/1206 R743 4.7R/1206 C708 0.47u C708 0.47u R756 NC R756 NC C728 10uF/16V C728 10uF/16V R713 1M R713 1M 1 2 L711 L711 C729 101/2KV C729 101/2KV R734 1R/ 1206 R734 1R/ 1206 V709 250V/1A V709 250V/1A R704 100K R704 100K C706 0.47u C706 0.47u 1 2 3 V707 3906 V707 3906 C717 225 C717 225 R739 100R R739 100R C726 101 C726 101 1 2 L703 L703 R765 NC R765 NC R744 4.7R/1206 R744 4.7R/1206 R731 10K R731 10K R766 NC/1206 R766 NC/1206 C721 101 C721 101 R764 NC R764 NC R732 1K R732 1K C710 1n C710 1n 1 3 2 V706 3904 V706 3904 R741 13K R741 13K 1 2 3 4 5 6 7 XS701 7PIN-2.0mm XS701 7PIN-2.0mm L712 470uH/0.75A L712 470uH/0.75A VD707 SB2200 VD707 SB2200 R716 10K R716 10K V711 5A400V V711 5A400V R769 NC R769 NC 1 2 3 VD710 BAV70 VD710 BAV70 C720 105 C720 105 R703 10K R703 10K R747 5.1R/1206 R747 5.1R/1206 R745 9.1K R745 9.1K L704 470uH/0.75A L704 470uH/0.75A R728 100k R728 100k C711 1n C711 1n VD712 SB2200 VD712 SB2200 R757 NC R757 NC R740 4.7R / 1206 R740 4.7R / 1206 C709 101 C709 101 C702 101/2KV C702 101/2KV PDF 文件以 "PDF 制作工厂" 试用版创建 ÿÿÿÿ ÿ � www. j dwx. i nf o 家电维修论坛 5 5 4 4 3 3 2 2 1 1 D D C C B B A A 标记 数量 签名 更改单号 日期 拟制 审核 第 张 15 15.Revision 标记 数量 签名 更改单号 日期 拟制 审核 第 张 15 15.Revision 标记 数量 签名 更改单号 日期 拟制 审核 第 张 15 15.Revision 5-10 删除BL_AJD的5V上拉 5-11 R828改为10K,R807改为4.7K,R839改为1K 5-14 增加L816,删除N206及相关电路,更改MUTE耳机电路 5-21 删除Camera电路 5VA换成V814后产生 删除L807 LU01上拉变成5VSTB 5-30 删除XS644,XS651 删除RU16,RU17,增加RU14,RU15 网络UBS2_DM改为USB0_D- 网络USB2_DP改为USB0_D+ 删除HUB 更新主IC HDMI口对调 0608 C537,C538,C541,C542更改为0402 1uF R854上拉改为3.3V_standby V811改为2N7002 L819改为L822 删除R675、R676、R677、R678、R679、R680、R681、R682、R658、R659、R626、R630、R631、R660、R636、R661 增加RA511、RA512、RA509、RA510 增加C110,C111 R834,R858去掉NC 6-12 删除R857 L806改成6*6,R591改为NC 6-18 R828改为1K 增加NAND 6-26 增加C122,C123 增发XS621封装 7-03 USB1_D-,USB1_D+反了,对调 去掉ON_USB,增加CU23 C803改为47nF,R811改为47K 8-03 增加L509, C547,C548从NC改为0.1uF 3V3_Normal电路更改,增加V816等 删除L822 增加N807 8-30 3.3V OP改为5VA供电 9-11 R212改为0欧,R549改为330K 2013-1-14 更改F804封装 删除C847 删除L811 PDF 文件以 "PDF 制作工厂" 试用版创建 http://www.fineprint.com www. j dwx. i nf o 家电维修论坛

标签:

版权声明

1. 本站所有素材,仅限学习交流,仅展示部分内容,如需查看完整内容,请下载原文件。
2. 会员在本站下载的所有素材,只拥有使用权,著作权归原作者所有。
3. 所有素材,未经合法授权,请勿用于商业用途,会员不得以任何形式发布、传播、复制、转售该素材,否则一律封号处理。
4. 如果素材损害你的权益请联系客服QQ:77594475 处理。