康佳LED42F1300NH液晶电视35018384板(RTD2644机芯)电路原理图

分类:电子电工 日期: 点击:0
康佳LED42F1300NH液晶电视35018384板(RTD2644机芯)电路原理图-0 康佳LED42F1300NH液晶电视35018384板(RTD2644机芯)电路原理图-1 康佳LED42F1300NH液晶电视35018384板(RTD2644机芯)电路原理图-2 康佳LED42F1300NH液晶电视35018384板(RTD2644机芯)电路原理图-3 康佳LED42F1300NH液晶电视35018384板(RTD2644机芯)电路原理图-4 康佳LED42F1300NH液晶电视35018384板(RTD2644机芯)电路原理图-5 康佳LED42F1300NH液晶电视35018384板(RTD2644机芯)电路原理图-6 康佳LED42F1300NH液晶电视35018384板(RTD2644机芯)电路原理图-7 康佳LED42F1300NH液晶电视35018384板(RTD2644机芯)电路原理图-8 康佳LED42F1300NH液晶电视35018384板(RTD2644机芯)电路原理图-9

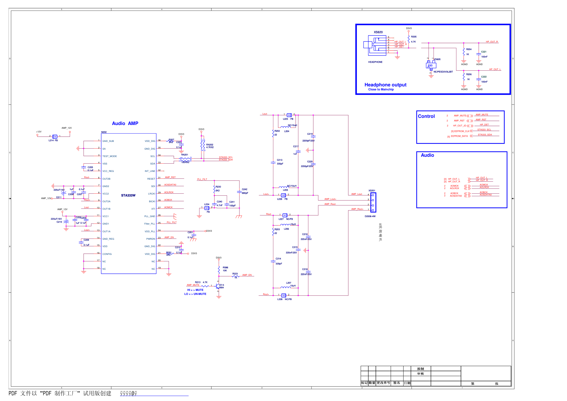
5 5 4 4 3 3 2 2 1 1 D D C C B B A A HDMI_CEC TECLKN TECLKP TECP TECN TEBN TEAN TEAP TEBP TEDN TEDP TEEN TEEP AMP_MUTE N_DATA6 N_DATA7 N_DATA4 N_DATA2 N_DATA3 N_DATA1 N_DATA0 N_DATA5 ETN_LED_TXRX IRRX LEDG AMP_MUTE HDMI_MHL_SEL SPDIF_OUT ATV_IF_AGC MAIN_TUN_SCL MAIN_TUN_SDA TUN_IF- TUN_IF+ HDMI_MHL_SEL IRRX SPDIF_OUT AMP_MUTE POWER_EN BL_EN HDMI_CEC RESET# HDMI2_D1- HDMI2_D1+ HDMI2_D2- HDMI2_D2+ HDMI2_CLK+ HDMI2_D0- HDMI2_D0+ HDMI2_CLK- HDMI0_D0+ HDMI0_D1+ HDMI0_D2- HDMI0_D1- HDMI0_CLK+ HDMI0_D2+ HDMI0_CLK- HDMI0_D0- PR0+ Y0+ PB0+ YPbPr0- N_WP#/SPI_WP# N_CE0# ETN_LED_TXRX N_WE#/SPI_DI N_CLE/SPI_SCLK N_ALE/SPI_SDO HDMI_REXT HDMI0_DDC_SDA HDMI0_DDC_SCL PANEL_EN BL_EN TP0_SYNC USB0_DM USB0_DP HOTPLUG0 MHL_IN ETN_LED_LINK ATV_IF_AGC DDR_VERF DDR_VERF Ether_TxN Ether_RxP Ether_RxN Ether_TxP OD_SEL2/INT_FREE RXO3- RXO3+ LVDS_SEL XIN XOUT RXO0- OD_SEL2/INT_FREE YPBPR1_IN_R YPBPR1_IN_L RXO1- RXO0+ RXO2- RXO1+ BB_GND RXOC- RXO2+ RXOC+ VCM_BB TOAN TOBN TODN TOCLKN TOCP TODP TOAP TOCLKP TOCN RXOC- RXOC+ RXO3- RXO3+ TOBP ETN_LED_LINK HP_OUT_R RXO0- RXO0+ RXO1- RXO1+ RXO2- RXO2+ HP_OUT_L RXE4- RXE4+ IF_N IF_P TEDN TEBP TEEP TEEN TEAP TUN_IF- TEAN TEDP TECLKN TECLKP TECP TECN TUN_IF+ TEBN RXO1- RXO3- RXO4+ RXO2+ USB0_DM Ether_TxN N_DATA4 RXO0- RXO1+ RXO3+ RXO2- RXOC+ Ether_TxP USB0_DP Ether_RxN RXO0+ RXOC- RXO4- RXE4- RXE2+ Ether_RxP USB1_DM USB1_DP RXE3+ RXE3- RXE0- RXE2- RXE1+ TP0_SYNC TP0_VAL RXEC- RXE1- RXE0+ RXE4+ RXEC+ AVOUT1 MAIN_TUN_SCL MAIN_TUN_SDA TOEP TOEN ATV_IF_AGC LVDS_SEL RXE1+ RXE3- RXE3+ RXE0- RXE1- RXE2+ RXE2- RXE0+ RXEC- RXEC+ OD_SEL2/INT_FREE LVDS_SEL RXO4+ RXO4- DTMB_TSCK DTMB_TSD0 DTMB_SYNC DTMB_VAL XOUT XIN LSADC1 LSADC0 HDMI0_DDC_SCL VGA_DDC_SCL VGA_DDC_SDA HDMI0_DDC_SDA HDMI2_DDC_SCL HDMI2_DDC_SDA HOTPLUG0 LEDG TP0_VAL HP_OUT_R RESET# HP_OUT_L YPBPR1_IN_L YPBPR1_IN_R BL_ADJ TOCLKP TODN TOCLKN TODP TOEN TOEP TOBN TOAN TOAP TOBP TOCP TOCN N_DATA0 HDMI2_HPD_CBUS N_DATA2 HDMI_MHL_SEL MHL_IN HDMI2_IN HDMI2_HPD_CBUS HDMI2_DDC_SCL HDMI2_DDC_SDA HDMI2_D2- HDMI2_D0+ HDMI2_D0- HDMI2_D1+ HDMI2_D2+ HDMI2_D1- HDMI2_CLK+ HDMI2_CLK- VGA_DDC_SCL VGA_DDC_SDA BL_ADJ HDMI_CEC HDMI0_D1- HDMI0_D1+ HDMI0_D2- HDMI0_D2+ HDMI0_CLK- HDMI0_CLK+ HDMI0_D0- HDMI0_D0+ N_ALE/SPI_SDO N_DATA3 HDMI2_IN LSADC1 LSADC0 N_WE#/SPI_DI AVOUT1 N_DATA7 N_DATA6 N_DATA5 N_DATA4 N_DATA3 N_DATA2 N_DATA1 N_DATA0 N_RDY N_CLE/SPI_SCLK N_CE0# N_RE# N_ALE/SPI_SDO POWER_EN PR0+ Y0+ YPbPr0- PB0+ RESET# AMP_MUTE USB1_DM USB1_DP N_RE# N_RDY HP_OUT_JD N_CLE/SPI_SCLK DDR_VERF DMBT_StandBy N_CE1# MAIN_TUN_SDA MAIN_TUN_SCL AOMCK AOSDATA0 AOBCK AOMCK AOLRCK N_CE1# AOSDATA0 AOLRCK AOBCK N_WP#/SPI_WP# PANEL_EN SPI_CS# SPI_CS# N_CE0# N_DATA1 HP_OUT_JD EEPROM_CLK EEPROM_CLK EEPROM_WP EEPROM_WP EEPROM_DATA EEPROM_DATA AMP-RST DMBT_StandBy RXO0- RXO0+ RXO1- RXO1+ RXOC- RXOC+ RXO2- RXO3- RXO2+ RXO3+ AMP-RST Demod_RST Demod_RST M3V3 D3V3 LVDS_3V3 M3V3 AGND DGND M3V3 AGND CORE_1V1 CORE_1V1 V33POR STB_1V0 A3V3 AGND VDD33A_STB CORE_1V1 HDMI_VA33 AGND AGND IO_3V3 CORE_1V1 VDD33A_STB AGND DDR_POWER M3V3 AGND DDR_POWER VCC_Panel 3V3_P 3V3_P 3V3_P VDD33A_MAIN CORE_1V1 AGND VCC_Panel CORE_1V1 BB_GND AGND AGND M3V3 ETN_1V1 ETN_1V1 ETN_3V3 D3V3 AGND AGND VDD33A_MAIN VCC_Panel M3V3 AGND PLL_GND PLL_GND M3V3 AGND PLL_GND AGND AGND IO_3V3 M3V3 AGND M3V3 DGND DGND STB_1V0 DDR_POWER AGND DGND A3V3 DGND A3V3 HDMI_VA33 DGND AGND DGND D3V3 V33POR AGND VDD33A_MAIN AGND VDD33A_STB AGND VDD33A_STB A3V3 DGND AGND VDD33A_MAIN M3V3 LVDS_3V3 M3V3 DGND D1V1 CORE_1V1 DGND M3V3 IO_3V3 DDR_POWER DDR_POWER DGND ETN_3V3 ETN_1V1 AGND CORE_1V1 AGND M3V3 M3V3 HDMI_MHL_SEL [5,10] AMP_MUTE [5,11] SPDIF_OUT [10,13] RESET# [5] TS_TSD0 [17] AVOUT1 [13] HDMI_MHL_SEL [5,10] MHL_IN [10] HDMI2_IN [10] HDMI2_D2+ [10] HDMI2_D2- [10] HDMI2_D1+ [10] HDMI2_D1- [10] HDMI2_D0+ [10] HDMI2_D0- [10] HDMI2_CLK+ [10] HDMI2_CLK- [10] HDMI2_DDC_SCL [10] HDMI2_DDC_SDA [10] BL_EN [6] PANEL_EN [6] TUN_IF- [14] TUN_IF+ [14] ATV_IF_AGC [14] BL_ADJ [6] N_WP#/SPI_WP# [4] POWER_EN [2] YPBPR1_IN_L [8] YPBPR1_IN_R [8] HP_OUT_L [9] HP_OUT_R [9] PB0+ [8] YPbPr0- [8] Y0+ [8] PR0+ [8] VGA_DDC_SDA [5,9] VGA_DDC_SCL [5,9] IRRX [16] LEDG [16] HOTPLUG0 [10] HDMI0_CLK- [10] HDMI0_CLK+ [10] HDMI0_D0- [10] HDMI0_D0+ [10] HDMI0_D1+ [10] HDMI0_D2- [10] HDMI0_D2+ [10] HDMI0_D1- [10] HDMI_CEC [10] HDMI0_DDC_SDA [10] HDMI0_DDC_SCL [10] LSADC1 [16] LSADC0 [16] HP_OUT_JD [9,11] AMP_MUTE [5,11] USB1_DP [12] USB1_DM [12] Ether_TxP [15] Ether_TxN [15] Ether_RxP [15] Ether_RxN [15] N_DATA0 [4] N_DATA1 [4] N_DATA2 [4] N_DATA3 [4] N_DATA4 [4] N_DATA5 [4] N_DATA6 [4] N_DATA7 [4] N_CE1# [4] N_CE0# [4] N_WE#/SPI_DI [4] N_RE# [4] N_RDY [4] N_CLE/SPI_SCLK [4] N_ALE/SPI_SDO [4] USB0_DM [12] USB0_DP [12] HDMI2_HPD_CBUS [10] DMBT_StandBy M_SDA 3,16 M_SCL 3,16 TS_VLD 3,13 TS_CLK 3,13 TS_SYNC 3,13 AOLRCK AOMCK AOBCK AOSDATA0 SPI_CS# [3] MAIN_TUN_SCL [14,17] MAIN_TUN_SDA [14,17] EEPROM_CLK [5] EEPROM_WP [11] EEPROM_DATA [5] AMP_RST 2 Demod_RST 3,7,16 标记数量 签名 更改单号 日期 第 张 审核 拟制 标记数量 签名 更改单号 日期 第 张 审核 拟制 标记数量 签名 更改单号 日期 第 张 审核 拟制 For Layout Reserved Demod TPS signal ST_GPIO11 JTAG_TRST# ST_GPIO12 ST_GPIO19 JTAG_TDI ST_GPIO21 ST_GPIO20 For EJTAG JTAG_TCLK JTAG_TMS JTAG_TDO To Tuner ECC_bit0 (GPIO44 Pin 54) 0 : 6 bit 1 : 12 bit PLL Enable (GPIO0 Pin 38) 0 : Disable PLL 1 : Enable PLL To Power To HDMI/MHL 0 : 2K 1 : 4K 2 : 8K To Audio in/out Reserved for debug HIF_Selection_n (GPIO42 Pin 49) 0 : HIF Enable 1 : HIF Disable ROM boot (GPIO35 Pin 53) 0 : boot from ROM 1 : don't boot from ROM EJTAG (STGPIO11 Pin 109) 0 : enable 1 : disable Default 1 1 0 1 RANDOM_ACCESS_MODE (GPIO48 Pin 58) 0 : disable 1 : enable 1 To Ethernet 标清FFC CS22,CS32 Close to SoC Pin LG/CMI LVDS 高清FFC 0 Make on board 0 Close to Pin V10LDO(STB) 0 To Video input 0 To HDMI To Keypad PAGE_SIZE_bit0 (GPIO46 Pin 56) Power On Latch (Power-on-latch Pin don't use as input function) FLASH_TYPE_bit0 (GPIO45 Pin 55) 0 : NAND 1 : SPI 1 1 Didoe forward voltage smaller than 0.3V To Flash ROM PAGE_SIZE_bit1 (GPIO47 Pin 57) To USB To AMP for layout Interface IIS Test Point 1 2 3 4 5 6 7 8 9 10 11 12 13 14 15 16 17 18 19 20 21 22 23 24 25 26 27 28 29 30 31 32 XS501 32Pin_FPC XS501 32Pin_FPC C572 100nF C572 100nF C576 2.2uF C576 2.2uF R550 4K7 R550 4K7 C502 NC/22pF C502 NC/22pF L519 0R L519 0R R503 0R R503 0R 100nF C554 100nF C554 C503 NC/22pF C503 NC/22pF 1 1 TPD8 TPD8 L515 NM/BEAD L515 NM/BEAD 2.2uF C553 2.2uF C553 C512 2.2uF C512 2.2uF C532 100nF C532 100nF L520 BEAD/1206 L520 BEAD/1206 1 1 TPD7 TPD7 R524 NC/4K7 R524 NC/4K7 1 RXO2+ RXO2+ R531 NM/4K7 R531 NM/4K7 C513 100nF C513 100nF C575 100nF C575 100nF 1 RXO3+ RXO3+ 7 5 3 1 8 6 4 2 RA504 22RX4 7 5 3 1 8 6 4 2 RA504 22RX4 R515 0R R515 0R R504 100/NC R504 100/NC C507 100nF C507 100nF R530 4K7 R530 4K7 1 RXO1+ RXO1+ 1 RXO2- RXO2- R572 0R R572 0R R517 NM R517 NM R570 4K7 R570 4K7 R573 0R R573 0R C551 100nF C551 100nF VDAC_OUT / GPIO129 1 V11CORE 2 AV33_AU 3 AIN_1L 4 AIN_1R 5 AIN_2L / GPIO130 6 AIN_2R / GPIO131 7 AIN_3L / GPIO132 8 AIN_3R / GPIO133 9 BB_GND 10 AIOL / GPIO136 11 AIOR / GPIO137 12 VCM_BB 13 HP_L / GPIO138 14 HP_R / GPIO139 15 BB_CBP 16 BB_CBN 17 BB_CPVEE 18 CP_AOUT_L 19 CP_AOUT_R 20 XIN 21 XOUT 22 V25IFADC 23 IF_N 24 IF_P 25 V11ETN 26 V33ETN 27 ETN_TXP 28 ETN_TXN 29 V11_FE_ETN 30 ETN_RXP 31 ETN_RXN 32 U0DM 33 U0DP 34 U1DM 35 U1DP 36 AV33_IFADC 37 RF_IF AGC / GPIO0 38 TUNER_SCL / GPIO1 39 TUNER_SDA / GPIO2 40 V11CORE 41 TP0_D0 / GPIO16 42 TP0_SYNC / GPIO17 43 TP0_VAL / GPIO18 44 CBUS 132 RESET 131 CEC 130 V10LDO 129 V33POR 128 LSADC7 / ST_GPIO6 127 LSADC2 / ST_GPIO3 126 LSADC1 / ST_GPIO2 125 LSADC0 / ST_GPIO1 124 LSADC_REF/ ST_GPIO0 123 HDMI0_DDC_SDA / ST_GPIO24 122 HDMI0_DDC_SCL / ST_GPIO23 121 HDMI_HPD0 / ST_GPIO22 120 HDMI1_DDC_SDA / ST_GPIO21 119 HDMI1_DDC_SCL / ST_GPIO20 118 HDMI_HPD1 / ST_GPIO19 117 HDMI2_DDC_SDA / ST_GPIO18 116 HDMI2_DDC_SCL / ST_GPIO17 115 HDMI_HPD2 / ST_GPIO16 114 VGA_DDC_SCL / UARRX / ST_GPIO15 113 VGA_DDC_SDA / UARTX / ST_GPIO14 112 ST_GPIO13 111 ST_GPIO12 110 ST_GPIO11 109 ST_GPIO10 108 HDMI_ARC / ST_GPIO9 107 IRRX / ST_GPIO8 106 ST_GPIO7 105 V11CORE 104 LVDSB_AN / GPIO80 103 LVDSB_AP / GPIO79 102 LVDSB_BN / GPIO78 101 LVDSB_BP / GPIO77 100 LVDSB_CN / GPIO76 99 LVDSB_CP / GPIO75 98 LVDSB_DN / GPIO74 97 LVDSB_DP / GPIO73 96 LVDSB_EN / GPIO72 95 LVDSB_EP / GPIO71 94 LVDSB_FN / GPIO70 93 LVDSB_FP / GPIO69 92 GPIO84 91 GPIO83 90 V33LVDS 89 E-PAD 177 V11CORE 176 AV33_VADC_MHL 175 VIN_9P / GPIO121 174 VIN_A0N / GPIO123 173 V25VADC 172 G33VADC 171 VIN_5P 170 VIN_4P 169 VIN_Y0N 168 VIN_3P 167 VIN_2P / GPIO116 166 VIN_1P / GPIO115 165 VIN_BN / GPIO114 164 VIN_0P / GPIO113 163 HSYNCVIN / GPIO112 162 VSYNCVIN / GPIO111 161 HDMI_REXT 160 AV33_HDMI 159 RX0_RP 158 RX0_RN 157 RX0_GP 156 RX0_GN 155 RX0_BP 154 RX0_BN 153 RX0_CKP 152 RX0_CKN 151 RX1_RP 150 RX1_RN 149 RX1_GP 148 RX1_GN 147 RX1_BP 146 RX1_BN 145 RX1_CKP 144 RX1_CKN 143 RX2_RP 142 RX2_RN 141 RX2_GP 140 RX2_GN 139 RX2_BP 138 RX2_BN 137 RX2_CKP 136 RX2_CKN 135 AV33_VADC_MHL 134 V11CORE 133 TP0_CLK / GPIO19 45 SPI_SCK/ NF_CLE / GPIO39 46 SPI_DI / NF_WR / GPIO40 47 SPI_CS_N / GPIO41 48 SPI_DO / NF_ALE / GPIO42 49 VDDR_POWER 50 VDDR_POWER 51 V33IO 52 NF_CE0 / GPIO35 53 NF_D0 / GPIO44 54 NF_D1 / GPIO45 55 NF_D2 / GPIO46 56 NF_D3 / GPIO47 57 NF_D4 / GPIO48 58 NF_D5 / GPIO49 59 NF_D6 / GPIO50 60 NF_D7 / GPIO51 61 NF_RD / GPIO52 62 NF_RDY / GPIO56 63 UART_RX / GPIO53 64 UART_TX / GPIO54 65 V33IO 66 VDDR_POWER 67 VDDR_POWER 68 VREF_DDR 69 V11CORE 70 VREF_DDR 71 VDDR_POWER 72 VDDR_POWER 73 GPIO141 74 GPIO81 75 GPIO82 76 LVDSA_FP / GPIO57 77 LVDSA_FN / GPIO58 78 LVDSA_EP / GPIO59 79 LVDSA_EN / GPIO60 80 LVDSA_DP / GPIO61 81 LVDSA_DN / GPIO62 82 LVDSA_CP / GPIO63 83 LVDSA_CN / GPIO64 84 LVDSA_BP / GPIO65 85 LVDSA_BN / GPIO66 86 LVDSA_AP / GPIO67 87 LVDSA_AN / GPIO68 88 main chip N501 main chip N501 L514 BEAD L514 BEAD L506 0R L506 0R R520 4K7 R520 4K7 L512 0 ohm L512 0 ohm R506 0R R506 0R C542 10uF/X5R/10V C542 10uF/X5R/10V R536 0R R536 0R C546 100nF C546 100nF R510 1K 1% R510 1K 1% R509 1K 1% R509 1K 1% R523 4K7 R523 4K7 1 2 VD501 1N4148_NC VD501 1N4148_NC C559 2.2uF C559 2.2uF C567 100nF C567 100nF C547 100nF C547 100nF C565 100nF C565 100nF R521 4K7 R521 4K7 R571 0R R571 0R R508 390R R508 390R L503 BEAD L503 BEAD 47nF C526 47nF C526 C519 100nF C519 100nF 1 RXOC- RXOC- C566 100nF C566 100nF 7 5 3 1 8 6 4 2 RA503 22RX4 7 5 3 1 8 6 4 2 RA503 22RX4 C504 NC/22pF C504 NC/22pF R532 4K7 R532 4K7 R522 NM/4K7 R522 NM/4K7 L531 0 ohm L531 0 ohm L521 BEAD L521 BEAD C557 2.2uF C557 2.2uF C561 100nF C561 100nF R519 4K7 R519 4K7 2.2uF C537 2.2uF C537 47nF C524 47nF C524 1 RXO1- RXO1- 1 RXO0- RXO0- C550 10uF/X5R/10V C550 10uF/X5R/10V R558 NC/4.7K R558 NC/4.7K C590 10uF/X5R/10V C590 10uF/X5R/10V R525 NC/4K7 R525 NC/4K7 C573 100nF C573 100nF C587 1uF C587 1uF C588 1uF C588 1uF C510 100nF C510 100nF C563 10uF/X5R/10V C563 10uF/X5R/10V 2.2uF C536 2.2uF C536 C544 10uF/X5R/10V C544 10uF/X5R/10V 2 4 1 3 RA512 22RX2 2 4 1 3 RA512 22RX2 C511 2.2uF C511 2.2uF R553 33 R553 33 L513 BEAD L513 BEAD R514 4K7 R514 4K7 1 1 2 2 3 3 4 4 5 5 6 6 7 7 8 8 9 9 10 10 11 11 12 12 13 13 14 14 15 15 16 16 17 17 18 18 19 19 20 20 21 21 22 22 23 23 24 24 25 25 26 26 27 27 28 28 29 29 30 30 31 31 32 32 33 33 34 34 35 35 36 36 37 37 38 38 39 39 40 40 41 41 42 42 43 43 44 44 45 45 46 46 47 47 48 48 49 49 50 50 51 51 52 52 53 53 XS502 51Pin_FPC XS502 51Pin_FPC C509 100nF C509 100nF C549 100nF C549 100nF 2.2uF C535 2.2uF C535 C552 10uF/X5R/10V C552 10uF/X5R/10V R574 0R R574 0R R535 NM/4K7 R535 NM/4K7 R518 NC/4K7 R518 NC/4K7 2 4 1 3 RA505 22RX2 2 4 1 3 RA505 22RX2 C564 10uF/X5R/10V C564 10uF/X5R/10V C516 10uF/X5R/10V C516 10uF/X5R/10V Z501 27MHz@CL=20pF Z501 27MHz@CL=20pF R562 0 R562 0 C589 10uF/X5R/10V C589 10uF/X5R/10V R552 NM/4K7 R552 NM/4K7 C578 100nF C578 100nF R516 NC/4K7 R516 NC/4K7 C583 20pF C583 20pF R555 33 R555 33 R501 NC/100 R501 NC/100 2 4 1 3 RA514 22RX2 2 4 1 3 RA514 22RX2 R502 NC/0R R502 NC/0R 7 5 3 1 8 6 4 2 RA511 22RX4 7 5 3 1 8 6 4 2 RA511 22RX4 L504 BEAD L504 BEAD C584 20pF C584 20pF 1 RXO0+ RXO0+ C562 10uF/X5R/10V C562 10uF/X5R/10V C579 100nF C579 100nF C577 100nF C577 100nF R556 33 R556 33 R512 10K R512 10K R527 27K R527 27K 1 RXO3- RXO3- C501 0.1uF C501 0.1uF 1uF C555 1uF C555 7 5 3 1 8 6 4 2 RA510 22RX4 7 5 3 1 8 6 4 2 RA510 22RX4 1 RXOC+ RXOC+ L510 BEAD L510 BEAD C570 100nF C570 100nF R507 1K R507 1K C545 10uF C545 10uF L502 BEAD L502 BEAD C558 100nF C558 100nF C505 NC/22pF C505 NC/22pF LS13 0R LS13 0R C508 100nF C508 100nF L509 BEAD L509 BEAD R551 6.2K 1% R551 6.2K 1% 2 4 1 3 RA513 22RX2 2 4 1 3 RA513 22RX2 R534 NC/4K7 R534 NC/4K7 L518 BEAD/1206 L518 BEAD/1206 C571 2.2uF C571 2.2uF R554 33 R554 33 1 1 TPD15 TPD15 47nF C525 47nF C525 R533 0R R533 0R R561 NC/4.7K R561 NC/4.7K R529 NM/4K7 R529 NM/4K7 R557 4K7 R557 4K7 47nF C527 47nF C527 PDF 文件以 "PDF 制作工厂" 试用版创建 ÿÿÿÿ @ÿ � 5 5 4 4 3 3 2 2 1 1 D D C C B B A A D0M D0P VBUS D1P D0M D0P D1P D1M D1M VBUS1 VBUS2 HDMI_CEC HDMI2_D2+_ HDMI2_D2-_ HDMI2_DDC_SCL HDMI2_DDC_SDA HDMI2_D1-_ HDMI2_D1+_ HDMI2_D1- HDMI2_D1+ HDMI2_CLK+_ HDMI2_CLK-_ HDMI2_CLK+ HDMI2_CLK- HDMI2_D2-_ HDMI2_D2+ HDMI2_D2- HDMI2_DDC_SCL HDMI2_HPD_CBUS HDMI2_D0-_ HDMI2_D0+_ HDMI2_CLK-_ HDMI2_CLK+_ GND GND HDMI_CEC HDMI2_SDA# HDMI2_SCL# HDMI2_D2+_ HDMI2_D1+_ HDMI2_D1-_ GND HDMI2/5V USB1_DM USB1_DP USB0_DM USB0_DP HDMI2_DDC_SDA D0P D0M MHL_IN HDMI2_IN HDMI2_HPD_CBUS HDMI2_DDC_SCL HDMI2_DDC_SDA HDMI2_D2- HDMI2_D0+ HDMI2_D0- HDMI2_D1+ HDMI2_D2+ HDMI2_D1- HDMI2_CLK+ HDMI2_CLK- MHL_IN HDMI_CEC HDMI0_DDC_SCL HDMI0_DDC_SDA HDMI0_D2-_ HDMI0_DDC_SCL HDMI0_D0-_ HDMI0_D0+_ HDMI0_CLK-_ HDMI0_CLK+_ GND GND HDMI_CEC HDMI0_SDA# HDMI0_SCL# HDMI0_D2+_ HDMI0_D1+_ HDMI0_D1-_ GND HDMI0_HPD HDMI0/5V HDMI0_DDC_SDA HDMI0_D2+_ HDMI0_D2-_ HDMI0_D1-_ HDMI0_D1+_ HDMI0_D1- HDMI0_D1+ HDMI0_CLK+_ HDMI0_CLK-_ HDMI0_CLK+ HDMI0_CLK- HDMI0_D2+ HDMI0_D2- HDMI_CEC HDMI0_D1- HDMI0_D1+ HDMI0_D2- HDMI0_D2+ HDMI0_CLK- HDMI0_CLK+ HDMI0_D0- HDMI0_D0+ HDMI0_DDC_SDA HDMI0_DDC_SCL HOTPLUG0 GND HDMI0_CON_PIN14 HDMI0_CON_PIN14 SPDIF_OUT HDMI0_CON_PIN14 SPDIF_OUT HDMI2_HPD_CBUS HDMI2/5V HDMI_MHL_SEL HDMI_MHL_SEL GND HDMI2_IN USB0_DP USB0_DM USB1_DP USB1_DM HDMI2_HPD_CBUS HDMI2_IN HDMI_MHL_SEL MHL_IN MHL_IN HDMI2_D0+_ HDMI2_D0-_ HDMI2_D0+ HDMI2_D0- HDMI0_D0+ HDMI0_D0- HDMI0_D0+_ HDMI0_D0-_ 5VA 3.3V_WIFI 3.3V_WIFI HDMI0/5V DGND 5VA DGND DGND MHL/5V DGND D3V3 MHL/5V 5VA HDMI2/5V 5VA HDMI0/5V 5VA HDMI_CEC USB1_DP [12] USB1_DM [12] USB0_DM [12] USB0_DP [12] MHL_IN [10] HDMI2_IN [10] HDMI2_D2+ [10] HDMI2_D2- [10] HDMI2_D1+ [10] HDMI2_D1- [10] HDMI2_D0+ [10] HDMI2_D0- [10] HDMI2_CLK+ [10] HDMI2_CLK- [10] HDMI2_DDC_SCL [10] HDMI2_DDC_SDA [10] HDMI2_HPD_CBUS [10] HDMI_CEC HOTPLUG0 HOTPLUG0 [10] HDMI0_CLK- [10] HDMI0_CLK+ [10] HDMI0_D0- [10] HDMI0_D0+ [10] HDMI0_D1+ [10] HDMI0_D2- [10] HDMI0_D2+ [10] HDMI0_D1- [10] HDMI_CEC [10] HDMI0_DDC_SDA [10] HDMI0_DDC_SCL [10] SPDIF_OUT HDMI_MHL_SEL [5,10] HDMI2_HPD_CBUS HDMI2_IN HDMI_MHL_SEL MHL_IN 标记数量 签名 更改单号 日期 第 张 审核 拟制 标记数量 签名 更改单号 日期 第 张 审核 拟制 标记数量 签名 更改单号 日期 第 张 审核 拟制 USB PORT Near Connector Wifi To HDMI HDMI 1.4 ARC Fun. HDMI2/MHL Make on board HDMI0/ ARC Make on board hotplug/CBUS control MHL power control CBUS & HPD pin share HDMI: HPD MHL : CBUS HDMI_IN High: without HDMI cable Low : with HDMI cable MHL_IN High: with MHL cable Low : without MHL cable HDMI_MHL_SEL: 1 (HDMI) HDMI_MHL_SEL: 0 (MHL) 低有效 防 止 电 流 倒 灌 防 止 电 流 倒 灌 SHELL1 20 SHELL2 21 D2+ 1 D2 Shield 2 D2- 3 D1+ 4 D1 Shield 5 D1- 6 D0+ 7 D0 Shield 8 D0- 9 CK+ 10 CK Shield 11 CK- 12 CEC 13 NC 14 DDC CLK 15 DDC DATA 16 GND 17 +5V 18 HP DET 19 SHELL3 22 SHELL4 23 XS601 HDMI_con XS601 HDMI_con R660 10K R660 10K 4 3 2 1 5 6 7 4 3 2 1 XSU02 USB V Connector 4 3 2 1 XSU02 USB V Connector CU04 0.1uF CU04 0.1uF 1 2 3 V609 2N3904 V609 2N3904 1 2 L815 FB_3A L815 FB_3A 3 1 4 2 RA603 0RX2 3 1 4 2 RA603 0RX2 FU01 0R/1206 FU01 0R/1206 R670 10K R670 10K R663 0 R663 0 1 2 3 V611 3904 V611 3904 3 1 4 2 RA604 4.7KX2 3 1 4 2 RA604 4.7KX2 RU01 0R RU01 0R 3 1 4 2 RA605 0RX2 3 1 4 2 RA605 0RX2 NC/0.1uF C615 NC/0.1uF C615 R659 39K R659 39K R651 4.7K R651 4.7K CU03 10uF/10V CU03 10uF/10V 3 1 4 2 RA606 4.7KX2 3 1 4 2 RA606 4.7KX2 7 5 3 1 8 6 4 2 RA516 00RX4 7 5 3 1 8 6 4 2 RA516 00RX4 SHELL1 20 SHELL2 21 D2+ 1 D2 Shield 2 D2- 3 D1+ 4 D1 Shield 5 D1- 6 D0+ 7 D0 Shield 8 D0- 9 CK+ 10 CK Shield 11 CK- 12 CEC 13 NC 14 DDC CLK 15 DDC DATA 16 GND 17 +5V 18 HP DET 19 SHELL3 22 SHELL4 23 XS602 HDMI_con XS602 HDMI_con R671 NM/4.7K R671 NM/4.7K R662 0 R662 0 R673 1K R673 1K 7 5 3 1 8 6 4 2 RA506 00RX4 7 5 3 1 8 6 4 2 RA506 00RX4 C602 0.1uF C602 0.1uF 7 5 3 1 8 6 4 2 RA515 00RX4 7 5 3 1 8 6 4 2 RA515 00RX4 C603 10uF C603 10uF R692 10K R692 10K R652 100R R652 100R C616 100nF C616 100nF + CU01 220uF/16V + CU01 220uF/16V 1 2 3 4 XSU10 D2006-4W XSU10 D2006-4W 1 2 3 5 6 4 NU01 IP4223CZ6 NU01 IP4223CZ6 7 5 3 1 8 6 4 2 RA508 00RX4 7 5 3 1 8 6 4 2 RA508 00RX4 4 3 2 1 5 6 7 4 3 2 1 XSU01 USB V Connector 4 3 2 1 XSU01 USB V Connector RU03 0R RU03 0R CU20 10uF CU20 10uF 1 2 3 V608 2N3904 V608 2N3904 3 1 2 VD603 BAT54C VD603 BAT54C R638 300K R638 300K VIN 5 EN 4 GND 2 VOUT 1 /OC 3 QA601 G5250M2 QA601 G5250M2 C617 0.1uF/16V C617 0.1uF/16V R657 1.8K R657 1.8K R653 300K R653 300K R672 0R R672 0R R639 10K R639 10K CU02 10uF/10V CU02 10uF/10V 3 1 2 VD602 BAT54C VD602 BAT54C R654 1K R654 1K 7 5 3 1 8 6 4 2 RA509 00RX4 7 5 3 1 8 6 4 2 RA509 00RX4 C618 10nF C618 10nF CU05 0.1uF CU05 0.1uF CU21 10nF CU21 10nF 7 5 3 1 8 6 4 2 RA517 00RX4 7 5 3 1 8 6 4 2 RA517 00RX4 R661 0 R661 0 R691 100K R691 100K R655 47K R655 47K RU02 0R RU02 0R R658 1K R658 1K R650 4.7K R650 4.7K R656 10K R656 10K 1 3 2 V604 2N3906 V604 2N3906 RU04 0R RU04 0R 7 5 3 1 8 6 4 2 RA518 00RX4 7 5 3 1 8 6 4 2 RA518 00RX4 PDF 文件以 "PDF 制作工厂" 试用版创建 ÿÿÿÿ ÿ � 5 5 4 4 3 3 2 2 1 1 D D C C B B A A PR0+ YPbPr0- Y0+/AV2 YPbPr0- PB0+ VGA_DDC_SCL VGA_DDC_SDA YPBPR1_IN_L YPBPR1_IN_R PR_IN_1 PB_IN_1 Y_IN_1 PR_IN_1 Y_IN_1 PB_IN_1 CVBS_OUT1 AVOUT1 AVOUT1 PR_IN_1 Y0+/AV2 YPbPr0- PB0+ YPbPr0- PR0+ YPbPr0- PB_IN_1 Y_IN_1 YPbPrR_IN YPbPrL_IN AV_OUT UART_TX1 UART_RX1 YPBPR1_IN_L YPBPR1_IN_R YPbPrL_IN YPbPrR_IN AV_OUT AGND D3V3 D3V3 DGND Y0+ 2 YPbPr0- 2 PB0+ 2 PR0+ 2 YPbPr0- 2 VGA_DDC_SDA 2 VGA_DDC_SCL 2 YPBPR1_IN_L 2 YPBPR1_IN_R 2 AVOUT1 [3,10] VGA_DDC_SDA VGA_DDC_SCL 标记数量 签名 更改单号 日期 第 张 审核 拟制 标记数量 签名 更改单号 日期 第 张 审核 拟制 标记数量 签名 更改单号 日期 第 张 审核 拟制 Video Input VGA Input Audio ESD YPbPr & AV2 Input VideoOutput Video OUT & AV Audio in R647 NC/75 R647 NC/75 3 1 4 2 RA602 NC/4.7KX2 3 1 4 2 RA602 NC/4.7KX2 C609 5PF/50V C609 5PF/50V C605 470pF/10V C605 470pF/10V C610 NC/0.1 C610 NC/0.1 C607 5PF/50V C607 5PF/50V R614 100R R614 100R C606 470pF/10V C606 470pF/10V 1 2 VD601 5.6V VD601 5.6V R619 100R R619 100R 6 4 1 3 5 2 7 XS607 AV XS607 AV R611 10K R611 10K R622 100R R622 100R R646 0R R646 0R R608 6.8K R608 6.8K 1 2 3 5 4 6 N602 NC/IP4223CZ6 N602 NC/IP4223CZ6 R609 6.8K R609 6.8K R645 NC/10K R645 NC/10K R644 75R R644 75R R610 10K R610 10K R620 75R R620 75R R623 100R R623 100R 6 4 1 3 5 2 XS608 ypbpr XS608 ypbpr R616 75R R616 75R R624 100R R624 100R R613 75R R613 75R C608 5PF/50V C608 5PF/50V R612 100R R612 100R R617 100R R617 100R 3 1 4 2 RA601 100RX2 3 1 4 2 RA601 100RX2 1 2 3 4 XS510 NC_2.0MM*4 XS510 NC_2.0MM*4 PDF 文件以 "PDF 制作工厂" 试用版创建 ÿÿÿÿ ÿ � 5 5 4 4 3 3 2 2 1 1 D D C C B B A A Rout+ STA333_SCL STA333_SDA Lout+ AMP_Rout- AMP_Rout+ AMP_Lout- AMP_Lout+ Lout- Rout- AOLRCK AOMCK AOSDATA0 AOBCK HP_OUT_R HP_OUT_L HP_OUT_L HP_OUT_R HP_OUT_L HP_OUT_R AOMCK AOBCK AOSDATA0 AOLRCK STA333_SCL STA333_SDA HP_DET HP_DET PLL_FILT PLL_FILT AMP_EN AMP_RST Rout- Rout+ Lout- Lout+ AMP_RST AMP_MUTE AMP_EN AMP_MUTE AMP_12V AGND AGND AGND AGND D3V3 AMP_12V +12V AMP_12V D3V3 D3V3 D3V3 D3V3 D3V3 AOLRCK 2 AOMCK 2 AOSDATA0 2 AOBCK 2 HP_OUT_L [3] HP_OUT_R [3] HP_OUT_JD 2 AMP_RST 2 AMP_MUTE 2 EEPROM_CLK [5] EEPROM_DATA [5] 标记数量 签名 更改单号 日期 第 张 审核 拟制 标记数量 签名 更改单号 日期 第 张 审核 拟制 标记数量 签名 更改单号 日期 第 张 审核 拟制 Audio AMP Audio Close to Mainchip Headphone output Control 8欧 姆 喇 叭 LO = > UN-MUTE HI = > MUTE 5 4 2 3 6 7 1 XS620 HEADPHONE XS620 HEADPHONE C202 1uF C202 1uF R230 2K2 R230 2K2 1 2 L214 FB L214 FB C216 220nF/25V C216 220nF/25V R207 3R3 R207 3R3 C203 0.1uF C203 0.1uF C240 4.7nF C240 4.7nF R223 1K R223 1K 3 1 4 2 RA202 4.7KX2 3 1 4 2 RA202 4.7KX2 C223 0.1uF C223 0.1uF + C211 220uF/16V + C211 220uF/16V R204 1K R204 1K 1 3 2 C C D ESD VD605 NC/PESD3V3L2BT C C D ESD VD605 NC/PESD3V3L2BT 1 2 L227 NC/FB L227 NC/FB 3 1 4 2 RA201 100RX2 3 1 4 2 RA201 100RX2 L206 15uH L206 15uH R586 10K R586 10K C215 220nF/25V C215 220nF/25V C208 1uF C208 1uF TEST_MODE 3 VSS 4 GND_SUB 1 SA 2 VCC2 8 GND2 7 VCC_REG 5 OUT2B 6 GND1 12 VCC1 11 OUT1B 10 OUT2A 9 BICKI 28 XTI 27 PLL_GND 26 Filter_PLL 25 LRCKI 29 SDI 30 RESET 31 INT_LINE 32 SDA 33 SCL 34 GND_DIG 35 VDD_DIG 36 OUT1A 13 GND_REG 14 VDD 15 CONFIG 16 NC 17 NC 18 VDD_PLL 24 PWRDN 23 GND_DIG 22 VDD_DIG 21 NC 20 NC 19 STA333W N202 STA333W N202 C241 100pF C241 100pF R203 22 R203 22 C201 0.1uF C201 0.1uF R213 4.7K R213 4.7K 1 2 L224 FB L224 FB 1 2 3 4 XS201 D2006-4W XS201 D2006-4W R205 4.7K R205 4.7K 1 3 2 V214 3904 V214 3904 C218 220nF/25V C218 220nF/25V R201 3R3 R201 3R3 C205 0.1uF C205 0.1uF 1 2 L226 FB L226 FB L207 15uH L207 15uH C209 0.1uF C209 0.1uF R202 22 R202 22 C207 0.1uF C207 0.1uF C220 2200pF/25V C220 2200pF/25V C212 0.1uF C212 0.1uF 100nF C222 100nF C222 C213 330pF C213 330pF 1 2 L228 NC/FB L228 NC/FB C242 680pF C242 680pF R206 1K R206 1K L205 NC/10uH L205 NC/10uH C219 2200pF/25V C219 2200pF/25V 1 2 L225 FB L225 FB C214 330pF C214 330pF L204 NC/10uH L204 NC/10uH C217 1nF C217 1nF + C210 220uF/16V + C210 220uF/16V 100nF C221 100nF C221 PDF 文件以 "PDF 制作工厂" 试用版创建 ÿÿÿÿ @ÿ � 5 5 4 4 3 3 2 2 1 1 D D C C B B A A STB_PWR IR_in POWER_ON LOGO_PWR LEDG LEDG LSADC0 POWER_ON KEY1-in KEY1-in LSADC1 LSADC0 LSADC1 KEY0-in LOGO_PWR IR_in STB_PWR D3V3 KEY1-in KEY0-in IR_in STB_PWR KEY0-in D3V3 IR_in D3V3 STB_PWR LOGO_PWR D3V3 3V3_STB D3V3 D3V3 D3V3 D3V3 D3V3 IRRX LEDG LSADC0 POWER-ON LSADC1 标记数量 签名 更改单号 日期 第 张 审核 拟制 标记数量 签名 更改单号 日期 第 张 审核 拟制 标记数量 签名 更改单号 日期 第 张 审核 拟制 LED_IR_KEY (红) (绿) XS603与XS652兼容排板 1 2 3 6 5 4 XS654 D1251-04 XS654 D1251-04 R420 100R R420 100R R421 100R R421 100R R427 4.7K R427 4.7K 1 2 3 10 9 4 5 6 7 8 XS652 D1251-08 XS652 D1251-08 C467 100pF C467 100pF R424 4.7k R424 4.7k C466 0.1uF C466 0.1uF C465 0.1uF C465 0.1uF R422 10K R422 10K R426 1K R426 1K C468 100pF C468 100pF R418 10K R418 10K 1 2 3 4 XS650 KON-D2006-4A XS650 KON-D2006-4A C464 NC/0.1uF C464 NC/0.1uF C462 10nF C462 10nF R425 4.7K R425 4.7K 1 3 2 V615 3906 V615 3906 R430 NC R430 NC R428 1K_1% R428 1K_1% 1 3 2 V605 3906 V605 3906 1 2 3 4 5 6 7 8 XS603 D1250-06 XS603 D1250-06 C463 100pF C463 100pF R419 10K R419 10K C460 100pF C460 100pF R429 2K R429 2K R423 100R R423 100R C461 10nF C461 10nF PDF 文件以 "PDF 制作工厂" 试用版创建 ÿÿÿÿ ÿ � 5 5 4 4 3 3 2 2 1 1 D D C C B B A A N_WE#/SPI_DI N_WP#/SPI_WP# N_DATA7 N_DATA6 N_DATA5 N_DATA4 N_DATA3 N_DATA2 N_DATA1 N_DATA0 N_RDY N_CE0# N_CE1# N_CLE/SPI_SCLK N_RE# N_WE#/SPI_DI N_ALE/SPI_SDO N_WP#/SPI_WP1# N_RDY N_CE0# N_CE1# N_WP#/SPI_WP# N_WP#/SPI_WP1# EEPROM_WP I2C_SCL EEPROM_CLK I2C_SDA EEPROM_DATA EEPROM_WP N_CLE/SPI_SCLK N_ALE/SPI_SDO N_WE#/SPI_DI N_WP#/SPI_WP# N_WE#/SPI_DI SPI_CS# SPI_CS# M3V3 M3V3 DGND M3V3 DGND M3V3 DGND DGND M3V3 M3V3 M3V3 M3V3 M3V3 N_RDY N_RE# N_CE0# N_DATA7 N_DATA6 N_DATA5 N_DATA4 N_DATA3 N_DATA2 N_DATA1 N_DATA0 N_WE#/SPI_DI N_WP#/SPI_WP# [3] N_ALE/SPI_SDO [3] N_CLE/SPI_SCLK [3] N_CE1# [3] N_CE0# [3] N_WE#/SPI_DI [3] N_RE# [3] N_DATA0 [3] N_DATA1 [3] N_DATA2 [3] N_DATA3 [3] N_DATA4 [3] N_DATA5 [3] N_DATA6 [3] N_DATA7 [3] N_RDY [3] N_WE#/SPI_DI [3] N_CLE/SPI_SCLK N_CE1# N_ALE/SPI_SDO EEPROM_WP [11] SPI_CS# [3] EEPROM_CLK [5] EEPROM_DATA [5] 标记数量 签名 更改单号 日期 第 张 审核 拟制 标记数量 签名 更改单号 日期 第 张 审核 拟制 标记数量 签名 更改单号 日期 第 张 审核 拟制 From Main Chip For Rtice Check(生产时贴上R546, R544 需NC。研发烧录时贴R544,R546需NC) SPI Flash *100MHz, No any VIA hole! R540 22R R540 22R 3 1 4 2 RA501 NC/100RX2 3 1 4 2 RA501 NC/100RX2 C560 0.1uF C560 0.1uF NC 1 NC 2 NC 3 GND 4 SDA 5 SCL 6 WP 7 VCC 8 N506 NC/24C32 N506 NC/24C32 CE# 1 SO 2 WP# 3 VSS 4 SI 5 SCK 6 HOLD# 7 VDD 8 N507 NC/W25X80A N507 NC/W25X80A R559 NC/4.7K R559 NC/4.7K R548 NC/4K7 R548 NC/4K7 R541 4.7K R541 4.7K R545 22 R545 22 R544 4K7 R544 4K7 R537 NC/100R R537 NC/100R R549 4K7 R549 4K7 C596 0.1uF C596 0.1uF C568 0.1uF C568 0.1uF C594 0.1uF C594 0.1uF R477 4.7K R477 4.7K R547 4K7 R547 4K7 R542 0R R542 0R R478 4.7K/NC R478 4.7K/NC C595 0.1uF C595 0.1uF R476 10K R476 10K C592 NC/22pF C592 NC/22pF NC 1 NC 2 NC 3 R/B4# 4 R/B3# 5 R/B2# 6 R/B1# 7 RE# 8 CE1# 9 CE2# 10 NC 11 VCC 12 VSS 13 CE3# 14 CE4# 15 CLE 16 ALE 17 WE# 18 WP# 19 NC 20 NC 21 NC 22 NC 23 NC 24 NC 48 NC 47 NC 46 NC 45 DQ7 44 DQ6 43 DQ5 42 DQ4 41 NC 40 NC 39 NC 38 VCC 37 VSS 36 NC 35 NC 34 NC 33 DQ3 32 DQ2 31 DQ1 30 DQ0 29 NC 28 NC 27 NC 26 NC 25 N510 NAND FLASH(48TSOP) N510 NAND FLASH(48TSOP) R475 1K R475 1K R546 NM R546 NM R538 NC/4.7K R538 NC/4.7K R543 NC R543 NC R539 NC/22R R539 NC/22R C593 NC/22pF C593 NC/22pF C591 NC/0.1uF C591 NC/0.1uF PDF 文件以 "PDF 制作工厂" 试用版创建 ÿÿÿÿ ÿ � 5 5 4 4 3 3 2 2 1 1 D D C C B B A A ETH_GND LAN_TX+ LAN_RX- LAN_TX- LAN_RX+ Ether_TxN Ether_TxP Ether_RxN Ether_RxP Ether_TxN Ether_RxP Ether_RxN Ether_TxP ETH_GND ETH_GND ETH_GND ETH_GND ETH_GND ETH_GND ETH_GND ETH_GND ETH_GND Ether_TxP [15] Ether_TxN [15] Ether_RxP [15] Ether_RxN [15] 标记数量 签名 更改单号 日期 第 张 审核 拟制 标记数量 签名 更改单号 日期 第 张 审核 拟制 标记数量 签名 更改单号 日期 第 张 审核 拟制 RU97 75R RU97 75R CU66 1nF CU66 1nF CU68 1nF/50V CU68 1nF/50V CU35 NC/150pF/3KV CU35 NC/150pF/3KV 1 1 2 2 SG2 SG2 1 1 2 2 SG1 SG1 1 1 2 2 SG5 SG5 CU36 NC/150pF/3KV CU36 NC/150pF/3KV 1 1 2 2 SG6 SG6 1 1 2 2 SG4 SG4 RU96 75R RU96 75R CU67 100nF CU67 100nF 1 1 2 2 SG3 SG3 TD+ 1 TD- 3 CT 2 CT 7 RD+ 6 RD- 8 TX+ 16 CT 15 TX- 14 RX+ 11 TC 10 RX- 9 nc 4 nc 5 nc 12 nc 13 NU07 PD1602 NU07 PD1602 6 7 3 4 5 8 1 2 11 12 9 10 RJ-45 XSU05 ETHERNET_JACK RJ-45 XSU05 ETHERNET_JACK RU98 75R RU98 75R RU95 75R RU95 75R PDF 文件以 "PDF 制作工厂" 试用版创建 ÿÿÿÿ ÿ � 5 5 4 4 3 3 2 2 1 1 D D C C B B A A 标记数量 签名 更改单号 日期 第 张 审核 拟制 标记数量 签名 更改单号 日期 第 张 审核 拟制 标记数量 签名 更改单号 日期 第 张 审核 拟制 SY8120B +1.1V_VDDC 1.2A 350mA 3.3V_Tuner 1117 3.3V 400mA 400mA 900mA 2.35A +12V 5Vstb D3V3/A3V3 9435 5VA 1117 1.5V +1.5V_DDR +5VUSB 9435 VCC-Panel 12VAMP 300mA 2.05A 300mA 1.5APTC/0R 开机:300mA 待机:13mA DDR 500mA SY8113 硅Tuner 300mA 1A 1117 3.3V 3.3V_Wifi 1117 3.3V 200mA 1A PDF 文件以 "PDF 制作工厂" 试用版创建 http://www.fineprint.com 5 5 4 4 3 3 2 2 1 1 D D C C B B A A 标记数量 签名 更改单号 日期 第 张 审核 拟制 标记数量 签名 更改单号 日期 第 张 审核 拟制 标记数量 签名 更改单号 日期 第 张 审核 拟制 PDF 文件以 "PDF 制作工厂" 试用版创建 http://www.fineprint.com 5 5 4 4 3 3 2 2 1 1 D D C C B B A A 标记数量 签名 更改单号 日期 第 张 审核 拟制 标记数量 签名 更改单号 日期 第 张 审核 拟制 标记数量 签名 更改单号 日期 第 张 审核 拟制 PDF 文件以 "PDF 制作工厂" 试用版创建 http://www.fineprint.com 5 5 4 4 3 3 2 2 1 1 D D C C B B A A +12VAA ISEN2 ISW2 OVP2 G2 DRV2 G2 ISW2 DRV2 ISEN2 OVP2 LED2+ LED2- LED1+ LED1- VBL VBL FAULT +12.2Vsb +100V BKLT_EN BKLT_ADJ 标记数量 签名 更改单号 日期 第 张 审核 拟制 标记数量 签名 更改单号 日期 第 张 审核 拟制 标记数量 签名 更改单号 日期 第 张 审核 拟制 R723 1Ω/1206 R723 1Ω/1206 R731 10K R731 10K VD706 6.8V VD706 6.8V C705 1n C705 1n R708 10K R708 10K VD701 SB2200 VD701 SB2200 R745 39K R745 39K R747 20Ω/1206 R747 20Ω/1206 R719 10Ω/0805 R719 10Ω/0805 R716 10K R716 10K R732 1K R732 1K 1 2 L713 L0805 L713 L0805 R742 1.5M R742 1.5M 1 2 L707 L707 R721 51Ω/0805 R721 51Ω/0805 R746 1.5M R746 1.5M 1 2 L706 L706 R712 10K R712 10K L702 NC L702 NC C727 22u/250V C727 22u/250V VD708 6.8V VD708 6.8V 1 2 3 4 5 6 7 8 9 10 11 12 XS702 FPC12-ACES XS702 FPC12-ACES UVLS 1 VCC 2 ENA 3 VREF 4 RT 5 SYNC 6 PWM1 7 PWM2 8 ADIM 9 TIMER 10 SSTCMP1 11 SSTCMP2 12 ISEN2 13 PROT2 14 OVP2 15 ISW2 16 ISEN1 17 PROT1 18 OVP1 19 ISW1 20 GND 21 DRV2 22 DRV1 23 FAULT 24 N701 OZ9902A N701 OZ9902A R751 1.5M R751 1.5M 1 VCC2 VCC2 C724 104/250V C724 104/250V 1 2 L715 L0805 L715 L0805 C718 474 C718 474 C714 NC C714 NC C707 1n C707 1n V710 400V/1A V710 400V/1A R730 51Ω/0805 R730 51Ω/0805 R727 N.C. R727 N.C. R722 10K R722 10K C710 1n C710 1n C723 101 C723 101 R724 2.7Ω/1206 R724 2.7Ω/1206 C720 105 C720 105 C721 101 C721 101 C706 0.47u C706 0.47u C704 104/250V C704 104/250V R711 10K R711 10K 1 2 L703 L703 R734 2.7Ω/1206 R734 2.7Ω/1206 R737 N.C. R737 N.C. R707 3.3M R707 3.3M C729 104/250V C729 104/250V R733 1Ω/1206 R733 1Ω/1206 1 2 L712 L0805 L712 L0805 C717 225 C717 225 1 2 3 4 5 6 7 XS701 7PIN-2.0mm/NC XS701 7PIN-2.0mm/NC C712 NC C712 NC R714 33K R714 33K C719 474 C719 474 1 2 L711 L0805 L711 L0805 VD704 NC VD704 NC R753 0Ω R753 0Ω C713 NC C713 NC R715 10K R715 10K R752 0Ω R752 0Ω C728 47uF/50V C728 47uF/50V C708 0.47u C708 0.47u VD705 SB2200 VD705 SB2200 R701 10K R701 10K R703 10K R703 10K R706 150K R706 150K C716 1000pF/0805 C716 1000pF/0805 VD702 6.8V VD702 6.8V R741 39K R741 39K C726 101 C726 101 C725 101 C725 101 C722 105 C722 105 C702 100pF/250V C702 100pF/250V R717 10K R717 10K R735 10Ω/0805 R735 10Ω/0805 R740 10R/1206 R740 10R/1206 C711 1n C711 1n L705 470uH/0.72A L705 470uH/0.72A VD709 6.8V VD709 6.8V R750 10R/1206 R750 10R/1206 V709 400V/1A V709 400V/1A V708 3N25 V708 3N25 L704 470uH/0.72A L704 470uH/0.72A 1 2 L708 L708 C701 22u/250V C701 22u/250V R720 1K R720 1K R739 20R/1206 R739 20R/1206 R718 1K R718 1K R749 10R/1206 R749 10R/1206 C715 1000pF/0805 C715 1000pF/0805 R748 10R/1206 R748 10R/1206 VD707 NC VD707 NC R743 1.5M R743 1.5M 1 2 L710 L0805 L710 L0805 C703 104/250V C703 104/250V R705 10R R705 10R C709 101 C709 101 V711 3N25 V711 3N25 1 2 L714 L0805 L714 L0805 R736 1K R736 1K L701 470uH/0.72A L701 470uH/0.72A PDF 文件以 "PDF 制作工厂" 试用版创建 ÿÿÿÿ ÿ � 5 5 4 4 3 3 2 2 1 1 D D C C B B A A POWER-ON POWER-ON/OFF POWER-ON/OFF POWER_EN BL_EN BL_ADJ PANEL_EN BKLT_EN BKLT_ADJ BKLT_ADJ POWER-ON POWER_EN VCC12VIN POWER-ON/OFF BKLT_EN BKLT_ADJ POWER-ON PANEL_EN POWER-ON BKLT_EN +12V M3V3 A3V3 D1V1 D3V3 DDR_POWER POWER-ON POWER-ON BL_EN BL_ADJ POWER-ON +12.2Vsb D3V3 +12V D3V3 3V3-DEMO 5VA 5Vstb D3V3 +12V D3V3 5VA VCC_Panel +12V 5Vstb +12V D1V1 +12V 3.3V_Tun 5VA DDR_POWER 5VA D3V3 3.3V_WIFI 5VA A3V3 D3V3 1V2_DEMO 3V3_STB M3V3 3V3-DEMO 3V3_STB 3V3_STB 5Vstb POWER-ON/OFF POWER-ON BL_EN 2 BL_ADJ 2 PANEL_EN 2 POWER-ON/OFF POWER-ON 2 POWER_EN 2 BKLT_EN BKLT_ADJ 签名 批 准 标准化 审 核 拟 制 日期 第 张 共 张 更改单号 数量 标记 阶段标记 签名 批 准 标准化 审 核 拟 制 日期 第 张 共 张 更改单号 数量 标记 阶段标记 签名 批 准 标准化 审 核 拟 制 日期 第 张 共 张 更改单号 数量 标记 阶段标记 ANALOG POWER 1V2_DEMO 5VA H:OFF L:ON HI = > POWER_ON LO = > POWER_OFF MAIN POWER CONTROL 与电源部分接口 TCON POWER 接地点 VCC_Panel 散热片 CORE POWER 1.0V Test Point DRAM POWER 1.25 x (1+499/120) =1.5V for DDR1 TUNER POWER WIFI POWER C841 0.1uF C841 0.1uF R857 10K R857 10K C894 0.1uF C894 0.1uF R826 0R/0805 R826 0R/0805 C830 10uF C830 10uF C849 22pF C849 22pF + C858 NC/220uF + C858 NC/220uF R819 NC R819 NC C826 0.1uF C826 0.1uF R859 47K R859 47K C878 10uF C878 10uF F801 FB F801 FB R809 100R R809 100R R823 NC R823 NC C874 0.1uF C874 0.1uF L801 4.7uH L801 4.7uH R855 47K R855 47K 1 A3V3 A3V3 R842 100K R842 100K C855 22uF C855 22uF V806 3904 V806 3904 R843 100K R843 100K 1 2 L822 FB_600mA L822 FB_600mA C882 10uF C882 10uF 1 2 3 V809 2N3904 V809 2N3904 R808 0R/0805 R808 0R/0805 R831 100R R831 100R R822 0R/0805 R822 0R/0805 C891 0.1uF C891 0.1uF R841 47K R841 47K + C898 100uF/16V + C898 100uF/16V R835 100K R835 100K 1 2 3 V807 2N3904 V807 2N3904 1 2 L823 FB_2A L823 FB_2A 1 BKLT_ADJ BKLT_ADJ C890 10uF C890 10uF C860 0.47uF C860 0.47uF C835 10uF C835 10uF R820 51K 1% R820 51K 1% C880 10uF C880 10uF 1 2 L814 NC/FB_3A L814 NC/FB_3A 100nF C839 100nF C839 C852 NC/10uF/16V C852 NC/10uF/16V V804 3904 V804 3904 R801 10K 1% R801 10K 1% 100nF C838 100nF C838 + C834 220uF + C834 220uF R827 NC/4.7K R827 NC/4.7K 1 2 L807 FB_4A L807 FB_4A C829 0.1uF C829 0.1uF R844 100K R844 100K C840 0.1uF C840 0.1uF L806 4.7uH L806 4.7uH R818 11K 1% R818 11K 1% C842 22pF C842 22pF D 3 G 1 S 2 V808 AO3401 V808 AO3401 C814 0.1uF C814 0.1uF 1 2 L825 FB_2A L825 FB_2A 1 D1V1 D1V1 D 3 G 1 S 2 V803 AO3401 V803 AO3401 R803 11K 1% R803 11K 1% 1 BKLT_EN BKLT_EN C828 0.1uF C828 0.1uF C861 0.47uF C861 0.47uF + C899 100uF/16V + C899 100uF/16V C856 22pF C856 22pF C845 0.1uF C845 0.1uF 1 POWER-ON/OFF POWER-ON/OFF R860 4.7K R860 4.7K EN 4 GND 2 LX 6 BS 1 IN 5 FB 3 0.6V N801 SY8113 0.6V N801 SY8113 1 DDR_POWER DDR_POWER R853 6Ω 1/2W R853 6Ω 1/2W 3 2 1 4 ADJ OUT IN N808 AMS1117-3.3 ADJ OUT IN N808 AMS1117-3.3 C876 10uF C876 10uF C854 0.1uF C854 0.1uF C859 100nF C859 100nF C851 0.1uF C851 0.1uF 1 2 L824 FB_2A L824 FB_2A R802 NC R802 NC C863 0.1uF C863 0.1uF R815 4.7K R815 4.7K R821 0R/0805 R821 0R/0805 + C893 100uF/16V + C893 100uF/16V C846 NC/0.1uF C846 NC/0.1uF R804 10K R804 10K C848 10uF C848 10uF R814 499 R814 499 VD802 CHR208 VD802 CHR208 C836 10uF C836 10uF C885 10uF C885 10uF 1 2 3 V810 3904 V810 3904 1 +12V +12V R854 4.7K R854 4.7K R811 0R/0805 R811 0R/0805 1 2 L827 FB_2A L827 FB_2A R813 NC/4.7K R813 NC/4.7K C881 10uF C881 10uF R834 12K/1% R834 12K/1% 1 2 L826 FB_600mA L826 FB_600mA C853 0.1uF C853 0.1uF R816 0R/0805 R816 0R/0805 C864 10uF C864 10uF C832 10uF C832 10uF R805 10K R805 10K V802 WPM3407 V802 WPM3407 R812 4.7K R812 4.7K 1 2 L812 FB_3A L812 FB_3A R810 0R/0805 R810 0R/0805 + C896 100uF/16V + C896 100uF/16V 1 2 L808 FB_2A L808 FB_2A C831 0.1uF C831 0.1uF 1 2 L813 FB_3A L813 FB_3A R824 NC R824 NC VD801 CHR208 VD801 CHR208 R836 91K/1% R836 91K/1% C883 10uF C883 10uF 1 M3V3 M3V3 C884 0.1uF C884 0.1uF C837 0.1uF C837 0.1uF 3 2 1 4 ADJ OUT IN N809 AMS1117-3.3 ADJ OUT IN N809 AMS1117-3.3 C850 NC/0.1uF C850 NC/0.1uF 1 D3V3 D3V3 R825 0R/0805 R825 0R/0805 C847 22uF C847 22uF EN 4 GND 2 LX 6 BS 1 IN 5 FB 3 0.6V N802 SY8113 0.6V N802 SY8113 D 1 D 2 D 3 G 4 S 8 S 7 S 6 S 5 V801 NC/WPM9435 V801 NC/WPM9435 R829 4.7K R829 4.7K C877 0.1uF C877 0.1uF R817 0R/0805 R817 0R/0805 L802 4.7uH L802 4.7uH R849 4.7K R849 4.7K C844 0.1uF C844 0.1uF 1 2 L811 FB_3A L811 FB_3A C875 0.1uF C875 0.1uF 2 1 XS1 Thermal XS1 Thermal C833 10uF C833 10uF 3 2 1 4 ADJ OUT IN N807 AMS1117-3.3 ADJ OUT IN N807 AMS1117-3.3 1 2 L828 FB_600mA L828 FB_600mA C843 10uF C843 10uF C857 0.47uF C857 0.47uF R832 4.7K R832 4.7K R806 120 R806 120 R807 4.7K R807 4.7K 3 2 1 4 ADJ OUT IN N810 AMS1117-ADJ ADJ OUT IN N810 AMS1117-ADJ EN 4 GND 2 LX 6 BS 1 IN 5 FB 3 0.6V N803 SY8120B 0.6V N803 SY8120B R858 10K R858 10K C892 0.1uF C892 0.1uF C879 0.1uF C879 0.1uF R830 100 R830 100 PDF 文件以 "PDF 制作工厂" 试用版创建 ÿÿÿÿ ÿ � 5 5 4 4 3 3 2 2 1 1 D D C C B B A A +100V +12.2Vsb +100V +12.2Vsb +12.2Vsb +12.2Vsb POWER-ON/OFF 标记数量 签名 更改单号 日期 共 15张 第 14 张 审核 拟制 标记数量 签名 更改单号 日期 共 15张 第 14 张 审核 拟制 标记数量 签名 更改单号 日期 共 15张 第 14 张 审核 拟制 100V/0.35A HOT HOT HOT HOT COLD COLD COLD COLD FAN6755 15V-22V(Vovp:25V) OLP:0.83V 0.9-5V ! ! RW914 51R/0805 RW914 51R/0805 TP_POWER-ON TP_POWER-ON ! ! ! R901 1M/1206 R901 1M/1206 VD903 CHR208 VD903 CHR208 CX901 224/275Vac CX901 224/275Vac ! ! CW966 1000uF/25V CW966 1000uF/25V C901 220uF/400V C901 220uF/400V 1 2 LW954 L0805 LW954 L0805 CY907 102/250Vac CY907 102/250Vac 3 2 1 NW955 TL431/SOT23 NW955 TL431/SOT23 ! CW962 221/1kV CW962 221/1kV RW951 1k/0805 RW951 1k/0805 RW902 3M3/0805 RW902 3M3/0805 VDW922 1N4148 VDW922 1N4148 R930 10k/0805 R930 10k/0805 VDW905 18V VDW905 18V CW970 104/25V CW970 104/25V VINS 1 6 FB 4 CS 2 GND 3 GATE 5 VDD NC 7 HV 8 NW907 FAN6755W NW907 FAN6755W VDW921 B18V VDW921 B18V R905 1M/1206 R905 1M/1206 VD902 CHR208 VD902 CHR208 1 2 LW966 1uH LW966 1uH CW965 102/1KV CW965 102/1KV CW967 1000uF/25V CW967 1000uF/25V RW906 56k/1206 RW906 56k/1206 CW969 104/25V CW969 104/25V ! VD965 1N4148 VD965 1N4148 1 3 2 VW921 4160 VW921 4160 RW961 NC RW961 NC 1 2 LW953 L0805 LW953 L0805 ! R903 1M/1206 R903 1M/1206 RW915 10k/0805 RW915 10k/0805 2 3 1 VW901 7N65/TO220 VW901 7N65/TO220 TP_V_VCC TP_V_VCC RW905 56k/1206 RW905 56k/1206 RW969 1k/1206 RW969 1k/1206 RV901 OPTIPON RV901 OPTIPON 4 3 2 1 L901 200uH L901 200uH CY903 221/250Vac CY903 221/250Vac ! TP_V_12V2 T POINT R TP_V_12V2 T POINT R R932 4k7/NC R932 4k7/NC ! ! ! RW971 6k8/0805 RW971 6k8/0805 ! RW956 68k/0805 RW956 68k/0805 CY902 101/NC CY902 101/NC 2 1 3 VDW963 MB10150/263 VDW963 MB10150/263 4 4 3 3 2 2 1 1 HS1 37016151 HS1 37016151 CW911 472/1kV CW911 472/1kV ! RW955 10k/0805 RW955 10k/0805 R906 1M/1206 R906 1M/1206 CW963 68uF/200V CW963 68uF/200V RW907 1k/0805 RW907 1k/0805 ! 4 3 2 1 L902 10mH L902 10mH ! RW904 200k/0805 RW904 200k/0805 RW909 1M/0805 RW909 1M/0805 CW968 22uF/25V CW968 22uF/25V 1 2 3 VW971 3904 VW971 3904 RW954 560k/0805 RW954 560k/0805 VD966 B13V VD966 B13V CW922 22uF/50V CW922 22uF/50V CW912 101/1kV/NC CW912 101/1kV/NC CW908 331/50V/0805 CW908 331/50V/0805 ! VDW907 B6V8 VDW907 B6V8 CX902 224/275Vac CX902 224/275Vac CW920 22uF/50V CW920 22uF/50V RW920 2R7/1206 RW920 2R7/1206 RW962 47R/1206 RW962 47R/1206 VDW901 1N4007/SMA VDW901 1N4007/SMA CY904 221/250Vac CY904 221/250Vac R966 1k/1206 R966 1k/1206 RW952 1k/0805 RW952 1k/0805 CW955 104/0805 CW955 104/0805 2 1 RW908 0R22/2W RW908 0R22/2W VD904 CHR208 VD904 CHR208 1 2 4 3 N966 PC817B N966 PC817B R964 10k/0805 R964 10k/0805 RT902 3R3 RT902 3R3 CW964 221/1kV CW964 221/1kV ! VDW962 SF58 VDW962 SF58 CW949 NC CW949 NC CW961 221/1kV CW961 221/1kV RW967 1k/1206 RW967 1k/1206 TP_V_HV TP_V_HV RW975 NC RW975 NC VD901 CHR208 VD901 CHR208 RW916 56k/2W RW916 56k/2W TP_V_100V TP_V_100V VDW961 SF58 VDW961 SF58 ! ! RW921 4k7/0805 RW921 4k7/0805 1 2 LW911 L5 LW911 L5 VDW908 B6V8 VDW908 B6V8 R904 1M/1206 R904 1M/1206 RT901 3R3 RT901 3R3 RW976 33k/0805 RW976 33k/0805 ! VDW904 B6V8 VDW904 B6V8 CW905 101/0805 CW905 101/0805 ! CW907 331/50V/0805 CW907 331/50V/0805 1 2 LW951 NC LW951 NC ! ! RW912 33k/1206 RW912 33k/1206 RW966 1k/1206 RW966 1k/1206 RW953 10k/0805 RW953 10k/0805 1 3 2 V930 3904/NC V930 3904/NC CW952 NC CW952 NC RW913 4R7/0805 RW913 4R7/0805 1 6 5 3 9 7 8 4 2 10 TW901 EQ35 TW901 EQ35 C966 104/0805 C966 104/0805 CY901 101/NC CY901 101/NC RW957 2k2/0805 RW957 2k2/0805 1 2 LW952 NC LW952 NC RW977 51k/0805 RW977 51k/0805 ! RW963 47R/1206 RW963 47R/1206 R931 NC R931 NC RW965 0R/1206 RW965 0R/1206 RW901 3M3/0805 RW901 3M3/0805 4 3 2 1 L903 10mH L903 10mH RW972 100k/0805 RW972 100k/0805 VDW920 FR104/SMA VDW920 FR104/SMA 1 2 3 VW975 3904 VW975 3904 RW911 33k/1206 RW911 33k/1206 VDW913 1N4148 VDW913 1N4148 RW964 0R/1206 RW964 0R/1206 ! VD964 1N4148 VD964 1N4148 CW927 103/0805 CW927 103/0805 ! CW904 225/0805 CW904 225/0805 RW968 1k/1206 RW968 1k/1206 1 3 2 V966 3904 V966 3904 R902 1M/1206 R902 1M/1206 VDW911 RGP10M VDW911 RGP10M R965 10k/0805 R965 10k/0805 ! RW903 2M2/0805 RW903 2M2/0805 RW910 33k/1206 RW910 33k/1206 1 3 (L) (N) XS901 D3913-3A (L) (N) XS901 D3913-3A ! 1 2 4 3 NW950 PC817B NW950 PC817B 1 2 F911 5A/250Vac F911 5A/250Vac PDF 文件以 "PDF 制作工厂" 试用版创建 ÿÿÿÿ ÿ � 5 5 4 4 3 3 2 2 1 1 D D C C B B A A VIN- VIP+ Xout_N Xout_P CLK2_OUT Xout_P1 CLK2_IN Xout_N1 AGCPDM IF_AGC_DTMB TS_CLK TS_SYNC TS_VLD TS_BCLK TS_PSYNC TS_VALID TS_VALID TS_PSYNC TS_TS7 TS_BCLK GPIO2 GPIO3 GPIO1 GPIO2 GPIO3 M_SCL M_SDA GPIO1 Xout_P1 DIF2 DIF1 CLK2_OUT CLK2_IN TS_TS0 GPIO4 GPIO5 GPIO6 GPIO7 AGCPDM VIN- VIP+ Xout_N1 TS_TSD0 TS_TS0 TS_TS7 Demod_RST Demod_IO GND_POWER VDD_CORE VDD_CORE Demod_IO VDD_CORE Demod_IO 1V2_DEMO Demod_IO VDD_CORE TU TU TU TU TU TU TU TU TU TU GND-2810-United ATU AGND_T-United TU TU ATU TU TU TU TU TU TU TU TU TU AD-VREF AD-VREF 3.3V_Tun 3.3V_Tun Xout_P Xout_N DMBT_StandBy DMBT_StandBy M_SDA 3,16 M_SCL 3,16 DIF2 3,11 DIF1 3,11 IF_AGC_DTMB 11 Demod_RST 3,7,16 TS_VLD 3,13 TS_CLK 3,13 TS_SYNC 3,13 TS_TSD0 [17] Title Size Document Number Rev Date: Sheet of C 1 1 Thursday, August 29, 2013 Title Size Document Number Rev Date: Sheet of <Doc> <RevCode> <Title> C 1 1 Thursday, August 29, 2013 Title Size Document Number Rev Date: Sheet of <Doc> <RevCode> <Title> C 1 1 Thursday, August 29, 2013 CL:15pF 30.4MHz 0 0 0 GPIO1 GPIO2 24MHz 1 1 1 0 27MHz 16MHz 1 CLOCK&I2C Selection 0 1 GPIO3 I2C address 0xE2 0xE0 AGC IF CLOCK Interface TS OUTPUT R147 10K R147 10K R140 470 R140 470 L113 NC L113 NC C147 0.1uF C147 0.1uF C132 10uF C132 10uF C160 0.1uF C160 0.1uF C141 0.1uF C141 0.1uF R137 NC R137 NC R142 4.7K R142 4.7K R139 220 R139 220 R148 NC R148 NC C162 10uF C162 10uF R141 470 R141 470 C138 0.1uF C138 0.1uF 1 2 L114 FB_600mA L114 FB_600mA + C148 220uF + C148 220uF 1 2 Z111 16MHz Z111 16MHz R150 10K R150 10K C163 20pF C163 20pF R131 22 R131 22 C137 NC C137 NC C150 0.1uF C150 0.1uF R152 NC/0 R152 NC/0 1 2 L112 FB_600mA L112 FB_600mA R149 10K/NC R149 10K/NC 1 2 L115 FB_600mA L115 FB_600mA R136 220 R136 220 C149 0.1uF C149 0.1uF R132 0 R132 0 R134 100K R134 100K C155 10uF C155 10uF 1 2 L116 FB_600mA L116 FB_600mA C152 0.1uF C152 0.1uF C134 20pF C134 20pF 1 2 L119 FB_2A L119 FB_2A C144 0.1uF C144 0.1uF INP_I 1 INN_I 2 VDD12_2 22 AVDD_ADC 4 INN_Q 5 INP_Q 6 AVDD_PLL 7 AVSS 3 GPIO4/FUNC_SEL 43 GPIO5/FUNC_SEL 44 AGC_IF 9 AGC_RF 10 SCL_T 11 SDA_T 12 GPIO6/FUNC_SEL 47 GPIO0 16 CLKOUT 14 CLKIN 15 GPIO1/CLK_SEL0 17 GPIO2/CLK_SEL1 18 GPIO3/I2C_A_SEL 19 SCL 20 SDA 21 GPIO7/FUNC_SEL 48 VDD12_1 8 VDD33_5 42 VDD33_1 13 VDD12_4 29 VDD12_3 24 VDD12_5 38 VDD33_3 37 VDD33_4 39 TS_D0 25 TS_D1 26 TS_D2 27 TS_D3 28 VSS 41 VDD12_6 40 TS_D4 30 TS_D5 31 TS_D6 32 TS_D7 33 TS_SYNC 34 TS_VLD 35 TS_CLK 36 VDD33_2 23 STB_N 45 RST_N 46 GND 49 N102 HD2311 N102 HD2311 C159 NC C159 NC C156 0.1uF C156 0.1uF R130 NC/1M R130 NC/1M C142 0.1uF C142 0.1uF C151 0.1uF C151 0.1uF C161 NC C161 NC 1 2 L120 FB_2A L120 FB_2A R145 10K R145 10K C146 0.1uF C146 0.1uF 7 5 3 1 8 6 4 2 RA104 22RX4 7 5 3 1 8 6 4 2 RA104 22RX4 C135 1000pF C135 1000pF C145 0.1uF C145 0.1uF R143 4.7k R143 4.7k C136 0.1uF C136 0.1uF C153 0.1uF C153 0.1uF C158 0.1uF C158 0.1uF R146 10K/NC R146 10K/NC R135 220 R135 220 R138 1K R138 1K R144 4.7k R144 4.7k 1 2 + C154 220uF + C154 220uF C140 1000pF C140 1000pF C143 0.1uF C143 0.1uF C139 0.1uF C139 0.1uF C133 10uF C133 10uF R151 0 R151 0 C157 0.01uF C157 0.01uF PDF 文件以 "PDF 制作工厂" 试用版创建 ÿÿÿÿ ÿ � 5 5 4 4 3 3 2 2 1 1 D D C C B B A A IF_AGC_DB IF_AGC_DTMB DIF1 DIF2 IF_AGC_DB TUN_I2C_SCL TUN_I2C_SDA TUN_IF+ TUN_IF- ATV_IF_AGC AIF+ AIF- IF-IN+ T1.8V IF-IN- T1.8V T1.8V RESER_N IF_AGC RESER_N AIF+ AIF- IF_AGC_DTMB IF_AGC DIF2 DIF1 3.3V_Tun 3.3V_Tun 3.3V_Tun 3.3V_Tun 3.3V_Tun 3.3V_Tun IF_AGC_DTMB 11 DIF2 DIF1 ATV_IF_AGC [3] TUN_IF+ [3] TUN_IF- [3] TUN_I2C_SCL [3] TUN_I2C_SDA [3] Xout_P Xout_N TUN_IF+ TUN_IF- MAIN_TUN_SDA [14,17] MAIN_TUN_SCL [14,17] ATV_IF_AGC 标记 数量 等级 标记 批 准 标准化 工 艺 审 核 拟 制 签名日期 分区单号 数量 签名 单号 分区 标记 日期 第 张 共 张 KONKA <拟制> <审核> <工艺> <标准化> <批准> Tuner 19 8 标记 数量 等级 标记 批 准 标准化 工 艺 审 核 拟 制 签名日期 分区单号 数量 签名 单号 分区 标记 日期 第 张 共 张 KONKA <拟制> <审核> <工艺> <标准化> <批准> Tuner 19 8 标记 数量 等级 标记 批 准 标准化 工 艺 审 核 拟 制 签名日期 分区单号 数量 签名 单号 分区 标记 日期 第 张 共 张 KONKA <拟制> <审核> <工艺> <标准化> <批准> Tuner 19 8 Main Chip <--> SILICON TUNER τ=4.7x1=4.7ms>10us No Balun R162 1K R162 1K C173 1uF C173 1uF R167 0 R167 0 C123 2.2nF C123 2.2nF C179 20PF C179 20PF C174 0.1uF C174 0.1uF C176 0.1uF C176 0.1uF VDD_3p3_1 1 LIN_INP 2 LIN_INN 3 VDD_1p8_1 4 AGC2_GPIO3 5 AGC1 6 IFOUTN_2GPO1 7 IFOUTP_2GPO2 8 IFOUTN_1 9 IFOUTP_1 10 VDD_3p3_2 11 VDD_1p8_2 12 VDD_1p2 13 GND_DIG 14 VDD_IO 15 SCL 16 SDA 17 CLK_OUT 18 XTAL_N 19 XTAL_P 20 GND_XTAL 21 VDD_1p8_3 22 RESER_N 23 AS 24 GND 25 MxL661 N101 MxL601 MxL661 N101 MxL601 C180 10nF C180 10nF L103 30nH L103 30nH C169 NC/15pF C169 NC/15pF L104 1.2uH L104 1.2uH C103 10uF/NC C103 10uF/NC 1 2 Z110 16MHZ Z110 16MHZ C182 NC/2.7pF C182 NC/2.7pF C1770.1uF C1770.1uF C125 1uF C125 1uF R164 10K R164 10K C170 1000pF C170 1000pF C181 0.1uF C181 0.1uF L118 NC/560nH L118 NC/560nH R159 0 R159 0 C171 5.6pF C171 5.6pF R161 500K R161 500K C117 4.7nF C117 4.7nF R168 0 R168 0 L100 8.2nH L100 8.2nH C172 NC/15pF C172 NC/15pF C178 20PF C178 20PF C131 1uF C131 1uF L102 NC/DXW21BN7511T L102 NC/DXW21BN7511T C115 4.7nF C115 4.7nF C166 0.1uF C166 0.1uF C104 10uF C104 10uF C165 0.1uF C165 0.1uF C111 0.1uF C111 0.1uF R163 1K R163 1K C167 1nF C167 1nF C183 47pF C183 47pF C164 0.1uF C164 0.1uF C124 0.1uF C124 0.1uF C105 47nF C105 47nF L101 30nH L101 30nH 1 2 L117 FB_2A L117 FB_2A C126 0.1uF C126 0.1uF 3 2 1 V108 BAV99_3 V108 BAV99_3 R166 NC/200 R166 NC/200 5 4 3 2 1 XS100 RF IN XS100 RF IN C175 1uFC175 1uF C168 1000pF C168 1000pF R100 100 R100 100 C184 47pF C184 47pF C106 47nF C106 47nF R101 100 R101 100 C112 2.2nF C112 2.2nF 3 1 4 2 RA525 4.7KX2 3 1 4 2 RA525 4.7KX2 PDF 文件以 "PDF 制作工厂" 试用版创建 ÿÿÿÿ ÿ � </p> <div class="main-left-down hidden-xl hidden-lg hidden-md"> <!--资源收费且没有购买--> <a href="http://www.wenhuiw.com/index.php?s=score&c=buy&m=index&module=wenku&id=10231" id="down_box_confirm" class="not-logged-in btn bg-green"><i class="fa fa-shopping-cart"></i> 立即购买</a> <p class="down-score">下载本素材需消耗 <span class="f-red">10</span> 积分</p> <p class="down-feedback">无法下载?<a class="hover:text-green-600" href="tencent://message/?uin=77594475" target="_blank">立即反馈</a></p> </div> <div class="tag">标签: </div> <div class="use-tip"> <h3>版权声明</h3> <p><b>1. 本站所有素材,仅限学习交流,仅展示部分内容,如需查看完整内容,请下载原文件。</b><br> 2. 会员在本站下载的所有素材,只拥有使用权,著作权归原作者所有。<br> 3. 所有素材,未经合法授权,请勿用于商业用途,会员不得以任何形式发布、传播、复制、转售该素材,否则一律封号处理。<br> 4. 如果素材损害你的权益请联系客服QQ:<a href="tencent://message/?uin=77594475">77594475</a> 处理。 </p> </div> </div> <div class="main-relate hidden-sm hidden-xs"> <div class="module-title-box"> <h2 class="title">相关素材</h2> </div> <ul class="module-list"> <li class="col-xl-3 col-lg-3 col-md-3 col-sm-6 col-6"> <div class="module-list_box"> <a class="module-list_thumb wide lazyload" href="/wenku/a23249.html" title="JCT 997-2006 装饰纸面石膏板" data-original="http://file.wenhuiw.com/202306/e292ed4137e88a.png#系统开启了相对路径模式,本地址是站外域名,不能转为相对路径(在关闭开发者模式后不显示这句话)#没有设置高宽参数,将以原图输出"></a> <div class="module-list_detail"> <h4 class="title txt-ov"><a href="/wenku/a23249.html" title="JCT 997-2006 装饰纸面石膏板">JCT 997-2006 装饰纸面石膏板</a></h4> </div> </div> </li> <li class="col-xl-3 col-lg-3 col-md-3 col-sm-6 col-6"> <div class="module-list_box"> <a class="module-list_thumb wide lazyload" href="/wenku/a23245.html" title="JCT 993-2006 外墙外保温用膨胀聚苯乙烯板抹面胶浆" data-original="http://file.wenhuiw.com/202306/2b2e9c8f05c1a.png#系统开启了相对路径模式,本地址是站外域名,不能转为相对路径(在关闭开发者模式后不显示这句话)#没有设置高宽参数,将以原图输出"></a> <div class="module-list_detail"> <h4 class="title txt-ov"><a href="/wenku/a23245.html" title="JCT 993-2006 外墙外保温用膨胀聚苯乙烯板抹面胶浆">JCT 993-2006 外墙外保温用膨胀聚苯乙烯板抹面胶浆</a></h4> </div> </div> </li> <li class="col-xl-3 col-lg-3 col-md-3 col-sm-6 col-6"> <div class="module-list_box"> <a class="module-list_thumb wide lazyload" href="/wenku/a23244.html" title="JCT 992-2006 墙体保温用膨胀聚苯乙烯板胶粘剂" data-original="http://file.wenhuiw.com/202306/1b863e61d25b589.png#系统开启了相对路径模式,本地址是站外域名,不能转为相对路径(在关闭开发者模式后不显示这句话)#没有设置高宽参数,将以原图输出"></a> <div class="module-list_detail"> <h4 class="title txt-ov"><a href="/wenku/a23244.html" title="JCT 992-2006 墙体保温用膨胀聚苯乙烯板胶粘剂">JCT 992-2006 墙体保温用膨胀聚苯乙烯板胶粘剂</a></h4> </div> </div> </li> <li class="col-xl-3 col-lg-3 col-md-3 col-sm-6 col-6"> <div class="module-list_box"> <a class="module-list_thumb wide lazyload" href="/wenku/a23243.html" title="JCT 991-2006 建材工业用石膏墙板(砌块)成型机" data-original="http://file.wenhuiw.com/202306/771f07e799519.png#系统开启了相对路径模式,本地址是站外域名,不能转为相对路径(在关闭开发者模式后不显示这句话)#没有设置高宽参数,将以原图输出"></a> <div class="module-list_detail"> <h4 class="title txt-ov"><a href="/wenku/a23243.html" title="JCT 991-2006 建材工业用石膏墙板(砌块)成型机">JCT 991-2006 建材工业用石膏墙板(砌块)成型机</a></h4> </div> </div> </li> <li class="col-xl-3 col-lg-3 col-md-3 col-sm-6 col-6"> <div class="module-list_box"> <a class="module-list_thumb wide lazyload" href="/wenku/a23226.html" title="JCT 969-2005 墙板挤压机技术条件" data-original="http://file.wenhuiw.com/202306/877c61829c4a649.png#系统开启了相对路径模式,本地址是站外域名,不能转为相对路径(在关闭开发者模式后不显示这句话)#没有设置高宽参数,将以原图输出"></a> <div class="module-list_detail"> <h4 class="title txt-ov"><a href="/wenku/a23226.html" title="JCT 969-2005 墙板挤压机技术条件">JCT 969-2005 墙板挤压机技术条件</a></h4> </div> </div> </li> <li class="col-xl-3 col-lg-3 col-md-3 col-sm-6 col-6"> <div class="module-list_box"> <a class="module-list_thumb wide lazyload" href="/wenku/a23215.html" title="JCT 958-2005 水泥胶砂流动度测定仪(跳桌)" data-original="http://file.wenhuiw.com/202306/104e5c621c62ab1.png#系统开启了相对路径模式,本地址是站外域名,不能转为相对路径(在关闭开发者模式后不显示这句话)#没有设置高宽参数,将以原图输出"></a> <div class="module-list_detail"> <h4 class="title txt-ov"><a href="/wenku/a23215.html" title="JCT 958-2005 水泥胶砂流动度测定仪(跳桌)">JCT 958-2005 水泥胶砂流动度测定仪(跳桌)</a></h4> </div> </div> </li> <li class="col-xl-3 col-lg-3 col-md-3 col-sm-6 col-6"> <div class="module-list_box"> <a class="module-list_thumb wide lazyload" href="/wenku/a23205.html" title="JCT 947-2005 先张法预应力混凝土管桩用端板" data-original="http://file.wenhuiw.com/202306/202e904d09bf791.png#系统开启了相对路径模式,本地址是站外域名,不能转为相对路径(在关闭开发者模式后不显示这句话)#没有设置高宽参数,将以原图输出"></a> <div class="module-list_detail"> <h4 class="title txt-ov"><a href="/wenku/a23205.html" title="JCT 947-2005 先张法预应力混凝土管桩用端板">JCT 947-2005 先张法预应力混凝土管桩用端板</a></h4> </div> </div> </li> <li class="col-xl-3 col-lg-3 col-md-3 col-sm-6 col-6"> <div class="module-list_box"> <a class="module-list_thumb wide lazyload" href="/wenku/a23201.html" title="JCT 940-2004 玻璃纤维增强水泥 (GRC)装饰制品" data-original="http://file.wenhuiw.com/202306/f739a4f6c22c42e.png#系统开启了相对路径模式,本地址是站外域名,不能转为相对路径(在关闭开发者模式后不显示这句话)#没有设置高宽参数,将以原图输出"></a> <div class="module-list_detail"> <h4 class="title txt-ov"><a href="/wenku/a23201.html" title="JCT 940-2004 玻璃纤维增强水泥 (GRC)装饰制品">JCT 940-2004 玻璃纤维增强水泥 (GRC)装饰制品</a></h4> </div> </div> </li> </ul> </div> </div> <div class="main-right col-xl-3 col-lg-3 col-md-3 hidden-sm hidden-xs"> <div class="side-box-dw"></div> <div class="side-fixed-box"> <div class="side shadow"> <a href="javasctipr:;" class="not-logged-in btn bg-yellow"><i class="fa fa-download"></i> 立即下载</a> <p class="down-score">下载本素材需消耗 <span class="f-red">10</span> 积分</p> <p class="down-feedback">无法下载?<a class="hover:text-green-600" href="tencent://message/?uin=77594475" target="_blank">立即反馈</a></p> <ul class="down-attribute"> <li><span>文件大小:</span>283.24 KB</li> <li><span>文件格式:</span>pdf</li> </ul> </div> <div class="side mt20 shadow"> <div class="module-title-box mb15"> <h2 class="title">随机推荐</h2> </div> <ul class="module-list"> <li class="col-lg-4 col-md-3 col-sm-4 col-xs-3 col-4"> <div class="module-list_box p0"> <a class="module-list_thumb wide" href="/wenku/a23254.html" title="一张母狮子卧在草丛里的照片" style="display: block; background-image: url('http://file.wenhuiw.com/202403/c18d26349a7554b.jpg#系统开启了相对路径模式,本地址是站外域名,不能转为相对路径(在关闭开发者模式后不显示这句话)#没有设置高宽参数,将以原图输出')" ;> </a> <div class="module-list_detail"> <h4 class="title"><a href="/wenku/a23254.html" title="一张母狮子卧在草丛里的照片">一张母狮子卧在草丛里的照片</a></h4> </div> </div> </li> <li class="col-lg-4 col-md-3 col-sm-4 col-xs-3 col-4"> <div class="module-list_box p0"> <a class="module-list_thumb wide" href="/wenku/a23253.html" title="员工花名册.xlsx" style="display: block; background-image: url('http://file.wenhuiw.com/202403/389f25971624d9f.jpg#系统开启了相对路径模式,本地址是站外域名,不能转为相对路径(在关闭开发者模式后不显示这句话)#没有设置高宽参数,将以原图输出')" ;> </a> <div class="module-list_detail"> <h4 class="title"><a href="/wenku/a23253.html" title="员工花名册.xlsx">员工花名册.xlsx</a></h4> </div> </div> </li> <li class="col-lg-4 col-md-3 col-sm-4 col-xs-3 col-4"> <div class="module-list_box p0"> <a class="module-list_thumb wide" href="/wenku/a23252.html" title="员工年假统计表" style="display: block; background-image: url('http://file.wenhuiw.com/202403/bde7ec85b0ccdf1.jpg#系统开启了相对路径模式,本地址是站外域名,不能转为相对路径(在关闭开发者模式后不显示这句话)#没有设置高宽参数,将以原图输出')" ;> </a> <div class="module-list_detail"> <h4 class="title"><a href="/wenku/a23252.html" title="员工年假统计表">员工年假统计表</a></h4> </div> </div> </li> <li class="col-lg-4 col-md-3 col-sm-4 col-xs-3 col-4"> <div class="module-list_box p0"> <a class="module-list_thumb wide" href="/wenku/a23251.html" title="实验室安全歌.doc" style="display: block; background-image: url('http://file.wenhuiw.com/202309/310d89e8c45eb81.jpg#系统开启了相对路径模式,本地址是站外域名,不能转为相对路径(在关闭开发者模式后不显示这句话)#没有设置高宽参数,将以原图输出')" ;> </a> <div class="module-list_detail"> <h4 class="title"><a href="/wenku/a23251.html" title="实验室安全歌.doc">实验室安全歌.doc</a></h4> </div> </div> </li> <li class="col-lg-4 col-md-3 col-sm-4 col-xs-3 col-4"> <div class="module-list_box p0"> <a class="module-list_thumb wide" href="/wenku/a23250.html" title="JCT 998-2006 喷涂聚氨酯硬泡体保温材料" style="display: block; background-image: url('http://file.wenhuiw.com/202306/a9f08eb9830da52.png#系统开启了相对路径模式,本地址是站外域名,不能转为相对路径(在关闭开发者模式后不显示这句话)#没有设置高宽参数,将以原图输出')" ;> </a> <div class="module-list_detail"> <h4 class="title"><a href="/wenku/a23250.html" title="JCT 998-2006 喷涂聚氨酯硬泡体保温材料">JCT 998-2006 喷涂聚氨酯硬泡体保温材料</a></h4> </div> </div> </li> <li class="col-lg-4 col-md-3 col-sm-4 col-xs-3 col-4"> <div class="module-list_box p0"> <a class="module-list_thumb wide" href="/wenku/a23249.html" title="JCT 997-2006 装饰纸面石膏板" style="display: block; background-image: url('http://file.wenhuiw.com/202306/e292ed4137e88a.png#系统开启了相对路径模式,本地址是站外域名,不能转为相对路径(在关闭开发者模式后不显示这句话)#没有设置高宽参数,将以原图输出')" ;> </a> <div class="module-list_detail"> <h4 class="title"><a href="/wenku/a23249.html" title="JCT 997-2006 装饰纸面石膏板">JCT 997-2006 装饰纸面石膏板</a></h4> </div> </div> </li> <li class="col-lg-4 col-md-3 col-sm-4 col-xs-3 col-4"> <div class="module-list_box p0"> <a class="module-list_thumb wide" href="/wenku/a23248.html" title="JCT 996-2006 玻璃纤维壁布" style="display: block; background-image: url('http://file.wenhuiw.com/202306/5156b2f64e53176.png#系统开启了相对路径模式,本地址是站外域名,不能转为相对路径(在关闭开发者模式后不显示这句话)#没有设置高宽参数,将以原图输出')" ;> </a> <div class="module-list_detail"> <h4 class="title"><a href="/wenku/a23248.html" title="JCT 996-2006 玻璃纤维壁布">JCT 996-2006 玻璃纤维壁布</a></h4> </div> </div> </li> <li class="col-lg-4 col-md-3 col-sm-4 col-xs-3 col-4"> <div class="module-list_box p0"> <a class="module-list_thumb wide" href="/wenku/a23247.html" title="JCT 995-2006 低比表面积高烧结活性氧化锆粉体" style="display: block; background-image: url('http://file.wenhuiw.com/202306/8c1c96b37a561d4.png#系统开启了相对路径模式,本地址是站外域名,不能转为相对路径(在关闭开发者模式后不显示这句话)#没有设置高宽参数,将以原图输出')" ;> </a> <div class="module-list_detail"> <h4 class="title"><a href="/wenku/a23247.html" title="JCT 995-2006 低比表面积高烧结活性氧化锆粉体">JCT 995-2006 低比表面积高烧结活性氧化锆粉体</a></h4> </div> </div> </li> <li class="col-lg-4 col-md-3 col-sm-4 col-xs-3 col-4"> <div class="module-list_box p0"> <a class="module-list_thumb wide" href="/wenku/a23246.html" title="JCT 994-2006 微晶玻璃陶瓷复合砖" style="display: block; background-image: url('http://file.wenhuiw.com/202306/fff87b6f9176d27.png#系统开启了相对路径模式,本地址是站外域名,不能转为相对路径(在关闭开发者模式后不显示这句话)#没有设置高宽参数,将以原图输出')" ;> </a> <div class="module-list_detail"> <h4 class="title"><a href="/wenku/a23246.html" title="JCT 994-2006 微晶玻璃陶瓷复合砖">JCT 994-2006 微晶玻璃陶瓷复合砖</a></h4> </div> </div> </li> </ul> </div> </div> </div> </div> <div class="main-box-dw"></div> <div class="scroll-to-top hidden-sm hidden-xs" id="toTop"> <i class="bi bi-arrow-up-circle-fill"></i> </div> <!-- 底部 --> <div class="footer"> <div class="container"> <div class="flex justify-center"> <span class="hidden-sm hidden-xs">© CopyRight 2022 文汇知识网</span> <a class="ml10 mr10" href="https://beian.miit.gov.cn" target="_blank">滇ICP备2022006959号-4</a> <span class="hidden-sm hidden-xs"><script> var _hmt = _hmt || []; (function() { var hm = document.createElement("script"); hm.src = "https://hm.baidu.com/hm.js?f0f56f82f7c67c360794e2549e59d9cd"; var s = document.getElementsByTagName("script")[0]; s.parentNode.insertBefore(hm, s); })(); </script> <a href="http://news.zzszq.net/">深知资讯网</a><a href="http://tv.zzszq.net/">深视网</a><a href="http://www.80hlw.com/">80商务</a></span> </div> </div> </div> <!-- 会员登录 --> <div id="login_box" class="hidden fixed"> <div class="login_box_title"> <h4 class="tc">会员登录</h4> <button id="close_login"><i class="fa fa-close"></i></button> </div> <form class="login-form" id="myform" action="" method="post"> <div class="form-group"> <input class="form-control" type="text" autocomplete="off" placeholder="会员名/邮箱/手机" name="data[username]" /> </div> <div class="form-group"> <input class="form-control" type="password" autocomplete="off" placeholder="登录密码" name="data[password]" /> </div> <div class="form-group"> <div class="col-6 pl0 pr0 fl"> <input class="form-control" type="text" autocomplete="off" placeholder="验证码" name="code" /> </div> <div class="col-6 tr fr"> <img align="absmiddle" style="cursor:pointer;" onclick="this.src='/index.php?s=api&c=api&m=captcha&width=120&height=35&t='+Math.random();" src="/index.php?s=api&c=api&m=captcha&width=120&height=35" /> </div> <div class="clearfix"></div> </div> <div class="form-group"> <button type="button" onclick="dr_ajax_member('http://www.wenhuiw.com/index.php?s=member&c=login&m=index', 'myform');" class="btn bg-green">登录</button> </div> <div class="form-group"> <a href="http://www.wenhuiw.com/index.php?s=member&c=register&m=index" id="register-btn" class="fr">注册账号</a> <input type="checkbox" name="remember" value="1" checked="checked" style="vertical-align: -2px;"/> 记住我 <a href="http://www.wenhuiw.com/index.php?s=member&c=login&m=find">忘记密码</a> </div> <div class="form-group tc"> <!--<p class="text-muted">第三方快捷登录</p>--> </div> </form> </div> <div class="mask-body mask-body-dark" style="display: none;"></div> <script src="/static/x2h-002/js/swiper-bundle.min.js"></script> <script src="/static/x2h-002/js/jquery.lazyload.js"></script> <script src="/static/x2h-002/js/common.js"></script> <script> $(function () { $.ajax({ type: "GET",dataType:"json", url: "/index.php?s=api&c=run&is_ajax=1&num=5" }); }); </script> </body> </html>