康佳LED42E350PDE液晶电视35018185板(MSD6I981BTJ机芯)电路原理图

分类:电子电工 日期: 点击:0
康佳LED42E350PDE液晶电视35018185板(MSD6I981BTJ机芯)电路原理图-0 康佳LED42E350PDE液晶电视35018185板(MSD6I981BTJ机芯)电路原理图-1 康佳LED42E350PDE液晶电视35018185板(MSD6I981BTJ机芯)电路原理图-2 康佳LED42E350PDE液晶电视35018185板(MSD6I981BTJ机芯)电路原理图-3 康佳LED42E350PDE液晶电视35018185板(MSD6I981BTJ机芯)电路原理图-4 康佳LED42E350PDE液晶电视35018185板(MSD6I981BTJ机芯)电路原理图-5 康佳LED42E350PDE液晶电视35018185板(MSD6I981BTJ机芯)电路原理图-6 康佳LED42E350PDE液晶电视35018185板(MSD6I981BTJ机芯)电路原理图-7 康佳LED42E350PDE液晶电视35018185板(MSD6I981BTJ机芯)电路原理图-8 康佳LED42E350PDE液晶电视35018185板(MSD6I981BTJ机芯)电路原理图-9

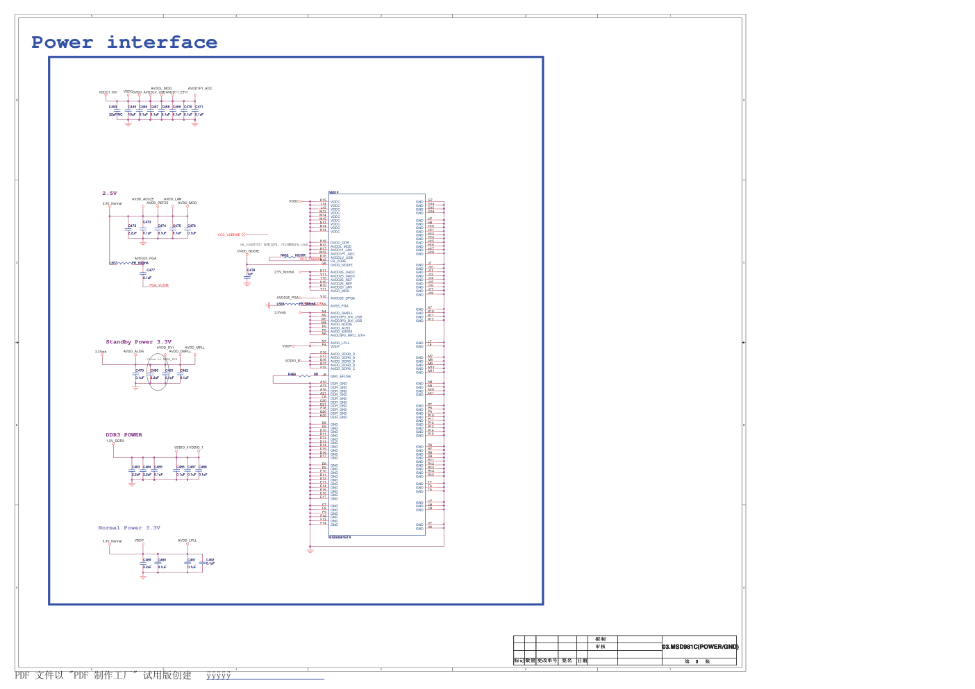
5 5 4 4 3 3 2 2 1 1 D D C C B B A A 2012.02.01 ��R428/100R 3.3Vear�����3.3Vstb ��N808 ��L805�L817 ��L825�L826�L825��������� ��RU22,RU23 C633 �C634���0805 ��R454�R450 2012.04.25 ��wifi/USB1���� 2012.04.27 wifi/USB1���������RU24�RU25 2012.05.14 �������XS650/XS651 PDF ��� "PDF ����" ����� http://www.fineprint.com 5 5 4 4 3 3 2 2 1 1 D D C C B B A A ADJ-PWM BKLT_EN BKLT_ADJ POWER-ON PM_PWR_ON VCC12VIN GND GND 5V-STBIN GND VCC12VIN VCC12VIN POWER-ON GND GND BKLT_ADJ BKLT_EN VCC12VIN VCC12VIN PM_PWR_ON 5V-STBIN PANEL_EN VCC-Panel +12V 3.3V_Normal 3.3V_Normal 5VA 3.3V_Normal 5Vstb +12V 5Vstb VDDC1.10V 5Vstb 3.3V_Normal 1.5V_DDR3 3.3V_Normal 3.3V_Normal 5VA 5Vstb 3.3Vstb 5VA 5Vstb 5VA 2.5V_Normal 5Vstb +12V 5VA 3.3V_Tuner 3.3V_Tuner 3.3V_Demod 1.2V_Demod 3.3V_Normal ADJ-PWM ON_BKLT PWM-IN VCC_VSENSE PM_PWR_ON PANEL_ON ���� �� ���� �� �� �� � � 1 01.System Power ���� �� ���� �� �� �� � � 1 01.System Power ���� �� ���� �� �� �� � � 1 01.System Power PANEL POWER POWER INPUT H:OFF L:ON ������ 1.1V FOR 6i981C CORE Feedback Voltage = 0.923 ���3.3 Normal��� ��� ��� DDR3 1.5V ��� 3.3V_Normal +3.3V STANDBY POWER 5VA 6i981C 2.5V �12V���������� 12V�5V DC-DC 3.3V_Tuner ��� ��� ��� ��� ��� DEMOD 3.3V POWER DEMOD 1.2V POWER 132mA 3 2 1 4 ADJ OUT IN N804 AMS1117-2.5 ADJ OUT IN N804 AMS1117-2.5 1 2 L814 FB_600mA L814 FB_600mA C885 0.1uF C885 0.1uF C806 0.1uF C806 0.1uF C869 0.1uF C869 0.1uF IN 2 GND 4 BS 1 FB 5 COMP 6 EN 7 SS 8 SW 3 N802 AP3503 N802 AP3503 C865 0.1uF C865 0.1uF 3 2 1 4 ADJ OUT IN N808 NC/AMS1117-3.3 ADJ OUT IN N808 NC/AMS1117-3.3 1 2 L807 FB_2A/NC L807 FB_2A/NC C870 2.2uF C870 2.2uF + C888 220uF + C888 220uF C845 NC/0.1uF C845 NC/0.1uF C837 0.1uF C837 0.1uF C866 10uF C866 10uF C841 0.1uF C841 0.1uF C893 22uF/6.3V C893 22uF/6.3V C875 0.1uF C875 0.1uF + C822 220uF + C822 220uF R843 100R R843 100R C896 10uF/10V C896 10uF/10V 1 2 L804 FB_2A L804 FB_2A C805 0.1uF C805 0.1uF R850 1K R850 1K C884 2.2uF C884 2.2uF V812 3904 V812 3904 C872 0.1uF C872 0.1uF 3 2 1 4 ADJ OUT IN N811 1117-1.2 ADJ OUT IN N811 1117-1.2 D 1 D 2 D 3 G 4 S 8 S 7 S 6 S 5 V801 PMK35EP V801 PMK35EP C801 10nF C801 10nF R802 10K/1% R802 10K/1% R828 10K R828 10K C852 NC/10uF C852 NC/10uF C802 3.3nF C802 3.3nF C880 0.1uF C880 0.1uF C803 0.1uF C803 0.1uF C839 10uF/NC C839 10uF/NC C836 10uF/NC C836 10uF/NC VD801 1N4148/NC VD801 1N4148/NC C861 0.1uF C861 0.1uF R842 100K R842 100K C813 0.1uF C813 0.1uF L801 10uH L801 10uH R816 100R R816 100R C818 10uF/NC C818 10uF/NC R841 47K R841 47K C828 0.1uF C828 0.1uF C829 10uF/NC C829 10uF/NC R812 47K R812 47K R848 10K R848 10K 1 2 3 V810 3904 V810 3904 C808 0.1uF C808 0.1uF C810 10uF/NC C810 10uF/NC C863 0.1uF C863 0.1uF C830 10uF C830 10uF C835 10uF/NC C835 10uF/NC R818 0 R818 0 C871 2.2uF C871 2.2uF C879 2.2uF C879 2.2uF 1 2 L809 FB_2A L809 FB_2A IN 2 GND 4 BS 1 FB 5 COMP 6 EN 7 SS 8 SW 3 N801 AP3502 N801 AP3502 C886 0.1uF C886 0.1uF V807 NC/AO3401A V807 NC/AO3401A R839 NC/1K R839 NC/1K C826 10nF C826 10nF + C834 220uF + C834 220uF C804 2.2uF C804 2.2uF C881 2.2uF C881 2.2uF 3 2 1 4 ADJ OUT IN N810 AMS1117-3.3 ADJ OUT IN N810 AMS1117-3.3 3 2 1 4 ADJ OUT IN N803 AZ1117-1.5-ADJ ADJ OUT IN N803 AZ1117-1.5-ADJ R807 10K R807 10K C890 2.2uF C890 2.2uF C814 0.1uF C814 0.1uF C862 10uF C862 10uF R837 10K R837 10K 1 2 L805 FB_2A L805 FB_2A C807 0.1uF C807 0.1uF V802 AO3401A V802 AO3401A C887 2.2uF C887 2.2uF + C858 NC/220uF + C858 NC/220uF R831 100R R831 100R R822 2.2K R822 2.2K C891 0.1uF C891 0.1uF R804 2.2K R804 2.2K R840 4.7K R840 4.7K C812 10uF C812 10uF 10 12 14 2 4 6 8 7 1 3 5 9 11 13 XS809 XS809 R808 100K R808 100K C819 NC/10uF C819 NC/10uF 3 2 1 4 ADJ OUT IN N807 AMS1117-3.3 ADJ OUT IN N807 AMS1117-3.3 R829 2.7K/1% R829 2.7K/1% R834 100K R834 100K R805 47K R805 47K C821 0.1uF C821 0.1uF R815 0R R815 0R R811 10K R811 10K C809 0.1uF C809 0.1uF 3 1 2 V808 3904 V808 3904 C883 0.1uF C883 0.1uF R820 10K/NC R820 10K/NC 3 1 2 V803 3904 V803 3904 C840 0.1uF C840 0.1uF R835 12K/1% R835 12K/1% C857 0.47uF C857 0.47uF R801 NC R801 NC C853 0.1uF C853 0.1uF R809 100R R809 100R R810 10K R810 10K R803 33K/1% R803 33K/1% 3 2 1 GND IN OUT N809 WL2004N33G GND IN OUT N809 WL2004N33G C820 0.1uF/NC C820 0.1uF/NC C864 10uF/NC C864 10uF/NC C842 0.1uF C842 0.1uF R824 NC R824 NC C876 2.2uF C876 2.2uF C817 10uF C817 10uF R851 15R/1% R851 15R/1% L806 10uH L806 10uH C831 3.3nF C831 3.3nF PDF ��� "PDF ����" ����� ����� � 5 5 4 4 3 3 2 2 1 1 D D C C B B A A CEC HDMI-CEC HDMI_ARC HDMI-ARC HDMI1-DDC-SDA HDMI1-DDC-SCL HDMI1-HPD HDMI1-HPD HDMI1-DDC-SDA HDMI1-DDC-SCL HDMI1-HPDIN HDMI1-RX1P HDMI1-RX2N HDMI1-RX1N HDMI1-RX2P HDMI1-RX0N HDMI1-CLKN HDMI1-CLKP HDMI1_RX2P HDMI1_RX0P HDMI1_RX1P HDMI1_RX1N HDMI1_RX0N HDMI1_RX2N HDMI1_CLKN HDMI1_RX2P HDMI1_CLKP HDMI1_RX0P CEC HDMI_ARC HDMI1/5V HDMI1_DET HDMI1-RX0P HDMI1_CLKN HDMI1_RX0N HDMI1_CLKP HDMI1_RX2N HDMI1_RX1P HDMI1_RX1N HDMI1/5V HDMI1/5V HDMI1/5V 3.3V_Normal HDMI-CEC HDMI-ARC HDMI1-HPDIN HDMI1-SCL HDMI1-SDA HDMI1-RX2P HDMI1-RX2N HDMI1-RX1P HDMI1-RX1N HDMI1-RX0P HDMI1-RX0N HDMI1-CLKP HDMI1-CLKN HDMI1_DET ���� �� ���� �� �� �� � � 1 08. HDMI ���� �� ���� �� �� �� � � 1 08. HDMI ���� �� ���� �� �� �� � � 1 08. HDMI HDMI1 CEC & ARC ������ R644 10K R644 10K R666 22R R666 22R R684 10K R684 10K R667 22R R667 22R 7 5 3 1 8 6 4 2 RA509 0RX4 7 5 3 1 8 6 4 2 RA509 0RX4 R639 10K R639 10K R643 200R R643 200R R634 1K R634 1K R646 10K R646 10K 3 1 4 2 RA602 4.7KX2 3 1 4 2 RA602 4.7KX2 R648 0R R648 0R R668 4.7K R668 4.7K R657 1K R657 1K 1 2 3 V602 3904 V602 3904 7 5 3 1 8 6 4 2 RA510 0RX4 7 5 3 1 8 6 4 2 RA510 0RX4 1 2 3 V609 3904 V609 3904 DATA2+ 1 DATA2 SHIELD 2 DATA2- 3 DATA1+ 4 DATA1 SHIELD 5 DAT1A- 6 DATA0+ 7 DATA0 SHIELD 8 DATA0- 9 CLK+ 10 CLK SHIELD 11 CLK- 12 CEC 13 NC 14 SCL 15 SDA 16 DDC/CEC GND 17 +5V POWER 18 HOT PLUG 19 GND1 20 GND2 21 GND3 22 GND3 23 GND 26 GND 25 GND 24 GND 27 GND 28 XS601 HDMI/180D XS601 HDMI/180D C603 2.2uF C603 2.2uF PDF ��� "PDF ����" ����� ����� � 5 5 4 4 3 3 2 2 1 1 D D C C B B A A SPI-SDO SPI-CSN FLASH_WP SPI-SDI SPI-SCK SPI-SDI SPI-SDO SPI_SDI SPI_SCK SPI_SDO SPI_CSN SPI-CSN SPI-SCK HDMI-CEC HDMI1-RX1P HDMI1-CLKP HDMI1-RX1N HDMI1-RX0P HDMI1-CLKN HDMI1-RX2P HDMI1-SCL HDMI1-RX0N HDMI1-HPDIN HDMI1-RX2N HDMI1-SDA HDMI1-RX1P HDMI1-CLKP HDMI1-RX1N HDMI1-RX0P HDMI-CEC HDMI1-CLKN HDMI1-RX2P HDMI1-SCL HDMI1-RX0N HDMI1-HPDIN HDMI1-RX2N HDMI1-SDA HDMI-ARC VCOM0 BIN2N MDI_RN MDI_RP MDI_TN MDI_TP RIN2 GIN2 BIN2 SOGIN2 GIN2N RIN2N AUVRP AUVRM HDMI-ARC AUVAG AV-AUOUTR0 AV-AUOUTL0 VBL_CTRL PANEL_ON/OFF PCM_A1 NAND_CLE BRI_ADJ System-RST NAND_WEZ G3_RXE0- G0_RXE1+ G2_RXE0+ G1_RXE1- B7_RXE2- B5_RXEC- B6_RXE2+ B4_RXEC+ B3_RXE3- B2_RXE3+ B0_RXE4+ B1_RXE4- SPI_SCK SPI_SDO SPI_SDI SPI_CSN PWM_PM LINE_IN_1L LINE_IN_1R HD_Lin HD_Rin MUTE_S NAND_RBZ PCM_A5 USB2_D+ USB1_D- AUVRP AUVAG AUVRM USB1_D+ USB2_D- VCOM0 CVBS_OUT EARPHONE_OUTR EARPHONE_OUTL PCM_A2 PCM_A3 AV-AUOUTL0 AV-AUOUTR0 PCM_A4 PCM_A0 NAND_WPZ EARPHONE_OUTR EARPHONE_OUTL XTALO XTALI NAND_ALE CFG-PWM1 CFG-PWM0 PCM_A6 CVBS_OUT I2S-OUT_MCK I2S-OUT_BCK BIN2N RIN2 GIN2 BIN2 SOGIN2 GIN2N RIN2N G5_RXO4- G6_RXO3+ G7_RXO3- G4_RXO4+ R5_RXO1- R4_RXO1+ R6_RXO0+ R7_RXO0- R3_RXO2- R2_RXO2+ R0_RXOC+ R1_RXOC- NAND_REZ PCM_A7 NAND_CEZ PWM_PM I2S-OUT_MCK I2S-OUT_BCK CFG-PWM1 CFG-PWM0 CVBS1 CVBS1 XTALI XTALO IR_in LED KEY0-in PW_CTL ODSEL# FLASH_WP STB_PWR PM_PWR_ON KEY-in IR_in 3.3V_STB STB_PWR LOGO_PWR LOGO_PWR LED OPC_EN SCN/_EN VBL_CTRL BRI_ADJ PW_CTL ODSEL# MUTE_S SCN/_EN OPC_EN 3V3_IF HDMI1-DET HDMI1-DET UART-TX KEY-in STB_PWR 3.3VSTB IR_in LOGO_PWR 3D-FLAG 3D-FLAG 3D_EN 3D_EN UART-RX IR_in KEY-in KEY_POWER KEY-in KEY_POWER PCM_A0 NAND_CLE NAND_WEz NAND_ALE PCM_A4 PCM_A6 PCM_A1 PCM_A3 PCM_A7 NAND_WPz PCM_A5 FLH_3.3V FLH_3.3V NAND_REz NAND_CEz NAND_RBZ PCM_A2 KEY0-in KEY-in MUTE-DET MUTE-DET TS1_D1 TS1_D2 TS1_D3 TS1_D4 TS1_D5 TS1_D6 TS1_D7 TS1_SYNC TS1_CLK TS1_VALID TS1_D0 AGC ATV_RF_AGC IF-AGC-SEL Demod_RST UART-TX UART-RX I2C-SCL I2C-SDA PANEL_ON/OFF System-RST System-RST 3.3Vstb 3.3Vstb 3.3V_Tuner 3.3V_Normal 3.3Vstb 5Vstb 3.3Vstb 3.3Vstb 3.3Vstb 3.3Vstb 3.3V_Normal 3.3Vstb 3.3V_Normal 3.3Vstb 3.3V_Normal FLH_3.3V FLH_3.3V 5Vstb 3.3Vstb HDMI-CEC HDMI1-CLKP HDMI1-RX1N HDMI1-RX0P HDMI1-CLKN HDMI1-RX2P HDMI1-SCL HDMI1-RX0N HDMI1-RX2N HDMI1-SDA HDMI1-HPDIN HDMI1-RX1P HDMI-ARC MDI_RP MDI_TP MDI_TN MDI_RN A3- A1+ ACK+ A4+ A1- ACK- A0+ A4- A2+ A3+ A0- A2- VIFP VIFM ATV_RF_AGC HD_Rin HD_Lin YPbPr_PR YPbPr_Y YPbPr_PB USB2_D- B3+ B0- B2- B3- USB2_D+ USB1_D- USB1_D+ B1+ BCK+ B4+ B1- BCK- B0+ B4- B2+ AV_AUOUTL0 EARPHONE-OUTL AV_AUOUTR0 EARPHONE-OUTR CVBS_OUT AV2_VIN I2C-SCL I2C-SDA ADJ-PWM OD_SEL ON_BKLT MUTE_EN PM_PWR_ON L_DIM_DBL EN-SCAN HDMI1_DET 3D-FLAG 3D_EN 3D_SYNC IR_OUT MUTE_DET System-RST TS1_CLK TS1_VALID TS1_SYNC TS1_D[7:0] Demod_RST IF-AGC-SEL PANEL_ON �� �� �� ���� �� �� �� � � 2 02.MSD981C(RGB/CI/HDMI) �� �� �� ���� �� �� �� � � 2 02.MSD981C(RGB/CI/HDMI) �� �� �� ���� �� �� �� � � 2 02.MSD981C(RGB/CI/HDMI) SPI Flash *100MHz, No any VIA hole! Boot Loader SPI Flash NAND & CI & TS & Front End HDMI Interface Close to MST IC Close to MST IC with wide trace Close to MSTAR IC with width trace SAR������3.3V!!!!! GPIO & LVDS � � � � � 50mV� � ��mstar IC Audio Line Out � � � IC Closed to MSTIC HDMI & Audio RGB & CVBS & LAN & USB // CHIP Config {I2S_OUT_BCK, I2S_OUT_MCK, PAD_PWM1, PAD_PWM0} B51_NO_EJ 4'b0000 Boot from 8051 with SPI flash SB51_WOS 4'b0001 Secure B51 without scramble SB51_WS 4'b0010 Secure B51 with scramble MIPS_SPI_NO_EJ 4'b0100 Boot from MIPS with SPI flash MIPS_SPI_EJ_1 4'b0101 Boot from MIPS with SPI flash MIPS_SPI_EJ_2 4'b0110 Boot from MIPS with SPI flash MIPS_WOS 4'b1001 Secure MIPS without scramble MIPS_WS 4'b1010 Secure MIPS with scramble Mode Selection Crystal YPbPr/AV2 �� AV_Out VGA UART LED_IR_KEY (�) (�) GPIO PULL-UP EEPROM-WP��B1 MAC-DET��U6 MIC-DET��Y5 �������A6 L_DIM_DBL NAND FLASH ���������������� �������� Debug port print message RESET C418 47nF C418 47nF C411 47nF C411 47nF R499 NC/1K_1% R499 NC/1K_1% R518 100R R518 100R R559 100R R559 100R R/B 7 RE 8 CE 9 NC 10 NC 11 VCC 12 VSS 13 NC 14 NC 15 CLE 16 ALE 17 WE 18 WP 19 NC 48 NC 47 NC 46 NC 45 D7 44 D6 43 D5 42 D4 41 VCC 37 VSS 36 NC 35 NC 34 NC 33 D3 32 D2 31 D1 30 D0 29 NC 1 NC 2 NC 3 NC 4 NC 5 NC 6 NC 20 NC 21 NC 22 NC 23 NC 24 NC 25 NC 26 NC 27 NC 28 NC 38 NC 39 NC 40 N510 K9F2G08U0C N510 K9F2G08U0C R536 1M R536 1M R428 100R R428 100R R433 200R R433 200R C436 22pF C436 22pF C420 33pF C420 33pF R460 NC/0R R460 NC/0R R472 22R R472 22R R409 68R R409 68R 1 2 3 4 XS505 D2006-4A XS505 D2006-4A R416 68R R416 68R C409 47nF C409 47nF R555 4.7K R555 4.7K R471 22R R471 22R CE# 1 SO 2 WP# 3 VSS 4 SI 5 SCK 6 HOLD# 7 VDD 8 N506 W25X08A N506 W25X08A R532 33R R532 33R C437 22pF C437 22pF C499 NC/100pF C499 NC/100pF R447 NC/4.7K R447 NC/4.7K L504 10uH L504 10uH L503 10uH L503 10uH C439 220pF C439 220pF R561 NC/10K R561 NC/10K R477 10K R477 10K 3 1 4 2 RA501 4.7KX2 3 1 4 2 RA501 4.7KX2 R527 22R R527 22R 1 2 3 4 5 6 XS644 D2006-6W XS644 D2006-6W R438 49.9R/1% R438 49.9R/1% C434 0.1uF C434 0.1uF R556 4.7K R556 4.7K SAR0 F4 SAR1 D4 SAR2 F5 SAR3 G6 PWM0 L20 PWM1 K19 PWM2 K20 PM_SPI_CK C7 PM_SPI_CZ1/PM6 B6 PM_SPI_DI B7 PM_SPI_DO C6 DDCA_CK J6 DDCA_DA H5 DDCR_CK/ SCKM2 M17 DDCR_DA/ SDAM2 M18 GPIO_PM7 B1 PM1/PM_UART_TX C4 GPIO_PM8 C2 PM5/PM_UART_RX B4 PM_SPI_CZ2/PM10 A6 LVB0N/ RED[6] V20 LVB0P/ RED[7] U19 LVB1N/ RED[4] V19 LVB1P/ RED[5] V21 LVB2N/ RED[2] Y21 LVB2P/ RED[3] W21 LVBCKN/ RED[0] Y20 LVBCKP/ RED[1] W20 LVB3N/ GREEN[6] Y19 LVB3P/ GREEN[7] AA20 LVB4N/ GREEN[4] W19 LVB4P/ GREEN[5] AA19 LVA0N/ GREEN[2] Y18 LVA0P/ GREEN[3] AA18 LVA1N/ GREEN[0] Y17 LVA1P/ GREEN[1] W18 LVA2N/ BLUE[6] Y16 LVA2P/ BLUE[7] W17 LVACKN/ BLUE[4] W16 LVACKP/ BLUE[5] AA16 LVA3N/ BLUE[2] Y15 LVA3P/ BLUE[3] AA15 LVA4N/ BLUE[0] Y14 LVA4P/ BLUE[1] W15 LED0 /GPIO19 M21 LED1 /GPIO20 M20 PWM_PM C1 PWM3 K21 SAR4 B2 TP /GPIO21 M19 GPIO22 L19 TN /GPIO23 N21 RP /GPIO24 N20 GPIO_PM0 F6 GPIO_PM11 A3 GPIO_PM4 E4 PM_SPI_CZ/PM9 B3 GPIO_PM3 A2 GPIO_PM2 D7 GPIO25 P20 GPIO26 P19 RN /GPIO27 N19 LCK U20 LVSYNC T20 LHSYNC T21 LDE T19 UART_TX2 L17 UART_RX2 L18 PWM SAR SPI RMII PHY I2C LVDS UART TTL N501D MSD6I981BTA PWM SAR SPI RMII PHY I2C LVDS UART TTL N501D MSD6I981BTA R476 100R R476 100R Z501 XTAL-24MHz Z501 XTAL-24MHz R473 22R R473 22R C459 0.1uF C459 0.1uF R439 NC/4.7K R439 NC/4.7K R444 4.7K R444 4.7K C462 47nF C462 47nF C438 220pF C438 220pF GND 1 RESET 2 VCC 3 N512 IMP810 N512 IMP810 R407 68R R407 68R C460 100pF C460 100pF R446 4.7K R446 4.7K C408 47nF C408 47nF R533 33R R533 33R C495 10nF C495 10nF R482 100R R482 100R C447 0.1uF C447 0.1uF C444 0.1uF C444 0.1uF R453 NC/0R R453 NC/0R 3 1 4 2 RA502 4.7KX2 3 1 4 2 RA502 4.7KX2 R434 NC/4.7k R434 NC/4.7k C458 NC/0.1uF C458 NC/0.1uF C455 0.1uF C455 0.1uF C422 22nF C422 22nF R412 33R R412 33R R504 100R R504 100R C446 10uF C446 10uF R507 10K R507 10K R410 33R R410 33R R432 200R R432 200R C414 1nF C414 1nF R419 4.7K R419 4.7K R529 33R R529 33R R442 4.7K R442 4.7K R501 100R R501 100R C428 1uF C428 1uF R560 10K R560 10K 1 2 3 XS650 D2006-3W XS650 D2006-3W R443 NC/4.7K R443 NC/4.7K R436 49.9R/1% R436 49.9R/1% R427 100K R427 100K R522 22R R522 22R C456 1nF C456 1nF R550 4.7K R550 4.7K R423 1K R423 1K BIN0M K2 GIN0P L2 GIN0M L1 SOGIN0 L3 RIN0M M1 HSYNC0 L4 VSYNC0 L5 BIN1M N3 GIN1P P3 SOGIN1 N2 RIN1M R3 BIN2M R2 GIN2M U3 RIN2M U1 SOGIN2 T3 CVBS0 V3 CVBS1 V1 CVBS2 V2 CVBS3 V4 VCOM Y1 DM_P0 A5 DP_P0 B5 DM_P1 Y13 DP_P1 W14 RIN0P M3 BIN0P K3 RIN1P P1 GIN1M P2 RIN2P U2 GIN2P T2 BIN2P R1 BIN1P M2 CVBS_OUT1 W1 VSYNC_LIKE R19 SPI1_CK R21 SPI1_DI R20 RGB CVBS USB Local Dimming N501E MSD6I981BTA RGB CVBS USB Local Dimming N501E MSD6I981BTA C442 10uF C442 10uF C421 10nF C421 10nF R461 NC/0R R461 NC/0R R521 22R R521 22R R500 100R R500 100R 1 2 3 4 5 XS651 NC/D1251-03 XS651 NC/D1251-03 C443 10uF C443 10uF R481 100R R481 100R R418 10K R418 10K R413 0R R413 0R R523 22R R523 22R C433 0.1uF C433 0.1uF R422 10K R422 10K R475 NC/10K R475 NC/10K C435 10uF C435 10uF R554 NC/100R R554 NC/100R C419 33pF C419 33pF 1 3 2 V604 3906 V604 3906 R520 22R R520 22R R483 0R R483 0R R440 4.7K R440 4.7K R567 NC/100R R567 NC/100R R528 33R R528 33R R495 NC/4.7K R495 NC/4.7K R425 100K R425 100K R525 22R R525 22R R420 10k R420 10k R411 68R R411 68R C412 47nF C412 47nF R497 4.7K R497 4.7K C457 NC/0.1uF C457 NC/0.1uF C413 47nF C413 47nF C415 47nF C415 47nF R414 33R R414 33R R531 33R R531 33R R474 4.7K R474 4.7K R459 NC/0R R459 NC/0R R421 3.9K R421 3.9K R535 0R R535 0R R534 33R R534 33R R437 49.9R/1% R437 49.9R/1% R530 33R R530 33R 1 2 3 4 5 6 7 8 XS645 NC/D1250-6AD XS645 NC/D1250-6AD R526 22R R526 22R R524 22R R524 22R R445 NC/4.7K R445 NC/4.7K L502 FB_600mA L502 FB_600mA R458 NC/0R R458 NC/0R C448 0.1uF C448 0.1uF R408 33R R408 33R LINE_OUT_L0 W7 LINE_OUT_R0 AA7 VRP V5 VAG W5 AVSS_VRM_ADC W4 SPDIF_IN D6 SPDIF_OUT E7 I2S_OUT_MCK E5 I2S_OUT_WS E6 A_RX0N H3 A_RX0P H2 A_RX1N H1 A_RX1P J3 A_RX2N J1 A_RX2P J2 A_RXCN G3 A_RXCP G2 DDCDA_CK K6 DDCDA_DA M6 HOTPLUGA L6 D_RX0N E3 D_RX0P E2 D_RX1N E1 D_RX1P F3 D_RX2N F1 D_RX2P F2 D_RXCN D3 D_RXCP D2 DDCDD_CK J4 DDCDD_DA J5 HOTPLUGD K5 CEC H4 I2S_OUT_BCK C5 I2S_OUT_SD D5 IRIN G5 RESET C3 XTAL_IN Y6 XTAL_OUT AA6 TESTPIN K8 ARC0 H6 LINE_IN_L4 R5 LINE_IN_R4 R4 I2S_IN_WS J21 I2S_IN_BCK J20 I2S_IN_SD J19 LINE_IN_L3 T5 LINE_IN_R3 T6 LINE_IN_L2 U4 LINE_IN_R2 U5 LINE_IN_L1 W10 LINE_IN_R1 AA10 LINE_IN_L0 Y9 LINE_IN_R0 AA9 C_RX0N Y11 C_RX0P W12 C_RX1N Y12 C_RX1P AA12 C_RX2N W13 C_RX2P AA13 C_RXCN Y10 C_RXCP W11 DDCDC_CK V12 DDCDC_DA U12 HOTPLUGC T12 EARPHONE_OUTL Y8 EARPHONE_OUTR W9 LINE_OUT_L2 Y7 LINE_OUT_R2 W8 HDMI A/C/D Analog Audio I2S SPDIF Other N501C MSD6I981BTA HDMI A/C/D Analog Audio I2S SPDIF Other N501C MSD6I981BTA R552 100R R552 100R R542 10K R542 10K R435 49.9R/1% R435 49.9R/1% C432 10uF C432 10uF R502 100R R502 100R R549 100R R549 100R R449 10K R449 10K R470 22R R470 22R C429 1uF C429 1uF C445 0.1uF C445 0.1uF TS1_D0 T14 TS1_D1 U14 TS1_D2 U13 TS1_D3 V13 TS1_D4 U15 TS1_D5 T16 TS1_D7 U16 TS1_CLK V15 TS1_VLD T15 TS1_SYNC T13 IP Y2 IM AA2 VIFP Y3 VIFM AA3 SSIF/SIFP Y4 SSIF/SIFM AA4 IF_AGC W3 RF_AGC W2 TGPIO0 Y5 TGPIO2/ SCKM1 V6 TGPIO3/ SDAM1 U6 PCM_D0 /NAND_AD0 V17 PCM_D1 /NAND_AD1 V18 PCM_D2 /NAND_AD2 U17 PCM_D3 /NAND_AD3 U18 PCM_D4 /NAND_AD4 T17 PCM_D5 /NAND_AD5 T18 PCM_D6 /NAND_AD6 R17 PCM_D7 /NAND_AD7 R18 TGPIO1 W6 TS1_D6 V16 PF_WEZ P16 PF_WPZ R16 PF_ALE N16 PF_CLE P17 PF_CEZ M16 PF_REZ N17 PF_CEZ1 P18 PF_RBZ L16 TS1 (In/Out) NAND Front End N501B MSD6I981BTA TS1 (In/Out) NAND Front End N501B MSD6I981BTA R448 4.7K R448 4.7K R496 NC/100R R496 NC/100R R441 NC/4.7K R441 NC/4.7K 1 3 2 V615 NC/3906 V615 NC/3906 PDF ��� "PDF ����" ����� ����� � 5 5 4 4 3 3 2 2 1 1 D D C C B B A A PGA_VCOM VCC_VSENSE PGA_VCOM AVDD_MPLL VDDP AVDD_LAN VDDC1.10V AVDDL_MOD AVDD11_ETH AVDD1P1_ADC AVDDLV_USB 3.3V_Normal 3.3Vstb 2.5V_Normal DVDD VDDC AVDD_DMPLL VDDIO_0 AVDD25_PGA AVDD_ALIVE 1.5V_DDR3 AVDD_ADC25 AVDD_LPLL VDDIO_1 AVDD_DVI AVDD_MOD AVDD_REF25 VDDP DVDD_NODIE AVDD25_PGA 2.5V_Normal 3.3Vstb VDDIO_0 VDDC VCC_VSENSE ���� �� ���� �� �� �� � � 3 03.MSD981C(POWER/GND) ���� �� ���� �� �� �� � � 3 03.MSD981C(POWER/GND) ���� �� ���� �� �� �� � � 3 03.MSD981C(POWER/GND) Close to AVDD_DVI Normal Power 3.3V 2.5V Standby Power 3.3V DDR3 POWER Power interface FB_CORE������������FB_CORE C468 0.1uF C468 0.1uF C492 0.1uF C492 0.1uF C479 0.1uF C479 0.1uF R466 0R R466 0R C486 0.1uF C486 0.1uF C489 2.2uF C489 2.2uF C480 2.2uF C480 2.2uF C491 0.1uF C491 0.1uF C484 2.2uF C484 2.2uF C473 0.1uF C473 0.1uF C481 0.1uF C481 0.1uF C467 0.1uF C467 0.1uF L508 FB_600mA L508 FB_600mA C490 0.1uF C490 0.1uF C478 1uF C478 1uF C487 0.1uF C487 0.1uF C482 0.1uF C482 0.1uF C477 0.1uF C477 0.1uF C469 0.1uF C469 0.1uF C474 0.1uF C474 0.1uF C485 0.1uF C485 0.1uF C465 10uF C465 10uF C493 22uF/NC C493 22uF/NC C470 0.1uF C470 0.1uF AVDD_DDR0_D G17 AVDD3P3_DVI_USB M5 AVDD_AU33 P5 VDDC K15 VDDC L14 VDDC M13 VDDC K14 DVDD_DDR K18 VDDC M14 VDDC M15 VDDC N13 VDDC N14 AVDD25_DADC U11 AVDD_LPLL N7 AVDD3P3_DVI_USB N5 AVDD25_REF T10 AVDD25_DPGA V10 AVDD_DDR0_D F16 AVDD25_LAN R10 AVDD_DDR0_D F17 AVDD_DDR0_D G16 AVDD11_LAN K17 AVDD_NODIE M4 AVDD_MOD T11 VDDP P4 GND D9 GND_EFUSE J8 AVDD25_DADC V11 AVDD3P3_MPLL_ETH N6 GND D10 AVDD_DMPLL N4 GND J11 GND D13 DVDD_NODIE G8 DDR_GND C20 DDR_GND A16 DDR_GND A13 DDR_GND A10 DDR_GND A21 GND D11 DDR_GND C8 AVDD_DDR0_C F15 DDR_GND E21 AVSS_PGA V9 GND E10 GND E11 GND E9 GND E12 GND E16 GND J12 GND J14 GND J15 GND J18 GND K7 GND K10 GND F7 GND F8 GND K11 GND K12 GND L7 GND L8 GND N9 GND N10 GND N11 GND F9 GND M10 GND M11 GND N8 GND P7 GND P8 GND P9 GND P10 GND P11 GND P12 GND P15 GND R6 GND R7 GND R8 DDR_GND F18 GND D14 GND E15 GND E8 DDR_GND G20 GND D12 GND D15 GND D16 GND E13 GND E14 GND R9 AVDD1P1_ADC M12 AVDDL_MOD N12 AVDD25_REF U10 GND D17 GND E17 GND R12 GND R13 GND F12 GND F13 GND F14 GND G7 GND G14 GND H7 GND H8 GND H10 GND H11 GND H12 GND H14 GND H15 GND J7 GND J10 GND R14 GND P13 GND M7 GND M8 GND M9 FB_CORE N15 GND J16 GND J17 VDDC L15 AVDDLV_USB K16 GND P14 GND D8 AVDD_EAR33 P6 GND R15 GND T7 GND T8 GND T9 GND U7 GND U8 GND U9 GND H16 GND H17 GND H18 GND V7 GND V8 GND R11 DDR_GND H20 GND G15 GND G18 N501F MSD6I981BTA N501F MSD6I981BTA C483 2.2uF C483 2.2uF C476 0.1uF C476 0.1uF C472 2.2uF C472 2.2uF C475 0.1uF C475 0.1uF C466 0.1uF C466 0.1uF R465 NC/0R R465 NC/0R L507 FB_600mA L507 FB_600mA C488 0.1uF C488 0.1uF C471 0.1uF C471 0.1uF PDF ��� "PDF ����" ����� ����� � 5 5 4 4 3 3 2 2 1 1 D D C C B B A A A_DDR3_A13 A-DDR3-A13 A_DDR3_A7 A-DDR3-A7 A_DDR3_A14 A_DDR3_A3 A_DDR3_A11 A_DDR3_A12 A_DDR3_A9 A_DDR3_A5 A_DDR3_A6 A_DDR3_A0 A_DDR3_A2 A_DDR3_A10 A_DDR3_A1 A_DDR3_CKE A_DDR3_A4 A_DDR3_A8 A_DDR3_A13 A_DDR3_A7 A-DDR3-A13 A-DDR3-BA2 A_DDR3_BA1 A-DDR3-A14 A_DDR3_A2 A_DDR3_A10 A-DDR3-A11 A_DDR3_DQU1 A_DDR3_DQU2 A_DDR3_DQU3 A_DDR3_DQU5 A_DDR3_DQU0 A_DDR3_DQU4 A_DDR3_DQU7 A_DDR3_DQU6 A-DDR3-A8 A-DDR3-A11 A-DDR3-A10 A-DDR3-A9 A_DDR3_A14 A_DDR3_A5 A-DDR3-A0 A-DDR3-CASZ A-DDR3-RASZ A-DDR3_MCLK A-DDR3-A12 A-DDR3-ODT A-DDR3-BA0 A-DDR3_MCLKZ A_DDR3_A1 A-DDR3-A14 A-DDR3-CKE A-DDR3-A10 A-DDR3-A3 A-DDR3-ODT A_DDR3_DQSLB A_DDR3_DQSL A_DDR3_CKE A_DDR3_BA2 A-DDR3-A0 A-DDR3-CASZ A-DDR3-WEZ A_DDR3_RESET A-DDR3-RESET A-DDR3-BA2 A-DDR3-BA1 A-DDR3-BA0 A_DDR3_A0 A-DDR3-A12 A-DDR3-BA1 A_DDR3_ODT A_DDR3_BA0 A_DDR3_DMU A-DDR3-CKE A-DDR3-A9 A-DDR3-A2 A-DDR3-A1 A_DDR3_DQSUB A_DDR3_DQSU A_DDR3_A8 A_DDR3_A3 A-DDR3-A6 A-DDR3-A4 A_DDR3_A4 A_DDR3_RASZ A_DDR3_CASZ A_DDR3_WEZ A-MVREFCA A_DDR3_WEZ A_DDR3_CASZ A_DDR3_RASZ A-MVREFDQ A-DDR3-A3 A-DDR3-A2 A-DDR3-A8 A-DDR3-A1 A_DDR3_A9 A_DDR3_A12 A_DDR3_DQL4 A_DDR3_DQL5 A_DDR3_DQL6 A_DDR3_DQL7 A_DDR3_DQL3 A_DDR3_A6 A_DDR3_A11 A_DDR3_DQL2 A_DDR3_DQL0 A_DDR3_DQL1 A_DDR3_DML A-DDR3-RASZ A-DDR3-RESET A-DDR3-A5 A-DDR3-WEZ A-DDR3-A7 A-DDR3-A6 A-DDR3-A5 A-DDR3-A4 A-MVREFCA A-MVREFDQ A_DDR3_DQU3 A_DDR3_DQU1 A_DDR3_DQU0 A_DDR3_DQL7 A_DDR3_DQL3 A_DDR3_DQU4 A_DDR3_DQU2 A_DDR3_DQL1 A_DDR3_DQL0 A_DDR3_DQU5 A_DDR3_DQL4 A_DDR3_DQL5 A_DDR3_DQL6 A_DDR3_DQSUB A_DDR3_DQSLB A_DDR3_DQSU A_DDR3_DQSL A_DDR3_DQL2 A_DDR3_DML A_DDR3_DMU A_DDR3_MCLKZ A_DDR3_MCLK A_DDR3_DQU6 A_DDR3_ODT A_DDR3_BA0 A_DDR3_BA1 A_DDR3_RESET A_DDR3_BA2 A_DDR3_DQU7 A-DDR3_MCLKZ A-DDR3_MCLK A_DDR3_MCLK A_DDR3_MCLKZ AVDD_DDR0 AVDD_DDR0 1.5V_DDR3 AVDD_DDR0 AVDD_DDR0 AVDD_DDR0 ���� �� ���� �� �� �� � � 4 04.DDR3 ���� �� ���� �� �� �� � � 4 04.DDR3 ���� �� ���� �� �� �� � � 4 04.DDR3 Close to DDR POWER PIN over 1.3G C015 0.1uF C015 0.1uF 7 5 3 1 8 6 4 2 RA013 22RX4 7 5 3 1 8 6 4 2 RA013 22RX4 C019 0.1uF C019 0.1uF C009 1nF C009 1nF C020 0.1uF C020 0.1uF C006 0.1uF C006 0.1uF R001 1K/1% R001 1K/1% R003 1K/1% R003 1K/1% 7 5 3 1 8 6 4 2 RA019 22RX4 7 5 3 1 8 6 4 2 RA019 22RX4 C005 0.1uF C005 0.1uF C014 0.1uF C014 0.1uF R005 240R/1% R005 240R/1% C012 0.1uF C012 0.1uF C010 0.1uF C010 0.1uF C007 0.1uF C007 0.1uF 7 5 3 1 8 6 4 2 RA014 22RX4 7 5 3 1 8 6 4 2 RA014 22RX4 C003 0.1uF C003 0.1uF 7 5 3 1 8 6 4 2 RA021 22RX4 7 5 3 1 8 6 4 2 RA021 22RX4 7 5 3 1 8 6 4 2 RA020 22RX4 7 5 3 1 8 6 4 2 RA020 22RX4 7 5 3 1 8 6 4 2 RA018 22RX4 7 5 3 1 8 6 4 2 RA018 22RX4 C018 0.1uF C018 0.1uF 7 5 3 1 8 6 4 2 RA016 22RX4 7 5 3 1 8 6 4 2 RA016 22RX4 C002 0.1uF C002 0.1uF A_DDR3_A0/DDR2_A5 C12 A_DDR3_A1/DDR2_A13 B14 A_DDR3_A2/DDR2_A9 A11 A_DDR3_A3/DDR2_A10 C10 A_DDR3_A4/DDR2_A2 C16 A_DDR3_A5/DDR2_A3 A9 A_DDR3_A6/DDR2_A4 C15 A_DDR3_A7/DDR2_A7 B10 A_DDR3_A8/DDR2_A8 A14 A_DDR3_A9/DDR2_A14 B11 A_DDR3_A10/DDR2_RASZ B16 A_DDR3_A11/DDR2_A6 B13 A_DDR3_A12/DDR2_A0 A15 A_DDR3_A13/DDR2_A12 C11 A_DDR3_A14/DDR2_A11 C14 A_DDR3_DQ0/DDR2_DQ6 F21 A_DDR3_DQ1/DDR2_DQ0 C18 A_DDR3_DQ2/DDR2_DQ1 G19 A_DDR3_DQ3/DDR2_DQ7 B19 A_DDR3_DQ4/DDR2_DQ4 H19 A_DDR3_DQ5/DDR2_DQ2 A18 A_DDR3_DQ6/DDR2_DQ3 G21 A_DDR3_DQ7/DDR2_DQ5 B18 A_DDR3_DQ8/DDR2_DQ15 B20 A_DDR3_DQ9/DDR2_DQM1 D19 A_DDR3_DQ10/DDR2_DQ10 D18 A_DDR3_DQ11/DDR2_DQ9 F20 A_DDR3_DQ12/DDR2_DQM0 A20 A_DDR3_DQ13/DDR2_DQ12 E20 A_DDR3_DQ14/DDR2_DQ8 C19 A_DDR3_DQ15/DDR2_DQ14 E19 A_DDR3_DQM0//DDR2_DQ13 E18 A_DDR3_DQM1/DDR2_DQ11 F19 A_DDR3_MCLK/DDR2_MCLK A17 A_DDR3_MCLKZ/DDR2_MCLKZ B17 A_DDR3_DQSL/DDR2_DQS0 D20 A_DDR3_DQSLB/DDR2_DQSB0 D21 A_DDR3_DQSU/DDR2_DQS1 C21 A_DDR3_DQSUB/DDR2_DQSB1 B21 A_DDR3_CASZ/DDR2_BA0 A12 A_DDR3_RASZ/DDR2_BA1 B12 A_DDR3_WEZ/DDR2_A1 C13 A_DDR3_ODT/DDR2_WEZ B8 A_DDR3_BA0/DDR2_CKE A8 A_DDR3_BA1/DDR2_CASZ B15 A_DDR3_BA2/DDR2_BA2 C9 A_DDR3_RESET B9 A_DDR3_CKE/DDR2_ODT C17 MIU0 N501A MSD6I981BTA MIU0 N501A MSD6I981BTA C011 0.1uF C011 0.1uF A0 N3 A1 P7 A2 P3 A3 N2 A4 P8 A5 P2 A6 R8 A7 R2 A8 T8 A9 R3 A10 L7 A11 R7 A12 N7 DQU0 D7 DQU1 C3 DQU2 C8 DQU3 C2 DQU4 A7 DQU5 A2 DQU6 B8 DQU7 A3 DQSU C7 /DQSU B7 DMU D3 DQL0 E3 DQL1 F7 DQL2 F2 DQL3 F8 DQL4 H3 DQL5 H8 DQL6 G2 DQL7 H7 DQSL F3 /DQSL G3 DML E7 BA0 M2 BA1 N8 BA2 M3 /CS L2 /RAS J3 /CAS K3 /WE L3 CK J7 /CK K7 CKE K9 ODT K1 /RESET T2 VREFCA M8 VREFDQ H1 ZQ L8 VDDQ A1 VDDQ A8 VDDQ C1 VDDQ C9 VDDQ D2 VDDQ E9 VDDQ F1 VDDQ H2 VDDQ H9 VSSQ B9 VSSQ B1 VSSQ D1 VSSQ D8 VSSQ E2 VSSQ E8 VSSQ F9 VSSQ G1 VSSQ G9 VDD B2 VDD D9 VDD G7 VDD K2 VDD K8 VDD N1 VDD N9 VDD R1 VDD R9 VSS A9 VSS E1 VSS G8 VSS J2 VSS J8 VSS M1 VSS M9 VSS P1 VSS P9 VSS T1 VSS T9 NC1 J1 NC2 J9 NC3 L1 NC4 L9 NC5 M7 A13 T3 NC7 T7 VSS B3 N502 K4B2G1646C N502 K4B2G1646C 7 5 3 1 8 6 4 2 RA022 22RX4 7 5 3 1 8 6 4 2 RA022 22RX4 R008 22R R008 22R C001 2.2uF C001 2.2uF C013 0.1uF C013 0.1uF R007 56R R007 56R C017 0.1uF C017 0.1uF R004 1K/1% R004 1K/1% R009 22R R009 22R C021 1nF C021 1nF C016 0.1uF C016 0.1uF R002 1K/1% R002 1K/1% 7 5 3 1 8 6 4 2 RA010 22RX4 7 5 3 1 8 6 4 2 RA010 22RX4 C004 0.1uF C004 0.1uF 7 5 3 1 8 6 4 2 RA011 22RX4 7 5 3 1 8 6 4 2 RA011 22RX4 7 5 3 1 8 6 4 2 RA017 22RX4 7 5 3 1 8 6 4 2 RA017 22RX4 C008 0.1uF C008 0.1uF C022 10nF C022 10nF 7 5 3 1 8 6 4 2 RA015 22RX4 7 5 3 1 8 6 4 2 RA015 22RX4 R006 56R R006 56R PDF ��� "PDF ����" ����� ���� @� � 10 10 9 9 8 8 7 7 6 6 5 5 4 4 3 3 2 2 1 1 D D C C B B A A USB2_D+in USB2_D-in USB2_D+in USB2_D-in VBUS VBUS2 VBUS2 USB2_D- USB2_D- USB2_D+in USB2_D-in USB2_D+ USB2_D+ wifi-in wifi+in USB1_D+ USB1_D+ USB1_D- USB1_D- wifi+in wifi-in 5VA WiFi_3V3 WiFi_3V3 WiFi_3V3 5VA USB2_D- USB2_D+ USB1_D+ USB1_D- ���� �� ���� �� �� �� � � 5 05.VGA&USB ���� �� ���� �� �� �� � � 5 05.VGA&USB ���� �� ���� �� �� �� � � 5 05.VGA&USB USB C897 10uF C897 10uF C811 0.1uF C811 0.1uF 4 3 2 1 5 6 4 3 2 1 XSU02 USB V Connector 4 3 2 1 XSU02 USB V Connector C899 10uF C899 10uF C898 0.1uF C898 0.1uF + CU58 220uF + CU58 220uF 1 2 L813 FB_600mA L813 FB_600mA CU04 0.1uF CU04 0.1uF CU09 10uF/NC CU09 10uF/NC 1 2 LU01 FB_2A LU01 FB_2A 3 1 4 2 RAU01 5.1RX2 3 1 4 2 RAU01 5.1RX2 1 2 3 4 XSU10 PH2.0-04AW XSU10 PH2.0-04AW CU39 0.1uF CU39 0.1uF 3 2 1 4 ADJ OUT IN N819 AZ1117-3.3 ADJ OUT IN N819 AZ1117-3.3 3 1 4 2 RAU03 5.1RX2 3 1 4 2 RAU03 5.1RX2 1 2 3 5 6 4 NU02 IP4223CZ6 NU02 IP4223CZ6 CU07 10uF CU07 10uF PDF ��� "PDF ����" ����� ����� � 5 5 4 4 3 3 2 2 1 1 D D C C B B A A AV2-Vin+ HD1_Y PH_R 5V_AMP AVOUT CVBS_OUT HD1_Pr HD1-R HD1_Y HD1_Pb HD1_Pr HD1_Pb HD1_Y HD1-L PH_L PH_L EARPHONE-OUTR EARPHONE-OUTL PH_R AVOUT HP-MUTE 5V_AMP 5VA AV2_VIN HP_MUTE HD_Rin HD_Lin CVBS_OUT YPbPr_Y YPbPr_PB YPbPr_PR EARPHONE-OUTR EARPHONE-OUTL MUTE_DET ���� �� ���� �� �� �� � � 6 06.YPbPr&AV ���� �� ���� �� �� �� � � 6 06.YPbPr&AV ���� �� ���� �� �� �� � � 6 06.YPbPr&AV Keep A_GND trace with Signal. Keep Spacing for L/R cahnnel. Keep trace width(12mil+). ��� 1.2VDC ����������� ������V602-E=1.2VDC EPHONE OUT YPbPr/AV2 Audio IN VIDEO OUT 75R Close to Mstar IC 560pF������������� R627 75R R627 75R R633 33R R633 33R VD604 5.6V VD604 5.6V C609 0.1uF C609 0.1uF 2 4 3 1 XS618 AUDIO_IN XS618 AUDIO_IN 1 2 L602 FB_600mA L602 FB_600mA 1 2 L603 FB_600mA L603 FB_600mA R632 1.2K R632 1.2K R621 5.1K R621 5.1K C620 NC/560pF C620 NC/560pF R638 12K R638 12K 1 2 3 V606 3904 V606 3904 C632 470pF C632 470pF C634 22uF 6.3V C634 22uF 6.3V R625 75R R625 75R 1 2 3 V607 3904 V607 3904 R636 10K R636 10K C631 470pF C631 470pF R635 10K R635 10K R630 6.8K R630 6.8K R637 12K R637 12K R682 10K R682 10K V605 3906 V605 3906 R631 3.9K R631 3.9K 6 4 1 3 5 2 XS608 ypbpr XS608 ypbpr R628 75R R628 75R R620 22K R620 22K C612 NC/47pF C612 NC/47pF R681 10K R681 10K R623 499R/1% R623 499R/1% C633 22uF 6.3V C633 22uF 6.3V R626 499R/1% R626 499R/1% R688 0R R688 0R R629 75R R629 75R R622 6.8K R622 6.8K C621 NC/560pF C621 NC/560pF 1 2 L604 FB_33000440 L604 FB_33000440 2 1 XS621 AV out XS621 AV out C611 10uF C611 10uF 1 2 L605 FB_33000440 L605 FB_33000440 R624 49.9R/1% R624 49.9R/1% C610 10uF C610 10uF 1 2 3 4 5 XS606 1T3 XS606 1T3 PDF ��� "PDF ����" ����� ����� � 5 5 4 4 3 3 2 2 1 1 D D C C B B A A MUTE_EN HP_MUTE System-RST AMP_EN AMP_Rout+ AMP_Rout- AMP_Lout+ AMP_Lout- AMP_Rout+ AMP_Rin+ AMP_Rout- AMP_Lout+ AMP_EN AMP_Lout- AVDD AMP_Lin+ AVDD 5Vstb +12V 3.3Vstb +12V GND2 GND2 GND2 GND2 GND2 AMP_12V GND2 GND2 AMP_12V GND2 GND2 GND2 GND2 GND2 AMP_12V GND2 GND2 GND2 MUTE_EN HP_MUTE System-RST AV_AUOUTL0 AV_AUOUTR0 ���� �� ���� �� �� �� � � 7 07.AMP ���� �� ���� �� �� �� � � 7 07.AMP ���� �� ���� �� �� �� � � 7 07.AMP MUTE Control H:OFF L:ON 8� � � � AMP R241 47K/NC R241 47K/NC 1 2 3 4 XS201 D2006-4W XS201 D2006-4W CA250 220uF/16V CA250 220uF/16V 1 2 3 V213 3904/NC V213 3904/NC 1 2 L208 FB_6000mA L208 FB_6000mA C250 1uF C250 1uF C243 1uF C243 1uF R250 1K R250 1K C251 0.1uF C251 0.1uF 1 3 2 V214 3904 V214 3904 1 2 L201 FB_6000mA L201 FB_6000mA R247 47K/NC R247 47K/NC C254 4700pF C254 4700pF R226 20K R226 20K R242 47K R242 47K C255 4700pF C255 4700pF C239 0.47uF C239 0.47uF GND 1 RESET# 2 VCC 3 N206 APX809-4.4 N206 APX809-4.4 1 2 L209 FB_6000mA L209 FB_6000mA CA201 220uF/16V CA201 220uF/16V R228 470 R228 470 C257 0.1uF C257 0.1uF C261 4700pF C261 4700pF R280 1K R280 1K C227 2.2uF C227 2.2uF C228 1nF C228 1nF 1 2 L206 FB_6000mA L206 FB_6000mA C248 1uF C248 1uF SS_SD 3 AVDD 4 VIPL 1 VINL 2 AVSS 8 REXT 7 SD_B 5 FAULT_B 6 VIPR 12 VINR 11 G0 10 G1 9 PVSSR 16 OUTPR 15 BSPR 14 PVDDR 13 OUTNR 17 BSNR 18 BSNL 19 OUTNL 20 PVSSL 21 OUTPL 22 BSPL 23 PVDDL 24 PowerPAD 25 MSH9010 N202 MSH9010 N202 R230 470 R230 470 CA251 220uF/16V CA251 220uF/16V R227 1K R227 1K R222 100K R222 100K C269 4700pF C269 4700pF R238 10K/NC R238 10K/NC R240 100R/NC R240 100R/NC R224 0 R224 0 L204 NC/15uH L204 NC/15uH C242 1uF C242 1uF 1 2 L207 FB_6000mA L207 FB_6000mA C252 0.47uF C252 0.47uF C234 0.47uF C234 0.47uF R223 10K R223 10K L205 NC/15uH L205 NC/15uH R246 100K/NC R246 100K/NC C237 0.47uF C237 0.47uF R244 10K R244 10K R267 10K R267 10K PDF ��� "PDF ����" ����� ����� � 5 5 4 4 3 3 2 2 1 1 D D C C B B A A TS2 TS1_D2 TS2 TS1_D5 TS1_D3 TS1_D1 TS1_D7 TS1_D6 TS1_D0 TS1_D4 TS0 TS3 TS1 TS6 TS4 TS5 TS7 TS6 TS0 TS_SYNC TS_VALID TS_CLK TS3 TS_VALID TS_SYNC TS7 IF_AGC_DTMB TS1_SYNC TS1_VALID TS1_CLK TS_CLK TS4 TS5 TS1 IFP IFN 3v3_DEMO ASIC_1v2 ASIC_1v2 ASIC_1v2 ASIC_1v2 ASIC_1v2 3v3_DEMO 3v3_DEMO 1.2V_Demod ASIC_1v2 3v3_DEMO 3v3_DEMO 3v3_DEMO ASIC_1v2 3.3V_Demod 3v3_DEMO 3v3_DEMO ASIC_1v2 3v3_DEMO 3v3_DEMO TS1_D[7:0] IF_AGC_DTMB Demod_RST TS1_VALID TS1_CLK TS1_SYNC VIF_P VIF_M I2C-SDA I2C-SCL SDA_T SCL_T ���� �� ���� �� �� �� � � 7 07.DTMB Demod ���� �� ���� �� �� �� � � 7 07.DTMB Demod ���� �� ���� �� �� �� � � 7 07.DTMB Demod DTMB Demod TO TUNER C131 10uF C131 10uF R105 100K R105 100K C133 0.1uF C133 0.1uF C146 0.1uF C146 0.1uF C162 0.01uF C162 0.01uF 1 2 L106 FB_600mA L106 FB_600mA C148 12p C148 12p C119 10uF C119 10uF Z102 30.4MHz Z102 30.4MHz C147 12p C147 12p C115 1uF C115 1uF R109 100R R109 100R C121 0.1uF C121 0.1uF R115 100R R115 100R 7 5 3 1 8 6 4 2 RA103 22RX4 7 5 3 1 8 6 4 2 RA103 22RX4 C130 0.1uF C130 0.1uF R103 NC/100K R103 NC/100K R167 51 R167 51 C132 0.1uF C132 0.1uF L112 2.2uH L112 2.2uH C145 0.1uF C145 0.1uF 7 5 3 1 8 6 4 2 RA102 22RX4 7 5 3 1 8 6 4 2 RA102 22RX4 C117 0.1uF C117 0.1uF C120 0.1uF C120 0.1uF R166 51 R166 51 C140 47PF C140 47PF C136 0.1uF C136 0.1uF C164 0.1uF C164 0.1uF R111 100R/NC R111 100R/NC C151 47PF C151 47PF C122 0.1uF C122 0.1uF R123 1M R123 1M VDU2 RED_LED VDU2 RED_LED 1 2 L103 FB_600mA L103 FB_600mA R108 100R R108 100R C118 0.1uF C118 0.1uF TSB7 1 TSB6 2 TSB5 4 TSB4 5 TSB3 6 VDD12 7 VDD33 3 TSB2 8 TSB1 9 PWM0 11 VDD12 12 REFCLK10 13 REFCLK11 14 VDD_OSC 15 CLK_REF_OUT 16 ADVDD_ADC 17 QVINP 18 QVINN 19 IVINP 20 IVINN 21 REF_BIAS_EXT 22 VDD12 23 PWM1 24 I2CINT 25 SCLM 26 SDAM 27 VDD12 28 SCLS 29 SDAS 30 VDD33 31 VDD33 32 VDD12 33 TESTIO23 34 GND 35 TSB0 10 GND 36 VDD12 37 VDD33 38 TESTIO20 39 VDD33 40 VDD12 41 RESETN 42 DBGSEL 43 TEST0 44 TEST1 45 TSBCLK 46 TSBVLD 47 TSBSYNC 48 GND 49 ATBM8869 N102 NC/ATBM8869 ATBM8869 N102 NC/ATBM8869 R110 100R/NC R110 100R/NC R124 59K1% R124 59K1% R114 0.1uF R114 0.1uF R113 100R R113 100R C134 0.1uF C134 0.1uF C129 0.1uF C129 0.1uF R125 100K R125 100K R102 51K R102 51K C138 0.1uF C138 0.1uF L113 2.2uH L113 2.2uH C163 2.2uF C163 2.2uF 7 5 3 1 8 6 4 2 RA101 22RX4 7 5 3 1 8 6 4 2 RA101 22RX4 C135 0.1uF C135 0.1uF PDF ��� "PDF ����" ����� ����� � 5 5 4 4 3 3 2 2 1 1 D D C C B B A A T1.8V T1.8V T1.8V RESER_N IF_AGC RESER_N IF-IN+ IF-IN- VIF_P VIF_M TuIF_AGC IF_AGC TuIF_AGC VIF_P VIF_M 3.3V_Tuner 3.3V_Tuner 3.3V_Tuner 3.3V_Tuner 3.3V_Tuner 3.3V_Tuner 3.3V_Tuner VIFP VIFM SDA_T SCL_T IF-AGC-SEL IF_AGC_DTMB ATV_RF_AGC VIF_P VIF_M �� �� �� �� � � ��� � � � � � � ���� ���� �� �� �� �� �� �� � � � � KONKA ���� ����� ���� MSD981C 12 8 �� �� �� �� � � ��� � � � � � � ���� ���� �� �� �� �� �� �� � � � � KONKA ���� ����� ���� MSD981C 12 8 �� �� �� �� � � ��� � � � � � � ���� ���� �� �� �� �� �� �� � � � � KONKA ���� ����� ���� MSD981C 12 8 τ=470x1=470ms>10us 0.2~1.1V Tuner GND_Tuner GND_Tuner ��DTMB DTV AGC�����ATV AGC�� Close Tuner ���� �DEMO C111 1.8nF C111 1.8nF C108 10nF C108 10nF 3 2 1 V101 BAV99_3 V101 BAV99_3 3 1 4 2 RA525 4.7KX2 3 1 4 2 RA525 4.7KX2 V104 3904 V104 3904 C125 4.7nF C125 4.7nF C110 1uF C110 1uF 1 2 Z110 16MHZ Z110 16MHZ C142 2200pF/3KV C142 2200pF/3KV V103 3904 V103 3904 R122 10K R122 10K R127 100R R127 100R C107 0.1uF C107 0.1uF CS112 47pF CS112 47pF 5 4 3 2 1 XS100 IEC Female XS100 IEC Female L100 3.3nH L100 3.3nH R161 470K R161 470K CS113 47pF CS113 47pF R116 10K R116 10K C104 1000pF C104 1000pF 1 2 L101 FB_1k L101 FB_1k R119 4.7K R119 4.7K C126 47PF C126 47PF L102 DXW21BN7511T L102 DXW21BN7511T C144 2200pF/3KV C144 2200pF/3KV R118 100K R118 100K V105 3906 V105 3906 C127 47PF C127 47PF R121 4.7K R121 4.7K R162 1K R162 1K C105 0.1uF C105 0.1uF L104 1.2uH L104 1.2uH L105 NC/560nH L105 NC/560nH R164 51 R164 51 C128 1uF C128 1uF C149 0.1u C149 0.1u C109 0.1uF C109 0.1uF C1060.1uF C1060.1uF C102 0.1uF C102 0.1uF VDD_3p3_1 1 LIN_INP 2 LIN_INN 3 VDD_1p8_1 4 AGC2_GPIO3 5 AGC1 6 IFOUTN_2GPO1 7 IFOUTP_2GPO2 8 IFOUTN_1 9 IFOUTP_1 10 VDD_3p3_2 11 VDD_1p8_2 12 VDD_1p2 13 GND_DIG 14 VDD_IO 15 SCL 16 SDA 17 CLK_OUT 18 XTAL_N 19 XTAL_P 20 GND_XTAL 21 VDD_1p8_3 22 RESER_N 23 AS 24 GND 25 MxL601 N101 MxL601 MxL601 N101 MxL601 0R/NC 0R/NC C141 2200pF/3KV C141 2200pF/3KV CS104 NC/2.7pF CS104 NC/2.7pF C143 2200pF/3KV C143 2200pF/3KV C150 470pF/3KV C150 470pF/3KV C103 1000pF C103 1000pF V102 3906 V102 3906 C139 1nF C139 1nF R163 51 R163 51 C124 4.7nF C124 4.7nF R117 100K R117 100K PDF ��� "PDF ����" ����� ����� � 5 5 4 4 3 3 2 2 1 1 D D C C B B A A REGOUT MDI_TN MDI_TP MDI_RN MDI_RP LAN_RX+ LAN_TX- LAN_TX+ ETH_GND MDI_RP MDI_RN MDI_TP MDI_TN LAN_RX- 2.5V_Normal ETH_GND ETH_GND ETH_GND MDI_RP MDI_RN MDI_TN MDI_TP ���� �� ���� �� �� �� � � 10 10.Ethernet ���� �� ���� �� �� �� � � 10 10.Ethernet ���� �� ���� �� �� �� � � 10 10.Ethernet TD+ 1 TD- 3 CT 2 CT 7 RD+ 6 RD- 8 TX+ 16 CT 15 TX- 14 RX+ 11 TC 10 RX- 9 nc 4 nc 5 nc 12 nc 13 NU7 PD1602 NU7 PD1602 CU66 1nF/2KV CU66 1nF/2KV RU98 75R RU98 75R 1 2 LU36 FB_33000440 LU36 FB_33000440 RU95 75R RU95 75R 6 7 3 4 5 8 1 2 9 10 12 11 RJ-45 XSU05 ETHERNET_JACK RJ-45 XSU05 ETHERNET_JACK RU97 75R RU97 75R RU96 75R RU96 75R CU68 1nF/2KV CU68 1nF/2KV CU69 10uF CU69 10uF CU67 10nF CU67 10nF PDF ��� "PDF ����" ����� ����� � 5 5 4 4 3 3 2 2 1 1 D D C C B B A A B0- RXE0- B0+ RXE0+ A0- RXO0- A0+ RXO0+ A1+ RXO1+ A1- RXO1- ACK- RXOC- A2+ RXO2+ A2- RXO2- A3+ RXO3+ ACK+ RXOC+ A4+ RXO4+ A3- RXO3- B1- RXE1- A4- RXO4- B2+ RXE2+ B1+ RXE1+ B3- RXE3- BCK- RXEC- BCK+ RXEC+ B2- RXE2- B4- RXE4- B4+ RXE4+ B3+ RXE3+ EN_3D NC/SDA LVDS_SEL NC/SCL SYNC_OUT Bit_SEL EN_L_DIM SCAN_EN PWM_IN SYNC_IN OD_SEL OD_SEL NC/SDA SYNC_OUT EN_3D NC/SCL EN_L_DIM RXE0- RXE2- RXO1- RXO3- PWM_IN RXE3- RXE2+ RXO1+ RXO3+ RXE3+ RXO2- EN_L_DIM_CMO RXE4- RXO0- RXO2+ RXE0+ RXO4- SCAN_EN RXE4+ RXO4+ RXEC- RXE1- RXOC- LVDS_SEL RXEC+ RXOC+ RXO0+ RXE1+ EN_L_DIM_CMO EN_L_DIM_LG EN_L_DIM_LG SYNC_IN BIT_SEL BIT_SEL/SYNC_I LVDS_SEL RXO2- RXO2+ RXO0- RXO0+ RXO1+ RXO1- RXO3+ RXOC- RXO3- RXOC+ OD_SEL 3V3_P VCC-Panel 3V3_P 3V3_P 3V3_P VCC-Panel VCC-Panel A3+ A1- ACK- A4- A1+ ACK+ A0- A4+ A2- A3- A0+ A2+ B3- B0+ B2+ B3+ B1- BCK- B4- B1+ BCK+ B0- B4+ B2- I2C-SCL PWM-IN 3D_SYNC 3D_EN EN-SCAN I2C-SDA 3D-FLAG L_DIM_DBL OD_SEL ���� �� ���� �� �� �� � � 11 11.LVDS ���� �� ���� �� �� �� � � 11 11.LVDS ���� �� ���� �� �� �� � � 11 11.LVDS ��MSD6i981�� �3D���� �� BOE LG SEC �� FFC BOE����R303 �� BOE �� FFC 1 1 2 2 3 3 4 4 5 5 6 6 7 7 8 8 9 9 10 10 11 11 12 12 13 13 14 14 15 15 16 16 17 17 18 18 19 19 20 20 21 21 22 22 23 23 24 24 25 25 26 26 27 27 28 28 29 29 30 30 31 31 32 32 33 33 34 34 35 35 36 36 37 37 38 38 39 39 40 40 41 41 42 42 43 43 44 44 45 45 46 46 47 47 48 48 49 49 50 50 51 51 52 52 53 53 XS501 51Pin_FPC XS501 51Pin_FPC R030 100R/NC R030 100R/NC R029 4.7K/NC R029 4.7K/NC R026 100R/NC R026 100R/NC R031 100R R031 100R R011 390R R011 390R R017 4.7K/NC R017 4.7K/NC C057 0.1uF C057 0.1uF R019 4.7K/NC R019 4.7K/NC R037 4.7K/NC R037 4.7K/NC R014 4.7K/NC R014 4.7K/NC R025 0R R025 0R R016 4.7K/NC R016 4.7K/NC R352 100R/NC R352 100R/NC R032 100R/NC R032 100R/NC R024 0R/NC R024 0R/NC R023 0R/NC R023 0R/NC R021 100R/NC R021 100R/NC 1 2 3 4 5 6 7 8 9 10 11 12 13 14 15 16 17 18 19 20 21 22 23 24 25 26 27 28 29 30 31 32 XS502 32Pin XS502 32Pin R015 4.7K R015 4.7K R010 1K R010 1K R351 100R/NC R351 100R/NC R034 NC/0R R034 NC/0R R303 0/NC R303 0/NC R033 0R R033 0R R027 100R R027 100R R018 4.7K R018 4.7K R020 100R/NC R020 100R/NC R022 0R/NC R022 0R/NC R028 100R/NC R028 100R/NC PDF ��� "PDF ����" ����� ����� � 5 5 4 4 3 3 2 2 1 1 D D C C B B A A 3D_IR IR_OUT 3D_5V 3D_5V 5Vstb IR_OUT ���� �� ���� �� �� �� � � 12 12�3D EMITTING ���� �� ���� �� �� �� � � 12 12�3D EMITTING ���� �� ���� �� �� �� � � 12 12�3D EMITTING 3D_5V 25003822 +2�������D1250-02AD(90°SMT)/R 400mA MAX ���� RY43 47K RY43 47K + CY61 NC/220uF/16V + CY61 NC/220uF/16V 1 2 LY21 NC/FB_600mA LY21 NC/FB_600mA RY41 NC/10R/1206 RY41 NC/10R/1206 CY55 NC/10uF CY55 NC/10uF 3 1 2 VY09 WNM2306 VY09 WNM2306 RY45 1K RY45 1K RY42 NC/10R/1206 RY42 NC/10R/1206 CY57 100pF CY57 100pF 3 1 2 VY08 3904 VY08 3904 CY54 0.22uF CY54 0.22uF CY60 NC/0.1uF CY60 NC/0.1uF 1 2 3 4 XSY02 D1251-02 XSY02 D1251-02 PDF ��� "PDF ����" ����� ����� �

标签:

版权声明

1. 本站所有素材,仅限学习交流,仅展示部分内容,如需查看完整内容,请下载原文件。
2. 会员在本站下载的所有素材,只拥有使用权,著作权归原作者所有。
3. 所有素材,未经合法授权,请勿用于商业用途,会员不得以任何形式发布、传播、复制、转售该素材,否则一律封号处理。
4. 如果素材损害你的权益请联系客服QQ:77594475 处理。