康佳LED19HS95S液晶电视35016982板(TSUMV29LU机芯)电路原理图

分类:电子电工 日期: 点击:0
康佳LED19HS95S液晶电视35016982板(TSUMV29LU机芯)电路原理图-0 康佳LED19HS95S液晶电视35016982板(TSUMV29LU机芯)电路原理图-1 康佳LED19HS95S液晶电视35016982板(TSUMV29LU机芯)电路原理图-2 康佳LED19HS95S液晶电视35016982板(TSUMV29LU机芯)电路原理图-3 康佳LED19HS95S液晶电视35016982板(TSUMV29LU机芯)电路原理图-4 康佳LED19HS95S液晶电视35016982板(TSUMV29LU机芯)电路原理图-5 康佳LED19HS95S液晶电视35016982板(TSUMV29LU机芯)电路原理图-6

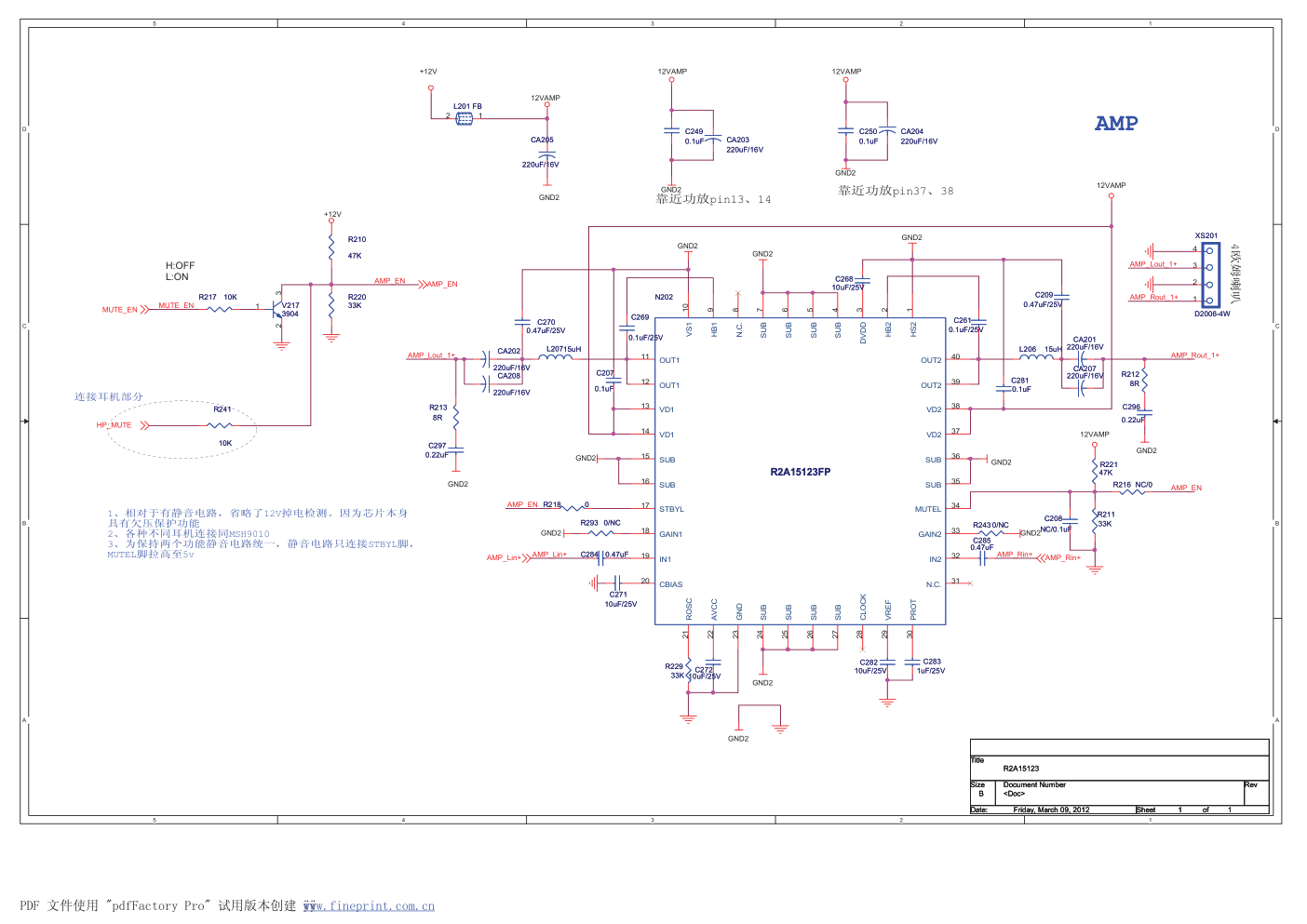
5 5 4 4 3 3 2 2 1 1 D D C C B B A A VCC12VIN BKLT_EN BKLT_ADJ POWER-ON/OFF1 BKLT_EN BKL_ADJ BKLT_ADJ POWER-ON/OFF1 PWR-ON/OFF BKL_ON POWER-ON/OFF1 5V-STBIN VCC12VIN GND POWER-ON/OFF1 VCC12VIN VCC12VIN VCC12VIN GND 5V-STBIN GND BKLT_EN GND BKLT_ADJ GND +12V 3.3Vstb 5VA 3.3VSTB 5VA 3.3Vstb 5Vstb +12V VCC-Panel +12V 5Vstb 5Vstb 3.3Vstb 5VA 5Vstb +5VUSB 5Vstb 5VA +2.5V_Normal 5VA 3.3V_Tun 5VA VBUS +1.2V_VDDC 5VA 5Vstb 5Vstb +1.8V_DDR2 BKL_ON BKL_ADJ PWR-ON/OFF ON_PANEL �� �� �� �� � � ��� � � � � � � �� �� �� �� �� �� �� �� �� �� � � � � KONKA ���� ����� ���� TSUMV29&39 5 1 �� �� �� �� � � ��� � � � � � � �� �� �� �� �� �� �� �� �� �� � � � � KONKA ���� ����� ���� TSUMV29&39 5 1 �� �� �� �� � � ��� � � � � � � �� �� �� �� �� �� �� �� �� �� � � � � KONKA ���� ����� ���� TSUMV29&39 5 1 POWER INPUT HI�POWER_UP LO�STANDBY 5VSTB PANEL Power 3.3VSTB �USB����PTC����9435� �USB����2110����5VSTB��������PMV65� ��TSUMV29�����5VSTB������PTC�2110� 5VA 5VUSB 2.5V OR 1.8V 3.3VT ������5V��������SY8123����� �������PCB�������������� �������� 0.6*(1+R1/R2) CORE-1.2V �����2.0��7����� 34008022 --2.0�������2X7A 34008023 --2.0�������2X7AW C846 10uF/10V C846 10uF/10V 3 2 1 4 ADJ OUT IN N808 AMS1117-3.3 ADJ OUT IN N808 AMS1117-3.3 C824 0.1uF C824 0.1uF CU02 0.1uF CU02 0.1uF V802 NC/WPM3407 V802 NC/WPM3407 C862 0.1uF C862 0.1uF 1 2 3 V804 3904 V804 3904 C874 0.1uF C874 0.1uF R863 1K R863 1K R845 10K R845 10K + C828 220uF/16V + C828 220uF/16V R840 100K R840 100K C898 10uF/16V C898 10uF/16V C881 2.2uF/10V C881 2.2uF/10V R838 47K R838 47K C852 NC/10uF/10V C852 NC/10uF/10V R816 100K/1% R816 100K/1% C884 0.1uF C884 0.1uF 1 2 L838 FB L838 FB L815 2.2uH L815 2.2uH L809 10uH L809 10uH 1 2 L804 FB L804 FB 1 2 L806 FB_600mA L806 FB_600mA 1 2 LU22 NC/0R_0805/FB_2A LU22 NC/0R_0805/FB_2A C889 10uF/10V C889 10uF/10V + C896 NC/220uF/16V + C896 NC/220uF/16V EN 1 GND 2 LX 3 VIN 4 NC 5 FB 6 N801 SY8009A N801 SY8009A C812 10uF/16V C812 10uF/16V 7 6 5 4 3 2 1 XS809 CON8_2.0 XS809 CON8_2.0 R844 20K R844 20K R806 4.7K R806 4.7K C845 0.1uF C845 0.1uF R828 NC/1K R828 NC/1K R819 NC R819 NC C873 0.1uF C873 0.1uF 1 2 L802 FB_2A L802 FB_2A C832 0.1uF C832 0.1uF + C897 220uF/16V + C897 220uF/16V F803 F5A/32V F803 F5A/32V R832 10K R832 10K C869 10uF/10V C869 10uF/10V R835 10K R835 10K 1 2 L801 NC/FB L801 NC/FB R822 100R R822 100R FU01 PTC_1.5A FU01 PTC_1.5A C858 10uF/10V C858 10uF/10V R818 4.7K R818 4.7K V806 PMV65XP V806 PMV65XP R801 12K/1% R801 12K/1% C809 0.1uF C809 0.1uF C867 10uF/10V C867 10uF/10V 1 2 L803 FB_3A L803 FB_3A 1 1 3 3 5 5 7 7 9 9 11 11 13 13 2 2 4 4 6 6 8 8 10 10 12 12 14 14 XS810 HEADER_7x2 XS810 HEADER_7x2 R854 10K R854 10K C834 22uF/6.3V C834 22uF/6.3V 1 2 3 V811 3904 V811 3904 VIN 2 FB 4 PGND 1 COMP 5 EN 6 LX 7 LX 8 AGND 3 N803 SY8123 N803 SY8123 C827 0.1uF C827 0.1uF 1 2 D801 5.6V D801 5.6V R825 4.7K R825 4.7K R810 4.7K R810 4.7K S 1 S 2 S 3 G 4 D 8 D 7 D 6 D 5 V801 9435A V801 9435A C813 0.1uF C813 0.1uF R824 4.7K R824 4.7K C888 0.1uF C888 0.1uF C847 0.47uF C847 0.47uF R817 13K/1% R817 13K/1% C875 10uF/10V C875 10uF/10V CU03 10uF/10V CU03 10uF/10V R827 1K R827 1K 1 2 L810 FB_3A L810 FB_3A C826 0.1uF C826 0.1uF 1 2 3 V826 3904 V826 3904 R856 10K R856 10K R830 1K R830 1K C853 0.1uF C853 0.1uF C825 10uF/16V C825 10uF/16V R836 47K R836 47K +C868 100uF/16V +C868 100uF/16V C857 10uF/10V C857 10uF/10V + CU04 NC/220uF/16V + CU04 NC/220uF/16V C887 0.1uF C887 0.1uF C814 0.1uF C814 0.1uF C823 0.1uF C823 0.1uF 3 2 1 GND IN OUT N806 WL2004 GND IN OUT N806 WL2004 1 2 L827 FB_2A L827 FB_2A F801 NC/F3A/32V F801 NC/F3A/32V C840 10uF/10V C840 10uF/10V R837 100K R837 100K C890 10uF/10V C890 10uF/10V 1 2 L837 FB_600mA L837 FB_600mA V803 3904 V803 3904 S 1 S 2 S 3 G 4 D 8 D 7 D 6 D 5 V805 NC/9435A V805 NC/9435A C819 NC/0.1uF C819 NC/0.1uF C800 22pF C800 22pF C864 0.1uF C864 0.1uF R858 4.7K R858 4.7K 1 2 L813 NC/FB_2A L813 NC/FB_2A 1 2 L839 FB L839 FB R802 10K/1% R802 10K/1% 3 2 1 4 ADJ OUT IN N805 AP2114-2.5 ADJ OUT IN N805 AP2114-2.5 PDF ���� "pdfFactory Pro" ������ �� www.fineprint.com.cn 5 5 4 4 3 3 2 2 1 1 D D C C B B A A AMP_Lin+ AMP_EN AMP_Rin+ AMP_Rout_1+ AMP_Rout_1+ AMP_Lout_1+ MUTE_EN AMP_Lout_1+ AMP_EN AMP_EN 12VAMP GND2 GND2 GND2 GND2 GND2 GND2 GND2 GND2 GND2 GND2 GND2 GND2 12VAMP +12V +12V 12VAMP GND2 12VAMP GND2 12VAMP HP_MUTE MUTE_EN AMP_Lin+ AMP_Rin+ AMP_EN Title Size Document Number Rev Date: Sheet of R2A15123 B 1 1 Friday, March 09, 2012 Title Size Document Number Rev Date: Sheet of R2A15123 B 1 1 Friday, March 09, 2012 Title Size Document Number Rev Date: Sheet of R2A15123 B 1 1 Friday, March 09, 2012 H:OFF L:ON AMP 4���� ������ ����pin13�14 ����pin37�38 1�������������12V����������� �������� 2����������MSH9010 3����������������������STBYL�� MUTEL����5v CA204 220uF/16V CA204 220uF/16V R241 10K R241 10K CA207 220uF/16V CA207 220uF/16V DVDD 3 SUB 4 HS2 1 HB2 2 N.C. 8 SUB 7 SUB 5 SUB 6 OUT1 12 OUT1 11 VS1 10 HB1 9 SUB 16 SUB 15 VD1 14 VD1 13 STBYL 17 GAIN1 18 IN1 19 CBIAS 20 ROSC 21 AVCC 22 GND 23 SUB 24 SUB 25 SUB 26 SUB 27 PROT 30 N.C. 31 IN2 32 GAIN2 33 MUTEL 34 SUB 35 SUB 36 VD2 37 VD2 38 OUT2 39 OUT2 40 CLOCK 28 VREF 29 N202 R2A15123FP N202 R2A15123FP C272 10uF/25V C272 10uF/25V C284 0.47uF C284 0.47uF CA203 220uF/16V CA203 220uF/16V C250 0.1uF C250 0.1uF C285 0.47uF C285 0.47uF R218 0 R218 0 CA202 220uF/16V CA202 220uF/16V C281 0.1uF C281 0.1uF L20715uH L20715uH C249 0.1uF C249 0.1uF R213 8R R213 8R C209 0.47uF/25V C209 0.47uF/25V 1 2 L201 FB L201 FB R212 8R R212 8R C297 0.22uF C297 0.22uF CA205 220uF/16V CA205 220uF/16V R216 NC/0 R216 NC/0 C296 0.22uF C296 0.22uF C261 0.1uF/25V C261 0.1uF/25V C282 10uF/25V C282 10uF/25V R229 33K R229 33K 1 3 2 V217 3904 V217 3904 C283 1uF/25V C283 1uF/25V 1 2 3 4 XS201 D2006-4W XS201 D2006-4W R221 47K R221 47K R211 33K R211 33K C268 10uF/25V C268 10uF/25V R220 33K R220 33K C208 NC/0.1uF C208 NC/0.1uF C271 10uF/25V C271 10uF/25V C270 0.47uF/25V C270 0.47uF/25V CA201 220uF/16V CA201 220uF/16V L206 15uH L206 15uH R243 0/NC R243 0/NC CA208 220uF/16V CA208 220uF/16V C207 0.1uF C207 0.1uF R210 47K R210 47K C269 0.1uF/25V C269 0.1uF/25V R293 0/NC R293 0/NC R217 10K R217 10K PDF ���� "pdfFactory Pro" ������ �� www.fineprint.com.cn 5 5 4 4 3 3 2 2 1 1 D D C C B B A A AMP_Rout_2+ AMP_Rout_2- AMP_Lout_2+ AMP_Lout_2- AMP_Rout_2+ AMP_Rin+ AMP_Rout_2- AMP_Lout_2+ AMP_Lout_2- AVDD AMP_Lin+ AVDD AMP_EN GND2 GND2 GND2 GND2 GND2 12VAMP1 GND2 GND2 12VAMP1 GND2 GND2 GND2 GND2 +12V GND2 12VAMP1 GND2 GND2 GND2 AMP_Lin+ AMP_Rin+ AMP_EN Title Size Document Number Rev Date: Sheet of A4 1 1 Friday, March 09, 2012 Title Size Document Number Rev Date: Sheet of <Doc> <RevCode> <Title> A4 1 1 Friday, March 09, 2012 Title Size Document Number Rev Date: Sheet of <Doc> <RevCode> <Title> A4 1 1 Friday, March 09, 2012 8���� AMP 9010�������� ���������� C254 4700pF C254 4700pF C237 0.47uF C237 0.47uF C275 4700pF C275 4700pF R204 0R R204 0R R227 1K R227 1K 1 2 L202 FB_6000mA L202 FB_6000mA CA206 220uF/16V CA206 220uF/16V R228 1K R228 1K C238 0.47uF C238 0.47uF L204 NC/15uH L204 NC/15uH 1 2 3 4 XS202 D2006-4W XS202 D2006-4W R202 0 R202 0 CA251 220uF/16V CA251 220uF/16V C252 0.47uF C252 0.47uF C256 0.1uF C256 0.1uF C227 2.2uF C227 2.2uF R226 20K R226 20K R267 NC/10K R267 NC/10K L205 NC/15uH L205 NC/15uH R280 1K R280 1K R225 100K R225 100K CA250 220uF/16V CA250 220uF/16V R203 0 R203 0 R224 0R R224 0R R201 0R R201 0R C241 1uF C241 1uF C259 4700pF C259 4700pF C255 4700pF C255 4700pF R231 0 R231 0 C242 1uF C242 1uF C239 1uF C239 1uF R230 1K R230 1K SS_SD 3 AVDD 4 VIPL 1 VINL 2 AVSS 8 REXT 7 SD_B 5 FAULT_B 6 VIPR 12 VINR 11 G0 10 G1 9 PVSSR 16 OUTPR 15 BSPR 14 PVDDR 13 OUTNR 17 BSNR 18 BSNL 19 OUTNL 20 PVSSL 21 OUTPL 22 BSPL 23 PVDDL 24 PowerPAD 25 MSH9010 N203 MSH9010 N203 C234 0.47uF C234 0.47uF C251 0.1uF C251 0.1uF L203 NC/15uH L203 NC/15uH L208 NC/15uH L208 NC/15uH C240 1uF C240 1uF PDF ���� "pdfFactory Pro" ������ �� www.fineprint.com.cn 5 5 4 4 3 3 2 2 1 1 D D C C B B A A HDMI1-RX2+ CEC HDMI1-SDA System-RST FLASH_WP0N FLASH_CS0N SPI_Flash-SDI SPI_Flash-SDO SPI_Flash-SCK SPI_WP0N USB1_D- USB1_D+ HDMI1/5V SPI_WP0N BRI_ADJ-PWM0 FLASH_CS0N SPI_CS0N USB1_D+in UART-TX UART-RX USB1_D-in LVDS_SEL NC/SDA NC/SCL G3_RXE0+ R0_RXOC- R3_RXO2+ B4_RXEC- G6_RXO3- B3_RXE3+ G0_RXE1- R1_RXOC+ PWM_IN B6_RXE2- B5_RXEC+ G7_RXO3+ G1_RXE1+ B7_RXE2+ G2_RXE0- R2_RXO2- R7_RXO0+ KEY0-in R6_RXO0- R5_RXO1+ LED_R R4_RXO1- B2_RXE3- IR0-in +3.3VSTB KEY-in IR-in I2C_SCL I2C_SDA LED_R LED_G KEY-in LED_G LED2 PWR-ON/OFF IR-in KEY-in IR-in +3.3VSTB LED_R LED_G HDMI1-SCL HDMI1-RX1+ HDMI1-RX2- HDMI1-SCL HDMI1-RX1- HDMI1-RX0+ HDMI1-RX0- HDMI1-RXC+ HDMI1-RXC- HDMI_HPD HDMI1-SDA HDMI1-DDC-SCL HDMI_HP1 HDMI-CEC CEC HDMI1-RX1P HDMI1-RX2N HDMI1-RX1N HDMI1-RX0P HDMI1-RX0N HDMI1-CLKP HDMI1-CLKN HDMI1-RX2P HDMI1-DDC-SDA HDMI_HPD LVDS_SEL NC/SDA PWM_IN RXO0+ NC/SCL RXEC+ RXE3+ RXO2+ RXE0+ RXO1+ RXE1+ RXOC+ RXE2+ RXO3+ RXO0- RXO1- RXE3- RXE0- RXO2- RXOC- RXE1- RXE2- RXO3- RXEC- USB1_D-in USB1_D+in USB1_D+in USB1_D-in PANEL_ON/OFF XTALI XTALO USB1_D- USB1_D+ VIFM VIFP IR0-in G3_RXE0+ R0_RXOC- R3_RXO2+ G6_RXO3- R1_RXOC+ G7_RXO3+ G2_RXE0- R2_RXO2- R7_RXO0+ R6_RXO0- R5_RXO1+ R4_RXO1- HDMI1-CLKN HDMI1-CLKP HDMI1-SCL HDMI1-RX2N HDMI1-RX0N HDMI1-RX0P HDMI1-SDA PWR-ON/OFF AUL0 AUR0 HD-AURin0 HD-AULin0 AV1-AULin5 AV1-AURin5 AUR5 AUL5 I2C_SCL I2C_SDA XTALI AV1-CVBS0P AV2-CVBS1P CVBS0 CVBS1 VCOM0 AUVAG XTALO RGB0_Pb+ RGB0_Y+ RGB0_Y-SOG RGB0_Pr+ BIN0 GIN0M GIN0P SOGIN0 VGA_HS VGA_VS RIN0 HDMI-CEC BRI_ADJ-PWM0 GND-EFUSE System-RST HDMI1-RX1N HDMI1-RX1P RGB2-HDTV_SOGIN RGB2-HDTV_GIN RGB2-HDTV_RIN RGB2-HDTV_BIN RIN2 SOGIN2 GIN2P GIN2M BIN2 SPI-SCK SPI_Flash-SCK SPI-CS0N SPI_CS0N SPI-SDI SPI_Flash-SDI SPI-SDO SPI_Flash-SDO HDMI_HP1 SPI_WP0N AVDD25_OR_HSYNC1 CVBS_OUT B4_RXEC- B3_RXE3+ G0_RXE1- B6_RXE2- B5_RXEC+ G1_RXE1+ B7_RXE2+ B2_RXE3- AMP-AUOUTR0 AMP-AUOUTL0 UART-RX UART-TX HDMI1-RX2P KEY0-in RXO0+ RXO0- RXO1+ RXO1- RXO2- RXOC+ RXOC- RXO2+ RXO3- RXO3+ RXE1- RXE0+ RXE0- RXE1+ RXEC- RXE2+ RXE2- RXEC+ RXE3- RXE3+ HDMI1-RX2+ HDMI1-RX2- HDMI1-RX1+ HDMI1-RX1- HDMI1-RX0+ HDMI1-RXC- HDMI1-RXC+ HDMI1-RX0- AVDD25_OR_HSYNC2 AVDD_DDR_2.5V/1.8V HDMI1/5V ADC2P5 AVDD25_DEMOD +2.5V_Normal +2.5V_Normal 5VA 3.3Vstb 3.3Vstb 5Vstb VBUS 5Vstb 5Vstb VDDC +1.2V_VDDC 3.3Vstb 3V3_P 3.3Vstb 3.3Vstb 3.3Vstb 3.3Vstb 3.3Vstb 3.3Vstb AVDD_PLL AU33 AVDD_DMPLL AVDD_MOD 3.3Vstb VDD33 +2.5V_Normal VCC-Panel 3V3_P 3.3Vstb VCC-Panel VCC-Panel AVDD_MOD AVDD_PLL AVDD25_DEMOD VDD33 VDDC AVDD_DDR_2.5V/1.8V AU33 AVDD_DMPLL VDD33 AVDD_DDR_2.5V/1.8V VDDC VDDC ADC2P5 AVDD_MOD +1.8V_DDR2 3.3Vstb MUTEP TUNER_SCL TUNER_SDA UART-RX UART-TX I2C_SCL I2C_SDA PWR-ON/OFF BKL_ADJ AMP_AUOUTL0 CVBS_OUT PWR-ON/OFF AV2-Vin+ UART-RX UART-TX HD_L_IN HD_R_IN AV1-Rin AV1-Lin MUTE_EN VGA_HS VGA_VS RGB0_B+ RGB0_G-SOG RGB0_G+ RGB0_R+ PB+ SOY Y+ PR+ AV1-Vin+ VIFP VIFM BKL_ADJ BKL_ON AMP_AUOUTR0 ON_PANEL SCART_FS IR-in �� �� �� �� � � ��� � � � � � � �� �� �� �� �� �� �� �� �� �� � � � � KONKA ���� ����� ���� TSUMV29&39 5 2 �� �� �� �� � � ��� � � � � � � �� �� �� �� �� �� �� �� �� �� � � � � KONKA ���� ����� ���� TSUMV29&39 5 2 �� �� �� �� � � ��� � � � � � � �� �� �� �� �� �� �� �� �� �� � � � � KONKA ���� ����� ���� TSUMV29&39 5 2 L501 C584 C585 HDMI&USB RESET FLASH IC POWER 4'h00 {IPAD_PWM1, PAD_PWM0} B51_NO_EJ CHIP_CONFIG MAIN IC Chip �12V����� ������� ������� �������� ��N515� Normal Power 1.2V �� LVDS Tuner Control (�) (�) LED_CTRL AND KEY Normal Power 3.3V Close to IC IC��TSUMV29LU,TSUMV29LE�L501� C584�C585��NC�,�TSUMV39LU� TSUMV39LE��� Crystal AV2�����YPbPr����������� AV2�Y��� Close to IC with width trace TSUMV39LE TSUMV29LU TSUMV29LE IO����������� PWR-ON/OFF�ON_PANEL�BKL_ON� BKL_ADJ�MUTE_EN�HDMI_HP1� IR0-in�KEY0-in� GAIN_SW�LVDS�������� �������� R418 4.7K R418 4.7K 7 5 3 1 8 6 4 2 RA402 5.1RX4 7 5 3 1 8 6 4 2 RA402 5.1RX4 C502 0.1uF C502 0.1uF C522 47nF C522 47nF R693 100R R693 100R R612 NC/4.7K R612 NC/4.7K R566 68R R566 68R 3 1 4 2 RA518 4.7KX2 3 1 4 2 RA518 4.7KX2 CE# 1 SO 2 WP# 3 VSS 4 SI 5 SCK 6 HOLD# 7 VDD 8 N506 EN25F40 N506 EN25F40 C569 NC/0.1uF C569 NC/0.1uF C597 0.1uF C597 0.1uF C549 0.1uF C549 0.1uF R429 22R R429 22R 3 1 4 2 RA025 0RX2 3 1 4 2 RA025 0RX2 R532 0R R532 0R R614 4.7K R614 4.7K 7 5 3 1 8 6 4 2 RA401 5.1RX4 7 5 3 1 8 6 4 2 RA401 5.1RX4 L511 NC/0R L511 NC/0R SOGIN1 12 BIN1P 11 GIN1M 14 GIN1P 13 CVBS2 17 AVDD_33 16 AUL0 23 GIN0P 6 VDDIO_CMD 41 LVACKP 49 VIFM 39 RFAGC 40 AVDD_33 1 RIN1P 15 LVBCKP 60 CEC 87 IRIN 86 HWRESET 88 SAR1 85 GIN0M 7 LVBOM 68 VDD 69 INT/GPIO65 70 LVA3P 47 LVA3M 48 LVACKM 50 SDO 74 LVA2M 53 LVA1P 54 LVA1M 55 LVA0P 56 LVA0M 57 LVB2P 62 LVA2P 52 SDI 73 SCZ 75 RX0P 94 DDCD_DA 95 RX1N 96 SOGIN0 5 AUOUTL0 30 AUOUTR0 31 AUOUTL1 32 AUOUTR1 33 XOUT 34 XIN 35 AVDD_DMPLL 36 VDDC 2 HSYNC0 3 BIN0P 4 RIN0P 8 VSYNC0 9 AVDD_25 10 CVBS1 18 CVBS0 19 VCOM 20 CVBSOUT 21 AUR0 24 AUVAG 25 AUL4 26 AUR4 27 AUL5 28 AUR5 29 AVDD_AU33 22 AVDD_REF 37 VIFP 38 GPIO56 43 GPIO57 44 AVDD_PLL 45 VDD 46 GPIO55 42 AVDD_MOD 51 LVB3P 58 LVB3M 59 LVBCKM 61 LVB2M 63 AVDD_MOD 64 LVB0P 67 LVB1M 66 LVB1P 65 GPIO0 71 SCK 72 SAR0 84 GND_EFUSE 89 HOTPLUGD 90 RXCKN 91 RXCKP 92 RX0N 93 E-Pad 101 AVDD_DDR 83 DDCA_DA 82 DDCA_CK 81 PWM1/GPIO25 80 PWM0/GPIO26 79 TESTPIN 78 USB0_DP 77 USB0_DM 76 RX2P 100 RX2N 99 DDCD_CK 98 RX1P 97 TEST 102 NC 103 NC 104 TSUMV39LU N501 TSUMV39LU TSUMV39LU N501 TSUMV39LU 3 1 4 2 RA554 NC/100RX2 3 1 4 2 RA554 NC/100RX2 C551 0.1uF C551 0.1uF 3 1 4 2 RA556 NC/0RX2 3 1 4 2 RA556 NC/0RX2 C507 0.1uF C507 0.1uF R551 1K R551 1K L509 0R L509 0R C526 47nF C526 47nF C509 2.2uF C509 2.2uF R559 4.7K R559 4.7K 1 2 L512 FB L512 FB 3 1 4 2 RA028 0RX2 3 1 4 2 RA028 0RX2 L501 NC/0R L501 NC/0R R430 1K R430 1K R552 390R R552 390R 1 2 3 4 XSU02 CON4_2.0 XSU02 CON4_2.0 C599 NC/0.1uF C599 NC/0.1uF C534 10uF/10V C534 10uF/10V R615 0R R615 0R C510 2.2uF C510 2.2uF R554 1K R554 1K 3 1 4 2 RA519 100RX2 3 1 4 2 RA519 100RX2 C537 47nF C537 47nF C508 0.1uF C508 0.1uF C552 0.1uF C552 0.1uF GND 1 RESET 2 VCC 3 N515 APX810 N515 APX810 R558 0R R558 0R R619 NC/100 R619 NC/100 R622 0R R622 0R R561 47K R561 47K C516 47nF C516 47nF 1 3 2 V607 3906 V607 3906 7 5 3 1 8 6 4 2 RA027 0RX4 7 5 3 1 8 6 4 2 RA027 0RX4 C550 0.1uF C550 0.1uF R564 68R R564 68R C538 47nF C538 47nF 1 2 3 4 5 6 7 8 XS644 kon-D1250-06AD XS644 kon-D1250-06AD C543 0.1uF C543 0.1uF C558 10uF/10V C558 10uF/10V C535 47nF C535 47nF R555 4.7K R555 4.7K C553 2.2uF C553 2.2uF L510 FB L510 FB R620 NC/4.7K R620 NC/4.7K 4 3 2 1 5 6 4 3 2 1 XSU01 USB V Connector 4 3 2 1 XSU01 USB V Connector R562 68R R562 68R C503 20pF C503 20pF 1 2 3 4 5 6 XS645 NC/D2006-6A XS645 NC/D2006-6A R428 200R R428 200R DATA2+ 1 DATA2 SHIELD 2 DATA2- 3 DATA1+ 4 DATA1 SHIELD 5 DAT1A- 6 DATA0+ 7 8 DATA0 SHIELD DATA0- 9 CLK+ 10 CLK SHIELD 11 CLK- 12 CEC 13 NC 14 SCL 15 SDA 16 DDC/CEC GND 17 +5V POWER 18 HOT PLUG 19 20 GND1 21 GND2 22 GND3 23 GND4 XS601 HDMI_J XS601 HDMI_J R570 4.7K/NC R570 4.7K/NC C645 10nF C645 10nF C511 2.2uF C511 2.2uF 1 2 3 4 XS510 CON4_2.0 XS510 CON4_2.0 GND 1 RESET# 2 VCC 3 N516 NC/APX809 N516 NC/APX809 R621 NC/4.7k R621 NC/4.7k C517 47nF C517 47nF C527 47nF C527 47nF 7 5 3 1 8 6 4 2 RA023 0RX4 7 5 3 1 8 6 4 2 RA023 0RX4 1 2 Z501 24MHZ Z501 24MHZ R414 22R R414 22R C556 0.1uF C556 0.1uF C548 0.1uF C548 0.1uF C646 22pF C646 22pF C519 0.1uF C519 0.1uF C532 47nF C532 47nF C536 1nF C536 1nF R553 1M R553 1M C541 2.2uF C541 2.2uF V510 NC/3904 V510 NC/3904 C544 0.1uF C544 0.1uF R608 4.7K R608 4.7K C505 0.1uF C505 0.1uF 7 5 3 1 8 6 4 2 RA024 0RX4 7 5 3 1 8 6 4 2 RA024 0RX4 3 1 4 2 RA415 10KX2 3 1 4 2 RA415 10KX2 C512 2.2uF C512 2.2uF C520 1nF C520 1nF C506 20pF C506 20pF 1 2 3 5 6 4 NU03 IP4223CZ6 NU03 IP4223CZ6 C557 0.1uF C557 0.1uF 1 2 3 V404 3904 V404 3904 C500 0.1uF C500 0.1uF R568 NC/47K R568 NC/47K 10 12 14 16 18 25 27 29 31 33 35 20 22 24 26 28 37 39 41 43 30 32 34 45 47 49 36 38 40 42 44 46 48 50 2 4 6 8 7 9 11 13 15 17 19 21 23 1 3 5 XS505 XS505 R563 68R R563 68R C533 47nF C533 47nF RU21 5.1R RU21 5.1R 1 3 2 V602 NC/3906 V602 NC/3906 R556 NC/0R R556 NC/0R R557 4.7K R557 4.7K R602 10K R602 10K C521 47nF C521 47nF L513 NC/0R L513 NC/0R 7 5 3 1 8 6 4 2 RA026 0RX4 7 5 3 1 8 6 4 2 RA026 0RX4 R417 10K R417 10K C542 0.1uF C542 0.1uF R565 68R R565 68R L508 0R L508 0R R582 NC/47K R582 NC/47K R573 4.7K/NC R573 4.7K/NC RU22 5.1R RU22 5.1R PDF ���� "pdfFactory Pro" ������ �� www.fineprint.com.cn 5 5 4 4 3 3 2 2 1 1 D D C C B B A A RGB0_G+ VGA-R+ VGA-B+ VGA-G+ RGB0_R+ RGB0_G-SOG RGB0_B+ AV1_IN PB1+_PX HD/PC-R HD/PC-L AV1_LIN AV1_RIN AV2_IN HD_R_IN HD_L_IN AV1_IN+ HD1_Pb PR1+_PX AV2_IN HD1_Y Y1+_PX AV1-Lin AV1-Rin HD1_Pr AVOUT AVOUT AV1_IN AV1_LIN AV1_RIN HD/PC-L HD/PC-R HD1_Pr HD1_Pb HD1_Y HP_MUTE RXD0 RXD0 RXD0 TXD0 RXD0 VGA-HS VGA-VS IR-in 5V_AMP 5V_AMP 5VA +12V VGA_HS VGA_VS UART-TX UART-RX RGB0_B+ RGB0_G+ RGB0_R+ RGB0_G-SOG HD_R_IN HD_L_IN Y+ AV1-Vin+ PB+ PR+ SOY AV2-Vin+ AV1-Rin AV1-Lin CVBS_OUT HP_MUTE PH-Lout PH-Rout IR-in �� �� �� �� � � ��� � � � � � � �� �� �� �� �� �� �� �� �� �� � � � � KONKA ���� ����� ���� TSUMV29&39 5 3 �� �� �� �� � � ��� � � � � � � �� �� �� �� �� �� �� �� �� �� � � � � KONKA ���� ����� ���� TSUMV29&39 5 3 �� �� �� �� � � ��� � � � � � � �� �� �� �� �� �� �� �� �� �� � � � � KONKA ���� ����� ���� TSUMV29&39 5 3 �� AV1&YPbPr 1.VGA ������� YPbPr ��������� 2.AV2 � YPbPr ��� 3.AVOUT������ AV1 ��� VIDEO OUT 1.2VDC ����������� ����� �V602-E=1.2VDC R682 NC/75 R682 NC/75 R624 75R R624 75R R628 22K R628 22K R680 12K R680 12K 5 3 2 1 4 XS618 AUDIO_out XS618 AUDIO_out R455 68R R455 68R R445 75R R445 75R 1 3 2 C C D ESD V610 NC/PESD5VOS2BT C C D ESD V610 NC/PESD5VOS2BT C668 NC/560p C668 NC/560p R683 10K R683 10K R625 499R 1% R625 499R 1% R681 12K R681 12K 2 1 3 XS609 AVOUT XS609 AVOUT V601 3906 V601 3906 R647 10K R647 10K R652 75R R652 75R R695 33R R695 33R R461 NC R461 NC R626 6.8K R626 6.8K R645 10K R645 10K C655 NC/330p C655 NC/330p C628 NC/560p C628 NC/560p 3 1 4 2 RA472 10KX2 3 1 4 2 RA472 10KX2 1 2 3 5 6 4 N604 IP4223CZ6 N604 IP4223CZ6 1 2 L601 NC/FB_1KΩ_100mA L601 NC/FB_1KΩ_100mA C606 NC/47pF C606 NC/47pF C654 NC/330p C654 NC/330p R679 75R R679 75R C409 NC C409 NC R658 33R R658 33R R629 499R 1% R629 499R 1% C609 10uF/16V C609 10uF/16V R692 0R R692 0R C631 NC/330p C631 NC/330p R468 33R R468 33R C607 10uF/16V C607 10uF/16V R467 75R R467 75R R665 75R R665 75R C667 NC/560p C667 NC/560p R630 33R R630 33R C608 0.1uF C608 0.1uF C411 NC C411 NC R654 0R R654 0R R675 33R R675 33R R469 75R R469 75R 1 2 L602 FB_1KΩ_100mA L602 FB_1KΩ_100mA 4 5 3 2 1 6 XS622 ypbpr XS622 ypbpr R631 49.9R 1% R631 49.9R 1% R650 33R R650 33R C629 NC/330p C629 NC/330p R462 33R R462 33R 5 10 4 9 3 8 2 7 1 15 14 13 12 11 6 16 17 XS605 VGA XS605 VGA R627 5.1K R627 5.1K R454 NC R454 NC R649 12K R649 12K R653 NC/0R R653 NC/0R R651 12K R651 12K R460 33R R460 33R 1 2 3 V600 3904 V600 3904 5 4 3 1 2 6 7 XS607 AV IN XS607 AV IN R660 75R R660 75R R458 0R R458 0R R623 6.8K R623 6.8K 1 2 3 V603 3904 V603 3904 R655 33R R655 33R R632 1.2K R632 1.2K 1 2 3 4 5 XS615 1T3 XS615 1T3 R686 10K R686 10K R459 68R R459 68R C630 NC/560p C630 NC/560p R633 3.9K R633 3.9K PDF ���� "pdfFactory Pro" ������ �� www.fineprint.com.cn 5 5 4 4 3 3 2 2 1 1 D D C C B B A A EARPH_L EARPH_R PH-Rout PH-Lout AMP_Lin+ AMP_AUOUTR0 EARPH_R AMP_Lin+ AMP_Rin+ AMP_AUOUTL0 AMP_Rin+ EARPH_L OP_VCC1 OP_VCC1 5VA 2.5VBuf1 PH-Lout PH-Rout AMP_AUOUTR0 AMP_AUOUTL0 AMP_AUOUTR0 AMP_AUOUTL0 AMP_Lin+ AMP_Rin+ �� �� �� �� � � ��� � � � � � � �� �� �� �� �� �� �� �� �� �� � � � � KONKA ���� ����� ���� TSUMV29&39 5 4 �� �� �� �� � � ��� � � � � � � �� �� �� �� �� �� �� �� �� �� � � � � KONKA ���� ����� ���� TSUMV29&39 5 4 �� �� �� �� � � ��� � � � � � � �� �� �� �� �� �� �� �� �� �� � � � � KONKA ���� ����� ���� TSUMV29&39 5 4 PH_Drive ����� ����� 1 2 L216 FB_600mA L216 FB_600mA C236 100pF C236 100pF C253 0.1uF C253 0.1uF 1 2 L217 FB_600mA L217 FB_600mA R222 0R R222 0R R214 10R R214 10R R223 0R R223 0R 5 6 7 8 4 - + N201B TDA1308 - + N201B TDA1308 + C262 100uF + C262 100uF C286 10uF C286 10uF R258 10K R258 10K C263 470pF C263 470pF C260 1uF C260 1uF C265 470pF C265 470pF R265 10K R265 10K C264 100pF C264 100pF R264 10K R264 10K R262 NC/47K R262 NC/47K R281 33K R281 33K R259 33K R259 33K R283 NC/47K R283 NC/47K C274 1uF C274 1uF R266 10K R266 10K C267 NC/1uF C267 NC/1uF R263 33K R263 33K C230 100pF C230 100pF C273 NC/1uF C273 NC/1uF + C266 100uF + C266 100uF R290 33K R290 33K C257 2.2uF C257 2.2uF 3 2 1 8 4 - + N201A TDA1308 - + N201A TDA1308 C235 100pF C235 100pF PDF ���� "pdfFactory Pro" ������ �� www.fineprint.com.cn 5 5 4 4 3 3 2 2 1 1 D D C C B B A A IF-IN- DNC1P DNC1N Tuner_SDA Tuner_SCL IF-IN+ 3.3V_Tun 3.3V_Tun 3.3V_Tun 3.3V_Tun 3.3V_Tun 3.3V_Tun 3.3V_Tun 3.3V_Tun 3.3V_Tun 3.3V_Tun 3.3V_Tun 3.3V_Tun VIFP VIFM Tuner_SDA Tuner_SCL �� �� �� �� � � ��� � � � � � � �� �� �� �� �� �� �� �� �� �� � � � � KONKA ���� ����� ���� TSUMV29&39 5 5 �� �� �� �� � � ��� � � � � � � �� �� �� �� �� �� �� �� �� �� � � � � KONKA ���� ����� ���� TSUMV29&39 5 5 �� �� �� �� � � ��� � � � � � � �� �� �� �� �� �� �� �� �� �� � � � � KONKA ���� ����� ���� TSUMV29&39 5 5 Close to MST chip ������� 3.3V-Tun������� ������������ �������������� SILICON TUNER ���� ��75��� ���� ���� ESD Close to MST chip 32.13~40.13MHz C164 18pF C164 18pF C188 30pF C188 30pF R142 2.2K R142 2.2K C146 68pF C146 68pF R144 100R R144 100R L110 1.2uH L110 1.2uH L108 330nH L108 330nH C135 10nF C135 10nF C143 0.1uF C143 0.1uF C165 18pF C165 18pF C140 100pF C140 100pF C160 10uF C160 10uF C130 220nF C130 220nF C150 220nF C150 220nF L111 270nH L111 270nH 1 2 3 4 5 XS100 IF-04S XS100 IF-04S C152 220nF C152 220nF C145 10nF C145 10nF C161 10uF C161 10uF C136 33pF C136 33pF C412 0.1uF C412 0.1uF C137 39pF C137 39pF C154 220nF C154 220nF C149 0.1uF C149 0.1uF C162 0.1uF C162 0.1uF C157 220nF C157 220nF C158 10nF C158 10nF C159 10nF C159 10nF C424 0.1uF C424 0.1uF R473 100R R473 100R C138 56pF C138 56pF C156 1.5nF C156 1.5nF L117 1.2uH L117 1.2uH L112 1.2uH L112 1.2uH 1 2 Z110 16MHZ Z110 16MHZ C139 180pF C139 180pF R463 100R R463 100R 3 1 2 V102 BAV99 V102 BAV99 C187 30pF C187 30pF L107 220nH L107 220nH R130 68R R130 68R C144 220nF C144 220nF C148 15pF C148 15pF R141 3.3K R141 3.3K C155 1nF C155 1nF R128 1M R128 1M R176 4.7K R176 4.7K C131 100pF C131 100pF C142 15pF C142 15pF UPCVCC 1 UPCVCC 2 NC1 3 NC2 4 NC3 5 NC4 6 AFC 7 LO1AVCC 8 LO1REG 9 LO1T1 10 LO1T2 11 LO1LPF 12 LO1DVCC 13 GPIO0 14 GPIO1 15 SROOUT 16 SROP 17 SRON 18 VCC 19 SERDATA 20 SERCLK 21 SERADDR 22 SDEXT 23 LO2DVCC 24 VGAVCC 36 VGAOUTP 35 VGAOUTN 34 IFAGC 33 AMPINN 32 AMPINP 31 AMPOUTN 30 AMPOUTP 29 LO2AVCC 28 LO2REG 27 LO2T 26 LO2LPF 25 RFIN 48 GND 47 RFCAP 46 UPCVCC 45 UPCVCC 44 DNCVCC 43 DNC2P 42 DNC2N 41 DNC1N 40 DNC1P 39 VGAINP 38 VGAINN 37 MT2063 N110 MT2063 MT2063 N110 MT2063 R177 4.7K R177 4.7K C153 10nF C153 10nF C129 1nF C129 1nF R138 68R R138 68R L106 16nH L106 16nH R143 100R R143 100R C141 220nF C141 220nF R129 1M R129 1M PDF ���� "pdfFactory Pro" ������ �� www.fineprint.com.cn </p> <div class="main-left-down hidden-xl hidden-lg hidden-md"> <!--资源收费且没有购买--> <a href="http://www.wenhuiw.com/index.php?s=score&c=buy&m=index&module=wenku&id=10152" id="down_box_confirm" class="not-logged-in btn bg-green"><i class="fa fa-shopping-cart"></i> 立即购买</a> <p class="down-score">下载本素材需消耗 <span class="f-red">10</span> 积分</p> <p class="down-feedback">无法下载?<a class="hover:text-green-600" href="tencent://message/?uin=77594475" target="_blank">立即反馈</a></p> </div> <div class="tag">标签: </div> <div class="use-tip"> <h3>版权声明</h3> <p><b>1. 本站所有素材,仅限学习交流,仅展示部分内容,如需查看完整内容,请下载原文件。</b><br> 2. 会员在本站下载的所有素材,只拥有使用权,著作权归原作者所有。<br> 3. 所有素材,未经合法授权,请勿用于商业用途,会员不得以任何形式发布、传播、复制、转售该素材,否则一律封号处理。<br> 4. 如果素材损害你的权益请联系客服QQ:<a href="tencent://message/?uin=77594475">77594475</a> 处理。 </p> </div> </div> <div class="main-relate hidden-sm hidden-xs"> <div class="module-title-box"> <h2 class="title">相关素材</h2> </div> <ul class="module-list"> <li class="col-xl-3 col-lg-3 col-md-3 col-sm-6 col-6"> <div class="module-list_box"> <a class="module-list_thumb wide lazyload" href="/wenku/a23249.html" title="JCT 997-2006 装饰纸面石膏板" data-original="http://file.wenhuiw.com/202306/e292ed4137e88a.png#系统开启了相对路径模式,本地址是站外域名,不能转为相对路径(在关闭开发者模式后不显示这句话)#没有设置高宽参数,将以原图输出"></a> <div class="module-list_detail"> <h4 class="title txt-ov"><a href="/wenku/a23249.html" title="JCT 997-2006 装饰纸面石膏板">JCT 997-2006 装饰纸面石膏板</a></h4> </div> </div> </li> <li class="col-xl-3 col-lg-3 col-md-3 col-sm-6 col-6"> <div class="module-list_box"> <a class="module-list_thumb wide lazyload" href="/wenku/a23245.html" title="JCT 993-2006 外墙外保温用膨胀聚苯乙烯板抹面胶浆" data-original="http://file.wenhuiw.com/202306/2b2e9c8f05c1a.png#系统开启了相对路径模式,本地址是站外域名,不能转为相对路径(在关闭开发者模式后不显示这句话)#没有设置高宽参数,将以原图输出"></a> <div class="module-list_detail"> <h4 class="title txt-ov"><a href="/wenku/a23245.html" title="JCT 993-2006 外墙外保温用膨胀聚苯乙烯板抹面胶浆">JCT 993-2006 外墙外保温用膨胀聚苯乙烯板抹面胶浆</a></h4> </div> </div> </li> <li class="col-xl-3 col-lg-3 col-md-3 col-sm-6 col-6"> <div class="module-list_box"> <a class="module-list_thumb wide lazyload" href="/wenku/a23244.html" title="JCT 992-2006 墙体保温用膨胀聚苯乙烯板胶粘剂" data-original="http://file.wenhuiw.com/202306/1b863e61d25b589.png#系统开启了相对路径模式,本地址是站外域名,不能转为相对路径(在关闭开发者模式后不显示这句话)#没有设置高宽参数,将以原图输出"></a> <div class="module-list_detail"> <h4 class="title txt-ov"><a href="/wenku/a23244.html" title="JCT 992-2006 墙体保温用膨胀聚苯乙烯板胶粘剂">JCT 992-2006 墙体保温用膨胀聚苯乙烯板胶粘剂</a></h4> </div> </div> </li> <li class="col-xl-3 col-lg-3 col-md-3 col-sm-6 col-6"> <div class="module-list_box"> <a class="module-list_thumb wide lazyload" href="/wenku/a23243.html" title="JCT 991-2006 建材工业用石膏墙板(砌块)成型机" data-original="http://file.wenhuiw.com/202306/771f07e799519.png#系统开启了相对路径模式,本地址是站外域名,不能转为相对路径(在关闭开发者模式后不显示这句话)#没有设置高宽参数,将以原图输出"></a> <div class="module-list_detail"> <h4 class="title txt-ov"><a href="/wenku/a23243.html" title="JCT 991-2006 建材工业用石膏墙板(砌块)成型机">JCT 991-2006 建材工业用石膏墙板(砌块)成型机</a></h4> </div> </div> </li> <li class="col-xl-3 col-lg-3 col-md-3 col-sm-6 col-6"> <div class="module-list_box"> <a class="module-list_thumb wide lazyload" href="/wenku/a23226.html" title="JCT 969-2005 墙板挤压机技术条件" data-original="http://file.wenhuiw.com/202306/877c61829c4a649.png#系统开启了相对路径模式,本地址是站外域名,不能转为相对路径(在关闭开发者模式后不显示这句话)#没有设置高宽参数,将以原图输出"></a> <div class="module-list_detail"> <h4 class="title txt-ov"><a href="/wenku/a23226.html" title="JCT 969-2005 墙板挤压机技术条件">JCT 969-2005 墙板挤压机技术条件</a></h4> </div> </div> </li> <li class="col-xl-3 col-lg-3 col-md-3 col-sm-6 col-6"> <div class="module-list_box"> <a class="module-list_thumb wide lazyload" href="/wenku/a23215.html" title="JCT 958-2005 水泥胶砂流动度测定仪(跳桌)" data-original="http://file.wenhuiw.com/202306/104e5c621c62ab1.png#系统开启了相对路径模式,本地址是站外域名,不能转为相对路径(在关闭开发者模式后不显示这句话)#没有设置高宽参数,将以原图输出"></a> <div class="module-list_detail"> <h4 class="title txt-ov"><a href="/wenku/a23215.html" title="JCT 958-2005 水泥胶砂流动度测定仪(跳桌)">JCT 958-2005 水泥胶砂流动度测定仪(跳桌)</a></h4> </div> </div> </li> <li class="col-xl-3 col-lg-3 col-md-3 col-sm-6 col-6"> <div class="module-list_box"> <a class="module-list_thumb wide lazyload" href="/wenku/a23205.html" title="JCT 947-2005 先张法预应力混凝土管桩用端板" data-original="http://file.wenhuiw.com/202306/202e904d09bf791.png#系统开启了相对路径模式,本地址是站外域名,不能转为相对路径(在关闭开发者模式后不显示这句话)#没有设置高宽参数,将以原图输出"></a> <div class="module-list_detail"> <h4 class="title txt-ov"><a href="/wenku/a23205.html" title="JCT 947-2005 先张法预应力混凝土管桩用端板">JCT 947-2005 先张法预应力混凝土管桩用端板</a></h4> </div> </div> </li> <li class="col-xl-3 col-lg-3 col-md-3 col-sm-6 col-6"> <div class="module-list_box"> <a class="module-list_thumb wide lazyload" href="/wenku/a23201.html" title="JCT 940-2004 玻璃纤维增强水泥 (GRC)装饰制品" data-original="http://file.wenhuiw.com/202306/f739a4f6c22c42e.png#系统开启了相对路径模式,本地址是站外域名,不能转为相对路径(在关闭开发者模式后不显示这句话)#没有设置高宽参数,将以原图输出"></a> <div class="module-list_detail"> <h4 class="title txt-ov"><a href="/wenku/a23201.html" title="JCT 940-2004 玻璃纤维增强水泥 (GRC)装饰制品">JCT 940-2004 玻璃纤维增强水泥 (GRC)装饰制品</a></h4> </div> </div> </li> </ul> </div> </div> <div class="main-right col-xl-3 col-lg-3 col-md-3 hidden-sm hidden-xs"> <div class="side-box-dw"></div> <div class="side-fixed-box"> <div class="side shadow"> <a href="javasctipr:;" class="not-logged-in btn bg-yellow"><i class="fa fa-download"></i> 立即下载</a> <p class="down-score">下载本素材需消耗 <span class="f-red">10</span> 积分</p> <p class="down-feedback">无法下载?<a class="hover:text-green-600" href="tencent://message/?uin=77594475" target="_blank">立即反馈</a></p> <ul class="down-attribute"> <li><span>文件大小:</span>283.24 KB</li> <li><span>文件格式:</span>pdf</li> </ul> </div> <div class="side mt20 shadow"> <div class="module-title-box mb15"> <h2 class="title">随机推荐</h2> </div> <ul class="module-list"> <li class="col-lg-4 col-md-3 col-sm-4 col-xs-3 col-4"> <div class="module-list_box p0"> <a class="module-list_thumb wide" href="/wenku/a23254.html" title="一张母狮子卧在草丛里的照片" style="display: block; background-image: url('http://file.wenhuiw.com/202403/c18d26349a7554b.jpg#系统开启了相对路径模式,本地址是站外域名,不能转为相对路径(在关闭开发者模式后不显示这句话)#没有设置高宽参数,将以原图输出')" ;> </a> <div class="module-list_detail"> <h4 class="title"><a href="/wenku/a23254.html" title="一张母狮子卧在草丛里的照片">一张母狮子卧在草丛里的照片</a></h4> </div> </div> </li> <li class="col-lg-4 col-md-3 col-sm-4 col-xs-3 col-4"> <div class="module-list_box p0"> <a class="module-list_thumb wide" href="/wenku/a23253.html" title="员工花名册.xlsx" style="display: block; background-image: url('http://file.wenhuiw.com/202403/389f25971624d9f.jpg#系统开启了相对路径模式,本地址是站外域名,不能转为相对路径(在关闭开发者模式后不显示这句话)#没有设置高宽参数,将以原图输出')" ;> </a> <div class="module-list_detail"> <h4 class="title"><a href="/wenku/a23253.html" title="员工花名册.xlsx">员工花名册.xlsx</a></h4> </div> </div> </li> <li class="col-lg-4 col-md-3 col-sm-4 col-xs-3 col-4"> <div class="module-list_box p0"> <a class="module-list_thumb wide" href="/wenku/a23252.html" title="员工年假统计表" style="display: block; background-image: url('http://file.wenhuiw.com/202403/bde7ec85b0ccdf1.jpg#系统开启了相对路径模式,本地址是站外域名,不能转为相对路径(在关闭开发者模式后不显示这句话)#没有设置高宽参数,将以原图输出')" ;> </a> <div class="module-list_detail"> <h4 class="title"><a href="/wenku/a23252.html" title="员工年假统计表">员工年假统计表</a></h4> </div> </div> </li> <li class="col-lg-4 col-md-3 col-sm-4 col-xs-3 col-4"> <div class="module-list_box p0"> <a class="module-list_thumb wide" href="/wenku/a23251.html" title="实验室安全歌.doc" style="display: block; background-image: url('http://file.wenhuiw.com/202309/310d89e8c45eb81.jpg#系统开启了相对路径模式,本地址是站外域名,不能转为相对路径(在关闭开发者模式后不显示这句话)#没有设置高宽参数,将以原图输出')" ;> </a> <div class="module-list_detail"> <h4 class="title"><a href="/wenku/a23251.html" title="实验室安全歌.doc">实验室安全歌.doc</a></h4> </div> </div> </li> <li class="col-lg-4 col-md-3 col-sm-4 col-xs-3 col-4"> <div class="module-list_box p0"> <a class="module-list_thumb wide" href="/wenku/a23250.html" title="JCT 998-2006 喷涂聚氨酯硬泡体保温材料" style="display: block; background-image: url('http://file.wenhuiw.com/202306/a9f08eb9830da52.png#系统开启了相对路径模式,本地址是站外域名,不能转为相对路径(在关闭开发者模式后不显示这句话)#没有设置高宽参数,将以原图输出')" ;> </a> <div class="module-list_detail"> <h4 class="title"><a href="/wenku/a23250.html" title="JCT 998-2006 喷涂聚氨酯硬泡体保温材料">JCT 998-2006 喷涂聚氨酯硬泡体保温材料</a></h4> </div> </div> </li> <li class="col-lg-4 col-md-3 col-sm-4 col-xs-3 col-4"> <div class="module-list_box p0"> <a class="module-list_thumb wide" href="/wenku/a23249.html" title="JCT 997-2006 装饰纸面石膏板" style="display: block; background-image: url('http://file.wenhuiw.com/202306/e292ed4137e88a.png#系统开启了相对路径模式,本地址是站外域名,不能转为相对路径(在关闭开发者模式后不显示这句话)#没有设置高宽参数,将以原图输出')" ;> </a> <div class="module-list_detail"> <h4 class="title"><a href="/wenku/a23249.html" title="JCT 997-2006 装饰纸面石膏板">JCT 997-2006 装饰纸面石膏板</a></h4> </div> </div> </li> <li class="col-lg-4 col-md-3 col-sm-4 col-xs-3 col-4"> <div class="module-list_box p0"> <a class="module-list_thumb wide" href="/wenku/a23248.html" title="JCT 996-2006 玻璃纤维壁布" style="display: block; background-image: url('http://file.wenhuiw.com/202306/5156b2f64e53176.png#系统开启了相对路径模式,本地址是站外域名,不能转为相对路径(在关闭开发者模式后不显示这句话)#没有设置高宽参数,将以原图输出')" ;> </a> <div class="module-list_detail"> <h4 class="title"><a href="/wenku/a23248.html" title="JCT 996-2006 玻璃纤维壁布">JCT 996-2006 玻璃纤维壁布</a></h4> </div> </div> </li> <li class="col-lg-4 col-md-3 col-sm-4 col-xs-3 col-4"> <div class="module-list_box p0"> <a class="module-list_thumb wide" href="/wenku/a23247.html" title="JCT 995-2006 低比表面积高烧结活性氧化锆粉体" style="display: block; background-image: url('http://file.wenhuiw.com/202306/8c1c96b37a561d4.png#系统开启了相对路径模式,本地址是站外域名,不能转为相对路径(在关闭开发者模式后不显示这句话)#没有设置高宽参数,将以原图输出')" ;> </a> <div class="module-list_detail"> <h4 class="title"><a href="/wenku/a23247.html" title="JCT 995-2006 低比表面积高烧结活性氧化锆粉体">JCT 995-2006 低比表面积高烧结活性氧化锆粉体</a></h4> </div> </div> </li> <li class="col-lg-4 col-md-3 col-sm-4 col-xs-3 col-4"> <div class="module-list_box p0"> <a class="module-list_thumb wide" href="/wenku/a23246.html" title="JCT 994-2006 微晶玻璃陶瓷复合砖" style="display: block; background-image: url('http://file.wenhuiw.com/202306/fff87b6f9176d27.png#系统开启了相对路径模式,本地址是站外域名,不能转为相对路径(在关闭开发者模式后不显示这句话)#没有设置高宽参数,将以原图输出')" ;> </a> <div class="module-list_detail"> <h4 class="title"><a href="/wenku/a23246.html" title="JCT 994-2006 微晶玻璃陶瓷复合砖">JCT 994-2006 微晶玻璃陶瓷复合砖</a></h4> </div> </div> </li> </ul> </div> </div> </div> </div> <div class="main-box-dw"></div> <div class="scroll-to-top hidden-sm hidden-xs" id="toTop"> <i class="bi bi-arrow-up-circle-fill"></i> </div> <!-- 底部 --> <div class="footer"> <div class="container"> <div class="flex justify-center"> <span class="hidden-sm hidden-xs">© CopyRight 2022 文汇知识网</span> <a class="ml10 mr10" href="https://beian.miit.gov.cn" target="_blank">滇ICP备2022006959号-4</a> <span class="hidden-sm hidden-xs"><script> var _hmt = _hmt || []; (function() { var hm = document.createElement("script"); hm.src = "https://hm.baidu.com/hm.js?f0f56f82f7c67c360794e2549e59d9cd"; var s = document.getElementsByTagName("script")[0]; s.parentNode.insertBefore(hm, s); })(); </script> <a href="http://news.zzszq.net/">深知资讯网</a><a href="http://tv.zzszq.net/">深视网</a><a href="http://www.80hlw.com/">80商务</a></span> </div> </div> </div> <!-- 会员登录 --> <div id="login_box" class="hidden fixed"> <div class="login_box_title"> <h4 class="tc">会员登录</h4> <button id="close_login"><i class="fa fa-close"></i></button> </div> <form class="login-form" id="myform" action="" method="post"> <div class="form-group"> <input class="form-control" type="text" autocomplete="off" placeholder="会员名/邮箱/手机" name="data[username]" /> </div> <div class="form-group"> <input class="form-control" type="password" autocomplete="off" placeholder="登录密码" name="data[password]" /> </div> <div class="form-group"> <div class="col-6 pl0 pr0 fl"> <input class="form-control" type="text" autocomplete="off" placeholder="验证码" name="code" /> </div> <div class="col-6 tr fr"> <img align="absmiddle" style="cursor:pointer;" onclick="this.src='/index.php?s=api&c=api&m=captcha&width=120&height=35&t='+Math.random();" src="/index.php?s=api&c=api&m=captcha&width=120&height=35" /> </div> <div class="clearfix"></div> </div> <div class="form-group"> <button type="button" onclick="dr_ajax_member('http://www.wenhuiw.com/index.php?s=member&c=login&m=index', 'myform');" class="btn bg-green">登录</button> </div> <div class="form-group"> <a href="http://www.wenhuiw.com/index.php?s=member&c=register&m=index" id="register-btn" class="fr">注册账号</a> <input type="checkbox" name="remember" value="1" checked="checked" style="vertical-align: -2px;"/> 记住我 <a href="http://www.wenhuiw.com/index.php?s=member&c=login&m=find">忘记密码</a> </div> <div class="form-group tc"> <!--<p class="text-muted">第三方快捷登录</p>--> </div> </form> </div> <div class="mask-body mask-body-dark" style="display: none;"></div> <script src="/static/x2h-002/js/swiper-bundle.min.js"></script> <script src="/static/x2h-002/js/jquery.lazyload.js"></script> <script src="/static/x2h-002/js/common.js"></script> <script> $(function () { $.ajax({ type: "GET",dataType:"json", url: "/index.php?s=api&c=run&is_ajax=1&num=5" }); }); </script> </body> </html>