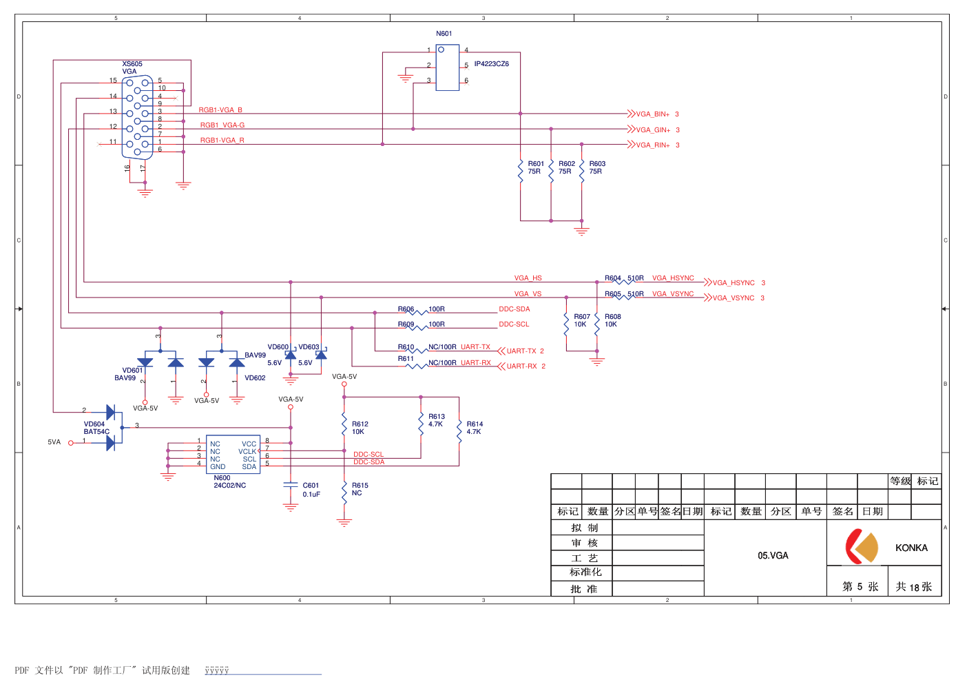
康佳LC37IS96N液晶电视35014681板(MST6I78机芯)电路原理图

分类:电子电工 日期: 点击:0
康佳LC37IS96N液晶电视35014681板(MST6I78机芯)电路原理图-0 康佳LC37IS96N液晶电视35014681板(MST6I78机芯)电路原理图-1 康佳LC37IS96N液晶电视35014681板(MST6I78机芯)电路原理图-2 康佳LC37IS96N液晶电视35014681板(MST6I78机芯)电路原理图-3 康佳LC37IS96N液晶电视35014681板(MST6I78机芯)电路原理图-4 康佳LC37IS96N液晶电视35014681板(MST6I78机芯)电路原理图-5 康佳LC37IS96N液晶电视35014681板(MST6I78机芯)电路原理图-6 康佳LC37IS96N液晶电视35014681板(MST6I78机芯)电路原理图-7 康佳LC37IS96N液晶电视35014681板(MST6I78机芯)电路原理图-8 康佳LC37IS96N液晶电视35014681板(MST6I78机芯)电路原理图-9

5 5 4 4 3 3 2 2 1 1 D D C C B B A A PM_PWR_ON BKLT_ADJ BKLT_EN BL_ADJ BL_ON/OFF PM_PWR_ON POWER-ON/OFF BKLT_ADJ BKLT_EN POWER-ON/OFF PANEL_EN PM_PWR_ON PANEL_EN 12VIN BL_ON/OFF BL_ADJ POWER-ON/OFF 12VIN LG_STATE STATE_IN 5VSTBIN 5V_TUNER +12V 33V_Normal VCC1.8V_MEMC VCC1.86V_MEMC VCC3.3V_MEMC +12V 33V_Normal 5Vstb 5VA 5VA 5Vstb VCC-Panel +12V +12V VCC1.2V_MEMC +12V 3.3Vstb 33V_Normal VCC3.3V_MEMC 5Vstb 33V_Normal VCC-Panel 12VIN 5VA AVDD_AU_3.3V +12V DEMO_3V3 DEMO_1V2 33V_Normal DEMO_2V5 DEMO_3V3 VCC1.2V 3.3Vstb +1.5V_DDR3 +2.5V_Normal +12V 5VA 33V_Normal 33V_Normal 5Vstb 3.3Vstb 3.3Vstb 5Vstb DEMO_2V5 33V_Normal 5Vstb_USB 5VA 5V_IFA PM_PWR_ON 2 ADJ-PWM 2,15 ON_BKLT 2 PANEL_ON 2 LG_STATE 2 �� �� �� �� � � ��� � � � � � � ���� ���� �� �� �� �� �� �� � � � � KONKA <��> <��> <��> <���> <��> 01.Power Block Diagram 18 1 �� �� �� �� � � ��� � � � � � � ���� ���� �� �� �� �� �� �� � � � � KONKA <��> <��> <��> <���> <��> 01.Power Block Diagram 18 1 �� �� �� �� � � ��� � � � � � � ���� ���� �� �� �� �� �� �� � � � � KONKA <��> <��> <��> <���> <��> 01.Power Block Diagram 18 1 PANEL POWER Vout=0.923*(1+R1/R2) 5v:R1/R2=4.42 1.86V for MEMC DDR2 power ���� H:OFF L:ON TUNER_5V & 5VA H:ON L:OFF DDR3 1.5V ������1.86V +3.3V STB & NORMAL & MEMC VDD33 & DEMO 3.3V 1.26V FOR 6i98 CORE 1.26V FOR MEMC CORE POWER INPUT � � � � � � ��1.32V Vout=0.923*(1+R1/R2) 5v:R1/R2=4.42 160mA DEMO CORE 1.2V 160mA 6i98 2.5V DEMO 2.5V 6i98 AU_3.3V VD801 NC/PMEG2020 VD801 NC/PMEG2020 C877 0.1uF/NC# C877 0.1uF/NC# L831 10uH L831 10uH C813 10uF/16V C813 10uF/16V CA818 0.1uF CA818 0.1uF C883 10uF/6.3V/NC# C883 10uF/6.3V/NC# V806 /NCPMV65XP V806 /NCPMV65XP C828 0.1uF C828 0.1uF V804 3904 V804 3904 R856 NC R856 NC R827 1K R827 1K + CA813 470uF/25V + CA813 470uF/25V C844 10uF/16v C844 10uF/16v R874 2K R874 2K C816 10uF/16V C816 10uF/16V C836 NC/10uF/16V C836 NC/10uF/16V 1 2 L830 300/3A/NC# L830 300/3A/NC# + C881 220uF/16V/NC# + C881 220uF/16V/NC# C884 0.1uF/NC# C884 0.1uF/NC# 1 2 L822 FB_300_Ohm_4A L822 FB_300_Ohm_4A C834 0.1uF C834 0.1uF R855 NC R855 NC R857 NC R857 NC C871 10uF/10V C871 10uF/10V CA820 0.47uF/NC CA820 0.47uF/NC 1 2 L833 NC/FB_300_Ohm_2A L833 NC/FB_300_Ohm_2A 1 2 L807 FB_300_Ohm_4A L807 FB_300_Ohm_4A C868 0.1uF C868 0.1uF 3 1 2 V800 3904 V800 3904 + C805 220uF/16V + C805 220uF/16V 3 1 2 vcc gnd out N814 BA25 vcc gnd out N814 BA25 1 2 L812 FB_300_Ohm_2A L812 FB_300_Ohm_2A R828 1K/NC R828 1K/NC 1 2 L835 FB_300_Ohm_4A L835 FB_300_Ohm_4A R876 NC R876 NC CA821 0.1uF CA821 0.1uF R824 0R R824 0R C851 NC/10uF C851 NC/10uF CA817 0.1uF CA817 0.1uF + CA804 220uF/25V + CA804 220uF/25V VD804 NC/PMEG2020 VD804 NC/PMEG2020 CA822 0.1uF CA822 0.1uF + CA812 470uF/25V/NC# + CA812 470uF/25V/NC# VD805 NC/PMEG2020 VD805 NC/PMEG2020 1 2 L814 33000845 L814 33000845 C898 0.1uF C898 0.1uF R845 100K/NC R845 100K/NC R873 100R R873 100R 1 2 L819 FB_300_Ohm_2A L819 FB_300_Ohm_2A R870 1K/NC R870 1K/NC CA800 100uF/16V CA800 100uF/16V R853 100K R853 100K R806 NC/75K 1% R806 NC/75K 1% 1 2 L808 300_Ohm_2A/NC L808 300_Ohm_2A/NC 3 1 2 V810 3904 V810 3904 C800 0.1uF C800 0.1uF C878 10uF/6.3V/NC# C878 10uF/6.3V/NC# C870 0.1uF C870 0.1uF 3 2 1 4 ADJ OUT IN N809 NC/AMS1117-3.3V ADJ OUT IN N809 NC/AMS1117-3.3V R825 0R/NC R825 0R/NC 1 2 L805 FB_300_Ohm_4A L805 FB_300_Ohm_4A C810 3.3nF C810 3.3nF VIN 2 FB 4 PGND 1 COMP 5 EN 6 LX 7 LX 8 AGND 3 N810 AOZ1072/NC# N810 AOZ1072/NC# C890 10uF/16V/NC# C890 10uF/16V/NC# VIN 2 FB 4 PGND 1 COMP 5 EN 6 LX 7 LX 8 AGND 3 N802 AOZ1072/NC N802 AOZ1072/NC 1 2 L810 300_Ohm_2A L810 300_Ohm_2A 1 2 L820 FB_300_Ohm_3A L820 FB_300_Ohm_3A R832 4.7K R832 4.7K R841 47K/NC R841 47K/NC R820 0R R820 0R V811 /NCPMV65XP V811 /NCPMV65XP C824 10uF/16V C824 10uF/16V VIN 2 FB 4 PGND 1 COMP 5 EN 6 LX 7 LX 8 AGND 3 N812 AOZ1073/1072 N812 AOZ1073/1072 R826 10K R826 10K R854 10K R854 10K D800 1N4148/NC# D800 1N4148/NC# 1 2 + CA811 220uF/16V + CA811 220uF/16V C822 NC C822 NC F801 F5A/32V F801 F5A/32V 3 2 1 GND IN OUT N811 NC/AP2120N-2.5 GND IN OUT N811 NC/AP2120N-2.5 VIN 2 FB 4 PGND 1 COMP 5 EN 6 LX 7 LX 8 AGND 3 N801 AOZ1073/1072 N801 AOZ1073/1072 + CA815 100uF/16V + CA815 100uF/16V R814 33K R814 33K C865 0.1uF C865 0.1uF R877 1K R877 1K C811 NC/180p/50V C811 NC/180p/50V C872 0.1uF C872 0.1uF R808 NC/200K/1% R808 NC/200K/1% C827 0.1uF C827 0.1uF C817 0.1uF C817 0.1uF C8001 0.1uF/NC C8001 0.1uF/NC C830 10uF/6.3V C830 10uF/6.3V 1 2 L804 FB_60_Ohm_4A L804 FB_60_Ohm_4A C891 10uF/16V/NC# C891 10uF/16V/NC# 1 2 L815 FB_300_Ohm_2A L815 FB_300_Ohm_2A R809 NC/2.2K R809 NC/2.2K R852 47K R852 47K C849 10uF/16V C849 10uF/16V + C880 100uF/16V/NC# + C880 100uF/16V/NC# C841 10uF/16V C841 10uF/16V 1 2 L824 33000440 L824 33000440 C864 10uF/6.3V C864 10uF/6.3V C809 0.47uF C809 0.47uF C821 NC/3.3nF C821 NC/3.3nF C899 10uF/16V C899 10uF/16V R834 10K R834 10K + CA808 470uF/25V + CA808 470uF/25V C874 3.3nF/NC# C874 3.3nF/NC# R800 0R/NC# R800 0R/NC# C819 0.1uF C819 0.1uF F802 F5A/32V F802 F5A/32V + C847 220uF/16V + C847 220uF/16V C893 NC/0.1uF C893 NC/0.1uF 3 1 2 V808 3904/NC V808 3904/NC 1 2 3 4 5 6 7 XS802 2006-7A XS802 2006-7A R835 33K R835 33K C820 0.1uF C820 0.1uF C8002 0.1uF/NC C8002 0.1uF/NC C831 0.1uF C831 0.1uF C801 3.3nF C801 3.3nF R805 NC R805 NC + C826 220uF/16V + C826 220uF/16V 1 2 L813 NC/FB L813 NC/FB C887 0.1uF/NC# C887 0.1uF/NC# 3 2 1 4 ADJ OUT IN N808 AZ1117D-1.8V ADJ OUT IN N808 AZ1117D-1.8V CA823 NC/0.1uF CA823 NC/0.1uF R878 NC/100R R878 NC/100R + CA803 47uF/16V + CA803 47uF/16V 1 2 L832 NC/FB_300_Ohm_2A L832 NC/FB_300_Ohm_2A C876 10uF/6.3V/NC# C876 10uF/6.3V/NC# R804 6.8K R804 6.8K C857 10uF/16V C857 10uF/16V R846 4.7K R846 4.7K C818 10uF/6.3V C818 10uF/6.3V C889 10uF/16V/NC# C889 10uF/16V/NC# C807 0.1uF C807 0.1uF C845 0.1uF C845 0.1uF CA816 0.1uF CA816 0.1uF + CA806 10uF/16V + CA806 10uF/16V + CA814 NC/100uF/16V + CA814 NC/100uF/16V C832 0.1uF C832 0.1uF C869 0.1uF C869 0.1uF + CA801 470uF/25V + CA801 470uF/25V R862 4.99K 1%/NC# R862 4.99K 1%/NC# 1 2 L809 FB_300_Ohm_3A L809 FB_300_Ohm_3A + C882 220uF/16V/NC# + C882 220uF/16V/NC# F800 F5A/32V F800 F5A/32V 1 2 L818 NC/FB L818 NC/FB + CA805 100uF/16V + CA805 100uF/16V C848 10uF/16V C848 10uF/16V R811 47K 1% R811 47K 1% + C804 220uF/16V + C804 220uF/16V 1 2 L811 FB_300_Ohm_3A L811 FB_300_Ohm_3A R838 10k R838 10k C8003 0.1uF/NC C8003 0.1uF/NC C839 0.1uF C839 0.1uF CA819 10uF/6.3V CA819 10uF/6.3V C875 NC/180p/50V C875 NC/180p/50V C888 10uF/16V/NC# C888 10uF/16V/NC# 1 2 3 4 5 XS808 D2006-4A XS808 D2006-4A R813 100K R813 100K C858 10uF/16V C858 10uF/16V C829 10uF/6.3V C829 10uF/6.3V VD800 GREEN_LED VD800 GREEN_LED 1 2 L817 33000845/NC L817 33000845/NC C802 NC/180p/50V C802 NC/180p/50V C867 10uF/6.3V C867 10uF/6.3V R803 NC R803 NC V807 3904 V807 3904 C886 10uF/16V/NC# C886 10uF/16V/NC# R829 NC R829 NC R858 15R1% R858 15R1% L802 NC/10uH L802 NC/10uH C861 0.1uF C861 0.1uF 3 2 1 GND IN OUT N804 NC/AP2120N-2.5 GND IN OUT N804 NC/AP2120N-2.5 1 2 3 V802 3904 V802 3904 C894 NC/10uF/16V C894 NC/10uF/16V C842 0.1uF C842 0.1uF R860 100K/NC# R860 100K/NC# C806 10uF/16V C806 10uF/16V R868 47K R868 47K R823 100R R823 100R C8000 0.1uF/NC C8000 0.1uF/NC R801 6.8K 1% R801 6.8K 1% 1 2 L821 FB_300_Ohm_3A L821 FB_300_Ohm_3A C853 NC/10uF C853 NC/10uF D 1 D 2 D 3 G 4 S 8 S 7 S 6 S 5 V801 9435A V801 9435A C879 0.1uF/NC# C879 0.1uF/NC# 3 2 1 4 ADJ OUT IN N805 AMS1117-3.3V ADJ OUT IN N805 AMS1117-3.3V R861 NC R861 NC 1 2 L828 33000845/NC# L828 33000845/NC# C852 NC/10uF C852 NC/10uF R831 NC R831 NC R807 NC/10K/1% R807 NC/10K/1% R875 NC/0R R875 NC/0R + CA809 100uF/16V + CA809 100uF/16V 1 2 L834 FB_300_Ohm_4A/NC L834 FB_300_Ohm_4A/NC C815 10uF/16V C815 10uF/16V C856 10uF/16V C856 10uF/16V R810 100K 1% R810 100K 1% + C823 100uF/16V + C823 100uF/16V L801 10uH L801 10uH C885 10uF/16V/NC# C885 10uF/16V/NC# C803 0.1uF C803 0.1uF D 1 D 2 D 3 G 4 S 8 S 7 S 6 S 5 V813 9435A V813 9435A + CA802 220uF/16V + CA802 220uF/16V C825 0.1uF C825 0.1uF C892 0.1uF/NC# C892 0.1uF/NC# 1 2 L823 33000440/NC L823 33000440/NC C843 10uF/16V C843 10uF/16V C808 10uF/16V C808 10uF/16V R822 470R R822 470R R859 6.8K/NC# R859 6.8K/NC# R802 10K1% R802 10K1% 3 2 1 4 ADJ OUT IN N813 AZ1117D-1.5Vv-252 ADJ OUT IN N813 AZ1117D-1.5Vv-252 1 2 3 4 5 6 7 XS804 D3913-5A XS804 D3913-5A C835 NC/10uF/16V C835 NC/10uF/16V C855 10uF/16V C855 10uF/16V R867 6.8K R867 6.8K C854 NC/0.1uF C854 NC/0.1uF R864 1K/NC R864 1K/NC + C866 100uF/16V + C866 100uF/16V C812 0.1uF C812 0.1uF 1 2 L836 FB_300_Ohm_4A L836 FB_300_Ohm_4A R821 NC R821 NC C860 10uF/16V C860 10uF/16V V805 3904 V805 3904 R865 27K R865 27K C814 10uF/16V C814 10uF/16V + CA807 100uF/16V + CA807 100uF/16V R851 10K/NC R851 10K/NC R815 NC/0R R815 NC/0R R871 10K R871 10K 1 2 L825 FB_60_Ohm_3A L825 FB_60_Ohm_3A C850 NC/10uF C850 NC/10uF VD802 NC/PMEG2020 VD802 NC/PMEG2020 1 2 3 4 5 XS803 D3913-5A XS803 D3913-5A C833 0.1uF C833 0.1uF C862 0.47uF C862 0.47uF 3 2 1 4 ADJ OUT IN N800 AMS1117-3.3V ADJ OUT IN N800 AMS1117-3.3V L829 10uH/NC# L829 10uH/NC# R830 4.7K/NC R830 4.7K/NC 1 2 L827 300_Ohm_2A/NC# L827 300_Ohm_2A/NC# 3 1 2 V803 3904 V803 3904 R866 100K R866 100K R863 10K1%/NC# R863 10K1%/NC# L806 10uH L806 10uH C840 0.1uF C840 0.1uF C873 10uF/10V C873 10uF/10V 1 2 L826 FB_60_Ohm_3A L826 FB_60_Ohm_3A + C846 220uF/16V + C846 220uF/16V R872 1K R872 1K R812 10K1% R812 10K1% R847 27K/NC R847 27K/NC R836 15R1% R836 15R1% C859 0.1uF C859 0.1uF R840 1k R840 1k R833 100R R833 100R PDF ��� "PDF ����" ����� ����� � 5 5 4 4 3 3 2 2 1 1 D D C C B B A A PWR_CUT_OFF-INT XTALI XTALO RF_AGC_SEL BRI_ADJ-PWM2-C System-RST I2S-IN_WS TS0_IN_D6 TS0_IN_D4 I2S-IN_SD UART-RX R2_TRXO2+ R1_TRXOC- G2_TRXE0+ UART-TX PWM1 VIF_SW# PWM0-RFID XTALI XTALO LED_RED Boot_Flash-CSN FLASH_WPN-C IR_SYNC B0_TRXE4+ B5_TRXEC- USB1_DP G5_TRXO4- USB2_DM USB2_DP USB1_DM G7_TRXO3- R0_TRXOC+ G1_TRXE1- B2_TRXE3+ DDCR_DA2 DDCR_CLK2 B7_TRXE2- System-RST B4_TRXEC+ G0_TRXE1+ G6_TRXO3+ SPI-CS0N B6_TRXE2+ R3_TRXO2- G3_TRXE0- SPI-SDO SPI-SDI SPI-SCK R5_TRXO1- WP_EEP R4_TRXO1+ R7_TRXO0- R6_TRXO0+ SAR2 G4_TRXO4+ B1_TRXE4- B3_TRXE3- MIC_DET2# G2_TRXE00+ G1_TRXE01- G3_TRXE00- G0_TRXE01+ VIF_SW# SIF_SW# MUTE_S-C SELVDS# TURN_LEFT# KEY_WP TS0_IN_VLD I2C-SCL I2C-SDA I2C-SDA I2C-SCL I2C-SCL MUTE_S-C I2C-SDA SPI_CSN_0 WP_EEP I2C-SDA ETCKP ETCKP ETCKP ETMSP ETMSP ETDIP ETDIP ETRSTN EDINTP ETDOP LED_GREEN VBLCTRL-P2-C PCM_A0 PCM_A5 PCM_A7 PCM_A4 PCM_A6 PCM_A3 PCM_A2 PCM_A1 LG_STATE# RTC_INT RESET_FE0# EJTAG_RST_N UART-TX2 CFID PWM0-RFID SIF_SW# B7_TRXE02- B6_TRXE02+ B5_TRXE0C- B4_TRXE0C+ SPI-SCK SPI-SDI SPI-SDO SPI-CS0N SPI_SDI SPI_SCK PW_CTL UART-TX UART-RX BIT_SELECT# SPI_SDO ON_USB# TURN_ON/OFF# KEY0 I2C-SCL TURN_ON/OFF# I2C-SDA RTC_SW I2CSCL-RTC MUTE I2CSDA-RTC I2CSCL-RTC I2CSDA-RTC I2C-SDA I2C-SCL I2S-OUT_BCK VBLCTRL-P2-C I2S-OUT_MCK AUVRM AUVAG AUVRP AV_FSC-AUOUTR2 I2S-OUT_WS AMP_HSC-AUOUTR0 I2S-OUT_SD FLGB# ON_USB# SPDIF_OUT VGA-Lin AV_FSC-AUOUTL2 COMP_AUL1 COMP_AUR1 AUR4 AUL4 AUR3 VGA-Rin AUL3 AMP_HSC-AUOUTL0 R6_TRXO00+ R7_TRXO00- R5_TRXO01- R4_TRXO01+ TS0_IN_D0 B2_TRXE03+ B1_TRXE04- B3_TRXE03- B0_TRXE04+ RTCX1 RTCX2 CV TS0_IN_D2 TS0_IN_D0 I2CSCL-RTC RT_CLK TS0_IN_VLD CV RTC_OP2 I2CSDA-RTC TS0_IN_D4 CV RTC_OP2 FLASH_WPN-C BRI_ADJ-PWM2-C OPC_EN# LG_STATE# R3_TRXO02- R1_TRXO0C- R2_TRXO02+ R0_TRXO0C+ MIC_DET2# KEY_WP MUTE RTC_INT AUVRP AUVRM AUVAG RTC_SW DEMO_SLEEP# PCM_PWR_CTL-C I2S-IN_SD ET_MDIO FLGA# ODSEL2# ODSEL1# BIT_SELECT# SELVDS# PF_CE0Z PF_AD15 PF_CE1Z PF_OEZ PF_ALE PF_WEZ Panel_ON-P1-C SIFM SIFP VIFP VIFM Boot_Flash-CSN ET_TXD1 ET_TXD1-E ET_TXD0 ET_TXD0-E ET_COL ET_COL-E ET_MDC ET_MDC-E ET_RXD1 ET_RXD1-E ET_RXD0 ET_RXD0-E UART-TX I2C-SCL-TUNER I2C-SDA-TUNER ET_TX_EN ET_TX_EN-E ET_MDIO-E UART-RX F_RBZ ET_TX_CLK ET_TX_CLK-E I2C-SDA-TUNER OPC_EN# I2C-SCL-TUNER DIF-M DIF-P DIFM DIFP DTV-IFP DTV-IFM MUTE_EN ATV_RF_AGC TAGC TURN_RIGHT# TURN_LEFT# FLGB# SYS_RST SPI_CSN_0 RF_AGC_SEL FLASH_WPN SPI_SCK SPI_SDI SPI_SDO PWM0-RFID FE0_DATA3 FE0_DATA4 FE0_DATA5 FE0_DATA1 FE0_DATA7 FE0_DATA0 FE0_DATA2 FE0_CLK FE0_STRT FE0_VALID FE0_DATA6 I2C-SDA I2C-SCL I2S-OUT_SD I2S-OUT_BCK PWM1 I2S-OUT_MCK UART-RX2 UART-TX2 Panel_ON-P1-C I2S-IN_WS DEMO_SLEEP# TS0_IN_D2 G4_TRXO04+ G5_TRXO04- G6_TRXO03+ G7_TRXO03- I2C-SDA I2C-SCL TS0_IN_D6 ODSEL2# ODSEL1# G3_TRXE0- G2_TRXE0+ G0_TRXE1+ G1_TRXE1- R6_TRXO0+ B5_TRXEC- B4_TRXEC+ B7_TRXE2- B6_TRXE2+ B2_TRXE3+ B1_TRXE4- R7_TRXO0- R5_TRXO1- R4_TRXO1+ R0_TRXOC+ R3_TRXO2- R1_TRXOC- B3_TRXE3- B0_TRXE4+ R2_TRXO2+ G7_TRXO3- G4_TRXO4+ G5_TRXO4- G6_TRXO3+ LED_RED FLGA# SCL_OPT LED_R I2C-SCL I2C-SDA IR_SYNC TURN_RIGHT# KEY0 SDA_OPT LED_G IR_in LED_GREEN PW_CTL PWR_CUT_OFF-INT PWR_CUT_OFF-RST G3_TRXE0- G2_TRXE0+ G1_TRXE1- G0_TRXE1+ R6_TRXO0+ B5_TRXEC- B4_TRXEC+ R7_TRXO0- B7_TRXE2- B6_TRXE2+ B2_TRXE3+ B1_TRXE4- R5_TRXO1- R4_TRXO1+ R3_TRXO2- R1_TRXOC- R0_TRXOC+ B3_TRXE3- B0_TRXE4+ R2_TRXO2+ G7_TRXO3- G4_TRXO4+ G6_TRXO3+ G5_TRXO4- UART-RX2 UART-TX2 MEMC_EN CFID I2C-SCL RESET_FE0# 3.3Vstb 33V_Normal 33V_Normal 33V_Normal 5Vstb 3.3Vstb 3.3Vstb 3.3Vstb 33V_Normal 3.3Vstb 3.3Vstb 33V_Normal 3.3Vstb 3.3Vstb 33V_Normal 33V_Normal 33V_Normal 5V_TUNER 33V_Normal 33V_Normal 33V_Normal 33V_Normal 3.3Vstb 3.3Vstb 3.3Vstb 3.3Vstb 3.3Vstb 3.3Vstb 3.3Vstb 3.3Vstb 3.3Vstb 3.3Vstb +12V VDD_DET-2.93V VDD_DET-2.93V 5VA TS_D4 8 TS_D7 8 TS_D6 8 TS_D5 8 PWM_IN 15 PF_CE0Z 12 PF_OEZ 12 PF_ALE 12 PF_AD15 12 F_RBZ 12 PF_WEZ 12 PF_CE1Z 12 ET_TX_EN-E 11 ET_TXD1-E 11 ET_TXD0-E 11 ET_COL-E 11 ET_MDC-E 11 ET_RXD1-E 11 ET_RXD0-E 11 ET_TX_CLK-E 11 ET_MDIO-E 11 AUOUTL1 7 AUOUTR1 7 VIF_SW 9 ADJ-PWM 1,15 TS_SYNC 8 TS_VALID 8 TS_CLK 8 OD_SEL 15 TURN_LEFT 16 VGA-Rin 6 VGA-Lin 6 I2C-SDA 8,13,14,15 RXO0- 14 RXO1+ 14 RXO1- 14 RXOC- 14 RXO2+ 14 RXO2- 14 RXO0+ 14 RXO3- 14 RXO4+ 14 RXOC+ 14 RXO3+ 14 RXO4- 14 PH_R 6,7 PH_L 6,7 I2C-SCL 8,13,14,15 ON_BKLT 1 LG_STATE 1 SIF_SW 9 PM_PWR_ON 1 UART-TX 5 UART-RX 5 ON_USB 13 TURN_ON/OFF 16 HD1-Lin 6 HD1-Rin 6 MIC_RIN 7 TS_D0 8 SMB_CLK 13 SMB_DAT 13 L_DIM_DBL 15 MUTE_AMP 7 DEMO_SLEEP 8 PANEL_ON 1 RXE0+ 14 RXE0- 14 RXE2+ 14 RXE1+ 14 RXE1- 14 RXEC- 14 RXEC+ 14 RXE2- 14 RXE3- 14 RXE4+ 14 RXE3+ 14 RXE4- 14 TS_D1 8 ACKM 14,15 A0M 14,15 ACKP 14,15 A1M 14,15 A0P 14,15 A1P 14,15 A2P 14,15 A2M 14,15 A3M 14,15 A4M 14,15 A3P 14,15 B0M 14,15 A4P 14,15 B0P 14,15 B1P 14,15 B1M 14,15 B2P 14,15 B2M 14,15 B3M 14,15 B4M 14,15 B3P 14,15 B4P 14,15 I2C-SCL-TUNER 8 UART-TX 5 I2C-SDA-TUNER 8 UART-RX 5 BCKP 14,15 BCKM 14,15 MUTE_EN 7 I2C-SCL 8,13,14,15 I2C-SDA 8,13,14,15 TS_D3 8 TS_D2 8 AGC_SW 9 HD2-Rin 6 HD2-Lin 6 AV1-Rin 6 AV1-Lin 6 SPDIF_OUT 6 I2C-SCL-TUNER 8 PCM_A[7:0] 12 I2C-SDA-TUNER 8 ATV_RF_AGC 9 VIFM 9 VIFP 9 SIFP 9 SIFM 9 AUOUTR0 7 TURN_RIGHT 16 USB1_DP 13 USB2_DM 13 USB2_DP 13 USB1_DM 13 AUOUTL0 7 MIC_DET1 7 TV-Rin 9 TV-Lin 9 System-RST_NF 7 MIC_DET2 14 DEMOD_RST# 8 �� �� �� �� � � ��� � � � � � � ���� ���� �� �� �� �� �� �� � � � � KONKA <��> <��> <��> <���> <��> 02. MST6I98_BGA_1 18 2 �� �� �� �� � � ��� � � � � � � ���� ���� �� �� �� �� �� �� � � � � KONKA <��> <��> <��> <���> <��> 02. MST6I98_BGA_1 18 2 �� �� �� �� � � ��� � � � � � � ���� ���� �� �� �� �� �� �� � � � � KONKA <��> <��> <��> <���> <��> 02. MST6I98_BGA_1 18 2 System XTAL gnd�agnd�� GPIO PULL-UP ���������� ����� EEPROM I2C address at A0 EEPROM KEY I2C address at A8 MIPS E-JTAG #1 VGA YPbPr1 JTAG ADD for LAN ID YPbPr2 SPI Flash Debug port AV AUCOM RTC RTC NC FOR READY MAC I2C address at A2 Close to IC with width trace Close to chip I2C / UART 4'h0 4'h1 4'h2 4'h3 4'h4 4'h5 4'h6 4'h7 4'h8 4'h9 4'ha 4'hb 4'hc // CHIP Config {I2S_OUT_SD} Boot from SPI flash 1'b0 Boot from NOR flash 1'b1 {I2S_OUT_BCK, I2S_OUT_MCK, PAD_PWM1, PAD_PWM0} B51_no_EJ B51_EJ1 B51_EJ2 MIPS_no_EJ_NOR8 MIPS_EJ1_NOR8 MIPS_EJ2_NOR8 MIPS_no_EJ_NOR16 MIPS_EJ1_NOR16 MIPS_EJ2_NOR16 SBUS0 DBUS0 B51_Secure_no_scramble B51_Secure_scramble Mode Selection RESET LED_IR_KEY AC POWER CUT DETECT R461 100R/NC R461 100R/NC R538 100R R538 100R R419 10K/NC R419 10K/NC R508 100R R508 100R R406 10K R406 10K R543 6.8K R543 6.8K R565 0R R565 0R C465 NC/22pF C465 NC/22pF R523 4.7k R523 4.7k R443 4.7K R443 4.7K R469 0R R469 0R R529 0R R529 0R 7 5 3 1 8 6 4 2 R5304 33R/NC 7 5 3 1 8 6 4 2 R5304 33R/NC R564 0R R564 0R R551 33R R551 33R C476 15nF C476 15nF R557 100R R557 100R C463 0.1uF C463 0.1uF R498 33R R498 33R R521 NC/4.7K R521 NC/4.7K R492 100R R492 100R R432 4.7K R432 4.7K R589 3.3K 1% R589 3.3K 1% R576 22R R576 22R C460 22pF C460 22pF R520 100R R520 100R 1 3 2 V504 3906 V504 3906 R418 10K/NC R418 10K/NC R502 33R R502 33R R533 NC/470R R533 NC/470R R526 0R R526 0R R522 100R R522 100R R454 100R R454 100R C451 NC C451 NC 1 3 2 V503 3906 V503 3906 R585 100R R585 100R R426 NC R426 NC R435 100R R435 100R R537 NC/10K R537 NC/10K C475 0.1uF C475 0.1uF R442 100R R442 100R R436 0R R436 0R Z501 XTAL-24MHz Z501 XTAL-24MHz R553 22K R553 22K R593 100R R593 100R R590 10K R590 10K C466 NC/22pF C466 NC/22pF R5299 100R R5299 100R R578 33R R578 33R R500 4.7K R500 4.7K R457 100R R457 100R R412 10K R412 10K C458 1uF C458 1uF AUL0 R4 AUR0 T6 AUL1 T4 AUR1 T5 AUL2 U6 AUR2 U5 AUL3 V6 AUR3 V5 AUL4 V4 AUR4 W6 AUOUTL0 AB5 AUOUTR0 AB6 EARPHONE_OUTR AA1 EARPHONE_OUTL AA2 AUCOM AA6 AUVAG AC4 AUVRP AC3 AUVRM AB4 SPDIF_IN/GPIO145 AB10 SPDIF_OUT/GPIO178 Y5 I2S_IN_WS/GPIO174 A3 I2S_IN_BCK/GPIO175 AA9 I2S_IN_SD/GPIO176 D4 I2S_OUT_WS/GPIO180 Y8 I2S_OUT_MCK W8 I2S_OUT_BCK AA8 I2S_OUT_SD AB8 AUOUTR2 AB7 AUOUTL2 AA7 MICIN W5 MICCM W4 MIC_DETIN Y4 AUDIO Line-In MIC-Phone Line-Out I2S-In I2S-Out SPDIF N501C MST6990JX_BGA20.2x20.2 AUDIO Line-In MIC-Phone Line-Out I2S-In I2S-Out SPDIF N501C MST6990JX_BGA20.2x20.2 R444 100R R444 100R 3 1 2 V502 NC/2N7002 KON-SOT-23 V502 NC/2N7002 KON-SOT-23 7 5 3 1 8 6 4 2 R471 33R/NC 7 5 3 1 8 6 4 2 R471 33R/NC 3 1 2 VD501 BAV99 VD501 BAV99 R550 33R R550 33R R568 33R R568 33R R489 0R R489 0R R450 4.7K R450 4.7K R462 100R/NC R462 100R/NC R580 33R R580 33R C478 1nF C478 1nF C480 NC C480 NC R516 100R/NC R516 100R/NC 1 3 2 V507 MMBT3906 V507 MMBT3906 R425 10K R425 10K XI 1 XO 2 INT 3 Vss 4 SDA 5 SCL 6 CLK 7 VCC 8 N504 PCA8563T N504 PCA8563T L501 FB L501 FB R539 4.7K R539 4.7K 1 2 VD502 1N4148 VD502 1N4148 R592 100R R592 100R R560 NC/1K R560 NC/1K A0 1 A1 2 A2 3 GND 4 SDA 5 SCL 6 WP 7 VCC 8 N500 24C04 N500 24C04 C474 15nF C474 15nF R446 100R R446 100R R405 10K R405 10K R453 NC R453 NC R467 4K7 R467 4K7 R587 NC R587 NC R474 100R R474 100R R495 100R R495 100R R465 100R R465 100R R506 0R R506 0R R484 10K R484 10K R546 22K R546 22K R528 NC/0R R528 NC/0R R493 1M R493 1M R692 0R/NC R692 0R/NC R447 100R R447 100R R552 100R R552 100R R548 1K R548 1K R407 10K R407 10K 7 5 3 1 8 6 4 2 R488 33R/NC 7 5 3 1 8 6 4 2 R488 33R/NC R532 22K R532 22K 1 2 3 V500 3904 V500 3904 C462 100pF C462 100pF R437 100R R437 100R R410 10K R410 10K R507 NC/100K R507 NC/100K C487 0.1uF C487 0.1uF 7 5 3 1 8 6 4 2 R487 33R/NC 7 5 3 1 8 6 4 2 R487 33R/NC R400 0 R400 0 R527 470R R527 470R R586 47K R586 47K C455 22pF C455 22pF R434 4.7K R434 4.7K C483 15nF C483 15nF R561 1K R561 1K 7 5 3 1 8 6 4 2 R5300 33R/NC 7 5 3 1 8 6 4 2 R5300 33R/NC R497 4.7K R497 4.7K R417 10K/NC R417 10K/NC R491 4K7/NC R491 4K7/NC C457 0.1uF C457 0.1uF R427 100R R427 100R R408 10K R408 10K R440 100R R440 100R R540 4.7K R540 4.7K R463 100R/NC R463 100R/NC 1 2 3 4 5 XS503 D2006-5A XS503 D2006-5A R401 10K R401 10K 7 5 3 1 8 6 4 2 R475 33R/NC 7 5 3 1 8 6 4 2 R475 33R/NC C488 10uF C488 10uF 7 5 3 1 8 6 4 2 R481 33R/NC 7 5 3 1 8 6 4 2 R481 33R/NC R545 10K R545 10K R525 10K R525 10K C479 NC C479 NC R515 75R R515 75R R415 10K/NC R415 10K/NC 7 5 3 1 8 6 4 2 R482 33R/NC 7 5 3 1 8 6 4 2 R482 33R/NC R416 10K/NC R416 10K/NC R479 100R R479 100R 7 5 3 1 8 6 4 2 R5302 33R/NC 7 5 3 1 8 6 4 2 R5302 33R/NC R439 100R R439 100R 7 5 3 1 8 6 4 2 R5306 33R/NC 7 5 3 1 8 6 4 2 R5306 33R/NC R429 100R R429 100R R433 NC R433 NC C472 100nF C472 100nF R428 4.7K R428 4.7K R477 10K R477 10K R588 NC R588 NC R577 33R R577 33R R468 100R/NC R468 100R/NC 3 1 2 V501 NC/2N7002 KON-SOT-23 V501 NC/2N7002 KON-SOT-23 R478 1K R478 1K R544 100R R544 100R R547 33R R547 33R R574 33R R574 33R R579 0R R579 0R R459 100R R459 100R C452 22pF C452 22pF 7 5 3 1 8 6 4 2 R470 33R/NC 7 5 3 1 8 6 4 2 R470 33R/NC 7 5 3 1 8 6 4 2 R5305 33R/NC 7 5 3 1 8 6 4 2 R5305 33R/NC R575 NC R575 NC C486 10uF/16V C486 10uF/16V GPIO_PM[10]/SPI_CS2 E5 GPIO_PM[1]/UART1_TX W9 GPIO_PM[12] F5 GPIO_PM[6]/SPI_CSZ1 D5 GPIO_PM[5]/UART1_RX Y9 GPIO_PM[0]/INT0 E4 GPIO_PM[4]/POWER_ON/OFF D8 TESTPIN D12 RESET N4 XTALO AB1 XTALI AB2 SPI_DI B5 SPI_DO B6 SPI_CSZ0 C7 SPI_CK C6 USB0_DP B4 USB0_DM A4 USB1_DP AD10 USB1_DM AC10 SAR0 G5 SAR1 G4 SAR2 F4 SAR3 H6 IRIN H5 PWM0 AC25 PWM1 AC24 PWM2 AC23 R1_RXOC+ AE22 R0_RXOC- AD22 R3_RXO2+ AE23 R2_RXO2- AD23 R5_RXO1+ AE24 R4_RXO1- AD24 R7_RXO0+ AE25 R6_RXO0- AD25 G1_RXE1+ AD19 G0_RXE1- AE19 G3_RXE0+ AC20 G2_RXE0- AE20 G5_RXO4+ AD20 G4_RXO4- AC21 G7_RXO3+ AD21 G6_RXO3- AC22 B1_RXE4+ AD16 B0_RXE4- AE16 B3_RXE3+ AC17 B2_RXE3- AE17 B5_RXEC+ AD17 B4_RXEC- AC18 B7_RXE2+ AD18 B6_RXE2- AC19 DDCR_CK AA22 DDCR_DA Y22 DDCA_CLK M4 DDCA_DA N6 UART_TX2/GPIO149 Y10 UART_RX2/GPIO147 AA10 GND_EFUSE G12 PWM3 AB22 GPIO_PM[8] C5 SAR4 A5 SAR PWM USB SPI Flash Crystal MI2C UART LVDS N501E MST6990JX_BGA20.2x20.2 SAR PWM USB SPI Flash Crystal MI2C UART LVDS N501E MST6990JX_BGA20.2x20.2 R496 10K/1% R496 10K/1% R431 4.7K R431 4.7K R591 4.7K R591 4.7K R567 47K R567 47K R464 100R/NC R464 100R/NC R456 100R R456 100R R409 10K R409 10K R556 100R R556 100R 1 2 3 4 XS504 D2006-4A XS504 D2006-4A R420 10K/NC R420 10K/NC R571 4.7K R571 4.7K R403 10K R403 10K 1 2 3 V505 3904 V505 3904 R512 4.7K/NC R512 4.7K/NC R536 0R R536 0R C481 NC C481 NC A0 1 A1 2 A2 3 GND 4 SDA 5 SCL 6 WP 7 VCC 8 N507 24C64 N507 24C64 R505 33R R505 33R C485 0.1u C485 0.1u R542 22K R542 22K R494 100R R494 100R RF1 1 NC 2 NC 3 RF2 4 EXT_CLK 5 VDD33 6 CF 7 VSS 8 N511 MSR3210 N511 MSR3210 C468 0.1uF C468 0.1uF C471 15nF C471 15nF R490 4K7/NC R490 4K7/NC R499 100R R499 100R 7 5 3 1 8 6 4 2 R476 33R/NC 7 5 3 1 8 6 4 2 R476 33R/NC R573 910R 1% R573 910R 1% 1 1 3 3 5 5 7 7 9 9 2 2 4 4 6 6 8 8 10 10 12 12 11 11 XS644 2006 6x2 XS644 2006 6x2 R424 3.3K R424 3.3K R524 NC/470R R524 NC/470R + C454 0.22F/5.5V Supercap + C454 0.22F/5.5V Supercap R549 33R R549 33R C464 0.1uF C464 0.1uF R570 10K R570 10K R530 4.7K R530 4.7K R581 10K R581 10K R451 100R R451 100R R466 4K7 R466 4K7 A0 1 A1 2 A2 3 GND 4 SDA 5 SCL 6 WP 7 VCC 8 N509 24C04 N509 24C04 7 5 3 1 8 6 4 2 R483 33R/NC 7 5 3 1 8 6 4 2 R483 33R/NC R569 4.7K R569 4.7K R558 NC/100R R558 NC/100R R455 4.7K R455 4.7K R402 10K R402 10K C459 4.7uF C459 4.7uF R572 4.7k R572 4.7k C473 2.2uF C473 2.2uF R430 100R R430 100R R413 10K R413 10K C470 0.1uF C470 0.1uF R486 330R R486 330R R501 NC R501 NC ET_TXD0/GPIO167 E7 ET_TXD1/GPIO166 F7 ET_CRS/GPIO165 F8 ET_TXEN/GPIO168 F6 ET_REFCLK/GPIO169 G6 ET_RXD0/GPIO170 D6 ET_RXD1/GPIO171 E6 ET_MDC/GPIO172 D7 TS0_D0/GPIO77 P19 TS0_VLD/GPIO85 T20 TS0_SYNC/GPIO86 R19 TS0_CLK/GPIO87 U19 NAND_WPZ/PF_AD15/GPIO136 AC12 NAND_WEZ/PF_WEZ/GPIO140 AD11 NAND_RBZ/PF_RBZ/GPIO142 AE10 NAND_ALE/PF_ALE/GPIO141 AE11 NAND_CEZ/PF_CE0Z/GPIO137 AC11 NAND_CLE/PF_CE1Z/GPIO138 AB11 NAND_REZ/PF_OEZ/GPIO139 Y11 ET_MDIO/GPIO173 E8 DIFP AD1 DIFM AE1 VIFP AE2 VIFM AD2 SIFP AD3 SIFM AE3 IF_AGC AC5 RFAGC/TAGC AE5 TUNER_SDA/TGPIO3 AD4 TUNER_SCL/TGPIO2 AE4 TS0_D1/GPIO78 P21 TS0_D2/GPIO79 P22 TS0_D3/GPIO80 Y12 TS0_D4/GPIO81 AA13 TS0_D5/GPIO82 AB14 TS0_D6/GPIO83 AA15 TS0_D7/GPIO84 AC15 TS1_CLK/GPIO98 W19 TS1_VLD/GPIO96 AA21 TS1_SYNC/GPIO97 AA18 TS1_D0/GPIO88 Y18 TS1_D1/GPIO89 AA19 TS1_D2/GPIO90 AA20 TS1_D3/GPIO91 Y19 TS1_D4/GPIO92 Y21 TS1_D5/GPIO93 W20 TS1_D6/GPIO94 V20 TS1_D7/GPIO95 W21 PCMDATA[0]/CI_DATA[0]/GPIO126 R20 PCMDATA[1]/CI_DATA[1]/GPIO127 P20 PCMDATA[2]/CI_DATA[2]/GPIO128 N20 PCMDATA[3]/CI_DATA[3]/GPIO120 AA11 PCMDATA[6]/CI_DATA[6]/GPIO117 Y14 PCMDATA[7]/CI_DATA[7]/GPIO116 AA14 PCMDATA[5]/CI_DATA[5]/GPIO118 Y13 PCMDATA[4]/CI_DATA[4]/GPIO119 AA12 PCMADR[0]/CI_A[0]/NAND_D0/GPIO125 AD14 PCMADR[1]/CI_A[1]/NAND_D1/GPIO124 AE14 PCMADR[2]/CI_A[2]/NAND_D2/GPIO122 AC14 PCMADR[3]/CI_A[3]/NAND_D3/GPIO121 AB13 PCMADR[4]/CI_A[4]/NAND_D4/GPIO99 AD13 PCMADR[5]/CI_A[5]/NAND_D5/GPIO101 AE13 PCMADR[6]/CI_A[6]/NAND_D6/GPIO102 AC13 PCMADR[7]/CI_A[7]/NAND_D7/GPIO103 AD12 PCMADR[8]/CI_A[8]/GPIO108 AB17 PCMADR[9]/CI_A[9]/GPIO110 AB16 PCMADR[10]/CI_A[10]/GPIO114 AD15 PCMADR[11]/CI_A[11]/GPIO112 Y16 PCMADR[12]/CI_A[12]/GPIO104 V19 PCMADR[13]/CI_A[13]/GPIO107 Y17 PCMADR[14]/CI_A[14]/GPIO106 AB19 CI_CD_N/GPIO130 N21 PCM_REG_N/CI_CLK/GPIO123 T19 CI_RST/GPIO129 U21 PCM_IRQA_N/CI_INT/GPIO105 Y20 PCM_OE_N/GPIO113 AC16 PCM_IORD_N/CI_RD/GPIO111 AA16 PCM_IOWR_N/CI_WR/GPIO109 AA17 PCM_CE_N/CI_CS/GPIO115 Y15 PCM_WE_N AB20 PCM_WAIT_N/CI_WACK/GPIO100 U20 VSYNC/TGPIO0 AC1 100BASE-TX Ethernet Parallel TS (IN) Front-End NAND FLASH Parallel TS (IN/OUT) PCMCIA N501D MST6990JX_BGA20.2x20.2 100BASE-TX Ethernet Parallel TS (IN) Front-End NAND FLASH Parallel TS (IN/OUT) PCMCIA N501D MST6990JX_BGA20.2x20.2 R518 100R R518 100R R441 NC R441 NC R449 100R/NC R449 100R/NC R584 100R R584 100R R414 10K R414 10K R509 47R R509 47R R485 100R R485 100R 7 5 3 1 8 6 4 2 R480 33R/NC 7 5 3 1 8 6 4 2 R480 33R/NC C477 22nF C477 22nF C453 NC C453 NC L500 33000847 L500 33000847 C469 0.1uF C469 0.1uF C461 10nF C461 10nF R563 0R/NC R563 0R/NC C450 0.1u C450 0.1u R438 100R R438 100R Z500 32.768KHz Z500 32.768KHz 7 5 3 1 8 6 4 2 R472 33R/NC 7 5 3 1 8 6 4 2 R472 33R/NC HOLD 1 VCC 2 NC1 3 NC2 4 NC3 5 NC4 6 SO16-CS 7 DO 8 WP/Vpp 9 VSS 10 NC5 11 NC6 12 NC7 13 NC8 14 DI 15 CLK 16 SOP8-CS 17 SOP8-DO 18 SOP8-WP/Vpp 19 VSS 20 SOP8-DI 21 SOP8-CLK 22 SOP8-HOLD 23 SOP8-VCC 24 SOIC8 208mil N510 MX25F40 SOIC8 208mil N510 MX25F40 R566 33R R566 33R R534 10K R534 10K C482 NC C482 NC R423 33R R423 33R C467 0.1uF C467 0.1uF R511 47R R511 47R R554 4.7K R554 4.7K R583 100R R583 100R R458 100R/NC R458 100R/NC R517 NC/0R R517 NC/0R 3 2 1 V506 BAV99 V506 BAV99 R504 NC/1K R504 NC/1K VDD 3 RESET 2 GND 1 N508 APX809-2.93V N508 APX809-2.93V R582 33R R582 33R R5265 4.7K/NC R5265 4.7K/NC R452 100R R452 100R C484 0.1u C484 0.1u R541 100R R541 100R R460 100R/NC R460 100R/NC 1 2 VD500 1N4148 VD500 1N4148 R404 10K R404 10K R411 10K R411 10K 7 5 3 1 8 6 4 2 R473 33R/NC 7 5 3 1 8 6 4 2 R473 33R/NC R445 100R R445 100R R559 NC/100R R559 NC/100R 7 5 3 1 8 6 4 2 R5301 33R/NC 7 5 3 1 8 6 4 2 R5301 33R/NC R421 10K R421 10K R555 100 R555 100 R510 NC/4.7K R510 NC/4.7K R514 100R/NC R514 100R/NC R535 4.7k R535 4.7k R513 4.7K/NC R513 4.7K/NC R448 NC R448 NC R531 100R R531 100R R422 10K R422 10K 1 TP500 TP500 R562 NC/47K R562 NC/47K R503 33R R503 33R 1 3 4 2 5 6 7 8 9 11 10 12 13 14 XS505 JTAG XS505 JTAG C456 10uF/16V C456 10uF/16V PDF ��� "PDF ����" ����� ����� � 5 5 4 4 3 3 2 2 1 1 D D C C B B A A B-MADR10 B-MADR1 A_MDATA11 A_MDATA8 A_MDATA3 A_MDATA4 A_MDATA13 A_MDATA10 A_MDATA12 A_MDATA6 A_MDATA1 A_MDATA7 A_MDATA0 A_MDATA14 HDMI3-HPDIN HDMI3-CLKN A_MDATA9 A_MDATA2 A_MDATA5 A_MDATA15 HDMI3-RX1P HDMI3-RX2N HDMI3-RX1N B_MWEZ B-MCASZ B_MBADR0 B_MCKE B-MRESETZ B_MRESETZ HDMI3-RX2P HDMI3-RX0P HDMI3-RX0N HDMI3-CLKP HDMI3-SCL HDMI3-SDA A-MBADR2 B-MBADR[2:0] B-MWEZ B-MCKE B-MODT B_MADR13 B-MBADR2 A-MADR5 A-MADR13 A-MADR8 B_MADR12 A_MWEZ A_MCASZ A_MRASZ B-MRESETZ A_MCLK+ A-MBADR0 B_MADR11 A_MBADR0 A_MADR9 A_MADR7 A_MBADR2 B-MRASZ B-MADR7 B-MADR13 B-MADR5 B_MADR1 A_MCKE A-MADR11 B-MADR3 B-MADR4 A_MDQSL A_MDQSLZ A_MDQMU A_MDQSU A_MDQSUZ B_MADR2 A_MBADR1 A_MBADR0 A_MBADR2 A-MADR0 A-MADR2 A-MRESETZ B_MBADR1 B_MDQMU B_MDQSL B_MDQSU B_MDQSUZ B_MDQSLZ B_MDQML A-MBADR1 A-MADR4 A_MDQML B-MBADR0 B-MCKE B-MADR8 B_MADR8 B_MRASZ A-MODT A_MADR13 A_MRASZ A-MADR[13:0] B_MODT B-MODT A-MBADR[2:0] A_MADR1 A_MADR6 A_MCLK- A-MADR6 B-MADR12 B-MWEZ A-MADR9 B-MADR[13:0] A_MADR8 B_MCLK+ A_MWEZ A_MADR3 A_MCASZ B_MADR9 A_MCLK+ A_MCLK- A_MDATA[15:0] B_MADR5 B_MADR3 B_MADR7 B_MADR12 B_MADR9 B_MADR6 B_MADR8 B_MADR11 B_MADR2 B_MADR4 B_MADR1 B_MADR10 B_MADR0 A-MADR12 B_MADR10 B-MADR0 B_MCASZ A_MCLK A-MADR7 B_MADR6 A-MCASZ B_MBADR2 A_MADR13 B_MDATA[15:0] B-MADR2 A_MADR5 A_MODT B-MBADR1 HDMI0-RX2P HDMI0-HPDIN HDMI0-CLKN HDMI0-RX1P HDMI0-RX2N HDMI0-RX1N HDMI0-RX0N HDMI0-RX0P HDMI0-CLKP HDMI0-SCL HDMI0-SDA HDMI3-HPDIN HDMI3-SCL HDMI3-SDA HDMI3-CLKP HDMI3-CLKN HDMI3-RX0P HDMI3-RX0N HDMI3-RX1P HDMI3-RX1N HDMI3-RX2P HDMI3-RX2N HDMI1-SCL HDMI1-SDA HDMI1-HPDIN HDMI1-CLKN HDMI1-RX1P HDMI1-RX2N HDMI1-RX1N HDMI1-RX2P HDMI1-RX0N HDMI1-RX0P HDMI1-CLKP HDMI2-HPDIN HDMI2-CLKN HDMI2-RX1P HDMI2-RX2N HDMI2-RX1N HDMI2-RX2P HDMI2-RX0N HDMI2-RX0P HDMI2-CLKP HDMI2-SCL HDMI2-SDA HDMI0-HPDIN HDMI0-SCL HDMI0-RX1N HDMI0-RX1P HDMI0-RX2N HDMI0-RX2P HDMI0-RX0N HDMI0-RX0P HDMI0-CLKN HDMI0-CLKP HDMI0-SDA VGA_HSYNC VGA_VSYNC HDMI-CEC HDMI1-HPDIN YPBPR2_Pr_IN+ RGB2_Pr+ RIN2 RGB2_Pb- RGB0_Pb- YPBPR1_Pb_IN+ RGB0_Pb+ BIN0 RGB0_Y+ RGB0_Y- GIN0M GIN0P RGB0_Y-SOG SOGIN0 YPBPR1_Y_IN+ YPBPR1_Pr_IN+ RGB0_Pr+ RIN0 RIN0M BIN0M RGB0_Pr- HDMI2-HPDIN TV_CVBS CVBS3 CVBS1 RIN1M SOGIN1 GIN1M GIN1P RGB1-SOGIN0 RGB1-GIN0P VGA_GIN+ RGB1-RIN0M HDMI1-SCL BIN1M RGB1-BIN0M RIN1 RGB1-RIN0 VGA_RIN+ AV1_CVBS0P CVBS_VCOM RGB1-GIN0M RGB1-BIN0 VGA_BIN+ BIN1 AV2_CVBS1P CVBS2 CVBS1P CVBS0P CVBS_OUT C1_CVBS7P VCOM0 HDMI1-RX1N HDMI1-CLKN HDMI1-CLKP HDMI1-RX0N HDMI1-RX2N HDMI1-RX2P HDMI1-RX1P HDMI1-RX0P RGB2_Y-SOG SOGIN2 YPBPR2_Y_IN+ RGB2_Y+ GIN2P RGB2_Y- GIN2M HDMI2-SCL HDMI2-SDA HDMI2-CLKP HDMI2-CLKN HDMI2-RX0P HDMI2-RX0N HDMI2-RX1P HDMI2-RX1N HDMI2-RX2P HDMI2-RX2N RIN2M HDMI-CEC BIN2M RGB2_Pb+ YPBPR2_Pb_IN+ BIN2 RGB2_Pr- HDMI1-SDA AVSS_PGA AVSS_PGA DVDD_NODIE_1.2V A_MCLKZ A_MCLK A_MDQSU A_MDQSUZ A_MDQML A_MDQSL A_MDQSLZ A_MDQMU A_MADR10 A_MADR12 A_MADR11 B_MCLK B_MRESETZ B_MADR7 A-MRASZ A-MWEZ B_MADR13 B_MADR5 B_MADR0 A-MADR10 B-MADR11 A_MCLKZ B_MADR3 A_MCKE A_MODT B_MADR4 B_MCLK- A-MRASZ A-MADR1 A_MADR11 A_MADR12 A_MADR9 A_MADR5 A_MADR10 A_MADR1 B_MDQSUZ B_MDQSU A_MADR3 A_MADR7 B_MDQSL B_MDQSLZ B_MCLK B_MCLKZ A_MADR6 A_MADR0 B_MDQMU B_MDQML B_MBADR2 B_MCKE B_MWEZ A_MADR2 A_MADR4 A_MADR8 B_MODT B_MCASZ B_MRASZ B_MBADR1 B_MBADR0 B_MDATA8 B_MDATA15 B_MDATA10 B_MDATA13 B_MDATA2 B_MDATA7 B_MDATA0 B_MDATA5 B_MDATA12 B_MDATA11 B_MDATA3 B_MDATA4 B_MDATA9 B_MDATA14 B_MDATA6 B_MDATA1 A-MCKE A_MRESETZ A-MRESETZ A_MBADR1 A_MADR4 B-MADR9 B-MRASZ B_MCLKZ A_MRESETZ A_MADR0 A_MADR2 B-MCASZ A-MWEZ A-MCASZ A-MADR3 B_MCLK+ B_MCLK- A-MCKE A-MODT B-MADR6 B_MCLK B_MCLKZ A_MCLK A_MCLKZ AVDD_AU_3.3V +1.5V_DDR3 VDDC VDDP 3.3Vstb 33V_Normal VDDP VDDC VCC1.2V +2.5V_MAINCHIP +2.5V_MAINCHIP +2.5V_Normal +2.5V_PGA +2.5V_PGA +2.5V_MAINCHIP VDDC VDDP 3.3Vstb +1.5V_DDR3 VCC1.2V HDMI3-RX0P 10 HDMI3-RX0N 10 HDMI3-RX1P 10 HDMI3-RX1N 10 HDMI3-RX2P 10 HDMI3-RX2N 10 HDMI3-CLKP 10 HDMI3-CLKN 10 HDMI3-HPDIN 10 HDMI3-SCL 10 A_MCLK+ 4 HDMI3-SDA 10 AV3_VIN 6 B_MDQSU 4 A-MRESETZ 4 B-MRASZ 4 HDMI4-RX0P 10 HDMI4-RX0N 10 HDMI4-RX1P 10 HDMI4-RX1N 10 HDMI4-RX2P 10 HDMI4-RX2N 10 HDMI4-CLKP 10 HDMI4-CLKN 10 HDMI4-HPDIN 10 HDMI4-SCL 10 HDMI4-SDA 10 AV2_VIN 6 CVBS_OUT 6 HDMI2-RX0P 10 HDMI2-RX0N 10 HDMI2-RX1P 10 HDMI2-RX1N 10 HDMI2-RX2P 10 HDMI2-RX2N 10 HDMI2-CLKP 10 HDMI2-CLKN 10 HDMI2-HPDIN 10 HDMI2-SCL 10 HDMI2-SDA 10 HDMI1-RX0P 10 HDMI1-RX0N 10 HDMI1-RX1P 10 HDMI1-RX1N 10 HDMI1-RX2P 10 HDMI1-RX2N 10 HDMI1-CLKP 10 HDMI1-CLKN 10 HDMI1-HPDIN 10 HDMI1-SCL 10 HDMI1-SDA 10 AV1_VIN 6 HDMI-CEC 10 YPBPR1_Pr_IN+ 6 YPBPR1_Y_IN+ 6 YPBPR1_Pb_IN+ 6 VGA_HSYNC 5 VGA_VSYNC 5 VGA_RIN+ 5 VGA_GIN+ 5 VGA_BIN+ 5 YPBPR2_Pr_IN+ 6 YPBPR2_Y_IN+ 6 YPBPR2_Pb_IN+ 6 A_MDQSUZ 4 B_MDQMU 4 A-MWEZ 4 B_MCLK+ 4 A_MDQSL 4 B-MRESETZ 4 A_MCLK- 4 B_MDQSUZ 4 A-MBADR[2:0] 4 B-MWEZ 4 A-MADR[13:0] 4 B_MDQSL 4 A-MCKE 4 B_MCLK- 4 A_MDQSLZ 4 B-MBADR[2:0] 4 A-MCASZ 4 B-MADR[13:0] 4 A_MDQML 4 B-MCKE 4 A_MDATA[15:0] 4 B_MDQSLZ 4 A-MODT 4 B-MCASZ 4 A_MDQSU 4 B_MDQML 4 A-MRASZ 4 B_MDATA[15:0] 4 A_MDQMU 4 B-MODT 4 ATV+ 9 �� �� �� �� � � ��� � � � � � � ���� ���� �� �� �� �� �� �� � � � � KONKA <��> <��> <��> <���> <��> 03. MST6I98_BGA_2 18 3 �� �� �� �� � � ��� � � � � � � ���� ���� �� �� �� �� �� �� � � � � KONKA <��> <��> <��> <���> <��> 03. MST6I98_BGA_2 18 3 �� �� �� �� � � ��� � � � � � � ���� ���� �� �� �� �� �� �� � � � � KONKA <��> <��> <��> <���> <��> 03. MST6I98_BGA_2 18 3 DDR3 MIU0 Damping Resistors DDR3 MIU1 Damping Resistors ATV- R5143 33R R5143 33R R5168 22R(Bottom) R5168 22R(Bottom) C496 1nF C496 1nF R5165 22R R5165 22R C518 47nF C518 47nF L504 FB 33000440 L504 FB 33000440 R5114 22R R5114 22R C533 10uF/16V C533 10uF/16V C543 100nF C543 100nF C515 47nF C515 47nF R5146 33R R5146 33R R5150 22R R5150 22R R5144 68R R5144 68R R5133 68R R5133 68R R5108 22R R5108 22R R5129 22R R5129 22R C514 47nF C514 47nF B_MADR0 C25 B_MADR1 E23 B_MADR2 D25 B_MADR3 Y24 B_MADR4 F24 B_MADR5 AA23 B_MADR6 F23 B_MADR7 AB23 B_MADR8 E24 B_MADR9 AB25 B_MADR10 G25 B_MADR11 D24 B_MADR12 F25 B_MCASZ W25 B_MRASZ W23 B_MWEZ Y23 B_MCKE J25 B_MODT H24 B_MBADR1 G24 B_MBADR0 Y25 B_MDQL0 V23 B_MDQL1 K24 B_MDQL2 U24 B_MDQL3 L24 B_MDQL4 V24 B_MDQL5 K23 B_MDQL6 W24 B_MDQL7 J24 B_MDQU0 M24 B_MDQU1 T24 B_MDQU2 L25 B_MDQU3 U23 B_MDQU4 R24 B_MDQU5 T25 B_MDQU6 P25 B_MDQU7 R25 B_MDQMU U25 B_MDQML L23 B_MDQSL P24 B_MDQSLZ N25 B_MDQSUZ M25 B_MDQSU N24 B_MCLKZ H25 B_MCLK J23 A_MADR0 B25 A_MADR1 A7 A_MADR2 B24 A_MADR3 B22 A_MADR4 B8 A_MADR5 C23 A_MADR6 A8 A_MADR7 A23 A_MADR8 C8 A_MADR9 C24 A_MADR10 C10 A_MADR11 B7 A_MADR12 C9 A_MCASZ A21 A_MRASZ A20 A_MWEZ B21 A_MCKE A11 A_MODT B10 A_MBADR1 B9 A_MBADR0 C22 A_MDQL0 C20 A_MDQL1 C13 A_MDQL2 B19 A_MDQL3 B13 A_MDQL4 B20 A_MDQL5 A12 A_MDQL6 C21 A_MDQL7 B12 A_MDQU0 B14 A_MDQU1 C18 A_MDQU2 C14 A_MDQU3 B18 A_MDQU4 B17 A_MDQU5 A18 A_MDQU6 A16 A_MDQU7 A17 A_MDQMU C19 A_MDQML A13 A_MDQSL B16 A_MDQSLZ A15 A_MDQSU B15 A_MDQSUZ C15 A_MCLKZ A10 A_MCLK B11 B_MBADR2 AA24 A_MBADR2 B23 MVREF D22 A_MADR13 A24 A_MRESETZ A25 B_MRESETZ D23 B_MADR13 AB24 DDR3 N501A MST6990JX_BGA20.2x20.2 DDR3 N501A MST6990JX_BGA20.2x20.2 R5120 22R R5120 22R C527 10uF/16V C527 10uF/16V C513 47nF C513 47nF C524 0.1uF C524 0.1uF R5138 33R R5138 33R R5167 22R(Bottom) R5167 22R(Bottom) R5140 33R R5140 33R C491 NC C491 NC R5123 33R R5123 33R R5111 22R R5111 22R C498 47nF C498 47nF C505 47nF C505 47nF R5149 22R R5149 22R R5166 22R(Bottom) R5166 22R(Bottom) R5131 68R R5131 68R R5162 22R(Bottom) R5162 22R(Bottom) R5170 22R R5170 22R R5127 22R(Bottom) R5127 22R(Bottom) C538 10uF/0805 C538 10uF/0805 C520 47nF C520 47nF R5171 22R R5171 22R R597 22R R597 22R C536 0.1uF C536 0.1uF C523 0.1uF C523 0.1uF L503 FB_3A L503 FB_3A C493 47nF C493 47nF C516 47nF C516 47nF C521 NC C521 NC R5122 22R R5122 22R C508 47nF C508 47nF C506 47nF C506 47nF R5102 22R R5102 22R R5112 22R R5112 22R C531 0.1uF C531 0.1uF L505 FB L505 FB R5137 68R R5137 68R R5261 56R R5261 56R R5139 68R R5139 68R R5136 33R R5136 33R R5132 33R R5132 33R C539 100nF C539 100nF R5128 68R R5128 68R R5100 22R R5100 22R C502 47nF C502 47nF C494 47nF C494 47nF R5262 56R R5262 56R R5124 22R R5124 22R R5153 22R(Bottom) R5153 22R(Bottom) R5135 68R R5135 68R C534 0.1uF C534 0.1uF R5158 22R R5158 22R R598 22R R598 22R C495 47nF C495 47nF R594 0R R594 0R R5147 33R R5147 33R C532 2.2uF C532 2.2uF R595 0R R595 0R C489 2.2uF C489 2.2uF R5115 22R(Bottom) R5115 22R(Bottom) RXACKP G2 RXACKN G1 RXA0P H2 RXA0N G3 RXA1P J2 RXA1N H3 RXA2P J3 RXA2N J1 DDCDA_DA M6 DDCDA_CK L5 HOTPLUGA M5 RXBCKP D2 RXBCKN D1 RXB0P E2 RXB0N D3 RXB1P F2 RXB1N E3 RXB2P F3 RXB2N F1 DDCDB_DA K5 DDCDB_CK K4 HOTPLUGB L6 RXCCKP AD7 RXCCKN AC7 RXC0P AC8 RXC0N AE7 RXC1P AD8 RXC1N AE8 RXC2P AD9 RXC2N AC9 DDCDC_DA AD6 DDCDC_CK AC6 HOTPLUGC AD5 HSYNC0 N5 VSYNC0 P6 BIN0P K3 GIN0P M2 SOGIN0 L3 GIN0M M1 HSYNC1 P5 VSYNC1 R6 RIN1P P3 GIN1P N3 BIN1P M3 SOGIN1 N2 RIN2P R1 GIN2P T2 BIN2P U2 SOGIN2 T1 CVBS1P Y2 Y0(CVBS2P) V3 C0(CVBS3P) V1 Y1(CVBS4P) V2 C1(CVBS5P) W3 CVBS0P Y3 VCOM W1 CVBS_OUT W2 CVBS_OUT1 AA3 CEC J6 GIN1M P2 RIN0P K1 HSYNC2 R5 GIN2M T3 HOTPLUGD K6 DDCDD_CK J5 DDCDD_DA J4 RXDCKP A2 RXDCKN B3 RXD0P B2 RXD0N A1 RXD1P C2 RXD1N B1 RXD2P C3 RXD2N C1 RIN0M K2 BIN0M L2 RIN1M R2 BIN1M N1 RIN2M R3 BIN2M U3 HDMI RGB CVBS_IN S-Video CVBS_OUT N501B MST6990JX_BGA20.2x20.2 HDMI RGB CVBS_IN S-Video CVBS_OUT N501B MST6990JX_BGA20.2x20.2 R5145 33R R5145 33R R5101 22R R5101 22R C535 0.1uF C535 0.1uF C517 47nF C517 47nF R5264 56R R5264 56R R5156 22R R5156 22R R5161 22R(Bottom) R5161 22R(Bottom) C519 47nF C519 47nF C501 47nF C501 47nF R5151 22R(Bottom) R5151 22R(Bottom) R5159 22R(Bottom) R5159 22R(Bottom) R5116 22R(Bottom) R5116 22R(Bottom) C537 0.1uF C537 0.1uF C579 10nF C579 10nF R5103 22R(Bottom) R5103 22R(Bottom) C503 47nF C503 47nF R5142 33R R5142 33R R5263 56R R5263 56R R5157 22R R5157 22R C492 47nF C492 47nF R5152 22R(Bottom) R5152 22R(Bottom) R5169 22R R5169 22R C500 47nF C500 47nF C525 0.1uF C525 0.1uF L507 FB_33000440 L507 FB_33000440 R5110 22R R5110 22R R5163 22R R5163 22R R5105 22R(Bottom) R5105 22R(Bottom) C511 1nF C511 1nF C499 2.2uF C499 2.2uF R5125 68R R5125 68R C541 100nF C541 100nF C510 47nF C510 47nF R599 22R R599 22R C509 47nF C509 47nF R5117 22R(Bottom) R5117 22R(Bottom) C507 47nF C507 47nF R5109 22R R5109 22R R5106 22R(Bottom) R5106 22R(Bottom) R596 0R R596 0R R5155 22R R5155 22R C512 47nF C512 47nF R5154 22R(Bottom) R5154 22R(Bottom) C522 10uF/16V C522 10uF/16V R5160 22R(Bottom) R5160 22R(Bottom) C580 10nF C580 10nF L502 FB L502 FB R5121 68R R5121 68R R5148 33R R5148 33R AVDD_AU_3.3V J15 AVDD_ADC_3.3V L9 VDDP_3.3V F18 VDDP_3.3V G17 GND AC2 GND AB3 GND AA4 GND AA5 GND R7 GND U7 GND V7 GND W7 GND Y7 GND K11 GND M11 GND N11 GND R11 GND T11 GND V11 AVDD_MEMPLL_LPLL_3.3V E18 AVDD_DDR_1.8V F21 AVDD_DDR_1.8V F22 AVDD_DDR_1.8V G23 AVDD_DDR_1.8V G22 GND H12 GND J12 GND R12 GND T12 GND F12 AVDD_DDR_1.8V E21 GND M12 GND N12 GND P12 GND V12 GND D13 GND E13 GND K12 GND L12 VDDC_1.2V H19 VDDC_1.2V J17 VDDC_1.2V H18 VDDC_1.2V G20 VDDC_1.2V E20 VDDC_1.2V J16 AVDD_DDR_1.8V H22 AVDD_DDR_1.8V H23 GND U12 AVDD_DDR_1.8V E22 AVDD_DMPLL_3.3V L10 AVDD_ADC_2.5V N8 AVDD_PGA_2.5V M9 AVDD_DVI_NODIE_3.3V H11 GND F13 GND H13 GND J13 GND K13 GND L13 GND M13 GND R13 GND G14 GND H14 GND J14 AVDD_AU_2.5V P9 AVDD_REF_DEMOD_2.5V N9 AVDD_EAR_3.3V H16 AVDD_DVI_NODIE_3.3V J10 DVDD_NODIE_1.2V E12 GND T7 GND G13 GND T13 VDDC_1.2V K15 VDDC_1.2V K16 VDDC_1.2V G18 VDDC_1.2V G19 VDDC_1.2V F19 VDDC_1.2V F20 VDDC_1.2V E19 AVDD1P2_1.2V L15 DVDD_1.2V H20 GND L11 GND P11 GND U11 GND U13 GND V13 GND D14 GND E14 GND F14 GND D15 GND K14 GND L14 AVDD_MOD_2.5V P10 GND N13 GND P13 GND M14 GND N14 GND P14 GND R14 GND T14 GND U14 GND V14 GND E15 GND F15 GND G15 GND H15 GND R15 GND T15 GND U15 GND V15 GND C16 GND D16 GND E16 GND G16 GND N16 GND P16 GND N17 GND M17 GND L17 GND K17 GND D17 GND C17 GND V16 GND U16 GND T16 GND R16 AVSS_PGA M10 DVDD_1.2V H17 AVDD_ADC_2.5V P8 GND L18 GND J18 GND R17 GND P17 GND T18 GND T17 GND U17 GND P18 GND V17 GND R18 GND M18 GND N18 GND K18 GND J19 GND L19 GND K19 GND U18 GND V18 GND M19 GND K20 GND J20 GND L20 GND M20 GND M21 GND K21 GND L21 GND J21 GND L22 GND K22 GND N22 GND M22 GND J22 GND N23 GND M23 GND F16 GND P15 GND N19 GND T8 GND U8 GND V8 GND T9 GND U9 GND V9 GND T10 GND U10 AVDD_DVI_NODIE_3.3V K10 AVDD_DVI_NODIE_3.3V K9 GND Y6 GND R8 GND R9 GND R10 GND V10 GND J11 GND M15 GND N15 GND L16 GND M16 GND E17 GND F17 Stand-by Power Normal Power N501F MST6990JX_BGA20.2x20.2 Stand-by Power Normal Power N501F MST6990JX_BGA20.2x20.2 C528 0.1uF C528 0.1uF R5104 22R(Bottom) R5104 22R(Bottom) R5126 33R R5126 33R R5141 68R R5141 68R R5164 22R R5164 22R C540 100nF C540 100nF C529 0.1uF C529 0.1uF C490 0.1uF C490 0.1uF R5119 33R R5119 33R C497 47nF C497 47nF R5107 22R R5107 22R R5118 22R(Bottom) R5118 22R(Bottom) R5134 33R R5134 33R R5113 22R R5113 22R C526 0.1uF C526 0.1uF C530 0.1uF C530 0.1uF C542 100nF C542 100nF R5130 33R R5130 33R C504 47nF C504 47nF PDF ��� "PDF ����" ����� ����� � 5 5 4 4 3 3 2 2 1 1 D D C C B B A A B-MADR13 B-MDATA4 B_UDQM B_LDQM B_UDQSM B_UDQSP B-MDATA9 B-MDATA11 B-MVREFDQ B-MDATA1 B-MDATA3 B_MDQSL B-MDATA5 B-MDATA7 B-MDATA13 B-MDATA15 B-MCKE B_LDQSP B_LDQSM B_MDQSLZ B-MRESETZ B-MADR3 B-MADR1 B-MADR7 B-MADR5 B-MBADR0 B-MADR12 B-MADR10 B-MADR9 B-MVREFCA B-MBADR1 B-MBADR2 B-MADR11 B-MADR8 B-MADR6 B-MADR2 B-MADR0 B-MODT B-MWEZ A-MDATA11 B-MCASZ B-MADR4 B-MRASZ A_MDATA7 A_MDATA1 A_MDATA3 A_MDATA5 B-MDATA7 B-MDATA3 B-MDATA1 A-MDATA9 A-MDATA3 B-MDATA5 A_MDATA13 A-MDATA14 A-MRESETZ A-MVREFCA B_MDATA9 B_MDATA15 B_MDATA14 B_MDATA12 A-MDATA15 A-MDATA13 A-MDATA1 A-MDATA11 B-MDATA10 A_MDATA14 A_MCLK+ A-MVREFDQ A-MDATA5 A-MDATA7 A-MDATA13 A_LDQM A_UDQSM A_UDQSP B-MDATA2 A-MCKE A_MCLK- A_MDQMU A_MDQML A_LDQSP A_UDQM A_LDQSM A_MDQSL A_MDQSUZ A_MDQSU A_MDQSLZ A-MVREFCA A-MADR11 A-MADR8 A-MADR6 A-MADR2 A-MADR0 A-MBADR2 A-MADR4 A-MBADR0 A-MADR7 A-MADR5 A-MADR3 A-MADR1 A-MRASZ A-MODT A-MBADR1 A-MADR12 A-MADR10 A-MADR9 A-MWEZ A-MCASZ A-MADR13 A-MRESETZ A_MDATA9 B-MDATA0 B-MDATA2 B-MDATA4 B-MDATA6 A-MDATA0 A-MDATA4 A-MDATA6 B-MDATA0 B-MDATA14 A-MDATA10 A-MDATA2 A-MVREFDQ B_MDATA10 B_MDATA8 A-MDATA9 B_MDATA1 B_MDQSUZ B_MDQSU B_MDATA5 B_MDATA7 B_MDATA3 B_MCLK- B_MCLK+ B-MWEZ B_MDATA[15:0] B-MADR[13:0] B_MDQML B_MDQMU B-MODT B-MRASZ B-MCASZ B-MCKE B_MDQSLZ B_MDQSL B-MVREFDQ A-MDATA6 B_MDATA4 B_MDATA6 B-MBADR[2:0] B_MDATA2 B_MDATA0 B-MDATA8 B-MDATA10 A_MDATA15 B-MDATA12 B_MCLK+ A-MDATA7 A-MDATA1 A-MDATA3 B-MVREFCA A-MDATA5 A-MDATA2 A-MDATA12 A-MDATA10 A-MDATA8 A-MDATA15 B_MCLK- B-MDATA8 A_MDATA12 A-MBADR[2:0] A-MCKE A_MCLK- A_MCLK+ A-MWEZ A_MDQML A_MDQMU A-MODT A-MCASZ A_MDATA[15:0] A_MDQSLZ A_MDQSL A_MDQSUZ A_MDQSU A-MADR[13:0] A_MDATA6 A_MDATA10 A_MDATA8 A_MDATA2 A_MDATA0 A_MDATA4 A-MDATA14 B-MDATA12 B-MDATA14 B-MDATA9 B-MDATA15 A-MDATA0 A-MDATA12 B-MDATA11 B-MDATA13 A-MRASZ B-MRESETZ A_MDATA11 B-MDATA6 A-MDATA8 A-MDATA4 B_MDATA11 B_MDATA13 B_MDQMU B_MDQML B_MDQSUZ B_MDQSU +1.5V_DDR3 1,3 +1.5V_DDR3 +1.5V_DDR3 +1.5V_DDR3 +1.5V_DDR3 +1.5V_DDR3 +1.5V_DDR3 +1.5V_DDR3 +1.5V_DDR3 B_MDATA[15:0] 3 B-MCASZ 3 A_MDQSL 3 A-MRESETZ 3 B-MRASZ 3 A_MDQSLZ 3 A-MADR[13:0] 3 B-MBADR[2:0] 3 A_MDQSU 3 A-MCKE 3 B-MODT 3 A_MDQSUZ 3 A-MWEZ 3 B_MDQML 3 B_MCLK+ 3 A_MDATA[15:0] 3 A-MCASZ 3 B_MDQMU 3 B_MCLK- 3 A-MRASZ 3 B_MDQSL 3 B-MRESETZ 3 A-MBADR[2:0] 3 B_MDQSLZ 3 B-MADR[13:0] 3 A-MODT 3 B_MDQSU 3 B-MCKE 3 A_MDQML 3 A_MCLK+ 3 B_MDQSUZ 3 B-MWEZ 3 A_MDQMU 3 A_MCLK- 3 �� �� �� �� � � ��� � � � � � � ���� �� �� �� �� �� �� �� �� � � � � KONKA <��> <��> <��> <���> <��> 04. DDR2_32Bit 18 4 �� �� �� �� � � ��� � � � � � � ���� �� �� �� �� �� �� �� �� � � � � KONKA <��> <��> <��> <���> <��> 04. DDR2_32Bit 18 4 �� �� �� �� � � ��� � � � � � � ���� �� �� �� �� �� �� �� �� � � � � KONKA <��> <��> <��> <���> <��> 04. DDR2_32Bit 18 4 For layout smooth DDR3_8Mx16x8Bank-FBGA96: Hynix_H5TQ1G63BFR-12C Nanya_NT5CB64M16AP-DG Elpida_EDJ1116DBSE-GN-F DDR3_8Mx16x8Bank-FBGA96: Hynix_H5TQ1G63BFR-12C Nanya_NT5CB64M16AP-DG Elpida_EDJ1116DBSE-GN-F 1st DDR3 Chip 2nd DDR3 Chip For layout smooth R5186 22R R5186 22R R5207 22R(Bottom) R5207 22R(Bottom) R5192 22R(Bottom) R5192 22R(Bottom) R5222 22R(Bottom) R5222 22R(Bottom) R5180 22R(Bottom) R5180 22R(Bottom) C560 100nF C560 100nF C553 100nF C553 100nF C567 100nF C567 100nF R5199 1K/1% R5199 1K/1% R5183 22R(Bottom) R5183 22R(Bottom) C565 100nF C565 100nF R5198 240R/1% R5198 240R/1% R5196 22R R5196 22R R5188 22R R5188 22R C551 100nF C551 100nF C559 10uF/0805 C559 10uF/0805 C575 10uF/0805 C575 10uF/0805 C545 100nF C545 100nF R5214 22R R5214 22R C548 100nF C548 100nF R5210 22R(Bottom) R5210 22R(Bottom) R5187 22R R5187 22R C554 100nF C554 100nF R5213 22R(Bottom) R5213 22R(Bottom) C566 100nF C566 100nF R5197 22R R5197 22R R5193 22R(Bottom) R5193 22R(Bottom) R5182 22R(Bottom) R5182 22R(Bottom) C574 100nF C574 100nF R5218 22R R5218 22R R5191 22R R5191 22R R5211 22R(Bottom) R5211 22R(Bottom) C547 100nF C547 100nF R5190 22R R5190 22R C549 100nF C549 100nF C571 100nF C571 100nF R5189 22R R5189 22R R5217 22R R5217 22R C573 100nF C573 100nF C572 100nF C572 100nF R5174 22R R5174 22R C555 100nF C555 100nF R5200 1K/1% R5200 1K/1% R5216 22R R5216 22R R5203 22R(Bottom) R5203 22R(Bottom) R5220 22R R5220 22R R5215 22R(Bottom) R5215 22R(Bottom) C546 100nF C546 100nF R5184 22R(Bottom) R5184 22R(Bottom) R5195 22R(Bottom) R5195 22R(Bottom) R5194 22R(Bottom) R5194 22R(Bottom) R5204 22R(Bottom) R5204 22R(Bottom) VDD R9 VDD N1 VDD N9 VDDQ C1 VDDQ C9 VDDQ F1 VDDQ H2 VDDQ H9 VDD K8 VDD G7 VDD D9 VDD B2 VDD R1 VDDQ E9 VDDQ D2 VDD K2 VDDQ A1 VDDQ A8 A0 N3 A1 P7 A2 P3 A3 N2 A4 P8 A5 P2 A6 R8 A7 R2 A8 T8 A9 R3 A10 L7 A11 R7 A12 N7 BA0 M2 BA1 N8 BA2 M3 CS L2 RAS J3 CAS K3 WE L3 ODT K1 VREFCA M8 NC1 J1 NC2 J9 NC3 L1 NC4 L9 NC5 M7 A13 T3 NC7 T7 ZQ L8 VSS T9 VSS T1 VSS P9 VSS P1 VSS M9 VSS M1 VSS J8 VSS J2 VSS G8 VSS E1 VSS A9 VSSQ G9 VSSQ G1 VSSQ F9 VSSQ E8 VSSQ E2 VSSQ D8 VSSQ D1 VSSQ B9 VSSQ B1 DMU D3 DQSU C7 DQSU B7 DQU0 D7 DQU1 C3 DQU2 C8 DQU3 C2 DQU4 A7 DQU5 A2 DQU6 B8 DQU7 A3 DML E7 DQSL F3 DQSL G3 DQL0 E3 DQL1 F7 DQL2 F2 DQL3 F8 DQL4 H3 DQL5 H8 DQL6 G2 DQL7 H7 VREFDQ H1 CK J7 CK K7 CKE K9 RESET T2 A B C D E F G H J K L M N P R 1 2 3 7 8 9 VDDQ DQU5 DQU7 VSSQ VDD VSS VDDQ DQU3 DQU1 VSSQ VDDQ DMU VSS VSSQ DQL0 VDDQ DQL2 DQSL VSSQ DQL6 DQSL# VREFDQ VDDQ DQL4 NC VSS RAS# VDD CAS# NC CS# WE# BA0 BA2 VDD A3 A0 A5 A2 VDD A7 A9 DQU4 VDDQ VSS DQSU# DQU6 VSSQ DQSU DQU2 VDDQ DQU0 VSSQ VDD DML VSSQ VDDQ DQL1 DQL3 VSSQ VDD VSS VSSQ DQL7 DQL5 VDDQ CK VSS NC CK# VDD CKE A10 ZQ NC VREFCA VSS A12 BA1 A1 A4 A11 A6 VSS ODT NC VSS VDD VSS VDD R VSS RST# NC NC A8 VSS N502 DDR3_1G A B C D E F G H J K L M N P R 1 2 3 7 8 9 VDDQ DQU5 DQU7 VSSQ VDD VSS VDDQ DQU3 DQU1 VSSQ VDDQ DMU VSS VSSQ DQL0 VDDQ DQL2 DQSL VSSQ DQL6 DQSL# VREFDQ VDDQ DQL4 NC VSS RAS# VDD CAS# NC CS# WE# BA0 BA2 VDD A3 A0 A5 A2 VDD A7 A9 DQU4 VDDQ VSS DQSU# DQU6 VSSQ DQSU DQU2 VDDQ DQU0 VSSQ VDD DML VSSQ VDDQ DQL1 DQL3 VSSQ VDD VSS VSSQ DQL7 DQL5 VDDQ CK VSS NC CK# VDD CKE A10 ZQ NC VREFCA VSS A12 BA1 A1 A4 A11 A6 VSS ODT NC VSS VDD VSS VDD R VSS RST# NC NC A8 VSS N502 DDR3_1G C558 100nF C558 100nF R5219 22R R5219 22R R5202 1K/1% R5202 1K/1% C557 100nF C557 100nF R5185 22R(Bottom) R5185 22R(Bottom) R5172 1K/1% R5172 1K/1% R5224 22R(Bottom) R5224 22R(Bottom) C544 100nF C544 100nF R5208 22R(Bottom) R5208 22R(Bottom) R5221 22R(Bottom) R5221 22R(Bottom) R5176 22R R5176 22R R5205 22R(Bottom) R5205 22R(Bottom) R5179 22R(Bottom) R5179 22R(Bottom) R5223 22R(Bottom) R5223 22R(Bottom) C562 100nF C562 100nF C569 100nF C569 100nF R5173 1K/1% R5173 1K/1% C561 100nF C561 100nF R5206 22R(Bottom) R5206 22R(Bottom) C570 100nF C570 100nF R5201 1K/1% R5201 1K/1% C550 100nF C550 100nF C564 100nF C564 100nF C552 100nF C552 100nF R5175 22R R5175 22R C568 100nF C568 100nF R5212 22R R5212 22R C556 100nF C556 100nF R5178 1K/1% R5178 1K/1% R5181 22R(Bottom) R5181 22R(Bottom) R5209 22R(Bottom) R5209 22R(Bottom) VDD R9 VDD N1 VDD N9 VDDQ C1 VDDQ C9 VDDQ F1 VDDQ H2 VDDQ H9 VDD K8 VDD G7 VDD D9 VDD B2 VDD R1 VDDQ E9 VDDQ D2 VDD K2 VDDQ A1 VDDQ A8 A0 N3 A1 P7 A2 P3 A3 N2 A4 P8 A5 P2 A6 R8 A7 R2 A8 T8 A9 R3 A10 L7 A11 R7 A12 N7 BA0 M2 BA1 N8 BA2 M3 CS L2 RAS J3 CAS K3 WE L3 ODT K1 VREFCA M8 NC1 J1 NC2 J9 NC3 L1 NC4 L9 NC5 M7 A13 T3 NC7 T7 ZQ L8 VSS T9 VSS T1 VSS P9 VSS P1 VSS M9 VSS M1 VSS J8 VSS J2 VSS G8 VSS E1 VSS A9 VSSQ G9 VSSQ G1 VSSQ F9 VSSQ E8 VSSQ E2 VSSQ D8 VSSQ D1 VSSQ B9 VSSQ B1 DMU D3 DQSU C7 DQSU B7 DQU0 D7 DQU1 C3 DQU2 C8 DQU3 C2 DQU4 A7 DQU5 A2 DQU6 B8 DQU7 A3 DML E7 DQSL F3 DQSL G3 DQL0 E3 DQL1 F7 DQL2 F2 DQL3 F8 DQL4 H3 DQL5 H8 DQL6 G2 DQL7 H7 VREFDQ H1 CK J7 CK K7 CKE K9 RESET T2 A B C D E F G H J K L M N P R 1 2 3 7 8 9 VDDQ DQU5 DQU7 VSSQ VDD VSS VDDQ DQU3 DQU1 VSSQ VDDQ DMU VSS VSSQ DQL0 VDDQ DQL2 DQSL VSSQ DQL6 DQSL# VREFDQ VDDQ DQL4 NC VSS RAS# VDD CAS# NC CS# WE# BA0 BA2 VDD A3 A0 A5 A2 VDD A7 A9 DQU4 VDDQ VSS DQSU# DQU6 VSSQ DQSU DQU2 VDDQ DQU0 VSSQ VDD DML VSSQ VDDQ DQL1 DQL3 VSSQ VDD VSS VSSQ DQL7 DQL5 VDDQ CK VSS NC CK# VDD CKE A10 ZQ NC VREFCA VSS A12 BA1 A1 A4 A11 A6 VSS ODT NC VSS VDD VSS VDD R VSS RST# NC NC A8 VSS N503 DDR3_1G A B C D E F G H J K L M N P R 1 2 3 7 8 9 VDDQ DQU5 DQU7 VSSQ VDD VSS VDDQ DQU3 DQU1 VSSQ VDDQ DMU VSS VSSQ DQL0 VDDQ DQL2 DQSL VSSQ DQL6 DQSL# VREFDQ VDDQ DQL4 NC VSS RAS# VDD CAS# NC CS# WE# BA0 BA2 VDD A3 A0 A5 A2 VDD A7 A9 DQU4 VDDQ VSS DQSU# DQU6 VSSQ DQSU DQU2 VDDQ DQU0 VSSQ VDD DML VSSQ VDDQ DQL1 DQL3 VSSQ VDD VSS VSSQ DQL7 DQL5 VDDQ CK VSS NC CK# VDD CKE A10 ZQ NC VREFCA VSS A12 BA1 A1 A4 A11 A6 VSS ODT NC VSS VDD VSS VDD R VSS RST# NC NC A8 VSS N503 DDR3_1G R5225 240R/1% R5225 240R/1% C563 100nF C563 100nF R5177 1K/1% R5177 1K/1% PDF ��� "PDF ����" ����� ����� � 5 5 4 4 3 3 2 2 1 1 D D C C B B A A VGA_HSYNC VGA_VSYNC VGA_HS VGA_VS DDC-SCL RGB1-VGA_B DDC-SDA DDC-SCL DDC-SDA RGB1_VGA-G RGB1-VGA_R UART-TX UART-RX VGA-5V VGA-5V 5VA VGA-5V VGA-5V UART-TX 2 UART-RX 2 VGA_HSYNC 3 VGA_VSYNC 3 VGA_BIN+ 3 VGA_GIN+ 3 VGA_RIN+ 3 �� �� �� �� � � ��� � � � � � � ���� ���� �� �� �� �� �� �� � � � � KONKA 05.VGA 18 5 �� �� �� �� � � ��� � � � � � � ���� ���� �� �� �� �� �� �� � � � � KONKA 05.VGA 18 5 �� �� �� �� � � ��� � � � � � � ���� ���� �� �� �� �� �� �� � � � � KONKA 05.VGA 18 5 R612 10K R612 10K 3 1 2 VD601 BAV99 VD601 BAV99 R613 4.7K R613 4.7K R607 10K R607 10K 5 10 4 9 3 8 2 7 1 15 14 13 12 11 6 16 17 XS605 VGA XS605 VGA R615 NC R615 NC R603 75R R603 75R R610 NC/100R R610 NC/100R R608 10K R608 10K NC 1 NC 2 NC 3 GND 4 SDA 5 SCL 6 VCLK 7 VCC 8 N600 24C02/NC N600 24C02/NC VD600 5.6V VD600 5.6V R604 510R R604 510R R614 4.7K R614 4.7K C601 0.1uF C601 0.1uF VD603 5.6V VD603 5.6V R605 510R R605 510R 3 1 2 VD604 BAT54C VD604 BAT54C 1 2 3 5 6 4 N601 IP4223CZ6 N601 IP4223CZ6 R606 100R R606 100R R601 75R R601 75R 3 1 2 VD602 BAV99 VD602 BAV99 R611 NC/100R R611 NC/100R R602 75R R602 75R R609 100R R609 100R PDF ��� "PDF ����" ����� ����� � 5 5 4 4 3 3 2 2 1 1 D D C C B B A A Side_Aud_R HD1-Lin HD1_Y SPDIF-OUT AV1 HD1_Pb HD1_Y SPDIF-OUT AVOUT-V AV1 AV2-Vin+ AV1 Side_Aud_L HD1_Y HD1_Pb SPDIF-OUT HD1_Pr MUTE_SIDE_PHONE HD1_Pr SPDIF_OUT Side_Y Side_Pb Side_Pr Side_Y Side_Pb CVBS_OUT Side_Pr MUTE_SIDE_PHONE AVOUT-V HD1_Pr AV1-Lin HD1-R AV1-Rin HD1-Rin AV1-R AV1-L HD1-L HD1_Pb AVOUT-V AV_Lout PC_L PC_R AV_Rout HD1_Y HD1_Y1 AV1-Vin+ HD1_Pb1 HD1_Pr1 Side_Pb Side_Y Side_Pr Side_Aud_R Side_Aud_L AV3in+ Side_Y HD2-Rin HD2-Lin 5VA 5V_AMP 5V_AMP 5VA +12V Side-PH_L 7 Side-PH_R 7 HD1-Rin 2 AV1-Lin 2 AV1-Rin 2 HD1-Lin 2 PH_L 2,7 PH_MUTE 7 PH_R 2,7 VGA-Lin 2 SPDIF_OUT 2 AV2_VIN 3 AV1_VIN 3 VGA-Rin 2 AV_Rout 7 AV_Lout 7 CVBS_OUT 3 YPBPR1_Y_IN+ 3 YPBPR1_Pb_IN+ 3 YPBPR1_Pr_IN+ 3 YPBPR2_Y_IN+ 3 YPBPR2_Pb_IN+ 3 YPBPR2_Pr_IN+ 3 AV3_VIN 3 HD2-Rin 2 HD2-Lin 2 �� �� �� �� � � ��� � � � � � � ���� ���� �� �� �� �� �� �� � � � � KONKA 06.YPbPr&AV 18 6 �� �� �� �� � � ��� � � � � � � ���� ���� �� �� �� �� �� �� � � � � KONKA 06.YPbPr&AV 18 6 �� �� �� �� � � ��� � � � � � � ���� ���� �� �� �� �� �� �� � � � � KONKA 06.YPbPr&AV 18 6 Audio �� AV/YPbPr ESD ESD ESD �����NC,������0� � � ���� Note:Close to MST. IC Keep A_GND trace with Signal. Keep Spacing for L/R cahnnel. Keep trace width(12mil+). ��� VIDEO OUT 0.65VDC ����������� ������V602-E=0.65VDC � � SPDIF OUT AV OUPUT R618 12K R618 12K R627 10K R627 10K 1 3 2 C C D ESD VD606 PESD3V3L2BT C C D ESD VD606 PESD3V3L2BT 1 2 3 5 4 6 N602 IP4223CZ6 N602 IP4223CZ6 6 4 8 1 2 3 7 5 V Y Pb B XS613 AV_SPDIF V Y Pb B XS613 AV_SPDIF C609 2.2uF C609 2.2uF C604 560pF C604 560pF 1 2 3 V600 3904 V600 3904 C630 2.2uF C630 2.2uF 1 2 3 5 4 6 N605 IP4223CZ6 N605 IP4223CZ6 C622 10uF/16V C622 10uF/16V R638 NC_75R R638 NC_75R R624 10K R624 10K L600 0R L600 0R 3 7 9 8 5 4 2 6 1 L Y Pb R XS619 Audio_Y_Pb L Y Pb R XS619 Audio_Y_Pb C619 NC C619 NC R625 12K R625 12K R649 3.9K R649 3.9K C626 NC_1uF/0603 C626 NC_1uF/0603 1 3 2 C C D ESD VD611 PESD3V3L2BT C C D ESD VD611 PESD3V3L2BT C605 560pF C605 560pF 1 2 L610 FB_1KΩ_100mA L610 FB_1KΩ_100mA L605 0R L605 0R C610 2.2uF C610 2.2uF 1 3 2 C C D ESD VD607 PESD3V3L2BT C C D ESD VD607 PESD3V3L2BT R655 12K R655 12K C612 560pF C612 560pF C602 2.2uF C602 2.2uF R648 680R R648 680R R631 75R R631 75R 1 2 3 V603 3904 V603 3904 R630 12K R630 12K 1 2 3 5 4 6 N604 IP4223CZ6 N604 IP4223CZ6 R634 NC_12K R634 NC_12K C608 NC C608 NC 2 4 5 1 6 10 8 9 3 7 XS618 HP-RV2 XS618 HP-RV2 1 2 3 V601 NC_3904 V601 NC_3904 R636 5.1K R636 5.1K L609 FB_330_Ohm_600mA L609 FB_330_Ohm_600mA R616 10K R616 10K R641 NC/0R R641 NC/0R 1 3 2 C C D ESD VD608 PESD3V3L2BT C C D ESD VD608 PESD3V3L2BT R645 75R R645 75R R652 10K R652 10K 7 3 9 11 12 1 10 8 6 4 2 5 R L L R XS607 RCA-4 R L L R XS607 RCA-4 R621 75 R621 75 C631 560pF C631 560pF R635 22K R635 22K C614 2.2uF C614 2.2uF C607 NC C607 NC R646 100R R646 100R C620 NC C620 NC C625 NC C625 NC 1 1 2 2 3 3 4 4 5 5 6 6 7 7 8 8 9 9 10 10 11 12 13 14 15 15 XS612 AV&PC_audio XS612 AV&PC_audio V602 3906 V602 3906 C616 560pF C616 560pF R622 75 R622 75 L606 0R L606 0R R637 75R R637 75R R623 10K R623 10K C606 NC C606 NC C615 2.2uF C615 2.2uF R647 499R 1% R647 499R 1% C633 560pF C633 560pF C611 560pF C611 560pF L601 0R L601 0R C624 NC C624 NC R653 12K R653 12K R643 1K 1% R643 1K 1% 1 2 3 5 4 6 N603 IP4223CZ6 N603 IP4223CZ6 1 3 2 C C D ESD VD605 PESD3V3L2BT C C D ESD VD605 PESD3V3L2BT C617 560pF C617 560pF R632 75R R632 75R R644 1K R644 1K L602 0R L602 0R R640 NC_22K R640 NC_22K R617 10K R617 10K C618 NC C618 NC R642 6.8K R642 6.8K R629 12K R629 12K 1 3 2 C C D ESD VD609 PESD3V3L2BT C C D ESD VD609 PESD3V3L2BT R639 NC_470R R639 NC_470R R651 33R R651 33R R619 12K R619 12K R620 75 R620 75 C603 2.2uF C603 2.2uF C627 10uF/16V C627 10uF/16V C632 2.2uF C632 2.2uF R628 10K R628 10K 2 6 7 1 4 10 8 9 3 5 XS614 HP-RV2 XS614 HP-RV2 L607 FB_330_Ohm_600mA L607 FB_330_Ohm_600mA R626 12K R626 12K 1 3 2 C C D ESD VD610 PESD3V3L2BT C C D ESD VD610 PESD3V3L2BT R650 1.2K R650 1.2K 1 2 L608 NC/FB_1KΩ_100mA L608 NC/FB_1KΩ_100mA L603 0R L603 0R C613 NC C613 NC C623 NC_0.1uF C623 NC_0.1uF R633 75R R633 75R L604 FB_330_Ohm_600mA L604 FB_330_Ohm_600mA C629 NC/47pF C629 NC/47pF C628 22pF C628 22pF R654 10K R654 10K C621 0.1uF C621 0.1uF PDF ��� "PDF ����" ����� ����� � 5 5 4 4 3 3 2 2 1 1 D D C C B B A A AUOUTL0 AMP_EN AUOUTL1 MUTE_PA MUTE_PA AMP_MUTE AMP_EN AMP_Lin+ AMP_L AMP_MUTE AMP_Lin- AMP_LIN Side-PH_R AMP_Lin+ AMP_Rin+ AUOUTR1 AMP_LIN AMP_RIN AV_Lout MUTE_PA AMP_L AMP_R MUTE_PA AV_Rout PH_L AMP_RIN AMP_LIN PH_R Side-PH_L AMP_RIN 2.5VBuf1 MUTE_AMP 2.5VBuf1 MUTE_EN AMP_R AMP_Rin+ AMP_Rout+ AMP_Lout+ AMP_Lout- AMP_Lout+ AMP_Rout- AMP_Lout+ G0 AMP_Lout- G1 G0 G1 AMP_Rout+ AMP_Rout- AMP_Rout+ AMP_Rout- AMP_Lout- AMP_Rin- AMP_L AUOUTR0 OP AL_MIC OP MIC1IN AR_MIC +12V GND2 12VAMP +12V 12VAMP GND2 5VA OP_VCC1 OP_VCC1 5VA 2.5VBuf1 OP_VCC2 GND2 GND2 GND2 GND2 GND2 GND2 GND2 GND2 12VAMP 12VAMP 5VA 12VAMP GND2 GND2 GND2 5Vstb +12V 5Vstb 12VAMP 5VA OP_VCC2 5VA 2.5VBuf2 5VA 3.3Vstb 5Vstb +12V 5Vstb +12V 5VA 5VA 5VA 5V_PULL 5V_PULL 5VA 5V_PULL MUTE_EN 2 AUOUTL0 2 AUOUTR0 2 AUOUTL1 2 AUOUTR1 2 Side-PH_R 6 PH_L 2,6 PH_R 2,6 Side-PH_L 6 AV_Lout 6 AV_Rout 6 PH_MUTE 6 MUTE_AMP 2 MIC_RIN 2 MIC_DET2 2 MIC_DET1 2 �� �� �� �� � � ��� � � � � � � ���� ���� �� �� �� �� �� �� � � � � KONKA <��> <��> <��> <���> <��> 07.Amp 18 7 �� �� �� �� � � ��� � � � � � � ���� ���� �� �� �� �� �� �� � � � � KONKA <��> <��> <��> <���> <��> 07.Amp 18 7 �� �� �� �� � � ��� � � � � � � ���� ���� �� �� �� �� �� �� � � � � KONKA <��> <��> <��> <���> <��> 07.Amp 18 7 H:MUTE L:ON H:MUTE L:ON H:OFF L:ON H:OFF L:ON Mstar Audio Amp EN:H(12V)-on L-off for ���� PH_Drive AMP&HP OP AMP AV_OUT Audio Out G1 G0 15dB 0 0 18dB 0 1 21dB 1 0 31dB 1 1 8� � � � 8� � � � R- R+ L- L+ MUTE Control Audio Output to Side Head Phone R249 47K R249 47K C273 3.3nF C273 3.3nF 1 2 3 V205 3904/NC V205 3904/NC C253 2.2uF C253 2.2uF C895 0.1uF C895 0.1uF C231 2.2uF C231 2.2uF VIPL 3 VINL 4 HVSSL 1 G1 2 VIPR 8 VINR 7 G0 5 MUTE 6 OUTNR 12 HVSSR 11 HVSSR 10 AVSS2 9 HVDDR 16 HVDDR 15 OUTNR 14 HVDDR 13 OUTPR 17 HVDDR 18 OUTPR 19 HVSSR 20 HVSSR 21 FBPR 22 FBNR 23 AVSS1 24 AVDD 25 EN 26 HVDD 27 HVSSL 30 HVSSL 31 OUTPL 32 HVDDL 33 OUTPL 34 HVDDL 35 HVDDL 36 OUTNL 37 HVDDL 38 OUTNL 39 HVSSL 40 FBNL 28 FBPL 29 thermal 41 N202 MSH9000 N202 MSH9000 R208 100R/NC R208 100R/NC R255 33K R255 33K C210 1uF/X7R/25V C210 1uF/X7R/25V C225 2.2uF C225 2.2uF R257 10K R257 10K R236 NC/10K R236 NC/10K R270 150K R270 150K C247 2.2uF C247 2.2uF VD203 1N4148 VD203 1N4148 C224 2.2uF C224 2.2uF V201 3906 V201 3906 R245 10K R245 10K C275 0.1uf C275 0.1uf R244 10K R244 10K C205 0.1uF C205 0.1uF 1 3 2 V200 2N7002 V200 2N7002 C212 1uF/X7R/25V C212 1uF/X7R/25V 1 3 2 V212 2N7002 V212 2N7002 C257 1nF C257 1nF R222 10K R222 10K C250 27pF C250 27pF R264 47K R264 47K C274 3.3nF C274 3.3nF L207 15uH L207 15uH C201 10uF/16V C201 10uF/16V 1 2 3 V209 3904 V209 3904 C218 220nF/X7R/25V C218 220nF/X7R/25V C217 0.1uF C217 0.1uF R228 0R R228 0R R277 10K R277 10K R202 100K R202 100K C246 10uF C246 10uF R230 100k R230 100k CA208 100uF/16V CA208 100uF/16V C236 3.3nF C236 3.3nF R221 NC/120R/0805 R221 NC/120R/0805 1 3 2 V204 3904 V204 3904 C896 0.47uF C896 0.47uF R276 47K R276 47K R251 10K R251 10K C233 470pF C233 470pF C254 2.2uF C254 2.2uF V812 /NCPMV65XP V812 /NCPMV65XP R263 10R R263 10R R234 10K R234 10K C202 0.1uF C202 0.1uF C249 100pF C249 100pF R241 10K R241 10K 1 2 L201 NC/FB_1k_Ohm_100mA L201 NC/FB_1k_Ohm_100mA R239 47K R239 47K R256 33K R256 33K R51910K R51910K + C259 100uF/16V + C259 100uF/16V R272 10K R272 10K R252 10K R252 10K C222 1nF C222 1nF R869 100K R869 100K C215 1uF/X7R/25V C215 1uF/X7R/25V C219 0.1uF C219 0.1uF C241 1nF C241 1nF R217 NC/10K R217 NC/10K R260 10K R260 10K VD202 PMEG2020 VD202 PMEG2020 R235 10R R235 10R R698 2.2K R698 2.2K + CA207 470uF/25V + CA207 470uF/25V C251 3.3nF C251 3.3nF R201 100R R201 100R C270 2.2uF C270 2.2uF R259 10K R259 10K R215 100k R215 100k 3 1 2 V213 BAV99 V213 BAV99 CA202 470uF/25V CA202 470uF/25V C234 100pF C234 100pF C260 10uF C260 10uF C223 100pF C223 100pF R248 100K R248 100K R696 0R/100K R696 0R/100K R210 4.7K R210 4.7K 1 2 L205 FB_1k_Ohm_100mA L205 FB_1k_Ohm_100mA R214 NC/22K R214 NC/22K R278 33K R278 33K L206 15uH L206 15uH 1 3 2 V211 2N7002 V211 2N7002 CA201 220uF/16V CA201 220uF/16V L216 33000440 L216 33000440 R213 10K R213 10K 1 3 2 V208 3904 V208 3904 5 6 7 8 4 - + N204B KA4558 - + N204B KA4558 R398 10K/0R R398 10K/0R + CA204 470uF/25V + CA204 470uF/25V R275 10K R275 10K R246 10R R246 10R 1 3 2 C C D ESD VD210 PESD3V3L2BT C C D ESD VD210 PESD3V3L2BT + C242 100uF/16V + C242 100uF/16V R212 4.7K R212 4.7K 1 2 L202 FB_1k_Ohm_100mA L202 FB_1k_Ohm_100mA C204 1uF/X7R/25V C204 1uF/X7R/25V C244 10uF C244 10uF 1 2 L208 FB_330_Ohm_600mA L208 FB_330_Ohm_600mA C214 2.2uF C214 2.2uF 3 1 2 V214 BAV99 V214 BAV99 1 2 3 XS202 D2514-3A XS202 D2514-3A C220 220nF/X7R/25V C220 220nF/X7R/25V 1 2 L204 FB_1k_Ohm_100mA L204 FB_1k_Ohm_100mA R226 NC R226 NC R238 10K R238 10K R267 0R/100K R267 0R/100K L213 FB_1KΩ_100mA L213 FB_1KΩ_100mA R268 10K R268 10K C245 2.2uF C245 2.2uF C243 10uF C243 10uF C227 470pF C227 470pF 1 2 3 XS201 D2514-3A XS201 D2514-3A C255 2.2uF C255 2.2uF R227 NC/1K R227 NC/1K R224 10K R224 10K R699 2.2K R699 2.2K R695 10K/0R R695 10K/0R R242 10K R242 10K R274 10K R274 10K CA200 100uF/16V CA200 100uF/16V R232 33K R232 33K L210 15uH/3A L210 15uH/3A C258 0.1uF C258 0.1uF R693 0R/NC R693 0R/NC C208 2.2uF C208 2.2uF L200 15uH L200 15uH R204 10K/NC R204 10K/NC R229 10K R229 10K R231 33K R231 33K R207 1K R207 1K R225 NC R225 NC R271 10R R271 10R R216 4.7K R216 4.7K R261 10K R261 10K R262 10K R262 10K C272 3.3nF C272 3.3nF R233 10K R233 10K R200 0R R200 0R C252 2.2uF C252 2.2uF C203 220nF/X7R/25V C203 220nF/X7R/25V C261 100pF C261 100pF 5 6 7 8 4 - + N203B TDA1308 - + N203B TDA1308 VD201 1N4148 VD201 1N4148 L212 FB_1KΩ_100mA L212 FB_1KΩ_100mA R253 47K R253 47K R243 10K R243 10K 3 2 1 8 4 - + N204A KA4558 - + N204A KA4558 C200 0.1uF C200 0.1uF CA203 220uF/16V CA203 220uF/16V R218 10K R218 10K C239 0.1uF C239 0.1uF R240 33K R240 33K R700 2.2K R700 2.2K VD200 1N4148 VD200 1N4148 3 1 2 V215 BAV99 V215 BAV99 R397 10K R397 10K C221 2.2uF C221 2.2uF L214 FB_1KΩ_100mA L214 FB_1KΩ_100mA C269 3.3nF C269 3.3nF 3 2 1 8 4 - + N203A TDA1308 - + N203A TDA1308 C232 470pF C232 470pF 1 3 2 C C D ESD VD204 PESD3V3L2BT C C D ESD VD204 PESD3V3L2BT R697 0R/NC R697 0R/NC C897 10uF/16V C897 10uF/16V C206 220nF/X7R/25V C206 220nF/X7R/25V R258 0R R258 0R R702 0R/NC R702 0R/NC C237 0.1uF C237 0.1uF C235 27pF C235 27pF C228 470pF C228 470pF VD209 PMEG2020 VD209 PMEG2020 C229 1nF C229 1nF 3 1 2 VD612 BAT54C VD612 BAT54C C211 NC/1uF/X7R/25V C211 NC/1uF/X7R/25V R223 NC R223 NC L211 FB_1KΩ_100mA L211 FB_1KΩ_100mA R206 10K R206 10K R219 10K R219 10K C248 1nF C248 1nF CA205 100uF/16V CA205 100uF/16V R254 150K R254 150K 1 3 2 V207 3904 V207 3904 R203 470K R203 470K C226 2.2uF C226 2.2uF C213 1uF/X7R/25V C213 1uF/X7R/25V 3 1 2 V216 BAV99 V216 BAV99 CA206 100uF/16V CA206 100uF/16V 1 2 3 4 5 XS620 PJ-0004PX-5B XS620 PJ-0004PX-5B C207 NC/1nF C207 NC/1nF R694 NC/100K R694 NC/100K 1 2 3 V202 3904 V202 3904 C209 1uF/X7R/25V C209 1uF/X7R/25V R209 4.7K R209 4.7K R247 100K R247 100K C271 2.2uF C271 2.2uF R237 NC/10K R237 NC/10K C238 2.2uF C238 2.2uF C256 1nF C256 1nF 3 2 1 8 4 - + N205A AZ4558 - + N205A AZ4558 1 3 2 V203 3904 V203 3904 R220 4.7K R220 4.7K R701 2.2K R701 2.2K 1 3 2 V206 3904 V206 3904 R250 33K R250 33K 1 2 L215 FB_330_Ohm_600mA L215 FB_330_Ohm_600mA R205 470K R205 470K L209 15uH L209 15uH C216 0.1uF C216 0.1uF R273 0R R273 0R R279 10K R279 10K R266 33K R266 33K 5 6 7 8 4 - + N205B AZ4558 - + N205B AZ4558 R211 100R/NC R211 100R/NC C230 2.2uF C230 2.2uF 1 3 2 V210 2N7002 V210 2N7002 C240 2.2uF C240 2.2uF R265 47K R265 47K 1 2 L203 NC/FB_1k_Ohm_100mA L203 NC/FB_1k_Ohm_100mA PDF ��� "PDF ����" ����� ����� � 5 5 4 4 3 3 2 2 1 1 D D C C B B A A MPEG_D4 MPEG_SYNC MPEG_D5 MPEG_D6 MPEG_D7 MPEG_D0 MPEG_D1 MPEG_D2 MPEG_VALID MPEG_D3 MPEG_CLK PLL_AGND AAGND MPEG_VALID MPEG_SYNC MPEG_D1 MPEG_D0 AGC MPEG_CLK AAGND MPEG_D2 MPEG_D3 MPEG_D4 MPEG_D5 MPEG_D7 MPEG_D6 Vbias AAGND AAGND AAGND AAGND VDD1.2 VDD1.2 VDD1.2 VDD2.5 VDD2.5 VDD1.2 VDD2.5 VDD2.5 VDD1.2 VDD2.5 VDD1.2 VDD2.5 VDD1.2 VDD2.5 VDD2.5 VDD2.5 VDD2.5 VDD1.2 VDD2.5 VDD1.2 VDD1.2 VDD2.5 VDD2.5 VDD2.5 VDD2.5 VDD2.5 VDD1.2 DEMO_1V2 VDD1.2 DEMO_2V5 VDD2.5 DEMO_3V3 AAGND AAGND AAGND AAGND AAGND AAGND AAGND DEMO_3V3 TS_D3 2 TS_D7 2 TS_D4 2 TS_D5 2 TS_D6 2 TS_D0 2 TS_SYNC 2 TS_VALID 2 TS_CLK 2 TS_D1 2 TS_D2 2 IF_AGC 9 DEMO_SLEEP 2 DEMOD_RST# 2 I2C-SDA 2,13,14,15 I2C-SCL 2,13,14,15 TUNER_SDA 9 I2C-SCL-TUNER 2 I2C-SDA-TUNER 2 TUNER_SCL 9 VIN- 9 VIN+ 9 �� �� �� �� � � ��� � � � � � � ���� ���� �� �� �� �� �� �� � � � � KONKA 08.Demo_8G52 18 8 �� �� �� �� � � ��� � � � � � � ���� ���� �� �� �� �� �� �� � � � � KONKA 08.Demo_8G52 18 8 �� �� �� �� � � ��� � � � � � � ���� ���� �� �� �� �� �� �� � � � � KONKA 08.Demo_8G52 18 8 10uF Caps for VDD1.2 Power Plane to Dig GND Cap at each VDD2.5 pin of U1 equal to or greater than 500uS Only required if upgrading an 8G75 to 8GXX From reset circuit active low VBIAS (nominally 1.5V) Cap placed at each VDD1.2 pin of U1 Bypassing for 8G75 If Sleep Mode function is required, control of this pin will be from an external source. This pin has a 10K pullup resistor internal to the package. J6 = N/C (open), demod normal operating mode J6 = logic 1, demod normal operating mode J6 = Logic 0, demod in sleep mode TO THE TUNER 2.5V 0V TO THE MPEG DECODER 2.5V/ 200mA / 1.2V / 800mA From Main I2C Bus I = 4 mA 1206 Red BLKERRN IF ANALOG INPUT FROM THE TUNER 144 Pin BGA w/ R15 = NU I2C Address = 3A w/ R15 = 10K I2C Address = 32 Manual Reset (Optional) 0603 Size B 1206 Green LOCK R105 33R R105 33R C125 0.1uF C125 0.1uF C128 0.1uF C128 0.1uF R127 OR/8G75 R127 OR/8G75 VDD2.5 C2 MPEG_D7 A3 MPEG_CLK C4 MPEG_D1 H2 MPEG_D2 G1 MPEG_D3 H3 MPEG_D4 D2 MPEG_D5 C1 MPEG_D6 A2 DGND H5 VDD_1.2 E1 MPEG_D0 J3 MPEG_VALID B5 DGND D3 MPEG_SYNC A6 DGND L6 VDD2.5 G4 LOCK C9 BP1 J6 RES H4 DGND M9 RES C5 VDD1.2 G7 DGND F2 RESETN F12 RES D5 PLLVDD2.5 K5 DGND G11 Q9 J5 Q3 J1 Q1 K3 Q8 G3 I9 M1 I8 K4 PLL_AGND L4 I7 M3 I6 K6 I5 L5 I4 M4 I3 M5 I2 G8 I1 H7 I0 M6 XTALIN K1 AGC E10 SCL E11 VDD1.2 F9 SDA D10 XTALOUT L1 VDD2.5 G9 VDD2.5 L10 Q4 J2 Q5 H1 DGND K12 BLKERRN B10 Q2 K2 Q6 G2 IFCLK M11 VDD2.5 H12 RES D7 DGND F10 RES E9 SCLT C12 VDD1.2 A10 SDAT B12 DGND C11 CE_A0 J11 RES C10 RES A11 RES B11 RES H10 RES E7 RES A12 RES D11 RES F11 VDD2.5 D8 RES E12 RES D9 DGND E8 RES F7 RES H11 RES J12 RES G10 VDD1.2 D6 DGND B9 RES B3 RES F8 RES G12 DGND E5 VDD2.5 A8 RES L12 GPIO0 K10 RES M12 RES L11 VDD1.2 A4 RES F6 RES C7 RES B8 RES A9 RES C8 DGND B4 RES B1 RES C3 VDD2.5 A5 RES B2 RES A1 RES B6 RES D4 GPIO1 C6 RES E4 Q7 J4 Q0 L2 DGND B7 VDD2.5 D12 RES F4 PLLVDD1.2 L3 PLL_GND M2 RES E3 RES D1 RES E2 RES F3 RES F1 CLKO G6 CE_A2 G5 RES H6 DGND H8 ADC_AGND K7 AVDD2.5 J7 RES H9 RES J8 IP K8 IM L7 RES J9 CE_A1 K9 RES L8 RES M7 RES L9 RES M8 RFAGC M10 VDD2.5 K11 VDD1.2 J10 RES A7 RES E6 RES F5 N103 LGS-8G75/8GXX-A1-BGA N103 LGS-8G75/8GXX-A1-BGA R112 100R/NC R112 100R/NC C114 10uF;10V;CER;0603 C114 10uF;10V;CER;0603 R131 0/8G75 R131 0/8G75 FB100 Ferrite Bead FB100 Ferrite Bead C129 0.1uF C129 0.1uF R114 100R/NC R114 100R/NC R107 4.7K R107 4.7K C120 0.1uF C120 0.1uF R123 10K R123 10K C108 0.1uF C108 0.1uF C131 0.1uF C131 0.1uF R110 49.9K 1% R110 49.9K 1% C102 0.1uF C102 0.1uF R119 100R R119 100R C123 0.1uF C123 0.1uF R136 1K R136 1K C112 0.1uF C112 0.1uF C132 0.1uF C132 0.1uF R128 0R/8G75 R128 0R/8G75 C106 0.1uF C106 0.1uF R115 100R/NC R115 100R/NC C121 0.1uF C121 0.1uF C133 0.1uF C133 0.1uF C103 0.1uF C103 0.1uF FB102 Ferrite Bead FB102 Ferrite Bead C101 1uF C101 1uF C116 0.1uF C116 0.1uF C113 10uF;10V;CER;0603 C113 10uF;10V;CER;0603 R113 100R/NC R113 100R/NC + C107 47uF;10V;TANT + C107 47uF;10V;TANT R12410K R12410K C134 0.1uF C134 0.1uF FB104 Ferrite Bead FB104 Ferrite Bead C119 0.1uF C119 0.1uF R132 0 /8GXX R132 0 /8GXX R117 100R R117 100R R125180R R125180R R122 0R /8G75 R122 0R /8G75 R135 649R R135 649R R102 33R R102 33R R108 4.7K R108 4.7K R134 20K R134 20K C117 1nF C117 1nF R116 100R/NC R116 100R/NC C118 0.1uF C118 0.1uF R121 0R/8G75 R121 0R/8G75 C124 0.1uF C124 0.1uF Z104 30.4000 MHz Z104 30.4000 MHz R104 33R R104 33R R130 10K R130 10K R120 10K/ 8GXX R120 10K/ 8GXX FB103 Ferrite Bead FB103 Ferrite Bead C122 0.1uF C122 0.1uF R118 100R/NC R118 100R/NC C111 0.1uF C111 0.1uF R133 20K R133 20K 1 2 D100 LED D100 LED 1 TP100 TP100 R106 0R/8G75 R106 0R/8G75 C100 0.1uF C100 0.1uF 7 5 3 1 8 6 4 2 RA101 33RX4 7 5 3 1 8 6 4 2 RA101 33RX4 C126 0.1uF C126 0.1uF C135 0.1uF C135 0.1uF 1 2 D101 LED D101 LED R103 470R R103 470R C115 10uF;10V;CER;0603 C115 10uF;10V;CER;0603 R129 0R/8G75 R129 0R/8G75 C110 10uF;10V;CER;0603 C110 10uF;10V;CER;0603 C104 12pF C104 12pF R126 1M R126 1M C109 1nF C109 1nF R109 33R R109 33R 1 2 L101 600/1.5A L101 600/1.5A R185 NC R185 NC C130 0.1uF C130 0.1uF FB101 Ferrite Bead FB101 Ferrite Bead R101 330R R101 330R 7 5 3 1 8 6 4 2 RA100 33RX4 7 5 3 1 8 6 4 2 RA100 33RX4 R111 33R R111 33R C105 12pF C105 12pF C127 0.1uF C127 0.1uF PDF ��� "PDF ����" ����� ����� � 5 5 4 4 3 3 2 2 1 1 D D C C B B A A IF-AGC TUNER-SDA 5V_T TUNER-SCL SAS 5V_IF IFP IFN 5V_IF IFP-1 AIF# SAS IFN-1 IF S_CHANGE TV-SIFM TV-SIFP VIFM VIFP AIF AIF# V_CHANGE RF-AGC 5V_T 5V_SDA 5V_SCL RF_SDA 5V_SCL IFN-1 SAS 5V_IF 5V_SDA RF_SCL RF_AGC RF-AGC RF_AGC ATV+ SIF 5V_SCL TUNER_RF-AGC IF 5V_SDA ATV_RF_AGC TUNER_RF-AGC AIF 5V_TUNER 5V_TUNER +12V +12V 33V_Normal 5V_TUNER 5V_TUNER 33V_Normal 33V_Normal 5V_TUNER 5V_TUNER GND GND GND GND 5V_TUNER GND GND GND GND GND GND GND GND GND GND GND GND GND GND GND GND GND GND GND GND GND GND 5V_IFA 5V_IFA TUNER_SDA 8 VIN- 8 VIN+ 8 TUNER_SCL 8 IF_AGC 8 VIFM 2 VIFP 2 SIFP 2 SIFM 2 SIF_SW 2 VIF_SW 2 AGC_SW 2 TUNER_SDA 8 TUNER_SCL 8 SIFM 2 SIFP 2 ATV+ 3 ATV_RF_AGC 2 TV-Lin 2 TV-Rin 2 �� �� �� �� � � ��� � � � � � � ���� ���� �� �� �� �� �� �� � � � � KONKA 09.Tuner 18 9 �� �� �� �� � � ��� � � � � � � ���� ���� �� �� �� �� �� �� � � � � KONKA 09.Tuner 18 9 �� �� �� �� � � ��� � � � � � � ���� ���� �� �� �� �� �� �� � � � � KONKA 09.Tuner 18 9 SAS�����tuner��� 00——0~0.5V� 01——����1~1.5V� 10——2~3V� 11——4.5~5V� ����TV������ N102����R144/R189/R150/R154/C165 Close to MStar IC ATV- 1 2 R138 1K/NC R138 1K/NC R178 1K R178 1K V105 MMBT3904 V105 MMBT3904 IN1 1 IN2 2 GND 3 OUT1 4 OUT2 5 Z103 K6274D Z103 K6274D C187 1nF C187 1nF C167 NC/3pF C167 NC/3pF + C141 10uF/16V/NC + C141 10uF/16V/NC C1002 2.2uF C1002 2.2uF C1003 10nF C1003 10nF R151 0R R151 0R V102 3904/NC V102 3904/NC R199 47R R199 47R + CA129 220uF/16V + CA129 220uF/16V + CA100 220uF/16V + CA100 220uF/16V C163 10nF C163 10nF C1001 2.2uF C1001 2.2uF C182 1nF C182 1nF 1 2 L107 FB_1KΩ_100mA/NC L107 FB_1KΩ_100mA/NC R1007 10K R1007 10K C194 1nF C194 1nF C175 0.1uF C175 0.1uF R167 0R R167 0R Ant PWR 1 RF AGC 2 SAS 3 SCL 4 SDA 5 AIF out 6 +5V 7 IF AGC 8 VT 9 IF OUT+ 10 IF OUT- 11 GND 12 GND 13 GND 14 GND 15 N102 DTI/W500/NC N102 DTI/W500/NC 1 2 L102 NC/600/1.5A L102 NC/600/1.5A C145 0.1uF C145 0.1uF R158 10R R158 10R R184 3.3K R184 3.3K R191 0R R191 0R R139 12K/NC R139 12K/NC R198 47R R198 47R IN1 1 IN2 2 GND 3 OUT1 4 OUT2 5 Z102 K9450M Z102 K9450M R1004330R R1004330R C176 1nF C176 1nF C166 NC/12pF C166 NC/12pF L108 NC/2.2uH L108 NC/2.2uH C137 10nF/NC C137 10nF/NC 6 5 4 1 2 3 R1 R1 N104 PUMH4 R1 R1 N104 PUMH4 R192 1K R192 1K + C138 NC/100uF/16V + C138 NC/100uF/16V R162 300R R162 300R L104 NC/850nH L104 NC/850nH C157 1nF C157 1nF R1008 47R R1008 47R V106 MMBT3904 V106 MMBT3904 R144 100K/NC R144 100K/NC C160 0.1uF C160 0.1uF 1 2 R153 0R R153 0R IN1 1 IN2 2 GND 3 OUT1 4 OUT2 5 Z106 K9450M Z106 K9450M IN1 1 IN2 2 GND 3 OUT1 4 OUT2 5 Z105 K6274D Z105 K6274D R1001 3.3K R1001 3.3K R193 75R R193 75R R168 0R R168 0R R159 3.3K R159 3.3K C162 10nF C162 10nF C150 12PF/NC C150 12PF/NC 1 2 R155 0/NC R155 0/NC C183 30pF C183 30pF R1009 0R R1009 0R C159 47nF C159 47nF R140 0R R140 0R 1 3 2 V101 3906/NC V101 3906/NC C189 0.47uF C189 0.47uF C1720.47uF C1720.47uF R146 4.7K R146 4.7K 1 2 R137 1K R137 1K R164 3.3K R164 3.3K R177 NC/75R R177 NC/75R 6 5 4 1 2 3 R1 R1 N105 PUMH4 R1 R1 N105 PUMH4 R1010 220R R1010 220R C184 100pF C184 100pF 1 2 R143 180R/NC R143 180R/NC R161 300R R161 300R R1005 1K R1005 1K 1 2 L122 FB_330_Ohm_600mA L122 FB_330_Ohm_600mA C190 0.1uF C190 0.1uF R195 1K R195 1K R186 22K R186 22K C153 1nF C153 1nF C158 47nF C158 47nF R1801K R1801K C164 10nF C164 10nF C185 220nF C185 220nF C139 NC/0.1uF C139 NC/0.1uF C196 1.5nF C196 1.5nF R19047R R19047R C161 NC/10nF C161 NC/10nF R196 3.3K R196 3.3K R187 75R R187 75R VD101 ISS110 VD101 ISS110 C136 0.1uF C136 0.1uF C148 NC C148 NC L100 1uH L100 1uH C156 0.1uF C156 0.1uF R165 3.3K R165 3.3K R176 6.8K R176 6.8K 1 2 R142 0R R142 0R R156 4.7K R156 4.7K C155 47nF C155 47nF 1 2 R149 100R/NC R149 100R/NC 1 2 R100 0/NC R100 0/NC C197 560pF C197 560pF R160 1K R160 1K AGC 1 TU 2 AS 3 SCL 4 SDA 5 NC 6 VCC 7 ADC/NC 8 VT/NC 9 IF2/NC 10 IF1 11 G1 12 G2 13 G3 14 G4 15 N100 AFT1/3000 N100 AFT1/3000 C177 10nF C177 10nF VD102 BA591 VD102 BA591 R171 680R R171 680R 1 2 L105 FB_1KΩ_100mA L105 FB_1KΩ_100mA R169 6.8K R169 6.8K C154 1nF C154 1nF C1004 22pF C1004 22pF VD100 ISS110 VD100 ISS110 C147 220pF/NC C147 220pF/NC 1 2 R183 0R R183 0R R163 NC/6.8K R163 NC/6.8K R188 0R R188 0R R1006 3.3K R1006 3.3K V104 3904 V104 3904 C142 0.1uF/NC C142 0.1uF/NC 1 2 R141 0R R141 0R 1 2 R157 100R R157 100R C149 NC C149 NC C1005 1nF C1005 1nF R148 10K/NC R148 10K/NC 1 2 L112 FB_100mA L112 FB_100mA V100 2SC388A V100 2SC388A C140 0.1uF/NC C140 0.1uF/NC C168 1nF C168 1nF 1 2 R181 0R R181 0R 1 2 L106 FB_1KΩ_100mA L106 FB_1KΩ_100mA C144 47pF/NC C144 47pF/NC 1 2 L103 600/1.5A L103 600/1.5A R1002 12K R1002 12K R189 47R R189 47R R182 3.3K R182 3.3K R166 3.3K R166 3.3K 1 2 R150 100R/NC R150 100R/NC VD103 BA591 VD103 BA591 C151 220pF/NC C151 220pF/NC 1 2 R154 100R R154 100R R179 15R R179 15R VIF1 1 VIF2 2 OP1 3 FMPLL 4 DEEM 5 AFD 6 DGND 7 AUD 8 TOP 9 SDA 10 SCL 11 SIOMAD 12 NC 13 TAGC 14 REF 15 NC(VC) 16 CVBS 17 AGND 18 VPLL 19 VP 20 AFC 21 OP2 22 SIF1 23 SIF2 24 N101 TDA9885T N101 TDA9885T R175 0R R175 0R R145 100K/NC R145 100K/NC V107 MMBT3904 V107 MMBT3904 C152 0.1uF C152 0.1uF R1003 47R R1003 47R R174 6.8K R174 6.8K C198 1nF C198 1nF R170 NC/6.8K R170 NC/6.8K 1 2 3 Z101 4.000MHz Z101 4.000MHz V103 3904 V103 3904 C165 NC/3pF C165 NC/3pF + C146 470uF/16V + C146 470uF/16V C170 10nF C170 10nF R173 1.2K R173 1.2K R152 10K/NC R152 10K/NC C143 47pF/NC C143 47pF/NC R172 0 R172 0 R147 10R R147 10R C193 0.1uF C193 0.1uF C181 NC/0.47uF C181 NC/0.47uF C199 1nF C199 1nF PDF ��� "PDF ����" ����� ����� � 5 5 4 4 3 3 2 2 1 1 D D C C B B A A HDMI2-RX1N DDC2BSCL HDMI2_CEC HDMI2-RX0P HDMI2_HPDIN HDMI2-RX0N HDMI2-CLKP DDC1BSDA HDMI2-CLKN HDMI2_CEC HDMI1-RX1P HDMI1-RX2N HDMI1-RX1N HDMI1-CLKP HDMI1-RX0N HDMI1-RX0P HDMI1-CLKN HDMI1-RX2P HDMI2-RX1P DDC3BSCL HDMI3_HPDIN HDMI3_CEC HDMI3-RX1N HDMI3-RX1P HDMI3-RX2N HDMI3-RX2P HDMI3-CLKN HDMI3-CLKP HDMI3-RX0N HDMI3-RX0P HDMI3-RX1P HDMI3-CLKP HDMI3-CLKN HDMI3-RX0N HDMI3-RX0P HDMI3-5V HDMI3-RX2N HDMI3-RX2P HDMI3-RX1N DDC3BSDA DDC1BSCL HDMI3-RX1N HDMI3-RX0P HDMI3-RX0N HDMI3-CLKP HDMI3-CLKN HDMI3-RX1P HDMI3_HPDIN HDMI3-5V HDMI3_CEC HDMI3-RX2P HDMI3-RX2N HDMI1_CEC HDMI-CEC HDMI1_CEC DDC1BSCL HDMI2-RX1N HDMI2-RX1P HDMI2-RX2N HDMI2-RX2P HDMI2-CLKN HDMI2-CLKP HDMI2-RX0N HDMI2-RX0P HDMI2-RX1P HDMI2-CLKP HDMI2-CLKN HDMI2-RX0N HDMI2-RX0P HDMI2-5V HDMI1-CLKN HDMI1-RX2P HDMI1-RX2N HDMI1-RX1P HDMI1-RX1N HDMI1-RX0P HDMI1-RX0N HDMI1-CLKP HDMI2-RX2N HDMI2-RX2P HDMI2-RX1N HDMI1-RX1P HDMI1-RX0P HDMI1-RX0N HDMI1-CLKN HDMI1-CLKP HDMI1-5V HDMI1-RX2N HDMI1-RX1N HDMI1-RX2P DDC1BSDA DDC2BSDA HDMI2_HPDIN HDMI2-5V HDMI2_CEC HDMI1-5V HDMI1_CEC HDMI1_HPDIN HDMI1_HPDIN DDC2BSCL HDMI2-RX2P DDC2BSDA HDMI2-RX2N HDMI3_CEC DDC1BSCL DDC1BSDA HDMI1-SDA HDMI1-SCL HDMI1-HPDIN HDMI1_HPDIN DDC1BSDA DDC1BSCL HDMI2-HPDIN HDMI2_HPDIN DDC2BSCL DDC2BSDA HDMI2-SDA HDMI2-SCL DDC2BSCL DDC2BSDA DDC3BSCL DDC3BSDA HDMI-3-SCL HDMI-3-SDA HDMI3-SDA HDMI3-SCL HDMI3-HPDIN HDMI3_HPDIN DDC3BSCL DDC3BSDA HDMI4-HPDIN HDMI4_HPDIN HDMI4_CEC DDC4BSCL DDC4BSDA HDMI4-RX1N HDMI4-RX0P HDMI4-RX0N HDMI4-CLKP HDMI4-CLKN HDMI4-RX1P HDMI4_HPDIN HDMI4-5V HDMI4_CEC HDMI4-RX2P HDMI4-RX2N HDMI-4-SCL HDMI-4-SDA HDMI4-SDA HDMI4-SCL DDC4BSCL DDC4BSDA DDC4BSCL HDMI4_HPDIN HDMI4_CEC HDMI4-RX1N HDMI4-RX1P HDMI4-RX2N HDMI4-RX2P HDMI4-CLKN HDMI4-CLKP HDMI4-RX0N HDMI4-RX0P HDMI4-RX1P HDMI4-CLKP HDMI4-CLKN HDMI4-RX0N HDMI4-RX0P HDMI4-5V HDMI4-RX2N HDMI4-RX2P HDMI4-RX1N DDC4BSDA HDMI3_CEC HDMI4_CEC HDMI2_CEC HDMI1_CEC 33V_Normal 33V_Normal HDMI1-5V 33V_Normal HDMI1-5V HDMI1-5V HDMI2-5V HDMI2-5V HDMI2-5V HDMI3-5V HDMI3-5V HDMI3-5V HDMI4-5V HDMI4-5V HDMI3-5V 33V_Normal HDMI2-RX2P 3 HDMI2-RX2N 3 HDMI2-RX1P 3 HDMI2-RX1N 3 HDMI2-RX0P 3 HDMI2-RX0N 3 HDMI2-CLKP 3 HDMI2-CLKN 3 HDMI1-RX2P 3 HDMI1-RX0P 3 HDMI1-RX0N 3 HDMI1-RX1P 3 HDMI1-RX1N 3 HDMI1-CLKN 3 HDMI1-RX2N 3 HDMI1-CLKP 3 HDMI-CEC 3 HDMI3-RX2P 3 HDMI3-RX2N 3 HDMI3-RX1P 3 HDMI3-RX1N 3 HDMI3-RX0P 3 HDMI3-RX0N 3 HDMI3-CLKP 3 HDMI3-CLKN 3 HDMI1-SCL 3 HDMI1-SDA 3 HDMI1-HPDIN 3 HDMI2-HPDIN 3 HDMI2-SCL 3 HDMI2-SDA 3 HDMI3-SCL 3 HDMI3-SDA 3 HDMI3-HPDIN 3 HDMI4-HPDIN 3 HDMI4-RX2P 3 HDMI4-RX2N 3 HDMI4-RX1P 3 HDMI4-RX1N 3 HDMI4-RX0P 3 HDMI4-RX0N 3 HDMI4-CLKP 3 HDMI4-CLKN 3 HDMI4-SCL 3 HDMI4-SDA 3 �� �� �� �� � � ��� � � � � � � ���� ���� �� �� �� �� �� �� � � � � KONKA 10.HDMI 18 10 �� �� �� �� � � ��� � � � � � � ���� ���� �� �� �� �� �� �� � � � � KONKA 10.HDMI 18 10 �� �� �� �� � � ��� � � � � � � ���� ���� �� �� �� �� �� �� � � � � KONKA 10.HDMI 18 10 NC To MST IC For CEC Leakage Protect SIDE HDMI 2nd HDMI 1st HDMI 180-Degree Connector 180-Degree Connector NC NC Hot-Plug Control SIDE HDMI NC R671 4K7 R671 4K7 5V_SUPPLY 1 LV_SUPPLY 2 GND 3 TMDS_D2+ 4 TMDS_GND 5 TMDS_D2- 6 TMDS_D1+ 7 TMDS_GND 8 TMDS_D1- 9 TMDS_D0+ 10 TMDS_GND 11 TMDS_D0- 12 TMDS_CK+ 13 TMDS_GND 14 TMDS_CK- 15 CE_REMOTE_IN 16 DDC_CLK_IN 17 DDC_DAT_IN 18 HOTPLUG_DET_IN 19 HOTPLUG_DET_OUT 20 DDC_DAT_OUT 21 DDC_CLK_OUT 22 CE_REMOTE_OUT 23 TMDS_CK- 24 TMDS_GND 25 TMDS_CK+ 26 TMDS_D0- 27 TMDS_GND 28 TMDS_D0+ 29 TMDS_D1- 30 TMDS_GND 31 TMDS_D1+ 32 TMDS_D2- 33 TMDS_GND 34 TMDS_D2+ 35 GND 36 TMDS_BYP 37 NC 38 N608 NC/CM2021 N608 NC/CM2021 L611 NC/FB_1k_Ohm_100mA L611 NC/FB_1k_Ohm_100mA 5V_SUPPLY 1 LV_SUPPLY 2 GND 3 TMDS_D2+ 4 TMDS_GND 5 TMDS_D2- 6 TMDS_D1+ 7 TMDS_GND 8 TMDS_D1- 9 TMDS_D0+ 10 TMDS_GND 11 TMDS_D0- 12 TMDS_CK+ 13 TMDS_GND 14 TMDS_CK- 15 CE_REMOTE_IN 16 DDC_CLK_IN 17 DDC_DAT_IN 18 HOTPLUG_DET_IN 19 HOTPLUG_DET_OUT 20 DDC_DAT_OUT 21 DDC_CLK_OUT 22 CE_REMOTE_OUT 23 TMDS_CK- 24 TMDS_GND 25 TMDS_CK+ 26 TMDS_D0- 27 TMDS_GND 28 TMDS_D0+ 29 TMDS_D1- 30 TMDS_GND 31 TMDS_D1+ 32 TMDS_D2- 33 TMDS_GND 34 TMDS_D2+ 35 GND 36 TMDS_BYP 37 NC 38 N609 NC/CM2021 N609 NC/CM2021 R665 1K R665 1K R600 0R R600 0R R682 10K R682 10K L612 NC/FB_1k_Ohm_100mA L612 NC/FB_1k_Ohm_100mA R680 NC R680 NC C641 NC/0.1uF C641 NC/0.1uF DATA2+ 1 DATA2 SHIELD 2 DATA2- 3 DATA1+ 4 DATA1 SHIELD 5 DAT1A- 6 DATA0+ 7 DATA0 SHIELD 8 DATA0- 9 CLK+ 10 CLK SHIELD 11 CLK- 12 CEC 13 NC 14 SCL 15 SDA 16 DDC/CEC GND 17 +5V POWER 18 HOT PLUG 19 20 20 21 21 23 23 22 22 24 24 XS604 HDMI XS604 HDMI R674 NC R674 NC C647 NC/0.1uF C647 NC/0.1uF R686 4K7 R686 4K7 C652 NC/0.1uF C652 NC/0.1uF C656 NC/0.1uF C656 NC/0.1uF R664 NC R664 NC + C634 NC/47uF/16V + C634 NC/47uF/16V C649 NC/0.1uF C649 NC/0.1uF R660 10K R660 10K 1 2 3 V605 MMBT3904 V605 MMBT3904 C648 NC/1uF C648 NC/1uF C600 0.1uF C600 0.1uF C655 NC/1uF C655 NC/1uF 5V_SUPPLY 1 LV_SUPPLY 2 GND 3 TMDS_D2+ 4 TMDS_GND 5 TMDS_D2- 6 TMDS_D1+ 7 TMDS_GND 8 TMDS_D1- 9 TMDS_D0+ 10 TMDS_GND 11 TMDS_D0- 12 TMDS_CK+ 13 TMDS_GND 14 TMDS_CK- 15 CE_REMOTE_IN 16 DDC_CLK_IN 17 DDC_DAT_IN 18 HOTPLUG_DET_IN 19 HOTPLUG_DET_OUT 20 DDC_DAT_OUT 21 DDC_CLK_OUT 22 CE_REMOTE_OUT 23 TMDS_CK- 24 TMDS_GND 25 TMDS_CK+ 26 TMDS_D0- 27 TMDS_GND 28 TMDS_D0+ 29 TMDS_D1- 30 TMDS_GND 31 TMDS_D1+ 32 TMDS_D2- 33 TMDS_GND 34 TMDS_D2+ 35 GND 36 TMDS_BYP 37 NC 38 N606 NC/CM2021 N606 NC/CM2021 1 2 3 V607 MMBT3904 V607 MMBT3904 + C651 NC/47uF/16V + C651 NC/47uF/16V + C646 NC/47uF/16V + C646 NC/47uF/16V R663 4K7 R663 4K7 R658 10K R658 10K C638 NC/0.1uF C638 NC/0.1uF R681 1K R681 1K R657 1K R657 1K C653 0.1uF C653 0.1uF 5V_SUPPLY 1 LV_SUPPLY 2 GND 3 TMDS_D2+ 4 TMDS_GND 5 TMDS_D2- 6 TMDS_D1+ 7 TMDS_GND 8 TMDS_D1- 9 TMDS_D0+ 10 TMDS_GND 11 TMDS_D0- 12 TMDS_CK+ 13 TMDS_GND 14 TMDS_CK- 15 CE_REMOTE_IN 16 DDC_CLK_IN 17 DDC_DAT_IN 18 HOTPLUG_DET_IN 19 HOTPLUG_DET_OUT 20 DDC_DAT_OUT 21 DDC_CLK_OUT 22 CE_REMOTE_OUT 23 TMDS_CK- 24 TMDS_GND 25 TMDS_CK+ 26 TMDS_D0- 27 TMDS_GND 28 TMDS_D0+ 29 TMDS_D1- 30 TMDS_GND 31 TMDS_D1+ 32 TMDS_D2- 33 TMDS_GND 34 TMDS_D2+ 35 GND 36 TMDS_BYP 37 NC 38 N607 NC/CM2021 N607 NC/CM2021 L613 NC/FB_100mA L613 NC/FB_100mA L614 NC/FB_100mA L614 NC/FB_100mA C637 NC/1uF C637 NC/1uF C650 0.1uF C650 0.1uF R683 10K R683 10K 1 2 3 V604 MMBT3904 V604 MMBT3904 DATA2+ 1 DATA2 SHIELD 2 DATA2- 3 DATA1+ 4 DATA1 SHIELD 5 DAT1A- 6 DATA0+ 7 DATA0 SHIELD 8 DATA0- 9 CLK+ 10 CLK SHIELD 11 CLK- 12 CEC 13 NC 14 SCL 15 SDA 16 DDC/CEC GND 17 +5V POWER 18 HOT PLUG 19 20 20 21 21 23 23 22 22 24 24 XS601 HDMI XS601 HDMI R688 0R R688 0R R675 10K R675 10K R684 10K R684 10K R677 4K7 R677 4K7 R656 NC R656 NC R666 10K R666 10K R691 0R R691 0R C644 NC/0.1uF C644 NC/0.1uF C645 NC/0.1uF C645 NC/0.1uF DATA2+ 1 DATA2 SHIELD 2 DATA2- 3 DATA1+ 4 DATA1 SHIELD 5 DAT1A- 6 DATA0+ 7 DATA0 SHIELD 8 DATA0- 9 CLK+ 10 CLK SHIELD 11 CLK- 12 CEC 13 NC 14 SCL 15 SDA 16 DDC/CEC GND 17 +5V POWER 18 HOT PLUG 19 20 20 21 21 23 23 22 22 24 24 XS602 HDMI XS602 HDMI R676 10K R676 10K R687 100R R687 100R R673 10K R673 10K C654 NC/0.1uF C654 NC/0.1uF R670 100R R670 100R R661 100R R661 100R C636 NC/0.1uF C636 NC/0.1uF R679 100R R679 100R R685 100R R685 100R R672 1K R672 1K R669 100R R669 100R R662 100R R662 100R R689 0R R689 0R DATA2+ 1 DATA2 SHIELD 2 DATA2- 3 DATA1+ 4 DATA1 SHIELD 5 DAT1A- 6 DATA0+ 7 DATA0 SHIELD 8 DATA0- 9 CLK+ 10 CLK SHIELD 11 CLK- 12 CEC 13 NC 14 SCL 15 SDA 16 DDC/CEC GND 17 +5V POWER 18 HOT PLUG 19 20 20 21 21 23 23 22 22 24 24 XS603 HDMI XS603 HDMI R678 100R R678 100R C643 NC/1uF C643 NC/1uF 1 2 3 V606 MMBT3904 V606 MMBT3904 R667 10K R667 10K C635 NC/0.1uF C635 NC/0.1uF C642 0.1uF C642 0.1uF R690 220R R690 220R R659 10K R659 10K R668 10K R668 10K C640 NC/0.1uF C640 NC/0.1uF + C639 NC/47uF/16V + C639 NC/47uF/16V PDF ��� "PDF ����" ����� ����� � 5 5 4 4 3 3 2 2 1 1 D D C C B B A A ET_TXD0-E ET_TXD1-E ET_INT_LAN ET_RX_ER-E TXP TXN RXP 50MHz_CLKOUT PHYAD1/LED1 ET_MDIO-E PHYAD3/LED3 PHYAD0/LED0 VDD33 X2_OUTPUT PHYAD4/LED4 RXN ET_TX_CLK-E REGOUT AVDD33 ET_TX_EN-E ET_COL-E ET_RXD0-E ET_RXD1-E X1_INPUT PHYAD2/LED2 50MHz_CLKOUT REGIN X2_OUTPUT PHYAD1/LED1 PHYAD2/LED2 PHYAD4/LED4 PHYAD0/LED0 REGIN REGOUT X1_INPUT ET_MDC-E REGOUT LAN_RX+ LAN_TX+ LAN_TX- LAN_RX- TXN TXP RXN RXP REGOUT PHYAD3/LED3 PHYAD0/LED0 PHYAD3/LED3 VDD33 VDD33 AVDD33 VDD33 VDD33 33V_Normal AVDD33 VDD33 33V_Normal VDD33 ETH_GND ETH_GND ETH_GND ETH_GND VDD33 VDD33_ETH VDD33_ETH VDD33 ET_MDC-E 2 ET_MDIO-E 2 ET_TXD0-E 2 ET_TXD1-E 2 ET_TX_EN-E 2 ET_COL-E 2 ET_RXD0-E 2 ET_RXD1-E 2 ET_TX_CLK-E 2 �� �� �� �� � � ��� � � � � � � ���� ���� �� �� �� �� �� �� � � � � KONKA 11. Ethernet 18 11 �� �� �� �� � � ��� � � � � � � ���� ���� �� �� �� �� �� �� � � � � KONKA 11. Ethernet 18 11 �� �� �� �� � � ��� � � � � � � ���� ���� �� �� �� �� �� �� � � � � KONKA 11. Ethernet 18 11 50MHz CLOCK OUT Generate by IP101A Set IP101A to RMII Mode * IP101A BANDGAP RESISTOR Pin48 could be short VDD33 if interrupt funtion is not used. As close to IP101A Pin14 as possible As close to IP101A Pin36 as possible CRYSTAL as close as to chip LED and PHY address Configuration This schematic sets PHY address to 00001b. LED0 LED1 LED2 LED3 LED4 Link Dupx 10Act 100Act COL As close to IP101A Pin32 as possible As close to IP101A Pin8 as possible * : Optional ,but recommended * * ** Bead should be placed as close to IP101A as possible and in the same side as IP101A. Y G CU68 10nF CU68 10nF RU89 49.9_1% RU89 49.9_1% CU6 15pF CU6 15pF RU24 5.1K RU24 5.1K RU11 6K19/1% RU11 6K19/1% RU92 49.9_1% RU92 49.9_1% MDC 25 MDIO 26 TXD0 6 TXD1 5 TXD2 4 TXD3 3 TX_EN 2 REF_CLK 7 CRS_DV 22 RXD0 21 RXD1 20 RXD2 19 RXD3 18 C50M_O 16 COL 1 CRS/LEDMOD 23 X1 46 X2 47 PHYAD0/LED0 9 PHYAD1/LED1 10 PHYAD2/LED2 12 PHYAD3/LED3 13 PHYAD4/LED4 15 REGIN 8 DVDD33 14 DGND 11 DGND 17 REGOUT 32 AVDD33 36 INTR 48 AGND 29 AGND 35 DGND 45 RX_ER 24 TEST_ON 27 MDI_TP 34 MDI_TN 33 MDI_RP 31 MDI_RN 30 ISET 28 ISOL 43 RPTR 40 RESET_N 42 SPD 39 DPLX 38 AN_ENA 37 APS 41 MII/SNIB 44 NU2 IP101A NU2 IP101A LU2 FB_33000440 LU2 FB_33000440 RU9 33R RU9 33R + CU12 10uF/16V + CU12 10uF/16V LU3 FB LU3 FB RU25 5.1K RU25 5.1K RU94 330R RU94 330R RU23 0R RU23 0R RU12 5.1K RU12 5.1K CU11 0.1uF CU11 0.1uF RU99 33R RU99 33R LU10 FB_33000440 LU10 FB_33000440 7 5 3 1 8 6 4 2 RU10 33R 7 5 3 1 8 6 4 2 RU10 33R CU13 10nF/50V CU13 10nF/50V CU15 0.1uF CU15 0.1uF RU17 0R RU17 0R CU20 0.1uF CU20 0.1uF RU14 5.1K RU14 5.1K CU64 10nF CU64 10nF CU67 10nF CU67 10nF CU14 10nF/50V CU14 10nF/50V LU4 FB_33000440 LU4 FB_33000440 CU10 30pF CU10 30pF LU12 FB_33000440 LU12 FB_33000440 RU91 49.9_1% RU91 49.9_1% CU65 10nF CU65 10nF CU18 10nF CU18 10nF CU17 0.1uF CU17 0.1uF RU100 0R/NC RU100 0R/NC + CU16 10uF/16V + CU16 10uF/16V RU13 5.1K RU13 5.1K RU22 5.1K RU22 5.1K CU66 150pF/3KV CU66 150pF/3KV RU19 33R RU19 33R TD+ 1 TD- 3 CT 2 CT 7 RD+ 6 RD- 8 TX+ 16 CT 15 TX- 14 RX+ 11 TC 10 RX- 9 nc 4 nc 5 nc 12 nc 13 NU7 PD1602 NU7 PD1602 CU9 30pF CU9 30pF RU101 0R/NC RU101 0R/NC LU11 FB_33000440 LU11 FB_33000440 RU93 330R RU93 330R RU20 5.1K RU20 5.1K RU65 5.1K RU65 5.1K 6 7 3 4 5 8 1 2 9 10 11 12 13 14 RJ-45 - + + - XSU01 ETHERNET_JACK RJ-45 - + + - XSU01 ETHERNET_JACK 7 5 3 1 8 6 4 2 RU4 33R 7 5 3 1 8 6 4 2 RU4 33R RU18 4K7 RU18 4K7 RU90 49.9_1% RU90 49.9_1% + CU19 10uF/16V + CU19 10uF/16V RU97 75R RU97 75R RU98 75R RU98 75R RU2 5.1K RU2 5.1K RU96 75R RU96 75R CU8 2.2uF CU8 2.2uF RU95 75R RU95 75R CU21 15pF CU21 15pF CU7 1nF/2KV/1206 CU7 1nF/2KV/1206 RU3 0R RU3 0R 1 2 3 ZU2 25MHz ZU2 25MHz RU21 5.1K RU21 5.1K PDF ��� "PDF ����" ����� ����� � 5 5 4 4 3 3 2 2 1 1 D D C C B B A A NAND_CLE PF_WEZ NAND_REz NAND_CEz NAND_CLE NAND_ALE NAND_WEz FLH_3.3V FLH_3.3V PCM_A[7:0] NAND_D7 NAND_RBZ NAND_D6 NAND_D5 NAND_D4 NAND_D3 NAND_D2 NAND_D1 NAND_D0 F_RBZ NAND_WEz PF_AD15 NAND_WPz NAND_RBZ PCM_A6 PCM_A7 PCM_A4 PCM_A5 PCM_A0 PCM_A1 PCM_A2 PCM_A3 PF_OEZ NAND_REz NAND_D7 PF_ALE NAND_D6 NAND_D5 NAND_D4 NAND_ALE NAND_D3 NAND_D2 NAND_D1 NAND_D0 PF_CE0Z NAND_CEz PF_CE1Z System-RST_NF NAND_WPz FLH_3.3V 33V_Normal FLH_3.3V FLH_3.3V FLH_3.3V PCM_A[7:0] 2 F_RBZ 2 PF_OEZ 2 PF_CE0Z 2 PF_CE1Z 2 PF_WEZ 2 PF_AD15 2 PF_ALE 2 System-RST_NF 2 �� �� �� �� � � ��� � � � � � � ���� ���� �� �� �� �� �� �� � � � � KONKA 12. Paraller flash 18 12 �� �� �� �� � � ��� � � � � � � ���� ���� �� �� �� �� �� �� � � � � KONKA 12. Paraller flash 18 12 �� �� �� �� � � ��� � � � � � � ���� ���� �� �� �� �� �� �� � � � � KONKA 12. Paraller flash 18 12 K9F1G08U0C R5232 33R R5232 33R R5236 33R R5236 33R R5242 33R R5242 33R R5245 4.7K/NC R5245 4.7K/NC R5228 NC/4K7 R5228 NC/4K7 R5229 33R R5229 33R R5246 3.9K R5246 3.9K C582 0.1uF C582 0.1uF R/B 7 RE 8 CE 9 NC 10 NC 11 VCC 12 VSS 13 NC 14 NC 15 CLE 16 ALE 17 WE 18 WP 19 NC 48 NC 47 NC 46 NC 45 D7 44 D6 43 D5 42 D4 41 VCC 37 VSS 36 NC 35 NC 34 NC 33 D3 32 D2 31 D1 30 D0 29 NC 1 NC 2 NC 3 NC 4 NC 5 NC 6 NC 20 NC 21 NC 22 NC 23 NC 24 NC 25 NC 26 NC 27 NC 28 NC 38 NC 39 NC 40 N506 FLASH N506 FLASH R5238 33R R5238 33R R5230 33R R5230 33R C576 0.1uF C576 0.1uF L506 FB_33000847 L506 FB_33000847 R5235 33R R5235 33R R5307 33K/NC R5307 33K/NC R5240 33R R5240 33R R5241 33R R5241 33R R5231 33R R5231 33R 3 1 2 V508 3904/NC V508 3904/NC R5227 33R R5227 33R + C578 10uF/16V + C578 10uF/16V R5233 33R R5233 33R R5234 33R R5234 33R R5237 33R R5237 33R R5226 3.9K R5226 3.9K C577 0.1uF C577 0.1uF R5239 33R R5239 33R PDF ��� "PDF ����" ����� ����� � 5 5 4 4 3 3 2 2 1 1 D D C C B B A A EN_USB USBDN_DP1_H VDDA18PLL PWR3 GND_DN3 VDDA18CR PWR1 PRTPWR3 PWR4 USBDN_DP1 USBDN_DP1 USBUP_DM_H USBDN_DM1 USBDN_DM1 OCS_n[4:1] VDDA33 USBDN_DM2 USBDN_DM2_H USBUP_DP_H LOCAL_PWR USBDN_DP3 USBDN_DP3_H USBDN_DM3 USBDN_DM3_H USBDN_DP4 USBDN_DP4_H USBDN_DM4 USBDN_DM4_H USBDN_DP2 USBDN_DP2_H GND_DN1 PWR1 XTAL1 XTAL2 PWR2 RESETn VBUS_DET PRTPWR2 PRTPWR1 OCS_n2 OCS_n1 PRTPWR[4:1] PRTPWR4 PRTPWR2 PRTPWR3 PWR2 GND_DN2 USBUP_DP RBIAS OCS_n4 OCS_n3 OCS_n2 OCS_n1 USBDN_DM1_H GND_DN4 USBUP_DM USBUP_DM OCS_n4 OCS_n3 PRTPWR4 PWR3 PWR4 PRTPWR1 WP USB-SDA USB-SCL USB-SDA USB-SCL SMB_DAT SMB_CLK EN_USB PRTPWR1 OCS_n1 OCS_n2 OCS_n3 OCS_n4 OCS SMB_CLK OCS +12V VDD5-USB 33V_Normal 3V3 3V3 3V3 VDD5-USB 3V3 33V_Normal 3V3 VDD5-USB 3V3 3V3 3V3 VDD5-USB VDD5-USB 5Vstb_USB ON_USB 2 USB1_DM 2 USB1_DP 2 USB2_DM 2 USB2_DP 2 SMB_DAT 2 SMB_CLK 2 I2C-SDA 2,8,14,15 I2C-SCL 2,8,14,15 �� �� �� �� � � ��� � � � � � � ���� ���� �� �� �� �� �� �� � � � � KONKA 13. USB 18 13 �� �� �� �� � � ��� � � � � � � ���� ���� �� �� �� �� �� �� � � � � KONKA 13. USB 18 13 �� �� �� �� � � ��� � � � � � � ���� ���� �� �� �� �� �� �� � � � � KONKA 13. USB 18 13 +5V USB �������� Active Hub Indicator Not required Do not install for USB2512. DNP Option: Replace U1 with USB2513 or USB2512, as desired. Do not install Port 4 components when using USB2513 or USB2512. Do not install Port 3 components when using USB2512. DNP DNP Place between J4 and J5. Do not install for USB2512. Do not install for USB2513/2. DOWNSTREAM DOWNSTREAM DOWNSTREAM DOWNSTREAM EEPROM I2C address at A6 Option: To disable a USB port, pull both D+ and D- high. Not normally populated. + CU30 100uF + CU30 100uF RU78 47K RU78 47K RU72 1Meg RU72 1Meg VDU4 GREEN_LED VDU4 GREEN_LED RU57 100K RU57 100K CU42 0.1uF CU42 0.1uF RU47 0R RU47 0R RU34 100K RU34 100K R817 10K1% R817 10K1% RU32 100R RU32 100R 3 1 2 VDU7 BAT54A VDU7 BAT54A CU41 22pF CU41 22pF RU29 2K RU29 2K 1 2 LU9 FB_300_Ohm_4A/NC LU9 FB_300_Ohm_4A/NC VCC 4 D- 3 D+ 2 GND 1 SHLD 9 SHLD 10 USB_A-REC-RA-THRU XSU1-1 USB_A-REC-RA-THRU XSU1-1 RU27 2K RU27 2K L803 10uH L803 10uH RU62 12.0K 1% RU62 12.0K 1% RU63 1K RU63 1K CU38 0.1uF CU38 0.1uF RU35 100R RU35 100R RU33 10K RU33 10K + CAU2 470uF/25V + CAU2 470uF/25V CU45 0.1uF CU45 0.1uF + CAU01 220uF/16V + CAU01 220uF/16V CU52 22pF CU52 22pF CU25 0.1uF CU25 0.1uF C863 0.1uF C863 0.1uF ZU01 24.000MHz 50ppm ZU01 24.000MHz 50ppm + CU48 220uF/16V + CU48 220uF/16V VCC 8 D- 7 D+ 6 GND 5 SHLD 11 SHLD 12 USB_A-REC-RA-THRU XSU2-2 USB_A-REC-RA-THRU XSU2-2 A0 1 A1 2 A2 3 GND 4 SDA 5 SCL 6 WP 7 VCC 8 NU01 24C04/NC NU01 24C04/NC RU30 10K/NC RU30 10K/NC USBUP_DP 31 USBUP_DM 30 USBDN1_DP 2 USBDN2_DP 4 USBDN3_DP 7 USBDN4_DP 9 USBDN1_DM 1 USBDN2_DM 3 USBDN3_DM 6 USBDN4_DM 8 VBUS_DET 27 PRTPWR1 12 PRTPWR2 16 PRTPWR3 18 PRTPWR4 20 OCS1 13 OCS2 17 OCS3 19 OCS4 21 RBIAS 35 SDA/SMBDATA/NON_REM1 22 SCL/SMBCLK/CFG_SEL0 24 HS_IND/CFG_SEL1 25 XTAL1/CLKIN 33 XTAL2 32 RESET 26 LOCAL_PWR/NON_REM0/SUSP_IND_N 28 TEST 11 VDD33(IO) 23 VDDPLL18 34 VDDA33 29 VDDPLLREF/VDDA33 36 VDD33(REG) 15 VDDCR18 14 VSS(FLAG) 37 VDDA33 5 VDDA33 10 Upstream Downstream 1 Downstream 2 Downstream 3 Downstream 4 EEPROM/Config Common NU5 USB2514QFN36 Upstream Downstream 1 Downstream 2 Downstream 3 Downstream 4 EEPROM/Config Common NU5 USB2514QFN36 CU57 10uF/16V CU57 10uF/16V RU86 0R RU86 0R VDU5 GREEN_LED VDU5 GREEN_LED 3 1 2 VU01 3904 VU01 3904 1 2 3 5 4 6 NU08 IP4223CZ6 NU08 IP4223CZ6 VD803 NC/PMEG2020 VD803 NC/PMEG2020 VDU3 GREEN_LED VDU3 GREEN_LED CU33 0.1uF CU33 0.1uF + CU24 100uF + CU24 100uF 1 2 LU7 60_Ohm_4A LU7 60_Ohm_4A CU39 10uF_X5R CU39 10uF_X5R VIN 2 FB 4 PGND 1 COMP 5 EN 6 LX 7 LX 8 AGND 3 N803 AOZ1073/1072 N803 AOZ1073/1072 VCC 4 D- 3 D+ 2 GND 1 SHLD 9 SHLD 10 USB_A-REC-RA-THRU XSU2-1 USB_A-REC-RA-THRU XSU2-1 CU01 0.1u/NC CU01 0.1u/NC CU61 1.0uF_X5R CU61 1.0uF_X5R CU58 10uF/16V CU58 10uF/16V 1 2 LU8 FB_300_Ohm_4A/NC LU8 FB_300_Ohm_4A/NC RU66 4.7K/NC RU66 4.7K/NC RU77 0R/NC RU77 0R/NC + CU28 100uF + CU28 100uF RU36 100R RU36 100R 3 1 2 VU2 NC_3904 VU2 NC_3904 RU67 4.7K RU67 4.7K RU58 330 RU58 330 CU63 0.1uF CU63 0.1uF RU01 0 RU01 0 CU60 0.1uF CU60 0.1uF RU84 0R RU84 0R CU56 10uF/16V CU56 10uF/16V CU36 0.1uF CU36 0.1uF C8004 0.1uF/NC C8004 0.1uF/NC CU31 0.1uF CU31 0.1uF RU37 100R RU37 100R RU80 10K RU80 10K CU32 0.1uF CU32 0.1uF RU64 100K RU64 100K CU22 1.0uF CU22 1.0uF RU49 100R_NC RU49 100R_NC VDU01 GREEN_LED VDU01 GREEN_LED CU55 10uF/16V CU55 10uF/16V CU46 10uF_X5R CU46 10uF_X5R C837 3.3nF C837 3.3nF CU62 0.47uF CU62 0.47uF + CU26 100uF + CU26 100uF R818 47K 1% R818 47K 1% RU50 100R_NC RU50 100R_NC RU38 0R RU38 0R CU23 1.0nF CU23 1.0nF RU61 100K RU61 100K CU47 0.1uF CU47 0.1uF RU60 100K RU60 100K IN 2 ENA 3 OUTA 7 OUTB 6 FLAGA 8 ENB 4 GND 1 FLAGB 5 NU3 MP6231DN NU3 MP6231DN RU79 100K RU79 100K RU54 4.7K_NC RU54 4.7K_NC RU48 100R_NC RU48 100R_NC RU70 100R/NC RU70 100R/NC CU34 0.1uF CU34 0.1uF RU39 0R RU39 0R RU73 100R/NC RU73 100R/NC RU51 100R_NC RU51 100R_NC + CU49 220uF/16V + CU49 220uF/16V RU82 100K/NC RU82 100K/NC CU59 0.1uF CU59 0.1uF RU42 0R RU42 0R C838 NC/180p/50V C838 NC/180p/50V CU54 1.0uF_X5R CU54 1.0uF_X5R 1 2 LU6 33000845 LU6 33000845 RU85 0R/NC RU85 0R/NC RU53 4.7K_NC RU53 4.7K_NC RU55 100R_NC RU55 100R_NC CU51 10uF/16V CU51 10uF/16V RU59 100K RU59 100K CU43 0.1uF CU43 0.1uF RU31 2K RU31 2K CU44 0.1uF CU44 0.1uF RU69 100/NC RU69 100/NC RU28 100K/NC RU28 100K/NC IN 2 ENA 3 OUTA 7 OUTB 6 FLAGA 8 ENB 4 GND 1 FLAGB 5 NU4 MP6231DN NU4 MP6231DN D 1 D 2 D 3 G 4 S 8 S 7 S 6 S 5 VU3 9435A VU3 9435A RU43 0R RU43 0R RU40 10K RU40 10K R819 6.8K R819 6.8K 1 2 LU5 FB_300_Ohm_2A LU5 FB_300_Ohm_2A CU37 10uF_X5R CU37 10uF_X5R RU52 10K_NC RU52 10K_NC RU56 100R_NC RU56 100R_NC 3 1 2 VDU8 BAT54A VDU8 BAT54A VDU2 GREEN_LED VDU2 GREEN_LED RU44 0R RU44 0R CU27 0.1uF CU27 0.1uF VCC 8 D- 7 D+ 6 GND 5 SHLD 11 SHLD 12 USB_A-REC-RA-THRU XSU1-2 USB_A-REC-RA-THRU XSU1-2 RU68 4.7K/NC RU68 4.7K/NC RU83 0R RU83 0R R816 270K R816 270K CU50 10uF/16V CU50 10uF/16V RU71 33K RU71 33K CU53 0.1uF CU53 0.1uF RU45 0R RU45 0R RU41 10K RU41 10K RU81 NC RU81 NC CU29 0.1uF CU29 0.1uF RU46 0R RU46 0R RU26 2K RU26 2K PDF ��� "PDF ����" ����� ����� � 5 5 4 4 3 3 2 2 1 1 D D C C B B A A C1M C0M B2M BCKM B4M B3M CCKM C2M C4M C3M D0M D1M D2M DCKM D4M D3M B1M B0M A1M ACKM A2M A4M A3M A0M C0P C1P B2P BCKP B3P B4P M1_CLK+_MEMC M1_CLK-_MEMC C2P CCKP C3P C4P D1P D0P D2P DCKP D4P D3P M1-CKE_MEMC Ursa_RESET MVREF_MEMC B-MADR0_MEMC B-MADR1_MEMC B-MADR2_MEMC B-MADR3_MEMC M1-BA0_MEMC B_BA1_MEMC M1-BA1_MEMC B-MADR5_MEMC B-MADR6_MEMC B-MADR7_MEMC B-MADR8_MEMC B-MADR9_MEMC B-MADR10_MEMC B-MADR11_MEMC B-MADR12_MEMC B-MADR4_MEMC RASZM1 B_CASZ_MEMC B_WEZ_MEMC CASZM1 WEZM1 MOD_GPIO3 MOD_GPIO2 B-DQS0M_MEMC B-DQM0_MEMC B_DQM1_MEMC B-DQM1_MEMC B_DQM0_MEMC B-MDATA15_MEMC B-MDATA14_MEMC B-MDATA13_MEMC B-MDATA12_MEMC B-DQS1M_MEMC B-MDATA11_MEMC B-MDATA10_MEMC B-MDATA9_MEMC B-MDATA8_MEMC B-DQS1P_MEMC B-MDATA7_MEMC B-MDATA6_MEMC B-MDATA5_MEMC B-MDATA4_MEMC B-MDATA3_MEMC B-MDATA2_MEMC B-MDATA1_MEMC B-MDATA0_MEMC B-DQS0P_MEMC B_BA2_MEMC M1-BA2_MEMC B_RASZ_MEMC B_ODT_MEMC GPIO1_MEMC XTALO_MEMC XTALI_MEMC GPIO1_MEMC SPI_CK_MEMC SPI_DI_MEMC SPI_CZ_MEMC SPI_DO_MEMC I2CS_SDA GPIO11_MEMC SPI_CZ_MEMC SPI_DO_MEMC SPI_CK_MEMC SPI_DI_MEMC B0P B1P A1P RXEC+ RXE3- ACKP A2P A3P A4P A0P RXE3+ RXE4- RXE4+ RXE0- RXE0+ RXE1- RXE1+ RXE2- RXE2+ RXEC- RXO0- GPIO13_MEMC RXO0+ RXO1- RXO1+ RXO2- RXO2+ RXOC- RXOC+ RXO3- RXO3+ RXO4- RXO4+ I2CS_SDA I2CS_SCL B_MCLKZ_MEMC B_MCLK_MEMC U3_RESET B_DQS1P_MEMC B_MDATA15_MEMC B_MDATA8_MEMC B_MDATA10_MEMC B_MDATA13_MEMC B_MDATA7_MEMC B_MDATA0_MEMC B_BA2_MEMC B_MDATA2_MEMC B_MDATA5_MEMC B_MDATA11_MEMC B_MDATA12_MEMC B_MDATA9_MEMC B_MDATA6_MEMC B_DQM0_MEMC B_DQS0P_MEMC B_DQS0M_MEMC B_DQS1M_MEMC B_MDATA1_MEMC B_MDATA3_MEMC B_MDATA4_MEMC B_DQM1_MEMC B-MDATA6_MEMC B_MDATA3_MEMC B_MDATA1_MEMC B-MDATA3_MEMC B-MDATA1_MEMC B-MDATA4_MEMC B_MDATA6_MEMC B_MDATA4_MEMC B_MDATA0_MEMC B_MDATA7_MEMC B_MDATA2_MEMC B_MDATA5_MEMC B_MDATA10_MEMC B_MDATA13_MEMC B_MDATA15_MEMC B_MDATA8_MEMC B-MDATA10_MEMC B-MDATA8_MEMC B-MDATA15_MEMC B-MDATA13_MEMC B-MDATA2_MEMC B-MDATA0_MEMC B-MDATA7_MEMC B-MDATA5_MEMC B-MDATA11_MEMC B-MDATA9_MEMC B-MDATA14_MEMC B-MDATA12_MEMC B_MDATA9_MEMC B_MDATA11_MEMC B_MDATA14_MEMC B_MDATA12_MEMC B_MADR6_MEMC B-MADR6_MEMC B-MADR4_MEMC B-MADR0_MEMC B-MADR2_MEMC B_MADR0_MEMC B_MADR2_MEMC B_MADR4_MEMC B_MADR1_MEMC B_MADR10_MEMC B_MADR5_MEMC B_MADR3_MEMC B_MADR7_MEMC B-MADR5_MEMC B-MADR10_MEMC B-MADR1_MEMC B-MADR7_MEMC B-MADR3_MEMC MOD_GPIO1 MOD_GPIO0 B_CKE_MEMC B_BA0_MEMC M1-CKE_MEMC B_MADR12_MEMC B-MADR9_MEMC B_MADR9_MEMC B-MADR12_MEMC M1-BA0_MEMC M1-BA0 I2CS_SCL B_MADR8_MEMC B_MADR11_MEMC B-MADR8_MEMC B-MADR11_MEMC PDI_MEMC B-DQS1M_MEMC B-DQS1M GPIO8_MEMC B-DQS1P_MEMC B_DQS1P_MEMC B_DQS1M_MEMC B_DQS0P_MEMC B_DQS0M_MEMC B-DQS0M_MEMC B-DQS0P_MEMC B_MCLK_MEMC B_MCLKZ_MEMC M1_CLK-_MEMC M1_CLK+_MEMC C1P C1M CCKP CCKM C2P C2M C4P C4M C3P B_ODT_MEMC B_RASZ_MEMC C3M B_MADR0_MEMC B_MADR2_MEMC D1P B_MADR4_MEMC B_MADR6_MEMC B_MADR8_MEMC D1M B_MADR11_MEMC B_WEZ_MEMC B_CASZ_MEMC D0P D0M B_CKE_MEMC B_MADR9_MEMC D2P B_MADR12_MEMC B_MADR7_MEMC B_MADR3_MEMC D2M B_MADR5_MEMC B_MADR10_MEMC B_MADR1_MEMC B_BA1_MEMC B_BA0_MEMC DCKP DCKM D4P D4M D3P D3M C0P C0M XTALI_MEMC GPIO8_MEMC XTALO_MEMC Ursa_RESET GPIO1_MEMC PWM0_MEMC A1P A1M PWM1_MEMC ACKP ACKM A2P A2M RXEC+ RXE3- RXE3+ RXE4- RXE4+ RXO0- RXO0+ RXO1- RXO1+ RXO2- RXO2+ RXOC- RXOC+ B_MDATA14_MEMC RXO3- RXO3+ RXO4- RXO4+ RXE0- RXE0+ RXE1- RXE1+ RXE2- RXE2+ RXEC- BIST_MEMC A4P A4M A3P A3M B1P B1M B0P B0M B2P B2M BCKP BCKM B4P B4M B3P B3M A0P A0M GPIO12_MEMC GPIO10_MEMC MVREF_MEMC I2CS_SCL_MEMC PWM1_MEMC PWM0_MEMC I2CS_SDA_MEMC VCC3.3V_MEMC DDR_1.8V_MEMC VDDC_MEMC VCC1.2V_MEMC AVDD_DDR_MEMC VCC1.8V_MEMC AVDD_MPLL_MEMC DDR_1.8V_MEMC AVDD_DDR_MEMC AVDD_MEMC VDDC_MEMC VCC3.3V_MEMC VCC3.3V_MEMC VCC3.3V_MEMC AVDD_MEMPLL_MEMC AVDD_LVDS_MEMC AVDD_MEMPLL_MEMC VCC3.3V_MEMC VDDC_MEMC VCC3.3V_MEMC VDDP_MEMC AVDD_LPLL_MEMC VCC3.3V_MEMC AVDD_MPLL_MEMC VCC3.3V_MEMC VDDP_MEMC DDR_1.8V_MEMC VCC1.8V_MEMC VDDP_MEMC AVDD_LVDS_MEMC VCC3.3V_MEMC AVDD_MEMC VCC3.3V_MEMC AVDD_LPLL_MEMC DDR_1.8V_MEMC I2C-SDA 2,8,13,15 C0M 15 C1M 15 C1P 15 C2M 15 CCKM 15 CCKP 15 C2P 15 C3M 15 C4M 15 C4P 15 C3P 15 D0M 15 D1M 15 D1P 15 D0P 15 D2M 15 D2P 15 DCKM 15 DCKP 15 D3M 15 D4M 15 D4P 15 D3P 15 C0P 15 RXO0+ 2 RXO0- 2 RXO1+ 2 RXO1- 2 RXO2+ 2 RXO2- 2 RXOC+ 2 RXOC- 2 RXO3+ 2 RXO3- 2 RXO4+ 2 RXO4- 2 RXE0+ 2 RXE0- 2 A0M 2,15 RXE1+ 2 RXE1- 2 A1M 2,15 A1P 2,15 A2M 2,15 ACKM 2,15 ACKP 2,15 A2P 2,15 RXE2+ 2 RXE2- 2 RXEC+ 2 RXEC- 2 RXE3+ 2 RXE3- 2 RXE4+ 2 RXE4- 2 A3M 2,15 A4M 2,15 A4P 2,15 A3P 2,15 B0M 2,15 B1M 2,15 B1P 2,15 B0P 2,15 B2M 2,15 B2P 2,15 BCKM 2,15 BCKP 2,15 B3M 2,15 B4M 2,15 B4P 2,15 B3P 2,15 A0P 2,15 I2C-SCL 2,8,13,15 �� �� �� �� � � ��� � � � � � � ���� �� �� �� �� �� �� �� �� � � � � KONKA <��> <��> <��> <���> <��> 14. MEMC 18 14 �� �� �� �� � � ��� � � � � � � ���� �� �� �� �� �� �� �� �� � � � � KONKA <��> <��> <��> <���> <��> 14. MEMC 18 14 �� �� �� �� � � ��� � � � � � � ���� �� �� �� �� �� �� �� �� � � � � KONKA <��> <��> <��> <���> <��> 14. MEMC 18 14 ��AP1702���� RESET K4T1G164QE-HCF7 CHIP_CONF: {GPIO8, PWM1, PWM0} CHIP_CONF= 3ˇd5: boot from internal SRAM CHIP_CONF= 3ˇd6: boot from EEPROM CHIP_CONF= 3ˇd7: boot from SPI GPIO1 IS AWAYLS LOW For 1G bits DRAM use only Chip Config LVDS IN Debug Port LVDS OUT Close to MST IC R388 56 R388 56 R342 100_DNS R342 100_DNS C338 10uF/6.3V C338 10uF/6.3V R323 10_DNS R323 10_DNS C300 0.1uF C300 0.1uF R357 10_DNS R357 10_DNS R311 100R R311 100R R341 10 R341 10 C311 0.1uF C311 0.1uF R363 10_DNS R363 10_DNS R352 10_DNS R352 10_DNS C355 0.1uF C355 0.1uF C361 10uF/6.3V C361 10uF/6.3V R356 10_DNS R356 10_DNS 7 5 3 1 8 6 4 2 RA306 RP56X4 7 5 3 1 8 6 4 2 RA306 RP56X4 R374 56 R374 56 R353 10_DNS R353 10_DNS C357 0.1uF C357 0.1uF R370 DNS R370 DNS A0 M8 A1 M3 A2 M7 A3 N2 A4 N8 A5 N3 A6 N7 A7 P2 A8 P8 A9 P3 A10 M2 A11 P7 A12 R2 BA0 L2 BA1 L3 CK J8 CK K8 CKE K2 RAS K7 CAS L7 WE K3 DQ0 G8 DQ1 G2 DQ2 H7 DQ3 H3 DQ4 H1 DQ5 H9 DQ6 F1 DQ7 F9 DQ8 C8 DQ9 C2 DQ10 D7 DQ11 D3 DQ12 D1 DQ13 D9 DQ14 B1 DQ15 B9 UDQS B7 UDQS A8 UDM B3 LDQS F7 LDQS E8 CS L8 LDM F3 VDD A1 VSS A3 VDDQ A9 VSSQ B8 VSSQ B2 VDDQ C1 VDDQ C7 VDDQ C3 VSSQ D2 VSSQ D8 VDD E1 VSS E3 VSSQ E7 VSSQ F2 VSSQ F8 VDDQ G1 VDDQ G3 VDDQ G7 VDDQ G9 VDDQ E9 VSSQ H2 VSSQ H8 VDDL J1 VREF J2 VSS J3 VSSDL J7 VDD J9 ODT K9 VDD M9 VSS N1 VSS P9 VDD R1 VDDQ C9 VSSQ A7 BA2/RFU2 L1 N300 EDE5116AJBG-8E N300 EDE5116AJBG-8E C302 10uF/6.3V C302 10uF/6.3V R390 56 R390 56 7 5 3 1 8 6 4 2 RA300 RP22X4 7 5 3 1 8 6 4 2 RA300 RP22X4 R303 0 R303 0 1 2 L300 150ohm_3A L300 150ohm_3A R389 56 R389 56 1 2 L302 150ohm_600mA L302 150ohm_600mA R365 56 R365 56 R355 10_DNS R355 10_DNS R381 56 R381 56 C319 0.1uF C319 0.1uF R347 10K_1% R347 10K_1% R309 100R R309 100R R335 4.7K/NC R335 4.7K/NC C360 10uF/6.3V C360 10uF/6.3V C315 0.1uF C315 0.1uF R316 100R R316 100R C323 0.1uF C323 0.1uF C334 0.1uF C334 0.1uF 1 2 L308 150ohm_2A L308 150ohm_2A R344 10 R344 10 C342 0.1uF C342 0.1uF R318 10_DNS R318 10_DNS R372 56_DNS R372 56_DNS R376 10K R376 10K R369 56 R369 56 R384 56 R384 56 R386 56 R386 56 C345 0.1uF C345 0.1uF 7 5 3 1 8 6 4 2 RA305 RP56X4 7 5 3 1 8 6 4 2 RA305 RP56X4 R351 10_DNS R351 10_DNS C333 0.1uF C333 0.1uF 1 2 L306 150ohm_600mA L306 150ohm_600mA C336 0.1uF C336 0.1uF C325 0.1uF C325 0.1uF + C320 NC/470uF + C320 NC/470uF C346 0.1uF C346 0.1uF C318 0.1uF C318 0.1uF C309 0.1uF C309 0.1uF R385 100 R385 100 R317 10_DNS R317 10_DNS C358 22p C358 22p R315 100R R315 100R C304 0.1uF C304 0.1uF R304 100R R304 100R 7 5 3 1 8 6 4 2 RA302 RP22X4 7 5 3 1 8 6 4 2 RA302 RP22X4 1 2 L303 150ohm_600mA L303 150ohm_600mA C327 0.1uF C327 0.1uF R343 10K R343 10K R310 100R R310 100R R338 100 R338 100 C312 0.1uF C312 0.1uF B1M 163 B1P 164 B0M 165 B0P 166 VSS 167 AVDD_LVDS 168 A4M 169 A4P 170 A3M 171 A3P 172 ACKM 173 ACKP 174 A2M 175 A2P 176 A1M 177 A1P 178 A0M 179 A0P 180 AVDD_LPLL 181 VSS 182 VDDC 183 VDDP 184 VSS 185 XTALI 186 XTALO 187 AVDD_MPLL 188 VDDC 189 AVDD 190 RO0N 191 RO0P 192 RO1N 193 RO1P 194 RO2N 195 RO2P 196 ROCKN 197 ROCKP 198 RO3N 199 RO3P 200 RO4N 201 RO4P 202 VSS 203 AVDD 204 RE0N 205 RE0P 206 RE1N 207 RE1P 208 RE2N 209 RE2P 210 RECKN 211 RECKP 212 RE3N 213 RE3P 214 RE4N 215 RE4P 216 VSS 109 SPI_CK 110 SPI_DI 111 SPI_DO 112 SPI_CZ 113 PWM1 114 PWM0 115 GPIO[1] 116 VDDC 117 VDDP 118 D4M 119 D4P 120 D3M 121 D3P 122 AVDD_LVDS 123 DCKM 124 DCKP 125 D2M 126 D2P 127 VSS 128 MOD_GPIO3 129 MOD_GPIO2 130 D1M 131 D1P 132 D0M 133 D0P 134 C4M 135 C4P 136 C3M 137 C3P 138 CCKM 139 CCKP 140 C2M 141 C2P 142 C1M 143 C1P 144 C0M 145 C0P 146 VSS 147 AVDD_LVDS 148 B4M 149 B4P 150 B3M 151 B3P 152 BCKM 153 BCKP 154 B2M 155 B2P 156 MOD_GPIO1 157 MOD_GPIO0 158 VDDC 159 AVDD_LVDS 160 VSS 161 REXT 162 DDR2_ODT 55 DDR2_RASZ 56 DDR2_CASZ 57 DDR2_A0 58 DDR2_A2 59 DDR2_A4 60 VSS 61 DDR2_A6 62 DDR2_A8 63 DDR2_A11 64 DDR2_WEZ 65 DDR2_BA1 66 DDR2_BA0 67 DDR2_A1 68 DDR2_A10 69 AVDD_DDR 70 DDR2_A5 71 DDR2_A9 72 DDR2_A12 73 DDR2_A7 74 DDR2_A3 75 DDR2_CKE 76 VSS 77 VDDC 78 I2CM_SCL2_L 79 I2CM_SDA2_L 80 VDDP 81 VSS 82 LTD_DA0_R 83 LTD_CLK_R 84 LTD_DE_R 85 LTD_DA1_R 86 PLL_LOCK_R 87 OP_SYNC_R 88 SOFT_RST_R 89 S_M_PIF_DA1 90 S_M_PIF_DA0 91 VSS 92 S_M_PIF_CLK 93 S_M_PIF_FC 94 S_M_PIF_CS 95 I2CM_SDA2_R 96 I2CM_SCL2_R 97 GPIO[31] 98 GPIO[22] 99 GPIO[23] 100 GPIO[24] 101 GPIO[25] 102 GPIO[26] 103 GPIO[27] 104 TESTPIN 105 RESET 106 VDDP 107 VDDC 108 VSS 1 I2CS_SDA 2 I2CS_SCL 3 GPIO[8] 4 GPIO[9] 5 VSS 6 VDDC 7 GPIO[10] 8 GPIO[11] 9 GPIO[12] 10 GPIO[13] 11 PDI 12 BIST 13 GPIO[14] 14 VDDP 15 VSS 16 VDDC 17 DDR2_DQ[4] 18 DDR2_DQ[3] 19 VSS 20 DDR2_DQ[1] 21 DDR2_DQ[6] 22 AVDD_DDR 23 DDR2_DQ[11] 24 DDR2_DQ[12] 25 VSS 26 DDR2_DQ[9] 27 DDR2_DQ[14] 28 AVDD_DDR 29 DDR2_DQM[1] 30 DDR2_DQM[0] 31 VSS 32 DDR2_DQS[0] 33 DDR2_DQSB[0] 34 AVDD_DDR 35 VDDP 36 VSS 37 DDR2_DQS[1] 38 DDR2_DQSB[1] 39 AVDD_DDR 40 DDR2_DQ[15] 41 DDR2_DQ[8] 42 VSS 43 DDR2_DQ[10] 44 DDR2_DQ[13] 45 AVDD_DDR 46 DDR2_DQ[7] 47 DDR2_DQ[0] 48 DDR2_DQ[2] 49 DDR2_DQ[5] 50 DDR2_MCLK 51 DDR2_MCLKZ 52 VSS 53 AVDD_MEMPLL 54 GND217 217 Ursa3 216P 2-CH LVDS in / 4-CH LVDS out DDR2-16 N301 Ursa3-216P Ursa3 216P 2-CH LVDS in / 4-CH LVDS out DDR2-16 N301 Ursa3-216P CE# 1 SO 2 WP# 3 VSS 4 SI 5 SCK 6 HOLD# 7 VDD 8 N302 EN25F40 N302 EN25F40 R327 10K R327 10K 3 1 2 VD300 BAV99 VD300 BAV99 R326 10K R326 10K C362 1000pF C362 1000pF R362 10_DNS R362 10_DNS R395 56 R395 56 R373 56 R373 56 C308 0.1uF C308 0.1uF C328 0.1uF C328 0.1uF C352 0.1uF C352 0.1uF C354 0.1uF C354 0.1uF R350 10_DNS R350 10_DNS C314 0.1uF C314 0.1uF + CA301 220uF/16V + CA301 220uF/16V R346 10 R346 10 C321 10uF/6.3V C321 10uF/6.3V R349 10_DNS R349 10_DNS C307 0.1uF C307 0.1uF R320 10_DNS R320 10_DNS 1 2 L305 150ohm_600mA L305 150ohm_600mA C344 0.1uF C344 0.1uF R387 47K R387 47K R305 100R R305 100R R361 10_DNS R361 10_DNS + C330 100uF + C330 100uF 1 2 L307 150ohm_4A L307 150ohm_4A C332 0.1uF C332 0.1uF R366 1M R366 1M R331 10_DNS R331 10_DNS R393 56 R393 56 R319 10_DNS R319 10_DNS R332 10_DNS R332 10_DNS R337 100 R337 100 R333 10K R333 10K C359 22p C359 22p C322 0.1uF C322 0.1uF C316 0.1uF C316 0.1uF C310 0.1uF C310 0.1uF C348 0.1uF C348 0.1uF 1 2 L304 150ohm_600mA L304 150ohm_600mA R368 DNS R368 DNS C324 0.1uF C324 0.1uF R334 10K_DNS R334 10K_DNS GND 1 RESET# 2 VCC 3 N303 NC/AP1702F N303 NC/AP1702F C329 0.1uF C329 0.1uF C317 0.1uF C317 0.1uF C340 0.1uF C340 0.1uF C363 0.1uF_DNS C363 0.1uF_DNS 1 2 L301 150ohm_600mA L301 150ohm_600mA 7 5 3 1 8 6 4 2 RA301 RP22X4 7 5 3 1 8 6 4 2 RA301 RP22X4 R379 56 R379 56 R306 100R R306 100R R396 56 R396 56 R360 10_DNS R360 10_DNS R313 100R R313 100R C343 0.1uF C343 0.1uF R328 10K_DNS R328 10K_DNS R345 10K_1% R345 10K_1% R330 10K_DNS R330 10K_DNS R380 56 R380 56 R392 56 R392 56 R375 56 R375 56 C326 0.1uF C326 0.1uF R314 820 R314 820 R321 10_DNS R321 10_DNS R382 56 R382 56 C331 10uF/6.3V C331 10uF/6.3V R324 10_DNS R324 10_DNS R359 10_DNS R359 10_DNS R329 10K R329 10K R394 56 R394 56 Z300 12MHz/DIP Z300 12MHz/DIP 7 5 3 1 8 6 4 2 RA304 RP22X4 7 5 3 1 8 6 4 2 RA304 RP22X4 C341 0.1uF C341 0.1uF + C301 NC/470uF + C301 NC/470uF C349 0.1uF C349 0.1uF 7 5 3 1 8 6 4 2 RA303 RP56X4 7 5 3 1 8 6 4 2 RA303 RP56X4 C313 0.1uF C313 0.1uF R367 0 R367 0 R354 10_DNS R354 10_DNS R336 4.7K/NC R336 4.7K/NC 1 3 2 V300 3906 V300 3906 C351 0.1uF C351 0.1uF C356 0.1uF C356 0.1uF C347 0.1uF C347 0.1uF R383 10K R383 10K C350 0.1uF C350 0.1uF C306 0.1uF C306 0.1uF R312 100R R312 100R R378 56 R378 56 C353 0.1uF C353 0.1uF R307 100R R307 100R R322 10_DNS R322 10_DNS R364 10_DNS R364 10_DNS C337 0.1uF C337 0.1uF R325 10K_DNS R325 10K_DNS R348 4.7K R348 4.7K C339 0.1uF C339 0.1uF + CA300 220uF/16V + CA300 220uF/16V C303 0.1uF C303 0.1uF C305 0.1uF C305 0.1uF R371 56 R371 56 R358 10_DNS R358 10_DNS R339 4.7K_DNS R339 4.7K_DNS R340 10 R340 10 R391 56 R391 56 R377 56 R377 56 R308 100R R308 100R C335 0.1uF C335 0.1uF PDF ��� "PDF ����" ����� ����� � 5 5 4 4 3 3 2 2 1 1 D D C C B B A A TA4- TA4+ TA3- TA3+ TB3+ TB3- TCLK3- TC3+ TC3- TD3+ TCLK3+ TE3+ TD3- TB4- TE3- TC4+ TB4+ TD4- TCLK4- TCLK4+ TC4- TE4- TE4+ TD4+ TA2- TA2+ TA1- TA1+ TB1+ TB1- TCLK1- TC1+ TC1- TD1+ TCLK1+ TE1+ TD1- TB2- TE1- TC2+ TB2+ TD2- TCLK2- TCLK2+ TC2- TE2- TE2+ TD2+ Bit_SEL EN_DBL OPC_OUT/OD_SEL1 VBR/RPF LVDS_SEL OPC_EN/L_DIM SDA SCL GND/SDA GND/SCL OD_SEL2/INT_FREE VCC-Panel VCC-Panel 33V_P 33V_P 33V_P 33V_P VCC-Panel 33V_P C1M 14 C1P 14 D1M 14 D1P 14 D0M 14 D0P 14 D4M 14 D4P 14 D3M 14 D3P 14 DCKM 14 DCKP 14 D2M 14 D2P 14 C4M 14 C0P 14 C0M 14 CCKM 14 C3P 14 C3M 14 C4P 14 C2P 14 C2M 14 CCKP 14 A1M 2,14 A1P 2,14 A0M 2,14 A0P 2,14 A4M 2,14 A4P 2,14 A3M 2,14 A3P 2,14 ACKM 2,14 ACKP 2,14 A2M 2,14 A2P 2,14 B1M 2,14 B1P 2,14 B0M 2,14 B0P 2,14 B4M 2,14 B4P 2,14 B3M 2,14 B3P 2,14 BCKM 2,14 BCKP 2,14 B2M 2,14 B2P 2,14 I2C-SDA 2,8,13,14 I2C-SCL 2,8,13,14 L_DIM_DBL 2 OD_SEL 2 PWM_IN 2 ADJ-PWM 1,2 �� �� �� �� � � ��� � � � � � � ���� ���� �� �� �� �� �� �� � � � � KONKA <��> <��> <��> <���> <��> 15. LVDS CONNECTOR 18 15 �� �� �� �� � � ��� � � � � � � ���� ���� �� �� �� �� �� �� � � � � KONKA <��> <��> <��> <���> <��> 15. LVDS CONNECTOR 18 15 �� �� �� �� � � ��� � � � � � � ���� ���� �� �� �� �� �� �� � � � � KONKA <��> <��> <��> <���> <��> 15. LVDS CONNECTOR 18 15 Label "LVDS2" in silk screen. LVDS OUTPUT Label "LVDS1" in silk screen. H:NORMAL L:JEIDA LVDS_SEL R5267 4.7K/2K R5267 4.7K/2K R5243 100R/NC R5243 100R/NC R5285 NC/100R R5285 NC/100R R5287 NC/100R R5287 NC/100R R5244 100R/NC R5244 100R/NC R5294 NC/0R R5294 NC/0R R5289 NC/100R R5289 NC/100R R5296 NC/0R R5296 NC/0R R5291 NC/0R R5291 NC/0R 3 1 2 V809 3904/NC V809 3904/NC R5268 470R/NC R5268 470R/NC C581 0.1uF C581 0.1uF 1 2 3 4 5 6 7 8 9 10 11 12 13 14 15 16 17 18 19 20 21 22 23 24 25 26 27 28 29 30 31 32 33 34 35 36 37 38 39 40 51 52 41 43 45 47 49 42 44 46 50 48 XS502 BM50B-SRDS-G-TF XS502 BM50B-SRDS-G-TF R5293 NC/0R R5293 NC/0R R5298 NC/0R R5298 NC/0R R5270 0R R5270 0R R5284 NC/100R R5284 NC/100R R5272 4.7K/NC R5272 4.7K/NC R5286 NC/100R R5286 NC/100R R5288 NC/100R R5288 NC/100R R5252 100R/NC R5252 100R/NC R5295 NC/0R R5295 NC/0R R5290 NC/0R R5290 NC/0R R5251 100R/NC R5251 100R/NC R5292 NC/0R R5292 NC/0R 1 2 3 4 5 6 7 8 9 10 11 12 13 14 15 16 17 18 19 20 21 22 23 24 25 26 27 28 29 30 31 32 33 34 35 36 37 38 39 40 51 52 41 43 45 47 49 42 44 46 50 48 XS501 BM50B-SRDS-G-TF XS501 BM50B-SRDS-G-TF R5253 100R/NC R5253 100R/NC R5297 NC/0R R5297 NC/0R R5250 100R/NC R5250 100R/NC R5271 100R/NC R5271 100R/NC R5266 1K R5266 1K R5269 100R/NC R5269 100R/NC R5283 NC/100R R5283 NC/100R PDF ��� "PDF ����" ����� ����� � 5 5 4 4 3 3 2 2 1 1 D D C C B B A A TURN_RIGHT TURN_LEFT TURN_ON/OFF 5VA 5VA TURN_12V TURN_12V +12V 3.3Vstb 3.3Vstb 33V_Normal TURN_L TURN_LEFT 2 TURN_RIGHT 2 TURN_R TURN_L TURN_R TURN_ON/OFF 2 �� �� �� �� � � ��� � � � � � � ���� ���� �� �� �� �� �� �� � � � � KONKA 16.TURN 18 16 �� �� �� �� � � ��� � � � � � � ���� ���� �� �� �� �� �� �� � � � � KONKA 16.TURN 18 16 �� �� �� �� � � ��� � � � � � � ���� ���� �� �� �� �� �� �� � � � � KONKA 16.TURN 18 16 TURN_12V is for ���� R280 2K R280 2K R282 47K R282 47K R301 4.7K R301 4.7K R284 4.7K R284 4.7K C267 10uF/16V C267 10uF/16V 1 2 3 V220 3904 V220 3904 1 2 3 V227 3904 V227 3904 3 1 2 V225 3904 V225 3904 R297 10K R297 10K 1 2 3 V222 PBSS4160T V222 PBSS4160T C265 10uF/16V C265 10uF/16V R298 10K R298 10K R296 10K R296 10K R288 4.7K R288 4.7K V219 PMV65XP V219 PMV65XP R300 12R1%/0805 R300 12R1%/0805 R302 10K R302 10K R283 100K R283 100K 1 2 L217 FB_300_Ohm_2A L217 FB_300_Ohm_2A R286 4.7K R286 4.7K R295 47K R295 47K 1 2 3 V226 3904 V226 3904 R287 0R/27K R287 0R/27K 1 3 2 C C D ESD VD208 PESD3V3L2BT C C D ESD VD208 PESD3V3L2BT C262 0.47uF/16V C262 0.47uF/16V R292 0R/0805 R292 0R/0805 R285 2K R285 2K 3 1 2 V224 3904 V224 3904 R294 4.7K R294 4.7K C268 10uF/16V C268 10uF/16V VD206 12V VD206 12V VD207 PMEG2020 VD207 PMEG2020 R290 4.7K R290 4.7K 3 1 2 V223 3904 V223 3904 1 2 3 V217 PBSS5160T V217 PBSS5160T R293 4.7K R293 4.7K C266 0.1uF C266 0.1uF + CA209 470uF/25V + CA209 470uF/25V C264 0.1uF C264 0.1uF + C263 220uF/16V + C263 220uF/16V 1 2 XS203 D2514-2A XS203 D2514-2A 1 2 L218 FB_300_Ohm_2A L218 FB_300_Ohm_2A R281 2K R281 2K R291 4.7K R291 4.7K 1 2 3 V221 PBSS4160T V221 PBSS4160T VD205 12V VD205 12V 1 2 3 V218 PBSS5160T V218 PBSS5160T R289 2K R289 2K R299 12R1%/0805 R299 12R1%/0805 PDF ��� "PDF ����" ����� ����� �

标签:

版权声明

1. 本站所有素材,仅限学习交流,仅展示部分内容,如需查看完整内容,请下载原文件。
2. 会员在本站下载的所有素材,只拥有使用权,著作权归原作者所有。
3. 所有素材,未经合法授权,请勿用于商业用途,会员不得以任何形式发布、传播、复制、转售该素材,否则一律封号处理。
4. 如果素材损害你的权益请联系客服QQ:77594475 处理。