康佳LC26GS80C液晶电视35015576板(MST6M48机芯)电路原理图

分类:电子电工 日期: 点击:0
康佳LC26GS80C液晶电视35015576板(MST6M48机芯)电路原理图-0 康佳LC26GS80C液晶电视35015576板(MST6M48机芯)电路原理图-1 康佳LC26GS80C液晶电视35015576板(MST6M48机芯)电路原理图-2 康佳LC26GS80C液晶电视35015576板(MST6M48机芯)电路原理图-3 康佳LC26GS80C液晶电视35015576板(MST6M48机芯)电路原理图-4 康佳LC26GS80C液晶电视35015576板(MST6M48机芯)电路原理图-5 康佳LC26GS80C液晶电视35015576板(MST6M48机芯)电路原理图-6 康佳LC26GS80C液晶电视35015576板(MST6M48机芯)电路原理图-7 康佳LC26GS80C液晶电视35015576板(MST6M48机芯)电路原理图-8 康佳LC26GS80C液晶电视35015576板(MST6M48机芯)电路原理图-9

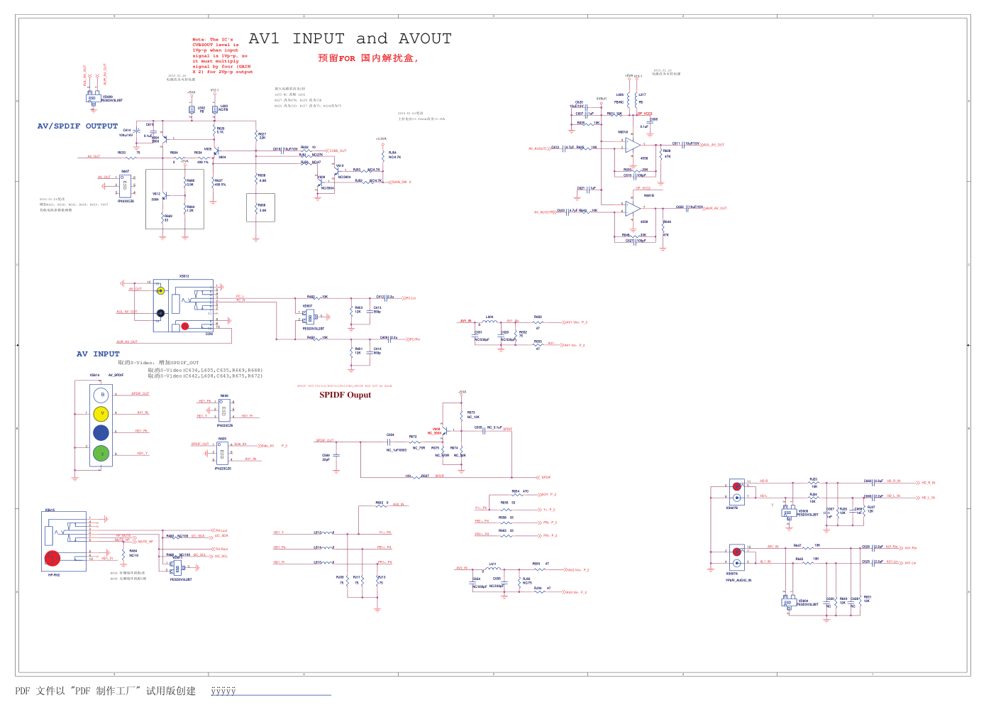
5 5 4 4 3 3 2 2 1 1 D D C C B B A A VCC12VIN BKLT_EN BKLT_ADJ POWER_ON/OFF_INV BKLT_EN BKL_ON PW-ON/OFF-INV BKLT_ADJ POWER-ON/OFF-INV BKL_ADJ POWER-ON/OFF-INV 5V-STBIN VCC12VIN DVDD_NODIE_1.2V STATE_IN LG_STATE BKLT_ADJ BKLT_EN BL_ADJ BL_ON/OFF ON_USB# ON_USB# +3.3Vstb AVDD_DDR_1.8V +1.8V_DDR2 AVSS_PGA25 VDDC1.2V +1.2V_VDDC AVDD1P2 AU33 AVDD_EAR33 AVDD_DMPLL33 AVDD_ADC33 AVDD_DVI33 +3.3Vstb AVDD_NODIE_3.3V +5VA 5Vstb +3.3Vstb +1.8V +3.3VA +5VA +3.3VA V12 +3.3VA +1.2V_VDDC VCC-1.26V +5VA VCC-1.26V 5Vstb +5VA +3.3VA 5Vstb +3.3VA +3.3VA V12-1 V12 5V_Tuner +5VUSB +12V VCC-Panel +3.3VA V12 5Vstb VDD33 AVDD_PLL33 +5VA +2.5VA +12V 5VSTBIN DVDD_NODIE_1.2V +2.5VA +2.5V_PGA +1.2V_VDDC DVDD_DDR_1.2V +5VA +3.3Vstb +5VA AVDD2P5_MOD AU25 +2.5VA AVDD25_DEMOD ADC2P5 +1.8V_DDR2 +5VA 5Vstb +5VUSB 5Vstb POWER-ON/OFF-INV POWER-ON/OFF-INV POWER-ON/OFF-INV BKL_ON BKL_ADJ PWR-ON/OFF ON_PANEL ON_PANEL ON_USB POWER-ON/OFF-INV LG_STATE 2 �� �� �� �� � � ��� � � � � � � �� �� �� �� �� �� �� �� �� �� � � � � KONKA �� ���� ����� ���� MST6M16GS 8 1 �� �� �� �� � � ��� � � � � � � �� �� �� �� �� �� �� �� �� �� � � � � KONKA �� ���� ����� ���� MST6M16GS 8 1 �� �� �� �� � � ��� � � � � � � �� �� �� �� �� �� �� �� �� �� � � � � KONKA �� ���� ����� ���� MST6M16GS 8 1 ���L818��������������VDDC�MST6M16GS����1.26V Pin98, Pin109, Pin173, Pin209, Pin242 Vout=0.923*(1+R1/R2) R1: R841//R842 12K R2: R843 33K POWER INPUT ON 120mA/STB 10mA Normal Power 2.5V 1.86V for DDR2 USB�� ON 600mA/STB 50mA �� 5V_Tuner ON 890mA/STB 0mA DDR2 1.8V ON 110mA/STB 10mA Vcc 1.26V for MST6M16 Core power Normal Power 1.2V 3.3Vstb Standby Power 3.3V 3.3VA ON 110mA/STB 10mA Normal Power 3.3V ������ 2.5VA ��5V_USB,5V_Panel Vout=0.923*(1+R1/R2) R1: R808//R838 12K(R808 12K,R838 NC) R2: R805 2.7K Vout=0.923*(1+R1/R2) R1: R806//R807 12K(R806 12K,R807 NC) R2: R804 2.7K Vout=0.923*(1+R1/R2) R1: R819//R820 12K(R819 12K,R820 NC) R2: R821 2.7K ��R847�R861 ��R847�R861 CF06��0402 ����0.1uF CF32��0.1uF ����0402�� H:ON L:Standby �������� H:OFF L:ON H:OFF L:ON H:OFF L:ON H:OFF L:ON ��R868�R867�V813�CF38 5Vstb��+5VA ��R861�R847�C817�V812 C885��V808� ��CF39 2.2uF���0603 ��CF40 2.2uF���0603 ��L821�CF41�CF42 �+5VA���+3.3VA ��R869 N806����252�� N806����252�� C894�10uF���47uF ��R870 R812��100K�R814��47K ��CF43 0.47uF 2010.0125 �� 2010.0125 �� 2010.0125 �� ON 220mA/STB 20mA R830 1K R830 1K CF45 2.2uF CF45 2.2uF C866 3.3n/50V C866 3.3n/50V R811 4.7K R811 4.7K CF40 2.2uF CF40 2.2uF 3 2 1 4 ADJ OUT IN N808 AMS1117-1.8V-252 ADJ OUT IN N808 AMS1117-1.8V-252 S 1 S 2 S 3 G 4 D 8 D 7 D 6 D 5 V801 9435A V801 9435A C836 0.1uF C836 0.1uF IN 2 GND 4 BS 1 FB 5 COMP 6 EN 7 SS 8 SW 3 N805 MP1482DS N805 MP1482DS R821 NC/2.7K 1% R821 NC/2.7K 1% CF36 0.1uF CF36 0.1uF C838 NC/180p/50V C838 NC/180p/50V VD803 NC/PMEG2020 VD803 NC/PMEG2020 C881 10uF/10V C881 10uF/10V V809 PMV65XP V809 PMV65XP C872 0.1uF C872 0.1uF 1 2 L806 FB L806 FB R850 0 R850 0 F803 F5A/32V F803 F5A/32V C884 0.1uF C884 0.1uF 1 2 L814 FB L814 FB C825 0.1uF C825 0.1uF L830 FB L830 FB + C895 100uF/16V + C895 100uF/16V R815 10K R815 10K R846 4.7K R846 4.7K R841 12K 1% R841 12K 1% C812 10uF/10V C812 10uF/10V C879 10uF/10V C879 10uF/10V VD804 NC/PMEG2020 VD804 NC/PMEG2020 CF39 2..2uFuF CF39 2..2uFuF 1 2 + C877 100uF/25V + C877 100uF/25V + C874 100uF/16V + C874 100uF/16V C802 NC/180p/50V C802 NC/180p/50V C890 0.1uF C890 0.1uF R844 4.7K R844 4.7K R854 100K R854 100K R859 NC/0 R859 NC/0 C848 10uF/10V C848 10uF/10V R868 4.7K R868 4.7K R818 4.7K R818 4.7K R852 NC/10k R852 NC/10k C827 10uF/16V C827 10uF/16V R816 NC/100K R816 NC/100K R871 100K/NC R871 100K/NC R872 10K R872 10K 1 2 3 V804 3904 V804 3904 R838 NC 1% R838 NC 1% C888 10uF/16V C888 10uF/16V 1 2 3 V806 3904 V806 3904 3 2 1 4 ADJ OUT IN N804 AMS1117-5.0V ADJ OUT IN N804 AMS1117-5.0V CF38 NC/0.1uF CF38 NC/0.1uF L507 FB L507 FB 1 2 L804 FB L804 FB C824 10uF/10V C824 10uF/10V R870 NC R870 NC C817 0.1uF C817 0.1uF CF53 0.47u50V CF53 0.47u50V C865 NC/180p/50V C865 NC/180p/50V C823 0.1uF C823 0.1uF C832 10nF C832 10nF CF51 NC/22pF CF51 NC/22pF C896 0.1uF C896 0.1uF V802 NC/PMV65XP V802 NC/PMV65XP R863 NC/0R R863 NC/0R C883 0.1uF C883 0.1uF CF30 0.1uF CF30 0.1uF VD801 NC/PMEG2020 VD801 NC/PMEG2020 R819 NC/12K 1% R819 NC/12K 1% C803 2.2uF C803 2.2uF CF25 0.1uF CF25 0.1uF CF32 0.1uF CF32 0.1uF R849 0R R849 0R CF49 NC/22pF CF49 NC/22pF R853 0R R853 0R C826 0.1uF C826 0.1uF 1 2 3 V813 3904 V813 3904 CF10 0.1uF CF10 0.1uF R827 1K R827 1K C857 10uF/10V C857 10uF/10V C873 0.1uF C873 0.1uF R807 NC R807 NC R833 NC R833 NC R855 NC/0 R855 NC/0 CF06 0.1uF CF06 0.1uF CF52 NC/22pF CF52 NC/22pF + C863 NC/10uF/16V + C863 NC/10uF/16V CF20 0.1uF CF20 0.1uF C806 10uF/16V C806 10uF/16V R805 2.7K 1% R805 2.7K 1% R869 0 R869 0 R845 15 R845 15 CF28 0.1uF CF28 0.1uF C893 NC/180p/50V C893 NC/180p/50V C813 10uF/10V C813 10uF/10V C846 10uF/10V C846 10uF/10V R837 NC/10K R837 NC/10K L833 FB L833 FB C810 0.1uF C810 0.1uF C814 10uF/10V C814 10uF/10V CF18 0.1uF CF18 0.1uF CF08 0.1uF CF08 0.1uF 1 2 L809 FB L809 FB C839 0.1uF C839 0.1uF R823 NC/4.7K R823 NC/4.7K R831 0R R831 0R CF27 0.1uF CF27 0.1uF C868 0.1uF C868 0.1uF CF09 0.1uF CF09 0.1uF 1 2 L805 FB L805 FB 3 2 1 4 ADJ OUT IN N806 AMS1117-3.3 ADJ OUT IN N806 AMS1117-3.3 C819 0.33uF C819 0.33uF CF29 0.1uF CF29 0.1uF C849 0.1uF C849 0.1uF C864 10nF C864 10nF CF44 2.2uF CF44 2.2uF CF33 2.2uF CF33 2.2uF 1 2 + C850 NC/100uF/25V + C850 NC/100uF/25V C851 10uF/10V C851 10uF/10V L831 FB L831 FB R862 4.7K R862 4.7K R842 NC/12K 1% R842 NC/12K 1% C885 0.1uF C885 0.1uF 1 2 3 V808 3904 V808 3904 R822 100 R822 100 CF12 0.1uF CF12 0.1uF C830 NC/10uF/10V C830 NC/10uF/10V R851 NC/10k R851 NC/10k C859 10uF/16V C859 10uF/16V 1 2 L818 FB L818 FB CF37 0.1uF CF37 0.1uF 1 2 3 V810 3904 V810 3904 C844 10nF C844 10nF C815 0.1uF C815 0.1uF CF48 0.01uF CF48 0.01uF C840 NC/10uF C840 NC/10uF + C882 100uF/16V + C882 100uF/16V C897 NC/0.1uF C897 NC/0.1uF R847 4.7K R847 4.7K R828 NC/1K R828 NC/1K C853 0.1uF C853 0.1uF CF34 0.1uF CF34 0.1uF 3 2 1 4 ADJ OUT IN N810 AMS1117-2.5 ADJ OUT IN N810 AMS1117-2.5 C856 0.1uF C856 0.1uF V812 3904 V812 3904 1 2 + C811 470uF/25V + C811 470uF/25V R808 12K 1% R808 12K 1% R813 10K R813 10K 1 2 3 4 5 XS803 B5P-VH XS803 B5P-VH IN 2 GND 4 BS 1 FB 5 COMP 6 EN 7 SS 8 SW 3 N802 MP1482DS N802 MP1482DS C809 0.1uF C809 0.1uF C876 0.1uF C876 0.1uF + C843 NC/470uF/16V + C843 NC/470uF/16V R803 4.7K R803 4.7K C847 10uF/10V C847 10uF/10V R866 NC/1K R866 NC/1K CF35 0.1uF CF35 0.1uF R860 NC/10k R860 NC/10k V807 NC/PMV65XP V807 NC/PMV65XP R825 NC/100K R825 NC/100K + C887 100uF/25V + C887 100uF/25V CF43 0.47u50V CF43 0.47u50V 1 2 + C834 100uF/25V + C834 100uF/25V CF42 10uF/10V CF42 10uF/10V R856 4.7K R856 4.7K R873 47k/NC R873 47k/NC 1 2 L811 NC L811 NC 1 2 L813 FB L813 FB C855 10uF/10V C855 10uF/10V L802 NC/10uH L802 NC/10uH 1 2 L807 FB L807 FB C820 0.47uF C820 0.47uF + C821 100uF/16V + C821 100uF/16V + C891 NC/100uF/16V + C891 NC/100uF/16V C822 10uF/10V C822 10uF/10V L801 10uH L801 10uH R826 4.7K R826 4.7K R801 2.2K R801 2.2K 7 6 5 4 3 2 1 XS809 CON8_2.0 XS809 CON8_2.0 C871 0.1uF C871 0.1uF R809 NC R809 NC R806 12K 1% R806 12K 1% R848 0/27K R848 0/27K 1 2 + C894 47uF/10V + C894 47uF/10V C805 470uF/25V C805 470uF/25V L829 FB L829 FB C842 0.1uF C842 0.1uF 1 2 3 V814 3904 V814 3904 3 2 1 4 ADJ OUT IN N807 AMS1117-3.3 ADJ OUT IN N807 AMS1117-3.3 + C828 NC/470uF/25V + C828 NC/470uF/25V C801 3.3n/50V C801 3.3n/50V R857 NC/0 R857 NC/0 1 2 L817 NC/FB L817 NC/FB V803 3904 V803 3904 1 2 3 V818 3904/NC V818 3904/NC 1 2 L824 FB L824 FB C854 0.1uF C854 0.1uF R840 2.2K R840 2.2K + C845 NC/470uF/16V + C845 NC/470uF/16V + C852 10uF/16V + C852 10uF/16V R834 47K R834 47K C862 0.1uF C862 0.1uF L828 FB L828 FB C889 0.1uF C889 0.1uF 1 2 L827 NC/FB L827 NC/FB L803 10uH L803 10uH C861 0.1uF C861 0.1uF CF46 0.1uF CF46 0.1uF S 1 S 2 S 3 G 4 D 8 D 7 D 6 D 5 V819 9435A V819 9435A R817 NC/2.2K R817 NC/2.2K CF14 0.1uF CF14 0.1uF V805 3904 V805 3904 1 2 L810 FB L810 FB C808 470uF/25V C808 470uF/25V L821 FB L821 FB CF04 0.1uF CF04 0.1uF C858 0.1uF C858 0.1uF C829 NC/10uF C829 NC/10uF CF21 0.1uF CF21 0.1uF 1 2 L812 FB L812 FB CF24 0.1uF CF24 0.1uF 1 2 3 V811 3904 V811 3904 CF17 0.1uF CF17 0.1uF C835 NC/0.1uF C835 NC/0.1uF 1 2 L808 FB L808 FB R835 100K R835 100K CF31 1uF CF31 1uF CF26 0.1uF CF26 0.1uF R864 NC/0R R864 NC/0R 1 2 L820 FB L820 FB R867 10K R867 10K 1 2 L815 NC/FB L815 NC/FB L826 10uH L826 10uH R865 NC/0R R865 NC/0R R861 4.7K R861 4.7K L832 FB L832 FB C804 0.1uF C804 0.1uF CF47 10nF CF47 10nF C869 0.1uF C869 0.1uF CF16 0.1uF CF16 0.1uF CF07 0.1uF CF07 0.1uF CF41 0.1uF CF41 0.1uF R820 NC 1% R820 NC 1% C807 0.1uF C807 0.1uF CF22 2.2uF CF22 2.2uF C875 10uF/10V C875 10uF/10V CF11 0.1uF CF11 0.1uF VD802 NC/PMEG2020 VD802 NC/PMEG2020 CF23 0.1uF CF23 0.1uF R832 10K R832 10K C886 0.1uF C886 0.1uF R839 100K R839 100K CF19 0.1uF CF19 0.1uF C901 0.47uF C901 0.47uF 1 2 + C867 22uF/25V + C867 22uF/25V C870 0.1uF C870 0.1uF CF01 0.1uF CF01 0.1uF + C860 NC/10uF/16V + C860 NC/10uF/16V C837 3.3n/50V C837 3.3n/50V R829 NC/100 R829 NC/100 C818 470uF/25V C818 470uF/25V CF05 0.1uF CF05 0.1uF 1 2 3 4 5 6 7 XS804 D3913-5A XS804 D3913-5A IN 2 GND 4 BS 1 FB 5 COMP 6 EN 7 SS 8 SW 3 N801 MP1482DS N801 MP1482DS R836 10K R836 10K C898 10uF/16V C898 10uF/16V R802 2.2K R802 2.2K C880 10uF/10V C880 10uF/10V CF50 NC/22pF CF50 NC/22pF C831 NC/10uF/10V C831 NC/10uF/10V R812 100K R812 100K 1 2 3 4 5 XS808 CON5_2.0 XS808 CON5_2.0 C892 NC/3.3n/50V C892 NC/3.3n/50V R814 47K R814 47K C841 10uF C841 10uF C816 0.1uF C816 0.1uF + C878 N/C470uF/25V + C878 N/C470uF/25V CF03 2.2uF CF03 2.2uF F801 F3A/32V F801 F3A/32V R804 2.7K 1% R804 2.7K 1% R824 4.7K R824 4.7K IN 2 GND 4 BS 1 FB 5 COMP 6 EN 7 SS 8 SW 3 N803 MP1482DS N803 MP1482DS R843 33K 1% R843 33K 1% R810 100 R810 100 CF02 10uF/10V CF02 10uF/10V R858 1K R858 1K C833 0.1uF C833 0.1uF PDF ��� "PDF ����" ����� ����� � 5 5 4 4 3 3 2 2 1 1 D D C C B B A A MDDR_VREF A_MCLKZ A_MCLK AV1-Lin AV1-Rin VGA-AULin0 VGA-AURin0 XTALO XTALI LED A_MCLKZ A_MCLK A_MDQSU A_MDQSUZ A_MDQML A_MDQSL A_MDQSLZ A_MDQMU PWR_DET TURN_LEFT AUMCK_OUT AUBCK_OUT TURN_RIGHT A_MCKE A_MODT RXE0+ RXOC- RXO2+ RXO4- RXO3- RXOC+ RXO3+ RXE0- RXO2- RXO0+ RXO0- RXO1+ RXO1- RXO4+ EEP-WP/SPDFIN AV-AUOUTR3 VIFP VIFM SIFP SIFM AMP-AUOUTR0 AV-AUOUTL3 AMP-AUOUTL0 T_AGC A_MADR11 A_MADR12 A_MADR9 A_MADR5 A_MADR10 A_MADR1 A_MADR3 A_MADR7 A_MDATA15 A_MADR6 A_MADR0 A_MADR2 A_MADR4 A_MADR8 AVSS_PGA25 SIF_SW VIF_SW SELVDS MI2C-SDA AUR4 XTALI XTALO A_MDATA11 A_MDATA8 A_MDATA3 A_MDATA4 A_MDATA13 A_MDATA10 A_MDATA12 A_MDATA6 A_MDATA1 A_MDATA7 A_MDATA0 A_MDATA14 A_MDATA9 A_MDATA2 A_MDATA5 ON-USB MUTE-EN USB2_DP USB2_DM A_MWEZ A_MCASZ A_MRASZ System-RST USB0_DM USB0_DP SPI-SCK A_MBADR1 A_MBADR0 A_MBADR2 WP_FLASH HDMI-CEC SPI-CS0N IR-in MDDR_VREF SPDIF RXE4+ RXEC- RXE3+ RXE1- RXE2- RXEC+ RXE1+ RXE2+ RXE4- RXE3- CVBS3P SPI-SDI CVBS1P CVBS2P A_MADR13 SPI-SDO HDMI_HP1 HDMI2-SCL HDMI_HP2 HDMI2-RX1N HDMI2-CLKN HDMI2-CLKP HDMI2-RX0N HDMI2-RX2N HDMI2-RX2P HDMI2-RX1P HDMI2-RX0P HDMI2-SDA BIN0 GIN0M GIN0P SOGIN0 VGA_HS VGA_VS RIN0 AUR0 AUL0 AUR1 AUL1 AUL4 AUR3 AUL3 AUL2 AUR2 CVBS4P AUVRP AUVAG AUVRM HDMI1-CLKN HDMI1-CLKP VCOM0 CVBS_OUT RIN2 SOGIN2 GIN2P GIN2M BIN2 HDMI1-SCL HDMI1-RX1N HDMI1-RX1P HDMI1-RX2N HDMI1-RX2P HDMI1-RX0N HDMI1-RX0P HDMI1-SDA CVBS0P RGB0_B+ RGB0_G+ RGB0_G-SOG RGB0_R+ System-RST AUBCK_OUT AUMCK_OUT GAIN_SW GPIO/PWM0 UART-TX UART-RX SPI_Flash-SDI SPI_Flash-SDO SPI_Flash-SCK SPI_CS0N PANEL_CTL MUTE MI2C-SCL AMP-AUOUTL0 AV-AUOUTL3 AV-AUOUTR3 AMP-AUOUTR0 AV_AUOUTL AV_AUOUTR I2C_SCL I2C_SDA GPIO/PWM0 MUTE_AMP PANEL_CTL MUTE BKL_CTL BKL_ON ON_PANEL ON-USB MUTE-EN GAIN_SW BKL_CTL EEP-WP/SPDFIN AVDD_DDR_1.8V VDDC1.2V AVDD_DDR_1.8V AVDD_DDR_1.8V AVDD1P2 AVDD2P5_MOD AU33 AVDD_DDR_1.8V AVDD_DDR_1.8V AVDD_ADC33 AVDD_DVI33 VDDC1.2V AVDD25_DEMOD AVDD_NODIE_3.3V AVDD_DDR_1.8V AVDD_DDR_1.8V VDDC1.2V VDDC1.2V AVDD_EAR33 VDD33 AVDD2P5_MOD AU25 AVDD_PLL33 VDD33 +2.5V_PGA AVDD_DMPLL33 AVDD_DDR_1.8V DVDD_DDR_1.2V VDDC1.2V AVDD_DDR_1.8V AVDD_DVI33 ADC2P5 AVDD_PLL33 5Vstb +3.3VA VDD33 +3.3VA AVSS_PGA25 DVDD_NODIE_1.2V +3.3Vstb +3.3VA HDMI1-RX2P HDMI1-RX2N HDMI1-RX1P HDMI1-RX1N HDMI1-RX0P HDMI1-RX0N HDMI1-CLKP HDMI1-CLKN HDMI1-SCL HDMI1-SDA HDMI-CEC HDMI_HP1 HDMI_HP2 HDMI2-RX2P HDMI2-RX2N HDMI2-RX1P HDMI2-RX1N HDMI2-RX0P HDMI2-RX0N HDMI2-CLKP HDMI2-CLKN HDMI2-SCL HDMI2-SDA USB2_D- USB2_D+ USB1_D- USB1_D+ VGA_HS VGA_VS RGB0_B+ RGB0_G-SOG RGB0_G+ RGB0_R+ PB+ SOY Y+ PR+ SideAV-Vin+ AV2-Vin+ AV1-Rin PC-Lin PC-Rin AV1-Lin HD_L_IN HD_R_IN sideAV_Lin sideAV_Rin VIFM VIFP SIFP SIFM T_AGC BKL_ADJ ON-USB MUTE-EN AV1-Vin+ KEY0-in ON_USB MUTE_EN AV_AUOUTL AV_AUOUTR MI2C-SCL MI2C-SDA I2C_SCL I2C_SDA AMP_AUOUTR0 AMP_AUOUTL0 RXE4+ RXE4- RXE3+ RXE3- RXEC+ RXEC- RXE2+ RXE2- RXE1+ RXE1- RXO0- RXO0+ RXO1- RXO1+ RXO2- RXO2+ RXOC- RXOC+ RXO3- RXO3+ RXO4- RXO4+ RXE0- RXE0+ A_MADR12 A_MADR9 A_MADR7 A_MADR5 A_MADR3 A_MADR10 A_MADR1 A_MBADR2 A_MBADR0 A_MBADR1 A_MCKE A_MWEZ A_MDATA4 A_MDATA11 A_MDATA6 A_MDATA1 A_MDATA3 A_MDQML A_MDQMU A_MDATA14 A_MDATA9 A_MDATA12 A_MDQSLZ A_MDQSL A_MADR13 A_MADR11 A_MADR8 A_MADR6 A_MADR4 A_MADR2 A_MADR0 A_MCASZ A_MRASZ A_MODT A_MCLKZ A_MCLK A_MDATA5 A_MDATA2 MDDR_VREF A_MDATA0 A_MDATA7 A_MDATA13 A_MDATA10 A_MDATA8 A_MDATA15 A_MDQSUZ A_MDQSU LED IR-in WP_FLASH PANEL_CTL AUMCK_OUT AUBCK_OUT MUTE UART-TX UART-RX PWR_DET SPI_CS0N SPI_Flash-SDO SPI_Flash-SDI SPI_Flash-SCK CVBS_OUT AV1-Vin- SPDIF SELVDS SIF_SW VIF_SW TURN_RIGHT TURN_LEFT TURN_ON/OFF LG_STATE PWR-ON/OFF ON_PANEL MUTE_AMP BKL_ON BKL_CTL PANEL_CTL MUTE GPIO/PWM0 GAIN_SW BKL_CTL Close to IC with width trace // CHIP Config {I2S_OUT_SD} Boot from SPI flash 1'b0 Boot from NOR flash 1'b1 {I2S_OUT_BCK, I2S_OUT_MCK, PAD_PWM1, PAD_PWM0} B51_no_EJ B51_Secure_no_scramble B51_Secure_scramble 4'h0 4'h3 4'h7 C591,C592���10uF�����0805� ��RA508������� R458�� 100 ��R468 100 BKL_CTL�GAIN_SW�� R538����GAIN_SW(2010.01.18) R538 4.7K R538 4.7K 1 3 2 V501 3906 V501 3906 7 5 3 1 8 6 4 2 RA501 33X4 7 5 3 1 8 6 4 2 RA501 33X4 C589 0.1uF C589 0.1uF C516 2.2uF C516 2.2uF C578 20pF C578 20pF C528 47nF C528 47nF C515 47nF C515 47nF R618 1K R618 1K R501 100K R501 100K C577 20pF C577 20pF C591 10uF C591 10uF R503 0 R503 0 C509 220pF C509 220pF R574 0 R574 0 R539 NC R539 NC C595 10uF C595 10uF C530 47nF C530 47nF R517 200K R517 200K C520 1nF C520 1nF C518 47nF C518 47nF C511 47nF C511 47nF C517 220pF C517 220pF R468 100 R468 100 R505 0 R505 0 R524 1K_1% R524 1K_1% C551 2.2uF C551 2.2uF R516 0 R516 0 R534 100 R534 100 R521 68 R521 68 R532 NC R532 NC R563 4.7K R563 4.7K C508 220pF C508 220pF R502 1K R502 1K R573 0 R573 0 R568 100 R568 100 R581100 R581100 R522 68 R522 68 C523 0.1uF C523 0.1uF C529 47nF C529 47nF C521 1nF C521 1nF R512 68 R512 68 R462 4.7K R462 4.7K R579 4.7K R579 4.7K R551 100 R551 100 R457 4.7K R457 4.7K R572 100 R572 100 R582100 R582100 R536 4.7K R536 4.7K C592 10uF C592 10uF C527 47nF C527 47nF C501 2.2uF C501 2.2uF C507 2.2uF C507 2.2uF C526 47nF C526 47nF 3 2 1 D501 BAV99 D501 BAV99 R537 NC R537 NC C510 47nF C510 47nF C513 1nF C513 1nF R570 1K R570 1K R561 22K R561 22K R520 0 R520 0 1 2 3 Z501 24MHZ Z501 24MHZ C503 2.2uF C503 2.2uF R508 200K R508 200K R504 200K R504 200K C525 47nF C525 47nF C522 220pF C522 220pF R523 200K R523 200K C505 2.2uF C505 2.2uF R540 4.7K R540 4.7K R518 1K_1% R518 1K_1% C502 2.2uF C502 2.2uF C596 10uF C596 10uF C519 47nF C519 47nF R541 NC R541 NC R458 100 R458 100 R550 1M R550 1M C514 47nF C514 47nF L501 FB L501 FB R552 100 R552 100 R511 100 R511 100 C590 0.1uF C590 0.1uF R509 100 R509 100 C588 1nF C588 1nF RESET 1 HOTPLUGB 2 RXCN_B 3 RXCP_B 4 RX0N_B 5 RX0P_B 6 AVDD_DVI_3.3V 7 RX1N_B 8 RX1P_B 9 DDCDB_DA 10 RX2N_B 11 RX2P_B 12 DDCDB_CK 13 RXCN_A 14 RXCP_A 15 RX0N_A 16 RX0P_A 17 DDCDA_DA 18 RX1N_A 19 RX1P_A 20 DDCDA_CK 21 RX2N_A 22 RX2P_A 23 VDDC 24 HSYNC0 25 BIN0P 26 SOGIN0 27 GIN0P 28 GIN0M 29 RIN0P 30 VSYNC0 31 AVDD1P2 32 AVDD2P5_ADC 33 BIN2P 34 SOGIN2 35 GIN2P 36 GIN2M 37 RIN2P 38 AVDD3P3_ADC 39 CVBS4 40 CVBS3 41 CVBS2 42 CVBS1 43 CVBS0 44 VCOM 45 CVBS_OUT 46 LINEIN_L0 47 LINEIN_R0 48 LINEIN_L1 49 LINEIN_R1 50 VRM 51 VRP 52 VAG 53 AVDD_AU25 54 LINEIN_L3 55 LINEIN_R3 56 LINEIN_L4 57 LINEIN_R4 58 LINEIN_L5 59 LINEIN_R5 60 AVDD_AU33 61 LINEOUT_L3 62 LINEOUT_R3 63 LINEOUT_L0 64 LINEOUT_R0 65 EARPHONE_OUTL 66 EARPHONE_OUTR 67 AVDD_EAR33 68 XTAL_IN 69 XTAL_OUT 70 AVDD_DMPLL 71 AVDD25_ADC 72 AVSS_PGA 73 VIFM 74 VIFP 75 AVDD25_PGA 76 SIFP 77 SIFM 78 TAGC 79 GPIO/I2S_OUT_WS/RX2 80 GPIO/I2S_OUT_SD/TX2 81 TGPIO2 82 TGPIO3 83 GPIO/SPDIF_IN/RX1/PWM3 84 GPIO/SPDIF_OUT 85 VDDC 86 VDDP_1 87 TS0_D[0] 88 GPIO/I2S_OUT_MCK 89 GPIO/I2S_OUT_BCK 90 GPIO/TS0_VLD 91 GPIO/TS0_SYNC 92 GPIO/TS0_CLK 93 DM_P2 94 DP_P2 95 GPIO/TX1/PWM2 96 AVDD_DVI_PC 97 B_ODD0/RXE4+ 98 B_ODD1/RXE4- 99 B_ODD2/RXE3+ 100 B_ODD3/RXE3- 101 B_ODD4/RXEC+ 102 B_ODD5/RXEC- 103 B_ODD6/RXE2+ 104 B_ODD7/RXE2- 105 G_ODD0/RXE1+ 106 G_ODD1/RXE1- 107 AVDD2P5_MOD 108 G_ODD2/RXE0+ 109 G_ODD3/RXE0- 110 G_ODD4/RXO4+ 111 G_ODD5/RXO4- 112 G_ODD6/RXO3+ 113 G_ODD7/RXO3- 114 R_ODD0/RXOC+ 115 R_ODD1/RXOC- 116 R_ODD2/RXO2+ 117 R_ODD3/RXO2- 118 R_ODD4/RXO1+ 119 R_ODD5/RXO1- 120 R_ODD6/RXO0+ 121 R_ODD7/RXO0- 122 VDDC 123 AVDD2P5_MOD 124 AVDD_LPLL 125 GPIO/I2S_IN_WS/PWM4/RX3/LCK 126 GPIO/I2S_IN_SD/PWM5/TX3/LDE 127 GPIO/I2S_IN_BCK/PWM2/LHSYNC 128 GPIO/I2S_OUT_MUTE/PWM3/LVSYNC 129 VDDP_2 130 GPIO/PWM0 131 GPIO/PWM1 132 VDDC 133 A_DDR2_A12 134 A_DDR2_A9 135 A_DDR2_A7 136 A_DDR2_A5 137 A_DDR2_A3 138 A_DDR2_A10 139 A_DDR2_A1 140 A_DDR2_BA2 141 AVDDIO_1.8V 142 A_DDR2_BA0 143 A_DDR2_BA1 144 A_DDR2_CLK 145 A_DDR2_WEZ 146 A_DDR2_DQ[4] 147 AVDDIO_1.8V 148 A_DDR2_DQ[3] 149 A_DDR2_DQ[1] 150 A_DDR2_DQ[6] 151 A_DDR2_DQ[11] 152 AVDDIO_1.8V 153 A_DDR2_DQ[12] 154 A_DDR2_DQ[9] 155 A_DDR2_DQ[14] 156 A_DDR2_DQMU 157 A_DDR2_DQML 158 AVDDIO_1.8V 159 A_DDR2_DQSL 160 A_DDR2_DQSLZ 161 DVDD_DDR_1.2V 162 AVDD_PLL 163 A_DDR2_DQSU 164 A_DDR2_DQSUZ 165 A_DDR2_DQ[15] 166 A_DDR2_DQ[8] 167 AVDDIO_1.8V 168 A_DDR2_DQ[10] 169 A_DDR2_DQ[13] 170 A_DDR2_DQ[7] 171 A_DDR2_DQ[0] 172 A_MVREF 173 A_DDR2_DQ[2] 174 AVDDIO_1.8V 175 A_DDR2_DQ[5] 176 A_DDR2_MCLK 177 AVDDIO_1.8V 178 A_DDR2_MCLKZ 179 A_DDR2_ODT 180 A_DDR2_RASZ 181 A_DDR2_CASZ 182 A_DDR2_A0 183 A_DDR2_A2 184 AVDDIO_1.8V 185 A_DDR2_A4 186 A_DDR2_A6 187 A_DDR2_A8 188 A_DDR2_A11 189 A_DDR2_A13 190 VDDC 191 DDCR_DA 192 VDDP_3 193 DDCR_CK 194 TESTPIN 195 DM 196 DP 197 AVDD_NODIE 198 DVDD_NODIE 199 GND_EFUSE 200 SPI_CK 201 SPI_DI 202 SPI_DO 203 SPI_CZ 204 GPIO/SAR0 205 GPIO/SAR1 206 GPIO/SAR2 207 HOTPLUGA 208 DDCA_CK 209 DDCA_DA 210 GPIO_PM1 211 GPIO_PM4 212 GPIO_PM5 213 GPIO_PM6 214 IRIN 215 CEC 216 E-pad 217 Audio-Inx5 SPI RGBx2 SARx3 HDMIB PM I2S Out & GPIO Audio-Outx3 LVDSx2 10Bit CVBSx5 UART VIF & SIF DDR2 Data & Addr HDMIA I2CM USB2 USB0 N501 MST6M48RXS Audio-Inx5 SPI RGBx2 SARx3 HDMIB PM I2S Out & GPIO Audio-Outx3 LVDSx2 10Bit CVBSx5 UART VIF & SIF DDR2 Data & Addr HDMIA I2CM USB2 USB0 N501 MST6M48RXS C593 NC/2.2pF C593 NC/2.2pF C504 2.2uF C504 2.2uF C506 2.2uF C506 2.2uF R459 4.7K R459 4.7K R562 4.7K R562 4.7K R569 100 R569 100 R578 4.7K R578 4.7K R599 1K R599 1K C531 47nF C531 47nF C406 2.2uF C406 2.2uF C524 47nF C524 47nF PDF ��� "PDF ����" ����� ����� � 5 5 4 4 3 3 2 2 1 1 D D C C B B A A HDMI1-RX1+ HDMI1-RX2- HDMI2-HPD HDMI1-RX1- HDMI1-RX0+ HDMI1-RX0- HDMI1-RXC+ HDMI1-RXC- HDMI1-DDC-SDA HDMI1-DDC-SCL HDMI1-SCL HDMI1-SDA HDMI1-DDC-SCL HDMI1-DDC-SDA HDMI1-RX1+ HDMI1-RX2- HDMI1-RX1- HDMI1-RX0+ HDMI1-RX0- HDMI1-RXC+ HDMI1-RXC- HDMI1-RX2+ HDMI2-RX1+ HDMI2-RX2- HDMI2-RX1- HDMI2-RX0+ HDMI2-RX0- HDMI2-RXC+ HDMI2-RXC- HDMI2-DDC-SDA HDMI2-DDC-SCL HDMI2-RX2+ CEC2 HDMI2-SCL HDMI2-SDA HDMI2-DDC-SCL HDMI2-DDC-SDA HDMI2-RX1+ HDMI2-RX2- HDMI2-RX1- HDMI2-RX0+ HDMI2-RXC+ HDMI2-RXC- HDMI2-RX2+ HDMI1-HPD HDMI1-RX2+ CEC1 HDMI2-RX0- CEC1 HDMI-CEC CEC2 HDMI1-RX1P HDMI1-RX2N HDMI1-RX1N HDMI1-RX0P HDMI1-RX0N HDMI1-CLKP HDMI1-CLKN HDMI1-RX2P HDMI2-RX1P HDMI2-RX2N HDMI2-RX1N HDMI2-RX0P HDMI2-RX0N HDMI2-CLKP HDMI2-CLKN HDMI2-RX2P HDMI_HP1 HDMI_HP2 HDMI2_EDID_5V +5VA HDMI1/5V +5VA HDMI2/5V HDMI1_EDID_5V +3.3Vstb HDMI1/5V HDMI2/5V HDMI_HP1 P_2 HDMI1-SDA P_2 HDMI1-SCL P_2 HDMI2-SDA P_2 HDMI2-SCL P_2 HDMI-CEC HDMI1-RX2P HDMI1-RX2N HDMI1-RX1P HDMI1-RX1N HDMI1-RX0P HDMI1-RX0N HDMI1-CLKP HDMI1-CLKN HDMI2-RX2P HDMI2-RX2N HDMI2-RX1P HDMI2-RX1N HDMI2-RX0P HDMI2-RX0N HDMI2-CLKP HDMI2-CLKN HDMI_HP2 P_2 ��N405�L306�C663�C670�C669 2010.01.26�� ��N406�L307�C675�C674�C673 2010.01.26�� ��N401�R415�R416�R414�R418�C401 ��N402�R433�R434�R432�R436�C402 R419 10 R419 10 R413 10K R413 10K R430 10K R430 10K R409 100 R409 100 3 1 2 VD404 BAT54C VD404 BAT54C R417 NC/1K R417 NC/1K 1 2 3 V402 NC/3904 V402 NC/3904 R402 10 R402 10 DATA2+ 1 DATA2 SHIELD 2 DATA2- 3 DATA1+ 4 DATA1 SHIELD 5 DAT1A- 6 DATA0+ 7 8 DATA0 SHIELD DATA0- 9 CLK+ 10 CLK SHIELD 11 CLK- 12 CEC 13 NC 14 SCL 15 SDA 16 DDC/CEC GND 17 +5V POWER 18 HOT PLUG 19 20 GND1 21 GND2 22 GND3 23 GND4 XS602 HDMI_J XS602 HDMI_J R427 100 R427 100 R567 NC/1K R567 NC/1K R454 0 R454 0 DATA2+ 1 DATA2 SHIELD 2 DATA2- 3 DATA1+ 4 DATA1 SHIELD 5 DAT1A- 6 DATA0+ 7 8 DATA0 SHIELD DATA0- 9 CLK+ 10 CLK SHIELD 11 CLK- 12 CEC 13 NC 14 SCL 15 SDA 16 DDC/CEC GND 17 +5V POWER 18 HOT PLUG 19 20 GND1 21 GND2 22 GND3 23 GND4 XS601 HDMI_J XS601 HDMI_J R424 10 R424 10 R404 10 R404 10 R412 10K R412 10K R423 10 R423 10 R421 10 R421 10 R407 10 R407 10 R431 10K R431 10K R401 10 R401 10 R435 NC/1K R435 NC/1K R429 1K R429 1K 3 1 2 VD409 BAT54C VD409 BAT54C R422 10 R422 10 R455 0 R455 0 R410 100 R410 100 R566 NC/1K R566 NC/1K R428 100 R428 100 R426 10 R426 10 R406 10 R406 10 R470 2.7K R470 2.7K R425 10 R425 10 R405 10 R405 10 1 2 3 V401 NC/3904 V401 NC/3904 R403 10 R403 10 R420 10 R420 10 R408 10 R408 10 R411 1K R411 1K PDF ��� "PDF ����" ����� ����� � 5 5 4 4 3 3 2 2 1 1 D D C C B B A A RXD0 TXD0 VGA-G+ VGA-R+ VGA-B+ VGA-VS VGA-VS VGA-HS VGA-R+ VGA-G+ VGA-B+ RGB0_B+ RGB0_G+ RGB0_R+ RGB0_G-SOG 5Vstb VGA/5V 5Vstb 5VA/PC RGB0_B+ RGB0_G+ RGB0_R+ RGB0_G-SOG VGA_HS VGA_VS UART-TX UART-RX UART-TX UART-RX 1 2 3 5 6 4 N410 IP4223CZ6 N410 IP4223CZ6 R441 75 R441 75 R444 470 R444 470 R474 NC R474 NC R464 0 R464 0 R473 NC/33 R473 NC/33 R461 NC/0 R461 NC/0 R476 NC/10K R476 NC/10K 3 1 2 VD403 NC/BAT54C VD403 NC/BAT54C L402 0 L402 0 R442 75 R442 75 3 1 2 VD406 BAV99 VD406 BAV99 C407 NC C407 NC C408 NC C408 NC R449 NC R449 NC R471 NC R471 NC R438 33 R438 33 R447 1K R447 1K R475 NC/4.7K R475 NC/4.7K R456 NC R456 NC R477 NC/33 R477 NC/33 NC 1 NC 2 NC 3 GND 4 SDA 5 SCL 6 VCLK 7 VCC 8 N404 NC/24C02 N404 NC/24C02 R446 1K R446 1K R463 0 R463 0 R440 33 R440 33 1 2 VD401 5.6V VD401 5.6V C415 NC/0.1uF C415 NC/0.1uF R437 NC R437 NC R460 NC/0 R460 NC/0 R445 NC R445 NC 5 10 4 9 3 8 2 7 1 15 14 13 12 11 6 16 17 XS605 VGA XS605 VGA R472 NC/4.7K R472 NC/4.7K 3 1 2 VD405 BAV99 VD405 BAV99 1 2 VD402 5.6V VD402 5.6V R443 75 R443 75 L403 0 L403 0 R448 NC R448 NC L401 0 L401 0 R439 33 R439 33 PDF ��� "PDF ����" ����� ����� � 5 5 4 4 3 3 2 2 1 1 D D C C B B A A I2C_SDA I2C_SCL AV_OUT AUL_AV_OUT AV2_IN HD1_Pb HD1_Pr HD_R_IN HD_L_IN PC_L HD-R HD-L AV1_IN AV1_IN AV1_IN+ AV1- AV_OUT PB1+_PX HD1_Y SPDIF_OUT PR1+_PX OP_VCC2 OP_VCC2 AUR_AV_OUT HD1_Pb PR1+_PX AV2_IN Y1+_PX MUTE_HP HD1_Y HD1_Pr PB1+_PX AL1_IN AV1-Lin AV1-Rin AR1_IN OP_VCC2 Y1+_PX AV_OUT HD1_Pr HD1_Y SPDIF_OUT AV1_IN HD1_Pb SPDIF_OUT SPDIF SPDIF PC_R AV1_IN Side_AV +5VA +3.3VA 6VBuf1 V12-1 +5VA V12-1 +5VA +5VA Y+ P_2 I2C_SCL I2C_SDA PH-Lout PH-Rout PC-Lin PC-Rin AV1-Vin+ P_2 AUL_AV_OUT AUR_AV_OUT CVBS_OUT AV1-Vin- P_2 GAIN_SW 2 HP_MUTE PB+ P_2 AV_AUOUTR AUR_AV_OUT AUL_AV_OUT PR+ P_2 AV2-Vin- P_2 AV_AUOUTL SOY P_2 AV2-Vin+ P_2 HD_R_IN HD_L_IN AV1-Rin AV1-Lin SPDIF MUTE_HP Side_AV P_2 ESD ��FOR �����, AV/SPDIF OUTPUT AV INPUT R484 ������� R484 ������0� SPDIF OUT:C513=0,R527=0,R533=NC;SPDIF RCA OUT AS BLOW SPIDF Ouput Note: The IC's CVBSOUT level is 1Vp-p when input signal is 1Vp-p, so it must multiply signal by four (GAIN X 2) for 2Vp-p output ESD � ESD AV1 INPUT and AVOUT ��S-Video���SPDIF_OUT ��S-Video(C634,L605,C635,R669,R668) ��S-Video(C642,L608,C643,R675,R672) �������2� L603 NC �� L602 R627 ��47K�R638 ��33K R626 ��330�R637 ��75�R634��75 2010.01.26 �������� 2010.01.26 �������� 2010.01.26�� ��R661�R668�R662�R664�R669�V607 ��������� 2010.01.26�� ����+3.3Vstb��+3.3VA C635 NC_0.1uF C635 NC_0.1uF R628 47K R628 47K 3 2 1 8 4 - + N601A 4558 - + N601A 4558 R626 5.1K R626 5.1K R450 10K R450 10K 1 3 2 V604 3906 V604 3906 1 3 2 C C D ESD VD611 PESD3V3L2BT C C D ESD VD611 PESD3V3L2BT C615 0.1uF C615 0.1uF R673 NC_12K R673 NC_12K RJ53 NC/4.7K RJ53 NC/4.7K L614 0 L614 0 C413 560p C413 560p L604 0 L604 0 C627 100pF C627 100pF 1 2 3 V610 NC/3904 V610 NC/3904 C608 0.1uF C608 0.1uF RJ52 NC/4.7K RJ52 NC/4.7K C666 2.2uF C666 2.2uF 1 2 3 V608 NC_3904 V608 NC_3904 R645 10K R645 10K R635 10K R635 10K R648 33K R648 33K R630 33K R630 33K 5 6 7 8 11 XS607B XS607B 1 3 2 C C D ESD VD604 PESD3V3L2BT C C D ESD VD604 PESD3V3L2BT R632 10 R632 10 R633 75 R633 75 C623 4.7uF C623 4.7uF 1 2 L603 NC/FB L603 NC/FB C607 1uF C607 1uF C622 10uF/10V C622 10uF/10V R685 3.9K R685 3.9K L612 0 L612 0 V612 3904 V612 3904 R631 10K R631 10K 1 3 2 C C D ESD VD606 PESD3V3L2BT C C D ESD VD606 PESD3V3L2BT R650 47 R650 47 R649 12K R649 12K 1 1 2 2 3 3 4 4 5 5 6 6 7 7 8 8 9 9 10 10 11 12 13 14 15 15 XS612 CON XS612 CON 1 2 3 5 4 6 N607 IP4223CZ6 N607 IP4223CZ6 RJ51 NC/27K RJ51 NC/27K R637 499 5% R637 499 5% 1 2 3 4 12 XS607A YPbPr_AUDIO_IN XS607A YPbPr_AUDIO_IN R483 NC/100 R483 NC/100 R647 10K R647 10K C625 2.2uF C625 2.2uF 1 2 3 5 4 6 N606 IP4223CZ6 N606 IP4223CZ6 C630 NC C630 NC R653 47 R653 47 C599 22pF C599 22pF L616 0 L616 0 R527 100 R527 100 RJ27 12K RJ27 12K R692 0 R692 0 R651 12K R651 12K R654 470 R654 470 C410 560p C410 560p R638 6.8K R638 6.8K R663 33 R663 33 C611 10uF/10V C611 10uF/10V R695 47 R695 47 1 3 2 C C D ESD VD609 PESD3V3L2BT C C D ESD VD609 PESD3V3L2BT L611 0 L611 0 R675 NC_470R R675 NC_470R R627 22K R627 22K C613 4.7uF C613 4.7uF C409 2.2u C409 2.2u R668 3.9K R668 3.9K R484 NC/10 R484 NC/10 1 2 L602 FB L602 FB R674 NC_22K R674 NC_22K R451 12K R451 12K RJ09 75 RJ09 75 R652 75 R652 75 R646 47K R646 47K C629 NC/330pF C629 NC/330pF V605 3904 V605 3904 6 4 8 1 2 3 7 5 V Y Pb B XS614 AV_SPDIF V Y Pb B XS614 AV_SPDIF R658 33 R658 33 C412 2.2u C412 2.2u RJ50 NC/47 RJ50 NC/47 C662 2.2uF C662 2.2uF RJ04 47 RJ04 47 C631 NC/330pF C631 NC/330pF C618 10uF/10V C618 10uF/10V C634 NC_1uF/0603 C634 NC_1uF/0603 1 2 3 V609 NC/3904 V609 NC/3904 R625 10K R625 10K + C614 100u/16V + C614 100u/16V L606 FB/NC L606 FB/NC R642 10K R642 10K RJ54 NC/4.7K RJ54 NC/4.7K R664 1.2K R664 1.2K 5 6 7 8 4 - + N601B 4558 - + N601B 4558 R634 499 1% R634 499 1% RJ13 75 RJ13 75 C667 1nF C667 1nF C619 100pF C619 100pF R453 12K R453 12K C621 1uF C621 1uF RJ24 10K RJ24 10K RJ26 12K RJ26 12K C620 10uF/10V C620 10uF/10V R684 0 R684 0 RJ11 75 RJ11 75 R480 NC/100 R480 NC/100 C626 2.2uF C626 2.2uF R655 33 R655 33 RJ02 NC/75 RJ02 NC/75 L217 FB L217 FB 1 3 2 C C D ESD VD607 PESD3V3L2BT C C D ESD VD607 PESD3V3L2BT 2 6 7 1 4 10 8 9 3 5 XS615 HP-RV2 XS615 HP-RV2 C668 1nF C668 1nF C654 NC/330pF C654 NC/330pF R669 33 R669 33 C655 NC/330pF C655 NC/330pF RJ23 10K RJ23 10K 1 2 3 5 4 6 N605 IP4223CZ6 N605 IP4223CZ6 C628 NC C628 NC R452 10K R452 10K R672 NC_75R R672 NC_75R PDF ��� "PDF ����" ����� ����� � 5 5 4 4 3 3 2 2 1 1 D D C C B B A A LED_R SCL_OPT MI2C-SCL KEY0-in SDA_OPT LED_G MI2C-SDA KEY1-in 5VSTB 5VSTB 5VSTB +3.3Vstb +3.3Vstb +3.3Vstb LED_POWER LED_POWER LED_POWER +3.3Vstb IR-in P_2,8 MI2C-SDA P_2,5,8 MI2C-SCL P_2,5,8 KEY0-in P_2 LED P_2 KEY1-in P_2 LED P_2 �� �� �� �� � � ��� � � � � � � �� �� �� �� �� �� �� �� �� �� � � � � KONKA �� ���� ����� ���� MST6M16GS 12 7 �� �� �� �� � � ��� � � � � � � �� �� �� �� �� �� �� �� �� �� � � � � KONKA �� ���� ����� ���� MST6M16GS 12 7 �� �� �� �� � � ��� � � � � � � �� �� �� �� �� �� �� �� �� �� � � � � KONKA �� ���� ����� ���� MST6M16GS 12 7 LED_CTRL AND KEY ������LED LED_R�LED_G�� R613 4.7K R613 4.7K R690 1K/NC R690 1K/NC R608 47/NC R608 47/NC R601 10K R601 10K 1 2 3 V606 3904/NC V606 3904/NC R610 10K R610 10K R604 0 R604 0 R611 220 R611 220 R605 1K_1% R605 1K_1% C604 NC/22pF C604 NC/22pF R683 4.7K R683 4.7K C603 NC/22pF C603 NC/22pF R606 100 R606 100 R607 47/NC R607 47/NC R682 0 R682 0 R603 NC/10K R603 NC/10K 1 3 2 V602 3906 V602 3906 R644 NC R644 NC R612 1K R612 1K R609 75 R609 75 1 1 3 3 5 5 7 7 9 9 2 2 4 4 6 6 8 8 10 10 12 12 11 11 XS644 HEADER_6x2 XS644 HEADER_6x2 R680 0 R680 0 1 2 3 V603 3904 V603 3904 C602 100pF C602 100pF 1 3 2 V601 3906 V601 3906 R602 4.7K R602 4.7K R616 10K R616 10K R681 4.7K R681 4.7K C601 10nF C601 10nF PDF ��� "PDF ����" ����� ����� � 5 5 4 4 3 3 2 2 1 1 D D C C B B A A VIFM SIFM SIFP VIF_SW IF1 SIF_SW IF IF1 IF VIFP GND GND 5V_Tuner GND GND GND GND M_A5V GND GND GND GND GND GND GND GND GND GND GND GND GND GND GND GND GND GND GND GND GND GND GND GND 5V_Tuner GND 5V_Tuner GND 5V_Tuner GNDGND V12-1 GND GND 5V_Tuner +3.3Vstb +3.3Vstb SIF_SW SIFP SIFM VIFP VIFM I2C_SCL I2C_SDA VIF_SW T_AGC 0.16Amax <-------- <---- ADDR: 0xC0 MAIN TUNER 0.16Amax <-------- ��R161 300 ��R121 12K C158���0.22uF R123 NC�R128���0� 1 2 L105 1K_Ohm_100mA L105 1K_Ohm_100mA R107 10K_DNS R107 10K_DNS V103 MMBT3904 V103 MMBT3904 R136 6.8K R136 6.8K R121 12K R121 12K C175 1000pF-NPO C175 1000pF-NPO + C171 220uF/16V + C171 220uF/16V C108 1000pF-NPO C108 1000pF-NPO 1 2 L101 1K_Ohm_100mA L101 1K_Ohm_100mA + C114 220uF/16V + C114 220uF/16V C170 1000pF C170 1000pF R175 47 R175 47 C186 1000pF-NPO C186 1000pF-NPO C183 1000pF-NPO C183 1000pF-NPO AGC 1 TU 2 AS 3 SCL 4 SDA 5 NC 6 VCC 7 ADC/NC 8 VT/NC 9 IF2/NC 10 IF1 11 G1 12 G2 13 G3 14 G4 15 N100 AFT1/3000 N100 AFT1/3000 C182 1000pF-NPO C182 1000pF-NPO R120 NC/100K R120 NC/100K V104 2SC388A V104 2SC388A R140 NC/3.3K R140 NC/3.3K VD102 NC/ISS110\BA591 VD102 NC/ISS110\BA591 R116 47 R116 47 R164 6.8K R164 6.8K R139 1K R139 1K VD104 1N4148 VD104 1N4148 R132 NC/470 R132 NC/470 C191 NC C191 NC V102 MMBT3904 V102 MMBT3904 R131 0 R131 0 IN1 1 IN2 2 GND 3 OUT1 4 OUT2 5 Z102 K9450M Z102 K9450M R112 NC/0 R112 NC/0 C178 1000pF-NPO_DNS C178 1000pF-NPO_DNS L111 1uH L111 1uH R130 6.8K R130 6.8K C173 1000pF-NPO C173 1000pF-NPO C193 0.01uF C193 0.01uF C177 0.01uF C177 0.01uF C141 0.1uF C141 0.1uF R137 6.8K R137 6.8K C189 22pF C189 22pF R105 NC/3.3K R105 NC/3.3K R126 75 R126 75 R141 3.3K R141 3.3K R106 0 R106 0 C172 0.1uF C172 0.1uF R104 1K R104 1K V101 MMBT3904_DNS V101 MMBT3904_DNS C188 0.1uF C188 0.1uF C157 0.01uF C157 0.01uF R161 300 R161 300 1 2 L109 600_Ohm_1.5A L109 600_Ohm_1.5A R160 300 R160 300 C174 0.047uF C174 0.047uF R1351K R1351K C146 1nF-NPO C146 1nF-NPO 1 2 L107 330_Ohm_200mA L107 330_Ohm_200mA C190 22pF C190 22pF R176 0 R176 0 1 2 L103 1K_Ohm_100mA L103 1K_Ohm_100mA C187 NC/0.01uF C187 NC/0.01uF R110 3.3K R110 3.3K R142 0 R142 0 R123 NC/5.6K R123 NC/5.6K R119 NC/3K R119 NC/3K + C161 NC/10uF/10V + C161 NC/10uF/10V R133 1K R133 1K C185 0.047uF C185 0.047uF R134 22 R134 22 R151 0 R151 0 VD105 ISS110\BA591 VD105 ISS110\BA591 C158 0.22uF C158 0.22uF C184 NC/12pF C184 NC/12pF R114 0 R114 0 C180 1000pF-NPO C180 1000pF-NPO R155 NC/0 R155 NC/0 R162 6.8K R162 6.8K R109 0 R109 0 C181 0.1uF C181 0.1uF C192 3.3P C192 3.3P 1 2 L102 1K_Ohm_100mA L102 1K_Ohm_100mA C179 1n C179 1n C145 0.01uF C145 0.01uF R146 680 R146 680 R128 0 R128 0 VD103 ISS110\BA591 VD103 ISS110\BA591 R143 3.3K R143 3.3K C120 10uF C120 10uF C119 0.1uF C119 0.1uF C176 0.047uF C176 0.047uF L110 0 L110 0 L104 NC L104 NC L106 NC L106 NC IN1 1 IN2 2 GND 3 OUT1 4 OUT2 5 Z103 K6274D Z103 K6274D R111 0 R111 0 PDF ��� "PDF ����" ����� ����� � 5 5 4 4 3 3 2 2 1 1 D D C C B B A A AMP_RIN 2.5VBuf1 MUTE_AMP 2.5VBuf1 MUTE_EN AMP_R AMP_Rin+ AMP_Rout+ AMP_Lout+ AMP_Lout- AMP_Lout+ AMP_Rout- AMP_Lout+ G0 AMP_Lout- G1 G0 G1 AMP_Rout+ AMP_Rout- AMP_Rout+ AMP_Rout- AMP_Lout- AMP_Rin- AMP_L AMP_AUOUTR0 AMP_AUOUTL0 AMP_EN MUTE_PA MUTE_PA AMP_MUTE AMP_EN AMP_Lin+ AMP_L AMP_MUTE AMP_Lin- AMP_LIN Side-PH_R AMP_Lin+ AMP_Rin+ AMP_LIN AMP_RIN MUTE_PA AMP_L AMP_R MUTE_PA PH-Lout AMP_RIN AMP_LIN PH-Rout Side-PH_L +5VA 5Vstb V12 V12 +3.3Vstb GND2 12VAMP V12 12VAMP GND2 +5VA OP_VCC1 OP_VCC1 +5VA 2.5VBuf1 GND2 GND2 GND2 GND2 GND2 GND2 GND2 GND2 12VAMP 12VAMP +5VA 12VAMP GND2 GND2 GND2 5Vstb V12 5Vstb 12VAMP +5VA MUTE_AMP 2 MUTE_EN 2 AMP_AUOUTL0 2 AMP_AUOUTR0 2 Side-PH_R 6 PH-Lout PH-Rout Side-PH_L 6 HP_MUTE G1 G0 15dB 0 0 18dB 0 1 21dB 1 0 31dB 1 1 8� � � � 8� � � � R- R+ L- L+ MUTE Control H:MUTE L:ON H:MUTE L:ON H:OFF L:ON H:OFF L:ON Mstar Audio Amp EN:H(12V)-on L-off for ���� PH_Drive AMP&HP OP AMP R313��R233 R325��R235 R314��R236 R320��R237 R313��R233 R325��R235 R314��R236 R320��R237 R332��R202 R331��R201 R317��R204 R318��R205 R324��R207 R301��R211 R326��R214 R319��R222 R323��R223 R322��R224 R327��R240 C228,C254,C247,C233�2.2uF���100uF���������� 1 2 L212 FB_330_Ohm_600mA L212 FB_330_Ohm_600mA R289 100K R289 100K + C233 100uF/16V + C233 100uF/16V 1 2 L214 FB_1k_Ohm_100mA L214 FB_1k_Ohm_100mA R206 100K R206 100K VD807 PMEG2020 VD807 PMEG2020 R201 10K R201 10K R258 10K R258 10K C223 0.1uF C223 0.1uF R233 10R R233 10R R285 10K R285 10K R283 47K R283 47K R202 4.7K R202 4.7K R290 33K R290 33K R255 NC/10K R255 NC/10K L205 15uH L205 15uH C231 470pF C231 470pF CA204 100uF/16V CA204 100uF/16V R212 4.7K R212 4.7K R214 10K R214 10K C203 0.1uF C203 0.1uF R237 47K R237 47K C253 0.1uF C253 0.1uF C266 NC/1nF C266 NC/1nF L208 FB_1KΩ_100mA L208 FB_1KΩ_100mA C261 470pF C261 470pF R217 0R R217 0R L207 15uH/3A L207 15uH/3A C202 10uF/16V C202 10uF/16V L204 15uH L204 15uH R205 10K R205 10K C264 2.2uF C264 2.2uF R230 33K R230 33K R221 4.7K R221 4.7K R234 4.7K R234 4.7K 1 3 2 V211 2N7002 V211 2N7002 L206 15uH L206 15uH C267 220nF/X7R/25V C267 220nF/X7R/25V R215 100K R215 100K 1 3 2 V221 3904 V221 3904 R240 NC R240 NC C262 2.2uF C262 2.2uF + C247 100uF/16V + C247 100uF/16V R231 10K R231 10K C258 470pF C258 470pF L210 FB_1KΩ_100mA L210 FB_1KΩ_100mA C256 2.2uF C256 2.2uF R227 NC/1K R227 NC/1K 1 3 2 V208 2N7002 V208 2N7002 C227 1uF/X7R/25V C227 1uF/X7R/25V 1 3 2 V205 3904 V205 3904 R210 1K R210 1K R260 470K R260 470K 1 2 L201 FB_1k_Ohm_100mA L201 FB_1k_Ohm_100mA CA208 220uF/16V CA208 220uF/16V C236 100pF C236 100pF C268 1uF C268 1uF R265 10K R265 10K R216 10K R216 10K R220 10K R220 10K R211 10K R211 10K 1 2 3 V207 3904 V207 3904 C226 1uF/X7R/25V C226 1uF/X7R/25V R208 10K/NC R208 10K/NC C234 1uF/X7R/25V C234 1uF/X7R/25V 1 2 L213 NC/FB_1k_Ohm_100mA L213 NC/FB_1k_Ohm_100mA 1 2 L216 FB_1k_Ohm_100mA L216 FB_1k_Ohm_100mA CA201 470uF/25V CA201 470uF/25V R236 10K R236 10K R218 NC/120R/0805 R218 NC/120R/0805 R213 NC/22K R213 NC/22K C225 0.1uF C225 0.1uF C232 1uF/X7R/25V C232 1uF/X7R/25V + C254 100uF/16V + C254 100uF/16V V201 3906 V201 3906 1 3 2 V209 2N7002 V209 2N7002 C224 1uF/X7R/25V C224 1uF/X7R/25V VIPL 3 VINL 4 HVSSL 1 G1 2 VIPR 8 VINR 7 G0 5 MUTE 6 OUTNR 12 HVSSR 11 HVSSR 10 AVSS2 9 HVDDR 16 HVDDR 15 OUTNR 14 HVDDR 13 OUTPR 17 HVDDR 18 OUTPR 19 HVSSR 20 HVSSR 21 FBPR 22 FBNR 23 AVSS1 24 AVDD 25 EN 26 HVDD 27 HVSSL 30 HVSSL 31 OUTPL 32 HVDDL 33 OUTPL 34 HVDDL 35 HVDDL 36 OUTNL 37 HVDDL 38 OUTNL 39 HVSSL 40 FBNL 28 FBPL 29 thermal 41 N202 MSH9000 N202 MSH9000 C252 2.2uF C252 2.2uF R224 100k R224 100k CA203 100uF/16V CA203 100uF/16V R281 33K R281 33K C230 1nF C230 1nF VD202 1N4148 VD202 1N4148 R228 10K R228 10K R232 4.7K R232 4.7K R235 33K R235 33K C251 0.1uF C251 0.1uF R222 100k R222 100k 1 2 3 V202 3904 V202 3904 + C228 100uF/16V + C228 100uF/16V C265 NC/1uF/X7R/25V C265 NC/1uF/X7R/25V L211 FB_1KΩ_100mA L211 FB_1KΩ_100mA R204 10K R204 10K 1 2 3 XS202 D2514-3A XS202 D2514-3A C260 470pF C260 470pF C229 220nF/X7R/25V C229 220nF/X7R/25V R280 NC/10K R280 NC/10K R207 10K R207 10K + CA205 470uF/25V + CA205 470uF/25V 1 2 L202 NC/FB_1k_Ohm_100mA L202 NC/FB_1k_Ohm_100mA C269 1uF/X7R/25V C269 1uF/X7R/25V C263 220nF/X7R/25V C263 220nF/X7R/25V 5 6 7 8 4 - + N204B TDA1308 - + N204B TDA1308 3 2 1 8 4 - + N204A TDA1308 - + N204A TDA1308 R223 NC R223 NC C259 1nF C259 1nF L203 15uH L203 15uH R268 10K R268 10K R229 NC R229 NC R225 0R R225 0R VD203 1N4148 VD203 1N4148 CA209 220uF/16V CA209 220uF/16V R209 10K R209 10K 1 3 2 V210 2N7002 V210 2N7002 1 3 2 V212 3904 V212 3904 + CA202 470uF/25V + CA202 470uF/25V R267 10K R267 10K C255 220nF/X7R/25V C255 220nF/X7R/25V R219 NC/10K R219 NC/10K L209 FB_1KΩ_100mA L209 FB_1KΩ_100mA R239 470K R239 470K 1 2 3 XS201 D2514-3A XS201 D2514-3A VD201 1N4148 VD201 1N4148 C235 100pF C235 100pF R203 100R R203 100R 1 3 2 V204 3904 V204 3904 R261 10R R261 10R 1 3 2 V203 3904 V203 3904 PDF ��� "PDF ����" ����� ����� � 5 5 4 4 3 3 2 2 1 1 D D C C B B A A LVDS_SEL RXEC+ RXEC- RXE2+ RXE2- RXO4+ RXO4- RXO3- RXE3+ RXE3- RXOC- RXO2+ RXE4- RXO2- RXE1- RXE0+ RXE0- RXOC+ RXE1+ RXO1+ RXO1- RXO0+ RXO0- RXE4+ SELVDS SPI_Flash-SCK FLASH_CS0N SPI_Flash-SDI SPI_Flash-SDO WP_FLASH SPI_CS0N A-MCLK+ A-MCLK- A_MCLK A_MCLKZ A_MADR1 A_MADR10 A-MADR1 A-MADR10 A_MBADR2 A-MBADR2 A_MBADR0 A_MBADR1 A_MCKE A_MWEZ A-MBADR0 A-MBADR1 A-MCKE A-MWEZ A-MADR12 A_MADR12 A_MODT A_MRASZ A_MCASZ A-MODT A-MRASZ A-MCASZ A_MADR0 A-MADR0 A-MADR2 A_MADR2 A-MADR4 A_MADR4 A-MADR6 A_MADR6 A_MADR8 A-MADR8 A-MADR11 A_MADR11 A_MADR13 A-MADR13 A_MADR5 A_MADR3 A-MADR3 A-MADR5 A-MADR9 A-MADR7 A_MADR7 A_MADR9 A_MDATA6 A-MDATA3 A-MDATA1 A_MDATA3 A_MDATA1 A_MDATA4 A-MDATA6 A-MDATA4 A-MDATA0 A-MDATA7 A-MDATA2 A-MDATA5 A-MDATA10 A-MDATA13 A-MDATA15 A-MDATA8 A_MDATA10 A_MDATA8 A_MDATA15 A_MDATA13 A_MDATA2 A_MDATA0 A_MDATA7 A_MDATA5 A_MDATA11 A_MDATA9 A_MDATA14 A_MDATA12 A-MDATA9 A-MDATA11 A-MDATA14 A-MDATA12 A-MVREF A-MCLK+ A-MCLK- A-MCKE A-MDATA15 A-MADR0 A-MADR1 A-MADR2 A-MADR3 A-MADR5 A-MADR6 A-MADR7 A-MADR8 A-MADR9 A-MADR10 A-MADR11 A-MADR12 A-MADR4 A-MVREF A-MODT A-MADR13 A-UDQSP A-UDQSM A-LDQM A-LDQSM A-UDQM A-LDQSP A-MBADR0 A_MDQML A_MDQMU A_MDQSU A_MDQSUZ A_MDQSL A_MDQSLZ A-MBADR2 A-MRASZ A-MCASZ A-MWEZ A-MDATA14 A-MDATA13 A-MDATA12 A-MDATA11 A-MDATA10 A-MDATA9 A-MDATA8 A-MDATA7 A-MDATA6 A-MDATA5 A-MDATA4 A-MDATA3 A-MDATA2 A-MDATA0 A-MDATA1 A-MBADR1 MI2C-SCL MI2C-SDA I2C_SCL I2C_SDA I2C_SDA I2C_SCL EEP-WP/SPDFIN UART-TX UART-TX UART-RX PWR_DET T_AGC RXO3+ MI2C-SCL WP_KEY MI2C-SCL MI2C-SDA MI2C-SDA WP_KEY I2C_SDA I2C_SCL GND/SDA GND/SCL Bit_SEL OD_SEL2/INT_FREE VBR/RPF OPC_OUT/OD_SEL1 EN_DBL OPC_EN/L_DIM SELVDS FLASH_WP0N +3.3Vstb +3.3Vstb +3.3Vstb 33V_P VCC-Panel 1.8V-MIU0 +1.8V_DDR2 1.8V-MIU0 1.8V-MIU0 +3.3VA +5VA 5Vstb V12 +3.3Vstb +5VA 5Vstb +3.3VA VCC-Panel 33V_P BKL_ADJ I2C_SCL I2C_SDA UART-RX UART-TX MI2C-SCL MI2C-SDA EEP-WP/SPDFIN PWR_DET GPIO/PWM0 WP_FLASH RXE4+ RXE4- RXE3+ RXE3- RXEC+ RXEC- RXE2+ RXE2- RXE1+ RXE1- RXE0+ RXE0- RXO4+ RXO4- RXO3+ RXO3- RXOC+ RXOC- RXO2+ RXO2- RXO1+ RXO1- RXO0+ RXO0- SPI_Flash-SCK SPI_Flash-SDI SPI_CS0N SPI_Flash-SDO A_MBADR2 A_MADR1 A_MADR10 A_MADR3 A_MCLK A_MCLKZ A_MADR5 A_MADR7 A_MADR9 A_MADR12 A_MWEZ A_MCKE A_MBADR1 A_MBADR0 A_MADR0 A_MCASZ A_MRASZ A_MODT A_MADR8 A_MADR6 A_MADR4 A_MADR2 A_MADR11 A_MADR13 A_MDATA11 A_MDATA12 A_MDATA9 A_MDATA14 A_MDATA4 A_MDATA3 A_MDATA1 A_MDATA6 A_MDATA15 A_MDATA8 A_MDATA10 A_MDATA13 A_MDATA7 A_MDATA0 A_MDATA2 A_MDATA5 A_MDQMU A_MDQML A_MDQSL A_MDQSLZ A_MDQSU A_MDQSUZ T_AGC I2C_SDA I2C_SCL OD_SEL 2 L_DIM_DBL2 SELVDS 2 Title Size Document Number Rev Date: Sheet of A2 1 1 Tuesday, January 04, 2011 Title Size Document Number Rev Date: Sheet of <Doc> <RevCode> <Title> A2 1 1 Tuesday, January 04, 2011 Title Size Document Number Rev Date: Sheet of <Doc> <RevCode> <Title> A2 1 1 Tuesday, January 04, 2011 LVDS PANEL Interface Power off detection ��R571 3.3K N504�����SO8������4MB �����2010.01.19 C546 47pF C546 47pF R525 100 R525 100 C585 0.1uF C585 0.1uF R544 4.7K R544 4.7K VDD A1 NC2 A2 VSS A3 DQ14 B1 VSSQ B2 UDM B3 A4 N8 A6 N7 VDD M9 A0 M8 A2 M7 CS# L8 CAS# L7 ODT K9 CLK# K8 RAS# K7 VDD J9 CLK J8 VSSDL J7 DQ5 H9 VSSQ H8 DQ2 H7 VDDQ G9 DQ0 G8 VDDQ G7 DQ7 F9 VSSQ F8 LDQS F7 VDDQ E9 LDQS# E8 VSSQ E7 DQ13 D9 VSSQ D8 DQ10 D7 VDDQ C9 DQ8 C8 VDDQ C7 A7 P2 A9 P3 VDD R1 A12 R2 RFU3 R3 VSSQ A7 UDQS# A8 VDDQ A9 UDQS B7 VSSQ B8 DQ15 B9 A10 M2 A1 M3 VSS N1 A3 N2 A5 N3 VDDQ C1 DQ9 C2 VDDQ C3 DQ12 D1 VSSQ D2 DQ11 D3 VDD E1 NC3 E2 VSS E3 DQ6 F1 VSSQ F2 LDM F3 VDDQ G1 DQ1 G2 VDDQ G3 DQ4 H1 VSSQ H2 DQ3 H3 VDDL J1 VREF J2 VSS J3 CKE K2 WE# K3 BA2/RFU2 L1 BA0 L2 BA1 L3 RFU1 R7 NC1 R8 VSS P9 A8 P8 A11 P7 A B C D E F G H J K L M N P R 1 2 3 7 8 9 Vdd NC Vss DQ14 VssQ UDM VddQ DQ9 VddQ DQ12 VssQ DQ11 Vdd NC Vss DQ6 VssQ LDM VddQ DQ1 VddQ DQ4 VssQ DQ3 VddL Vref Vss CKE WE# RFU BA0 BA1 A10 A1 Vss A3 A5 A7 A9 Vdd A12 RFU VssQ UDQS# VddQ UDQS VssQ DQ15 VddQ DQ8 VddQ DQ10 VssQ DQ13 VssQ LDQS# VddQ LDQS VssQ DQ7 VddQ DQ0 VddQ DQ2 VssQ DQ5 VssDL CK Vdd RAS# CK# ODT CAS# CS# A2 A0 Vdd A6 A4 A11 A8 RFU NC Vss N502 K4T1G164QE-HCF8 A B C D E F G H J K L M N P R 1 2 3 7 8 9 Vdd NC Vss DQ14 VssQ UDM VddQ DQ9 VddQ DQ12 VssQ DQ11 Vdd NC Vss DQ6 VssQ LDM VddQ DQ1 VddQ DQ4 VssQ DQ3 VddL Vref Vss CKE WE# RFU BA0 BA1 A10 A1 Vss A3 A5 A7 A9 Vdd A12 RFU VssQ UDQS# VddQ UDQS VssQ DQ15 VddQ DQ8 VddQ DQ10 VssQ DQ13 VssQ LDQS# VddQ LDQS VssQ DQ7 VddQ DQ0 VddQ DQ2 VssQ DQ5 VssDL CK Vdd RAS# CK# ODT CAS# CS# A2 A0 Vdd A6 A4 A11 A8 RFU NC Vss N502 K4T1G164QE-HCF8 R619 100 R619 100 1 2 3 4 5 XS504 CON5_2.0 XS504 CON5_2.0 A0 1 A1 2 A2 3 GND 4 SDA 5 SCL 6 WP 7 VCC 8 N503 NC/24C64 N503 NC/24C64 C552 22pF C552 22pF 2 4 6 8 1 3 5 7 RA505 33 2 4 6 8 1 3 5 7 RA505 33 7 5 3 1 8 6 4 2 RA511 75X4 7 5 3 1 8 6 4 2 RA511 75X4 C600 22pF C600 22pF R590 100 R590 100 HOLD 1 VCC 2 NC1 3 NC2 4 NC3 5 NC4 6 SO16-CS 7 DO 8 WP/Vpp 9 VSS 10 NC5 11 NC6 12 NC7 13 NC8 14 DI 15 CLK 16 SOP8-CS 17 SOP8-DO 18 SOP8-WP/Vpp 19 VSS 20 SOP8-DI 21 SOP8-CLK 22 SOP8-HOLD 23 SOP8-VCC 24 SOIC8 208mil N504 MX25L6445E SOIC8 208mil N504 MX25L6445E R556 1K_1% R556 1K_1% R583 NC/10K R583 NC/10K R620 47 R620 47 R553 22 R553 22 1 2 3 4 5 6 7 8 9 10 11 12 13 14 15 16 17 18 19 20 21 22 23 24 25 26 27 28 29 30 31 32 33 34 35 36 37 38 39 40 52 51 41 43 45 47 49 42 44 46 50 48 XS502 BM50B-SRDS-G-TF XS502 BM50B-SRDS-G-TF R546 4.7K R546 4.7K R624 NC R624 NC R5272 100R/NC R5272 100R/NC R513 75 R513 75 R564 NC/4.7K R564 NC/4.7K C544 0.1uF C544 0.1uF C594 10nF C594 10nF R623 NC R623 NC R593 NC R593 NC C582 0.1uF C582 0.1uF C598 0.1uF C598 0.1uF R535 33 R535 33 7 5 3 1 8 6 4 2 RA518 22X4 7 5 3 1 8 6 4 2 RA518 22X4 R571 3.3K R571 3.3K R467 0 R467 0 R597 NC R597 NC 7 5 3 1 8 6 4 2 RA515 22X4 7 5 3 1 8 6 4 2 RA515 22X4 R548 10K R548 10K R554 22 R554 22 R622 4.7K R622 4.7K R547 10K R547 10K C547 47pF C547 47pF R549 100 R549 100 R591 100 R591 100 C580 0.1uF C580 0.1uF 1 2 JP1 2-PIN JP1 2-PIN R592 NC R592 NC R5273 100R/NC R5273 100R/NC R5270 4.7K/2K R5270 4.7K/2K R596 NC R596 NC R585 NC/100 R585 NC/100 R589 NC R589 NC C581 0.1uF C581 0.1uF R558 22 R558 22 R529 100 R529 100 1 2 3 V503 3904 V503 3904 R507 22 R507 22 7 5 3 1 8 6 4 2 RA514 75X4 7 5 3 1 8 6 4 2 RA514 75X4 R543 100 R543 100 7 5 3 1 8 6 4 2 RA512 75X4 7 5 3 1 8 6 4 2 RA512 75X4 R510 4.7K R510 4.7K R526 4.7K R526 4.7K R575 100 R575 100 R515 4.7K R515 4.7K R531 100 R531 100 R580 4.7K R580 4.7K R542 100 R542 100 R615 NC/0R R615 NC/0R 7 5 3 1 8 6 4 2 RA517 22X4 7 5 3 1 8 6 4 2 RA517 22X4 C586 0.1uF C586 0.1uF R595 NC R595 NC 1 2 3 4 XS503 CON4_2.0 XS503 CON4_2.0 R587 NC R587 NC R559 22 R559 22 R621 NC R621 NC C540 0.1uF C540 0.1uF R545 4.7K R545 4.7K R555 22 R555 22 A0 1 A1 2 A2 3 GND 4 SDA 5 SCL 6 WP 7 VCC 8 N508 24C04 N508 24C04 C584 0.1uF C584 0.1uF 2 4 6 8 1 3 5 7 RA504 33 2 4 6 8 1 3 5 7 RA504 33 R560 1K_1% R560 1K_1% R594 NC R594 NC R629 4.7K R629 4.7K 7 5 3 1 8 6 4 2 RA516 22X4 7 5 3 1 8 6 4 2 RA516 22X4 R614 NC/0R R614 NC/0R R533 4.7K R533 4.7K R586 NC/100 R586 NC/100 2 4 6 8 1 3 5 7 RA509 33 2 4 6 8 1 3 5 7 RA509 33 R506 22 R506 22 C579 0.1uF C579 0.1uF R466 NC/0 R466 NC/0 7 5 3 1 8 6 4 2 RA513 75X4 7 5 3 1 8 6 4 2 RA513 75X4 R584 NC R584 NC R598 NC R598 NC D502 10V D502 10V C587 0.1uF C587 0.1uF R530 4.7K R530 4.7K C609 0.1uF C609 0.1uF R528 47 R528 47 R565 NC/4.7K R565 NC/4.7K R576 100 R576 100 C550 0.1uF C550 0.1uF R588 100 R588 100 R5268 1K R5268 1K 2 4 6 8 1 3 5 7 RA502 33 2 4 6 8 1 3 5 7 RA502 33 R557 22 R557 22 R514 75 R514 75 2 4 6 8 1 3 5 7 RA507 33 2 4 6 8 1 3 5 7 RA507 33 R577 4.7K R577 4.7K 7 5 3 1 8 6 4 2 RA510 75X4 7 5 3 1 8 6 4 2 RA510 75X4 R660 NC R660 NC C583 0.1uF C583 0.1uF R519 10K R519 10K 2 4 6 8 1 3 5 7 RA503 33 2 4 6 8 1 3 5 7 RA503 33 PDF ��� "PDF ����" ����� ����� � 5 5 4 4 3 3 2 2 1 1 D D C C B B A A TURN_RIGHT TURN_LEFT TURN_ON/OFF TURN_12V TURN_12V V12 +3.3VA +3.3VA +3.3VA +3.3VA +3.3VA TURN_L TURN_LEFT TURN_RIGHT TURN_R TURN_L TURN_R TURN_ON/OFF Title Size Document Number Rev Date: Sheet of <Doc> <RevCod <Title> B 1 1 Friday, March 26, 2010 Title Size Document Number Rev Date: Sheet of <Doc> <RevCod <Title> B 1 1 Friday, March 26, 2010 Title Size Document Number Rev Date: Sheet of <Doc> <RevCod <Title> B 1 1 Friday, March 26, 2010 TURN_12V is for ���� R300��R241 R302��R242 R303��R243 R304��R244 R305��R245 R306��R246 RJ01��R247 R284 NC/4.7K R284 NC/4.7K R288 NC/4.7K R288 NC/4.7K 1 2 3 V218 NC/PBSS4160T V218 NC/PBSS4160T C273 NC/10uF/16V C273 NC/10uF/16V VD205 NC/12V VD205 NC/12V VD207 NC/PMEG2020 VD207 NC/PMEG2020 3 1 2 V815 NC_3904 V815 NC_3904 1 2 3 V219 NC/3904 V219 NC/3904 1 2 3 V214 NC/PBSS5160T V214 NC/PBSS5160T C276 NC/0.1uF C276 NC/0.1uF R282 NC/4.7K R282 NC/4.7K C275 NC/10uF/16V C275 NC/10uF/16V R246 NC_10K R246 NC_10K R292 NC/2K R292 NC/2K R243 NC_0R/27K R243 NC_0R/27K 1 2 3 V216 NC/3904 V216 NC/3904 + C277 220uF/16V + C277 220uF/16V R245 NC/10K R245 NC/10K R241 NC/12R1%/0805 R241 NC/12R1%/0805 V816 NC/PMV65XP V816 NC/PMV65XP R297 NC/10K R297 NC/10K 1 2 3 V220 NC/3904 V220 NC/3904 + C280 470uF/25V + C280 470uF/25V R298 NC_10K R298 NC_10K RJ03 NC_10K RJ03 NC_10K 3 1 2 V817 NC_3904 V817 NC_3904 R286 NC/12R1%/0805 R286 NC/12R1%/0805 VD206 NC/12V VD206 NC/12V 1 3 2 C C D ESD VD204 NC/PESD3V3L2BT C C D ESD VD204 NC/PESD3V3L2BT R291 NC/2K R291 NC/2K R247 NC_100K R247 NC_100K R244 NC_47K R244 NC_47K 1 2 XS204 NC/D2514-2A XS204 NC/D2514-2A C278 NC_0.1uF C278 NC_0.1uF 1 2 3 V213 NC/PBSS5160T V213 NC/PBSS5160T R293 NC/4.7K R293 NC/4.7K C279 NC_0.47uF/16V C279 NC_0.47uF/16V C274 NC/10uF/16V C274 NC/10uF/16V 1 2 3 V215 NC/PBSS4160T V215 NC/PBSS4160T 3 1 2 V217 NC/3904 V217 NC/3904 R242 NC/4.7K R242 NC/4.7K R296 NC_100K R296 NC_100K R299 NC_10K R299 NC_10K R294 NC/2K R294 NC/2K R295 NC/2K R295 NC/2K 1 2 L241 FB_300_Ohm_2A L241 FB_300_Ohm_2A R287 NC/4.7K R287 NC/4.7K 1 2 L240 FB_300_Ohm_2A L240 FB_300_Ohm_2A R200 NC/0R/0805 R200 NC/0R/0805 PDF ��� "PDF ����" ����� ����� � 5 5 4 4 3 3 2 2 1 1 D D C C B B A A sideAV_Rin sideAV_Lin MUTE_HP Side_AV Side_Aud_L Side_Aud_R Side-PH_R Side-PH_L USB2_D- USB2_D+ USB1_D- USB1_D+ VBUS ID1 VBUS USB2_D- USB2_D+ USB1_D+ USB1_D- Side_AV +5VUSB +5VUSB 5Vstb Side-PH_R sideAV_Lin sideAV_Rin MUTE_HP P_6 sideAV-Vin+ P_2 Side-PH_L USB2_D- USB2_D+ USB1_D- P_2 USB1_D+ P_2 Side_AV P_2 Title Size Document Number Rev Date: Sheet of <Doc> 00 <Title> Custom 1 1 Friday, March 26, 2010 Title Size Document Number Rev Date: Sheet of <Doc> 00 <Title> Custom 1 1 Friday, March 26, 2010 Title Size Document Number Rev Date: Sheet of <Doc> 00 <Title> Custom 1 1 Friday, March 26, 2010 TO �� SUB AV (AV+Earphone) Input ��USB�� ��N612 PCB ��0603��0402 R670�R665�R667 R676�R677�R671 C649�C636 PCB ��1206��0805 L815 R657 10K R657 10K R656 12K R656 12K R643 75 R643 75 C616 NC/330pF C616 NC/330pF 1 1 3 3 5 5 7 7 9 9 11 11 13 13 2 2 4 4 6 6 8 8 10 10 12 12 14 14 XS645 HEADER_7x2 XS645 HEADER_7x2 1 3 2 C C D ESD VD602 PESD3V3L2BT C C D ESD VD602 PESD3V3L2BT R636 33 R636 33 1 2 3 5 6 4 N611 IP4223CZ6 N611 IP4223CZ6 C677 2.2uF C677 2.2uF 1 1 3 3 5 5 7 7 9 9 2 2 4 4 6 6 8 8 10 10 XS642 HEADER_5x2 XS642 HEADER_5x2 C617 560pF C617 560pF R659 1K R659 1K R640 10K R640 10K L601 NC L601 NC R639 12K R639 12K C676 2.2uF C676 2.2uF C610 560pF C610 560pF 1 3 2 C C D ESD VD603 PESD3V3L2BT C C D ESD VD603 PESD3V3L2BT PDF ��� "PDF ����" ����� ����� � </p> <div class="main-left-down hidden-xl hidden-lg hidden-md"> <!--资源收费且没有购买--> <a href="http://www.wenhuiw.com/index.php?s=score&c=buy&m=index&module=wenku&id=10084" id="down_box_confirm" class="not-logged-in btn bg-green"><i class="fa fa-shopping-cart"></i> 立即购买</a> <p class="down-score">下载本素材需消耗 <span class="f-red">10</span> 积分</p> <p class="down-feedback">无法下载?<a class="hover:text-green-600" href="tencent://message/?uin=77594475" target="_blank">立即反馈</a></p> </div> <div class="tag">标签: </div> <div class="use-tip"> <h3>版权声明</h3> <p><b>1. 本站所有素材,仅限学习交流,仅展示部分内容,如需查看完整内容,请下载原文件。</b><br> 2. 会员在本站下载的所有素材,只拥有使用权,著作权归原作者所有。<br> 3. 所有素材,未经合法授权,请勿用于商业用途,会员不得以任何形式发布、传播、复制、转售该素材,否则一律封号处理。<br> 4. 如果素材损害你的权益请联系客服QQ:<a href="tencent://message/?uin=77594475">77594475</a> 处理。 </p> </div> </div> <div class="main-relate hidden-sm hidden-xs"> <div class="module-title-box"> <h2 class="title">相关素材</h2> </div> <ul class="module-list"> <li class="col-xl-3 col-lg-3 col-md-3 col-sm-6 col-6"> <div class="module-list_box"> <a class="module-list_thumb wide lazyload" href="/wenku/a23249.html" title="JCT 997-2006 装饰纸面石膏板" data-original="http://file.wenhuiw.com/202306/e292ed4137e88a.png#系统开启了相对路径模式,本地址是站外域名,不能转为相对路径(在关闭开发者模式后不显示这句话)#没有设置高宽参数,将以原图输出"></a> <div class="module-list_detail"> <h4 class="title txt-ov"><a href="/wenku/a23249.html" title="JCT 997-2006 装饰纸面石膏板">JCT 997-2006 装饰纸面石膏板</a></h4> </div> </div> </li> <li class="col-xl-3 col-lg-3 col-md-3 col-sm-6 col-6"> <div class="module-list_box"> <a class="module-list_thumb wide lazyload" href="/wenku/a23245.html" title="JCT 993-2006 外墙外保温用膨胀聚苯乙烯板抹面胶浆" data-original="http://file.wenhuiw.com/202306/2b2e9c8f05c1a.png#系统开启了相对路径模式,本地址是站外域名,不能转为相对路径(在关闭开发者模式后不显示这句话)#没有设置高宽参数,将以原图输出"></a> <div class="module-list_detail"> <h4 class="title txt-ov"><a href="/wenku/a23245.html" title="JCT 993-2006 外墙外保温用膨胀聚苯乙烯板抹面胶浆">JCT 993-2006 外墙外保温用膨胀聚苯乙烯板抹面胶浆</a></h4> </div> </div> </li> <li class="col-xl-3 col-lg-3 col-md-3 col-sm-6 col-6"> <div class="module-list_box"> <a class="module-list_thumb wide lazyload" href="/wenku/a23244.html" title="JCT 992-2006 墙体保温用膨胀聚苯乙烯板胶粘剂" data-original="http://file.wenhuiw.com/202306/1b863e61d25b589.png#系统开启了相对路径模式,本地址是站外域名,不能转为相对路径(在关闭开发者模式后不显示这句话)#没有设置高宽参数,将以原图输出"></a> <div class="module-list_detail"> <h4 class="title txt-ov"><a href="/wenku/a23244.html" title="JCT 992-2006 墙体保温用膨胀聚苯乙烯板胶粘剂">JCT 992-2006 墙体保温用膨胀聚苯乙烯板胶粘剂</a></h4> </div> </div> </li> <li class="col-xl-3 col-lg-3 col-md-3 col-sm-6 col-6"> <div class="module-list_box"> <a class="module-list_thumb wide lazyload" href="/wenku/a23243.html" title="JCT 991-2006 建材工业用石膏墙板(砌块)成型机" data-original="http://file.wenhuiw.com/202306/771f07e799519.png#系统开启了相对路径模式,本地址是站外域名,不能转为相对路径(在关闭开发者模式后不显示这句话)#没有设置高宽参数,将以原图输出"></a> <div class="module-list_detail"> <h4 class="title txt-ov"><a href="/wenku/a23243.html" title="JCT 991-2006 建材工业用石膏墙板(砌块)成型机">JCT 991-2006 建材工业用石膏墙板(砌块)成型机</a></h4> </div> </div> </li> <li class="col-xl-3 col-lg-3 col-md-3 col-sm-6 col-6"> <div class="module-list_box"> <a class="module-list_thumb wide lazyload" href="/wenku/a23226.html" title="JCT 969-2005 墙板挤压机技术条件" data-original="http://file.wenhuiw.com/202306/877c61829c4a649.png#系统开启了相对路径模式,本地址是站外域名,不能转为相对路径(在关闭开发者模式后不显示这句话)#没有设置高宽参数,将以原图输出"></a> <div class="module-list_detail"> <h4 class="title txt-ov"><a href="/wenku/a23226.html" title="JCT 969-2005 墙板挤压机技术条件">JCT 969-2005 墙板挤压机技术条件</a></h4> </div> </div> </li> <li class="col-xl-3 col-lg-3 col-md-3 col-sm-6 col-6"> <div class="module-list_box"> <a class="module-list_thumb wide lazyload" href="/wenku/a23215.html" title="JCT 958-2005 水泥胶砂流动度测定仪(跳桌)" data-original="http://file.wenhuiw.com/202306/104e5c621c62ab1.png#系统开启了相对路径模式,本地址是站外域名,不能转为相对路径(在关闭开发者模式后不显示这句话)#没有设置高宽参数,将以原图输出"></a> <div class="module-list_detail"> <h4 class="title txt-ov"><a href="/wenku/a23215.html" title="JCT 958-2005 水泥胶砂流动度测定仪(跳桌)">JCT 958-2005 水泥胶砂流动度测定仪(跳桌)</a></h4> </div> </div> </li> <li class="col-xl-3 col-lg-3 col-md-3 col-sm-6 col-6"> <div class="module-list_box"> <a class="module-list_thumb wide lazyload" href="/wenku/a23205.html" title="JCT 947-2005 先张法预应力混凝土管桩用端板" data-original="http://file.wenhuiw.com/202306/202e904d09bf791.png#系统开启了相对路径模式,本地址是站外域名,不能转为相对路径(在关闭开发者模式后不显示这句话)#没有设置高宽参数,将以原图输出"></a> <div class="module-list_detail"> <h4 class="title txt-ov"><a href="/wenku/a23205.html" title="JCT 947-2005 先张法预应力混凝土管桩用端板">JCT 947-2005 先张法预应力混凝土管桩用端板</a></h4> </div> </div> </li> <li class="col-xl-3 col-lg-3 col-md-3 col-sm-6 col-6"> <div class="module-list_box"> <a class="module-list_thumb wide lazyload" href="/wenku/a23201.html" title="JCT 940-2004 玻璃纤维增强水泥 (GRC)装饰制品" data-original="http://file.wenhuiw.com/202306/f739a4f6c22c42e.png#系统开启了相对路径模式,本地址是站外域名,不能转为相对路径(在关闭开发者模式后不显示这句话)#没有设置高宽参数,将以原图输出"></a> <div class="module-list_detail"> <h4 class="title txt-ov"><a href="/wenku/a23201.html" title="JCT 940-2004 玻璃纤维增强水泥 (GRC)装饰制品">JCT 940-2004 玻璃纤维增强水泥 (GRC)装饰制品</a></h4> </div> </div> </li> </ul> </div> </div> <div class="main-right col-xl-3 col-lg-3 col-md-3 hidden-sm hidden-xs"> <div class="side-box-dw"></div> <div class="side-fixed-box"> <div class="side shadow"> <a href="javasctipr:;" class="not-logged-in btn bg-yellow"><i class="fa fa-download"></i> 立即下载</a> <p class="down-score">下载本素材需消耗 <span class="f-red">10</span> 积分</p> <p class="down-feedback">无法下载?<a class="hover:text-green-600" href="tencent://message/?uin=77594475" target="_blank">立即反馈</a></p> <ul class="down-attribute"> <li><span>文件大小:</span>283.24 KB</li> <li><span>文件格式:</span>pdf</li> </ul> </div> <div class="side mt20 shadow"> <div class="module-title-box mb15"> <h2 class="title">随机推荐</h2> </div> <ul class="module-list"> <li class="col-lg-4 col-md-3 col-sm-4 col-xs-3 col-4"> <div class="module-list_box p0"> <a class="module-list_thumb wide" href="/wenku/a23254.html" title="一张母狮子卧在草丛里的照片" style="display: block; background-image: url('http://file.wenhuiw.com/202403/c18d26349a7554b.jpg#系统开启了相对路径模式,本地址是站外域名,不能转为相对路径(在关闭开发者模式后不显示这句话)#没有设置高宽参数,将以原图输出')" ;> </a> <div class="module-list_detail"> <h4 class="title"><a href="/wenku/a23254.html" title="一张母狮子卧在草丛里的照片">一张母狮子卧在草丛里的照片</a></h4> </div> </div> </li> <li class="col-lg-4 col-md-3 col-sm-4 col-xs-3 col-4"> <div class="module-list_box p0"> <a class="module-list_thumb wide" href="/wenku/a23253.html" title="员工花名册.xlsx" style="display: block; background-image: url('http://file.wenhuiw.com/202403/389f25971624d9f.jpg#系统开启了相对路径模式,本地址是站外域名,不能转为相对路径(在关闭开发者模式后不显示这句话)#没有设置高宽参数,将以原图输出')" ;> </a> <div class="module-list_detail"> <h4 class="title"><a href="/wenku/a23253.html" title="员工花名册.xlsx">员工花名册.xlsx</a></h4> </div> </div> </li> <li class="col-lg-4 col-md-3 col-sm-4 col-xs-3 col-4"> <div class="module-list_box p0"> <a class="module-list_thumb wide" href="/wenku/a23252.html" title="员工年假统计表" style="display: block; background-image: url('http://file.wenhuiw.com/202403/bde7ec85b0ccdf1.jpg#系统开启了相对路径模式,本地址是站外域名,不能转为相对路径(在关闭开发者模式后不显示这句话)#没有设置高宽参数,将以原图输出')" ;> </a> <div class="module-list_detail"> <h4 class="title"><a href="/wenku/a23252.html" title="员工年假统计表">员工年假统计表</a></h4> </div> </div> </li> <li class="col-lg-4 col-md-3 col-sm-4 col-xs-3 col-4"> <div class="module-list_box p0"> <a class="module-list_thumb wide" href="/wenku/a23251.html" title="实验室安全歌.doc" style="display: block; background-image: url('http://file.wenhuiw.com/202309/310d89e8c45eb81.jpg#系统开启了相对路径模式,本地址是站外域名,不能转为相对路径(在关闭开发者模式后不显示这句话)#没有设置高宽参数,将以原图输出')" ;> </a> <div class="module-list_detail"> <h4 class="title"><a href="/wenku/a23251.html" title="实验室安全歌.doc">实验室安全歌.doc</a></h4> </div> </div> </li> <li class="col-lg-4 col-md-3 col-sm-4 col-xs-3 col-4"> <div class="module-list_box p0"> <a class="module-list_thumb wide" href="/wenku/a23250.html" title="JCT 998-2006 喷涂聚氨酯硬泡体保温材料" style="display: block; background-image: url('http://file.wenhuiw.com/202306/a9f08eb9830da52.png#系统开启了相对路径模式,本地址是站外域名,不能转为相对路径(在关闭开发者模式后不显示这句话)#没有设置高宽参数,将以原图输出')" ;> </a> <div class="module-list_detail"> <h4 class="title"><a href="/wenku/a23250.html" title="JCT 998-2006 喷涂聚氨酯硬泡体保温材料">JCT 998-2006 喷涂聚氨酯硬泡体保温材料</a></h4> </div> </div> </li> <li class="col-lg-4 col-md-3 col-sm-4 col-xs-3 col-4"> <div class="module-list_box p0"> <a class="module-list_thumb wide" href="/wenku/a23249.html" title="JCT 997-2006 装饰纸面石膏板" style="display: block; background-image: url('http://file.wenhuiw.com/202306/e292ed4137e88a.png#系统开启了相对路径模式,本地址是站外域名,不能转为相对路径(在关闭开发者模式后不显示这句话)#没有设置高宽参数,将以原图输出')" ;> </a> <div class="module-list_detail"> <h4 class="title"><a href="/wenku/a23249.html" title="JCT 997-2006 装饰纸面石膏板">JCT 997-2006 装饰纸面石膏板</a></h4> </div> </div> </li> <li class="col-lg-4 col-md-3 col-sm-4 col-xs-3 col-4"> <div class="module-list_box p0"> <a class="module-list_thumb wide" href="/wenku/a23248.html" title="JCT 996-2006 玻璃纤维壁布" style="display: block; background-image: url('http://file.wenhuiw.com/202306/5156b2f64e53176.png#系统开启了相对路径模式,本地址是站外域名,不能转为相对路径(在关闭开发者模式后不显示这句话)#没有设置高宽参数,将以原图输出')" ;> </a> <div class="module-list_detail"> <h4 class="title"><a href="/wenku/a23248.html" title="JCT 996-2006 玻璃纤维壁布">JCT 996-2006 玻璃纤维壁布</a></h4> </div> </div> </li> <li class="col-lg-4 col-md-3 col-sm-4 col-xs-3 col-4"> <div class="module-list_box p0"> <a class="module-list_thumb wide" href="/wenku/a23247.html" title="JCT 995-2006 低比表面积高烧结活性氧化锆粉体" style="display: block; background-image: url('http://file.wenhuiw.com/202306/8c1c96b37a561d4.png#系统开启了相对路径模式,本地址是站外域名,不能转为相对路径(在关闭开发者模式后不显示这句话)#没有设置高宽参数,将以原图输出')" ;> </a> <div class="module-list_detail"> <h4 class="title"><a href="/wenku/a23247.html" title="JCT 995-2006 低比表面积高烧结活性氧化锆粉体">JCT 995-2006 低比表面积高烧结活性氧化锆粉体</a></h4> </div> </div> </li> <li class="col-lg-4 col-md-3 col-sm-4 col-xs-3 col-4"> <div class="module-list_box p0"> <a class="module-list_thumb wide" href="/wenku/a23246.html" title="JCT 994-2006 微晶玻璃陶瓷复合砖" style="display: block; background-image: url('http://file.wenhuiw.com/202306/fff87b6f9176d27.png#系统开启了相对路径模式,本地址是站外域名,不能转为相对路径(在关闭开发者模式后不显示这句话)#没有设置高宽参数,将以原图输出')" ;> </a> <div class="module-list_detail"> <h4 class="title"><a href="/wenku/a23246.html" title="JCT 994-2006 微晶玻璃陶瓷复合砖">JCT 994-2006 微晶玻璃陶瓷复合砖</a></h4> </div> </div> </li> </ul> </div> </div> </div> </div> <div class="main-box-dw"></div> <div class="scroll-to-top hidden-sm hidden-xs" id="toTop"> <i class="bi bi-arrow-up-circle-fill"></i> </div> <!-- 底部 --> <div class="footer"> <div class="container"> <div class="flex justify-center"> <span class="hidden-sm hidden-xs">© CopyRight 2022 文汇知识网</span> <a class="ml10 mr10" href="https://beian.miit.gov.cn" target="_blank">滇ICP备2022006959号-4</a> <span class="hidden-sm hidden-xs"><script> var _hmt = _hmt || []; (function() { var hm = document.createElement("script"); hm.src = "https://hm.baidu.com/hm.js?f0f56f82f7c67c360794e2549e59d9cd"; var s = document.getElementsByTagName("script")[0]; s.parentNode.insertBefore(hm, s); })(); </script> <a href="http://news.zzszq.net/">深知资讯网</a><a href="http://tv.zzszq.net/">深视网</a><a href="http://www.80hlw.com/">80商务</a></span> </div> </div> </div> <!-- 会员登录 --> <div id="login_box" class="hidden fixed"> <div class="login_box_title"> <h4 class="tc">会员登录</h4> <button id="close_login"><i class="fa fa-close"></i></button> </div> <form class="login-form" id="myform" action="" method="post"> <div class="form-group"> <input class="form-control" type="text" autocomplete="off" placeholder="会员名/邮箱/手机" name="data[username]" /> </div> <div class="form-group"> <input class="form-control" type="password" autocomplete="off" placeholder="登录密码" name="data[password]" /> </div> <div class="form-group"> <div class="col-6 pl0 pr0 fl"> <input class="form-control" type="text" autocomplete="off" placeholder="验证码" name="code" /> </div> <div class="col-6 tr fr"> <img align="absmiddle" style="cursor:pointer;" onclick="this.src='/index.php?s=api&c=api&m=captcha&width=120&height=35&t='+Math.random();" src="/index.php?s=api&c=api&m=captcha&width=120&height=35" /> </div> <div class="clearfix"></div> </div> <div class="form-group"> <button type="button" onclick="dr_ajax_member('http://www.wenhuiw.com/index.php?s=member&c=login&m=index', 'myform');" class="btn bg-green">登录</button> </div> <div class="form-group"> <a href="http://www.wenhuiw.com/index.php?s=member&c=register&m=index" id="register-btn" class="fr">注册账号</a> <input type="checkbox" name="remember" value="1" checked="checked" style="vertical-align: -2px;"/> 记住我 <a href="http://www.wenhuiw.com/index.php?s=member&c=login&m=find">忘记密码</a> </div> <div class="form-group tc"> <!--<p class="text-muted">第三方快捷登录</p>--> </div> </form> </div> <div class="mask-body mask-body-dark" style="display: none;"></div> <script src="/static/x2h-002/js/swiper-bundle.min.js"></script> <script src="/static/x2h-002/js/jquery.lazyload.js"></script> <script src="/static/x2h-002/js/common.js"></script> <script> $(function () { $.ajax({ type: "GET",dataType:"json", url: "/index.php?s=api&c=run&is_ajax=1&num=5" }); }); </script> </body> </html>