康佳LC26ES60液晶电视35012465板(MST9U19B机芯)电路原理图

分类:电子电工 日期: 点击:0
康佳LC26ES60液晶电视35012465板(MST9U19B机芯)电路原理图-0 康佳LC26ES60液晶电视35012465板(MST9U19B机芯)电路原理图-1 康佳LC26ES60液晶电视35012465板(MST9U19B机芯)电路原理图-2 康佳LC26ES60液晶电视35012465板(MST9U19B机芯)电路原理图-3 康佳LC26ES60液晶电视35012465板(MST9U19B机芯)电路原理图-4 康佳LC26ES60液晶电视35012465板(MST9U19B机芯)电路原理图-5 康佳LC26ES60液晶电视35012465板(MST9U19B机芯)电路原理图-6 康佳LC26ES60液晶电视35012465板(MST9U19B机芯)电路原理图-7 康佳LC26ES60液晶电视35012465板(MST9U19B机芯)电路原理图-8

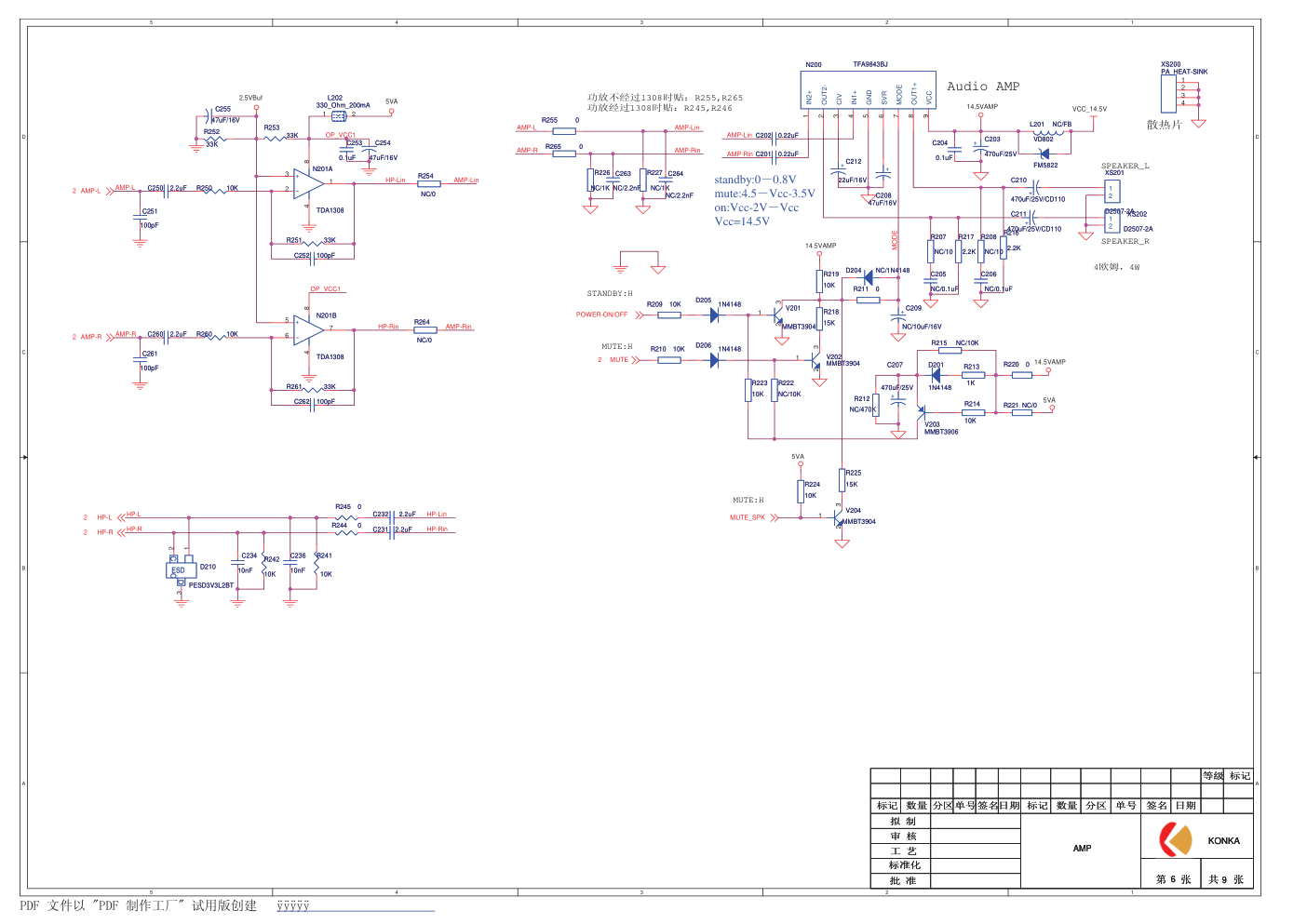
2 2 1 1 D D C C B B A A BL-ADJUST BL-ON/OFF VCC14.5VIN +3.3V +3.3V 5VA VCC_14.5V VCC_14.5V 5V VCC_14.5V Tuner_5V VCC-Panel 5V VCC_14.5V LED_5V BKLON 2 ADJ-PWM3 2 ON-PANEL 2 �� �� �� �� � � ��� � � � � � � ���� ���� �� �� �� �� �� �� � � � � KONKA POWER1 9 0 �� �� �� �� � � ��� � � � � � � ���� ���� �� �� �� �� �� �� � � � � KONKA POWER1 9 0 �� �� �� �� � � ��� � � � � � � ���� ���� �� �� �� �� �� �� � � � � KONKA POWER1 9 0 TO POWER Vout=0.923*(1+R1/R2) R1:R825,R2:R829�R815 5v:R1/R2=4.42 R2=75K,5V=5.12V R2=91K,5V=5.0V C848 NC/10uF C848 NC/10uF C830 10uF C830 10uF L803 FB L803 FB + C825 100uF/16V + C825 100uF/16V R827 1K R827 1K R813 100 R813 100 R829 12K/1% R829 12K/1% C850 0.1uF C850 0.1uF C804 0.1uF C804 0.1uF + C826 NC/470uF/25V + C826 NC/470uF/25V R817 10K R817 10K R825 47K R825 47K C805 3.3nF C805 3.3nF R823 470 R823 470 + C818 100uF/16V + C818 100uF/16V C833 10uF C833 10uF + C802 10uF/16V + C802 10uF/16V R830 330 R830 330 L801 FB L801 FB C819 NC C819 NC C810 0.1uF C810 0.1uF C806 10nF C806 10nF R826 100 R826 100 L821 10uH L821 10uH R821 1K R821 1K C801 0.1uF C801 0.1uF R819 2.2K R819 2.2K C824 0.1uF C824 0.1uF C836 0.1uF C836 0.1uF + C809 10uF/16V + C809 10uF/16V 3 1 2 V803 MMBT3904 V803 MMBT3904 IN 2 GND 4 BS 1 FB 5 COMP 6 EN 7 SS 8 SW 3 N801 MP1482DS N801 MP1482DS + C803 470uF/25V + C803 470uF/25V 3 1 2 V802 MMBT3904 V802 MMBT3904 C828 10uF C828 10uF F800 5A F800 5A R808 10K R808 10K R815 82K R815 82K R812 10K R812 10K C835 0.1uF C835 0.1uF R811 100 R811 100 1 2 3 4 5 6 XS800 D2006-6A XS800 D2006-6A L802 FB L802 FB 3 1 2 V801 MMBT3904 V801 MMBT3904 C844 0.1uF C844 0.1uF R824 10K R824 10K C808 0.1uF C808 0.1uF C838 0.1uF C838 0.1uF C832 10uF C832 10uF + C817 100uF/16V + C817 100uF/16V L804 FB L804 FB C837 0.1uF C837 0.1uF PDF ��� "PDF ����" ����� ����� � 5 5 4 4 3 3 2 2 1 1 D D C C B B A A VDDC +3.3AVDD AVDD_SIF +3.3AVDD VDD_MPLL +3.3AVDD AVDD_HDMI +3.3AVDD AVDDA +3.3AVDD AVDD_MemPLL +3.3AVDD VCC_3.3V +3.3AVDD AVDD_AU VCC_3.3V VDDP VDDP +3.3V VCC_3.3V VCC_3.3V VDDC VCC_3.3V VCC_14.5V �� �� �� �� � � ��� � � � � � � ���� ���� �� �� �� �� �� �� � � � � KONKA POWER2 9 1 �� �� �� �� � � ��� � � � � � � ���� ���� �� �� �� �� �� �� � � � � KONKA POWER2 9 1 �� �� �� �� � � ��� � � � � � � ���� ���� �� �� �� �� �� �� � � � � KONKA POWER2 9 1 +3.3AVDD for AVDD_SIF +3.3AVDD for VDD_MPLL pin6,pin12 +3.3AVDD for AVDD_HDMI pin36 +3.3AVDD for AVDDA +3.3AVDD For AVDDPLL2 Vcc3.3 for analog +3.3AVDD for AVDD_AU +3.3V for VDDP VDDC for CORE1.2V Vcc3.3 for Digital 1.3V change to 1.296V Vout=0.923*(1+R1/R2) R1:R822,R2:R828�R810 3.3V:R1/R2=2.64 R2=220K,3.3V=3.36V R2=150K,3.3V=3.42V Vout = 1.25*(1+R2/R1) R1:R803�R804 R2�R805 C878 100pF C878 100pF L812 330_Ohm_200mA L812 330_Ohm_200mA C849 NC/10uF C849 NC/10uF C877 0.1uF C877 0.1uF + C865 100uF/16V + C865 100uF/16V 1 2 + C869 22uF/16V + C869 22uF/16V L806 330_Ohm_200mA L806 330_Ohm_200mA L816 330_Ohm_200mA L816 330_Ohm_200mA R810 220K R810 220K C876 100pF C876 100pF C811 0.1uF C811 0.1uF IN 2 GND 4 BS 1 FB 5 COMP 6 EN 7 SS 8 SW 3 N802 MP1482DS N802 MP1482DS R828 12K/1% R828 12K/1% C887 0.1uF C887 0.1uF C827 10uF C827 10uF C813 0.1uF C813 0.1uF C841 0.1uF C841 0.1uF C840 0.1uF C840 0.1uF C867 0.1uF C867 0.1uF 3 2 1 4 ADJ OUT IN N803 AMS1117-ADJ ADJ OUT IN N803 AMS1117-ADJ C831 10uF C831 10uF C874 0.1uF C874 0.1uF C816 0.1uF C816 0.1uF C822 3.3nF C822 3.3nF C879 0.1uF C879 0.1uF 1 2 + C875 22uF/16V + C875 22uF/16V C868 0.1uF C868 0.1uF + C881 100uF/16V + C881 100uF/16V L822 10uH L822 10uH R820 2.2K R820 2.2K C829 10uF C829 10uF L813 FB L813 FB C886 0.1uF C886 0.1uF L805 FB L805 FB + C866 22uF/16V + C866 22uF/16V C843 0.1uF C843 0.1uF C845 0.1uF C845 0.1uF R803 330/1% R803 330/1% C860 0.1uF C860 0.1uF C883 0.1uF C883 0.1uF + C846 100uF/16V + C846 100uF/16V 1 2 + C873 22uF/16V + C873 22uF/16V C821 10nF C821 10nF 1 2 + C880 22uF/16V + C880 22uF/16V C864 0.1uF C864 0.1uF L808 FB L808 FB C888 0.1uF C888 0.1uF C814 0.1uF C814 0.1uF + C842 100uF/16V + C842 100uF/16V R822 30K R822 30K 1 2 + C871 22uF/16V + C871 22uF/16V + C820 100uF/16V + C820 100uF/16V C889 0.1uF C889 0.1uF L814 330_Ohm_200mA L814 330_Ohm_200mA C812 0.1uF C812 0.1uF R804 NC R804 NC C815 0.1uF C815 0.1uF L811 330_Ohm_200mA L811 330_Ohm_200mA L823 15uH L823 15uH C807 0.1uF C807 0.1uF R814 100K R814 100K L815 330_Ohm_200mA L815 330_Ohm_200mA C884 0.1uF C884 0.1uF C839 0.1uF C839 0.1uF C882 0.1uF C882 0.1uF C823 NC C823 NC C872 0.1uF C872 0.1uF R805 10 R805 10 L807 330_Ohm_200mA L807 330_Ohm_200mA L809 FB L809 FB C870 0.1uF C870 0.1uF C847 10uF C847 10uF + C861 100uF/16V + C861 100uF/16V C885 0.1uF C885 0.1uF + C834 NC/470uF/25V + C834 NC/470uF/25V PDF ��� "PDF ����" ����� ����� � 2 2 1 1 B B A A PWM2 ADJ-PWM3 PWM0 PWM1 SYS_RST BKLON SDA_EXT SCL_EXT LED_GREEN DDC/HWI2C LED_RED EEPROM_WP HDMI_SCL G_TX1+ HDMI_SDA R_TX2- R_TX2+ G_TX1- B_TX0- B_TX0+ TXCLK+ TXCLK- AV_side VCOM1 TV_CVBS VCOM0 AV2 AV1- AV1+ CVBS2 CVBS1 CVBS3 AUVRADN HS_RGB VS_RGB PC-Rin PC-Lin AV1-Rin AV1-Lin AUVRADP AUVREF HDMI_SCL HDMI_SDA BIN- GIN- GIN+ SOG RIN+ BIN+ RIN- HD-Rin HD-Lin HPDCTRL TXCLK+ TXCLK- Y- PR- PR+ PB- PB+ Y+ IR_SYNC SOY POWER-ON/OFF B_TX0- ON-PANEL B_TX0+ R_TX2+ G_TX1+ G_TX1- R_TX2- SIFM SDA1 TXD1 SDA TV-SIFP SCL SCL1 TXD RXD RDX1 TV-SIFM KEY SPI_DI SPI_DO SPI_CK SPI_CZ AMP-Rout AMP-Lout PWM2 PWM1 PWM0 ADJ-PWM3 VS_RGB BIN- GIN- RIN- RIN+ HS_RGB GIN+ SOG BIN+ Y- PR+ PB+ PR- PB- SOY Y+ SDA SCL SCL EEPROM_WP SPI_CZ SPI_CK SPI_DO AUVREF AUVRADN AUVRADP SPI_DI AMP-Lout AMP-Rout AU_Lout AU_Rout AU3_Lin AU3_Rin AU_Rout AU_Lout RXE0+ RXE0- RXE1+ RXE1- RXE2+ RXE2- RXEC+ RXEC- RXE3+ RXE3- RXA1- RXA1+ RXA2- RXA0- RXA0+ RXA2+ RXAC- RXAC+ RXA3- RXA3+ LED_GREEN LED_RED LED_R SCL SCL_OPT SDA IR_SYNC KEY SDA_OPT LED_G IR_in TXD RXD SDA TV-V+ TV-V- SV-C SV-Y SV2-C SV2-Y SDA_TUNER SCL_TUNER SDA_EXT SCL_EXT FLASH_WP AU3_SW MUTE FLASH_WP SDA_EXT SDA_TUNER SCL_TUNER SCL_EXT SDA SCL IR_in RXD 4 TXD 4 +3.3V +3.3V +3.3V +3.3V AVDD_MemPLL VDDC VDD_MPLL AVDD_AU AVDD_SIF AVDDA AVDD_HDMI VDDP AVDD_HDMI +3.3V +3.3V +3.3V +3.3V +3.3V +3.3V +3.3V +3.3V +3.3V +3.3V +3.3V +3.3V +3.3V Tuner_5V Tuner_5V 5VA 5VA 5VA VCC-Panel LED_5V ADJ-PWM3 1 DDC/HWI2C 4 MUTE 5 RXE0+ 8 RXE1+ 8 RXE1- 8 RXE0- 8 RXE2+ 8 RXEC+ 8 RXEC- 8 RXE2- 8 RXE3+ 8 RXE3- 8 BKLON 1 POWER-ON/OFF 1,5,9 HPDCTRL 3 AV_side 7 AV2 5 AV1- 5 TV-V+ 6 TV-V- 6 AV1+ 5 PC-Rin 4 PC-Lin 4 AV1-Lin 5 AV1-Rin 5 HD-Lin 5 HD-Rin 5 ON-PANEL 1 TV-SIFP 6 TV-SIFM 6 SV-Y 5 SV-C 5 B_TX0+ 3 B_TX0- 3 R_TX2+ 3 TXCLK+ 3 R_TX2- 3 TXCLK- 3 HDMI_SCL 3 G_TX1+ 3 HDMI_SDA 3 G_TX1- 3 AMP-L 5 AMP-R 5 RIN- 4 RIN+ 4 VS_RGB 4 BIN+ 4 SOG 4 GIN+ 4 BIN- 4 GIN- 4 HS_RGB 4 PB+ 5 PB- 5 SOY 5 Y- 5 PR+ 5 Y+ 5 PR- 5 SV2-Y 7 SV2-C 7 AU3_Lin 7 AU3_Rin 7 AU-L 7 AU-R 7 AU3_SW 7 SDA_TUNER 6,7 SCL_TUNER 6,7 HP-L 6 HP-R 6 Lout 2 �� �� �� �� � � ��� � � � � � � ���� ���� �� �� �� �� �� �� � � � � KONKA MST9E19B 9 2 �� �� �� �� � � ��� � � � � � � ���� ���� �� �� �� �� �� �� � � � � KONKA MST9E19B 9 2 �� �� �� �� � � ��� � � � � � � ���� ���� �� �� �� �� �� �� � � � � KONKA MST9E19B 9 2 VIDEO INPUT GPIOF_SEL=01,VDO_PORT_SEL=00 for I2S input AU_SWAP=11 Mstar PULL UP SST PULL DOWN HDMI INPUT Mode Selection VGA INPUT Y,Pb,Pr INPUT HDCP I2C address at A4 I2C address at A0 LED_CTRL AND KEY DEBUG PORT RXD(SCL) TXD(SDA) 5Vstb GND 5Vstb SCL SDA GND PCB�������� �������� C564 2.2uF C564 2.2uF C556 10nF C556 10nF C521 0.1uF C521 0.1uF 1 3 2 V500 MMBT3906 V500 MMBT3906 7 5 3 1 8 6 4 2 RP505 RP4.7KX4 7 5 3 1 8 6 4 2 RP505 RP4.7KX4 R540 33 R540 33 R567 22K R567 22K R586 NC/0 R586 NC/0 C549 10nF C549 10nF R531 10 R531 10 R577 10 R577 10 1 3 5 7 2 4 6 8 RP502 33ohm RP502 33ohm R518 470 R518 470 C559 10nF C559 10nF R515 100 R515 100 1 1 3 3 5 5 7 7 9 9 2 2 4 4 6 6 8 8 10 10 12 12 11 11 XS501 HEADER_6x2 XS501 HEADER_6x2 C541 0.1uF C541 0.1uF R557 22K R557 22K C532 0.1uF C532 0.1uF R502 1K R502 1K C547 0.1uF C547 0.1uF R571 47 R571 47 R537 10 R537 10 C523 2.2uF C523 2.2uF R523 100 R523 100 R512 4.7K R512 4.7K R519 470 R519 470 R568 4.7K R568 4.7K R580 10 R580 10 C516 10nF C516 10nF R543 1K R543 1K R528 4.7K R528 4.7K C513 2.2uF C513 2.2uF L513 NC/330_Ohm_200mA L513 NC/330_Ohm_200mA R573 10 R573 10 R503 10K R503 10K C518 10nF C518 10nF R510 4.7K R510 4.7K R529 10 R529 10 D501 1N4148 D501 1N4148 7 5 3 1 8 6 4 2 RP504 33ohm 7 5 3 1 8 6 4 2 RP504 33ohm 3 1 2 D513 NC/BAV99 D513 NC/BAV99 C543 0.1uF C543 0.1uF R560 22K R560 22K C502 100pF C502 100pF R501 47 R501 47 6 5 4 1 2 3 R1 R1 D515 PUMH4 R1 R1 D515 PUMH4 R554 10K R554 10K 1 2 3 4 XS503 D2006-4A XS503 D2006-4A C557 10nF C557 10nF R524 100 R524 100 C522 0.1uF C522 0.1uF R544 NC R544 NC C562 4.7uF/16V C562 4.7uF/16V C548 0.1uF C548 0.1uF R522 100 R522 100 R506 4.7K R506 4.7K A0 1 A1 2 A2 3 GND 4 SDA 5 SCL 6 WP 7 VCC 8 N504 24C04 N504 24C04 R583 4.7K R583 4.7K C555 10nF C555 10nF R582 10 R582 10 D502 1N4148 D502 1N4148 3 2 1 D500 BAV99 D500 BAV99 C511 2.2uF C511 2.2uF R525 0/0805 R525 0/0805 R552 1K R552 1K R516 47 R516 47 R535 10K R535 10K R513 390/1% R513 390/1% 1 2 3 V505 MMBT3904 V505 MMBT3904 R574 10 R574 10 R575 10 R575 10 R547 NC R547 NC 1 2 3 Z500 14.318MHZ Z500 14.318MHZ R509 0 R509 0 R504 0 R504 0 3 1 2 D512 NC/BAV99 D512 NC/BAV99 R553 NC R553 NC C533 0.1uF C533 0.1uF C515 10nF C515 10nF R578 NC R578 NC C552 10nF C552 10nF R572 10 R572 10 7 5 3 1 8 6 4 2 RP506 RP4.7KX4 7 5 3 1 8 6 4 2 RP506 RP4.7KX4 1 3 5 7 2 4 6 8 RP503 33ohm RP503 33ohm C510 0.1uF C510 0.1uF R508 330K R508 330K R565 10K R565 10K C537 2.2uF C537 2.2uF C514 100pF C514 100pF R546 1K R546 1K R521 100 R521 100 C565 10nF C565 10nF C531 10uF/16V C531 10uF/16V R530 4.7K R530 4.7K C534 22pF C534 22pF R564 4.7K R564 4.7K L512 330_Ohm_200mA L512 330_Ohm_200mA C554 10nF C554 10nF C536 2.2uF C536 2.2uF 1 3 2 V502 MMBT3906 V502 MMBT3906 R545 NC R545 NC A0 1 A1 2 A2 3 GND 4 SDA 5 SCL 6 WP 7 VCC 8 N503 24C32 N503 24C32 7 5 3 1 8 6 4 2 RP507 RP4.7KX4 7 5 3 1 8 6 4 2 RP507 RP4.7KX4 1 3 5 7 2 4 6 8 RP501 33ohm RP501 33ohm C568 NC/22pF C568 NC/22pF C520 2.2uF C520 2.2uF C538 0.1uF C538 0.1uF C501 10nF C501 10nF C553 10nF C553 10nF C558 2.2uF C558 2.2uF R563 4.7K R563 4.7K C524 2.2uF C524 2.2uF R570 NC R570 NC C561 47uF/16V C561 47uF/16V RXCKN 1 RXCKP 2 RX0N 4 RX0P 5 RX1N 7 RX1P 8 RX2N 10 RX2P 11 REXT 13 DDCD_DA 14 DDCD_CK 15 HSYNC1 16 VSYNC1 17 RMID 18 VCLAMP 19 REFP 20 REFM 21 BIN1P 22 BIN1M 23 SOGIN1 24 GIN1P 25 GIN1M 26 RIN1P 27 RIN1M 28 BIN0M 29 BIN0P 30 GIN0M 31 GIN0P 32 SOGIN0 33 RIN0M 34 RIN0P 35 HSYNC0 38 VSYNC0 39 C1 40 Y1 41 C0 42 Y0 43 VCOM2 44 CVBS3 45 CVBS2 46 CVBS1 47 VCOM1 48 CVBS0 49 VCOM0 50 CVBSOUT 51 SIF1P 54 SIF1M 55 AUVRADN 57 AUVRADP 58 AUVREF 59 AUL0 61 AUR0 62 AUL1 63 AUR1 64 AUCOM 65 AUL2 66 AUR2 67 AUL3 68 AUR3 69 AUOUTL3 70 AUOUTR3 71 AUOUTL2 72 AUOUTR2 73 AUOUTL 74 AUOUTR 75 AUOUTS 76 VDI2/GPIOF2 78 VDI3/GPIOF3 79 VDI4/GPIOF4 80 VDI5/GPIOF5 81 VDI6/GPIOF6 82 VDI7/GPIOF7 83 VDI8/GPIOF8 84 VDI9/GPIOF9 85 VDICLK/GPIOF10 86 GPIOF11 87 DDCR_DA 131 DDCR_CK 132 DDCA_DA 133 DDCA_CK 134 SAR0 125 SAR1 126 SAR2 127 SAR3 128 PWM0 129 PWM1 130 PWM2 155 PWM3 156 IRIN 136 GND 3 GND 9 GND 37 GND 52 GND 56 GND 89 GND 99 GND 101 GND 104 GND 106 GND 120 GND 141 GND 152 GND 173 GND 187 GND 204 DIGO0 143 DIGO1 144 DIGO2 145 DIGO3 146 DIGO4 147 DIGO5 148 DIGO6 149 DIGO7 150 DIGO8 153 DIGO9 154 WRZ 116 RDZ 117 ALE 118 INT 135 SDO 124 CSZ 123 SDI 122 SCK 121 GPIOF19 97 GPIOF18 96 GPIOF17 95 GPIOF16 94 GPIOF15 93 GPIOF14 92 GPIOF13 91 GPIOF12 90 PWM_SENSE 139 PWM_DRV 138 PWM_FB 137 GPIOE0/LVSYNC 191 GPIOE1/LHSYNC 190 GPIOE2/LDE 189 GPIOE3/LCK 188 LB0M/R7 185 LB0P/R6 184 LB1M/R5 183 LB1P/R4 182 LB2M/R3 181 LB2P/R2 180 LBCKM/R1 179 LBCKP/R0 178 LB3M/G7 177 LB3P/G6 176 LB4M/G5 175 LB4P/G4 174 LA0M/G3 171 LA0P/G2 170 LA1M/G1 169 LA1P/G0 168 LA2M/B7 167 LA2P/B6 166 LACKM/B5 165 LACKP/B4 164 LA3M/B3 163 LA3P/B2 162 LA4M/B1 161 LA4P/B0 160 AISD/DI7 202 AISCK/DI6 201 AIWS/DI5 200 DI4 199 DI3 198 DI2 197 DI1 196 DI0 195 ICLK 192 IVSYNC 194 IHSYNC 193 XIN 207 XOUT 206 HWRESET 205 AVDD_ADC 36 AVDD_SIF 53 AVDD_AU 60 AVDD_MEMPLL 105 AVDD_DVI 6 AVDD_DVI 12 AVDD_MPLL 157 AVDD_MPLL 208 VDDC 77 VDDC 98 VDDC 107 VDDC 142 VDDC 158 VDDC 203 VDDP 88 VDDP 100 VDDP 102 VDDP 103 VDDP 119 VDDP 140 VDDP 151 VDDP 159 VDDP 172 VDDP 186 AD7 115 AD6 114 AD5 113 AD4 112 AD3 111 AD2 110 AD1 109 AD0 108 PADGND 209 N500 MST9U19B N500 MST9U19B R550 NC R550 NC R536 10 R536 10 R539 33 R539 33 R514 10K R514 10K L511 330_Ohm_200mA L511 330_Ohm_200mA C551 0.1uF C551 0.1uF C519 2.2uF C519 2.2uF R542 4.7K R542 4.7K 3 1 2 D511 NC/BAV99 D511 NC/BAV99 R585 0 R585 0 L510 NC/330_Ohm_200mA L510 NC/330_Ohm_200mA R551 1K R551 1K R559 4.7K R559 4.7K C530 10uF/16V C530 10uF/16V R541 33 R541 33 R561 10K R561 10K 6 5 4 1 2 3 R1 R1 D514 PUMH4 R1 R1 D514 PUMH4 R556 NC/0 R556 NC/0 1 2 3 4 XS504 D2006-4A XS504 D2006-4A C569 NC/22pF C569 NC/22pF C535 2.2uF C535 2.2uF R549 NC/0 R549 NC/0 C512 2.2uF C512 2.2uF R548 100 R548 100 R569 NC R569 NC R507 1M R507 1M R558 4.7K R558 4.7K R584 0 R584 0 C563 2.2uF C563 2.2uF R562 22K R562 22K 1 2 JP500 2-PIN JP500 2-PIN R511 10K R511 10K R581 10 R581 10 R505 0 R505 0 R555 NC/0 R555 NC/0 R579 10 R579 10 R587 NC/0 R587 NC/0 C539 22pF C539 22pF C567 10nF C567 10nF R576 10 R576 10 R566 NC R566 NC R538 33 R538 33 C542 0.1uF C542 0.1uF C517 10nF C517 10nF C550 10nF C550 10nF CE# 1 SO 2 WP# 3 VSS 4 SI 5 SCK 6 HOLD# 7 VDD 8 N502 EN25F40 N502 EN25F40 R517 1K/1% R517 1K/1% C540 0.1uF C540 0.1uF 1 3 2 V503 MMBT3906 V503 MMBT3906 1 2 3 V504 MMBT3904 V504 MMBT3904 R534 10K R534 10K PDF ��� "PDF ����" ����� ����� � 5 5 4 4 3 3 2 2 1 1 D D C C B B A A G_TX1+ HDMI-HPD R_TX2- R_TX2+ G_TX1- B_TX0- B_TX0+ TXCLK+ TXCLK- HDMI-RX2- HDMI-RX1- HDMI-RX0- HDMI-RXC- HDMI-RX1+ HDMI-RXC+ HDMI-RX2+ HDMI-RX0+ HDMI-DDC-SCL HDMI-DDC-SDA HDMI-RX1+ HDMI-RX2- HDMI-RX2+ HDMI-RX1- HDMI-RXC+ HDMI-RX0- HDMI-RX0+ HDMI-RXC- HDMI/5V 5VA 5VA HDMI_EDID_5V HDMI_EDID_5V HDMI_EDID_5V HDMI_EDID_5V HDMI_EDID_5V HDMI/5V R_TX2+ 2 R_TX2- 2 G_TX1+ 2 G_TX1- 2 HDMI_SCL 2 B_TX0+ 2 HDMI_SDA 2 HPDCTRL 2 B_TX0- 2 TXCLK+ 2 TXCLK- 2 �� �� �� �� � � ��� � � � � � � ���� ���� �� �� �� �� �� �� � � � � KONKA HDMI 9 3 �� �� �� �� � � ��� � � � � � � ���� ���� �� �� �� �� �� �� � � � � KONKA HDMI 9 3 �� �� �� �� � � ��� � � � � � � ���� ���� �� �� �� �� �� �� � � � � KONKA HDMI 9 3 5V SCL SDA GND ESD ESD R408 10 R408 10 DATA2+ 1 DATA2 SHIELD 2 DATA2- 3 DATA1+ 4 DATA1 SHIELD 5 DAT1A- 6 DATA0+ 7 DATA0 SHIELD 8 DATA0- 9 CLK+ 10 CLK SHIELD 11 CLK- 12 CEC 13 NC 14 SCL 15 SDA 16 DDC/CEC GND 17 +5V POWER 18 HOT PLUG 19 GND1 20 GND2 21 GND3 22 GND4 23 XS400 HDMI XS400 HDMI R402 4.7K R402 4.7K 1 1 2 2 3 3 4 4 XS403 D2006-4A XS403 D2006-4A R406 0 R406 0 3 1 2 V400 MMBT3904 V400 MMBT3904 3 1 2 D401 BAT54 D401 BAT54 R403 NC R403 NC 3 1 2 D406 BAV99 D406 BAV99 R416 100 R416 100 R413 10 R413 10 R417 100 R417 100 R401 4.7K R401 4.7K R415 10 R415 10 R400 1K R400 1K R411 10 R411 10 R407 10K R407 10K R409 10 R409 10 R410 10 R410 10 R414 10 R414 10 1 2 3 5 4 6 D412 5V0U4D D412 5V0U4D R404 100 R404 100 3 1 2 D407 BAV99 D407 BAV99 NC 1 NC 2 NC 3 GND 4 SDA 5 SCL 6 WP 7 VCC 8 N400 24C02 N400 24C02 R405 100 R405 100 C415 0.1uF C415 0.1uF 1 2 3 5 4 6 D411 5V0U4D D411 5V0U4D R412 10 R412 10 PDF ��� "PDF ����" ����� ����� � 5 5 4 4 3 3 2 2 1 1 D D C C B B A A CLK_DDC_VGA VGA-VS VGA-G+ BIN+ VGA-R+ GIN- SOG GIN+ RIN+ VGA-B+ BIN- RIN- TXD RXD VGA-HS VGA-B+ VGA-G+ PC-L PC-R SDA_DDC_VGA VGA-R+ TXD 2 RXD 2 RXD 2 TXD 2 VGA/5V 5VA 5VA/PC VGA/5V 5VA/PC 5VA/PC 5VA/PC 5VA/PC 5VA/PC PC-Lin 2 PC-Rin 2 BIN+ 2 GIN+ 2 RIN+ 2 SOG 2 BIN- 2 GIN- 2 RIN- 2 HS_RGB 2 VS_RGB 2 DDC/HWI2C 2 �� �� �� �� � � ��� � � � � � � ���� ���� �� �� �� �� �� �� � � � � KONKA VGA 9 4 �� �� �� �� � � ��� � � � � � � ���� ���� �� �� �� �� �� �� � � � � KONKA VGA 9 4 �� �� �� �� � � ��� � � � � � � ���� ���� �� �� �� �� �� �� � � � � KONKA VGA 9 4 L->DDC H->HW ESD L400 CBG0805 L400 CBG0805 R427 100 R427 100 R441 1K R441 1K R438 47 R438 47 IN 1 S1A 2 S2A 3 DA 4 S1B 5 S2B 6 DB 7 GND 8 DC 9 S2C 10 S1C 11 DD 12 S2D 13 S1D 14 /EN 15 VCC 16 N402 PI5V330A N402 PI5V330A R426 100 R426 100 1 3 2 C C D ESD D410 PESD3V3L2BT C C D ESD D410 PESD3V3L2BT R430 NC R430 NC C410 47nF C410 47nF C413 0.1uF C413 0.1uF C412 560pF C412 560pF R445 4.7K R445 4.7K 3 1 2 D402 BAV70 D402 BAV70 5 10 4 9 3 8 2 7 1 15 14 13 12 11 6 16 17 XS401 VGA XS401 VGA C414 0.1uF C414 0.1uF R440 1K R440 1K C404 1nF C404 1nF R447 10K R447 10K C411 560pF C411 560pF C401 47nF C401 47nF R428 1K R428 1K R422 10K R422 10K C402 47nF C402 47nF C408 0.1uF C408 0.1uF R450 10 R450 10 3 1 2 D408 BAV99 D408 BAV99 5 4 2 3 7 8 1 XS402 AUDIO_IN XS402 AUDIO_IN C407 NC C407 NC R423 10K R423 10K R442 NC R442 NC R433 47 R433 47 R425 6.8K R425 6.8K 1 2 3 5 4 6 D413 IP4223CZ6 D413 IP4223CZ6 1 2 JP400 2-PIN JP400 2-PIN C405 47nF C405 47nF R424 6.8K R424 6.8K R449 33 R449 33 D404 5.6V D404 5.6V R435 75 R435 75 L402 CBG0805 L402 CBG0805 R434 75 R434 75 3 1 2 D409 BAV99 D409 BAV99 R432 NC R432 NC R420 33 R420 33 R439 47 R439 47 C406 NC C406 NC L401 CBG0805 L401 CBG0805 R444 4.7K R444 4.7K R429 10K R429 10K R431 NC R431 NC C409 47nF C409 47nF R437 47 R437 47 R418 10 R418 10 C403 47nF C403 47nF R421 NC R421 NC R448 NC R448 NC D403 5.6V D403 5.6V R419 10 R419 10 NC 1 NC 2 NC 3 GND 4 SDA 5 SCL 6 VCLK 7 VCC 8 N401 24C02 N401 24C02 R446 NC R446 NC R436 75 R436 75 PDF ��� "PDF ����" ����� ����� � 5 5 4 4 3 3 2 2 1 1 D D C C B B A A Y- PB- PR- PR+ Y+ SOY PB+ AV2 HD1_YIN AV1_IN Pb Y SVIDEO-Y SVIDEO-C HD1_PRIN HP-L HD-R AV1-R HP-R HD1_PBIN Pr Pr HD-L AV1-L Pb Y AV1_IN SVIDEO-Y SVIDEO-C MUTE_HP MUTE_SPK Pr AV1_IN Y Pb SVIDEO2-Y SVIDEO-C SVIDEO-Y SVIDEO2-C HD-R AV1-R HD-L AV1-L HP-L S_Aud_L HP-R S_Aud_R SVIDEO2-Y SVIDEO2-C AV3_IN SVIDEO2-C SVIDEO2-Y S_Aud_L S_Aud_R AuR_side AuL_side AU-R AU-L AuL_side AuR_side MUTE_HP Rout AV3_IN Lout 5VA 5VA +5VBUF +5VBUF 5VA 5VA PR+ 2 PB+ 2 Y+ 2 SOY 2 PR- 2 Y- 2 PB- 2 AV2 2 HD-Rin 2 HD-Lin 2 AV1-Lin 2 AV1-Rin 2 AV1- 2 MUTE_SPK 7 AV1+ 2 SV-C 2 SV-Y 2 AV_side 2 SV2-C 2 SV2-Y 2 AU-L 2 AU-R 2 AU3_SW 2 TV-L/Rin 6 AU3_Lin 2 AU3_Rin 2 HP-L 6 HP-R 6 Lout 2 �� �� �� �� � � ��� � � � � � � ���� ���� �� �� �� �� �� �� � � � � KONKA YPbPr and AV 9 5 �� �� �� �� � � ��� � � � � � � ���� ���� �� �� �� �� �� �� � � � � KONKA YPbPr and AV 9 5 �� �� �� �� � � ��� � � � � � � ���� ���� �� �� �� �� �� �� � � � � KONKA YPbPr and AV 9 5 ������R629�NC ������R629�0 ESD ESD ESD�������� ������ �������R677,R679 �TV ����R678�R680 C627 560pF C627 560pF C611 NC/330pF C611 NC/330pF 1 2 3 5 4 6 D602 IP4223CZ6 D602 IP4223CZ6 R630 75 R630 75 1 2 3 4 12 XS607A YPbPr_AUDIO_IN XS607A YPbPr_AUDIO_IN R628 100 R628 100 R605 10 R605 10 C619 560pF C619 560pF C638 2.2uF C638 2.2uF R623 10K R623 10K R678 NC/0 R678 NC/0 5 6 7 8 11 XS607B XS607B R606 47 R606 47 L613 0 L613 0 C610 NC/330pF C610 NC/330pF C622 NC/330pF C622 NC/330pF 1 2 3 5 4 6 D601 IP4223CZ6 D601 IP4223CZ6 R602 47 R602 47 L609 0 L609 0 C639 2.2uF C639 2.2uF C617 560pF C617 560pF C609 NC/330pF C609 NC/330pF C632 2.2uF C632 2.2uF C642 NC/330pF C642 NC/330pF C602 1nF C602 1nF 1 3 2 C C D ESD D615 PESD3V3L2BT C C D ESD D615 PESD3V3L2BT R637 NC/10K R637 NC/10K R677 NC/0 R677 NC/0 R635 75 R635 75 C606 47nF C606 47nF C629 2.2uF C629 2.2uF C637 NC/330pF C637 NC/330pF R638 75 R638 75 C618 560pF C618 560pF R615 10 R615 10 C628 560pF C628 560pF C600 47nF C600 47nF 1 3 2 C C D ESD D616 PESD3V3L2BT C C D ESD D616 PESD3V3L2BT R634 10K R634 10K C630 2.2uF C630 2.2uF R610 75 R610 75 R643 0 R643 0 X0 12 X1 14 X2 15 X3 11 Y0 1 Y1 5 Y2 2 Y3 4 A 10 B 9 X 13 Y 3 VCC 16 GND 8 INH 6 VEE 7 N602 74HC4052 N602 74HC4052 C603 47nF C603 47nF L611 0 L611 0 R646 6.8K R646 6.8K R626 10K R626 10K R679 NC/0 R679 NC/0 R639 10K R639 10K R603 10 R603 10 R608 10 R608 10 L604 0 L604 0 L608 0 L608 0 R611 75 R611 75 L612 0 L612 0 C612 0.1uF C612 0.1uF 1 1 3 3 5 5 7 7 9 9 11 11 13 13 2 2 4 4 6 6 8 8 10 10 12 12 14 14 XS602 HEADER_7x2 XS602 HEADER_7x2 C635 NC/330pF C635 NC/330pF R629 NC/0 R629 NC/0 R671 22K R671 22K 1 3 2 C C D ESD D611 PESD3V3L2BT C C D ESD D611 PESD3V3L2BT C633 10nF C633 10nF L610 0 L610 0 R622 6.8K R622 6.8K 1 2 L614 330_Ohm_200mA L614 330_Ohm_200mA C605 47nF C605 47nF 1 3 2 XS606 AUDIO/OUT XS606 AUDIO/OUT C624 NC/330pF C624 NC/330pF R616 6.8K R616 6.8K R624 6.8K R624 6.8K R648 6.8K R648 6.8K R601 10 R601 10 C621 NC/330pF C621 NC/330pF R680 NC/0 R680 NC/0 C620 10nF C620 10nF R675 22K R675 22K R604 47 R604 47 L606 0 L606 0 R609 75 R609 75 R631 75 R631 75 R674 22K R674 22K R640 0 R640 0 3 1 2 D414 BAV99 D414 BAV99 C601 47nF C601 47nF R672 22K R672 22K R617 6.8K R617 6.8K C616 560pF C616 560pF R676 22K R676 22K 4 2 3 1 5 6 7 8 9 V Pb Y XS603 S-Vdieo-YPbPr V Pb Y XS603 S-Vdieo-YPbPr C604 47nF C604 47nF R636 NC/10K R636 NC/10K R673 22K R673 22K R607 10 R607 10 2 4 5 1 6 10 8 9 3 7 XS604 HP-RV2 XS604 HP-RV2 1 3 2 C C D ESD D617 PESD3V3L2BT C C D ESD D617 PESD3V3L2BT + C607 47uF/16V + C607 47uF/16V L607 0 L607 0 R632 75 R632 75 R633 75 R633 75 R627 10K R627 10K R625 10K R625 10K PDF ��� "PDF ����" ����� ����� � 5 5 4 4 3 3 2 2 1 1 D D C C B B A A MODE AMP-Rin AMP-Lin HP-R HP-L HP-Rin HP-Lin AMP-R AMP-Lin AMP-Rin HP-Lin HP-Rin OP_VCC1 OP_VCC1 AMP-L AMP-R AMP-L AMP-Rin AMP-Lin 14.5VAMP VCC_14.5V 14.5VAMP 14.5VAMP 5VA 5VA 2.5VBuf 5VA POWER-ON/OFF HP-L 2 HP-R 2 MUTE 2 AMP-L 2 AMP-R 2 MUTE_SPK �� �� �� �� � � ��� � � � � � � ���� ���� �� �� �� �� �� �� � � � � KONKA AMP 9 6 �� �� �� �� � � ��� � � � � � � ���� ���� �� �� �� �� �� �� � � � � KONKA AMP 9 6 �� �� �� �� � � ��� � � � � � � ���� ���� �� �� �� �� �� �� � � � � KONKA AMP 9 6 STANDBY:H 4���4W Audio AMP standby:0�0.8V mute:4.5�Vcc-3.5V on:Vcc-2V�Vcc Vcc=14.5V SPEAKER_R SPEAKER_L MUTE:H �����1308���R255,R265 ����1308���R245,R246 MUTE:H ��� C205 NC/0.1uF C205 NC/0.1uF R220 0 R220 0 + C212 22uF/16V + C212 22uF/16V R227 NC/1K R227 NC/1K R244 0 R244 0 R219 10K R219 10K R260 10K R260 10K D206 1N4148 D206 1N4148 V203 MMBT3906 V203 MMBT3906 R224 10K R224 10K R222 NC/10K R222 NC/10K R207 NC/10 R207 NC/10 D204 NC/1N4148 D204 NC/1N4148 R252 33K R252 33K R241 10K R241 10K C261 100pF C261 100pF C232 2.2uF C232 2.2uF R221 NC/0 R221 NC/0 1 2 XS201 D2507-2A XS201 D2507-2A L201 NC/FB L201 NC/FB C251 100pF C251 100pF R242 10K R242 10K R245 0 R245 0 D205 1N4148 D205 1N4148 + C209 NC/10uF/16V + C209 NC/10uF/16V R226 NC/1K R226 NC/1K + C210 470uF/25V/CD110 + C210 470uF/25V/CD110 IN2+ 1 OUT2- 2 CIV 3 IN1+ 4 GND 5 SVR 6 MODE 7 OUT1+ 8 VCC 9 N200 TFA9843BJ N200 TFA9843BJ C254 47uF/16V C254 47uF/16V 1 2 XS202 D2507-2A XS202 D2507-2A R254 NC/0 R254 NC/0 R223 10K R223 10K C204 0.1uF C204 0.1uF C234 10nF C234 10nF R264 NC/0 R264 NC/0 R209 10K R209 10K R215 NC/10K R215 NC/10K C250 2.2uF C250 2.2uF C252 100pF C252 100pF 3 1 2 V202 MMBT3904 V202 MMBT3904 C263 NC/2.2nF C263 NC/2.2nF 3 1 2 V201 MMBT3904 V201 MMBT3904 C264 NC/2.2nF C264 NC/2.2nF C262 100pF C262 100pF R253 33K R253 33K C206 NC/0.1uF C206 NC/0.1uF C201 0.22uF C201 0.22uF C236 10nF C236 10nF 3 1 2 V204 MMBT3904 V204 MMBT3904 R210 10K R210 10K R216 2.2K R216 2.2K C255 47uF/16V C255 47uF/16V R251 33K R251 33K + C203 470uF/25V + C203 470uF/25V R213 1K R213 1K + C211 470uF/25V/CD110 + C211 470uF/25V/CD110 C253 0.1uF C253 0.1uF + C208 47uF/16V + C208 47uF/16V 1 3 2 C C D ESD D210 PESD3V3L2BT C C D ESD D210 PESD3V3L2BT 5 6 7 8 4 - + N201B TDA1308 - + N201B TDA1308 R250 10K R250 10K R218 15K R218 15K R214 10K R214 10K R255 0 R255 0 C260 2.2uF C260 2.2uF R212 NC/470K R212 NC/470K R217 2.2K R217 2.2K C202 0.22uF C202 0.22uF 3 2 1 8 4 - + N201A TDA1308 - + N201A TDA1308 R265 0 R265 0 R211 0 R211 0 + C207 470uF/25V + C207 470uF/25V D201 1N4148 D201 1N4148 1 2 3 4 XS200 PA_HEAT-SINK XS200 PA_HEAT-SINK C231 2.2uF C231 2.2uF R208 NC/10 R208 NC/10 R225 15K R225 15K VD802 FM5822 VD802 FM5822 R261 33K R261 33K 1 2 L202 330_Ohm_200mA L202 330_Ohm_200mA PDF ��� "PDF ����" ����� ����� � 5 5 4 4 3 3 2 2 1 1 D D C C B B A A IF SCL_TUNER SDA_TUNER TUNER_AGC SDA_TUNER SCL_TUNER TUNER_AGC IF1 SIF IF IF1 14.5VAMP GND GND GND GND GND GND GND GND GND GND GND GND GND GND GND GND GND GND GND GND GND GND GND GND GND GND GND GND GND GND GND +5V_RF +5V_RF +5V_RF GND GND GND GND GND GND GND GND GND GND GND Tuner_5V GND GND GND GND SCL_TUNER SDA_TUNER TV-SIFP TV-SIFM TV-V+ TV-V- TV-L/Rin �� �� �� �� � � ��� � � � � � � ���� ���� �� �� �� �� �� �� � � � � KONKA TUNER+IF 9 7 �� �� �� �� � � ��� � � � � � � ���� ���� �� �� �� �� �� �� � � � � KONKA TUNER+IF 9 7 �� �� �� �� � � ��� � � � � � � ���� ���� �� �� �� �� �� �� � � � � KONKA TUNER+IF 9 7 0.16Amax <-------- <---- ADDR: 0xC0 MAIN TUNER ������ C120 NC/47nF C120 NC/47nF C122 0.47uF C122 0.47uF R118 22K R118 22K R122 NC/2.2K R122 NC/2.2K V103 MMBT3904 V103 MMBT3904 R129 12K R129 12K R100 1K R100 1K V102 MMBT3904 V102 MMBT3904 1 2 L107 NC/1K_Ohm_100mA L107 NC/1K_Ohm_100mA C106 1nF C106 1nF R104 75 R104 75 C117 NC/0.47uF C117 NC/0.47uF VIF1 1 VIF2 2 OP1 3 FMPLL 4 DEEM 5 AFD 6 DGND 7 AUD 8 TOP 9 SDA 10 SCL 11 SIOMAD 12 NC 13 TAGC 14 REF 15 NC(VC) 16 CVBS 17 AGND 18 VPLL 19 VP 20 AFC 21 OP2 22 SIF1 23 SIF2 24 N104 TDA9885T N104 TDA9885T C138 NC/10nF C138 NC/10nF C100 100pF C100 100pF AGC 1 TU 2 AS 3 SCL 4 SDA 5 NC 6 VCC 7 ADC/NC 8 VT/NC 9 IF2/NC 10 IF1 11 G1 12 G2 13 G3 14 G4 15 N101 AFT1/3000 N101 AFT1/3000 R114 47 R114 47 R115 47 R115 47 IN1 1 IN2 2 GND 3 OUT1 4 OUT2 5 N102 K9450M N102 K9450M C127 1nF C127 1nF R125 NC/470 R125 NC/470 R123 NC/330 R123 NC/330 R102 75 R102 75 1 2 L103 NC/1K_Ohm_100mA L103 NC/1K_Ohm_100mA C152 1nF C152 1nF R105 1K R105 1K 1 2 L104 1K_Ohm_100mA L104 1K_Ohm_100mA + C126 220uF/16V + C126 220uF/16V C125 22pF C125 22pF R126 NC/75 R126 NC/75 C149 56pF C149 56pF IN1 1 IN2 2 GND 3 OUT1 4 OUT2 5 N103 K6274D N103 K6274D C142 NC/1nF C142 NC/1nF C150 56pF C150 56pF V105 NC/MMBT3904 V105 NC/MMBT3904 R101 100K R101 100K C114 30pF C114 30pF VD103 BA591/ISS110 VD103 BA591/ISS110 C121 NC/1nF C121 NC/1nF + C135 220uF/16V + C135 220uF/16V R117 10 R117 10 C124 10nF C124 10nF C143 NC/47nF C143 NC/47nF R127 NC/1K R127 NC/1K C108 47nF C108 47nF R116 47 R116 47 R113 220 R113 220 C115 NC/1nF C115 NC/1nF 1 2 L101 FB L101 FB V104 MMBT3904 V104 MMBT3904 R128 NC/33 R128 NC/33 C139 NC/10nF C139 NC/10nF R106 3.3K R106 3.3K C102 0.47uF C102 0.47uF C136 0.1uF C136 0.1uF C118 1nF C118 1nF C109 1.5nF C109 1.5nF C123 10nF C123 10nF R133 0 R133 0 R111 NC/10K R111 NC/10K C110 0.22uF C110 0.22uF C107 1nF C107 1nF C116 1nF C116 1nF R110 47 R110 47 1 2 3 Z101 4.000MHz Z101 4.000MHz C128 12pF C128 12pF C134 1nF C134 1nF VD101 BA591/ISS110 VD101 BA591/ISS110 C131 0.1uF C131 0.1uF C104 1nF C104 1nF R107 3.3K R107 3.3K 1 2 L109 NC/1K_Ohm_100mA L109 NC/1K_Ohm_100mA R112 3.3K R112 3.3K C112 1nF C112 1nF 1 2 L105 330_Ohm_200mA L105 330_Ohm_200mA C129 NC/10nF C129 NC/10nF C132 10uF C132 10uF R130 0 R130 0 C101 NC/0.1uF C101 NC/0.1uF VD102 BA591/ISS110 VD102 BA591/ISS110 C133 0.1uF C133 0.1uF + C111 220uF/16V + C111 220uF/16V R131 NC/10K R131 NC/10K C119 NC/1nF C119 NC/1nF R119 47 R119 47 R124 47 R124 47 1 2 L102 330_Ohm_200mA L102 330_Ohm_200mA C140 0.1uF C140 0.1uF L106 NC/2.2uH L106 NC/2.2uH R121 NC/3K R121 NC/3K C151 560pF C151 560pF R103 330 R103 330 R120 1K R120 1K R109 3.3K R109 3.3K C130 NC/10uF C130 NC/10uF R108 3.3K R108 3.3K C1130.47uF C1130.47uF R132 6.8K R132 6.8K V101 NC/2SC388A V101 NC/2SC388A C137 1nF C137 1nF PDF ��� "PDF ����" ����� ����� � 5 5 4 4 3 3 2 2 1 1 D D C C B B A A RES G0N G0N G0P R0P R0P R0N R0N CKV CKV CKV CKV CKV CKV STH STV OE TP POL TCON_SDA SC0 B0N B0P R1N R1N R1P R1P R2N R2N R2P R2P TCON_SCL RXE0+ RXE1- RXE1+ RXE2- RXE2+ RXEC- RXEC+ RXE1+ RXE1- RXE2- RXE0+ RXE2+ RXE0- RXE3- RXE3+ RXEC- RXEC+ RXE3- RXE3+ SC1 B1N B1P B2N B2P POL_SI CLKN CLKN CLKP CLKP TCON_SDA TCON_SCL RES G1N G1P G2N G2P OE2_GVOFF OE2_GVOFF R0P OE G2P R0N G2N G1P G1N G0P G0N B2P B2N CLKP STH CLKN TP B1P POL B1N R2P B0P R2N B0N R1P STV R1N CKV BIST PDI RXE0- RXE0- POL_SI PDI BIST SC0 SC1 VDD33 VDD33 VDD33 VDD_5V VDD33 VDD33 VDD33 VCC-Panel VCC-Panel VDD_5V VDD33 RXE0+ RXE0- RXE1- RXE1+ RXE2- RXE2+ RXEC- RXEC+ RXE3- RXE3+ �� �� �� �� � � ��� � � � � � � ���� ���� �� �� �� �� �� �� � � � � KONKA TCON 9 8 �� �� �� �� � � ��� � � � � � � ���� ���� �� �� �� �� �� �� � � � � KONKA TCON 9 8 �� �� �� �� � � ��� � � � � � � ���� ���� �� �� �� �� �� �� � � � � KONKA TCON 9 8 [T-CON] [Terminator near T-CON] TCON EDID ~420mA [Filter near T-CON] 5VA TCON_SCL TCON_SDA GND RSDS Output Level Control ���7K--18K��� SC0�SC1�Skew Control BIST�Aging Mode PDI�LVDS Power Down POL_SI�Polarity Inversion [ASIC Control] R302 100 R302 100 R309 22 R309 22 R321 10K R321 10K L302 FB L302 FB R313 4.7K R313 4.7K R312 4.7K R312 4.7K SC0 1 SC1 2 GPO1 3 GPO2 4 VCC_LVDS 5 RO0N 6 RO0P 7 RO1N 8 RO1P 9 RO2N 10 RO2P 11 ROCKN 12 ROCKP 13 RO3N 14 RO3P 15 GND_LVDS 16 GND 17 VDDP2 18 DVDD 19 REL 20 GND_RSDS 21 B2P 22 B2N 23 B1P 24 B1N 25 B0P 26 B0N 27 VCC_RSDS 28 G2P 29 G2N 30 G1P 31 G1N 32 POL 48 TP1 47 VCC_RSDS 46 R0N 45 R0P 44 GND_RSDS 43 R1N 42 R1P 41 R2N 40 R2P 39 CLKN 38 CLKP 37 VCC_RSDS 36 GND_RSDS 35 G0N 34 G0P 33 GPO0 64 GPO3 63 RESET 62 VDDC 61 TEST 60 PDI 59 GNDC 58 SDA 57 SCL 56 POL_SI 55 VDDP 54 OE 53 CPV 52 STV 51 STH 50 BIST 49 1IN/1OUT RSDS N300 MST7381B 1IN/1OUT RSDS N300 MST7381B C311 0.1uF C311 0.1uF R319 NC R319 NC R310 22 R310 22 C312 1nF C312 1nF C315 1uF C315 1uF 1 2 3 4 5 6 7 8 9 10 11 12 13 14 15 16 17 18 19 20 21 22 23 24 25 26 27 28 29 30 31 32 33 34 35 36 37 38 39 40 41 42 43 44 45 46 47 XS300 FPC_45PIN XS300 FPC_45PIN C310 1nF C310 1nF R325 10K R325 10K R318 NC R318 NC R314 NC R314 NC R316 22 R316 22 R335 NC R335 NC + C302 100uF/16V + C302 100uF/16V R307 22 R307 22 R320 NC R320 NC R324 NC R324 NC C322 0.1uF C322 0.1uF C317 1uF C317 1uF C320 0.1uF C320 0.1uF R306 22 R306 22 C307 0.1uF C307 0.1uF C309 0.1uF C309 0.1uF R311 15K R311 15K C306 0.1uF C306 0.1uF L301 FB L301 FB C321 1nF C321 1nF 1 2 3 4 XS301 D2006-4A XS301 D2006-4A C303 0.1uF C303 0.1uF C313 0.1uF C313 0.1uF R305 100 R305 100 R317 22 R317 22 VCC 8 A1 2 WP 7 SCL 6 SDA 5 GND 4 A2 3 A0 1 N301 24C64 N301 24C64 C323 1nF C323 1nF 3 2 1 4 ADJ OUT IN N302 AMS1117-3.3 ADJ OUT IN N302 AMS1117-3.3 C301 0.1uF C301 0.1uF C308 1nF C308 1nF R323 4.7K R323 4.7K R303 100 R303 100 R308 22 R308 22 R322 4.7K R322 4.7K + C304 100uF/16V + C304 100uF/16V R301 100 R301 100 R315 10K R315 10K R304 100 R304 100 R326 NC R326 NC C314 1nF C314 1nF PDF ��� "PDF ����" ����� ����� �

标签:

版权声明

1. 本站所有素材,仅限学习交流,仅展示部分内容,如需查看完整内容,请下载原文件。
2. 会员在本站下载的所有素材,只拥有使用权,著作权归原作者所有。
3. 所有素材,未经合法授权,请勿用于商业用途,会员不得以任何形式发布、传播、复制、转售该素材,否则一律封号处理。
4. 如果素材损害你的权益请联系客服QQ:77594475 处理。