康佳LC26ES60B液晶电视35013951板(MST721机芯)电路原理图

分类:电子电工 日期: 点击:0
康佳LC26ES60B液晶电视35013951板(MST721机芯)电路原理图-0 康佳LC26ES60B液晶电视35013951板(MST721机芯)电路原理图-1 康佳LC26ES60B液晶电视35013951板(MST721机芯)电路原理图-2 康佳LC26ES60B液晶电视35013951板(MST721机芯)电路原理图-3 康佳LC26ES60B液晶电视35013951板(MST721机芯)电路原理图-4 康佳LC26ES60B液晶电视35013951板(MST721机芯)电路原理图-5 康佳LC26ES60B液晶电视35013951板(MST721机芯)电路原理图-6 康佳LC26ES60B液晶电视35013951板(MST721机芯)电路原理图-7 康佳LC26ES60B液晶电视35013951板(MST721机芯)电路原理图-8

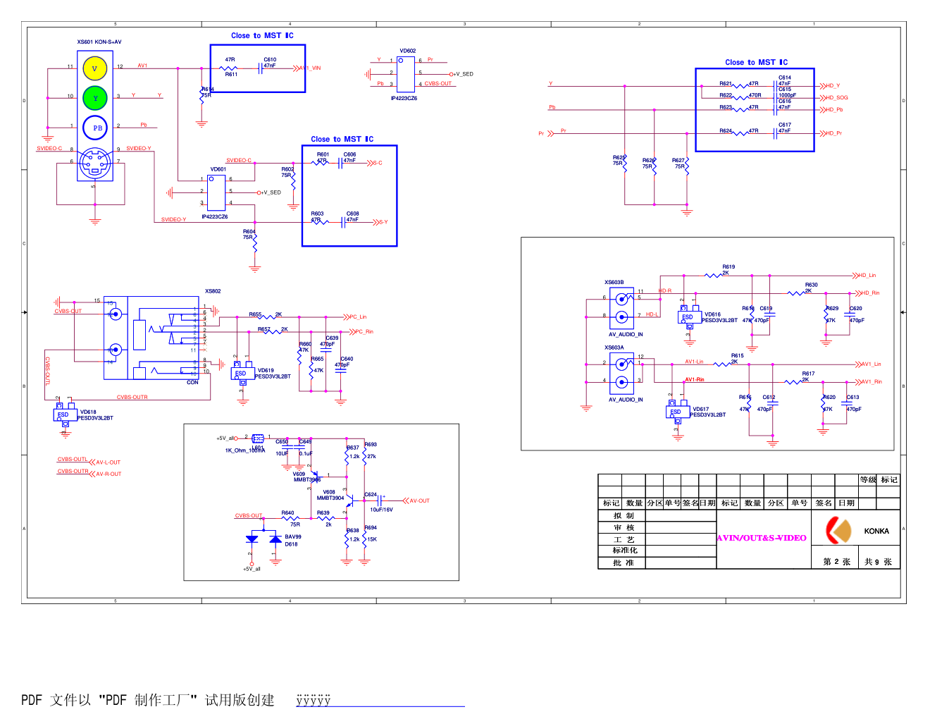
5 5 4 4 3 3 2 2 1 1 D D C C B B A A 标记 数量 等级 标记 批 准 标准化 工 艺 审 核 拟 制 签名日期 分区 单号 数量 签名 单号 分区 标记 日期 第 张 共 张 KONKA Power System 9 0 标记 数量 等级 标记 批 准 标准化 工 艺 审 核 拟 制 签名日期 分区 单号 数量 签名 单号 分区 标记 日期 第 张 共 张 KONKA Power System 9 0 标记 数量 等级 标记 批 准 标准化 工 艺 审 核 拟 制 签名日期 分区 单号 数量 签名 单号 分区 标记 日期 第 张 共 张 KONKA Power System 9 0 26"Power MP1482 +12V/+14.5V 1117 +1.2V MST721 +5V_Tuner Tuner+ Panel 9435 TDA9881 +9V CT7313 LA42205 160mA 310mA 21.6"-12V 26"-5V 1A LM7805 180mA 250mA CS4344 50mA HDMI VGA PC_AUD YPbPr+AV+S earphone Tuner MST721 RSDS Signal Output LVDS Signal Output Panel Tcon (Option) X Board LCD Panel RSDS Signal Output Audio Out RS15900 TDA1308 (Option) Amplifier Speaker PI5V330 25mA 700mA key+IR Filter TDA9881 +5V/+12V_panel 3CG751 MP1482 MP1482 +3.3V 32"Power +12V +5V 12V电源 时短接 稳压管 PDF 文件以 "PDF 制作工厂" 试用版创建 http://www.fineprint.com 5 5 4 4 3 3 2 2 1 1 D D C C B B A A BLON PWM 5VSTBIN POWER-ON/OFF-INV VCC12VIN VCC12VIN PWM BLON VCC1.2V +3.3V_MST VCC12V +5V_all +3.3V_MST VCC-Panel VCC12V +5V_all +5V_Panle VCC12V AGND +12V_all +12V_all +5V_Tuner AGND AGND AGND AGND AGND AGND AGND AGND VCC12V VCC12V +3.3V_MST AGND 5VSTB_IN 5VSTB_IN +5V_all +3.3V_MST VDD33 V5V VCC-Panel VCC-Panel AGND +5V_Panle +5V_Panle AGND AGND AGND BRI_ADJ BRI_ON/OFF PANEL-ON/OFF POWER-ON/OFF POWER-ON/OFF POWER-ON/OFF OPC_EN 标记 数量 等级 标记 批 准 标准化 工 艺 审 核 拟 制 签名日期 分区 单号 数量 签名 单号 分区 标记 日期 第 张 共 张 KONKA system power 9 1 标记 数量 等级 标记 批 准 标准化 工 艺 审 核 拟 制 签名日期 分区 单号 数量 签名 单号 分区 标记 日期 第 张 共 张 KONKA system power 9 1 标记 数量 等级 标记 批 准 标准化 工 艺 审 核 拟 制 签名日期 分区 单号 数量 签名 单号 分区 标记 日期 第 张 共 张 KONKA system power 9 1 电流250mA R1 更改为小电容 电流150mA 注意散热 电源输入接口 FOR 220W POWER ~240mA VD804 NC/FM5820 VD804 NC/FM5820 1 2 3 V809 2N3904 V809 2N3904 + C832 100uF/16V + C832 100uF/16V 1 2 L814 L814 R827 82K R827 82K R833 NC/1K R833 NC/1K C931 NC/180pF C931 NC/180pF R801 1K R801 1K R805 100R R805 100R R820 4.7K R820 4.7K C863 0.1uF C863 0.1uF 1 2 L818_NC L818_NC + C845 220uF/16V + C845 220uF/16V 1 2 3 4 5 XS806 B5P-VH XS806 B5P-VH R822 4.7K R822 4.7K C835 0.1uF C835 0.1uF C839 0.1uF C839 0.1uF R842 100R_DNS R842 100R_DNS + C821 47uF/16V + C821 47uF/16V R806 4.7K R806 4.7K BS 1 SW 3 IN 2 SS 8 EN 7 FB 5 COMP 6 GND 4 N809 MP1482/MP2307 N809 MP1482/MP2307 C870 10uF C870 10uF C827 0.1uF C827 0.1uF F802 5A F802 5A C853 10uF C853 10uF 1 2 3 V806 2N3904 V806 2N3904 + C948 NC/470uF + C948 NC/470uF C857 10uF C857 10uF R809 1K R809 1K C801 0.1uF C801 0.1uF S 1 S 2 S 3 G 4 D 8 D 7 D 6 D 5 N802 NC/9435A N802 NC/9435A 3 2 1 4 ADJ OUT IN N804 AMS1117-ADJ ADJ OUT IN N804 AMS1117-ADJ 1 2 3 4 XS807 4_pin_2mm_dns XS807 4_pin_2mm_dns R824 NC R824 NC R853 10K_DNS R853 10K_DNS C812 0.1uF C812 0.1uF C959 10uF C959 10uF C949 10uF C949 10uF R802 1K R802 1K C861 10nF C861 10nF R831 10K R831 10K C960 10uF C960 10uF 1 2 L817 L817 + C813 470uF/25V + C813 470uF/25V C838 0.1uF C838 0.1uF + C848 NC/470uF + C848 NC/470uF C854 10uF C854 10uF 1 2 L830 300_ohm_2A L830 300_ohm_2A 1 2 L815 L815 1 2 L819 L819 C836 0.1uF C836 0.1uF C809 0.1uF C809 0.1uF C947 470pF C947 470pF C803 0.1uF C803 0.1uF C840 0.1uF C840 0.1uF 3 2 1 GND IN OUT N803 LM7805 GND IN OUT N803 LM7805 C876 0.1uF C876 0.1uF R810 4.7K R810 4.7K R816 NC/1K R816 NC/1K C830 0.1uF C830 0.1uF R856 NC/0 R856 NC/0 R821 100K R821 100K R817 100K R817 100K C862 0.1u C862 0.1u R2 4.7K R2 4.7K 1 2 3 V808 2N3904 V808 2N3904 C841 0.1uF C841 0.1uF R835 0R R835 0R C817 3300pF C817 3300pF D 3 1 G S 2 V805 PMV65XP/NC V805 PMV65XP/NC R815 10K R815 10K 1 2 L816 L816 C953 0.1uF C953 0.1uF 1 2 L832 300_ohm_2A L832 300_ohm_2A R829 12K_1% R829 12K_1% R862 10K R862 10K OUT 2 IN 3 GND 1 TAB 4 U813 AP1117E33 U813 AP1117E33 V810 3CG751 V810 3CG751 F803 F3A/32V_DNS F803 F3A/32V_DNS 1 2 3 V807 2N3904 V807 2N3904 C808 2.2uF C808 2.2uF V812 PMBT3904 V812 PMBT3904 C819 NC/180pF C819 NC/180pF 1 2 L813 0805_2A L813 0805_2A 1 2 L812 0603_600mA L812 0603_600mA 1 2 L810 0805_2A L810 0805_2A C858 10uF C858 10uF R826 47K R826 47K C954 10uF C954 10uF C875 0.33uF C875 0.33uF R953 10 R953 10 1 2 L850 0805_2A L850 0805_2A + C826 220uF/16V + C826 220uF/16V R819 390K R819 390K R828 10K_DNS R828 10K_DNS C962 10uF C962 10uF R812 10K R812 10K R3 4.7K R3 4.7K R877 100K R877 100K 1 2 3 V804 2N3904 V804 2N3904 1 2 L818 L818 + C828 100uF/16V + C828 100uF/16V R855 10K R855 10K 1 2 L840 0R L840 0R R823 0R R823 0R R1 4.7K R1 4.7K C816 0.01uF C816 0.01uF R830 4.7K R830 4.7K C837 0.1uF C837 0.1uF + C823 1000uF/16V + C823 1000uF/16V 1 2 FB839 0R FB839 0R + C822 47uF/16V + C822 47uF/16V L842 10uH L842 10uH 1 2 3 V811 MMBT3904_DNS V811 MMBT3904_DNS 1 2 FB838 0R FB838 0R 1 2 L811 0805_2A L811 0805_2A IN 2 GND 4 BS 1 FB 5 COMP 6 EN 7 SS 8 SW 3 N801 MP1482DS N801 MP1482DS 1 2 FB834 0R FB834 0R C957 3.3nF C957 3.3nF C877 0.1uF C877 0.1uF L821 10uH L821 10uH R832 10K R832 10K R825 220K R825 220K C946 0.1u C946 0.1u + C831 47uF/16V + C831 47uF/16V R836 10K R836 10K R841 10K_DNS R841 10K_DNS 1 2 3 4 5 6 XS801 XS801 + C878 47uF/16V + C878 47uF/16V R860 2.2K R860 2.2K 1 2 3 V801 2N3904 V801 2N3904 PDF 文件以 "PDF 制作工厂" 试用版创建 ÿÿÿÿ ÿ � 5 5 4 4 3 3 2 2 1 1 D D C C B B A A MUTE_1 AMP-ON/OFF HP_MUTE AMP-Lin AMP-Rin AMP-Lin AMP-L OP_VCC1 OP_VCC1 AMP-Rin AMP-R R+ L+ AMP-L AMP-R L+ R+ MUTE PH-Rout PH-Lout MUTE I2C_SDA I2C_SCL PH-Lout PH-Rout MUTE_HP HP_MUTE HD1_Pr MUTE_1 AMP-ON/OFF +9.5V/+12V__AMP +9.5V/+12V__AMP 12VA_MUTE 2.5VBuf1 +5V_all +3.3V_MST +5V_all +9.5V/+12V__AMP VCC12V VCC12V +9.5V/+12V__AMP 12VA_MUTE AMP-L P_2 AMP-R P_2 AMP_MUTE POWER-ON/OFF I2C_SCL I2C_SDA Pr 标记 数量 等级 标记 批 准 标准化 工 艺 审 核 拟 制 签名日期 分区单号 数量 签名 单号 分区 标记 日期 第 张 共 张 KONKA 汪繁 MST6M16GS 10 1 标记 数量 等级 标记 批 准 标准化 工 艺 审 核 拟 制 签名日期 分区单号 数量 签名 单号 分区 标记 日期 第 张 共 张 KONKA 汪繁 MST6M16GS 10 1 标记 数量 等级 标记 批 准 标准化 工 艺 审 核 拟 制 签名日期 分区单号 数量 签名 单号 分区 标记 日期 第 张 共 张 KONKA 汪繁 MST6M16GS 10 1 off 0-0.5V Mute on 1.5-3.0V STB 0-0.5V ON 2.5-Vcc MUTE=H, ON=L STANDBY: L+ L- 200-299 R+ R- Audio In 8欧姆,5W LA42205 MUTE_L MUTE_H MUTE Control R477 有侧端耳机取消 R477 无侧端耳机贴0欧 Vout=0.923*(1+R1/R2) 5v:R1/R2=4.42 R2=75K,5V=5.12V R2=91K,5V=5.0V 散热片 C916 1nF C916 1nF 1 2 L903 FB 0603 L903 FB 0603 C914 68nF,0805 C914 68nF,0805 R931 12K/NC R931 12K/NC R813 10K R813 10K R942 NC/100 R942 NC/100 R914 0 R914 0 R918 10k R918 10k R837 220K R837 220K C920 100pF C920 100pF C909 1nF C909 1nF R906 NC/100R R906 NC/100R R939 NC/100 R939 NC/100 C955 0.1uF C955 0.1uF C902 0.1u C902 0.1u R900 0 R900 0 1 2 3 V904 3904 V904 3904 R917 10k_NC R917 10k_NC R905 10K R905 10K L843 10uH L843 10uH R946 100 R946 100 5 6 7 8 4 - + N901B 4558 - + N901B 4558 C913 1uF C913 1uF C924 0.1uF C924 0.1uF 1 2 3 XS900A 2507-3A XS900A 2507-3A C900 0.1u C900 0.1u R943 22K R943 22K C926 10uF C926 10uF C866 0.1uF C866 0.1uF R901 47 R901 47 1 2 XS900 D2507-2A XS900 D2507-2A R904 33K R904 33K C958 3.3nF C958 3.3nF + C911 10uF/25V + C911 10uF/25V R903 33K R903 33K R941 NC/10 R941 NC/10 1 2 3 V908 3904 V908 3904 1 2 3 XS901A 2507-3A XS901A 2507-3A C928 0.1uF C928 0.1uF R925 4.7,0805 R925 4.7,0805 VD805 NC/FM5820 VD805 NC/FM5820 R916 10k R916 10k GND3(H.S) 1 Vcc 9 -OUT1 13 +OUT2 10 GND1(PWR) 11 -OUT2 12 +OUT1 14 GND4(H.S) 15 GND2(PRE) 4 STBY 6 NC 8 IN1 3 MUTE 7 IN2 5 RF 2 N900 LA42205 N900 LA42205 R861 2.2K R861 2.2K R930 12K/NC R930 12K/NC R908 2.2k R908 2.2k C908 0.47u C908 0.47u R902 47 R902 47 R927 4.7K_NC R927 4.7K_NC R937 220K R937 220K 3 1 2 V611 BAT54C V611 BAT54C C871 10uF C871 10uF R912 15K R912 15K R920 10K R920 10K C932 NC/180pF C932 NC/180pF +C901 470uF/25V +C901 470uF/25V L901 FB L901 FB V901 MMBT3906 V901 MMBT3906 C930 1nF C930 1nF R933 470K R933 470K C919 68nF,0805 C919 68nF,0805 R907 2.2k R907 2.2k C950 0.1u C950 0.1u C961 10uF C961 10uF V900 3904 V900 3904 C903 0.1uF C903 0.1uF 1 2 XS901 D2507-2A XS901 D2507-2A C927 0.1uF C927 0.1uF C921 10uF C921 10uF 1 2 L831 300_ohm_2A L831 300_ohm_2A + C905 100uF/25V + C905 100uF/25V R878 100K R878 100K R945 10K R945 10K R921 4.7,0805 R921 4.7,0805 C956 10uF C956 10uF R928 100 R928 100 VD901 1N4148 VD901 1N4148 R922 NC/47K R922 NC/47K R932 10K R932 10K BS 1 SW 3 IN 2 SS 8 EN 7 FB 5 COMP 6 GND 4 N810 MP1482/MP2307 N810 MP1482/MP2307 1 2 FB837 0R FB837 0R R940 22K R940 22K R924 33K R924 33K R929 4.7K R929 4.7K R936 220K R936 220K VD902 1N4148 VD902 1N4148 R911 10K R911 10K C923 10uF C923 10uF VD904 1N4148 VD904 1N4148 1 2 3 V905 3904 V905 3904 C864 10nF C864 10nF C907 0.47u C907 0.47u R919 4.7,0805 R919 4.7,0805 VD905 1N4148 VD905 1N4148 C925 0.1uF C925 0.1uF + C904 100uF/25V + C904 100uF/25V 2 4 5 1 6 10 8 9 3 7 XS602 HP-RV2 XS602 HP-RV2 C912 10uF C912 10uF C855 10uF C855 10uF + C951 NC/470uF + C951 NC/470uF 1 2 3 4 XS200 PA_HEAT-SINK XS200 PA_HEAT-SINK R935 10K R935 10K C865 0.1u C865 0.1u R926 4.7,0805 R926 4.7,0805 R934 220K R934 220K C906 1uF C906 1uF C918 68nF,0805 C918 68nF,0805 1 2 3 V906 3904 V906 3904 C952 10uF C952 10uF R923 470K R923 470K R863 10K R863 10K + C849 NC/470uF + C849 NC/470uF L902 FB L902 FB R913 33K R913 33K C915 68nF,0805 C915 68nF,0805 3 2 1 8 4 - + N901A 4558 - + N901A 4558 1 2 3 V907 3904 V907 3904 1 3 2 C C D ESD VD903 PESD3V3L2BT C C D ESD VD903 PESD3V3L2BT + C922 NC/10uF/16V + C922 NC/10uF/16V R909 NC/47K R909 NC/47K R944 100 R944 100 + C917 100uF/16V + C917 100uF/16V C910 100pF C910 100pF C856 10uF C856 10uF PDF 文件以 "PDF 制作工厂" 试用版创建 ÿÿÿÿ ÿ � 5 5 4 4 3 3 2 2 1 1 D D C C B B A A SVIDEO-Y SVIDEO-Y Y Y Pb AV1 SVIDEO-C SVIDEO-C AV1-Lin Y Pb HD-L AV1-Rin HD-R AV1-Rin Pr Pb Y Pr CVBS-OUT CVBS-OUT CVBS-OUTR CVBS-OUTL CVBS-OUT CVBS-OUTL CVBS-OUTR +V_SED +V_SED +5V_all +5V_all AV1_VIN AV1_Lin AV1_Rin S-C S-Y HD_SOG HD_Pb HD_Pr HD_Y HD_Lin HD_Rin Pr PC_Lin PC_Rin AV-OUT AV-R-OUT AV-L-OUT 标记 数量 等级 标记 批 准 标准化 工 艺 审 核 拟 制 签名日期 分区单号 数量 签名 单号 分区 标记 日期 第 张 共 张 KONKA AVIN/OUT&S-VIDEO 9 2 标记 数量 等级 标记 批 准 标准化 工 艺 审 核 拟 制 签名日期 分区单号 数量 签名 单号 分区 标记 日期 第 张 共 张 KONKA AVIN/OUT&S-VIDEO 9 2 标记 数量 等级 标记 批 准 标准化 工 艺 审 核 拟 制 签名日期 分区单号 数量 签名 单号 分区 标记 日期 第 张 共 张 KONKA AVIN/OUT&S-VIDEO 9 2 Close to MST IC Close to MST IC Close to MST IC R623 47R R623 47R R611 47R R611 47R C650 10UF C650 10UF 1 2 3 V608 MMBT3904 V608 MMBT3904 1 3 2 C C D ESD VD616 PESD3V3L2BT C C D ESD VD616 PESD3V3L2BT R619 2K R619 2K C640 470pF C640 470pF R615 2K R615 2K R626 75R R626 75R R620 47K R620 47K R630 2K R630 2K R655 2K R655 2K R617 2K R617 2K + C624 10uF/16V + C624 10uF/16V R625 75R R625 75R R694 15K R694 15K R637 1.2k R637 1.2k R616 47K R616 47K R627 75R R627 75R C639 470pF C639 470pF 1 3 2 C C D ESD VD619 PESD3V3L2BT C C D ESD VD619 PESD3V3L2BT 1 3 2 C C D ESD VD618 PESD3V3L2BT C C D ESD VD618 PESD3V3L2BT C617 47nF C617 47nF 1 2 3 5 4 6 VD601 IP4223CZ6 VD601 IP4223CZ6 R602 75R R602 75R C612 470pF C612 470pF C615 1000pF C615 1000pF 1 1 2 2 3 3 4 4 5 5 6 6 7 7 8 8 9 9 10 10 11 12 13 14 15 15 XS802 CON XS802 CON 3 12 2 10 8 6 5 7 9 1 11 V Y PB XS601 KON-S+AV V Y PB XS601 KON-S+AV C606 47nF C606 47nF R693 27k R693 27k R604 75R R604 75R R618 47K R618 47K 1 2 3 5 4 6 VD602 IP4223CZ6 VD602 IP4223CZ6 R624 47R R624 47R 1 2 L601 1K_Ohm_100mA L601 1K_Ohm_100mA R603 47R R603 47R 1 3 2 C C D ESD VD617 PESD3V3L2BT C C D ESD VD617 PESD3V3L2BT C619 470pF C619 470pF R621 47R R621 47R R640 75R R640 75R C649 0.1uF C649 0.1uF C610 47nF C610 47nF 1 3 2 V609 MMBT3906 V609 MMBT3906 R665 47K R665 47K R601 47R R601 47R R622 470R R622 470R R657 2K R657 2K C613 470pF C613 470pF C620 470pF C620 470pF R638 1.2k R638 1.2k C616 47nF C616 47nF R639 2k R639 2k R629 47K R629 47K R660 47K R660 47K C614 47nF C614 47nF 1 2 3 4 12 XS603A AV_AUDIO_IN XS603A AV_AUDIO_IN 3 1 2 D618 BAV99 D618 BAV99 5 6 7 8 11 XS603B AV_AUDIO_IN XS603B AV_AUDIO_IN R614 75R R614 75R C608 47nF C608 47nF PDF 文件以 "PDF 制作工厂" 试用版创建 ÿÿÿÿ ÿ � 5 5 4 4 3 3 2 2 1 1 D D C C B B A A HPD HDMI_5V DAT2+ DAT2- DAT1+ DAT1- DAT0+ DAT0- CLK- CEC CLK+ HDMI_5V CEC HPD DDC_SDA CEC DDC_SCL HPD VGA_B VGA_G VGA_R VGA_B VGA_SCL VGA_SDA VGA_G HSYNC VGA_SCL VGA_SDA HSYNC VGA_R VSYNC VSYNC HDMI_5V HDMI_5V +5V_all +3.3V_MST +5V_all +V_SED +V_SED +V_SED +V_SED +V_SED +5V_VGA +5V_all +5V_all +5V_VGA +5V_VGA +5V_VGA +V_SED +5V_all VGA_HSYNC VGA_VSYNC VGA-R- VGA-B- VGA-G- RXCKN RX2P RX2N RX1P RX1N RX0P RX0N RXCKP HDMI_SDA HDMI_SCL HOTPLUG HDMI_CEC VGA-R+ VGA-G+ VGA-B+ VGA-SOG TXD RXD DDC/HWI2C 标记 数量 等级 标记 批 准 标准化 工 艺 审 核 拟 制 签名日期 分区单号 数量 签名 单号 分区 标记 日期 第 张 共 张 KONKA VGA&HDMI 9 3 标记 数量 等级 标记 批 准 标准化 工 艺 审 核 拟 制 签名日期 分区单号 数量 签名 单号 分区 标记 日期 第 张 共 张 KONKA VGA&HDMI 9 3 标记 数量 等级 标记 批 准 标准化 工 艺 审 核 拟 制 签名日期 分区单号 数量 签名 单号 分区 标记 日期 第 张 共 张 KONKA VGA&HDMI 9 3 VGA FOR CEC LEAKAGE PROTECT ESD ESD ESD 5V SCL SDA GND DDC/HWI2C PIN98 0 1 RGB INPUT S/W UPDATE Close to MST IC 有3.3V_MST改为5V_STB 1 2 3 5 4 6 VD614 5V0U4D VD614 5V0U4D R650 75R R650 75R VD607 5.6V VD607 5.6V R659 100R R659 100R R654 100R R654 100R R666 1K R666 1K R676 4.7K R676 4.7K 5 10 4 9 3 8 2 7 1 15 14 13 12 11 6 16 17 XS608 VGA XS608 VGA C634 NC C634 NC R656 10K R656 10K C637 47nF C637 47nF R661 100R R661 100R R690 22K R690 22K V607 2N3904 V607 2N3904 C638 0.1uF C638 0.1uF 1 2 3 5 4 6 VD613 5V0U4D VD613 5V0U4D R672 75R R672 75R R674 100R R674 100R 1 1 2 2 3 3 4 4 XS609 D2006-4A XS609 D2006-4A VD608 5.6V VD608 5.6V DAT2+ 1 Dat2 Shield 2 DAT2- 3 DAT1+ 4 Dat1 Shield 5 DAT1- 6 DAT0+ 7 Dat0 Shield 8 DAT0- 9 CLK+ 10 Clk Shield 11 CLK- 12 CEC 13 NC 14 DDC SCL 15 DDC SDA 16 GND 17 +5V 18 HPD 19 Fin 20 Fin 21 Fin 22 Fin 23 XS606 CONHDMI XS606 CONHDMI 1 2 3 5 4 6 VD609 IP4223CZ6 VD609 IP4223CZ6 VD610 5.6V VD610 5.6V R647 75R R647 75R R675 100R R675 100R NC 1 NC 2 NC 3 GND 4 SDA 5 SCL 6 VCLK 7 VCC 8 N605 24C02 N605 24C02 R669 4.7K R669 4.7K C645 0.1uF C645 0.1uF R677 10K R677 10K R663 100R R663 100R R699 22K R699 22K R682 10R R682 10R R670 4.7K R670 4.7K R678 10K R678 10K R610 1K R610 1K R683 10R R683 10R R648 470R R648 470R C628 47nF C628 47nF 3 1 2 V610 BAT54C V610 BAT54C R606 4.7K R606 4.7K IN 1 S1A 2 S2A 3 DA 4 S1B 5 S2B 6 DB 7 GND 8 DC 9 S2C 10 S1C 11 DD 12 S2D 13 S1D 14 /EN 15 VCC 16 N607 PI5V330A N607 PI5V330A R684 10R R684 10R R642 33R R642 33R R681 100R R681 100R C631 1nF C631 1nF R692 1K_NC R692 1K_NC R685 10R R685 10R C635 47nF C635 47nF C629 47nF C629 47nF R609 NC R609 NC R679 100R R679 100R R662 100R R662 100R R608 10K R608 10K R686 10R R686 10R V605 BAT54C V605 BAT54C R667 100R R667 100R C636 47nF C636 47nF 1 2 3 5 4 6 VD615 5V0U4D VD615 5V0U4D R644 33R R644 33R R689 10R R689 10R R664 22K R664 22K VD611 5.6V VD611 5.6V A0 1 A1 2 A2 3 GND 4 SDA 5 SCL 6 WP 7 VCC 8 N606 24C02 N606 24C02 R671 75R R671 75R R607 10K R607 10K R691 22K R691 22K V606 2N7002 V606 2N7002 1 2 3 5 4 6 VD606 IP4223CZ6 VD606 IP4223CZ6 R680 NC R680 NC 1 2 VD605 5.1V VD605 5.1V R646 33R R646 33R R688 10R R688 10R R649 75R R649 75R R605 NC R605 NC C630 47nF C630 47nF R687 10R R687 10R R653 100R R653 100R C644 NC C644 NC R668 100R R668 100R R673 75R R673 75R R658 NC R658 NC PDF 文件以 "PDF 制作工厂" 试用版创建 ÿÿÿÿ ÿ � 5 5 4 4 3 3 2 2 1 1 D D C C B B A A 5V_SDA 5V_SCL IF-AGC TV-V IF-AGC IF_OUT IF_OUT IF IF_OUT IF 5V_SCL 5V_SDA IF IF SAW-SW SAW-SW1 AGND AGND AGND AGND AGND AGND AGND +5V_Tuner AGND AGND AGND AGND AGND AGND AGND +12V_all AGND AGND AGND +5V_Tuner AGND AGND AGND AGND AGND AGND AGND AGND +5V_Tuner AGND AGND AGND AGND AGND AGND AGND +3.3V_MST +3.3V_MST +5V_Tuner +5V_Tuner AGND +5V_Tuner AGND AGND AFC SAW-SW TV_AUDIO FM1 FM0 TV-Vin+ TV-Vin- I2C_SDA I2C_SCL SAW-SW1 标记 数量 等级 标记 批 准 标准化 工 艺 审 核 拟 制 签名日期 分区 单号 数量 签名 单号 分区 标记 日期 第 张 共 张 KONKA 9 4 标记 数量 等级 标记 批 准 标准化 工 艺 审 核 拟 制 签名日期 分区 单号 数量 签名 单号 分区 标记 日期 第 张 共 张 KONKA 9 4 标记 数量 等级 标记 批 准 标准化 工 艺 审 核 拟 制 签名日期 分区 单号 数量 签名 单号 分区 标记 日期 第 张 共 张 KONKA 9 4 ADDR: 0xC0 MAIN TUNER Tuner+IF 0.1uF一定要有的 Close to MST IC FM1/ PIN76 FLT PIN53 Frequency PAL/NTSC 0 0 6.5MHz 0 1 6.0MHz 1 0 5.5MHz 1 1 4.5MHz - - 1 - - - - FM0/ PIN75 PAL R124 270R R124 270R 1 2 L112 1K_Ohm_100mA L112 1K_Ohm_100mA R188 4.7K_NC R188 4.7K_NC R121 10R R121 10R R174 4.7K R174 4.7K C153 1000pF C153 1000pF C161 22pF C161 22pF R136 100R R136 100R C173 NC/0.015uF C173 NC/0.015uF R133 100R R133 100R TP401 TP_C30 TP401 TP_C30 C172 0.47uF C172 0.47uF V106 2SC388A V106 2SC388A R171 2.2K R171 2.2K + C162 100uF/16V + C162 100uF/16V V110 2N7002 V110 2N7002 IN1 1 IN2 2 GND 3 OUT1 4 OUT2 5 Z102 NC/K9450M Z102 NC/K9450M L102 0R L102 0R R126 75R R126 75R + C160 100uF/16V + C160 100uF/16V R129 100K R129 100K 1 2 L108 600_Ohm_1.5A L108 600_Ohm_1.5A AGC 1 TU 2 AS 3 SCL 4 SDA 5 NC 6 VCC 7 ADC/NC 8 VT/NC 9 IF2/NC 10 IF1 11 G1 12 G2 13 G3 14 G4 15 N100 AFT1/3000 N100 AFT1/3000 R131 75R R131 75R C166 0.1uF C166 0.1uF R194 0R R194 0R R172 NC/15K R172 NC/15K R170 0R R170 0R R191 NC/4.7K R191 NC/4.7K C175 NC/330pF C175 NC/330pF R193 0R R193 0R C165 1500pF C165 1500pF 1 2 3 Rp101 20K Rp101 20K 1 2 3 V107 2N3904 V107 2N3904 C178 22pF C178 22pF R183 0R R183 0R VD104 NC/ISS110 VD104 NC/ISS110 R122 10R R122 10R R192 0R_NC R192 0R_NC R180 10R R180 10R + C152 100uF/16V + C152 100uF/16V IN1 1 IN2 2 GND 3 OUT1 4 OUT2 5 Z103 NT3822A Z103 NT3822A C110 22pF C110 22pF R137 220R R137 220R 1 2 3 V108 NC/2N3904 V108 NC/2N3904 R125 1K R125 1K C154 0.1uF C154 0.1uF R187 4.7K R187 4.7K C179 0.01uF/NC C179 0.01uF/NC R167 7.5K R167 7.5K R132 9.1K R132 9.1K R138 330R R138 330R R181 NC/4.7K R181 NC/4.7K R176 2.2K R176 2.2K C176 47nF C176 47nF VD105 NC/ISS110 VD105 NC/ISS110 + C155 22uF/16V + C155 22uF/16V L103 10uH L103 10uH R177 NC/4.7K R177 NC/4.7K R123 0R R123 0R R185 4.7K R185 4.7K VIF1 1 VIF2 2 IC 3 FMPLL 4 DEEM 5 AFD 6 DGND 7 FMSO 8 TOP 9 FM1 10 FM0 11 QSSO 12 VIF0 13 TAGC 14 REF 15 AMUTE0 16 CVBS 17 AGND 18 VPLL 19 VP 20 AFC 21 VAGC 22 SIF1 23 SIF2 24 TDA9881 N101 TDA9881 N101 C177 47nF C177 47nF V111 2N7002 V111 2N7002 C151 0.1uF C151 0.1uF R178 75R R178 75R R140 75R R140 75R R128 1K R128 1K R139 22K R139 22K C163 0.01uF C163 0.01uF C158 1000pF-NPO C158 1000pF-NPO C171 0.01uF C171 0.01uF C156 0.1uF C156 0.1uF 1 2 3 V112 NC/2N3904 V112 NC/2N3904 R179 47R R179 47R R175 2.2K R175 2.2K C170 0.01uF C170 0.01uF R173 22K R173 22K R189 NC/15K R189 NC/15K R127 33R R127 33R R169 15K R169 15K C164 0.022uF C164 0.022uF C174 NC/330pF C174 NC/330pF R186 4.7K R186 4.7K 1 2 L111 1K_Ohm_100mA L111 1K_Ohm_100mA 1 2 3 Z104 4.000MHz Z104 4.000MHz C180 0.01uF C180 0.01uF C108 22pF C108 22pF R168 NC/22K R168 NC/22K R130 12K_1% R130 12K_1% C157 0.1uF C157 0.1uF C159 0.01uF C159 0.01uF C169 0.01uF C169 0.01uF R182 0R_NC R182 0R_NC R184 4.7K R184 4.7K R190 2.2K R190 2.2K PDF 文件以 "PDF 制作工厂" 试用版创建 ÿÿÿÿ ÿ � 5 5 4 4 3 3 2 2 1 1 D D C C B B A A AU_SCLK AU_SD RX0N RXCKP RXCKN RX1N I2C_SDA RX1P I2C_SCL RX2P RX2N HOTPLUG RX0P AVDD_MPLL VDDC AVDD_33 PWM2 RESET AVDD_33 AVDD_33 XTAL_IN VDDC VDDP AVDD_LPLL VDDP KEY CE# VDDP SDO SDI SCK WP AU_MCLK CS SO SI SCLK AU_WS TX_SDA IRin RX_SCL CE# SDO SDI SCK WP_CTL SYS_RST RESET EEP_SCL EEP_SDA LED_GREEN AMP_MUTE EEP_SCL EEP_SDA SCLK XTAL_OUT AVDD_12 VDDP LED_RED VDDC AVDD_PWM WP BRI_ON/OFF PANEL-ON/OFF POWER-ON/OFF WP DDC/HWI2C LED_RED LED_R I2C_SCL SCL_OPT I2C_SDA IRin SDA_OPT LED_G LED_GREEN OPC_EN LED_RED FM1 FM0 RX_SCL TXD RXD TX_SDA AU-SW0 SAW-SW WP_CTL I2C_SCL I2C_SDA KEY AU-SW1 RXE3- RXEC+ RXEC- RXE3+ RXE2- RXE2+ RXE1+ RXE1- RXE0- RXE0+ RXO3- RXO3+ RXOC+ RXOC- RXO0- RXO2+ RXO2- RXO0+ RXO1- RXO1+ RXE2- RXE2+ RXEC- RXO2- RXE3- RXE3+ RXO1+ RXE1+ RXO2+ RXEC+ RXOC+ RXO3- RXO3+ RXE0- RXOC- RXO0- RXA0+/DG2 RXA0-/DG3 RXB0-/DR7 RXB0+/DR6 RXBC-/DR1 RXB2+/DR2 RXB1+/DR4 RXB2-/DR3 RXB1-/DR5 RXBC+/DR0 RXB3+/DG6 RXB3-/DG7 RXA2+/DB6 RXA1-/DG1 RXA1+/DG0 RXA3-/DB3 RXAC-/DB5 RXAC+/DB4 RXA2-/DB7 RXA3+/DB2 RXE0+ RXO0+ RXE1- RXO1- ODSEL2 ODSEL1 SELVDS I2C_SDA I2C_SCL OPC OPC_EN BRI_ADJ PWM2 BRI_ADJ EEP_SDA EEP_SCL LED_GREEN AVDD_LPLL +3.3V_MST +3.3V_MST +3.3V_MST +3.3V_MST VCC1.2V VCC1.2V VDDP AVDD_33 AVDD_MPLL AVDD_12 VDDC +3.3V_MST +3.3V_MST +3.3V_MST +3.3V_MST +3.3V_MST AVDD_PWM +3.3V_MST +3.3V_MST +3.3V_MST +3.3V_MST +3.3V_MST +3.3V_MST +5V_all VCC-Panel +3.3V_MST +5V_all RXCKN RXCKP RX0N RX0P RX1N RX1P RX2N RX2P HOTPLUG HDMI_CEC HDMI_SDA HDMI_SCL VGA_HSYNC VGA_VSYNC VGA-B- VGA-SOG VGA-G- VGA-R+ HD_Pb HD_Y HD_SOG HD_Pr S-C S-Y AV1_VIN TV-Vin+ TV-Vin- AMP_MUTE PANEL-ON/OFF POWER-ON/OFF I2C_SDA I2C_SCL AU_SD AU_SCLK AU_WS AU_MCLK BRI_ON/OFF VGA-R- VGA-G+ VGA-B+ OE_1 CKV_1 STV_1 STH_1 POL_1 TP_1 B2P_1 B2N_1 B1P_1 B1N_1 B0P_1 B0N_1 G2P_1 G2N_1 G1P_1 G1N_1 G0P_1 G0N_1 CLKP_1 CLKN_1 GVON_1 GVOFF_1 AU-SW0 TXD RXD DDC/HWI2C AFC FM0 FM1 SAW-SW AU-SW1 AV-OUT R2P_1 R2N_1 R1N_1 R0P_1 R0N_1 R1P_1 BRI_ADJ OPC_EN SAW-SW1 标记 数量 等级 标记 批 准 标准化 工 艺 审 核 拟 制 签名日期 分区 单号 数量 签名 单号 分区 标记 日期 第 张 共 张 KONKA MST721 BLOCK 9 5 标记 数量 等级 标记 批 准 标准化 工 艺 审 核 拟 制 签名日期 分区 单号 数量 签名 单号 分区 标记 日期 第 张 共 张 KONKA MST721 BLOCK 9 5 标记 数量 等级 标记 批 准 标准化 工 艺 审 核 拟 制 签名日期 分区 单号 数量 签名 单号 分区 标记 日期 第 张 共 张 KONKA MST721 BLOCK 9 5 IC POWER SPI FLASH CRYSTAL CLOSE TO MST719 CLOSE TO MST719 21.6PANEL使用的控制脚 遥控供电改为3.3V,遥控接收头要用3.3V的 更改为5V_STB 改为NC了 增加了小电容 1 3 2 V504 2N3906 V504 2N3906 R543 4.7K R543 4.7K R547 4.7K R547 4.7K R551 1K_1% R551 1K_1% R520 22R R520 22R 1 2 3 4 XS507 CON4_2.0 XS507 CON4_2.0 ZD5 ESD ZD5 ESD C512 0.1uF C512 0.1uF 1 2 3 4 5 6 7 8 RA438 33R_DNS RA438 33R_DNS L501 FB L501 FB R574 NC R574 NC C524 0.1uF C524 0.1uF R529 100R R529 100R R530 NC/10K R530 NC/10K R536 NC R536 NC R552 470R R552 470R R556 NC R556 NC R519 100R R519 100R L505 FB L505 FB L506 FB L506 FB R528 100K R528 100K 1 2 3 V507 MMBT3904 V507 MMBT3904 R514 390R_1% R514 390R_1% C517 0.1uF50V C517 0.1uF50V 1 2 3 4 5 6 7 8 RA439 33R_DNS RA439 33R_DNS R525 4.7K R525 4.7K R553 470R R553 470R C521 NC/0.1uF C521 NC/0.1uF L502 FB L502 FB R513 4.7K R513 4.7K L904 0R L904 0R R557 NC R557 NC R534 22K R534 22K CS 1 SO 2 WP 3 GND 4 SI 5 SCK 6 HOLD 7 VCC 8 N506 MX25LV040 N506 MX25LV040 R544 4.7K R544 4.7K C526 NC/22pF C526 NC/22pF C518 10uF/16V C518 10uF/16V L507 NC/FB L507 NC/FB R559 NC R559 NC C520 NC/10uF C520 NC/10uF R565 NC R565 NC R516 4.7K R516 4.7K R568 4.7K R568 4.7K R576 0R R576 0R R558 NC R558 NC C519 0.1uF50V C519 0.1uF50V C505 0.1uF C505 0.1uF 1 2 3 4 5 6 7 8 RA440 33R_DNS RA440 33R_DNS R506 4.7K R506 4.7K 1 1 3 3 5 5 7 7 9 9 2 2 4 4 6 6 8 8 10 10 12 12 11 11 XS506 HEADER_6x2 XS506 HEADER_6x2 3 2 1 V501 BAV99 V501 BAV99 R562 NC R562 NC R542 10K R542 10K R567 100R R567 100R C506 0.1uF C506 0.1uF L504 FB L504 FB R511 1M R511 1M 1 2 3 4 5 6 7 8 RA529 22R RA529 22R R560 NC R560 NC R540 22R R540 22R C522 0.1uF C522 0.1uF C511 0.1uF C511 0.1uF R549 NC/47R R549 NC/47R R554 330K R554 330K R569 NC R569 NC R545 10K R545 10K R539 4.7K R539 4.7K R508 4.7K R508 4.7K R566 NC R566 NC R541 22R R541 22R C536 0.01uF C536 0.01uF R527 100R R527 100R R537 4.7K R537 4.7K C503 0.1uF C503 0.1uF C525 1000pF C525 1000pF R561 NC R561 NC R535 4.7K R535 4.7K R550 NC/47R R550 NC/47R R538 4.7K R538 4.7K 1 2 3 4 XS505 CON4_2.0 XS505 CON4_2.0 R515 4.7K R515 4.7K L508 FB L508 FB 1 2 3 4 5 6 7 8 RA436 33R_DNS RA436 33R_DNS R521 100R R521 100R R522 33K R522 33K C504 0.1uF C504 0.1uF C528 2.2uF C528 2.2uF R526 NC R526 NC R548 0R R548 0R R546 100R R546 100R R507 4.7K R507 4.7K C508 0.1uF C508 0.1uF R563 NC R563 NC C513 0.1uF C513 0.1uF R523 22R R523 22R 1 2 3 Z501 12MHZ Z501 12MHZ R503 4.7K R503 4.7K R575 0R R575 0R C501 22pF 50V C501 22pF 50V R531 1K R531 1K R518 4.7K R518 4.7K 1 3 2 V508 MMBT3906 V508 MMBT3906 A0 1 A1 2 A2 3 GND 4 SDA 5 SCL 6 WP 7 VCC 8 N504 24C04 N504 24C04 1 3 2 V505 MMBT3906 V505 MMBT3906 R564 NC R564 NC C537 NC/22pF C537 NC/22pF R572 NC R572 NC 1 2 3 4 5 6 7 8 RA429 33R_DNS RA429 33R_DNS R555 4.7K R555 4.7K R512 4.7K R512 4.7K R532 100R R532 100R A0 1 A1 2 A2 3 GND 4 SDA 5 SCL 6 WP 7 VCC 8 N507 24C32 N507 24C32 C529 0.1uF C529 0.1uF R517 4.7K R517 4.7K GND 82 PWMD1 66 PWMD0 65 BIN0P 25 BIN0M 24 GIN0P 27 GIN0M 26 RIN0P 30 RIN0M 29 CVBS5P 35 VCOM1 40 REFP 18 VDDP 58 GPIO[0] 74 GPIO[3] 77 SAR0 55 SAR1 56 SAR2 57 VDDC 67 SCK 68 SDI 69 SDO 70 CSN 71 AVDD_33 6 SOGIN0 28 GPIO[28] 94 SCL 80 RESET 83 DEO 146 VSYNCO 145 CLKO 147 HSYNCO 144 BA2N 115 BA2P 116 BA1N 117 BA1P 118 GPIO[22]/GA3N 123 GPIO[21]/GA3P 124 REFM 19 RB3N 104 RB3P 105 RB2N 106 RB2P 107 RB1N 108 RB1P 109 BA3N 113 GPIO[1] 75 GPIO[2] 76 INT 78 SDA 79 VDDC 142 BB3P 87 BB2N 88 BB2P 89 BB1N 90 BB1P 91 GB3N 96 BB3N 86 AVDD_LPLL 141 AVDD_12 153 XOUT 154 XIN 155 AVDD_MPLL 156 RXCKN 1 VCLAMP 17 VIN 46 FAULTZ 47 FB2_DPWM 48 FB1_DPWM 49 AVDD_DPWMADC 50 Q2 51 Q1 52 RXCKP 2 GND 3 RX0N 4 RX0P 5 RX1N 7 RX1P 8 RX2N 9 RX2P 10 HPLUG 11 REXT 12 DDC_DA 13 DDC_CK 14 HSYNC1 15 VSYNC1 16 BIN1P 20 SOGIN1 21 GIN1P 22 RIN1P 23 AVDD_33 31 GND 32 HSYNC0 33 VSYNC0 34 CVBS4P 36 CVBS3P 37 CVBS2P 38 CVBS1P 39 CVBS0P 41 VCOM0 42 AVDD_33 43 CVBSOUT 44 GND 45 QOR 53 GND 54 MCKO 59 AMUTE 60 AUWS 61 AUSCK 62 AUSD 63 SPDIFO 64 UART1_RX 72 UART1_TX 73 CS_CEC 81 VDDC 84 GND 85 BB0N 92 BB0P 93 GPIO[27] 95 GB3P 97 GPIO[26]/GB2N 98 GPIO[25]/GB2P 99 GPIO[24]/GB1N 100 GPIO[23]/GB1P 101 GB0P 103 GB0N 102 RB0P 111 RB0N 110 VDDP 112 BA3P 114 BA0P 120 BA0N 119 GPIO[30] 121 GPIO[29] 122 GPIO[20]/GA2N 125 GPIO[19]/GA2P 126 GND 127 GPIO[18]/GA1N 128 GPIO[17]/GA1P 129 GA0P 131 GA0N 130 GPIO[16]/RA3N 132 GPIO[15]/RA3P 133 GPIO[14]/RA2N 134 GPIO[13]/RA2P 135 GPIO[12]/RA1N 136 GPIO[11]/RA1P 137 RA0P 139 RA0N 138 VDDP 140 GND 143 GPIO[10] 148 GPIO[9] 149 VDDP 150 GPIO[6] 151 GPIO[7] 152 1D/2A/6C Input with CCFL MST-721 N501 MST-721 1D/2A/6C Input with CCFL MST-721 N501 MST-721 1 2 3 4 5 6 7 8 RA437 33R_DNS RA437 33R_DNS R533 4.7K R533 4.7K R509 4.7K R509 4.7K C502 0.1uF C502 0.1uF C535 100pF C535 100pF C527 0.1uF C527 0.1uF R573 NC R573 NC C509 10uF/16V C509 10uF/16V R570 NC R570 NC C538 NC/22pF C538 NC/22pF 2 1 3 D626 BAT54C D626 BAT54C R510 4.7K R510 4.7K C516 0.1uF50V C516 0.1uF50V 1 2 3 V506 MMBT3904 V506 MMBT3904 C515 0.1uF C515 0.1uF C510 22pF 50V C510 22pF 50V C507 0.1uF C507 0.1uF C523 0.1uF C523 0.1uF L503 FB L503 FB 1 2 3 4 5 6 7 8 9 10 11 12 13 14 15 16 17 18 19 20 21 22 23 24 25 26 27 28 29 30 31 32 33 34 35 36 37 38 39 40 G1 G2 41 43 45 47 49 42 44 46 50 48 XS504 BM50B-SRDS-G-TF_DNS XS504 BM50B-SRDS-G-TF_DNS R571 NC R571 NC C514 0.1uF C514 0.1uF PDF 文件以 "PDF 制作工厂" 试用版创建 ÿÿÿÿ ÿ � 5 5 4 4 3 3 2 2 1 1 D D C C B B A A HDMI_Lout HDMI_Rout AUL_IN AUR_IN AUR_IN AUL_IN HDMI_Rout HDMI_Lout +5V_all +9VA +12V_all +5V_all +5VBUF +5VBUF +9VA AU_MCLK AU_SCLK AU_WS AU_SD AU-SW0 AU-SW1 AV1_Lin PC_Lin PC_Rin HD_Rin AV1_Rin HD_Lin AMP-R TV_AUDIO TV_AUDIO I2C_SDA I2C_SCL AV-L-OUT AV-R-OUT AMP-L 标记 数量 等级 标记 批 准 标准化 工 艺 审 核 拟 制 签名日期 分区单号 数量 签名 单号 分区 标记 日期 第 张 共 张 KONKA AudioR2S15900 9 6 标记 数量 等级 标记 批 准 标准化 工 艺 审 核 拟 制 签名日期 分区单号 数量 签名 单号 分区 标记 日期 第 张 共 张 KONKA AudioR2S15900 9 6 标记 数量 等级 标记 批 准 标准化 工 艺 审 核 拟 制 签名日期 分区单号 数量 签名 单号 分区 标记 日期 第 张 共 张 KONKA AudioR2S15900 9 6 9V for Audio C292 0.1uF C292 0.1uF R279 2.4K R279 2.4K C262 2.2uF C262 2.2uF R269 22K/NC R269 22K/NC C290 2.7n C290 2.7n C251 2.2uF C251 2.2uF R270 22K/NC R270 22K/NC C201 10uF/16V C201 10uF/16V C266 0.1uF C266 0.1uF C207 470pF C207 470pF C286 22uF/16V C286 22uF/16V L201 NC/FB L201 NC/FB R271 22K/NC R271 22K/NC C264 0.1uF C264 0.1uF C211 2.2uF C211 2.2uF + C284 47uF/16V + C284 47uF/16V R222 470R R222 470R C253 2.2uF C253 2.2uF c217 10uF c217 10uF C209 0.1uF C209 0.1uF R274 2.4K R274 2.4K C205 10uF C205 10uF R268 22K/NC R268 22K/NC C255 2.2uF C255 2.2uF C257 2.2uF C257 2.2uF C267 0.1uF C267 0.1uF C259 2.2uF C259 2.2uF c218 10uF c218 10uF C254 2.2uF C254 2.2uF C270 2.2uF C270 2.2uF R265 22K/NC R265 22K/NC R259 100R R259 100R R275 2.4K R275 2.4K VDD 2 AGND 3 TREB_L 4 TREB_R 5 RIN 6 ROUT 7 LOUD_R 8 RIN3 9 RIN2 10 RIN1 11 LOUD_L 12 LIN3 13 LIN2 14 REF 1 CLK 28 LIN1 15 LIN 16 LOUT 17 BIN_L 18 BOUT_L 19 BIN_R 20 BOUT_R 21 RROUT 22 LROUT 23 RFOUT 24 LFOUT 25 DGND 26 DATA 27 N203 CT7313 N203 CT7313 C291 2.7n C291 2.7n R282 1k R282 1k C287 0.01uF C287 0.01uF 3 1 2 V201 BAT54C V201 BAT54C 4 3 2 1 8 7 6 5 RA430 0RX4 RA430 0RX4 X0 12 X1 14 X2 15 X3 11 Y0 1 Y1 5 Y2 2 Y3 4 A 10 B 9 X 13 Y 3 VCC 16 GND 8 INH 6 VEE 7 N202 74HC4052 N202 74HC4052 R276 2.4K R276 2.4K + C243 NC + C243 NC C288 0.1uF C288 0.1uF C250 2.2uF C250 2.2uF C210 0.1uF C210 0.1uF R267 22K/NC R267 22K/NC C202 0.1uF C202 0.1uF SDATA 1 LRCK 3 DEM/SCLK 2 MCLK 4 VQ 5 FILT 6 AOUTL 7 AGND 8 VADD 9 AOUTLR 10 N201 CS4344 N201 CS4344 R280 5.6K R280 5.6K C285 0.1uF C285 0.1uF C289 22uF/16V C289 22uF/16V C260 2.2uF C260 2.2uF R255 100R R255 100R R230 0R R230 0R C268 2.2uF C268 2.2uF R231 NC/0R R231 NC/0R R264 22K/NC R264 22K/NC R277 2.4K R277 2.4K C203 2.2uF C203 2.2uF V109 2SC1815 V109 2SC1815 VD208 9.1V VD208 9.1V R283 1k R283 1k R281 5.6K R281 5.6K C265 0.1uF C265 0.1uF L203 10uH L203 10uH C256 2.2uF C256 2.2uF C204 2.2uF C204 2.2uF R205 10K R205 10K C258 2.2uF C258 2.2uF + C244 NC + C244 NC C261 2.2uF C261 2.2uF C271 2.2uF C271 2.2uF C263 2.2uF C263 2.2uF C252 0.1uF C252 0.1uF R260 22K/NC R260 22K/NC R228 10K R228 10K R266 22K/NC R266 22K/NC R229 220R R229 220R R262 22K/NC R262 22K/NC R261 22K/NC R261 22K/NC C269 0.1uF C269 0.1uF R278 2.4K R278 2.4K C206 470pF C206 470pF R221 470R R221 470R R263 22K/NC R263 22K/NC PDF 文件以 "PDF 制作工厂" 试用版创建 ÿÿÿÿ ÿ � 5 5 4 4 3 3 2 2 1 1 D D C C B B A A R0P OE G2P R0N G2N G1P G1N G0P G0N B2P B2N CLKP STH CLKN TP B1P POL B1N R2P B0P R2N B0N R1P STV R1N CKV B2N B1P B2P B1N R0P B0P R1P G0N B0N CLKN CLKP R2N G2P R2P G0P R1N G2N G1P G1N R0N OE CKV STV STH POL TP VDD33 V5V B1P_1 G0N_1 B1N_1 CLKP_1 B0P_1 CLKN_1 B0N_1 GVON_1 OE_1 GVOFF_1 G2P_1 STH_1 POL_1 G2N_1 TP_1 G1P_1 CKV_1 B2P_1 G1N_1 STV_1 B2N_1 G0P_1 R2P_1 R2N_1 R1N_1 R0P_1 R0N_1 R1P_1 标记 数量 等级 标记 批 准 标准化 工 艺 审 核 拟 制 签名日期 分区单号 数量 签名 单号 分区 标记 日期 第 张 共 张 KONKA 9 9 标记 数量 等级 标记 批 准 标准化 工 艺 审 核 拟 制 签名日期 分区单号 数量 签名 单号 分区 标记 日期 第 张 共 张 KONKA 9 9 标记 数量 等级 标记 批 准 标准化 工 艺 审 核 拟 制 签名日期 分区单号 数量 签名 单号 分区 标记 日期 第 张 共 张 KONKA 9 9 Panel R524 0R R524 0R 1 2 3 4 5 6 7 8 RA435 0RX4 RA435 0RX4 1 2 3 4 5 6 7 8 RA431 0RX4 RA431 0RX4 R486 22R R486 22R 1 2 3 4 5 6 7 8 9 10 11 12 13 14 15 16 17 18 19 20 21 22 23 24 25 26 27 28 29 30 31 32 33 34 35 36 37 38 39 40 41 42 43 44 45 46 47 XS432 45PIN XS432 45PIN R485 22R R485 22R 1 2 3 4 5 6 7 8 RA434 0RX4 RA434 0RX4 R484 22R R484 22R R483 22R R483 22R R477 22R R477 22R 1 2 3 4 5 6 7 8 RA433 0RX4 RA433 0RX4 R482 22R R482 22R R488 22R R488 22R 1 2 3 4 5 6 7 8 RA432 0RX4 RA432 0RX4 R487 22R R487 22R PDF 文件以 "PDF 制作工厂" 试用版创建 ÿÿÿÿ ÿ �

标签:

版权声明

1. 本站所有素材,仅限学习交流,仅展示部分内容,如需查看完整内容,请下载原文件。
2. 会员在本站下载的所有素材,只拥有使用权,著作权归原作者所有。
3. 所有素材,未经合法授权,请勿用于商业用途,会员不得以任何形式发布、传播、复制、转售该素材,否则一律封号处理。
4. 如果素材损害你的权益请联系客服QQ:77594475 处理。