康佳LC22ES20液晶35011005板(MST9U19A机芯)电路原理图

分类:电子电工 日期: 点击:0
康佳LC22ES20液晶35011005板(MST9U19A机芯)电路原理图-0 康佳LC22ES20液晶35011005板(MST9U19A机芯)电路原理图-1 康佳LC22ES20液晶35011005板(MST9U19A机芯)电路原理图-2 康佳LC22ES20液晶35011005板(MST9U19A机芯)电路原理图-3 康佳LC22ES20液晶35011005板(MST9U19A机芯)电路原理图-4 康佳LC22ES20液晶35011005板(MST9U19A机芯)电路原理图-5 康佳LC22ES20液晶35011005板(MST9U19A机芯)电路原理图-6 康佳LC22ES20液晶35011005板(MST9U19A机芯)电路原理图-7 康佳LC22ES20液晶35011005板(MST9U19A机芯)电路原理图-8

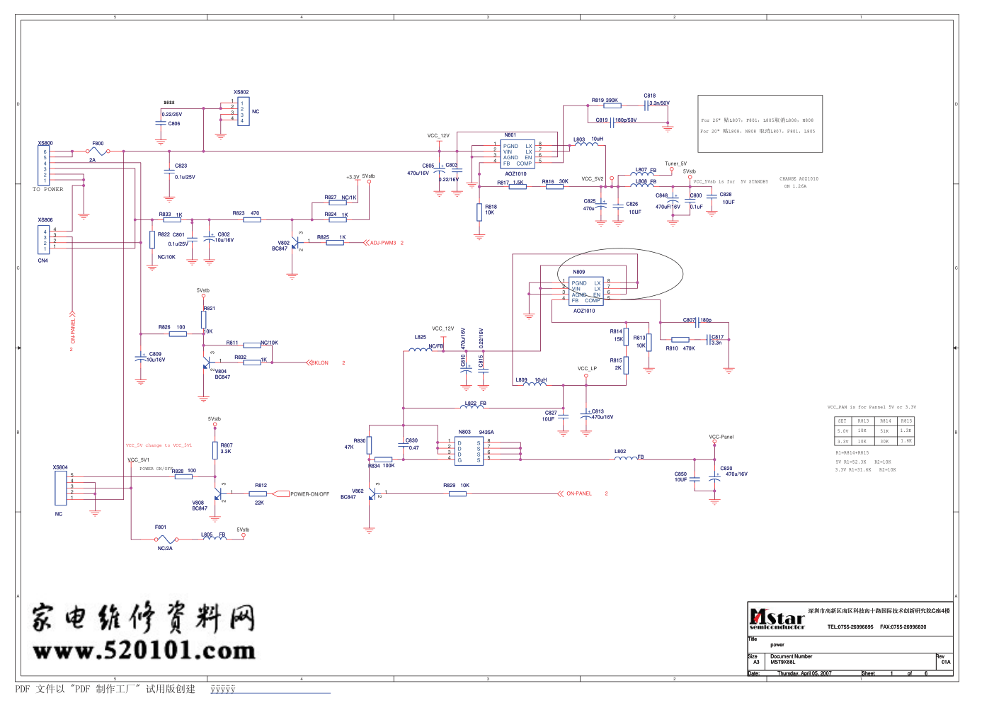
5 5 4 4 3 3 2 2 1 1 D D C C B B A A POWER-ON/OFF VCC_5V2 Tuner_5V 5Vstb VCC_LP VCC_12V 5Vstb VCC_5V1 5Vstb 5Vstb VCC-Panel VCC_12V +3.3V 5Vstb BKLON 2 ON-PANEL 2 ADJ-PWM3 2 ON-PANEL 2 Title Size Document Number Rev Date: Sheet of ����������������������C�4� TEL:0755-26996895 FAX:0755-26996830 MST9X88L 01A power A3 1 6 Thursday, April 05, 2007 Title Size Document Number Rev Date: Sheet of ����������������������C�4� TEL:0755-26996895 FAX:0755-26996830 MST9X88L 01A power A3 1 6 Thursday, April 05, 2007 Title Size Document Number Rev Date: Sheet of ����������������������C�4� TEL:0755-26996895 FAX:0755-26996830 MST9X88L 01A power A3 1 6 Thursday, April 05, 2007 CHANGE AOZ1010 ON 1.26A R813 R814 R815 10K 10K 51K 1.3K 30K 1.6K VCC_5Vsb is for 5V STANDBY VCC_5V change to VCC_5V1 For 26" �L807�F801�L805��L808�N808 For 20" �L808�N808 ��L807�F801�L805 TO POWER 5.0V VCC_PAN is for Pannel 5V or 3.3V SET 3.3V POWER ON/OFF R1=R814+R815 3.3V R1=31.6K R2=10K 5V R1=52.3K R2=10K R813 R814 10K 1.3K C817 3.3n C817 3.3n C815 0.22/16V C815 0.22/16V R814 15K R814 15K C850 10UF C850 10UF R819 390K R819 390K R826 100 R826 100 R833 1K R833 1K 3 1 2 V804 BC847 V804 BC847 L825 NC/FB L825 NC/FB L822 FB L822 FB L803 10uH L803 10uH C801 0.1u/25V C801 0.1u/25V 3 1 2 V808 BC847 V808 BC847 3 1 2 V802 BC847 V802 BC847 R817 1.5K R817 1.5K C827 10UF C827 10UF + C805 470u/16V + C805 470u/16V R815 2K R815 2K + C809 10u/16V + C809 10u/16V 3 1 2 V862 BC847 V862 BC847 + C820 470u/16V + C820 470u/16V C818 3.3n/50V C818 3.3n/50V VIN 2 FB 4 PGND 1 COMP 5 EN 6 LX 7 LX 8 AGND 3 N809 AOZ1010 N809 AOZ1010 1 1 2 2 3 3 4 4 XS806 CN4 XS806 CN4 L807 FB L807 FB C823 0.1u/25V C823 0.1u/25V F800 2A F800 2A C803 0.22/16V C803 0.22/16V + C848 470uF/16V + C848 470uF/16V + C810 470u/16V + C810 470u/16V L808 FB L808 FB 1 1 2 2 3 3 4 4 XS802 NC XS802 NC R829 10K R829 10K R824 1K R824 1K F801 NC/2A F801 NC/2A R818 10K R818 10K C826 10UF C826 10UF R830 47K R830 47K + C825 470u + C825 470u R827 NC/1K R827 NC/1K C800 0.1uF C800 0.1uF R822 NC/10K R822 NC/10K C806 0.22/25V C806 0.22/25V R823 470 R823 470 C828 10UF C828 10UF C819 180p/50V C819 180p/50V C807 180p C807 180p R825 1K R825 1K L805 FB L805 FB D 1 D 2 D 3 G 4 S 8 S 7 S 6 S 5 N803 9435A N803 9435A 1 2 3 4 5 6 XS800 XS800 R811 NC/10K R811 NC/10K 1 2 3 4 5 XS804 NC XS804 NC R813 10K R813 10K R807 3.3K R807 3.3K R832 1K R832 1K R810 470K R810 470K + C802 10u/16V + C802 10u/16V L802 FB L802 FB + C813 470u/16V + C813 470u/16V R828 100 R828 100 L809 10uH L809 10uH C830 0.47 C830 0.47 R812 22K R812 22K R834 100K R834 100K R816 30K R816 30K VIN 2 FB 4 PGND 1 COMP 5 EN 6 LX 7 LX 8 AGND 3 N801 AOZ1010 N801 AOZ1010 R821 10K R821 10K PDF ��� "PDF ����" ����� ����� � 5 5 4 4 3 3 2 2 1 1 D D C C B B A A SDA_EXT SCL_EXT RXA0+/DG2 RXA0-/DG3 RXB0-/DR7 RXB0+/DR6 RXBC-/DR1 RXB2+/DR2 RXB1+/DR4 RXB2-/DR3 RXB1-/DR5 RXB4+/DG4 RXBC+/DR0 RXB3+/DG6 RXB3-/DG7 RXA2+/DB6 RXA1-/DG1 RXB4-/DG5 RXA1+/DG0 RXA3-/DB3 RXAC-/DB5 RXAC+/DB4 RXA2-/DB7 RXA4+/DB0 RXA3+/DB2 RXA4-/DB1 SELVDS ODSEL2 ODSEL1 DVS DHS RXB1+/DR4 RXB0-/DR7 RXB0+/DR6 RXB1-/DR5 RXBC+/DR0 RXB2-/DR3 RXB2+/DR2 RXBC-/DR1 RXB3-/DG7 RXB3+/DG6 RXB4-/DG5 RXB4+/DG4 RXA1-/DG1 RXA0-/DG3 RXA0+/DG2 RXA1+/DG0 RXA2-/DB7 RXA2+/DB6 RXAC-/DB5 RXAC+/DB4 RXA4-/DB1 RXA4+/DB0 DEN RXA3-/DB3 RXA3+/DB2 DCLK VCC-Panel VCC-Panel RXA0-/DG3 2 RXA0+/DG2 2 RXA1-/DG1 2 RXA1+/DG0 2 RXA2-/DB7 2 RXA2+/DB6 2 RXAC-/DB5 2 RXAC+/DB4 2 RXB2-/DR3 2 RXB2+/DR2 2 RXBC-/DR1 2 RXBC+/DR0 2 RXA3-/DB3 2 RXA3+/DB2 2 RXA4-/DB1 2 RXA4+/DB0 2 RXB3-/DG7 2 RXB3+/DG6 2 RXB4-/DG5 2 RXB4+/DG4 2 SDA_EXT SCL_EXT RXB0-/DR7 2 RXB0+/DR6 2 RXB1-/DR5 2 RXB1+/DR4 2 ODSEL2 DHS 2 DVS 2 DEN 2 DCLK 2 SELVDS ODSEL1 LVDS OUTPUT TTL PANEL Interface R516 47 R516 47 R562 47 R562 47 R568 47 R568 47 R512 47 R512 47 R581 47 R581 47 R582 47 R582 47 R567 47 R567 47 1 2 3 4 5 6 7 8 9 10 11 12 13 14 15 16 17 18 19 20 21 22 23 24 25 26 27 28 29 30 31 32 33 34 35 36 37 38 39 40 41 42 43 44 45 51 52 46 47 48 49 50 XS505 NC/CON50A XS505 NC/CON50A 1 2 3 4 5 6 7 8 9 10 11 12 13 14 15 16 17 18 19 20 21 22 23 24 25 26 27 28 29 30 31 32 33 34 35 36 37 38 39 40 G1 G2 41 43 45 47 49 42 44 46 50 48 XS504 BM50B-SRDS-G-TF XS504 BM50B-SRDS-G-TF PDF ��� "PDF ����" ����� ����� � 5 5 4 4 3 3 2 2 1 1 D D C C B B A A HDMI_SCL G_TX1+ HDMI_SDA R_TX2- R_TX2+ G_TX1- B_TX0- B_TX0+ TXCLK+ TXCLK- AUVRADN HS_RGB VS_RGB AUVRADP AUVREF HDMI_SCL HDMI_SDA BIN- GIN- GIN+ SOG RIN+ BIN+ RIN- HPDCTRL TXCLK+ TXCLK- Y- PR- PR+ PB- PB+ Y+ IR_SYNC SOY B_TX0- B_TX0+ R_TX2+ G_TX1+ G_TX1- R_TX2- SPI_DI SPI_DO SPI_CK SPI_CZ VS_RGB BIN- GIN- RIN- RIN+ HS_RGB GIN+ SOG BIN+ Y- PR+ PB+ PR- PB- SOY Y+ SV-C SV-Y AV3 VCOM1 TUNER_CVBS VCOM0 AV2 TV-V+ AV1- TV-V- AV1+ CVBS2 CVBS1 CVBS3 MUX-Rin MUX-Lin AV2-Rin AV2-Lin AV3-Rin AV3-Lin SIFM SIFP TV-SIFP TV-SIFM AUVREF AUVRADN AUVRADP SPI_CZ SPI_DI SPI_CK SPI_DO PWM1_WP SDA1 TXD1 SDA SCL SCL1 TXD RXD RDX1 KEY1 KEY0 RXD TXD PWM2 PWM1_WP PWM0 ADJ-PWM3 PWM2 ADJ-PWM3 PWM0 PWM1_WP SDA WP SCL SDA SCL WP RXB0-/R7 RXBC+/R0 RXB1+/R4 RXB2-/R3 RXB3-/G7 RXB3+/G6 RXB2+/R2 RXBC-/R1 RXB0+/R6 RXB1-/R5 RXB4-/G5 RXB4+/G4 RXA4-/B1 RXO4+/DGE4 RXB0-/DR7 RXB0+/DR6 RXB1+/DR4 RXB1-/DR5 RXB2+/DR2 RXB2-/DR3 RXBC+/DR0 RXBC-/DR1 RXB3+/DG6 RXB3-/DG7 RXB4+/DG4 RXB4-/DG5 RXA0+/DG2 RXA0-/DG3 RXA1+/DG0 RXA1-/DG1 RXA2+/DB6 RXA2-/DB7 RXAC+/DB4 RXAC-/DB5 RXA3+/DB2 RXA3-/DB3 RXA4+/DB0 RXA4-/DB1 RXA1-/G1 RXA1+/G0 RXA2-/B7 RXA0-/G3 RXA0+/G2 RXA2+/B6 RXAC-/B5 RXAC+/B4 RXA3-/B3 RXA3+/B2 DEN DHS DVS DCLK LED1_GREEN LED1_RED IR-in LED-R LED-G IR-in KEY0 KEY1-in KEY0-in IR_SYNC KEY1 ODSEL2 ODSEL1 SELVDS AMP-Rout AMP-Lout SYS_RST SDA_EXT SCL_EXT DDC/HWI2C LED1_GREEN LED1_RED AMP-MUTE SYS_SEL1 SYS_SEL2 ON-PANEL BKLON POWER-ON/OFF MCU_CNT TV1-L/Rin AMP-Lout AMP-Rout RXD 4 TXD 4 AVDD_MemPLL VDDC VDD_MPLL AVDD_AU AVDD_SIF AVDDA AVDD_HDMI VDDP AVDD_HDMI +3.3V 5Vstb +3.3V 3.3V/5Vstb 5Vstb +3.3V 3.3V/5Vstb 3.3V/5Vstb +3.3V 5Vstb 5Vstb +3.3V +3.3V +3.3V +3.3V +3.3V 5Vstb B_TX0+ 3 B_TX0- 3 R_TX2+ 3 TXCLK+ 3 R_TX2- 3 TXCLK- 3 HDMI_SCL 3 G_TX1+ 3 HDMI_SDA 3 G_TX1- 3 BKLON 1 POWER-ON/OFF 1,5,9 HPDCTRL 3 RIN- 4 RIN+ 4 VS_RGB 4 BIN+ 4 SOG 4 GIN+ 4 BIN- 4 GIN- 4 HS_RGB 4 PB+ 5 PB- 5 SOY 5 Y- 5 PR+ 5 Y+ 5 PR- 5 SV-Y 5 SV-C 5 AV3 5 AV2 5 AV1- 5 TV-Vin+ 6 TV-Vin- 6 AV1+ 5 PC-Rin 4 PC-Lin 4 AV1-Lin 5 AV1-Rin 5 HD-Lin 5 HD-Rin 5 AUDIO3_L 5 AUDIO3_R 5 TV-SIFP 6 TV-SIFM 6 ADJ-PWM3 1 RXB0-/DR7 7 RXB0+/DR6 7 RXB1+/DR4 7 RXB1-/DR5 7 RXB2+/DR2 7 RXBC+/DR0 7 RXBC-/DR1 7 RXB2-/DR3 7 RXB3+/DG6 7 RXB4+/DG4 7 RXB4-/DG5 7 RXB3-/DG7 7 RXA0+/DG2 7 RXA1+/DG0 7 RXA1-/DG1 7 RXA0-/DG3 7 RXA2+/DB6 7 RXAC+/DB4 7 RXAC-/DB5 7 RXA2-/DB7 7 RXA3+/DB2 7 RXA4+/DB0 7 RXA4-/DB1 7 RXA3-/DB3 7 DVS 7 DHS 7 DEN 7 DCLK 7 ODSEL2 7 ODSEL1 7 SELVDS 7 AMP-L 5 AMP-R 5 DDC/HWI2C 4 SDA_EXT 6,7 SCL_EXT 6,7 AMP-MUTE 5 SYS_SEL1 6 SYS_SEL2 6 ON-PANEL 1 TV1-L/Rin 6 KEY0 8 KEY1 8 Title Size Document Number Rev Date: Sheet of ����������������������C�4� TEL:0755-26996895 FAX:0755-26996830 MST9E19A 01A MST9E19A A1 2 9 Monday, April 16, 2007 Title Size Document Number Rev Date: Sheet of ����������������������C�4� TEL:0755-26996895 FAX:0755-26996830 MST9E19A 01A MST9E19A A1 2 9 Monday, April 16, 2007 Title Size Document Number Rev Date: Sheet of ����������������������C�4� TEL:0755-26996895 FAX:0755-26996830 MST9E19A 01A MST9E19A A1 2 9 Monday, April 16, 2007 GPIOF_SEL=01,VDO_PORT_SEL=00 for I2S input AU_SWAP=11 Mstar PULL UP SST PULL DOWN DVI INPUT VGA INPUT Y,Pb,Pr INPUT VIDEO INPUT Debug port Mode Selection HDCP I2C address at A4 I2C address at A0 ��D618,D619,��� ��C517,C518 C542 0.1U C542 0.1U 7 5 3 1 8 6 4 2 RP506 RP4.7KX4 7 5 3 1 8 6 4 2 RP506 RP4.7KX4 R550 NC R550 NC R591 12K R591 12K R519 220 R519 220 R571 47 R571 47 3 2 1 D500 BAV99 D500 BAV99 C531 10uF C531 10uF R534 10K R534 10K 7 5 3 1 8 6 4 2 RP513 RP4.7KX4 7 5 3 1 8 6 4 2 RP513 RP4.7KX4 R557 22K R557 22K R537 10 R537 10 R510 8.2K R510 8.2K C541 0.1U C541 0.1U R508 4.7K R508 4.7K R573 10 R573 10 1 3 5 7 2 4 6 8 RP521 33ohm RP521 33ohm C538 0.1uF C538 0.1uF C516 10nF C516 10nF 1 2 3 Z500 14.318MHZ Z500 14.318MHZ C522 0.1U C522 0.1U C512 2.2u C512 2.2u R539 33 R539 33 7 5 3 1 8 6 4 2 RP507 RP4.7KX4 7 5 3 1 8 6 4 2 RP507 RP4.7KX4 1 2 XS200 D2507-2A-2.54 XS200 D2507-2A-2.54 R518 100 R518 100 C576 1000 C576 1000 C557 10nF C557 10nF R548 33K R548 33K L500 0 L500 0 C514 100p C514 100p C513 2.2u C513 2.2u R560 22K R560 22K R541 33 R541 33 C544 100pF C544 100pF 1 3 5 7 2 4 6 8 RP526 33ohm RP526 33ohm C555 10nF C555 10nF R590 10K R590 10K R574 10 R574 10 C540 0.1uF C540 0.1uF A0 1 A1 2 A2 3 GND 4 SDA 5 SCL 6 WP 7 VCC 8 N504 24C04 N504 24C04 R522 100 R522 100 C534 22P C534 22P R538 33 R538 33 C545 100pF C545 100pF CE# 1 SO 2 WP# 3 VSS 4 SI 5 SCK 6 HOLD# 7 VDD 8 N502 PS25VF040 N502 PS25VF040 C527 NC/0.01 C527 NC/0.01 C563 2.2u C563 2.2u R575 10 R575 10 C559 2.2u C559 2.2u C562 4.7uF C562 4.7uF R535 10K R535 10K C547 NC/0.1U C547 NC/0.1U C511 2.2u C511 2.2u C515 10nF C515 10nF R540 33 R540 33 C564 2.2u C564 2.2u R543 1K R543 1K C561 47uF/16V C561 47uF/16V 1 3 5 7 2 4 6 8 RP524 33ohm RP524 33ohm 1 1 2 2 3 3 4 4 XS501 CN4 XS501 CN4 C552 2.2u C552 2.2u R517 220 R517 220 C565 10nF C565 10nF R531 10 R531 10 R572 10 R572 10 R504 0 R504 0 R565 10K R565 10K R578 NC R578 NC R521 100 R521 100 R589 12K R589 12K 7 5 3 1 8 6 4 2 RP508 RP33X4 7 5 3 1 8 6 4 2 RP508 RP33X4 C543 0.1U C543 0.1U C530 10uF C530 10uF R509 4.7K R509 4.7K 1 2 3 V502 3904 V502 3904 R564 3.3K R564 3.3K C554 10nF C554 10nF C537 2.2u C537 2.2u C550 10nF C550 10nF R544 NC R544 NC RXCKN 1 RXCKP 2 RX0N 4 RX0P 5 RX1N 7 RX1P 8 RX2N 10 RX2P 11 REXT 13 DDCD_DA 14 DDCD_CK 15 HSYNC1 16 VSYNC1 17 RMID 18 VCLAMP 19 REFP 20 REFM 21 BIN1P 22 BIN1M 23 SOGIN1 24 GIN1P 25 GIN1M 26 RIN1P 27 RIN1M 28 BIN0M 29 BIN0P 30 GIN0M 31 GIN0P 32 SOGIN0 33 RIN0M 34 RIN0P 35 HSYNC0 38 VSYNC0 39 C1 40 Y1 41 C0 42 Y0 43 VCOM2 44 CVBS3 45 CVBS2 46 CVBS1 47 VCOM1 48 CVBS0 49 VCOM0 50 CVBSOUT 51 SIF1P 54 SIF1M 55 AUVRADN 57 AUVRADP 58 AUVREF 59 AUL0 61 AUR0 62 AUL1 63 AUR1 64 AUCOM 65 AUL2 66 AUR2 67 AUL3 68 AUR3 69 AUOUTL3 70 AUOUTR3 71 AUOUTL2 72 AUOUTR2 73 AUOUTL 74 AUOUTR 75 AUOUTS 76 VDI2/GPIOF2 78 VDI3/GPIOF3 79 VDI4/GPIOF4 80 VDI5/GPIOF5 81 VDI6/GPIOF6 82 VDI7/GPIOF7 83 VDI8/GPIOF8 84 VDI9/GPIOF9 85 VDICLK/GPIOF10 86 GPIOF11 87 DDCR_DA 131 DDCR_CK 132 DDCA_DA 133 DDCA_CK 134 SAR0 125 SAR1 126 SAR2 127 SAR3 128 PWM0 129 PWM1 130 PWM2 155 PWM3 156 IRIN 136 GND 3 GND 9 GND 37 GND 52 GND 56 GND 89 GND 99 GND 101 GND 104 GND 106 GND 120 GND 141 GND 152 GND 173 GND 187 GND 204 DIGO0 143 DIGO1 144 DIGO2 145 DIGO3 146 DIGO4 147 DIGO5 148 DIGO6 149 DIGO7 150 DIGO8 153 DIGO9 154 WRZ 116 RDZ 117 ALE 118 INT 135 SDO 124 CSZ 123 SDI 122 SCK 121 GPIOF19 97 GPIOF18 96 GPIOF17 95 GPIOF16 94 GPIOF15 93 GPIOF14 92 GPIOF13 91 GPIOF12 90 PWM_SENSE 139 PWM_DRV 138 PWM_FB 137 GPIOE0/LVSYNC 191 GPIOE1/LHSYNC 190 GPIOE2/LDE 189 GPIOE3/LCK 188 LB0M/R7 185 LB0P/R6 184 LB1M/R5 183 LB1P/R4 182 LB2M/R3 181 LB2P/R2 180 LBCKM/R1 179 LBCKP/R0 178 LB3M/G7 177 LB3P/G6 176 LB4M/G5 175 LB4P/G4 174 LA0M/G3 171 LA0P/G2 170 LA1M/G1 169 LA1P/G0 168 LA2M/B7 167 LA2P/B6 166 LACKM/B5 165 LACKP/B4 164 LA3M/B3 163 LA3P/B2 162 LA4M/B1 161 LA4P/B0 160 AISD/DI7 202 AISCK/DI6 201 AIWS/DI5 200 DI4 199 DI3 198 DI2 197 DI1 196 DI0 195 ICLK 192 IVSYNC 194 IHSYNC 193 XIN 207 XOUT 206 HWRESET 205 AVDD_ADC 36 AVDD_SIF 53 AVDD_AU 60 AVDD_MEMPLL 105 AVDD_DVI 6 AVDD_DVI 12 AVDD_MPLL 157 AVDD_MPLL 208 VDDC 77 VDDC 98 VDDC 107 VDDC 142 VDDC 158 VDDC 203 VDDP 88 VDDP 100 VDDP 102 VDDP 103 VDDP 119 VDDP 140 VDDP 151 VDDP 159 VDDP 172 VDDP 186 AD7 115 AD6 114 AD5 113 AD4 112 AD3 111 AD2 110 AD1 109 AD0 108 PADGND 209 N500 MST9E19A N500 MST9E19A C575 1000 C575 1000 1 3 5 7 2 4 6 8 RP522 33ohm RP522 33ohm R547 NC R547 NC C517 2.2u C517 2.2u C548 NC/0.1U C548 NC/0.1U R507 1M R507 1M 1 2 D120 INPAQ_VPORT D120 INPAQ_VPORT C546 100pF C546 100pF A0 1 A1 2 A2 3 GND 4 SDA 5 SCL 6 WP 7 VCC 8 N503 24C32 N503 24C32 R520 4.7K R520 4.7K R563 3.3K R563 3.3K C553 10nF C553 10nF 1 2 3 4 5 XS502 CON5 XS502 CON5 C536 2.2u C536 2.2u C518 2.2u C518 2.2u R552 1K R552 1K R512A 47 R512A 47 C510 100n C510 100n R549 10K R549 10K R579 33 R579 33 R516A 47 R516A 47 C539 22P C539 22P C525 NC/0.01 C525 NC/0.01 R529 10 R529 10 R570 NC R570 NC R536 10 R536 10 C558 2.2u C558 2.2u R513 390R1% R513 390R1% R553 NC R553 NC 1 2 3 4 5 6 XS500 CON6 XS500 CON6 R542 4.7K R542 4.7K C549 10nF C549 10nF C569 NC/10pF C569 NC/10pF 1 3 2 V500 3906 V500 3906 1 2 3 4 XS506 HEADER 4pin (2.54mm) Debug Port XS506 HEADER 4pin (2.54mm) Debug Port R514 1K R514 1K R559 4.7K R559 4.7K R561 4.7K R561 4.7K C532 100n C532 100n C535 2.2u C535 2.2u R546 1K R546 1K C526 NC/0.01 C526 NC/0.01 R588 10K R588 10K C551 0.1 C551 0.1 R502 1K R502 1K 7 5 3 1 8 6 4 2 RP512 RP4.7KX4 7 5 3 1 8 6 4 2 RP512 RP4.7KX4 R555 10K R555 10K R511 8.2K R511 8.2K R569 NC R569 NC R558 4.7K R558 4.7K 7 5 3 1 8 6 4 2 RP510 NC/RP4.7KX4 7 5 3 1 8 6 4 2 RP510 NC/RP4.7KX4 C533 100n C533 100n 1 3 5 7 2 4 6 8 RP525 33ohm RP525 33ohm R545 NC R545 NC C529 NC/0.01 C529 NC/0.01 C567 10nF C567 10nF R503 10K R503 10K L406 NC L406 NC R566 NC R566 NC R551 1K R551 1K 1 2 3 V501 3904 V501 3904 C556 10nF C556 10nF R554 10K R554 10K L405 FB L405 FB 1 3 5 7 2 4 6 8 RP523 33ohm RP523 33ohm C521 0.1U C521 0.1U R515 1K R515 1K PDF ��� "PDF ����" ����� ����� � 5 5 4 4 3 3 2 2 1 1 D D C C B B A A HPDCTRL G_TX1+ HDMI-HPD R_TX2- R_TX2+ G_TX1- B_TX0- B_TX0+ TXCLK+ TXCLK- HDMI-RX2- HDMI-RX1- HDMI-RX0- HDMI-RXC- HDMI-RX1+ HDMI-RXC+ HDMI-RX2+ HDMI-RX0+ HDMI-DDC-SCL HDMI-DDC-SDA 5Vstb 5Vstb HDMI/5V 5Vstb 5Vstb 5Vstb 5Vstb R_TX2+ 2 R_TX2- 2 G_TX1+ 2 G_TX1- 2 HDMI_SCL 2 B_TX0+ 2 HDMI_SDA 2 HPDCTRL 2 B_TX0- 2 TXCLK+ 2 TXCLK- 2 Title Size Document Number Rev Date: Sheet of ����������������������C�4� TEL:0755-26996895 FAX:0755-26996830 MST9E19A 01A HDMI A 3 9 Friday, April 27, 2007 Title Size Document Number Rev Date: Sheet of ����������������������C�4� TEL:0755-26996895 FAX:0755-26996830 MST9E19A 01A HDMI A 3 9 Friday, April 27, 2007 Title Size Document Number Rev Date: Sheet of ����������������������C�4� TEL:0755-26996895 FAX:0755-26996830 MST9E19A 01A HDMI A 3 9 Friday, April 27, 2007 3 1 2 D612 BAV99 D612 BAV99 R307 1K R307 1K R304 100 R304 100 R310 10 R310 10 3 1 2 D303 BAV99 D303 BAV99 NC 1 NC 2 NC 3 GND 4 SDA 5 SCL 6 WP 7 VCC 8 N300 24C04 N300 24C04 R305 100 R305 100 3 1 2 D302 BAV99 D302 BAV99 C309 0.1uF/16V C309 0.1uF/16V 3 1 2 D307 BAV99 D307 BAV99 R312 10 R312 10 3 1 2 D301 BAV99 D301 BAV99 3 1 2 D304 BAV99 D304 BAV99 R302 10K R302 10K R308 10 R308 10 DATA2+ 1 DATA2 SHIELD 2 DATA2- 3 DATA1+ 4 DATA1 SHIELD 5 DAT1A- 6 DATA0+ 7 DATA0 SHIELD 8 DATA0- 9 CLK+ 10 CLK SHIELD 11 CLK- 12 CEC 13 NC 14 SCL 15 SDA 16 DDC/CEC GND 17 +5V POWER 18 HOT PLUG 19 GND1 20 GND2 21 GND3 22 GND4 23 XS300 HDMI_J XS300 HDMI_J 3 1 2 D19 BAV70 D19 BAV70 1 1 2 2 3 3 4 4 XS507 CN4 XS507 CN4 R306 0 R306 0 1 3 2 E B C SOT 23 V300 MMBT3904 E B C SOT 23 V300 MMBT3904 R303 NC R303 NC 3 1 2 D300 BAV99 D300 BAV99 3 1 2 D604 BAV99 D604 BAV99 R317 100 R317 100 R316 100 R316 100 R313 10 R313 10 3 1 2 D305 BAV99 D305 BAV99 R301 10K R301 10K 3 1 2 D306 BAV99 D306 BAV99 R315 10 R315 10 R300 1K R300 1K R314 10 R314 10 R311 10 R311 10 R309 10 R309 10 PDF ��� "PDF ����" ����� ����� � 5 5 4 4 3 3 2 2 1 1 D D C C B B A A VGA-G+ BIN+ VGA-R+ GIN- SOG GIN+ RIN+ VGA-B+ BIN- RIN- VS_RGB TXD RXD PC-Lin PC-Rin PC-L CLK_DDC_VGA PC-R VGA-VS DAT_DDC_VGA VGA-HS HS_RGB TXD 2 RXD 2 RXD 2 TXD 2 VGA/5V 5Vstb 5Vstb 5Vstb 5Vstb 5Vstb PC-Lin 2 PC-Rin 2 BIN+ 2 GIN+ 2 RIN+ 2 SOG 2 BIN- 2 GIN- 2 RIN- 2 HS_RGB 2 VS_RGB 2 DDC/HWI2C 2 Title Size Document Number Rev Date: Sheet of ����������������������C�4� TEL:0755-26996895 FAX:0755-26996830 MST9E19A 01A VGA A3 4 9 Thursday, April 05, 2007 Title Size Document Number Rev Date: Sheet of ����������������������C�4� TEL:0755-26996895 FAX:0755-26996830 MST9E19A 01A VGA A3 4 9 Thursday, April 05, 2007 Title Size Document Number Rev Date: Sheet of ����������������������C�4� TEL:0755-26996895 FAX:0755-26996830 MST9E19A 01A VGA A3 4 9 Thursday, April 05, 2007 L->DDC H->HW ��D606,��� ��D409,D410��� C412 0.1uF C412 0.1uF 3 1 2 D405 BAV99 D405 BAV99 R405 75 R405 75 R403 470 R403 470 L401 0 L401 0 NC 1 NC 2 NC 3 GND 4 SDA 5 SCL 6 VCLK 7 VCC 8 N400 24C02 N400 24C02 R337 10K R337 10K C408 47nF C408 47nF R417 10K R417 10K C409 47nF C409 47nF C402 47nF C402 47nF R418 NC R418 NC R401 10 R401 10 R423 12K R423 12K C413 560p C413 560p R380 100 R380 100 R381 100 R381 100 R382 NC R382 NC C405 0.1uF C405 0.1uF 3 1 2 D20 BAT54C D20 BAT54C C335 0.1 C335 0.1 R410 1K R410 1K C403 1nF C403 1nF R404 75 R404 75 3 1 2 D400 BAV99 D400 BAV99 C400 47nF C400 47nF C416 330p C416 330p C411 NC C411 NC R400 10 R400 10 C401 47nF C401 47nF R412 NC R412 NC R419 33 R419 33 1 2 D404 MLL5232B5.6V D404 MLL5232B5.6V L402 0 L402 0 L400 0 L400 0 C410 NC C410 NC C407 0.1uF C407 0.1uF R414 4.7K R414 4.7K 3 1 2 D406 BAV99 D406 BAV99 R383 NC R383 NC IN 1 S1A 2 S2A 3 DA 4 S1B 5 S2B 6 DB 7 GND 8 DC 9 S2C 10 S1C 11 DD 12 S2D 13 S1D 14 /EN 15 VCC 16 N301 PI5V330A N301 PI5V330A 3 1 2 D402 BAV99 D402 BAV99 R409 47 R409 47 R421 NC R421 NC 3 1 2 D401 BAV99 D401 BAV99 C336 0.1 C336 0.1 R422 12K R422 12K R407 47 R407 47 R411 1K R411 1K R408 47 R408 47 R402 10 R402 10 R425 10K R425 10K R416 NC R416 NC C414 560p C414 560p R415 4.7K R415 4.7K 5 10 4 9 3 8 2 7 1 15 14 13 12 11 6 16 17 XS401 VGA XS401 VGA R424 10K R424 10K R420 33 R420 33 R338 2K R338 2K C415 330p C415 330p 1 2 D407 MLL5232B5.6V D407 MLL5232B5.6V C406 0.1uF C406 0.1uF 5 4 2 3 7 8 1 XS400 AUDIO_IN XS400 AUDIO_IN R406 75 R406 75 C404 47nF C404 47nF R413 NC R413 NC PDF ��� "PDF ����" ����� ����� � 5 5 4 4 3 3 2 2 1 1 D D C C B B A A AV1-Rin AV1-Lin HD1_YIN Y- PB- PR- PR+ Y+ SOY PB+ AMP-Lin HD1_PRIN AMP-Rin AMP-Lin AMP-L AMP-R SVIDEO-C SV-C SV-Y SVIDEO-Y AV1- AV1+ AV1_IN HD1_PBIN Rin1 AV2 OP_VCC1 OP_VCC1 AMP-L AMP-R AMP-Rin AMP-Lin Lin1 AMP-Rin 5Vstb 5Vstb 5Vstb 5Vstb 5Vstb 5Vstb 5Vstb 5Vstb 5Vstb 12VAMP VCC_12V 12VAMP Tuner_5V 2.5VBuf 12VAMP 5Vstb 5Vstb 5Vstb 5Vstb 5Vstb HD-Rin 2 HD-Lin 2 PR+ 2 PB+ 2 Y+ 2 SOY 2 PR- 2 Y- 2 PB- 2 SV-C 2 SV-Y 2 AV1-Lin 2 AV1-Rin 2 AV1+ 2 AV1- 2 AMP-MUTE 2 POWER-ON/OFF 1,2 AMP-L 2 AMP-R 2 MUTE_PA 2 AV2 2 AUDIO3_L AUDIO3_R AV3 2 MUTE_PA 2 Title Size Document Number Rev Date: Sheet of ����������������������C�4� TEL:0755-26996895 FAX:0755-26996830 MST9X88L 01A Video input A2 5 6 Wednesday, June 13, 2007 Title Size Document Number Rev Date: Sheet of ����������������������C�4� TEL:0755-26996895 FAX:0755-26996830 MST9X88L 01A Video input A2 5 6 Wednesday, June 13, 2007 Title Size Document Number Rev Date: Sheet of ����������������������C�4� TEL:0755-26996895 FAX:0755-26996830 MST9X88L 01A Video input A2 5 6 Wednesday, June 13, 2007 To MST IC Change connect Audio AMP Add R631 SPEAKER_R SPEAKER_L VCC_5V change to VCC_5V1 ���:R233,R234-->0;R235-->NC;R215-->10K ���:R233,R234-->NC;R235-->0,R244-->NC �������R430�� �������R431�� S-Video Input N810A �N200A NET�� R660 4.7K R660 4.7K R619 75 R619 75 R614 10 R614 10 R228 47 R228 47 R233 NC/0 R233 NC/0 R656 10K R656 10K 1 3 2 XS606 AUDIO/IN XS606 AUDIO/IN + C614 470u/16V + C614 470u/16V C612 0.1 C612 0.1 R240 NC/10K R240 NC/10K 3 1 2 D614 NC/BAV99 D614 NC/BAV99 R618 10 R618 10 1 2 XS602 NC/D2507-2A-2.54 XS602 NC/D2507-2A-2.54 R239 10K R239 10K C638 100 C638 100 R222 47 R222 47 9 2 1 13 4 3 7 8 11 5 12 10 6 14 XS309 AV/YPbPr/YCbCr XS309 AV/YPbPr/YCbCr 3 1 2 V600 NC/BC847 V600 NC/BC847 + C625 22u/16V + C625 22u/16V R627 470K R627 470K R608 10 R608 10 C606 0.1U C606 0.1U + C216 47u/16V + C216 47u/16V R640 10K R640 10K R625 10K R625 10K R621 75 R621 75 C641 NC C641 NC 3 1 2 D607 BAV99 D607 BAV99 R653 75 R653 75 R428 33K R428 33K R633 10 R633 10 R234 NC/0 R234 NC/0 R652 4.7K R652 4.7K 3 1 2 D611 NC/BAV99 D611 NC/BAV99 L801 FB L801 FB R430 33K R430 33K C634 560p C634 560p 1 2 3 4 5 6 XS311 XS311 C215 NC C215 NC C276 2.2uF C276 2.2uF C609 0.1u C609 0.1u + C600 100u/16V + C600 100u/16V R654 10K R654 10K R617 47 R617 47 D202 1N4148 D202 1N4148 C617 0.1 C617 0.1 D602 1N4148 D602 1N4148 R431 33K R431 33K L604 FB/0 L604 FB/0 R605 10 R605 10 R628 1K R628 1K R658 4.7K R658 4.7K C639 0.1u C639 0.1u R644 0 R644 0 3 1 2 V601 BC847 V601 BC847 C627 100 C627 100 1 2 3 4 5 6 XS312 XS312 1 2 xs603 NC/D2507-2A-2.54 xs603 NC/D2507-2A-2.54 D203 NC/1N4148 D203 NC/1N4148 L606 FB/0 L606 FB/0 + C616 470u/16V + C616 470u/16V 3 1 2 V204 BC847 V204 BC847 R225 47 R225 47 L602 0 L602 0 C602 47nF C602 47nF R426 33K R426 33K 5 4 2 3 6 7 1 XS604 HEADPHONE XS604 HEADPHONE 1 2 3 XS1 NC/Hotsink_1 XS1 NC/Hotsink_1 R645 75 R645 75 C645 100p C645 100p C636 0.1u C636 0.1u C277 2.2uF C277 2.2uF C622 47nF C622 47nF R238 22K R238 22K R243 NC/10K R243 NC/10K 3 1 2 D601 BAV99 D601 BAV99 R603 10 R603 10 + C626 22u/16V + C626 22u/16V C632 560p C632 560p C621 47nF C621 47nF 3 1 2 D620 BAV99 D620 BAV99 R429 10K R429 10K C628 100 C628 100 R616 10 R616 10 C607 NC/330pF C607 NC/330pF R647 0 R647 0 R604 75 R604 75 L603 0 L603 0 R626 220K R626 220K R242 NC/10K R242 NC/10K C199 0.1uF C199 0.1uF C473 100pF C473 100pF V602 BC857 V602 BC857 C633 560p C633 560p R632 10K R632 10K C629 560p C629 560p C624 47nF C624 47nF C468 47uF/16V C468 47uF/16V R648 NC/0 R648 NC/0 + C619 47u/16V + C619 47u/16V R620 10 R620 10 4 3 2 1 5 6 7 2 3 4 1 XS607 S-VIDEO 2 3 4 1 XS607 S-VIDEO + C618 4.7u/25V + C618 4.7u/25V C637 NC C637 NC C462 47uF C462 47uF R427 10K R427 10K C644 100p C644 100p 3 1 2 D609 BAV99 D609 BAV99 L806 10uH L806 10uH R624 NC/10K R624 NC/10K C613 NC/330pF C613 NC/330pF R646 0 R646 0 R615 10K R615 10K R634 10K R634 10K C608 NC/330pF C608 NC/330pF 3 1 2 V206 BC847 V206 BC847 C640 NC C640 NC 3 1 2 V205 BC847 V205 BC847 R244 10K R244 10K R606 75 R606 75 3 1 2 D610 NC/BAV99 D610 NC/BAV99 -INV1 1 SGND 2 SVRR 3 OUT1 4 PGND 5 OUT2 6 Vp 7 M/SS 8 -INV2 9 N600 TDA1517 N600 TDA1517 C635 100P C635 100P C623 1nF C623 1nF R638 75 R638 75 R602 75 R602 75 R235 0/NC R235 0/NC R636 100 R636 100 R662 100 R662 100 R651 4.7K R651 4.7K R641 75 R641 75 5 6 7 8 4 - + N200B TDA1308 - + N200B TDA1308 C611 NC/330pF C611 NC/330pF R639 10K R639 10K 3 1 2 D608 BAV99 D608 BAV99 C601 47nF C601 47nF R642 100 R642 100 C642 100p C642 100p C620 47nF C620 47nF R629 10K R629 10K D603 1N4148 D603 1N4148 R622 10 R622 10 3 1 2 D605 NC/BAV99 D605 NC/BAV99 R655 75 R655 75 R630 10K R630 10K R600 10 R600 10 3 1 2 D606 NC/BAV99 D606 NC/BAV99 C643 100p C643 100p C610 0.1 C610 0.1 R659 10K R659 10K R215 NC/10K R215 NC/10K R643 100 R643 100 R649 10K R649 10K R230 47 R230 47 C464 100pF C464 100pF 3 1 2 D600 BAV99 D600 BAV99 L605 FB/0 L605 FB/0 R663 100 R663 100 R601 10 R601 10 R623 10K R623 10K + C615 470u/16V + C615 470u/16V 3 2 1 8 4 - + N200A TDA1308 - + N200A TDA1308 R635 10K R635 10K R637 100 R637 100 PDF ��� "PDF ����" ����� ����� � 5 5 4 4 3 3 2 2 1 1 D D C C B B A A +3.3V KEY0 2 KEY1 2 Title Size Document Number Rev Date: Sheet of ����������������������C�4� TEL:0755-26996895 FAX:0755-26996830 MST9E19A 01A KEY A 8 9 Thursday, April 05, 2007 Title Size Document Number Rev Date: Sheet of ����������������������C�4� TEL:0755-26996895 FAX:0755-26996830 MST9E19A 01A KEY A 8 9 Thursday, April 05, 2007 Title Size Document Number Rev Date: Sheet of ����������������������C�4� TEL:0755-26996895 FAX:0755-26996830 MST9E19A 01A KEY A 8 9 Thursday, April 05, 2007 R672 1.2K R672 1.2K R670 1.2K R670 1.2K R676 1.2K R676 1.2K 1 2 3 4 5 6 7 8 XS307 CON8 XS307 CON8 R671 1.2K R671 1.2K R674 1.2K R674 1.2K R677 1.2K R677 1.2K R673 1.2K R673 1.2K PDF ��� "PDF ����" ����� ����� � 5 5 4 4 3 3 2 2 1 1 D D C C B B A A POWER-ON/OFF 2,5 VDDC +3.3AVDD AVDD_SIF +3.3AVDD VDD_MPLL +3.3AVDD AVDD_HDMI +3.3AVDD AVDDA +3.3AVDD AVDD_MemPLL +3.3AVDD 5Vstb +3.3AVDD AVDD_AU +3.3V 5Vstb +3.3V VDDP VDDP Tuner_5V 5Vstb 5Vstb +3.3V VDDC Title Size Document Number Rev Date: Sheet of ����������������������C�4� TEL:0755-26996895 FAX:0755-26996830 MST9E19A 01A POWER2 A3 9 9 Thursday, April 05, 2007 Title Size Document Number Rev Date: Sheet of ����������������������C�4� TEL:0755-26996895 FAX:0755-26996830 MST9E19A 01A POWER2 A3 9 9 Thursday, April 05, 2007 Title Size Document Number Rev Date: Sheet of ����������������������C�4� TEL:0755-26996895 FAX:0755-26996830 MST9E19A 01A POWER2 A3 9 9 Thursday, April 05, 2007 +3.3AVDD for AVDD_SIF +3.3V for VDD_MPLL pin6,pin12 +3.3AVDD for AVDD_HDMI pin36 +3.3AVDD for AVDDA 3.3V For AVDDPLL2 Vcc3.3 for analog +3.3AVDD for AVDD_AU 1.25*(1+Rdown/Rup)=3.3V---Rup=510, Rdown=820 Vcc3.3 For Digital Add L823 Add R836 100K change R837 47K , change V862 connect change C814 0.47 Vcc1.8 for MST9XXX 1.25*(1+Rdown/Rup)=1.8V---Rup=1.2K, Rdown=510 C860 0.1UF C860 0.1UF 3 2 1 4 OUT ADJ IN N805 AP1084-adj +1.8V Regulator TO-263 OUT ADJ IN N805 AP1084-adj +1.8V Regulator TO-263 C865 0.1UF C865 0.1UF L821 FB L821 FB C896 0.1uF C896 0.1uF R803 NC/510 R803 NC/510 L819 10uH L819 10uH R837 3.3K R837 3.3K L817 600(4.5X3.2) L817 600(4.5X3.2) 1 2 + C849 22uF + C849 22uF L813FB L813FB C854 0.1uF C854 0.1uF R800 NC/1.2K R800 NC/1.2K 3 2 1 4 ADJ OUT IN N804 AMS1117-3.3 ADJ OUT IN N804 AMS1117-3.3 C862 0.1UF C862 0.1UF C886 0.1UF C886 0.1UF C822 0.22 C822 0.22 C856 0.1uF C856 0.1uF 1 2 + C845 22uF + C845 22uF C814 0.1 C814 0.1 L81110uH L81110uH C874 100P C874 100P C884 0.1UF C884 0.1UF L812 10uH L812 10uH R801 0/510 R801 0/510 C855 0.1uF C855 0.1uF + C842 100uF + C842 100uF + C829 100u/16V + C829 100u/16V 1 2 + C846 22uF + C846 22uF + C835 100uF + C835 100uF C875 2.2uF C875 2.2uF V809 BC847 V809 BC847 C864 0.1UF C864 0.1UF C880 0.1uF C880 0.1uF C851 0.1uF C851 0.1uF + C834 47uF + C834 47uF C887 0.1UF C887 0.1UF C867 0.1uF C867 0.1uF L816 10uH L816 10uH V810 BC847 V810 BC847 C878 100P C878 100P C888 0.1UF C888 0.1UF + C831 100uF + C831 100uF L824 FB L824 FB R836 0 R836 0 3 2 1 4 OUT ADJ IN N806 AP1084-adj +3.3V Regulator TO-263 OUT ADJ IN N806 AP1084-adj +3.3V Regulator TO-263 C853 0.1uF C853 0.1uF R838 3.3K R838 3.3K 1 2 + C843 22uF + C843 22uF L823 FB L823 FB C877 2.2uF/16V C877 2.2uF/16V + C840 100uF + C840 100uF + C833 100uF + C833 100uF R839 10K R839 10K C859 0.1UF C859 0.1UF C876 0.1uF C876 0.1uF + C839 100uF + C839 100uF C879 0.1uF C879 0.1uF + C836 22uF + C836 22uF + C832 100uF + C832 100uF C863 0.1UF C863 0.1UF C883 0.1UF C883 0.1UF R802 0/820 R802 0/820 C882 0.1uF C882 0.1uF L820 10uH L820 10uH C852 0.1uF C852 0.1uF C821 0.22 C821 0.22 L815 FB L815 FB C861 0.1UF C861 0.1UF D 1 D 2 D 3 G 4 S 8 S 7 S 6 S 5 N808 9435A N808 9435A C885 0.1UF C885 0.1UF C866 0.1uF C866 0.1uF C889 0.1uF C889 0.1uF PDF ��� "PDF ����" ����� ����� � 5 5 4 4 3 3 2 2 1 1 D D C C B B A A SIFM TV1-L/Rin SIFP SIF SCL_EXT SDA_EXT TUNER_AGC TUNER_AGC GND GND VCC_12V GND GND GND GND GND GND GND GND GND GND GND GND GND GND GND GND GND GND GND GND GND GND GND GND GND GND GND GND GND GND GND GND +5V_RF +5V_RF +5V_RF GND GND GND GND GND GND GND GND GND GND GND Tuner_5V TV-SIFM TV-Vin+ TV1-L/Rin SCL_EXT SDA_EXT TV-SIFP TV-Vin- Title Size Schematic Name Rev TUNER Trident Digital Media, Inc. 1090 East Arques Ave. Sunnyvale, CA 94085 http://www.tridentmicro.com Title Size Schematic Name Rev TUNER Trident Digital Media, Inc. 1090 East Arques Ave. Sunnyvale, CA 94085 http://www.tridentmicro.com Title Size Schematic Name Rev TUNER Trident Digital Media, Inc. 1090 East Arques Ave. Sunnyvale, CA 94085 http://www.tridentmicro.com 0.16Amax <-------- <---- ADDR: 0xC0 MAIN TUNER C131 0.1uF C131 0.1uF C107 1000pF-NPO C107 1000pF-NPO C128 12pF C128 12pF R110 47 R110 47 1 2 3 Z101 4.000MHz Z101 4.000MHz C134 1000pF C134 1000pF VD101 ISS110 VD101 ISS110 R107 3.3K R107 3.3K C100 100pF C100 100pF VD102 ISS110 VD102 ISS110 C104 1000pF C104 1000pF C115 1000pF-NPO C115 1000pF-NPO R112 3.3K R112 3.3K 1 2 L105 330_Ohm_200mA L105 330_Ohm_200mA C112 1000pF-NPO C112 1000pF-NPO C129 0.01uF_DNS C129 0.01uF_DNS R130 0 R130 0 C133 0.1uF C133 0.1uF + C111220uF/10V + C111220uF/10V L106 2.2uH_DNS L106 2.2uH_DNS R124 47 R124 47 C119 1000pF-NPO_DNS C119 1000pF-NPO_DNS R119 47 R119 47 1 2 L102 330_Ohm_200mA L102 330_Ohm_200mA C1130.47uF C1130.47uF R121 3K R121 3K R120 1K R120 1K R103 330 R103 330 C120 0.047uF C120 0.047uF R108 3.3K R108 3.3K C140 0.1uF C140 0.1uF 1 2 L109 1K_Ohm_100mA L109 1K_Ohm_100mA C130 22uF_E C130 22uF_E R118 5.6K R118 5.6K V101 2SC388A V101 2SC388A C149 56pF C149 56pF RG1 RG1 R109 3.3K R109 3.3K C137 1000pF C137 1000pF C122 0.47uF C122 0.47uF C101 0.1uF C101 0.1uF C106 1000pF-NPO C106 1000pF-NPO R122 2.2K_DNS R122 2.2K_DNS R129 12K R129 12K V103 MMBT3904 V103 MMBT3904 V102 2N3904 V102 2N3904 C152 0.01uF C152 0.01uF 1 2 L107 FB L107 FB R104 75 R104 75 VIF1 1 VIF2 2 OP1 3 FMPLL 4 DEEM 5 AFD 6 DGND 7 AUD 8 TOP 9 SDA 10 SCL 11 SIOMAD 12 NC 13 TAGC 14 REF 15 NC(VC) 16 CVBS 17 AGND 18 VPLL 19 VP 20 AFC 21 OP2 22 SIF1 23 SIF2 24 N104 TDA9885T N104 TDA9885T C138 0.01uF_DNS C138 0.01uF_DNS R114 47 R114 47 C117 0.47uF_DNS C117 0.47uF_DNS + C103 22uF_E + C103 22uF_E AGC 1 TU 2 AS 3 SCL 4 SDA 5 NC 6 VCC 7 ADC/NC 8 VT/NC 9 IF2/NC 10 IF1 11 G1 12 G2 13 G3 14 G4 15 N101 AFT1/3000 N101 AFT1/3000 R115 47 R115 47 R105 1K R105 1K C127 1000pF-NPO C127 1000pF-NPO R117 47 R117 47 IN1 1 IN2 2 GND 3 OUT1 4 OUT2 5 N102 K9450M N102 K9450M R125 470 R125 470 R123 270 R123 270 1 2 L103 1K_Ohm_100mA L103 1K_Ohm_100mA 1 2 L104 1K_Ohm_100mA L104 1K_Ohm_100mA + C126 220uF/10V + C126 220uF/10V C142 1000pF-NPO C142 1000pF-NPO R101 100K R101 100K C125 390pF C125 390pF R126 75 R126 75 IN1 1 IN2 2 GND 3 OUT1 4 OUT2 5 N103 K6274D N103 K6274D V105 MMBT3904_DNS V105 MMBT3904_DNS C114 30pF C114 30pF C108 0.047uF C108 0.047uF VD103 ISS110 VD103 ISS110 C121 1000pF-NPO C121 1000pF-NPO + C135 220uF/10V + C135 220uF/10V C124 0.01uF C124 0.01uF R127 1K R127 1K R113 220 R113 220 + C132 22uF_E + C132 22uF_E R116 47 R116 47 1 2 L101 600_Ohm_1.5A L101 600_Ohm_1.5A V104 MMBT3904 V104 MMBT3904 R128 33 R128 33 C139 0.01uF C139 0.01uF C143 0.047uF C143 0.047uF R111 10K_DNS R111 10K_DNS C102 0.47uF C102 0.47uF R106 3.3K R106 3.3K C136 0.1uF C136 0.1uF C118 1000pF C118 1000pF C109 1500pF C109 1500pF C123 0.01uF C123 0.01uF C150 56pF C150 56pF C110 0.22uF C110 0.22uF C116 1000pF-NPO C116 1000pF-NPO R100 1K R100 1K PDF ��� "PDF ����" ����� ����� �

标签:

版权声明

1. 本站所有素材,仅限学习交流,仅展示部分内容,如需查看完整内容,请下载原文件。
2. 会员在本站下载的所有素材,只拥有使用权,著作权归原作者所有。
3. 所有素材,未经合法授权,请勿用于商业用途,会员不得以任何形式发布、传播、复制、转售该素材,否则一律封号处理。
4. 如果素材损害你的权益请联系客服QQ:77594475 处理。