康佳LC15AS61液晶电视35014119板(MST721机芯)电路图

分类:电子电工 日期: 点击:0
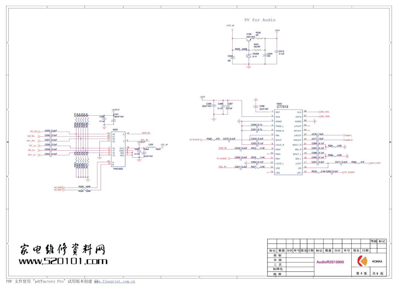
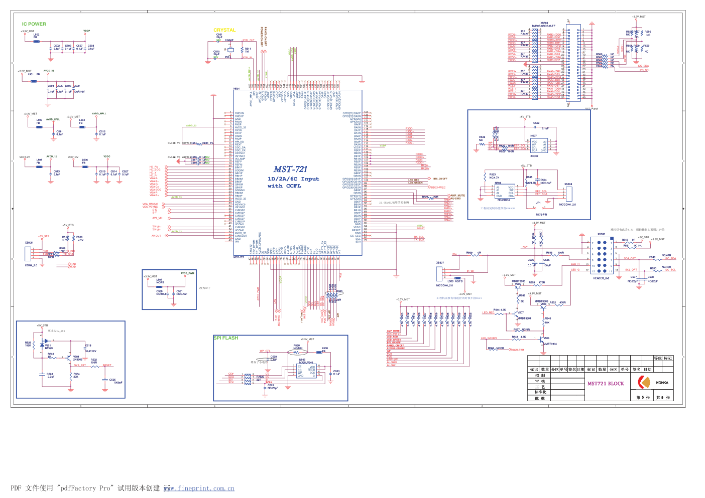
康佳LC15AS61液晶电视35014119板(MST721机芯)电路图-0 康佳LC15AS61液晶电视35014119板(MST721机芯)电路图-1 康佳LC15AS61液晶电视35014119板(MST721机芯)电路图-2 康佳LC15AS61液晶电视35014119板(MST721机芯)电路图-3 康佳LC15AS61液晶电视35014119板(MST721机芯)电路图-4 康佳LC15AS61液晶电视35014119板(MST721机芯)电路图-5 康佳LC15AS61液晶电视35014119板(MST721机芯)电路图-6

5 5 4 4 3 3 2 2 1 1 D D C C B B A A +12V +12V BLON PWM 3.3V_Stb 3.3V_Stb +12V VCC1.2V +5V_STB VCC12V +5V_STB +3.3V_MST VCC-Panel VCC12V +5V_STB +5V_STB VCC12V AGND +12V_all +12V_all +5V_STB +3.3V_MST +5V_Tuner AGND AGND AGND AGND AGND AGND AGND AGND AGND VCC12V +5V_STB +3.3V_MST +5V_all +5V_Tuner BRI_ADJ BRI_ON/OFF PANEL-ON/OFF POWER-ON/OFF �� �� �� �� � � ��� � � � � � � ���� �� �� �� �� �� �� �� �� � � � � KONKA system power 9 1 �� �� �� �� � � ��� � � � � � � ���� �� �� �� �� �� �� �� �� � � � � KONKA system power 9 1 �� �� �� �� � � ��� � � � � � � ���� �� �� �� �� �� �� �� �� � � � � KONKA system power 9 1 Vout=0.923*(1+R1/R2) 5v:R1/R2=4.42 R2=75K,5V=5.12V R2=91K,5V=5.0V ��250mA �����0.45W�� R1 ������ ��150mA �����0.57W�� ����,������� ���� 1 2 3 V809 2N3904 V809 2N3904 C834 NC/0.1uF C834 NC/0.1uF + C832 100uF/16V + C832 100uF/16V 1 2 L814 L814 R827 82K R827 82K R833 NC/1K R833 NC/1K C851 0.1u/25V C851 0.1u/25V R801 1K R801 1K R805 100R R805 100R R820 4.7K R820 4.7K 1 2 L813 NC/0603_600mA L813 NC/0603_600mA + C845 220uF/16V + C845 220uF/16V + C848 220uF/16V + C848 220uF/16V R822 4.7K R822 4.7K C835 0.1uF C835 0.1uF C839 0.1uF C839 0.1uF + C844 220uF/16V + C844 220uF/16V + C825 NC/47uF/16V + C825 NC/47uF/16V + C821 47uF/16V + C821 47uF/16V R806 4.7K R806 4.7K C827 0.1uF C827 0.1uF F802 5A F802 5A R817 100K R817 100K 1 2 3 V806 2N3904 V806 2N3904 R809 1K R809 1K 1 2 L807 0805_2A L807 0805_2A C801 0.1uF C801 0.1uF S 1 S 2 S 3 G 4 D 8 D 7 D 6 D 5 N802 9435A N802 9435A 3 2 1 4 ADJ OUT IN N804 AMS1117-ADJ ADJ OUT IN N804 AMS1117-ADJ R824 NC R824 NC 3 2 1 4 ADJ OUT IN N805 NC/AMS1117-3.3 ADJ OUT IN N805 NC/AMS1117-3.3 C812 0.1uF C812 0.1uF 1 2 L804 0805_2A L804 0805_2A R838 27K R838 27K R802 1K R802 1K R831 10K R831 10K 1 2 L817 0805_2A L817 0805_2A + C823 100uF/16V + C823 100uF/16V + C813 470uF/25V + C813 470uF/25V C838 0.1uF C838 0.1uF R825 NC R825 NC + C850 470u/25V + C850 470u/25V + C824 NC/47uF/16V + C824 NC/47uF/16V C843 0.1uF C843 0.1uF C836 0.1uF C836 0.1uF R828 NC/0R R828 NC/0R C809 0.1uF C809 0.1uF + C846 220uF/16V + C846 220uF/16V C803 0.1uF C803 0.1uF C840 0.1uF C840 0.1uF 3 2 1 4 GND IN OUT N803 LM7805 GND IN OUT N803 LM7805 C842 0.1uF C842 0.1uF R810 4.7K R810 4.7K R816 NC/1K R816 NC/1K C830 0.1uF C830 0.1uF R821 100K R821 100K 1 2 3 V808 2N3904 V808 2N3904 C841 0.1uF C841 0.1uF R835 0R R835 0R D 3 1 G S 2 V805 PMV65XP/NC V805 PMV65XP/NC C817 3300pF C817 3300pF C847 0.1uF C847 0.1uF R815 10K R815 10K R839 12K_1% R839 12K_1% R829 12K_1% R829 12K_1% 1 2 L816 0805_2A L816 0805_2A V810 3CG751 V810 3CG751 1 2 3 XS804 DC_JACK_0 XS804 DC_JACK_0 1 2 3 V807 2N3904 V807 2N3904 C820 NC/180pF C820 NC/180pF C819 NC/180pF C819 NC/180pF 1 2 L812 0603_600mA L812 0603_600mA 1 2 L810 NC/0805_2A L810 NC/0805_2A R826 47K R826 47K 1 2 L806 0805_2A L806 0805_2A L822 10uH L822 10uH + C826 220uF/16V + C826 220uF/16V R818 100K R818 100K R819 390K R819 390K C833 3300pF C833 3300pF 1 2 3 V804 2N3904 V804 2N3904 + C828 100uF/16V + C828 100uF/16V R823 0R R823 0R C816 0.01uF C816 0.01uF R830 4.7K R830 4.7K C837 0.1uF C837 0.1uF R840 68K R840 68K + C822 47uF/16V + C822 47uF/16V 1 2 L815 NC/0805_2A L815 NC/0805_2A C818 0.01uF C818 0.01uF 1 2 L811 0805_2A L811 0805_2A R837 390K R837 390K IN 2 GND 4 BS 1 FB 5 COMP 6 EN 7 SS 8 SW 3 N801 MP1482DS N801 MP1482DS C829 NC/0.1uF C829 NC/0.1uF R834 0R R834 0R + C808 10uF/16V + C808 10uF/16V L821 10uH L821 10uH VD203 NC VD203 NC R832 10K R832 10K + C831 47uF/16V + C831 47uF/16V R836 10K R836 10K 1 2 L805 NC/0805_2A L805 NC/0805_2A 1 2 3 4 5 6 XS801 XS801 IN 2 GND 4 BS 1 FB 5 COMP 6 EN 7 SS 8 SW 3 N806 MP1482DS N806 MP1482DS 1 2 3 V801 2N3904 V801 2N3904 PDF ���� "pdfFactory Pro" ������ �� www.fineprint.com.cn 5 5 4 4 3 3 2 2 1 1 D D C C B B A A SVIDEO-Y SVIDEO-Y Pb Y AV1 SVIDEO-C SVIDEO-C AV1-Lin Y Pb HD-L AV1-Rin HD-R AV1-Rin Pr Pb Y Pr CVBS-OUT CVBS-OUT CVBS-OUTR CVBS-OUTL CVBS-OUT CVBS-OUTL CVBS-OUTR +5V_all +5V_all +5V_all +5V_all AV1_VIN AV1_Lin AV1_Rin S-C S-Y HD_SOG HD_Pb HD_Pr HD_Y HD_Lin HD_Rin Pr PC_Lin PC_Rin AV-OUT AV-R-OUT AV-L-OUT �� �� �� �� � � ��� � � � � � � ���� ���� �� �� �� �� �� �� � � � � KONKA AVIN/OUT&S-VIDEO 9 2 �� �� �� �� � � ��� � � � � � � ���� ���� �� �� �� �� �� �� � � � � KONKA AVIN/OUT&S-VIDEO 9 2 �� �� �� �� � � ��� � � � � � � ���� ���� �� �� �� �� �� �� � � � � KONKA AVIN/OUT&S-VIDEO 9 2 Close to MST IC Close to MST IC Close to MST IC R623 47R R623 47R C650 10UF C650 10UF R611 47R R611 47R 1 2 3 V608 MMBT3904 V608 MMBT3904 1 3 2 C C D ESD VD616 PESD3V3L2BT C C D ESD VD616 PESD3V3L2BT R619 2K R619 2K C640 470pF C640 470pF R615 2K R615 2K R626 75R R626 75R R620 47K R620 47K R630 2K R630 2K R655 2K R655 2K R617 2K R617 2K + C624 10uF/16V + C624 10uF/16V R625 75R R625 75R R694 15K R694 15K R637 1.2k R637 1.2k R616 47K R616 47K R627 75R R627 75R C639 470pF C639 470pF 1 3 2 C C D ESD VD619 PESD3V3L2BT C C D ESD VD619 PESD3V3L2BT 1 3 2 C C D ESD VD618 PESD3V3L2BT C C D ESD VD618 PESD3V3L2BT C617 47nF C617 47nF 1 2 3 5 4 6 VD601 IP4223CZ6 VD601 IP4223CZ6 R602 75R R602 75R C612 470pF C612 470pF C615 1000pF C615 1000pF 1 1 2 2 3 3 4 4 5 5 6 6 7 7 8 8 9 9 10 10 11 12 13 14 15 15 XS802 CON XS802 CON 3 12 2 10 8 6 5 7 9 1 11 V Y PB XS601 KON-S+AV V Y PB XS601 KON-S+AV C606 47nF C606 47nF R693 27k R693 27k R604 75R R604 75R R618 47K R618 47K 1 2 3 5 4 6 VD602 IP4223CZ6 VD602 IP4223CZ6 R624 47R R624 47R 1 2 L601 1K_Ohm_100mA L601 1K_Ohm_100mA R603 47R R603 47R 1 3 2 C C D ESD VD617 PESD3V3L2BT C C D ESD VD617 PESD3V3L2BT C619 470pF C619 470pF R621 47R R621 47R R640 75R R640 75R C649 0.1uF C649 0.1uF C610 47nF C610 47nF 1 3 2 V609 MMBT3906 V609 MMBT3906 R665 47K R665 47K R601 47R R601 47R R622 470R R622 470R R657 2K R657 2K C613 470pF C613 470pF C620 470pF C620 470pF R638 1.2k R638 1.2k C616 47nF C616 47nF R639 2k R639 2k R629 47K R629 47K R660 47K R660 47K C614 47nF C614 47nF 1 2 3 4 12 XS603A AV_AUDIO_IN XS603A AV_AUDIO_IN 3 1 2 D618 BAV99 D618 BAV99 5 6 7 8 11 XS603B AV_AUDIO_IN XS603B AV_AUDIO_IN R614 75R R614 75R C608 47nF C608 47nF PDF ���� "pdfFactory Pro" ������ �� www.fineprint.com.cn 5 5 4 4 3 3 2 2 1 1 D D C C B B A A VGA_B VGA_G VGA_R VGA_B VGA_G HSYNC VGA_SCL VGA_SDA VGA_R VSYNC +5V_VGA +5V_all +5V_VGA VGA_HSYNC VGA_VSYNC VGA-R- VGA-B- VGA-G- VGA-R+ VGA-G+ VGA-B+ VGA-SOG TXD RXD DDC/HWI2C �� �� �� �� � � ��� � � � � � � ���� �� �� �� �� �� �� �� �� � � � � KONKA VGA&HDMI 9 3 �� �� �� �� � � ��� � � � � � � ���� �� �� �� �� �� �� �� �� � � � � KONKA VGA&HDMI 9 3 �� �� �� �� � � ��� � � � � � � ���� �� �� �� �� �� �� �� �� � � � � KONKA VGA&HDMI 9 3 VGA DDC/HWI2C PIN98 0 1 RGB INPUT S/W UPDATE Close to MST IC R650 75R R650 75R VD607 5.6V VD607 5.6V R659 100R R659 100R R654 100R R654 100R 5 10 4 9 3 8 2 7 1 15 14 13 12 11 6 16 17 XS608 VGA XS608 VGA C634 NC C634 NC R656 10K R656 10K C637 47nF C637 47nF R661 100R R661 100R R672 75R R672 75R VD608 5.6V VD608 5.6V VD610 5.6V VD610 5.6V R647 75R R647 75R NC 1 NC 2 NC 3 GND 4 SDA 5 SCL 6 VCLK 7 VCC 8 N605 24C02 N605 24C02 C645 0.1uF C645 0.1uF R663 100R R663 100R R699 22K R699 22K R610 1K R610 1K R648 470R R648 470R C628 47nF C628 47nF 3 1 2 V610 BAT54C V610 BAT54C R606 4.7K R606 4.7K IN 1 S1A 2 S2A 3 DA 4 S1B 5 S2B 6 DB 7 GND 8 DC 9 S2C 10 S1C 11 DD 12 S2D 13 S1D 14 /EN 15 VCC 16 N607 PI5V330A N607 PI5V330A R642 33R R642 33R C631 1nF C631 1nF C635 47nF C635 47nF C629 47nF C629 47nF R609 NC R609 NC R662 100R R662 100R R608 10K R608 10K C636 47nF C636 47nF R644 33R R644 33R R664 22K R664 22K VD611 5.6V VD611 5.6V R671 75R R671 75R R607 10K R607 10K 1 2 3 5 4 6 VD606 IP4223CZ6 VD606 IP4223CZ6 R646 33R R646 33R R649 75R R649 75R R605 NC R605 NC C630 47nF C630 47nF R653 100R R653 100R C644 NC C644 NC R673 75R R673 75R R658 NC R658 NC PDF ���� "pdfFactory Pro" ������ �� www.fineprint.com.cn 5 5 4 4 3 3 2 2 1 1 D D C C B B A A SAW-SW IF IF_OUT IF-AGC IF_OUT IF IF IF-AGC IF TV-V IF_OUT AGND AGND AGND AGND AGND AGND +5V_Tuner AGND AGND AGND AGND AGND +12V_all +5V_Tuner AGND AGND AGND +5V_Tuner AGND AGND AGND +5V_Tuner AGND AGND AGND AGND AGND AGND AGND AGND AGND AGND AGND AGND AGND AGND AGND AGND I2C_SDA I2C_SCL SAW-SW1 AFC FM1 FM0 TV-Vin+ TV-Vin- SAW-SW1 SAW-SW TV_AUDIO �� �� �� �� � � ��� � � � � � � ���� �� �� �� �� �� �� �� �� � � � � KONKA 9 4 �� �� �� �� � � ��� � � � � � � ���� �� �� �� �� �� �� �� �� � � � � KONKA 9 4 �� �� �� �� � � ��� � � � � � � ���� �� �� �� �� �� �� �� �� � � � � KONKA 9 4 ADDR: 0xC0 MAIN TUNER �PCB����09.1.15 Close to MST IC 09.14 09.14 0.1uF����� Tuner+IF FM1/ PIN76 FLT PIN53 Frequency PAL/NTSC 0 0 6.5MHz 0 1 6.0MHz 1 0 5.5MHz 1 1 4.5MHz - - 1 - - - - FM0/ PIN75 PAL C151 0.1uF C151 0.1uF R140 75R R140 75R C175 NC/330pF C175 NC/330pF C171 0.01uF C171 0.01uF R188 0R R188 0R R128 1K R128 1K R176 2.2K R176 2.2K R125 1K R125 1K 1 2 3 V107 2N3904 V107 2N3904 C163 0.01uF C163 0.01uF + C152 100uF/16V + C152 100uF/16V R131 75R R131 75R AGC 1 TU 2 AS 3 SCL 4 SDA 5 NC 6 VCC 7 ADC/NC 8 VT/NC 9 IF2/NC 10 IF1 11 G1 12 G2 13 G3 14 G4 15 N100 AFT1/3000 N100 AFT1/3000 R138 330R R138 330R IN1 1 IN2 2 GND 3 OUT1 4 OUT2 5 Z103 K6274D Z103 K6274D C176 47nF C176 47nF R129 100K R129 100K R130 12K_1% R130 12K_1% C156 0.1uF C156 0.1uF R137 220R R137 220R L103 10uH L103 10uH R183 NC/0R R183 NC/0R VIF1 1 VIF2 2 IC 3 FMPLL 4 DEEM 5 AFD 6 DGND 7 FMSO 8 TOP 9 FM1 10 FM0 11 QSSO 12 VIF0 13 TAGC 14 REF 15 AMUTE0 16 CVBS 17 AGND 18 VPLL 19 VP 20 AFC 21 VAGC 22 SIF1 23 SIF2 24 TDA9881 N101 TDA9881 N101 TP401 TP_C30 TP401 TP_C30 R180 10R R180 10R R173 22K R173 22K + C160 100uF/16V + C160 100uF/16V R136 100R R136 100R R126 75R R126 75R 1 2 L108 600_Ohm_1.5A L108 600_Ohm_1.5A C108 22pF C108 22pF C153 1000pF C153 1000pF R133 100R R133 100R R175 2.2K R175 2.2K 1 2 L111 1K_Ohm_100mA L111 1K_Ohm_100mA C177 47nF C177 47nF VD104 ISS110 VD104 ISS110 R139 22K R139 22K R127 33R R127 33R VD105 ISS110 VD105 ISS110 R121 10R R121 10R 1 2 3 V108 2N3904 V108 2N3904 R185 2.2K R185 2.2K R181 4.7K R181 4.7K + C155 22uF/16V + C155 22uF/16V + C162 100uF/16V + C162 100uF/16V C159 0.01uF C159 0.01uF C178 22pF C178 22pF R182 NC/0R R182 NC/0R R174 4.7K R174 4.7K R172 10K R172 10K R178 75R R178 75R C154 0.1uF C154 0.1uF R124 270R R124 270R R123 0R R123 0R R184 15K R184 15K C180 0.01uF C180 0.01uF R179 47R R179 47R C172 0.47uF C172 0.47uF C170 0.01uF C170 0.01uF 1 2 L112 1K_Ohm_100mA L112 1K_Ohm_100mA R170 NC/0R R170 NC/0R 1 2 3 V110 2N3904 V110 2N3904 C164 0.022uF C164 0.022uF C161 22pF C161 22pF IN1 1 IN2 2 GND 3 OUT1 4 OUT2 5 Z102 K9450M Z102 K9450M C174 NC/330pF C174 NC/330pF C110 22pF C110 22pF 1 2 3 Z104 4.000MHz Z104 4.000MHz R187 4.7K R187 4.7K R132 9.1K R132 9.1K R167 7.5K R167 7.5K Rp101 20K Rp101 20K R186 NC/0R R186 NC/0R R122 10R R122 10R C157 0.1uF C157 0.1uF R171 2.2K R171 2.2K R168 NC/22K R168 NC/22K R177 NC/4.7K R177 NC/4.7K C165 1500pF C165 1500pF RG102 RG102 C173 NC/0.015uF C173 NC/0.015uF L102 0R L102 0R C179 NC/0.01uF C179 NC/0.01uF C166 0.1uF C166 0.1uF C169 0.01uF C169 0.01uF R189 10K R189 10K C158 1000pF-NPO C158 1000pF-NPO V106 2SC388A V106 2SC388A R169 15K R169 15K PDF ���� "pdfFactory Pro" ������ �� www.fineprint.com.cn 5 5 4 4 3 3 2 2 1 1 D D C C B B A A I2C_SDA I2C_SCL AVDD_MPLL VDDC AVDD_33 RESET AVDD_33 AVDD_33 XTAL_IN VDDC VDDP AVDD_LPLL VDDP KEY CE# VDDP SDO SDI SCK WP CS SO SI SCLK TX_SDA IRin RX_SCL CE# SDO SDI SCK WP_CTL SYS_RST RESET LED_GREEN AMP_MUTE EEP_SCL EEP_SDA SCLK XTAL_OUT AVDD_12 VDDP LED_RED VDDC AVDD_PWM WP BRI_ON/OFF PANEL-ON/OFF POWER-ON/OFF WP DDC/HWI2C LED_R I2C_SCL SCL_OPT I2C_SDA SDA_OPT LED_G LED_GREEN LED_RED FM1 FM0 RX_SCL TXD RXD TX_SDA AU-SW0 SAW-SW WP_CTL I2C_SCL I2C_SDA KEY AU-SW1 RXE3- RXEC+ RXEC- RXE3+ RXE2- RXE2+ RXE1+ RXE1- RXE0- RXE0+ RXO3- RXO3+ RXOC+ RXOC- RXO0- RXO2+ RXO2- RXO0+ RXO1- RXO1+ RXE2- RXE2+ RXEC- RXO2- RXE3- RXE3+ RXO1+ RXE1+ RXO2+ RXEC+ RXOC+ RXO3- RXO3+ RXE0- RXOC- RXO0- RXA0+/DG2 RXA0-/DG3 RXB0-/DR7 RXB0+/DR6 RXBC-/DR1 RXB2+/DR2 RXB1+/DR4 RXB2-/DR3 RXB1-/DR5 RXBC+/DR0 RXB3+/DG6 RXB3-/DG7 RXA2+/DB6 RXA1-/DG1 RXA1+/DG0 RXA3-/DB3 RXAC-/DB5 RXAC+/DB4 RXA2-/DB7 RXA3+/DB2 RXE0+ RXO0+ RXE1- RXO1- ODSEL2 ODSEL1 SELVDS I2C_SDA I2C_SCL LED_RED LED_GREEN IRin IR_WL EEP_SCL EEP_SDA AVDD_LPLL +5V_STB +3.3V_MST +3.3V_MST +3.3V_MST VCC1.2V VCC1.2V VDDP AVDD_33 AVDD_MPLL AVDD_12 VDDC +3.3V_MST +3.3V_MST +5V_STB +3.3V_MST AVDD_PWM +3.3V_MST +3.3V_MST +5V_STB +3.3V_MST +5V_STB +5V_STB VCC-Panel +3.3V_MST +3.3V_MST +3.3V_MST +3.3V_MST +5V_STB VGA_HSYNC VGA_VSYNC VGA-B- VGA-SOG VGA-G- VGA-R+ HD_Pb HD_Y HD_SOG HD_Pr S-C S-Y AV1_VIN TV-Vin+ TV-Vin- AMP_MUTE PANEL-ON/OFF POWER-ON/OFF I2C_SDA I2C_SCL BRI_ADJ BRI_ON/OFF VGA-R- VGA-G+ VGA-B+ AU-SW0 TXD RXD DDC/HWI2C AFC FM0 FM1 SAW-SW AU-SW1 AV-OUT SAW-SW1 �� �� �� �� � � ��� � � � � � � ���� �� �� �� �� �� �� �� �� � � � � KONKA MST721 BLOCK 9 5 �� �� �� �� � � ��� � � � � � � ���� �� �� �� �� �� �� �� �� � � � � KONKA MST721 BLOCK 9 5 �� �� �� �� � � ��� � � � � � � ���� �� �� �� �� �� �� �� �� � � � � KONKA MST721 BLOCK 9 5 IC POWER SPI FLASH CRYSTAL CLOSE TO MST719 CLOSE TO MST719 21.6PANEL������ ������3.3V��������3.3V� ���5V_STB ��NC� ������ ��������������R569 ���������EEPROM R507 4.7K R507 4.7K 1 2 3 V507 MMBT3904 V507 MMBT3904 C503 0.1uF C503 0.1uF R511 1M R511 1M C516 0.1uF50V C516 0.1uF50V R503 4.7K R503 4.7K R546 100R R546 100R C506 0.1uF C506 0.1uF 1 2 3 4 5 6 7 8 RA440 33R RA440 33R 1 2 3 4 5 6 7 8 RA438 33R RA438 33R R545 10K R545 10K L503 FB L503 FB C507 0.1uF C507 0.1uF R512 4.7K R512 4.7K 1 2 3 4 XS508 NC/CON4_2.0 XS508 NC/CON4_2.0 L508 FB L508 FB R537 4.7K R537 4.7K R541 22R R541 22R R560 NC R560 NC R528 100K R528 100K R556 NC R556 NC A0 1 A1 2 A2 3 GND 4 SDA 5 SCL 6 WP 7 VCC 8 N504 NC/24C04 N504 NC/24C04 C535 100pF C535 100pF R532 100R R532 100R R518 4.7K R518 4.7K R563 NC R563 NC R567 NC/0R R567 NC/0R R539 4.7K R539 4.7K C511 0.1uF C511 0.1uF R565 NC R565 NC R551 1K_1% R551 1K_1% R547 4.7K R547 4.7K R509 4.7K R509 4.7K R552 470R R552 470R C521 NC/0.1uF C521 NC/0.1uF C515 0.1uF C515 0.1uF R533 NC/4.7K R533 NC/4.7K 1 2 3 Z501 12MHZ Z501 12MHZ R548 0R R548 0R R569 0R R569 0R C527 0.1uF C527 0.1uF C536 0.01uF C536 0.01uF R543 4.7K R543 4.7K R566 NC R566 NC 1 1 3 3 5 5 7 7 9 9 2 2 4 4 6 6 8 8 10 10 12 12 11 11 XS506 HEADER_6x2 XS506 HEADER_6x2 R513 4.7K R513 4.7K R530 NC/10K R530 NC/10K R510 4.7K R510 4.7K C504 0.1uF C504 0.1uF C526 NC/22pF C526 NC/22pF R519 100R R519 100R 1 3 2 V504 2N3906 V504 2N3906 C538 NC/22pF C538 NC/22pF GND 82 PWMD1 66 PWMD0 65 BIN0P 25 BIN0M 24 GIN0P 27 GIN0M 26 RIN0P 30 RIN0M 29 CVBS5P 35 VCOM1 40 REFP 18 VDDP 58 GPIO[0] 74 GPIO[3] 77 SAR0 55 SAR1 56 SAR2 57 VDDC 67 SCK 68 SDI 69 SDO 70 CSN 71 AVDD_33 6 SOGIN0 28 GPIO[28] 94 SCL 80 RESET 83 DEO 146 VSYNCO 145 CLKO 147 HSYNCO 144 BA2N 115 BA2P 116 BA1N 117 BA1P 118 GPIO[22]/GA3N 123 GPIO[21]/GA3P 124 REFM 19 RB3N 104 RB3P 105 RB2N 106 RB2P 107 RB1N 108 RB1P 109 BA3N 113 GPIO[1] 75 GPIO[2] 76 INT 78 SDA 79 VDDC 142 BB3P 87 BB2N 88 BB2P 89 BB1N 90 BB1P 91 GB3N 96 BB3N 86 AVDD_LPLL 141 AVDD_12 153 XOUT 154 XIN 155 AVDD_MPLL 156 RXCKN 1 VCLAMP 17 VIN 46 FAULTZ 47 FB2_DPWM 48 FB1_DPWM 49 AVDD_DPWMADC 50 Q2 51 Q1 52 RXCKP 2 GND 3 RX0N 4 RX0P 5 RX1N 7 RX1P 8 RX2N 9 RX2P 10 HPLUG 11 REXT 12 DDC_DA 13 DDC_CK 14 HSYNC1 15 VSYNC1 16 BIN1P 20 SOGIN1 21 GIN1P 22 RIN1P 23 AVDD_33 31 GND 32 HSYNC0 33 VSYNC0 34 CVBS4P 36 CVBS3P 37 CVBS2P 38 CVBS1P 39 CVBS0P 41 VCOM0 42 AVDD_33 43 CVBSOUT 44 GND 45 QOR 53 GND 54 MCKO 59 AMUTE 60 AUWS 61 AUSCK 62 AUSD 63 SPDIFO 64 UART1_RX 72 UART1_TX 73 CS_CEC 81 VDDC 84 GND 85 BB0N 92 BB0P 93 GPIO[27] 95 GB3P 97 GPIO[26]/GB2N 98 GPIO[25]/GB2P 99 GPIO[24]/GB1N 100 GPIO[23]/GB1P 101 GB0P 103 GB0N 102 RB0P 111 RB0N 110 VDDP 112 BA3P 114 BA0P 120 BA0N 119 GPIO[30] 121 GPIO[29] 122 GPIO[20]/GA2N 125 GPIO[19]/GA2P 126 GND 127 GPIO[18]/GA1N 128 GPIO[17]/GA1P 129 GA0P 131 GA0N 130 GPIO[16]/RA3N 132 GPIO[15]/RA3P 133 GPIO[14]/RA2N 134 GPIO[13]/RA2P 135 GPIO[12]/RA1N 136 GPIO[11]/RA1P 137 RA0P 139 RA0N 138 VDDP 140 GND 143 GPIO[10] 148 GPIO[9] 149 VDDP 150 GPIO[6] 151 GPIO[7] 152 1D/2A/6C Input with CCFL MST-721 N501 MST-721 1D/2A/6C Input with CCFL MST-721 N501 MST-721 R555 4.7K R555 4.7K 1 2 3 4 5 6 7 8 RA429 33R RA429 33R R544 4.7K R544 4.7K R523 22R R523 22R R522 33K R522 33K 1 2 3 4 5 6 7 8 RA529 22R RA529 22R C520 NC/10uF C520 NC/10uF C517 0.1uF50V C517 0.1uF50V L506 FB L506 FB L505 FB L505 FB R529 100R R529 100R R568 NC/0R R568 NC/0R C512 0.1uF C512 0.1uF C514 0.1uF C514 0.1uF R542 10K R542 10K C502 0.1uF C502 0.1uF C501 22pF 50V C501 22pF 50V R527 100R R527 100R 1 2 3 4 XS507 NC/CON4_2.0 XS507 NC/CON4_2.0 R559 NC R559 NC R557 NC R557 NC C523 0.1uF C523 0.1uF C528 2.2uF C528 2.2uF R521 100R R521 100R R515 4.7K R515 4.7K 1 2 JP1 NC/2-PIN JP1 NC/2-PIN C522 0.1uF C522 0.1uF 1 3 2 V505 MMBT3906 V505 MMBT3906 C524 NC/0.1uF C524 NC/0.1uF L509 NC/FB L509 NC/FB 1 2 3 4 5 6 7 8 9 10 11 12 13 14 15 16 17 18 19 20 21 22 23 24 25 26 27 28 29 30 31 32 33 34 35 36 37 38 39 40 G1 G2 41 43 45 47 49 42 44 46 50 48 XS504 BM50B-SRDS-G-TF XS504 BM50B-SRDS-G-TF R517 4.7K R517 4.7K C508 0.1uF C508 0.1uF 1 2 3 4 XS505 CON4_2.0 XS505 CON4_2.0 R508 4.7K R508 4.7K 1 2 3 V506 MMBT3904 V506 MMBT3904 R562 NC R562 NC C519 0.1uF50V C519 0.1uF50V L502 FB L502 FB R531 1K R531 1K 1 2 3 4 5 6 7 8 RA436 33R RA436 33R R538 4.7K R538 4.7K R561 NC R561 NC C505 0.1uF C505 0.1uF R553 470R R553 470R R514 390R_1% R514 390R_1% C537 NC/22pF C537 NC/22pF R564 NC R564 NC R550 NC/47R R550 NC/47R R540 22R R540 22R 1 3 2 V508 MMBT3906 V508 MMBT3906 C509 10uF/16V C509 10uF/16V R535 NC/4.7K R535 NC/4.7K C525 1000pF C525 1000pF L504 FB L504 FB 3 2 1 V501 BAV99 V501 BAV99 R516 4.7K R516 4.7K L507 NC/FB L507 NC/FB R534 22K R534 22K 1 2 3 4 5 6 7 8 RA437 33R RA437 33R C529 0.1uF C529 0.1uF C513 0.1uF C513 0.1uF R554 10K R554 10K R506 4.7K R506 4.7K C518 10uF/16V C518 10uF/16V R525 4.7K R525 4.7K 1 2 3 4 5 6 7 8 RA439 33R RA439 33R R520 22R R520 22R C510 22pF 50V C510 22pF 50V A0 1 A1 2 A2 3 GND 4 SDA 5 SCL 6 WP 7 VCC 8 N507 24C32 N507 24C32 R526 NC R526 NC R549 NC/47R R549 NC/47R R558 NC R558 NC CS 1 SO 2 WP 3 GND 4 SI 5 SCK 6 HOLD 7 VCC 8 N506 MX25LV040 N506 MX25LV040 L501 FB L501 FB PDF ���� "pdfFactory Pro" ������ �� www.fineprint.com.cn 5 5 4 4 3 3 2 2 1 1 D D C C B B A A AUL_IN AUR_IN AUR_IN AUL_IN +9VA +12V_all +5V_all +5VBUF +5VBUF +9VA AU-SW0 AU-SW1 AV1_Lin PC_Lin PC_Rin HD_Rin AV1_Rin HD_Lin AMP-R TV_AUDIO TV_AUDIO I2C_SDA I2C_SCL AV-L-OUT AV-R-OUT AMP-L �� �� �� �� � � ��� � � � � � � ���� �� �� �� �� �� �� �� �� � � � � KONKA AudioR2S15900 9 6 �� �� �� �� � � ��� � � � � � � ���� �� �� �� �� �� �� �� �� � � � � KONKA AudioR2S15900 9 6 �� �� �� �� � � ��� � � � � � � ���� �� �� �� �� �� �� �� �� � � � � KONKA AudioR2S15900 9 6 9V for Audio R279 2.4K R279 2.4K C292 0.1uF C292 0.1uF R269 47K R269 47K + C167 100uF/16V + C167 100uF/16V C290 2.7n C290 2.7n C251 2.2uF C251 2.2uF R270 47K R270 47K C266 0.1uF C266 0.1uF C286 22uF/16V C286 22uF/16V R271 47K R271 47K C264 0.1uF C264 0.1uF C253 2.2uF C253 2.2uF + C284 47uF/16V + C284 47uF/16V c217 10uF c217 10uF R274 2.4K R274 2.4K C255 2.2uF C255 2.2uF R268 47K R268 47K C257 2.2uF C257 2.2uF C259 2.2uF C259 2.2uF C267 0.1uF C267 0.1uF c218 10uF c218 10uF R265 47K R265 47K C270 2.2uF C270 2.2uF R259 100R R259 100R C291 2.7n C291 2.7n VDD 2 AGND 3 TREB_L 4 TREB_R 5 RIN 6 ROUT 7 LOUD_R 8 RIN3 9 RIN2 10 RIN1 11 LOUD_L 12 LIN3 13 LIN2 14 REF 1 CLK 28 LIN1 15 LIN 16 LOUT 17 BIN_L 18 BOUT_L 19 BIN_R 20 BOUT_R 21 RROUT 22 LROUT 23 RFOUT 24 LFOUT 25 DGND 26 DATA 27 N203 CT7313 N203 CT7313 C287 0.01uF C287 0.01uF R282 470 R282 470 X0 12 X1 14 X2 15 X3 11 Y0 1 Y1 5 Y2 2 Y3 4 A 10 B 9 X 13 Y 3 VCC 16 GND 8 INH 6 VEE 7 N202 74HC4052 N202 74HC4052 R276 2.4K R276 2.4K C288 0.1uF C288 0.1uF + C243 NC + C243 NC C250 2.2uF C250 2.2uF R267 47K R267 47K C210 0.1uF C210 0.1uF C285 0.1uF C285 0.1uF R280 5.6K R280 5.6K C289 22uF/16V C289 22uF/16V R255 100R R255 100R C260 2.2uF C260 2.2uF C268 2.2uF C268 2.2uF R230 0R R230 0R R264 47K R264 47K R231 NC/0R R231 NC/0R R277 2.4K R277 2.4K V109 2SC1815 V109 2SC1815 VD208 9.1V VD208 9.1V R283 470 R283 470 L203 10uH L203 10uH C265 0.1uF C265 0.1uF R281 5.6K R281 5.6K C256 2.2uF C256 2.2uF + C244 NC + C244 NC C258 2.2uF C258 2.2uF C261 2.2uF C261 2.2uF C263 2.2uF C263 2.2uF C271 2.2uF C271 2.2uF R260 47K R260 47K C252 0.1uF C252 0.1uF R262 47K R262 47K R229 220R R229 220R R266 47K R266 47K R261 47K R261 47K C269 0.1uF C269 0.1uF R263 47K R263 47K PDF ���� "pdfFactory Pro" ������ �� www.fineprint.com.cn 5 5 4 4 3 3 2 2 1 1 D D C C B B A A MODE VCC_AMP SPK_R SPK_L +5V_all VCC12V +12V_all VCC_AMP +5V_all +5V_all Pr I2C_SDA I2C_SCL POWER-ON/OFF AMP_MUTE 2 AMP-L AMP-R �� �� �� �� � � ��� � � � � � � ���� �� �� �� �� �� �� �� �� � � � � KONKA 9 7 �� �� �� �� � � ��� � � � � � � ���� �� �� �� �� �� �� �� �� � � � � KONKA 9 7 �� �� �� �� � � ��� � � � � � � ���� �� �� �� �� �� �� �� �� � � � � KONKA 9 7 Audio AMP standby:0�0.8V mute:4.5�Vcc-3.5V on:Vcc-2V�Vcc Vcc=12V SPEAKER_R SPEAKER_L MUTE:H STANDBY:H 4���4W TFA9843BJ C213 NC/0.1uF C213 NC/0.1uF R252 NC/0 R252 NC/0 + C221 47uF/16V + C221 47uF/16V R256 NC/0 R256 NC/0 VD204 NC/1N4148 VD204 NC/1N4148 R213 1K R213 1K R218 15K R218 15K 3 1 2 D206 BAV99 D206 BAV99 + C234 10uF/16V + C234 10uF/16V R253 NC/0 R253 NC/0 R257 NC/0 R257 NC/0 R216 10K R216 10K R241 NC/0 R241 NC/0 R217 NC/10R R217 NC/10R R258 NC/0 R258 NC/0 R234 10K R234 10K C214 NC/0.1uF C214 NC/0.1uF R242 2.2K R242 2.2K + C222 470uF/25V/CD110 + C222 470uF/25V/CD110 VD206 1N4148 VD206 1N4148 R248 100R R248 100R R272 NC/0 R272 NC/0 R212 NC/470K R212 NC/470K C226 1uF C226 1uF R224 3.3K R224 3.3K VD201 1N4148 VD201 1N4148 R243 0R R243 0R 3 1 2 V205 MMBT3904 V205 MMBT3904 IN2+ 1 OUT2- 2 CIV 3 IN1+ 4 GND 5 SVR 6 MODE 7 OUT1+ 8 VCC 9 N204 TFA9843BJ N204 TFA9843BJ 3 1 2 D205 BAV99 D205 BAV99 C215 NC/100pF C215 NC/100pF C227 0.1uF C227 0.1uF V203 MMBT3906 V203 MMBT3906 R249 100R R249 100R C228 1000p C228 1000p R219 10K R219 10K +C246 22uF/16V +C246 22uF/16V R250 NC/10K R250 NC/10K + C248 470uF/25V + C248 470uF/25V R215 NC/10K R215 NC/10K 1 2 XS201 D2507-2A XS201 D2507-2A C216 NC/100pF C216 NC/100pF + C231 470uF/25V/CD110 + C231 470uF/25V/CD110 R237 NC/10K R237 NC/10K R251 NC/10K R251 NC/10K C229 1000p C229 1000p 1 2 XS202 D2507-2A XS202 D2507-2A 1 2 3 4 VD1 PA_HEAT-SINK VD1 PA_HEAT-SINK R220 0R R220 0R R239 2.2K R239 2.2K R211 10K R211 10K L202 FB L202 FB VD202 NC/FM5822 VD202 NC/FM5822 3 1 2 V202 MMBT3904 V202 MMBT3904 R235 10K R235 10K VD205 1N4148 VD205 1N4148 R254 NC/0 R254 NC/0 2 4 5 1 6 10 8 9 3 7 XS602 XS602 R236 NC/10R R236 NC/10R + C219 470uF/25V + C219 470uF/25V R273 NC/0 R273 NC/0 R223 3.3K R223 3.3K PDF ���� "pdfFactory Pro" ������ �� www.fineprint.com.cn

标签:

版权声明

1. 本站所有素材,仅限学习交流,仅展示部分内容,如需查看完整内容,请下载原文件。
2. 会员在本站下载的所有素材,只拥有使用权,著作权归原作者所有。
3. 所有素材,未经合法授权,请勿用于商业用途,会员不得以任何形式发布、传播、复制、转售该素材,否则一律封号处理。
4. 如果素材损害你的权益请联系客服QQ:77594475 处理。