创维42E580F液晶电视(8A08机芯)电路原理图

分类:电子电工 日期: 点击:0
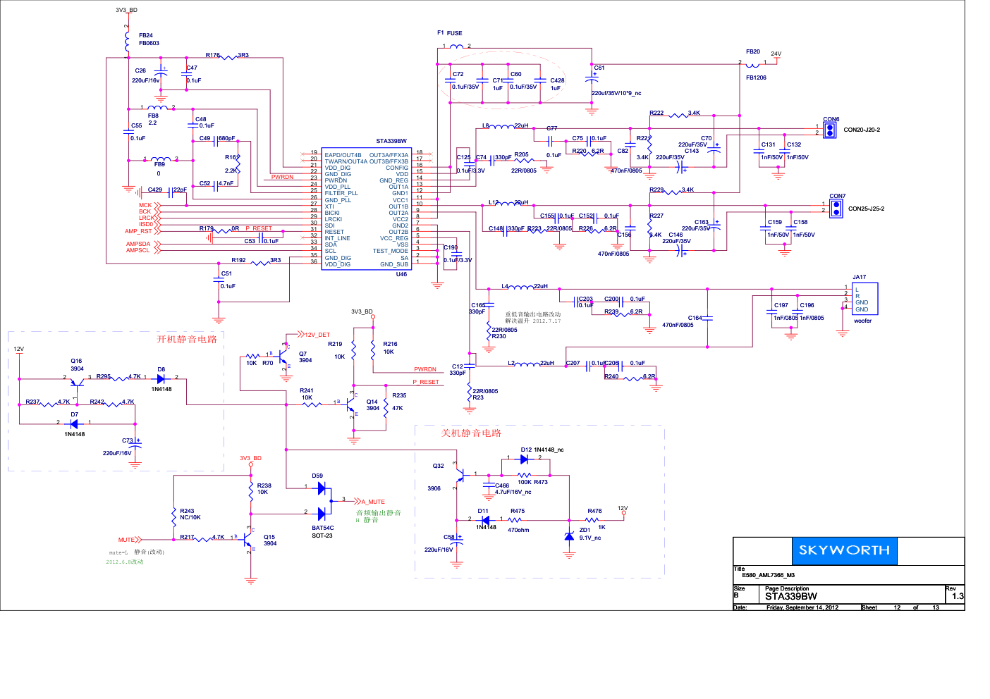
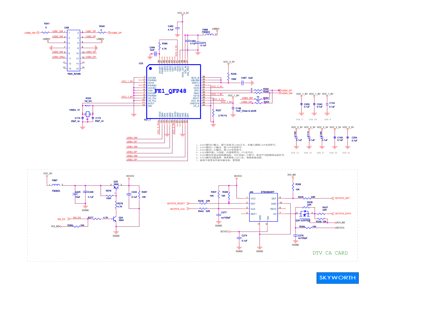
创维42E580F液晶电视(8A08机芯)电路原理图-0 创维42E580F液晶电视(8A08机芯)电路原理图-1 创维42E580F液晶电视(8A08机芯)电路原理图-2 创维42E580F液晶电视(8A08机芯)电路原理图-3 创维42E580F液晶电视(8A08机芯)电路原理图-4 创维42E580F液晶电视(8A08机芯)电路原理图-5 创维42E580F液晶电视(8A08机芯)电路原理图-6 创维42E580F液晶电视(8A08机芯)电路原理图-7 创维42E580F液晶电视(8A08机芯)电路原理图-8 创维42E580F液晶电视(8A08机芯)电路原理图-9

Title Size Page Description Rev Date: Sheet of Power Tree 1.3 0 13 Friday, September 14, 2012 B Title Size Page Description Rev Date: Sheet of Power Tree 1.3 0 13 Friday, September 14, 2012 B Title Size Page Description Rev Date: Sheet of Power Tree 1.3 0 13 Friday, September 14, 2012 B POWER MODULE STB_5V 24V 12V AUDIO AMP U403 MP1495 VCC_5V Tuner_5v U2 1085 LDO USB_5V AFE_VCC_1V2 H_VDDA12 U404 MP1495 AVDD25_LVDS VDD25_USB 3V3_BD AVDD33_LVDS H_VDDA33 VDD33_ADCD AFE_VCC_3V3 U35 1117 1.2V AFE_APLL1_2 AUDIO_2V5 U3 1117 LDO 2.5V STB_3V3 U6 MP2105DJ VDD33_USB U7 MP2105DJ VDD13_CORE U402 MP1495 VDD33_M2 Nand_3V3 MDDR_1V5 虚 虚 虚 虚虚 虚 虚 虚虚 虚 虚 虚虚 虚 虚 虚虚 虚 虚 虚虚 虚 虚 虚虚 虚 虚 虚虚 虚 虚 虚虚 虚 虚 虚虚 虚 虚 虚虚 虚 虚 虚 U31 1117 LDO U30 1117 LDO 1V8_TU 3V3_TU

标签:

版权声明

1. 本站所有素材,仅限学习交流,仅展示部分内容,如需查看完整内容,请下载原文件。
2. 会员在本站下载的所有素材,只拥有使用权,著作权归原作者所有。
3. 所有素材,未经合法授权,请勿用于商业用途,会员不得以任何形式发布、传播、复制、转售该素材,否则一律封号处理。
4. 如果素材损害你的权益请联系客服QQ:77594475 处理。