创维39E65SG液晶电视(8M50机芯)电路原理图

分类:电子电工 日期: 点击:0
创维39E65SG液晶电视(8M50机芯)电路原理图-0 创维39E65SG液晶电视(8M50机芯)电路原理图-1 创维39E65SG液晶电视(8M50机芯)电路原理图-2 创维39E65SG液晶电视(8M50机芯)电路原理图-3 创维39E65SG液晶电视(8M50机芯)电路原理图-4 创维39E65SG液晶电视(8M50机芯)电路原理图-5 创维39E65SG液晶电视(8M50机芯)电路原理图-6 创维39E65SG液晶电视(8M50机芯)电路原理图-7 创维39E65SG液晶电视(8M50机芯)电路原理图-8 创维39E65SG液晶电视(8M50机芯)电路原理图-9

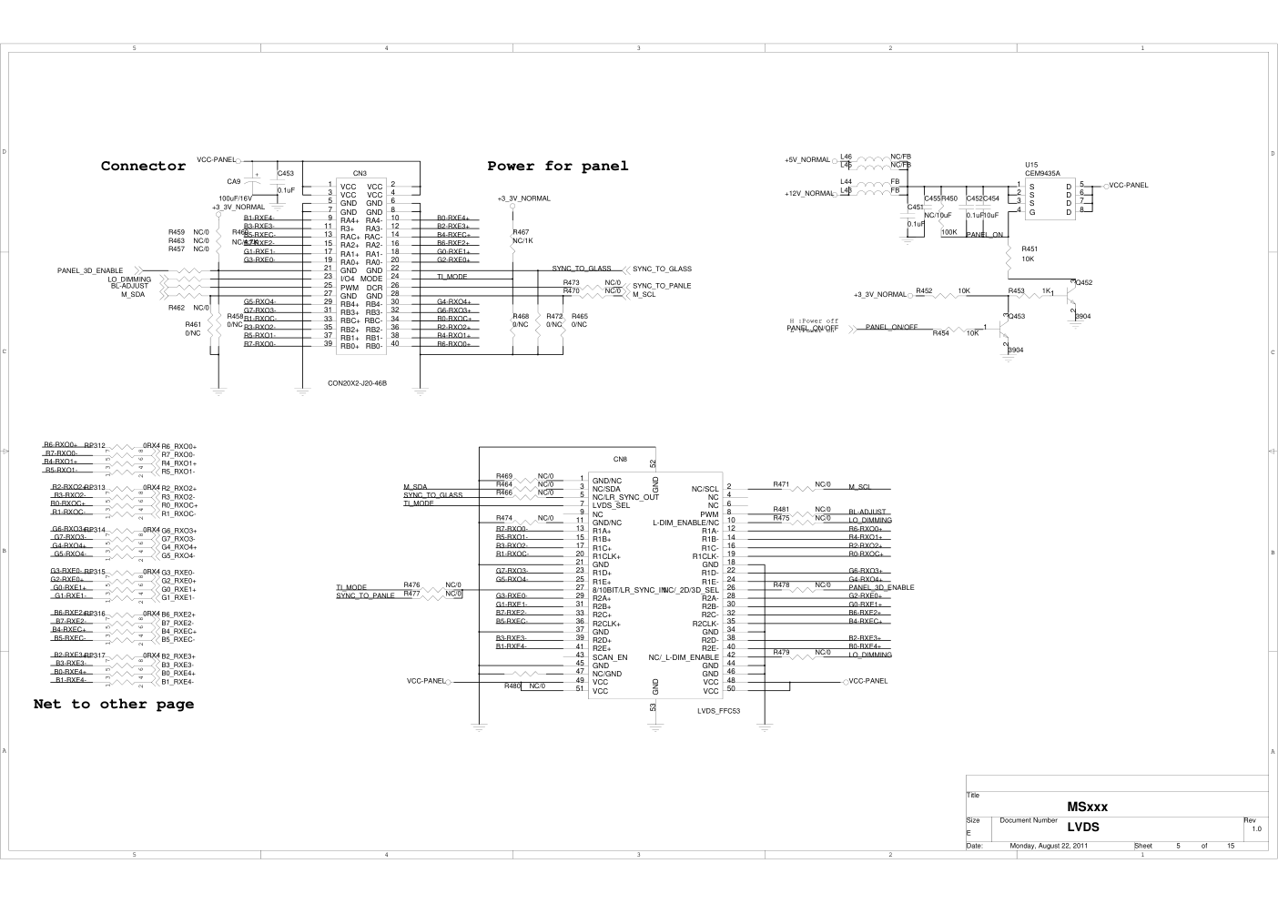
POWER IN 5V_STBY 12V 24V AMS1117-ADJ MPS1482 TPA3121 3.3V_STBY MPS1482 MPS1482 5V_USB 1.2V 5V_Normal AMS1117-ADJ AMS1117-ADJ LM1084-ADJ 3.3V_Normal 2.5V_Normal 1.5V_DDR LM7805 5V_TU HDMI1 HDMI2 HDMI输入X2 YUVI输入X1 YUV VGA输入X1 VGA AV1 AV2 AV输入X2 TUNE输入 USB1 USB2 USB输入X2 网络输入X2 RJ45 VGA_L/R YUV_L/R AV1_L/R AV2_L/R 音频输入X4 AV音视频 输出 AV_OUT L/R_OUT 遥控接收、键控板 光感接收、指示板 PANLE LVDS IF1 IF2 SIF PIF 声表(可选) IF TPA3121 L R L_OUT R_OUT EEPROM 32KBITS I2C SPI FLASH 16MBITS NAND_FLASH 1GBITS DDR3 1GB 1333MHZ H5TQ1G63DFR-H9C 6I981 A B C D 5 4 3 2 1 D C B A 1 2 3 4 5 Monday, November 07, 2011 E 15 MSxxx 1.0 System power 2 of Sheet Date: Rev Document Number Size Title Vout=0.925V*(1+R1/R2) R1 R2 DC/DC LDO Connetor Standby controler 靠近DC-DC 靠近DC-DC 电阻靠近DCDC,敏感线,远离干扰源 CORE POWER 1.2V, 1.16V<=VDDC<=1.24V H :Power on L :Power off 积分电路 R1 R2 Vout=Vrefx(1+(R2/R1))+IadjxR2 1.5V Power for DDR3 1500MA 300MA 80MA 150MA 80MA 电阻靠近DCDC,敏感线,远离干扰源 靠近DC-DC 靠近DC-DC Vout=0.925V*(1+R1/R2) R1 R2 改LG PANEL 掉电屏闪 电阻靠近DCDC,敏感线,远离干扰源 A B C D 5 4 3 2 1 D C B A 1 2 3 4 5 C13 0.1uF C7 0.1uF R20 1K 1 2 3 4 5 6 7 8 9 H2 NC C54 22uF C12 1nF C33 0.1uF 3 FB 5 IN 4 EN 1 BST 2 GND 6 LX U1001 SY8100 L2 22uH/2A7 R12 NC/100K C26 NC/0.1uF R34 5.6K_1% R1 100K R30 1.5R/2W R16 1K C57 2.2uF R40 NC/100K R10 200R C2 0.1uF C70 1nF 1 2 3 4 5 6 7 8 9 H4 NC L51 FB R47 NC/K_1% C1 0.1uF R8 330R 1 2 3 Q1 3904 R60 NC/470K R19 10K C18 0.1uF 7 EN 5 FB 2 VCC 3 OUT 1 BST 4 GND 8 SS 6 COMP U1 MP1482 + CA1 470uF/16V R43 NC/K_1% C11 0.1uF + CA6 470uF/16V R3 330R C19 10uF C16 0.1uF 1 H12 NC + CA3 470uF/16V R46 NC/0 R31 22R 1 H7 NC 1 2 3 4 5 6 7 8 9 10 11 12 13 14 CN4 CON14 IN OUT ADJ 3 2 1 4 U2 AMS1117-ADJ R18 10K R36 100K R111 NC/0 C51 22uF R37 1.2K_1% 1 H11 NC C52 0.1uF R25 100R R23 2.2K/NC C21 0.1uF CA5 100uF/16V R45 NC/3K 1 L3 NC IN OUT ADJ 3 2 1 4 U3 AMS1117-ADJ 1 H5 NC C5 1nF C15 NC/2.2uF R29 NC/10K C14 0.1uF C3 0.1uF C27 NC/10nF C25 1nF C23 1nF R11 0R L1 22uH/2A7 C8 0.1uF R52 NC/100K 1 2 3 Q2 3904 R33 4.7K C55 2.2uF R24 NC R5 330R C29 NC/0.1uF C22 NC/0.1uF D2 NC/1N5822 C6 NC/10uF C4 0.1uF R14 1K R4 3.3K R22 10K 7 EN 5 FB 2 VCC 3 OUT 1 BST 4 GND 8 SS 6 COMP U5 MP1484/MP1482 R7 13K + CA2 470uF/16V 1 2 3 4 5 6 7 8 9 H3 NC R39 3.3R/2W R9 330R 1 H10 NC C32 NC/0.1uF R2 200R C56 2.2uF R59 NC/K_1% C24 1nF 1 2 3 Q4 3904 R41 NC/10K R51 0/NC C10 0.1uF C17 10uF 1 AAM 2 IN 3 SW 4 GND 5 BST 6 EN/SYNC 7 VCC 8 FB U14 MP1494 + CA4 470uF/16V 1 H9 NC C20 0.1uF L52 FB IN OUT ADJ 3 2 1 4 U4 AMS1117-ADJ C53 22uF R32 100R 1 2 3 Q3 3904 3 VIN 1 GND 2 VOUT 4 VOUT U6 LM1084-ADJ C9 0.1uF 1 H6 NC R6 4.7K D1 NC R21 10K R15 4.7K R38 1K5_1% R17 10K 1 H8 NC C31 0.1uF R44 NC/1K 1 L4 NC 1 2 D101 NC/7.5V +5V_STANDBY +5V_STANDBY +3_3V_STANDBY +12V VDDC1_20V +5V_NORMAL +2_5V_NORMAL +5V_NORMAL +3_3V_NORMAL +5V_NORMAL +1_5V_DDR +5V_NORMAL VDDR +12V +12V_NORMAL +5V_NORMAL +5VUSB +5V_NORMAL +12V +12V +12V +5V_NORMAL +5V_STANDBY +12V +24V PWR-ON/OFF VBL_CTRL BRI_ADJ VCC_VSENSE BL-ADJUST DC/DC_OUT DC/DC_OUT1 DC/DC_FB DC/DC_BS BL-ON/OFF STANDBY DC/DC_EN BL-ADJUST DC/DC_OUT DC/DC_OUT1 DC/DC_FB DC/DC_BS BL-ON/OFF BL-ON/OFF STANDBY DC/DC_EN BL-ADJUST Thursday, September 22, 2011 E 15 MSxxx 1.0 MSD6I981 3 of Sheet Date: Rev Document Number Size Title RESET Mode Selection DEBUG EEPROM R/W Port IR&KEYB Close to MST IC with wide trace HDMI Interface Closed to MSTIC Close to MSTAR IC with width trace EEPROM FLASH Audio Line Out RGB & CVBS & LAN & USB HDMI & Audio NAND & CI & TS & Front End Power interface GPIO & LVDS Connector GPIO Pull Up/Down Crystal 根据实际电源 上电时序调整 靠近mstar IC NOTE:晶体频偏需要小于30PPM C1=C2=2*CL-5 C1 C2 靠近主IC // CHIP Config {I2S_OUT_BCK, I2S_OUT_MCK, PAD_PWM1, PAD_PWM0} B51_NO_EJ 4'b0000 Boot from 8051 with SPI flash SB51_WOS 4'b0001 Secure B51 without scramble SB51_WS 4'b0010 Secure B51 with scramble MIPS_SPI_NO_EJ 4'b0100 Boot from MIPS with SPI flash MIPS_SPI_EJ_1 4'b0101 Boot from MIPS with SPI flash MIPS_SPI_EJ_2 4'b0110 Boot from MIPS with SPI flash MIPS_WOS 4'b1001 Secure MIPS without scramble MIPS_WS 4'b1010 Secure MIPS with scramble Normal Power 3.3V 2.5V Standby Power 3.3V DDR3 POWER Close to AVDD_DVI MUST pull high to 5VSTB SAR口耐压只能到3.3V!!!!! ISP AND VGA EDID 电源纹波在50mV以内 Close to MST IC A B C D D C B A 1 2 3 4 5 21 21 21 21 21 21 2 R239 22R R156 0R/NC C154 22nF R148 68R 1 CE# 2 SO 3 WP# 4 VSS 5 SI 6 SCK 7 HOLD# 8 VDD U103 MX25L1605 C124 0.1uF/NC C129 47nF C164 2.2uF C167 2.2uF C187 0.1uF C179 0.1uF R178 4.7K R232 33R C192 33pF R211 1K C217 0.1uF C197 0.1uF R155 0R R175 NC C207 1uF R210 10K C225 0.1uF C139 47nF R191 4.7K C185 10uF R180 4.7K L113 FB R163 nc/100K C180 220pF C162 2.2uF C216 0.1uF C205 0.1uF R164 0R C128 NC/0.1uF R135 33R R162 NC/0R R216 NC/4.7K R249 0R C171 10nF 1 2 3 X1 XTAL-24MHz R213 100K R167 100K C208 0.1uF R100 68R C292 0.1uF C204 10uF C136 47nF C137 47nF R236 33R C206 33pF 1 2 3 4 5 CN6 CON5_0 R207 4.7K R171 NC/100R R240 22R C219 0.1uF 1 2 3 4 5 6 7 8 9 10 11 12 CN7 CON8_2.0 R137 0R C177 10nF R183 NC R198 4.7K C218 2.2uF C100 47nF C169 2.2uF R247 49.9R/1% L117 FB R259 NC/1K R217 10K C295 0.1uF C145 47nF C203 0.1uF R182 4.7K R109 33R C228 0.1uF C231 2.2uF C168 0.1uF C125 33pF C199 1nF C121 0.1uF/nc R235 33R R197 100R R245 49.9R/1% R209 100K R345 0R C293 0.1uF R189 4.7K R127 1M R218 1K C118 47nF C190 33pF R192 10K C107 47nF R250 0R R251 0R R248 NC/1K C200 33pF R254 4.7K R233 33R C104 47nF 1 3 2 Q100 3906 R190 10K R241 22R R226 NC/0R C153 NC/22nF R132 33R C188 10uF C193 0.1uF R131 0R R222 4.7K C198 0.1uF C174 0.1uF R154 10K R202 4.7K C196 2.2uF R201 4.7K C122 47nF R205 NC/4.7K R204 4.7K C186 0.1uF R237 22R R128 68R R188 4.7K R200 4.7K R252 NC/2K R223 100R C181 220pF C223 0.1uF R219 1K R229 22R R107 68R C222 2.2uF R126 33R R122 33R R230 33R Dimming Local USB CVBS RGB K2 BIN0M L2 GIN0P L1 GIN0M L3 SOGIN0 M1 RIN0M L4 HSYNC0 L5 VSYNC0 N3 BIN1M P3 GIN1P N2 SOGIN1 R3 RIN1M R2 BIN2M U3 GIN2M U1 RIN2M T3 SOGIN2 V3 CVBS0 V1 CVBS1 V2 CVBS2 V4 CVBS3 Y1 VCOM A5 DM_P0 B5 DP_P0 Y13 DM_P1 W14 DP_P1 M3 RIN0P K3 BIN0P P1 RIN1P P2 GIN1M U2 RIN2P T2 GIN2P R1 BIN2P M2 BIN1P W1 CVBS_OUT1 R19 VSYNC_LIKE R21 SPI1_CK R20 SPI1_DI U100-E MSD6I981BTC R208 NC/4.7K R169 NC/100R R177 NC R158 0R C201 33pF R215 100R C163 2.2uF R228 0R C103 47nF R161 0R Front End NAND (In/Out) TS1 T14 TS1_D0 U14 TS1_D1 U13 TS1_D2 V13 TS1_D3 U15 TS1_D4 T16 TS1_D5 U16 TS1_D7 V15 TS1_CLK T15 TS1_VLD T13 TS1_SYNC Y2 IP AA2 IM Y3 VIFP AA3 VIFM Y4 SSIF/SIFP AA4 SSIF/SIFM W3 IF_AGC W2 RF_AGC Y5 TGPIO0 V6 TGPIO2/_SCKM1 U6 TGPIO3/_SDAM1 V17 PCM_D0_/NAND_AD0 V18 PCM_D1_/NAND_AD1 U17 PCM_D2_/NAND_AD2 U18 PCM_D3_/NAND_AD3 T17 PCM_D4_/NAND_AD4 T18 PCM_D5_/NAND_AD5 R17 PCM_D6_/NAND_AD6 R18 PCM_D7_/NAND_AD7 W6 TGPIO1 V16 TS1_D6 P16 PF_WEZ R16 PF_WPZ N16 PF_ALE P17 PF_CLE M16 PF_CEZ N17 PF_REZ P18 PF_CEZ1 L16 PF_RBZ U100-B MSD6I981BTC R146 0R R166 0R C213 0.1uF R120 68R C105 1nF C211 0.1uF C178 10uF C220 0.1uF R141 33R TTL UART LVDS I2C PHY RMII SPI SAR PWM F4 SAR0 D4 SAR1 F5 SAR2 G6 SAR3 L20 PWM0 K19 PWM1 K20 PWM2 C7 PM_SPI_CK B6 PM_SPI_CZ1/PM6 B7 PM_SPI_DI C6 PM_SPI_DO J6 DDCA_CK H5 DDCA_DA M17 DDCR_CK/_SCKM2 M18 DDCR_DA/_SDAM2 B1 GPIO_PM7 C4 PM1/PM_UART_TX C2 GPIO_PM8 B4 PM5/PM_UART_RX A6 PM_SPI_CZ2/PM10 V20 LVB0N/_RED[6] U19 LVB0P/_RED[7] V19 LVB1N/_RED[4] V21 LVB1P/_RED[5] Y21 LVB2N/_RED[2] W21 LVB2P/_RED[3] Y20 LVBCKN/_RED[0] W20 LVBCKP/_RED[1] Y19 LVB3N/_GREEN[6] AA20 LVB3P/_GREEN[7] W19 LVB4N/_GREEN[4] AA19 LVB4P/_GREEN[5] Y18 LVA0N/_GREEN[2] AA18 LVA0P/_GREEN[3] Y17 LVA1N/_GREEN[0] W18 LVA1P/_GREEN[1] Y16 LVA2N/_BLUE[6] W17 LVA2P/_BLUE[7] W16 LVACKN/_BLUE[4] AA16 LVACKP/_BLUE[5] Y15 LVA3N/__BLUE[2] AA15 LVA3P/_BLUE[3] Y14 LVA4N/_BLUE[0] W15 LVA4P/_BLUE[1] M21 LED0_/GPIO19 M20 LED1_/GPIO20 C1 PWM_PM K21 PWM3 B2 SAR4 M19 TP_____/GPIO21 L19 GPIO22 N21 TN_____/GPIO23 N20 RP_____/GPIO24 F6 GPIO_PM0 A3 GPIO_PM11 E4 GPIO_PM4 B3 PM_SPI_CZ/PM9 A2 GPIO_PM3 D7 GPIO_PM2 P20 GPIO25 P19 GPIO26 N19 RN_____/GPIO27 U20 LCK T20 LVSYNC T21 LHSYNC T19 LDE L17 UART_TX2 L18 UART_RX2 U100-D MSD6I981BTC R227 0R Other SPDIF I2S Audio Analog A/C/D HDMI W7 LINE_OUT_L0 AA7 LINE_OUT_R0 V5 VRP W5 VAG W4 AVSS_VRM_ADC D6 SPDIF_IN E7 SPDIF_OUT E5 I2S_OUT_MCK E6 I2S_OUT_WS H3 A_RX0N H2 A_RX0P H1 A_RX1N J3 A_RX1P J1 A_RX2N J2 A_RX2P G3 A_RXCN G2 A_RXCP K6 DDCDA_CK M6 DDCDA_DA L6 HOTPLUGA E3 D_RX0N E2 D_RX0P E1 D_RX1N F3 D_RX1P F1 D_RX2N F2 D_RX2P D3 D_RXCN D2 D_RXCP J4 DDCDD_CK J5 DDCDD_DA K5 HOTPLUGD H4 CEC C5 I2S_OUT_BCK D5 I2S_OUT_SD G5 IRIN C3 RESET Y6 XTAL_IN AA6 XTAL_OUT K8 TESTPIN H6 ARC0 R5 LINE_IN_L4 R4 LINE_IN_R4 J21 I2S_IN_WS J20 I2S_IN_BCK J19 I2S_IN_SD T5 LINE_IN_L3 T6 LINE_IN_R3 U4 LINE_IN_L2 U5 LINE_IN_R2 W10 LINE_IN_L1 AA10 LINE_IN_R1 Y9 LINE_IN_L0 AA9 LINE_IN_R0 Y11 C_RX0N W12 C_RX0P Y12 C_RX1N AA12 C_RX1P W13 C_RX2N AA13 C_RX2P Y10 C_RXCN W11 C_RXCP V12 DDCDC_CK U12 DDCDC_DA T12 HOTPLUGC Y8 EARPHONE_OUTL W9 EARPHONE_OUTR Y7 LINE_OUT_L2 W8 LINE_OUT_R2 U100-C MSD6I981BTC C214 2.2uF C175 0.1uF C102 47nF 1 A0 2 A1 3 A2 4 GND 5 SDA 6 SCL 7 WP 8 VCC U101 AT24C04 C215 0.1uF R159 nc/100K R214 100R R165 100K R242 22R C224 10uF C126 47nF C165 2.2uF R244 49.9R/1% R238 22R R160 NC/0R C195 2.2uF R194 4.7K C116 47nF R181 NC C209 0.1uF C101 47nF C189 0.1uF R184 4.7K C173 0.1uF R206 4.7K R130 33R R195 NC/0R R234 33R R246 49.9R/1% R203 4.7K G17 AVDD_DDR0_D M5 AVDD3P3_DVI_USB P5 AVDD_AU33 K15 VDDC L14 VDDC M13 VDDC K14 VDDC K18 DVDD_DDR M14 VDDC M15 VDDC N13 VDDC N14 VDDC U11 AVDD25_DADC N7 AVDD_LPLL N5 AVDD3P3_DVI_USB T10 AVDD25_REF V10 AVDD25_DPGA F16 AVDD_DDR0_D R10 AVDD25_LAN F17 AVDD_DDR0_D G16 AVDD_DDR0_D K17 AVDD11_LAN M4 AVDD_NODIE T11 AVDD_MOD P4 VDDP D9 GND J8 GND_EFUSE V11 AVDD25_DADC N6 AVDD3P3_MPLL_ETH D10 GND N4 AVDD_DMPLL J11 GND D13 GND G8 DVDD_NODIE C20 DDR_GND A16 DDR_GND A13 DDR_GND A10 DDR_GND A21 DDR_GND D11 GND C8 DDR_GND F15 AVDD_DDR0_C E21 DDR_GND V9 AVSS_PGA E10 GND E11 GND E9 GND E12 GND E16 GND J12 GND J14 GND J15 GND J18 GND K7 GND K10 GND F7 GND F8 GND K11 GND K12 GND L7 GND L8 GND N9 GND N10 GND N11 GND F9 GND M10 GND M11 GND N8 GND P7 GND P8 GND P9 GND P10 GND P11 GND P12 GND P15 GND R6 GND R7 GND R8 GND F18 DDR_GND D14 GND E15 GND E8 GND G20 DDR_GND D12 GND D15 GND D16 GND E13 GND E14 GND R9 GND M12 AVDD1P1_ADC N12 AVDDL_MOD U10 AVDD25_REF D17 GND E17 GND R12 GND R13 GND F12 GND F13 GND F14 GND G7 GND G14 GND H7 GND H8 GND H10 GND H11 GND H12 GND H14 GND H15 GND J7 GND J10 GND R14 GND P13 GND M7 GND M8 GND M9 GND N15 FB_CORE J16 GND J17 GND L15 VDDC K16 AVDDLV_USB P14 GND D8 GND P6 AVDD_EAR33 R15 GND T7 GND T8 GND T9 GND U7 GND U8 GND U9 GND H16 GND H17 GND H18 GND V7 GND V8 GND R11 GND H20 DDR_GND G15 GND G18 GND U100-F MSD6I981BTC C210 0.1uF C127 NC/0.1uF R157 NC/0R C123 1nF L100 FB C221 2.2uF C229 0.1uF C191 33pF R193 10K R124 68R 3 1 2 D100 BAV99 R212 1K R253 2K/NC C176 0.1uF C113 33pF R112 68R R221 1K R243 22R C194 0.1uF R114 33R 1 2 3 4 CN5 CON4-2.0 R231 33R 1 2 3 Q23 3904 +5V_STANDBY +5V_STANDBY VDDP +3_3V_STANDBY VDDP +3_3V_STANDBY VDDP VCC_KEYPAD VDDP +3_3V_STANDBY +5V_STANDBY VDDC VDDC VDDC VDDC VDDP +3_3V_STANDBY +2_5V_NORMAL VDDC VDDIO_0 AVDD25_PGA +3_3V_STANDBY VDDIO_0 VDDC VDDC +2_5V_NORMAL +2_5V_NORMAL +2_5V_NORMAL +2_5V_NORMAL VDDP VDDP +3_3V_STANDBY +3_3V_STANDBY +3_3V_STANDBY VDDIO_0 +5V_STANDBY VDDP DVDD_NODIE AVDD25_PGA +2_5V_NORMAL +3_3V_STANDBY VDDIO_0 VDDC VCC_LIGHT +3_3V_STANDBY VCC_LIGHT +3_3V_STANDBY +5V_STANDBY VCC_KEYPAD +5V_STANDBY +3_3V_STANDBY +5V_TU PWR-ON/OFF BRI_ADJ UART_RX UART_TX PANEL_ON/OFF VBL_CTRL CVBS1_OUT VGA-BIN VGA-GIN VGA-RIN AV1 VGA_HSYNC VGA_VSYNC HDMI-CEC HDMI1-CLKP HDMI1-RX1N HDMI1-RX0P HDMI1-CLKN HDMI1-RX2P HDMI1-SCL HDMI1-RX0N HDMI1-RX2N HDMI1-SDA HDMI1-HPDIN HDMI1-RX1P HDMI-ARC NAND_WEZ NAND_ALE NAND_REZ AV_AUOUTL1 AV_AUOUTL0 AV_AUOUTR0 AV_AUOUTR1 YPBPR_PR YPBPR_Y YPBPR_PB NAND_WPZ M_SCL M_SDA AMP-MUTE HDMI3-RX2N HDMI3-RX1P HDMI3-SCL HDMI3-CLKP HDMI3-RX1N HDMI3-SDA HDMI3-RX0P HDMI3-CLKN HDMI3-RX2P HDMI3-RX0N HDMI3-HPDIN AV1-RIN AV1-LIN USB2_D- USB2_D+ USB1_D- USB1_D+ NAND_RBZ NAND_CEZ NAND_CLE RF_AGC_T G6_RXO3+ R5_RXO1- R1_RXOC- G5_RXO4- R4_RXO1+ R0_RXOC+ R7_RXO0- G4_RXO4+ R3_RXO2- G7_RXO3- R6_RXO0+ R2_RXO2+ B3_RXE3- G2_RXE0+ B6_RXE2+ B2_RXE3+ G1_RXE1- B5_RXEC- B1_RXE4- G0_RXE1+ B4_RXEC+ G3_RXE0- B0_RXE4+ B7_RXE2- MDI_RP MDI_TP MDI_TN MDI_RN LAN-LED1 LAN-LED0 VCC_VSENSE AV2-RIN AV2-LIN AV2 PANEL_3D_ENABLE AVOUT_MUTE VIFM1 VIFP1 SYNC_TO_PANLE LO_DIMMING VIFP VIFM VGA-RIN_AU VGA-LIN_AU R0_RXOC+ CVBS0 UART_TX PCM_A7 XTALO LIGHT_S BIN2 KEY1-IN AV-AUOUTR1 RIN0 UART-TX HDMI1-SDA R2_RXO2+ SPI_SDI PCM_A6 XTALI CFG-PWM0 GIN2 AUVRP VCOM0 HDMI1-RX2N R3_RXO2- PCM_A1 RIN2 USB2_D- BIN0N HDMI1-HPDIN R7_RXO0- PCM_A5 CFG-PWM1 CVBS1 UART-RX SYNC_TO_PANLE SPI_SDO AV-AUOUTL0 USB1_D+ HDMI1-RX0N VIFP1 VIFP1 AV-AUOUTL1 LED_R BIN2N B3_RXE3- SPI_SCK VIFM HDMI1-SCL KEY0-IN I2S-OUT_BCK B4_RXEC+ MDI_TP HDMI1-RX2P PCM_A0 HDMI3-RX1P USB1_D- MDI_RP LINE_IN_3R HDMI1-CLKN VIFM1 B6_RXE2+ PCM_A4 HDMI3-RX2N MDI_RN M_SDA HDMI1-RX0P BIN0 B5_RXEC- EEPROM-WP VGA-RIN_AU M_SCL HDMI1-RX1N NAND_CEZ B7_RXE2- GIN0N PGA_VCOM FLASH_WP AUVRM LINE_IN_3L VGA-LIN_AU G1_RXE1- HDMI3-HPDIN IR-IN AV2-LIN LINE_IN_1R G2_RXE0+ #F_WP LINE_IN_1L G0_RXE1+ SOGIN2 NAND_REZ AV2-RIN VCC_VSENSE VCC_VSENSE G5_RXO4- PM_TX VIFP VIFP NAND_ALE NAND_RBZ HDMI3-RX0N TAGC CVBS1_OUT AUVAG PM_RX HDMI3-RX2P LINE_IN_2R HDMI3-CLKN GIN0 RIN2N LINE_IN_2L HDMI3-RX0P B1_RXE4- HDMI3-SDA AV-AUOUTR0 HDMI-CEC SOGIN0 +5V_TU AMP-MUTE SYSTEM-RST B0_RXE4+ VGA_HSYNC HDMI3-RX1N UART_RX R6_RXO0+ B2_RXE3+ VGA_VSYNC AV1-RIN NAND_WPZ HDMI3-CLKP R4_RXO1+ RIN0N RF_AGC_T HDMI3-SCL MDI_TN AV1-LIN NAND_CLE LED R5_RXO1- GIN2N SPI_CSN G4_RXO4+ USB2_D+ G7_RXO3- G6_RXO3+ PWM_PM PCM_A3 NAND_WEZ HDMI1-CLKP VBL_CTRL I2S-OUT_MCK PANEL_ON/OFF LAN-LED1 AVOUT_MUTE G3_RXE0- LAN-LED0 PCM_A2 HDMI1-RX1P BRI_ADJ HDMI-ARC R1_RXOC- PWR-ON/OFF CVBS0 UART_TX XTALO LIGHT_S LIGHT_S BIN2 KEY1-IN AV-AUOUTR1 RIN0 UART-TX HDMI1-SDA SPI_SDI XTALI CFG-PWM0 GIN2 AUVRP VCOM0 HDMI1-RX2N RIN2 BIN0N HDMI1-HPDIN CFG-PWM1 CVBS1 UART-RX SYNC_TO_PANLE SPI_SDO AV-AUOUTL0 HDMI1-RX0N AV-AUOUTL1 LED_R LED_R BIN2N SPI_SCK HDMI1-SCL KEY0-IN I2S-OUT_BCK HDMI1-RX2P LO_DIMMING HDMI3-RX1P HDMI1-CLKN HDMI3-RX2N M_SDA M_SDA M_SDA HDMI1-RX0P BIN0 EEPROM-WP EEPROM-WP EEPROM-WP M_SCL M_SCL M_SCL HDMI1-RX1N GIN0N PGA_VCOM FLASH_WP AUVRM HDMI3-HPDIN IR-IN SOGIN2 PM_TX HDMI3-RX0N CVBS1_OUT AUVAG PM_RX HDMI3-RX2P HDMI3-CLKN GIN0 RIN2N HDMI3-RX0P HDMI3-SDA AV-AUOUTR0 HDMI-CEC SOGIN0 AMP-MUTE SYSTEM-RST VGA_HSYNC HDMI3-RX1N UART_RX VGA_VSYNC HDMI3-CLKP RIN0N HDMI3-SCL LED GIN2N SPI_CSN PWM_PM PWM_PM HDMI1-CLKP VBL_CTRL I2S-OUT_MCK PANEL_ON/OFF AVOUT_MUTE HDMI1-RX1P BRI_ADJ HDMI-ARC PWR-ON/OFF ? Monday, August 15, 2011 15 4 E of Sheet Date: Rev Document Number Size Title Close to DDR POWER PIN over 1.3G A B C D 5 4 3 2 1 D C B A 1 2 3 4 5 2 4 6 8 1 3 5 7 RP306 22RX4 C303 1nF 2 4 6 8 1 3 5 7 RP302 22RX4 C319 0.1uF C320 0.1uF R310 56R R303 1K/1% C305 0.1uF R304 1K/1% C350 10nF N3 A0 P7 A1 P3 A2 N2 A3 P8 A4 P2 A5 R8 A6 R2 A7 T8 A8 R3 A9 L7 A10 R7 A11 N7 A12 D7 DQU0 C3 DQU1 C8 DQU2 C2 DQU3 A7 DQU4 A2 DQU5 B8 DQU6 A3 DQU7 C7 DQSU B7 /DQSU D3 DMU E3 DQL0 F7 DQL1 F2 DQL2 F8 DQL3 H3 DQL4 H8 DQL5 G2 DQL6 H7 DQL7 F3 DQSL G3 /DQSL E7 DML M2 BA0 N8 BA1 M3 BA2 L2 /CS J3 /RAS K3 /CAS L3 /WE J7 CK K7 /CK K9 CKE K1 ODT T2 /RESET M8 VREFCA H1 VREFDQ L8 ZQ A1 VDDQ A8 VDDQ C1 VDDQ C9 VDDQ D2 VDDQ E9 VDDQ F1 VDDQ H2 VDDQ H9 VDDQ B9 VSSQ B1 VSSQ D1 VSSQ D8 VSSQ E2 VSSQ E8 VSSQ F9 VSSQ G1 VSSQ G9 VSSQ B2 VDD D9 VDD G7 VDD K2 VDD K8 VDD N1 VDD N9 VDD R1 VDD R9 VDD A9 VSS E1 VSS G8 VSS J2 VSS J8 VSS M1 VSS M9 VSS P1 VSS P9 VSS T1 VSS T9 VSS J1 NC1 J9 NC2 L1 NC3 L9 NC4 M7 NC5 T3 A13 T7 NC7 B3 VSS U300 H5TQ2G63BFR R301 1K/1% C308 0.1uF R316 22R R311 56R 2 4 6 8 1 3 5 7 RP309 22RX4 2 4 6 8 1 3 5 7 RP305 22RX4 R315 22R 2 4 6 8 1 3 5 7 RP304 22RX4 2 4 6 8 1 3 5 7 RP307 22RX4 C311 0.1uF C312 0.1uF C318 0.1uF C313 0.1uF C317 0.1uF R302 1K/1% C325 0.1uF C301 0.1uF C307 0.1uF 2 4 6 8 1 3 5 7 RP301 22RX4 C316 0.1uF R307 240R/1% C310 0.1uF C302 1nF C323 0.1uF 2 4 6 8 1 3 5 7 RP310 22RX4 2 4 6 8 1 3 5 7 RP308 22RX4 MIU0 C12 A_DDR3_A0/DDR2_A5 B14 A_DDR3_A1/DDR2_A13 A11 A_DDR3_A2/DDR2_A9 C10 A_DDR3_A3/DDR2_A10 C16 A_DDR3_A4/DDR2_A2 A9 A_DDR3_A5/DDR2_A3 C15 A_DDR3_A6/DDR2_A4 B10 A_DDR3_A7/DDR2_A7 A14 A_DDR3_A8/DDR2_A8 B11 A_DDR3_A9/DDR2_A14 B16 A_DDR3_A10/DDR2_RASZ B13 A_DDR3_A11/DDR2_A6 A15 A_DDR3_A12/DDR2_A0 C11 A_DDR3_A13/DDR2_A12 C14 A_DDR3_A14/DDR2_A11 F21 A_DDR3_DQ0/DDR2_DQ6 C18 A_DDR3_DQ1/DDR2_DQ0 G19 A_DDR3_DQ2/DDR2_DQ1 B19 A_DDR3_DQ3/DDR2_DQ7 H19 A_DDR3_DQ4/DDR2_DQ4 A18 A_DDR3_DQ5/DDR2_DQ2 G21 A_DDR3_DQ6/DDR2_DQ3 B18 A_DDR3_DQ7/DDR2_DQ5 B20 A_DDR3_DQ8/DDR2_DQ15 D19 A_DDR3_DQ9/DDR2_DQM1 D18 A_DDR3_DQ10/DDR2_DQ10 F20 A_DDR3_DQ11/DDR2_DQ9 A20 A_DDR3_DQ12/DDR2_DQM0 E20 A_DDR3_DQ13/DDR2_DQ12 C19 A_DDR3_DQ14/DDR2_DQ8 E19 A_DDR3_DQ15/DDR2_DQ14 E18 A_DDR3_DQM0//DDR2_DQ13 F19 A_DDR3_DQM1/DDR2_DQ11 A17 A_DDR3_MCLK/DDR2_MCLK B17 A_DDR3_MCLKZ/DDR2_MCLKZ D20 A_DDR3_DQSL/DDR2_DQS0 D21 A_DDR3_DQSLB/DDR2_DQSB0 C21 A_DDR3_DQSU/DDR2_DQS1 B21 A_DDR3_DQSUB/DDR2_DQSB1 A12 A_DDR3_CASZ/DDR2_BA0 B12 A_DDR3_RASZ/DDR2_BA1 C13 A_DDR3_WEZ/DDR2_A1 B8 A_DDR3_ODT/DDR2_WEZ A8 A_DDR3_BA0/DDR2_CKE B15 A_DDR3_BA1/DDR2_CASZ C9 A_DDR3_BA2/DDR2_BA2 B9 A_DDR3_RESET C17 A_DDR3_CKE/DDR2_ODT U100-A MSD6I981BTC C324 0.1uF C315 2.2uF 2 4 6 8 1 3 5 7 RP303 22RX4 C304 0.1uF 2 4 6 8 1 3 5 7 RP300 22RX4 2 4 6 8 1 3 5 7 RP311 22RX4 C322 0.1uF AVDD_DDR0 AVDD_DDR0 AVDD_DDR0 AVDD_DDR0 AVDD_DDR0 AVDD_DDR0 A_DDR3_CKE A_DDR3_DQU7 A_DDR3_A5 A_DDR3_DQU1 A-DDR3-A6 A-DDR3-RESET A_DDR3_CASZ A-DDR3-ODT A_DDR3_MCLK A-DDR3-A4 A-DDR3-A7 A-DDR3-A5 A_DDR3_A2 A-DDR3-BA0 A_DDR3_RASZ A_DDR3_A6 A_DDR3_MCLKZ A_DDR3_A13 A-DDR3-BA2 A_DDR3_A11 A-DDR3-A2 A_DDR3_A14 A-DDR3_MCLKZ A-DDR3-BA1 A_DDR3_DQL5 A-MVREFDQ A-DDR3-A3 A_DDR3_DQL6 A-DDR3-A13 A_DDR3_DQU0 A-DDR3-WEZ A-DDR3_MCLK A_DDR3_A1 A_DDR3_DQL7 A_DDR3_A0 A_DDR3_A10 A-DDR3-A14 A_DDR3_A3 A-DDR3-A9 A_DDR3_DQL3 A-DDR3-CKE A_DDR3_DQU4 A_DDR3_A12 A-MVREFCA A-DDR3-A1 A_DDR3_DQU2 A_DDR3_A9 A_DDR3_ODT A-DDR3-A10 A-DDR3-A11 A_DDR3_BA0 A_DDR3_DMU A_DDR3_DQSL A_DDR3_RESET A-DDR3-A12 A_DDR3_A4 A_DDR3_DQL2 A_DDR3_DQU6 A_DDR3_A7 A_DDR3_A8 A_DDR3_DQL1 A_DDR3_DQU5 A_DDR3_BA2 A_DDR3_DQL0 A_DDR3_DQSLB A_DDR3_DQL4 A_DDR3_DQSUB A_DDR3_DQSU A_DDR3_WEZ A_DDR3_DML A_DDR3_DQU3 A-DDR3-RASZ A-DDR3-CASZ A_DDR3_BA1 A-DDR3-A8 A-DDR3-A0 A_DDR3_CKE A_DDR3_DQU7 A_DDR3_A5 A_DDR3_DQU1 A-DDR3-A6 A-DDR3-RESET A_DDR3_CASZ A-DDR3-ODT A_DDR3_MCLK A-DDR3-A4 A-DDR3-A7 A-DDR3-A5 A_DDR3_A2 A-DDR3-BA0 A_DDR3_RASZ A_DDR3_A6 A_DDR3_MCLKZ A_DDR3_A13 A-DDR3-BA2 A_DDR3_A11 A-DDR3-A2 A_DDR3_A14 A-DDR3_MCLKZ A-DDR3-BA1 A_DDR3_DQL5 A-MVREFDQ A-DDR3-A3 A_DDR3_DQL6 A-DDR3-A13 A_DDR3_DQU0 A-DDR3-WEZ A-DDR3_MCLK A_DDR3_A1 A_DDR3_DQL7 A_DDR3_A0 A_DDR3_A10 A-DDR3-A14 A_DDR3_A3 A-DDR3-A9 A_DDR3_DQL3 A-DDR3-CKE A_DDR3_DQU4 A_DDR3_A12 A-MVREFCA A-DDR3-A1 A_DDR3_DQU2 A_DDR3_A9 A_DDR3_ODT A-DDR3-A10 A-DDR3-A11 A_DDR3_BA0 A_DDR3_DMU A_DDR3_DQSL A_DDR3_RESET A-DDR3-A12 A_DDR3_A4 A_DDR3_DQL2 A_DDR3_DQU6 A_DDR3_A7 A_DDR3_A8 A_DDR3_DQL1 A_DDR3_DQU5 A_DDR3_BA2 A_DDR3_DQL0 A_DDR3_DQSLB A_DDR3_DQL4 A_DDR3_DQSUB A_DDR3_DQSU A_DDR3_WEZ A_DDR3_DML A_DDR3_DQU3 A-DDR3-RASZ A-DDR3-CASZ A_DDR3_BA1 A-DDR3-A8 A-DDR3-A0 Monday, August 22, 2011 E 5 LVDS 1.0 MSxxx 15 of Sheet Date: Rev Document Number Size Title Connector Power for panel Net to other page H :Power off L :Power on A B C D 5 4 3 2 1 D C B A 1 2 3 4 5 R459 NC/0 R477 NC/0 2 4 6 8 1 3 5 7 RP314 0RX4 R453 1K L43 FB R463 NC/0 + CA9 100uF/16V R476 NC/0 R479 NC/0 C451 0.1uF R475 NC/0 R454 10K R450 100K C452 0.1uF R451 10K R467 NC/1K R466 NC/0 2 4 6 8 1 3 5 7 RP316 0RX4 R458 0/NC R461 0/NC R470 NC/0 C455 NC/10uF 2 4 6 8 1 3 5 7 RP313 0RX4 C454 10uF R480 NC/0 L45 NC/FB R474 NC/0 R481 NC/0 L44 FB 1 VCC 2 VCC 3 VCC 4 VCC 5 GND 6 GND 7 GND 8 GND 9 RA4+ 10 RA4- 11 R3+ 12 RA3- 13 RAC+ 14 RAC- 15 RA2+ 16 RA2- 17 RA1+ 18 RA1- 19 RA0+ 20 RA0- 21 GND 22 GND 23 I/O4 24 MODE 25 PWM 26 DCR 27 GND 28 GND 29 RB4+ 30 RB4- 31 RB3+ 32 RB3- 33 RBC+ 34 RBC- 35 RB2+ 36 RB2- 37 RB1+ 38 RB1- 39 RB0+ 40 RB0- CN3 CON20X2-J20-46B R465 0/NC R478 NC/0 1 GND/NC 2 NC/SCL 3 NC/SDA 4 NC 5 NC/LR_SYNC_OUT 6 NC 7 LVDS_SEL 8 PWM 9 NC 10 L-DIM_ENABLE/NC 11 GND/NC 12 R1A- 13 R1A+ 14 R1B- 15 R1B+ 16 R1C- 17 R1C+ 18 GND 19 R1CLK- 20 R1CLK+ 21 GND 22 R1D- 23 R1D+ 24 R1E- 25 R1E+ 26 NC/_2D/3D_SEL 27 8/10BIT/LR_SYNC_IN 28 R2A- 29 R2A+ 30 R2B- 31 R2B+ 32 R2C- 33 R2C+ 34 GND 35 R2CLK- 36 R2CLK+ 37 GND 38 R2D- 39 R2D+ 40 R2E- 41 R2E+ 43 SCAN_EN 45 GND 42 NC/_L-DIM_ENABLE 44 GND 46 GND 47 NC/GND 49 VCC 51 VCC 48 VCC 50 VCC 52 GND 53 GND CN8 LVDS_FFC53 R464 NC/0 R457 NC/0 2 4 6 8 1 3 5 7 RP312 0RX4 R452 10K 1 2 3 Q453 3904 R469 NC/0 1 2 3 Q452 3904 R460 NC/4.7K R473 NC/0 R471 NC/0 R462 NC/0 R472 0/NC 2 4 6 8 1 3 5 7 RP315 0RX4 L46 NC/FB 2 4 6 8 1 3 5 7 RP317 0RX4 R468 0/NC 1 S 2 S 3 S 4 G 5 D 6 D 7 D 8 D U15 CEM9435A C453 0.1uF +12V_NORMAL VCC-PANEL +3_3V_NORMAL VCC-PANEL +3_3V_NORMAL +3_3V_NORMAL +5V_NORMAL VCC-PANEL VCC-PANEL G6_RXO3+ R5_RXO1- B3_RXE3- G2_RXE0+ R1_RXOC- B6_RXE2+ G5_RXO4- R4_RXO1+ B2_RXE3+ G1_RXE1- R0_RXOC+ R7_RXO0- B5_RXEC- G4_RXO4+ R3_RXO2- B1_RXE4- G0_RXE1+ G7_RXO3- R6_RXO0+ B4_RXEC+ G3_RXE0- R2_RXO2+ B0_RXE4+ B7_RXE2- PANEL_ON/OFF BL-ADJUST PANEL_3D_ENABLE M_SDA M_SCL LO_DIMMING SYNC_TO_PANLE SYNC_TO_GLASS G4-RXO4+ SYNC_TO_GLASS R5-RXO1- G2-RXE0+ B2-RXE3+ G0-RXE1+ B6-RXE2+ LO_DIMMING G7-RXO3- R7-RXO0- B3-RXE3- R1-RXOC- R3-RXO2- B0-RXE4+ PANEL_ON B7-RXE2- B4-RXEC+ B1-RXE4- B5-RXEC- R6-RXO0+ G5-RXO4- G6-RXO3+ G3-RXE0- BL-ADJUST PANEL_ON/OFF G1-RXE1- TI_MODE R4-RXO1+ R2-RXO2+ R0-RXOC+ SYNC_TO_PANLE M_SDA G4-RXO4+ G4-RXO4+ SYNC_TO_GLASS R5-RXO1- R5-RXO1- G2-RXE0+ G2-RXE0+ B2-RXE3+ B2-RXE3+ G0-RXE1+ G0-RXE1+ B6-RXE2+ B6-RXE2+ LO_DIMMING G7-RXO3- G7-RXO3- R7-RXO0- R7-RXO0- B3-RXE3- B3-RXE3- R1-RXOC- R1-RXOC- R3-RXO2- R3-RXO2- B0-RXE4+ B0-RXE4+ B7-RXE2- B7-RXE2- B4-RXEC+ B4-RXEC+ B1-RXE4- B1-RXE4- B5-RXEC- B5-RXEC- R6-RXO0+ R6-RXO0+ G5-RXO4- G5-RXO4- G6-RXO3+ G6-RXO3+ G3-RXE0- G3-RXE0- G1-RXE1- G1-RXE1- PANEL_3D_ENABLE TI_MODE TI_MODE R4-RXO1+ R4-RXO1+ R2-RXO2+ R2-RXO2+ R0-RXOC+ R0-RXOC+ M_SCL Thursday, September 22, 2011 E 6 Video 1.0 MSxxx 15 of Sheet Date: Rev Document Number Size Title YPBPR & SPDIF Close to Mstar IC Close to Mstar IC AUDIO OP VIDEO OUT OP Close to Mstar IC AV-OUT A B C D 5 4 3 2 1 D C B A 1 2 3 4 5 C554 10uF R546 10K R535 10K D516 NC R531 12K 1 1 2 2 3 3 4 4 6 6 5 5 7 7 JA10-A R559 8.2K 1 2 3 Q551 3904 Q500 3906 1 2 3 Q550 3904 R561 0R R500 75R C502 0.1uF D514 NC D147 IN4148 R553 10K R528 12K C553 2.2uF + CA114 100uF/16V R551 4.7K R544 0R R501 75R D523 NC C552 0.1uF 1 AV 2 R 3 L 4 GND JA5 AVOUT_3 R523 20K R557 47K R530 10K R525 75R R556 4.7K 1 2 3 Q502 3904 R536 12K R534 10K C550 0.1uF 1 2 3 Q503 3904 R543 0R 1 1 2 2 3 3 4 4 6 6 5 5 7 7 JA9-A R539 NC/0 C556 NC/4700P R554 8.2K R529 10K R538 75R R560 0R D152 IN4148 + CA550 470uF/16V R532 12K R552 47K 1 2 3 Q501 3904 R527 75R R549 68R D522 NC + CA115 100uF/16V R555 68R C555 NC/4700P D515 NC R503 75R D524 NC L301 FB/60R/3A R533 75R C503 10uF R522 470R R550 100R 1 L 2 GND 3 R 4 GND 5 AV 6 GND 7 Y 8 GND 9 PB 10 GND 11 PR 12 GND 13 5V 14 GND 15 3D 16 GND CN1 HEADER 40 R558 10K R526 75R C551 2.2uF 1 2 3 4 JA4 NC/PHONEJACK STEREO SW_3 C504 2.2uF R545 10K R537 12K +5V_NORMAL +12V_NORMAL OP_VCC OP_VCC +5V_NORMAL AV1-LIN AV1-RIN CVBS1_OUT YPBPR_PR YPBPR_PB YPBPR_Y AV1 AV_AUOUTL1 AV_AUOUTR1 AV2-LIN AV2-RIN AV2 POWER_MUTE AVOUT_MUTE SYNC_TO_GLASS AV1-AULIN AVOUT-V AV1 AV1-AURIN AV2-AURIN AV-ROUT AV2-AULIN AV2 AV-LOUT POWER_MUTE AV1-AULIN AV1-AULIN AVOUT-V AVOUT-V AV1 AV1 AV1-AURIN AV1-AURIN YPBPR_PR AV2-AURIN YPBPR_Y YPBPR_PB AV-ROUT AV-ROUT AV-ROUT AV2-AULIN AV2 AV-LOUT AV-LOUT AV-LOUT Monday, August 15, 2011 E 7 VGA 1.0 MSxxx 15 of Sheet Date: Rev Document Number Size Title Close to Mstar IC Audio A B C D 5 4 3 2 1 D C B A 1 2 3 4 5 R607 10K D608 NC D607 NC R609 10K D606 NC R611 12K R612 12K R606 100R R610 10K D601 NC D602 NC D604 NC D603 NC D605 NC D600 NC R601 75R R613 NC/100R 5 10 4 9 3 8 2 7 1 15 14 13 12 11 6 16 17 JA11 VGA R603 75R 1 2 3 4 JA12 NC/PHONEJACK STEREO SW_3 1 GND 2 R 3 L 4 GND JA13 3.5MM-3-JACK R605 100R R614 NC/100R R608 10K R602 75R VGA_VSYNC VGA_HSYNC UART_RX VGA-BIN VGA-GIN VGA-RIN UART_TX VGA-LIN_AU VGA-RIN_AU UART_TX UART_RX VGA_HS VGA-RIN UART-RX2-PIN4 VGA-LIN_AU VGA_VS VGA-GIN VGA-RIN_AU VGA-BIN UART-TX2-PIN11 UART_TX UART_TX UART_RX UART_RX VGA_HS VGA-RIN VGA-RIN UART-RX2-PIN4 VGA_VS VGA-GIN VGA-GIN VGA-BIN VGA-BIN UART-TX2-PIN11 Monday, August 15, 2011 E 15 MSxxx 1.0 USB 8 of Sheet Date: Rev Document Number Size Title USB ESD分布电容要求<2pF USB INTERFACE USB POWER Note:5.1R电阻靠近端子,减小ESD. Note:电容靠近USB(CN600)端子,提供usb读写稳定性 Note:电容靠近USB(CN601)端子,提供usb读写稳定性 A B C D 5 4 3 2 1 D C B A 1 2 3 4 5 R628 5.1R + CA627 100uF/16V R625 5.1R + CA628 100uF/16V 1 VBUS 2 D- 3 D+ 4 GND 5 SHELL 6 SHELL JA1 USB-A/90D C608 0.1uF C607 0.1uF R629 5.1R R627 5.1R 1 2 D625 NC/ESD 1 2 D627 NC/ESD 1 VBUS 2 D- 3 D+ 4 GND 5 SHELL 6 SHELL JA2 USB-A/90D 1 2 D628 NC/ESD 1 2 D629 NC/ESD 5V_USB 5V_USB 5V_USB 5V_USB 5V_USB 5V_USB USB2_D+ USB2_D- USB1_D+ USB1_D- USB2_D- USB2_D+ USB1_D- USB1_D+ Monday, August 15, 2011 E 9 Ethernet 1.0 MSxxx 15 of Sheet Date: Rev Document Number Size Title Connector Internal PHY A B C D 5 4 3 2 1 D C B A 1 2 3 4 5 21 21 21 21 21 21 1 2 LED1 NC R669 0R R667 470R 1 2 LED2 NC CB650 NC C653 10nF 1 TD+ 2 TCT 3 TD- 4 NC1 5 NC2 6 RD+ 7 RCT 8 RD- 9 RX- 10 TCM- 11 RX+ 12 NC3 13 NC4 14 TX- 15 TCM 16 TX+ U651 SMDTR16P HST-0041 R657 75R/1% CB652 1nF/2KV R664 75R/1% CB651 1nF/2KV C654 10nF 1 TX+ 2 TX- 3 RX+ 4 4 5 5 6 RX- 7 7 8 8 9 GND 10 GND JA3 RJ45_TYCO R662 75R/1% R668 470R R681 0R R660 75R/1% R670 0R +2_5V_NORMAL MDI_RP MDI_RN MDI_TN MDI_TP LAN-LED0 LAN-LED1 LAN-LED1 LAN-LED0 MDI_TP REGOUT MDI_RN MDI_RP MDI_TN REGOUT Monday, August 15, 2011 E 10 HDMI 1.0 MSxxx 15 of Sheet Date: Rev Document Number Size Title HDMI1 HDMI3 CEC & ARC 靠近端子放置 靠近端子放置 ESD分布电容小于0.5pF ESD分布电容小于0.5pF A B C D 5 4 3 2 1 D C B A 1 2 3 4 5 1 2 D703 NC R700 22R R736 10R R704 NC/10K 1 2 D729 NC 1 2 3 Q702 3904 R715 10K 1 DATA2+ 2 DATA2_SHIELD 3 DATA2- 4 DATA1+ 5 DATA1_SHIELD 6 DAT1A- 7 DATA0+ 8 DATA0_SHIELD 9 DATA0- 10 CLK+ 11 CLK_SHIELD 12 CLK- 13 CEC 14 NC 15 SCL 16 SDA 17 DDC/CEC_GND 18 +5V_POWER 19 HOT_PLUG 20 GND1 21 GND2 22 GND3 JA17 NC/HDMI_J_V 1 2 D740 NC 1 2 D704 NC 1 DATA2+ 2 DATA2_SHIELD 3 DATA2- 4 DATA1+ 5 DATA1_SHIELD 6 DAT1A- 7 DATA0+ 8 DATA0_SHIELD 9 DATA0- 10 CLK+ 11 CLK_SHIELD 12 CLK- 13 CEC 14 NC 15 SCL 16 SDA 17 DDC/CEC_GND 18 +5V_POWER 19 HOT_PLUG 20 GND1 21 GND2 22 GND3 23 GND JA16 HDMI/180D R737 10R 1 2 D701 NC R701 1K 1 2 D728 NC 1 2 D706 NC R703 10K R714 1K 1 2 3 Q700 3904 R749 10R R719 22R 1 2 D722 NC 1 2 D705 NC C700 2.2uF R750 10R 1 2 D723 NC 1 2 D707 NC R718 22R R730 10R 1 DATA2+ 2 DATA2_SHIELD 3 DATA2- 4 DATA1+ 5 DATA1_SHIELD 6 DAT1A- 7 DATA0+ 8 DATA0_SHIELD 9 DATA0- 10 CLK+ 11 CLK_SHIELD 12 CLK- 13 CEC 14 NC 15 SCL 16 SDA 17 DDC/CEC_GND 18 +5V_POWER 19 HOT_PLUG 20 GND1 21 GND2 22 GND3 JA15 NC/HDMI_J_V 1 DATA2+ 2 DATA2_SHIELD 3 DATA2- 4 DATA1+ 5 DATA1_SHIELD 6 DAT1A- 7 DATA0+ 8 DATA0_SHIELD 9 DATA0- 10 CLK+ 11 CLK_SHIELD 12 CLK- 13 CEC 14 NC 15 SCL 16 SDA 17 DDC/CEC_GND 18 +5V_POWER 19 HOT_PLUG 20 GND1 21 GND2 22 GND3 23 GND JA14 HDMI/180D 1 2 D724 NC R751 10R 1 2 D726 NC R728 0R R746 10R 1 2 D720 NC 1 2 D725 NC R731 10R R716 10K R747 10R R752 10R 1 2 D727 NC R729 200R 1 2 D721 NC R748 10R R732 10R 1 2 D709 NC R733 10R R702 10K 1 2 D708 NC R753 10R R734 10R 1 2 D702 NC R717 NC/10K R735 10R R705 22R R706 4.7K 1 2 D700 NC R720 4.7K HDMI1/5V HDMI1/5V HDMI1/5V HDMI3/5V HDMI3/5V HDMI3/5V HDMI1/5V HDMI3/5V HDMI-CEC HDMI1-HPDIN HDMI1-SCL HDMI1-SDA HDMI-ARC HDMI3-HPDIN HDMI3-SCL HDMI3-SDA HDMI1-RX2P HDMI1-RX2N HDMI1-RX1P HDMI1-RX1N HDMI1-RX0P HDMI1-RX0N HDMI1-CLKP HDMI1-CLKN HDMI3-RX2P HDMI3-RX2N HDMI3-RX1P HDMI3-RX1N HDMI3-RX0P HDMI3-RX0N HDMI3-CLKP HDMI3-CLKN HDMI1-RX2N HDMI3_RX2P HDMI1_CLKN HDMI1_CLKP HDMI3_CLKN HDMI3_RX2N HDMI1_RX2N HDMI3_RX1P HDMI3-CLKP HDMI1_RX0N HDMI1_RX1N CEC HDMI3_RX0N HDMI3-CLKN HDMI3-DDC-SCL HDMI1_RX1P HDMI3_RX0P HDMI3_RX1N HDMI3-RX0P HDMI1-CLKP HDMI3-RX0N HDMI3-DDC-SDA HDMI-ARC HDMI_ARC HDMI3-HPDIN HDMI1-HPD HDMI1-DDC-SDA HDMI3-HPD HDMI3_CLKP HDMI1_RX0P HDMI1-DDC-SCL HDMI1_RX2P HDMI1-HPDIN HDMI1-RX1P HDMI-CEC HDMI1-CLKN HDMI1-RX0P HDMI3-RX2P HDMI3-RX1N HDMI3-RX2N HDMI1-RX0N HDMI1-RX2P HDMI1-RX1N HDMI3-RX1P HDMI3_RX2P HDMI3_RX2P HDMI3_RX2P HDMI1_CLKN HDMI1_CLKN HDMI1_CLKN HDMI1_CLKP HDMI1_CLKP HDMI1_CLKP HDMI3_CLKN HDMI3_CLKN HDMI3_CLKN HDMI3_RX2N HDMI3_RX2N HDMI3_RX2N HDMI1_RX2N HDMI1_RX2N HDMI1_RX2N HDMI3_RX1P HDMI3_RX1P HDMI3_RX1P HDMI1_RX0N HDMI1_RX0N HDMI1_RX0N HDMI1_RX1N HDMI1_RX1N HDMI1_RX1N CEC CEC CEC CEC HDMI3_RX0N HDMI3_RX0N HDMI3_RX0N HDMI3-DDC-SCL HDMI3-DDC-SCL HDMI3-DDC-SCL HDMI1_RX1P HDMI1_RX1P HDMI1_RX1P HDMI3_RX0P HDMI3_RX0P HDMI3_RX0P HDMI3_RX1N HDMI3_RX1N HDMI3_RX1N HDMI3-DDC-SDA HDMI3-DDC-SDA HDMI3-DDC-SDA HDMI_ARC HDMI_ARC HDMI1-HPD HDMI1-HPD HDMI1-DDC-SDA HDMI1-DDC-SDA HDMI1-DDC-SDA HDMI3-HPD HDMI3-HPD HDMI3_CLKP HDMI3_CLKP HDMI3_CLKP HDMI1_RX0P HDMI1_RX0P HDMI1_RX0P HDMI1-DDC-SCL HDMI1-DDC-SCL HDMI1-DDC-SCL HDMI1_RX2P HDMI1_RX2P HDMI1_RX2P Friday, September 16, 2011 E 15 MSxxx 1.0 Tuner 11 of Sheet Date: Rev Document Number Size Title TUNER POWER Close Tuner TUNER AGC RC Filter C824 Q值:15(MIN) C824=180P,C801,C806=56pF,FOR 38.9MHZ OR 38MHZ(PAL) C824=120P,FOR 45.75MHZ(NTSC) BPF_IN BPF FOR 38.9MHz OR 38MHZ 单声表背出/差分输出后出和背出 AIF OPTION A B C D 5 4 3 2 1 D C B A 1 2 3 4 5 C800 0.1uF C821 NC/0.1uF R824 100R C817 10nF/0R/NC R818 1.2K/0R/NC C806 NC/56pF 1 RF_AGC 3 SDA 4 SCL 5 5V 7 IF2 8 IF1 9 GND1 10 GND4 11 GND5 2 NC 12 GND3 6 NC TUN801 HFT-86H/115HR C820 10nF/NC L818 NC/100nH/10% R827 NC/33R R816 6.8K/NC C202 33pF R826 NC/33R R838 0/NC L816 0.82uH/NC R439 NC/15R/2W R833 NC/51R OUT GND IN 3 2 1 4 U800 NC/LM7805 R825 100R R809 100R R820 0R/NC R815 100R/NC 3 1 2 Q816 2SC2216/NC L819 100uH/NC + CA10 470uF/16V L821 NC/100nH/10% R837 0/NC C819 10nF/NC R821 NC/51R C808 NC/56pF L820 NC/100nH/10% C818 NC/0.1uF R817 680R/NC R822 1K/NC C212 33pF C824 NC/180pF R823 22R/NC C801 NC/56pF C805 0.1uF C804 NC/0.1uF + CA13 NC/100uF/16V 2 2 3 3 4 4 5 5 1 1 SAW1 X6763M30/NC R819 0R/NC R834 NC/51R + CA14 100uF/16V/NC C816 NC/0.1uF C807 NC/56pF +5V_TU +12V_NORMAL +5V_TU +5V_NORMAL +5V_TU +12V_NORMAL RF_AGC_T M_SDA M_SCL VIFM1 VIFP1 VIFP VIFM SDA-T SCL-T VIFP1 IF-IN+ AIF RF_AGC_1 IF-IN- VIFM VIFM1 VIFP SDA-T SCL-T IF-IN+ AIF RF_AGC_1 IF-IN- ? Monday, November 07, 2011 15 12 E of Sheet Date: Rev Document Number Size Title ? Monday, November 07, 2011 15 12 E of Sheet Date: Rev Document Number Size Title ? Monday, November 07, 2011 15 12 E of Sheet Date: Rev Document Number Size Title ? Monday, November 07, 2011 15 12 E of Sheet Date: Rev Document Number Size Title TPA3121D2 Mute High Low Mute enablde Mute disabled SD : L DISABLED H OPERATE MUTE: L OPERATE H: MUTE A B C D 5 4 3 2 1 D C B A 1 2 3 4 5 R102 100K C48 1uF/35V R64 3.3K 1 2 3 Q16 3906 R322 NC/0 R321 NC/10K C379 0.22uF/50V R374 1.5k C47 1uF/35V R104 100K C377 0.22uF/50V L12 22uH C369 330nF/50V R179 10K R103 10K D149 IN4148 C87 NC/0.1uF R42 10K R101 NC/10K R110 4.7K + CA87 2.2uF/50V C321 nc/10nF C368 330nF/63V C45 1uF/35v + CA85 47uF/35V C363 0.1uF D146 IN4148 C58 1uF/35v C83 0.1uF/35V D151 IN4148 1 2 CN11 2X2.5MM R53 2W R63 100K C326 nc/10nF CA18 470uF/35V CA32 470uF/35V C364 0.1uF R35 NC/0 R96 10K C69 1nF/50v 1 2 3 Q14 3904 C342 2.2uF 1 2 3 Q15 3904 R97 0/NC L11 22uH + CA16 220uF/35V R98 NC C375 330nF/63V R108 4.7K C46 1uF/35v R375 1.5k 7 BYPASS 9 AGND 1 PVCCL 2 SD 15 ROUT 16 BSR 5 LIN 11 VCLAMP 3 PVCCL 13 PGNDR 8 AGND 10 PVCCR 4 MUTE 14 PGNDR 6 RIN 12 PVCCR 17 GAIN1 18 GAIN0 19 AVCC 20 AVCC 21 BSL 22 LOUT 23 PGNDL 24 PGNDL 25 AGND U47 IC-TPA3121D2_0 C86 0.1uF/35v R99 0 CA24 470uF/35V R436 NC/10K R115 NC/10K 1 2 3 Q13 3904 R61 3.3K C85 NC/0.1uF R62 100K C60 1uF/35v 1 2 CN12 2X2.0MM C344 2.2uF C370 330nF/50V C84 nc/0.1uF/35V C68 0.1uF/35V AMP_VDD AMP_VDD AMP_VDD AMP_VDD AMP_VDD +12V_NORMAL +24V AV_AUOUTR0 AV_AUOUTL0 AMP-MUTE POWER_MUTE AV_AUOUTR0 AV_AUOUTL0 MUTE MUTE_IN MUTE_IN POWER_MUTE AMP-RST AMP-MUTE AV_AUOUTR0 AV_AUOUTL0 MUTE MUTE_IN POWER_MUTE POWER_MUTE POWER_MUTE AMP-RST AMP-MUTE Monday, August 15, 2011 E 15 MSxxx 1.0 PCMCIA & NAND 13 of Sheet Date: Rev Document Number Size Title NAND FLASH A B C D 5 4 3 2 1 D C B A 1 2 3 4 5 7 R/B 8 RE 9 CE 10 NC6/CE2 11 NC7 12 VCC 13 VSS 14 NC8 15 NC9 16 CLE 17 ALE 18 WE 19 WP 48 NC28 47 NC27 46 NC26 45 NC25 44 D7 43 D6 42 D5 41 D4 37 VCC 36 VSS 35 NC21 34 NC20 33 NC19 32 D3 31 D2 30 D1 29 D0 1 NC0/WPZ 2 NC1 3 NC2 4 NC3 5 NC4 6 NC5 20 NC10 21 NC11 22 NC12 23 NC13 24 NC14 25 NC15 26 NC16 27 NC17 28 NC18 38 NC22 39 NC23 40 NC24 U1000 K9F1G08U0D-SCB0 R1044 10K C1004 0.1uF C1003 0.1uF NAND_FLASH_PWR-3_3V NAND_FLASH_PWR-3_3V NAND_FLASH_PWR-3_3V NAND_RBZ NAND_REZ NAND_CEZ NAND_CLE NAND_ALE NAND_WEZ NAND_WPZ NAND_ALE NAND_RBZ PCM_A0 NAND_REZ PCM_A1 PCM_A2 PCM_A3 NAND_WPZ NAND_WEZ NAND_CLE NAND_CEZ PCM_A4 PCM_A5 PCM_A6 PCM_A7 ? Monday, August 15, 2011 15 14 E of Sheet Date: Rev Document Number Size Title 系统BOM 配屏BOM 电子部分BOM 结构部分BOM 整 机 配 屏 BOM 主 板 配 屏 BOM 电 源 BOM 结 构 配 屏 BOM 主 板 BOM 键 控 板 BOM 接 收 板 BOM 非 公 共 部 分 BOM 音 响 部 分 BOM 塑 料 件 组 件 包 装 组 件 其 他 组 件 金 属 件 组 件 A B C D 5 4 3 2 1 D C B A 1 2 3 4 5 ? Thursday, September 08, 2011 15 15 E of Sheet Date: Rev Document Number Size Title 主板电源板接口 24V 功放TPA3121 5V-STB LDO U2 3.3V-STB SPI MSD6I981BTC DC/DC U1或者U1001 12V 1.15V DC/DC U5 5V MOS U15 PANEL LDO U800 5V-TUNE LDO U6 LDO U4 EEPROM NAND 3.3V 1.5V DDR3 LDO U3 2.5V 电感 电感 5V-USB A B C D 5 4 3 2 1 D C B A 1 2 3 4 5

标签:

版权声明

1. 本站所有素材,仅限学习交流,仅展示部分内容,如需查看完整内容,请下载原文件。
2. 会员在本站下载的所有素材,只拥有使用权,著作权归原作者所有。
3. 所有素材,未经合法授权,请勿用于商业用途,会员不得以任何形式发布、传播、复制、转售该素材,否则一律封号处理。
4. 如果素材损害你的权益请联系客服QQ:77594475 处理。