创维37E70RG液晶电视(8M70机芯)电路原理图

分类:电子电工 日期: 点击:0
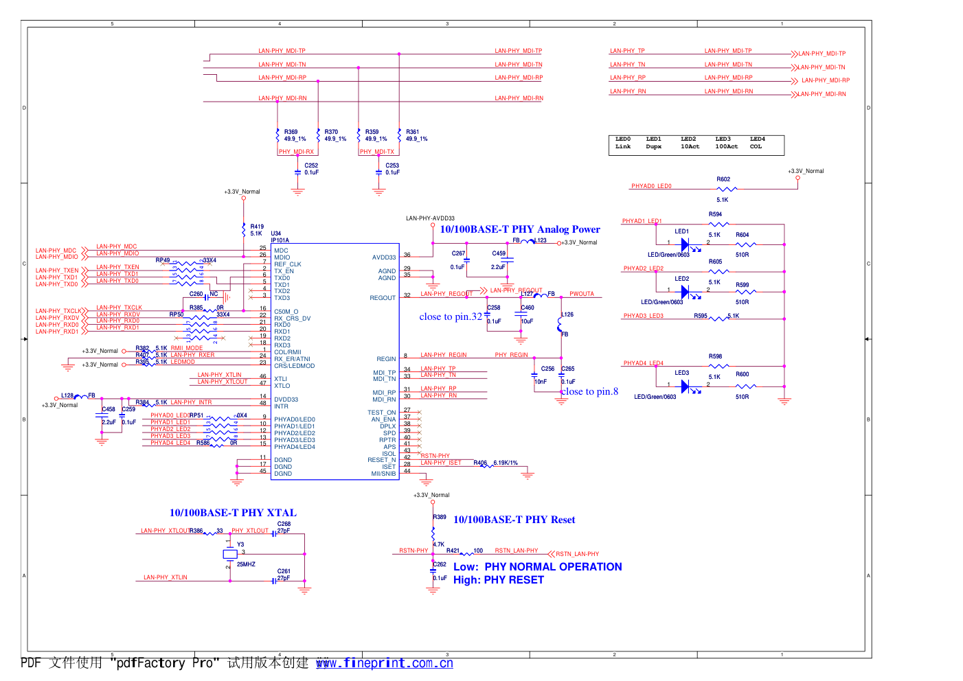
创维37E70RG液晶电视(8M70机芯)电路原理图-0 创维37E70RG液晶电视(8M70机芯)电路原理图-1 创维37E70RG液晶电视(8M70机芯)电路原理图-2 创维37E70RG液晶电视(8M70机芯)电路原理图-3 创维37E70RG液晶电视(8M70机芯)电路原理图-4 创维37E70RG液晶电视(8M70机芯)电路原理图-5 创维37E70RG液晶电视(8M70机芯)电路原理图-6 创维37E70RG液晶电视(8M70机芯)电路原理图-7 创维37E70RG液晶电视(8M70机芯)电路原理图-8 创维37E70RG液晶电视(8M70机芯)电路原理图-9

5 5 4 4 3 3 2 2 1 1 D D C C B B A A LAN-PHY_TN LAN-PHY_MDI-TN PHYAD0_LED0 PHYAD4_LED4 PHYAD2_LED2 PHYAD1_LED1 PHYAD3_LED3 LAN-PHY_REGOUT LAN-PHY_TP LAN-PHY_TN LAN-PHY_RP LAN-PHY_RN PWOUTA LAN-PHY_ISET LAN-PHY_INTR PHY_XTLOUT RMII_MODE LAN-PHY_RXER LAN-PHY_XTLIN LAN-PHY_XTLOUT LAN-PHY_XTLOUT LAN-PHY_MDC RSTN_LAN-PHY LAN-PHY_REGIN PHY_REGIN LAN-PHY_MDIO LAN-PHY_XTLIN LEDMOD RSTN-PHY LAN-PHY_TP LAN-PHY_MDI-TP LAN-PHY_RP LAN-PHY_MDI-RP LAN-PHY_RN LAN-PHY_MDI-RN LAN-PHY_MDI-TN LAN-PHY_MDI-TN PHYAD2_LED2 PHYAD0_LED0 PHYAD1_LED1 PHYAD3_LED3 LAN-PHY_TXD1 LAN-PHY_RXD0 LAN-PHY_RXD1 LAN-PHY_RXDV LAN-PHY_TXD0 LAN-PHY_MDI-RP LAN-PHY_MDI-RN LAN-PHY_MDI-TP PHYAD4_LED4 LAN-PHY_TXEN RSTN-PHY LAN-PHY_TXCLK PHY_MDI-RX PHY_MDI-TX LAN-PHY_MDI-RP LAN-PHY_MDI-TP LAN-PHY_MDI-RN +3.3V_Normal LAN-PHY-AVDD33 +3.3V_Normal +3.3V_Normal +3.3V_Normal +3.3V_Normal +3.3V_Normal +3.3V_Normal LAN-PHY_TXD1 LAN-PHY_TXD0 LAN-PHY_REGOUT LAN-PHY_MDI-RP LAN-PHY_MDI-TP LAN-PHY_MDI-RN LAN-PHY_MDI-TN RSTN_LAN-PHY LAN-PHY_MDC LAN-PHY_MDIO LAN-PHY_TXEN LAN-PHY_TXCLK LAN-PHY_RXDV LAN-PHY_RXD0 LAN-PHY_RXD1 10/100BASE-T PHY Analog Power Low: PHY NORMAL OPERATION High: PHY RESET close to pin.32 close to pin.8 10/100BASE-T PHY Reset 10/100BASE-T PHY XTAL LED0 LED1 LED2 LED3 LED4 Link Dupx 10Act 100Act COL R370 49.9_1% R370 49.9_1% C258 0.1uF C258 0.1uF 1 2 LED2 LED/Green/0603 LED2 LED/Green/0603 R421 100 R421 100 R604 510R R604 510R C262 0.1uF C262 0.1uF R594 5.1K R594 5.1K R382 5.1K R382 5.1K 1 2 3 Y3 25MHZ Y3 25MHZ R361 49.9_1% R361 49.9_1% C460 10uF C460 10uF 7 5 3 1 8 6 4 2 RP50 33X4 7 5 3 1 8 6 4 2 RP50 33X4 7 5 3 1 8 6 4 2 RP51 0X4 7 5 3 1 8 6 4 2 RP51 0X4 7 5 3 1 8 6 4 2 RP49 33X4 7 5 3 1 8 6 4 2 RP49 33X4 R586 0R R586 0R R384 5.1K R384 5.1K R602 5.1K R602 5.1K C261 27pF C261 27pF R395 5.1K R395 5.1K C252 0.1uF C252 0.1uF R599 510R R599 510R L123 FB L123 FB L126 FB L126 FB C260 NC C260 NC R406 6.19K/1% R406 6.19K/1% C267 0.1uF C267 0.1uF R359 49.9_1% R359 49.9_1% 1 2 LED3 LED/Green/0603 LED3 LED/Green/0603 C458 2.2uF C458 2.2uF R595 5.1K R595 5.1K R605 5.1K R605 5.1K C268 27pF C268 27pF R386 33 R386 33 C265 0.1uF C265 0.1uF 1 2 LED1 LED/Green/0603 LED1 LED/Green/0603 L127 FB L127 FB R407 5.1K R407 5.1K L128 FB L128 FB R419 5.1K R419 5.1K C259 0.1uF C259 0.1uF C256 10nF C256 10nF R385 0R R385 0R R600 510R R600 510R R389 4.7K R389 4.7K R369 49.9_1% R369 49.9_1% C253 0.1uF C253 0.1uF R598 5.1K R598 5.1K MDC 25 MDIO 26 TXD0 6 TXD1 5 TXD2 4 TXD3 3 TX_EN 2 REF_CLK 7 RX_CRS_DV 22 RXD0 21 RXD1 20 RXD2 19 RXD3 18 C50M_O 16 COL/RMII 1 CRS/LEDMOD 23 XTLI 46 XTLO 47 PHYAD0/LED0 9 PHYAD1/LED1 10 PHYAD2/LED2 12 PHYAD3/LED3 13 PHYAD4/LED4 15 REGIN 8 DVDD33 14 DGND 11 DGND 17 REGOUT 32 AVDD33 36 INTR 48 AGND 29 AGND 35 DGND 45 RX_ER/ATNI 24 TEST_ON 27 MDI_TP 34 MDI_TN 33 MDI_RP 31 MDI_RN 30 ISET 28 ISOL 43 RPTR 40 RESET_N 42 SPD 39 DPLX 38 AN_ENA 37 APS 41 MII/SNIB 44 U34 IP101A U34 IP101A C459 2.2uF C459 2.2uF PDF 文件使用 "pdfFactory Pro" 试用版本创建 ÿÿ www.fineprint.com.cn 5 5 4 4 3 3 2 2 1 1 D D C C B B A A I2C_TSCL I2C_TSDA T_I2C_TSCL T_I2C_TSDA RFAGC RF_AGC_T T_I2C_TSCL RF_AGC_T QH_IF_OUT- T_I2C_TSDA IF_AGC IF_TV QH_IF_OUT+ SW T_I2C_TSCL RF_AGC_T QH_IF_OUT- T_I2C_TSDA IF_AGC IF_TV QH_IF_OUT+ SW TUNER_SCL TUNER_SDA QH_IF_OUT+ IF_AGC QH_IF_OUT- TSCLK TS0 TS1 TS2 TS3 TS4 TS5 TS6 TS7 TSVLD TSSYNC DEMOD_RST# DEMOD_RST# TUNER_SDA TUNER_SCL TSSYNC I2C_TSDA TS3 QH_IF_OUT+ TS4 TS5 IF_AGC TS6 TS7 TSCLK TSVLD QH_IF_OUT- TS1 TS2 TS0 I2C_TSCL TS0_IN_D7 TS0_IN_D6 TS0_IN_D5 TS0_IN_D4 TS0_IN_D3 TS0_IN_D2 TS0_IN_D1 TS0_IN_D0 TS0_IN_SYNC TS0_IN_VLD TS0_IN_CLK I2C_TSCL TS0_IN_CLK I2C_TSDA TS0_IN_VLD TS0_IN_SYNC TS0_IN_D1 TS0_IN_D0 TS0_IN_D3 TS0_IN_D2 TS0_IN_D5 TS0_IN_D4 TS0_IN_D7 TS0_IN_D6 3v3 +5V_TUNER +12V_NORMAL +5V_Tuner +5V_Tuner 5V_TUN 5V_TUN 5V_TUN 5V_TUN 5V_TUN +3.3V_Normal 5V_Normal 3v3 3v3 3v3 ASIC_1v2 3v3 ASIC_1v2 3v3 3v3 ASIC_1v2 3v3 3v3 ASIC_3V3 ASIC_1v2 ASIC_3V3 ASIC_1v2 3v3 3v3 3v3 3v3 ASIC_3V3 ASIC_3V3 ASIC_1v2 3v3 3v3 3v3 3v3 ASIC_1v2 3v3 ASIC_1v2 +1.2V_VDDC ASIC_1v2 3v3 +3.3V_Normal ASIC_3V3 +3.3V_Normal ASIC_3V3 RF_AGC_CTRL RFAGC IF_TV IF_TV TS0_IN_D[7:0] TS0_IN_CLK DEMOD_RST# TUNER_SCL TUNER_SDA TS0_IN_VLD TS0_IN_SYNC 1 1 ICTTEST ICTTEST R88 DTV/0R R88 DTV/0R C58 DTV/0.1uF C58 DTV/0.1uF R86 DTV/0R R86 DTV/0R C62 DTV/0.1uF C62 DTV/0.1uF C57 DTV/0.1uF C57 DTV/0.1uF C35 DTV/0.1uF C35 DTV/0.1uF C38 DTV/12pF C38 DTV/12pF R439 DTV//NC/15R/2W R439 DTV//NC/15R/2W C356 DTV/NC C356 DTV/NC TSBSYNC 1 TSBVLD 2 TSBCLK 3 TSB7 4 TSB6 5 VDD33 6 TSB5 7 TSB4 8 TSB3 9 VDD12 10 TSB2 11 TSB1 12 TSB0 13 PWM0 14 VDD12 15 CLK_REF_OUT 16 VDD_DIV 17 REFCLKI0 18 REFCLKI1 19 VDD_OSC 20 DVDD_ADC 21 ADVDD_ADC 22 QVINP 23 QVINN 24 IVINP 25 IVINN 26 AVDD_REF 27 REF_BIAS_EXT 28 VDD12 29 TESTIO16 30 TESTIO15 31 VDD33 32 TESTIO14 33 TESTIO13 34 TESTIO12 35 TESTIO11 36 TESTIO10 37 I2CINT 38 SCLM 39 SDAM 40 VDD12 41 SCLS 42 SDAS 43 TESTIO27 44 VDD33 45 TESTIO26 46 TESTIO25 47 TESTIO17 48 TESTIO18 49 TESTIO19 50 VDD33 51 VDD12 52 TESTIO24 53 TESTIO23 54 NC 58 VDD12 57 NC 55 NC 56 VDD33 59 VDD33 60 TESTIO22 61 TESTIO21 62 VDD33 63 TESTIO20 64 VDD33 65 PWM1 66 VDD33 67 VDD12 68 RESETN 69 TEST0 71 TEST1 72 DBGSEL 70 GND 73 U39 DTV/ATBM8848 U39 DTV/ATBM8848 C43 DTV/0.1uF C43 DTV/0.1uF C31 DTV/0.1uF C31 DTV/0.1uF IN 1 3 OUT 4 TAB/GND GND 2 U67 DTV/NC/LM7805 U67 DTV/NC/LM7805 R53 DTV/0R R53 DTV/0R R170 DTV/10K R170 DTV/10K L3 DTV/2.2uH L3 DTV/2.2uH C12 DTV/0.1uF C12 DTV/0.1uF R178 DTV/0 R178 DTV/0 C53 DTV/0.1uF C53 DTV/0.1uF + CA14 DTV/NC/100uF/16V + CA14 DTV/NC/100uF/16V D13 DTV/LED D13 DTV/LED R92 DTV/200 R92 DTV/200 C44 DTV/1uF C44 DTV/1uF 1 1 ICTTEST ICTTEST Y2 DTV/30.4MHz Y2 DTV/30.4MHz R603 DTV/4.7K R603 DTV/4.7K R183 DTV/2.7K R183 DTV/2.7K R591 NC R591 NC 1 1 2 2 3 3 4 4 5 5 6 6 7 7 8 8 9 9 10 10 11 11 12 12 13 13 14 14 CN1A DTV/CNDTV CN1A DTV/CNDTV C21 DTV/0.1uF C21 DTV/0.1uF R185 DTV/100K R185 DTV/100K R589 DTV/NC/0 R589 DTV/NC/0 R187 DTV/100K R187 DTV/100K C37 DTV/0.1uF C37 DTV/0.1uF C29 DTV/0.1uF C29 DTV/0.1uF C14 DTV/0.1uF C14 DTV/0.1uF R83 DTV/2.7K R83 DTV/2.7K Q8 DTV/3904 Q8 DTV/3904 R152 DTV/10K1% R152 DTV/10K1% C87 DTV/0.1uF C87 DTV/0.1uF R93 DTV/100K R93 DTV/100K 1 2 3 4 5 6 7 8 RN2 DTV/33x4 RP0402 RN2 DTV/33x4 RP0402 1 1 ICTTEST ICTTEST R58 DTV/0R R58 DTV/0R + CA21 DTV/NC/100uF/16V + CA21 DTV/NC/100uF/16V R184 DTV/100K R184 DTV/100K R175 DTV/100K R175 DTV/100K C39 DTV/12pF C39 DTV/12pF SW 1 SCL 4 SDA 5 IF AGC 9 IF OUT(-) 10 IF OUT(+) 11 RF AGC 3 VCC1 2 VT 7 VCC2 6 IF-A-OUT 8 GND 12 GND 13 GND 14 GND 15 TUN3 DTV/TD1318AF/IHP/xuguan TUN3 DTV/TD1318AF/IHP/xuguan 1 2 3 4 5 6 7 8 RN3 DTV/33x4 RP0402 RN3 DTV/33x4 RP0402 C26 DTV/0.1uF C26 DTV/0.1uF 1 3 2 Q7 DTV/3906 Q7 DTV/3906 R85 DTV/0 R85 DTV/0 R509 DTV/2.7K R509 DTV/2.7K R171 59K1% R171 59K1% 1 2 C413 DTV/0.1uF C413 DTV/0.1uF R159 DTV/10K R159 DTV/10K R18 DTV/100K R18 DTV/100K R167 DTV/4.7K1% R167 DTV/4.7K1% R177 DTV/100K R177 DTV/100K C18 DTV/0.1uF C18 DTV/0.1uF R168 DTV/4.7K1% R168 DTV/4.7K1% C25 DTV/0.1uF C25 DTV/0.1uF R166 DTV/1M R166 DTV/1M C22 DTV/1uF C22 DTV/1uF C46 DTV/0.1uF C46 DTV/0.1uF R186 DTV/1K R186 DTV/1K R179 DTV/2.7K R179 DTV/2.7K C69 DTV/0.1uF C69 DTV/0.1uF C13 DTV/0.1uF C13 DTV/0.1uF + CA18 DTV/NC/100uF/16V + CA18 DTV/NC/100uF/16V 1 2 C329 DTV/NC/0.1uF C329 DTV/NC/0.1uF R508 DTV/2.7K R508 DTV/2.7K 1 S1 2 S2 3 S3 4 S4 5 S5 6 S6 7 S7 8 S8 9 S9 10 S10 11 S11 12 S12 13 S13 CN1B DTV/CNDTV CN1B DTV/CNDTV C349 DTV/0.1uF C349 DTV/0.1uF 1 1 ICTTEST ICTTEST C30 DTV/0.1uF C30 DTV/0.1uF C75 DTV/0.1uF C75 DTV/0.1uF + CA19 DTV/NC/100uF/16V + CA19 DTV/NC/100uF/16V R392 DTV/10K R392 DTV/10K C52 DTV/0.1uF C52 DTV/0.1uF 1 1 ICTTEST ICTTEST 1 2 3 4 5 6 7 8 RN1 DTV/33x4 RN1 DTV/33x4 R190 DTV/100K R190 DTV/100K C17 DTV/0.1uF C17 DTV/0.1uF 1 2 L6 DTV/2.2uH L6 DTV/2.2uH R158 DTV/10K1% R158 DTV/10K1% C88 DTV/0.1uF C88 DTV/0.1uF C36 DTV/0.1uF C36 DTV/0.1uF C33 DTV/0.1uF C33 DTV/0.1uF SW 1 SCL 4 SDA 5 IF AGC 9 IF OUT(-) 10 IF OUT(+) 11 RF AGC 3 VCC1 2 VT 7 VCC2 6 IF-A-OUT 8 GND 12 GND 13 GND 14 GND 15 TUN2 DTV/TD1318AF/IHP/xuguan TUN2 DTV/TD1318AF/IHP/xuguan R511 DTV/0R R511 DTV/0R C32 DTV/0.1uF C32 DTV/0.1uF R84 DTV/2.7K R84 DTV/2.7K C23 DTV/0.1uF C23 DTV/0.1uF C107 DTV/0.1uF C107 DTV/0.1uF 1 2 L4 DTV/2.2uH L4 DTV/2.2uH R512 DTV/0R R512 DTV/0R R388 DTV/10K R388 DTV/10K 1 2 L5 DTV/2.2uH L5 DTV/2.2uH R403 DTV/10K R403 DTV/10K C355 DTV/NC C355 DTV/NC PDF 文件使用 "pdfFactory Pro" 试用版本创建 ÿÿ www.fineprint.com.cn 5 5 4 4 3 3 2 2 1 1 D D C C B B A A USB1_D1-_in USB1_D1-_in USB1_D1+_in USB2_D1+_in USB2_D1-_in USB2_D1-_in USB2_D1+_in USB3_D1-_in USB3_D1+_in USB4_D1-_in USB4_D1+_in USB3_D1+_in USB3_D1-_in USB4_D1+_in USB4_D1-_in USB3_D1-_in USB3_D1+_in USB2_D1-_in USB2_D1+_in USB4_D1-_in USB4_D1+_in USB1_D1+_in USB1_D1-_in 3V3_USBUHB 3V3_USBUHB 3V3_USBUHB USB0_D+ USB0_D- USB2_D+ USB2_D- USB_POWER USB_POWER USB_POWER USB_POWER USB_POWER USB_POWER USB_POWER USB_POWER USB1_D1+_in USB1_D1+_in USB1_D1+_in 3V3_USBUHB 3V3_USBUHB 3V3_USBUHB 3V3_USBUHB +5V_USB2 +5V_USB1 +5V_USB1 +5V_USB2 +5V_USB3 +5V_USB4 +5V_USB3 +5V_USB4 5V_USBHUB 5V_USBHUB 3V3_USBUHB 3V3_DVDD 3V3_DVDD 3V3_DVDD 3V3_DVDD 5V_USBHUB 5V_USBHUB +5VUSB_5 3V3_USBUHB 5V_USBHUB +12V_NORMAL +5VUSB_5 USB0_D+ USB0_D- USB2_D- USB2_D+ USB_POWER 3 USB for 6I48 R74 10K R74 10K 1 2 D88 LED/NC D88 LED/NC + CA113 100uF/16V + CA113 100uF/16V R237 560_1%/NC R237 560_1%/NC C209 0.1uF C209 0.1uF R76 100K R76 100K 1 2 D70 NC D70 NC R72 510K R72 510K AVDD1 1 DM2 2 DP2 3 RREF 4 AVDD2 5 X1 6 X2 7 DM3 8 DP3 9 AVDD 10 DM4 11 DP4 12 RESET# 13 TEST/SCL 14 GND 15 DVDD 16 PSELF 17 PGANG 18 OVCUR2# 19 PWREN2# 20 OVCUR1# 21 PWREN1# 22 V5 23 V33 24 DM0 25 DP0 26 DM1 27 DP1 28 SSOP28 U28 GL850 SSOP28 U28 GL850 + CA12 100uF/16V + CA12 100uF/16V C55 0.1uF C55 0.1uF 1 2 D62 NC D62 NC C81 0.1uF C81 0.1uF R238 1K3_1%/NC R238 1K3_1%/NC R311 1M/NC R311 1M/NC L35 FB/NC L35 FB/NC VBUS 1 D- 2 D+ 3 GND 4 SHELL 5 SHELL 6 J4 USB-A/90D J4 USB-A/90D R235 6.8K_1%/NC R235 6.8K_1%/NC + CA111 100uF/16V + CA111 100uF/16V R45 0 R45 0 + CA13 100uF/16V + CA13 100uF/16V 1 1 ICTTEST ICTTEST 1 1 ICTTEST ICTTEST R208 100/NC R208 100/NC C101 0.1uF C101 0.1uF R71 47K R71 47K R73 680_1% R73 680_1% C202 0.1uF C202 0.1uF + CA114 470uF/16V/NC + CA114 470uF/16V/NC C147 20pF C147 20pF + CA112 100uF/16V + CA112 100uF/16V R236 100K/NC R236 100K/NC C213 0.1uF C213 0.1uF C60 0.1uF C60 0.1uF + CA109 100uF/16V/NC + CA109 100uF/16V/NC R64 0/NC R64 0/NC 1 1 C206 0.1uF/NC C206 0.1uF/NC 1 1 ICTTEST ICTTEST R77 1K/NC R77 1K/NC 1 1 ICTTEST ICTTEST C1070 10nF/NC C1070 10nF/NC C98 0.1uF C98 0.1uF R75 20K R75 20K VBUS 1 D- 2 D+ 3 GND 4 SHELL 5 SHELL 6 J7 USB-A/90D J7 USB-A/90D L33 FB L33 FB 1 1 C97 0.1uF C97 0.1uF R55 0/NC R55 0/NC C159 20pF C159 20pF C207 0.1uF C207 0.1uF C100 0.1uF C100 0.1uF 1 2 D61 NC D61 NC D16 0 D16 0 1 2 D89 NC D89 NC + CA110 100uF/16V + CA110 100uF/16V 1 2 D60 NC D60 NC C96 0.1uF C96 0.1uF VBUS 1 D- 2 D+ 3 GND 4 SHELL 5 SHELL 6 J5 USB-A/90D J5 USB-A/90D D15 NC/1N5822 D15 NC/1N5822 1 1 ICTTEST ICTTEST C92 0.1uF C92 0.1uF VBUS 1 D- 2 D+ 3 GND 4 SHELL 5 SHELL 6 J6 USB-A/90D J6 USB-A/90D R65 10K R65 10K D14 1N5822/NC D14 1N5822/NC R44 0 R44 0 1 2 D64 NC D64 NC 1 3 2 Q6 3906/NC Q6 3906/NC 1 2 3 Q9 3904/NC Q9 3904/NC R1172 2.2K/NC R1172 2.2K/NC C95 0.1uF C95 0.1uF R82 100K/NC R82 100K/NC 3 Y6 XTAL-12MHz Y6 XTAL-12MHz 1 1 2 2 3 3 4 4 CN15 CN1X4_20/NC CN15 CN1X4_20/NC C1069 10nF/NC C1069 10nF/NC 1 2 D63 NC D63 NC 1 2 3 5 4 L37 22uH/NC L37 22uH/NC EN 7 FB 5 VCC 2 OUT 3 BST 1 GND 4 SS 8 COMP 6 U14 MP1482/NC U14 MP1482/NC 1 2 D59 NC D59 NC C99 0.1uF C99 0.1uF C201 0.1uF C201 0.1uF R1171 4.7K/NC R1171 4.7K/NC PDF 文件使用 "pdfFactory Pro" 试用版本创建 ÿÿ www.fineprint.com.cn 5 5 4 4 3 3 2 2 1 1 D D C C B B A A STANDBY PANEL_ON/OFF PANEL_ON PANEL_ON PANEL_ON BL-ADJUST BRI_ADJ-PWM2 BL-ON/OFF VBL_CTRL VBL_CTRL VBL_CTRL VBL_CTRL BL-ADJUST OPC-ADJUST BRI_ADJ-PWM2 PANLE-DCR PANEL-PWM OPC-ADJUST VBL_CTRL VBL_CTRL VBL_CTRL VBL_CTRL BL-ON/OFF BL-ADJUST USB_POWER STANDBY STANDBY STANDBY STANDBY STANDBY STANDBY +5V_Standby +5V_Standby +3.3V_Standby +5V_Normal +3.3V_Normal +5V_Normal +2.5V_Normal +12V_NORMAL 40V +12V_NORMAL +1.2V_VDDC +12V_NORMAL +3.3V_Normal VCC-Panel +3.3V_Normal +3.3V_Standby +5V_Normal +5V_Normal +5V_Normal +1.8V_DDR2 +12V_NORMAL +24V +5V_Standby +12V_NORMAL +5V_Normal +12V_NORMAL +5VUSB 5V_USBHUB +5V_USB1 +5V_USB2 +5VUSB +5V_USB3 +5V_USB4 +3.3V_Standby +3.3V_Standby +5V_Standby PWR-ON/OFF Tuner+40V_PWM0 PANEL_ON/OFF VBL_CTRL BRI_ADJ-PWM2 PANEL-PWM PANLE-DCR USB_POWER 3 Title Size Document Number Rev Date: Sheet of 4F-1, No. 26, Tai-Yuan St., ChuPei, Hsinchu Hsien, Taiwan 302, R.O.C MStar Semiconductor, Inc MST6M48RXS 1.0 MST6M48RXS DEMO BOARD Custom 2 14 Friday, July 02, 2010 Title Size Document Number Rev Date: Sheet of 4F-1, No. 26, Tai-Yuan St., ChuPei, Hsinchu Hsien, Taiwan 302, R.O.C MStar Semiconductor, Inc MST6M48RXS 1.0 MST6M48RXS DEMO BOARD Custom 2 14 Friday, July 02, 2010 Title Size Document Number Rev Date: Sheet of 4F-1, No. 26, Tai-Yuan St., ChuPei, Hsinchu Hsien, Taiwan 302, R.O.C MStar Semiconductor, Inc MST6M48RXS 1.0 MST6M48RXS DEMO BOARD Custom 2 14 Friday, July 02, 2010 WARNING !!! 1200mA SAMSUNG panel 0~3.3V R34=10K LG/CMO/AU panel 0~5V,R34 NC Vout=Vrefx(1+(R2/R1))+IadjxR2 =1.25x(1+(1k/2.4k))+55uAx1k=1.82V Q47 A3401 change to SI9435? add for 3v3 standby 1 2 3 Q36 3904 Q36 3904 C162 0.1uF C162 0.1uF R351 0/NC R351 0/NC R346 4.7K R346 4.7K R46 4.7K R46 4.7K + CA7 100uF/16V + CA7 100uF/16V 1 1 R67 4.7K R67 4.7K D6 NC/1N5822 D6 NC/1N5822 R122 100K R122 100K 1 1 1 1 R23 4.7K R23 4.7K C168 10nF C168 10nF 1 2 3 4 5 6 7 8 9 H13 NC H13 NC L41 NC/FB L41 NC/FB L17 FB1206 L17 FB1206 R117 100K R117 100K R2 100K R2 100K R1168 4.7K R1168 4.7K R147 100K R147 100K 1 1 L22 FB1206 L22 FB1206 R61 10 R61 10 + CA102 100uF/16V + CA102 100uF/16V 1 1 ICTTEST ICTTEST R342 4.7K R342 4.7K 1 1 ICTTEST ICTTEST 1 1 ICTTEST ICTTEST D7 NC/1N5822 D7 NC/1N5822 R129 1K5_1% R129 1K5_1% 1 1 ICTTEST ICTTEST 1 1 ICTTEST ICTTEST C179 0.1uF C179 0.1uF C56 NC/10pF C56 NC/10pF 1 1 ICTTEST ICTTEST L18 FB1206 L18 FB1206 R3 22K R3 22K 1 2 3 Q2 3904 Q2 3904 1 2 3 4 5 6 7 8 9 H11 NC H11 NC C140 0.1uF C140 0.1uF + CA105 100uF/16V + CA105 100uF/16V R476 NC1/1K R476 NC1/1K L115 220uH L115 220uH 1 1 C1068 10nF C1068 10nF C51 0.1uF C51 0.1uF R15 4.7K R15 4.7K C178 0.1uF C178 0.1uF Q47 P2305 Q47 P2305 R57 220 R57 220 + CA15 220uF/16V + CA15 220uF/16V C167 0.1uF C167 0.1uF C143 0.1uF C143 0.1uF L31 FB1206 L31 FB1206 1 2 3 5 4 L8 22uH L8 22uH C160 10nF C160 10nF 1 1 ICTTEST124 ICTTEST ICTTEST124 ICTTEST 3 2 1 4 ADJ OUT IN U24 AP1084-1.8 ADJ OUT IN U24 AP1084-1.8 C67 0.1uF C67 0.1uF 1 2 3 Q1 3904 Q1 3904 R56 NC R56 NC R17 4.7K R17 4.7K R51 NC R51 NC + CA100 100uF/16V + CA100 100uF/16V C65 0.1uF C65 0.1uF 1 1 ICTTEST ICTTEST 1 2 3 4 5 6 7 8 9 H16 NC H16 NC 3 2 1 4 ADJ OUT IN U27 AMS1117-25 ADJ OUT IN U27 AMS1117-25 R69 NC/10K R69 NC/10K 1 1 C1 0.1uF C1 0.1uF C54 0.1uF C54 0.1uF R6 2.4R/2W R6 2.4R/2W + CA101 470uF/16V + CA101 470uF/16V C61 2.2uF C61 2.2uF R37 100 R37 100 3 2 1 4 ADJ OUT IN U20 AMS1117-3.3 ADJ OUT IN U20 AMS1117-3.3 1 1 L43 FB L43 FB 1 1 ICTTEST1 ICTTEST ICTTEST1 ICTTEST + CA10 100uF/16V + CA10 100uF/16V 1 2 3 4 5 6 7 8 9 H3 NC H3 NC 1 1 1 1 + CA4 100uF/16V + CA4 100uF/16V C47 0.1uF C47 0.1uF 1 2 3 Q4 3904 Q4 3904 1 1 1 2 3 4 5 6 7 8 9 10 11 12 13 14 CN4 CON25-J25-14 CN4 CON25-J25-14 1 H20 NC H20 NC C169 0.1uF C169 0.1uF 1 H18 NC H18 NC L42 NC/FB L42 NC/FB L25 FB L25 FB 1 2 3 Q20 3904 Q20 3904 + CA16 220uF/16V + CA16 220uF/16V 1 H21 NC H21 NC 1 H19 NC H19 NC R151 5.6K_1% R151 5.6K_1% 1 H17 NC H17 NC 1 1 C138 0.1uF C138 0.1uF L26 FB1206 L26 FB1206 1 H14 NC H14 NC R121 2.2K R121 2.2K + CA25 2.2uF/50V + CA25 2.2uF/50V + CA106 470uF/16V + CA106 470uF/16V C1066 10nF C1066 10nF + CA103 470uF/16V + CA103 470uF/16V R1167 2.2K R1167 2.2K D5 1N5822 D5 1N5822 EN 7 FB 5 VCC 2 OUT 3 BST 1 GND 4 SS 8 COMP 6 U8 MP1482 U8 MP1482 R477 NC1/0 R477 NC1/0 C181 0.1uF C181 0.1uF C59 0.1uF C59 0.1uF EN 7 FB 5 VCC 2 OUT 3 BST 1 GND 4 SS 8 COMP 6 U7 MP1482 U7 MP1482 L28 FB L28 FB 1 1 R155 1.69K_1% R155 1.69K_1% R43 nc R43 nc R438 1K R438 1K R42 1K R42 1K C64 0.1uF C64 0.1uF R127 1.2K_1% R127 1.2K_1% + CA11 100uF/16V + CA11 100uF/16V Q44 2SC1815 Q44 2SC1815 1 1 ICTTEST ICTTEST C163 10nF C163 10nF R182 1K5_1% R182 1K5_1% R101 240_1% R101 240_1% R340 100 R340 100 R100 2.2K R100 2.2K R149 5.6K_1% R149 5.6K_1% R103 3K_1% R103 3K_1% 1 2 3 5 4 L30 22uH L30 22uH R478 100/NC R478 100/NC 1 1 EN 7 FB 5 VCC 2 OUT 3 BST 1 GND 4 SS 8 COMP 6 U6 MP1482 U6 MP1482 1 2 3 Q31 3904 Q31 3904 R54 0R R54 0R L20 FB L20 FB 1 2 3 5 4 L19 22uH L19 22uH + CA9 100uF/16V + CA9 100uF/16V R70 1K R70 1K C66 0.1uF C66 0.1uF R16 4.7K R16 4.7K 1 1 ICTTEST ICTTEST R150 1K_1% R150 1K_1% L21 NC/FB1206 L21 NC/FB1206 D3 NC/1N5822 D3 NC/1N5822 1 H10 NC H10 NC 1 1 C1067 10nF C1067 10nF 1 1 1 2 3 Q18 3904 Q18 3904 R68 4.7K R68 4.7K 1 1 ICTTEST ICTTEST D31 1N4148 D31 1N4148 1 2 3 4 5 6 7 8 9 H22 NC H22 NC C2 0.1uF C2 0.1uF + CA8 100uF/16V + CA8 100uF/16V L44 FB L44 FB 1 2 3 4 5 6 7 8 9 H1 NC H1 NC 1 1 ICTTEST ICTTEST R347 NC/0 R347 NC/0 3 2 1 4 ADJ OUT IN U23 AMS1117-3.3 ADJ OUT IN U23 AMS1117-3.3 1 2 3 4 5 6 7 8 9 H12 NC H12 NC R20 4.7K R20 4.7K 1 H15 NC H15 NC R60 0R R60 0R PDF 文件使用 "pdfFactory Pro" 试用版本创建 ÿÿ www.fineprint.com.cn 5 5 4 4 3 3 2 2 1 1 D D C C B B A A AUVRP AUVAG AUVRM AUVRP AUVRM AUVAG HSC_CVBS_OUT MICIN MICCM MIC_CM CVBS_VCOM VCOM0 CVBS2P AV3-CVBS2P HDTV2_RIN RIN2 RGB0_Pb+ BIN0 RGB0_Y+ GIN0M GIN0P RGB0_Y-SOG SOGIN0 RGB0_Pr+ RIN0 RIN0M BIN0M VGA_HS VGA_VS HDTV2_SOGIN SOGIN2 HDTV2_GIN GIN2P GIN2M RIN2M BIN2M HDTV2_BIN BIN2 CVBS_OUT0 UART-RX UART-TX A_MADR1 A_MADR10 A_MADR5 RXE0+ RXOC- A_MCLKZ A_MCLK A_MDQSU A_MDQSUZ A_MDQML A_MDQSL A_MDQSLZ A_MDQMU RXO2+ Tuner+40V_PWM0 CFG-PWM1 BRI_ADJ-PWM2 B4_RXEC+ G0_RXE1+ A-MRASZ A-MWEZ A_MCKE A_MODT A-MADR12 R4_RXO1+ UART-RX UART-TX B_MCLK- XTALO XTALI A_MODT A_MRASZ A_MCASZ B7_RXE2- BACKUP-FLASH_WPN Boot_Flash-CSN A_MADR11 A_MADR12 A_MADR9 G3_RXE0- A_MADR5 A_MADR10 A_MADR1 B_MDQSUZ B_MDQSU B-MADR3 A_MADR3 A_MADR7 B_MDQSL B_MDQSLZ B_MCLK B_MCLKZ A_MADR6 A_MADR0 B_MDQMU B_MDQML B_MBADR2 B_MCKE B_MWEZ A_MADR2 A_MADR4 A_MADR8 B_MODT B_MCASZ B_MRASZ B_MBADR1 B_MBADR0 B_MDATA8 AVSS_PGA B_MDATA15 B_MDATA10 B_MDATA13 B_MDATA2 B_MDATA7 B_MDATA0 B_MDATA5 B_MDATA12 B_MDATA11 B_MDATA3 B_MDATA4 B_MDATA9 B_MDATA14 B_MDATA6 B_MDATA1 B_MWEZ B-MWEZ A_MADR9 B_MRASZ B-MADR6 B-MADR4 B-MADR0 R7_RXO0- B-MADR2 A-MADR3 RXE4+ PFD_WPZ_AD15 NAND_WPZ NAND_RBZ PF_CEZ_CE0Z NAND_WEZ NAND_REZ NAND_ALE PF_CLE_CE1Z NAND_CEZ PF_ALE PF_REZ_OEZ B_MADR12 PF_RBZ G4_RXO4+ PF_WEZ IRIN A_MWEZ B_MADR7 B_MADR11 B_MCLK+ B_MCLK- B-MADR11 B-MADR7 A-MCKE A-MODT A-MCKE B_MCLK B_MODT B_MCLKZ A_MDATA11 A_MDATA8 A_MDATA3 A_MDATA4 RXEC- A_MDATA13 A_MDATA10 A_MDATA12 A_MDATA6 A_MDATA1 A_MDATA7 A_MDATA0 A_MDATA14 A_MDATA9 A_MDATA2 A_MDATA5 A_MDATA15 USB0_D+ USB0_DP USB0_D- USB0_DM RXO4- B-MCASZ RXO3- B0_RXE4+ A-MBADR2 RXE3+ A-MADR4 B-MBADR[2:0] B-MWEZ B-MCKE B-MODT RF_AGC_CTRL DVDD_NODIE_1.2V LED B_MADR10 B_MADR5 B_MADR1 B_MADR9 RXE1- RXOC+ B3_RXE3- A_MADR6 XTALI XTALO RXE2- MI2C-SCL MI2C-SDA A_MWEZ A_MCASZ A_MRASZ A_MCLK+ B_MCASZ SPI_Flash-SCK FLASH1_WPN FLASH1_CSN SPI_Flash-SDI System-RST B6_RXE2+ SPI_Flash-SDO A_MBADR0 G2_RXE0+ B-MRASZ A_MADR12 A-MODT A-MRASZ A-MCASZ R6_RXO0+ B_MADR3 ET_TXD0 ET_TXD1 Boot_Flash-CSN LAN-PHY_TXD0 LAN-PHY_TXD1 EMAC-RXDV EMAC-RXD0 EMAC-RXD1 LAN-PHY_MDC G6_RXO3+ ET_MDIO LAN-PHY_MDIO LAN-PHY_TXEN ET_TXEN EMAC-TXCLK ET_MDC B_MADR2 B_MADR4 B_MADR0 B_MADR6 VIFM VIFP SIFP SIFM A_MDQSL A_MDQSLZ A_MDQMU A_MDQSU A_MDQSUZ B-MBADR0 RXEC+ PANEL_ON/OFF G5_RXO4- A_MBADR1 A_MBADR0 A_MBADR2 A-MADR2 RXO3+ MI2C-SCL EEPROM-WP B_MDQMU B_MDQSL B_MDQSU B_MDQSUZ B_MDQSLZ B_MDQML MI2CSCL MI2C-SDA A_MDQML MI2CWP MI2CSDA TGPIO2 TGPIO3 TUNER_SDA TUNER_SCL RXE1+ R1_RXOC- A_MADR4 A_MCKE B_MBADR0 BACKUP-FLASH_WPN R3_RXO2- A-MADR[13:0] B2_RXE3+ A-MBADR[2:0] RXE2+ B_MBADR2 B-MBADR2 AVSS_PGA SPI_Flash-CS0N A_MADR3 B-MRASZ B_MADR8 A_MADR8 A-MADR8 RXE0- A-MADR1 A-MADR5 A-MADR10 RXO2- A_MCLK- A_MBADR2 B5_RXEC- SPI-SDI SPI_Flash-SDI SPI-SDO SPI_Flash-SDO SPI-SCK SPI_Flash-SCK G1_RXE1- A-MBADR0 A-MBADR1 B-MADR[13:0] B-MADR9 A_MBADR1 R5_RXO1- A-MADR9 RFAGC TAGC B_MCLK+ A_MADR7 A_MCLK+ A_MCLK- A-MADR7 A_MDATA[15:0] A_MADR0 A-MADR0 B_MADR5 B_MADR3 B_MADR7 B_MADR12 B_MADR9 NAND_CLE A_MCLK B_MADR6 B_MADR8 B_MADR11 B_MADR2 B_MADR4 B_MADR1 B_MCKE B-MCKE A_MCLKZ B_MADR10 B_MADR0 B-MADR12 PCM_PF-AD6 light_s PCM_PF-AD7 PCM_PF-AD5 PCM_PF-AD3 PCM_PF-AD4 PCM_PF-AD2 PCM_PF-AD0 PCM_PF-AD1 CI_PF-AD6 CI_PF-AD0 CI_PF-AD1 CI_PF-AD2 CI_PF-AD3 CI_PF-AD4 CI_PF-AD5 CI_PF-AD7 A-MADR11 A_MADR11 RXO0+ RXO0- RXO1+ EEPROM-WP RXO1- Tuner+40V_PWM0 RXE4- I2S-OUT_SD B-MODT I2S-OUT_BCK I2S-OUT_MCK CFG-PWM1 RXO4+ KEY0-SAR0 KEY1-SAR1 G7_RXO3- A-MCASZ SPI_Flash-CS0N B-MBADR1 PWR-ON/OFF A-MWEZ A_MADR2 B_MDATA[15:0] PWR_DET R0_RXOC+ B-MADR1 B-MADR5 R2_RXO2+ B-MADR10 B-MCASZ B1_RXE4- RXE3- B-MADR8 A-MADR6 B_MBADR1 AV_AUOUTL3 AV_AUOUTR3 AV-AUOUTL3 AV-AUOUTR3 AMP_AUOUTR0 AMP_AUOUTL0 AMP-AUOUTR0 AMP-AUOUTL0 AUR4 AV3_AURin4 AV3_AULin4 AUL4 AV2-AURin2 AV2-AULin2 AUL2 AUR2 HD2-AURin3 HD2-AULin3 AUR3 AUL3 VGA-AURin0 VGA-AULin0 AUR0 AUL0 AV-AUOUTR3 AMP-AUOUTR0 AV-AUOUTL3 AMP-AUOUTL0 SPDIF_OUT SPDIF_IN DEMOD_RST# panel-i/o I2S-OUT_MCK MCLK I2S-OUT_SD DI I2S-OUT_WS LRCLK I2S-OUT_BCK SCLK AUWS_IN AUSCK_IN AUSD_IN RSTN_LAN-PHY AMP-RST IR-in LED light_s IR-in KEY0-in KEY1-in KEY0-SAR0 KEY1-SAR1 KEY0-in KEY1-in OK-IR IRIN VBL_CTRL MIC_IN PANEL-PWM MI2C-SDA MI2C-SCL MODE PANLE-DCR panel-i/o R4_RXO1+ R7_RXO0- G4_RXO4+ R6_RXO0+ G6_RXO3+ G5_RXO4- R1_RXOC- R3_RXO2- R5_RXO1- G7_RXO3- R0_RXOC+ R2_RXO2+ B4_RXEC+ G0_RXE1+ B7_RXE2- G3_RXE0- B0_RXE4+ B3_RXE3- B6_RXE2+ G2_RXE0+ B2_RXE3+ B5_RXEC- G1_RXE1- B1_RXE4- power-key MI2C-SCL MI2C-SDA reset CLK1 DATA1 XIN XOUT XOUT XIN CLK1 DATA1 CS1 reset CS1 AUSCK_IN AUWS_IN AUSD_IN HDMI_DET3 HDMI_DET2 HDMI_DET1 HDMI_DET1 HDMI_DET2 HDMI_DET3 A_MADR13 A-MADR13 A_MADR13 B_MADR13 B_MADR13 B-MADR13 PWR_DET PWR_DET TS0_IN_SYNC TS0_IN_CLK TS0_IN_VLD TS0_IN_D0 TS0_IN_D1 TS0_IN_D2 TS0_IN_D3 TS0_IN_D4 TS0_IN_D5 TS0_IN_D6 TS0_IN_D7 MIC_IN MI2C-SCL MI2C-SDA KEY1-in KEY0-in light_s LED_R IR-in HDMI_DET4 HDMI_DET4 RST_E RST_B System-RST RST_EN ON_RST-LOW RST_C power-b power-b power-key power-b LED_R E2P_IO E2P_IO MUTE_AMP +3.3V_Normal +1.2V_VDDC +3.3V_Standby +2.5V_Normal +1.8V_DDR2 +1.2V_VDDC +3.3V_Normal +3.3V_STB-MAINCHIP +5V_Normal +3.3V_STB-MAINCHIP +3.3V_STB-MAINCHIP +3.3V_Normal +3.3V_Normal +3.3V_MAINCHIP +2.5V_MAINCHIP +1.8V_DDR2 +3.3V_STB-MAINCHIP +3.3V_Standby +2.5V_MAINCHIP +2.5V_Normal +2.5V_PGA +3.3V_Normal +1.2V_VDDC +1.8V_DDR2 +2.5V_MAINCHIP +2.5V_PGA +3.3V_MAINCHIP +3.3V_STB-MAINCHIP +1.2V_VDDC +5V_Normal +3.3V_Normal +3.3V_Normal +5V_Standby VCC_KEYPAD +3.3V_Standby +3.3V_Standby +5V_Standby +5V_Standby +5V_Standby +3.3V_Standby VCC-Panel +3.3V_Normal 5V_Normal 5V_Normal 33V_Normal 33V_Normal HDMI1/5V HDMI3/5V HDMI2/5V +5V_Normal +3.3V_Normal +12V_NORMAL +3.3V_STB-MAINCHIP +12V_NORMAL +5V_Standby VCC_LIGHT +5V_Standby VCC_KEYPAD +3.3V_Standby +5V_Standby VCC_LIGHT +3.3V_Standby HDMI4/5V +3.3V_STB-MAINCHIP +3.3V_Standby +5V_Standby +3.3V_Standby +3.3V_Standby +5V_Standby +3.3V_Standby +3.3V_Standby +5V_Normal HDMI1-RX1P HDMI1-CLKP HDMI1-RX1N HDMI1-RX0P HDMI-CEC HDMI1-CLKN HDMI1-RX2P HDMI1-SCL HDMI1-RX0N HDMI1-RX2N HDMI1-SDA HDMI_HP1 VGA_HS VGA_VS RGB0_Pb+ RGB0_Y-SOG RGB0_Y+ RGB0_Pr+ HDTV2_BIN HDTV2_SOGIN HDTV2_GIN HDTV2_RIN AV3-CVBS2P CVBS_OUT0 NAND_CEZ NAND_CLE NAND_ALE NAND_REZ NAND_RBZ NAND_WEZ NAND_WPZ PCM_PF-AD[7:0] USB0_D+ USB0_D- PWR-ON/OFF PANEL_ON/OFF SIFP SIFM TUNER_SCL TUNER_SDA VIFP VIFM UART-RX UART-TX Tuner+40V_PWM0 BRI_ADJ-PWM2 A_MCLK+ A_MCLK- A-MCASZ A-MRASZ A-MWEZ A-MCKE A-MODT A-MBADR[2:0] A_MDQML A_MDQMU A_MDQSL A_MDQSLZ A_MDQSU A_MDQSUZ B_MCLK+ B_MCLK- B-MCASZ B-MRASZ B-MWEZ B-MCKE B-MODT B_MDQML B_MDQMU B_MDQSL B_MDQSLZ B_MDQSU B_MDQSUZ B-MADR[13:0] B_MDATA[15:0] B-MBADR[2:0] A-MADR[13:0] A_MDATA[15:0] AV_AUOUTL3 AV_AUOUTR3 AV3_AULin4 AV3_AURin4 AV2-AULin2 AV2-AURin2 HD2-AULin3 HD2-AURin3 DEMOD_RST# DI MCLK SCLK LRCLK LAN-PHY_MDC LAN-PHY_TXD1 LAN-PHY_RXDV LAN-PHY_TXCLK LAN-PHY_TXEN LAN-PHY_MDIO LAN-PHY_RXD1 USB2_D- USB2_D+ AMP-RST MIC1IN MIC2IN PANLE-DCR MI2C-SCL MI2C-SDA PANEL-PWM USB_POWER 3 HDMI2-RX2N HDMI2-RX1P HDMI2-SCL HDMI2-CLKP HDMI2-RX1N HDMI2-SDA HDMI2-RX0P HDMI2-CLKN HDMI2-RX2P HDMI2-RX0N HDMI_HP2 MIC1IN MIC2IN RFAGC LAN-PHY_TXD0 LAN-PHY_RXD0 TS0_IN_CLK TS0_IN_VLD TS0_IN_SYNC TS0_IN_D[7:0] HDMI4-RX2N HDMI4-RX1P HDMI4-SCL HDMI4-CLKP HDMI4-RX1N HDMI4-SDA HDMI4-RX0P HDMI4-CLKN HDMI4-RX2P HDMI4-RX0N HDMI_HP4 HDMI3-RX2N HDMI3-RX1P HDMI3-SCL HDMI3-CLKP HDMI3-RX1N HDMI3-SDA HDMI3-RX0P HDMI3-CLKN HDMI3-RX2P HDMI3-RX0N HDMI_HP3 RSTN_LAN-PHY RF_AGC_CTRL VBL_CTRL MI2C-SCL MI2C-SDA AMP-MUTE Title Size Document Number Rev Date: Sheet of 4F-1, No. 26, Tai-Yuan St., ChuPei, Hsinchu Hsien, Taiw an 302, R.O.C MStar Semiconductor, Inc 6I48 1.0 MST6I48 Custom 3 14 Friday, May 28, 2010 Title Size Document Number Rev Date: Sheet of 4F-1, No. 26, Tai-Yuan St., ChuPei, Hsinchu Hsien, Taiw an 302, R.O.C MStar Semiconductor, Inc 6I48 1.0 MST6I48 Custom 3 14 Friday, May 28, 2010 Title Size Document Number Rev Date: Sheet of 4F-1, No. 26, Tai-Yuan St., ChuPei, Hsinchu Hsien, Taiw an 302, R.O.C MStar Semiconductor, Inc 6I48 1.0 MST6I48 Custom 3 14 Friday, May 28, 2010 Audio Close to IC with width trace AUCOM Close to chip DDR2 MIU0 Damping Resistors DDR2 MIU1 Damping Resistors SERIAL FLASH Mode Selection RESET CIRCUIT LVDS Crystal MK900、 NC、 不 贴 ; MK300、 NC、 贴 。 增 加 兼 容 16MHz for MK900 / 9.6MHz for MK300 Power off detection for AV IN for HD IN for VGA IN for MIC IN for AV OUT 增加E2P烧写接口 CN18的接口定义做了变更 Pin10 for LED Pin12 for IR R153 200K R153 200K C203 47nF C203 47nF R452 22K R452 22K C191 2.2uF C191 2.2uF C132 0.1uF C132 0.1uF C199 47nF C199 47nF C501 0.1uF C501 0.1uF 7 5 3 1 8 6 4 2 RP6 33R 7 5 3 1 8 6 4 2 RP6 33R R590 6.8K R590 6.8K C419 2.2uF C419 2.2uF R325 33R R325 33R C158 20pF C158 20pF C494 0.1uF C494 0.1uF R193 100R R193 100R R607 4.7K R607 4.7K R211 56R R211 56R R126 2K/NC R126 2K/NC C173 2.2uF C173 2.2uF C489 22nF C489 22nF C192 1nF C192 1nF C491 10uF C491 10uF R9 NC R9 NC C502 0.1uF C502 0.1uF R720 7.5K/NC R720 7.5K/NC C227 47nF C227 47nF C42 0.1uF C42 0.1uF R610 4.7K R610 4.7K R33 33R R33 33R R5 NC R5 NC R87 33R R87 33R L78 FB L78 FB C120 0.1uF C120 0.1uF R316 33R R316 33R R1157 NC/10K R1157 NC/10K C126 1uF/16V/NC C126 1uF/16V/NC C112 0.1uF C112 0.1uF C127 1u/NC C0603 C127 1u/NC C0603 D55 1N4148/NC D55 1N4148/NC L75 FB L75 FB A0 1 A1 2 A2 3 GND 4 SDA 5 SCL 6 WP 7 VCC 8 U10 AT24C16_SOIC8/NC U10 AT24C16_SOIC8/NC R89 NC R89 NC R739 NC/10K R739 NC/10K R38 33R R38 33R R296 33R R296 33R 7 5 3 1 8 6 4 2 RP18 56RX4 7 5 3 1 8 6 4 2 RP18 56RX4 R1155 100 R1155 100 R596 10K R596 10K C77 10uF C77 10uF R459 33K R459 33K C230 47nF C230 47nF R124 33R R124 33R R35 33R R35 33R R319 NC R319 NC C82 0.1uF C82 0.1uF 1 1 ICTTEST ICTTEST 1 1 ICTTEST ICTTEST GPIO_PM[10]/SPI_CS2 E5 GPIO_PM[1]/UART1_TX W9 GPIO_PM[12] F5 GPIO_PM[6]/SPI_CSZ1 D5 GPIO_PM[5]/UART1_RX Y9 GPIO_PM[0]/INT0 E4 GPIO_PM[4]/POWER_ON/OFF D8 TESTPIN D12 RESET N4 XTALO AB1 XTALI AB2 SPI_DI B5 SPI_DO B6 SPI_CSZ0 C7 SPI_CK C6 USB0_DP B4 USB0_DM A4 USB1_DP AD10 USB1_DM AC10 SAR0 G5 SAR1 G4 SAR2 F4 SAR3 H6 IRIN H5 PWM0 AC25 PWM1 AC24 PWM2 AC23 R1_RXOC+ AE22 R0_RXOC- AD22 R3_RXO2+ AE23 R2_RXO2- AD23 R5_RXO1+ AE24 R4_RXO1- AD24 R7_RXO0+ AE25 R6_RXO0- AD25 G1_RXE1+ AD19 G0_RXE1- AE19 G3_RXE0+ AC20 G2_RXE0- AE20 G5_RXO4+ AD20 G4_RXO4- AC21 G7_RXO3+ AD21 G6_RXO3- AC22 B1_RXE4+ AD16 B0_RXE4- AE16 B3_RXE3+ AC17 B2_RXE3- AE17 B5_RXEC+ AD17 B4_RXEC- AC18 B7_RXE2+ AD18 B6_RXE2- AC19 DDCR_CK AA22 DDCR_DA Y22 DDCA_CLK M4 DDCA_DA N6 UART_TX2/GPIO149 Y10 UART_RX2/GPIO147 AA10 GND_EFUSE G12 PWM3 AB22 GPIO_PM[8] C5 SAR4 A5 SAR PWM USB SPI Flash Crystal MI2C UART LVDS U9E MST6I48 SAR PWM USB SPI Flash Crystal MI2C UART LVDS U9E MST6I48 C496 0.1uF C496 0.1uF 1 2 D11 NC D11 NC C83 0.1uF C83 0.1uF C50 220pF C50 220pF C490 NC C490 NC 1 2 D12 NC D12 NC C205 10uF C205 10uF R341 68 R341 68 C903 0.1uF C903 0.1uF R613 NC R613 NC R172 10K/NC R172 10K/NC C137 18pF C0402 C137 18pF C0402 R1159 4.7K R1159 4.7K R310 1M R310 1M R157 1M R0402 R157 1M R0402 IO 1 RESET 2 GND 3 /CS 4 DATA 5 CLK 6 GND 7 VCC 8 IO 9 IO 10 VCC 11 XOUT 12 XIN 13 IO 14 U37 MK900 U37 MK900 R120 10K R120 10K 1 1 ICTTEST ICTTEST R1158 100 R1158 100 L77 FB L77 FB R332 68 R332 68 C217 0.1uF C217 0.1uF 7 5 3 1 8 6 4 2 RP9 56RX4 7 5 3 1 8 6 4 2 RP9 56RX4 R410 NC R410 NC R198 22R R198 22R C68 0.1uF C68 0.1uF R330 2K R330 2K C145 0.1uF C145 0.1uF R210 56R R210 56R R454 100 R454 100 7 5 3 1 8 6 4 2 RP28 56RX4 7 5 3 1 8 6 4 2 RP28 56RX4 R123 2K/NC R123 2K/NC 1 2 D8 NC D8 NC R360 68 R360 68 R225 47K R225 47K R48 0R R48 0R R643 4.7K R643 4.7K R7 100 R7 100 C93 NC C93 NC R293 33R R293 33R R14 0/NC R14 0/NC RXACKP G2 RXACKN G1 RXA0P H2 RXA0N G3 RXA1P J2 RXA1N H3 RXA2P J3 RXA2N J1 DDCDA_DA M6 DDCDA_CK L5 HOTPLUGA M5 RXBCKP D2 RXBCKN D1 RXB0P E2 RXB0N D3 RXB1P F2 RXB1N E3 RXB2P F3 RXB2N F1 DDCDB_DA K5 DDCDB_CK K4 HOTPLUGB L6 RXCCKP AD7 RXCCKN AC7 RXC0P AC8 RXC0N AE7 RXC1P AD8 RXC1N AE8 RXC2P AD9 RXC2N AC9 DDCDC_DA AD6 DDCDC_CK AC6 HOTPLUGC AD5 HSYNC0 N5 VSYNC0 P6 BIN0P K3 GIN0P M2 SOGIN0 L3 GIN0M M1 HSYNC1 P5 VSYNC1 R6 RIN1P P3 GIN1P N3 BIN1P M3 SOGIN1 N2 RIN2P R1 GIN2P T2 BIN2P U2 SOGIN2 T1 CVBS1P Y2 Y0(CVBS2P) V3 C0(CVBS3P) V1 Y1(CVBS4P) V2 C1(CVBS5P) W3 CVBS0P Y3 VCOM W1 CVBS_OUT W2 CVBS_OUT1 AA3 CEC J6 GIN1M P2 RIN0P K1 HSYNC2 R5 GIN2M T3 HOTPLUGD K6 DDCDD_CK J5 DDCDD_DA J4 RXDCKP A2 RXDCKN B3 RXD0P B2 RXD0N A1 RXD1P C2 RXD1N B1 RXD2P C3 RXD2N C1 RIN0M K2 BIN0M L2 RIN1M R2 BIN1M N1 RIN2M R3 BIN2M U3 HDMI RGB CVBS_IN S-Video CVBS_OUT U9B MST6I48 HDMI RGB CVBS_IN S-Video CVBS_OUT U9B MST6I48 R313 33R R313 33R 7 5 3 1 8 6 4 2 RP26 56RX4 7 5 3 1 8 6 4 2 RP26 56RX4 C157 1nF C157 1nF C41 0.1uF C41 0.1uF 1 1 ICTTEST ICTTEST R453 22K R453 22K R113 4.7K R113 4.7K L73 FB L73 FB R242 100R R242 100R R718 56R R718 56R R323 NC R323 NC R645 NC/4.7K R645 NC/4.7K 1 1 2 2 3 3 4 4 5 5 CN16 CON5_2.0mm CN16 CON5_2.0mm C78 0.1uF C78 0.1uF C190 2.2uF C190 2.2uF R574 22K R574 22K R163 100K R0402 R163 100K R0402 R241 0R R241 0R 1 2 3 Q22 3904 Q22 3904 C224 47nF C224 47nF R118 NC R118 NC 1 2 3 4 5 6 7 8 9 10 11 12 CN18 CON20W-J20-12 CN18 CON20W-J20-12 7 5 3 1 8 6 4 2 RP7 56RX4 7 5 3 1 8 6 4 2 RP7 56RX4 C40 0.1uF C40 0.1uF R339 68 R339 68 HOLD 1 VCC 2 NC1 3 NC2 4 NC3 5 NC4 6 SO16-CS 7 DO 8 WP/Vpp 9 VSS 10 NC5 11 NC6 12 NC7 13 NC8 14 DI 15 CLK 16 SOP8-C S 17 SOP8-D O 18 SOP8-W P/Vpp 19 VSS 20 SOP8-D I 21 SOP8-C LK 22 SOP8-H OLD 23 SOP8-VC C 24 SOIC8 208mil U44 MX25L1605D-SOP16_300mil SOIC8 208mil U44 MX25L1605D-SOP16_300mil C63 2.2uF/NC C63 2.2uF/NC R201 4.7K R201 4.7K C220 2.2uF C220 2.2uF R721 7.5K/NC R721 7.5K/NC C34 0.1uF C34 0.1uF 7 5 3 1 8 6 4 2 RP16 56RX4 7 5 3 1 8 6 4 2 RP16 56RX4 R59 200K R59 200K C150 47pF C150 47pF C449 2.2uF C449 2.2uF C113 10uF C113 10uF 3 1 2 D4 BAV99 D4 BAV99 C129 10uF/16V/NC C129 10uF/16V/NC R357 100 R357 100 C193 2.2uF C193 2.2uF C214 1nF C214 1nF R252 4.7K R252 4.7K R571 100R R571 100R C79 0.1uF C79 0.1uF R102 0R R102 0R L76 FB L76 FB R25 33R R25 33R R174 NC/100 R174 NC/100 R728 5.1K/NC R728 5.1K/NC C85 220pF C85 220pF R108 33R R108 33R 1 1 ICTTEST ICTTEST 1 2 D136 NC D136 NC R616 100R R616 100R C111 0.1uF C111 0.1uF C149 47pF C149 47pF 7 5 3 1 8 6 4 2 RP29 56RX4 7 5 3 1 8 6 4 2 RP29 56RX4 1 1 ICTTEST ICTTEST C185 2.2uF C185 2.2uF C196 47nF C196 47nF R226 NC R226 NC R90 0R R90 0R C979 2.2uF C979 2.2uF C228 47nF C228 47nF 1 1 ICTTEST ICTTEST R724 NC/0R R724 NC/0R B_MADR0 F25 B_MADR1 Y24 B_MADR2 F24 B_MADR3 AB23 B_MADR4 F23 B_MADR5 AA24 B_MADR6 E24 B_MADR7 AB24 B_MADR8 E23 B_MADR9 D25 B_MADR10 AA23 B_MADR11 D24 B_MADR12 AB25 B_MCASZ G24 B_MRASZ G25 B_MWEZ W23 B_MCKE W24 B_MODT H24 B_MBADR1 W25 B_MBADR0 Y23 B_MDQL0 K23 B_MDQL1 U24 B_MDQL2 J24 B_MDQL3 V23 B_MDQL4 V24 B_MDQL5 J25 B_MDQL6 U25 B_MDQL7 K24 B_MDQU0 L25 B_MDQU1 T24 B_MDQU2 L24 B_MDQU3 U23 B_MDQU4 T25 B_MDQU5 L23 B_MDQU6 R25 B_MDQU7 M24 B_MDQMU R24 B_MDQML P25 B_MDQSL P24 B_MDQSLZ N25 B_MDQSUZ N24 B_MDQSU M25 B_MCLKZ H25 B_MCLK J23 A_MADR0 C9 A_MADR1 B22 A_MADR2 B8 A_MADR3 A23 A_MADR4 A8 A_MADR5 B23 A_MADR6 C8 A_MADR7 A24 A_MADR8 A7 A_MADR9 B24 A_MADR10 C23 A_MADR11 B7 A_MADR12 C24 A_MCASZ B9 A_MRASZ C10 A_MWEZ A20 A_MCKE C21 A_MODT B10 A_MBADR1 A21 A_MBADR0 B21 A_MDQL0 A12 A_MDQL1 B19 A_MDQL2 B12 A_MDQL3 C20 A_MDQL4 B20 A_MDQL5 A11 A_MDQL6 C19 A_MDQL7 C13 A_MDQU0 C14 A_MDQU1 C18 A_MDQU2 B13 A_MDQU3 B18 A_MDQU4 A18 A_MDQU5 A13 A_MDQU6 A17 A_MDQU7 B14 A_MDQMU B17 A_MDQML A16 A_MDQSL B16 A_MDQSLZ A15 A_MDQSU C15 A_MDQSUZ B15 A_MCLKZ A10 A_MCLK B11 B_MBADR2 Y25 A_MBADR2 C22 MVREF D22 A_MADR13 B25 A_MRESETZ A25 B_MRESETZ D23 B_MADR13 C25 DDR2 U9A MST6I48 DDR2 U9A MST6I48 7 5 3 1 8 6 4 2 RP14 56RX4 7 5 3 1 8 6 4 2 RP14 56RX4 R314 1K R314 1K C130 0.1uF C130 0.1uF R449 100 R449 100 R409 100 R409 100 1 TP21 TP21 R309 33R R309 33R R11 1K R11 1K VSS 1 XIN 2 XOU T 3 R ESET 4 P0.2 5 P0.1 6 P0.0 7 VD D 8 U11 MK300/NC U11 MK300/NC R329 2K R329 2K R597 4.7K R597 4.7K C90 4.7uF C90 4.7uF R262 22R R262 22R R723 5.1K/NC R723 5.1K/NC 7 5 3 1 8 6 4 2 RP3 33R 7 5 3 1 8 6 4 2 RP3 33R C91 1uF C91 1uF RESET 1 VDD 3 GND 2 U42 RT9818E-42PV/NC U42 RT9818E-42PV/NC C136 100nF C136 100nF C146 20pF C146 20pF C121 0.1uF C121 0.1uF R273 33R R273 33R C197 2.2uF/NC C197 2.2uF/NC R315 22R R315 22R 1 2 3 Q21 3904 Q21 3904 R350 4.7K R350 4.7K C161 2.2uF C161 2.2uF 1 2 D135 NC D135 NC R254 4.7K R254 4.7K R320 33R R320 33R R1156 1K R1156 1K C139 18pF C0402 C139 18pF C0402 1 1 ICTTEST ICTTEST 1 1 ICTTEST ICTTEST R66 33R R66 33R C48 220pF C48 220pF R460 33K R460 33K R205 33R R205 33R R260 68 R260 68 R10 0R R10 0R R240 33R R240 33R R640 4.7K R640 4.7K R737 100 R737 100 1 2 D9 NC D9 NC R197 33R R197 33R C148 0.1uF C148 0.1uF R747 0R R747 0R L74 FB L74 FB C135 0.1uF C135 0.1uF R62 33R R62 33R R740 4.7K R740 4.7K C156 0.1uF C156 0.1uF R239 22R R239 22R C71 10uF C71 10uF 1 3 2 Q37 3906 Q37 3906 1 2 D10 NC D10 NC R128 2K/NC R128 2K/NC ET_TXD0/GPIO167 E7 ET_TXD1/GPIO166 F7 ET_CRS/GPIO165 F8 ET_TXEN/GPIO168 F6 ET_REFCLK/GPIO169 G6 ET_RXD0/GPIO170 D6 ET_RXD1/GPIO171 E6 ET_MDC/GPIO172 D7 TS0_D0/GPIO77 P19 TS0_VLD/GPIO85 T20 TS0_SYNC/GPIO86 R19 TS0_CLK/GPIO87 U19 NAND_WPZ/PF_AD15/GPIO136 AC12 NAND_WEZ/PF_WEZ/GPIO140 AD11 NAND_RBZ/PF_RBZ/GPIO142 AE10 NAND_ALE/PF_ALE/GPIO141 AE11 NAND_CEZ/PF_CE0Z/GPIO137 AC11 NAND_CLE/PF_CE1Z/GPIO138 AB11 NAND_REZ/PF_OEZ/GPIO139 Y11 ET_MDIO/GPIO173 E8 DIFP AD1 DIFM AE1 VIFP AE2 VIFM AD2 SIFP AD3 SIFM AE3 IF_AGC AC5 RFAGC/TAGC AE5 TUNER_SDA/TGPIO3 AD4 TUNER_SCL/TGPIO2 AE4 TS0_D1/GPIO78 P21 TS0_D2/GPIO79 P22 TS0_D3/GPIO80 Y12 TS0_D4/GPIO81 AA13 TS0_D5/GPIO82 AB14 TS0_D6/GPIO83 AA15 TS0_D7/GPIO84 AC15 TS1_CLK/GPIO98 W19 TS1_VLD/GPIO96 AA21 TS1_SYNC/GPIO97 AA18 TS1_D0/GPIO88 Y18 TS1_D1/GPIO89 AA19 TS1_D2/GPIO90 AA20 TS1_D3/GPIO91 Y19 TS1_D4/GPIO92 Y21 TS1_D5/GPIO93 W20 TS1_D6/GPIO94 V20 TS1_D7/GPIO95 W21 PCMDATA[0]/CI_DATA[0]/GPIO126 R20 PCMDATA[1]/CI_DATA[1]/GPIO127 P20 PCMDATA[2]/CI_DATA[2]/GPIO128 N20 PCMDATA[3]/CI_DATA[3]/GPIO120 AA11 PCMDATA[6]/CI_DATA[6]/GPIO117 Y14 PCMDATA[7]/CI_DATA[7]/GPIO116 AA14 PCMDATA[5]/CI_DATA[5]/GPIO118 Y13 PCMDATA[4]/CI_DATA[4]/GPIO119 AA12 PCMADR[0]/CI_A[0]/NAND_D0/GPIO125 AD14 PCMADR[1]/CI_A[1]/NAND_D1/GPIO124 AE14 PCMADR[2]/CI_A[2]/NAND_D2/GPIO122 AC14 PCMADR[3]/CI_A[3]/NAND_D3/GPIO121 AB13 PCMADR[4]/CI_A[4]/NAND_D4/GPIO99 AD13 PCMADR[5]/CI_A[5]/NAND_D5/GPIO101 AE13 PCMADR[6]/CI_A[6]/NAND_D6/GPIO102 AC13 PCMADR[7]/CI_A[7]/NAND_D7/GPIO103 AD12 PCMADR[8]/CI_A[8]/GPIO108 AB17 PCMADR[9]/CI_A[9]/GPIO110 AB16 PCMADR[10]/CI_A[10]/GPIO114 AD15 PCMADR[11]/CI_A[11]/GPIO112 Y16 PCMADR[12]/CI_A[12]/GPIO104 V19 PCMADR[13]/CI_A[13]/GPIO107 Y17 PCMADR[14]/CI_A[14]/GPIO106 AB19 CI_CD_N/GPIO130 N21 PCM_REG_N/CI_CLK/GPIO123 T19 CI_RST/GPIO129 U21 PCM_IRQA_N/CI_INT/GPIO105 Y20 PCM_OE_N/GPIO113 AC16 PCM_IORD_N/CI_RD/GPIO111 AA16 PCM_IOWR_N/CI_WR/GPIO109 AA17 PCM_CE_N/CI_CS/GPIO115 Y15 PCM_WE_N AB20 PCM_WAIT_N/CI_WACK/GPIO100 U20 VSYNC/TGPIO0 AC1 100BASE-TX Ethernet Parallel TS (IN) Front-End NAND FLASH Parallel TS (IN/OUT) PCMCIA U9D MST6I48 100BASE-TX Ethernet Parallel TS (IN) Front-End NAND FLASH Parallel TS (IN/OUT) PCMCIA U9D MST6I48 R176 0R R176 0R R263 NC R263 NC R614 NC R614 NC C184 2.2uF C184 2.2uF R465 33K R465 33K C485 0.1uF C485 0.1uF R132 100k/NC R0402 R132 100k/NC R0402 C188 47nF C188 47nF 1 2 3 Y5 9.6MHZ/DIP/NC Y5 9.6MHZ/DIP/NC R707 4.7K R707 4.7K 1 2 3 Q45 NC/3904 Q45 NC/3904 R91 33R R91 33R C119 0.1uF C119 0.1uF R641 4.7K R641 4.7K R305 33R R305 33R R4 100 R4 100 C1057 0.1uF C1057 0.1uF R30 0R R30 0R R181 4.7K R181 4.7K AUL0 R4 AUR0 T6 AUL1 T4 AUR1 T5 AUL2 U6 AUR2 U5 AUL3 V6 AUR3 V5 AUL4 V4 AUR4 W6 AUOUTL0 AB5 AUOUTR0 AB6 EARPHONE_OUTR AA1 EARPHONE_OUTL AA2 AUCOM AA6 AUVAG AC4 AUVRP AC3 AUVRM AB4 SPDIF_IN/GPIO145 AB10 SPDIF_OUT/GPIO178 Y5 I2S_IN_WS/GPIO174 A3 I2S_IN_BCK/GPIO175 AA9 I2S_IN_SD/GPIO176 D4 I2S_OUT_WS/GPIO180 Y8 I2S_OUT_MCK W8 I2S_OUT_BCK AA8 I2S_OUT_SD AB8 AUOUTR2 AB7 AUOUTL2 AA7 MICIN W5 MICCM W4 MIC_DETIN Y4 AUDIO Line-In MIC-Phone Line-Out I2S-In I2S-Out SPDIF U9C MST6I48 AUDIO Line-In MIC-Phone Line-Out I2S-In I2S-Out SPDIF U9C MST6I48 R333 2K/NC R333 2K/NC C84 10uF C84 10uF C905 22pF C905 22pF C221 47nF C221 47nF R231 47K R231 47K 7 5 3 1 8 6 4 2 RP5 33R 7 5 3 1 8 6 4 2 RP5 33R 7 5 3 1 8 6 4 2 RP4 33R 7 5 3 1 8 6 4 2 RP4 33R R644 4.7K R644 4.7K 1 1 ICTTEST ICTTEST 7 5 3 1 8 6 4 2 RP2 33R 7 5 3 1 8 6 4 2 RP2 33R R626 NC R626 NC R722 NC/10K R722 NC/10K R266 4.7K R266 4.7K R1 0R R1 0R R352 4.7K R352 4.7K R383 68 R383 68 R601 4.7K R601 4.7K R34 200K R34 200K R462 33K R462 33K 7 5 3 1 8 6 4 2 RP24 56RX4 7 5 3 1 8 6 4 2 RP24 56RX4 R8 100 R8 100 C495 1uF C495 1uF C72 0.1uF C72 0.1uF R194 100 R194 100 R570 4.7K R570 4.7K C904 0.1uF C904 0.1uF C70 220pF C70 220pF C219 47nF C219 47nF 1 3 2 Q3 MMBT3906 Q3 MMBT3906 1 3 2 Q35 3906 Q35 3906 C200 47nF C200 47nF R274 33R R274 33R R169 4.7K/NC R169 4.7K/NC 1 1 ICTTEST ICTTEST R125 200K R125 200K C155 10uF C155 10uF R39 33R R39 33R R12 0/NC R12 0/NC C151 1uF C151 1uF C302 0.1uF C302 0.1uF 7 5 3 1 8 6 4 2 RP1 33R 7 5 3 1 8 6 4 2 RP1 33R 3 Y4 XTAL-24MHz Y4 XTAL-24MHz C94 47nF C94 47nF R606 22K R606 22K R322 10K R322 10K 1 1 ICTTEST ICTTEST R719 56R R719 56R C80 0.1uF C80 0.1uF C189 47nF C189 47nF R63 33R R63 33R L39 FB L39 FB VCC 1 VCC 2 VCC 3 VCC 4 GND 5 GND 6 GND 7 GND 8 RA4+ 9 RA4- 10 R3+ 11 RA3- 12 RAC+ 13 RAC- 14 RA2+ 15 RA2- 16 RA1+ 17 RA1- 18 RA0+ 19 RA0- 20 GND 21 GND 22 I/O4 23 Mode 24 PWM 25 DCR 26 GND 27 GND 28 RB4+ 29 RB4- 30 RB3+ 31 RB3- 32 RBC+ 33 RBC- 34 RB2+ 35 RB2- 36 RB1+ 37 RB1- 38 RB0+ 39 RB0- 40 GND 41 GND 42 SDA 43 SCL 44 GND 45 GND 46 CN19 CON20X2-J20-46B CN19 CON20X2-J20-46B C141 1uF C141 1uF C215 47nF C215 47nF 1 2 3 4 CN17 CON4-2.0 CN17 CON4-2.0 R331 100 R331 100 R173 10K/NC R173 10K/NC AVDD_AU_3.3V J15 AVDD_ADC_3.3V L9 VDDP_3.3V F18 VDDP_3.3V G17 GND AC2 GND AB3 GND AA4 GND AA5 GND R7 GND U7 GND V7 GND W7 GND Y7 GND K11 GND M11 GND N11 GND R11 GND T11 GND V11 AVDD_MEMPLL_LPLL_3.3V E18 AVDD_DDR_1.8V F21 AVDD_DDR_1.8V F22 AVDD_DDR_1.8V G23 AVDD_DDR_1.8V G22 GND H12 GND J12 GND R12 GND T12 GND F12 AVDD_DDR_1.8V E21 GND M12 GND N12 GND P12 GND V12 GND D13 GND E13 GND K12 GND L12 VDDC_1.2V H19 VDDC_1.2V J17 VDDC_1.2V H18 VDDC_1.2V G20 VDDC_1.2V E20 VDDC_1.2V J16 AVDD_DDR_1.8V H22 AVDD_DDR_1.8V H23 GND U12 AVDD_DDR_1.8V E22 AVDD_DMPLL_3.3V L10 AVDD_ADC_2.5V N8 AVDD_PGA_2.5V M9 AVDD_DVI_NODIE_3.3V H11 GND F13 GND H13 GND J13 GND K13 GND L13 GND M13 GND R13 GND G14 GND H14 GND J14 AVDD_AU_2.5V P9 AVDD_REF_DEMOD_2.5V N9 AVDD_EAR_3.3V H16 AVDD_DVI_NODIE_3.3V J10 DVDD_NODIE_1.2V E12 GND T7 GND G13 GND T13 VDDC_1.2V K15 VDDC_1.2V K16 VDDC_1.2V G18 VDDC_1.2V G19 VDDC_1.2V F19 VDDC_1.2V F20 VDDC_1.2V E19 AVDD1P2_1.2V L15 DVDD_1.2V H20 GND L11 GND P11 GND U11 GND U13 GND V13 GND D14 GND E14 GND F14 GND D15 GND K14 GND L14 AVDD_MOD_2.5V P10 GND N13 GND P13 GND M14 GND N14 GND P14 GND R14 GND T14 GND U14 GND V14 GND E15 GND F15 GND G15 GND H15 GND R15 GND T15 GND U15 GND V15 GND C16 GND D16 GND E16 GND G16 GND N16 GND P16 GND N17 GND M17 GND L17 GND K17 GND D17 GND C17 GND V16 GND U16 GND T16 GND R16 AVSS_PGA M10 DVDD_1.2V H17 AVDD_ADC_2.5V P8 GND L18 GND J18 GND R17 GND P17 GND T18 GND T17 GND U17 GND P18 GND V17 GND R18 GND M18 GND N18 GND K18 GND J19 GND L19 GND K19 GND U18 GND V18 GND M19 GND K20 GND J20 GND L20 GND M20 GND M21 GND K21 GND L21 GND J21 GND L22 GND K22 GND N22 GND M22 GND J22 GND N23 GND M23 GND F16 GND P15 GND N19 GND T8 GND U8 GND V8 GND T9 GND U9 GND V9 GND T10 GND U10 AVDD_DVI_NODIE_3.3V K10 AVDD_DVI_NODIE_3.3V K9 GND Y6 GND R8 GND R9 GND R10 GND V10 GND J11 GND M15 GND N15 GND L16 GND M16 GND E17 GND F17 Stand-by Power Normal Power U9F MST6I48 Stand-by Power Normal Power U9F MST6I48 R253 4.7K R253 4.7K R344 68 R344 68 R40 33R R40 33R R451 4.7K R451 4.7K R301 10K R301 10K D80 NC/10V D80 NC/10V 7 5 3 1 8 6 4 2 RP11 56RX4 7 5 3 1 8 6 4 2 RP11 56RX4 R270 4.7K R270 4.7K C154 2.2uF C154 2.2uF R180 56R R180 56R R328 2K/NC R328 2K/NC PDF 文件使用 "pdfFactory Pro" 试用版本创建 ÿÿ www.fineprint.com.cn 5 5 4 4 3 3 2 2 1 1 D D C C B B A A A-MDATA14 A-MDATA13 A-MDATA12 A-MDATA11 A-MDATA10 A-MDATA9 A-MDATA8 A-MDATA7 A-MDATA6 A-MDATA5 A-MDATA4 A-MDATA3 A-MDATA2 A-MDATA0 A-MDATA1 A-MDATA15 A_LDQSM A_UDQM A_LDQSP A_UDQSP A_UDQSM A_LDQM A-MODT A-MRASZ A-MCASZ A-MWEZ A-MADR0 A-MADR1 A-MADR2 A-MADR3 A-MADR5 A-MADR6 A-MADR7 A-MADR8 A-MADR9 A-MADR10 A-MADR11 A-MADR12 A-MADR4 A-MBADR0 A-MBADR2 A-MBADR1 A-MVREF A_MCLK+ A_MCLK- A-MCKE A-MVREF A-MDATA6 A_MDATA3 A_MDATA1 A-MDATA3 A-MDATA1 A-MDATA4 A_MDATA6 A_MDATA4 A_MDATA0 A_MDATA7 A_MDATA2 A_MDATA5 A_MDATA10 A_MDATA13 A_MDATA15 A_MDATA8 A-MDATA10 A-MDATA8 A-MDATA15 A-MDATA13 A-MDATA2 A-MDATA0 A-MDATA7 A-MDATA5 A-MDATA11 A-MDATA9 A-MDATA14 A-MDATA12 A_MDATA9 A_MDATA11 A_MDATA14 A_MDATA12 B_MDQSU B_MDQSUZ B-MADR[13:0] B_MDATA[15:0] B-MWEZ B_MCLK+ B_MCLK- B-MCKE B-MCASZ B-MRASZ B-MODT B_MDQMU B_MDQML B_MDQSL B_MDQSLZ B-MVREF B_MCLK+ B_MCLK- B-MCKE B-MDATA15 B-MADR0 B-MADR1 B-MADR2 B-MADR3 B-MADR5 B-MADR6 B-MADR7 B-MADR8 B-MADR9 B-MADR10 B-MADR11 B-MADR12 B-MADR4 B-MVREF B-MODT B-MDATA6 B_MDATA3 B_MDATA1 B-MDATA3 B-MDATA1 B-MDATA4 B_MDATA6 B_MDATA4 B_MDATA0 B_MDATA7 B_MDATA2 B_MDATA5 B_MDATA10 B_MDATA13 B_MDATA15 B_MDATA8 B-MDATA10 B-MDATA8 B-MDATA15 B-MDATA13 B-MDATA2 B-MDATA0 B-MDATA7 B-MDATA5 B-MDATA11 B-MDATA9 B-MDATA14 B-MDATA12 B_MDATA9 B_MDATA11 B_MDATA14 B_MDATA12 B_UDQSP B_UDQSM B_LDQM B_LDQSM B_UDQM B_LDQSP B-MBADR0 B-MBADR2 B-MRASZ B-MCASZ B-MWEZ B-MDATA14 B-MDATA13 B-MDATA12 B-MDATA11 B-MDATA10 B-MDATA9 B-MDATA8 B-MDATA7 B-MDATA6 B-MDATA5 B-MDATA4 B-MDATA3 B-MDATA2 B-MDATA0 B-MDATA1 B-MBADR1 B_MDQSU B_MDQSUZ B_MDQML B_MDQMU B_MDQSL B_MDQSLZ A_MDQML A_MDQMU A_MDQSU A_MDQSUZ A_MDQSL A_MDQSLZ A-MBADR[2:0] A-MWEZ A_MCLK+ A_MCLK- A-MCKE A-MCASZ A-MODT A-MRASZ A_MDQMU A_MDQML A_MDQSU A_MDQSUZ A_MDQSL A_MDQSLZ A_MDATA[15:0] A-MADR[13:0] B-MBADR[2:0] A_MCLK+ A_MCLK- B_MCLK+ B_MCLK- A-MADR13 B-MADR13 +1.8V_DDR2 +1.8V_DDR2 +1.8V_DDR2 +1.8V_DDR2 +1.8V_DDR2 +1.8V_DDR2 +1.8V_DDR2 +1.8V_DDR2 A_MCLK+ A_MCLK- A-MADR[13:0] A-MCKE A-MWEZ A-MCASZ A-MRASZ A-MBADR[2:0] A-MODT A_MDQML A_MDQMU A_MDQSL A_MDQSLZ A_MDQSU A_MDQSUZ A_MDATA[15:0] B_MCLK+ B_MCLK- B-MADR[13:0] B-MCKE B-MWEZ B-MCASZ B-MRASZ B-MBADR[2:0] B-MODT B_MDQML B_MDQMU B_MDQSL B_MDQSLZ B_MDQSU B_MDQSUZ B_MDATA[15:0] Title Size Document Number Rev Date: Sheet of 4F-1, No. 26, Tai-Yuan St., ChuPei, Hsinchu Hsien, Taiwan 302, R.O.C MStar Semiconductor, Inc DDR2_ 32BIT 1.0 MST6I98 Custom 4 14 Friday, July 02, 2010 Title Size Document Number Rev Date: Sheet of 4F-1, No. 26, Tai-Yuan St., ChuPei, Hsinchu Hsien, Taiwan 302, R.O.C MStar Semiconductor, Inc DDR2_ 32BIT 1.0 MST6I98 Custom 4 14 Friday, July 02, 2010 Title Size Document Number Rev Date: Sheet of 4F-1, No. 26, Tai-Yuan St., ChuPei, Hsinchu Hsien, Taiwan 302, R.O.C MStar Semiconductor, Inc DDR2_ 32BIT 1.0 MST6I98 Custom 4 14 Friday, July 02, 2010 1st DDR2 Chip 2nd DDR2 Chip C166 0.1uF C166 0.1uF 7 5 3 1 8 6 4 2 RP20 56RX4 7 5 3 1 8 6 4 2 RP20 56RX4 R135 56R R135 56R C183 10uF C183 10uF C1059 0.1uF C1059 0.1uF C1063 0.1uF C1063 0.1uF C204 10nF C204 10nF C171 0.1uF C171 0.1uF R1162 56R R1162 56R 7 5 3 1 8 6 4 2 RP15 56RX4 7 5 3 1 8 6 4 2 RP15 56RX4 C172 10uF C172 10uF R134 56R R134 56R R138 56R R138 56R C164 0.1uF C164 0.1uF R161 56R R161 56R R145 56R R145 56R R154 56R R154 56R C212 0.1uF C212 0.1uF R1163 56R R1163 56R 7 5 3 1 8 6 4 2 RP12 56RX4 7 5 3 1 8 6 4 2 RP12 56RX4 R143 56R R143 56R R1170 56R R1170 56R C1064 0.1uF C1064 0.1uF C170 0.1uF C170 0.1uF VDD A1 NC2 A2 VSS A3 DQ14 B1 VSSQ B2 UDM B3 A4 N8 A6 N7 VDD M9 A0 M8 A2 M7 CS# L8 CAS# L7 ODT K9 CLK# K8 RAS# K7 VDD J9 CLK J8 VSSDL J7 DQ5 H9 VSSQ H8 DQ2 H7 VDDQ G9 DQ0 G8 VDDQ G7 DQ7 F9 VSSQ F8 LDQS F7 VDDQ E9 LDQS# E8 VSSQ E7 DQ13 D9 VSSQ D8 DQ10 D7 VDDQ C9 DQ8 C8 VDDQ C7 A7 P2 A9 P3 VDD R1 A12 R2 RFU3 R3 VSSQ A7 UDQS# A8 VDDQ A9 UDQS B7 VSSQ B8 DQ15 B9 A10 M2 A1 M3 VSS N1 A3 N2 A5 N3 VDDQ C1 DQ9 C2 VDDQ C3 DQ12 D1 VSSQ D2 DQ11 D3 VDD E1 NC3 E2 VSS E3 DQ6 F1 VSSQ F2 LDM F3 VDDQ G1 DQ1 G2 VDDQ G3 DQ4 H1 VSSQ H2 DQ3 H3 VDDL J1 VREF J2 VSS J3 CKE K2 WE# K3 BA2/RFU2 L1 BA0 L2 BA1 L3 RFU1 R7 NC1 R8 VSS P9 A8 P8 A11 P7 A B C D E F G H J K L M N P R 1 2 3 7 8 9 Vdd NC Vss DQ14 VssQ UDM VddQ DQ9 VddQ DQ12 VssQ DQ11 Vdd NC Vss DQ6 VssQ LDM VddQ DQ1 VddQ DQ4 VssQ DQ3 VddL Vref Vss CKE WE# RFU BA0 BA1 A10 A1 Vss A3 A5 A7 A9 Vdd A12 RFU VssQ UDQS# VddQ UDQS VssQ DQ15 VddQ DQ8 VddQ DQ10 VssQ DQ13 VssQ LDQS# VddQ LDQS VssQ DQ7 VddQ DQ0 VddQ DQ2 VssQ DQ5 VssDL CK Vdd RAS# CK# ODT CAS# CS# A2 A0 Vdd A6 A4 A11 A8 RFU NC Vss U12 Qimonda HYB18TC512160B2F-2.5 A B C D E F G H J K L M N P R 1 2 3 7 8 9 Vdd NC Vss DQ14 VssQ UDM VddQ DQ9 VddQ DQ12 VssQ DQ11 Vdd NC Vss DQ6 VssQ LDM VddQ DQ1 VddQ DQ4 VssQ DQ3 VddL Vref Vss CKE WE# RFU BA0 BA1 A10 A1 Vss A3 A5 A7 A9 Vdd A12 RFU VssQ UDQS# VddQ UDQS VssQ DQ15 VddQ DQ8 VddQ DQ10 VssQ DQ13 VssQ LDQS# VddQ LDQS VssQ DQ7 VddQ DQ0 VddQ DQ2 VssQ DQ5 VssDL CK Vdd RAS# CK# ODT CAS# CS# A2 A0 Vdd A6 A4 A11 A8 RFU NC Vss U12 Qimonda HYB18TC512160B2F-2.5 R141 1K_1% R141 1K_1% R1165 56R R1165 56R C180 0.1uF C180 0.1uF R1164 56R R1164 56R C198 0.1uF C198 0.1uF 7 5 3 1 8 6 4 2 RP10 56RX4 7 5 3 1 8 6 4 2 RP10 56RX4 R1169 56R R1169 56R C177 0.1uF C177 0.1uF C1058 0.1uF C1058 0.1uF C1061 0.1uF C1061 0.1uF C174 0.1uF C174 0.1uF 7 5 3 1 8 6 4 2 RP17 56RX4 7 5 3 1 8 6 4 2 RP17 56RX4 C186 0.1uF C186 0.1uF R139 1K_1% R139 1K_1% 7 5 3 1 8 6 4 2 RP19 56RX4 7 5 3 1 8 6 4 2 RP19 56RX4 R133 56R R133 56R C187 0.1uF C187 0.1uF C1060 0.1uF C1060 0.1uF C176 0.1uF C176 0.1uF C175 0.1uF C175 0.1uF R1166 1K_1% R1166 1K_1% 7 5 3 1 8 6 4 2 RP13 56RX4 7 5 3 1 8 6 4 2 RP13 56RX4 R156 1K_1% R156 1K_1% C194 0.1uF C194 0.1uF C1065 10nF C1065 10nF C165 0.1uF C165 0.1uF R144 56R R144 56R R140 56R R140 56R C1062 0.1uF C1062 0.1uF 7 5 3 1 8 6 4 2 RP8 56RX4 7 5 3 1 8 6 4 2 RP8 56RX4 VDD A1 NC2 A2 VSS A3 DQ14 B1 VSSQ B2 UDM B3 A4 N8 A6 N7 VDD M9 A0 M8 A2 M7 CS# L8 CAS# L7 ODT K9 CLK# K8 RAS# K7 VDD J9 CLK J8 VSSDL J7 DQ5 H9 VSSQ H8 DQ2 H7 VDDQ G9 DQ0 G8 VDDQ G7 DQ7 F9 VSSQ F8 LDQS F7 VDDQ E9 LDQS# E8 VSSQ E7 DQ13 D9 VSSQ D8 DQ10 D7 VDDQ C9 DQ8 C8 VDDQ C7 A7 P2 A9 P3 VDD R1 A12 R2 RFU3 R3 VSSQ A7 UDQS# A8 VDDQ A9 UDQS B7 VSSQ B8 DQ15 B9 A10 M2 A1 M3 VSS N1 A3 N2 A5 N3 VDDQ C1 DQ9 C2 VDDQ C3 DQ12 D1 VSSQ D2 DQ11 D3 VDD E1 NC3 E2 VSS E3 DQ6 F1 VSSQ F2 LDM F3 VDDQ G1 DQ1 G2 VDDQ G3 DQ4 H1 VSSQ H2 DQ3 H3 VDDL J1 VREF J2 VSS J3 CKE K2 WE# K3 BA2/RFU2 L1 BA0 L2 BA1 L3 RFU1 R7 NC1 R8 VSS P9 A8 P8 A11 P7 A B C D E F G H J K L M N P R 1 2 3 7 8 9 Vdd NC Vss DQ14 VssQ UDM VddQ DQ9 VddQ DQ12 VssQ DQ11 Vdd NC Vss DQ6 VssQ LDM VddQ DQ1 VddQ DQ4 VssQ DQ3 VddL Vref Vss CKE WE# RFU BA0 BA1 A10 A1 Vss A3 A5 A7 A9 Vdd A12 RFU VssQ UDQS# VddQ UDQS VssQ DQ15 VddQ DQ8 VddQ DQ10 VssQ DQ13 VssQ LDQS# VddQ LDQS VssQ DQ7 VddQ DQ0 VddQ DQ2 VssQ DQ5 VssDL CK Vdd RAS# CK# ODT CAS# CS# A2 A0 Vdd A6 A4 A11 A8 RFU NC Vss U13 Qimonda HYB18TC512160B2F-2.5 A B C D E F G H J K L M N P R 1 2 3 7 8 9 Vdd NC Vss DQ14 VssQ UDM VddQ DQ9 VddQ DQ12 VssQ DQ11 Vdd NC Vss DQ6 VssQ LDM VddQ DQ1 VddQ DQ4 VssQ DQ3 VddL Vref Vss CKE WE# RFU BA0 BA1 A10 A1 Vss A3 A5 A7 A9 Vdd A12 RFU VssQ UDQS# VddQ UDQS VssQ DQ15 VddQ DQ8 VddQ DQ10 VssQ DQ13 VssQ LDQS# VddQ LDQS VssQ DQ7 VddQ DQ0 VddQ DQ2 VssQ DQ5 VssDL CK Vdd RAS# CK# ODT CAS# CS# A2 A0 Vdd A6 A4 A11 A8 RFU NC Vss U13 Qimonda HYB18TC512160B2F-2.5 C195 0.1uF C195 0.1uF C182 0.1uF C182 0.1uF PDF 文件使用 "pdfFactory Pro" 试用版本创建 ÿÿ www.fineprint.com.cn 5 5 4 4 3 3 2 2 1 1 D D C C B B A A UART-TX UART-RX VGA-HS VGA-SCL VGA-Rin VGA-SDA VGA-Bin VGA_VS VGA_HS VGA-Gin VGA-VS VGA-VS RGB0_Pr+ RGB0_Y+ RGB0_Y-SOG RGB0_Pb+ VGA-SCL VGA-Rin VGA-Gin VGA-SDA VGA-Bin VGA-RX VGA-TX VGA-TX VGA-RX UART-TX UART-RX AV2_L AV2-AURin2 AV2-AULin2 AV2_R VGA_HS VGA_VS UART-TX UART-RX RGB0_Pb+ RGB0_Y-SOG RGB0_Y+ RGB0_Pr+ AV2-AURin2 AV2-AULin2 Title Size Document Number Rev Date: Sheet of 4F-1, No. 26, Tai-Yuan St., ChuPei, Hsinchu Hsien, Taiwan 302, R.O.C MStar Semiconductor, Inc MST6M48RXS 1.0 MST6M48RXS DEMO BOARD A4 6 14 Friday, July 02, 2010 Title Size Document Number Rev Date: Sheet of 4F-1, No. 26, Tai-Yuan St., ChuPei, Hsinchu Hsien, Taiwan 302, R.O.C MStar Semiconductor, Inc MST6M48RXS 1.0 MST6M48RXS DEMO BOARD A4 6 14 Friday, July 02, 2010 Title Size Document Number Rev Date: Sheet of 4F-1, No. 26, Tai-Yuan St., ChuPei, Hsinchu Hsien, Taiwan 302, R.O.C MStar Semiconductor, Inc MST6M48RXS 1.0 MST6M48RXS DEMO BOARD A4 6 14 Friday, July 02, 2010 Add for VGA Audio 背出的VGA 1 6 2 7 3 8 4 9 5 11 12 13 14 15 10 16 17 J1 DSUB/15p/180 J1 DSUB/15p/180 1 1 ICTTEST ICTTEST 1 2 D95 NC D95 NC 1 1 ICTTEST ICTTEST 1 2 D41 NC D41 NC R116 75 R116 75 1 1 ICTTEST ICTTEST R264 NC/0R R264 NC/0R R119 75 R119 75 R229 22K R229 22K R114 33 R114 33 R377 10K R377 10K 1 2 D105 NC D105 NC 1 1 ICTTEST ICTTEST R285 75 R285 75 1 1 ICTTEST ICTTEST R378 10K R378 10K R137 22 R137 22 1 1 ICTTEST ICTTEST R267 12K R267 12K 1 2 D100 NC D100 NC 1 1 ICTTEST ICTTEST 1 1 ICTTEST ICTTEST R95 33 R95 33 R256 NC/0R R256 NC/0R 5 10 4 9 3 8 2 7 1 15 14 13 12 11 6 16 17 J2 VGA J2 VGA R283 100 R283 100 R217 22K R217 22K R136 22 R136 22 GND 1 R 2 L 3 GND 4 J3 3.5MM-3-JACK J3 3.5MM-3-JACK R280 22 R280 22 1 1 ICTTEST ICTTEST 1 1 ICTTEST ICTTEST R203 0R R203 0R 1 2 D122 NC D122 NC R97 33 R97 33 1 1 ICTTEST ICTTEST 1 1 ICTTEST ICTTEST 1 2 D45 NC D45 NC R142 100 R142 100 1 2 D124 NC D124 NC R112 22 R112 22 R306 12K R306 12K 1 2 D44 NC D44 NC 1 2 D42 NC D42 NC 1 1 ICTTEST ICTTEST PDF 文件使用 "pdfFactory Pro" 试用版本创建 ÿÿ www.fineprint.com.cn 5 5 4 4 3 3 2 2 1 1 D D C C B B A A AV3_L AV3_AURin4 AV3_V AV3-CVBS2P AV3_AULin4 AV3_R AV_LOUT AV3_V AV3_L AV3_R AV3_R HD2_Y HD2-L HD2-AURin3 HD2-AULin3 HD2-R CVBS_OUT0 HDTV2_SOGIN HDTV2_GIN HDTV2_RIN HDTV2_BIN HD2_Pr HD2_Pb HD2_Y AV_LOUT AV_ROUT AV_ROUT AV_VOUT AV_VOUT AV_ROUT AV_ROUT AV_LOUT HD2_Pb HD2_Pr AV_VOUT AV_AUOUTL3 AV_AUOUTR3 CVBS_OUT0 +5V_Normal +12V_NORMAL +12V_NORMAL AV3_AULin4 AV3_AURin4 AV3-CVBS2P CVBS_OUT0 AV_AUOUTL3 AV_AUOUTR3 HD2-AULin3 HD2-AURin3 HDTV2_BIN HDTV2_SOGIN HDTV2_GIN HDTV2_RIN Title Size Document Number Rev Date: Sheet of 4F-1, No. 26, Tai-Yuan St., ChuPei, Hsinchu Hsien, Taiwan 302, R.O.C MStar Semiconductor, Inc MST6M48RXS 1.0 MST6M48RXS DEMO BOARD A3 7 14 Friday, July 02, 2010 Title Size Document Number Rev Date: Sheet of 4F-1, No. 26, Tai-Yuan St., ChuPei, Hsinchu Hsien, Taiwan 302, R.O.C MStar Semiconductor, Inc MST6M48RXS 1.0 MST6M48RXS DEMO BOARD A3 7 14 Friday, July 02, 2010 Title Size Document Number Rev Date: Sheet of 4F-1, No. 26, Tai-Yuan St., ChuPei, Hsinchu Hsien, Taiwan 302, R.O.C MStar Semiconductor, Inc MST6M48RXS 1.0 MST6M48RXS DEMO BOARD A3 7 14 Friday, July 02, 2010 超薄视频+声音 背出耳机 背出视频+声音 删除背出的YUV输出 R277 12K R277 12K 1 2 5 6 3 4 J12 PHONEJACK STEREO SW_3 J12 PHONEJACK STEREO SW_3 1 1 1 2 D146 NC D146 NC 1 1 C296 2.2uF C296 2.2uF 1 2 D120 NC D120 NC R651 75 R651 75 R282 75 R282 75 R349 10K R349 10K R682 10k R682 10k 1 2 D126 NC D126 NC R343 12K R343 12K R284 0/NC R284 0/NC 1 2 D144 NC D144 NC C295 2.2uF C295 2.2uF R223 12K R223 12K R686 47 R686 47 1 2 3 Q32 3904 Q32 3904 R693 8.2k R693 8.2k C216 NC C216 NC R690 10k R690 10k R278 33 R278 33 1 1 C819 0.1uF C819 0.1uF 1 1 1 2 D121 NC D121 NC 1 1 1 1 1 1 R376 10K R376 10K 1 2 3 Q39 3904 Q39 3904 GND 1 R 2 L 3 GND 4 J17 3.5MM-3-JACK J17 3.5MM-3-JACK 1 2 D125 NC D125 NC C351 2.2uF C351 2.2uF R250 47K R250 47K R336 12K R336 12K 1 3 2 Q33 3906 Q33 3906 R683 47 R683 47 R287 75 R287 75 R261 33K R261 33K R279 75 R279 75 C211 0.1uF C211 0.1uF R288 75 R288 75 1 2 3 Q40 3904 Q40 3904 1 1 R689 47k R689 47k 1 1 C820 0.1uF C820 0.1uF R653 0R R653 0R 1 1 1 2 D130 NC D130 NC AV 1 R 2 L 3 GND 4 J13 AVOUT_3 J13 AVOUT_3 5 5 3 3 4 4 2 2 1 1 6 6 7 7 J14 H J14 H R691 8.2k R691 8.2k R375 10K R375 10K 1 2 D145 NC D145 NC R652 33 R652 33 R688 47 R688 47 R379 10K R379 10K R650 75 R650 75 R655 75 R655 75 1 1 5 5 3 3 4 4 2 2 1 1 6 6 7 7 J11 RCA J11 RCA 1 2 5 6 3 4 J16 PHONEJACK STEREO SW_3 J16 PHONEJACK STEREO SW_3 1 1 R286 330 R286 330 R654 33 R654 33 1 1 1 1 R684 47k R684 47k 1 2 D119 NC D119 NC 1 1 R656 33 R656 33 1 2 D128 NC D128 NC + CA3 100uF/16V + CA3 100uF/16V 1 2 D134 NC D134 NC 1 1 1 1 R348 10K R348 10K R692 4.7k R692 4.7k R687 4.7k R687 4.7k 1 1 R685 47 R685 47 C352 2.2uF C352 2.2uF 1 1 R380 10K R380 10K 1 1 PDF 文件使用 "pdfFactory Pro" 试用版本创建 ÿÿ www.fineprint.com.cn 5 5 4 4 3 3 2 2 1 1 D D C C B B A A RFAGC TUNER_SDA TUNER_SCL TU_SDA TU_SCL TUAGC IF_TV IF_TV VIFM VIFP SIFP SIFM TUAGC TU_SDA TU_SCL TUAGC IF_TV TU_SDA TU_SCL 33V 40V +12V_NORMAL 33V +5V_TUNER +5V_Tuner +5V_Normal 33V +5V_TUNER RFAGC TUNER_SDA TUNER_SCL IF_TV VIFM VIFP SIFP SIFM Title Size Document Number Rev Date: Sheet of 4F-1, No. 26, Tai-Yuan St., ChuPei, Hsinchu Hsien, Taiwan 302, R.O.C MStar Semiconductor, Inc MST6M48RXS 1.0 MST6M48RXS DEMO BOARD A4 8 14 Friday, July 02, 2010 Title Size Document Number Rev Date: Sheet of 4F-1, No. 26, Tai-Yuan St., ChuPei, Hsinchu Hsien, Taiwan 302, R.O.C MStar Semiconductor, Inc MST6M48RXS 1.0 MST6M48RXS DEMO BOARD A4 8 14 Friday, July 02, 2010 Title Size Document Number Rev Date: Sheet of 4F-1, No. 26, Tai-Yuan St., ChuPei, Hsinchu Hsien, Taiwan 302, R.O.C MStar Semiconductor, Inc MST6M48RXS 1.0 MST6M48RXS DEMO BOARD A4 8 14 Friday, July 02, 2010 L116 100uH L116 100uH C243 NC/10nF C243 NC/10nF NC 2 AS 3 SDA 4 SCL 5 5VB 6 AGC 8 GND1 12 GND4 11 GND5 10 IF 1 NC 7 GND3 9 U22 HFT-8B/115CW U22 HFT-8B/115CW R338 1K R338 1K 1 1 ICTTEST ICTTEST 2 ING 4 OUT1 GND 3 5 OUT2 1 IN SAW U26 NC/K9352M SAW U26 NC/K9352M C242 0.1uF C242 0.1uF C235 10nF C235 10nF C240 0.1uF C240 0.1uF L82 0.82uH L82 0.82uH + CA17 100uF/16V + CA17 100uF/16V R298 39 R298 39 2 ING 4 OUT1 GND 3 5 OUT2 1 IN SAW U29 X6763M30/K3953D SAW U29 X6763M30/K3953D R297 6.8K R297 6.8K C237 22pF C237 22pF R362 100K R362 100K R304 0R R304 0R C247 10nF C247 10nF C238 10nF C238 10nF R307 47 R307 47 C361 2.2uF C361 2.2uF 3 1 2 Q34 2SC2216 Q34 2SC2216 R324 1.2K/200/150 R324 1.2K/200/150 C244 10nF C244 10nF R326 NC/NC R326 NC/NC 1 1 BT 1 NC 3 AS 4 SDA 5 SCL 6 5VB 7 AGC 9 GND1 14 GND4 15 GND5 16 IF 2 NC 8 NC 10 NC 11 NC 12 GND3 13 U30 HFT-8B/115CW U30 HFT-8B/115CW R303 NC R303 NC C239 22pF C239 22pF R289 NC/75 R289 NC/75 R300 0R R300 0R R234 150 R234 150 R302 1K R302 1K 1 1 ICTTEST ICTTEST D66 33V D66 33V R291 1k R291 1k R327 680 R327 680 C86 4.7uF/NC C86 4.7uF/NC R299 47 R299 47 C245 0.1uF/50V C245 0.1uF/50V PDF 文件使用 "pdfFactory Pro" 试用版本创建 ÿÿ www.fineprint.com.cn 5 5 4 4 3 3 2 2 1 1 D D C C B B A A MIC1_AMP MIC1IN MIC2IN MIC2_AMP LAN-PHY_REGOUT LAN-PHY_MDI-RN LAN-PHY_REGOUT LAN-PHY_MDI-TP LAN-PHY_MDI-RP LAN-PHY_MDI-TN MIC1_AMP MIC2_AMP +12V_NORMAL +5V_Normal +5V_Normal +12V_NORMAL MIC1IN MIC2IN LAN-PHY_MDI-RN LAN-PHY_REGOUT LAN-PHY_MDI-TN LAN-PHY_REGOUT LAN-PHY_MDI-RP LAN-PHY_MDI-TP Title Size Document Number Rev Date: Sheet of A4 11 14 Friday, July 02, 2010 Title Size Document Number Rev Date: Sheet of <Doc> <RevCode> <Title> A4 11 14 Friday, July 02, 2010 Title Size Document Number Rev Date: Sheet of <Doc> <RevCode> <Title> A4 11 14 Friday, July 02, 2010 Close to connector Keep A_GND trace with Signal. Keep Spacing for L/R cahnnel. Keep trace width(12mil+). C327 3nF C327 3nF R469 100K R469 100K C325 3nF C325 3nF R481 100K R481 100K 1 1 ICTTEST ICTTEST 1 1 3 3 5 5 7 7 9 9 11 11 13 13 15 15 17 17 19 19 21 21 23 23 25 25 27 27 29 29 31 31 33 33 35 35 37 37 39 39 41 41 43 43 45 45 47 47 49 49 2 2 4 4 6 6 8 8 10 10 12 12 14 14 16 16 18 18 20 20 22 22 24 24 26 26 28 28 30 30 32 32 34 34 36 36 38 38 40 40 42 42 44 44 46 46 48 48 50 50 CN14 HEADER_50_2.0MM CN14 HEADER_50_2.0MM 1 1 ICTTEST ICTTEST 1 1 ICTTEST ICTTEST D98 CDS2C16GTH/NC D98 CDS2C16GTH/NC R480 1K R480 1K D94 CDS2C16GTH/NC D94 CDS2C16GTH/NC R482 1K R482 1K C326 330pF/NC C326 330pF/NC 1 1 ICTTEST ICTTEST C324 330pF/NC C324 330pF/NC PDF 文件使用 "pdfFactory Pro" 试用版本创建 ÿÿ www.fineprint.com.cn 5 5 4 4 3 3 2 2 1 1 D D C C B B A A DI SCLK LRCLK MUTE MUTE LOUT+ AMP-PDN MI2C-SDA ROUT+ MI2C-SCL AMP-RST PVCC +24V PVCC +12V_NORMAL DVDD 3.3-DVDD PVCC DVDD DVDD DVDD PVCC PVCC PVCC +3.3V_Normal +3.3V_Standby DVDD DVDD DVDD PVCC +3.3V_Normal AMP-MUTE 3 MI2C-SCL 2 SCLK MCLK LRCLK DI MI2C-SDA 2 AMP-RST 3 Title Size Document Number Rev Date: Sheet of 4F-1, No. 26, Tai-Yuan St., ChuPei, Hsinchu Hsien, Taiwan 302, R.O.C MStar Semiconductor, Inc MST6M48RXS 1.0 MST6M48RXS DEMO BOARD A3 12 14 Friday, July 02, 2010 Title Size Document Number Rev Date: Sheet of 4F-1, No. 26, Tai-Yuan St., ChuPei, Hsinchu Hsien, Taiwan 302, R.O.C MStar Semiconductor, Inc MST6M48RXS 1.0 MST6M48RXS DEMO BOARD A3 12 14 Friday, July 02, 2010 Title Size Document Number Rev Date: Sheet of 4F-1, No. 26, Tai-Yuan St., ChuPei, Hsinchu Hsien, Taiwan 302, R.O.C MStar Semiconductor, Inc MST6M48RXS 1.0 MST6M48RXS DEMO BOARD A3 12 14 Friday, July 02, 2010 增加消除开机冲击声 数字功放TAS5706 TAS5706 C451 0.1uF C451 0.1uF C444 4.7nF/50V C444 4.7nF/50V C436 0.47U/50V C436 0.47U/50V R535 0R R535 0R L16 47uH L16 47uH L12 47uH L12 47uH R495 10K R495 10K R582 12K R582 12K R443 10K R443 10K L13 47uH L13 47uH C431 0.01uF/50V C431 0.01uF/50V CA28 470uF/35V CA28 470uF/35V C429 0.1uF C429 0.1uF D132 1N4148WS D132 1N4148WS R501 10K R501 10K R550 0R R550 0R R479 15K R479 15K CA20 470uF/35V CA20 470uF/35V R552 0R R552 0R R585 4.3K R585 4.3K R517 3R3 R517 3R3 R486 47K R486 47K R500 10K R500 10K 1 2 CN7 2X2.5MM CN7 2X2.5MM C455 NC C455 NC 1 2 3 Q46 3904 Q46 3904 R539 NC/10K R539 NC/10K R489 3R3 R489 3R3 C425 0.01uF/50V C425 0.01uF/50V D131 1N4148WS D131 1N4148WS C423 0.01uF/50V C423 0.01uF/50V L15 NC/FB L15 NC/FB C435 0.01uF/50V C435 0.01uF/50V C421 0.1uF C421 0.1uF L14 FB L14 FB R568 3R3 R568 3R3 S 1 S 2 S 3 G 4 D 8 D 7 D 6 D 5 U36 9435 U36 9435 L9 47uH L9 47uH R537 0R R537 0R R474 30K R474 30K CA29 470uF/35V CA29 470uF/35V R581 0R R581 0R CA27 470uF/35V CA27 470uF/35V R498 NC R498 NC R475 15K R475 15K R549 0R R549 0R C446 NC/22pF C446 NC/22pF C486 0.1uF C486 0.1uF R487 1K R487 1K 3 2 1 4 ADJ OUT IN U40 AMS1117-3.3 ADJ OUT IN U40 AMS1117-3.3 C438 0.1uF C438 0.1uF C49 4.7uF C49 4.7uF C445 0.047uF C445 0.047uF 1 3 2 E B C SOT 23 Q48 3904 E B C SOT 23 Q48 3904 R442 12K R442 12K C426 0.47U/50V C426 0.47U/50V 1 2 3 Q15 4401 Q15 4401 CA23 220uF/16V CA23 220uF/16V C452 0.1uF C452 0.1uF R448 470 R448 470 R441 SCK-473/NC R441 SCK-473/NC C443 0.033uF/50V C443 0.033uF/50V 1 1 2 2 3 3 4 4 J19 SUBBASS J19 SUBBASS R499 NC R499 NC C488 2.2uF C488 2.2uF C442 4.7nF/50V C442 4.7nF/50V 1 2 CN6 2X2.0MM CN6 2X2.0MM C433 0.1uF C433 0.1uF C427 0.47U/50V C427 0.47U/50V C454 2.2uF C454 2.2uF R513 3R3 R513 3R3 C450 1uF/16V C450 1uF/16V R497 NC R497 NC 1 2 3 Q14 3904 Q14 3904 1 2 CN9 2X3.5MM CN9 2X3.5MM C453 0.1uF C453 0.1uF 1 2 D129 5.1V D129 5.1V R569 6.2K R569 6.2K C417 NC/22pF C417 NC/22pF C424 0.01uF/50V C424 0.01uF/50V R516 4.7K R516 4.7K C487 NC C487 NC C430 0.47U/16V C430 0.47U/16V CA26 220uF/16V CA26 220uF/16V C440 0.047uF C440 0.047uF C314 2.2uF/NC C314 2.2uF/NC R514 470 R514 470 D133 NC/1N4148WS D133 NC/1N4148WS R447 4.7K R447 4.7K R440 100 R440 100 + CA49 220uF/16V + CA49 220uF/16V R553 1K R553 1K C428 0.47U/50V C428 0.47U/50V R547 NC R547 NC R496 NC R496 NC D127 1N5822 D127 1N5822 C441 0.033uF/50V C441 0.033uF/50V C434 0.01uF/50V C434 0.01uF/50V C312 0.1uF C312 0.1uF C432 0.01uF/50V C432 0.01uF/50V C311 0.1uF C311 0.1uF C439 0.033uF/50V C439 0.033uF/50V R450 4.7K R450 4.7K C422 0.01uF/50V C422 0.01uF/50V R445 10K R445 10K R446 NC R446 NC PGND-B 3 OUT-A 5 PGND-A 7 PVCC-A 9 AVDD 10 AVSS 11 PLL-FLTM 12 PLL-FLTP 13 VR-ANA 14 RESET 16 PDN 17 VREG-EN 18 OSC-RES 19 MUTE 21 LRCLK 22 SCLK 23 SDIN2 24 SDIN1 25 DVSS 26 VR-DIG 27 SDA 28 SCL 29 HPSEL 30 STEST 31 TEST2 32 DVDD 33 MCLK 34 BKND-ERR 35 VALID 36 HPL-PWM 37 HPR-PWM 38 SUB-PWM- 39 SUB-PWM+ 40 PVCC-D 42 PGND-D 43 OUT-D 45 PGND-C 47 OUT -C 50 PVCC-C 52 BST-C 53 VCLAMP-CD 54 BST-D 55 BYPASS 56 AGND 57 AVCC 58 BST-A 59 VCLAMP-AB 60 BST-B 61 OUT-B 64 OUT- B 1 PGND- B 2 OUT -A 4 PGND -A 6 PVCC -A 8 DVD D 15 DVS S 20 PVCC- D 41 PGND- D 44 OUT -D 46 PVCC -C 51 PVCC -B 62 OUT-C 49 PGND -C 48 PVCC-B 63 EPAD 65 U41 TAS5760 U41 TAS5760 C462 NC/22pF C462 NC/22pF R444 47/2W R444 47/2W C418 0.47U/50V C418 0.47U/50V C416 0.033uF/50V C416 0.033uF/50V R533 1K R533 1K C437 1uF/16V C437 1uF/16V PDF 文件使用 "pdfFactory Pro" 试用版本创建 ÿÿ www.fineprint.com.cn 5 5 4 4 3 3 2 2 1 1 D D C C B B A A HOT_PLUG_1 HDMI1-RX1+ HDMI1-RX2- HDMI1-SCL HDMI1-RX1- HDMI1-RX0+ HDMI1-RX0- HDMI1-RXC+ HDMI1-RXC- HDMI1-DDC-SDA HDMI1-SDA HDMI1-DDC-SCL HDMI2-RX0+ HDMI2-RX0- HDMI2-RXC+ HDMI2-RXC- HDMI2-RX2+ HDMI2-RX2- HDMI2-RX1+ HDMI2-RX1- HDMI-CEC CEC HDMI1-RX1+ HDMI1-RX2- HDMI1-RX1- HDMI1-RX0+ HDMI1-RX0- HDMI1-RXC+ HDMI1-RXC- HDMI1-RX2+ HOT_PLUG_2 HDMI2-RX1+ HDMI2-RX2- HDMI2-SCL HDMI2-RX1- HDMI2-RX0+ HDMI2-RX0- HDMI2-RXC+ HDMI2-RXC- HDMI2-DDC-SDA HDMI2-SDA HDMI2-DDC-SCL HDMI2-RX2+ CEC HDMI1-RX1P HDMI1-RX2N HDMI1-RX1N HDMI1-RX0P HDMI1-RX0N HDMI1-CLKP HDMI1-CLKN HDMI1-RX2P HDMI1-RX0+ HDMI1-RX0- HDMI1-RXC+ HDMI1-RXC- HDMI2-RX1+ HDMI2-RX2- HDMI2-RX1- HDMI2-RX0+ HDMI2-RX0- HDMI2-RXC+ HDMI2-RXC- HDMI2-RX2+ HDMI1-RX2+ HDMI1-RX2- HDMI2-RX1P HDMI2-RX2N HDMI2-RX1N HDMI2-RX0P HDMI2-RX0N HDMI1-RX1+ HDMI1-RX1- HDMI2-CLKP HDMI2-CLKN HDMI2-RX2P HDMI1-RX2+ CEC HDMI_HP1 HDMI_HP2 HDMI_HP2 HDMI_HP1 HDMI3-RX0+ HDMI3-RX0- HDMI3-RXC+ HDMI3-RXC- HDMI3-RX2+ HDMI3-RX2- HDMI3-RX1+ HDMI3-RX1- HOT_PLUG_3 HDMI3-RX1+ HDMI3-RX2- HDMI3-SCL HDMI3-RX1- HDMI3-RX0+ HDMI3-RX0- HDMI3-RXC+ HDMI3-RXC- HDMI3-DDC-SDA HDMI3-SDA HDMI3-DDC-SCL HDMI3-RX2+ CEC HDMI_HP3 HDMI_HP3 HDMI3-RX1+ HDMI3-RX2- HDMI3-RX1- HDMI3-RX0+ HDMI3-RX0- HDMI3-RXC+ HDMI3-RXC- HDMI3-RX2+ HDMI3-RX1P HDMI3-RX2N HDMI3-RX1N HDMI3-RX0P HDMI3-RX0N HDMI3-CLKP HDMI3-CLKN HDMI3-RX2P HDMI1-RX1+ HDMI1-RX2- HDMI1-RX1- HDMI1-RX0+ HDMI1-RX0- HDMI1-RXC+ HDMI1-RXC- HDMI1-DDC-SDA HDMI1-DDC-SCL HOT_PLUG_2 HDMI2-RX1+ HDMI2-RX2- HDMI2-RX1- HDMI2-RX0+ HDMI2-RX0- HDMI2-RXC+ HDMI2-RXC- HDMI2-DDC-SDA HDMI2-DDC-SCL HDMI2-RX2+ CEC HOT_PLUG_1 HDMI1-RX2+ CEC HDMI4-RX0+ HDMI4-RX0- HDMI4-RXC+ HDMI4-RXC- HDMI4-RX2+ HDMI4-RX2- HDMI4-RX1+ HDMI4-RX1- HDMI4-RXC+ HDMI4-RXC+ HDMI4-RX1- HDMI4-RXC+ HDMI4-RX1- HDMI4-RXC+ HDMI4-RXC+ HDMI4-RX1- HDMI4-RXC+ HDMI4-RX1- HDMI4-RXC+ HDMI4-RXC+ HDMI4-RX1- HDMI4-RXC+ HOT_PLUG_4 HDMI4-RX1+ HDMI4-RX2- HDMI4-SCL HDMI4-RX1- HDMI4-RX0+ HDMI4-RX0- HDMI4-RXC- HDMI4-DDC-SDA HDMI4-SDA HDMI4-DDC-SCL HDMI4-RX2+ CEC HDMI4-RX1+ HDMI4-RX2- HDMI4-RX1- HDMI4-RX0+ HDMI4-RX0- HDMI4-RXC+ HDMI4-RXC- HDMI4-RX2+ HDMI4-RX1P HDMI4-RX2N HDMI4-RX1N HDMI4-RX0P HDMI4-RX0N HDMI4-CLKP HDMI4-CLKN HDMI4-RX2P HOT_PLUG_3 HDMI3-RX1+ HDMI3-RX2- HDMI3-RX1- HDMI3-RX0+ HDMI3-RX0- HDMI3-RXC+ HDMI3-RXC- HDMI3-DDC-SDA HDMI3-DDC-SCL HDMI3-RX2+ CEC HDMI_HP4 HDMI1/5V HDMI2/5V HDMI3/5V HDMI2/5V HDMI1/5V HDMI3/5V HDMI4/5V HDMI1-RX2P HDMI1-RX2N HDMI1-RX1P HDMI1-RX1N HDMI1-RX0P HDMI1-RX0N HDMI1-CLKP HDMI1-CLKN HDMI2-RX2P HDMI2-RX2N HDMI2-RX1P HDMI2-RX1N HDMI2-RX0P HDMI2-RX0N HDMI2-CLKP HDMI2-CLKN HDMI-CEC HDMI1-SCL HDMI1-SDA HDMI2-SCL HDMI2-SDA HDMI_HP1 HDMI_HP2 HDMI3-SCL HDMI3-SDA HDMI_HP3 HDMI3-RX2P HDMI3-RX2N HDMI3-RX1P HDMI3-RX1N HDMI3-RX0P HDMI3-RX0N HDMI3-CLKP HDMI3-CLKN HDMI4-RX2P HDMI4-RX2N HDMI4-RX1P HDMI4-RX1N HDMI4-RX0P HDMI4-RX0N HDMI4-CLKP HDMI4-CLKN HDMI4-SCL HDMI4-SDA HDMI_HP4 Title Size Document Number Rev Date: Sheet of 4F-1, No. 26, Tai-Yuan St., ChuPei, Hsinchu Hsien, Taiwan 302, R.O.C MStar Semiconductor, Inc MST6M48RXS 1.0 MST6M48RXS DEMO BOARD A2 13 14 Friday, July 02, 2010 Title Size Document Number Rev Date: Sheet of 4F-1, No. 26, Tai-Yuan St., ChuPei, Hsinchu Hsien, Taiwan 302, R.O.C MStar Semiconductor, Inc MST6M48RXS 1.0 MST6M48RXS DEMO BOARD A2 13 14 Friday, July 02, 2010 Title Size Document Number Rev Date: Sheet of 4F-1, No. 26, Tai-Yuan St., ChuPei, Hsinchu Hsien, Taiwan 302, R.O.C MStar Semiconductor, Inc MST6M48RXS 1.0 MST6M48RXS DEMO BOARD A2 13 14 Friday, July 02, 2010 D98:please use <1uA leakage current ESD component 增加3路背出的HDMI HDMI3为侧出的端子 1 2 D72 NC D72 NC 1 2 D74 NC D74 NC R78 1K R78 1K 1 2 D109 NC D109 NC 1 2 D87 NC D87 NC R232 NC/100 R232 NC/100 R257 10 R257 10 R131 NC/10K R131 NC/10K R79 10K R79 10K R146 10K R146 10K R246 10K R246 10K R165 1K R165 1K R212 1K R212 1K 1 2 D137 NC D137 NC 1 2 D67 NC D67 NC 1 2 D73 NC D73 NC R107 100 R107 100 R221 10 R221 10 1 2 D112 NC D112 NC 1 2 D111 NC D111 NC R162 10 R162 10 1 2 D110 NC D110 NC 1 2 D117 NC D117 NC 1 2 D58 NC D58 NC R160 10 R160 10 DATA2+ 1 DATA2 SHIELD 2 DATA2- 3 DATA1+ 4 DATA1 SHIELD 5 DAT1A- 6 DATA0+ 7 DATA0 SHIELD 8 DATA0- 9 CLK+ 10 CLK SHIELD 11 CLK- 12 CEC 13 NC 14 SCL 15 SDA 16 DDC/CEC GND 17 +5V POWER 18 HOT PLUG 19 GND1 20 GND2 21 GND3 22 J21 HDMI_J_V J21 HDMI_J_V R115 NC/100 R115 NC/100 R213 10 R213 10 R228 1K R228 1K R195 10 R195 10 1 2 D103 NC D103 NC 1 2 D116 NC D116 NC 1 2 D108 NC D108 NC 1 2 D71 NC D71 NC 1 2 D97 NC D97 NC R130 NC/10K R130 NC/10K 1 2 D83 NC D83 NC 1 2 D75 NC D75 NC R104 10 R104 10 R245 NC/10K R245 NC/10K R230 1K R230 1K R191 10 R191 10 R111 NC/10K R111 NC/10K 1 2 D113 NC D113 NC R106 10 R106 10 R220 10 R220 10 R219 100 R219 100 1 2 D78 NC D78 NC R259 10 R259 10 1 2 3 Q38 NC/3904 Q38 NC/3904 1 2 D57 NC D57 NC R255 10 R255 10 R248 10 R248 10 R206 10 R206 10 R268 10 R268 10 DATA2+ 1 DATA2 SHIELD 2 DATA2- 3 DATA1+ 4 DATA1 SHIELD 5 DAT1A- 6 DATA0+ 7 DATA0 SHIELD 8 DATA0- 9 CLK+ 10 CLK SHIELD 11 CLK- 12 CEC 13 NC 14 SCL 15 SDA 16 DDC/CEC GND 17 +5V POWER 18 HOT PLUG 19 GND1 20 GND2 21 GND3 22 GND 23 J9 HDMI/180D J9 HDMI/180D 1 2 D69 NC D69 NC R99 10 R99 10 R81 NC/10K R81 NC/10K 1 2 D90 NC D90 NC R209 10 R209 10 1 2 D123 NC D123 NC R164 1K R164 1K R249 10 R249 10 R189 10 R189 10 R251 10 R251 10 1 2 D65 NC D65 NC R247 10 R247 10 R98 10 R98 10 R214 10 R214 10 1 2 D82 NC D82 NC 1 2 D99 NC D99 NC R233 10 R233 10 R96 10 R96 10 R80 10K R80 10K 1 2 3 Q29 3904 Q29 3904 R94 100 R94 100 R222 10 R222 10 1 2 D118 NC D118 NC R110 100 R110 100 R105 10K R105 10K R148 NC/10K R148 NC/10K 1 2 D84 NC D84 NC DATA2+ 1 DATA2 SHIELD 2 DATA2- 3 DATA1+ 4 DATA1 SHIELD 5 DAT1A- 6 DATA0+ 7 DATA0 SHIELD 8 DATA0- 9 CLK+ 10 CLK SHIELD 11 CLK- 12 CEC 13 NC 14 SCL 15 SDA 16 DDC/CEC GND 17 +5V POWER 18 HOT PLUG 19 GND1 20 GND2 21 GND3 22 GND 23 J23 NC/HDMI/180D J23 NC/HDMI/180D R224 10 R224 10 1 2 D86 NC D86 NC R188 10 R188 10 1 2 D81 NC D81 NC 1 2 D76 NC D76 NC R216 10 R216 10 R109 1K R109 1K R215 NC/1K R215 NC/1K R207 10 R207 10 R665 200 R665 200 R227 100 R227 100 1 2 D77 NC D77 NC DATA2+ 1 DATA2 SHIELD 2 DATA2- 3 DATA1+ 4 DATA1 SHIELD 5 DAT1A- 6 DATA0+ 7 DATA0 SHIELD 8 DATA0- 9 CLK+ 10 CLK SHIELD 11 CLK- 12 CEC 13 NC 14 SCL 15 SDA 16 DDC/CEC GND 17 +5V POWER 18 HOT PLUG 19 GND1 20 GND2 21 GND3 22 J20 HDMI_J_V J20 HDMI_J_V DATA2+ 1 DATA2 SHIELD 2 DATA2- 3 DATA1+ 4 DATA1 SHIELD 5 DAT1A- 6 DATA0+ 7 DATA0 SHIELD 8 DATA0- 9 CLK+ 10 CLK SHIELD 11 CLK- 12 CEC 13 NC 14 SCL 15 SDA 16 DDC/CEC GND 17 +5V POWER 18 HOT PLUG 19 GND1 20 GND2 21 GND3 22 J22 HDMI_J_V J22 HDMI_J_V DATA2+ 1 DATA2 SHIELD 2 DATA2- 3 DATA1+ 4 DATA1 SHIELD 5 DAT1A- 6 DATA0+ 7 DATA0 SHIELD 8 DATA0- 9 CLK+ 10 CLK SHIELD 11 CLK- 12 CEC 13 NC 14 SCL 15 SDA 16 DDC/CEC GND 17 +5V POWER 18 HOT PLUG 19 GND1 20 GND2 21 GND3 22 GND3 23 J8 HDMI/180D J8 HDMI/180D DATA2+ 1 DATA2 SHIELD 2 DATA2- 3 DATA1+ 4 DATA1 SHIELD 5 DAT1A- 6 DATA0+ 7 DATA0 SHIELD 8 DATA0- 9 CLK+ 10 CLK SHIELD 11 CLK- 12 CEC 13 NC 14 SCL 15 SDA 16 DDC/CEC GND 17 +5V POWER 18 HOT PLUG 19 GND1 20 GND2 21 GND3 22 GND 23 J10 HDMI/90D J10 HDMI/90D 1 2 D20 NC D20 NC 1 2 D92 NC D92 NC R218 10 R218 10 1 2 D91 NC D91 NC 1 2 D21 NC D21 NC 1 2 D115 NC D115 NC 1 2 D96 NC D96 NC 1 2 D68 NC D68 NC 1 2 D93 NC D93 NC 1 2 3 Q30 3904 Q30 3904 R192 10K R192 10K R244 100 R244 100 1 2 D79 NC D79 NC 1 2 D102 NC D102 NC R258 10 R258 10 1 2 D85 NC D85 NC 1 2 3 Q28 3904 Q28 3904 PDF 文件使用 "pdfFactory Pro" 试用版本创建 ÿÿ www.fineprint.com.cn 5 5 4 4 3 3 2 2 1 1 D D C C B B A A NAND_REZ NAND_CEZ NAND_CLE NAND_ALE NAND_WEZ NAND_WPZ PCM_PF-AD7 PCM_PF-AD6 PCM_PF-AD5 PCM_PF-AD4 PCM_PF-AD3 PCM_PF-AD2 PCM_PF-AD1 PCM_PF-AD0 NAND_RBZ +3.3V_Normal +3.3V_Normal NAND_FLASH_PWR-3.3V NAND_FLASH_PWR-3.3V NAND_FLASH_PWR-3.3V NAND_RBZ NAND_REZ NAND_CEZ NAND_CLE NAND_ALE NAND_WEZ NAND_WPZ PCM_PF-AD[7:0] Title Size Document Number Rev Date: Sheet of 4F-1, No. 26, Tai-Yuan St., ChuPei, Hsinchu Hsien, Taiwan 302, R.O.C MStar Semiconductor, Inc NAND FLASH 1.0 MST6I98 A 14 14 Friday, May 28, 2010 Title Size Document Number Rev Date: Sheet of 4F-1, No. 26, Tai-Yuan St., ChuPei, Hsinchu Hsien, Taiwan 302, R.O.C MStar Semiconductor, Inc NAND FLASH 1.0 MST6I98 A 14 14 Friday, May 28, 2010 Title Size Document Number Rev Date: Sheet of 4F-1, No. 26, Tai-Yuan St., ChuPei, Hsinchu Hsien, Taiwan 302, R.O.C MStar Semiconductor, Inc NAND FLASH 1.0 MST6I98 A 14 14 Friday, May 28, 2010 L83 FB L83 FB C1053 0.1uF C1053 0.1uF C1055 0.1uF C1055 0.1uF 1 1 ICTTEST ICTTEST C1052 0.1uF C1052 0.1uF C1054 10uF C1054 10uF R/B 7 RE 8 CE 9 NC6/CE2 10 NC7 11 VCC 12 VSS 13 NC8 14 NC9 15 CLE 16 ALE 17 WE 18 WP 19 NC28 48 NC27 47 NC26 46 NC25 45 D7 44 D6 43 D5 42 D4 41 VCC 37 VSS 36 NC21 35 NC20 34 NC19 33 D3 32 D2 31 D1 30 D0 29 NC0/WPZ 1 NC1 2 NC2 3 NC3 4 NC4 5 NC5 6 NC10 20 NC11 21 NC12 22 NC13 23 NC14 24 NC15 25 NC16 26 NC17 27 NC18 28 NC22 38 NC23 39 NC24 40 U54 NAND FLASH_TSOP48 U54 NAND FLASH_TSOP48 PDF 文件使用 "pdfFactory Pro" 试用版本创建 ÿÿ www.fineprint.com.cn 5 5 4 4 3 3 2 2 1 1 D D C C B B A A RXE4- RXE1- RXE2- RXEC- RXE0- RXE3- RXE1+ RXE0+ RXE2+ RXEC+ RXE3+ RXE4+ MODE PWM RXOC+ RXO1+ RXO2+ RXO0+ RXO3+ RXO4+ RXO2- RXO3- RXOC- RXO1- RXO4- RXO0- RXE0- RXE0+ RXE1- RXE1+ RXE3- RXE3+ RXE4- RXE4+ RXE2- RXE2+ RXEC- RXEC+ RXO0- RXO0+ RXO1- RXO1+ RXO2- RXO2+ RXOC- RXOC+ RXO3- RXO3+ RXO4- RXO4+ RXO41+ RXO11+ VCC3.3V VCC1.8V VDDC VCC1.2V AVDD_DDR VCC1.8V AVDD_LVDS VCC3.3V AVDD VCC3.3V VCC3.3V VDDP AVDD_LPLL VCC3.3V AVDD_MPLL VCC3.3V AVDD_MEMPLL VCC3.3V 12Vin 12Vin 12Vin VDDC VCC3.3V OPC_EN PWM I2CS-SDA DCR_OUT MODE I2CS-SCL RXE01- RXE01+ RXE11- RXE11+ RXE21- RXE21+ RXEC1- RXEC1+ RXE31- RXE31+ RXE41- RXE41+ RXO01- RXO01+ RXO11- RXO11+ RXO21- RXO21+ RXOC1- RXOC1+ RXO31- RXO31+ RXO41- RXO41+ Title Size Document Number Rev Date: Sheet of <Doc> <RevCode> <Title> A3 1 3 Friday, July 02, 2010 Title Size Document Number Rev Date: Sheet of <Doc> <RevCode> <Title> A3 1 3 Friday, July 02, 2010 Title Size Document Number Rev Date: Sheet of <Doc> <RevCode> <Title> A3 1 3 Friday, July 02, 2010 Vout=1.25*(1+RA/RB) DDR2 Power 100+200+200=500mA RA RB V=0.8X(1+Ra/Rb) 750mA 550mA 更改为0603 V=0.8X(1+Ra/Rb) 更改为0603 + CA16 100uF/25V + CA16 100uF/25V R7 0R R7 0R C71 100nF C71 100nF C77 100nF C77 100nF C52 100nF C52 100nF C75 100nF C75 100nF C19 NC C19 NC C61 100nF C61 100nF C9 0.1uF C9 0.1uF C57 100nF C57 100nF C45 100nF C45 100nF C74 100nF C74 100nF C12 0.1uF C12 0.1uF R16 0R R16 0R 1 2 3 4 5 6 7 8 9 H2 NC H2 NC R4 4.7K_1% R4 4.7K_1% C76 100nF C76 100nF C5 NC C5 NC 1 H8 NC H8 NC R96 NC R96 NC C72 100nF C72 100nF C49 100nF C49 100nF L20 FB/60R/3A L20 FB/60R/3A C383 2.2uF C383 2.2uF C27 10uF C27 10uF 4 3 2 1 5 6 7 8 RN49 RL 4 3 2 1 5 6 7 8 RN49 RL C48 100nF C48 100nF + CA23 100uF/16V + CA23 100uF/16V + CA4 470uF/16V + CA4 470uF/16V 1 2 3 4 5 6 7 8 9 H1 NC H1 NC 4 3 2 1 5 6 7 8 RN52 RL 4 3 2 1 5 6 7 8 RN52 RL R82 3K_1% R82 3K_1% C10 0.1uF C10 0.1uF L11 FB/60R/3A L11 FB/60R/3A C39 100nF C39 100nF D5 1N5822 D5 1N5822 EN 2 FB 1 VCC 4 OUT 6 OUT 5 VSS 8 VSS 7 OCSET 3 U1 AP1533 U1 AP1533 C31 100nF C31 100nF C67 0.1uF C67 0.1uF R80 1.5K_1% R80 1.5K_1% R6 0 R6 0 C21 100nF C21 100nF R9 1.5K_1% R9 1.5K_1% R78 NC R78 NC C4 NC C4 NC C35 100nF C35 100nF C29 NC C29 NC R83 100K R83 100K C79 100nF C79 100nF 1 2 3 5 4 L5 10uH L5 10uH C22 100nF C22 100nF 1 2 3 4 5 6 7 8 9 H4 NC H4 NC L91 FB L91 FB C51 100nF C51 100nF 4 3 2 1 5 6 7 8 RN48 RL 4 3 2 1 5 6 7 8 RN48 RL + CA1 470uF/16V + CA1 470uF/16V 4 3 2 1 5 6 7 8 RN53 RL 4 3 2 1 5 6 7 8 RN53 RL C47 100nF C47 100nF 1 1 3 3 5 5 7 7 9 9 11 11 13 13 15 15 17 17 19 19 21 21 23 23 25 25 27 27 29 29 31 31 33 33 35 35 37 37 39 39 41 41 43 43 45 45 2 2 4 4 6 6 8 8 10 10 12 12 14 14 16 16 18 18 20 20 22 22 24 24 26 26 28 28 30 30 32 32 34 34 36 36 38 38 40 40 42 42 44 44 46 46 CON8 CON8 + CA3 470uF/16V + CA3 470uF/16V C58 100nF C58 100nF C50 100nF C50 100nF 4 3 2 1 5 6 7 8 RN51 RL 4 3 2 1 5 6 7 8 RN51 RL C38 100nF C38 100nF C30 0.1uF C30 0.1uF D3 1N5822 D3 1N5822 C28 100nF C28 100nF C33 100nF C33 100nF 1 2 3 4 5 6 7 8 9 H3 NC H3 NC R8 3.3K R8 3.3K C66 0.1uF C66 0.1uF C78 100nF C78 100nF C34 0.1uF C34 0.1uF 4 3 2 1 5 6 7 8 RN50 RL 4 3 2 1 5 6 7 8 RN50 RL 1 2 3 5 4 L3 10uH L3 10uH 1 H7 NC H7 NC C56 100nF C56 100nF R10 270R_1% R10 270R_1% C14 0.1uF C14 0.1uF C46 10uF C46 10uF 3 2 1 4 OUT ADJ IN U5 AMS1117-1.8 OUT ADJ IN U5 AMS1117-1.8 C13 0.1uF C13 0.1uF C44 2.2uF C44 2.2uF C11 0.1uF C11 0.1uF R79 3.3K R79 3.3K C382 2.2uF C382 2.2uF R81 100K R81 100K + CA2 470uF/16V + CA2 470uF/16V C24 100nF C24 100nF C36 2.2uF C36 2.2uF EN 2 FB 1 VCC 4 OUT 6 OUT 5 VSS 8 VSS 7 OCSET 3 U4 AP1533 U4 AP1533 + CA17 100uF/16V + CA17 100uF/16V C20 2.2uF C20 2.2uF R5 NC R5 NC C23 100nF C23 100nF L10 FB/60R/3A L10 FB/60R/3A L90 FB L90 FB C32 2.2uF C32 2.2uF PDF 文件使用 "pdfFactory Pro" 试用版本创建 ÿÿ www.fineprint.com.cn 5 5 4 4 3 3 2 2 1 1 D D C C B B A A RXE31- RXE41- RXO01- RXO11- RXO21- RXOC1- RXO31- RXO41- RXE01- RXE11- RXE11+ RXE1+ RXE1+ RXE21- RXEC1- B_BA2 MVREF A1P1 A1M1 ACKP1 ACKM1 A2P1 A2M1 A4P1 A4M1 A3P1 A3M1 B1P1 B1M1 B0P1 B0M1 B2P1 B2M1 BCKP1 BCKM1 B4P1 B4M1 B3P1 B3M1 A0P1 A0M1 C1P1 C1M1 CCKP1 CCKM1 C2P1 C2M1 C4P1 C4M1 C3P1 C3M1 D1P1 D1M1 D0P1 D0M1 D2P1 D2M1 DCKP1 DCKM1 D4P1 D4M1 D3P1 D3M1 C0P1 C0M1 SPI_CZ SPI_DO XTALI XTALO I2CS_SDA I2CS_SCL GPIO1 PWM0 PWM1 GPIO8 M1_CLK+ M1_CLK- M1-CKE MVREF B-MADR0 B-MADR1 B-MADR2 B-MADR3 M1-BA0 B_BA1 M1-BA1 B-MADR5 B-MADR6 B-MADR7 B-MADR8 B-MADR9 B-MADR10 B-MADR11 B-MADR12 B-MADR4 RASZM1 B_CASZ B_WEZ CASZM1 WEZM1 B-ODT B-DQS0M B-DQM0 B_DQM1 B-DQM1 B_DQM0 B-MDATA15 B-MDATA14 B-MDATA13 B-MDATA12 B-DQS1M B-MDATA11 B-MDATA10 B-MDATA9 B-MDATA8 B-DQS1P B-MDATA7 B-MDATA6 B-MDATA5 B-MDATA4 B-MDATA3 B-MDATA2 B-MDATA1 B-MDATA0 B-DQS0P B_BA2 M1-BA2 B_RASZ B_ODT B-MDATA6 B_MDATA3 B_MDATA1 B-MDATA3 B-MDATA1 B-MDATA4 B_MDATA6 B_MDATA4 B_MDATA0 B_MDATA7 B_MDATA2 B_MDATA5 B_MDATA10 B_MDATA13 B_MDATA15 B_MDATA8 B-MDATA10 B-MDATA8 B-MDATA15 B-MDATA13 B-MDATA2 B-MDATA0 B-MDATA7 B-MDATA5 B-MDATA11 B-MDATA9 B-MDATA14 B-MDATA12 B_MDATA9 B_MDATA11 B_MDATA14 B_MDATA12 B_MADR6 B-MADR6 B-MADR4 B-MADR0 B-MADR2 B_MADR0 B_MADR2 B_MADR4 B_MADR1 B_MADR1 B_MADR10 B_MADR10 B_MADR5 B_MADR5 B_MADR3 B_MADR3 B_MADR7 B_MADR7 B-MADR5 B-MADR5 B-MADR10 B-MADR10 B-MADR1 B-MADR1 B-MADR7 B-MADR7 B-MADR3 B-MADR3 B_CKE B_CKE B_BA0 B_BA0 M1-CKE M1-CKE B_MADR12 B_MADR12 B-MADR9 B-MADR9 B_MADR9 B_MADR9 B-MADR12 B-MADR12 M1-BA0 M1-BA0 B_MADR8 B_MADR11 B-MADR8 B-MADR11 B-DQS1M B-DQS1M B-DQS1P B_DQS1P B_DQS1M B_DQS0P B_DQS0M B-DQS0M B-DQS0P B_MCLK B_MCLKZ M1_CLK- M1_CLK+ I2CS-SCL I2CS-SCL I2CS-SDA Ursa_RESET Ursa_RESET GPIO1 SPI_DI RXEC1+ RXE31- RXE31+ RXE41- RXE41+ RXE01- RXE01+ RXE11- RXE11+ RXE21- RXE21+ RXEC1- RXO01- GPIO13 RXO01+ RXO11- RXO11+ RXO21- RXO21+ RXOC1- RXOC1+ RXO31- RXO31+ RXO41- RXO41+ B_MCLKZ B_MCLK U3_RESET B_DQS1P B_MDATA15 B_MDATA8 B_MDATA10 B_MDATA13 B_MDATA7 B_MDATA0 B_MDATA2 B_MDATA5 B_MDATA11 B_MDATA12 B_MDATA9 B_MDATA6 B_DQM0 B_DQS0P B_DQS0M B_DQS1M B_MDATA1 B_MDATA3 B_MDATA4 B_DQM1 MOD_GPIO1 MOD_GPIO0 I2CS_SCL PDI GPIO8 A1P1 A1M1 ACKP1 ACKM1 A2P1 A2M1 A4P1 A4M1 A3P1 A3M1 B1P1 B1M1 B0P1 B0M1 B2P1 B_ODT B_RASZ B2M1 BCKP1 B_MADR0 B_MADR2 BCKM1 B4P1 B4M1 B_MADR4 B_MADR6 B_MADR8 B3P1 B3M1 A0P1 B_MADR11 B_WEZ B_CASZ A0M1 B_CKE B_MADR9 B_MADR12 B_MADR7 B_MADR3 B_MADR5 B_MADR10 B_MADR1 B_BA1 B_BA0 Ursa_RESET GPIO1 PWM0 PWM1 B_MDATA14 BIST GPIO12 GPIO10 MOD_GPIO3 MOD_GPIO2 XTALO XTALI C1M1 CCKP1 CCKM1 C2P1 C2M1 C4P1 C4M1 C3P1 C3M1 D1P1 D1M1 D0P1 D0M1 D2P1 D2M1 DCKP1 DCKM1 D4P1 D4M1 D3P1 D3M1 C0P1 C0M1 SPI_CK SPI_DI SPI_CZ SPI_DO I2CS_SDA GPIO11 SPI_CK RXE01+ C1P1 RXO01+ DDR_1.8V VCC1.8V DDR_1.8V DDR_1.8V VCC3.3V VCC3.3V VCC3.3V DDR_1.8V VCC3.3V AVDD_MEMPLL AVDD_LVDS VDDC VDDP VDDP AVDD_LPLL AVDD_MPLL AVDD_DDR AVDD VDDC RXE01+ 3 RXE01- 3 RXE11+ 3 RXE11- 3 RXE21+ 3 RXE21- 3 RXEC1+ 3 RXEC1- 3 RXE31+ 3 RXE31- 3 RXE41+ 3 RXE41- 3 RXO01+ 3 RXO01- 3 RXO11+ 3 RXO11- 3 RXO21+ 3 RXO21- 3 RXOC1+ 3 RXOC1- 3 RXO31+ 3 RXO31- 3 RXO41+ 3 RXO41- 3 A0M1 A1M1 A1P1 A2M1 ACKM1 ACKP1 A2P1 A3M1 A4M1 A4P1 A3P1 B0M1 B1M1 B1P1 B0P1 B2M1 B2P1 BCKM1 BCKP1 B3M1 B4M1 B4P1 B3P1 A0P1 C0M1 3 C1M1 3 C1P1 3 C2M1 3 CCKM1 3 CCKP1 3 C2P1 3 C3M1 3 C4M1 3 C4P1 3 C3P1 3 D0M1 3 D1M1 3 D1P1 3 D0P1 3 D2M1 3 D2P1 3 DCKM1 3 DCKP1 3 D3M1 3 D4M1 3 D4P1 3 D3P1 3 C0P1 3 I2CS-SDA I2CS-SCL GPIO14 1 Title Size Document Number Rev Date: Sheet of <Doc> <RevCode> <Title> Custom 2 3 Thursday, June 24, 2010 Title Size Document Number Rev Date: Sheet of <Doc> <RevCode> <Title> Custom 2 3 Thursday, June 24, 2010 Title Size Document Number Rev Date: Sheet of <Doc> <RevCode> <Title> Custom 2 3 Thursday, June 24, 2010 Close to MST IC For 1G bits DRAM use only Debug Port Chip Config CHIP_CONF: {GPIO8, PWM1, PWM0} CHIP_CONF= 3ˇd5: boot from internal SRAM CHIP_CONF= 3ˇd6: boot from EEPROM CHIP_CONF= 3ˇd7: boot from SPI GPIO1 IS AWAYLS LOW EDE5116AJBG-8E R38 100R R38 100R R67 100R R67 100R TP31 TP31 R217 4.7K R217 4.7K C135 100nF C135 100nF TP37 TP37 R31 10K R31 10K R37 100 R37 100 R11 0R R11 0R 7 5 3 1 8 6 4 2 RP13 RP56X4 7 5 3 1 8 6 4 2 RP13 RP56X4 R55 10K R55 10K R218 4.7K R218 4.7K C124 100nF C124 100nF R136 56 R136 56 R162 56 R162 56 C123 100nF C123 100nF TP33 TP33 R133 56 R133 56 R122 56 R122 56 A0 M8 A1 M3 A2 M7 A3 N2 A4 N8 A5 N3 A6 N7 A7 P2 A8 P8 A9 P3 A10 M2 A11 P7 A12 R2 BA0 L2 BA1 L3 CK J8 CK K8 CKE K2 RAS K7 CAS L7 WE K3 DQ0 G8 DQ1 G2 DQ2 H7 DQ3 H3 DQ4 H1 DQ5 H9 DQ6 F1 DQ7 F9 DQ8 C8 DQ9 C2 DQ10 D7 DQ11 D3 DQ12 D1 DQ13 D9 DQ14 B1 DQ15 B9 UDQS B7 UDQS A8 UDM B3 LDQS F7 LDQS E8 CS L8 LDM F3 VDD A1 VSS A3 VDDQ A9 VSSQ B8 VSSQ B2 VDDQ C1 VDDQ C7 VDDQ C3 VSSQ D2 VSSQ D8 VDD E1 VSS E3 VSSQ E7 VSSQ F2 VSSQ F8 VDDQ G1 VDDQ G3 VDDQ G7 VDDQ G9 VDDQ E9 VSSQ H2 VSSQ H8 VDDL J1 VREF J2 VSS J3 VSSDL J7 VDD J9 ODT K9 VDD M9 VSS N1 VSS P9 VDD R1 VDDQ C9 VSSQ A7 BA2/RFU2 L1 U7 EDE5116AJBG-8E U7 EDE5116AJBG-8E R131 56 R131 56 R253 56 R253 56 C129 100nF C129 100nF R34 NC/100 R34 NC/100 R54 100R R54 100R R119 56 R119 56 R45 10K R45 10K C53 100nF C53 100nF C26 100nF C26 100nF R65 100R R65 100R R124 56 R124 56 R40 1M R40 1M TP34 TP34 C131 100nF C131 100nF 7 5 3 1 8 6 4 2 RP3 RP22X4 7 5 3 1 8 6 4 2 RP3 RP22X4 R109 NC R109 NC 3 2 1 D54 BAV99 D54 BAV99 TP7 TP7 C207 10uF C207 10uF C150 1nF C150 1nF R44 NC/10K R44 NC/10K TP9 TP9 C132 100nF C132 100nF Y1 12MHz/DIP Y1 12MHz/DIP R62 NC/10K R62 NC/10K R219 NC/4.7K R219 NC/4.7K R235 NC R235 NC R41 0R R41 0R R61 10K R61 10K R145 56 R145 56 R261 56 R261 56 R215 10K R215 10K R143 56 R143 56 R220 4.7K R220 4.7K TP10 TP10 R64 100R R64 100R 7 5 3 1 8 6 4 2 RP12 RP56X4 7 5 3 1 8 6 4 2 RP12 RP56X4 R98 0R R98 0R TP25 TP25 R172 22K R172 22K C25 10uF C25 10uF C121 100nF C121 100nF R43 1K R43 1K C134 100nF C134 100nF 7 5 3 1 8 6 4 2 RP14 RP56X4 7 5 3 1 8 6 4 2 RP14 RP56X4 R29 10R R29 10R R32 10R R32 10R C125 100nF C125 100nF R68 100R R68 100R 1 3 2 Q14 3906 Q14 3906 TP39 TP39 R35 100 R35 100 TP36 TP36 TP28 TP28 CE# 1 SO 2 WP# 3 VSS 4 SI 5 SCK 6 HOLD# 7 VDD 8 U42 FL/MX32L512/SOP8 U42 FL/MX32L512/SOP8 TP12 TP12 R263 56 R263 56 C122 100nF C122 100nF R216 10K R216 10K C136 100nF C136 100nF R123 56 R123 56 + CT14 100uF/25V + CT14 100uF/25V TP30 TP30 R53 100R R53 100R 7 5 3 1 8 6 4 2 RP4 RP22X4 7 5 3 1 8 6 4 2 RP4 RP22X4 R51 100R R51 100R TP5 TP5 TP40 TP40 TP8 TP8 R132 56 R132 56 R30 10R R30 10R R33 10R R33 10R C126 100nF C126 100nF B1M 163 B1P 164 B0M 165 B0P 166 VSS 167 AVDD_LVDS 168 A4M 169 A4P 170 A3M 171 A3P 172 ACKM 173 ACKP 174 A2M 175 A2P 176 A1M 177 A1P 178 A0M 179 A0P 180 AVDD_LPLL 181 VSS 182 VDDC 183 VDDP 184 VSS 185 XTALI 186 XTALO 187 AVDD_MPLL 188 VDDC 189 AVDD 190 RO0N 191 RO0P 192 RO1N 193 RO1P 194 RO2N 195 RO2P 196 ROCKN 197 ROCKP 198 RO3N 199 RO3P 200 RO4N 201 RO4P 202 VSS 203 AVDD 204 RE0N 205 RE0P 206 RE1N 207 RE1P 208 RE2N 209 RE2P 210 RECKN 211 RECKP 212 RE3N 213 RE3P 214 RE4N 215 RE4P 216 VSS 109 SPI_CK 110 SPI_DI 111 SPI_DO 112 SPI_CZ 113 PWM1 114 PWM0 115 GPIO[1] 116 VDDC 117 VDDP 118 D4M 119 D4P 120 D3M 121 D3P 122 AVDD_LVDS 123 DCKM 124 DCKP 125 D2M 126 D2P 127 VSS 128 MOD_GPIO3 129 MOD_GPIO2 130 D1M 131 D1P 132 D0M 133 D0P 134 C4M 135 C4P 136 C3M 137 C3P 138 CCKM 139 CCKP 140 C2M 141 C2P 142 C1M 143 C1P 144 C0M 145 C0P 146 VSS 147 AVDD_LVDS 148 B4M 149 B4P 150 B3M 151 B3P 152 BCKM 153 BCKP 154 B2M 155 B2P 156 MOD_GPIO1 157 MOD_GPIO0 158 VDDC 159 AVDD_LVDS 160 VSS 161 REXT 162 DDR2_ODT 55 DDR2_RASZ 56 DDR2_CASZ 57 DDR2_A0 58 DDR2_A2 59 DDR2_A4 60 VSS 61 DDR2_A6 62 DDR2_A8 63 DDR2_A11 64 DDR2_WEZ 65 DDR2_BA1 66 DDR2_BA0 67 DDR2_A1 68 DDR2_A10 69 AVDD_DDR 70 DDR2_A5 71 DDR2_A9 72 DDR2_A12 73 DDR2_A7 74 DDR2_A3 75 DDR2_CKE 76 VSS 77 VDDC 78 I2CM_SCL2_L 79 I2CM_SDA2_L 80 VDDP 81 VSS 82 LTD_DA0_R 83 LTD_CLK_R 84 LTD_DE_R 85 LTD_DA1_R 86 PLL_LOCK_R 87 OP_SYNC_R 88 SOFT_RST_R 89 S_M_PIF_DA1 90 S_M_PIF_DA0 91 VSS 92 S_M_PIF_CLK 93 S_M_PIF_FC 94 S_M_PIF_CS 95 I2CM_SDA2_R 96 I2CM_SCL2_R 97 GPIO[31] 98 GPIO[22] 99 GPIO[23] 100 GPIO[24] 101 GPIO[25] 102 GPIO[26] 103 GPIO[27] 104 TESTPIN 105 RESET 106 VDDP 107 VDDC 108 VSS 1 I2CS_SDA 2 I2CS_SCL 3 GPIO[8] 4 GPIO[9] 5 VSS 6 VDDC 7 GPIO[10] 8 GPIO[11] 9 GPIO[12] 10 GPIO[13] 11 PDI 12 BIST 13 GPIO[14] 14 VDDP 15 VSS 16 VDDC 17 DDR2_DQ[4] 18 DDR2_DQ[3] 19 VSS 20 DDR2_DQ[1] 21 DDR2_DQ[6] 22 AVDD_DDR 23 DDR2_DQ[11] 24 DDR2_DQ[12] 25 VSS 26 DDR2_DQ[9] 27 DDR2_DQ[14] 28 AVDD_DDR 29 DDR2_DQM[1] 30 DDR2_DQM[0] 31 VSS 32 DDR2_DQS[0] 33 DDR2_DQSB[0] 34 AVDD_DDR 35 VDDP 36 VSS 37 DDR2_DQS[1] 38 DDR2_DQSB[1] 39 AVDD_DDR 40 DDR2_DQ[15] 41 DDR2_DQ[8] 42 VSS 43 DDR2_DQ[10] 44 DDR2_DQ[13] 45 AVDD_DDR 46 DDR2_DQ[7] 47 DDR2_DQ[0] 48 DDR2_DQ[2] 49 DDR2_DQ[5] 50 DDR2_MCLK 51 DDR2_MCLKZ 52 VSS 53 AVDD_MEMPLL 54 GND217 217 Ursa3 216P 2-CH LVDS in / 4-CH LVDS out DDR2-16 U11 Ursa3-216P Ursa3 216P 2-CH LVDS in / 4-CH LVDS out DDR2-16 U11 Ursa3-216P TP6 TP6 R262 56 R262 56 R142 56 R142 56 C127 100nF C127 100nF R49 100R R49 100R R50 10K R50 10K TP41 TP41 R135 56 R135 56 R97 820R R97 820R TP32 TP32 R148 56 R148 56 R39 100R R39 100R R127 NC R127 NC C120 100nF C120 100nF C206 2.2uF C206 2.2uF TP11 TP11 TP4 TP4 C130 100nF C130 100nF R149 56 R149 56 7 5 3 1 8 6 4 2 RP2 RP22X4 7 5 3 1 8 6 4 2 RP2 RP22X4 R505 56 R505 56 R66 100R R66 100R 1 2 3 4 CON39 4PIN-2.0MM CON39 4PIN-2.0MM R144 56 R144 56 R52 NC/10K R52 NC/10K C59 100nF C59 100nF R56 NC/10K R56 NC/10K R223 NC R223 NC C55 20pF C55 20pF R254 56 R254 56 R170 4.7K R170 4.7K TP24 TP24 R63 100R R63 100R TP35 TP35 TP29 TP29 R137 56 R137 56 C128 100nF C128 100nF TP13 TP13 7 5 3 1 8 6 4 2 RP5 RP22X4 7 5 3 1 8 6 4 2 RP5 RP22X4 R46 100K R46 100K TP38 TP38 C54 20pF C54 20pF PDF 文件使用 "pdfFactory Pro" 试用版本创建 ÿÿ www.fineprint.com.cn 5 5 4 4 3 3 2 2 1 1 D D C C B B A A C4P1 C2M1 DCKM1 C2P1 DCKP1 D0M1 D3M1 D0P1 CCKP1 D3P1 D1M1 C0M1 C3M1 D1P1 D4M1 C0P1 D4P1 C3P1 D2M1 C1M1 C4M1 D2P1 C1P1 CCKM1 A4P1 A2M1 BCKM1 A2P1 BCKP1 B0M1 B3M1 B0P1 ACKP1 B3P1 B1M1 A0M1 A3M1 B1P1 B4M1 A0P1 B4P1 A3P1 B2M1 A1M1 A4M1 B2P1 A1P1 ACKM1 A4M A1M A2M ACKM A0M A3M B2M B3M BCKM B1M B0M B4M A1P A0P A2P ACKP A3P A4P DCR_OUT BCKP B1P B2P B0P B3P B4P MODE D0P DCKP C1P D1P CCKP D4P C4P D2P D3P C3P C2P C0P C4M C1M C2M CCKM C0M C3M D2M D3M D1M D0M D4M B4M B4P B3M B3P A1M A1P A0M A0P C0P C0M C1P C1M C2P C2M CCKP CCKM C3P C3M C4P C4M D2P D2M DCKP DCKM ACKM ACKP A2M A2P A4M A4P A3M A3P B1M B1P B0M B0P BCKM BCKP B2M B2P D3P D3M D4P D4M A1M1 A1P1 A0M1 A0P1 ACKM1 ACKP1 A2M1 A2P1 A4M1 A4P1 A3M1 A3P1 B1M1 B1P1 B0M1 B0P1 BCKM1 BCKP1 B2M1 B2P1 B4M1 B4P1 B3M1 B3P1 C3P1 C3M1 C4P1 C4M1 D0P1 D0M1 D1P1 D1M1 D2P1 D2M1 DCKP1 DCKM1 D3P1 D3M1 D4P1 D4M1 C0P1 C0M1 C1P1 C1M1 C2P1 C2M1 CCKP1 CCKM1 D0P D1M D0M D1P DCKM GPIO14 I2CS-SDA VCC_PANEL 12Vin VCC_PANEL D1M1 2 D1P1 2 D0M1 2 D0P1 2 D4M1 2 D4P1 2 C1M1 2 C1P1 2 C0M1 2 C0P1 2 C4M1 2 C4P1 2 C3M1 2 C3P1 2 CCKM1 2 CCKP1 2 C2M1 2 C2P1 2 D3M1 2 D3P1 2 DCKM1 2 DCKP1 2 D2M1 2 D2P1 2 B1M1 2 B1P1 2 B0M1 2 B0P1 2 B4M1 2 B4P1 2 A1M1 2 A1P1 2 A0M1 2 A0P1 2 A4M1 2 A4P1 2 A3M1 2 A3P1 2 ACKM1 2 ACKP1 2 A2M1 2 A2P1 2 B3M1 2 B3P1 2 BCKM1 2 BCKP1 2 B2M1 2 B2P1 2 PWM MODE OPC_EN DCR_OUT GPIO14 I2CS-SDA I2CS-SCL Title Size Document Number Rev Date: Sheet of <Doc> <RevCode> LVDS TX Custom 3 3 Friday, July 02, 2010 Title Size Document Number Rev Date: Sheet of <Doc> <RevCode> LVDS TX Custom 3 3 Friday, July 02, 2010 Title Size Document Number Rev Date: Sheet of <Doc> <RevCode> LVDS TX Custom 3 3 Friday, July 02, 2010 H:JEIDA L:VESA LVDS_SEL LVDS OUT1 LCD Power H:ENABLE L:DISABLE DCR_ENABLE LVDS OUT2 改时序 4 3 2 1 5 6 7 8 RN29 RL 4 3 2 1 5 6 7 8 RN29 RL VCC 1 VCC 3 VCC 2 VCC 4 GND 5 GND 6 GND 7 GND 8 RXE4+ 9 RXE4- 10 RXE3+ 11 RXE3- 12 RXEC+ 13 RXEC- 14 RXE2+ 15 RXE2- 16 RXE1+ 17 RXE1- 18 RXE0+ 19 RXE0- 20 GND 21 GND 22 I/Osda 23 DCRscl 26 MODE 24 PWM 25 GND 27 GND 28 RXO4+ 29 RXO4- 30 RXO3+ 31 RXO3- 32 RXOC+ 33 RXOC- 34 RXO2+ 35 RXO2- 36 RXO1+ 37 RXO1- 38 RXO0+ 39 RXO0- 40 CN9 LVDS CN9 LVDS 4 3 2 1 5 6 7 8 RN24 RL 4 3 2 1 5 6 7 8 RN24 RL 4 3 2 1 5 6 7 8 RN25 RL 4 3 2 1 5 6 7 8 RN25 RL 4 3 2 1 5 6 7 8 RN44 RL 4 3 2 1 5 6 7 8 RN44 RL 4 3 2 1 5 6 7 8 RN30 RL 4 3 2 1 5 6 7 8 RN30 RL + CA15 100uF/16V + CA15 100uF/16V V2 3904 V2 3904 R14 10K R14 10K L15 NC L15 NC + CA501 100uF/16V + CA501 100uF/16V S 1 S 2 S 3 G 4 D 5 D 6 D 7 D 8 U6 9435 U6 9435 4 3 2 1 5 6 7 8 RN45 RL 4 3 2 1 5 6 7 8 RN45 RL 4 3 2 1 5 6 7 8 RN31 RL 4 3 2 1 5 6 7 8 RN31 RL C509 0.1uF C509 0.1uF GND 1 GND 2 RD4+ 3 RD4- 4 RD3+ 5 RD3- 6 RDC+ 7 RDC- 8 GND 9 GND 10 RD2+ 11 RD2- 12 RD1+ 13 RD1- 14 RD0+ 15 RD0- 16 GND 17 GND 18 RC4+ 19 RC4- 20 RC3+ 21 RC3- 22 RCC+ 23 RCC- 24 GND 25 GND 26 RC2+ 27 RC2- 28 RC1+ 29 RC1- 30 RC0+ 31 RC0- 32 GND 33 GND 34 CN10 CON18X2_2.0 CN10 CON18X2_2.0 L12 FB/60R/3A/NC L12 FB/60R/3A/NC R13 10K R13 10K 4 3 2 1 5 6 7 8 RN46 RL 4 3 2 1 5 6 7 8 RN46 RL 4 3 2 1 5 6 7 8 RN32 RL 4 3 2 1 5 6 7 8 RN32 RL R575 0/NC R575 0/NC R12 10K R12 10K C17 0.1uF C17 0.1uF + C37 100uF/16V + C37 100uF/16V 4 3 2 1 5 6 7 8 RN47 RL 4 3 2 1 5 6 7 8 RN47 RL R15 33K R15 33K 4 3 2 1 5 6 7 8 RN42 RL 4 3 2 1 5 6 7 8 RN42 RL R574 0/NC R574 0/NC V3 3904 V3 3904 C40 0.1uF C40 0.1uF 4 3 2 1 5 6 7 8 RN43 RL 4 3 2 1 5 6 7 8 RN43 RL R577 0/NC R577 0/NC PDF 文件使用 "pdfFactory Pro" 试用版本创建 ÿÿ www.fineprint.com.cn 5 5 4 4 3 3 2 2 1 1 D D C C B B A A MIC1 MIC2 MIC2 MIC2 MIC1 MIC1_AMP MIC2_AMP VREF VREF MIC1 MIC1_AMP MIC1IN MIC2IN MIC2_AMP TD- RD+ RD- TD+ RCT_TCT TX+ TX- RX- TD- $$$1 RD+ $$$1 RD- MIC2IN MIC1IN TD+ RX+ $$$1 VCC_4558 VCC_4558 5V_4558 5V_4558 12V_4558 12V_4558 VCC_4558 12V_4558 5V_4558 Title Size Document Number Rev Date: Sheet of <Doc> <RevCode> Skyworth_dmu Custom 1 1 Tuesday, June 22, 2010 Title Size Document Number Rev Date: Sheet of <Doc> <RevCode> Skyworth_dmu Custom 1 1 Tuesday, June 22, 2010 Title Size Document Number Rev Date: Sheet of <Doc> <RevCode> Skyworth_dmu Custom 1 1 Tuesday, June 22, 2010 MIC Close to connector Keep A_GND trace with Signal. Keep Spacing for L/R cahnnel. Keep trace width(12mil+). Pin31、25 is Digital Gnd R23 0 ohm R23 0 ohm 1 8 7 2 4 5 JA1 CK3-6.35-4 JA1 CK3-6.35-4 C8 560pF C8 560pF + C1 100uF/16V + C1 100uF/16V C353 10nF/50V C353 10nF/50V 1 2 3 4 5 6 7 8 9 H02 NC H02 NC C4 560pF C4 560pF 1 2 D1 INPAQ_VPORT D1 INPAQ_VPORT C18 1uF C18 1uF R16 200K R16 200K R1 10K R1 10K R22 75 R22 75 R14 200K R14 200K R26 75 R26 75 C6 0.1uF C6 0.1uF + C5 100uF/16V + C5 100uF/16V TX+ 1 TX- 2 RX+ 3 4 4 5 5 RX- 6 7 7 8 8 GND 9 GND 10 J2 RJ45_TYCO J2 RJ45_TYCO C358 0.1uF/50V C358 0.1uF/50V C21 1nF C21 1nF R19 620 R19 620 R20 200K R20 200K C13 1uF C13 1uF 1 2 3 4 5 6 7 8 9 H01 NC H01 NC C11 2.2nF C11 2.2nF C3 330pF C3 330pF 1 2 3 4 5 6 7 8 9 H03 NC H03 NC 1 2 D3 INPAQ_VPORT D3 INPAQ_VPORT C23 0.1uF C23 0.1uF R12 620 R12 620 C9 2.2nF C9 2.2nF R17 2K R17 2K TD+ 1 TD- 2 RD+ 3 TCT 4 RCT 5 RD 6 GND 7 NC 8 NC 9 NC 10 NC 11 NC 12 NC 13 NC 14 NC 15 NC 16 GND 17 MIC1 18 MIC2 19 GND 20 GND 21 IR 22 I/02 23 I/01 24 12V 25 12V 26 GND 27 GND 28 SCL(RX) 29 SDA(TX) 30 GND 31 SPDIF(I/03) 32 D2- 33 D2+ 34 D1- 35 D1+ 36 GND 37 GND 38 R 39 L 40 GND 41 GND 42 Y2 43 GND 44 PR2 45 PB2 46 GND 47 GND 48 5V 49 5V 50 J4 DIP2.0MM-25X2F J4 DIP2.0MM-25X2F C20 1nF C20 1nF OUTA 1 INA- 2 INA+ 3 -VEE 4 INB+ 5 INB- 6 OUTB 7 VCC 8 U1 NJM4558 U1 NJM4558 R2 NC R2 NC TD+ 1 TCT 2 TD- 3 NC 4 NC1 5 RD+ 6 RCT 7 RD- 8 RX- 9 RCM 10 RX+ 11 NC2 12 NC3 13 TX- 14 TCM 15 TX+ 16 U2 H1601CG U2 H1601CG R8 12K R8 12K C354 10nF/50V C354 10nF/50V R21 75 R21 75 3 2 1 D6 BAV99 D6 BAV99 C22 1nF C22 1nF R6 NC R6 NC 1 8 7 2 4 5 JA2 CK3-6.35-4 JA2 CK3-6.35-4 R5 10K R5 10K C16 27pF C16 27pF R9 200K R9 200K C7 330pF C7 330pF C357 0.1uF/50V C357 0.1uF/50V R4 12K R4 12K R10 2K R10 2K C15 1uF C15 1uF R13 4.7K R13 4.7K R27 0 ohm R27 0 ohm R15 4.7K R15 4.7K R18 200K R18 200K C14 1nF C14 1nF C12 27pF C12 27pF L58 FB L58 FB R7 10K R7 10K R3 10K R3 10K C2 0.1uF C2 0.1uF C17 2.2nF C17 2.2nF R11 200K R11 200K C19 2.2nF C19 2.2nF C10 1uF C10 1uF R25 75 R25 75 3 2 1 D5 BAV99 D5 BAV99 R24 NC R24 NC PDF 文件使用 "pdfFactory Pro" 试用版本创建 ÿÿ www.fineprint.com.cn 5 5 4 4 3 3 2 2 1 1 D D C C B B A A LED_IO LIGHT_GREEN LED_IO VCC_3V3 LIGHT_RED LIGHT_GREEN LIGHT_RED LIGHT_GREEN LIGHT_RED IO IO LED_IO LIGHT_RED VCC_3V3 VCC_3V3 Title Size Document Number Rev Date: Sheet of <Doc> <RevCode> Skyworth_dmu A4 1 1 Friday, May 28, 2010 Title Size Document Number Rev Date: Sheet of <Doc> <RevCode> Skyworth_dmu A4 1 1 Friday, May 28, 2010 Title Size Document Number Rev Date: Sheet of <Doc> <RevCode> Skyworth_dmu A4 1 1 Friday, May 28, 2010 R113 0/NC R113 0/NC R110 750 R110 750 C102 0.1uF/NC C102 0.1uF/NC R107 20 R107 20 1 2 3 Q2 3904/NC Q2 3904/NC R106 20 R106 20 R102 1K/NC R102 1K/NC R104 20 R104 20 R103 10K/NC R103 10K/NC C101 10uF C101 10uF 1 2 3 4 5 6 7 8 9 H1 HOLE-V8 H1 HOLE-V8 VCC 1 GND 2 IO 3 5 5 6 6 IO 4 CN1 CN1X3_20 CN1 CN1X3_20 R111 0/NC R111 0/NC R109 1K/NC R109 1K/NC R100 10K R100 10K R108 100/NC R108 100/NC 1 2 3 Q1 3904 Q1 3904 1 2 3 4 5 6 7 8 9 H2 HOLE-V8 H2 HOLE-V8 R105 20 R105 20 RED 1 GND 2 BLUE 3 RED 4 GND 5 BLUE 6 D1 INDICATOR_LIGHT D1 INDICATOR_LIGHT C100 0.1uF C100 0.1uF C103 0.1uF/NC C103 0.1uF/NC R112 0 R112 0 R101 330 R101 330 PDF 文件使用 "pdfFactory Pro" 试用版本创建 ÿÿ www.fineprint.com.cn </p> <div class="main-left-down hidden-xl hidden-lg hidden-md"> <!--资源收费且没有购买--> <a href="http://www.wenhuiw.com/index.php?s=score&c=buy&m=index&module=wenku&id=9315" id="down_box_confirm" class="not-logged-in btn bg-green"><i class="fa fa-shopping-cart"></i> 立即购买</a> <p class="down-score">下载本素材需消耗 <span class="f-red">10</span> 积分</p> <p class="down-feedback">无法下载?<a class="hover:text-green-600" href="tencent://message/?uin=77594475" target="_blank">立即反馈</a></p> </div> <div class="tag">标签: </div> <div class="use-tip"> <h3>版权声明</h3> <p><b>1. 本站所有素材,仅限学习交流,仅展示部分内容,如需查看完整内容,请下载原文件。</b><br> 2. 会员在本站下载的所有素材,只拥有使用权,著作权归原作者所有。<br> 3. 所有素材,未经合法授权,请勿用于商业用途,会员不得以任何形式发布、传播、复制、转售该素材,否则一律封号处理。<br> 4. 如果素材损害你的权益请联系客服QQ:<a href="tencent://message/?uin=77594475">77594475</a> 处理。 </p> </div> </div> <div class="main-relate hidden-sm hidden-xs"> <div class="module-title-box"> <h2 class="title">相关素材</h2> </div> <ul class="module-list"> <li class="col-xl-3 col-lg-3 col-md-3 col-sm-6 col-6"> <div class="module-list_box"> <a class="module-list_thumb wide lazyload" href="/wenku/a23243.html" title="JCT 991-2006 建材工业用石膏墙板(砌块)成型机" data-original="http://file.wenhuiw.com/202306/771f07e799519.png#系统开启了相对路径模式,本地址是站外域名,不能转为相对路径(在关闭开发者模式后不显示这句话)#没有设置高宽参数,将以原图输出"></a> <div class="module-list_detail"> <h4 class="title txt-ov"><a href="/wenku/a23243.html" title="JCT 991-2006 建材工业用石膏墙板(砌块)成型机">JCT 991-2006 建材工业用石膏墙板(砌块)成型机</a></h4> </div> </div> </li> <li class="col-xl-3 col-lg-3 col-md-3 col-sm-6 col-6"> <div class="module-list_box"> <a class="module-list_thumb wide lazyload" href="/wenku/a23215.html" title="JCT 958-2005 水泥胶砂流动度测定仪(跳桌)" data-original="http://file.wenhuiw.com/202306/104e5c621c62ab1.png#系统开启了相对路径模式,本地址是站外域名,不能转为相对路径(在关闭开发者模式后不显示这句话)#没有设置高宽参数,将以原图输出"></a> <div class="module-list_detail"> <h4 class="title txt-ov"><a href="/wenku/a23215.html" title="JCT 958-2005 水泥胶砂流动度测定仪(跳桌)">JCT 958-2005 水泥胶砂流动度测定仪(跳桌)</a></h4> </div> </div> </li> <li class="col-xl-3 col-lg-3 col-md-3 col-sm-6 col-6"> <div class="module-list_box"> <a class="module-list_thumb wide lazyload" href="/wenku/a23201.html" title="JCT 940-2004 玻璃纤维增强水泥 (GRC)装饰制品" data-original="http://file.wenhuiw.com/202306/f739a4f6c22c42e.png#系统开启了相对路径模式,本地址是站外域名,不能转为相对路径(在关闭开发者模式后不显示这句话)#没有设置高宽参数,将以原图输出"></a> <div class="module-list_detail"> <h4 class="title txt-ov"><a href="/wenku/a23201.html" title="JCT 940-2004 玻璃纤维增强水泥 (GRC)装饰制品">JCT 940-2004 玻璃纤维增强水泥 (GRC)装饰制品</a></h4> </div> </div> </li> <li class="col-xl-3 col-lg-3 col-md-3 col-sm-6 col-6"> <div class="module-list_box"> <a class="module-list_thumb wide lazyload" href="/wenku/a23178.html" title="JCT 893-2001 玻璃纤维增强水泥(GRC)外墙内保温板" data-original="http://file.wenhuiw.com/202306/d5e2e81671437fd.png#系统开启了相对路径模式,本地址是站外域名,不能转为相对路径(在关闭开发者模式后不显示这句话)#没有设置高宽参数,将以原图输出"></a> <div class="module-list_detail"> <h4 class="title txt-ov"><a href="/wenku/a23178.html" title="JCT 893-2001 玻璃纤维增强水泥(GRC)外墙内保温板">JCT 893-2001 玻璃纤维增强水泥(GRC)外墙内保温板</a></h4> </div> </div> </li> <li class="col-xl-3 col-lg-3 col-md-3 col-sm-6 col-6"> <div class="module-list_box"> <a class="module-list_thumb wide lazyload" href="/wenku/a23122.html" title="JCT 681-2005 行星搅拌机(非正式版)" data-original="http://file.wenhuiw.com/202306/32c4b1b842c9d0b.png#系统开启了相对路径模式,本地址是站外域名,不能转为相对路径(在关闭开发者模式后不显示这句话)#没有设置高宽参数,将以原图输出"></a> <div class="module-list_detail"> <h4 class="title txt-ov"><a href="/wenku/a23122.html" title="JCT 681-2005 行星搅拌机(非正式版)">JCT 681-2005 行星搅拌机(非正式版)</a></h4> </div> </div> </li> <li class="col-xl-3 col-lg-3 col-md-3 col-sm-6 col-6"> <div class="module-list_box"> <a class="module-list_thumb wide lazyload" href="/wenku/a23069.html" title="JCT 457.4-2002 挤压陶瓷砖 条4部分炻质砖(吸水率6%<E≤10%)" data-original="http://file.wenhuiw.com/202306/7c874e3d407bfdc.png#系统开启了相对路径模式,本地址是站外域名,不能转为相对路径(在关闭开发者模式后不显示这句话)#没有设置高宽参数,将以原图输出"></a> <div class="module-list_detail"> <h4 class="title txt-ov"><a href="/wenku/a23069.html" title="JCT 457.4-2002 挤压陶瓷砖 条4部分炻质砖(吸水率6%<E≤10%)">JCT 457.4-2002 挤压陶瓷砖 条4部分炻质砖(吸水率6%<E≤10%)</a></h4> </div> </div> </li> <li class="col-xl-3 col-lg-3 col-md-3 col-sm-6 col-6"> <div class="module-list_box"> <a class="module-list_thumb wide lazyload" href="/wenku/a23021.html" title="JCT 2124-2012 混凝土砌块(砖)生产用竹胶托板" data-original="http://file.wenhuiw.com/202306/060c782383e06a1.png#系统开启了相对路径模式,本地址是站外域名,不能转为相对路径(在关闭开发者模式后不显示这句话)#没有设置高宽参数,将以原图输出"></a> <div class="module-list_detail"> <h4 class="title txt-ov"><a href="/wenku/a23021.html" title="JCT 2124-2012 混凝土砌块(砖)生产用竹胶托板">JCT 2124-2012 混凝土砌块(砖)生产用竹胶托板</a></h4> </div> </div> </li> <li class="col-xl-3 col-lg-3 col-md-3 col-sm-6 col-6"> <div class="module-list_box"> <a class="module-list_thumb wide lazyload" href="/wenku/a23015.html" title="JCT 2090-2011 聚合物水泥防水浆料(非正式版)" data-original="http://file.wenhuiw.com/202306/f9e887619c3a179.png#系统开启了相对路径模式,本地址是站外域名,不能转为相对路径(在关闭开发者模式后不显示这句话)#没有设置高宽参数,将以原图输出"></a> <div class="module-list_detail"> <h4 class="title txt-ov"><a href="/wenku/a23015.html" title="JCT 2090-2011 聚合物水泥防水浆料(非正式版)">JCT 2090-2011 聚合物水泥防水浆料(非正式版)</a></h4> </div> </div> </li> </ul> </div> </div> <div class="main-right col-xl-3 col-lg-3 col-md-3 hidden-sm hidden-xs"> <div class="side-box-dw"></div> <div class="side-fixed-box"> <div class="side shadow"> <a href="javasctipr:;" class="not-logged-in btn bg-yellow"><i class="fa fa-download"></i> 立即下载</a> <p class="down-score">下载本素材需消耗 <span class="f-red">10</span> 积分</p> <p class="down-feedback">无法下载?<a class="hover:text-green-600" href="tencent://message/?uin=77594475" target="_blank">立即反馈</a></p> <ul class="down-attribute"> <li><span>文件大小:</span>309.72 KB</li> <li><span>文件格式:</span>pdf</li> </ul> </div> <div class="side mt20 shadow"> <div class="module-title-box mb15"> <h2 class="title">随机推荐</h2> </div> <ul class="module-list"> <li class="col-lg-4 col-md-3 col-sm-4 col-xs-3 col-4"> <div class="module-list_box p0"> <a class="module-list_thumb wide" href="/wenku/a23254.html" title="一张母狮子卧在草丛里的照片" style="display: block; background-image: url('http://file.wenhuiw.com/202403/c18d26349a7554b.jpg#系统开启了相对路径模式,本地址是站外域名,不能转为相对路径(在关闭开发者模式后不显示这句话)#没有设置高宽参数,将以原图输出')" ;> </a> <div class="module-list_detail"> <h4 class="title"><a href="/wenku/a23254.html" title="一张母狮子卧在草丛里的照片">一张母狮子卧在草丛里的照片</a></h4> </div> </div> </li> <li class="col-lg-4 col-md-3 col-sm-4 col-xs-3 col-4"> <div class="module-list_box p0"> <a class="module-list_thumb wide" href="/wenku/a23253.html" title="员工花名册.xlsx" style="display: block; background-image: url('http://file.wenhuiw.com/202403/389f25971624d9f.jpg#系统开启了相对路径模式,本地址是站外域名,不能转为相对路径(在关闭开发者模式后不显示这句话)#没有设置高宽参数,将以原图输出')" ;> </a> <div class="module-list_detail"> <h4 class="title"><a href="/wenku/a23253.html" title="员工花名册.xlsx">员工花名册.xlsx</a></h4> </div> </div> </li> <li class="col-lg-4 col-md-3 col-sm-4 col-xs-3 col-4"> <div class="module-list_box p0"> <a class="module-list_thumb wide" href="/wenku/a23252.html" title="员工年假统计表" style="display: block; background-image: url('http://file.wenhuiw.com/202403/bde7ec85b0ccdf1.jpg#系统开启了相对路径模式,本地址是站外域名,不能转为相对路径(在关闭开发者模式后不显示这句话)#没有设置高宽参数,将以原图输出')" ;> </a> <div class="module-list_detail"> <h4 class="title"><a href="/wenku/a23252.html" title="员工年假统计表">员工年假统计表</a></h4> </div> </div> </li> <li class="col-lg-4 col-md-3 col-sm-4 col-xs-3 col-4"> <div class="module-list_box p0"> <a class="module-list_thumb wide" href="/wenku/a23251.html" title="实验室安全歌.doc" style="display: block; background-image: url('http://file.wenhuiw.com/202309/310d89e8c45eb81.jpg#系统开启了相对路径模式,本地址是站外域名,不能转为相对路径(在关闭开发者模式后不显示这句话)#没有设置高宽参数,将以原图输出')" ;> </a> <div class="module-list_detail"> <h4 class="title"><a href="/wenku/a23251.html" title="实验室安全歌.doc">实验室安全歌.doc</a></h4> </div> </div> </li> <li class="col-lg-4 col-md-3 col-sm-4 col-xs-3 col-4"> <div class="module-list_box p0"> <a class="module-list_thumb wide" href="/wenku/a23250.html" title="JCT 998-2006 喷涂聚氨酯硬泡体保温材料" style="display: block; background-image: url('http://file.wenhuiw.com/202306/a9f08eb9830da52.png#系统开启了相对路径模式,本地址是站外域名,不能转为相对路径(在关闭开发者模式后不显示这句话)#没有设置高宽参数,将以原图输出')" ;> </a> <div class="module-list_detail"> <h4 class="title"><a href="/wenku/a23250.html" title="JCT 998-2006 喷涂聚氨酯硬泡体保温材料">JCT 998-2006 喷涂聚氨酯硬泡体保温材料</a></h4> </div> </div> </li> <li class="col-lg-4 col-md-3 col-sm-4 col-xs-3 col-4"> <div class="module-list_box p0"> <a class="module-list_thumb wide" href="/wenku/a23249.html" title="JCT 997-2006 装饰纸面石膏板" style="display: block; background-image: url('http://file.wenhuiw.com/202306/e292ed4137e88a.png#系统开启了相对路径模式,本地址是站外域名,不能转为相对路径(在关闭开发者模式后不显示这句话)#没有设置高宽参数,将以原图输出')" ;> </a> <div class="module-list_detail"> <h4 class="title"><a href="/wenku/a23249.html" title="JCT 997-2006 装饰纸面石膏板">JCT 997-2006 装饰纸面石膏板</a></h4> </div> </div> </li> <li class="col-lg-4 col-md-3 col-sm-4 col-xs-3 col-4"> <div class="module-list_box p0"> <a class="module-list_thumb wide" href="/wenku/a23248.html" title="JCT 996-2006 玻璃纤维壁布" style="display: block; background-image: url('http://file.wenhuiw.com/202306/5156b2f64e53176.png#系统开启了相对路径模式,本地址是站外域名,不能转为相对路径(在关闭开发者模式后不显示这句话)#没有设置高宽参数,将以原图输出')" ;> </a> <div class="module-list_detail"> <h4 class="title"><a href="/wenku/a23248.html" title="JCT 996-2006 玻璃纤维壁布">JCT 996-2006 玻璃纤维壁布</a></h4> </div> </div> </li> <li class="col-lg-4 col-md-3 col-sm-4 col-xs-3 col-4"> <div class="module-list_box p0"> <a class="module-list_thumb wide" href="/wenku/a23247.html" title="JCT 995-2006 低比表面积高烧结活性氧化锆粉体" style="display: block; background-image: url('http://file.wenhuiw.com/202306/8c1c96b37a561d4.png#系统开启了相对路径模式,本地址是站外域名,不能转为相对路径(在关闭开发者模式后不显示这句话)#没有设置高宽参数,将以原图输出')" ;> </a> <div class="module-list_detail"> <h4 class="title"><a href="/wenku/a23247.html" title="JCT 995-2006 低比表面积高烧结活性氧化锆粉体">JCT 995-2006 低比表面积高烧结活性氧化锆粉体</a></h4> </div> </div> </li> <li class="col-lg-4 col-md-3 col-sm-4 col-xs-3 col-4"> <div class="module-list_box p0"> <a class="module-list_thumb wide" href="/wenku/a23246.html" title="JCT 994-2006 微晶玻璃陶瓷复合砖" style="display: block; background-image: url('http://file.wenhuiw.com/202306/fff87b6f9176d27.png#系统开启了相对路径模式,本地址是站外域名,不能转为相对路径(在关闭开发者模式后不显示这句话)#没有设置高宽参数,将以原图输出')" ;> </a> <div class="module-list_detail"> <h4 class="title"><a href="/wenku/a23246.html" title="JCT 994-2006 微晶玻璃陶瓷复合砖">JCT 994-2006 微晶玻璃陶瓷复合砖</a></h4> </div> </div> </li> </ul> </div> </div> </div> </div> <div class="main-box-dw"></div> <div class="scroll-to-top hidden-sm hidden-xs" id="toTop"> <i class="bi bi-arrow-up-circle-fill"></i> </div> <!-- 底部 --> <div class="footer"> <div class="container"> <div class="flex justify-center"> <span class="hidden-sm hidden-xs">© CopyRight 2022 文汇知识网</span> <a class="ml10 mr10" href="https://beian.miit.gov.cn" target="_blank">滇ICP备2022006959号-4</a> <span class="hidden-sm hidden-xs"><script> var _hmt = _hmt || []; (function() { var hm = document.createElement("script"); hm.src = "https://hm.baidu.com/hm.js?f0f56f82f7c67c360794e2549e59d9cd"; var s = document.getElementsByTagName("script")[0]; s.parentNode.insertBefore(hm, s); })(); </script> <a href="http://news.zzszq.net/">深知资讯网</a><a href="http://tv.zzszq.net/">深视网</a><a href="http://www.80hlw.com/">80商务</a></span> </div> </div> </div> <!-- 会员登录 --> <div id="login_box" class="hidden fixed"> <div class="login_box_title"> <h4 class="tc">会员登录</h4> <button id="close_login"><i class="fa fa-close"></i></button> </div> <form class="login-form" id="myform" action="" method="post"> <div class="form-group"> <input class="form-control" type="text" autocomplete="off" placeholder="会员名/邮箱/手机" name="data[username]" /> </div> <div class="form-group"> <input class="form-control" type="password" autocomplete="off" placeholder="登录密码" name="data[password]" /> </div> <div class="form-group"> <div class="col-6 pl0 pr0 fl"> <input class="form-control" type="text" autocomplete="off" placeholder="验证码" name="code" /> </div> <div class="col-6 tr fr"> <img align="absmiddle" style="cursor:pointer;" onclick="this.src='/index.php?s=api&c=api&m=captcha&width=120&height=35&t='+Math.random();" src="/index.php?s=api&c=api&m=captcha&width=120&height=35" /> </div> <div class="clearfix"></div> </div> <div class="form-group"> <button type="button" onclick="dr_ajax_member('http://www.wenhuiw.com/index.php?s=member&c=login&m=index', 'myform');" class="btn bg-green">登录</button> </div> <div class="form-group"> <a href="http://www.wenhuiw.com/index.php?s=member&c=register&m=index" id="register-btn" class="fr">注册账号</a> <input type="checkbox" name="remember" value="1" checked="checked" style="vertical-align: -2px;"/> 记住我 <a href="http://www.wenhuiw.com/index.php?s=member&c=login&m=find">忘记密码</a> </div> <div class="form-group tc"> <!--<p class="text-muted">第三方快捷登录</p>--> </div> </form> </div> <div class="mask-body mask-body-dark" style="display: none;"></div> <script src="/static/x2h-002/js/swiper-bundle.min.js"></script> <script src="/static/x2h-002/js/jquery.lazyload.js"></script> <script src="/static/x2h-002/js/common.js"></script> <script> $(function () { $.ajax({ type: "GET",dataType:"json", url: "/index.php?s=api&c=run&is_ajax=1&num=5" }); }); </script> </body> </html>