创维26L16SW液晶电视(8R01机芯)电路原理图
)
)
)
)
)
)
)
)
)
)
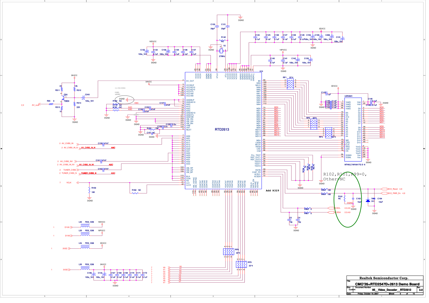
5 4 3 2 1 D D C C B B A A Tuner_VCC Pr2_In Y1_In Pb1_In Pr1_In Pr1_In Y2_In Pb2_In Tuner_VCC 1SCL 1SDA AV TUNER_MONO AV1 AV1 AV1 AV1 DGND DGND DGND DGND DGND DGND DGND DGND DGND DGND DGND DGND DGND DGND DGND DGND DGND IICSDA 3,4,5,9 IICSCL 3,4,5,9 TUNER_CVBS 5 TUNER_CVBS_N 5 TUN_CTL 4,9 TV_L 3 Y1_In 6 Pb1_In 6 Pr1_In 6 Y2_In 6 Pb2_In 6 Pr2_In 6 AV_CVBS_IN_N 5 AV_CVBS_IN 5 5DVCC 1,6,8 AV_CVBS_IN_N1 5 AV_CVBS_IN1 5 AV_vout 3,5 AV1 3 AV 3 Title Size Document Number Rev Date: Sheet of 02__TV_INPUT 3.0 CMO'26+RTD2547D+2613 skyworth oem B 2 10 Friday, October 19, 2007 Title Size Document Number Rev Date: Sheet of 02__TV_INPUT 3.0 CMO'26+RTD2547D+2613 skyworth oem B 2 10 Friday, October 19, 2007 Title Size Document Number Rev Date: Sheet of 02__TV_INPUT 3.0 CMO'26+RTD2547D+2613 skyworth oem B 2 10 Friday, October 19, 2007 R18 75 R18 75 1 2 D24 NC/ESD0603 D24 NC/ESD0603 R48 NC/75 R48 NC/75 C25 10p C25 10p 1 2 D23 ESD0603 D23 ESD0603 L75 FEB_1206 L75 FEB_1206 R7 50 R7 50 1 2 D25 NC/ESD0603 D25 NC/ESD0603 1 2 D27 ESD0603 D27 ESD0603 R49 NC/75 R49 NC/75 C33 NC C33 NC R468 0 R468 0 R17 50 R17 50 1 1 2 2 3 3 P4-1 RCA1x2 P4-1 RCA1x2 R54 0 R54 0 C469 0.1uF C469 0.1uF NC 2 VCC(5V) 3 SCL 4 SDA 5 AS 6 BW 10 SIF OUT 11 VIDEO_OUT 12 VCC-T(5V) 13 AF_SOUND 14 NC 9 NC 1 chassis 15 chassis 16 chassis 17 chassis 18 Tuner Input TU1 JS-6S/A121A2 Tuner Input TU1 JS-6S/A121A2 R47 75 R47 75 1 2 D26 NC/ESD0603 D26 NC/ESD0603 C34 470p C34 470p R485 1k R485 1k L24 1.5uH L24 1.5uH R15 75 R15 75 1 2 D38 ESD0603 D38 ESD0603 C470 10nF C470 10nF C57 330p C57 330p 1 2 3 Q28 T3904 Q28 T3904 C42 NC C42 NC C58 330p C58 330p 1 1 2 2 3 3 4 4 5 5 6 6 7 7 8 8 9 9 10 10 11 11 12 12 P3 RCA3x2 P3 RCA3x2 R16 75 R16 75 R53 50 R53 50 + C468 100u_16V + C468 100u_16V L16 1.497uH L16 1.497uH R469 0 R469 0 R244 0 R244 0 R484 10k R484 10k C49 470p C49 470p L20 1uH L20 1uH 1 2 D21 ESD0603 D21 ESD0603 L14 1.5uH L14 1.5uH C31 270pF C31 270pF C471 1nF C471 1nF R43 75 R43 75 R11 50 R11 50 C30 NC C30 NC R4 NC R4 NC R8 50 R8 50 1 2 D22 ESD0603 D22 ESD0603 R13 75 R13 75 L15 1.497uH L15 1.497uH R41 NC/75 R41 NC/75 C7 10p C7 10p 5 4 3 2 1 D D C C B B A A MUTE_A AUDIO_R AUDIO_L SPK_R- SPK_R+ SPK_L+ SPK_L- MUTE_A STB_A SPK_R+ SPK_R- AudioMuxL AUDIO_R TV_L TV_L AUDIO_L AudioMuxR AV_R AV_L PC_LIN PC_RIN AUD_R2 AUD_R3 AUD_L3 AV_Rout AV_Lout AUD_R2 AUD_L2 AUD_R3 AUD_L3 AV_Rout AV_Lout SPK_L+ SPK_L- AUD_L2 AudioMuxL AudioMuxR AUD_R1 AUD_L1 YPbPr_Rout YPbPr_Lout AUD_R1 AUD_L1 YPbPr_Lout YPbPr_Rout AV AV AV AV_L AV_R AV_vout AV_vout STB_A AV_Lout AV_Rout YPbPr_Rout YPbPr_Lout PC_LIN AV_L AV_R PC_RIN AV1 AV1 5V_Audio 12DVCC DGND DGND DGND DGND DGND DGND 8AVCC DGND DGND DGND DGND DGND DGND DGND DGND DGND DGND DGND DGND DGND DGND DGND DGND DGND DGND DGND DGND DGND DGND DGND DGND 5V_Audio AMP_MUTE_A 4,9 IICSCL 2,4,5,9 IICSDA 2,4,5,9 PC_RIN PC_LIN USB_Lout 10 USB_Rout 10 AUDIO_SEL_A 4,9 AUDIO_SEL_B 4,9 PC_LIN PC_RIN HDMI_AUL 7 HDMI_AUR 7 12DVCC 1,8,10 12DVCC 1,8,10 AV1 2 AV 2 AV_vout 2,5 TV_L 2 8AVCC 1,7 12DVCC 1,8,10 Title Size Document Number Rev Date: Sheet of 03__Audio_Input 3.0 CMO'26+RTD2547D+2613 Demo Board Custom 3 10 Tuesday, December 04, 2007 Title Size Document Number Rev Date: Sheet of 03__Audio_Input 3.0 CMO'26+RTD2547D+2613 Demo Board Custom 3 10 Tuesday, December 04, 2007 Title Size Document Number Rev Date: Sheet of 03__Audio_Input 3.0 CMO'26+RTD2547D+2613 Demo Board Custom 3 10 Tuesday, December 04, 2007 AV Audio Input 2007/06/19 skyworth modify 2007/06/20 skyworth modified PC_Audio Input + C166 100u_16V + C166 100u_16V R429 47k R429 47k R230 100K R230 100K C41 470p C41 470p C493 1uF C493 1uF R19 8.2K R19 8.2K R431 47k R431 47k C9 0.1uF C9 0.1uF C497 68nF C497 68nF C488 1uF C488 1uF R24 10k R24 10k 1 2 JP6 HEADER 4 JP6 HEADER 4 C32 1uF C32 1uF R58 47k R58 47k C36 470p C36 470p R243 100K R243 100K 1 2 D34 ESD0603 D34 ESD0603 L25 FEB_0603 L25 FEB_0603 1 2 JP7 HEADER 4 JP7 HEADER 4 1 2 D36 ESD0603 D36 ESD0603 C24 0.1uF C24 0.1uF 1 2 D37 ESD0603 D37 ESD0603 R27 8.2K R27 8.2K + C59 470u_16v + C59 470u_16v C477 0.1uF C477 0.1uF R63 1k R63 1k 1 2 D35 ESD0603 D35 ESD0603 C498 15nF C498 15nF OUT1+ 1 OUT1- 2 VCC 3 IN1 4 NC 5 MUTE 6 ST-BY 7 PW-GND 8 S-GND 9 NC 10 NC 11 IN2 12 VCC 13 OUT2- 14 OUT2+ 15 GND 16 GND 17 GND 18 U24 TDA7266 U24 TDA7266 C29 0.1uF C29 0.1uF C429 68nF C429 68nF R61 47k R61 47k R26 10k R26 10k C52 470p C52 470p R233 100K R233 100K C27 10nF C27 10nF C478 0.1uF C478 0.1uF 1 2 3 Q33 T3904 Q33 T3904 C40 470p C40 470p L38 FEB_0603 L38 FEB_0603 R434 100 R434 100 R241 100K R241 100K R28 8.2K R28 8.2K R428 330 R428 330 D6 5.1V D6 5.1V R234 100K R234 100K C430 8.2nF C430 8.2nF R432 10k R432 10k R40 10K R40 10K R100 22/1-4W R100 22/1-4W C490 1uF C490 1uF C499 10uF C499 10uF R486 0 R486 0 1 2 D29 ESD0603 D29 ESD0603 R493 10k R493 10k C489 1uF C489 1uF 1 1 2 2 3 3 4 4 5 5 6 6 7 7 8 8 9 9 10 10 11 11 12 12 P5 RCA3x2 P5 RCA3x2 1 2 D33 ESD0603 D33 ESD0603 1 2 C55 10uF C55 10uF R21 10K R21 10K L7 FEB_0603 L7 FEB_0603 IY0 1 IX1 14 IX2 15 IX3 11 INH 6 VDD 16 GND 8 VEE 7 A 10 B 9 IX0 12 IY1 5 IY2 2 IY3 4 X_OUT 13 Y_OUT 3 VSS 8 U8 CD4052 U8 CD4052 R237 100K R237 100K R433 100 R433 100 L26 FEB_0603 L26 FEB_0603 C10 0.1uF C10 0.1uF R60 47k R60 47k R231 100K R231 100K R487 0 R487 0 C37 470p C37 470p C486 1uF C486 1uF C8 0.1uF C8 0.1uF C496 68nF C496 68nF R427 8.2k R427 8.2k D43 1N4148 D43 1N4148 R242 100K R242 100K R20 8.2K R20 8.2K C487 1uF C487 1uF C492 1uF C492 1uF R430 330 R430 330 C501 0.1uF C501 0.1uF C23 0.1uF C23 0.1uF L37 FEB_0603 L37 FEB_0603 R232 100K R232 100K + C500 220u_16V + C500 220u_16V C28 0.1uF C28 0.1uF REFIN 1 INR1 27 INL1 2 INR2 26 INL2 3 INR3 25 INL3 4 INR4 24 INL4 5 RECL2 6 RECR2 23 TREL 7 TRER 22 BASSL1 8 BASSL2 9 BASSR1 21 BASSR2 20 PSEUDO 10 LOUT 11 ROUT 19 GND 12 Cext 15 Rext 16 SDA 17 SCL 18 NC1 13 NC2 14 VCC 28 U25 R2S15900SP U25 R2S15900SP C35 1uF C35 1uF R30 10K R30 10K C426 10uF C426 10uF 1 2 D42 ESD0603 D42 ESD0603 D16 1N4148 D16 1N4148 C495 8.2nF C495 8.2nF C26 10nF C26 10nF R435 8.2k R435 8.2k R29 10K R29 10K Q34 2N3906 Q34 2N3906 R59 10k R59 10k C6 0.1uF C6 0.1uF C53 470p C53 470p C494 1uF C494 1uF 1 2 3 Q2 T3904 Q2 T3904 1 2 D28 ESD0603 D28 ESD0603 R235 100K R235 100K C94 0.1uF C94 0.1uF 1 2 C54 10uF C54 10uF 1 2 C56 10uF C56 10uF R62 1k R62 1k 5 5 1 1 2 2 6 6 3 3 4 4 P6 RCA2x2 P6 RCA2x2 R239 100K R239 100K C428 68nF C428 68nF R492 1k R492 1k R23 8.2K R23 8.2K L6 FEB_0603 L6 FEB_0603 R236 100K R236 100K R42 47K R42 47K R25 8.2K R25 8.2K C427 220nF C427 220nF C491 1uF C491 1uF 1 2 D32 ESD0603 D32 ESD0603 R22 10K R22 10K A B C D E 4 4 3 3 2 2 1 1 POWER IICSDA IICSCL LEFT IR_Remote_control 8051_TX 8051_RX LED11 KEY2 KEY1 KEY3 KEY5 MCU_RESET IR KEY4 IR KEY6 KEY7 DGND DGND DGND SW1 MCU_VCC MCU_VCC LED2 LED1 MCU_VCC LED2 LED1 KEY7 KEY7 KEY2 KEY1 KEY6 KEY5 KEY3 KEY4 ONPANEL ONPANEL 4,9 MCU_VCC MCU_VCC MCU_VCC MCU_VCC MCU_VCC DGND DGND MCU_VCC DGND DGND DGND DGND DGND MCU_VCC DGND DDC1_SCL 6,7,9 IICSDA 2,3,5,9 DDC1_SDA 6,7,9 TUN_CTL 2,9 MCU_VCC 1,7,8,9 2612_Reset 5,9 AUDIO_SEL_A 3,9 VRMT 8,9 RTD_SCLK 7,9 RTD_SCSB 7,9 RTD_SD3/SDI 7,9 DOWN 9 UP 9 RIGHT 9 LEFT 9 MENU 9 SOURCE 9 POWER 9 DVII_DETECT 6 ONPANEL 8,9 IICSCL 2,3,5,9 RESET_MCU 7 A_SWITCH 6 POWER_ON 1,9 MCU_VCC 1,7,8,9 AMP_MUTE_A 3,9 MCU_RESET 9 8051_TX 9 8051_RX 9 IR_Remote_control 9 MCU_XI 9 MCU_XO 9 AUDIO_SEL_B 3,9 LED11 9 SW1 9 IR 10 Hot_Plug 6,9 B_SWITCH 6 SW2 9 2612_PWR_Dn 5,9 C_SWITCH 6 SW3 9 MCU_VCC 1,7,8,9 POWER 9 POWER 9 SOURCE 9 MENU 9 UP 9 DOWN 9 LEFT 9 RIGHT 9 Title Size Document Number Rev Date: Sheet of 04__MCU_8051 3.0 CMO'26+RTD2547D+2613 Demo Board Custom 4 10 Tuesday, October 16, 2007 Title Size Document Number Rev Date: Sheet of 04__MCU_8051 3.0 CMO'26+RTD2547D+2613 Demo Board Custom 4 10 Tuesday, October 16, 2007 Title Size Document Number Rev Date: Sheet of 04__MCU_8051 3.0 CMO'26+RTD2547D+2613 Demo Board Custom 4 10 Tuesday, October 16, 2007 For Winbond ISP Closed to MCU Realtek Semiconductor Corp. R129 470 R129 470 R77 4.7K R77 4.7K R92 4.7K R92 4.7K R91 4.7K R91 4.7K R128 100 R128 100 R115 100 R115 100 R90 4.7K R90 4.7K R80 4.7K R80 4.7K C109 0.1uF C109 0.1uF R83 4.7K R83 4.7K C105 0.1uF C105 0.1uF QP1 AO3401(AF2301) QP1 AO3401(AF2301) R131 100 R131 100 R67 4.7K R67 4.7K R114 100 R114 100 R86 4.7K R86 4.7K R85 4.7K R85 4.7K R84 4.7K R84 4.7K R98 4.7K R98 4.7K C108 0.1uF C108 0.1uF R99 4.7K R99 4.7K R102 4.7K R102 4.7K R126 100 R126 100 R101 4.7K R101 4.7K 1 2 3 4 5 6 7 8 9 10 11 12 13 14 JP2 JP2 R103 4.7K R103 4.7K R82 4.7k R82 4.7k R132 100 R132 100 R136 50 R136 50 R106 4.7K R106 4.7K 1 2 3 G Y1 24MHz G Y1 24MHz R79 4.7K R79 4.7K R93 4.7K R93 4.7K R110 4.7K R110 4.7K R109 4.7K R109 4.7K R56 4.7K R56 4.7K R57 100 R57 100 R108 4.7K R108 4.7K R95 4.7K R95 4.7K R137 100 R137 100 R96 4.7K R96 4.7K C115 open C115 open R116 100 R116 100 R97 4.7K R97 4.7K R118 100 R118 100 R104 4.7K R104 4.7K C111 0.1uF C111 0.1uF P1.0/ET2 2 P1.1/DA0 3 P1.2/DA1 4 P1.3/DA2 5 P1.4/DA3 6 P1.5/Hsync 7 P1.6/Vsync 8 P1.7/SOG1 9 RST 10 HDA1/TX/P3.1 13 XTAL2 20 XTAL1 21 VSS 22 VCC 44 P5.0 43 P5.1 42 P5.2 41 P5.3 40 P5.4 39 P5.5 38 P5.6 37 P5.7/CLKO2 36 P7.0/HBLANK 35 P7.2/HCLAMP 32 P7.1/VBLANK 33 P6.0/CLKO1 24 P6.1 25 P6.2 26 P6.3 27 P6.4 28 P6.5 29 P6.6 30 P6.7 31 HCL1/RX/P3.0 11 P3.2/INT0 14 P3.3/INT1 15 P3.4/ISDA 16 P7.5/ISCL 17 P7.4/HSDA2 18 P7.3/HSCL2 19 P4.3/AD3 12 P4.2/AD2 1 P4.0/AD0 23 P4.1/AD1 34 MTV416 U13 MTV416/W79E632 MTV416 U13 MTV416/W79E632 R133 100 R133 100 C110 0.1uF C110 0.1uF 5DVCC 8 SDA 5 SCL 6 GND 4 TEST 7 A2 3 A1 2 A0 1 U12 X24C16 (SMD) U12 X24C16 (SMD) R130 100 R130 100 C112 0.1uF C112 0.1uF R75 100 R75 100 C107 0.1uF C107 0.1uF C113 0.1uF C113 0.1uF R125 1M R125 1M C114 0.1uF C114 0.1uF R76 100 R76 100 R122 0 R122 0 R88 4.7K R88 4.7K R72 NC R72 NC R73 NC R73 NC R127 0 R127 0 R107 4.7K R107 4.7K C116 20pF C116 20pF R94 4.7K R94 4.7K C117 20pF C117 20pF R135 3K R135 3K 1 3 2 Q10 T3904 Q10 T3904 R424 10K R424 10K R105 4.7K R105 4.7K + C104 10uF + C104 10uF R120 10K R120 10K R134 100 R134 100 R87 4.7K R87 4.7K 5 4 3 2 1 D D C C B B A A SOG0 Pb_BIN psudo_GND Y_GIN psudo_GND Pr_RIN BIN GIN RIN DDC2_SCL DGND GIN DDC2_SDA psudo_GND BIN RIN GIN RIN AVS0 AHS0 BIN_USB_Pb GIN_USB_Pb RIN_USB_Pb BIN DDC1_SDA R0- DDC1_SCL R0+ G0- VGA5V_1 B0+ B0- psudo_GND Pb1_Pb2 Y1_Y2 Pr1_Pr2 BIN_USB_Pb GIN_USB_Pb RIN_USB_Pb Pb1_Pb2 Y1_Y2 Pr1_Pr2 Pb_BIN Y_GIN Pr_RIN DDC1_SCL DDC1_SDA VGA5V_1 DVI_POWER Pr1 Pb1 Pb1 Y1 Pr1 Pb1_Pb2 Y1_Y2 Pr1_Pr2 Y1 VCC5V-SW DGND DVI_POWER 5DVCC DGND DGND DGND DGND DGND DGND DGND DGND DGND DGND DGND DGND DGND DGND DGND DGND DGND DGND VCC5V-SW DGND DGND VCC5V-SW DGND DGND DGND DGND DGND DGND DGND DGND 5DVCC 1,2,8 DDC1_SCL 4,7,9 DDC1_SDA 4,7,9 B0+ 7 SOG0 7 G0+ 7 G0- 7 AVS0 7 B0- 7 AHS0 7 R0+ 7 R0- 7 A_SWITCH 4 RX2P 7 RX2N 7 RX1P 7 RX1N 7 RX0P 7 RX0N 7 RXCN 7 RXCP 7 Pr1_In 2 Pb1_In 2 DDC2_SCL 7 DDC2_SDA 7 Y1_In 2 B_SWITCH 4 Pr2_In 2 Pb2_In 2 Y2_In 2 CDAC_OUT_PB 10 YDAC_OUT_Y 10 UDAC_OUT_PR 10 DVII_DETECT 4 Hot_Plug 4,9 C_SWITCH 4 Title Size Document Number Rev Date: Sheet of 06__RTD2553-V__Input 3.0 CMO'26+RTD2547D+2613 skyworth oem D 6 10 Friday, October 12, 2007 Title Size Document Number Rev Date: Sheet of 06__RTD2553-V__Input 3.0 CMO'26+RTD2547D+2613 skyworth oem D 6 10 Friday, October 12, 2007 Title Size Document Number Rev Date: Sheet of 06__RTD2553-V__Input 3.0 CMO'26+RTD2547D+2613 skyworth oem D 6 10 Friday, October 12, 2007 Winbond Use Only Closed to connector Realtek Semiconductor Corp. 2007/06/21 skyworth modify by pass USB for 26" ver R50 0 R50 0 C46 NC/10u C46 NC/10u R166 2K R166 2K + C173 10uF + C173 10uF R39 NC/1M R39 NC/1M R189 100 R189 100 R31 NC/1M R31 NC/1M C189 47nF C189 47nF 1 2 D14 ESD0603 D14 ESD0603 1 2 D46 ESD0603 D46 ESD0603 R201 100 R201 100 C188 47nF C188 47nF R44 NC/1M R44 NC/1M C176 0.1uF C176 0.1uF C194 0.1uF C194 0.1uF R169 1M R169 1M L57 FEB_1206 L57 FEB_1206 1 2 D13 ESD0603 D13 ESD0603 C48 NC/10u C48 NC/10u 1 2 D19 ESD0603 D19 ESD0603 R191 100 R191 100 C195 0.1uF C195 0.1uF C191 10pF C191 10pF R52 0 R52 0 S1C 11 S1A 2 S2B 6 /EN 15 S2A 3 DB 7 S2C 10 #1/2 1 S1B 5 DC 9 DD 12 DA 4 GND 8 VCC 16 S1D 14 S2D 13 U18 PI5V330 U18 PI5V330 R170 1M R170 1M C192 47nF C192 47nF R165 2K R165 2K 1 2 D41 ESD0603 D41 ESD0603 R46 NC/1M R46 NC/1M 1 2 D18 ESD0603 D18 ESD0603 A0 1 A1 2 A2 3 GND 4 SDA 5 SCL 6 WP 7 VCC 8 U3 AT24C02N-10SC U3 AT24C02N-10SC L60 FEB_0603 L60 FEB_0603 C187 10pF C187 10pF R463 0 R463 0 1 2 D17 ESD0603 D17 ESD0603 RG1 NC/1M RG1 NC/1M S1C 11 S1A 2 S2B 6 /EN 15 S2A 3 DB 7 S2C 10 #1/2 1 S1B 5 DC 9 DD 12 DA 4 GND 8 VCC 16 S1D 14 S2D 13 U17 NC/PI5V330 U17 NC/PI5V330 R198 4.7K R198 4.7K 1 2 D30 ESD0603 D30 ESD0603 C184 10pF C184 10pF C186 NC C186 NC R172 1M R172 1M 1 2 D49 ESD0603 D49 ESD0603 C190 47nF C190 47nF R167 1M R167 1M R32 NC/1M R32 NC/1M 3 2 1 D20 BAV70 D20 BAV70 R182 100 R182 100 1 2 D53 ESD0603 D53 ESD0603 R180 100 R180 100 R173 1M R173 1M R33 NC/1M R33 NC/1M C177 10uF C177 10uF L56 FEB_0603 L56 FEB_0603 C183 47nF C183 47nF R45 NC/1M R45 NC/1M +5V Power 18 DATA2+ 1 DATA2 Shield 2 DATA2- 3 Hot Plug Detect 19 GND_1 20 DATA1- 6 DATA0+ 7 DATA0 Shield 8 DATA0- 9 CLK+ 10 CLK Shield 11 GND_2 21 GND_3 22 Reserved 14 SCL 15 SDA 16 DDC/CEC Ground 17 GND_4 23 DATA1+ 4 DATA1 Shield 5 CLK- 12 CEC 13 P1 HDMI P1 HDMI R51 0 R51 0 C178 10uF C178 10uF R34 NC/1M R34 NC/1M R174 1M R174 1M 1 2 D39 ESD0603 D39 ESD0603 R177 1M R177 1M C174 20pF C174 20pF C450 10uF C450 10uF C43 NC/10u C43 NC/10u R164 100 R164 100 1 2 D10 ESD0603 D10 ESD0603 R9 75 R9 75 1 2 D52 ESD0603 D52 ESD0603 C50 0.1uF C50 0.1uF R187 100 R187 100 R200 100 R200 100 R175 1M R175 1M R426 4.7K R426 4.7K C179 10uF C179 10uF C47 NC/10u C47 NC/10u C175 10PF C175 10PF C44 NC/10u C44 NC/10u + C459 100u_16V + C459 100u_16V R163 100 R163 100 R197 1K R197 1K 1 2 D47 ESD0603 D47 ESD0603 R10 75 R10 75 R184 NC R184 NC R199 4.7K R199 4.7K S1C 11 S1A 2 S2B 6 /EN 15 S2A 3 DB 7 S2C 10 #1/2 1 S1B 5 DC 9 DD 12 DA 4 GND 8 VCC 16 S1D 14 S2D 13 U15 PI5V330 U15 PI5V330 R36 NC/1M R36 NC/1M R176 1M R176 1M C185 47nF C185 47nF 1 2 D31 ESD0603 D31 ESD0603 C456 10uF C456 10uF 1 2 D40 ESD0603 D40 ESD0603 1 2 D50 ESD0603 D50 ESD0603 1 2 D12 ESD0603 D12 ESD0603 C45 NC/10u C45 NC/10u 1 2 D48 ESD0603 D48 ESD0603 R14 75 R14 75 R37 NC/1M R37 NC/1M L59 FEB_0603 L59 FEB_0603 1 2 D51 ESD0603 D51 ESD0603 C51 0.1uF C51 0.1uF R35 NC/1M R35 NC/1M R450 0 R450 0 R186 100 R186 100 R178 1M R178 1M R171 1M R171 1M 1 2 3 4 5 6 7 8 9 10 11 12 13 14 15 16 17 VGA_R+ VGA_G+ VGA_B+ NC DGND VGA_R- VGA_G- VGA_B- NC DGND NC DDCSDA DDCSCL HSIN VSIN GND GND P2 VGA VGA_R+ VGA_G+ VGA_B+ NC DGND VGA_R- VGA_G- VGA_B- NC DGND NC DDCSDA DDCSCL HSIN VSIN GND GND P2 VGA R425 100 R425 100 R38 NC/1M R38 NC/1M 1 2 D15 ESD0603 D15 ESD0603 R168 1M R168 1M C458 10uF C458 10uF L58 FEB_0603 L58 FEB_0603 5 4 3 2 1 D D C C B B A A DGND RX0N RX1N RX2N RX1P RX2P RX0P DDC1_SCL DDC1_SDA PLL_VDD RX0P R3.3DVCC XO SOG0 DGND B0+ RX1N DDCSDA1 I2S_SCK XI AVS0 DGND I2S_WS I2S_DA0 RXCP ADC_VDD B0- G0- RX2P I2S_MCLK PLL_VDD XO AHS0 DGND RX0N RX2N TMDS_REXT TMDS_REXT R0+ XI Scalar1.8DVCC ADC_VDD DGND G0+ RX1P VideoClk DDCSCL1 RXCN R0- I2S_SCK I2S_DA0 I2S_WS I2S_MCLK CLKP TXE3- G2P G2N G1P G1N G0P G0N PANEL_VCC CLKN TXE3+ R3.3DVCC R1.8DVCC 3.3DVCC 3.3DVCC R1.8DVCC DGND DGND DGND DGND DGND DGND DGND DGND DGND DGND 3.3DVCC DGND DGND DGND 3.3DVCC DGND MCU_VCC DGND R1.8DVCC 1 3.3DVCC 1 RX1N 6 RX0N 6 RX0P 6 RX1P 6 RX2P 6 RX2N 6 AHS0 6 AVS0 6 RXCP 6 RXCN 6 B0+ 6 B0- 6 SOG0 6 G0+ 6 G0- 6 R0- 6 R0+ 6 V5 5 VCLK 5 V1 5 V7 5 V0 5 V2 5 V3 5 V6 5 V4 5 DDC1_SCL 4,6,9 DDC1_SDA 4,6,9 RESET_MCU 4 RTD_SCSB 4,9 RTD_SCLK 4,9 RTD_SD3/SDI 4,9 VBRI 8 TP1 GVOFF POL CKV STH OE R1N R1P R2N R2P CLKN G0P CLKP G0N G1N G1P G2N B0N B0P B2P B2N B1P B1N R0N R0P G2P DDC2_SCL 6 DDC2_SDA 6 STV HDMI_AUR 3 HDMI_AUL 3 R0P R0N R1N R1P R2N R2P CLKN CLKP G0N G0P G2N G2P G1N G1P B0N B0P B1N B1P B2P B2N 3.3DVCC 1 STH TP1 POL PANEL_VCC 8 STV CKV OE GVOFF MCU_VCC 1,4,8,9 8AVCC 1,3 G2P G1P G0P CLKP TXE3- PANEL_VCC 8 G2N G1N G0N CLKN TXE3+ TXE3- TXE3+ Title Size Document Number Rev Date: Sheet of 07__RTD2547-V 3.0 CMO'26+RTD2547D+2613 skyworth oem C 7 10 Wednesday, October 17, 2007 Title Size Document Number Rev Date: Sheet of 07__RTD2547-V 3.0 CMO'26+RTD2547D+2613 skyworth oem C 7 10 Wednesday, October 17, 2007 Title Size Document Number Rev Date: Sheet of 07__RTD2547-V 3.0 CMO'26+RTD2547D+2613 skyworth oem C 7 10 Wednesday, October 17, 2007 Closed to Scaler FORMAT="0" Normal format selected DM="1" De-emphasis ON DM="0" De-emphasis OFF FORMAT="1" IIS format selected 2007/06/19 skyworth modify CMO 26L01 panel, pls take con J5 CMO 26L02 panel, pls take con J6 R- 22 SOG 21 R+ 23 ADC_VDD 24 PWM0 / V2 37 DDCSCL1 / V9 25 DDCSDA1 / V8 26 VCCK 27 PWM1 / V1 38 PGND 28 PVCC 29 PGND 31 PWM2 / V0 39 VCLK 40 TMDS_REXT 5 RX2N / RX0N 10 RX1N 7 RX1P 6 RXCN 13 TMDS_VDD 8 RX2P / RX0P 9 ADC_GND 16 TMDS_GND 11 RXCP 12 AVS0 14 AHS0 15 B- 17 B+ 18 XO 127 XI 128 RESET 126 DDCSCL2 / PWM0 / TCON[4] 125 TMDS_TST / IRQ# 2 RX0P / RX2P 3 RX0N / RX2N 4 PLL_VDD 1 PGND 72 AR3N / AGRN2 / BE_OD05 108 PVCC 71 AR3P / AGRN3 / BE_OD04 107 PVCC 50 SPDIF0 / TCON[5] 51 AF_CKH / BB2P 57 AF_POL20 / BB3P 55 GV_OFF / SPDIF3 / TCON[13] 54 GV_ON / SPDIF2 /TCON[7] 53 PWM2 / SPDIF1 / TCON[0] 52 VCCK 48 AF_OD01 / BB1P 59 AF_OD00 / BB1N 60 AF_OD03 / BCLKP 63 AF_OD08 / BCLKN 64 BG3P / AF_OD07 65 BG3N / AF_OD06 66 BG2P / DHS / TCON[0][2] 67 BG2N / OCLK / TCON[1][3] 68 BG1P / DENA / TCON[7][11] 69 BG1N / ECLK / TCON[8][12] 70 SDIO[3] 121 SDIO[2] / PWM0 / TCON[8] 120 VCCK 73 PGND 74 PVCC 75 BG0P / BBLU7 / AE_OD06 / TCON[4] 76 BG0N / BBLU6 / AE_OD07 / TCON[9] 77 BR3P / BBLU5 / AE_OD08 78 BR3N / BBLU4 / AE_OD03 79 BR2P / BBLU3 / AE_OD04 80 BR2N / BBLU2 / AE_OD05 81 BR1P / BGRN7 / AE_OD00 / TXO3+ 82 BR0N / BGRN4 / AE_CKH / TXOC- 85 AB3P / BGRN3 / AE_CMDI / TXO2+ 86 AB3N / BGRN2 / AE_POL20 / TXO2- 87 AB2P / BRED7 / BF_POL20 / TXO1+ 88 AB2N / BRED6 / BF_CMDI / TXO1- 89 AB1P / BRED5 / BF_CKH / TXO0+ 90 AB1N / BRED4 / BF_OD02 / TXO0- 91 PVCC 92 AB0P / BRED3 / BF_OD01 / TXE3+ 93 AB0N / BRED2 / BF_OD00 / TXE3- 94 AG3P / ABLU5 / BF_OD03 / TXE2+ 97 AG3N / ABLU4 / BF_OD08 / TXE2- 98 AG2P / ABLU3 / BF_OD07 / TXE1+ 99 AG2N / ABLU2 / BF_OD06 / TXE1- 100 AG1P / AGRN7 / BE_OD06 / TXE0+ 101 AG1N / AGRN6 / BE_OD07 / TXE0- 102 PVCC 103 PGND 104 AG0P / AGRN5 / BE_OD08 105 AR0N / ARED2 / BE_POL20 114 PVCC 115 SDIO[0] / PWM2 / TCON[12] 118 SDIO[1] / PWM1 / TCON[10] 119 SCLK 122 SCSB 123 DDCSDA2 / PWM1 / TCON[6] 124 AR0P / ARED3 / BE_CMDI 113 AR1N / ARED4 / BE_CKH 112 G- 19 G+ 20 PVCC 30 TCON[4][5] / V6 33 TCON[0][1] / V7 32 TCON[12][13] / V3 36 TCON[9][10] / V4 35 TCON[7][8] / V5 34 AF_CMDI / BB3N 56 PGND 49 AG0N / AGRN4 / BE_OD03 106 AR2P / ARED7 / BE_OD00 109 AR2N / ARED6 / BE_OD01 110 AR1P / ARED5 / BE_OD02 111 PGND 116 VCCK 117 AF_OD02 / BB2N 58 PWM0 / TCON[2] / V10 / MCK 41 PWM1 / TCON[3] / V11 / SCK 42 PWM2 / TCON[11] / V12 / WS 43 SPDIF3 / TCON[6][7] / V13 / SD0 44 SPDIF2 / TCON[0][9] / V14 / SD1 45 SPDIF1 / TCON[1][8] / V15 / SD2 46 SPDIF0 / TCON[2][12] / SD3 47 TCON[10] / AF_OD05 / BB0P 61 DVS / AF_OD04 / BB0N 62 BR1N / BGRN6 / AE_OD01 / TXO3- 83 BR0P / BGRN5 / AE_OD02 / TXOC+ 84 ACLKP / ABLU7 / BF_OD05 / TXEC+ 95 ACLKN / ABLU6 / BF_OD04 / TXEC- 96 RTD2547D U19 RTD2547D U19 RH2 10K RH2 10K C425 0.1uF C425 0.1uF R400 4.7k R400 4.7k C422 0.1uF C422 0.1uF R401 4.7k R401 4.7k L64 FEB_0805 L64 FEB_0805 1 2 CH4 10uF CH4 10uF R415 NC R415 NC R502 22 R502 22 R416 NC R416 NC R508 1k R508 1k CH3 10nF CH3 10nF 1 2 3 G Y3 24MHz G Y3 24MHz RH1 470 RH1 470 C413 20pF C413 20pF 1 2 CH5 10uF CH5 10uF L62 FEB_1206 L62 FEB_1206 1 3 5 7 9 11 13 15 17 19 2 4 6 8 10 12 14 16 18 20 J5 CN10*2-2 J5 CN10*2-2 R507 22 R507 22 R112 22/1-4W R112 22/1-4W C417 0.1uF C417 0.1uF R414 1K R414 1K SDATA 1 SCLK 2 LRCK 3 MCLK 4 AOUTL 7 GND 8 VA 9 AOUTR 10 VQ 5 FILT+ 6 UH1 CS4344CZZ UH1 CS4344CZZ R410 100 R410 100 R506 22 R506 22 R411 100 R411 100 D5 5.1V D5 5.1V + C193 100u_16V + C193 100u_16V C418 0.1uF C418 0.1uF + C181 100u_16V + C181 100u_16V 1 2 3 4 5 6 7 8 9 10 11 12 13 14 15 16 17 18 19 20 21 22 23 24 25 26 27 28 29 30 31 32 33 34 35 36 37 38 39 40 41 42 43 44 45 G1 46 G2 47 J6 CON45 J6 CON45 + C180 100u_16V + C180 100u_16V RH4 10K RH4 10K C419 0.1uF C419 0.1uF C402 20pF C402 20pF C412 0.1uF C412 0.1uF R408 100 R408 100 + C160 100u_16V + C160 100u_16V RH3 470 RH3 470 R407 4.7K R407 4.7K C411 0.1uF C411 0.1uF CH9 1nF CH9 1nF L61 FEB_0805 L61 FEB_0805 C409 0.1uF C409 0.1uF C421 0.1uF C421 0.1uF C410 0.1uF C410 0.1uF 1 2 CH7 1uF CH7 1uF + C182 100u_16V + C182 100u_16V R413 4.7K R413 4.7K C406 0.1uF C406 0.1uF CH1 0.1uF CH1 0.1uF C414 0.1uF C414 0.1uF C407 0.1uF C407 0.1uF C408 0.1uF C408 0.1uF R501 22 R501 22 C404 0.1uF C404 0.1uF C405 0.1uF C405 0.1uF CH8 1nF CH8 1nF C423 0.1uF C423 0.1uF R412 NC R412 NC L63 FEB_0805 L63 FEB_0805 R406 NC R406 NC C416 0.1uF C416 0.1uF 1 2 CH6 1uF CH6 1uF R417 22 R417 22 5 4 3 2 1 D D C C B B A A VBRI_O VBRI DGND VRMT_O 5DVCC DGND DGND 12DVCC 5DVCC DGND DGND 5DVCC 1,2,6 VBRI 7 VRMT 4,9 VBRI_O VRMT_O MCU_VCC 1,4,7,9 VRMT_O VBRI_O 5DVCC 1,2,6 12DVCC 1,3,10 PANEL_VCC 7 Title Size Document Number Rev Date: Sheet of 08__Inverter 3.0 CMO'26+RTD2547D+2613 skyworth oem Custom 8 10 Monday, October 15, 2007 Title Size Document Number Rev Date: Sheet of 08__Inverter 3.0 CMO'26+RTD2547D+2613 skyworth oem Custom 8 10 Monday, October 15, 2007 Title Size Document Number Rev Date: Sheet of 08__Inverter 3.0 CMO'26+RTD2547D+2613 skyworth oem Custom 8 10 Monday, October 15, 2007 5V => 3.3V R220=NC, R223=0, R225=10K 2007/06/19 skyworth modify L9 FEB_1206 L9 FEB_1206 1 2 3 Q12 T3904 Q12 T3904 L10 NC/FEB_1206 L10 NC/FEB_1206 R222 220 R222 220 C216 1uF C216 1uF R225 10K R225 10K + C2 100u_16V + C2 100u_16V R223 NC R223 NC C220 0.1uF C220 0.1uF R220 0 R220 0 R224 NC/470 R224 NC/470 R227 0 R227 0 1 2 3 4 JP3 HEADER 4 JP3 HEADER 4 + C1 100u_16V + C1 100u_16V 1 A A DGND RTD_SCSB 4,7 RTD_SD3/SDI 4,7 Hot_Plug 4,6 MCU_RESET 4 8051_RX 4 8051_TX 4 IICSCL 2,3,4,5 IICSDA 2,3,4,5 IR_Remote_control 4 AUDIO_SEL_A 3,4 SW1 4 MCU_XO 4 MCU_XI 4 POWER 4 DOWN 4 UP 4 LEFT 4 RIGHT 4 SOURCE 4 MENU 4 POWER_ON 1,4 TUN_CTL 2,4 AUDIO_SEL_B 3,4 LED11 4 SW2 4 SW3 4 MCU_VCC 1,4,7,8 AMP_MUTE_A 3,4 ONPANEL 4,8 VRMT 4,8 RTD_SCLK 4,7 2612_Reset 4,5 2612_PWR_Dn 4,5 DDC1_SCL 4,6,7 DDC1_SDA 4,6,7 Title Size Document Number Rev Date: Sheet of 01__Power 3.0 CMO'26+RTD2547D+2613 skyworth oem A 9 10 Wednesday, September 26, 2007 Title Size Document Number Rev Date: Sheet of 01__Power 3.0 CMO'26+RTD2547D+2613 skyworth oem A 9 10 Wednesday, September 26, 2007 Title Size Document Number Rev Date: Sheet of 01__Power 3.0 CMO'26+RTD2547D+2613 skyworth oem A 9 10 Wednesday, September 26, 2007 D3 1N4148 D3 1N4148 D4 1N4148 D4 1N4148 R515 0 R515 0 R514 0 R514 0 P5.5/PWM5 1 DSCL/P5.6 2 DSDA/P5.7 3 RST 4 ASCL/P3.0/RXD 5 NC 6 NC 7 ASDA/P3.1/TXD 8 P3.2/INT0 9 P3.3/INT1 10 P3.4/T0 11 P3.5/T1 12 P7.6/CLKO2 13 P7.7 14 XO 15 XI 16 VSS 17 NC 18 NC 19 P6.0/ADC0 20 P6.1/ADC1 21 P6.2/ADC2 22 P6.3/ADC3 23 P6.4 24 P1.4 36 P1.5 35 P1.6 34 P1.7 33 NC 32 NC 31 NC 30 NC 29 VSYNC 28 P6.7 27 P6.6/CLKO1 26 P6.5 25 P5.4/PWM4 48 P5.3/PWM3 47 P5.2/PWM2 46 P5.1/PWM1 45 P5.0/PWM0 44 NC 43 NC 42 VCC 41 P1.0/ET2 40 P1.1 39 P1.2 38 P1.3 37 RTD2120 U29 RTD2120 U29 1 A A GND VDD VDD VCC33 ADC_BIAS DSS0# GND DB1 DB3 DB6 DB5 DB7 DB4 DB2 DB0 GND VCC33 DB13 DB9 DB12 DB11 DB8 DB10 DB15 DB14 SYSCLK VCC33 FLASH_CS PLL3 DCAS# USB_N0 USB_P0 GND SPI_CS2 AUX6 SPI_CS3 MRST# MRST# MRST# CKE SPI_CLK SPI_DO SPI_DI VCC33 DMA0 DMA2 DMA9 DMA5 DMA8 DMA1 DMA6 DMA4 DMA3 DMA10 DMA11 DMA7 SPI_CS2 VCC33 GND DMA7 DMA8 DMA9 VD33PLL DMA10 DMA0 DMA2 DMA3 DMA1 DMA11 DMA6 SOUT SIN GND VD33DAC DMA5 DMA4 PLL0 DCKE PLL2 DRAS0# PLL1 DWE# SPI_DI SPI_CLK COMP YDAC UDAC CDAC DSS0# DBANK0 GND XIN XOUT DBANK1 GND DQM VCC33 DCKE DSCK VDD DCAS# SPI_CS3 SPI_CS3 VCC33 DWE# FLASH_CS FLASH_CS AUX0 AUX0 AUX1 AUX1 SOUT SIN DRAS0# AUVD33 RAM_CLK GND DB1 DB2 VCC33 GND DB3 DQM DB0 SYSCLK GND GND GND VCC33 DVCC DB4 DB5 DB6 DB7 DB8 DB11 DB9 DB10 DB14 DB15 DB12 DB13 XIN XOUT VDD GND VCC33 DBANK1 DWE# DCAS# DRAS0# DBANK0 GND VCC33 DSCK VCC33 GND VCC33 GND VDD USB_N0 USB_P0 GND VCC33 DVCC SPI_DO AUX6 IR GND YDAC UDAC CDAC UDAC_OUT_PR CDAC_OUT_PB YDAC_OUT_Y ONPANEL ONPANEL 4,9 ONPANEL 4,9 DGND VCC33 GND GND GND GND GND GND VCC33 GND VCC33 GNDV GND VCC33 GNDV VCC33 VCC33 VCC33 GND VCC33 GND VCC33 VCC33 VCC33 GND VCC33 VCC33 GND VDD GND VCC33 VCC33 GNDV GNDV GND GND VCC33 GND VCC33 GND VCC GND GND DGND VCC GNDA GNDV VCC GND GND GNDV GNDV GNDV GNDV GNDV GNDV GNDV GNDV GNDV 12DVCC DGND DGND DGND VDD VCC VCC33 DGND DGND GND Tuner_GND DGND DGND DGND DGND 5DVCC DGND PWM_O1R_FR PWM_O1L_FL CDAC YDAC UDAC AUX7 VCC AUX7 IR 4 CDAC_OUT_PB 6 YDAC_OUT_Y 6 UDAC CDAC YDAC UDAC_OUT_PR 6 USB_Rout 3 USB_Lout 3 PWM_O1L_FL PWM_O1R_FR 12DVCC VCC 5DVCC Title Size Document Number Rev Date: Sheet of SKYWORTH A1 SC8390 SILAN TECHNOLOGY, INC. 10 10 Monday, October 15, 2007 Title Size Document Number Rev Date: Sheet of SKYWORTH A1 SC8390 SILAN TECHNOLOGY, INC. 10 10 Monday, October 15, 2007 Title Size Document Number Rev Date: Sheet of SKYWORTH A1 SC8390 SILAN TECHNOLOGY, INC. 10 10 Monday, October 15, 2007 OSC, RESET, TTL, PLL 64MBIT SDRAM ES8390 ES8390 0 1 1 PLL0 1 PLL1 PLL2 1 0 1 0 1 MULT 1 1 1 0 0 0 1 0 0 0 0 1 1 0 0 S-CHIP BYPASS 4.5X 4.75X 5.0X 5.25X 5.75X 6.0X 5.5X FREQUENCY S-CHIP N/A 121.5 135 141.75 155.25 162 148.5 128.25 PLL3 0 1 CRYSTAL OSC DCLK INPUT CLK SOURCE GNDA GNDA GNDA GNDA 1.5V L90 FEB_1206 L90 FEB_1206 C580 100u_16V C580 100u_16V C593 0.1uF C593 0.1uF C581 0.1uF C581 0.1uF R581 OPEN R581 OPEN R577 4.7K R577 4.7K R583 4.7K R583 4.7K R588 4.7K R588 4.7K R580 100K R580 100K 1 3 2 Q11 T3904 Q11 T3904 L83 470nH L83 470nH R595 4.7K R595 4.7K C566 0.1uF C566 0.1uF R593 4.7K R593 4.7K R561 220 R561 220 R592 OPEN R592 OPEN R573 33 R573 33 R574 33 R574 33 L27 FEB_0603 L27 FEB_0603 R563 50 R563 50 C578270pF C578270pF L89 33uH L89 33uH C577 100u_16V C577 100u_16V C39 NC C39 NC R562 4.7K R562 4.7K R12 27/2W R12 27/2W C575 10PF C575 10PF R568 33 R568 33 R571 1K R571 1K GND 1 VOUT 2 VIN 3 U36- NC/UTC1084 U36- NC/UTC1084 D58 1N5819 D58 1N5819 L88 220nH L88 220nH C584 0.1uF C584 0.1uF C599 0.1uF C599 0.1uF + C572 100u_16V + C572 100u_16V C604 0.1uF C604 0.1uF R591 OPEN R591 OPEN R582 4.7K R582 4.7K L86 220nH L86 220nH R578 390 R578 390 R543 33 R543 33 C591 0.1uF C591 0.1uF R589 4.7K R589 4.7K + C561 470u_16v + C561 470u_16v R584 4.7K R584 4.7K GND 1 VOUT 2 VIN 3 U37 UTC117Y33 U37 UTC117Y33 R579 33 R579 33 C557 33PF C557 33PF 1 2 3 4 CON3 HEAD4(2.0MM) CON3 HEAD4(2.0MM) + C570 100u_16V + C570 100u_16V L87 470nH L87 470nH C565 0.1uF C565 0.1uF R553 NC R553 NC L85 470nH L85 470nH R558 3k R558 3k C605 0.1uF C605 0.1uF R557 100k R557 100k C603 0.1uF C603 0.1uF FB 1 EN 2 OCSET 3 VCC 4 OUT2 5 OUT1 6 VSS 7 VSS 8 U35 AP1513 U35 AP1513 CS# 1 DO 2 WP# 3 GND 4 DI 5 WRLL# 6 HLD# 7 VCC 8 U41 WINBOND 25D80 U41 WINBOND 25D80 R544 75 R544 75 C568 0.1uF C568 0.1uF C600 0.1uF C600 0.1uF C583 0.1uF C583 0.1uF C582 0.1uF C582 0.1uF C588 20pF C588 20pF C587 20pF C587 20pF C595 0.1uF C595 0.1uF R585 OPEN R585 OPEN R238 4.7K R238 4.7K C38 NC C38 NC R594 OPEN R594 OPEN C552 100pF C552 100pF R560 1K R560 1K R569 100 R569 100 R586 4.7K R586 4.7K C596 0.1uF C596 0.1uF R575 15K R575 15K VCC 1 DQ0 2 DQ1 4 VSSQ 6 DQ2 5 DQ3 7 VCCQ 3 DQ4 8 DQ5 10 VSSQ 12 DQ6 11 DQ7 13 VCCQ 9 DQML 15 WE 16 CAS 17 RAS 18 CS 19 A11 35 A10 22 A0 23 A1 24 A2 25 A3 26 VCC 14 VSS 28 A4 29 A5 30 A6 31 A7 32 A8 33 A9 34 NC 36 CKE 37 CLK 38 DQMH 39 NC 40 VCCQ 43 DQ8 42 DQ9 44 VSSQ 46 DQ10 45 DQ11 47 VCCQ 49 DQ12 48 DQ13 50 VSSQ 52 DQ14 51 DQ15 53 VSS 41 BA0 20 BA1 21 VCC 27 VSS 54 U38 4Mx16 SDRAM (6ns) U38 4Mx16 SDRAM (6ns) C571 20pF C571 20pF C592 0.1uF C592 0.1uF C569 100u_16V C569 100u_16V R572 1K R572 1K C579 C579 C590 0.1uF C590 0.1uF C602 0.1uF C602 0.1uF L28 FEB_0603 L28 FEB_0603 C598 0.1uF C598 0.1uF D57 D1N4001 D57 D1N4001 R548 75 R548 75 L84 220nH L84 220nH R559 1.2k R559 1.2k C594 0.1uF C594 0.1uF C606 100u_16V C606 100u_16V C586 100u_16V C586 100u_16V C601 0.1uF C601 0.1uF R552 33 R552 33 R590 OPEN R590 OPEN C560 0.1uF C560 0.1uF + C607 10uF + C607 10uF S0 1 S1 2 S2 3 GND 4 SDA 5 SCL 6 WC 7 _VCC 8 U40 AT24C01A-10TC-2.7 U40 AT24C01A-10TC-2.7 C585 0.1uF C585 0.1uF C558 100pF C558 100pF R554 75 R554 75 C549 100pF C549 100pF R570 0 R570 0 VD33 1 SPI_CS3 44 VS33 2 VD33 14 VS33 15 VDD 16 SPI_CS2/GPIO_MUTE/EAUX16 43 AUX3/elO_CLK 39 VS33 29 VD33 30 AUX7/elO_STROBE 32 AUX6/elO_DO_LOAD 33 DB7 11 DB6 12 DB5 13 DB4 17 DB3 18 DB2 19 DB1 20 DB0 21 AUX5/elO_DI 34 AUX4/(IR) 35 DB8 22 DB9 23 DB10 24 DB11 25 DB12 26 DB13 27 DB14 28 DB15 31 VD33 36 VSS 37 VDD 38 SPI_CLK 45 SPI_DI 46 SPI_DO 47 OP[0]/AUX8/VSYNC/RXD2 50 VS33 51 VD33 52 OP[1]/AUX9/HSYNC/TXD2 53 OP[2]/AUX10/TSD3 for down-mix 54 OP[3]/AUX11/rsd/tdmdr 55 OP[4]/AUX12/rbck/tdmclk 56 FLAG7/AUX37/CAMIN7 60 VDD 68 VD33 66 VS33 67 MCLK/EAUX10 71 SYSCLK/TDMCLK/RBCK/EAUX11 73 VS33 74 VD33 75 PAD_REF/EAUX17 76 PAD_COMP/YUV3/EAUX3 77 PAD_RSET/YUV4/EAUX4 78 FDAC/YUV7/EAUX7 79 AVD33 89 VDAC/YUV6/EAUX6 80 VD33DAC 81 VS33DAC 82 YDAC/YUV5/EAUX5 83 SPDIF_OUT 49 SPDIF_IN 48 CDAC/YUV2/EAUX2 84 UDAC/YUVO/EAUX0 85 IDAC/YUV1/EAUX1 86 VD33PLL 87 VS33PLL 88 VPA 133 VGA 134 DRFN 135 DRFP 136 A 137 B 138 C 139 D 140 E 141 F 142 G 143 H 144 MIN 145 SLV 146 DMO 147 FOO 148 SLO 149 TRO 150 CDPD 151 REFD 152 AVD33 153 AVS33 154 DVCC 155 VD33 156 VS33 157 VDD 158 SIN/RXD0/STEP_RDR/EAUX8 159 SOUT/TXD0/STEP_FDR/EAUX9 160 DRAS1_B/TDMFS/RWS/EAUX14 176 DRAS2_B/TDMDR/RSD/EAUX13 175 DMA[10] 174 DMA[0] 173 DMA[1] 172 DMA[2] 171 DMA[3] 170 DMA[11] 169 DMA[9] 168 DMA[8] 167 DMA[7] 166 DMA[6] 165 VS33 164 VD33 163 DMA[5] 162 DMA[4] 161 DCS1_B/CAM_CLK/EAUX12 3 DCS0_B 4 DRAS0_B/PLLSEL2 5 DCAS_B/PLLSEL3 6 DOE_B/PLLSEL0 7 DWE_B/PLLSEL1 8 DSCK 9 DQM 10 AUX2/(HOMESW) 40 AUX1/(I2C_CLK) 41 AUX0(I2C_DATA) 42 OP[5]/AUX13/rws/tdmfs 57 OP[6]/AUX14/tbck/TXD1 58 OP[7]/AUX15/656CLK 59 FLAG6/AUX36/CAMIN6 61 FLAG5/AUX35/CAMIN5 62 FLAG4/AUX34/CAMIN4 63 FLAG3/AUX33/CAMIN3 64 FLAG2/AUX32/CAMIN2 65 FLAG1/AUX31/CAMIN1 69 FLAG0/AUX30/CAMIN0 70 RESET_B 72 USB_N0 91 USB_P0 90 ADC_BIAS 92 MIC_R 94 MIC_L 93 TWS/PWM_01L 96 AVS33 95 TSD0/PWM_02L 97 TBCK/PWM_01R 103 TSD2/PWM_03L 101 VD33 99 TSD3/PWM_03R 102 TSD1/PWM_02R 98 VS33 100 VDD 104 VID_XO 105 DB 118 VPB 115 MP 117 CLOSESW 111 LDCO 109 TE 120 OPEN/VOBS 114 VGB 116 VD33 108 MB 119 VS33 107 FE 121 AMPSTBY 110 VID_XI 106 AGC2 129 DVDPD 128 CDLD 126 PI 123 REX 124 VBO 127 V165O 122 DVDLD 125 AGC1 130 SPNN/NNTRN 131 SPNP/MNTRP/IMSR 132 CLOSE 112 OPENSW 113 U39 SC8390 U39 SC8390 R546 NC R546 NC R566 4.7K R566 4.7K C551 33PF C551 33PF GND 1 VOUT 2 VIN 3 U36 UTC117YA U36 UTC117YA C597 0.1uF C597 0.1uF R597 5.6K R597 5.6K C589 0.1uF C589 0.1uF + C564 470u_25v + C564 470u_25v C576 0.1uF C576 0.1uF C567 0.1uF C567 0.1uF C548 33PF C548 33PF R555 6.8k R555 6.8k D45 8V2 D45 8V2 R587 OPEN R587 OPEN R596 OPEN R596 OPEN Y5 27MHz Y5 27MHz 5 4 3 2 1 D D C C B B A A V5 V4 V6 V7 V3 V0 V1 V2 DGND MD1 MD6 MD7 MD1 MD3 MD2 MD7 MD5 MD6 MD4 MD11 MD9 MD12 MD10 MD8 MD13 MD8 MD11 MD2 MD4 MD10 MD12 MD9 MD0 MD3 MD5 MD13 MD0 AI3C AI0C AI0C AV_CVBS_IN_N AV_CVBS_IN_N AI0C AI0C AV_CVBS_IN_N AI3C TUNER_CVBS_N TUNER_CVBS_N AI3C TUNER_CVBS_N TUNER_CVBS_N AI3C TUNER_CVBS_N AI0C AV_CVBS_IN_N1 AI2C AV_CVBS_IN_N1 AI2C AI2C AV_CVBS_IN_N1 AI2C AI2C IICSCL 2,3,4,9 IICSDA 2,3,4,9 2612_Reset 4,9 2612_PWR_Dn 4,9 18PVCC 18DVCC 18PVCC 18DVCC 3DVCC DGND DGND DGND DGND DGND 3AVCC 3AVCC 3DVCC DGND 3DVCC DGND DGND DGND 3AVCC DGND DGND DGND DGND DGND DGND DGND DGND DGND DGND DGND DGND DGND D1V8 1 3V3D 1 3V3D 1 D1V8 1 VCLK 7 TUNER_CVBS 2 AV_CVBS_IN 2 V4 7 V1 7 V6 7 V0 7 V3 7 V7 7 V2 7 V5 7 AV_CVBS_IN_N 2 TUNER_CVBS_N 2 AV_vout 2,3 AV_CVBS_IN_N1 2 AV_CVBS_IN1 2 Title Size Document Number Rev Date: Sheet of 05__Video_Decoder__RTD2612 3.0 CMO'26+RTD2547D+2613 Demo Board Custom 5 10 Friday, October 19, 2007 Title Size Document Number Rev Date: Sheet of 05__Video_Decoder__RTD2612 3.0 CMO'26+RTD2547D+2613 Demo Board Custom 5 10 Friday, October 19, 2007 Title Size Document Number Rev Date: Sheet of 05__Video_Decoder__RTD2612 3.0 CMO'26+RTD2547D+2613 Demo Board Custom 5 10 Friday, October 19, 2007 R102,R101,R99=0, Other=NC Realtek Semiconductor Corp. Add R329 11/30/2006 DGND эAGND R312 12k R312 12k C153 0.1uF C153 0.1uF R55 0 R55 0 C154 47nF C154 47nF C5 10p C5 10p R314 22K R314 22K C129 0.1uF C129 0.1uF D64 5V1 D64 5V1 C151 0.1uF C151 0.1uF AI13 13 AI20 15 AI21 16 AI22 17 AI23 18 AI30 20 AI31 21 AI32 22 AI33 23 VBI_RP 122 VBI_GP 124 VBI_BP 126 BLA 115 COR 116 FB 117 LLC 41 LLC2 42 GNDBUF 1 GNDAD10 5 AI0C 9 AI1C 14 AI2C 19 AI3C 24 GNDAD10 25 GNDXTL 27 GNDVBI 121 VBI_RN 123 VBI_GN 125 VBI_BN 127 VRB 119 VRT 120 REXT 6 AI10 10 AI11 11 AI12 12 AV_OUT 2 VCCBUF 3 VCCAD10 4 VCCAD10 26 VCCXTL 30 VCCVBI 118 VCCVBI 128 AI00 7 VCCIO 52 VCCK 70 VCCK 88 VCCIO 106 GNDK 51 GNDK 69 GNDK 87 GNDIO 105 VCCK 45 VCCIO 61 XTLO 28 XTLI 29 VCCIO 79 VCCIO 97 GNDIO 46 GNDIO 62 GNDIO 80 GNDIO 98 VCCPLL 35 GNDPLL 31 BA 99 MA9 100 VBI_VSYNC 113 VBI_HSYNC 114 CDATA5 47 CDATA4 48 CDATA3 49 CDATA2 50 CDATA1 53 CDATA0 54 YDATA7 55 YDATA6 56 YDATA5 57 YDATA4 58 YDATA3 59 YDATA2 60 YDATA1 63 YDATA0 64 FIELD 65 DATA_EN 66 HSYNC 67 VSYNC 68 CDATA7 43 CDATA6 44 IICSDA 72 IICSCL 71 CHIP_PD 40 RSTB 39 AI01 8 TEST2 38 TEST1 37 TEST0 36 REF_OUT2 34 REF_OUT1 33 PLL_TEST 32 CS# 96 CKE 95 RAS# 94 MCLK 93 CAS# 92 WE# 91 MD13 90 MD12 89 MD11 86 MD10 85 MD9 84 MD8 83 MD7 82 MD6 81 MD5 78 MD4 77 MD3 76 MD2 75 MD1 74 MA3 111 MA5 110 MA2 109 MA6 108 MA1 107 MA7 104 MA0 103 MA8 102 MA10 101 MA4 112 MD0 73 RTD2613 U14 RTD2613 U14 + C200 100u_16V + C200 100u_16V + C243 100u_16V + C243 100u_16V R153 NC/1k R153 NC/1k + C150 100u_16V + C150 100u_16V C140 0.1uF C140 0.1uF C136 0.1uF C136 0.1uF R154 1K R154 1K C4 10p C4 10p C143 1uF C143 1uF C137 0.1uF C137 0.1uF + C131 100u_16V + C131 100u_16V L54 FEB_1206 L54 FEB_1206 A0 21 A1 22 A2 23 A3 24 A4 27 A5 28 A6 29 A7 30 A8 31 RAS 17 CAS 16 WE 15 DQML 14 D0 2 D1 3 D2 5 D3 6 D4 8 D5 9 D6 11 D7 12 D8 39 D9 40 D10 42 D11 43 D12 45 D13 46 D14 48 D15 49 VddQ 38 Vdd 1 VddQ 7 Vss 26 VssQ 10 VssQ 4 A9 32 VddQ 13 Vdd 25 VddQ 44 VssQ 41 VssQ 47 Vss 50 CLK 35 CKE 34 CS 18 DQMH 36 A10 20 BA 19 UDRAM1 MT48LC1M16A1TG S -6 UDRAM1 MT48LC1M16A1TG S -6 C157 NC C157 NC 1 2 3 G Y2 27MHz G Y2 27MHz C124 0.1uF C124 0.1uF + C142 100u_16V + C142 100u_16V C152 47nF C152 47nF C125 0.1uF C125 0.1uF 1 3 2 Q24 T3904 Q24 T3904 C163 10uF C163 10uF 1 2 3 4 5 6 7 8 RP6 22*4 RP6 22*4 R142 NC R142 NC C120 20pF C120 20pF C128 0.1uF C128 0.1uF C149 0.1uF C149 0.1uF L55 FEB_1206 L55 FEB_1206 C121 20pF C121 20pF R462 100 R462 100 C126 0.1uF C126 0.1uF C164 10uF C164 10uF C156 2.2u C156 2.2u C127 0.1uF C127 0.1uF R460 0 R460 0 C147 47nF C147 47nF C155 2.2u C155 2.2u C135 0.1uF C135 0.1uF L53 FEB_1206 L53 FEB_1206 R181 NC R181 NC R464 100 R464 100 C171 0.1uF C171 0.1uF C146 0.1uF C146 0.1uF R150 15K R150 15K + C158 100u_16V + C158 100u_16V + C165 100u_16V + C165 100u_16V L52 FEB_1206 L52 FEB_1206 C133 0.1uF C133 0.1uF + C139 100u_16V + C139 100u_16V R461 0 R461 0 1 2 3 4 5 6 7 8 RP2 22*4 RP2 22*4 R179 NC R179 NC C161 47nF C161 47nF C168 0.1uF C168 0.1uF C172 0.1uF C172 0.1uF 1 2 3 4 5 6 7 8 RP9 22*4 RP9 22*4 1 2 3 4 5 6 7 8 RP1 22*4 RP1 22*4 C162 47nF C162 47nF R311 22 R311 22 R162 NC R162 NC C167 0.1uF C167 0.1uF + C144 100u_16V + C144 100u_16V C169 0.1uF C169 0.1uF C148 0.1uF C148 0.1uF C170 0.1uF C170 0.1uF + C199 100u_16V + C199 100u_16V R152 NC/1k R152 NC/1k + C132 100u_16V + C132 100u_16V R160 NC R160 NC R161 NC R161 NC R313 1k R313 1k R159 10K R159 10K C141 0.1uF C141 0.1uF 1 2 3 4 5 6 7 8 RP3 22*4 RP3 22*4 C159 47nF C159 47nF C145 0.1uF C145 0.1uF 5 4 3 2 1 D D C C B B A A 5DVCC1 DGND 12DVCC MCU_VCC DGND DGND DGND DGND DGND DGND 5DVCC1 D1V8 MCU_VCC DGND DGND DGND R1.8DVCC Tuner_GND 5DVCC DGND DGND DGND DGND DGND DGND DGND DGND DGND DGND DGND 12DVCC GND DGND 12DVCC 8AVCC DGND D1V8 5 3V3D 5 3.3DVCC 7 R1.8DVCC 7 MCU_VCC 4,7,8,9 12DVCC 3,8,10 POWER_ON 4,9 5DVCC 2,6,8 8AVCC 3,7 Title Size Document Number Rev Date: Sheet of 01__Power 1.0 CMO'26+RTD2547D+2613 skyworth oem C 1 10 Wednesday, October 17, 2007 Title Size Document Number Rev Date: Sheet of 01__Power 1.0 CMO'26+RTD2547D+2613 skyworth oem C 1 10 Wednesday, October 17, 2007 Title Size Document Number Rev Date: Sheet of 01__Power 1.0 CMO'26+RTD2547D+2613 skyworth oem C 1 10 Wednesday, October 17, 2007 TO223-3L TO223-3L TO223-3L Realtek Semiconductor Corp. 11/30/2006 糤 脸捣ふ籔 厩翴 2007/02/08 modified 2007/02/10 add 2007/06/20 skyworth modify audio power for switch & AMP C65 0.1uF C65 0.1uF + C66 470u_16v + C66 470u_16v D54 8V2 D54 8V2 C522 0.1uF C522 0.1uF FB 1 EN 2 OCSET 3 VCC 4 OUT2 5 OUT1 6 VSS 7 VSS 8 U2 AP1513 U2 AP1513 D56 D1N4001 D56 D1N4001 + C60 470u_25v + C60 470u_25v + C196 100u_16V + C196 100u_16V C61 0.1uF C61 0.1uF L11 FEB_1206 L11 FEB_1206 R70 100k R70 100k C62 0.1uF C62 0.1uF + C17 100u_16V + C17 100u_16V 12345678 H1 脸捣ふ H1 脸捣ふ R5 1.5K R5 1.5K D59 5V1 D59 5V1 C19 0.1uF C19 0.1uF + C18 100u_16V + C18 100u_16V 12345678 H2 脸捣ふ H2 脸捣ふ C16 0.1uF C16 0.1uF VIN 3 GND 1 VOUT 2 U7 AMS1117-18 U7 AMS1117-18 VIN 3 GND 1 VOUT 2 U5 AMS1117-18 U5 AMS1117-18 D63 5V1 D63 5V1 C22 0.1uF C22 0.1uF + C21 100u_16V + C21 100u_16V + C20 100u_16V + C20 100u_16V D62 5V1 D62 5V1 L13 FEB_1206 L13 FEB_1206 + C517 470u_25v + C517 470u_25v R89 NC/22/3W R89 NC/22/3W 12345678 H3 脸捣ふ H3 脸捣ふ C518 0.1uF C518 0.1uF + C15 100u_16V + C15 100u_16V R2 2k R2 2k L5 FEB_1206 L5 FEB_1206 VIN 3 ADJ 1 VOUT 2 U6 AIC1117CY-3.3 U6 AIC1117CY-3.3 + C11 100u_16V + C11 100u_16V L2 33uH L2 33uH + C502 220u_16V + C502 220u_16V VIN 3 GND 1 VOUT 2 U4 AMS1117-33 U4 AMS1117-33 C13 0.1uF C13 0.1uF + C12 100u_16V + C12 100u_16V + C197 100u_16V + C197 100u_16V 12345678 H4 脸捣ふ H4 脸捣ふ D60 5V1 D60 5V1 R74 6.8k R74 6.8k D65 5V1 D65 5V1 R78 1.2k R78 1.2k + C519 470u_16v + C519 470u_16v C520 0.1uF C520 0.1uF R71 3k R71 3k C63 0.1uF C63 0.1uF 1 2 D1 LED D1 LED R3 3.6k R3 3.6k R1 1K R1 1K D61 5V1 D61 5V1 + C14 100u_16V + C14 100u_16V L8 FEB_1206 L8 FEB_1206 1 1 H5 厩翴 H5 厩翴 TP3 TP3 C64 0.1uF C64 0.1uF 1 2 3 4 5 6 7 8 9 10 JP4 HEADER 10x1 JP4 HEADER 10x1 1 1 H7 厩翴 H7 厩翴 + C198 100u_16V + C198 100u_16V VOUT 3 VIN 1 GND 2 U28 NC/LM78L08 U28 NC/LM78L08 D2 1N5819 D2 1N5819 1 1 H6 厩翴 H6 厩翴
版权声明
1. 本站所有素材,仅限学习交流,仅展示部分内容,如需查看完整内容,请下载原文件。
2. 会员在本站下载的所有素材,只拥有使用权,著作权归原作者所有。
3. 所有素材,未经合法授权,请勿用于商业用途,会员不得以任何形式发布、传播、复制、转售该素材,否则一律封号处理。
4. 如果素材损害你的权益请联系客服QQ:77594475 处理。