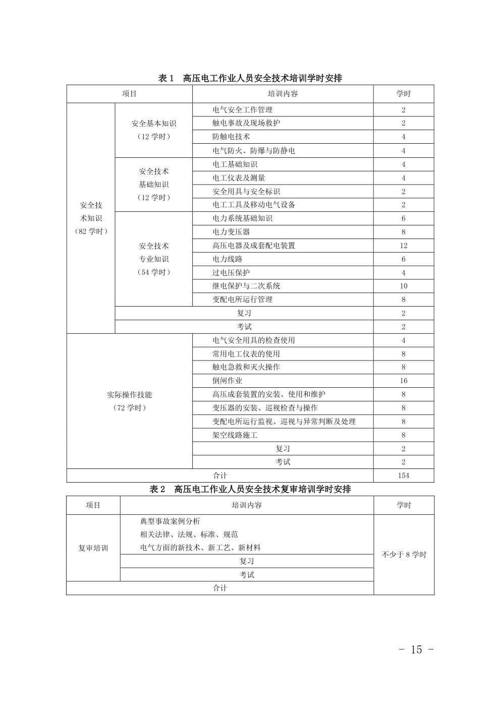
特种作业(电工)目录对照表
                        
                        
                        
                        
                        
                        
                        
                        
                        
            
            - 6 - 附件 1 特种作业(电工)目录对照表 调整前 调整后 1.2 低压电工作业 指对 1 千伏(kv)以下的低压电器设备进行安装、 调试、运行操作、维护、检修、改造施工和试验 的作业。 1.1 低压电工作业 指对 1 千伏(kV)以下的低压电气设备进行安装、 调试、运行操作、维护、检修、改造施工和试验 的作业。 1.1 高压电工作业 指对 1 千伏(kv)及以上的高压电气设备进行运 行、维护、安装、检修、改造、施工、调试、试 验及绝缘工、器具进行试验的作业。 1.2 高压电工作业 指对 1 千伏(kV)及以上的高压电气设备进行运 行、维护、安装、检修、改造、施工、调试、试 验及绝缘工、器具进行试验的作业。 1.3 电力电缆作业 指对电力电缆进行安装、检修、试验、运行、维 护等作业。 1.4 继电保护作业 指对电力系统中的继电保护及自动装置进行运 行、维护、调试及检验的作业。 1.5 电气试验作业 对电力系统中的电气设备专门进行交接试验及 预防性试验等的作业。 1.3 防爆电气作业 指对各种防爆电气设备进行安装、检修、维护的 作业。 适用于除煤矿井下以外的防爆电气作业。 1.6 防爆电气作业 指对各种防爆电气设备进行安装、检修、维护的 作业。 适用于除煤矿井下以外的防爆电气作业。 - 7 - 附件 2 特种作业(电工)安全技术培训大纲和考核标准 高压电工作业人员安全技术培训大纲及考核标准 1.范围 本标准规定了高压电工作业人员的基本条件、安全技术培训(以下简称培训)大纲和安全技 术考核(以下简称考核)标准。 本标准适用于 1 千伏(kV)至 10 千伏(kV)(含)电工作业人员的培训和考核。 2.规范引用文件 下列文件所包含的条文,通过在本标准中引用而构成为本标准的条文。本标准出版时,所示 版本均为有效。所有标准都会被修订,使用本标准的各方应探讨使用下列标准最新版本的可能性。 特种作业人员安全技术培训考核管理规定(国家安全生产监督管理总局令 第 30 号) GB/T 13869-2008 用电安全导则 DL 408-1991(2005) 电业安全工作规程(发电厂和变电所电气部分) DL 409-1991(2005) 电业安全工作规程(电力线路部分) GB/T 4776-2008 电气安全术语 3.术语和定义 下列术语和定义适用于本标准或用于区分本标准。 3.1 低压电工作业 low voltageoperation 对 1 千伏(kV)以下的低压电气设备进行安装、调试、运行操作、维护、检修、改造施工和 试验的作业。 3.2 高压电工作业 high voltageoperation 对 1 千伏(kV)及以上的高压电气设备进行运行、维护、安装、检修、改造、施工、调试、 试验及绝缘工、器具进行试验的作业。 3.3 危险场所 hazardous area 爆炸性气体环境或可燃性粉尘环境大量出现或预期出现的数量足以要求对电气设备的结构、 安装和使用采取专门预防措施的区域。 4.基本条件 4.1 年满 18 周岁,且不超过国家法定退休年龄; 4.2 经社区或者县级以上医疗机构体检健康合格,并无妨碍从事高压电工特种作业的器质性心脏 病、癫痫病、美尼尔氏症、眩晕症、癔病、震颤麻痹症、精神病、痴呆症以及其他疾病和生理缺 陷; 4.3 具有初中及以上文化程度。 5.培训大纲 5.1 培训要求 5.1.1 应按照本标准的规定对高压电工作业人员进行培训与复审培训。复审培训周期为每 3 年复 审 1 次。特种作业人员在特种作业操作证有效期内,连续从事本工种 10 年以上,严格遵守有关 安全生产法律法规的,经原考核发证机关或者从业所在地考核发证机关同意,特种作业操作证的 - 8 - 复审时间可以延长至每 6 年 1 次。 5.1.2 理论与实际相结合,突出安全操作技能的培训。 5.1.3 实际操作训练中,应采取相应的安全防范措施。 5.1.4 注重职业道德、安全意识、基本理论和实际操作能力的综合培养。 5.1.5 应由具备特种作业相应理论知识和操作技能的人员任教,并应有足够的教学场地、设备和 器材等条件。 5.2 培训内容 5.2.1 安全基本知识 5.2.1.1 电气安全工作管理 1) 安全生产法律、法规、方针; 2) 电工作业人员的安全职责; 3) 电气安全工作制度; 4)电气作业安全的技术措施和组织措施。 5.2.1.2 触电事故及现场救护 1) 电流对人体的伤害; 2) 触电事故种类及发生规律; 3) 触电急救方法及注意事项。 5.2.1.3 防触电技术 1) 绝缘、屏护和安全间距等防触电技术; 2) IT 系统、TT 系统、TN 系统的概念及应用; 3) 双重绝缘、安全电压和漏电保护等防触电技术。 5.2.1.4 电气防火、防爆及防静电 1) 电气火灾和爆炸的原因; 2) 电气防火与防爆基本措施; 3) 电气火灾的扑救; 4)电气防静电。 5.2.2 安全技术基础知识 5.2.2.1 电工基础知识 1) 电路基础知识; 2) 电磁感应和磁路; 3) 交流电路。 5.2.2.2 电工仪表及测量 1) 电工仪表分类及工作原理; 2) 电压和电流的测量; 3)电能的测量。 5.2.2.3 安全用具与安全标识 1) 电工安全用具及其使用; 2)登高安全用具及其使用; 3)检修安全用具(临时接地线、遮栏等)及其使用; 4) 安全色及安全标识牌。 5.2.2.4 电工工具及移动电气设备 1)各种电工钳、电工刀、螺丝刀、电烙铁等常用电工工具; 2)常用手持式电动工具。 - 9 - 5.2.3 安全技术专业知识 5.2.3.1 电力系统基础知识 1)电力系统及电力网的构成、电力生产的特点; 2)电力负荷组成及分类; 3)电能质量概念及其主要参数电压、频率、谐波的标准; 4)变配电所的主接线和一次电气设备; 5)电力系统短路概述; 6)电力系统的中性点接地方式。 5.2.3.2 电力变压器 1)变压器的结构及工作原理; 2)配电变压器的分类、型号及参数; 4)变压器的运行和维护; 5)高压互感器的作用、特点、工作原理、接线及安全运行。 5.2.3.3 高压电器及成套配电装置 1) 高压电器基础知识; 2) 高压电器的用途、技术性能及安全运行; 3) 高压开关设备的操作机构分类、工作原理及安全操作; 4) 高压开关柜操作回路的二次原理图; 5) 常用高压成套配电装置结构及安全运行; 6) 预装式变电站结构及运行。 5.2.3.4 电力线路 1)架空线路的作用与构成、组件的分类和规格要求、安装要求、安全运行; 2)电缆线路的特点、种类、结构、允许载流能力、安全运行; 3) 架空线路巡视检查; 4)电缆线路巡视检查; 5)架空线路的安装。 5.2.3.5 过电压保护 1)过电压的概念、危害、分类; 2)内部过电压; 3)雷电过电压; 4)常用防雷设备及安装; 5)电力线路与变电所的防雷保护。 5.2.3.6 继电保护与二次系统 1)继电保护的任务及基本要求; 2)变压器保护的配置及作用、保护原理; 3)电力线路保护的配置及作用、保护原理; 4)高压电动机保护的装置及作用、保护原理; 5)备用电源自动投入装置的作用及基本要求; 6)二次回路基本知识; 7)变电站的操作电源。 5.2.3.7 变配电所运行管理 1) 变配电所运行管理制度及安全工作规程; 2) 变配电所的倒闸操作; - 10 - 3) 变配电所的设备故障及事故处理。 5.2.4 实际操作技能 5.2.4.1 电气安全用具的检查使用 1)绝缘辅助用具的检查及使用; 2)绝缘操作杆的检查及使用; 3)高压验电器的检查与使用; 4)临时短路接地线的检查及使用。 5.2.4.2 常用电工仪表的使用 1)万用表的使用; 2)钳形电流表的使用; 3)接地电阻测试仪的使用; 4)绝缘电阻表的选择及使用,高压电器的绝缘试验; 5)直流电桥的使用。 5.2.4.3 触电急救和灭火操作 1)脱离电源的方法; 2)心肺复苏急救方法; 3)触电急救注意事项。 5.2.4.4 倒闸操作 1)倒闸操作票的编写原则及要求; 2)倒闸操作的安全规程; 3)倒闸操作的基本技能。 5.2.4.5 高压成套装置的安装、使用和维护 1)固定型高压开关柜的安装、使用、维护和检查; 2)移开式高压开关柜的安装、使用、维护和检查; 3)环网式高压开关柜的安装、使用、维护和检查。 5.2.4.6 变压器安装、巡视检查与操作 1)变压器的巡视检查内容; 2)变压器异常运行判断与处理; 3)变压器分接开关的切换操作; 4)变压器的停、送电操作; 5)跌落式高压熔断器停、送电操作; 6)户外变压器安装; 7)变配电所高压熔断器的更换。 5.2.4.7 变配电所运行监视、巡视,异常判断及处理 1)二次设备运行监视; 2)变配电所巡视内容与异常判断; 3)继电保护装置及自动装置动作的判断与处理; 4)变配电所的故障处理。 5.2.4.8 架空线路施工 1)登杆作业基本技能; 2)隔离开关的安装; 3)携带型接地线的挂设; 4)避雷器的选用及安装; - 11 - 5)横担、绝缘子的安装。 5.3 复审培训内容 5.3.1 典型事故案例分析 5.3.2 相关法律、法规、标准、规范 5.3.3 电气方面的新技术、新工艺、新材料 5.4 培训学时见附表。 6.考核要求 6.1 考核办法 6.1.1 考核的分类和范围 6.1.1.1 高压电工作业人员的考核分为理论知识考核(包括安全基本知识、安全技术基础知识、 安全技术专业知识)和实际操作技能考核两部分。 6.1.1.2 高压电工作业人员的考核范围应符合本标准 6.2 的规定。 6.1.2 考核方式 6.1.2.1 考核分安全技术理论和实际操作两部分。 6.1.2.2 安全技术理论考核方式为笔试或计算机考试,考试时间为 120 分钟;实际操作考核方式 包括实际操作、仿真模拟、口试等方式。 6.1.2.3 安全技术理论考核和实际操作考核均采用百分制,考核成绩 80 分及以上者为考核合格。 两部分考核均合格者为考核合格。考核不合格者,允许补考 1 次。 6.1.3 考核内容的层次和比重 6.1.3.1 安全技术知识考核内容分为了解、掌握和熟练掌握三个层次,按 20%、30%、50%的比重 进行考核。 6.1.3.2 实际操作技能考核内容分为掌握和熟练掌握两个层次,按 30%、70%的比重进行考核。 6.2 考核要点 6.2.1 安全基础知识 6.2.1.1 电气安全工作管理 1)了解安全生产方针、法律、法规; 2)了解电气作业人员的安全职责; 3)掌握电气安全工作制度; 4)熟练掌握保证电气作业安全的技术措施和组织措施。 6.2.1.2 触电事故及现场救护 1)了解电气事故的种类、危险性和电气安全的特点; 2)了解触电事故的种类和发生的规律; 3)熟练掌握人身触电的急救方法及注意事项。 6.2.1.3 防触电技术 1)掌握绝缘、屏护、间距等防止直接电击的措施; 2)掌握保护接地、保护接零、加强绝缘等防止间接电击的措施; 3)掌握双层绝缘、安全电压等防止电击的措施。 6.2.1.4 电气防火、防爆与防静电 1)掌握电气火灾发生的原因; 2)熟练掌握电气防火防爆预防措施; 3)熟练掌握电气火灾的灭火原理及扑救方法; 4)掌握静电产生和防治。 6.2.2 安全技术基础知识 - 12 - 6.2.2.1 电工基础知识 1)了解电流组成、电路基本物理量、电阻的串并联、欧姆定律等电路基础知识; 2)了解电磁感应和磁路的基本知识; 3)了解交流电的基本物理量、三相交流电路的基本知识。 6.2.2.2 电工仪表及测量 1)了解电工仪表分类、工作原理及使用要求; 2)掌握常用电路物理量的测量方法; 3)熟练掌握电压表、电流表、钳形电流表、兆欧表、接地电阻测试仪、电能表、直流单臂 电桥、模拟万用表、数字万用表等电工仪表的使用方法。 6.2.2.3 安全用具与安全标识 1)熟练掌握电气安全用具的种类、性能及用途; 2)熟练掌握安全标识(标识牌)的使用规定; 3)熟练掌握安全技术措施和组织措施的具体内容; 4)熟练掌握杆上作业的安全要求。 6.2.2.4 电工工具及移动电气设备 1)熟练掌握电工钳、电工刀、螺丝刀、电烙铁等常用电工工具的使用方法; 2)熟练掌握常用的手持式电动工具的使用要求; 3)熟练掌握常用的移动电气设备的使用要求。 6.2.3 安全技术专业知识 6.2.3.1 电力系统基础知识 1)了解电力负荷组成及分类; 2)了解变配电所的主接线和一次电气设备; 3)掌握电力系统及电力网的构成、电力生产的特点; 4)掌握电能质量概念及其主要参数电压、频率、谐波的标准; 5)掌握电力系统短路概述基本理论; 6)熟练掌握电力系统的中性点接地方式。 6.2.3.2 电力变压器 1)掌握变压器的结构及工作原理; 2)掌握配电变压器的分类、型号及参数; 3)熟练掌握变压器的运行和维护; 4)熟练掌握高压互感器的作用、特点、工作原理、接地及安全运行。 6.2.3.3 高压电器及成套配电装置 1)掌握高压电器基础知识; 2)掌握高压开关设备的操作机构分类、工作原理及安全操作; 3)掌握预装式变电站结构及运行; 4)熟练掌握高压开关柜操作回路的二次原理图; 5)熟练掌握常用高压成套配电装置结构及安全运行; 6)熟练掌握高压断路器、隔离开关、负荷开关、熔断器、电容器的用途、类型、技术性能 及安全运行。 6.2.3.4 高压电力线路 1)了解高压输电的方式; 2)掌握高压架空线路的作用与构成、组件的分类和规格要求、安装要求、安全运行; 3)掌握高压电缆线路的特点、种类、结构、允许载流能力、安全运行; - 13 - 4)掌握架空线路的安装; 5)熟练掌握高压架空线路、电缆线路巡视检查周期及内容。 6.2.3.5 过电压保护 1)了解过电压的概念、危害、分类; 2)掌握内部过电压; 3)掌握雷电过电压; 4)熟练掌握常用防雷设备及安装; 5)熟练掌握电力线路与变电所的防雷保护。 6.2.3.6 继电保护与二次系统 1)了解继电保护的任务及基本要求; 2)了解备用电源自动投入装置的作用,以及对备用电源自动投入装置的基本要求; 3)掌握高压电动机保护的装置及作用、保护原理; 4)掌握变电站的操作电源(直流、交流); 5)熟练掌握二次系统的概念、接线图分类、回路编号及标志; 6)熟练掌握变压器保护的配置及作用、保护原理; 7)熟练掌握电力线路保护的配置及作用、保护原理。 6.2.3.7 变配电所运行管理 1)掌握变配电所运行值班制度及安全工作规程; 2)熟练掌握变配电所的倒闸操作; 3)熟练掌握变配电所的设备故障及事故处理。 6.2.4 实际操作技能 6.2.4.1 电气安全用具的检查使用 1)熟练掌握绝缘安全辅助用具的检查使用; 2)熟练掌握高压验电器的检查及使用; 3)熟练掌握绝缘操作杆的检查及使用; 4)熟练掌握临时接地线的检查及使用。 6.2.4.2 常用电工仪表的使用 1)掌握钳形电流表的使用; 2)掌握接地电阻测试仪的使用; 3)掌握高压设备的其它绝缘试验; 4)熟练掌握万用表的使用; 5)熟练掌握高压电器的绝缘电阻试验,包括绝缘电阻表的选用、一般绝缘件的试验、储能 设备的试验。 6.2.4.3 触电急救和灭火操作 1)掌握触电者脱离电源后的抢救方法; 2)熟练掌握使触电者脱离电源的方法及安全注意事项; 3)熟练掌握利用模拟人进行心肺复苏法触电急救操作技能; 4)熟练掌握电气火灾灭火器材的选择和使用。 6.2.4.4 倒闸作业 1)掌握倒闸作业票的填写要求; 2)掌握倒闸作业的安全规程; 3)熟练掌握操作卡片与倒闸作业票的编写; 4)熟练掌握高压高压开关设备的倒闸作业操作技能: - 14 - 6.2.4.5 高压成套装置的安装、使用和维护 1)掌握固定型高压开关柜的安装、检修维护; 2)掌握移开式高压开关柜的安装、检修维护; 3)掌握环网高压开关柜的安装、检修维护与操作; 4)熟练掌握固定型高压开关柜的操作; 5)熟练掌握移动式高压开关柜的操作; 6)熟练掌握带有接地闸刀的手车式高压开关柜的操作。 6.2.4.6 变压器的安装、巡视检查与操作 1)掌握运行变压器异常运行判断与处理; 2)掌握变压器分接开关的切换操作; 3)掌握变压器的停、送电操作; 4)熟练掌握跌落式熔断器停、送电操作; 5)掌握变配电所中更换高压熔断器的方法及其安全要求; 6)掌握户外变压器安装; 7)熟练掌握运行变压器的巡视检查。 6.2.4.7 变配电所二次设备运行监视、巡视与异常判断及处理 1)掌握二次设备运行巡视,继电保护装置动作判断及处理; 2)熟练掌握各种信号装置的使用; 3)熟练掌握继电保护装置或自动装置投入和退出操作; 4)熟练掌握 10kV 系统发生单相接地的判断与处理方法; 5)熟练掌握变配电所中变压器、电压互感器断线的判断与处理方法。 6.2.4.8 架空线路施工 1)掌握登杆作业技能,包括脚扣、升降板的使用,安全帽、安全带和安全绳的正确使用; 2)掌握隔离开关的安装; 3)掌握避雷器的选用及安装; 4)掌握横担、绝缘子的安装; 5)熟练掌握线路悬挂接地封线的操作。 6.3 复审培训考核要点 6.3.1 了解有关安全生产和高压电气方面新的法律、法规、国家标准、行业标准、规程和规范 6.3.2 掌握新设备、新技术的安全使用和操作技能 6.3.3 了解典型高压电气事故发生的原因,掌握避免同类事故发生的安全措施和方法 - 15 - 表 1 高压电工作业人员安全技术培训学时安排 项目 培训内容 学时 安全技 术知识 (82 学时) 安全基本知识 (12 学时) 电气安全工作管理 2 触电事故及现场救护 2 防触电技术 4 电气防火、防爆与防静电 4 安全技术 基础知识 (12 学时) 电工基础知识 4 电工仪表及测量 4 安全用具与安全标识 2 电工工具及移动电气设备 2 安全技术 专业知识 (54 学时) 电力系统基础知识 6 电力变压器 8 高压电器及成套配电装置 12 电力线路 6 过电压保护 4 继电保护与二次系统 10 变配电所运行管理 8 复习 2 考试 2 实际操作技能 (72 学时) 电气安全用具的检查使用 4 常用电工仪表的使用 8 触电急救和灭火操作 8 倒闸作业 16 高压成套装置的安装、使用和维护 8 变压器的安装、巡视检查与操作 8 变配电所运行监视、巡视与异常判断及处理 8 架空线路施工 8 复习 2 考试 2 合计 154 表 2 高压电工作业人员安全技术复审培训学时安排 项目 培训内容 学时 复审培训 典型事故案例分析 相关法律、法规、标准、规范 电气方面的新技术、新工艺、新材料 不少于 8 学时 复习 考试 合计 - 16 - 电力电缆作业人员安全技术培训大纲及考核标准 1.范围 本标准规定了电力电缆作业人员的基本条件、安全技术培训(以下简称培训)大纲和安全技 术考核(以下简称考核)标准。 本标准适用于 10kV 及以下电力电缆作业人员的培训和考核。 2.规范引用文件 下列文件所包含的条文,通过在本标准中引用而构成为本标准的条文。本标准出版时,所示 版本均为有效。所有标准都会被修订,使用本标准的各方应探讨使用下列标准最新版本的可能性。 特种作业人员安全技术培训考核管理规定(国家安全生产监督管理总局令 第 30 号) GB/T 13869-2008 用电安全导则 DL 408-1991(2005) 电业安全工作规程(发电厂和变电所电气部分) DL 409-1991(2005) 电业安全工作规程(电力线路部分) GB/T 4776-2008 电气安全术语 3.术语和定义 下列术语和定义适用于本标准或用于区分本标准。 3.1 电气作业 electrician operation 对电气设备进行运行、维护、安装、检修、改造、施工、调试等作业。 3.2 电力电缆作业 power supply cable operation 指对电力电缆进行安装、检修、试验、运行、维护等作业。 4.基本条件 4.1 年满 18 周岁,且不超过国家法定退休年龄; 4.2 经社区或者县级以上医疗机构体检健康合格,并无妨碍从事高压电工特种作业的器质性心脏 病、癫痫病、美尼尔氏症、眩晕症、癔病、震颤麻痹症、精神病、痴呆症以及其他疾病和生理缺 陷; 4.3 具有初中及以上文化程度。 5.培训大纲 5.1 培训要求 5.1.1 应按照本标准的规定对电力电缆作业人员进行培训与复审培训。复审培训周期为每 3 年复 审 1 次。特种作业人员在特种作业操作证有效期内,连续从事本工种 10 年以上,严格遵守有关 安全生产法律法规的,经原考核发证机关或者从业所在地考核发证机关同意,特种作业操作证的 复审时间可以延长至每 6 年 1 次。 5.1.2 理论与实际相结合,突出安全操作技能的培训。 5.1.3 实际操作训练中,应采取相应的安全防范措施。 5.1.4 注重职业道德、安全意识、基本理论和实际操作能力的综合培养。 5.1.5 应由具备特种作业相应理论知识和操作技能的人员任教,并应有足够的教学场地、设备和 器材等条件。 5.2 培训内容 5.2.1 安全基本知识 5.2.1.1 电气安全工作管理 1)安全生产法律、法规、方针; 2)电气作业人员的安全职责; 3)电气作业安全的技术措施和组织措施; - 17 - 4)二次系统上工作的安全措施。 5.2.1.2 触电事故及现场救护 1)电流对人体的伤害; 2)触电事故种类及发生规律; 3)触电急救方法及注意事项。 5.2.1.3 电气防火 1)电气火灾的原因; 2)电气防火的措施; 3)电气灭火。 5.2.1.4 有限空间安全作业 1)有限空间作业的风险辨识; 2)有限空间安全作业规程。 5.2.2 安全技术基础知识 5.2.2.1 电工基础知识 1)电路基础知识; 2)电磁感应和磁路; 3)交流电路。 5.2.2.2 仪表使用 1)电工仪表分类及工作原理; 2)电压和电流的测量; 3)绝缘电阻的测量; 4)有限空间作业气体测量。 5.2.2.3 安全用具与安全标识 1)电工安全用具及使用; 2)登高安全用具及使用; 3)检修安全用具(临时接地线、遮栏等)的使用; 4)安全色及安全标识牌。 5.2.2.4 电工工具及移动电气设备 1)各种电工钳、电工刀、螺丝刀、电烙铁等常用电工工具; 2)常用手持式电动工具; 3)施工用的电动器具; 4)移动电源及照明。 5.2.3 安全技术专业知识 5.2.3.1 电力系统基础知识 1)电力系统及电力网的构成、电力生产的特点; 2)电力负荷组成及分类; 3)变配电所的主接线和一次电气设备; 4)电力系统的中性点接地方式。 5.2.3.2 电力电缆基础知识 1)电力电缆的作用和特点; 2)电力电缆种类和结构; 3)电力电缆的型号和应用场合; 4)电力电缆的材料; - 18 - 5)电力电缆绝缘理论。 5.2.3.3 电力电缆的敷设 1)电力电缆的敷设方式; 2)电力电缆的敷设的工器具(绳扣、滑轮组、倒链的使用); 3)电力电缆的敷设技术要求和质量控制。 5.2.3.4 电力电缆附件 1)附件的作用及分类; 2)各种终端和中间接头的形式及结构; 3)电缆附件的制作; 4)电缆线路绝缘摇测及核相。 5.2.3.5 电力电缆的运行与检修 1)电力电缆线路的验收; 2)电力电缆线路状态检修; 3)电力电缆线路故障及处理。 5.2.4 实际操作技能 5.2.4.1 电气安全用具的检查使用 1)辅助绝缘安全用具的检查及使用; 2)绝缘杆的检查及使用; 3)10kV 验电器的检查与使用; 4)临时短路接地线的检查及使用。 5.2.4.2 常用电工仪表的使用 1)万用表的使用; 2)钳形电流表的使用; 3)接地电阻表的使用; 4)兆欧表的使用; 5)直流电桥的使用; 6)有毒有害气体检测仪的使用; 7)核相仪的使用。 5.2.4.3 作业现场应急处置 1)触电急救的操作; 2)心肺复苏的操作; 3)防灭火设备使用操作。 5.2.4.4 电力电缆作业安全措施 5.2.4.5 电力电缆的基本操作 1)绳扣滑轮组倒链的使用; 2)钳工基本操作; 3)电力电缆的辨识; 4)电力电缆施工工艺; 5)电力电缆的核相; 6)电力电缆绝缘摇测。 5.2.4.6 电力电缆附件安装 1)附件安装工器具的使用方法; 2)1kV 及以下电力电缆附件的安装; - 19 - 3)10kV 户内终端安装; 4)10kV 户外终端安装; 5)10kV 中间接头安装。 5.3 复审培训内容 5.3.1 典型事故案例分析 5.3.2 相关法律、法规、标准、规程 5.3.3 电气试验方面的新技术、新工艺、新材料 5.4 培训学时见附表 6.考核要求 6.1 考核办法 6.1.1 考核的分类和范围 6.1.1.1 电力电缆作业人员的考核分为理论知识考核(包括安全基本知识、安全技术基础知识、 安全技术专业知识)和实际操作技能考核两部分。 6.1.1.2 电力电缆作业人员的考核范围应符合本标准 6.2 的规定。 6.1.2 考核方式 6.1.2.1 考核分安全技术理论和实际操作两部分。 6.1.2.2 安全技术理论考核方式为笔试或计算机考试,考试时间为 120 分钟;实际操作考核方式 包括实际操作、仿真模拟、口试等方式。 6.1.2.3 安全技术理论考核和实际操作考核均采用百分制,考核成绩 80 分及以上者为考核合格。 两部分考核均合格者为考核合格。考核不合格者,允许补考 1 次。 6.1.3 考核内容的层次和比重 6.1.3.1 安全技术知识考核内容分为了解、掌握和熟练掌握三个层次,按 20%、30%、50%的比重 进行考核。 6.1.3.2 实际操作技能考核内容分为掌握和熟练掌握两个层次,按 30%、70%的比重进行考核。 6.2 考核要点 6.2.1 安全基本知识 6.2.1.1 电气安全工作管理 1)了解安全生产法律、法规、方针; 2)了解电气作业人员的安全职责; 3)掌握电气作业安全的技术措施和组织措施。 6.2.1.2 触电事故及现场救护 1)了解触电伤害的原因和电流对人体的伤害; 2)了解触电事故的种类和发生的规律; 3)熟练掌握人身触电的急救方法及注意事项。 6.2.1.3 电气防火 1)掌握电气火灾发生的原因; 2)熟练掌握电气防火预防措施; 3)熟练掌握电气火灾的灭火原理及扑救方法。 6.2.1.4 有限空间安全作业 1)熟练掌握有限空间作业的风险因素和风险辨识方法; 2)熟练掌握有限空间安全作业规程。 6.2.2 安全技术基础知识 6.2.2.1 电工基础知识 - 20 - 1)掌握直流电路的基本物理量及其相互关系; 2)了解磁场和电磁感应概念及原理; 3)了解交流电的基本物理量、三相交流电路的基本知识。 6.2.2.2 仪表使用 1)了解电工仪表分类、工作原理及使用要求; 2)掌握常用电路物理量的测量方法; 3)熟练掌握绝缘电阻的测量方法; 4)熟练掌握有限空间内常见气体的测量方法。 6.2.2.3 安全用具与安全标识 1)熟练掌握电气安全用具的种类、性能及用途; 2)熟练掌握登高安全用具的种类、性能及用途; 3)熟练掌握检修安全用具(临时接地线、遮栏等)的使用方法; 4)熟练掌握安全色及安全标识牌的种类及用途。 6.2.2.4 电工工具及移动电气设备 1)熟练掌握电工钳、电工刀、螺丝刀、电烙铁等常用电工工具的使用方法; 2)熟练掌握常用的手持式电动工具的使用要求; 3)熟练掌握施工用电动器具的使用要求; 3)熟练掌握常用的移动电气设备的使用要求。 6.2.3 安全技术专业知识 6.2.3.1 电力系统基础知识 1)了解电力系统的组成及特点、电压等级、中性点接地方式; 2)熟悉输电网及配电网的划分、主要结构; 3)熟悉用户设备对电力系统的影响; 4)了解环网、穿越功率的概念。 6.2.3.2 电力电缆基础知识 1)了解电力电缆的作用、特点及发展概况; 2)熟悉电力电缆的种类和基本结构; 3)掌握电力电缆的型号和应用场合; 4)了解电力电缆各部分的材料及其性能; 5)掌握电力电缆的绝缘性能及对其性能的影响因素。 6.2.3.3 电力电缆的敷设 1)掌握电力电缆在运输、保管、起重过程中的注意事项; 2)熟悉电力电缆在各种不同线路路况下的敷设方式; 3)掌握敷设电力电缆所用工器具的使用方法; 4)熟悉电力电缆敷设的技术要求和质量控制。 6.2.3.4 电力电缆的附件 1)了解电力电缆附件的作用及分类; 2)掌握各类电力电缆的终端和中间接头的结构。 6.2.3.5 电力电缆的安装与检修 1)掌握电力电缆线路施工后的验收制度、项目及资料的交接; 2)熟悉电力电缆线路的常见缺陷、缺陷处理原则、检修及测温、测负荷方法; 3)掌握电力电缆的故障、故障测寻及处理方法; 4)了解电力电缆线路资料的内容及其管理。 - 21 - 6.2.4 实际操作 6.2.4.1 电力电缆作业的基本操作 1)掌握常用电工仪表的使用; 2)熟悉绳扣、滑轮组、倒链的使用; 3)掌握钳工基本操作; 4)掌握电缆施工基本操作。 6.2.4.2 电力电缆敷设施工 1)掌握电力电缆的牵引方式; 2)掌握电力电缆直埋敷设方法; 3)掌握电力电缆排管敷设方法; 4)掌握电力电缆沟道敷设方法; 5)掌握电力电缆竖井敷设方法; 6)掌握电力电缆固定方法。 6.2.4.3 电力电缆附件安装 1)掌握电力电缆附件安装工器具的使用方法; 2)掌握 1kV 以下电压电力电缆附件的安装; 3)掌握 6~35kV 电压电力电缆附件的安装; 4)掌握电缆核相方法。 6.2.4.4 作业现场应急处置 1)掌握触电急救的操作; 2)掌握心肺复苏的操作; 3)掌握防灭火设备使用操作。 6.2.4.5 电力电缆工作安全措施 6.2.4.6 电力电缆的基本操作 1)熟练掌握绳扣滑轮组倒链的使用; 2)熟练掌握钳工基本操作; 3)熟练掌握电力电缆的辨识; 4)熟练掌握电力电缆施工工艺; 5)熟练掌握电力电缆的核相; 6)熟练掌握电力电缆绝缘摇测。 6.2.4.7 电力电缆附件安装 1)熟练掌握附件安装工器具的使用方法; 2)熟练掌握 1kV 以下电力电缆附件的安装; 3)熟练掌握 10kV 户内终端安装; 4)熟练掌握 10kV 户外终端安装; 5)熟练掌握 10kV 中间接头安装。 6.3 复审培训考核要点 6.3.1 掌握典型事故案例分析的能力 6.3.2 了解有关电气试验方面相关法律、法规、标准、规程 6.3.3 掌握电气试验方面的新技术、新工艺、新材料和操作技能 - 22 - 表 1 电力电缆作业人员安全技术培训学时安排 项目 培训内容 学时 安全技 术知识 (64 学时) 安全基本知识 (8 学时) 电气安全工作管理 2 触电事故及现场救护 2 电气防火 2 有限空间安全作业 2 安全技术 基础知识 (12 学时) 电工基础知识 4 仪表使用 4 安全用具与安全标识 2 电工工具及移动电气设备 2 安全技术 专业知识 (40 学时) 电力系统基础知识 4 电力电缆基础知识 12 电力电缆的敷设 8 电力电缆附件 8 电力电缆的运行与检修 8 复习 2 考试 2 实际操作技能 (40 学时) 电气安全用具的检查使用 4 常用电工仪表的使用 4 作业现场应急处置 8 电力电缆作业安全措施 4 电力电缆的基本操作 8 电力电缆附件安装 8 复习 2 考试 2 合计 104 表 2 电力电缆作业作业人员安全技术复审培训学时安排 项目 培训内容 学时 复审培训 典型事故案例分析 相关法律、法规、标准、规范 电气方面的新技术、新工艺、新材料 不少于 8 学时 复习 考试 合计 - 23 - 继电保护作业人员安全技术培训大纲及考核标准 1 范围 本标准规定了继电保护作业人员的基本条件、安全技术培训(以下简称培训)大纲和安全技 术考核(以下简称考核)标准。 本标准适用于继电保护作业人员的培训和考核。 2 规范引用文件 下列文件所包含的条文,通过在本标准中引用而构成为本标准的条文。本标准出版时,所示 版本均为有效。所有标准都会被修订,使用本标准的各方应探讨使用下列标准最新版本的可能性。 特种作业人员安全技术培训考核管理规定(国家安全生产监督管理总局令 第 30 号) GB/T 13869-2008 用电安全导则 DL 408-1991(2005) 电业安全工作规程(发电厂和变电所电气部分) DL 409-1991(2005) 电业安全工作规程(电力线路部分) GB/T 4776-2008 电气安全术语 GBT 7261-2016 继电保护和安全自动装置基本试验方法 DL∕T 587-2016 继电保护和安全自动装置运行管理规程 DL/T 995-2006 继电保护和电网安全自动装置检验规程 3 术语和定义 下列术语和定义适用于本标准或用于区分本标准。 3.1 电气作业 electrician operation 对电气设备进行运行、维护、安装、检修、改造、施工、调试等作业。 3.2 继电保护作业 high voltageoperation 对电力系统中的继电保护及自动装置进行运行、维护、调试及检验的作业。 3.3 危险场所 hazardous area 爆炸性气体环境或可燃性粉尘环境大量出现或预期出现的数量足以要求对电气设备的结构、 安装和使用采取专门预防措施的区域。 4.基本条件 4.1 年满 18 周岁,且不超过国家法定退休年龄; 4.2 经社区或者县级以上医疗机构体检健康合格,并无妨碍从事高压电工特种作业的器质性心脏 病、癫痫病、美尼尔氏症、眩晕症、癔病、震颤麻痹症、精神病、痴呆症以及其他疾病和生理缺 陷; 4.3 具有初中及以上文化程度。 5.培训大纲 5.1 培训要求 5.1.1 应按照本标准的规定对继电保护作业人员进行培训与复审培训。复审培训周期为每 3 年复 审 1 次。特种作业人员在特种作业操作证有效期内,连续从事本工种 10 年以上,严格遵守有关 安全生产法律法规的,经原考核发证机关或者从业所在地考核发证机关同意,特种作业操作证的 复审时间可以延长至每 6 年 1 次。 5.1.2 理论与实际相结合,突出安全操作技能的培训。 5.1.3 实际操作训练中,应采取相应的安全防范措施。 5.1.4 注重职业道德、安全意识、基本理论和实际操作能力的综合培养。 5.1.5 应由具备特种作业相应理论知识和操作技能的人员任教,并应有足够的教学场地、设备和 器材等条件。 - 24 - 5.2 培训内容 5.2.1 安全基本知识 5.2.1.1 电气安全工作管理 1)安全生产法律、法规、方针; 2)电气作业人员的安全职责; 3)电气作业安全的技术措施和组织措施; 4)二次系统上工作的安全措施。 5.2.1.2 触电事故及现场救护 1)电流对人体的伤害; 2)触电事故种类及发生规律; 3)触电急救方法及注意事项。 5.2.1.3 电气防火 1)电气火灾的原因; 2)电气防火的措施; 3)电气灭火。 5.2.2 安全技术基础知识 5.2.2.1 电工基础知识 1)电路基础知识; 2)电磁感应和磁路; 3)交流电路。 5.2.2.2 继电保护专业基础知识 1)交流电的基本概念; 2)逻辑电路的基本概念; 3)电力系统的构成; 4)电力系统中性点接地方式; 5)电力系统短路; 6)对称短路和不对称短路。 5.2.2.3 电气二次系统 1)继电保护、自动装置及二次回路概述; 2)对继电保护自动装置的基本要求; 3)继电保护和自动装置的基本构成。 5.2.3 安全技术专业知识 5.2.3.1 线路保护 1)常用继电器; 2)相间短路的阶段式电流保护; 3)接地保护; 4)距离保护基本知识; 5)线路纵联差动保护基本知识。 5.2.3.2 变压器保护 1)变压器故障和异常运行状态; 2)变压器的保护配置; 3)瓦斯保护(气体保护); 4)差动保护; - 25 - 5)电流速断保护; 6)后备保护、接地保护及过负荷保护。 5.2.3.3 高压电动机保护 1)电动机故障和异常运行状态; 2)电动机保护配置; 3)电动机相间短路保护; 4)电动机的其他保护。 5.2.3.4 微机保护及变电站自动化 1)微机保护的特点; 2)微机保护的硬件结构; 3)微机保护的软件功能; 4)变电站自动化的基本功能及特点; 5)变电站自动化的类型。 5.2.3.5 自动装置 1)备用电源自动投入装置的作用及基本要求; 2)备用电源自动投入装置的投入方式及逻辑; 3)自动重合闸装置的作用及基本要求; 4)按频率降低自动减负荷。 5.2.3.6 电气二次回路 1)电流互感器的二次回路; 2)电压互感器的二次回路; 3)二次接线及读图方法; 4)断路器及隔离开关的控制回路; 5)信号回路; 6)测量回路; 7)操作电源。 5.2.4 实际操作技能 5.2.4.1 电气安全用具的检查使用 1)常用安全用具的检查及使用; 2)万用表的检查及使用; 3)兆欧表的检查及使用。 5.2.4.2 继电保护及自动装置测试 1)检验和基本试验; 2)仪器仪表试验条件; 3)二次回路接线正确性测试。 5.2.4.3 分立元件继电保护及自动装置测试 1)一般性检验项目; 2)分立元件继电保护试验接线及试验项目; 3)整组试验。 5.2.4.4 微机保护测试 1)试验项目及注意事项; 2)硬件检查; 3)人机界面的基本操作。 - 26 - 5.2.4.5 继电保护动作分析及常见故障处理 1)继电保护动作分析; 2)二次系统常见故障(异常)处理。 5.2.4.6 触电急救和防火操作 1)使触电者正确脱离电源的方法及安全注意事项; 2)心肺复苏急救方法; 3)触电急救注意事项; 4)电气火灾灭火器材的选择和使用。 5.3 复审培训内容 5.3.1 典型事故案例分析 5.3.2 相关法律、法规、标准、规范 5.3.3 电气方面的新技术、新工艺、新材料 5.4 培训学时见附表 6 考核要求 6.1 考核办法 6.1.1 考核的分类和范围 6.1.1.1 继电保护作业人员的考核分为理论知识考核(包括安全基本知识、安全技术基础知识、 安全技术专业知识)和实际操作技能考核两部分。 6.1.1.2 继电保护作业人员的考核范围应符合本标准 6.2 的规定。 6.1.2 考核方式 6.1.2.1 考核分安全技术理论和实际操作两部分。 6.1.2.2 安全技术理论考核方式为笔试或计算机考试,考试时间为 120 分钟;实际操作考核方式 包括实际操作、仿真模拟、口试等方式。 6.1.2.3 安全技术理论考核和实际操作考核均采用百分制,考核成绩 80 分及以上者为考核合格。 两部分考核均合格者为考核合格。考核不合格者,允许补考 1 次。 6.1.3 考核内容的层次和比重 6.1.3.1 安全技术知识考核内容分为了解、掌握和熟练掌握三个层次,按 20%、30%、50%的比重 进行考核。 6.1.3.2 实际操作技能考核内容分为掌握和熟练掌握两个层次,按 30%、70%的比重进行考核。 6.2 考核要点 6.2.1 安全基本知识 6.2.1.1 电气安全工作管理 1)了解安全生产法律、法规、方针; 2)了解电气作业人员的安全职责; 3)掌握电气作业安全的技术措施和组织措施; 4)熟练掌握二次系统上工作的安全措施。 6.2.1.2 触电事故及现场救护 1)了解触电伤害的原因和电流对人体的伤害; 2)了解触电事故的种类和发生的规律; 3)熟练掌握人身触电的急救方法及注意事项。 6.2.1.3 电气防火 1)掌握电气火灾发生的原因; 2)熟练掌握电气防火预防措施; - 27 - 3)熟练掌握电气火灾的灭火原理及扑救方法。 6.2.2 安全技术基础知识 6.2.2.1 电工基础知识 1)掌握直流电路的基本物理量及其相互关系; 2)了解磁场和电磁感应概念及原理。 3)了解交流电的基本物理量、三相交流电路的基本知识。 6.2.2.2 继电保护专业基础知识 1)掌握交流电的基本概念; 2)掌握逻辑电路的基本概念; 3)掌握电力系统的构成; 4)熟练掌握电力系统中性点接地方式; 5)熟练掌握电力系统短路; 6)了解对称短路和不对称短路。 6.2.2.3 电气二次系统概述 1)掌握继电保护、自动装置及二次回路概述; 2)熟练掌握对继电保护自动装置的基本要求; 3)掌握继电保护和自动装置的基本构成。 6.2.3 安全技术专业知识 6.2.3.1 线路保护 1)掌握常用继电器; 2)熟练掌握相间短路的阶段式电流保护; 3)熟练掌握接地保护; 4)了解距离保护基本知识; 5)了解线路纵联差动保护基本知识。 6.2.3.2 变压器保护 1)掌握变压器故障和异常运行状态; 2)熟练掌握变压器的保护配置; 3)熟练掌握瓦斯保护(气体保护); 4) 了解差动保护; 5)熟练掌握电流速断保护; 6)了解后备保护、接地保护及过负荷保护。 6.2.3.3 高压电动机保护 1)掌握电动机故障和异常运行状态; 2)熟练掌握电动机保护配置; 3)熟练掌握电动机相间短路保护; 4)了解电动机的其他保护。 6.2.3.4 微机保护及变电站自动化 1)掌握微机保护的特点; 2)掌握微机保护的硬件结构; 3)掌握微机保护的软件功能; 4)了解变电站自动化的基本功能及特点; 5)了解变电站自动化的类型。 6.2.3.5 自动装置 - 28 - 1)熟练掌握备用电源自动投入装置的作用及基本要求; 2) 熟练掌握备用电源自动投入装置的投入方式及逻辑; 3) 掌握自动重合闸装置的作用及基本要求; 4)了解按频率降低自动减负荷。 6.2.3.6 电气二次回路 1)熟练掌握电流互感器的二次回路; 2)熟练掌握电压互感器的二次回路; 3)熟练掌握二次接线及读图方法; 4) 熟练掌握断路器及隔离开关的控制回路; 5) 掌握信号回路; 6) 掌握测量回路; 7) 掌握操作电源。 6.2.4 实际操作技能 6.2.4.1 电气安全用具的检查使用 1)掌握安全用具的检查及使用; 2)熟练掌握万用表的检查及使用; 3)熟练掌握兆欧表的检查及使用。 6.2.4.2 继电保护及自动装置测试基础 1)熟练掌握检验和基本试验; 2)熟练掌握仪器仪表试验条件; 3)熟练掌握二次回路接线正确性测试。 6.2.4.3 分立元件继电保护及自动装置测试 1)掌握一般性检验项目; 2)掌握分立元件继电保护试验接线及试验项目; 3)掌握整组试验。 6.2.4.4 微机保护测试 1)熟练掌握试验项目及注意事项; 2)熟练掌握硬件检查; 3)熟练掌握人机界面的基本操作。 6.2.4.5 继电保护动作分析及常见故障处理 1)掌握继电保护动作分析; 2)熟练掌握二次系统常见故障(异常)处理。 6.2.4.6 触电急救和防火操作 1)熟练掌握使触电者脱离电源后的抢救方法; 2)熟练掌握利用模拟人进行心肺复苏法触电急救操作技能; 3)熟练掌握触电急救注意事项; 4)熟练掌握电气火灾灭火器材的选择和使用。 6.3 复审培训考核要点 6.3.1 了解有关安全生产和高压电气方面新的法律、法规、国家标准、行业标准、规程和规范 6.3.2 掌握新设备、新技术的安全使用和操作技能 6.3.3 了解典型高压电气事故发生的原因,掌握避免同类事故发生的安全措施和方法 - 29 - 表 1 继电保护作业人员安全技术培训学时安排 项目 培训内容 学时 安全技 术知识 (74 学时) 安全基本知识 (6 学时) 电气安全工作管理 2 触电事故及现场救护 2 电气防火 2 安全技术 基础知识 (16 学时) 电工基础知识 4 继电保护专业基础知识 8 电气二次系统概述 4 安全技术 专业知识 (48 学时) 线路保护 12 变压器保护 8 高压电动机保护 8 微机保护及变电站自动化 4 自动装置 8 电气二次回路 8 复习 2 考试 2 实际操作技能 (50 学时) 电气安全用具的检查使用 4 继电保护自动装置测试 8 分立元件继电保护及自动装置测试 8 微机保护测试 16 继电保护动作分析及常见故障处理 8 触电急救和防火操作 2 复习 2 考试 2 合计 124 表 2 继电保护作业人员安全技术复审培训学时安排 项目 培训内容 学时 复审培训 典型事故案例分析 相关法律、法规、标准、规范 电气方面的新技术、新工艺、新材料 不少于 8 学时 复习 考试 合计 - 30 - 电气试验作业人员安全技术培训大纲及考核标准 1.范围 本标准规定了电气试验作业人员的基本条件、安全技术培训(以下简称培训)大纲和安全技 术考核(以下简称考核)标准。 本标准适用于电气试验作业人员的培训和考核。 2.规范引用文件 下列文件所包含的条文,通过在本标准中引用而构成为本标准的条文。本标准出版时,所示 版本均为有效。所有标准都会被修订,使用本标准的各方应探讨使用下列标准最新版本的可能性。 特种作业人员安全技术培训考核管理规定(国家安全生产监督管理总局令 第 30 号) GB/T 13869-2008 用电安全导则 DL 408-1991(2005) 电业安全工作规程(发电厂和变电所电气部分) GB/T 4776-2008 电气安全术语 DL/T 596-2005 电力设备预防性试验规程 GB 50150-2016 电气装置安装工程电气设备交接试验标准 3.术语和定义 下列术语和定义适用于本标准或用于区分本标准。 3.1 电气试验作业 electrical test operation 对电力系统中的电气设备专门进行交接试验及预防性试验等的作业。 3.2 电力变压器 power transformer 具有两个或多个绕组的静止设备,为了传输电能,在同一频率下,通过电磁感应将一个系统 的交流电压和电流转换为另一系统的电压和电流,通常这些电流和电压的值是不同的。 3.3 互感器 instrument transformer 是指电流互感器、电磁电压互感器、电容式电压互感器和组合互感器(包括单相组合互感器 和三相组合互感器)的统称。由于组合互感器是以电流互感器和电磁式电压互感器组合而成,相 关试验参照电流互感器和电压互感器项目。 4.基本条件 4.1 年满 18 周岁,且不超过国家法定退休年龄; 4.2 经社区或者县级以上医疗机构体检健康合格,并无妨碍从事高压电工特种作业的器质性心脏 病、癫痫病、美尼尔氏症、眩晕症、癔病、震颤麻痹症、精神病、痴呆症以及其他疾病和生理缺 陷; 4.3 具有初中及以上文化程度。 5.培训大纲 5.1 培训要求 5.1.1 应按照本标准的规定对电气试验作业人员进行培训与复审培训。复审培训周期为每 3 年复 审 1 次。特种作业人员在特种作业操作证有效期内,连续从事本工种 10 年以上,严格遵守有关 安全生产法律法规的,经原考核发证机关或者从业所在地考核发证机关同意,特种作业操作证的 复审时间可以延长至每 6 年 1 次。 5.1.2 理论与实际相结合,突出安全操作技能的培训。 5.1.3 实际操作训练中,应采取相应的安全防范措施。 5.1.4 注重职业道德、安全意识、基本理论和实际操作能力的综合培养。 5.1.5 应由具备特种作业相应理论知识和操作技能的人员任教,并应有足够的教学场地、设备和 器材等条件。 - 31 - 5.2 培训内容 5.2.1 安全基本知识 5.2.1.1 电气安全工作管理 1)安全生产法律、法规、方针; 2)电气作业人员的安全职责; 3)电气作业安全的技术措施和组织措施。 5.2.1.2 触电事故及现场救护 1)电流对人体的伤害; 2)触电事故种类及发生规律; 3)触电急救方法及注意事项。 5.2.1.3 电气防火 1)电气火灾的原因; 2)电气防火的措施; 3)电气灭火。 5.2.2 安全技术基础知识 5.2.2.1 电工基础知识 1)电路基础知识; 2)电磁感应和磁路; 3)交流电路。 5.2.2.2 电气试验的基本知识 1)电气试验的意义、分类及总体要求; 2)绝缘电阻、吸收比和极化指数; 3)直流泄漏电流测量和直流耐压试验; 4)介质损耗角正切值的测量; 5)工频交流耐压试验; 6)直流电阻及接地电阻测量; 7)局部放电测量。 5.2.3 安全技术专业知识 5.2.3.1 单一介质的绝缘特性 1)气体介质的绝缘特性; 2)液体介质的绝缘特性; 3)固体介质的绝缘特性。 5.2.3.2 组合绝缘的耐电特性 5.2.3.3 绝缘电阻表、直流电桥 5.2.3.4 变压器直流电阻测试仪 5.2.3.5 介质损耗角测试设备 5.2.3.6 电力变压器变比测试仪 5.2.3.7 耐压试验设备 5.2.4 实际操作技能 5.2.4.1 电气安全用具的检查使用 1)常用安全用具的检查及使用; 2)万用表的检查及使用; 3)兆欧表的检查及使用。 - 32 - 5.2.4.2 电力变压器的试验操作 1)变压器直流电阻测量; 2)变压器绝缘电阻和吸收比试验操作; 3)变压器极性、组别和变比试验操作; 4)变压器介质损耗角正切值试验操作; 5)变压器直流泄漏电流试验操作; 6)变压器油击穿电压试验和介质损耗试验操作。 5.2.4.3 互感器的试验操作 1)互感器绝缘电阻试验操作; 2)互感器介质损耗角正切值试验操作; 3)互感器极性和变比试验操作; 4)电流互感器励磁特性试验操作; 5)互感器工频耐压试验、电压互感器感应耐压试验及干式互感器局部放电试验操作; 6)电容式电压互感器试验操作。 5.2.4.4 断路器的试验操作 1)断路器绝缘电阻的测定和工频交流耐压试验操作; 2)SF6气体泄漏试验和 SF6气体含微水量测量; 3)断路器触头接触电阻测量; 4)断路器分合闸时间及真空断路器反弹时间测定。 5.2.4.5 避雷器的试验操作 1)金属氧化物避雷器试验操作; 2)避雷器基础绝缘电阻测量; 3)放电计数器动作情况检查。 5.2.4.6 电力电缆的试验操作 1)电力电缆绝缘电阻测量; 2)电力电缆交流耐压试验操作; 3)电力电缆相位测定; 4)电力电缆铜屏蔽层与导体电阻比测量。 5.2.4.7 电力电容器的试验操作 1)电力电容器绝缘电阻测量; 2)电力电容器工频交流耐压试验; 3)电力电容器电容值测量。 5.2.4.8 触电急救和防火操作 1)使触电者正确脱离电源的方法及安全注意事项; 2)心肺复苏急救方法; 3)触电急救注意事项; 4)电气火灾灭火器材的选择和使用。 5.3 复审培训内容 5.3.1 典型事故案例分析 5.3.2 相关法律、法规、标准、规程 5.3.3 电气试验方面的新技术、新工艺、新材料 5.4 培训学时见附表 6.考核要求 - 33 - 6.1 考核办法 6.1.1 考核的分类和范围 6.1.1.1 电气试验作业人员的考核分为理论知识考核(包括安全基本知识、安全技术基础知识、 安全技术专业知识)和实际操作技能考核两部分。 6.1.1.2 电气试验作业人员的考核范围应符合本标准 6.2 的规定。 6.1.2 考核方式 6.1.2.1 考核分安全技术理论和实际操作两部分。 6.1.2.2 安全技术理论考核方式为笔试或计算机考试,考试时间为 120 分钟;实际操作考核方式 包括实际操作、仿真模拟、口试等方式。 6.1.2.3 安全技术理论考核和实际操作考核均采用百分制,考核成绩 80 分及以上者为考核合格。 两部分考核均合格者为考核合格。考核不合格者,允许补考 1 次。 6.1.3 考核内容的层次和比重 6.1.3.1 安全技术知识考核内容分为了解、掌握和熟练掌握三个层次,按 20%、30%、50%的比重 进行考核。 6.1.3.2 实际操作技能考核内容分为掌握和熟练掌握两个层次,按 30%、70%的比重进行考核。 6.2 考核要点 6.2.1 安全基本知识 6.2.1.1 电气安全工作管理 1)了解安全生产法律、法规、方针; 2)了解电气作业人员的安全职责; 3)掌握电气作业安全的技术措施和组织措施。 6.2.1.2 触电事故及现场救护 1)了解触电伤害的原因和电流对人体的伤害; 2)了解触电事故的种类和发生的规律; 3)熟练掌握人身触电的急救方法及注意事项。 6.2.1.3 电气防火 1)掌握电气火灾发生的原因; 2)熟练掌握电气防火预防措施; 3)熟练掌握电气火灾的灭火原理及扑救方法。 6.2.2 安全技术基础知识 6.2.2.1 电工基础知识 1)掌握直流电路的基本物理量及其相互关系; 2)了解磁场和电磁感应概念及原理; 3)了解交流电的基本物理量、三相交流电路的基本知识。 6.2.2.2 电气试验的基本知识 1)掌握电气试验的意义、分类及总体要求; 2)熟练掌握绝缘电阻、吸收比和极化指数; 3)熟练掌握直流泄漏电流测量和直流耐压试验; 4)熟练掌握介质损耗角正切值的测量; 5)熟练掌握工频交流耐压试验; 6)熟练掌握直流电阻及接地电阻测量; 7)了解局部放电测量。 6.2.3 安全技术专业知识 - 34 - 6.2.3.1 单一介质的绝缘特性 1)掌握气体介质的绝缘特性; 2)熟练掌握液体介质的绝缘特性; 3)熟练掌握固体介质的绝缘特性。 6.2.3.2 掌握组合绝缘的耐电特性 6.2.3.3 熟练掌握绝缘电阻表、直流电桥原理 6.2.3.4 熟练掌握变压器直流电阻测试仪原理 6.2.3.5 熟练掌握介质损耗角测试设备原理 6.2.3.6 掌握电力变压器变比测试仪原理 6.2.3.7 掌握耐压试验设备原理 6.2.4 实际操作技能 6.2.4.1 电气安全用具的检查使用 1)掌握安全用具的检查及使用; 2)熟练掌握万用表的检查及使用; 3)熟练掌握兆欧表的检查及使用。 6.2.4.2 电力变压器的试验操作 1)熟练掌握变压器直流电阻测量; 2)熟练掌握变压器绝缘电阻和吸收比试验操作; 3)熟练掌握变压器极性、组别和变比试验操作; 4)熟练掌握变压器介质损耗角正切值试验操作; 5)掌握变压器直流泄漏电流试验操作; 6)掌握变压器油击穿电压试验和介质损耗试验操作。 6.2.4.3 互感器的试验操作 1)熟练掌握互感器绝缘电阻试验操作; 2)熟练掌握互感器介质损耗角正切值试验操作; 3)熟练掌握互感器极性和变比试验操作; 4)熟练掌握电流互感器励磁特性试验操作; 5) 掌握互感器的工频耐压试验、电压互感器感应耐压试验及干式互感器局部放电试验操作; 6)掌握电容式电压互感器试验操作。 6.2.4.4 断路器的试验操作 1)熟练掌握断路器绝缘电阻的测定和工频交流耐压试验操作; 2)掌握 SF6气体泄漏试验和 SF6气体含微水量测量; 3)熟练掌握断路器触头接触电阻测量; 4)掌握断路器分合闸时间及真空断路器反弹时间测定。 6.2.4.5 避雷器的试验操作 1)熟练掌握金属氧化物避雷器试验操作; 2)熟练掌握避雷器基础绝缘电阻测量; 3)掌握放电计数器动作情况检查。 6.2.4.6 电力电缆的试验操作 1)熟练掌握电力电缆绝缘电阻测量; 2)熟练掌握电力电缆交流耐压试验操作; 3)熟练掌握电力电缆相位测定; 4)掌握电力电缆铜屏蔽层与导体电阻比测量。 - 35 - 6.2.4.7 电力电容器的试验操作 1)熟练掌握电力电容器绝缘电阻测量; 2)掌握电力电容器工频交流耐压试验操作; 3)熟练掌握电力电容器电容值测量。 6.2.4.8 触电急救和防火操作 1)熟练掌握使触电者脱离电源后的抢救方法; 2)熟练掌握利用模拟人进行心肺复苏法触电急救操作技能; 3)熟练掌握触电急救注意事项; 4)熟练掌握电气火灾灭火器材的选择和使用。 6.3 复审培训考核要点 6.3.1 掌握典型事故案例分析的能力 6.3.2 了解有关电气试验方面相关法律、法规、标准、规程 6.3.3 掌握电气试验方面的新技术、新工艺、新材料和操作技能 表 1 电气试验作业人员安全技术培训学时安排 项目 培训内容 学时 安全技 术知识 (56 学时) 安全基本知识 (6 学时) 电气安全工作管理 2 触电事故及现场救护 2 电气防火 2 安全技术 基础知识 (20 学时) 电工基础知识 4 电气试验的基本知识 16 安全技术 专业知识 (26 学时) 单一介质的绝缘特性 12 组合绝缘的耐电特性 1 绝缘电阻表、直流电桥 4 变压器直流电阻测试仪 1 介质损耗角测试设备 2 电力变压器变比测试仪 2 耐压试验设备 4 复习 2 考试 2 实际操作技能 (70 学时) 电气安全用具的检查使用 4 电力变压器的试验操作 12 互感器的试验操作 16 断路器的试验操作 12 避雷器的试验操作 6 电力电缆的试验操作 8 电力电容器的试验操作 6 触电急救和防火操作 2 复习 2 考试 2 合计 126 - 36 - 表 2 电气试验作业人员安全技术复审培训学时安排 项目 培训内容 学时 复审培训 典型事故案例分析 相关法律、法规、标准、规程 电气试验方面的新技术、新工艺、新材料 不少于 8 学时 复习 考试 合计 - 37 - 附件 3 特种作业(电工)安全技术实际操作 考试标准和实操考试点设备配备标准 第一部分 考试标准 高压电工作业安全技术实际操作考试标准 1.制定依据 《高压电工作业培训大纲及考核标准》。 2.考试方式 实际操作、仿真模拟操作、口述。 3.考试要求 3.1 实操科目及内容 3.1.1 科目一:安全用具使用(K1) 3.1.1.1 电工仪器仪表安全使用(K11) 3.1.1.2 电工安全用具使用(K12) 3.1.1.3 电工安全标示的辨识(K13) 3.1.2 科目二:安全操作技术(K2) 3.1.2.1 10kV 高压开关柜的停(送)电操作(K21) 3.1.2.2 10kV 高压成套配电装置的巡视检查(K22) 3.1.2.3 10kV 柱上变压器的停(送)电操作(K23) 3.1.2.4 10kV 高压开关柜故障判断及处理(K24) 3.1.2.5 10kV 线路挂设保护接地线(K25) 3.1.2.6 变压器绝缘测量(K26) 3.1.2.7 电力电缆绝缘测试(K27) 3.1.2.8 变压器分接开关调整(K28) 3.1.2.9 导线在绝缘子上绑扎(K29) 3.1.3 科目三:作业现场安全隐患排除(K3) 3.1.3.1 判断作业现场存在的安全风险、职业病危害(K31) 3.1.3.2 结合实际工作任务,排除作业现场存在的安全风险、职业病危害(K32) 3.1.4 科目四:作业现场应急处置(K4) 3.1.4.1 触电事故现场的应急处理(K41) 3.1.4.2 单人徒手心肺复苏操作(K42) 3.1.4.3 灭火器的选择和使用(K43) 3.2 组卷方式 实操试卷从上述四类考题中,各抽取一道实操题组成。具体题目由考试系统或考生抽取产生。 3.3 考试成绩 - 38 - 实操考试成绩总分值为 100 分,80 分(含)以上为考试合格;若考题中设置有否决项,否 决项未通过,则实操考试不合格。科目 1、科目 2、科目 3、科目 4 的分值权重分别为 20%、40%、 20%、20%。 3.4 考试时间 60 分钟。 4.考试内容 4.1 安全用具使用(K1) 4.1.1 电工仪表安全使用(K11) 4.1.1.1 考试方式 实际操作、口述。 4.1.1.2 考试时间 10 分钟。 4.1.1.3 安全操作步骤 (1)按给定的测量任务,选择合适的电工仪表。 (2)对所选的仪器仪表进行检查。 (3)正确使用仪器仪表。 (4)正确读数,并对测量数据进行判断。 4.1.1.4 评分标准 K11 电工仪器仪表安全使用 考试时间:10 分钟 序号 考试项目 考试内容 配分 评分标准 1 电工仪表 安全使用 选用合适的电工仪表 20 口述各种电工仪表的作用,不正确扣 10 分。针对 考评员布置的测量任务,正确选择合适的电工仪 表(万用表、钳形电流表、绝缘电阻表、接地电 阻测试仪),仪表选择不正确扣 10 分。 仪表检查 20 正确检查仪表的外观,未检查外观扣 10 分;未检 查完好性,扣 10 分。 正确使用仪表 50 遵循安全操作要求,按照操作步骤正确使用仪表, 得 50 分。操作步骤违反安全规程得零分,操作步 骤不完整视情况扣 5-50 分。 对测量结果进行判断 10 未能对测量的结果进行分析判断,扣 10 分。 2 否定项 否定项说明 扣除该 题分数 对给定的测量任务,无法正确选择合适的仪表; 违反安全操作要求导致人身危害或仪表损坏等。 考生该题得零分,终止该项目考试。 3 合计 100 4.1.2 电工安全用具使用(K12) 4.1.2.1 考试方式 实际操作、口述。 4.1.2.2 考试时间 10 分钟。 4.1.2.3 安全操作步骤 (1)熟知各种高压电工安全用具的用途及结构。 (2)能对各种高压电工安全用具进行检查。 - 39 - (3)正确使用各种高压电工安全用具。 (4)熟悉各种高压电工安全用具保养要求。 4.1.2.4 评分标准 K12 电工安全用具使用 考试时间:10 分钟 序号 考试项目 考试内容 配分 评分标准 1 高压电工安 全用具使用 安全用具的用途及 结构 30 口述高压电工安全用具(高压验电器、绝缘手套、绝 缘靴、绝缘操作杆、防护眼镜、绝缘夹钳、绝缘垫、 携带型接地线、脚扣、安全带、安全帽、放电棒、登 高板等用品中抽考三种)的作用及使用场合,叙述有 误扣 3-15 分。口述各种高压电工安全用具的结构组 成,叙述有误扣 3-15 分。 安全用具的检查 15 正确检查外观,未检查外观扣 5 分。未检查合格证有 效期,扣 5 分。未检查可使用性,扣 5 分。 正确使用安全用具 40 遵循安全操作规程,按照操作步骤正确使用安全用 具。操作步骤违反安全规程得零分,步骤不完整,操 作步骤不完整视情况扣 5-40 分。 安全用具的保养 15 未正确叙述所选安全用具的保养要点,扣 3-15 分。 2 合计 100 4.1.3 电工安全标示的辨识(K13) 4.1.3.1 考试方式 实际操作、口述。 4.1.3.2 考试时间 10 分钟。 4.1.3.3 安全操作步骤 (1)熟悉高压电工作业常用的安全标示。 (2)能对指定的安全标示进行用途解释。 (3)能对指定的作业场景正确布置相关的安全标示。 4.1.3.4 评分标准 K13 电工安全标示的辨识 考试时间:10 分钟 序号 考试项目 考试内容 配分 评分标准 1 常用的安全标示 的辨识 熟悉常用的安全标 示 20 指认图片上所列的安全标示 (5 个),全对得 20 分,错一个扣 4 分。 常用安全标示用途 解释 20 能对指定的安全标示(5 个)用途进行说明, 并解释其用途,错一个扣 4 分。 2 正确布置安全标示 60 按照指定的作业场景,正确布置相关的安全标 示(2 个)。选错标示一个扣 20 分,摆放位置 错误一个扣 10 分。 3 合计 100 - 40 - 4.2 安全操作技术(K2) 4.2.1 10kV 高压开关柜的停(送)电操作(K21) 4.2.1.1 考试方式 实际操作、仿真模拟操作。 4.2.1.2 考试时间 30 分钟。 4.2.1.3 安全操作步骤 (1)按照作业任务要求正确填写操作票。 (2)按照作业任务要求正确选择安全用具,做好个人防护工作。 (3)遵循安全操作规程,按照操作票的步骤正确操作。 (4)操作结束后,对操作质量进行检查。 4.2.1.4 评分标准 K21 10kV 高压开关柜的停(送)电操作 考试时间:30 分钟 序号 考试项目 考试内容 配分 评分标准 1 10kV 高压开关柜 的停(送)电 操作 正确填写操作票 30 按照作业任务要求正确填写操作票,操作票填 写不规范,视情况扣 2-30 分。 安全意识 20 未正确选择所需的安全用具,扣 5 分;未做好 个人防护,扣 5 分;未执行模拟倒闸操作,扣 5 分;未核对设备的位置、名称、编号和运行 方式,扣 5 分。 操作技能 50 遵循安全操作规程,操作步骤正确。停送电时, 拉合隔离开关前应检查断路器处于分闸位置, 停电时,要把接地开关合上,操作正确,少检 查、少操作一个扣 5 分。停送电时,操作隔离 开关和断路器的顺序应正确,若错误扣 50 分。 每操作完一步,要检查隔离开关和断路器的操 作状态,少检查一个扣 5 分。全部操作顺序要 正确流畅。不流畅扣 6 分,出现大的操作错误 扣 50 分。储能装置储能完毕后电源开关要复 位,未复位,扣 5 分。送电时,要通过电压转 换开头来检查电压,未检查扣 5 份。在规定时 间内操作完成,并检查一次设备。超时扣 5-10 分,未检查扣 5 分。 2 否定项 操作票填写 扣除该 题分数 针对操作任务正确填写操作票,若操作票填写 不正确,不准操作,考生该题得分为零分,终 止该项目的考试。 3 合计 100 4.2.2 10kV 高压成套配电装置的巡视检查(K22) 4.2.2.1 考试方式 实际操作、口述。 4.2.2.2 考试时间 - 41 - 30 分钟。 4.2.2.3 安全操作步骤 (1)按照作业任务要求正确选择安全用具,做好个人防护工作。 (2)遵守安全规程,正确巡查高压配电室。 (3)对高压开关设备进行绝缘电阻测试。 (4)正确填写《高压配电室运行日志》。 4.2.2.4 评分标准 K22 10kV 高压成套配电装置的巡视检查 考试时间:30 分钟 序号 考试项目 考试内容 配分 评分标准 1 10kV 高压成套配 电装置的巡视检 查 安全意识 20 首先准备好该项操作所需的安全用具,并进行 检验,未准备所需安全用具或未检验扣 3-10 分。 未能做好个人防护,带上安全帽、戴绝缘手套 和穿绝缘靴(除巡视中),扣 2-10 分。 操作技能 60 遵守电力安全规程,巡视高压配电室,核对设 备的位置、名称、编号,未正确说出设备所处 的状态及运行方式,扣 3-15 分。未正确说出高 压配电室的运行检查及维护要点,扣 5-15 分。 未正确说出高压开关柜所有指示灯及控制开关 的作用,扣 5-10 分。熟知高压开关设备正常运 行的气象条件,在特殊气象条件下如何确保设 备正常运行,依据熟知程度扣 0-10 分。超时扣 5-10 分。 填写运行日志 20 根据当前设备运行情况,正确填写《高压配电 室运行日志》。错一项扣 3 分。 2 合计 100 4.2.3 10kV 柱上变压器的停(送)电操作(K23) 4.2.3.1 考试方式 实际操作、口述。 4.2.3.2 考试时间 30 分钟。 4.2.3.3 安全操作步骤 (1)按照作业任务要求正确填写操作票。 (2)按照作业任务要求正确选择安全用具,做好个人防护工作。 (3)遵循安全操作规程,按照操作票的步骤正确操作。 (4)结束操作任务后,对设备进行检查。 4.2.3.4 评分标准 - 42 - K23 10kV 柱上变压器的停(送)电操作考试时间:30 分钟 序号 考试项目 考试内容 配分 评分标准 1 10kV 柱上变压器 的停(送)电 操作 正确填写操作票 25 按照作业任务要求正确填写操作票,操作票填 写不规范的,视情况扣 2-25 分。 安全意识 20 未能准备好该项操作所需的安全用具并进行检 验,扣 2-5 分。未能做好个人防护,未戴上安 全帽、护目镜、绝缘手套和未穿绝缘靴,扣 2-5 分。要持操作票在模拟系统模拟操作一次,未 核对设备的位置、名称、编号和运行方式,扣 5-10 分。 操作技能 55 遵循安全操作规程,按照操作步骤正确。拉、 合跌落式熔断器的操作操作顺序不正确,扣 5-50 分。操作跌落式熔断器合闸时要检查合闸 牢固。不检查,扣 10 分。在拉、合跌落式熔断 器操作时,不允许跌落式熔断器落地,落地一 个扣 10 分。跌落式熔断器的熔丝安装工艺要正 确,不正确扣 5-10 分。全部操作顺序要正确流 畅。不流畅扣 5 分,出现大的操作错误扣 50 分。在规定时间内操作完成,并检查一次设备, 不检查确认扣 5 分。超时扣 5-10 分。 2 否定项 否定项说明 扣除该 题分数 针对操作任务正确填写操作票,若操作票填写 不正确,不准操作,考生该题得分为零分,终 止该项目的考试。 3 合计 100 4.2.4 10kV 高压开关柜故障判断及处理(K24) 4.2.4.1 考试方式 实际操作、口述。 4.2.4.2 考试时间 30 分钟。 4.2.4.3 安全操作步骤 (1)按照作业任务要求正确选择安全用具,做好个人防护工作。 (2)按照高压开关柜中保护装置报警信息判断故障类型和故障回路。 (3)遵循安全操作规程,把高压开关柜从运行状态转为检修状态。 (4) 结束操作任务后,对设备进行检查。 4.2.4.4 评分标准 - 43 - K24 10kV 高压开关柜故障判断及处理考试时间:30 分钟 序号 考试项目 考试 1 内容 配分 评分标准 1 10kV 高压开关柜 故障判断及处理 安全意识 20 未能准备好该项操作所需的安全用具并进行检 验,扣 2-5 分。未能做好个人防护,未戴安全 帽、护目镜、绝缘手套和未穿绝缘靴,扣 2-5 分。要持操作票在模拟系统模拟操作一次,未 核对设备的位置、名称、编号和运行方式,扣 5-10 分。 故障分析 25 未能正确观察高压开关柜保护装置的报警信 息,扣 5 分。未能依据信号指示正确判断故障 类型,扣 15 分。 故障处理 55 遵循安全操作规程,按照操作步骤正确。倒闸 时,操作顺序应正确流畅,操作出现错误,视 情况扣 5-55 分。在转检修状态后应把合闸电源 和控制电源的熔断器(控制开关)取下,漏取 一个扣 10 分。在规定时间内能正确操作完成, 超时扣 5-10 分。 2 合计 100 4.2.5 10kV 线路挂设保护接地线(K25) 4.2.5.1 考试方式 实际操作、口述。 4.2.5.2 考试时间 30 分钟。 4.2.5.3 安全操作步骤 (1)按照作业任务要求正确填写操作票。 (2)按照作业任务要求正确选择安全用具,做好个人防护工作。 (3)遵循安全操作规程,按照操作票的步骤正确操作。 (4)结束操作任务后,对设备进行检查。 4.2.5.4 评分标准 - 44 - K25 10kV 线路挂设保护接地线 考试时间:30 分钟 序号 考试项目 考试内容 配分 评分标准 1 10kV 线路挂 设保护接地 线 工 作 前 准 备 及检查 30 工作前准备:①穿工作服;②穿绝缘鞋;③正确戴好安全 帽;④系好安全带;⑤传递绳;⑥工具带;⑦个人工具; ⑧保护接地线;⑨高压验电器。每缺少一项工具扣 1 分, 不正确带安全帽与安全带扣 5 分。 工作前的检查:①登杆前检查杆根与拉线。②登杆工具的 检查,对登杆工具进行冲击试验。③验电器与保护地线使 用前检查,确定其完好。④核对现场设备名称编号,明确 断路器与隔离开关确在断开位置。未作检查一项扣 3 分, 未作试验扣 2 分。 操作技能 55 挂地线过程:①登杆:要动作规范、熟练,②工作位置确 定:要站位合适,安全带系绑正确。③验电:带绝缘手套 方法正确。④接地线装设:先接接地端后接导线端,逐相 挂设,操作熟练。 不熟练扣 5 分,不用绳索传递材料扣 10 分,位置过高、过 矮扣 5 分,顺序错误扣 15 分。出错一次 5 分。 工作终结验收:①接地线与导线连接可靠,没有缠绕现象。 ②操作人身不碰触接地线。③接地棒在地下深度不小于 600mm。连接不可靠一次 10 分,碰触地线一次扣 10 分,接 地体深度不够扣 10 分。 文明作业 15 ①工作前做危险点分析,并有预控措施。 ②操作过程中无跌落物。 ③工作完毕清理现场,交还工器具。 没进行危险点分析扣 5 分,跌落物一次扣 5 分,没清理现 场、交还工器具扣 5 分。 2 合计 100 4.2.6 变压器绝缘测量(K26) 4.2.6.1 考试方式 实际操作。 4.2.6.2 考试时间 30 分钟。 4.2.6.3 安全操作步骤 (1)选择测量用仪器、工具。 (2)检查仪器。 (3)测试前检查。 (4)测试前拆线。 (5)接线。 (6)测量与读数。 (7)绝缘表拆线及放电。 (8)计算与判断。 - 45 - (9)结束操作任务后,对仪器检查归位。 4.2.6.4 评分标准 K26 变压器绝缘测量 考试时间:30 分钟 序号 考试项目 考试内容 配分 评分标准 1 变压器绝 缘测量 工作准备及检查 30 工作准备:正确选择兆欧表及工具;检查兆 欧表,接线开路摇动兆欧表到额定转速,指 针至∞,接线短路摇动兆欧表到额定转速, 指针至 0。每错一项扣 5-15 分。 工作检查:检查试验变压器的实际情况,对 变压器的高、低压桩头进行验电、放电,确 定试验变压器的安全距离;断开与变压器桩 头的所有接线(包括变压器的工作接地线)。 每错一项扣 5-15 分。 操作技能 55 接线:将变压器高压、低压桩头分别短接, 测高压绕组对低压绕组及地绝缘电阻时,将 低压绕组接地,兆欧表“E”接地,“L”端 通过测试线接高压绕组,测试线需悬空与接 地线要分开,反之则相反。操作错误扣 5-20 分。测量与读数:将表放于平坦处手摇动摇 把,转速为 120r/min 匀速(1 分钟),指针 稳定后读数。操作错误扣 5-15 分。 绝缘表拆线及放电:工作结束后,应先断开 “L”端的引线,再停止摇动手柄,利用放 电棒对被测绕组进行有效放电,反之相同。 操作错误扣 5-20 分。 文明作业 15 清理现场,能按有关规定进行操作;工作完 毕后交还工器具、仪表,器具、仪表并无损 坏。现场清理不干净或未清理扣 5-10 分, 未交还器具、仪表扣 2-5 分。 2 合计 100 4.2.7 电力电缆绝缘测试(K27) 4.2.7.1 考试方式 实际操作。 4.2.7.2 考试时间 30 分钟。 4.2.7.3 安全操作步骤 (1)选择工器具。 (2)检查仪器。 (3)接线。 (4)测量。 (5)记录、换算。 - 46 - (6)清理现场。 4.2.7.4 评分标准 K27 电力电缆绝缘测试 考试时间:30 分钟 序号 考试项目 考试内容 配分 评分标准 1 电力电缆绝缘测 试 工作准备 30 正确选择工器具;按照正确方法检查仪器,进 行调零。每错一项扣 5-15 分。 操作技能 55 接线:表计正确接线;测量过程:分别测量, 各步测量中的注意事项,正确读数;记录、换 算:记录被测的温度,根据温度进行换算,测 量结果分析。每错一项扣 5-15 分。 文明作业 15 按有关规定清理现场;交还工器具、仪表,器 具、仪表并无损坏。现场清理不干净或未清理 扣 5-10 分,未交还器具、仪表扣 2-5 分。 2 合计 100 4.2.8 变压器分接开关调整(K28) 4.2.8.1 考试方式 实际操作。 4.2.8.2 考试时间 30 分钟。 4.2.8.3 安全操作步骤 (1)正确穿戴工作服、安全帽等。 (2)填写操作票。 (3)选择工器具、施工材料。 (4)调节分接开关。 (5)测量直流电阻。 (6)结果分析。 (7)清理现场。 4.2.8.4 评分标准 - 47 - K28 变压器分接开关调整 考试时间:30 分钟 序号 考试项目 考试内容 配分 评分标准 1 变压器 分接开关调整 工作准备 15 工作前准备:穿工作服;穿绝缘鞋;正确 戴好安全帽。每错一项工具扣 2-5 分。 按照作业任务要求正确填写操作票,操作 票填写不规范,视情况扣 2-5 分。 选择工器具、施工材料,满足施工要求。 每错一项扣 2-5 分。 操作技能 80 调节分接开关:接头调节不符合检修工艺 要求扣 5-20 分;处理方法及工具使用不正 确一项扣 5-10 分;连接不牢固扣 5-10 分。 测量直流电阻:操作不熟练扣 10 分,未按 正确顺序操作扣 10-30 分。 结果分析:未正确判断分析扣 10 分。 文明作业 5 清理现场,交还工器具,按有关规定进行 操作。现场未清理或清理不干净扣 2-5 分。 2 否决项 否决项说明 扣除该题 分数 操作票填写不正确,考生该题得分为零分, 终止该项目的考试。 3 合计 100 4.2.9 导线在绝缘子上绑扎(K29) 4.2.9.1 考试方式 实际操作。 4.2.9.2 考试时间 30 分钟。 4.2.9.3 安全操作步骤 (1)正确穿戴工作服、安全帽等。 (2)铝包带、扎线选用与外观检查。 (3)导线在绝缘子上绑扎。 (4)清理现场。 4.2.9.4 评分标准 - 48 - K29 导线在绝缘子上绑扎 考试时间:20 分钟 序号 考试项目 考试内容 配分 评分标准 1 导线在绝缘子上绑 扎 工作准备 15 工作前准备:穿工作服;穿绝缘鞋;正确戴 好安全帽。每错一项工具扣 2-5 分。 铝包带、扎线选用与外观检查,满足现场工 作需要,每错一项扣 5-10 分。 工作过程 80 ①裸导体上缠绕铝包带方法正确,长度合适。 铝包带缠绕方法,铝包带缠绕长度、缠绕方 向不正确扣 5-30 分。 ②导线在绝缘子侧向绑扎方法正确,缠绕方 向与导线外股绞制方向一致,缠绕长度两端 各大于绑扎点 30 ㎜。绑扎松动、不紧密扣 10 分,绑扎方法错误扣 10-25 分;双十字绑扎 方法正确,绑扎牢固紧密,铝包带两端预留 长度大于或小于 30 ㎜扣 10 分。绑扎不牢固、 不紧密扣10分,双十字绑扎法不正确扣 10-25 分。 文明作业 5 清理现场,交还工器具,按有关规定进行操 作。现场未清理或清理不干净扣 2-5 分。 2 合计 100 4.3 作业现场安全隐患排除(K3) 4.3.1 判断作业现场存在的安全风险、职业病危害(K31) 4.3.1.1 考试方式 口述。 4.3.1.2 考试时间 10 分钟。 4.3.1.3 安全操作步骤 依据提供的作业现场图片和视频,指出其中存在的安全风险和和职业病危害,具体可能涉及 如下: (1)现场作业时个人防护措施没做好; (2)作业现场乱拉电线或用电方法不安全; (3)现场作业时未放置相应的安全标示:如设备检修时,高压开关操作把手未挂“有人工 作,禁止合闸”标示牌; (4)高压带电设备未规划安全区域,未悬挂“止步,高压危险!”标志牌; (5)倒闸操作时存在操作错误项; (6)应急处理方法不当; (7)作业现场工具乱摆放; (8)高低压配电房未配置灭火器材。 4.3.1.4 评分标准 - 49 - K31 判断作业现场存在的安全风险、职业病危害 考试时间:10 分钟 序号 考试项目 考试内容 配分 评分标准 1 判断作业现场存 在的安全风险、职 业病危害 观察作业现场图片 或视频,明确作业任 务或用电环境 25 通过观察作业现场图片或视频,口述其中的作 业任务或用电环境,不正确扣 5-25 分。 安全风险和职业病 危害判断 75 口述其中存在的安全风险及职业病危害,少指 出一个扣 15 分,扣完为止。 2 合计 100 4.3.2 结合实际工作任务,排除作业现场存在的安全风险、职业病危害(K32) 4.3.2.1 考试方式 实际操作、口述。 4.3.2.2 考试时间 10 分钟。 4.3.2.3 安全操作步骤 (1)明确作业任务,做好个人防护; (2)观察作业现场环境; (3)排除作业现场存在的安全风险; (4)进行安全操作。 4.3.2.4 评分标准 K32 结合实际工作任务,排除作业现场存在的安全风险、职业病危害考试时间:10 分钟 序号 考试项目 考试内容 配分 评分标准 1 结合实际工作任 务,排除作业现场 存在的安全风险、 职业病危害 个人安全意识 20 未能明确作业任务,做好个人防护,视情况扣 5-20 分。 风险排除 50 观察作业现场环境,排除作业现场存在的安全 风险,少每排除一个扣 15 分。若未排除项会影 响操作时人身和设备的安全,则扣 50 分。 2 安全操作 安全操作 30 口述该项操作的安全规程。每少说一条扣 5 分。 3 合计 100 4.4 作业现场应急处置(K4) 4.4.1 触电事故现场的应急处理(K41) 考试内容详见通用部分。 4.4.2 单人徒手心肺复苏操作(K42) 考试内容详见通用部分。 4.4.3 灭火器的选择和使用(K43) 考试内容详见通用部分。 - 50 - 电力电缆作业安全技术实际操作考试标准 1.制定依据 《电力电缆作业培训大纲及考核标准》。 2.考试方式 实际操作、仿真模拟操作、口述。 3.考试要求 3.1 实操科目及内容 3.1.1 科目一:安全用具使用(K1) 3.1.1.1 10kV 三芯铠装电力电缆绝缘摇测(K11) 3.1.1.2 10kV 验电器检查、使用与保管(K12) 3.1.1.3 电工安全标示的辨识(K13) 3.1.2 科目二:安全操作技术(K2) 3.1.2.1 电力电缆线路核相操作(0.4kV 系统)(K21) 3.1.2.2 电力电缆安全施工中各种绳扣的打结操作(K22) 3.1.2.3 电力电缆型号截面识别(K23) 3.1.2.4 电缆终端头的制作安装(K24) 3.1.2.5 10kV 电力电缆户内热缩终端头制作(K25) 3.1.2.6 10kV 电力电缆户内冷缩终端头安全操作(K26) 3.1.2.7 10kV 线路挂设保护接地线(K27) 3.1.3 科目三:作业现场安全隐患排除(K3) 3.1.3.1 判断作业现场存在的安全风险、职业病危害(K31) 3.1.3.2 结合实际工作任务,排除作业现场存在的安全风险、职业病危害(K32) 3.1.4 科目四:作业现场应急处置(K4) 3.1.4.1 触电事故现场的应急处理(K41) 3.1.4.2 单人徒手心肺复苏操作(K42) 3.1.4.3 灭火器的选择和使用(K43) 3.2 组卷方式 实操试卷从上述四类考题中,各抽取一道实操题组成。具体题目由考试系统或考生抽取产生。 3.3 考试成绩 实操考试成绩总分值为 100 分,80 分(含)以上为考试合格;若考题中设置有否决项,否 决项未通过,则实操考试不合格。科目 1、科目 2、科目 3、科目 4 的分值权重分别为 20%、40%、 20%、20%。 3.4 考试时间 125 分钟。 4.考试内容 4.1 安全用具使用(K1) 4.1.1 10kV 三芯铠装电力电缆绝缘摇测(K11) 4.1.1.1 考试方式 实际操作、口述。 4.1.1.2 考试时间 15 分钟。 4.1.1.3 安全操作步骤 - 51 - (1)按给定的测量任务,选择合适的电工仪表。 (2)对所选的仪表进行检查。 (3)根据操作项目正确使用仪表进行 0.4kV 系统核相。 (4)正确读数,并对测量数据进行判断。 4.1.1.4 评分标准 K11 10kV 三芯铠装电力电缆绝缘摇测 考试时间:15 分钟 序号 考试项目 考试内容 配分 评分标准 1 10kV 三芯铠装电 力电缆绝缘摇测 选用 2500V 兆欧表 20 按给定的测量任务,选择合适的电工仪表。选择 不正确扣 20 分。 兆欧表检查 20 检查兆欧表外观及测量线是否完好,未检查外观 扣 5 分,未检查完好性扣 5 分。 检查开短路试验是否合格,未检查扣 10 分。 绝缘测量过程 50 做好个人安全防护:穿绝缘鞋、长袖工作服、戴 安全帽、带干净线手套,未做好个人安全防护扣 1-5 分。 进行测量前安全准备:①电缆应停电、验电、放 电、挂接地线、挂标识牌,拆除两端电源线,擦 净线端及附近,操作步骤违反安全规程或操作步 骤不完整视情况扣 5-10 分。②摇测项目为相对 相及铠装的绝缘:三芯电缆摇测三次,测试不正 确扣 5 分。③摇测 A 对 BC 及铠装的绝缘:把 BC 及铠装短连后接于 E。用裸铜线在 A 相线芯绝缘 层外绕 3~5 圈,再用带绝缘皮的,操作不正确扣 5 分。④软铜线接于 G。表先转、再搭接 L 线, 逐渐加速至每分钟 120 转。指针稳定后记录读 数。先撤 L 线再停摇。放电后拆线、摇下一项目。 操作不正确扣 5 分。⑤分别摇测 B 对 AC 和 C 对 AB 及铠装的绝缘。操作不正确视情况扣 10-30 分。 对测量结果进行 判断 10 绝缘合格值均不低于 400 兆欧,不符合要求扣 5-10 分。 2 否定项 否定项说明 扣 除 该 题分数 对给定的测量任务,无法正确选择合适的仪表, 违反安全操作导致自身或仪表处于不安全状态 等,考生该题得分零分,终止该项目考试。 3 合计 100 4.1.2 10kV 验电器检查、使用与保管(K12) 4.1.2.1 考试方式 实际操作、口述。 4.1.2.2 考试时间 10 分钟。 4.1.2.3 安全操作步骤 (1)熟知 10kV 验电器的用途及结构。 - 52 - (2)能对 10kV 验电器进行检查。 (3)正确使用 10kV 验电器。 (4)熟悉 10kV 验电器保养要求。 4.1.2.4 评分标准 K12 10kV 验电器检查、使用与保管 考试时间:10 分钟 序号 考试项目 考试内容 配分 评分标准 1 10kV 验电器 使用 10kV 验电器的用途及 结构 10 判定设备或线路导体是否带电,叙述有误扣 2-5 分。 叙述验电器的机构,叙述有误扣 2-5 分。 10kV 验电器的检查 25 检查验电器外观是否完好、连接是否牢固,未检查 扣 5 分。检查电压等级是否相符、是否有合格证、 有效期半年,未检查扣 3-10 分。自检电路是否正 常,未检查扣 10 分。 正确使用 10kV 验电器 60 ①验电必须穿长袖工作服、穿绝缘靴、戴绝缘手戴 安全帽,未做好个人安全防护扣 10 分。②高压验 电必须有专人监护,如无专人监护扣 5 分。③正式 验电前必须在已知带电体上检验验电器作用良好, 未检查扣 15 分。④必须逐相验电,手握部分应在 护环以下,未按规程操作扣 15 分。⑤验电时必须 注意保持安全距离,不符合安全距离扣 15 分。 10kV 验电器的保养 5 验电器使用完毕,应放入专用盒内,并置于干燥场 所保管,未按要求操作扣 5 分。 2 合计 100 4.1.3 电工安全标示的辨识(K13) 4.1.3.1 考试方式 口述。 4.1.3.2 考试时间 10 分钟。 4.1.3.3 安全操作步骤 (1)熟悉电力电缆作业常用的安全标示。 (2)能对指定的安全标示牌用途正确解释。 (3)能对指定的作业场景正确布置相关的安全标示。 4.1.3.4 评分标准 K13 电工安全标示的辨识 考试时间:10 分钟 序号 考试 项目 考试内容 配分 评分标准 1 常用 的安 全标 示的 辨识 熟悉常用的安全标示 20 指认图片上所列的安全标示 (5 个),错一个扣 4 分。 常用安全标示用途解 释 20 能对指定的安全标示(5 个)用途进行说明,并解释其 用途,错一个扣 4 分。 2 正确布置安全标示 60 按照指定的作业场景,正确布置相关的安全标示(2 个)。 摆放位置错误一个扣 10 分,选错标示一个扣 30 分。 3 合计 100 - 53 - 4.2 安全操作技术(K2) 4.2.1 电力电缆线路核相操作(0.4kV 系统)(K21) 4.2.1.1 考试方式 实际操作,仿真模拟操作。 4.2.1.2 考试时间 15 分钟。 4.2.1.3 安全操作步骤 (1)按照作业任务要求正确选择安全用具,做好个人防护工作。 (2)遵循安全操作规程,按照规定步骤正确操作。 (3)操作结束后,对操作质量进行检查。 4.2.1.4 评分标准 K21 电力电缆线路核相操作(0.4kV 系统) 考试时间:15 分钟 序号 考试项目 考试内容 配分 评分标准 1 电力电缆线路核 相(考核 0.4kV 系统) 核相前的准备 30 ①两人操作并设专人监护,不符合要求扣 10 分。 ②操作者必须穿长袖工作服、穿绝缘靴、戴绝缘 手戴安全帽,未做好个人安全防护扣 10 分。③ 万用表一块,测量线长短合适、绝缘良好,不符 合要求扣 10 分。 操作过程 70 ①两名操作人必须在监护人统一指令下操作,其 中任何一名操作者不按统一指令操作扣 30 分。 ②操作者一人手持一只表笔碰触已知相位电源 一相线,另一人手持另一表笔逐相碰触未知电源 三根相线。当电压表指示值近似为线电压时表示 不同相,电压表指示值近似为零时表示同相,应 立即作出同相位标记,操作步骤不完整视情况扣 5-30 分。③三相逐一核对共核九次,完成核相 工作,不符合要求扣 10 分。 2 否定项 否定项说明 扣除该 题分数 两名操作人必须在监护人统一指令下操作,无此 安全意识无法保证核相安全进行,考生该题得零 分,终止该项目考试。 3 合计 100 4.2.2 电力电缆安全施工中各种绳扣的打结操作(K22) 4.2.2.1 考试方式 实际操作、口述。 4.2.2.2 考试时间 15 分钟。 4.2.2.3 安全操作步骤 (1)按照作业任务要求正确选择安全用具,做好个人防护工作。 (2)遵守安全规程,安考官要求正确进行绳索结扣。 4.2.2.4 评分标准 - 54 - K22 电力电缆安全施工中各种绳扣的打结操作考试时间:15 分钟 序号 考试项目 考试内容 配分 评分标准 1 电力电缆 安全施工 中各种绳 扣的打结 操作 操作前的准备 20 ①操作者必须穿长袖工作服、穿绝缘鞋、戴干净线手套、 戴安全帽,未做好个人安全防护扣 3-5 分。②准备纱绳、 麻绳、棕绳及尼龙绳,否则扣 3-5 分。③金属吊钩一个, 否则扣 5 分。④木质或金属长方体一段,否则扣 5 分。 操作技能 60 ①叙述电力电缆施工常用绳结种类,叙述不正确扣 5 分。 ②叙述不同绳结所适用的对应场合,叙述不完整或不正确 扣 5-10 分。③根据考官指定方式正确进行结扣,操作不 正确扣 10-30 分。④结扣后检查捆绑应牢固,未检查 15 分。 安全注意事项 20 ①捆绑时应注意环境安全,错误扣 5 分。②捆绑时应注意 人身安全,错误扣 5 分。③必须保证捆绑绝对牢固,错误 扣 10 分。 2 合计 100 4.2.3 电力电缆型号截面识别(K23) 4.2.3.1 考试方式 实际操作、口述。 4.2.3.2 考试时间 15 分钟。 4.2.3.3 器材准备 (1)准备 10 段不同规格型号电力电缆。 (2)金属吊钩一个。 (3)木质或金属长方体一段。 4.2.3.4 安全操作步骤 (1)按照作业任务要求正确选择安全用具,做好个人防护工作; (2)遵守安全规程,按考官要求正确进行电力电缆型号截面识别。 4.2.3.5 评分标准 K23 电力电缆型号截面识别考试时间:15 分钟 序号 考试项目 考试内容 配分 评分标准 1 电力电缆型号截 面识别 操作前的准备 10 操作者必须穿长袖工作服、穿绝缘鞋、戴干净线 手套、戴安全帽,未做好个人安全防护扣 10 分。 操作技能 90 根据给定的 5 段电力电缆,判定其规格型号、电 压等级并进行汉字表述。每段满分 18 分,其中: 规格型号 10 分,每错一处扣 5 分、扣完为止;电 压等级 4 分,判定错误扣 4 分;汉字表述 4 分, 表述错误或不完整,扣 4 分。 2 合计 100 - 55 - 4.2.4 电缆终端头的制作安装(K24) 4.2.4.1 考试方式 实际操作、仿真模拟操作。 4.2.4.2 考试时间 90 分钟。 4.2.4.3 安全操作步骤 (1)按照作业任务要求正确选择安全用具,做好个人防护工作。 (2)遵循安全操作规程,按照规定步骤正确操作。 (3)操作结束后,对操作质量进行检查。 4.2.4.4 评分标准 K24 电缆终端头的制作安装考试时间:90 分钟 序号 考试 项目 考试内容 配分 评分标准 1 电缆 终端 头的 制作 安装 准备工作及安全 措施 4 戴安全帽、穿工作服、穿绝缘鞋、带个人工具,易燃用 具单独放置。操作错误扣 1-4 分。 2 工器具及材料的 选择和使用 2 选择正确工器具和材料,且会正确使用,摆放整齐。操 作错误扣 2 分。 3 剥切外护套 2 根据所选用厂家提供附件的具体要求尺寸,从电缆端部 剥除外护套,要求切口平齐。尺寸不准扣 1 分,切口不 平齐扣 1 分。 4 锯钢铠 (无钢铠此项不操 作) 10 在外护套断口量 30mm 做扎线,在扎线处钢铠要打磨处 理,扎线要绑扎牢固:①在扎线处不打磨处理扣 1 分; ②尺寸不符要求扣 1 分;③锯透扣 2 分;④用螺丝刀将 锯口撬起,用钳子撕下钢铠,不得撕裂、不得从末端绕 剥,否则扣 2 分;⑤扎线绕向应与钢铠方向一致,扎线 绑扎牢固、平齐,否则扣 4 分。 5 剥切内护套 3 预留 10mm 内护套,其余剥除。要求剥切口平齐且不得 伤及铜屏蔽层。①预留 10mm,否则扣 1 分;②剥切口 不平齐或伤及铜屏蔽层扣 2 分。 6 铜屏蔽层上安装 地线(如有钢铠者 也应进行地线连 接) 12 在焊接处要打磨、清理,并镀锡。地线进行镀锡处理, 长度不小于 30mm。离外护套切口 50mm 处将地线用铜扎 线固定。①焊接处不镀锡扣 2 分;②地线渗锡处理长度 小于 30mm 扣 1 分;③地线应固定于双层钢铠衔接处; ④不按离外护套切口 50mm 处将地线用铜线绑扎固定处 理扣 2 分。 7 电缆 终端 头的 制作 安装 安装分支手套 6 取填充物塞入三叉口,在焊地线处和钢铠上包绕填充 物,使成苹果形。将电缆外护套断口以下,80mm 内用 砂纸打毛、清理干净,将地线夹在中间绕包两层热溶胶。 套上分支手套,加热收缩,要求热缩均匀、表面光滑。 ①密封填充物不成苹果形扣 1 分;②断口以下 80mm 内 不用砂纸打毛,忘将地线夹在中间绕包两层热溶胶扣 2 分。 - 56 - 8 剥除多余的铜屏 蔽层 6 按工艺要求保留分支手套端口以上的铜屏蔽层,其余应 剥除。剥时不得伤及半导电屏蔽层,剥切口平齐。①不 知应从分支手套端口以上预留 20mm 铜屏蔽层、其余剥 除的扣 3 分;②剥时伤及半导电屏蔽层或切口不平齐扣 3 分。 9 剥切多余的半导 电屏蔽层 12 按工艺要求保留铜屏蔽层切口以上上半导电屏蔽层,其 余剥除。剥除时不伤及绝缘,剥切口将半导电屏蔽层处 理成 3mm 小斜坡,不得有毛刺,不得将剥切口撕裂或撕 起。①不知自铜屏蔽层切口向上预留 20mm 半导电屏蔽 层、其余剥除的扣 4 分;②剥时伤及绝缘扣 5 分;③剥 口没处理成小斜坡、有毛刺扣 2 分;④剥切时撕裂或撕 起扣 1 分。 10 剥切多余绝缘 6 自缆芯端部量取接线端子孔深加 5mm,剥除绝缘,剥切 时不损伤缆芯,切口平齐。①剥切绝缘的长度不符要求 扣 4 分;②切口不平齐扣 2 分。 11 打磨、清洗绝缘层 10 打磨时,先将缆芯保护好。打磨绝缘层时,要求光滑, 清洗干净,无附着半导电颗粒。清洗时擦抹方向应从绝 缘层到半导电屏蔽层,不得反向。①打磨时忘将缆芯保 护好扣 1 分;②打磨得不光滑扣 4 分;③清洗时擦抹方 向错误扣 2 分;④清洗后仍附着半导电颗粒扣 3 分。 12 电缆 终端 头的 制作 安装 安装应力控制元 件 7 在绝缘外半导电屏蔽层切口上绝缘层台阶处之间,以及 绝缘表面,均匀涂抹适量硅脂,套入应力控制元件,使 其下端与分支手套端口对齐。应力管下端未与分支手套 端口对齐扣 1-7 分。 13 安装绝缘管 6 用干净布擦拭绝缘管、应力控制管及分支手套表面。套 上绝缘管,注意使涂有热溶胶的一端套至分支手套的根 部。并切除多余的绝缘管。①不将表面擦净扣 2 分;② 未将绝缘管的一端套至分支手套根部扣 2 分;③不切除 多余绝缘管扣 2 分。 14 安装接线端子(不 压接) 2 清洁缆芯,清洁接线端子,将接线端子套进缆芯。忘记 清洁扣 2 分。 15 加装密封管 4 先用填充物填平接线端子与绝缘管之间的间隙,并与接 线端子和绝缘管搭接 20mm。然后套入密封管。①不填 料扣 2 分;②搭接处不按 20mm 的尺寸扣 2 分。 16 文明作业 8 工作过程中注意安全;保持工器具材料摆放整齐、有序; 工作有条不紊;完工后清理现场,整理工器具,填写记 录。①有不安全行为扣 3 分;②不注意清洁、整齐扣 1 分;③工作忙乱扣 1 分;④不填记录扣 3 分。 17 合计 100 4.2.5 10kV 电力电缆户内热缩终端头制作(K25) 4.2.5.1 考试方式 - 57 - 实际操作、仿真模拟操作。 4.2.5.2 考试时间 90 分钟。 4.2.5.3 安全操作步骤 (1)按照作业任务要求正确选择安全用具,做好个人防护工作。 (2)遵循安全操作规程,按照规定步骤正确操作。 (3)操作结束后,对操作质量进行检查。 4.2.5.4 评分标准 K25 10kV 电力电缆户内热缩终端头制作 考试时间:90 分钟 序号 考试项目 考试内容 配分 评分标准 1 10kV 交联 聚乙烯电 缆户内热 缩终端头 制作 准备工作 及安全措 施 4 戴安全帽、穿工作服、穿绝缘鞋、带个人工具,易燃用具单独放置。 操作错误扣 1-4 分。 2 工器具及 材料的选 择和使用 2 知道应有什么工器具和材料,且会正确使用,摆放整齐。操作错误 扣 2 分。 3 剥切外护 套 2 根据所选用厂家提供附件的具体要求尺寸,从电缆端部剥除外护套, 要求切口平齐。尺寸不准扣 1 分;切口不平齐扣 1 分。 4 锯钢铠 8 在外护套断口量 30mm 做扎线,在扎线处钢铠要打磨处理,扎线要绑 扎牢固。①在扎线处不打磨处理扣 1 分;②尺寸不符要求扣 1 分; ③锯透扣 2 分;④用螺丝刀将锯口撬起,用钳子撕下钢铠,不得撕 裂、不得从末端绕剥,否则扣 2 分;⑤扎线绕向应与钢铠方向一致, 扎线绑扎牢固、平齐,否则扣 2 分。 5 剥切内护 套 3 预留 10mm 内护套,其余剥除。要求剥切口平齐且不得伤及铜屏蔽层。 ①预留 10mm,否则扣 1 分;②剥切口不平齐或伤及铜屏蔽层扣 2 分。 6 在钢铠及 铜屏蔽层 上焊地线 10 在焊接处要打磨、清理,并镀锡。地线进行镀锡处理,长度不小于 30mm,离外护套切口 50mm 处将地线用铜扎线固定。①焊接处不镀锡 扣 2 分;②地线渗锡处理长度小于 30mm 扣 2 分;③地线应固定于双 层钢铠衔接处。固定错误扣 3 分;④不按离外护套切口 50mm 处将地 线用铜线绑扎固定处理扣 3 分。 7 在钢铠及 铜屏蔽层 上焊地线 10 在焊接处要打磨、清理,并镀锡。地线进行镀锡处理,长度不小于 30mm。离外护套切口 50mm 处将地线用铜扎线固定。①焊接表面不平 整,层间过渡处不光滑、有台阶、有毛刺扣 5 分;②焊接时烧伤半 导电屏蔽层或绝缘层扣 5 分。 8 热缩分支 手套 6 取填充物塞入三叉口,在焊地线处和钢铠上包绕填充物,使成苹果 形。将电缆外护套断口以下,80mm 内用砂纸打毛、清理干净,将地 线夹在中间绕包两层热溶胶。套上分支手套,加热收缩,要求热缩 均匀、表面光滑。 ①密封填充物不成苹果形扣 1 分;②断口以下 80mm 内不用砂纸打毛, 忘将地线夹在中间绕包两层热溶液扣 2 分;③不将分支手套套在根 部,热缩后出现气泡、有过热烧焦痕迹扣 3 分。 - 58 - 9 剥除多余 的铜屏蔽 层 6 由分支手套端口以上预留 20mm 铜屏蔽层,其余应剥除。剥时不得伤 及半导电屏蔽层,剥切口平齐。①不知应从分支手套端口以上预留 20mm 铜屏蔽层、其余剥除的扣 3 分;②剥时伤及半导电屏蔽层或切 口不平齐扣 3 分。 10 剥切多余 的半导电 屏蔽层 10 自铜屏蔽层切口向上预留 20mm 半导电屏蔽层,其余剥除。剥除时不 伤及绝缘,剥切口将半导电屏蔽层处理成 3mm 小斜坡,不得有毛刺, 不得将剥切口撕裂或撕起。①不知自铜屏蔽层切口向上预留 20mm 半 导电屏蔽层、其余剥除的扣 4 分;②剥时伤及绝缘扣 3 分;③剥口 没处理成小斜坡、有毛刺扣 2 分;④剥切时撕裂或撕起扣 1 分。 11 剥切多余 绝缘 6 自缆芯端部量取接线端子孔深加 5mm,剥除绝缘,剥切时不损伤缆芯, 切口平齐。①剥切绝缘的长度不符要求扣 4 分;②切口不平齐扣 2 分。 12 打磨、清 洗绝缘层 8 打磨时,先将缆芯保护好。打磨绝缘层时,要求光滑,清洗干净, 无附着半导电颗粒。清洗时擦抹方向应从绝缘层到半导电屏蔽层, 不得反向。①打磨时忘将缆芯保护好扣 1 分;②打磨得不光滑扣 3 分;③清洗时擦抹方向错误扣 2 分;④清洗后仍附着半导电颗粒扣 2 分。 13 热套应力 控制管 7 在绝缘外半导电屏蔽层切口上绝缘层台阶处之间,以及绝缘表面, 均匀涂抹适量硅脂,套入应力控制管,使其下端与分支手套端口对 齐,然后加热收缩。要求热缩均匀,表面光滑,无烧焦痕迹。①忘 套热应力管扣 4 分;②在热套处涂抹硅脂不均匀扣 1 分;③应力管 下端未与分支手套端口对齐扣 1 分;④热缩不均匀、有烧焦痕迹扣 1 分。 14 安装接线 端子(不 压接) 1 清洁缆芯,清洁接线端子,将接线端子套进缆芯。忘记清洁扣 1 分。 15 热套绝缘 管 6 用干净布擦拭绝缘管、应力控制管及分支手套表面。套上绝缘管, 注意使涂有热溶胶的一端套至分支手套的根部。加热收缩,并切除 多余的绝缘管。要求热缩均匀,无烧焦痕迹。①不将表面擦净扣 2 分;②不将涂有热溶胶的一端套至分支手套根部扣 1 分;③不切除 多余绝缘管扣 1 分;④热缩不均匀,有烧焦痕迹扣 2 分。 16 加装密封 管 3 先用填充物填平接线端子与绝缘管之间的间隙,并与接线端子和绝 缘管搭接 20mm。然后套入密封管,加热收缩(收缩后密封管两端有 胶溢出属正常)。①不填料扣 2 分;②搭接处不按 20mm 的尺寸扣 1 分。 17 核相及加 相标 3 核对电缆相序,将相色管分别套入密封管与绝缘管之间,加热收缩。 要求相序标记(相标)与电缆本体相序一致。①忘核相序或不会核 相序扣 1 分;②相标标错扣 2 分。 18 文明作业 5 工作过程中注意安全;保持工器具材料摆放整齐、有序;工作有条 不紊;完工后清理现场,整理工器具,填写记录。①有不安全行为 扣 3 分;②不注意清洁、整齐扣 1 分;③工作忙乱扣 1 分;④不填 记录扣 2 分。 19 合计 100 - 59 - 4.2.610kV 电力电缆户内冷缩终端头安全操作(K26) 4.2.6.1 考试方式 实际操作、口述。 4.2.6.2 考试时间 90 分钟。 4.2.6.3 安全操作步骤 (1)根据电缆选择相对应的附件。 (2)按照作业任务要求正确选择安全用具,做好个人防护工作。 (3)遵循安全操作规程,按照工艺要求正确操作。 (4)结束操作任务后,进行检查。 4.2.6.4 评分标准 K26 10kV 电力电缆户内冷缩终端头安全操作考试时间:90 分钟 序号 考试 项目 考试 内容 配分 评分标准 1 10kV 电力 电缆 户内 冷缩 终端 头安 全操 作 准备 工作 及安 全措 施 10 ①戴安全帽、穿工作服、穿绝缘鞋、带个人工具,未按要求做好个人安 全防护扣 1-2 分。②确认电缆端部密封完好,并进行校潮,否则扣 2 分。 ③将电缆用抱箍固定在电缆支架上,端头部分调直,否则扣 2 分。④清 洁电缆端头向后一米的外护套表面,否则扣 2 分。⑤根据电缆选用相适 应的冷缩附件,选用不正确扣 2 分。 操作 技能 85 ①根据安装工艺说明书的尺寸,确定电缆接头的长度。在此长度上加 100mm,将多余电缆去除,否则扣 1 分。②剥切外护套;将锯好的电缆 按说明书中尺寸剥切外护套,将断口向后 100mm 段用砂布打毛,否则扣 1 分。③锯除钢铠:先将钢铠前段用 PVC 带扎好并保留端口处一小段外 护套,再按说明书在预留钢铠尺寸处捆绑扎线(或使用恒力弹簧),固 定牢靠后,锯除多余钢铠;锯钢铠时深度不超过铠装厚度的三分之二, 锯断钢铠不得损伤内护套,切口要整齐,不得有尖角毛刺,否则扣 2 分。 ④剥内护套:在钢铠断口处保留内护套 15mm—20mm,其余切除,用胶 带在铜屏蔽端部绕包一至二层,防止铜屏蔽散开,切除内护套时勿伤及 铜屏蔽,划深应为内护套厚度的二分之一,否则扣 2-7 分。⑤铠装及铜 屏蔽接地线的安装:对钢铠接地处进行打磨,去除氧化层,然后用两个 恒力弹簧将两根地线分别固定在铜屏蔽和钢铠上。顺序是:先安装铠装 接地线,安装完用绝缘胶带缠绕两层。再安装铜屏蔽接地线,三相要求 接触良好,并且用绝缘胶带缠绕两层。铠装接地线与铜屏蔽接地线分别 安装在电缆两侧。未按要求操作或顺序不正确扣 2-8 分。 ⑥填充绕包处理:用填充胶将接地线处绕包充实,并在接地线与外护套 间及地线上面各绕包一层填充胶,将地线包在中间,以起到防潮和避免 突出异物损伤分支手套的作用,否则扣 4 分。⑦安装冷缩三相分支手套。 分支手套套入电缆分叉处,先抽出下端内部塑料螺旋条,再抽出三个支 管内部的塑料螺旋条。注意收缩要均匀,不能用蛮力,以免造成附件损 坏。操作不当或造成附件损坏扣 2-10 分。⑧安装冷缩绝缘管:将冷缩 绝缘管分别套入电缆,绝缘管要套入根部,与分支手套搭接要符合要求, 否则扣 4 分。⑨去除多余绝缘管:按安装工艺尺寸使用恒力弹簧去除铜 屏蔽和半导电层。铜屏蔽边缘用粘铜条缠绕,铜屏蔽及半导电层端口边 - 60 - 缘整齐、无毛刺,去除半导电层时不得划伤绝缘(操作此步骤时要格外 小心,不能伤及电缆绝缘),不符合要求或伤及电缆绝缘的扣 5-15 分。 ⑩确定接头最终位置,锯断多余电缆,否则扣 2 分。⑪切除绝缘:根据 接线端子的孔深加 5mm 来确定切除绝缘的长度,不符合要求扣 2 分。⑫ 处理半导电层和主绝缘层:用砂布或小圆锉对半导电层断口进行打磨处 理,用砂布打磨主绝缘表面(不能用打磨过半导电层的砂布打磨主绝 缘),操作不正确扣 5-15 分。⑬清洁电缆绝缘表面:必须由绝缘向半导 电层擦拭,操作不正确扣 5 分。⑭安装冷缩绝缘件:冷缩材料从根部向 端部收缩,注意收缩要均匀,不能用力过大,以免造成附件损坏,操作 不当或造成附件损坏扣 2 分。 ⑮压接:根据电缆的规格选择相对应的磨具,压接的顺序为先上后下。 压接后打磨毛刺、飞边。压接顺序不当或未打磨扣 2-5 分。⑯清理接线 端子,擦拭干净后,按安装工艺说明书中指定的填充物将接线端子处填 充,否则扣 1 分。⑰安装冷缩相色管:按相位颜色分别套入各相,逆时 针抽出塑料螺旋条,否则扣 1 分。 2 文明 作业 5 工作过程中注意安全;保持工器具材料摆放整齐、有序;工作有条不紊; 完工后清理现场,整理工器具,填写记录。①有不安全行为扣 2 分;② 不注意清洁、整齐扣 1 分;③工作忙乱扣 1 分;④不填记录扣 1 分。 3 否定 项 否定 项说 明 扣除 该题 分数 剥除半导电屏蔽层时不得伤及绝缘、长度应符合附件工艺要求。否则考 生该题得分为零分。 4 合计 100 4.2.7 10kV 线路挂设保护接地线(K27) 4.2.7.1 考试方式 实际操作、口述。 4.2.7.2 考试时间 30 分钟。 4.2.7.3 安全操作步骤 (1)按照作业任务要求正确填写操作票。 (2)按照作业任务要求正确选择安全用具,做好个人防护工作。 (3)遵循安全操作规程,按照操作票的步骤正确操作。 (4)结束操作任务后,对设备进行检查。 4.2.7.4 评分标准 - 61 - K27 10kV 线路挂设保护接地线 考试时间:30 分钟 序号 考试 项目 考试 内容 配分 评分标准 1 10kV 线路 挂设 保护 接地 线 工作 前准 备及 检查 30 工作前准备:①作业人应穿工作服,②穿绝缘鞋,③正确戴好安全帽,④ 系好安全带,⑤传递绳,⑥工具带,⑦个人工具,⑧保护接地线,⑨高压 验电器。每缺少一项工具扣 1 分,不正确带安全帽与安全带扣 5 分。 工作前的检查:①登杆前检查杆根与拉线。②登杆工具的检查,对登杆工 具进行冲击试验。③验电器与保护地线使用前检查,确定其完好。④核对 现场设备名称编号,明确断路器与刀闸确在断开位置。未作检查一项扣 5 分,未作试验扣 5 分。 操作 技能 55 挂地线过程:①登杆:要动作规范、熟练,②工作位置确定:要站位合适, 安全带系绑正确。③验电:带绝缘手套方法正确。④接地线装设:先接接 地端后接导线电端,逐相挂设,操作熟练。不熟练扣 5 分,不用绳索传递 材料扣 10 分,位置过高、过矮扣 5 分,顺序错误扣 15 分。出错一次 5 分。 工作终结验收:①接地线与导线连接可靠,没有缠绕现象。②操作人身不 碰触接地线。③接地棒在地下深度不小于 600mm。连接不可靠一次 10 分, 碰触地线一次扣 10 分,接地体深度不够扣 10 分。 文明 作业 15 ①工作前做危险点分析,并有预控措施。②操作过程中无跌落物。③工作 完毕清理现场,交还工器具。没进行危险点分析扣 5 分,跌落物一次扣 5 分,没清理现场、交还工器具扣 5 分。 2 合计 100 4.3 作业现场安全隐患排除(K3) 4.3.1 判断作业现场存在的安全风险、职业病危害(K31) 4.3.1.1 考试方式 口述。 4.3.1.2 考试时间 10 分钟。 4.3.1.3 安全操作步骤 (1)认真阅读考官提供的作业现场、图片或视频。 (2)指出其中存在的安全风险和和职业病危害,具体可能涉及如下: 1)现场作业时个人防护措施没做好; 2)作业现场乱拉电线或用电方法不安全; 3)现场作业时未放置相应的安全标示:如设备检修时,高压开关操作把手未挂“有人工作, 禁止合闸”标示牌; 4)高压带电设备未规划安全区域,未悬挂“止步,高压危险!”标志牌; 5)倒闸操作时存在操作错误项; 6)应急处理方法不当; 7)作业现场工具乱摆放; 8)高低压配电房未配置灭火器材。 4.3.1.4 评分标准 - 62 - K31 判断作业现场存在的安全风险、职业病危害考试时间:10 分钟 序号 考试项目 考试内容 配分 评分标准 1 判断作业现场存 在的安全风险、职 业病危害 观察作业现场、图 片或视频明确作 业任务或用电环 境 25 通过观察作业现场、图片或视频,口述其中的 作业任务或用电环境,不正确扣 5-25 分。 安全风险和职业 病危害判断 75 口述其中存在的安全风险及职业病危害,少指 出一个扣 15 分。 2 合计 100 4.3.2 结合实际工作任务,排除作业现场存在的安全风险、职业病危害(K32) 4.3.2.1 考试方式 实际操作、口述。 4.3.2.2 考试时间 10 分钟。 4.3.2.3 安全操作步骤 (1)明确作业任务,做好个人防护; (2)观察作业现场环境; (3)排除作业现场存在的安全风险; (4)进行安全操作。 4.3.2.4 评分标准 K32 结合实际工作任务,排除作业现场存在的安全风险、职业病危害考试时间:10 分钟 序号 考试项目 考试内容 配分 评分标准 1 结合实际工作任 务,排除作业现场 存在的安全风险、 职业病危害 个人安全意识 20 未能明确作业任务,做好个人防护,视准备情 况扣 5-20 分。 风险排除 50 观察作业现场环境,排除作业现场存在的安全 风险,少每排除一个扣 15 分。若未排除项会影 响操作时人身和设备的安全,则扣 50 分。 2 安全操作 安全操作 30 口述该项操作的安全规程。每少说一条扣 5 分。 3 合计 100 4.4 作业现场应急处置(K4) 4.4.1 触电事故现场的应急处理(K41) 考试内容详见通用部分。 4.4.2 单人徒手心肺复苏操作(K42) 考试内容详见通用部分。 4.4.3 灭火器的选择和使用(K43) 考试内容详见通用部分。 - 63 - 继电保护作业安全技术实际操作考试标准 1.制定依据 《继电保护作业培训大纲及考核标准》。 2.考试方式 实际操作、仿真模拟操作、口述。 3.考试要求 3.1 实操科目及内容 3.1.1 科目一:安全用具使用(K1) 3.1.1.1 继电保护常用仪器仪表使用(K11) 3.1.1.2 常用安全用具的检查及使用(K12) 3.1.2 科目二:安全操作技术(K2) 3.1.2.1 分立元件电磁型电流继电器检验(K21) 3.1.2.2 电流互感器极性检验 (运行中变电站 10kV 馈线间隔)(K22) 3.1.2.3 电流速断保护检验(线路微机保护装置)(K23) 3.1.2.4 线路重合闸自动装置检验(K24) 3.1.3 科目三:作业现场安全隐患排除(K3) 3.1.3.1 断路器合闸回路故障查找(K31) 3.1.3.2 备用电源自动投入装置拒动(K32) 3.1.3.3 跳闸回路断线故障查找(K33) 3.1.4 科目四:作业现场应急处置(K4) 3.1.4.1 触电事故现场的应急处理(K41) 3.1.4.2 单人徒手心肺复苏操作(K42) 3.1.4.3 灭火器的选择和使用(K43) 3.2 组卷方式 实操试卷从上述四类考题中,各抽取一道实操题组成。具体题目由考试系统或考生抽取产生。 3.3 考试成绩 实操考试成绩总分值为 100 分,80 分(含)以上为考试合格;若考题中设置有否决项,否 决项未通过,则实操考试不合格。科目 1、科目 2、科目 3、科目 4 的分值权重分别为 20%、40%、 20%、20%。 3.4 考试时间 60 分钟。 4.考试内容 4.1 安全用具使用(K1) 4.1.1 继电保护常用仪器仪表使用(K11) 4.1.1.1 考试方式 实际操作、口述。 4.1.1.2 考试时间 10 分钟。 4.1.1.3 安全操作步骤 (1)按给定的测量任务,选择合适的电工仪表。 (2)对所选的仪器仪表进行检查。 (3)正确使用仪器仪表。 - 64 - (4)正确读数,并对测量数据进行判断。 4.1.1.4 评分标准 K11 继电保护常用仪器仪表使用 考试时间:10 分钟 序号 考试项目 考试内容 配分 评分标准 1 继电保护常用仪 器仪表使用 选用合适的仪表 20 叙述各种仪表的作用,不正确扣 10 分;针对考评 员布置的测量任务,正确选择合适的电工仪表(万 用表、兆欧表),仪表选择不正确扣 10 分。 仪表检查 20 正确检查仪表的外观,未检查外观扣 10 分;未检 查完好性,扣 10 分。 正确使用仪表 50 遵循安全操作要求,按照操作步骤正确使用仪表, 得 50 分。操作步骤违反安全规程得零分,操作步 骤不完整视情况扣 5-50 分。 对测量结果进行 判断 10 未能对测量的结果进行分析判断,扣 10 分。 2 否定项 否定项说明 扣除该 题分数 对给定的测量任务,无法正确选择合适的仪表, 违反安全操作要求导致自身或仪表处于不安全状 态等,考生该题得分零分,终止该项目考试。 3 合计 100 4.1.2 常用安全用具的检查及使用(K12) 4.1.2.1 考试方式 实际操作、口述。 4.1.2.2 考试时间 10 分钟。 4.1.2.3 安全操作步骤 (1)熟知各种高压电工安全用具的用途及结构。 (2)能对各种高压电工安全用具进行检查。 (3)正确使用各种高压电工安全用具。 (4)熟悉各种高压电工安全用具保养要求。 4.1.2.4 评分标准 K12 常用安全用具的检查及使用 考试时间:10 分钟 序号 考试项目 考试内容 配分 评分标准 1 常用安全 用具的检 查及使用 常用安全用具的用途 35 叙述常用安全用具(临时遮拦、标示牌)的作用及使 用场合,叙述有误扣 5-35 分。 常用安全用具的选用 及检查 15 正确选用安全用具,检查外观,选用不正确扣 10 分; 未检查外观扣 5 分。 正确使用安全用具 40 遵循安全操作规程,按照操作步骤正确使用安全用 具。操作步骤违反安全规程得零分,安全标示位置错 误或不完整扣 20 分;遮拦范围设置不正确扣 20 分。 常用安全用具的存放 10 未正确叙述存放要求,扣 5-10 分。 2 合计 100 - 65 - 4.2 安全操作技术(K2) 4.2.1 分立元件电磁型电流继电器检验(K21) 4.2.1.1 考试方式 实际操作、口述。 4.2.1.2 考试时间 25 分钟。 4.2.1.3 安全操作步骤 (1)准备试验设备、工器具及辅助材料; (2)按照作业任务要求对被试装置回路做好相关安全措施; (3)电磁型电流继电器定值检验; (4)作业现场恢复整理; (5)编写《检验报告》。 4.2.1.4 评分标准 K21 分立元件电磁型电流继电器检验 考试时间:25 分钟 序号 考试项目 考试内容 配分 评分标准 1 分立元件电磁型 电流继电器检验 检验前的准备工作 15 设备仪表选择正确,选择错误或不齐全,扣 5-10 分; 工器具及辅助材料准备齐全,准备错误或不齐 全,扣 5 分。 电磁型电流继电器 定值检验 65 电磁型电流继电器的检查,未检查或检查不全, 扣 5-10 分;检验接线正确,接线错误扣 5-10 分;整定值校验,校验不正确或缺项扣 10-20 分;电磁型电流继电器返回系数调整,调整错 误扣 5-15 分;操作步骤应正确,操作错误扣 10 分。 文明作业 10 清理现场,交还工器具,按有关规定进行操作。 现场未清理或清理不干净扣 5-10 分。 编写《检验报告》 10 《检验报告》编写完整正确,编写错误或不完 整,扣 5-10 分。 2 否定项 操作票填写 扣除该 题分数 针对操作任务正确填写操作票,若操作票填写 不正确,不准操作,考生该题得分为零分,终 止该项目的考试。 3 合计 100 4.2.2 电流互感器极性检验 (运行中变电站 10kV 馈线间隔)(K22) 4.2.2.1 考试方式 实际操作、口述。 4.2.2.2 考试时间 25 分钟。 4.2.2.3 安全操作步骤 (1)准备试验设备、工器具及辅助材料; - 66 - (2)按照作业任务要求对被试装置回路做好相关安全措施; (3)电流互感器极性检验; (4)作业现场恢复整理; (5)编写《检验报告》。 4.2.2.4 评分标准 K22 电流互感器极性检验(运行中变电站 10kV 馈线间隔) 考试时间:25 分钟 序号 考试项目 考试内容 配分 评分标准 1 电流互感器极性 检验 (运行中变 电站 10kV 馈线间 隔) 检验前的准备工作 15 设备仪表选择正确,选择错误或不齐全,扣 5-10 分;工器具及辅助材料准备齐全,准备错误或 不齐全,扣 5 分。 电流互感器极性检 验 65 核对设备的位置、名称、编号,未核对,扣 5-10 分;拆除电流互感器二次接线,未拆除或拆除 不正确扣 5-10 分;检验接线正确,接线错误扣 10-20 分;点极性方法及手法正确,操作错误扣 5-10 分;判断电流互感器极性,判断错误,扣 15 分。 文明作业 10 清理现场,交还工器具,按有关规定进行操作。 现场未清理或清理不干净扣 5-10 分。 编写《检验报告》 10 《检验报告》编写完整正确,编写错误或不完 整,扣 5-10 分。 2 否定项 操作票填写 扣除该 题分数 针对操作任务正确填写操作票,若操作票填写 不正确,不准操作,考生该题得分为零分,终 止该项目的考试。 3 合计 100 4.2.3 电流速断保护检验(线路微机保护装置)(K23) 4.2.3.1 考试方式 实际操作、口述。 4.2.3.2 考试时间 25 分钟。 4.2.3.3 安全操作步骤 (1)准备试验设备、工器具及辅助材料; (2)按照作业任务要求对被试装置回路做好相关安全措施; (3)电流速断保护检验; (4)作业现场恢复整理; (5)编写《检验报告》。 4.2.3.4 评分标准 - 67 - K23 电流速断保护检验(线路微机保护装置)考试时间:25 分钟 序号 考试项目 考试内容 配分 评分标准 1 电流速断保护检 验(线路微机保护 装置) 检验前的准备工作 10 微机保护测试仪选择正确,选择错误或不齐 全,扣 5 分;工器具及辅助材料准备齐全,准 备错误或不齐全,扣 5 分。 电流速断保护检验 80 正确投退保护压板,未投退压板或投退错误扣 5-10 分;微机保护装置和接线端子的外观检 查,未检查或检查不全,扣 5-10 分;保护定 值核对,未核对或核对错误扣 5-10 分;正确 接线,接线错误扣 5-10 分;微机保护交流采 样值的校验,未校验或校验错误扣 5-10 分; 整定值校验,校验不正确或缺项扣 10-20 分; 操作步骤应正确,操作步骤错误,扣 10 分。 文明作业 5 清理现场,交还工器具,按有关规定进行操作。 现场未清理或清理不干净扣 5 分。 编写《检验报告》 5 《检验报告》编写完整正确,编写错误或不完 整,扣 5 分。 2 否定项 操作票填写 扣除该 题分数 针对操作任务正确填写操作票,若操作票填写 不正确,不准操作,考生该题得分为零分,终 止该项目的考试。 3 合计 100 4.2.4 线路重合闸自动装置检验(K24) 4.2.4.1 考试方式 实际操作、口述。 4.2.4.2 考试时间 25 分钟。 4.2.4.3 安全操作步骤 (1)准备试验设备、工器具及辅助材料; (2)按照作业任务要求对被试装置回路做好相关安全措施; (3)线路重合闸检验; (4)作业现场恢复整理; (5)编写《检验报告》。 4.2.4.4 评分标准 - 68 - K24 线路重合闸自动装置检验考试时间:25 分钟 序号 考试项目 考试内容 配分 评分标准 1 线路重合闸自动 装置检验 检验前的准备工作 10 微机保护测试仪选择正确,选择错误或不齐全, 扣 5 分;工器具及辅助材料准备齐全,准备错 误或不齐全,扣 5 分。 线路重合闸检验 80 正确投退保护压板,未投退压板或投退错误扣 5-10 分;微机保护装置和接线端子的外观检 查,未检查或检查不全,扣 5-10 分;保护定值 核对,未核对或核对错误扣 5-10 分;正确接线, 接线错误扣 5-10 分;微机保护交流采样值的校 验,未校验或校验错误扣 5-10 分;整定值校验, 校验不正确或缺项扣 10-20 分;操作步骤应正 确,操作步骤错误,扣 10 分。 文明作业 5 清理现场,交还工器具,按有关规定进行操作。 现场未清理或清理不干净扣 5 分。 编写《检验报告》 5 《检验报告》编写完整正确,编写错误或不完 整,扣 5 分。 2 否定项 操作票填写 扣除该 题分数 针对操作任务正确填写操作票,若操作票填写 不正确,不准操作,考生该题得分为零分,终 止该项目的考试。 3 合计 100 4.3 作业现场安全隐患排除(K3) 4.3.1 断路器合闸回路故障查找(K31) 4.3.1.1 考试方式 实际操作、口述。 4.3.1.2 考试时间 15 分钟。 4.3.1.3 安全操作步骤 (1)准备检验仪表和工器具; (2)按照作业任务要求对被试装置回路做好相关安全措施; (3)断路器合闸回路故障查找; (4)作业现场恢复整理; (5)填写《事故记录》。 4.3.1.4 评分标准 - 69 - K31 断路器合闸回路故障查找 考试时间:15 分钟 序号 考试项目 考试内容 配分 评分标准 1 断路器合闸回 路故障查找 检验前的准备工作 10 设备仪表选择正确,选择错误或不齐全,扣 5 分; 工器具准备齐全,准备错误或不齐全,扣 5 分。 断路器合闸回路故 障查找(停电查找) 70 万用表检查,未检查扣 10 分;故障查找,未查出故 障,扣 40 分;故障查找方法正确,故障查找方法错 误,扣 20 分。 文明作业 10 清理现场,交还工器具,按有关规定进行操作。现 场未清理或清理不干净扣 5-10 分。 填写《事故记录》 10 《事故记录》填写完整正确,填写错误或不完整, 扣 5-10 分。 2 否定项 操作票填写 扣除该 题分数 针对操作任务正确填写操作票,若操作票填写不正 确,不准操作,考生该题得分为零分,终止该项目 的考试。 3 合计 100 4.3.2 备用电源自动投入装置拒动(K32) 4.3.2.1 考试方式 口述。 4.3.2.2 考试时间 15 分钟。 4.3.2.3 安全操作步骤 (1)记录故障现象; (2)识图; (3)分析、判断故障原因; (4)排除故障措施; (5)填写《事故记录》。 4.3.2.4 评分标准 K32 备用电源自动投入装置拒动 考试时间:15 分钟 序号 考试项目 考试内容 配分 评分标准 1 备用电源自动 投入装置拒动 记录故障现象 10 故障现象记录应清晰完整,不记录或记录不完整, 扣 5-10 分。 分析、判断故障原 因 60 电路图分析过程思路应正确,不会分析或分析不清 扣 10-40 分;故障原因判断应准确,未判明故障原 因或判断错误,扣 10-20 分。 排除故障措施 20 故障排除措施应正确,措施不正确或不完整,扣 10-20 分。 填写《事故记录》 10 《事故记录》填写完整正确,填写错误或不完整, 扣 5-10 分。 2 合计 100 - 70 - 4.3.3 跳闸回路断线故障查找(K33) 4.3.3.1 考试方式 实际操作、口述。 4.3.3.2 考试时间 15 分钟。 4.3.3.3 安全操作步骤 (1)准备检验仪表和工器具; (2)按照作业任务要求对被试装置回路做好相关安全措施; (3)跳闸回路断线故障查找; (4)作业现场恢复整理; (5)填写《事故记录》。 4.3.3.4 评分标准 K33 跳闸回路断线故障查找 考试时间:15 分钟 序号 考试项目 考试内容 配分 评分标准 1 跳闸回路断线故 障查找 检验前的准备工 作 10 设备仪表选择正确,选择错误或不齐全,扣 5 分。 工器具准备齐全,准备错误或不齐全,扣 5 分。 跳闸回路断线故障 查找(停电查找) 70 万用表检查,未检查扣 10 分;故障查找,未查 出故障,扣 40 分;故障查找方法正确,故障查 找方法错误,扣 20 分。 文明作业 10 清理现场,交还工器具,按有关规定进行操作。 现场未清理或清理不干净扣 5-10 分。 填写《事故记录》 10 《事故记录》填写完整正确,填写错误或不完 整,扣 5-10 分。 2 否定项 操作票填写 扣除该 题分数 针对操作任务正确填写操作票,若操作票填写 不正确,不准操作,考生该题得分为零分,终 止该项目的考试。 3 合计 100 4.4 作业现场应急处置(K4) 4.4.1 触电事故现场的应急处理(K41) 考试内容详见通用部分。 4.4.2 单人徒手心肺复苏操作(K42) 考试内容详见通用部分。 4.4.3 灭火器的选择和使用(K43) 考试内容详见通用部分。 - 71 - 电气试验作业安全技术实际操作考试标准 1.制定依据 《电气试验作业人员安全技术培训大纲及考核标准》。 2.考试方式 实际操作、仿真模拟操作、口述。 3.考试要求 3.1 实操科目及内容 3.1.1 科目一:安全用具使用(K1) 3.1.1.1 电工仪表使用(K11) 3.1.1.2 电工安全用具使用(K12) 3.1.1.3 电工安全标示的辨识(K13) 3.1.2 科目二:安全操作技术(K2) 3.1.2.1 变压器变压比试验操作(K21) 3.1.2.2 氧化锌避雷器直流试验操作(K22) 3.1.2.3 电流互感器励磁特性试验操作(K23) 3.1.2.4 变压器绕组的介质损测量操作(K24) 3.1.2.5 断路器动作时间特性测量操作(K25) 3.1.3 科目三:作业现场安全隐患排除(K3) 3.1.3.1 互感器绝缘劣化隐患排查(K31) 3.1.3.2 变压器绕组和引线连接故障排查(K32) 3.1.3.3 断路器触头接触故障排查(K33) 3.1.4 科目四:作业现场应急处置(K4) 3.1.4.1 触电事故现场的应急处理(K41) 3.1.4.2 单人徒手心肺复苏操作(K42) 3.1.4.3 灭火器的选择和使用(K43) 3.2 组卷方式 实操试卷从上述四类考题中,各抽取一道实操题组成。具体题目由考试系统或考生抽取产生。 3.3 考试成绩 实操考试成绩总分值为 100 分,80 分(含)以上为考试合格;若考题中设置有否决项,否 决项未通过,则实操考试不合格。科目 1、科目 2、科目 3、科目 4 的分值权重分别为 20%、40%、 20%、20%。 3.4 考试时间 65 分钟。 4.考试内容 4.1 安全用具使用(K1) 4.1.1 电工仪表使用(K11) 4.1.1.1 考试方式 实际操作、口述。 4.1.1.2 考试时间 10 分钟。 4.1.1.3 安全操作步骤 (1)按给定的测量任务,选择合适的电工仪表。 - 72 - (2)对所选的仪器仪表进行检查。 (3)正确使用仪器仪表。 (4)正确读数,并对测量数据进行判断。 4.1.1.4 评分标准 K11 电工仪表使用考试时间:10 分钟 序号 考试项目 考试内容 配分 评分标准 1 电工仪表使用 选用合适的电工仪 表 20 叙述各种电工仪表的作用,不正确扣 10 分;针 对考评员布置的测量任务,正确选择合适的电 工仪表(万用表、钳形电流表、兆欧表、接地 电阻测试仪),仪表选择不正确扣 10 分。 仪表检查 20 正确检查仪表的外观,未检查外观扣 10 分;未 检查完好性,扣 10 分。 正确使用仪表 50 遵循安全操作要求,按照操作步骤正确使用仪 表,得 50 分。操作步骤违反安全规程得零分, 操作步骤不完整视情况扣 5-50 分。 对测量结果进行判 断 10 未能对测量的结果进行分析判断,扣 10 分。 2 否定项 否定项说明 扣除该 题分数 对给定的测量任务,无法正确选择合适的仪表, 违反安全操作要求导致自身或仪表处于不安全 状态等,考生该题得分为零分,终止该项目考 试。 3 合计 100 4.1.2 电工安全用具使用(K12) 4.1.2.1 考试方式 实际操作、口述。 4.1.2.2 考试时间 10 分钟。 4.1.2.3 安全操作步骤 (1)熟知各种高压电工安全用具的用途及结构。 (2)能对各种高压电工安全用具进行检查。 (3)正确使用各种高压电工安全用具。 (4)熟悉各种高压电工安全用具保养要求。 4.1.2.4 评分标准 - 73 - K12 电工安全用具使用 考试时间:10 分钟 序号 考试项目 考试内容 配分 评分标准 1 高压电工安全用 具使用 安全用具的用途及 结构 30 叙述高压电工安全用具(高压验电器、绝缘手 套、绝缘靴、绝缘拉杆、防护眼镜、绝缘夹钳、 绝缘垫、携带型接地线、脚扣、安全带、安全 帽、放电棒、登高板等用品中抽考三种)的作 用及使用场合,叙述有误扣 3-15 分;叙述各种 高压电工安全用具的结构组成,叙述有误扣 3-15 分。 安全用具的检查 15 正确检查外观,未检查外观扣 5 分;未检查合 格证有效期,扣 5 分;未检查可使用性,扣 5 分。 正确使用安全用具 40 遵循安全操作规程,按照操作步骤正确使用安 全用具。操作步骤违反安全规程得零分,步骤 不完整,操作步骤不完整视情况扣 5-40 分。 安全用具的保养 15 未正确叙述所选安全用具的保养要点,扣 3-15 分。 2 合计 100 4.1.3 电工安全标示的辨识(K13) 4.1.3.1 考试方式 实操、口述。 4.1.3.2 考试时间 10 分钟。 4.1.3.3 安全操作步骤 (1)熟悉高压电工作业常用的安全标示。 (2)能对指定的安全标示进行用途解释。 (3)能对指定的作业场景正确布置相关的安全标示。 4.1.3.4 评分标准 K13 电工安全标示的辨识考试时间:10 分钟 序号 考试项目 考试内容 配分 评分标准 1 常用的安全标示 的辨识 熟悉常用的安全标 示 20 指认图片上所列的安全标示 (5 个),全对得 20 分,错一个扣 4 分。 常用安全标示用途 解释 20 能对指定的安全标示(5 个)用途进行说明, 并解释其用途,错一个扣 4 分。 2 正确布置安全标示 60 按照指定的作业场景,正确布置相关的安全标 示(2 个)。选错标示一个扣 20 分,摆放位置 错误一个扣 10 分。 3 合计 100 - 74 - 4.2 安全操作技术(K2) 4.2.1 变压器变压比试验操作(K21) 4.2.1.1 考试方式 实际操作,仿真模拟操作,口述。 4.2.1.2 考试时间 30 分钟。 4.2.1.3 安全操作步骤 (1)准备试验设备、工器具及辅助材料; (2)按照作业任务要求正确选择安全用具,做好个人防护工作; (3)遵循安全操作规程,按照电气试验规程的要求正确操作; (4)作业现场恢复整理; (5)编写《试验报告》。 4.2.1.4 评分标准 K21 变压器变压比试验操作考试时间:30 分钟 序号 考试项目 考试内容 配分 评分标准 1 变压器变 压比试验 操作 试验前准备 工作 15 设置安全围栏,挂设安全标识牌,验电检查。清擦设备、 查看原始报告、穿工作服、工作鞋、戴安全帽,每漏一项 扣 3 分。 变压器变压 比试验 65 试验仪器检查,未检查或检查不全扣 5-10 分;试验接线 应正确可靠,接线错误扣 5-15 分;试验仪器参数设置正 确,设置错误扣 5-10 分;试验仪器正确操作,操作错误 扣 5-15 分;试验结果判断,判断错误扣 15。 文明作业 10 清理现场,交还工器具,按有关规定进行操作,现场未清 理或清理不干净扣 5-10 分。 编写试验报 告 10 试验报告编写完整正确,编写错误或不完整扣 5-10 分。 2 否定项 否定项说明 扣除该题分 数 未设置围栏,未挂标识牌或者未验电,考生该题得零分, 终止该项目考试。 3 合计 100 4.2.2 氧化锌避雷器直流试验操作(K22) 4.2.2.1 考试方式 实际操作,仿真模拟操作,口述。 4.2.2.2 考试时间 30 分钟。 4.2.2.3 安全操作步骤 (1)准备试验设备、工器具及辅助材料; (2)按照作业任务要求正确选择安全用具,做好个人防护工作; (3)遵循安全操作规程,按照电气试验规程的要求正确操作; (4)作业现场恢复整理; (5)编写《试验报告》。 - 75 - 4.2.2.4 评分标准 K22 氧化锌避雷器直流试验操作考试时间:30 分钟 序号 考试项目 考试内容 配分 评分标准 1 氧化锌避雷 器直流试验 操作 试验前准备工 作 15 设置安全围栏,挂设安全标识牌,验电检查。清擦设备、 查看原始报告、穿工作服、工作鞋、戴安全帽,每漏一项 扣 3 分。 氧化锌避雷器 直流试验 65 试验仪器检查,未检查或检查不全扣 5-10 分;试验接线 应正确可靠,接线错误扣 5-15 分;接微安表后,对避雷 器施加直流电压,测出 1mA 下直流电压,再测出 75%该电 压的下泄漏电流,试验完成后,降压至零后必须先将被试 避雷器对地放电后,再进行拆线操作,方法错误扣 5-15 分;试验仪器正确操作,操作错误扣 5-15 分;试验结果 判断,判断错误扣 15。 文明作业 10 清理现场,交还工器具,按有关规定进行操作,现场未清 理或清理不干净扣 5-10 分。 编写试验报告 10 试验报告编写完整正确,编写错误或不完整,扣 5-10 分。 2 否定项 否定项说明 扣除该 题分数 未接接地线,考生该题得零分,终止该项目考试。 3 合计 100 4.2.3 电流互感器励磁特性试验操作(K23) 4.2.3.1 考试方式 实际操作,仿真模拟操作,口述。 4.2.3.2 考试时间 30 分钟。 4.2.3.3 安全操作步骤 (1)准备试验设备、工器具及辅助材料; (2)按照作业任务要求正确选择安全用具,做好个人防护工作; (3)遵循安全操作规程,按照电气试验规程的要求正确操作; (4)作业现场恢复整理; (5)编写《试验报告》。 4.2.3.4 评分标准 - 76 - K23 电流互感器励磁特性试验操作考试时间:30 分钟 序号 考试项目 考试内容 配分 评分标准 1 电流互感器励磁 特性试验 试验前准备工作 15 设置安全围栏,挂设安全标识牌,验电检查。 清擦设备、查看原始报告、穿工作服、工作鞋、 戴安全帽,每漏一项扣 3 分。 电流互感器励磁特 性试验 65 试验仪器检查,未检查或检查不全扣 5-10 分; 试验接线应正确可靠, K1、K2、L1、L2 对应, 接线错误扣 5-15 分;试验仪器参数设置正确, 设置错误扣 5-10 分;试验仪器正确操作,操作 错误扣 5-15 分;试验结果判断,判断错误扣 15。 文明作业 10 清理现场,交还工器具,按有关规定进行操作, 现场未清理或清理不干净扣 5-10 分。 编写试验报告 10 试验报告编写完整正确,编写错误或不完整, 扣 5-10 分。 2 否定项 否定项说明 扣除该 题分数 未设置围栏,未挂标识牌或者未验电,考生该 题得零分,终止该项目考试。 3 合计 100 4.2.4 变压器绕组的介质损测量操作(K24) 4.2.4.1 考试方式 实际操作,仿真模拟操作,口述。 4.2.4.2 考试时间 30 分钟。 4.2.4.3 安全操作步骤 (1)准备试验设备、工器具及辅助材料; (2)按照作业任务要求正确选择安全用具,做好个人防护工作; (3)遵循安全操作规程,按照电气试验规程的要求正确操作; (4)作业现场恢复整理; (5)编写《试验报告》。 4.2.4.4 评分标准 - 77 - K24 变压器绕组的介质损测量操作考试时间:30 分钟 序号 考试项目 考试内容 配分 评分标准 1 变压器绕组的介 质损测量操作 试验前准备工作 15 设置安全围栏,挂设安全标识牌,验电检查。 清擦设备、查看原始报告、穿工作服、工作鞋、 戴安全帽,每漏一项扣 3 分。 变压器绕组的介质 损测量 65 试验仪器检查,未检查或检查不全,扣 5-10 分;试验方式选定,错误扣 5-10 分;试验接线 应正确可靠,接线错误扣 5-10 分;试验仪器参 数设置正确,设置错误扣 5-10 分;试验仪器正 确操作,操作错误扣 5-10 分;试验结果判断, 判断错误扣 15。 文明作业 10 清理现场,交还工器具,按有关规定进行操作, 现场未清理或清理不干净扣 5-10 分。 编写试验报告 10 试验报告编写完整正确,编写错误或不完整, 扣 5-10 分。 2 否定项 否定项说明 扣除该 题分数 未接接地线,考生该题得零分,终止该项目考 试。 3 合计 100 4.2.5 断路器动作时间特性测量操作(K25) 4.2.5.1 考试方式 实际操作,仿真模拟操作,口述。 4.2.5.2 考试时间 30 分钟。 4.2.5.3 安全操作步骤 (1)准备试验设备、工器具及辅助材料; (2)按照作业任务要求正确选择安全用具,做好个人防护工作; (3)遵循安全操作规程,按照电气试验规程的要求正确操作; (4)作业现场恢复整理; (5)编写《试验报告》。 4.2.5.4 评分标准 - 78 - K25 断路器动作时间特性测量操作考试时间:30 分钟 序号 考试项目 考试内容 配分 评分标准 1 断路器动作时间 特性测量操作 试验前准备工作 15 设置安全围栏,挂设安全标识牌,验电检查。 清擦设备、查看原始报告、穿工作服、工作鞋、 戴安全帽,每漏一项扣 3 分。 断路器动作时间特 性测量 65 试验仪器检查,未检查或检查不全,扣 5-10 分;试验接线应正确可靠,接线错误扣 5-10 分;试验仪器参数设置正确,设置错误扣 5-10 分;断路器操作正确,操作错误扣 5-10 分;试 验仪器正确操作,操作错误扣 5-10 分;试验结 果判断,判断错误扣 15。 文明作业 10 清理现场,交还工器具,按有关规定进行操作, 现场未清理或清理不干净扣 5-10 分。 编写试验报告 10 试验报告编写完整正确,编写错误或不完整, 扣 5-10 分。 2 否定项 否定项说明 扣除该 题分数 未设置围栏,未挂标识牌或者未验电,考生该 题得零分,终止该项目考试。 3 合计 100 4.3 作业现场安全隐患排除(K3) 4.3.1 互感器绝缘劣化隐患排查(K31) 4.3.1.1 考试方式 实际操作,仿真模拟操作,口述。 4.3.1.2 考试时间 15 分钟。 4.3.1.3 安全操作步骤 (1)准备试验设备、工器具及辅助材料; (2)按照作业任务要求正确选择安全用具,做好个人防护工作; (3)遵循安全操作规程,按照电气试验规程的要求正确操作; (4)作业现场恢复整理; (5)编写《试验报告》。 4.3.1.4 评分标准 - 79 - K31 互感器绝缘劣化隐患排查考试时间:15 分钟 序号 考试项目 考试内容 配分 评分标准 1 互感器绝缘劣化 隐患排查 隐患排查前准备工 作 15 验电、清擦设备、查看原始报告、穿工作服、 工作鞋、戴安全帽,每漏一项扣 2-3 分。 互感器绝缘劣化隐 患排查 65 试验仪器检查和校验,未检查或未校验,扣 5-10 分;试验接线应正确可靠,接线错误扣 5-10 分;试验前后应对绕组充分放电,非被试 绕组应可靠短路接地,未放电或未短路接地扣 5-10 分;试验仪器正确操作,操作错误扣 5-15 分;根据试验结果分析隐患,排除故障,分析 错误未能排除故障的扣 20 分。 文明作业 10 清理现场,交还工器具,按有关规定进行操作, 现场未清理或清理不干净扣 5-10 分。 编写试验报告 10 试验报告编写完整正确,编写错误或不完整, 扣 5-10 分。 2 合计 100 4.3.2 变压器绕组和引线连接故障排查(K32) 4.3.2.1 考试方式 实际操作,仿真模拟操作,口述。 4.3.2.2 考试时间 15 分钟。 4.3.2.3 安全操作步骤 (1)准备试验设备、工器具及辅助材料; (2)按照作业任务要求正确选择安全用具,做好个人防护工作; (3)遵循安全操作规程,按照电气试验规程的要求正确操作; (4)作业现场恢复整理; (5)编写《试验报告》。 4.3.2.4 评分标准 - 80 - K32 变压器绕组和引线连接故障排查考试时间:15 分钟 序号 考试项目 考试内容 配分 评分标准 1 变压器绕组和引 线连接故障排查 隐患排查前准备工 作 15 验电、清擦设备、查看原始报告、穿工作服、 工作鞋、戴安全帽,每漏一项扣 2-3 分。 变压器绕组和引线 连接故障排查 65 试验仪器检查,未检查扣 5-10 分;试验接线应 正确可靠,接线错误或不可靠扣 5-10 分;试验 电流选择正确,选择错误扣 5-10 分;试验仪器 正确操作,操作错误扣 5-15 分;根据试验结果 分析隐患,排除故障,分析错误未能排除故障 的扣 20 分。 文明作业 10 清理现场,交还工器具,按有关规定进行操作, 现场未清理或清理不干净扣 5-10 分。 编写试验报告 10 试验报告编写完整正确,编写错误或不完整, 扣 5-10 分。 2 合计 100 4.3.3 断路器触头接触故障排查(K33) 4.3.3.1 考试方式 实际操作,仿真模拟操作,口述。 4.3.3.2 考试时间 15 分钟。 4.3.3.3 安全操作步骤 (1)准备试验设备、工器具及辅助材料; (2)按照作业任务要求正确选择安全用具,做好个人防护工作; (3)遵循安全操作规程,按照电气试验规程的要求正确操作; (4)作业现场恢复整理; (5)编写《试验报告》。 4.3.2.4 评分标准 - 81 - K33 断路器触头接触故障排查考试时间:15 分钟 序号 考试项目 考试内容 配分 评分标准 1 断路器触头接触 故障排查 隐患排查前准备工 作 15 验电、清擦设备、查看原始报告、穿工作服、 工作鞋、戴安全帽,每漏一项扣 2-3 分。 断路器触头接触故 障排查 65 试验仪器检查,未检查或检查不全,扣 5-10 分;试验接线应正确可靠,接线错误扣 5-10 分;试验仪器参数设置正确,设置错误扣 5-10 分;正确操作:1.先合电源开关再合测试开关, 2.启动测量后,禁止移动测试线和电源线,3. 正确选择测量电流 I=100A,4.测量完毕先关闭 仪表电源,再关闭总电源,操作错误扣 5-15 分;根据试验结果分析隐患,排除故障,分析 错误未能排除故障的扣 20 分。 文明作业 10 清理现场,交还工器具,按有关规定进行操作, 现场未清理或清理不干净扣 5-10 分。 编写试验报告 10 试验报告编写完整正确,编写错误或不完整, 扣 5-10 分。 2 合计 100 4.4 作业现场应急处置(K4) 4.4.1 触电事故现场的应急处理(K41) 考试内容详见通用部分。 4.4.2 单人徒手心肺复苏操作(K42) 考试内容详见通用部分。 4.4.3 灭火器的选择和使用(K43) 考试内容详见通用部分。 - 82 - 第二部分 考试点设备配备标准 高压电工作业安全技术实际操作考试点设备配备标准 1.总则 高压电工安全技术实际操作考试分为安全用具使用、安全操作技术、作业现场安全隐患排除、 作业现场应急处置等 4 个科目,每个科目设置若干考题。考位按照每道考题要求,确定相应的作 业面积,并配置相应的考试设备及防护设施。 2.设备配备要求 2.1 安全用具使用 2.1.1 电工仪器仪表安全使用 序号 设备/器材 参考型号/规格 数量 1 万用表(数字式、指针式) 符合相关标准 若干 2 钳形电表(数字式、指针式) 符合相关标准 若干 3 500V、1000V、2500V 兆欧表((数字式、指针式)) 符合相关标准 若干 4 接地电阻测试仪(数字式、指针式) 符合相关标准 若干 5 9V 电池 符合相关标准 若干 6 1.5V 电池 符合相关标准 若干 7 直流单臂电桥 符合相关标准 若干 8 其他设备、设施、器材 若干 2.1.2 电工安全用具使用 序号 设备/设施/器材 参考型号/规格 数量 1 低压验电笔 符合相关标准 若干 2 高压验电笔、高压放电棒 符合相关标准 若干 3 绝缘棒 符合相关标准 若干 4 绝缘手套 符合相关标准 若干 5 绝缘靴 符合相关标准 若干 6 安全帽 符合相关标准 若干 7 携带型三相短路接地线 符合相关标准 若干 8 防护眼镜 符合相关标准 若干 9 绝缘夹钳 符合相关标准 若干 10 绝缘垫 符合相关标准 若干 11 安全带 符合相关标准 若干 12 高凳、登高板 符合相关标准 若干 13 脚扣 符合相关标准 若干 14 其他设备、设施、器材 若干 - 83 - 2.1.3 电工安全标示辨识 序号 设备/设施/器材 参考型号/规格 数量 1 电工安全标示牌 符合相关标准 若干 2 电工安全标示挂画 符合相关标准 若干 3 其他设备、设施、器材 若干 2.2 安全操作技术 2.2.1 10kV 高压开关柜的停(送)电操作、10kV 高压成套配电装置的巡视检查、10kV 高压开关 柜故障判断及处理 序号 设备/设施/器材 参考型号/规格 数量 1 进线柜 符合高压电器相关标准 若干 2 计量柜 符合高压电器相关标准 若干 3 出线柜 符合高压电器相关标准 若干 4 母联柜 符合高压电器相关标准 若干 5 搬运小车 符合高压电器相关标准 若干 6 安全帽 符合高压绝缘相关标准 若干 7 绝缘手套 符合高压绝缘相关标准 若干 8 绝缘靴 符合高压绝缘相关标准 若干 9 绝缘垫 符合高压绝缘相关标准 若干 10 高压验电器 符合高压绝缘相关标准 若干 11 操作把手 高压开关柜接地专用 若干 12 标示牌 高压配电室专用 若干 2.2.210kV 柱上变压器的停(送)电操作 序号 设备/设施/器材 参考型号/规格 数量 1 10KV 柱上变压器台架(含变压器、跌落式熔断器、隔 离开关、避雷器) 符合高压电器相关标准 若干 2 熔丝 符合高压电器相关标准 若干 3 安全帽、护目镜 符合高压电器相关标准 若干 4 绝缘手套 符合高压电器相关标准 若干 5 绝缘靴 符合高压电器相关标准 若干 6 电工工具 符合高压电器相关标准 若干 7 绝缘操作杆 符合高压绝缘相关标准 若干 8 高压验电器 符合高压绝缘相关标准 若干 9 标示标示牌 高压配电室专用 若干 10 其他设备、设施、器材 若干 - 84 - 2.2.510kV 线路挂设保护接地线、变压器绝缘测量、电力电缆绝缘测试、变压器分接开关调整、 导线在绝缘子上绑扎 序号 设备/设施/器材 参考型号/规格 数量 1 绝缘靴 符合高压电器相关标准 若干 2 安全帽 符合高压电器相关标准 若干 3 安全带 符合高压电器相关标准 若干 4 传递绳 符合高压电器相关标准 若干 5 工具袋 符合高压电器相关标准 若干 6 脚扣 符合高压电器相关标准 若干 7 登高板 符合高压电器相关标准 若干 8 线手套、绝缘手套 符合高压电器相关标准 若干 9 高压验电器 符合高压电器相关标准 若干 10 接地线 符合高压电器相关标准 若干 11 导线 符合高压电器相关标准 若干 12 电缆 符合高压电器相关标准 若干 13 水泥杆 符合高压电器相关标准 若干 14 螺栓、垫片螺母、弹簧销子 符合高压电器相关标准 若干 15 电工工具 符合高压电器相关标准 若干 16 高空防坠器 符合高压电器相关标准 若干 17 工作气垫(海绵垫) 符合高压电器相关标准 若干 18 手推绞磨 符合高压电器相关标准 若干 19 手板葫芦 符合高压电器相关标准 若干 20 液压钳 符合高压电器相关标准 若干 21 卡线器 符合高压电器相关标准 若干 22 地线卡线器 符合高压电器相关标准 若干 23 双钩紧线器 符合高压电器相关标准 若干 24 线路金具 符合高压电器相关标准 若干 25 对讲机及配件 符合高压电器相关标准 若干 26 接地电阻测试仪 符合高压电器相关标准 若干 27 其他设备、设施、器材 若干 2.2.6 变配电所仿真软件 2.2.6.1 变配电所倒闸操作 2.2.6.2 变配电所异常判断 2.2.6.3 变配电所事故处理 2.3 作业现场安全隐患排除 - 85 - 2.3.1 根据作业现场图片或视频判断作业现场存在的安全风险、职业病危害 序号 设备/设施/器材 参考型号/规格 数量 1 作业现场图片 若干 2 高压电工现场违章作业视频 若干 3 电脑 一台 4 多媒体播放器 一套 5 投影幕 一张 6 投影机 一台 7 其他设备、设施、器材 若干 2.3.2 结合实际工作任务,排除作业现场存在的安全风险、职业病危害 序号 设备/设施/器材 参考型号/规格 数量 1 高压电工安全用具一套 若干 2 2.3.1 中任一个工作场景 3 其他设备、设施、器材 若干 2.4 作业现场应急处置 2.4.1 触电事故现场的应急处理 此题为口述题,需具备满足口述考试需要的设备设施。 2.4.2 单人徒手心肺复苏操作 具体设备、设施、器材及其型号、规格、数量见通用部分。 2.4.3 灭火器的选择和使用 具体设备、设施、器材及其型号、规格、数量见通用部分。 - 86 - 电力电缆作业安全技术实际操作考试点设备配备标准 1.总则 电力电缆安全技术实际操作考试分为安全用具使用、安全操作技术、作业现场安全隐患排除、 作业现场应急处置等 4 个科目,每个科目设置若干考题。考位按照每道考题要求,确定相应的作 业面积,并配置相应的考试设备及防护设施。 2.设备配备要求 2.1 安全用具使用 2.1.1 10kV 三芯铠装电力电缆绝缘遥测 序号 设备/设施/器材 参考型号/规格 数量 1 万用表(数字式、指针式) 符合相关标准 若干 2 钳形电流表(数字式、指针式) 符合相关标准 若干 3 500V、1000V、2500V 兆欧表((数字式、指针式)) 符合相关标准 若干 4 电缆线路核相仪(含电池) 符合相关标准 一组 5 其他设备、设施、器材 若干 2.1.2 10kV 验电器检查使用与保管 2.1.3 电工安全标示的辨识 序号 设备/设施/器材 参考型号/规格 数量 1 各种电工安全标示牌(一批) 型号规格不限 若干 2 各种电工安全标示挂画(一批) 型号规格不限 若干 3 其他设备、设施、器材 若干 2.2 安全操作技术 2.2.1 电缆终端头的制作安装 序号 设备/设施/器材 参考型号/规格 数量 1 低压验电笔 符合相关标准 若干 2 高压验电笔、高压放电棒 符合相关标准 若干 3 绝缘棒 符合相关标准 若干 4 绝缘手套 符合相关标准 若干 5 安全帽 符合相关标准 若干 6 携带型三相短路接地线 符合相关标准 若干 7 安全带 型号规格不限 若干 8 其他设备、设施、器材 若干 - 87 - 2.2.1.1 10kV 电缆户内终端头的操作 序号 设备/设施/器材 参考型号/规格 数量 1 10kV 电缆 不少于 2m 若干 2 10kV 户内终端头附件 符合电缆附件的相关标准 一套 3 10kV 户内终端头安装支架 符合电气安装的相关标准 一组 4 手锯、板手、钳子等常用工具 符合工具的相关标准 一套 5 制作电缆附件专用的电工刀 符合工具的相关标准 一把 6 手提压接钳 符合工具的相关标准 一套 7 安全帽 符合高压绝缘相关标准 若干 8 其他设备、设施、器材 若干 2.2.1.2 10kV 电缆户外终端头的操作 序号 设备/设施/器材 参考型号/规格 数量 1 10kV 电缆 不少于 2m 若干 2 10kV 户外终端头附件 符合电缆附件的相关标准 一套 3 10kV 户外终端头安装支架 符合电气安装的相关标准 一组 4 手锯、板手、钳子等常用工具 符合工具的相关标准 一套 5 制作电缆附件专用的电工刀 符合工具的相关标准 一把 6 手提压接钳 符合工具的相关标准 一套 7 安全帽 符合高压绝缘相关标准 若干 8 其他设备、设施、器材 若干 2.2.1.3 10kV 电缆中间接头的操作 序号 设备/设施/器材 参考型号/规格 数量 1 10kV 电缆中间接头附件 符合电缆附件的相关标准 一套 2 电缆中间接头制作时固定用的支架 符合附件制作的相关标准 一组 3 手锯、板手、钳子等常用工具 符合工具的相关标准 一套 4 制作电缆附件专用的电工刀 符合工具的相关标准 一把 5 手提压接钳 符合工具的相关标准 一套 6 安全帽 符合高压绝缘相关标准 若干 7 其他设备、设施、器材 若干 2.2.2 电力电缆安全施工中各种绳扣的打结操作 序号 设备/设施/器材 参考型号/规格 数量 1 绳索 2 米长 一根 2 挂钩 一个 3 木板 5cm 厚 20cm 宽 1.5 米长 一块 4 安全帽 符合高压绝缘相关标准 若干 5 其他设备、设施、器材 若干 - 88 - 2.2.3 电力电缆型号截面识别 序号 设备/设施/器材 参考型号/规格 数量 1 各种不同型号及规格的电力电缆 20cm 长 10 段 2 桌与椅 一套 3 游标卡尺 15cm 一把 4 其他设备、设施、器材 若干 2.3 作业现场安全隐患排除 2.3.1 根据作业现场图片或视频判断作业现场存在的安全风险、职业病危害 序号 设备/设施/器材 参考型号/规格 数量 1 作业现场图片 一批 2 电缆施工现场的违章作业视频 若干段 3 电脑 一台 4 多媒体播放器 一套 5 投影幕 一张 6 投影机 一台 7 多媒体教室 一间 8 其他设备、设施、器材 若干 2.3.2 结合实际工作任务,排除作业现场存在的安全风险、职业病危害 序号 设备/设施/器材 参考型号/规格 数量 1 电缆施工安全用具 一套 2 2.3.1 中任一个工作场景 3 其他设备、设施、器材 若干 2.4 作业现场应急处置 2.4.1 触电事故现场的应急处理 此题为口述题,需具备满足口述考试需要的设备设施。 2.4.2 单人徒手心肺复苏操作 具体设备、设施、器材及其型号、规格、数量见通用部分。 2.4.3 灭火器的选择和使用 具体设备、设施、器材及其型号、规格、数量见通用部分。 - 89 - 继电保护作业安全技术实际操作考试点设备配备标准 1.总则 继电保护工安全技术实际操作考试分为安全用具使用、安全操作技术、作业现场安全隐患排 除、作业现场应急处置四个科目,每个科目设置若干考题。考位按照每道考题要求,确定相应的 作业面积,并配置相应的考试设备及防护设施。 2.设备配备要求 2.1 安全用具使用 2.1.1 继电保护常用仪器仪表使用 序号 设备/器材 型号/规格 数量 1 万用表(指针式、数字式) 符合相关标准 若干 2 兆欧表(500V、1000V、2500V)指针式、数字式 符合相关标准 若干 3 电池(5#、9V) 符合相关标准 若干 4 其他设备、器材、工具 符合相关标准 若干 2.1.2 常用安全用具的检查及使用 序号 设备/器材 型号/规格 数量 1 标示牌 符合相关标准 若干 2 临时遮拦 符合相关标准 若干 3 配电装置一次系统模拟屏 符合相关标准 若干 2.2 安全操作技术 2.2.1 分立元件电磁型电流继电器检验 序号 设备/器材 型号/规格 数量 1 电磁式电流继电器 符合相关标准 若干 2 电流表 符合相关标准 若干 3 单相调压器 符合相关标准 若干 4 滑线电阻 符合相关标准 若干 5 双极刀闸开关 符合相关标准 若干 6 测试导线 符合相关标准 若干 7 其他设备、器材、工具 符合相关标准 若干 2.2.2 电流互感器的极性检验(运行中变电站 10kV 馈线间隔) 序号 设备/器材 型号/规格 若干 1 电流互感器 符合相关标准 若干 2 检流计 符合相关标准 若干 3 电池 符合相关标准 若干 4 测试导线 符合相关标准 若干 5 其他设备、器材、工具 符合相关标准 若干 2.2.3 电流速断保护检验(线路微机保护装置) 序号 设备/器材 型号/规格 数量 1 微机保护测试仪(3路电流、4路电压) 符合相关标准 若干 2 中置柜(配线路微机保护装置及直流电源) 符合相关标准 若干 3 测试导线 符合相关标准 若干 4 其他设备、器材、工具 符合相关标准 若干 - 90 - 2.2.4 线路重合闸自动装置检验 序号 设备/器材 型号/规格 数量 1 微机保护测试仪(3路电流、4路电压) 符合相关标准 若干 2 中置柜(配线路微机保护装置带重合闸功能及直流 电源) 符合相关标准 若干 3 测试导线 符合相关标准 若干 4 其他设备、器材、工具 符合相关标准 若干 2.3 作业现场安全隐患排除 2.3.1 断路器合闸回路故障查找 序号 设备/器材 型号/规格 数量 1 中置柜(配线路微机保护装置及直流电源) 符合相关标准 若干 2 万用表(指针式、数字式) 符合相关标准 若干 3 其他设备、器材、工具 符合相关标准 若干 2.3.2 备用电源自动投入装置拒动 序号 设备/器材 型号/规格 数量 1 备用电源自动投入装置二次图纸 符合相关标准 若干 2 其他设备、器材、工具 符合相关标准 若干 2.3.3 跳闸回路断线故障查找 序号 设备/器材 型号/规格 数量 1 中置柜(配线路微机保护装置及直流电源) 符合相关标准 若干 2 万用表(指针式、数字式) 符合相关标准 若干 3 其他设备、器材、工具 符合相关标准 若干 2.4 作业现场应急处置 2.4.1 触电事故现场的应急处理 此题为口述题,需具备满足口述考试需要的设备设施。 2.4.2 单人徒手心肺复苏操作 具体设备、设施、器材及其型号、规格、数量见通用部分。 2.4.3 灭火器的选择和使用 具体设备、设施、器材及其型号、规格、数量见通用部分。 - 91 - 电气试验作业安全技术实际操作考试点设备配备标准 1.总则 电气试验安全技术实际操作考试分为安全用具使用、安全操作技术、作业现场安全隐患排除、 作业现场应急处置等 4 个科目,每个科目设置若干考题。考位按照每道考题要求,确定相应的作 业面积,并配置相应的考试设备及防护设施。 2.设备配备要求 2.1 安全用具使用 2.1.1 电工仪表使用 序号 设备/设施/器材 参考型号/规格 数量 1 万用表(数字式、指针式) 符合相关标准 若干 2 钳形电表(数字式、指针式) 符合相关标准 若干 3 500V、1000V、2500V 兆欧表((数字式、指针式)) 符合相关标准 若干 4 接地电阻测试仪(数字式、指针式) 符合相关标准 5 9V 电池 符合相关标准 若干 6 1.5V 电池 符合相关标准 若干 7 电阻 符合相关标准 若干 8 被测电流回路(日光灯或白炽灯照明电路,用硬导 线连接) 符合相关标准 若干 9 电动机 符合相关标准 若干 10 电阻箱 符合相关标准 若干 11 测量导线 若干 12 其他设备、设施、器材 若干 2.1.2 电工安全用具使用 序号 设备/设施/器材 参考型号/规格 数量 1 低压验电笔 符合相关标准 若干 2 高压验电笔、高压放电棒 符合相关标准 若干 3 绝缘棒 符合相关标准 若干 4 绝缘手套 符合相关标准 若干 5 绝缘靴 符合相关标准 6 安全帽 符合相关标准 若干 7 携带型三相短路接地线 符合相关标准 若干 8 防护眼镜 符合相关标准 若干 9 绝缘夹钳 符合相关标准 若干 10 绝缘垫 符合相关标准 若干 11 安全带 型号规格不限 若干 12 高登、登高板 型号规格不限 若干 13 脚扣 型号规格不限 若干 14 其他设备、设施、器材 若干 - 92 - 2.1.3 电工安全标示的辨识 序号 设备/设施/器材 参考型号/规格 数量 1 各种电工安全标示牌(一批) 型号规格不限 若干 2 各种电工安全标示挂画(一批) 型号规格不限 若干 3 其他设备、设施、器材 若干 2.2 安全操作技术 2.2.1 变压器变压比试验操作 序号 设备/设施/器材 参考型号/规格 数量 1 变压器 符合高压电器相关标准 若干 2 变压器变压比测试仪 符合高压试验设备相关标准 若干 3 安全帽 符合高压绝缘相关标准 若干 4 绝缘手套 符合高压绝缘相关标准 若干 5 绝缘靴 符合高压绝缘相关标准 若干 6 绝缘垫 符合高压绝缘相关标准 若干 7 高压验电器、放电棒 符合高压绝缘相关标准 若干 8 标示牌、接地线 高压配电室专用 若干 9 其他设备、设施、器材 若干 2.2.2 氧化锌避雷器直流试验操作 序号 设备/设施/器材 参考型号/规格 数量 1 氧化锌避雷器 符合高压电器相关标准 若干 2 直流电压发生器 符合高压试验设备相关标准 若干 3 安全帽 符合高压绝缘相关标准 若干 4 绝缘手套 符合高压绝缘相关标准 若干 5 绝缘靴 符合高压绝缘相关标准 若干 6 绝缘垫 符合高压绝缘相关标准 若干 7 高压验电器、放电棒 符合高压绝缘相关标准 若干 8 标示牌、接地线 高压配电室专用 若干 9 其他设备、设施、器材 若干 2.2.3 电流互感器励磁特性试验操作 序号 设备/设施/器材 参考型号/规格 数量 1 电流互感器 符合高压电器相关标准 若干 2 电流互感器伏安特性测试仪 符合高压试验设备相关标准 若干 3 安全帽 符合高压绝缘相关标准 若干 4 绝缘手套 符合高压绝缘相关标准 若干 5 绝缘靴 符合高压绝缘相关标准 若干 6 绝缘垫 符合高压绝缘相关标准 若干 7 高压验电器 符合高压绝缘相关标准 若干 8 标示牌、接地线 高压配电室专用 若干 9 其他设备、设施、器材 若干 - 93 - 2.2.4 变压器绕组的介质损测量操作 序号 设备/设施/器材 参考型号/规格 数量 1 变压器 符合高压电器相关标准 若干 2 变压器介质损测试仪 符合高压试验设备相关标准 若干 3 安全帽 符合高压绝缘相关标准 若干 4 绝缘手套 符合高压绝缘相关标准 若干 5 绝缘靴 符合高压绝缘相关标准 若干 6 绝缘垫 符合高压绝缘相关标准 若干 7 高压验电器、放电棒 符合高压绝缘相关标准 若干 8 温度计,湿度计 高压配电室专用 若干 9 标示牌、接地线 高压配电室专用 若干 10 其他设备、设施、器材 若干 2.2.5 断路器动作时间特性测量操作 序号 设备/设施/器材 参考型号/规格 数量 1 断路器 符合高压电器相关标准 若干 2 断路器动作特性测试仪 符合高压试验设备相关标准 若干 3 安全帽 符合高压绝缘相关标准 若干 4 绝缘手套 符合高压绝缘相关标准 若干 5 绝缘靴 符合高压绝缘相关标准 若干 6 绝缘垫 符合高压绝缘相关标准 若干 7 高压验电器 符合高压绝缘相关标准 若干 8 标示牌、接地线 高压配电室专用 若干 9 其他设备、设施、器材 若干 2.3 作业现场安全隐患排除 2.3.1 互感器绝缘劣化隐患排查 序号 设备/器材 参考型号/规格 数量 1 互感器 符合高压电器相关标准 若干 2 绝缘电阻测试仪 符合高压试验设备相关标准 若干 3 安全帽 符合高压绝缘相关标准 若干 4 绝缘手套 符合高压绝缘相关标准 若干 5 绝缘靴 符合高压绝缘相关标准 若干 6 绝缘垫 符合高压绝缘相关标准 若干 7 高压验电器、放电棒 符合高压绝缘相关标准 若干 8 温度计,湿度计 高压配电室专用 若干 9 标示牌、接地线 高压配电室专用 若干 - 94 - 2.3.2 变压器绕组和引线连接故障排查 序号 设备/器材 参考型号/规格 数量 1 变压器 符合高压电器相关标准 若干 2 变压器直流电阻测试仪 符合高压试验设备相关标准 若干 3 安全帽 符合高压绝缘相关标准 若干 4 绝缘手套 符合高压绝缘相关标准 若干 5 绝缘靴 符合高压绝缘相关标准 若干 6 绝缘垫 符合高压绝缘相关标准 若干 7 高压验电器、放电棒 符合高压绝缘相关标准 若干 8 温度计,湿度计 高压配电室专用 若干 9 标示牌、接地线 高压配电室专用 若干 2.3.3 断路器触头接触故障排查 序号 设备/器材 参考型号/规格 数量 1 断路器 符合高压电器相关标准 若干 2 断路器回路电阻测试仪 符合高压试验设备相关标准 若干 3 安全帽 符合高压绝缘相关标准 若干 4 绝缘手套 符合高压绝缘相关标准 若干 5 绝缘靴 符合高压绝缘相关标准 若干 6 绝缘垫 符合高压绝缘相关标准 若干 7 高压验电器、放电棒 符合高压绝缘相关标准 若干 8 标示牌、接地线 高压配电室专用 若干 9 标示牌 高压配电室专用 若干 2.4 作业现场应急处置 2.4.1 触电事故现场的应急处理 此题为口述题,需具备满足口述考试需要的设备设施。 2.4.2 单人徒手心肺复苏操作 具体设备、设施、器材及其型号、规格、数量见通用部分。 2.4.3 灭火器的选择和使用 具体设备、设施、器材及其型号、规格、数量见通用部分。 - 95 - 第三部分 通用部分 触电事故现场的应急处理(K41) 1 考试方式 口述。 2 考试时间 10 分钟。 3 安全操作步骤 (1)低压触电时脱离电源方法及注意事项: 1)发现有人低压触电,立即寻找最近的电源开关,进行紧急断电,不能断开关则采用绝缘 的方法切断电源; 2)在触电人脱离电源的同时,救护人应防止自身触电,还应防止触电人脱离电源后发生二 次伤害; 3)让触电者在通风暖和的处所静卧休息,根据触电者的身体特征,做好急救前的准备工作; 4)如触电人触电后已出现外伤,处理外伤不应影响抢救工作; 5)夜间有人触电,急救时应解决临时照明问题。 (2)高压触电时脱离电源方法及注意事项: 1)发现有人高压触电,应立即通知上级有关供电部门,进行紧急断电,不能断电则采用绝 缘的方法挑开电线,设法使其尽快脱离电源; 2)在触电人脱离电源的同时,救护人应防止自身触电,还应防止触电人脱离电源后发生二 次伤害; 3)根据触电者的身体特征,派人严密观察,确定是否请医生前来或送往医院诊察; 4)让触电者在通风暖和的处所静卧休息,根据触电者的身体特征,做好急救前的准备工作; 夜间有人触电,急救时应解决临时照明问题。 5)如触电人触电后已出现外伤,处理外伤不应影响抢救工作。 4 评分标准 K41 触电事故现场的应急处理 考试时间:10 分钟 序号 考试项目 考试内容 配分 评分标准 1 触电事故现场的 应急处理 低压触电的断电应 急方法 50 口述低压触电脱离电源方法不完整,扣 5-25 分;口述注意事项不合适或不完整,扣 5-25 分。 2 高压触电的断电应 急方法 50 口述高压触电脱离电源方法不完整扣 5-25 分; 口述注意事项不合适或不完整扣 5-25 分。 3 合计 100 - 96 - 单人徒手心肺复苏操作(K42) 1.考试方式 实际操作。 2.考试时间 3 分钟。 3.安全操作步骤 (1)判断意识:拍患者肩部,大声呼叫患者。 (2)呼救:环顾四周,请人协助救助,解衣扣、松腰带,摆体位。 (3)判断颈动脉搏动:手法正确(单侧触摸,时间不少于 5s)。 (4)定位:胸骨中下 1/3 处,一手掌根部放于按压部位,另一手平行重叠于该手手背上, 手指并拢,以掌根部接触按压部位,双臂位于患者胸骨的正上方,双肘关节伸直,利用上身重量 垂直下压。 (5)胸外按压:按压速率每分钟至少 100 次,按压幅度至少 5cm(每个循环按压 30 次,时 间 15—18s)。 (6)畅通气道:摘掉假牙,清理口腔。 (7)打开气道:常用仰头抬颏法、托颌法,标准为下颌角与耳垂的连线与地面垂直。 (8)吹气:吹气时看到胸廓起伏,吹气毕,立即离开口部,松开鼻腔,视患者胸廓下降后, 再吹气(每个循环吹气 2 次)。 (9)完成 5 次循环后判断有无自主呼吸、心跳、观察双侧瞳孔。 (10)整体质量判定有效指征:有效吹气 10 次,有效按压 150 次,并判定效果(从判断颈 动脉搏动开始到最后一次吹气,总时间不超过 130s)。 (11)安置患者,整理服装,摆好体位,整理用物。 (12)整体评价:个人着装整齐。 4.评分标准 (1)配分标准:100 分,各项目所扣分数总和不得超过该项应得分值。 (2)评分表 - 97 - K42 单人徒手心肺复苏操作 考试时间:3 分钟 序号 考试 项目 考试内容 配分 评分标准 1 判断 意识 拍患者肩部,大声呼叫患者 4 一项做不到扣 2 分。 2 呼救 环顾四周,请人协助救助,解衣扣、松 腰带,摆体位 4 不呼救扣 1 分,未解衣扣、腰带各扣 1 分; 未述摆体位或体位不正确扣 1 分。 3 判断 颈动 脉搏 动 手法正确(单侧触摸,时间不少于 5s) 6 不找甲状软骨扣 2 分,位置不对扣 2 分, 触摸时不停留扣 2 分,同时触摸两侧颈动 脉扣 2 分,大于 10s 扣 2 分,小于 5s 扣 2 分(最多扣 6 分)。 4 定位 胸骨中下 1/3 处,一手掌根部放于按压 部位,另一手平行重叠于该手手背上, 手指并拢,以掌根部接触按压部位,双 臂位于患者胸骨的正上方,双肘关节伸 直,利用上身重量垂直下压 6 位置靠左、右、上、下均扣 1 分,一次不 定位扣 1 分,定位方法不正确扣 1 分。 5 胸外 按压 按压速率每分钟至少 100 次,按压幅度 至少 5cm(每个循环按压 30 次,时间 15—18s) 30 节律不均匀扣 5 分,一次小于 15s 或大于 18s 扣5 分,1 次按压幅度小于 5cm 扣2 分,1 次胸壁不回弹扣 2 分。 6 畅通 气道 摘掉假牙,清理口腔 4 不清理口腔扣 1 分,未述摘掉假牙扣 1 分, 头偏向一侧扣 2 分。 7 打开 气道 常用仰头抬颏法、托颌法,标准为下颌 角与耳垂的连线与地面垂直 6 未打开气道不得分,过度后仰或程度不够 均扣 4 分。 8 吹气 吹气时看到胸廓起伏,吹气毕,立即离 开口部,松开鼻腔,视患者胸廓下降后, 再吹气(每个循环吹气 2 次) 20 失败一次扣 2 分,一次未捏鼻孔扣 1 分, 两次吹气间不松鼻孔扣 1 分,不看胸廓起 伏扣 1 分,(共 10 次 20 分)。 9 判断 完成 5 次循环后判断有无自主呼吸、心 跳、观察双侧瞳孔 4 一项不判断扣 1 分,少观察一侧瞳孔扣 0.5 分,触摸颈动脉扣分同上。 10 整体 质量 判定 有效 指征 有效吹气 10 次,有效按压 150 次,并 判定效果(从判断颈动脉搏动开始到最 后一次吹气,总时间不超过 130s) 10 掌跟不重叠扣 1 分,手指不离开胸壁扣 1 分,每次按压手掌离开胸壁扣 1 分,按压 时间过长(少于放松时间)扣 1 分,按压 时身体不垂直扣 1 分,一项不符合要求扣 1 分,少按、多按压 1 次各扣 1 分,少吹、 多吹气 1 次各扣 1 分,总时间每超过 5s 扣 1 分。 11 整理 安置患者,整理服装,摆好体位,整理 用物 4 一项不符合要求扣 1 分。 12 整体 评价 个人着装整齐 2 未戴帽扣 1 分,穿深色袜子扣 1 分。 13 合计 100 - 98 - 灭火器选择和使用(K43) 1.考试方式 实际操作、仿真模拟操作。 2.考试时间 5 分钟。 3.安全操作步骤 (1)准备工作:检查灭火器压力、铅封、出厂合格证、有效期、瓶体、喷管。 (2)火情判断:根据火情;选择合适灭火器迅速赶赴火场;正确判断风向。 (3)灭火操作:站在火源上风口;离火源 3-5m 距离迅速拉下安全环;手握喷嘴对准着火点, 压下手柄,侧身对准火源根部由近及远扫射灭火;在干粉将喷完前(3s)迅速撤离火场,火未熄 灭应继续更换操作。 (4)检查确认:检查灭火效果;确认火源熄灭;将使用过的灭火器放到指定位置;注明已 使用;报告灭火情况。 (5)清点收拾工具,清理现场。 4.评分标准 (1)配分标准:100 分,各项目所扣分数总和不得超过该项应得分值。 (2)评分表 K43 灭火器选择和使用 考试时间:5 分钟 序号 考试项 目 考试内容 配 分 评分标准 1 准备 工作 检查灭火器压力、铅封、出 厂合格证、有效期、瓶体、 喷管 10 未检查灭火器扣 10 分;压力、铅封、瓶体、喷管、 有效期、出厂合格证漏检查一项扣 2 分。 2 火情 判断 根据火情选择合适的灭火 器,迅速赶赴火场,准确判 断风向 15 灭火器选择错误扣 15 分;风向判断错误扣 15 分;赶 赴火场动作迟缓扣 5 分。 3 灭火操 作 站在火源上风口;离火源 3-5m 距离迅速拉下安全环 20 未站火源上风口扣 20 分;灭火距离不对扣 10 分;未 迅速拉下安全环扣 5 分。 手握喷嘴对准着火点,压下 手柄,侧身对准火源根部由 近及远扫射灭火;在干粉将 喷完前(3s)迅速撤离火场, 火未熄灭应继续更换操作 25 未侧身对准火源根部扫射扣 10 分;未由近及远灭火 扣 10 分;干粉喷完前未迅速撤离扣 10 分;火未熄灭 就停止操作扣 10 分。 4 检查确 认 检查灭火效果;确认火源熄 灭 10 未检查灭火效果扣 10 分;未确认火源熄灭扣 10 分。 将使用过的灭火器放到指定 位置;注明已使用 10 未放到指定位置扣 5 分;未注明已使用扣 10 分。 报告灭火情况 5 未报告灭火情况扣 5 分。 5 现场清 理 清理 5 未清理工具、现场扣 5 分。 6 合计 100 - 99 - 特种作业实际操作考试点设备配备标准 (1)单人徒手心肺复苏操作 序号 设备/设施/器材 参考型号/规格 数量 1 实训教室 面积≥50m2 1 间 2 心肺复苏模拟假人 符合相关标准 2 套 3 急救箱 符合相关标准 2 个 4 一次性纱布 符合相关标准 若干 5 酒精 符合相关标准 若干 6 棉签 符合相关标准 若干 (2)灭火器的选择和使用 序号 设备/设施/器材 参考型号/规格 数量 1 手提式灭火器 符合相关标准 若干 2 火盆 符合相关标准 1 个 3 棉纱 符合相关标准 若干 4 柴油 符合相关标准 若干 5 急救箱 符合相关标准 2 个 6 安全帽、工作服、保护手套 符合作业相关标准 若干 - 100 - 附件 4 国家能源局认定的电工进网作业考试点 序 号 单位名称 行政区 域 通讯地址 考试点类型(可承 担的考试类型) 理论 实操 华北能源监管局辖区内 26 个 1 北京交通大学电气工程学 院 北京市 北京市海淀区上园村 3 号北京交通大学 电气工程楼 501 √ 2 北京市劳动人民文化宫教 育培训中心 北京市 北京市东城区天安门东侧北京市劳动 人民文化宫教育培训中心 √ 3 国网冀北电力有限公司管 理培训中心 北京市 北京市房山区良乡月华大街 26 号 √ 4 北京市朝阳区北京电建职 业技能培训学校 北京市 北京市朝阳区定福庄西里 1 号 √ 5 北京华电卓越国际技术培 训有限责任公司 北京市 北京市昌平区回龙观镇北农路 2 号华北 电力大学主楼 D 座 1307 室 √ 6 北京市华商电力培训中心 北京市 北京市石景山区模式口大街 3 号 √ 7 北京国电瑞驰科技开发有 限责任公司 北京市 北京市丰台区南四环西路 188 号 7 区 18 号 √ 8 北京博思辰国际教育咨询 有限公司 北京市 北京市朝阳区金桐西路 10 号远洋光华 国际 AB 座 9 层 √ 9 北京电力企业协协会 北京市 北京市丰台区总部基地 188 号五区 14 号楼三层 √ √ 10 国网天津市电力公司培训 中心 天津市 天津市河东区中山门 2 号路 6 号 √ √ 11 天津市慧人职业培训学校 天津市 天津市河西区大沽南路 1306 号 √ √ 12 天津市电力工程协会 天津市 天津市南开区华苑兰苑路顶佳孵化器 基地 2 号楼 206 √ √ 13 国网河北省电力公司培训 中心 河北省 河北省石家庄市裕华区东岗路 56 号 √ √ 14 国网河北省电力有限公司 培训中心保定分部 河北省 河北省保定市竞秀区乐凯南大街 789 号 √ √ 15 保定卓越技术培训有限责 任公司 河北省 河北省保定市莲池区华北电力大学二 校区华电路 3 号 √ √ 16 国网冀北电力有限公司唐 山供电公司 河北省 河北省唐山市路北区友谊路 81 号 √ √ 17 国网河北省电力公司邢台 供电分公司 河北省 邢台市桥西区中兴西大街 236 号 √ √ 18 秦皇岛市海港区南山职业 技能培训学校 河北省 河北省秦皇岛市海港区东港路 55 号 √ √ 19 河北师范大学职业技术学 院 河北省 河北省石家庄市裕华区南二环东路 20 号 √ √ 20 承德智源天成教育科技有 限公司 河北省 河北省承德市双桥区喇嘛寺东北郊变 电站 √ √ - 101 - 21 国网河北省电力有限公司 邯郸供电分公司 河北省 河北省邯郸市中华北大街 242 号丛台公 园对面 √ √ 22 廊坊电力实业总公司技术 咨询服务中心 河北省 河北省廊坊市广阳区新源道薛营变电 站 √ √ 23 张家口市华建电力技术培 训咨询有限公司 河北省 河北省张家口市桥西区四顺店街 4 号通 胜德 4 区 15 号楼 3-402 √ √ 24 包头市卓越信息技术咨询 有限责任公司 内蒙古自 治区 内蒙古包头市青山区建华路 19 号 √ √ 25 锡林浩特市涵达技术咨询 服务有限公司 内蒙古自 治区 内蒙古锡林浩特市锡林大街锡林浩特 民族技工学校 √ √ 26 内蒙古电工进网培训有限 公司 内蒙古自 治区 内蒙古呼和浩特市新城区迎宾北路大 唐金座 418 室 √ √ 东北能源监管局辖区内 47 个 27 沈阳工程学院考试站 辽宁省 沈阳市沈北新区蒲昌路 18 号 √ √ 28 辽宁省电力工程协会 辽宁省 辽宁省沈阳市和平区十一纬路 11 号 √ √ 29 沈阳供电公司考试站 辽宁省 和平北大街 113 巷 4 号电力行业协会 109 房间 √ √ 30 营口电工考试站 辽宁省 营口市站前区渤海大街东 100 号营口供 电公司 √ √ 31 葫芦岛市电力行业职业培 训学校 辽宁省 辽宁省葫芦岛市龙港区海辰路 20 号 √ √ 32 阜新考试站 辽宁省 辽宁省阜新市中华路 159 号 √ √ 33 奥瑞驰民办职业培训学校 考试站 辽宁省 沈阳市沈河区奉天街 333 号恒运商务 8 号楼 401A 室 √ √ 34 朝阳考试站 辽宁省 辽宁省朝阳市双塔区文化路四段 127 号 303 室 √ √ 35 电工进网作业许可铁岭考 试站 辽宁省 铁岭市银州区文化街 61 号 √ √ 36 大连考试站 辽宁省 大连市中山区福寿街 1 号 308 室 √ √ 37 辽阳考试站(辽阳供电公 司) 辽宁省 辽阳市白塔区新运大街 116 √ √ 38 本溪考试站 辽宁省 本溪市解放路市府北街三号 √ √ 39 辽宁技师学院考试站 辽宁省 沈阳市和平区民主路 72 号 √ √ 40 锦州考试站(锦州市电力行 业职业培训学校) 辽宁省 辽宁省锦州市解放路 3 段 9 号 √ √ 41 大连高级培训中心考试站 辽宁省 大连市西岗区大连高新区万达广场 2 号 公寓 0822 √ √ 42 沈阳新联能源技术咨询有 限公司考试站(原沈阳职业 技术学院软件学院考试站) 辽宁省 辽宁省沈阳市和平区海口街 11 号 √ √ 43 鞍山考试站 辽宁省 鞍山市铁东区南胜利路 33 号综合楼 102 室 √ √ 44 鞍山育才职业技术学校考 试站 辽宁省 鞍山市中小企业服务中心 鞍山市铁东 区常青街 18 号 √ √ 45 抚顺考试站 辽宁省 抚顺市东洲区浑河南路东段 2-2 号 √ √ 46 丹东考试站 辽宁省 丹东市振兴区兴三路 1-2 号 √ √ - 102 - 47 盘锦考试站 辽宁省 盘锦市兴隆台区市府大街 5 号电业局 √ √ 48 赤峰考试站 内蒙古自 治区 赤峰市新城王府大街 2 号 √ √ 49 通辽市考试站 内蒙古自 治区 内蒙古通辽市科尔沁区和平路 2421 号 √ √ 50 兴安盟特种设备检验所 内蒙古自 治区 兴安盟乌兰浩特市经济技术开发区新 城路 15 号兴安特检培训中心 √ √ 51 内蒙古东方科技专修学院 内蒙古自 治区 赤峰市松山区振兴大街 71 号 √ √ 52 呼伦贝尔考试站 内蒙古自 治区 呼伦贝尔市海拉尔区健康街登山路 100 号 √ √ 53 吉林省电力设施安装协会 吉林省 吉林省长春市南关区通化路 1100 号 √ √ 54 哈尔滨考试站 黑龙江省 哈尔滨市香坊区香电街 63 号 √ √ 55 哈尔滨供电公司考试站 黑龙江省 哈尔滨市新阳路 311 号 √ √ 56 黑龙江省电力设施安装协 会考试站 黑龙江省 黑龙江省哈尔滨市松北区世博路 2137 号 √ √ 57 齐齐哈尔第二考试站 黑龙江省 黑龙江省齐齐哈尔市龙沙区卜奎南大 街 567 号 √ √ 58 牡丹江考试站 黑龙江省 牡丹江市爱民区兴平路 935 号 √ √ 59 牡丹江第二考试站 黑龙江省 牡丹江市西安区星环路 57 号 √ √ 60 佳木斯考试站 黑龙江省 佳木斯市保卫路 151 号 √ √ 61 大庆考试站 黑龙江省 黑龙江省大庆市让胡路区中央大街南 段 409 号 √ √ 62 大庆油田考试站 黑龙江省 黑龙江省大庆市萨尔图区西讯街 32 号 电力培训中心 √ √ 63 鸡西考试站 黑龙江省 鸡西市鸡冠区永昌路 44 号,鸡西电业 局市场及大客户服务室 √ √ 64 双鸭山考试站 黑龙江省 黑龙江省双鸭山市尖山区净水路 5 号电 业局 5 楼 511 室 √ √ 65 伊春考试站 黑龙江省 伊春市伊春区通河路 95 号 √ √ 66 七台河考试站 黑龙江省 黑龙江省七台河市桃山区 √ √ 67 鹤岗考试站 黑龙江省 鹤岗市工农区艺博图对面鹤岗供电局 √ √ 68 黑河考试站 黑龙江省 黑龙江省黑河市通江路 94 号 √ √ 69 绥化考试站 黑龙江省 绥化市北林区北二东路供电大厦 905 室 √ √ 70 大兴安岭考试站 黑龙江省 黑龙江省大兴安岭加格达奇市景观大 道,国家电网培训中心 √ √ 71 内蒙古蒙东地区电力工程 协会进网作业电工考试站 内蒙古自 治区 通辽市经济技术开发区河西镇二号村 村委会东 100 米 √ √ 72 哈尔滨嘉恒电力技术咨询 有限公司考试站 黑龙江省 黑龙江哈尔滨香坊区安通头道街 2 号 √ √ 73 沈阳杰汇电力工程咨询有 限公司 辽宁省 辽宁省沈阳市浑南新区浑南二路 10-2 号、荣兴国际 B 座 √ - 103 - 西北能源监管局辖区内 5 个 74 国网陕西省电力公司培训 中心(陕西省考试中心) 陕西省 陕西省西安市长乐西路 180 号 √ √ 75 陕西省电力技工学校(长安 考点) 陕西省 陕西省西安市长安区杜陵西路中段 2 号 省电力技工学校 √ √ 76 国网宁夏电力有限公司培 训中心( 宁夏银川考点) 宁夏回族 自治区 宁夏银川市金凤区黄河东路 716 号宁夏 电力培训中心 √ √ 77 宁夏慧通电力科技有限公 司(宁夏西夏考点) 宁夏回族 自治区 宁夏银川市兴庆区民族南街 771 号光华 家园 20 号楼 12 层 18 室 √ √ 78 青海水电技师学院(青海西 宁考点) 青海省 青海省西宁市八一东路 33 号 √ √ 华东能源监管局辖区内 35 个 79 一分中心 上海市 上海市静安区止园路 420 号 √ √ 80 二分中心 上海市 上海市浦东新区川沙新镇川环南路 1188 号西大门 √ √ 81 松江培训点 上海市 上海市松江区九新公路 2888 号 √ √ 82 振欣培训站 上海市 上海市金山区朱泾镇亭枫公路 3982 号 √ √ 83 梵骋培训点 上海市 上海市嘉定区戬浜镇大治路 328 号 √ √ 84 育才培训点 上海市 上海市闵行区剑川路 665 号 √ √ 85 崇明培训点 上海市 上海市崇明南门北门路 235 号 √ 86 申电培训站 上海市 上海市宝山区逸仙路 3901 号九号楼、 十号楼 √ √ 87 宝钢培训点 上海市 上海市宝山区四元路 19 号 √ √ 88 交通培训点 上海市 上海市黄浦区黄河路 210 号(理论)、 上海市浦东新区巨野路 109 弄 4 号(实 操) √ √ 89 上船培训站 上海市 上海市浦东新区康花路 128 号 √ √ 90 永和培训站 上海市 上海市静安区永和路 118 弄东方环球企 业中心 58 号楼 3 楼 √ √ 91 三分中心 上海市 上海市松江区联络路 652 号 √ √ 92 亳州培训分中心 安徽省 安徽省亳州市谯城区涡阳路 318 号 √ √ 93 六安培训分中心 安徽省 安徽省六安市人民路 71 号 √ √ 94 合肥培训分中心 安徽省 安徽省合肥市宿松路 133 号 √ √ 95 大唐培训分中心 安徽省 安徽省淮北市大唐淮北培训中心 √ √ 96 安庆培训分中心 安徽省 安徽省安庆市迎江区人民路 344 号(安 庆供电公司)9 楼 910 室 √ √ 97 安徽省培训中心电工培训 部 安徽省 安徽省合肥市黄山路 330 号 √ √ 98 安徽行协进网电工考核(培 训)点 安徽省 安徽省合肥市政务区怀宁路 1639 号平 安大厦 √ √ - 104 - 99 宣城培训分中心 安徽省 安徽省宣城市宝城路 160 号 √ √ 100 宿州培训分中心 安徽省 安徽省宿州市淮海南路 497 号 √ √ 101 巢湖培训分中心 安徽省 安徽省巢湖市长江西路 124 号 √ √ 102 池州培训分中心 安徽省 安徽省池州市经济开发区金安工业园 梧桐路 89 号 √ √ 103 淮北培训分中心 安徽省 安徽省淮北市南黎路 99 号淮北供电公 司 √ √ 104 淮南培训分中心 安徽省 安徽省淮南市田家庵区淮舜南路 139 号 √ √ 105 滁州培训分中心 安徽省 安徽省滁州市花园路 368 号 √ √ 106 皖能培训分中心 安徽省 安徽省合肥市砀山路 19 号 √ √ 107 芜湖培训分中心 安徽省 安徽省芜湖市北京路 2 号 √ √ 108 蚌埠培训分中心 安徽省 安徽省蚌埠市涂山西路 1072 号 √ √ 109 送变电培训分中心 安徽省 安徽省合肥市政务区怀宁路 1599 号宏 源大厦 √ √ 110 铜陵培训分中心 安徽省 安徽省铜陵市长江中路 91 号 √ √ 111 阜阳培训分中心 安徽省 安徽省阜阳颍南路 30 号 √ √ 112 马鞍山培训分中心 安徽省 安徽省马鞍山市花雨路 7 号 √ √ 113 黄山培训分中心 安徽省 安徽省黄山市屯溪区黄山东路 55 号 √ √ 华中能源监管局辖区内 32 个 114 武汉供电公司培训中心 湖北省 武汉市汉口江发路 20 号 √ √ 115 武汉电力职业技术学院 湖北省 武汉市洪山区珞瑜路 189 号 √ √ 116 咸宁供电公司培训中心 湖北省 湖北省咸宁市温泉沟路 25 号 √ √ 117 黄冈供电公司培训中心 湖北省 湖北省黄冈市东郊路 8 号 √ √ 118 荆州电力职工学校 湖北省 湖北省荆州市武德路 76 号 √ √ 119 襄阳供电公司培训中心 湖北省 襄樊市襄城区环城东路胜利街 2-8 号 √ √ 120 孝感供电公司培训中心 湖北省 湖北省孝感市大东门外正街 2 号 √ √ 121 十堰供电公司培训中心 湖北省 十堰市东风大道 10 号 √ √ 122 东风汽车公司电力处 湖北省 湖北省十堰市人民南路 76 号 √ √ 123 沙洋江汉供电公司 湖北省 沙洋县平湖路 24 号 √ √ 124 黄石供电公司培训中心 湖北省 黄石市团城山 √ √ 125 宜昌供电公司培训中心 湖北省 湖北省宜昌市猇亭大道 177 号 √ √ - 105 - 126 随州供电公司培训中心 湖北省 湖北省随州市明珠北街 1 号 √ √ 127 江汉石油管理局职工培训 中心 湖北省 湖北省潜江市一村 √ √ 128 三峡电力职业学院 湖北省 湖北省宜昌市绿萝路 36 号 √ √ 129 长江电力股份有限公司技 术研究中心 湖北省 宜昌市西陵区西坝建设路 1 号 √ √ 130 湖北省电力设施安装检修 企业协会 湖北省 湖北省武汉市徐东大街 201 号 √ √ 131 江西电力职业技术学院 江西省 南昌国家经济技术开发区 √ √ 132 江西鹰潭市飞鹰职业培训 学校 江西省 江西省贵溪工业园区北兴六路 8 号 √ √ 133 江西赣东北供电公司培训 中心 江西省 江西省乐平市人民中路 116 号 √ √ 134 江西萍乡供电公司培训中 心 江西省 江西省萍乡市楚平西路 2 号 √ √ 135 江西赣州红色家园有限责 任公司 江西省 江西省赣州市红旗大道 31-4 号 √ √ 136 江西赣东电力实业有限公 司 江西省 江西省抚州市伍塘路北辰御景园旁 √ √ 137 景德镇茂慧职业培训学校 江西省 江西省景德镇市瓷都大道 748 号公路宾 馆 √ √ 138 江西省电力工程协会 江西省 江西省南昌市京东大道 426 号 √ √ 139 重庆电力公司教育培训中 心 重庆市 重庆市九龙坡区黄桷坪电力五村 50 号 √ √ 140 重庆黔江区民族职业教育 中心 重庆市 重庆市黔江区舟白职教园区 √ √ 141 重庆水利电力职业技术学 院 重庆市 重庆市永川区昌州大道西段 18 号 √ √ 142 重庆三峡水利电力学校 重庆市 重庆市万州区龙都广场天园路 216 号 √ √ 143 重庆工贸职业技术学院 重庆市 重庆市涪陵区兴华中路 47 号 √ √ 144 重庆市电力承装修试工程 管理协会 重庆市 重庆市渝中区南区路 160 号南园酒店 1603 室 √ √ 145 重庆电力高等专科学校 重庆市 重庆市九龙坡区五龙庙电力四村 9 号 √ √ 南方能源监管局辖区内 30 个 146 茂名粤能考试点 广东省 广东省茂名市人民北路 50 号粤能电力 培训中心 √ √ 147 广州新榞考试点 广东省 广州市越秀区寺右一马路 2 号珠江宾馆 2 号楼 2 楼 √ √ 148 汕头金砂考试点 广东省 汕头市潮汕路金平工业城 10 区金砂电 器大楼 6 楼 √ √ 149 东莞卓越考试点 广东省 东莞市寮步镇教育路 110 号(公安分局 旁) √ √ 150 开平四维考试点 广东省 广东省开平市水口镇开锋村委会红山 √ √ 151 广州迪生考试点 广东省 广东省广州市黄埔区黄埔东路 2803 号 大院 √ √ - 106 - 152 深圳鹏能考试点 广东省 深圳市南山区西丽街道阳光社区松白 路 1008 号艺晶公司 6 栋 √ √ 153 清远电工考试点 广东省 广东省清远市清远大道西清远市委党 校 √ √ 154 广东南方考试点 广东省 广州市天寿路 122 号广东水利电力职业 技术学院内 F 栋 √ √ 155 佛山源博考试点 广东省 佛山市南海区桂城街道季华东路 33 号 1 座 19 楼 √ √ 156 珠海威瀚考试点 广东省 珠海市香洲区前山工业园华威路 117 号 √ √ 157 惠州电工考试点 广东省 惠州市龙西街 12 号综合楼 √ √ 158 梅州考试点 广东省 广东省南方电力职业培训学院梅州基 地 √ √ 159 深圳龙岗考试点 广东省 深圳市龙岗区深惠路 385 号 √ √ 160 南方金田考试点 广东省 广东省花都区花东镇象山永光村金田 变电站 √ √ 161 广州花都考试点 广东省 广东省广州市花都区学府路 1 号 √ √ 162 广东阳江考试点 广东省 阳江市闸坡镇莳园路 35 千伏变电站内 √ √ 163 广东揭阳考试点 广东省 揭阳市马牙安福街 3 号 √ √ 164 深圳龙华考试点 广东省 深圳市龙华区大浪街道大浪北路 21 号 建隆工业园 2 栋 3 楼广东省能源协会培 训基地 √ √ 165 广西电力考试点 广西壮族 自治区 广西南宁市科园大道 39 号广西电力职 业技术学院 √ √ 166 广西水利考试点 广西壮族 自治区 广西南宁市长岗路 99 号 √ √ 167 广西柳州考试点 广西壮族 自治区 广西柳州市天山路 1 号 √ √ 168 广西梧州考试点 广西壮族 自治区 梧州市新兴二路 126-1 号 √ √ 169 广西百色考试点 广西壮族 自治区 广西百色市中山二路 21 号 √ √ 170 广西河池考试点 广西壮族 自治区 河池市新建西路 2 号 √ √ 171 广西玉林考试点 广西壮族 自治区 玉林市教育中路 82 号 √ √ 172 广西协会考试点 广西壮族 自治区 广西南宁市民族大道 135 号 √ √ 173 海南海口考试点 海南省 海南省海口市南联路 30 号海南省电力 学校内 √ √ 174 海南协会考试点 海南省 海南省海口市南海大道 168 号 6 号厂房 √ √ 175 三亚电工考试点 海南省 海南省三亚市荔枝沟教育园区海南省 三亚高级技工学校 √ √ 山西能源监管办辖区内 20 个 176 山西电力咨询中心 山西省 山西省太原市平阳路 101 号国瑞大厦 4 层 √ √ - 107 - 177 国网山西省电力公司技能 培训中心 山西省 山西省太原市晋祠路三段 160 号 √ √ 178 太原钢铁(集团)有限公司 职工教育培训中心 山西省 山西省太原市尖草坪街 28 号 √ √ 179 太原市万柏林区应用培训 学校 山西省 山西省太原市南内环街 468 号盛伟大厦 4 层 b 座 √ √ 180 大同电力高级技工学校 山西省 山西省大同市城区老平旺 √ √ 181 大同煤矿集团有限责任公 司技师学院 山西省 山西省大同市矿区校北街 1 号 √ √ 182 山西省雁北煤炭工业学校 山西省 山西省大同市北苑路 48 号 √ √ 183 柳林县电力培训中心 山西省 山西省柳林县建设路 8 号 √ √ 184 山西地方电力有限公司离 石分公司 山西省 山西省吕梁市离石区龙凤北大街 160 号 √ √ 185 中北大学朔州校区 山西省 山西省朔州市长宁街 65 号 √ √ 186 忻州市新源物业有限公司 东冶培训中心 山西省 山西省忻州市五台县东冶镇北街村忻 阜南路 007 号 √ √ 187 阳泉进网作业电工培训中 心 山西省 山西省阳泉市德胜东街 10 号 √ √ 188 晋中宏达职业培训学校 山西省 山西省晋中市榆次区锦纶路荣复街 38 号 √ √ 189 山西省国土资源学校 山西省 山西省晋中市榆次区大学街国土资源 学校 √ √ 190 临汾电力高级技工学校 山西省 山西省临汾市解放东路 42 号 √ √ 191 山西舜源电力投资有限公 司 山西省 山西省运城市河东东街阳光大厦 9002 √ √ 192 长治技师学院 山西省 山西省长治市城区太行西街太行北路 59 号 √ √ 193 山西潞安职业技术培训学 校 山西省 山西省长治市襄垣县侯堡镇潞安电大 √ √ 194 山西晋城无烟煤矿业集团 有限责任公司职业教育培 训中心 山西省 山西省晋城市瑞丰北路 383 号 √ √ 195 晋城华港物业有限公司培 训部 山西省 山西省晋城市新市西街 1429 号 √ √ 山东能源监管办辖区内 35 个 196 新矿集团高级技工学校 山东省 新泰市新汶街道新矿党校 √ √ 197 中国煤炭工业环保安全培 训中心(兖矿) 山东省 山东省邹城市太平东路 479 号 √ √ 198 龙口矿业集团高级技工学 校 山东省 龙口市经济开发区振兴南路 1569 号 √ √ 199 山东省进网作业电工考试 中心(临沂技校) 山东省 临沂市兰山区通达路 20 号 √ √ 200 国网济宁供电公司培训分 中心 山东省 济宁市高新区同济路与凯旋路交汇处 √ √ - 108 - 201 聊城供电公司培训中心 山东省 阳谷县 324 省道与狮子楼北路交叉路口 阳谷职业技能鉴定基地 √ √ 202 山东省博山电力技工学校 山东省 淄博市博山区新博路 104 号 √ √ 203 莱钢集团公司培训中心 山东省 莱芜市钢城区莱钢培训中心 √ √ 204 泰安肥城市供电培训中心 山东省 泰安肥城市新城路 011 号 √ √ 205 山东煤矿安全技术培训中 心(枣矿) 山东省 枣庄市市中区西岭路 13 号 √ √ 206 青岛电业培训中心 山东省 青岛市崂山区石岭路 15 号电业培训中 心 √ √ 207 胜利石油管理局电力职工 培训中心 山东省 东营市东营区邹城路 9 号电力职工培训 中心 √ √ 208 烟台供电培训基地 山东省 烟台市芝罘区解放路 158 号 √ √ 209 菏泽市农电培训基地(菏泽 市电力行业协会技术培训 部) 山东省 郓城县开发区电力培训中心 √ √ 210 东营市明博电力职业培训 学校 山东省 东营市黄河路 161 号 √ √ 211 胶州供电公司培训中心 山东省 胶州市云溪云海路 7 号 √ √ 212 淄博信息工程学校 山东省 淄博市张店区西二路与新村路交叉口 西二路 49 号 √ √ 213 山东省电力企业协会培训 点 山东省 济南市经十路 9777 号鲁商国奥城 4 号 楼 3 楼 √ √ 214 威海市文登区恒源安全培 训中心 山东省 文登区张家埠西恒源安全培训中心 √ √ 215 潍坊淼增职业技能培训有 限公司 山东省 潍坊市潍城区青年路 1299 号 2 号楼 √ √ 216 临沂电力学校 山东省 临沂市兰山区汪沟驻地临沂电力学校 电工培训中心 √ √ 217 山东元鼎安全培训中心 山东省 青岛市北区太清路 30 号 A 座 310 室 √ √ 218 沂南县供电公司教育培训 中心 山东省 沂南县经济开发区迎春路 13 号 √ √ 219 山东国电电力培训中心 山东省 济南市槐荫区德兴东街 29 号办公楼 4 楼 4007 √ √ 220 日照市供电公司培训中心 山东省 日照市黄海二路 22 号阳光华府大酒店 √ √ 221 烟台海阳市农电培训基地 山东省 海阳市龙山街 52 号 √ √ 222 莱芜技师学院 山东省 莱芜市高新区凤凰路北首 √ √ 223 山东山大世纪电力培训中 心培训点 山东省 济南市高新区舜华路 750 号大学科技园 南区 14 号楼 √ √ 224 山东国能电力技术研究中 心 山东省 济南市高新区舜华路 2000 号舜泰广场 1 号楼西区三楼 √ √ 225 青岛市黄岛区益和职业培 训学校 山东省 青岛市黄岛区秦皇岛路 38 号 √ √ - 109 - 226 惠民县光明实业有限责任 公司培训中心 山东省 惠民县城故园南路 107 号 √ √ 227 山东国跃电器科技有限公 司 山东省 济南市槐荫区段北东路 12 号 √ √ 228 山东中电能源技术中心 山东省 济南市市中区英雄山路 129 号祥泰广场 5 号楼 601 √ √ 229 青岛云柱电气有限公司 山东省 青岛市城阳区艳阳路 104 号 √ √ 230 山东中能电力培训中心 山东省 济南市高新区舜华路 750 号大学科技园 南区 12 号楼 8 单元 √ √ 甘肃能源监管办辖区内 9 个 231 甘肃省电工进网作业国网 甘肃省电力公司培训中心 甘肃省 甘肃省兰州市安宁区银滩路 321 号 √ √ 232 甘肃省电工进网作业火电 培训站 甘肃省 兰州市安宁区银安东路 110 号 √ √ 233 甘肃省电工进网作业武威 培训站 甘肃省 甘肃省武威市凉州区南关中路 31 号 √ √ 234 甘肃省电工进网作业张掖 培训站 甘肃省 张掖市甘州区西大街 246 号 √ √ 235 甘肃省电工进网作业天水 培训站 甘肃省 天水市麦积区花牛路 38 号 √ √ 236 甘肃省电工进网作业定西 培训站 甘肃省 定西市安定区和平街 5 号 √ √ 237 甘肃省电工进网作业甘南 培训站 甘肃省 甘南州合作市人民街 128 号 √ √ 238 甘肃省电工进网作业白银 培训站 甘肃省 白银市人民路 6 号 √ √ 239 甘肃省电工进网作业兰州 培训站 甘肃省 甘肃省兰州市七里河区体育街 142 号 √ √ 新疆能源监管办辖区内 9 个 240 国网新疆电力公司电力科 学研究院技术培训室 01 考 点 新疆维吾 尔自治区 乌市高新产业开发区长春中路东二巷 60 号 √ √ 241 国网新疆电力公司培训中 心 02 考点 新疆维吾 尔自治区 乌鲁木齐市迎宾路 220 号 √ √ 242 国网新疆电力公司巴州供 电公司培训中心 04 考点 新疆维吾 尔自治区 库尔勒市新城区机场路巴州供电公司 培训中心 √ √ 243 国网新疆电力公司昌吉供 电公司培训中心 05 考点 新疆维吾 尔自治区 昌吉市建国西路 31 号 √ √ 244 中国石油新疆培训中心(技 师学院)06 考点 新疆维吾 尔自治区 克拉玛依市安定路 355 号 √ √ 245 国网新疆电力公司阿克苏 供电公司培训中心 07 考点 新疆维吾 尔自治区 阿克苏市塔北路 16 号 √ √ 246 国网新疆电力公司吐鲁番 供电公司电业职工教育培 训中心 08 考点 新疆维吾 尔自治区 吐鲁番市光明路 666 号 √ √ 247 新疆生产建设兵团兴新职 业技术学院 10 考点 新疆维吾 尔自治区 新疆维吾尔自治区乌鲁木齐市头屯河 区兵友路 45 √ √ - 110 - 248 新疆天富集团有限责任公 司培训中心 11 考点 新疆维吾 尔自治区 新疆石河子市开发区双拥路天富高科 技园区天福集团公司培训中心 √ √ 浙江能源监管办辖区内 22 个 249 国网浙江省电力公司杭州 分公司 浙江省 杭州市西湖区西溪路 147 号 √ √ 250 国网浙江杭州市余杭区供 电有限公司 浙江省 杭州市余杭区运河镇兴旺路 1 号 √ √ 251 国网杭州市富阳区供电公 司 浙江省 杭州富阳区富春街道光明路 13-1 √ √ 252 国网浙江省电力公司临安 区供电公司 浙江省 临安区长桥路 252 号 √ √ 253 国网浙江桐庐县供电有限 公司 浙江省 桐庐大奇山路 937 号 √ √ 254 国网浙江杭州市萧山区供 电有限公司 浙江省 萧山区城厢街道体育路 1 号 √ √ 255 宁波市电力行业协会(宁波 考点) 浙江省 宁波市海曙区大梁街 48 号(天之海大 厦 9 楼) √ √ 256 宁波市鄞州职业教育中心 学校 浙江省 宁波市鄞州高教园区学府路 5 号 √ √ 257 余姚市技工学校(余姚职成 教中心学校) 浙江省 余姚市开丰路 388 号 √ √ 258 国网温州供电公司 浙江省 浙江省温州市锦绣路 1413 号 √ √ 259 国网浙江省电力有限公司 绍兴供电公司 浙江省 浙江省绍兴市偏门亭山路 75 号 √ √ 260 国网浙江省电力公司衢州 供电公司 浙江省 浙江省衢州市衢江区信安东路 49 号 √ √ 261 台州电力培训中心 浙江省 台州经济开发区纬二路 72 号 √ √ 262 台州职业技术学院 浙江省 台州经济开发区学院路 788 号 √ √ 263 国网丽水供电公司 浙江省 丽水市中东路 699 号 √ √ 264 金华八达集团有限公司 浙江省 金华市解放西路 500 号 √ √ 265 浙江机电职业技术学院 浙江省 杭州市滨江区滨文路 528 号 √ √ 266 国网浙江省电力有限公司 培训中心湖州分中心 浙江省 浙江省湖州市吴兴区青太路 999 号 √ √ 267 嘉兴恒光物业管理有限公 司电力教育培训中心(原) 浙江省 嘉兴市环城西路 671 号 √ √ 268 国网浙江省电力有限公司 电力科学研究院 浙江省 杭州市下城区朝辉八区华电弄 1 号 √ √ 269 浙江水利水电学院 浙江省 浙江省杭州市江干区下沙学林街 583 号 √ √ 270 交联(杭州)投资管理有限 公司 浙江省 杭州市莫干山路 1418-15 号 √ √ 江苏能源监管办辖区内 14 个 271 南京智源电力职业培训学 校 江苏省 南京市丰富路 279 号 √ √ 272 江苏省电力公司生产技能 培训中心 江苏省 苏州市劳动路 599 号 √ √ - 111 - 273 无锡供电公司培训中心 江苏省 无锡市南长区五爱路 202 号 √ √ 274 常州供电公司培训中心 江苏省 常州市新北区岷江路 36 号 √ √ 275 镇江供电公司培训中心 江苏省 镇江市电力路 182 号 √ √ 276 扬州供电公司培训中心 江苏省 扬州市邗江区维扬路 179 号 √ √ 277 泰州市寺巷农电培训中心 江苏省 泰州市寺巷镇口泰路 142 号 √ √ 278 南通供电公司培训中心 江苏省 南通市崇川区沿河路 115 号 √ √ 279 徐州供电公司培训中心 江苏省 徐州市泉山区建国西路 111 号 √ √ 280 江苏省电力公司职业培训 基地 江苏省 连云港市开发区花果山大道 666 号 √ √ 281 宿迁供电公司培训中心 江苏省 宿迁市发展大道 58 号 √ √ 282 淮安供电公司培训中心 江苏省 淮安市淮海南路 134 号 √ √ 283 江苏省电力公司营销技能 培训中心 江苏省 盐城市新园路 29 号 √ √ 284 江阴市澄新农电培训中心 江苏省 江阴市峭岐人民路 136 号 √ √ 福建能源监管办辖区内 13 个 285 福建榕能电业集团有限公 司 福建省 福州市五一南路 1 号联信中心 18 楼 √ √ 286 厦门城市供用电检修有限 公司 福建省 厦门集美区杏林文华路 21 号 √ √ 287 宁德市东电发展有限公司 福建省 宁德市蕉城区环城路 27 号(小东门电 力公司)4 楼 403 室 √ √ 288 莆田市荔能咨询服务有限 公司 福建省 福建省莆田市城厢区后巷街 156 号 √ √ 289 泉州市亿兴电力科技有限 公司 福建省 福建省泉州市鲤城区环城北路亿兴集 团 14 号楼 1 楼 √ √ 290 福建省新源电力发展集团 有限公司 福建省 漳州市芗城区胜利东路 4 号 √ √ 291 福建龙岩瑞源投资发展有 限公司 福建省 龙岩市新罗区北环中路 6 号 1 号楼 2 层 √ √ 292 三明优信电力实业有限公 司 福建省 福建省三明市梅列区东安路徐碧一村 1 幢国网三明供电公司培训分中心二楼 √ √ 293 南平市电力行业协会 福建省 福建省南平市延平区进步路南平供电 公司 26 号楼二楼 √ √ 294 福建华电金湖电力有限公 司 福建省 将乐县三华南路 36 号孔头 B 幢 204 √ √ 295 晋江市天健电力设计院有 限公司 福建省 晋江市世纪大道市委党校 B 区教学楼四 楼 √ √ 296 福建水利电力职业技术学 院 福建省 三明市永安市巴溪大道 2199 号 √ √ 297 福建电力职业技术学院(泉 州电院) 福建省 泉州市洛江区河市镇溪头洛滨北路国 网福建技培中心 √ √ - 112 - 河南能源监管办辖区内 16 个 298 河南省郑州市考试点 河南省 河南省郑州市中原区淮河西路 30 号郑 州供电公司 √ √ 299 河南省开封市考试点 河南省 开封市禹王台区五福路 30 号供电公司 院内 √ √ 300 河南省平顶山市考试点 河南省 平顶山市新华路南段龙源大酒店院内 √ √ 301 河南省安阳市考试点 河南省 安阳市殷都区铁西路北段安阳供电公 司老院院内 √ √ 302 河南省鹤壁市考试点 河南省 河南省鹤壁市淇滨区黄河路东段 √ √ 303 河南省新乡市考试点 河南省 新乡市宏力大道 168 号新乡供电公司 √ √ 304 河南省焦作市考试点 河南省 焦作市解放西路中站段 2 号 √ √ 305 河南省濮阳市考试点 河南省 濮阳市人民路 20 号 √ √ 306 河南省许昌市考试点 河南省 河南省许昌市东城区青芳街 √ √ 307 河南省漯河市考试点 河南省 漯河市郾城区黄河路 713 号供电公司院 内 √ √ 308 河南省三门峡市考试点 河南省 三门峡市开发区崤山路西段供电公司 √ √ 309 河南省商丘市考试点 河南省 商丘市文化路 142 号商丘供电公司院内 √ √ 310 河南省周口市考试点 河南省 周口市八一路北段电力实训基地 √ √ 311 河南省信阳市考试点 河南省 信阳市浉河区礼节路 3 号老电业局北院 办公 3 楼 √ √ 312 河南省济源市考试点 河南省 济源市黄河大道中段济源供电公司 √ √ 313 河南省郑州市协会考试点 河南省 河南省郑州市金水区农科路北、科明路 东金水万达中心 18 楼 1809、1810 室 √ √ 湖南能源监管办辖区内 16 个 314 湖南省电力工程企业协会 湖南省 长沙市天心区刘家冲中路 126 号 √ √ 315 长沙电力职业技术学院 湖南省 长沙市经济技术开发区盼盼路(泉塘) √ √ 316 湖南水利水电职业技术学 院 湖南省 长沙市远大二路 1575-7 号(泉塘) √ √ 317 湘潭市电力行业协会 湖南省 湘潭市河东大道 168 号 √ √ 318 株洲市电力行业协会 湖南省 株洲市荷塘区文化路 586 号国网株洲供 电公司培训楼 √ √ 319 岳阳市电机工程学会 湖南省 岳阳市岳阳大道供电公司办公楼 √ √ 320 益阳市电力行业协会 湖南省 益阳市龙洲北路 99 号益阳电业局 √ √ 321 永州市经济和信息化委员 会 湖南省 湖南省永州市冷水滩区市政府办公大 楼三楼经信委 √ √ 322 衡阳市电力行业协会 湖南省 衡阳市石鼓区西湖饭店西湖公寓 8019 室 √ √ 323 郴州市电力行业协会 (湘南高等教育函授中心) 湖南省 郴州市苏仙区桔井路 27 号 √ √ - 113 - 324 娄底市电力行业协会 湖南省 娄底市娄星区贤童街 2 号电业局培训中 心 √ √ 325 常德市电机工程学会 湖南省 常德市柳叶路 1068 号 √ √ 326 怀化市经济和信息化委员 会 湖南省 怀化市迎丰中路 √ √ 327 邵阳市电力行业协会 湖南省 邵阳市大祥区百春园小区国网邵阳供 电公司 √ √ 328 湘西州经济和信息化委员 会 湖南省 吉首市人民北路 58 号 √ √ 329 张家界市电力企业协会 湖南省 张家界市南庄坪 √ √ 四川能源监管办辖区内 11 个 330 四川蜀瑞源能源技术咨询 有限公司 四川省 成都市高新区创业路 2 号奇力新峰大厦 7 楼 √ √ 331 华电四川发电有限公司宝 珠寺水力发电厂教育培训 中心 四川省 四川广元市利州区宝轮镇三江大道东 段 111 号宝珠寺水力发电厂 √ √ 332 四川南瑞电力工程技术咨 询服务有限责任公司 四川省 成都市青羊工业总部基地 B 区 9 栋 101 √ √ 333 泸州市工业技工学校 四川省 泸州市江阳区柏杨坪路 4 号(江阳区 长 起桥) √ √ 334 雅安市电力行业协会 四川省 雅安市雨城区张家山路 110 号 √ √ 335 广安市广安区启航职业技 能培训学校 四川省 广安市广武南路 188 号轻工博览城九号 楼二楼 √ √ 336 成都卓越迅捷教育服务有 限公司 四川省 四川省成都市锦江区龙王庙正街 25 号 星城银座 1120 室 √ √ 337 德阳安装技师学院 四川省 四川省德阳市沱江西路 555 号 √ √ 338 绵阳市电力行业协会 四川省 绵阳市涪城区剑南路西段 16 号 √ √ 339 宜宾远能电业集团有限责 任公司教育培训中心 四川省 四川省宜宾市翠屏区盐水溪 23 号 √ √ 340 宜宾科文教育投资有限责 任公司 四川省 宜宾市翠屏区叙府路西段 33 号 √ √ 云南能源监管办辖区内 2 个 341 昆明理工大学职业技能培 训中心 云南省 云南省昆明市莲花池正街 122 号创业科 技 C 栋 202 室 √ √ 342 云南省电力学校 云南省 昆明市盘龙区龙欣路 29 号云南省电力 学校 √ √ 贵州能源监管办辖区内 25 个 343 贵州电力行业培训中心考 试点 贵州省 贵州省贵阳市观水路东坛巷 25 号 √ √ 344 贵州高试电力科技有限公 司 贵州省 贵州省贵阳市南明区文化路 83 号 √ √ 345 贵阳供电局考试点 贵州省 贵阳市青禾街 8 号(原市北供电局) √ √ 346 遵义供电局考试点 贵州省 遵义市汇川区南京路 555 号大厦 √ √ 347 安顺供电局考试点 贵州省 安顺供电局生调楼 8 楼人事部 √ √ - 114 - 348 都匀供电局考试点 贵州省 贵州省都匀市河滨路 50 号 √ √ 349 凯里供电局考试点 贵州省 贵州省凯里供电局 √ √ 350 铜仁供电局考试点 贵州省 铜仁市北关路 80 号 √ √ 351 毕节供电局考试点 贵州省 贵州省毕节市桂花路 14 号 √ √ 352 六盘水供电局考试点 贵州省 六盘水市钟山中路 45 号 √ √ 353 贵州省水利电力学校考试 点 贵州省 贵阳市宝山南路 82 号 √ √ 354 黔西南州民族职业技术学 校考试点 贵州省 贵州省兴义市七星路 65 号 √ √ 355 兴义市隆腾电力管理有限 公司 贵州省 兴义市黄草办富民路 14 号 √ √ 356 贵州省地方电力中心试验 研究所 贵州省 贵阳市西湖巷 29 号 √ √ 357 贵阳智华源电力试验有限 责任公司 贵州省 南明区花果园 R2 区财富广场 1 号 25 层 23 号 √ √ 358 贵州省铜仁兴铜电力有限 责任公司 贵州省 铜仁市清水大道 √ √ 359 松桃武陵能源有限公司 贵州省 贵州省松桃苗族自治县蓼皋镇华彩步 行街 √ √ 360 瓮安县明辉水电开发有限 公司 贵州省 瓮安县雍阳镇北关路富丽半岛 1-1-6 号 √ √ 361 遵义光明电力实业有限公 司 贵州省 遵义市京虹五羊广场 3-1 √ √ 362 正安县正黔电力有限责任 公司 贵州省 正安县正黔电力花园 B 栋 √ √ 363 金沙县长征电力有限责任 公司 贵州省 金沙县中华路电力大楼 √ √ 364 贵州宏源集团实业有限公 司 贵州省 贵州省兴义市湖南街 41 号 √ √ 365 贵州黔桂发电有限责任公 司 贵州省 贵州省盘县柏果镇 √ √ 366 习水县紫金有限责任公司 贵州省 贵州省遵义市习水县昆仑中路 √ √ 367 贵州西南工具(集团)有限 公司 贵州省 贵州省贵阳市小河清水江路 218 号 √ √
版权声明
1. 本站所有素材,仅限学习交流,仅展示部分内容,如需查看完整内容,请下载原文件。
        2. 会员在本站下载的所有素材,只拥有使用权,著作权归原作者所有。
        3. 所有素材,未经合法授权,请勿用于商业用途,会员不得以任何形式发布、传播、复制、转售该素材,否则一律封号处理。
        4. 如果素材损害你的权益请联系客服QQ:77594475 处理。