创维40G6A(8A22机芯)液晶电视主板电路图

分类:电子电工 日期: 点击:0
创维40G6A(8A22机芯)液晶电视主板电路图-0 创维40G6A(8A22机芯)液晶电视主板电路图-1 创维40G6A(8A22机芯)液晶电视主板电路图-2 创维40G6A(8A22机芯)液晶电视主板电路图-3 创维40G6A(8A22机芯)液晶电视主板电路图-4 创维40G6A(8A22机芯)液晶电视主板电路图-5 创维40G6A(8A22机芯)液晶电视主板电路图-6 创维40G6A(8A22机芯)液晶电视主板电路图-7 创维40G6A(8A22机芯)液晶电视主板电路图-8 创维40G6A(8A22机芯)液晶电视主板电路图-9

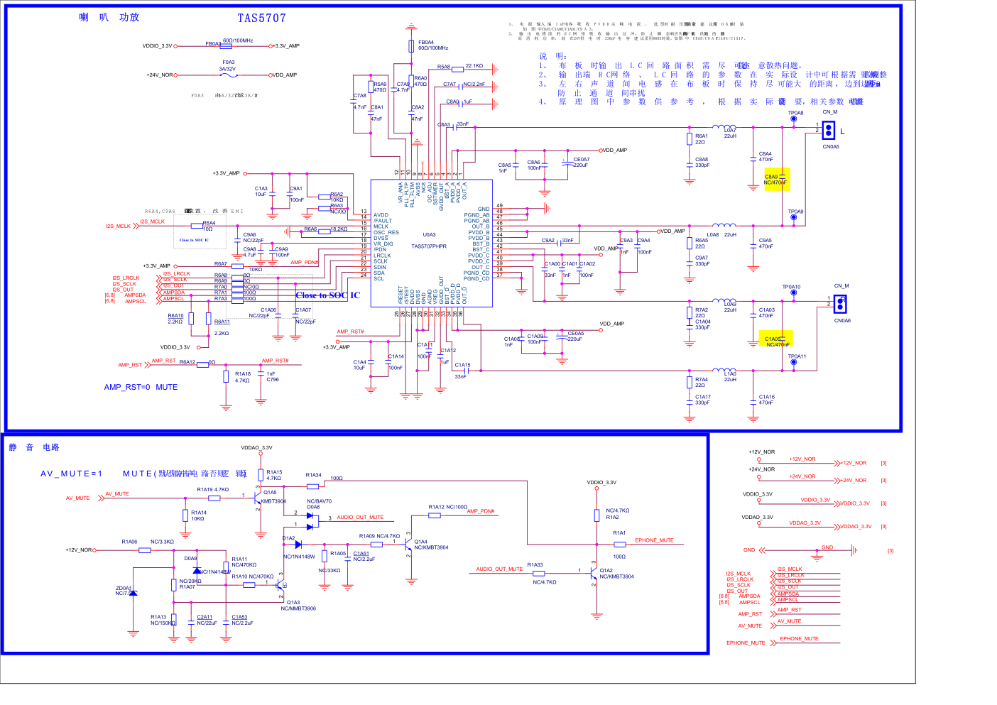
0.9/1.8/3.3V_STB POWER L :Power off H :Power on 预留 w i fi蓝牙待机唤 醒 功能 1 . 不要蓝 牙 wifi待机唤醒 功 能 时:接 FB 5P0 ,黄色 部 分NC 2 . 要蓝牙 w ifi待机唤醒 功 能 时 : R 3 P 11,FB50:N C;黄 色部分 接 上 提示:本型号还没有批量使用,请先 按 照小批 量、 中批量 试 产 流 程 试产 OK后再批量使 用 12V_NOR转+5 V_ NOR (DC- DC价格0. 0 8 5 U S D 规 格标称 最 大 3 A  500KHZ 输入 电 压 范 围 4.5V- 1 8 V 轻 载 高 效 优 选 ) 本电路供设计参考,实际使用需 要 结 合 系统环 境调 整参数 + 5 V 供电 W I F I 供电 (优 选 L DO价格 0. 1 9 5 R MB SOT- 2 2 3 规 格 标称 最 大 1A) TUNER供电 注: 5 . 2V提 升USB硬盘 兼容性 说明 : 走 线 与U 0 P 1 3 及 U0P 1 5 类 似 。 +12V_NOR转1. 25 V (DC- DC价格0. 0 5 1 U S D 规 格标 称 最 大 2 A 580KHZ 输 入 电 压范围4.5V- 1 7 V 轻载高 效   优 选 ) 本电路供设计参考,实际使用需 要 结 合 系统环 境调 整参数 D D R 4 供电 提示:本型号还没有批量使用,请先 按 照小批 量、中批量 试产 流程 试产 OK后再批量使 用 6 、 E N端的电压根据实际使用 的 需 要 可以 进行调 整 2.504V 3.304V 1.816V 1.504V 4100-CA1030-2200(10KΩ ) 4100-CA1030-2200(10KΩ ) 4100-CA1030-2200(10KΩ ) 4100-CA1030-2200(10KΩ ) 4100-CA2030-2200(20KΩ )+4100-CA1320-2200(1.3KΩ) 1.208V 4100-CA1030-2200(10KΩ ) 4100-CA5120-2200(5.1KΩ )+4100-CA0000-2200(0Ω) 4100-CA7520-2200(7.5KΩ )+4100-CA1320-2200((1.3KΩ ) 4100-CA1030-2200(10KΩ )+4100-CA2720-2200(2.7KΩ) 4100-CA3030-2200(30KΩ )+4100-CA1320-2200(1.3KΩ) 5.024V 4100-CA1030-2200(10KΩ ) 4100-CA5130-2200(51KΩ )+4100-CA1820-2200((1.8KΩ) 4800-S11000-AS80(10uH) 4800-S11000-AS80(10uH) 4800-S123A0-DS00(2.3uH) 4800-S123A0-DS00(2.3uH) 4800-S123A0-DS00(2.3uH) L ( 推荐编 号 ) Vout R 2 ( 推荐编 号) R 1 ( 推荐编 号) 最 大 负 载 4800-S123A0-DS00(2.3uH) L=L0P4 2.4A 2.5A 2.6A 2.7A 2.6A 2.8A 12V_NOR转1. 0 V (DC- DC价格0. 0 8 5 U S D 规 格标称 最 大 3 A  500KHZ 输入 电 压 范 围 4.5V- 1 8 V 轻 载 高 效 优 选 ) R1=R3P7+R3P9 R2=R4P1 Vout=0.8x(1+(R1/R2)) 5 、模块成本 仅供参考,受元器件 价格及 汇率影 响会 有变化 (成 本统计 时间 ) 4 、输入输出电容的 材 质 推 荐 使用 X 5 R或 者X7R, 不能 使用Y 5 V 材 质,注 意耐 压值. 7 、如果负载动态变化比较大 的 话 适 当加 大输出 电容 2 、P C B排版时输入电容和 输 出 电 容 尽 量 靠近IC 说明 : 选择 小 ESR值的电容也可以减 小 纹 波 的大 小 3 、通过增大输入和输出电容的 容 量 可以 减小纹 波的大小 P C B 排版时储能电感 要 尽量靠 近 I C 本电路供设计参考,实际使用需 要 结 合 系统环 境调 整参数 断开 P WM, 约 1 V G P U 供电 待机 3 . 3V供 电 提示:本型号还没有批量使用,请先 按 照小批 量、中批量 试产 流程 试产 OK后再批量使 用 L=L0P2 6 、 E N端的电压根据实际使用 的 需 要 可以 进行调 整 R 2 ( 推荐编 号) R 1 ( 推荐编 号) 2.504V 3.3024V 1.79V 1.4976V 4100-CA1030-2200(10KΩ ) 4100-CA1030-2200(10KΩ ) 4100-CA1030-2200(10KΩ ) 4100-CA1030-2200(10KΩ ) 4100-CA2030-2200(20KΩ )+4100-CA2720-2200(2.7KΩ) 1.208V 4100-CA1030-2200(10KΩ ) 4100-CA5620-2200(5.6KΩ )+4100-CA0000-2200(0Ω) 4100-CA7520-2200(7.5KΩ )+4100-CA2020-2200((2KΩ) 4100-CA1030-2200(10KΩ )+4100-CA3320-2200(3.3KΩ) 4100-CA3330-2200(33KΩ )+4100-CA0000-2200(0Ω ) 4100-CA0000-T7(0Ω ) R T ( 推荐编 号) 4100-CA0000-T7(0Ω ) 4100-CA0000-T7(0Ω ) 4100-CA0000-T7(0Ω ) 4100-CA0000-T7(0Ω ) 5.046V 4100-CA0000-T7(0Ω ) 4100-CA1030-2200(10KΩ ) 4100-CA5130-2200(51KΩ )+4100-CA4720-2200((4.7KΩ) 2 、P C B排版时输入电容和 输 出 电 容 尽 量 靠近IC , 说明 : 选择 小 ESR值的电容也可以 减 小 纹 波 的大 小 3 、通过增大输入和输出电容的 容 量 可以 减小纹 波 的 大小 , P C B 排版时储能电感 要 尽量靠 近 I C +12V_NOR转3. 3 V R1=R1P7+R1P8 Vout=0.768x(1+(R1/R2)) R2=R1P6 Rt=R1P9 (DC- DC价格0. 0 5 1 U S D 规 格标 称 最 大 2 A 580KHZ 输 入 电 压范围4.5V- 1 7 V 轻载高 效   优 选 ) 5 、模块成本 仅供参考,受元器件 价格及 汇率影 响会 有变化 (成 本统计 时间 ) 4 、输入输出电容的 材 质 推 荐 使用 X 5 R或 者X7R, 不能 使用Y 5 V 材 质,注 意耐 压值. Vout L ( 推荐编 号 ) 4800-S123A0-DS00(2.3uH) 4800-S123A0-DS00(2.3uH) 4800-S123A0-DS00(2.3uH) 4800-S11000-AS80(10uH) 4800-S11000-AS80(10uH) 4800-S11000-AS80(10uH) 最 大 负 载 1.7A 1.8A 1.8A 7 、如果负载动态变化比较大 的 话 适 当加 大输出 电容 1.9A 2 A 2 A 本电路供设计参考,实际使用需 要 结 合 系统环 境调 整参数 说明 :1、这是一款可 调 节 输 出 电 压 的 LD O. 2 、P C B排版时输入电容和 输 出 电 容 尽 量 靠近IC 3 、如果需要调节输出电压 , 可 以 根 据公 式计算 。 Vout=0.6x[1+(R1/R2)]R1=R2P61+R2P62=1.6KR2=R2P59=2.4K 3 、如果需要调节输出电压 , 可 以 根 据公 式计算 。 说明 :1、这是一款可 调 节 输 出 电 压 的 LD O. 2 、P C B排版时输入电容和 输 出 电 容 尽 量 靠近IC 待机 0 . 9V供 电 待机 1 . 8V供 电 L :Power off H :Power on POWER_ON L= > POWER_On H= > POWER_OFF VDDIO_3.3V 3 、如果需要调节输出电压 , 可 以 根 据公 式计算 。 说明 :1、这是一款可 调 节 输 出 电 压 的 LD O. 2 、P C B排版时输入电容和 输 出 电 容 尽 量 靠近IC EMMC_1.8V Vout=1.25x(1+(R2/R1)) R2=R1P86 + 3 . 3 V 供电 3 、如果需要调节输出电压 , 可 以 根 据公 式计算 。 说明 :1、这是一款可 调 节 输 出 电 压 的 LD O. 2 、P C B排版时输入电容和 输 出 电 容 尽 量 靠近IC +1.8V 说明 : 走 线 与U0P 1 4 类 似。 + 5 V 供电 (如 果 有WIF I 待机则 加 MOS 管) 1.8/3.3V_NORMAL POWER L=L0P3 6 、 E N端的电压根据实际使用 的 需 要 可以 进行调 整 提示:本型号还没有批量使用,请先 按 照小批 量、中批量 试产 流程 试产 OK后再批量使 用 R 2 ( 推荐编 号) R 1 ( 推荐编 号) 2.526V 3.33V 1.83V 1.49V 4100-CA1030-2200(10KΩ ) 4100-CA1030-2200(10KΩ ) 4100-CA1030-2200(10KΩ ) 4100-CA1030-2200(10KΩ ) 4100-CA2030-2200(20KΩ )+4100-CA1320-2200(1.3KΩ) 1.22V 4100-CA1030-2200(10KΩ ) 4100-CA5120-2200(5.1KΩ )+4100-CA0000-2200(0Ω) 4100-CA7520-2200(7.5KΩ )+4100-CA1020-2200((1KΩ) 4100-CA1030-2200(10KΩ )+4100-CA2720-2200(2.7KΩ) 4100-CA3030-2200(30KΩ )+4100-CA1320-2200(1.3KΩ) 4100-CA3330-2200(33KΩ ) R T ( 推荐编 号) 4100-CA3330-2200(33KΩ ) 4100-CA3330-2200(33KΩ ) 4100-CA3330-2200(33KΩ ) 4100-CA3330-2200(33KΩ ) 5.068V 4100-CA3330-2200(33KΩ ) 4100-CA1030-2200(10KΩ ) 4100-CA5130-2200(51KΩ )+4100-CA1820-2200((1.8KΩ) 2 、P C B排版时输入电容和 输 出 电 容 尽 量 靠近IC , 按照表格里的 参 数 调整R1和 R 2 的 大 小 就 可以了 如果要输出其他 电 压 , 如 3 . 3 V;2 . 5 V ; 1. 5V可以 说明:1、该电路当 前 的 参 数 是 输 出 + 5V _NOR. 选择 小 ESR值的电容也可以 减 小 纹 波 的大 小 3 、通过增大输入和输出电容的 容 量 可以 减小纹 波 的 大小 , P C B 排版时储能电感 要 尽量靠 近 I C 2、+12 V_ N OR转 1 .0 R1=R2P4+R2P5 Vout=0.807x(1+(R1/R2)) R2=R2P3 Rt=R2P6 (DC- DC价格0. 0 5 2 U S D 规 格标 称 最 大 2 A 680KHZ 输 入 电 压范围4.5V- 1 7 V 轻载高 效   优 选 ) 5 、模块成本 仅供参考,受元器件 价格及 汇率影 响会 有变化 (成 本统计 时间 ) 4 、输入输出电容的 材 质 推 荐 使用 X 5 R或 者X7R, 不能 使用Y 5 V 材 质,注 意耐 压值. Vout L ( 推荐编 号 ) 4800-S123A0-DS00(2.3uH) 4800-S123A0-DS00(2.3uH) 4800-S123A0-DS00(2.3uH) 4800-S11000-AS80(10uH) 4800-S11000-AS80(10uH) 4800-S11000-AS80(10uH) 最 大 负 载 1.7A 1.8A 1.8A 7 、如果负载动态变化比较大 的 话 适 当加 大输出 电容 1.9A 2 A 2 A 本电路供设计参考,实际使用需 要 结 合 系统环 境调 整参数 C P U 供电 时 序 控 制 DDR4供 电 2. 5V PWR_ON/OFF EN51 FB21 FB21 SW51 SW51 EN51 SW51 PWR_ON/OFF SW1 EN1 EN1 SW1 DDR_EN DDR_EN EN52 FB22 FB22 SW52 SW52 EN52 SW52 VDDEE_EN FBB22 SW31 EN31 EN31 SW31 PWR_ON/OFF PWR_ON/OFF +12V_NOR 5V_WIFI 3.3V_TUNER VDDIO_3.3V VDDAO_3.3V POWERSTB VDDQ_1.2V AFE_1.8V EMMC_1.8V VDDA0_1.8V VDD_EE2 VDDAO_0V9 VDD_EE VDDCPU VDDCPU_PWM VDDEE_EN VDDEE_PWM GND 5V 3.3V_BD 5V_EN 5V_EN SW2 EN2 EN2 SW2 FBB2 VDDCPU_PWM FBB2 PWR_ON/OFF DDR_EN DDR4_2.5V +5VSB 5V +5VSB +12V_NOR +12V_NOR +5VSB 5V_WIFI 3.3V_TUNER 5V 3.3V_TUNER +12V_NOR VDD_EE +12V_NOR +3.3V_STB VDD_EE +3.3V_STB +12V_NOR VDDAO_0V9 +3.3V_STB +3.3V_STB VDDA0_1.8V VDD_EE2 +3.3V_STB VDDIO_3.3V +12V_NOR VDDAO_3.3V VDDIO_3.3V EMMC_1.8V VDDIO_3.3V AFE_1.8V VDDIO_3.3V VDDAO_3.3V VDDQ_1.2V AFE_1.8V EMMC_1.8V VDDA0_1.8V VDD_EE2 VDDAO_0V9 VDD_EE VDDCPU 5V 3.3V_BD 3.3V_BD 5V_WIFI VDDCPU +12V_NOR VDDCPU +3.3V_STB VDDAO_3.3V VDDA0_1.8V 5V VDDQ_1.2V VDDAO_3.3V DDR4_2.5V DDR4_2.5V DDR_EN [3] DDR_EN [3] VDDEE_EN [3] VDDEE_PWM [3] POWERSTB [3] +12V_NOR [3] 5V_WIFI [3] 3.3V_TUNER [3] VDDIO_3.3V [3] VDDAO_3.3V [3] POWERSTB VDDQ_1.2V [3] AFE_1.8V [3] EMMC_1.8V [3] VDDA0_1.8V [3] VDD_EE2 [3] VDDAO_0V9 [3] VDD_EE [3] VDDCPU [3] VDDCPU_PWM VDDEE_EN[3] VDDEE_PWM [3] GND [3] 5V [3] 3.3V_BD [3] 5V_EN VDDCPU_PWM [4] DDR4_2.5V [3] R1P77 120KΩ C1P169 10uF C1P193 10uF C8P9 10uF R4P15 10Ω R323 0Ω R4P1 10KΩ R322 560Ω R1P82 0Ω R2P1 100KΩ/NC C1P2 100nF R7P17 1KΩ C2P3 22uF R4P13 20KΩ R4P0 20KΩ L0P13 10uH C3P43 100nF FB2P2 60Ω/100MHz C8P12 NC/10uF R1P86 120Ω U2P12 JY1117EA IN 3 OUT 2 ADJ 1 OUT 4 C8P13 NC/100nF C1P171 1nF C3P8 10uF R2P37 47KΩ C3P52 100nF R1P90 200Ω U0P14 AOZ3112DI GND 1 LX 2 LX 3 VIN 4 FB 5 NC 6 EN 7 BST 8 EPAD 9 U0P3 TPS562201DDCR GND 1 SW 2 VIN 3 VFB 4 EN 5 VBST 6 C1P176 100nF FB0P13 40Ω/100MHz C2P2 100nF R1P9 0Ω R2P62 NC/10KΩ FB0P2 60Ω/100MHz C3P45 100nF C1P189 10uF C3P18 NC/47pF C1P184 100nF R1P83 33KΩ R2P61 1.05KΩ C8P14 NC/1uF Q0P4 AO3401A 1 2 3 C3P33 NC/47pF Q0P2 AO3401A 1 2 3 R1P8 620Ω C3P35 10uF FB0T6 NC/60Ω/100MHz R2P38 0Ω C1P4 100nF R7P10 NC/100KΩ C3P0 100nF C3P41 10nF C8P7 100nF C3P34 100nF C4P6 10uF FB0P4 40Ω/100MHz R2P63 120KΩ C1P181 10uF Q0P9 NC/KMBT3904 1 2 3 R1P91 120Ω C8P4 1uF C3P53 100nF C1P182 NC/22pF R1P66 2KΩ C1P185 10uF C4P3 22uF FB0P14 60Ω/100MHz FB0P3 60Ω/100MHz R4P14 56KΩ C2P6 10uF C3P55 1uF C2P5 10uF C8P6 1uF C1P194 100nF C8P5 100nF R7P15 3.3KΩ C1P191 4.7uF C1P190 100nF U0P15 TPS562201DDCR GND 1 SW 2 VIN 3 VFB 4 EN 5 VBST 6 FB0T5 60Ω/100MHz C1P173 22uF R2P65 10KΩ C1P155 NC/22pF C4P7 22uF R7P16 0Ω/NC C4P4 10uF R7P11 NC/4.7KΩ R2P7 0Ω U3P7 TJ4310GDP-ADJ POK 1 EN 2 VIN 3 NC4 4 SS 5 VOUT 6 ADJ 7 GND 8 EPAD 9 C3P49 220pF C1P187 4.7uF R3P9 51KΩ Q0P6 KMBT3904 1 2 3 U2P10 JY1117EA IN 3 OUT 2 ADJ 1 OUT 4 R7P13 NC/33KΩ C8P15 NC/1uF R2P68 2.4KΩ C3P36 100nF R3P7 1.8KΩ C1P143 NC/10uF C1P178 100nF R2P64 0Ω C3P47 NC/10uF R1P4 NC/100KΩ C1P175 NC/10uF C2P0 1uF C2P54 NC/10uF R1P88 120Ω R321 NC/47KΩ C1P5 10uF R1P84 0Ω C4P5 100nF C4P1 100nF R7P12 18KΩ U0P4 MP1652GTF-Z VIN 1 SW 2 GND 3 BST 4 EN 5 FB 6 C8P8 1uF U0P5 AOZ3112DI GND 1 LX 2 LX 3 VIN 4 FB 5 NC 6 EN 7 BST 8 EPAD 9 R1P92 68Ω R3P36 18KΩ C3P44 220pF R1P79 100KΩ C3P9 100nF Q0P3 KMBT3904 1 2 3 R1P65 NC/20KΩ U2P11 JY1117EA IN 3 OUT 2 ADJ 1 OUT 4 U3P8 TJ4310GDP-ADJ POK 1 EN 2 VIN 3 NC4 4 SS 5 VOUT 6 ADJ 7 GND 8 EPAD 9 C4P0 10uF C2P1 10uF R6P13 NC/0Ω R7P3 12KΩ R1P89 68Ω R2P9 NC/47KΩ R2P60 10KΩ C2P8 NC/100nF R1P80 NC/20KΩ L0P3 2.3uH C3P46 10uF C1P154 10uF C1P157 22uF C2P4 100nF C2P53 10nF R7P4 100KΩ R2P67 10KΩ C3P57 1uF C1P192 100nF L0P12 2.3uH R2P2 NC/100KΩ C4P2 10uF R7P0 100KΩ FB5P0 60Ω/100MHz C1P179 10uF R7P7 4.7KΩ U3P4 JY1117E33A IN 3 OUT 2 ADJ 1 OUT 4 C1P188 100nF R4P12 10Ω C2P52 NC/100nF R7P19 NC/0Ω R2P6 33KΩ R1P87 200Ω R7P5 4.7KΩ R7P2 4.7KΩ R7P14 10KΩ R2P66 100KΩ R1P81 10KΩ C1P3 10uF C4P8 22uF C1P9 NC/22pF R3P11 22Ω C1P156 22uF R2P4 20KΩ C1P186 100nF C1P168 NC/1uF R1P7 5.6KΩ L0P2 2.3uH R1P94 22Ω R7P8 4.7KΩ R1P6 10KΩ C0P14 100nF C3P32 100nF C4P9 NC/22uF R1P75 100KΩ C8P20 NC/10uF C3P31 10uF R2P5 0Ω R2P29 0Ω R2P69 5.6KΩ R7P1 4.7KΩ C1P183 4.7uF C3P48 NC/10uF C2P55 NC/22uF R7P18 0Ω C1P195 NC/1uF C3P29 10uF C3P30 100nF R2P8 NC/100KΩ L0P14 10uH R3P37 2KΩ R1P76 10KΩ C3P51 10nF C1P180100nF R2P3 56KΩ C3P42 10uF R2P70 2KΩ C1P6 100nF C1P174 NC/22uF R2P59 2.4KΩ R3P35 10KΩ R3P6 10KΩ R7P9 NC/4.7KΩ R1P85 68Ω R1P93 200Ω Q0P8 NC/AO3401A 1 2 3 Q0P10 KMBT3904 1 2 3 喇 叭 功放 静 音 电路 AMP_RST=0 MUTE A V _ M U T E = 1 M U T E ( 默认不加防冲击声电 路,否则逻 辑反) 1、 电 源 输入 端 1 nF电容 吸 收 P V D D 尖 峰 电 流 , 选 型时 耐 压值需留有余 量 , 建 议使 用 0 6 03封 装。 如 图 中C8A5/C1A08/C1A01/C9 A 3。 2、 输 出 电 感 前 的 R C 网 络 吸 收 输 出 过 冲, 防 止 瞬 态响应失真 ; 同 时 为P WM提 供到 地 的 通 路 而 消 耗 功 率, 故 在24V供 电 时 330pF 电 容 建 议采用0603封装。如图 中 C8A8/C9 A 7C1A04/C1A17。 L R R6A4,C9A6 靠 近 主 芯 片 放 置 , 改 善 E M I TAS5707 Close to SOC IC 说 明: 1、 布 板 时输 出 L C 回 路 面 积 需 尽 可能小 ; 注 意散热问题。 2、 输 出端 R C网 络 、 L C 回 路 的 参 数 在 实 际设 计中可 根 据需 要做相应 调整 。 3、 左 右 声 道 间 电 感 在 布 板 时 保 持 尽 可能大 的距离 , 边到边距离至 少9m, 防 止 通 道 间串扰。 4、 原 理 图 中 参 数 供 参 考 , 根 据 实 际 设 计 需 要,相关参数 可做调 整 。 F0A3 由5A/32V改成3A/32V Close to SOC IC EPHONE_MUTE AUDIO_OUT_MUTE AMP_RST# AMP_PDN# AMP_PDN# AUDIO_OUT_MUTE AV_MUTE AMP_RST# I2S_LRCLK I2S_SCLK I2S_OUT AMPSDA AMPSCL AMP_RST I2S_MCLK GND VDDIO_3.3V +24V_NOR I2S_LRCLK I2S_SCLK I2S_OUT AMPSDA AMPSCL I2S_MCLK AMP_RST VDDAO_3.3V AV_MUTE +12V_NOR EPHONE_MUTE VDDIO_3.3V VDD_AMP +3.3V_AMP +3.3V_AMP +3.3V_AMP VDD_AMP VDD_AMP VDD_AMP +24V_NOR VDD_AMP VDDIO_3.3V +3.3V_AMP +12V_NOR VDDAO_3.3V VDDIO_3.3V VDDIO_3.3V +24V_NOR VDDAO_3.3V +12V_NOR AMPSDA [6,8] AMPSCL [6,8] AV_MUTE AMP_RST I2S_LRCLK I2S_SCLK I2S_OUT I2S_MCLK GND [3] VDDIO_3.3V [3] +24V_NOR [3] AMPSDA [6,8] AMPSCL [6,8] I2S_LRCLK I2S_SCLK I2S_OUT I2S_MCLK AMP_RST VDDAO_3.3V [3] AV_MUTE +12V_NOR [3] EPHONE_MUTE R1A15 4.7KΩ TP0A8 C796 1nF D0A8 NC/BAV70 1 2 3 R1A12 NC/100Ω C8A3 33nF C8A5 1nF C1A02 100nF R6A2 10KΩ C1A12 1uF C9A4 100nF C1A14 100nF L0A7 22uH C2A11 NC/22uF C8A2 47nF C1A3 10uF R1A05 NC/33KΩ C1A01 1nF C9A7 330pF C8A1 47nF C9A6 NC/22pF R6A8 0Ω C9A1 100nF FB0A3 60Ω/100MHz Q1A2 NC/KMBT3904 1 2 3 CN_M CN0A5 1 2 C9A5 470nF C8A8 330pF C1A03 470nF C1A53 NC/2.2uF C8A0 1uF R5A8 22.1KΩ C8A4 470nF C1A17 330pF R6A4 10Ω R7A1 100Ω R1A1 100Ω L0A8 22uH R1A09 NC/4.7KΩ R6A12 0Ω + CE0A5 220uF C7A7 NC/2.2nF R1A33 NC/4.7KΩ C1A4 10uF C1A06 NC/22pF R6A10 2.2KΩ R1A13 NC/150KΩ R1A14 10KΩ C1A09 100nF C1A11 100nF R1A11 NC/470KΩ C1A07 NC/22pF R7A3 100Ω L0A9 22uH F0A3 3A/32V R6A11 2.2KΩ TP0A9 R1A06 NC/3.3KΩ C1A00 33nF R1A2 NC/4.7KΩ C9A8 4.7uF R7A4 22Ω R6A7 10KΩ C1A04 330pF R6A1 22Ω TP0A11 L1A0 22uH R1A10 NC/470KΩ R6A9 0Ω C9A9 100nF C1A15 33nF C8A9 NC/470nF C1A51 NC/2.2uF Q1A4 NC/KMBT3904 1 2 3 R5A9 470Ω Q1A3 NC/MMBT3906 B 1 E 2 C 3 C7A9 4.7nF C1A16 470nF C9A3 1nF U0A3 TAS5707PHPR OUT_A 1 PVDD_A 2 PVDD_A 3 BST_A 4 GVDD_OUT 5 SSTIMER 6 OC_ADJ 7 NC8 8 AVSS 9 PLL_FLTM 10 PLL_FLTP 11 VR_ANA 12 AVDD 13 /FAULT 14 MCLK 15 OSC_RES 16 DVSS 17 VR_DIG 18 /PDN 19 LRCLK 20 SCLK 21 SDIN 22 SDA 23 SCL 24 /RESET 25 /STEST 26 DVDD 27 DVSS 28 GND 29 AGND 30 VREG 31 GVDD_OUT 32 BST_D 33 PVDD_D 34 PVDD_D 35 OUT_D 36 PGND_CD 37 PGND_CD 38 OUT_C 39 PVDD_C 40 PVDD_C 41 BST_C 42 BST_B 43 PVDD_B 44 PVDD_B 45 OUT_B 46 PGND_AB 47 PGND_AB 48 GND 49 D1A2 NC/1N4148W Q1A5 KMBT3904 1 2 3 ZD0A1 NC/7.5V C9A2 33nF D0A9 NC/1N4148W CN_M CN0A6 1 2 C1A05 NC/470nF C1A08 1nF FB0A4 60Ω/100MHz R7A0 NC/0Ω R1A34 100Ω R7A2 22Ω C7A8 4.7nF R6A3 NC/0Ω R1A19 4.7KΩ R6A6 18.2KΩ R1A18 4.7KΩ + CE0A7 220uF R6A5 22Ω C8A6 100nF TP0A10 R1A07 NC/20KΩ R6A0 470Ω iNAND FLASH R0M9使用5.0需要上 件 , 值 1 0K -1 00 K 使用 4 . 51情况 下请 NC C 0 M9 在使用 5.0时需 要 使 用1 u F C 0 M 8 需要根据实际情 况 进行调 整 √ 注意:由于原理 图 符 号 做了4 . 5 1 与 5 . 0的兼容, 以上四个引脚的定义请参照 表格设计 Ver4.51 Ver 5.0 引脚 号 A6 H5 J5 C5 定义 VSS Data strobe VSS NC RFU RFU RFU RFU RFU:Resr eved For f ut ur e Use,悬空 R 1 M 8 最大使 用 2 7 Ω,0Ω的电阻根 据 方案不同需要调整 SUMSANG Toshiba Micron Ver4.51 Ver 5.0 √ √ √ H S 4 0 0 向下兼 容 H S200,如果要 用 H S 模 式,N F _ V DD_I F请使用 1 . 8 V供电, 不用 HS模式,两 个 电 源都用 3 . 3 V 即 可 R1M8,C0M8 靠 近 主 芯 片 放 置 。 System E2PROM IIC ADRESS "A0" S G D S G D 856 16k 82k 24k 33k 75k 68k V3 V4 V5 V6 V7 pull-down100k 91k HW ID 85 167 248 334 420 512 603 82k A D C 读数 75k 68k 56k 47k V0 39k V1 pull-up 8.2k16k 24k 33k 39k 47k 56k V2 775 689 V8 V10 V11 V12 nc 100k 0 1023 91k 8.2k nc V9 938 HW_ID(2) Power On Configuration: 没有 1 6K R2M26最大 10 0K R2 M4 0 在5. 0上需要上 件 Layout时 晶 体 必 须紧 挨CP U放 保 证SYS_OSCI N 走 线 最短包 地 匹 配 电 容 的地 与 C PU地 直 连 复位 晶振 不 用 再 核 对 SYS_EEP_WP为L, 写 禁 止 RESET_N INF-CLK VDDI INF-CLK INF-CMD INF-D6 INF-D2 INF-D1 INF-D3 INF-CMD INF-D7 INF-D0 INF-D5 INF-RST VDDI INF-D4 INF-CLK DATA-STR INF-D3 INF-D5 INF-D5 INF-D4 INF-D6 INF-D6 INF-D6 INF-D7 INF-D7 INF-D6 INF-D6 INF_CLK INF_POWER INF_D0 INF_CMD INF-RST INF_POWER INF_D3 INF_D2 INF_D1 INF_D0 INF_RST INF_CMD INF_CLK INF_D5 INF_D4 INF_D6 INF_D7 INF-D1 INF-D0 INF-D7 INF-D6 INF-D5 INF-D4 INF-D3 INF-D2 INF-CMD INF-D2 INF-D1 INF-D0 INF-D7 INF-D6 INF-CLK INF-CMD INF-D5 INF-D4 INF-D3 INF-RST INF-CLK EOSDA0 EOSCL0 I2C_CLK1_EEPROM I2C_CLK1_EEP I2C_DATA1_EEP I2C_DATA1_EEPROM DATA_STR DATA-STR INF-RST INF-CLK INF-RST I2C_CLK1_EEPROM I2C_DATA1_EEPROM INF_CLK HW_ID SARADC_CH2 OSCIN RESET_N JTAG_TCK 5V_EN INF_D5 INF_D7 INF_D2 INF_D6 INF_D4 INF_D1 INF_D0 INF_D3 LED JTAG_TDI WIFI_RST IR POWERSTB INF_D5 AVDD18_DPLL INF_D6 VDDEE_PWM SARADC_CH3 HDMIRX_CEC1 JTAG_TMS INF_RST VDDEE_EN DATA_STR HW_ID UART_RXA UART_TXA DDR_EN INF_CMD WIFI_Wakeup JTAG_TDO AFE_1.8V EMMC_1.8V VDDA0_1.8V GND VDDIO_3.3V VDDAO_3.3V UART_RXA UART_TXA POWERSTB LED WIFI_Wakeup WIFI_RST WIFI_RST IR 5V_EN VDDEE_PWM VDDEE_EN DDR_EN SARADC_CH2 SARADC_CH3 OSCIN OSOUT OSOUT EOSCL0 EOSDA0 SYS_EEP_WP 3V3_EEP I2C_CLK1_EEP I2C_DATA1_EEP AVDD18_HDMI VDDAO_3.3V VDDIO_3.3V +3.3V_EMMC INF_POWER NF_VDD_IF INF_POWER +3.3V_EMMC INF_POWER EMMC_1.8V NF_VDD_IF EMMC_1.8V +3.3V_EMMC 3V3_EEP VDDIO_3.3V 3V3_EEP VDDIO_3.3V EMMC_1.8V VDDA0_1.8V VDDAO_3.3V VDDA0_1.8V AFE_1.8V EMMC_1.8V VDDA0_1.8V VDDIO_3.3V VDDAO_3.3V VDDAO_3.3V 3V3_EEP AVDD18_HDMI AVDD18_HDMI SYS_EEP_WP I2C_CLK1_EEP I2C_DATA1_EEP AFE_1.8V [3] EMMC_1.8V [3] VDDA0_1.8V [3] GND [3] VDDIO_3.3V [3] VDDAO_3.3V [3] UART_TXA [3] UART_RXA [3] POWERSTB LED [12] WIFI_Wakeup [8] WIFI_RST [8] IR [12] VDDEE_EN [2] VDDEE_PWM [2] 5V_EN [2] DDR_EN [2] SARADC_CH2 [12] SARADC_CH3 [12] EOSDA0 [3] EOSCL0 [3] SYS_EEP_WP [3] 3V3_EEP [3] I2C_CLK1_EEP I2C_DATA1_EEP AVDD18_HDMI [3] INF_CLK R1M10 10KΩ C1M10 100nF R2M9 0Ω R1M6 10KΩ R2M2 0Ω FB0M1 60Ω/100MHz R2M11 2.7KΩ C1M13 1uF R1M3 10KΩ INF_GND R3M36 0Ω R2M7 0Ω R4J14 10KΩ C1M0 4.7uF R2M21 10KΩ R2M38 2.7KΩ/NC C0M8 NC/33pF Q0P7 KMBT3904 1 2 3 TP19 R1M15 1KΩ R1M11 0Ω R1M4 10KΩ R326 22Ω R2M3 0Ω R2M0 0Ω C1M4 100nF C1M8 1nF INF_D0 R1M0 10KΩ R2M41 NC/4.7KΩ U1M6 AS809-293CDCM/TR-HF VSS 1 VOUT 2 VDD 3 Q7M0 NC/2N7002K 1 2 3 R2M1 0Ω R1M9 0Ω C1M9 100nF R2M6 0Ω INF_POWER R1M2 10KΩ R0M10 10KΩ TP16 R2M4 0Ω R2M40 0Ω R2M10 NC/0Ω TP20 C1M12 1uF C1M11 100nF R1M14 15KΩ R2M30 1MΩ R6M0 100KΩ R2M37 2.7KΩ/NC R2M26 10KΩ TP17 R2M8 0Ω LIB VER:2016-07-14 U1A T962_20160531_4 TEMP_IC_575_S_BGA_0P80_25R_25C_20L0_25W0 VDDIO_BOOT R22 BOOT_0//EMMC_D0 U24 BOOT_1//EMMC_D1 U25 BOOT_2//EMMC_D2 U23 BOOT_3//EMMC_D3 T25 BOOT_4//EMMC_D4//NOR_D T23 BOOT_5//EMMC_D5//NOR_Q//POC1 R24 BOOT_6//EMMC_D6//NOR_C//POC2 R23 BOOT_7//EMMC_D7 P24 BOOT_8//EMMC_CLK P23 BOOT_9//EMMC_RESET N25 BOOT_10//EMMC_CMD N24 BOOT_11//EMMC_DS//NOR_CS M24 GPIOCLK_0//CLK24//CLK12//GEN_CLK F19 GPIOCLK_1//CLK25//PWM_F//GEN_CLK F18 VDD33_AO E17 GPIOAO_0//UART_TX_AO_A//UART_TX_AO_B F17 GPIOAO_1//UART_RX_AO_A//UART_RX_AO_B D18 GPIOAO_2//UART_CTS_AO_A// UART_CTS_AO_B//REMOTE_OUTPUT M22 GPIOAO_3//UART_RTS_AO_A// UART_RTS_AO_B //PWM_AO_A//JTAG_TDI M23 GPIOAO_4//UART_TX_AO_B//I2C_SCK_AO//I2C_SLAVE_SCK_AO//JTAG_TDO P22 GPIOAO_5//UART_RX_AO_B//I2C_SDA_AO//I2C_SLAVE_SDA_AO//JTAG_CLK L6 GPIOAO_6//REMOTE_INPUT//REMOTE_OUT M21 GPIOAO_7//AO_CEC//EE_CEC//PWM_AO_A//JTAG_TMS F16 GPIOAO_8//PWM_AO_B//CLK_32K_IN F15 GPIOAO_9//PWM_AO_B E15 GPIOAO_10 L5 GPIOAO_11 AA5 TEST_N D16 RESET_N E18 SARADC_CH0 D14 SARADC_CH1 E14 SARADC_CH2 P21 SARADC_CH3 N21 DVSS G13 DVSS H6 EXTC_DPLL G15 AVSS_DPLL H15 SYS_OSCIN B25 SYS_OSCOUT C24 VDD18_EFUSE U19 DVSS C14 DVSS M14 DVSS N14 DVSS G4 DVSS T14 DVSS W14 DVSS Y14 DVSS AC22 DVSS C8 DVSS J12 DVSS M18 DVSS T8 DVSS U4 DVSS Y8 DVSS AC8 DVSS F21 DVSS U21 DVSS AD19 DVSS R7 DVSS U5 DVSS C18 DVSS G18 DVSS K18 DVSS N18 DVSS P18 DVSS T18 DVSS J11 DVSS L12 DVSS V11 DVSS U17 AVDD18_DPLL H12 DVSS K24 VDD18_AO D12 DVSS D9 DVSS W4 DVSS E12 DVSS N7 R2M42 NC/4.7KΩ R0M9 NC/47KΩ C1M2 4.7uF R2M5 0Ω R2M16 22Ω C0M9 1uF R2M14 NC/100Ω INF_CMD R2M28 0Ω R1M12 10KΩ R2M29 22Ω U0M2 M24C32-WMN6TP E0 1 E1 2 E2 3 VSS 4 SDA 5 SCL 6 /WC 7 VCC 8 C1M3 100nF R2M15 22Ω C5M58 10pF D2M5 SS14 R3M35 0Ω C7M8 100nF R1M8 0Ω TP18 R1M13 82KΩ R2M27 NC/0Ω C5M59 10pF U0M1 THGBMFG6C1LBAIL DAT0 A3 DAT1 A4 DAT2 A5 DAT3 B2 DAT4 B3 DAT5 B4 DAT6 B5 DAT7 B6 VDDi C2 VSSQ C4 VCCQ C6 VCC E6 VSS E7 VCC F5 VSS G5 VSS H10 VCC J10 RST_n K5 VSS K8 VCC K9 VCCQ M4 CMD M5 CLK M6 VSSQ N2 VCCQ N4 VSSQ N5 VCCQ P3 VSSQ P4 VCCQ P5 VSSQ P6 NC1 A1 NC2 A2 NC3 A8 NC4 A9 NC5 A10 NC6 A11 NC7 A12 NC8 A13 NC9 A14 NC11 B7 NC12 B8 NC13 B9 NC14 B10 NC15 B11 NC16 B12 NC17 B13 NC18 B14 NC19 C1 NC20 C3 NC21 C7 NC22 C8 NC23 C9 NC24 C10 NC25 C11 NC26 C12 NC27 C13 NC28 C14 NC29 D1 NC30 D2 NC10 D3 NC31 L1 NC32 D4 NC33 D12 NC34 D13 NC35 D14 NC36 E1 NC37 E2 NC38 E3 NC39 E12 NC40 E13 NC41 E14 NC42 F1 NC43 F2 NC44 F3 NC45 F12 NC46 F13 NC47 F14 NC48 G1 NC49 G2 NC50 G12 NC51 G13 NC52 G14 NC53 H1 NC54 H2 NC55 H3 NC56 H12 NC57 H13 NC58 H14 NC59 J1 NC60 J2 NC61 J3 NC62 J12 NC63 J13 NC64 J14 NC65 K1 NC66 K2 NC67 K3 NC68 K12 NC69 K13 NC70 K14 NC71 L2 NC72 L3 NC73 L12 NC74 L13 NC75 L14 NC76 M1 NC77 M2 NC78 M3 NC79 M7 NC80 M8 NC81 M9 NC82 M10 NC83 M11 NC84 M12 NC85 M13 NC86 M14 NC87 N1 NC88 N3 NC89 N6 NC90 N7 NC91 N8 NC92 N9 NC93 N10 NC94 N11 NC95 N12 NC96 N13 NC97 N14 NC98 P1 NC99 P2 NC100 P8 NC101 P9 NC103 P11 NC104 P12 NC105 P13 NC106 P14 VSS/RFU0 A6 RFU2 A7 NC/RFU1 C5 RFU3 E5 RFU4 E8 RFU5 E9 RFU6 E10 RFU7 F10 RFU8 G3 RFU9 G10 Strobe/RFU H5 VSS/RFU J5 RFU10 K6 RFU11 K7 RFU12 K10 RFU13 P7 RFU14 P10 NC0 B1 R2M12 2.7KΩ R1M7 10KΩ Q6M9 NC/2N7002K 1 2 3 R1M5 10KΩ C1M1 100nF R1M35 10KΩ X1 24MHz 4 3 1 2 R2M13 4.7KΩ DIF IN&OUT 靠近 t u n er芯片放置 Wifi filter 75 ohm Line 内置隔离变压 器 靠近 IC引 脚12 放置 内销高频 头 - MXL66 1 靠近 IC引 脚22 放置 注意: C 5T 2 与 C9T2位置 不能 调 换 此处隔离电容供 应 商 建 议采 用 2200pF电 容 靠近 Tu ne r A G C 采用几 级RC取决 于 后面的 D e m o d DLIF_N DLIF_P T_IF- T_IF+ T_SCL T_SDA TS_SDA_B TS_SCL_B T_IF_AGC DLIF_N DLIF_P 3.3V_TUNER GND TS_SDA_B TS_SCL_B T_IF_AGC RF_IN_M T_IF- T_IF+ T_SDA T_SCL +3.3V_TUNER +3.3V_TUNER 3.3V_TUNER 3.3V_TUNER VDD1V8 +3.3V_TUNER VDD1V8 +3.3V_TUNER VDD1V8 +3.3V_TUNER +3.3V_TUNER T_IF_AGC DLIF_N DLIF_P 3.3V_TUNER [3] GND [3] TS_SDA_B [7] TS_SCL_B [7] C4T3 47pF C5T1 1uF R1T42 100Ω C8T2 5.6pF C7T5 2.2nF L2T6 120nH C2T1 NC/47pF C6T4 100nF R1T9 1KΩ R2T3 NC/0Ω C5T8 33pF L2T7 120nH C5T2 10nF L2T4 2.2nH L6T9 8.2nH X0T2 16MHz 1 2 C3T0 10pF C6T7 470pF C7T9 4.7nF C5T0 33pF FB0T4 60Ω/100MHz C8T0 4.7nF C2T0 NC/47pF C3T44 1pF D0T2 BAV99 1 2 3 C9T2 1uF R2T1 NC/0Ω C8T3 1nF R3T3 2.7KΩ C9T4 4.7nF JA0T2 NC/Shield 1 2 3 4 C3T46 10uF C3T47 NC/22uF C7T0 100nF C7T8 4.7nF C8T1 4.7nF C7T6 4.7nF FB0T3 220Ω/100MHz L1T1 330nH MXL661 U0T5 VDD_3p3 1 LNA_INP 2 LNA_INN 3 VDD_1p8 4 AGC_2/GPO_3 5 AGC_1 6 GND_XTAL 21 XTAL_X 20 XTAL_N 19 CLK_OUT 18 SDA 17 SCL 16 VDD_IO 15 AS 24 RESET_N 23 VDD_1p8 22 IF_OUTPUT_2/GPO_1 7 IF_OUTPUT_2/GPO_2 8 IF_OUTP1 9 IF_OUTN1 10 VDD_3p3 11 VDD_1p8 12 VDD_1p2 13 GND_DIG 14 EPAD 25 R1T46 100Ω L1T5 33nH C7T3 100nF C9T5 100nF C4T4 47pF R1T47 100Ω R1T5 470KΩ C8T9 100nF C7T7 4.7nF C3T45 10uF L1T0 33nH C5T9 1nF JA0T4 RF SOCKET 1 1 2 2 3 3 4 4 R3T4 2.7KΩ R1T41 100Ω C9T3 4.7nF R1T4 0Ω 更改 成0欧 姆 Wifi_BlueTeeth_CONNECT H :OFF L :ON 屏背光 PWM 控制 恒流板二合一电源使用该部分电路: R2S1 R2S6 1%精 度; 使 用 三 极 管 电 路 时 R2S1 4 R 2 S1 5 NC BL-CONTROL WIFI /蓝 牙 电 源 接 口 E2P_CONNECT 无电烧 写K E Y码 POWER_ON POWERSTB: L poweron H poweroff 待机 IR/KEY/LED USB_WIFI_DP USB_WIFI_DM WIFI_RST CTR_WIFI BL-ADJUST BL_EN PWM_TOUT IPWM V-PWM BL_ADJ VPWM ON/OFF I-PWM BL-ADJUST BLK_ON/OFF PS_ON/OFF BL_EN1 I_PWM V_PWM DEV_WAKE_HST1 HST_WAKE_DEV1 HST_WAKE_DEV IPWM VPWM BLK_ON/OFF PWM_TIN BL_PWM WIFI_Wakeup USB_WIFI_D+ USB_WIFI_D- SYS_EEP_WP EOSCL0 EOSDA0 EOSCL0 EOSDA0 SYS_EEP_WP 3V3_EEP VDDAO_3.3V SARADC_CH2 SARADC_CH3 POWERSTB LED IR VDDA0_1.8V 5V_WIFI WIFI_Wakeup WIFI_RST WIFI_RST USB_WIFI_DP USB_WIFI_DM BL_EN 5V VDDIO_3.3V PWM_TOUT BL_PWM PWM_TIN V_PWM I_PWM PS_ON/OFF WIFI_RST WIFI_RST WIFI_Wakeup USB_WIFI_DP USB_WIFI_DM GND HST_WAKE_DEV POWERSTB 5V_EN 5V_EN +24V_NOR +12V_NOR KEY2_OUT LED SARADC_CH3 IR LED_OUT IR_CON VDDAO_3.3V LED_OUT KEY2_OUT SARADC_CH2 KEY1_OUT IR_CON 5V_WIFI VDDIO_3.3V VDDIO_3.3V 5V +12V_NOR +24V_NOR VDDIO_3.3V VDDIO_3.3V VDDIO_3.3V VDDIO_3.3V 3V3_EEP 3V3_EEP 3V3_EEP VDDAO_3.3V VDDA0_1.8V 5V_WIFI 5V VDDIO_3.3V VDDAO_3.3V VDDAO_3.3V +24V_NOR +12V_NOR VDDAO_3.3V VDDAO_3.3V VDDA0_1.8V VDDA0_1.8V USB_WIFI_DP USB_WIFI_DM I_PWM V_PWM EOSDA0 [3] EOSCL0 [3] SYS_EEP_WP [3] 3V3_EEP [3] VDDAO_3.3V [3] SARADC_CH2 [12] SARADC_CH3 [12] POWERSTB LED [12] IR [12] VDDA0_1.8V [3] 5V_WIFI [3] WIFI_Wakeup [8] WIFI_RST [8] USB_WIFI_DP USB_WIFI_DM BL_EN 5V [3] VDDIO_3.3V [3] PWM_TOUT BL_PWM PWM_TIN I_PWM V_PWM WIFI_RST [8] WIFI_Wakeup [8] USB_WIFI_DM USB_WIFI_DP GND [3] HST_WAKE_DEV 5V_EN +24V_NOR [3] +12V_NOR [3] LED E_SDA1 R1S1 0Ω D1S1 NC/1N4148W R3S00 NC/0Ω R0K11 100Ω R0S26 0Ω CN-M CN0S12 1 2 3 4 5 R0S23 33Ω RV1S8 NC/ESD R1S5 100Ω R0S20 4.7KΩ R1S3 0Ω BL-ON/OFF CN0S1 CN_M 1 2 3 4 5 6 7 8 9 10 11 12 13 14 R3S4 0Ω R0S2 NC/4.7KΩ WIFI_GND M0K1 SENSOR Vout 1 GND 2 Vcc 3 R0S22 33Ω GND R1S19 1KΩ R2S8 4.7KΩ/NC R1S23 4.7KΩ C0S7 100nF C0S9 100nF R1S6 0Ω C0K4 100nF R0S25 NC/0Ω PWR-ON/OFF R0K8 1KΩ Q0S5 KMBT3904/NC 1 2 3 R3S1 1KΩ C0S10 NC/10uF R3S7 100Ω R0S9 4.7KΩ C0K3 10uF R0K6 10KΩ R3S0 NC/20KΩ BL_ADJ R2S14 10KΩ R0S21 100Ω/NC R2S12 NC/10KΩ +5V_USB_WIFI R0K1 100Ω C0S2 33pF Q0S9 KMBT3904 1 2 3 R3S14 NC/4.7KΩ R0K13 100Ω R0S27 NC/4.7KΩ R1S17 NC/0Ω SW0K1 SWITCH 1 2 3 4 Q0S2 KMBT3904 1 2 3 +24V_NOR C0S11 10nF/NC Q0S1 NC/KMBT3904 B 1 E 2 C 3 C5S51 100nF R1S16 4.7KΩ HST_WAKE_DEV R1S22 NC/0Ω R0K12 100Ω +12V_NOR C0S12 100nF R4S5 10KΩ/NC R1S21 NC/0Ω R1S18 10KΩ R2S3 10KΩ CTR_WIFI CN_M CN0S3 1 2 3 4 5 6 Q0S8 KMBT3904 1 2 3 + CE1S6 100uF R3S5 0Ω R1S20 100Ω R3S6 100Ω R3S15 1KΩ R1S2 10KΩ R2S1 10KΩ RV1S6 NC/ESD R3S8 100Ω D0S5 NC/ESD R2S10 NC/10KΩ I_PWM CS1S7 NC/2.2uF Q0S3 KMBT3904 B 1 E 2 C 3 R2S5 NC/10KΩ D0S6 NC/ESD USB_WIFI_D- FB2S7 60Ω/100MHz CS16 100nF C5S52 NC/10uF E_SCL1 Q0K2 KMBT3904 1 2 3 DEV_WAKE_HST C0K2 NC/10uF R0S28 33Ω E_GND1 IR_OUT R2S9 1KΩ USB_WIFI_D+ R G LED0K1 RED/GREEN 3 1 2 R2S13 NC/4.7KΩ C0S4 100nF NC/CN-M CN3S3 1 2 3 4 5 6 7 8 E_3V4 R2S11 4.7KΩ VDDAO_3V3 R0S13 3.3KΩ R0S24 4.7KΩ KEY R2S6 NC/10KΩ R0S10 NC/51KΩ E_WP1 R0K10 10KΩ V_PWM R1S4 NC/0Ω R2S4 NC/330Ω LED 此处的 第8脚接地是为了便 于 PCB layout, 如 果 换用其 他 pin t o p in 的芯片,请 确认第8脚能否 接 地 此处的 第8脚接地是为了便 于 PCB layout, 如 果 换用其 他 pin t o p in 的芯片,请 确认第8脚能否 接 地 HDMI1 For Ethernet EMS 2 、 H M DI差分信号上的串 联 电 阻 有 的 使用22欧; 5 、插座可根据自己需要在 库里选择更换 4 、 C E C、 A RC功能有的方案不用, 可 以去 掉其相 应的元件 3 、I 2 C上拉有的 使 用4.7 K ,串联 电 阻 10 0欧; 1 、此 处 ESD元件分布 电 容 要小于0.3pF,可以选用与本设 计 中 同封装 的其 他优选料; H D M I 接口,外销使用的时候 , 请 采 用 封 装 JA_23_S_HDMI_H_8H40_W H D MI1 - - - - - 本页网络 靠近端子引脚 For Ethernet EMS 此处的 第8脚接地是为了便 于 PCB layout, 如 果 换用其 他 pin t o p in 的芯片,请 确认第8脚能否 接 地 此处的 第8脚接地是为了便 于 PCB layout, 如 果 换用其 他 pin t o p in 的芯片,请 确认第8脚能否 接 地 2 、 H M DI差分信号上的串 联 电 阻 有 的 使用22欧; 5 、插座可根据自己需要在 库里选择更换 4 、 C E C、 A RC功能有的方案不用, 可 以去 掉其相 应的元件 3 、I 2 C上拉有的 使 用4.7 K ,串联 电 阻 10 0欧; 1 、此 处 ESD元件分布 电 容 要小于0.3pF,可以选用与本设 计 中 同封装 的其 他优选料; H D M I 接口,外销使用的时候 , 请 采 用 封 装 JA_23_S_HDMI_H_8H40_W HDMI2 H D MI2 - - - - - 本页网络 靠近端子 引脚 如果背面地完 整,则删除 如果背面地完 整,则删除 SEPARATE GROUND Place On Top Layer USB2.0-2 1、 卧式 USB2. 0: 6100- 089110- 0 41 0 2 、 E S D器件可自己选择,目 前 原 理 图 所 用是: 4100-L18002-T0,18V/ 2PF, 封装0402。 3 、C5J 6, C5 J7是三所在使用 。 4、R1J 74, R1J 78三所 使用的 是 0 欧 。 网络 接 口 H:Enable U S B 过流保护 电 路 USB2.0-1 1、 卧式 USB2. 0: 6100- 089110- 0 41 0 2 、 E S D器件可自己选择,目 前 原 理 图 所 用是: 4100-L18002-T0,18V/ 2PF, 封装0402。 3 、C5J 6, C5 J7是三所在使用 。 4、R1J 74, R1J 78三所 使用的 是 0 欧 。 网 络 接 口 U S B 接口 AV-IN 靠 近 接 口 TF SIM 卡 此电路仅仅预留用作项目初 期调试用 UART0 U S B 口 Ethernet-----本 页 网 络 AV-IN AV-OUT HDMI1_RX0+ HDMI1_CLK+ HDMI1_RX2- HDMI1_RX1+ HDMI1-SCL HDMI1_CLK- HDMI1-SCL HDMI1_RX1- HDMI1_HPD HDMI1_SDA HDMI1-SDA HDMI1_HPDIN HDMI1_CLK- HDMI1_RX0- HDMI1_RX0+ HDMI1_CLK+ HDMI1_RX2- HDMI1_RX2+ HDMI1_RX1+ HDMI1_RX1- HDMI1_CLK- HDMI1_CLK+ HDMI1_RX2+ HDMI1_RX2- HDMI1_RX1+ HDMI1_RX1- HDMI1_RX0+ HDMI1_RX0- HDMI1_RX2+ HDMI1_RX0- HDMI1_HPD HDMI1-SDA HDMI1_RX2- HDMI1_RX2N HDMI1_CLK+ HDMI1_CLKP HDMI1_RX1+ HDMI1_RX1P HDMI1_RX0- HDMI1_RX0N HDMI1_RX2+ HDMI1_RX2P HDMI1_RX1- HDMI1_RX1N HDMI1_CLK- HDMI1_CLKN HDMI1_RX0+ HDMI1_RX0P HDMI1_SCL HDMI1_RX2P HDMI1_RX1N HDMI1_CLKP HDMI1_RX0N HDMI1_RX0P HDMI1_CLKN HDMI1_SCL HDMI1_SDA HDMI1_HPDIN HDMI1_RX1P HDMI1_RX2N +5V_HDMI1 HDMI_ARCTN HDMI2-SDA HDMI2_RX1- HDMI2_RX0+ HDMI2-SCL HDMI2_CLK+ HDMI2_RX0+ HDMI2_RX0- HDMI2_CLK- HDMI2_CLK- HDMI2_RX1- HDMI2_RX1+ HDMI2_RX2+ HDMI2_RX2- HDMI2_RX1- HDMI2_RX1+ HDMI2_RX2- HDMI2_RX2+ HDMI2_CLK+ HDMI2_RX0- HDMI2_RX0+ HDMI2_RX2+ HDMI2_HPDIN HDMI2_RX2- HDMI2_RX1+ HDMI2_RX2- HDMI2_RX2N HDMI2_RX0+ HDMI2_RX0P HDMI2_RX0- HDMI2_RX0N HDMI2_RX1- HDMI2_RX1N HDMI2_RX2+ HDMI2_RX2P HDMI2_RX1+ HDMI2_RX1P HDMI2_CLK- HDMI2_CLKN HDMI2_CLK+ HDMI2_CLKP HDMI2-SCL HDMI2_SCL HDMI2_SDA HDMI2_HPD HDMI2-SDA HDMI2_CLK- HDMI2_RX0- HDMI2_CLK+ +5V_HDMI2 HDMI2_RX1P HDMI2_RX2N HDMI2_RX2P HDMI2_RX1N HDMI2_CLKP HDMI2_RX0N HDMI2_RX0P HDMI2_CLKN HDMI2_SDA HDMI2_SCL HDMI2_HPDIN HDMI2_HPD HDMI_ARCTP HDMI_ARCTN HDMI_ARCTP HDMI_ARCTN HDMI_ARCTP REGOUT1 RXVP RXVN RXVN TXVP RXVP TXVP TXVN TXVN RXVN RXVP TXVN TXVP LAN_TXP LAN_TXN LAN_RXP LAN_RXN DM1 DP1 DM0 DP0 GND REGOUT2 CVBS1 CVBS1_in AUDIOCODEC_1L CVBS_REF SD-CDZ 3V3_TF SD_CMD SD_D0 SD_D1 SD_CLK SD_D2 SD_D3 SD_IN VDDIO_3.3V SD-D3 SD_CLK SD-CLK SD-D2 SD_CMD SD-CMD SD-D0 SD-D1 SD_IN SD-D0 SD-D1 SD-D2 SD-D3 SD-CLK SD_D0 SD_D1 SD-CDZ SD_D2 SD_D3 SD-CMD SD-D0 SD-D1 SD-D2 SD-D3 SD-CLK SD-CMD SD-CDZ 3V3_TF UART_TXA1 UART_RXA1 UART_RXA UART_TXA UART_RXA1 UART_TXA1 USB_WIFI_DP USB_WIFI_DM DM1 DP1 DM0 DP0 5V AFE_1.8V LAN_RXN LAN_RXP LAN_TXP LAN_TXN AUDIOCODEC_1R AUDIOCODEC_1L CVBS1_in CVBS1 CVBS_REF AV_OUT AV_AUR-OUT AV_AUL-OUT UART_RXA UART_TXA VDDAO_3.3V AV_AUL-OUT AV_OUT AV_AUR-OUT AV_OUT AV_AUL-OUT AV_AUR-OUT AUDIOCODEC_1R +5V_HDMI1 +5V_HDMI1 +5V_HDMI1 +5V_HDMI1 +5V_HDMI2 +5V_HDMI2 +5V_HDMI2 +5V_HDMI2 ENT_1.8V ENT_1.8V +5V_USB 5V 5V +5V_USB +5V_USB AFE_1.8V ENT_1.8V ENT_1.8V VDDIO_3.3V VDDIO_3.3V VDDAO_3.3V 5V AFE_1.8V VDDAO_3.3V HDMI1_SCL HDMI1_SDA HDMI1_HPDIN HDMI1_RX2N HDMI1_RX2P HDMI1_RX1P HDMI1_RX1N HDMI1_RX0N HDMI1_RX0P HDMI1_CLKP HDMI1_CLKN HDMI2_RX2N HDMI2_RX1P HDMI2_RX2P HDMI2_RX1N HDMI2_RX0N HDMI2_CLKP HDMI2_RX0P HDMI2_CLKN HDMI2_SDA HDMI2_SCL HDMI2_HPDIN HDMI_ARCTN HDMI_ARCTP GND [3] CVBS1_in [6] SD_CLK [12] SD_CMD [12] SD_D2 [12] SD_D3 [12] SD_IN [12] SD_D0 [12] SD_D1 [12] VDDIO_3.3V [3] UART_TXA UART_RXA USB_WIFI_DP USB_WIFI_DM DM1 DP1 DM0 DP0 5V[3] AFE_1.8V [3] LAN_TXP LAN_RXP LAN_RXN LAN_TXN AUDIOCODEC_1L [8] AUDIOCODEC_1R [8] CVBS1_in [6] CVBS1 [6] CVBS_REF [6] AV_OUT [8] AV_AUR-OUT AV_AUL-OUT UART_TXA UART_RXA VDDAO_3.3V R1J8 5.1Ω WHITE YELLOW RED JA1J6 RCA SOCKET 1 2 3 4 5 6 JA0J2 HDMI SOCKET DATA2+ 1 DATA2 SHIELD 2 DATA2- 3 DATA1+ 4 DATA1 SHIELD 5 DAT1A- 6 DATA0+ 7 DATA0 SHIELD 8 DATA0- 9 CLK+ 10 CLK SHIELD 11 CLK- 12 CEC 13 NC 14 SCL 15 SDA 16 DDC/CEC GND 17 +5V POWER 18 HOT PLUG 19 GND 20 GND 21 GND 22 GND 23 RV0J12 NC/ESD R1J03 NC/1KΩ RV8J2 NC/ESD R1J7 5.1Ω R7J2 22Ω C3J16 100nF C5J7 NC/5pF C1J12 100nF R1J50 1KΩ R1J70 22Ω C5J2 100nF DW5J3 ESD RV0J13 NC/ESD RV7J5 NC/ESD R1J74 0Ω R1J9 0Ω R6J10 NC/47KΩ R1J78 0Ω R1J57 10KΩ RV6J9 NC/ESD TF1J1 SD CARD SOCKET SD_D3 2 SD_D2 1 SD_D1 8 SD_VSS 11 SD_DET 9 VSS 6 CMD 3 GND 10 CLK 5 SD_D0 7 SD_DET 12 VDD 4 GND 13 C1J10 1nF R3J35 NC/4.7KΩ C1J9 100nF R1J5 5.1Ω C5J6 NC/5pF R1J81 0Ω TX R1J48 10KΩ C0J7 NC/22pF DW1J3 NC/ESD RV0J5 NC/ESD RV1J4 NC/TT0504ST I/O1 1 I/O2 2 GND 3 I/O3 4 I/O4 5 IO4 6 IO3 7 NC 8 IO2 9 IO1 10 FB0J4 NC/100Ω/100MHz R1J82 NC/0Ω R9J9 NC/1KΩ R5J9 10KΩ R1J3 56Ω C1J8 100nF R8J3 100Ω R6J6 100KΩ AV_OUT_GND RV8J1 NC/ESD R2J56 75Ω C0J6 NC/22pF C6J63 220pF R1J79 0Ω R1J12 75Ω RV7J6 NC/ESD C1J7 1nF R8J1 4.7KΩ JA2J3 USB SOCKET VBUS 1 D- 2 D+ 3 GND 4 SHELL 5 SHELL 6 R2V11 NC/75Ω C3J15 1uF C6J67 10pF RV7J8 NC/ESD C5J9 100nF C6J75 220pF R1J59 10KΩ C0J14 NC/22pF JA1J7 EPHONE 3 3 2 2 1 1 NC 4 C1J5 100nF RV2V0 NC/ESD R1J13 75Ω JA0J1 HDMI SOCKET DATA2+ 1 DATA2 SHIELD 2 DATA2- 3 DATA1+ 4 DATA1 SHIELD 5 DAT1A- 6 DATA0+ 7 DATA0 SHIELD 8 DATA0- 9 CLK+ 10 CLK SHIELD 11 CLK- 12 CEC 13 NC 14 SCL 15 SDA 16 DDC/CEC GND 17 +5V POWER 18 HOT PLUG 19 GND1 20 GND2 21 GND3 22 AV1 R1J52 10KΩ R1T45 37.4Ω RX DW4J0 ESD R9J8 NC/1KΩ RV0J11 NC/ESD RV7J19 NC/ESD RX+ R6J2 1KΩ R1J47 3.3KΩ RV7J18 NC/ESD R7J3 22Ω R1J6 5.1Ω R8J4 100Ω RV7J1 NC/ESD RV7J2 NC/ESD C6J73 1nF R6J4 10KΩ R2J57 0Ω R1J55 4.7KΩ C3J14 100nF C1J1 NC/22pF RX- R1J02 NC/1KΩ RV0J1 NC/ESD AV1_AUL WHITE YELLOW RED JA1J5 RCA SOCKET 1 2 3 4 5 6 R1J83 NC/0Ω R1J80 0Ω C1J3 1nF U0J4 AP1621A VOUT 1 GND 2 FLG 3 EN/EN 4 VIN 5 USB_GND2 U1J1 NC/CS0809V-C 1 1 2 2 3 3 4 4 5 5 6 6 RV7J3 NC/ESD C1J6 NC/1nF RV1J5 NC/TT0504ST I/O1 1 I/O2 2 GND 3 I/O3 4 I/O4 5 IO4 6 IO3 7 NC 8 IO2 9 IO1 10 C0J8 NC/22pF R7J4 4.7KΩ R1J2 56Ω RV6J7 NC/ESD DW5J1 ESD AV1_AUR C1J11 100nF R6J8 100KΩ R1J46 3.3KΩ R8J2 4.7KΩ RV7J20 NC/ESD C5J12 NC/5pF R1J4 56Ω C5J8 10uF DW6V14 NC/ESD R1J11 75Ω R9J7 NC/1KΩ R1J1 56Ω UART_GND FB0J5 NC/100Ω/100MHz C0J13 NC/22pF C6J64100nF USBB_5V C5J11 10uF Q0J2 KMBT3904 1 2 3 R7J6 10KΩ TX- RV6J13 NC/ESD R1J69 22Ω R1J01 NC/1KΩ JA5J0 RJ45 SOCKET TX+ 1 TX- 2 RX+ 3 4 4 5 5 RX- 6 7 7 8 8 GND 9 GND1 10 R2J111 NC/4.7KΩ USB_GND1 RV7J7 NC/ESD AV_GND1 C6J65 22pF Q0J3 KMBT3904 1 2 3 DW5J2 ESD R3J14 100KΩ R3J13 47KΩ AV_OUT C1J0 NC/22pF R1J49 10KΩ FB1J6 60Ω/100MHz C5J10 NC/5pF C1J4 NC/1nF R9J6 NC/1KΩ + CE3J6 220uF AV_L_OUT C6J7 1nF R2J581KΩ R2J110 4.7KΩ R6J9 NC/47KΩ R1J10 75Ω RV1J12 NC/TT0504ST I/O1 1 I/O2 2 GND 3 I/O3 4 I/O4 5 IO4 6 IO3 7 NC 8 IO2 9 IO1 10 R1J14 NC/0Ω AV_R_OUT RV7J4 NC/ESD TD RD TX RX TN0J1 TRANSFORMER 1 2 3 4 5 6 7 8 9 10 11 12 13 14 15 16 RV0J10 NC/ESD C1J2 NC/1nF R3J15 24KΩ FB1J4 NC/60Ω/100MHz TX+ RV6J8 NC/ESD JA2J2 USB SOCKET VBUS 1 D- 2 D+ 3 GND 4 SHELL 5 SHELL 6 C6J66 10pF RV1J13 NC/TT0504ST I/O1 1 I/O2 2 GND 3 I/O3 4 I/O4 5 IO4 6 IO3 7 NC 8 IO2 9 IO1 10 V x 1 走线尽量短 。 R1L20 only add when LG 60E6200 AGND GND 2015.03.26 为华星新 接口屏 增 加 : HX_WP net, R1L19 群创配屏参数设置(其他屏 见 右 表 ) 50/58/65E6200 LG 60E6200 Data Format0/1 ADD R383 NC R398 NC R397 NC, R392 add R381 NC R330 NC R375 NC 10BIT: R379 NC R378 NC R391 ADD R382 NC nosig black 华星 新接 口 ADD R380 NC R331 ADD R383 NC R398 ADD R381 add R330 add R1L19 add R379 NC R378 NC R397 NC R392 NC R375 NC R380 NC R331 ADD R380 NC R331 ADD R391 add R382 NC nosig bk 2015.04.20 更 新 配屏 表 R398 NC R381 add R330 add (high lumi) PANEL SELECTION GUIDE(配 屏 电阻 表 ) LG Gplus ,2div none t-con pwm in 群创 Component CN0L1 ADD ADD R383 =R0L0 R398=R1L1 R383 nc R383 NC R398 ADD R397=R1L3 R392=R1L2 R397 NC R392 NC R397 NC R392 NC R381=R1L5 R330=R1L4 R381 NC R330 NC R375 =R1L6 R375 NC (Gplus mode) R375 NC R378 =R1L8 R379=R1L9 10BIT: R379 NC R378 NC R379 NC R378 NC R380=R1L10 R331=R1L11 R380 ADD R331 add (H:2division)R380 nc R331 ADD R391=R1L13 R382=R1L12 R391 ADD R382 NC nosig black R391 NC R382 NC R345=R1L14 R396=R1L16 R340=R1L17 R389=R1L18 R381 NC R330 NC BOE R383 NC R398 ADD R397 NC R392 NC R375 NC R379 NC R378 NC R391 NC R382 NC ADD R340 R345 add R389 R396 ADD R295 NC 同左 LG 同左 LG 同左 LG 同左 LG R1L20 only add when LG 60E6200 VCC_PANEL L :Power off H :Power on H = > LVDS POWER ON VX1_LANE7P VX1_LANE7N VX1_LANE6P VX1_LANE6N VX1_LANE5P VX1_LANE5N VX1_LANE4P VX1_LANE4N VX1_LANE3P VX1_LANE3N VX1_LANE2P VX1_LANE2N VX1_LANE0P VX1_LANE0N VX1_LANE1P VX1_LANE1N VCC_PANEL MSE GMODE/LRI PWM_TOUT GMODE BIT_SEL/NC AGP_NSB/NC PWM_TIN LOCKN_OUT LOCK_CHIP HTPDN HTPDN_CHIP D_format_LD_EN GEN_2D_3D MSE_CHIPIO GND/PWM_TIN PWM_TOUT/LRO GMODE/LRI GEN/2D_3D D_format/LD_EN HX_WP MSE A0_N A0_P A1_N A1_P A2_N A2_P ACLK_N ACLK_P A3_N A3_P A4_N A4_P B0_N B0_P B1_N B1_P LOCKN_OUT HTPDN AGP_NSB/NC D_format/LD_EN BIT_SEL/NC HX_WP Panel_SCL_C Panel_SDA_C GEN/2D_3D GMODE/LRI PWM_TOUT/LRO GND/PWM_TIN A3_N A3_P A4_N A4_P B0_P B0_N B1_N B1_P A0_N A0_P A1_N A1_P A2_N A2_P ACLK_N ACLK_P PANEL_PWR +12V_NOR PANEL_PWR 3.3V_BD D_format_LD_EN GMODE Panel_SCL_C Panel_SDA_C GEN_2D_3D PWM_TOUT PWM_TIN MSE_CHIPIO LOCK_CHIP HTPDN_CHIP HTPDN LOCKN_OUT GND VCC_PANEL 3.3V_BD 3.3V_BD 3.3V_BD 3.3V_BD 3.3V_BD 3.3V_BD 3.3V_BD 3.3V_BD 3.3V_BD 3.3V_BD 3.3V_BD VCC_PANEL +12V_NOR +12V_NOR 3.3V_BD B1_P B1_N B0_P B0_N A4_P A4_N A3_P A3_N ACLK_P ACLK_N A2_P A2_N A1_P A1_N A0_P A0_N +12V_NOR [3] PANEL_PWR [3] 3.3V_BD [3] D_format_LD_EN[10] GMODE [10] Panel_SCL_C [10] Panel_SDA_C [10] GEN_2D_3D [10] PWM_TOUT PWM_TIN MSE_CHIPIO LOCK_CHIP [10] HTPDN_CHIP [10] HTPDN LOCKN_OUT GND [3] R1L0 NC/0Ω C1L1 100nF C1L8 100nF R1L12 NC/10KΩ R1L4 NC/10KΩ FB0L5 31Ω/100MHz R0L17 220KΩ R1L8 NC/10KΩ R1L11 10KΩ R1L16 NC/22Ω C1L14 100nF R0L14 2.7KΩ R0L18 10KΩ R1L20 NC/0Ω C1L9 100nF R0L19 4.7KΩ C1L5 100nF R0L13 22Ω R1L14 10KΩ R1L10 NC/0Ω R1L18 NC/22Ω D0L1 NC/1N4148W C0L10 100nF R0L15 2.7KΩ C1L4 100nF C0L8 220nF R1L9 NC/10KΩ C0L4 NC/10uF C1L10 100nF C1L7 100nF C1L13 100nF R1L19 NC/0Ω Q0L8 KMBT3904 1 2 3 R1L2 NC/10KΩ R1L6 NC/0Ω C1L11 100nF R1L3 NC/0Ω R1L13 NC/0Ω G S D U0L1 ME9435A 5 4 1 6 7 8 3 2 C0L11 10uF R2L5 NC/6.8KΩ C0L12 NC/10uF R1L22 NC/0Ω R0L16 4.7KΩ C1L16 100nF R1L7 10KΩ R0L12 22Ω CN-F CN0L1 1 2 3 4 5 6 7 8 9 10 11 12 13 14 15 16 17 18 19 20 21 22 23 24 25 26 27 28 29 30 31 32 33 34 35 36 37 38 39 40 41 42 43 44 45 46 47 48 49 50 51 52 53 C1L2 100nF R1L17 10KΩ C0L9 100nF R1L5 NC/0Ω C1L3 100nF C1L6 100nF R1L1 0Ω C1L15 100nF R1L21 10KΩ C1L12 100nF 1.02V R2T62接 地 打孔靠 近 C 4 / J 8pin R2T63接 地 打 孔 靠 近 E6 / J 8pi n 靠近芯片放置 靠 近 芯 片 HDMI2 HDMI1 HDMI Ethernet 8C37/8C44接 地 打 孔 靠 近 J2 / L 8pi n 模 拟 音 频 靠 近 芯 片 靠 近 芯 片 U S B 口 AV&TV 靠 近 芯 片 VBO VBO AV&TV GPIO 模 拟 音 频 Ethernet U S B 口 靠 近 T V SO C CVBS1_in I2S_OUT I2S_LRCLK AMPSDA AMPSCL MSE_CHIPIO GMODE AMP_RST BL_PWM I2S_MCLK GEN_2D_3D Panel_SCL_C Panel_SDA_C VDDCPU_PWM I2S_SCLK PANEL_PWR SD_CMD SD_D0 SD_D1 SD_CLK SD_D2 SD_D3 SD_IN TS_SDA_B TS_SCL_B AV_MUTE LOCKN_OUT I_PWM HST_WAKE_DEV HTPDN ADC_IF_AGC D_format_LD_EN CVBS1_in SPDIF DLIF_N CVBS_OUT CVBS1 CVBS_REF DLIF_P DLIF_N DLIF_P CVBS_OUT HDMI2_RX2P HDMI2_RX2N HDMI2_RX1P HDMI2_RX1N HDMI2_RX0P HDMI2_RX0N HDMI2_CLKP HDMI2_CLKN HDMI2_SCL HDMI2_SDA +5V_HDMI2 HDMI2_HPDIN ARCTN ARCTP HDMI_ARCTN HDMI_ARCTP HDMI1_RX2P HDMI1_RX2N HDMI1_RX1P HDMI1_RX1N HDMI1_RX0P HDMI1_RX0N HDMI1_CLKP HDMI1_CLKN HDMI1_SCL HDMI1_SDA +5V_HDMI1 HDMI1_HPDIN +5V_HDMI2 HDMI2_RX1P HDMI2_RX2N HDMI2_RX2P HDMI2_RX1N HDMI2_CLKP HDMI2_RX0N HDMI2_RX0P HDMI2_CLKN HDMI2_SDA HDMI2_SCL HDMI2_HPDIN HDMI1_RX2P HDMI1_RX1N HDMI1_CLKP HDMI1_RX0N HDMI1_RX0P HDMI1_CLKN HDMI1_SCL HDMI1_SDA HDMI1_HPDIN HDMI1_RX1P HDMI1_RX2N +5V_HDMI1 HDMI_ARCTN HDMI_ARCTP AUDIOCODEC_1R AUDIOCODEC_1L LAN_RXN LAN_RXP LAN_TXP LAN_TXN LINER_OUT LINEL_OUT AUDIOCODEC_1R LAN_RXP LAN_RXN AUDIOCODEC_1L LINER_OUT LINEL_OUT LAN_TXP LAN_TXN AFE_1.8V VDD_EE1 VDDIO_3.3V DM1 USB_WIFI_DP USB_WIFI_DM USB_WIFI_DP USB_WIFI_DM DP1 DM0 DP0 USB1_1.8V DM1 DP1 DM0 DP0 CVBS1 CVBS_REF A3_N A3_P A4_N A4_P B0_P B0_N B1_N B1_P A0_N A0_P A1_N A1_P A2_N A2_P ACLK_N ACLK_P A3_N A3_P A4_N A4_P B0_P B0_N B1_N B1_P A0_N A0_P A1_N A1_P A2_N A2_P ACLK_N ACLK_P LOCK_CHIP VDD_EE VDDCPU VDD_EE1 VDD_EE2 VDDAO_0V9 V_PWM GND I2C_CLK1_EEP I2C_DATA1_EEP BL_EN SYS_EEP_WP HTPDN_CHIP AVDD18_HDMI ADC_IF_AGC T_IF_AGC VDDIO_3.3V VDD_EE VDDCPU VDDIO_3.3V VDDIO_3.3V AFE_1.8V VDD_EE2 VDD_EE1 VDD_EE VDDIO_3.3V VDDCPU VDDAO_0V9 AFE_1.8V DAC_1.8V AVDD33_HDMI AVDD18_HDMI VDD_EE1 AVDD09_HDMI AFE_1.8V VDDIO_3.3V +5V_HDMI2 +5V_HDMI1 AVDD18_HDMI AFE_1.8V Audio_1.8V AVDD09_HDMI AFE_1.8V VDD_EE1 VDDIO_3.3V AVDD33_HDMI AFE_1.8V AVDD18_HDMI AFE_1.8V USB1_1.8V USB1_1.8V AFE_1.8V VBX1_1.8V VDD_EE VDDCPU VDD_EE1 VDD_EE2 VDDAO_0V9 AVDD18_HDMI MSE_CHIPIO [10] I2S_LRCLK [11] I2S_SCLK [11] I2S_OUT [11] I2S_MCLK [11] BL_PWM [2] GMODE [10] AMP_RST [11] GEN_2D_3D [10] PANEL_PWR [10] SD_CLK [12] AMPSCL [11] AMPSDA [11] SD_CMD [12] SD_D2 [12] SD_D3 [12] VDDCPU_PWM [2] AV_MUTE [9] HST_WAKE_DEV [8] SD_IN [12] CVBS1_in [9] SD_D0 [12] SD_D1 [12] LOCKN_OUT [10] TS_SDA_B [7] TS_SCL_B [7] Panel_SDA_C [10] Panel_SCL_C [10] HTPDN [10] I_PWM [2] D_format_LD_EN[10] CVBS_OUT [9] DLIF_N DLIF_P CVBS_OUT HDMI2_RX2N HDMI2_RX1P HDMI2_RX2P HDMI2_RX1N HDMI2_RX0N HDMI2_CLKP HDMI2_RX0P HDMI2_CLKN HDMI2_SDA HDMI2_SCL HDMI2_HPDIN HDMI1_SCL HDMI1_SDA HDMI1_HPDIN HDMI1_RX2N HDMI1_RX2P HDMI1_RX1P HDMI1_RX1N HDMI1_RX0N HDMI1_RX0P HDMI1_CLKP HDMI1_CLKN HDMI_ARCTN HDMI_ARCTP AUDIOCODEC_1L [8] AUDIOCODEC_1R [8] LAN_TXP LAN_RXP LAN_RXN LAN_TXN LINER_OUT LINEL_OUT AFE_1.8V [3] VDD_EE1 [3] VDDIO_3.3V [3] USB_WIFI_DP USB_WIFI_DM USB1_1.8V [3] DM1 DP1 DM0 DP0 CVBS1 [6] CVBS_REF [6] B1_P B1_N B0_P B0_N A4_P A4_N A3_P A3_N ACLK_P ACLK_N A2_P A2_N A1_P A1_N A0_P A0_N LOCK_CHIP [10] VDD_EE [3] VDDCPU [3] VDD_EE1 [3] VDD_EE2 [3] VDDAO_0V9 [3] V_PWM [2] GND [3] I2C_DATA1_EEP I2C_CLK1_EEP BL_EN [2] SYS_EEP_WP [3] HTPDN_CHIP [10] AVDD18_HDMI [3] T_IF_AGC [7] R2T64 560Ω R3L37 100Ω C734 100nF R334 200Ω R2T67 0Ω C6J68 1uF C6J70 470nF C6T98 100nF R333 6.49KΩ R7J33 1.6KΩ C735 100nF R339 39KΩ C6T89 100nF C6J69 1uF C753 100nF C727 4.7uF C802 100nF R2T65 1uF R335 200Ω C6T90 100nF R2T66 1uF C6J71 470nF C746 100nF C750 100nF R340 51KΩ LIB VER:2016-07-14 U1G T962_20160531_4 TEMP_IC_575_S_BGA_0P80_25R_25C_20L0_25W0 LVDS_B_4P P2 LVDS_B_4N P3 LVDS_B_3P R1 LVDS_B_3N R2 LVDS_B_CLKP T2 LVDS_B_CLKN T3 LVDS_B_2P U1 LVDS_B_2N U2 VX1_7P//LVDS_B_1P V2 VX1_7N//LVDS_B_1N V3 VX1_6P//LVDS_B_0P W1 VX1_6N//LVDS_B_0N W2 VX1_5P//LVDS_A_4P Y2 VX1_5N//LVDS_A_4N Y3 VX1_4P//LVDS_A_3P AA2 VX1_4N//LVDS_A_3N AA1 VX1_3P//LVDS_A_CLKP AA3 VX1_3N//LVDS_A_CLKN AB2 VX1_2P//LVDS_A_2P AC2 VX1_2N//LVDS_A_2N AC1 VX1_1P//LVDS_A_1P AC3 VX1_1N//LVDS_A_1N AD1 VX1_0P//LVDS_A_0P AD2 VX1_0N//LVDS_A_0N AE2 VX1_PLL_CEXT P6 AVSS_VX1_PLL P7 AVDD18_VX1 R6 AVDD18_VX1 R5 DVSS R4 VX1_REXT N9 VX1_CEXT P9 DVSS AE1 DVSS R8 DVSS R3 DVSS U3 DVSS W3 DVSS AB3 DVSS AD3 DVSS P4 DVSS T4 DVSS V4 DVSS V7 DVSS AE13 DVSS D17 DVSS G17 DVSS J17 DVSS H13 DVSS L17 DVSS M17 DVSS N17 DVSS P17 DVSS T17 DVSS V17 DVSS W17 DVSS E11 DVSS P14 DVSS V9 DVSS L14 DVSS K14 DVSS D7 DVSS M7 DVSS J13 DVSS K1 DVSS F11 C736 100nF R6J5 1KΩ C6T91 47pF C744 1uF FB4T2 60Ω/100MHz LIB VER:2016-07-14 U1D T962_20160531_4 TEMP_IC_575_S_BGA_0P80_25R_25C_20L0_25W0 GPIOW_0 E22 GPIOW_1 D22 GPIOW_2 E21 GPIOW_3 D21 GPIOW_4//HDMI_HPD_A C23 GPIOW_5//HDMI_5VDET_A A24 GPIOW_6//HDMI_SDA_A B24 GPIOW_7//HDMI_SCL_A A23 GPIOW_8//HDMI_HPD_C B23 GPIOW_9//HDMI_5VDET_C B22 GPIOW_10//HDMI_SDA_C C22 GPIOW_11//HDMI_SCL_C E20 GPIOW_12//HDMI_HPD_B B21 GPIOW_13//HDMI_5VDET_B A21 GPIOW_14//HDMI_SDA_B C21 GPIOW_15//HDMI_SCL_B D20 HDMI_ARCTXN A20 HDMI_ARCTXP B20 HDMI_CLKNA B11 HDMI_CLKPA C11 HDMI_DATANA0 A10 HDMI_DATAPA0 B10 HDMI_DATANA1 B9 HDMI_DATAPA1 C9 HDMI_DATANA2 A8 HDMI_DATAPA2 B8 HDMI_CLKNB B19 HDMI_CLKPB C19 HDMI_DATANB0 A18 HDMI_DATAPB0 B18 HDMI_DATANB1 B17 HDMI_DATAPB1 C17 HDMI_DATANB2 A16 HDMI_DATAPB2 B16 HDMI_CLKNC B15 HDMI_CLKPC C15 HDMI_DATANC0 A14 HDMI_DATAPC0 B14 HDMI_DATANC1 B13 HDMI_DATAPC1 C13 HDMI_DATANC2 A12 HDMI_DATAPC2 B12 HDMIRX_RREF F13 AVDD18_HDMI H11 AVDD09_HDMI K12 AVDD33_HDMI K11 DVSS U6 DVSS W19 DVSS Y9 DVSS AC9 DVSS E25 DVSS G22 DVSS U22 DVSS V22 DVSS AE25 DVSS C6 DVSS G6 DVSS P8 DVSS P25 DVSS F14 DVSS AC6 DVSS AD6 DVSS AE6 DVSS D19 DVSS D10 DVSS L19 DVSS T19 DVSS U20 DVSS V19 DVSS Y19 DVSS AD15 DVSS D13 DVSS K6 DVSS V8 DVSS M13 DVSS N13 DVSS P13 DVSS R13 DVSS T13 DVSS W13 DVSS Y13 DVSS N6 DVSS D4 DVSS F6 DVSS K8 DVSS G16 C801 1uF C6T92 47pF C747 100nF R361 0Ω LIB VER:2016-07-14 U1E T962_20160531_4 TEMP_IC_575_S_BGA_0P80_25R_25C_20L0_25W0 AVDD18_AFE H8 AFE_CVBS0 B3 AFE_CVBS1 A2 AFE_VREF B2 CADC_VREFP B5 CADC_VREFN C5 DADC_VIN B4 DADC_VIP A4 AVSS_VDAC J9 DADC_VREFP E4 DADC_VREFN D5 AVSS_AFE J8 AVDD18_VDAC H9 VDAC_COMP G8 VDAC_IOUT D6 VDAC_RSET F8 VDAC_VREF F7 AVSS_VDAC E6 AVSS_AFE C4 AVSS_AFE C3 R2T62 1uF C741 2.2uF FB1J5 60Ω/100MHz C797 1uF C743 22uF FB1J1 60Ω/100MHz C6T94 100nF C752 100nF C798 1uF R2T63 0Ω C748 100nF LIB VER:2016-07-14 U1F T962_20160531_4 TEMP_IC_575_S_BGA_0P80_25R_25C_20L0_25W0 USBA_DM B7 USBA_DP C7 USBB_OTG_VBUS E9 USBB_OTG_DM B6 USBB_OTG_DP A6 USBB_OTG_ID D8 USB_TXRTUNE_AB E8 USBC_DM N1 USBC_DP N2 USB_TXRTUNE_CD Y4 USBD_DM M1 USBD_DP M3 AVDD33_USB_AB K10 AVDD33_USB_CD L10 AVDD18_USB_AB H10 AVDD18_USB_CD U8 DVSS AB25 DVSS V24 DVSS T24 DVSS Y11 DVSS W11 DVSS R11 DVSS F5 DVSS J6 DVSS L11 DVSS E5 DVSS R17 R337 22Ω C799 1uF C6T85 100nF LIB VER:2016-07-14 U1H T962_20160531_4 TEMP_IC_575_S_BGA_0P80_25R_25C_20L0_25W0 AVDD18_AUDIO M6 AIL1 G1 AIR1 G2 AIL2 H2 AIR2 H3 AIL3 J5 AIR3 H4 REFP L7 VMID L4 LOLN J4 LOLP K4 LORN J1 LORP J3 AVSS_AUDIO L8 AVSS_AUDIO G3 AVSS_AUDIO J2 AVDD18_ENET G12 AVDD09_ENET K13 ENET_TXP D24 ENET_TXN D25 ENET_RXP E23 ENET_RXN E24 ENET_EXTRES F12 R6J7 1KΩ C6T95 100nF C738 47nF R338 22Ω C754 100nF R362 NC/51KΩ C800 1uF C6T96 10uF C739 470nF C9T0 100nF C6T86 100nF C742 22nF FB4T1 60Ω/100MHz C740 10uF C728 4.7uF C733 10uF C749 22uF LIB VER:2016-07-14 U1B T962_20160531_4 TEMP_IC_575_S_BGA_0P80_25R_25C_20L0_25W0 VDDIO_CARD N8 CARD_0//SDCARD_D1//JTAG_TDI//HDMIRX_PHY_DTB0 M4 CARD_1//SDCARD_D0//JTAG_TDO//HDMIRX_PHY_DTB1 K3 CARD_2//SDCARD_CLK //JTAG_CLK//HDMIRX_PHY_DTB2 K2 CARD_3//SDCARD_CMD//JTAG_TMS//HDMIRX_PHY_DTB3 M5 CARD_4//SDCARD_D3 //UART_TX_AO_A//UART_RX_AO_A L3 CARD_5//SDCARD_D2//UART_RX_AO_A//UART_TX_AO_A L2 CARD_6 N4 VDDIO_DV M10 GPIODV_0//I2C_SDA_B//TSIN_D7_A D3 GPIODV_1//I2C_SCK_B//TSIN_D6_A D2 GPIODV_2//DTV_IF_AGC//ATV_IF_AGC//PWM_A//TSIN_D5_A//PWM_VS E3 GPIODV_3//PWM_B//DTV_RF_AGC//TSIN_D4_A//PWM_VS F4 GPIODV_4//ISO7816_CLK//TSIN_D3_A B1 GPIODV_5//ISO_7816_DATA//TSIN_D2_A E2 GPIODV_6//I2SOUT_CH01//TSIN_D1_A//ISO7816_DET C2 GPIODV_7//ISO7816_EN//I2S_AO_CLK_OUT//I2S_AO_CLK_IN C1 GPIODV_8//UART_TX_A//I2S_LR_CLK_OUT //I2S_LR_CLK_IN//TSIN_CLK_A F3 GPIODV_9//UART_RX_A//I2S_AM_CLK//TSIN_SOP_A D1 GPIODV_10//UART_CTS_A//HSYNC//I2SIN_CH01//TSIN_VALID_A F2 GPIODV_11//UART_RTS_A//VSYNC//TSIN_FAIL_A//GEN_CLK F1 VDDIO_H P10 GPIOH_0//VX1_LOCKN Y5 GPIOH_1//VX1_HTPDN AA4 GPIOH_2//I2C_SCK_C AB5 GPIOH_3//I2C_SDA_C AB4 GPIOH_4//3D_SYNC_OUT//PWM_E AC4 GPIOH_5//TSIN_CLK_B AE3 GPIOH_6//TSIN_D0_B AD4 GPIOH_7//TSIN_SOP_B AE4 GPIOH_8//PWM_E//TSIN_D_VALID_B AC5 GPIOH_9//PWM_F//TSIN_FAIL_B AD5 VDDIO_Z_CLK N12 GPIOZ_0//SPI_MOSI//UART_TX_C//PCM_OUT_A N22 GPIOZ_1//SPI_MISO//UART_RX_C//PCM_IN_A L25 GPIOZ_2//SPI_CLK//UART_CTS_C//I2C_SDA_D//PCM_CLK_A L24 GPIOZ_3//SPI_SS0//UART_RTS_C//I2C_SCK_D//PCM_FS_A L23 GPIOZ_4//SPI_SS1//PWM_D//PWM_VS L21 GPIOZ_5//SPI_SS2//PWM_A L22 GPIOZ_6//PWM_B//PWM_VS K25 GPIOZ_7//PWM_C//PWM_VS K23 GPIOZ_8//I2C_SCK_A K22 GPIOZ_9//I2C_SDA_A K21 GPIOZ_10//I2S_AM_CLK H25 GPIOZ_11//I2S_AO_CLK_OUT//I2S_AO_CLK_IN J23 GPIOZ_12//I2S_L/R_CLK_OUT//I2S_LR_CLK_IN H24 GPIOZ_13//I2SIN_CH01 J22 GPIOZ_14//I2S_OUT_D01 J24 GPIOZ_15//I2S_OUT_D23//UART_TX_B H23 GPIOZ_16//I2S_OUT_D45//SPDIFIN//UART_RX_B G25 GPIOZ_17//SPDIF_OUT G24 GPIOZ_18//ETH_LINK_LED//I2S_OUT_D67//UART_CTS_B G23 GPIOZ_19//ETH_ACT_LED//PWM_D//UART_RTS_B//PWM_VS F24 GPIOZ_20 F23 GPIOZ_21 F22 VDDCPU H17 VDDCPU H20 VDDCPU J20 DVSS W6 VDDCPU H22 VDDCPU L20 VDDCPU J19 VDD_EE L13 VDD_EE K15 DVSS V14 VDD_EE R21 VDD_EE P19 VDD_EE R18 DVSS V12 DVSS V16 VDD_EE U10 VDD_EE R20 VDD_EE T20 VDD_EE T22 VDD_EE R19 VDD_EE R15 VDD_EE K17 VDD_EE T10 DVSS W18 DVSS Y18 DVSS AC21 DVSS C12 DVSS G11 DVSS T7 DVSS M12 DVSS G19 DVSS P12 DVSS V13 DVSS T12 DVSS U12 DVSS W12 DVSS Y12 DVSS AD12 DVSS A25 DVSS N23 VDD_EE P20 DVSS W23 DVSS AE18 DVSS AE24 DVSS H5 DVSS M2 DVSS N3 DVSS C16 DVSS K16 DVSS L16 DVSS M16 DVSS N16 DVSS P16 DVSS V15 DVSS T16 DVSS W16 DVSS Y16 DVSS AE16 DVSS C10 DVSS G10 DVSS J10 DVSS G9 DVSS N10 DVSS N11 DVSS P11 DVSS P5 DVSS R10 DVSS T11 DVSS V10 DVSS Y10 DVSS AC10 DVSS D23 DVSS L18 DVSS M8 DVSS V23 DVSS AB23 DVSS D11 DVSS Y17 VDDCPU K20 VDD_EE T9 VDD_EE R14 VDD_EE N20 VDDCPU H18 VDDCPU H19 VDD_EE N19 VDDCPU H21 VDDCPU M20 DVSS R12 DVSS H7 DVSS G7 DVSS F9 VDDAO_0V9 J15 C6J72 470nF R3L36 3.3KΩ FB4J5 60Ω/100MHz R1T8 10KΩ C6T88 100nF C751 22nF C745 100nF 与 D D R 3值不 一 样 适 合2PCS DDR4 放 在 同 一 面的4层板PCB L a y out 若 需 要 其 他类型PCB L a y o u t , 原 理 图 需 要更 改 请 向Amlogi c 咨 询 EMI Option EMI Option EMI Option 靠近 D D R 4 A D DR过孔多 电源 脚 靠近 D D R 3 A D DR过孔多 电源脚 T962 DDR4 DDR4 AC signal DDR4 Byte Lane 2, 3 DDR4 Byte Lane 0, 1 2PCS x 16bit DDR4 Layer 2 Topology DDR4 DDR4_CLKn DDR4_CLKp PVREF USB1_1.8V GND DDR4_DQ0 DDR4_DQ5 DDR4_DQ6 DDR4_DQ7 DDR4_DQM0 DDR4_DQ2 DDR4_DQ1 DDR4_DQSn0 DDR4_DQSp0 DDR4_DQ3 DDR4_DQ4 DDR4_DQ10 DDR4_DQ13 DDR4_DQ11 DDR4_DQ14 DDR4_DQ15 DDR4_DQSn1 DDR4_DQSp1 DDR4_DQM1 DDR4_DQ9 DDR4_DQ12 DDR4_DQ8 DDR4_DQ18 DDR4_DQ16 DDR4_DQ19 DDR4_DQ20 DDR4_DQ21 DDR4_DQM2 DDR4_DQ22 DDR4_DQSp2 DDR4_DQ23 DDR4_DQ17 DDR4_DQSn2 DDR4_DQ27 DDR4_DQ28 DDR4_DQ29 DDR4_DQM3 DDR4_DQ24 DDR4_DQ30 DDR4_DQ31 DDR4_DQ25 DDR4_DQ26 DDR4_DQSn3 DDR4_DQSp3 DDR4_A10 DDR4_A11 DDR4_A12 DDR4_A13 DDR4_A14 DDR4_A8 DDR4_A9 DDR4_A0 DDR4_A1 DDR4_A2 DDR4_A3 DDR4_A4 DDR4_A5 DDR4_A6 DDR4_A7 DDR4_A15 DDR4_ACT_n DDR4_BA0 DDR4_BA1 DDR4_BG0 DDR4_A16 DDR4_nCS0 DDR4_ODT0 DDR4_CKE0 DDR4_A4 DDR4_A4 DDR4_A5 DDR4_A5 DDR4_A6 DDR4_A6 DDR4_A7 DDR4_A7 DDR4_A8 DDR4_A8 DDR4_A9 DDR4_A9 DDR4_A10 DDR4_A10 DDR4_A11 DDR4_A11 DDR4_A12 DDR4_A12 DDR4_A13 DDR4_A13 DDR4_A2 DDR4_A2 DDR4_A3 DDR4_A3 DDR4_A0 DDR4_A0 DDR4_A1 DDR4_A1 DDR4_A14 DDR4_A14 DDR4_A15 DDR4_A15 DDR4_A16 DDR4_A16 DDR4_BA0 DDR4_BA0 DDR4_BA1 DDR4_BA1 DDR4_BG0 DDR4_BG0 DDR4_ACT_n DDR4_ACT_n DDR4_CKE0 DDR4_CKE0 DDR4_ODT0 DDR4_ODT0 DDR4_nCS0 DDR4_nCS0 DDR4_CLKn DDR4_ACT_n DDR4_ODT0 DDR4_A9 DDR4_A8 DDR4_A12 DDR4_A11 DDR4_A10 DDR4_A0 DDR4_A13 DDR4_A1 DDR4_A4 DDR4_A3 DDR4_A2 DDR4_A7 DDR4_A6 DDR4_A5 DDR4_CKE0 MDDR4_RST0 DDR4_CLKp DDR4_VREF0 DDR4_nCS0 DDR4_BA0 DDR4_BG0 DDR4_BA1 DDR4_A14 DDR4_A15 DDR4_A16 DDR4_DQ1 DDR4_DQ5 DDR4_DQ10 DDR4_DQ13 DDR4_DQ0 DDR4_DQ6 DDR4_DQ11 DDR4_DQ7 DDR4_DQ14 DDR4_DQSn1 DDR4_DQSp1 DDR4_DQ15 DDR4_DQ9 DDR4_DQM1 DDR4_DQM0 DDR4_DQ2 DDR4_DQSn0 DDR4_DQSp0 DDR4_DQ12 DDR4_DQ4 DDR4_DQ8 DDR4_DQ3 MDDR4_RST0 DDR4_CLKn DDR4_ACT_n DDR4_ODT0 DDR4_A8 DDR4_A9 DDR4_A10 DDR4_A11 DDR4_A12 DDR4_A13 DDR4_A0 DDR4_A1 DDR4_A2 DDR4_A3 DDR4_A4 DDR4_A5 DDR4_A6 DDR4_A7 DDR4_CKE0 MDDR4_RST1 DDR4_CLKp DDR4_nCS0 DDR4_VREF1 DDR4_BG0 DDR4_BA0 DDR4_BA1 DDR4_DQ26 DDR4_DQ29 DDR4_DQ16 DDR4_DQ25 DDR4_DQ18 DDR4_DQSp3 DDR4_DQSn3 DDR4_DQM2 DDR4_DQM3 DDR4_DQ30 DDR4_DQ21 DDR4_DQ27 DDR4_DQSp2 DDR4_DQSn2 DDR4_DQ20 DDR4_DQ31 DDR4_DQ19 DDR4_DQ28 DDR4_A14 DDR4_A15 DDR4_A16 DDR4_DQ24 DDR4_DQ23 DDR4_DQ17 DDR4_DQ22 DDR4_A4 DDR4_A4 DDR4_A5 DDR4_A5 DDR4_A6 DDR4_A6 DDR4_A7 DDR4_A7 DDR4_A8 DDR4_A8 DDR4_A9 DDR4_A9 DDR4_A10 DDR4_A10 DDR4_A11 DDR4_A11 DDR4_A12 DDR4_A12 DDR4_A13 DDR4_A13 DDR4_A2 DDR4_A2 DDR4_A3 DDR4_A3 DDR4_A0 DDR4_A0 DDR4_A1 DDR4_A1 DDR4_A14 DDR4_A14 DDR4_A15 DDR4_A15 DDR4_A16 DDR4_A16 DDR4_BA0 DDR4_BA0 DDR4_BA1 DDR4_BA1 DDR4_BG0 DDR4_BG0 DDR4_ACT_n DDR4_ACT_n DDR4_CKE0 DDR4_CKE0 DDR4_ODT0 DDR4_ODT0 DDR4_nCS0 DDR4_nCS0 MDDR4_RST1 VDDQ_1.2V DDR4_2.5V USB1_1.8V USB1_1.8V VDDQ_1.2V VDDQ_1.2V VDDQ_1.2V GND DDR4_2.5V GND GND GND GND VDDQ_1.2V GND VDDQ_1.2V VDDQ_1.2V GND VDDQ_1.2V VDDQ_1.2V DDR4_VREF0 VDDQ_1.2V GND DDR4_2.5V GND GND DDR4_VREF1 GND VDDQ_1.2V VDDQ_1.2V VDDQ_1.2V VDDQ_1.2V DDR4_2.5V USB1_1.8V [3] GND [3] VDDQ_1.2V [3] DDR4_2.5V [3] C1M69 100nF C1M46 100nF C1M67 10uF C1M39 100nF R1M25 240Ω C1M29 1uF C1M43 1uF C1M20 100nF C1M54 1uF C1M14 100nF C1M40 100nF C1M47 100nF R1M17 240Ω C1M32 1uF C1M21 10uF C1M65 100nF C1M45 1uF C1M23 100nF C1M75 100pF C1M31 100nF C1M48 100nF R1M26 10KΩ R1M22 10KΩ C1M25 100nF C1M41 47pF C1M72 12pF K4A8G165WB-BCRC - 2400 U3M4 TEMP_IC_96_S_BGA_0P80_6R_16C_14L0_9W50 ODT K3 CK_t K7 WE_n/A14 L2 DQSL_t G3 DQL6 J3 A11 T2 DQSU_t B7 ACT_n L3 A4 N3 A1 P7 CS_n L7 A9 R7 A3 N7 PAR T3 A0 P3 BA0 N2 A5 P8 A6 P2 A7 R8 A8 R2 A13 T8 A2 R3 BG0 M2 BA1 N8 A10/AP M3 DQL7 J7 VSS1 K9 DML_n/DBIL_n E7 VSSQ1 E3 DQL1 F7 VDDQ7 F2 VDDQ5 F8 DQL2 H3 DQL5 H8 DQL0 G2 DQL3 H7 DQSL_c F3 VDD1 J1 VDD2 J9 VDD3 L9 VDD4 L1 A12/BC_n M7 VSS2 K1 DQU6 D3 DQU7 D7 DQU2 C3 DQU5 C8 DQU4 C2 DQSU_c A7 VSSQ2 A2 DQU1 B8 DQU0 A3 DQU3 C7 VDD5 R1 VSS3 B2 VDDQ2 D9 TEN N9 VDD6 G7 VSS4 N1 CKE K2 VPP2 R9 CK_c K8 VSSQ3 A8 VSSQ4 F1 DQL4 H2 VSSQ5 C9 VSSQ6 D2 VDDQ10 A1 VSS5 E9 VSSQ7 H9 VDDQ9 C1 CAS_n/A15 M8 VSSQ8 H1 VDDQ1 A9 RESET_n P1 VSS6 E1 VDDQ6 J2 ALERT_n P9 VSS7 T1 VSS8 G8 VSS9 M9 VDD7 T9 VDDQ4 J8 VREFCA M1 VDD8 B3 VPP1 B1 VDD9 B9 VDDQ8 G1 VDDQ3 G9 VSSQ9 D8 VDD10 D1 VSSQ10 E8 DMU_n/DBIU_n E2 ZQ F9 RAS_n/A16 L8 NC T7 C1M59 100nF C1M15 1nF R1M28 2.4KΩ C1M51 47pF R1M27 2.4KΩ C1M60 100nF C1M35 100nF C1M49 100nF C1M34 1uF C1M19 100nF LIB VER:2016-07-14 U1C T962_20160531_4 TEMP_IC_575_S_BGA_0P80_25R_25C_20L0_25W0 DQ0 AB14 DQ1 AB15 DQ2 AA16 DQ3 AE19 DQ4 AC14 DQ5 AD14 DQ6 AE15 DQ7 AC18 DQM0 AC15 DQS0 AC17 DQS0_N AD18 DQ8 AB17 DQ9 AA14 DQ10 AA17 DQ11 AA15 DQ12 AD20 DQ13 AA13 DQ14 AC19 DQ15 AB13 DQM1 AB16 DQS1 AD16 DQS1_N AC16 DQ16 AD8 DQ17 AC11 DQ18 AB9 DQ19 AB11 DQ20 AA9 DQ21 AE12 DQ22 AA10 DQ23 AD11 DQM2 AB10 DQS2 AE10 DQS2_N AD10 DQ24 AB12 DQ25 AA11 DQ26 AA8 DQ27 AC7 DQ28 AA12 DQ29 AD13 DQ30 AB8 DQ31 AE7 DQM3 AC12 DQS3 AD9 DQS3_N AE9 PVREF V18 VDDQ W8 VDDQ W10 VDDQ W7 VDDQ_EXTC3 U15 VDDQ Y6 VDDQ AA6 VDDQ AB6 VDDQ_EXTC2 U13 A0 AB24 A1 AA19 A2 AA24 A3 Y22 A4 AD24 A5 Y25 A6 AD25 A7 Y24 A8 AB20 A9 AA21 A10 AD22 A11 AC24 A12 AC23 A13 AA23 A14 AC25 A15 AA20 BA_0 W25 BA_1 AD23 BA_2/BG_0 Y23 CAS_N/ACT_N W24 RAS_N/A16(RAS_N) W21 WE_N/BG_1 AB21 CKE0 AE22 CKE1 AB19 ODT0 W22 ODT1 Y21 CS0_N AB22 CS1_N AA22 CK AD21 CK_N AE21 PZQ AA18 DDR_RSTN AB18 AVDD18_DDRPLL U9 DVSS AC13 DVSS J7 DVSS K7 DVSS V5 DVSS AA7 DVSS AB7 DVSS AD7 DVSS C20 DVSS F20 DVSS G20 DVSS T6 DVSS V20 DVSS W20 DVSS AC20 DVSS D15 DVSS A1 DVSS J14 DVSS L15 DVSS M15 DVSS N15 DVSS P15 DVSS R16 DVSS T15 DVSS W15 DVSS Y15 DVSS AD17 DVSS K9 DVSS L9 DVSS M9 DVSS F10 DVSS R9 VDDQ_EXTC3 U16 DVSS J16 DVSS J18 DVSS M19 DVSS K19 VDDQ_EXTC2 U14 VDDQ_EXTC4 U18 VDDQ_EXTC1 U11 DVSS M11 DVSS U7 DVSS V6 VDDQ W9 DVSS H14 C1M28 100nF C1M22 10uF C1M61 100nF C1M70 330pF C1M50 100nF C1M26 100nF C1M44 100nF C1M36 100nF C1M33 10uF C1M71 12pF C1M74 100pF C1M38 1uF C1M24 100nF C1M18 10uF C1M42 10uF C1M55 100nF C1M37 1uF C1M52 2pF C1M63 1uF C1M30 100nF C1M16 4.7nF C1M17 100nF C1M73 100pF C1M68 100nF C1M64 100nF R1M23 2.4KΩ K4A8G165WB-BCRC - 2400 U3M5 TEMP_IC_96_S_BGA_0P80_6R_16C_14L0_9W50 ODT K3 CK_t K7 WE_n/A14 L2 DQSL_t G3 DQL6 J3 A11 T2 DQSU_t B7 ACT_n L3 A4 N3 A1 P7 CS_n L7 A9 R7 A3 N7 PAR T3 A0 P3 BA0 N2 A5 P8 A6 P2 A7 R8 A8 R2 A13 T8 A2 R3 BG0 M2 BA1 N8 A10/AP M3 DQL7 J7 VSS1 K9 DML_n/DBIL_n E7 VSSQ1 E3 DQL1 F7 VDDQ7 F2 VDDQ5 F8 DQL2 H3 DQL5 H8 DQL0 G2 DQL3 H7 DQSL_c F3 VDD1 J1 VDD2 J9 VDD3 L9 VDD4 L1 A12/BC_n M7 VSS2 K1 DQU6 D3 DQU7 D7 DQU2 C3 DQU5 C8 DQU4 C2 DQSU_c A7 VSSQ2 A2 DQU1 B8 DQU0 A3 DQU3 C7 VDD5 R1 VSS3 B2 VDDQ2 D9 TEN N9 VDD6 G7 VSS4 N1 CKE K2 VPP2 R9 CK_c K8 VSSQ3 A8 VSSQ4 F1 DQL4 H2 VSSQ5 C9 VSSQ6 D2 VDDQ10 A1 VSS5 E9 VSSQ7 H9 VDDQ9 C1 CAS_n/A15 M8 VSSQ8 H1 VDDQ1 A9 RESET_n P1 VSS6 E1 VDDQ6 J2 ALERT_n P9 VSS7 T1 VSS8 G8 VSS9 M9 VDD7 T9 VDDQ4 J8 VREFCA M1 VDD8 B3 VPP1 B1 VDD9 B9 VDDQ8 G1 VDDQ3 G9 VSSQ9 D8 VDD10 D1 VSSQ10 E8 DMU_n/DBIU_n E2 ZQ F9 RAS_n/A16 L8 NC T7 R1M24 2.4KΩ R1M29 240Ω AUDIO OUT OP2 声 音 输出 靠近主芯片 VIDEO输 出 靠近接口 LINER_OUT LINEL_OUT AV_AUR-OUT AV_AUL-OUT EPHONE_MUTE VDDIO_3.3V LINER_OUT LINEL_OUT EPHONE_MUTE AV_AUL-OUT AV_AUR-OUT GND AV_OUT CVBS_OUT AV_OUT CVBS_OUT VDDIO_3.3V VDDIO_3.3V LINER_OUT LINEL_OUT AV_AUR-OUT AV_AUL-OUT EPHONE_MUTE VDDIO_3.3V [3] GND [3] AV_OUT CVBS_OUT C3V0 47pF R2V12 75Ω C3V1 47pF C2V7 100nF R2V8 20KΩ C3V2 10uF R2V5 NC/10KΩ C3V3 1nF C2V8 1nF R3V0 27KΩ R2V4 NC/10KΩ R2V9 27KΩ C2V11 100pF C2V12 100pF R2V7 20KΩ C1V2 10uF DRV632PWR U0V1 +INR 1 -INR 2 OUTR 3 GND 4 /MUTE 5 VSS 6 CN 7 CP 8 VDD 9 GND 10 UVP 11 OUTL 12 -INL 13 +INL 14 C2V10 22pF R3V1 4.7KΩ R2V6 4.7KΩ C3V4 10uF R2V13 NC/0Ω C1V0 1uF C2V9 10uF C3V5 10uF L1 1.8uH C1V1 1uF 改成低成本散 热片 41L5_40W2_5H50 散热片, 丝 印 框 M A R K 点 GND GND [3] MARK1 MARK MARK6 MARK H2 Screw Hole 1 2 3 4 5 MARK3 MARK MARK2 MARK HS HS4 HEAT SINK GND GND QC QC1 1 H5 Screw Hole 1 2 3 4 5 条码 TM1 1 QC QC2 1 HS HS5 HEAT SINK GND GND H7 Screw Hole 1 2 3 4 5 R1S101 0Ω H6 Screw Hole 1 2 3 4 5 R1S100 0Ω H1 Screw Hole 1 2 3 4 5 MARK4 MARK MARK5 MARK STB_3V3 DC_DC AOZ3112DI 待机部分电源 电源设计规格 如下: 1, 电 压 设 计 误差正负5% 2, 电 源 纹 波小于60mV 3, 电 源IC到芯片PIN-OUT的 布线衰减 小 于 3mV 4 , 测试与软件调接公 司小屏时,U SB接 小电流 设 备 FB TPS562201 3.3V 2A LDO U2P10 VDDAO_1.8V Max200mA LDO U3P7 MP1652 VDDQ_1.2V Max2A DC-DC VDDEE_0.8V-1.18V Max3A USB_WIFI 3A USB VDDAO_0.9V Max200mA POWER MODULE PMOS VDDIO_3.3V/EMMC_3.3V/PAM_3.3V 12V 5A AUDIO AMP DC-DC Q0P4 U2P21 LDO AFE_1.8V/USB_1.8V/VBX!_1.8V Max 500mA DC-DC VDDCPU_0.8-1.16V Max2A U2P11 LDO EMMC_1.8V Max 500mA TAS5707 AFE_3.3V/USB_3.3V Max 500mA U0P15 U0P5 TUNER MAX 500mA U0P14 AOZ3112DI TPS562201 U0P13 U0P3 TPS562201 LDO U3P4 LDO U3P8 DDR4_2.5V RJ45 HDMI_IN HDMI_INX2 RX 2.0 Video_IN AV_INX1 CVBS USB SARADC I2S_OUT/IE958 I2S_OUT I2S_OUT USB_OTG/host*2 KEY Touch RESET PLL Remote IR MX809_2.63V Power 24MHZ T962 PHY 10M&100M CARD SD/MS SDIO Memory 512Mbyte/1Gbyte 32bit DDR3 SDRAM EMMC 8bit EMMC 4.5/5.0/5.1 2GB/4GB/8GB/16GB ADCD Tuner VBX1_8N/LVDS 4KX2K 60HZ/1920X1080 60HZ VBX1_8N/LVDS DTMB-T/Video 3.3V 1.8V 1.5V 0.9V 预留

标签:

版权声明

1. 本站所有素材,仅限学习交流,仅展示部分内容,如需查看完整内容,请下载原文件。
2. 会员在本站下载的所有素材,只拥有使用权,著作权归原作者所有。
3. 所有素材,未经合法授权,请勿用于商业用途,会员不得以任何形式发布、传播、复制、转售该素材,否则一律封号处理。
4. 如果素材损害你的权益请联系客服QQ:77594475 处理。