雅马哈YAMAHA YST-RSW300音响电路图

分类:电子电工 日期: 点击:0
雅马哈YAMAHA YST-RSW300音响电路图-0 雅马哈YAMAHA YST-RSW300音响电路图-1 雅马哈YAMAHA YST-RSW300音响电路图-2 雅马哈YAMAHA YST-RSW300音响电路图-3 雅马哈YAMAHA YST-RSW300音响电路图-4 雅马哈YAMAHA YST-RSW300音响电路图-5 雅马哈YAMAHA YST-RSW300音响电路图-6 雅马哈YAMAHA YST-RSW300音响电路图-7 雅马哈YAMAHA YST-RSW300音响电路图-8 雅马哈YAMAHA YST-RSW300音响电路图-9

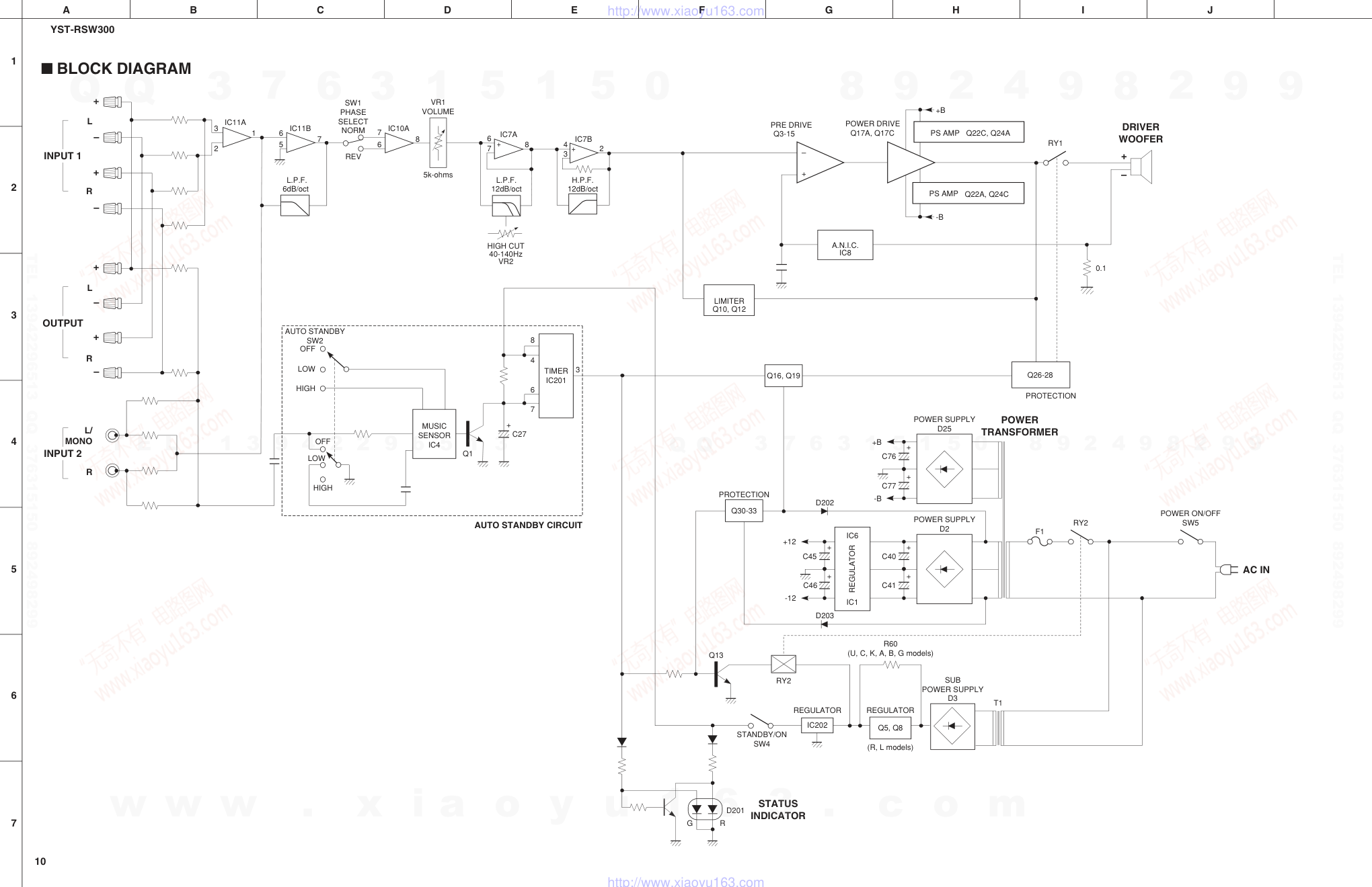
I CONTENTS TO SERVICE PERSONNEL .......................................... 2 REAR PANELS .......................................................... 3–4 SPECIFICATIONS...................................................... 4–5 INTERNAL VIEW ........................................................... 5 DISASSEMBLY PROCEDURES ............................... 6–7 CHECKS AND ADJUSTMENTS................................ 8–9 BLOCK DIAGRAM ....................................................... 10 PRINTED CIRCUIT BOARDS................................ 11–12 SCHEMATIC DIAGRAM .............................................. 13 REPLACEMENT PARTS LIST .............................. 15–19 IMPORTANT NOTICE This manual has been provided for the use of authorized YAMAHA Retailers and their service personnel. It has been assumed that basic service procedures inherent to the industry, and more specifically YAMAHA Products, are already known and understood by the users, and have therefore not been restated. WARNING: Failure to follow appropriate service and safety procedures when servicing this product may result in personal injury, destruction of expensive components, and failure of the product to perform as specified. For these reasons, we advise all YAMAHA product owners that any service required should be performed by an authorized YAMAHA Retailer or the appointed service representative. IMPORTANT: The presentation or sale of this manual to any individual or firm does not constitute authorization, certification or recognition of any applicable technical capabilities, or establish a principle-agent relationship of any form. The data provided is believed to be accurate and applicable to the unit(s) indicated on the cover. The research, engineering, and service departments of YAMAHA are continually striving to improve YAMAHA products. Modifications are, therefore, inevitable and specifications are subject to change without notice or obligation to retrofit. Should any discrepancy appear to exist, please contact the distributor's Service Division. WARNING: Static discharges can destroy expensive components. Discharge any static electricity your body may have accumulated by grounding yourself to the ground buss in the unit (heavy gauge black wires connect to this buss). IMPORTANT: Turn the unit OFF during disassembly and part replacement. Recheck all work before you apply power to the unit. P.O.Box 1, Hamamatsu, Japan YST-RSW300 2007 All rights reserved. This manual is copyrighted by YAMAHA and may not be copied or redistributed either in print or electronically without permission. Status indicator 1 0 1 0 5 2 SERVICE MANUAL SUBWOOFER SYSTEM YST-RSW300 '07.04 www. xiaoyu163. com QQ 376315150 9 9 2 8 9 4 2 9 8 TEL 13942296513 9 9 2 8 9 4 2 9 8 0 5 1 5 1 3 6 7 3 Q Q TEL 13942296513 QQ 376315150 892498299 TEL 13942296513 QQ 376315150 892498299 http://www.xiaoyu163.com YST-RSW300 2 YST-RSW300 WALL OUTLET EQUIPMENT UNDER TEST AC LEAKAGE TESTER OR EQUIVALENT INSULATING TABLE 1. Critical Components Information Components having special characteristics are marked s and must be replaced with parts having specifications equal to those originally installed. 2. Leakage Current Measurement (For 120V Models Only) When service has been completed, it is imperative to verify that all exposed conductive surfaces are properly insulated from supply circuits. G Meter impedance should be equivalent to 1500 ohms shunted by 0.15µF. For U model “CAUTION” “F1: FOR CONTINUED PROTECTION AGAINST RISK OF FIRE, REPLACE ONLY WITH SAME TYPE 6A, 125V FUSE.” For C model CAUTION F1: REPLACE WITH SAME TYPE 6A, 125V FUSE. ATTENTION F1: UTILISER UN FUSIBLE DE RECHANGE DE MÉME TYPE DE 6A, 125V. G Leakage current must not exceed 0.5mA. G Be sure to test for leakage with the AC plug in both polarities. I TO SERVICE PERSONNEL WARNING: CHEMICAL CONTENT NOTICE! The solder used in the production of this product contains LEAD. In addition, other electrical/electronic and/or plastic (where applicable) components may also contain traces of chemicals found by the California Health and Welfare Agency (and possibly other entities) to cause cancer and/or birth defects or other reproductive harm. DO NOT PLACE SOLDER, ELECTRICAL/ELECTRONIC OR PLASTIC COMPONENTS IN YOUR MOUTH FOR ANY REA- SON WHATSOEVER! Avoid prolonged, unprotected contact between solder and your skin! When soldering, do not inhale solder fumes or expose eyes to solder/flux vapor! If you come in contact with solder or components located inside the enclosure of this product, wash your hands before handling food. All of the P.C.B.s installed in this unit and solder joints are soldered using the lead free solder. Among some types of lead free solder currently available, it is recommended to use one of the following types for the repair work. • Sn + Ag + Cu (tin + silver + copper) • Sn + Cu (tin + copper) • Sn + Zn + Bi (tin + zinc + bismuth) Caution: As the melting point temperature of the lead free solder is about 30°C to 40°C (50°F to 70°F) higher than that of the lead solder, be sure to use a soldering iron suitable to each solder. About lead free solder www. xiaoyu163. com QQ 376315150 9 9 2 8 9 4 2 9 8 TEL 13942296513 9 9 2 8 9 4 2 9 8 0 5 1 5 1 3 6 7 3 Q Q TEL 13942296513 QQ 376315150 892498299 TEL 13942296513 QQ 376315150 892498299 http://www.xiaoyu163.com YST-RSW300 3 YST-RSW300 I REAR PANELS U, C models R model K model A model www. xiaoyu163. com QQ 376315150 9 9 2 8 9 4 2 9 8 TEL 13942296513 9 9 2 8 9 4 2 9 8 0 5 1 5 1 3 6 7 3 Q Q TEL 13942296513 QQ 376315150 892498299 TEL 13942296513 QQ 376315150 892498299 http://www.xiaoyu163.com YST-RSW300 4 YST-RSW300 B, G models L model I SPECIFICATIONS Type....... Advanced Yamaha Active Servo Technology II Output Power (100 Hz, 5 ohms, 10% T.H.D.) ...... 250 W Dynamic Power (5 ohms)...................................... 270 W Input Sensitivity (50 Hz, 250 W/5 ohms, L+R) INPUT1 (SP) .......................................................... 1.0 V INPUT2 (PJ)......................................................... 50 mV Input Impedance INPUT1 (SP) ................................................ 2.2 k-ohms INPUT2 (PJ).................................................. 12 k-ohms Frequency Response ........................... 20 Hz to 160 Hz Driver........................................ 25 cm (10") cone woofer, Magnetic shielding type Input Section INPUT1 ............................................... Speaker terminal INPUT2 ..................................................... RCA pin jack Operation Section Front panel ....................................... STANDBY/ON key VOLUME control HIGH CUT control Status indicator Rear panel .................................. POWER ON/OFF key AUTO STANDBY (HIGH / LOW / OFF) key PHASE (NORM / REV) key VOLTAGE SELECTOR key (R, L models) Power Supply U, C models ........................................ AC 120 V, 60 Hz R, L models ........AC 110/120/220/230-240 V, 50/60 Hz K model ............................................... AC 220 V, 60 Hz A model ............................................... AC 240 V, 50 Hz B, G models ........................................ AC 230 V, 50 Hz Power Consumption............................................... 80 W Standby Power Consumption ................................................. 0.5 W (Reference data) Dimensions (W x H x D) ..... 372 x 400 x 428.2 mm (14-5/8" x 15-3/4" x 16-7/8") Weight ............................................... 20 kg (44 lbs. 1oz.) Finish Cherry color .................... U, C, R, K, A, B, G, L models Black color ...................... U, C, R, K, A, B, G, L models Accessories........................................... Nonskid pad x 4 * Specifications are subject to change without notice due to prod- uct improvements. U ........... U.S.A. model C ........... Canadian model R ........... General model K ........... Korean model A ........... Australian model B ........... British model G ........... European model L ........... Singapore model www. xiaoyu163. com QQ 376315150 9 9 2 8 9 4 2 9 8 TEL 13942296513 9 9 2 8 9 4 2 9 8 0 5 1 5 1 3 6 7 3 Q Q TEL 13942296513 QQ 376315150 892498299 TEL 13942296513 QQ 376315150 892498299 http://www.xiaoyu163.com YST-RSW300 5 YST-RSW300 • DIMENSIONS 400 (15-314") 372 (14-5/8") 428.2 (16-7/8") 372 (14-5/8") 26.6 (1-1/16") 29.6 (1-3/16") Unit: mm (inch) I INTERNAL VIEW 1 2 3 7 8 A 0 9 6 5 4 1 2 3 4 5 6 7 8 9 0 A MAIN (8) P.C.B. MAIN (4) P.C.B. MAIN (2) P.C.B. MAIN (1) P.C.B. MAIN (10) P.C.B. MAIN (3) P.C.B. MAIN (6) P.C.B. POWER TRANSFORMER MAIN (11) P.C.B. (U, C, K, A, B, G models) MAIN (7) P.C.B. (R, L models) MAIN (9) P.C.B. (R, L models) MAIN (5) P.C.B. Advanced YST II Advanced Yamaha Active Servo Technology II is a unique system to let the speaker unit have a perfectly linear motion by the speaker and amplifier combination. www. xiaoyu163. com QQ 376315150 9 9 2 8 9 4 2 9 8 TEL 13942296513 9 9 2 8 9 4 2 9 8 0 5 1 5 1 3 6 7 3 Q Q TEL 13942296513 QQ 376315150 892498299 TEL 13942296513 QQ 376315150 892498299 http://www.xiaoyu163.com YST-RSW300 6 YST-RSW300 I DISASSEMBLY PROCEDURES Fig. 1 1. Removal of Front Grille Ass’y * The front grille ass’y is fixed to the cabinet with dow- els at 5 locations. As a flatblade screwdriver is used for removal, use special care not to cause damage to the cabinet ass’y. a. Using the flatblade screwdriver inserted in the gap be- tween the front grille ass’y and the cabinet ass’y (bot- tom side first), push up the front grille ass’y. (Fig. 1) b. Remove the front grille ass’y by lifting a metalblade up. (Fig. 1) * When installing the front grille ass’y, apply quick-dry- ing bond or the like to dowels and then fit them into dowel holes for secure installation. (The front grille ass’y will come off easily if its dowels are fitted into dowel holes without applying quickdrying bond or the like.) 2. Removal of Driver a. Remove 4 screws (1)and then remove the driver. (Fig. 1) b. Disconnect the connector connected to the terminal of the driver. (Fig. 1) Rubber sheet and cloth Cabinet ass'y Bottom side Bottom side Terminal Terminal 1 Driver Front grille ass'y Connector Dowels Dowels Metalblade Flatblade screwdriver (Remove parts in the order as numbered.) Disconnect the power cable from the AC outlet. Spread a rubber sheet and cloth, then place the main unit upside down on it. www. xiaoyu163. com QQ 376315150 9 9 2 8 9 4 2 9 8 TEL 13942296513 9 9 2 8 9 4 2 9 8 0 5 1 5 1 3 6 7 3 Q Q TEL 13942296513 QQ 376315150 892498299 TEL 13942296513 QQ 376315150 892498299 http://www.xiaoyu163.com YST-RSW300 7 4 Knob Front panel Front panel CB9 Switch cover ass'y Knob hole L-shaped metal part or the like 5 Cable Bush When Checking the P.C.B.: • Connect all the connectors removed during disassem- bly back to the original positions. • Spread cloth first and place the rear panel ass'y and switch cover ass’y on it. (Fig. 4) Fig. 4 4. Removal of Front Panel Ass’y * The front panel once removed cannot be reused. Be sure to use a new front panel for replacement. Before installing the new front panel, be sure to remove the double sided adhesive tape remaining from the old front panel completely. a. Remove 2 knobs (4). (Fig. 3) b. Insert L-shaped metal parts or the like into the volume knob hole and high-cut knob hole in the front panel and pull the panel gradually away from the cabinet to re- move it. Fig. 3 c. Remove 2 screws (5). (Fig. 3) d. Pull out the switch cover ass’y. (Fig. 3) e. Remove bush. (Fig. 3) * The bush once removed cannot be reused. Be sure to use a new bush for replacement. f. Remove the switch cover ass’y together with the cable/ CB9. (Fig. 3) 3. Removal of Rear Panel Ass'y a. Remove 8 screws (2). (Fig. 2) * Screws (2) are identified with arrow marks ( ). b. Pull out the rear panel ass'y together with the cover. (Fig. 2) c. Remove bush. (Fig. 2) * The bush once removed cannot be reused. Be sure to use a new bush for replacement. Fig. 2 d. Remove 2 screws (3). (Fig. 2) * Screws (3) are identified with arrow marks ( ). e. Remove the cover. (Fig. 2) f. Disconnect the connectors (CB9 and CB10). (Fig. 2) Rear panel ass'y 2 3 3 2 to CB4 Bush Cover to CB10 to CB9 Bottom side Rubber sheet and cloth Rubber sheet and cloth Rear panel ass'y Switch cover ass'y w w w . x i a o y u 1 6 3 . c o m Q Q 3 7 6 3 1 5 1 5 0 9 9 2 8 9 4 2 9 8 T E L 1 3 9 4 2 2 9 6 5 1 3 9 9 2 8 9 4 2 9 8 0 5 1 5 1 3 6 7 3 Q Q TEL 13942296513 QQ 376315150 892498299 TEL 13942296513 QQ 376315150 892498299 http://www.xiaoyu163.com YST-RSW300 8 I CHECKS AND ADJUSTMENTS Devices required Signal generator 8-ohm or 6-ohm load resistor Oscilloscope (dual trace type) Connection 1) Connect the output signal from the signal genera- tor to the input terminal of the main unit. 2) Disconnect the connector terminal connected to the speaker unit and reconnect it to the load resis- tor. 3) Connect the HOT side of the oscilloscope CH1 probe to the point A or B indicated in the figure and the GND side to the GND of the main unit. (Fig. 1) 4) Connect the oscilloscope CH2 input to the red side of the connector cable, which is connected with the load resistor. At this time, the GND terminal of CH2 must be left unconnected. V: 20 V/div H: 2 msec/div DC range 1 : 1 probe G Confirmation of power amplifier operation For the power amplifier which has been repaired, it is absolutely necessary to confirm that a correct waveform is obtained at points indicated by A and B in the schematic diagram according to the following procedure. Setting 1) Set the signal generator to the sine wave, 100 Hz and minimum output level settings. 2) Set the volume of the main unit to the minimum po- sition. 3) Turn on the power to the main unit. 4) Adjust the output level of the signal generator and the volume of the main unit so that the output level observed at oscilloscope CH2 is 26 Vp-p to 28 Vp-p. Waveform observation With the settings made as described above, observe the waveform obtained at CH1 for judgment. Point A (Cathode of D29/D30) V: 20 V/div H: 2 msec/div DC range 1 : 1 probe Point B (Anode of D27/D28) G Idling adjustment To stabilize operation of the amplifier, turn ON the power with no input signal and wait for 2 to 3 minutes in non loaded condition before the adjustment. Confirm that the voltage across the terminals TP1 and TP2 is 20 mV to 350 mV. If it exceeds 350 mV, open (cut off) R136. Attention: If the idling current exceeds 350 mV after a power amplifier repair, check for a defective component before cutting the resistor. DRIVER WOOFER PS AMP PS AMP POWER DRIVE POWER DRIVE PS AMP PS AMP A D29 D30 D29 D30 D28 D27 D28 D27 R136 TP2 DC 20 mV to 350 mV DC 20 mV to 350 mV B TP1 D30 D29 D30 GND D29 D27 D28 D27 D28 TP2 R136 TP1 B DC 20 mV to 350 mV A Fig. 1 MAIN (1) P.C.B. 26-28 Vp-p 26-28 Vp-p w w w . x i a o y u 1 6 3 . c o m Q Q 3 7 6 3 1 5 1 5 0 9 9 2 8 9 4 2 9 8 T E L 1 3 9 4 2 2 9 6 5 1 3 9 9 2 8 9 4 2 9 8 0 5 1 5 1 3 6 7 3 Q Q TEL 13942296513 QQ 376315150 892498299 TEL 13942296513 QQ 376315150 892498299 http://www.xiaoyu163.com YST-RSW300 9 G Confirmation of AUTO STANDBY operation setting 1) Turn off the “POWER ON/OFF” key located on the rear panel. 2) In order to shorten the time required for operation check; connect a 10 k-ohms resistor at both ends of R45 on the MAIN (2) P.C.B.. (Fig. 2) 3) Connect the output signal from the signal generator to the INPUT 2 / L/MONO terminal of the main unit. 4) Set the signal generator for the sine wave of 100 Hz, 8 mV. 5) Turn on the “POWER ON/OFF” key located on the rear panel. 2) Turn on the “STANDBY/ON” key. The status indicator lights up (green) and its color changes to red after 2 to 8 seconds. 3) Turn off the “STANDBY/ON” key. The status indicator goes off. 5) Turn on the “STANDBY/ON” key. The status indicator lights up (green) and its color remains unchanged even after time have elapsed. 6) Turn off the “STANDBY/ON” key. The status indicator goes off. Confirmation 1) Set the “AUTO STANDBY” key to the LOW posi- tion. 4) Set the “AUTO STANDBY” key to the HIGH posi- tion. After confirmation 1) Turn off the “POWER ON/OFF” key. 2) Disconnect the 10 k-ohms resistor connected to both ends of R45. R45 10 k-ohms R45 10 k-ohms w w w . x i a o y u 1 6 3 . c o m Q Q 3 7 6 3 1 5 1 5 0 9 9 2 8 9 4 2 9 8 T E L 1 3 9 4 2 2 9 6 5 1 3 9 9 2 8 9 4 2 9 8 0 5 1 5 1 3 6 7 3 Q Q TEL 13942296513 QQ 376315150 892498299 TEL 13942296513 QQ 376315150 892498299 http://www.xiaoyu163.com 2 A B C D E F G H I J 1 3 4 5 7 YST-RSW300 6 10 + + PROTECTION Q26-28 F1 RY2 RY2 R60 (U, C, K, A, B, G models) POWER ON/OFF SW5 SUB POWER SUPPLY D3 T1 (R, L models) REGULATOR Q5, Q8 REGULATOR IC202 STANDBY/ON SW4 Q13 +12 -12 IC6 IC1 REGULATOR +B -B POWER SUPPLY D25 POWER SUPPLY D2 PROTECTION D201 D202 D203 R G RY1 0.1 DRIVER WOOFER POWER TRANSFORMER AC IN STATUS INDICATOR -B +B PS AMP PS AMP Q22C, Q24A Q22A, Q24C POWER DRIVE Q17A, Q17C PRE DRIVE Q3-15 + – A.N.I.C. IC8 LIMITER Q10, Q12 AUTO STANDBY CIRCUIT C27 8 4 6 7 3 + Q1 TIMER IC201 MUSIC SENSOR IC4 OFF OFF LOW HIGH LOW HIGH AUTO STANDBY SW2 INPUT 2 OUTPUT L/ MONO R L R L R + – + – + – + – INPUT 1 IC11A IC11B 3 6 1 5 2 7 NORM REV IC10A 5k-ohms 7 8 6 SW1 PHASE SELECT L.P.F. 6dB/oct VR1 VOLUME IC7A 8 IC7B 4 3 2 6 7 L.P.F. 12dB/oct H.P.F. 12dB/oct HIGH CUT 40-140Hz VR2 + C76 C77 + + + C45 + C46 C40 C41 + + – Q16, Q19 Q30-33 I BLOCK DIAGRAM w w w . x i a o y u 1 6 3 . c o m Q Q 3 7 6 3 1 5 1 5 0 9 9 2 8 9 4 2 9 8 T E L 1 3 9 4 2 2 9 6 5 1 3 9 9 2 8 9 4 2 9 8 0 5 1 5 1 3 6 7 3 Q Q TEL 13942296513 QQ 376315150 892498299 TEL 13942296513 QQ 376315150 892498299 http://www.xiaoyu163.com YST-RSW300 11 A B C D E F G H I J 1 2 3 4 5 6 7 I PRINTED CIRCUIT BOARDS IC10 W3 IC201 IC4 IC11 PJ1 CB9 CB3 W2 CB1 IC6 IC1 W6A1 W6A2 W6A3 IC8 CB10 CB11 IC10 W3 IC201 IC4 IC11 PJ1 MAIN (3) P.C.B. MAIN (1) P.C.B. MAIN (10) P.C.B. MAIN (6) (W6B1, W6B2, W6B3) BE BL BE MAIN (6) (W5B1, W5B2, W5B3) RE BL RE DRIVER WOOFER INPUT1/OUTPUT + R L + L /MONO / R OFF REV NORM HIGH LOW - - INPUT 2 AUTO STANDBY PHASE MAIN (4) (CB4) VCC PWS -12 +12 COM OUT IN IN OUT COM +V2 MAIN E PWS TOVL -12 +12 TOVL E PWS +V1 -12 +12 TOVL E +V1 MAIN (2) (W1) E +V1 VCC RY- RY+ OCD -12 SP E MAIN E +12 RY+ SP E RY- SP+ SP- + - -12 +12 OCD E MAIN 1 1 9 1 1 8 4 5 8 9 1 9 • Semiconductor Location Ref no. Location Ref no. Location D2 I3 D4 E3 D5 F6 D6 E5 D8 E5 D10 H6 D11 H6 D13 E5 D14 E6 D15 H6 D16 F6 D17 H5 D18 F6 D19 H6 D20 H6 D21 H6 Ref no. Location Ref no. Location Ref no. Location D22 F6 D23 F6 D24 F6 D25 J5 D27 G6 D28 G6 D29 G6 D30 G6 D31 G3 D32 E6 D33 E6 D34 E6 D202 H3 D203 H3 D204 H3 IC1 I3 IC4 B4 IC6 I3 IC8 E6 IC10 B2 IC11 B5 IC201 C3 Q1 C3 Q3 F6 Q4 F6 Q6 F6 Q7 F6 Q9 F6 Q10 E5 Q11 G6 Q12 E5 Q14 G6 Q15 F6 Q16 I2 Q17A E4 Q17C H4 Q19 I2 Q20 F4 Q21 G5 Q22A F5 Q22C H5 Q24A G4 Q24C F4 Q26 G3 Q27 G3 Q28 G3 Q29 F3 Q30 F3 Q31 G3 Q32 H3 Q33 F3 Ref no. Location w w w . x i a o y u 1 6 3 . c o m Q Q 3 7 6 3 1 5 1 5 0 9 9 2 8 9 4 2 9 8 T E L 1 3 9 4 2 2 9 6 5 1 3 9 9 2 8 9 4 2 9 8 0 5 1 5 1 3 6 7 3 Q Q TEL 13942296513 QQ 376315150 892498299 TEL 13942296513 QQ 376315150 892498299 http://www.xiaoyu163.com 2 A B C D E F G H I J 1 3 4 5 7 YST-RSW300 6 12 W1 IC202 CB7 CB8 W9A W12A W11A W8A W5B3 W6B1 W6B2 W6B3 W5B1 W5B2 W16B W7B W10B W9B W15B W14B W13B W8B W16A W13A CB5 W14A W10A W15A W7A CB6 CB4 W4A IC7 W12B W11B W4B W8B W9B W5B3 W6B1 W6B2 W6B3 W5B1 W5B2 G R MAIN (2) P.C.B. MAIN (6) P.C.B. MAIN (6) P.C.B. MAIN (8) P.C.B. MAIN (11) P.C.B. MAIN (7) P.C.B. MAIN (9) P.C.B. MAIN (4) P.C.B. MAIN (5) P.C.B. MAIN (10) (CB9) MAIN (10) (CB1) MAIN (10) (W6A1, W6A2, W6A3) MAIN (2) (W5A1, W5A2, W5A3) VCC 1 7 PWS -12 +12 +2V MAIN E TOVL VCC +1V E VCC PWS LEDR LEDG E1 VCC PWS LEDR LEDG E1 VOLTAGE SELECTOR AC IN STANDBY/ON STATUS INDICATOR POWER TRANSFORMER POWER TRANSFORMER VOLUME HIGH CUT 0 10 40Hz 140Hz R, L models R, L models R, L models RE BE OR GY BE WH YE BE BL Voltage 230-240V 220V 110V 20V 1-2, 5-6 2-3, 6-7 3-4, 7-8 4-5, 8-9 Select BR RE GR OR GY BE GR BR YE BL RE WH WH BE BL RE BE BL BE R, L models U, C, K, A, B, G models U, C, K, A, B, G models POWER ON/OFF MAIN (10) (W6A1,W6A2, W6A3) MAIN (2) (W5A1,W5A2, W5A3) RE BL RE BE BL BE • Semiconductor Location Ref no. Location Ref no. Location D1 E3 D3 C2 D7 C2 D9 C2 D201 I6 IC7 F2 IC202 B2 Q2 E2 Q5 C2 Q8 C2 Q13 B2 w w w . x i a o y u 1 6 3 . c o m Q Q 3 7 6 3 1 5 1 5 0 9 9 2 8 9 4 2 9 8 T E L 1 3 9 4 2 2 9 6 5 1 3 9 9 2 8 9 4 2 9 8 0 5 1 5 1 3 6 7 3 Q Q TEL 13942296513 QQ 376315150 892498299 TEL 13942296513 QQ 376315150 892498299 http://www.xiaoyu163.com IC11 IC10 IC10 IC4 IC7 CB5 W9A W8A CB6 W11B W11A W8A CB7 CB8 IC202 W1 CB1 IC1 IC6 W6A1 W6A2 W6A3 W9A W12A W12B W8B W9B W13A W14A W15A W16A W10A W7A W8B W13B W14B W15B W16B W7B W9B W5B W6B W5B W6B W10B IC7 CB4 CB9 W2 CB11 IC8 IC8 CB10 W5A1 W5A2 W5A3 IC4 W4B W4A IC201 W3 CB3 IC11 A 1 2 3 4 5 6 7 8 9 10 B C D E F G H I J K L M N YST-RSW300 13 # All voltages are measured with a 10MΩ/V DC electronic voltmeter. # Components having special characteristics are marked s and must be replaced with parts having specifications equal to those originally installed. # Schematic diagram is subject to change without notice. SCHEMATIC DIAGRAM MAIN 0 0 0 11.9 0 0 0 -11.9 0 0 0 -11.9 0 0 0 11.9 0.1 0.1 0.1 0.1 -11.9 0.1 0.1 11.0 0.1 4.0 8.1 6.9 6.8 4.0 0 1.4 0 0 6.3 0 1.4 6.7 8.1 8.1 6.3 6.3 5.4 0.3 0.3 2.1 0.3 0.3 0.3 0.9 7.5 8.1 6.1 6.7 AC 26.7 0 0 0 0 17.5 -17.5 -17.2 0.3 0.1 6.8 6.8 6.7 6.7 5.6 6.7 6.1 0.7 0 0 0 0 0 54.6 -17.5 17.5 -11.9 11.9 24.7 24.4 0 0 AC 46.5 0 0 0.1 0.1 0.7 11.2 11.2 11.2 54.6 11.7 54.6 11.2 11.2 8.1 0 -17.3 -17.2 -16.5 -12.8 1.8 1.3 -2.6 0 0 0.1 0.1 0 0 1.4 1.4 1.4 0.8 0.8 0.9 0.4 AC 98.4 -67.8 67.6 0 0 0.1 0.1 0.1 0.1 0.1 0 0.1 0.1 0.1 0.1 0.1 0.1 36.1 35.8 23.7 23.7 0.1 0.1 0.1 0.1 -11.9 0.1 0.1 0.1 11.9 -67.7 -67.7 -67.1 -67.1 -66.5 -1.0 -67.0 0.2 0.8 66.9 0.8 0.1 -67.0 -67.0 0.8 66.4 66.4 67.0 67.6 67.0 1.2 0.5 0.1 0.1 0.1 -5.5 -5.5 0.1 0.1 0 5.7 -5.1 -67.6 -67.6 -67.1 -67.5 -67.8 67.6 67.3 67.0 67.3 67.6 67.3 0 0 0 0 0 -67.8 0 0 0 0 0 -67.8 0 0.5 0.1 0 1.2 67.5 67.5 -2.6 67.6 67.3 0 -67.0 -67.1 -67.1 5.7 5.3 180mm 180mm 180mm 180mm 200mm 200mm 230V-240V 1-2, 5-6 2-3, 6-7 3-4, 7-8 4-5, 8-1 220V 110V 120V IC6: NJM78M12FA Voltage regulator INPUT OUTPUT COMMON NJM78M12FA 1: OUT 2: COM 3: IN IC1: NJM79M12FA Voltage regulator COMMON OUTPUT INPUT NJM79M12FA 1: OUT 2: IN 3: COM IC4, 7, 8, 10: µPC4570HA-A Dual operational amplifier V+ OUT1 II1 IN1 V- IN2 II2 OUT2 V+ 1 2 3 4 5 6 7 8 9 + + - - 1 2 µPC4570HA-A 1 9 IC201: LB8555D General purpose timer LB8555D RESET OUTPUT OUTPUT RESET CONTROL VOL. THRESHOLD Vcc DISCHARGE TRIGGER GND DISCHARGE GND TRIGGER THRESHOLD Vcc CONTROL VOLTAGE 4 2 + - + - 5 6 8 R S Q 3 1 7 1 2 3 4 8 7 6 5 1 4 8 IC11: NJM4558L Dual operational amplifier 2, 6 3, 5 1, 7 V+ –INPUT +INPUT V– OUTPUT NJM4558L 1 8 4 8 + A 1 2 8 1. A OUTPUT 2. A-INPUT 3. A+INPUT 4. V- 5. B+INPUT 6. B-INPUT 7. B OUTPUT 8. V+ - + R - 3 4 5 6 7 PIN CONNECTION DIAGRAM OF TRANSISTORS, DIODES AND ICS. + ACAC - D5BA20-4001 6A S1NB20 1A 200V E C B 2SA970 2SA1015 2SA1145 2SA1837 B C E 2SC4793 2SC1815 E C B 2SC2878 2SC4449 2SC2240 2SC2705 2SC4688 BC E NJM78L08A-T3 IC202: NJM78L08A-T3 Voltage regulator VIN VOUT GND 3: INPUT 3 2 1 2: GND 1: OUTPUT STD03P 12 3 4 5 1SR139 Anode Cathode 1SR400 S2L20U EL02ZLF MTZJ5.6B MTZJ12C Anode Cathode MTZJ24B 1SS133 1SS176 V+ R1 Q1 Q2 Q8 Q13 Q11 Q12 Q15 Q14 Q16 Q7 Q5 Q3 Q4 Q10 Q9 Q6 R2 R3 R5 R6 R8 R9 R7 C2 C1 R4 R10 D II IN OUT V- 2 3 1 4 4 3 1 2 G/R LED (SPR-39MVWF) 1 ANODE (Red) ANODE (Green) CATHODE 2 3 3 2 1 STD03N 12 3 4 5 MAIN (3) MAIN (10) DRIVER WOOFER POWER TRANSFORMER POWER TRANSFORMER AC IN POWER ON/OFF VOLTAGE SELECTOR STANDBY/ON OUTPUT/ INPUT 1 INPUT 2 L R L R STATUS INDICATOR AC IN MAIN (1) MAIN (9) MAIN (6) MAIN (6) MAIN (8) MAIN (4) MAIN (11) MAIN (5) MAIN (2) MAIN (2) U, C, K, A, B, G models MAIN (7) AUTO STANDBY VOLUME HIGH CUT 40 to 140Hz PHASE The voltages are measured with AUTO STANDBY OFF. OFF LOW HIGH REV NORM AUTO STANDBY CIRCUIT POWER DRIVE PRE DRIVE LIMITER PS AMP PROTECTION PROTECTION R, L models + – MUSIC SENSOR L.P.F. L.P.F. H.P.F. REGULATOR REGULATOR TIMER A.N.I.C. 1 5 2 3 1 4 3 5 w w w . x i a o y u 1 6 3 . c o m Q Q 3 7 6 3 1 5 1 5 0 9 9 2 8 9 4 2 9 8 T E L 1 3 9 4 2 2 9 6 5 1 3 9 9 2 8 9 4 2 9 8 0 5 1 5 1 3 6 7 3 Q Q TEL 13942296513 QQ 376315150 892498299 TEL 13942296513 QQ 376315150 892498299 http://www.xiaoyu163.com YST-RSW300 15 YST-RSW300 I REPLACEMENT PARTS LIST ABBREVIATIONS IN THIS LIST ARE AS FOLLOWS: C.A.EL.CHP : CHIP ALUMI.ELECTROLYTIC CAP C.CE : CERAMIC CAP C.CE.ARRAY : CERAMIC CAP ARRAY C.CE.CHP : CHIP CERAMIC CAP C.CE.ML : MULTILAYER CERAMIC CAP C.CE.M.CHP : CHIP MULTILAYER CERAMIC CAP C.CE.SAFTY : RECOGNIZED CERAMIC CAP C.CE.TUBLR : CERAMIC TUBULAR CAP C.CE.SMI : SEMI CONDUCTIVE CERAMIC CAP C.EL : ELECTROLYTIC CAP C.MICA : MICA CAP C.ML.FLM : MULTILAYER FILM CAP C.MP : METALLIZED PAPER CAP C.MYLAR : MYLAR FILM CAP C.MYLAR.ML : MULTILAYER MYLAR FILM CAP C.PAPER : PAPER CAPACITOR C.PLS : POLYSTYRENE FILM CAP C.POL : POLYESTER FILM CAP C.POLY : POLYETHYLENE FILM CAP C.PP : POLYPROPYLENE FILM CAP C.TNTL : TANTALUM CAP C.TNTL.CHP : CHIP TANTALUM CAP C.TRIM : TRIMMER CAP CN : CONNECTOR CN.BS.PIN : CONNECTOR,BASE PIN CN.CANNON : CONNECTOR,CANNON CN.DIN : CONNECTOR,DIN CN.FLAT : CONNECTOR,FLAT CABLE CN.POST : CONNECTOR,BASE POST COIL.MX.AM : COIL,AM MIX COIL.AT.FM : COIL,FM ANTENNA COIL.DT.FM : COIL,FM DETECT COIL.MX.FM : COIL,FM MIX COIL,OUTPT : OUTPUT COIL DIOD.ARRAY : DIODE ARRAY DIODE.BRG : DIODE BRIDGE DIODE.CHP : CHIP DIODE DIODE.VAR : VARACTOR DIODE DIOD.Z.CHP : CHIP ZENER DIODE DIODE.ZENR : ZENER DIODE DSCR.CE : CERAMIC DISCRIMINATOR FER.BEAD : FERRITE BEADS FER.CORE : FERRITE CORE FET.CHP : CHIP FET FL.DSPLY : FLUORESCENT DISPLAY FLTR.CE : CERAMIC FILTER FLTR.COMB : COMB FILTER MODULE FLTR.LC.RF : LC FILTER,EMI GND.MTL : GROUND PLATE GND.TERM : GROUND TERMINAL HOLDER.FUS : FUSE HOLDER IC.PRTCT : IC PROTECTOR JUMPER.CN : JUMPER CONNECTOR JUMPER.TST : JUMPER,TEST POINT L.DTCT : LIGHT DETECTING MODULE L.EMIT : LIGHT EMITTING MODULE LED.DSPLY : LED DISPLAY LED.INFRD : LED,INFRARED MODUL.RF : MODULATOR,RF PHOT.CPL : PHOTO COUPLER PHOT.INTR : PHOTO INTERRUPTER PHOT.RFLCT : PHOTO REFLECTOR PIN.TEST : PIN,TEST POINT PLST.RIVET : PLASTIC RIVET R.ARRAY : RESISTOR ARRAY R.CAR. : CARBON RESISTOR R.CAR.CHP : CHIP RESISTOR R.CAR.FP : FLAME PROOF CARBON RESISTOR R.FUS : FUSABLE RESISTOR R.MTL.CHP : CHIP METAL FILM RESISTOR R.MTL.FLM : METAL FILM RESISTOR R.MTL.OXD : METAL OXIDE FILM RESISTOR R.MTL.PLAT : METAL PLATE RESISTOR RSNR.CE : CERAMIC RESONATOR RSNR.CRYS : CRYSTAL RESONATOR R.TW.CEM : TWIN CEMENT FIXED RESISTOR R.CEMENT : CEMENT RESISTOR SCR.BND.HD : BIND HEAD B-TIGHT SCREW SCR.BW.HD : BW HEAD TAPPING SCREW SCR.CUP : CUP TIGHT SCREW SCR.TERM : SCREW TERMINAL SCR.TR : SCREW,TRANSISTOR SUPRT.PCB : SUPPORT,P.C.B. SURG.PRTCT : SURGE PROTECTOR SW.TACT : TACT SWITCH SW.LEAF : LEAF SWITCH SW.LEVER : LEVER SWITCH SW.MICRO : MICRO SWITCH SW.PUSH : PUSH SWITCH SW.RT.ENC : ROTARY ENCODER SW.RT.MTR : ROTARY SWITCH WITH MOTOR SW.RT : ROTARY SWITCH SW.SLIDE : SLIDE SWITCH TERM.SP : SPEAKER TERMINAL TERM.WRAP : WRAPPING TERMINAL THRMST.CHP : CHIP THERMISTOR TR.CHP : CHIP TRANSISTOR TR.DGT : DIGITAL TRANSISTOR TR.DGT.CHP : CHIP DIGITAL TRANSISTOR TRANS : TRANSFORMER TRANS.PULS : PULSE TRANSFORMER TRANS.PWR : POWER TRANSFORMER ASS’Y TUNER.AM : TUNER PACK,AM TUNER.FM : TUNER PACK,FM TUNER.PK : FRONT-ENDTUNER PACK VR : ROTARY POTENTIOMETER VR.MTR : POTENTIOMETER WITH MOTOR VR.SW : POTENTIOMETER WITH ROTARY SW VR.SLIDE : SLIDE POTENTIOMETER VR.TRIM : TRIMMER POTENTIOMETER WARNING G Components having special characteristics are marked s and must be replaced with parts having specifications equal to those originally installed. G The chip resistor is not supplied as a replacement part. * When a chip resistor is necessary, use the following part. AAX60720: CHIP RESISTOR SAMPLE BOOK • ELECTRICAL COMPONENT PARTS www. xiaoyu163. com QQ 376315150 9 9 2 8 9 4 2 9 8 TEL 13942296513 9 9 2 8 9 4 2 9 8 0 5 1 5 1 3 6 7 3 Q Q TEL 13942296513 QQ 376315150 892498299 TEL 13942296513 QQ 376315150 892498299 http://www.xiaoyu163.com YST-RSW300 16 YST-RSW300 ✻ New Parts P.C.B. MAIN Ref. No. Part No. Description Markets ✻ New Parts Ref. No. Part No. Description Markets * WK224400 P.C.B. MAIN UC * WK224500 P.C.B. MAIN RL * WK224600 P.C.B. MAIN KABG CB1 VB389900 CN.BS.PIN 3P CB3 VB390200 CN.BS.PIN 6P CB4 VB390400 CN.BS.PIN 8P CB5-6 WC050700 CLIP.FUSE EYF-52BCY RL CB7-8 WC050700 CLIP.FUSE EYF-52BCY CB9 VB390400 CN.BS.PIN 8P CB10 LB932020 CN.BS.PIN 2P CB11 VB390500 CN.BS.PIN 9P C1 UA654470 C.MYLAR 0.047uF 50V J C2 UA654470 C.CE 0.047uF 50V C3-5 UR867100 C.EL 10uF 50V C6 VE326400 C.MYLAR 0.22uF 50V C7 FG612220 C.CE 220pF 50V C8 FG644100 C.CE 0.01uF 50V C9 UA654390 C.MYLAR 0.039uF 50V J C10 FG652100 C.CE 100pF 50V C11 UR838100 C.EL 100uF 16V C12 UR867100 C.EL 10uF 50V C13 VE326400 C.MYLAR 0.22uF 50V C14 FG613100 C.CE 1000pF 50V C15 UR867100 C.EL 10uF 50V C16 FG612220 C.CE 220pF 50V C17 UR867100 C.EL 10uF 50V C18 VE326200 C.MYLAR 0.15uF 50V C19 VE327000 C.MYLAR 0.68uF 50V C20-21 UR867100 C.EL 10uF 50V C22 VE326000 C.MYLAR 0.1uF 50V C23 UR866100 C.EL 1uF 50V C25 UR837470 C.EL 47uF 16V C26 UA654100 C.MYLAR 0.01uF 50V J C27 UR838330 C.EL 330uF 16V C28 UR838220 C.EL 220uF 16V C29 FG644100 C.CE 0.01uF 50V s C30 V7682500 C.CE.SAFTY 1500pF 250V C31 FG644220 C.CE 0.022uF 50V s C32 V6185300 C.CE.SAFTY 0.01uF 275V C33-34 UA655820 C.MYLAR 0.82uF 50V J C35 FG644100 C.CE 0.01uF 50V C36 UR838100 C.EL 100uF 16V C37 UA653100 C.MYLAR 1000pF 50V J C38 UR778470 C.EL 470uF 63V RL C39 UR897100 C.EL 10uF 100V C40-41 UR848470 C.EL 470uF 25V C42 UR897100 C.EL 10uF 100V C44 VE326800 C.MYLAR 0.47uF 50V C45-46 UR838100 C.EL 100uF 16V C47 UR867100 C.EL 10uF 50V RL C48 UA654270 C.MYLAR 0.027uF 50V J C49 UR749100 C.EL 1000uF 25V UCKABG C50 UA654220 C.MYLAR 0.022uF 50V J C51 UA653680 C.MYLAR 6800pF 50V J C52 FG644100 C.CE 0.01uF 50V C53 UA653680 C.MYLAR 6800pF 50V J C54 UA653220 C.MYLAR 2200pF 50V J C55 UR867100 C.EL 10uF 50V C57 UR867100 C.EL 10uF 50V C58 UA654220 C.MYLAR 0.022uF 50V J C60 VE326000 C.MYLAR 0.1uF 50V C61-62 UA654220 C.MYLAR 0.022uF 50V J C63-64 UR877470 C.EL 47uF 63V C65-66 UA654100 C.MYLAR 0.01uF 50V J C67-68 WB540200 C.POL.MTL 0.1uF 250V C69-70 VE326300 C.MYLAR 0.18uF 50V C71-72 V5058000 C.MYLAR 4.7uF 250V C73-74 VE326400 C.MYLAR 0.22uF 50V C75 UR867100 C.EL 10uF 50V C76-77 V6092500 C.EL 8200uF 80V C80-81 UR798330 C.EL 330uF 100V C82 UR867220 C.EL 22uF 50V C83 UR838100 C.EL 100uF 16V C84 WE101700 C.PP 1000pF 100V C85-86 UR867100 C.EL 10uF 50V C87 UR867100 C.EL 10uF 50V RL C88-89 UR847470 C.EL 47uF 25V C90 UR838100 C.EL 100uF 16V C91 VE326000 C.MYLAR 0.1uF 50V C92 FG613100 C.CE 1000pF 50V KABG D1 VD631600 DIODE 1SS133,176 s D2-3 VR253700 DIODE.BRG S1NB20 1A 200V D4-6 VD631600 DIODE 1SS133,176 D7 VG440300 DIODE.ZENR MTZJ12C 12V RL D8-11 VD631600 DIODE 1SS133,176 D13-14 VD631600 DIODE 1SS133,176 D15-16 VU264100 DIODE 1SR139,400 D17-18 VG437700 DIODE.ZENR MTZJ5.6B 5.6V D19-24 V6934100 DIODE EL02ZLF-H5K s D25 VQ111400 DIODE.BRG D5SBA20-4001 6A D27-30 VP779200 DIODE S2L20U D31 VD631600 DIODE 1SS133,176 D32 VG437700 DIODE.ZENR MTZJ5.6B 5.6V D33 VG442500 DIODE.ZENR MTZJ24B 24V D34 VG437700 DIODE.ZENR MTZJ5.6B 5.6V D201 VS079300 LED RED/GREEN D202-203 VU264100 DIODE 1SR139,400 D204 VD631600 DIODE 1SS133,176 s F1 WG410500 FUSE 6A 125V UCRL s F1 KB001660 FUSE T1.6A 250V KABG s F2 KB001660 FUSE T1.6A 250V RL G2-4 V7235100 CN.GND JG-11-T G6 V5995800 PLATE.GND IC1 XD343A00 IC NJM79M12FA IC4 XB247A00 IC uPC4570HA-A IC6 XJ602A00 IC NJM78M12FA IC7-8 XB247A00 IC uPC4570HA-A IC10 XB247A00 IC uPC4570HA-A www. xiaoyu163. com QQ 376315150 9 9 2 8 9 4 2 9 8 TEL 13942296513 9 9 2 8 9 4 2 9 8 0 5 1 5 1 3 6 7 3 Q Q TEL 13942296513 QQ 376315150 892498299 TEL 13942296513 QQ 376315150 892498299 http://www.xiaoyu163.com YST-RSW300 17 ✻ New Parts Ref. No. Part No. Description Markets ✻ New Parts Ref. No. Part No. Description Markets P.C.B. MAIN Carbon Resistors 10mm HJ35 1/4W Type 5mm HF85 1/6W Type HF45 1/4W Type Value 1/4W Type Part No. 1/6W Type Part No. 10 kΩ HF45 7100 HF45 7100 11 kΩ HF45 7110 HF45 7110 12 kΩ HJ35 7120 HF85 7120 13 kΩ HF45 7130 HF45 7130 15 kΩ HF45 7150 HF45 7150 18 kΩ HF45 7180 HF45 7180 22 kΩ HF45 7220 HF45 7220 24 kΩ HF45 7240 HF45 7240 27 kΩ HJ35 7270 HF85 7270 30 kΩ HF45 7300 HF45 7300 33 kΩ HF45 7330 HF45 7330 36 kΩ HF45 7360 HF45 7360 39 kΩ HF45 7390 HF45 7390 47 kΩ HF45 7470 HF45 7470 51 kΩ HF45 7510 HF45 7510 56 kΩ HF45 7560 HF45 7560 62 kΩ HF45 7620 HF45 7620 68 kΩ HF45 7680 HF45 7680 82 kΩ HF45 7820 HF45 7820 91 kΩ HF45 7910 HF45 7910 100 kΩ HF45 8100 HF45 8100 110 kΩ HF45 8110 HF45 8110 120 kΩ HF45 8120 HF45 8120 150 kΩ HF45 8150 HF45 8150 180 kΩ HF45 8180 HF45 8180 220 kΩ HJ35 8220 HF85 8220 270 kΩ HF45 8270 HF45 8270 300 kΩ HF45 8300 HF45 8300 330 kΩ HF45 8330 HF45 8330 390 kΩ HJ35 8390 HF85 8390 470 kΩ HF45 8470 HF45 8470 560 kΩ HJ35 8560 HF85 8560 680 kΩ HJ35 8680 HF85 8680 820 kΩ HJ35 8820 HF85 8820 1.0 MΩ HF45 9100 HF45 9100 1.2 MΩ HJ35 9120 ❊ 1.5 MΩ HJ35 9150 HF85 9150 1.8 MΩ HJ35 9180 HF85 9180 2.2 MΩ HJ35 9220 HF85 9220 3.3 MΩ HJ35 9330 HF85 9330 3.9 MΩ HJ35 9390 ❊ 4.7 MΩ HJ35 9470 HF85 9470 Value 1/4W Type Part No. 1/6W Type Part No. 1.0 Ω HJ35 3100 HF85 3100 1.8 Ω HJ35 3180 ❊ 2.2 Ω HJ35 3220 HF85 3220 3.3 Ω HJ35 3330 HF85 3330 4.7 Ω HJ35 3470 HF85 3470 5.6 Ω HJ35 3560 HF85 3560 10 Ω HF45 4100 HF45 4100 15 Ω HJ35 4150 HF85 4150 22 Ω HF45 4220 HF45 4220 27 Ω HJ35 4270 HF85 4270 33 Ω HF45 4330 HF45 4330 39 Ω HJ35 4470 HF85 4390 47 Ω HF45 4470 HF45 4470 56 Ω HF45 4560 HF45 4560 68 Ω HF45 4680 HF45 4680 75 Ω HF45 4750 HF45 4750 82 Ω HF45 4820 HF45 4820 91 Ω HF45 4910 HF45 4910 100 Ω HF45 5100 HF45 5100 110 Ω HJ35 5110 HF85 5110 120 Ω HF45 5120 HF45 5120 150 Ω HF45 5150 HF45 5150 160 Ω HJ35 5160 ❊ 180 Ω HF45 5180 HF45 5180 200 Ω HF45 5200 HF45 5200 220 Ω HF45 5220 HF45 5220 270 Ω HF45 5270 HF45 5270 330 Ω HF45 5330 HF45 5330 390 Ω HF45 5390 HF45 5390 430 Ω HF45 5430 HF45 5430 470 Ω HF45 5470 HF45 5470 510 Ω HF45 5510 HF45 5510 560 Ω HF45 5560 HF45 5560 680 Ω HF45 5680 HF45 5680 820 Ω HF45 5820 HF45 5820 910 Ω HF45 5910 HF45 5910 1.0 kΩ HF45 6100 HF45 6100 1.2 kΩ HF45 6120 HF45 6120 1.5 kΩ HF45 6150 HF45 6150 1.8 kΩ HF45 6180 HF45 6180 2.0 kΩ HJ35 6200 HF85 6200 2.2 kΩ HF45 6220 HF45 6220 2.4 kΩ HJ35 6240 HF85 6240 2.7 kΩ HF45 6270 HF45 6270 3.0 kΩ HF45 6300 HF45 6300 3.3 kΩ HF45 6330 HF45 6330 3.6 kΩ HJ35 6360 HF85 6360 3.9 kΩ HF45 6390 HF45 6390 4.7 kΩ HF45 6470 HF45 6470 5.1 kΩ HF45 6510 HF45 6510 5.6 kΩ HF45 6560 HF45 6560 6.8 kΩ HF45 6680 HF45 6680 8.2 kΩ HF45 6820 HF45 6820 9.1 kΩ HF45 6910 HF45 6910 ❊ : Not available IC11 XM922A00 IC NJM4558L IC201 X2020A00 IC LB8555D IC202 X4472A00 IC NJM78L08A-T3 PJ1 V6415800 JACK.PIN 2P PN1 WB543700 PIN WB54370 L=70 #18 Q1-2 iC224030 TR 2SC2240 GR,BL Q3 iA097040 TR 2SA970 GR Q4 iC1815I0 TR 2SC1815 Y Q5 iC224030 TR 2SC2240 GR,BL RL Q6 iC1815I0 TR 2SC1815 Y Q7 iA097030 TR 2SA970 GR,BL Q8 VK801200 TR 2SC4688 R,O RL Q9-10 iA097040 TR 2SA970 GR Q11 iA1015I0 TR 2SA1015 Y Q12 WF612700 TR 2SC2240 GR Q13 iC224030 TR 2SC2240 GR,BL Q14 VE198700 TR 2SA1145 O,Y Q15 VE198800 TR 2SC2705 O,Y Q16 iC224030 TR 2SC2240 GR,BL * Q17 WK192900 TR.PAIR STD03P/STD03N Q19 iA097030 TR 2SA970 GR,BL Q20 V5876900 TR 2SC4449 E,F Q21 iA097030 TR 2SA970 GR,BL Q22 VQ116600 TR.PAIR 2SA1837/C4793 O,Y * Q24 WK192900 TR.PAIR STD03P/STD03N Q26-27 iC287820 TR 2SC2878 A,B Q28-29 iC224030 TR 2SC2240 GR,BL Q30 iA097030 TR 2SA970 GR,BL Q31-33 iC224030 TR 2SC2240 GR,BL R5-11 HV756220 R.CAR.FP 2.2KΩ 1/4W R12-13 HV756470 R.CAR.FP 4.7KΩ 1/4W R52 HB026390 R.MTL.FLM 3.9KΩ 1/4W R53-54 HV753100 R.CAR.FP 1Ω 1/4W R57 HV755220 R.CAR.FP 220Ω 1/4W R59 HV755560 R.CAR.FP 560Ω 1/4W R60 HV753220 R.CAR.FP 2.2Ω 1/4W UCKABG R63 HV755220 R.CAR.FP 220Ω 1/4W R66 HV754330 R.CAR.FP 33Ω 1/4W R73 HB028100 R.MTL.FLM 100KΩ 1/4W R75 HV755330 R.CAR.FP 330Ω 1/4W R76 HV755220 R.CAR.FP 220Ω 1/4W R77-78 HV753220 R.CAR.FP 2.2Ω 1/4W R82-83 VG730500 R.MTL.OXD 0.15Ω 3W R84 HV756390 R.CAR.FP 3.9KΩ 1/4W R86 HV756120 R.CAR.FP 1.2KΩ 1/4W R88-89 HV753100 R.CAR.FP 1Ω 1/4W R94 HV754100 R.CAR.FP 10Ω 1/4W R102-103 HV754220 R.CAR.FP 22Ω 1/4W R104-105 VC753800 R.MTL.OXD 1Ω 2W R106 HV753470 R.CAR.FP 4.7Ω 1/4W R107-108 HV755220 R.CAR.FP 220Ω 1/4W * R120 VR860900 R.MTL.OXD 1.5kΩ 3W * R122 WK542600 R.WW 0.1Ω 3W R135 HV753220 R.CAR.FP 2.2Ω 1/4W R136 HV755820 R.CAR.FP 820Ω 1/4W s RY1 VU161600 RELAY DC OSA-SS-224DM3 s RY2 V6017400 RELAY DC SDT-S-112LMR2 ST1 V4040500 SCR.TERM M3 SW1 VQ545800 SW.SLIDE SSSF04 SW2 VD179500 SW.SLIDE SSSU12 SW4 VS066500 SW.PUSH SPPH13-W s SW5 WG803400 SW.PUSH PS4E-A-040-NP s SW6 WB493700 VOLT.SELCT R8140246 RL s T1 XW606A00 TRANS.PWR UC * s T1 X8843A00 TRANS RL s T1 XW608A00 TRANS.PWR KABG TE1-2 VT658100 TERM.WRAP 352-TX119 TE3 V9065900 TERM.SP MSP-108V-01 PBSN TP1-2 VT969000 PIN.TEST IRS-2049 VR1 WC595500 VR A 5KΩ * VR2 WK126500 VR C 10kΩ * WK126700 HOLDER.LED LDT-142G WE983600 SCR.BND.HD 3x8 MFZN2B3 w w w . x i a o y u 1 6 3 . c o m Q Q 3 7 6 3 1 5 1 5 0 9 9 2 8 9 4 2 9 8 T E L 1 3 9 4 2 2 9 6 5 1 3 9 9 2 8 9 4 2 9 8 0 5 1 5 1 3 6 7 3 Q Q TEL 13942296513 QQ 376315150 892498299 TEL 13942296513 QQ 376315150 892498299 http://www.xiaoyu163.com 2 A B C D E F G H I J 1 3 4 5 7 YST-RSW300 6 18 4-21 4-11 4-37 4-38 4-32 4-37 4-32 4-33 4-34 4-31 4-33 4-4 4-3 4-11 4-36 202 25 1 5 R, L models (5) 5 24 24 (2) 5 (9) 5 (11) U, C, K, A, B, G models (7) R, L models 5 (6) 5 (3) 5 (10) 5 (4) 5 (8) 5 (1) 6 3 27 27 26 2 7 11 10 15 8 12 4-19 4-18 4-20 4-32 4-35 4-35 4-35 4-23 4-35 4-32 4-8 4-35 4-35 4-22 4-32 4-32 4-5 4-29 4-19 4-16 4-19 4-19 • OVERALL ASS’Y w w w . x i a o y u 1 6 3 . c o m Q Q 3 7 6 3 1 5 1 5 0 9 9 2 8 9 4 2 9 8 T E L 1 3 9 4 2 2 9 6 5 1 3 9 9 2 8 9 4 2 9 8 0 5 1 5 1 3 6 7 3 Q Q TEL 13942296513 QQ 376315150 892498299 TEL 13942296513 QQ 376315150 892498299 http://www.xiaoyu163.com YST-RSW300 19 * 1 WK217100 CABINET ASS'Y CH * 1 WK217000 CABINET ASS'Y BL 2 X4457D00 DRIVER WOOFER 25cm 6Ω 2564B 3 WH695000 FRONT GRILLE ASS'Y s 4-3 V9436300 POWER CABLE 2m UC s 4-3 WD042000 POWER CABLE 2m R s 4-3 V8012900 POWER CABLE 2m K s 4-3 WC883100 POWER CABLE 2m A s 4-3 WC906500 POWER CABLE 2m B s 4-3 V9436400 POWER CABLE 2m GL 4-4 CB072750 CORD STOPPER SR-4N-4 * s 4-5 X8219A00 POWER TRANSFORMER UC * s 4-5 X8220A00 POWER TRANSFORMER RL * s 4-5 X8809A00 POWER TRANSFORMER K * s 4-5 X8727A00 POWER TRANSFORMER A * s 4-5 X8221A00 POWER TRANSFORMER BG 4-8 WG886600 BINDING TIE CT-100 * 4-11 WJ991200 REAR PANEL UC * 4-11 WJ991300 REAR PANEL RL * 4-11 WJ991600 REAR PANEL K * 4-11 WJ991400 REAR PANEL A * 4-11 WJ991500 REAR PANEL BG 4-16 WA217100 POWER KNOB 4-18 WB249900 COVER 4-19 WB377300 PACKING 276x6 t=1 4-20 WB377400 PACKING E 100x85 t=2 4-21 WC690300 BUSH 4-22 WB279400 REAR COVER * 4-23 WJ951100 SUPPORT TRANSISTOR 4P 4-29 VV849300 RADIATION SHEET 19x24 4-31 WE994800 BIND HEAD S-TIGHT SCREW 4x8 MFZN2B3 4-32 WE774400 BIND HEAD B-TIGHT SCREW 3x8 MFZN2B3 4-33 WE962000 BIND HEAD B-TIGHT SCREW 4x8 MFZN2B3 4-34 WF268000 BIND HEAD P-TIGHT SCREW 3x10 MFZN2B3 4-35 WF002600 PW HEAD B-TIGHT SCREW 3x8 MFZN2W3 4-36 WE983600 BIND HEAD SCREW 3x8 MFZN2B3 RL 4-37 WE981100 BIND HEAD P-TIGHT SCREW 4x12 MFZN2B3 4-38 WF303900 BIND HEAD BONDING SCREW 3x6 MFZN2B3 * 5 WK224400 P.C.B. ASS'Y MAIN UC * 5 WK224500 P.C.B. ASS'Y MAIN RL * 5 WK224600 P.C.B. ASS'Y MAIN KABG 6 V9467400 EMBLEM * 7 WJ956100 FRONT PANEL BLACK CH * 7 WK175600 FRONT PANEL SILVER BL * 8 WJ955800 SWITCH COVER * 10 WJ981900 VOLUME/HIGH CUT KNOB BLACK CH * 10 WK175400 VOLUME/HIGH CUT KNOB SILVER BL * 11 WJ981600 POWER KNOB BLACK CH * 11 WK175500 POWER KNOB SILVER BL * 12 WK235100 PACKING 145x3 t=1.0 ✻ New Parts Markets Remarks Description Part No. Ref. No. ✻ New Parts Markets Remarks Description Part No. Ref. No. 15 WC736000 BUSH 24 WG405400 BIND HEAD TAPPING SCREW 4x35 MFZN2B3 25 WF459800 BIND HEAD TAPPING SCREW #1 4x25 MFZN2B3 26 WF683300 FLAT HEAD WOOD SCREW 3.1x16 MFZN2W3 27 WF268000 BIND HEAD P-TIGHT SCREW 3x10 MFZN2B3 ACCESSORY 202 WB365800 NONSKID PAD M32 t2 4pcs/set w w w . x i a o y u 1 6 3 . c o m Q Q 3 7 6 3 1 5 1 5 0 9 9 2 8 9 4 2 9 8 T E L 1 3 9 4 2 2 9 6 5 1 3 9 9 2 8 9 4 2 9 8 0 5 1 5 1 3 6 7 3 Q Q TEL 13942296513 QQ 376315150 892498299 TEL 13942296513 QQ 376315150 892498299 http://www.xiaoyu163.com YST-RSW300 w w w . x i a o y u 1 6 3 . c o m Q Q 3 7 6 3 1 5 1 5 0 9 9 2 8 9 4 2 9 8 T E L 1 3 9 4 2 2 9 6 5 1 3 9 9 2 8 9 4 2 9 8 0 5 1 5 1 3 6 7 3 Q Q TEL 13942296513 QQ 376315150 892498299 TEL 13942296513 QQ 376315150 892498299 http://www.xiaoyu163.com

标签:

版权声明

1. 本站所有素材,仅限学习交流,仅展示部分内容,如需查看完整内容,请下载原文件。
2. 会员在本站下载的所有素材,只拥有使用权,著作权归原作者所有。
3. 所有素材,未经合法授权,请勿用于商业用途,会员不得以任何形式发布、传播、复制、转售该素材,否则一律封号处理。
4. 如果素材损害你的权益请联系客服QQ:77594475 处理。