雅马哈YAMAHA RX-V1000电路图

分类:电子电工 日期: 点击:0
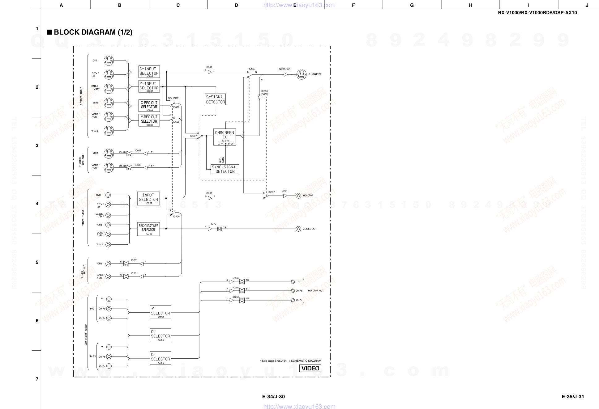
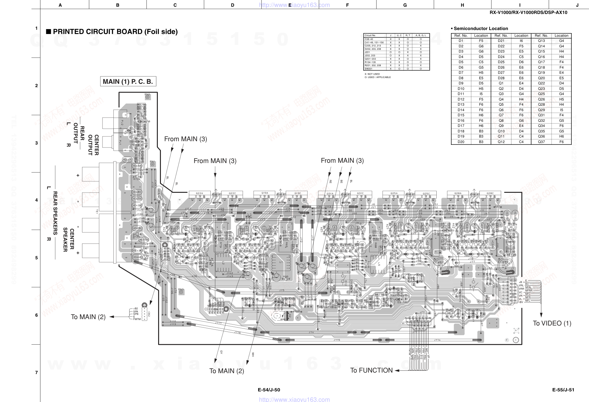
雅马哈YAMAHA RX-V1000电路图-0 雅马哈YAMAHA RX-V1000电路图-1 雅马哈YAMAHA RX-V1000电路图-2 雅马哈YAMAHA RX-V1000电路图-3 雅马哈YAMAHA RX-V1000电路图-4 雅马哈YAMAHA RX-V1000电路图-5 雅马哈YAMAHA RX-V1000电路图-6 雅马哈YAMAHA RX-V1000电路图-7 雅马哈YAMAHA RX-V1000电路图-8 雅马哈YAMAHA RX-V1000电路图-9

A B C D E F G H I J 1 2 3 4 5 6 7 RX-V1000/RX-V1000RDS/DSP-AX10 E-35/J-31 E-34/J-30 I BLOCK DIAGRAM (1/2) D-TV / LD VCR2 / DVR IC602 IC603 IC604 Y-REC OUT SELECTOR C-REC OUT SELECTOR IC605 VCR2 / DVR VCR2 / DVR VCR2 / DVR D-TV / LD 25, 35 IC609 IC609 IC702 21, 31 1, 11 3 IC601 IC607 Q601, 604 IC606 (Q609) 1 7, 17 11 IC701 IC701 13 7 4 IC607 IC610 LC74781-9798 IC601 IC607 Q701 7 5 IC703 IC701 15 ZONE2 OUT 1 IC752 IC752 IC752 Y Cb/Pb Cr/Pr Y Cb/Pb Cr/Pr 4 IC751 Y Cb/Pb Cr/Pr 13 7 IC751 11 1 IC751 15 VIDEO • See page E-68/J-64 → SCHEMATIC DIAGRAM IC606 IC704 SOURCE IC606 REC OUT/ZONE2 SELECTOR w w w . x i a o y u 1 6 3 . c o m Q Q 3 7 6 3 1 5 1 5 0 9 9 2 8 9 4 2 9 8 T E L 1 3 9 4 2 2 9 6 5 1 3 9 9 2 8 9 4 2 9 8 0 5 1 5 1 3 6 7 3 Q Q TEL 13942296513 QQ 376315150 892498299 TEL 13942296513 QQ 376315150 892498299 http://www.xiaoyu163.com A B C D E F G H I J 1 3 4 5 7 RX-V1000/RX-V1000RDS/DSP-AX10 6 2 MD/TAPE L/R AK4527 IC514 1/2 IC1 RDS IC501 IC511 IC512 IC512 IC512 IC513 5/3 5 7 7/1 IC502, 503 IC508 5/3 7/1 IC504, 505 IC503 IC506 IC507 3 1 FL/FR IC522 IC512 IC514 3/5 1/7 IC512 IC515 3 SW 1 IC512 IC514 D-TV/LD L/R CBL/SAT L/R VCR2/DVR L/R VCR2/DVR L/R CD-R L/R MD/TAPE L/R CD-R L/R IC522 IC804 Q803, 804 Q516, 519 CD 6 3 38 6 59 61 60 62 157 156 154 127 9 10 11 CD-R DVD D-TV/ LD CBL /SAT LD LEVEL CONVERT & SIGNAL DETECT LEVEL CONVERT & SIGNAL DETECT DUTY CORRECTOR DOLBY DIGITAL/ DTS DECODER SOUND FIELD PROCESSING / SPEAKER CONFIGURATION / VIRTUAL PROCESSING / HEADPHONE PROCESSING REC OUT SELECTOR IC501 YSS928 INPUT SELECTOR 4M DRAM IC502 MAIN µ-COM RF Dem J, R, T, L only B, G only DIGITAL OUT INHIBIT 1 DIGITAL OUT INHIBIT 2 MD/ TAPE CDR D/A C/SW D/A L/R D/A RL/RR D/A FL/FR FLASH ROM DC LDD Limit Detect Limiter Control AK4527 IC514 2/2 AK4393 IC520 D/A C AK4393 IC521 IC522 IC523 IC801 IC516, 518, 519, 520 BASS OUT: MAIN IC522 IC521 IC802 VR801/802 Q515, 517, 518, 520, 521~528 3/5 1/7 IC524 5/3 7/1 IC803 5/3 7/1 IC525 SUB WOOFER REAR CENTER RC RY1, 2, 151, 152 3 1 IC522 IC527 IC526 M30802SGP from MAIN SW903 RY301 (U, C, R, T, A, L only) SW964 139 3 25 58 26 7 117, 118 66~68 115 27 19 23 135 89 90 136, 137 141 51 49, 50 IC901 SW945~954, 961, 965, 901~905, SW941~944 (B, G only) D201 D204~207 D351 D352 D208~212 IC351 IC354 Q301 IC353 IC355 Q509, 510, Q545 IC528 GY GY IC352 REC OUT SELECTOR INPUT SELECTOR IC505 (U, C, R, T, A, L only) *1 DSP • See page E-66/J-62 → SCHEMATIC DIAGRAM FUNCTION • See page E-64/J-60 → SCHEMATIC DIAGRAM OPERATION • See page E-67/J-63 → SCHEMATIC DIAGRAM FUNCTION • See page E-64/J-60 → SCHEMATIC DIAGRAM OPERATION • See page E-65/J-61 → SCHEMATIC DIAGRAM POWER • See page E-70/J-66 → SCHEMATIC DIAGRAM POWER See page E-70/J-66 → SCHEMATIC DIAGRAM MAIN • See page E-69/J-65 → SCHEMATIC DIAGRAM ∞ E-37/J-33 E-36/J-32 I BLOCK DIAGRAM (2/2) w w w . x i a o y u 1 6 3 . c o m Q Q 3 7 6 3 1 5 1 5 0 9 9 2 8 9 4 2 9 8 T E L 1 3 9 4 2 2 9 6 5 1 3 9 9 2 8 9 4 2 9 8 0 5 1 5 1 3 6 7 3 Q Q TEL 13942296513 QQ 376315150 892498299 TEL 13942296513 QQ 376315150 892498299 http://www.xiaoyu163.com RX-V1000/RX-V1000RDS I PIN CONNECTION DIAGRAM • ICs 62 AN78N05 NJM7805FA NJM7812FA NJM78M05FA NJM79M05FA NJM79M12FA 1: COM 2: IN 3: OUT 5 1 1: OUT 3: IN 1: OUT 2: COM 2: COM 3: IN LC72722 1 12 24 LC74781-9798 1 12 24 1 40 41 80 81 120 121 160 1 36 37 72 73 108 109 144 1 11 12 22 23 33 34 44 PQ025EZ5MZP µPC29M33T-E1 TC74HC00AF TC74HCU04AF TC74VHCT08AF MSM514260C-60JS LC78212 LC78211 LC78213 ADM202JRN-REEL7 CS3310-KS LA7104M LA7108M 1 24 25 48 MBM29F400BC-70 NJM2068MD NJM2904M TK15420M µPC4570G2 AK4527VQ AK4393-VF-E2 CY62256LL 1 20 40 1 4 8 1 7 14 1 8 16 1 14 28 1 15 30 1 15 30 TC74HC4051AP TC74HC4053AP TC74HCU04AP 1 8 16 BU2092 1 9 18 LA7109 1 18 36 TC4066BP 1 7 14 NJM2068LD NJM4556AL 1 8 LC75710NE LC75712E 1 16 17 32 33 48 49 64 M30802SGP YSS928 1 30 31 50 51 80 81 100 PM4007A www. xiaoyu163. com QQ 376315150 9 9 2 8 9 4 2 9 8 TEL 13942296513 9 9 2 8 9 4 2 9 8 0 5 1 5 1 3 6 7 3 Q Q TEL 13942296513 QQ 376315150 892498299 TEL 13942296513 QQ 376315150 892498299 http://www.xiaoyu163.com RX-V1000/RX-V1000RDS • Diodes • Transistors 63 1N4002S 1SR139 1SS133 1SS270A 1T2 HZS7B2TD MTZJ4.7C MTZJ5.1A MTZJ5.6B MTZJ6.8A MTZJ9.1A MTZJ11B MTZJ12A MTZJ12C MTZJ16A MTZJ22A MTZJ30.0A Anode Cathode 1SS355 RB501V-40 D2SBA20 – + ~ ~ Anode Cathode S5VB20 + – ~ ~ 2SA893A 2SA1015 2SB949 2SC535 2SC1815 2SC1890A 2SC2240 2SC2878 E C B 2SK246 S GD 2SA1492 2SA1037 2SC2412K 2SC3326 DTA144EKA DTC144EKA B E C 2SA1708 2SA1770 2SC4488 2SC4614 E C B BCE 2SB1565 2SD2396 BCE 2SA933S 2SC1740S 2SD1915F 2SD1991A DTA144ES DTC114ES E C B www. xiaoyu163. com QQ 376315150 9 9 2 8 9 4 2 9 8 TEL 13942296513 9 9 2 8 9 4 2 9 8 0 5 1 5 1 3 6 7 3 Q Q TEL 13942296513 QQ 376315150 892498299 TEL 13942296513 QQ 376315150 892498299 http://www.xiaoyu163.com A B C D E F G H I J 1 2 3 4 5 6 7 RX-V1000/RX-V1000RDS/DSP-AX10 E-46/J-42 E-47/J-43 I PRINTED CIRCUIT BOARD (Foil side) CD-R MD/ TAPE CD-R CD DVD D-TV /LD CD CBL /SAT LD RF (AC-3) DIGITAL OUTPUT DIGITAL INPUT To FUNCTION DAL DAR E ADL –5V +5D1 ADR E C FL FR E SW RL RC RR E E SDM CSY –12 +5D2 +12 SDD /ICD INT928 RG2 DMT RG1 AXD SCK 1 40 120 81 41 80 160 121 20 1 21 40 1 5 1 5 DSP P. C. B. 11 1 1 14 28 15 23 33 12 22 44 34 14 1 7 1 8 14 15 28 14 1 15 28 Ref. No. Location D501 F6 D502 F5 D503 F5 D504 F5 D505 F5 D506 F5 D507 F5 D509 F4 D511 F6 D512 F3 D513 F3 D527 C5 D528 C5 D529 C5 D531 C5 IC501 E5 IC502 E4 IC503 E6 IC504 D6 IC505 F4 IC506 F3 IC509 F6 IC512 F6 IC513 D4 IC514 C6 IC520 D4 IC521 C5 IC523 B4 Q506 F6 Q507 F7 • Semiconductor Location Circuit No. J,R, T, L U, C, A, B, G C594, 596, 661, O X O 663, 665, 686, 717, 719, 721 R564, 711 X O O X: NOT USED O: USED / APPLICABLE w w w . x i a o y u 1 6 3 . c o m Q Q 3 7 6 3 1 5 1 5 0 9 9 2 8 9 4 2 9 8 T E L 1 3 9 4 2 2 9 6 5 1 3 9 9 2 8 9 4 2 9 8 0 5 1 5 1 3 6 7 3 Q Q TEL 13942296513 QQ 376315150 892498299 TEL 13942296513 QQ 376315150 892498299 http://www.xiaoyu163.com A B C D E F G H I J 1 3 4 5 7 RX-V1000/RX-V1000RDS/DSP-AX10 6 2 E-49/J-45 E-48/J-44 I PRINTED CIRCUIT BOARD (Foil side) 1 4 1 4 8 5 1 4 8 5 1 4 8 5 1 4 8 5 1 4 8 5 8 14 7 1 8 14 7 1 8 14 7 1 8 14 7 1 Ref. No. Location D508 F6 D510 F4 D514 C6 D515 E6 D516 C6 D517 C5 D518 C6 D519 C6 D520 C7 D521 C7 D522 C4 D523 C4 D524 C5 D525 C5 D526 C5 D530 C5 D532 C5 D533 C6 D534 C6 D535 C7 D536 C7 D537 C4 D538 C4 IC507 F6 IC508 F6 IC510 F5 IC511 F5 IC515 B5 IC516 B5 IC517 B5 IC518 B6 IC519 B7 IC522 B4 Q501 G6 Q502 G6 Q503 G7 Q504 G7 Q505 F6 Q508 F6 Q509 C4 Q510 C4 Q511 C5 Q512 C6 Q513 C7 Q514 B4 Q515 B4 Q516 C6 Q517 C6 Q518 C7 Q519 B4 Q522 B6 Q523 B5 Q524 B6 Q525 B6 Q526 B7 Q527 B7 • Semiconductor Location w w w . x i a o y u 1 6 3 . c o m Q Q 3 7 6 3 1 5 1 5 0 9 9 2 8 9 4 2 9 8 T E L 1 3 9 4 2 2 9 6 5 1 3 9 9 2 8 9 4 2 9 8 0 5 1 5 1 3 6 7 3 Q Q TEL 13942296513 QQ 376315150 892498299 TEL 13942296513 QQ 376315150 892498299 http://www.xiaoyu163.com A B C D E F G H I J 1 2 3 4 5 6 7 RX-V1000/RX-V1000RDS/DSP-AX10 C671 C672 OUT (REC) IN (PLAY) OUT (REC) IN (PLAY) CD PHONO MAIN SURROUND CENTER/SUB WOOFER MD/TAPE CD-R 6CH INPUT AUDIO To TUNER To VIDEO (1) Rc1k Rd1 RCB Rdo/DEST DO CL DI CE STEREO MUTE TUNED 12V TUR TE TUL VSY CEB CES +5V +5M AVE I/E SDTN SCKN /RES AXY AXC To DSP (1) RC FR SW E DAR E RL RR FL E C DAL ADR E +5D2 –12 CSY SDM ADL E –5V +5D1 +12 SDD SCK RG2 INT928 DNT /1CD RG1 AXD To VIDEO (4) RTS +5M2 MG BOOT +5V CTS /RES RM– RM+ TXD RXD To OPERATION (4) AVE AXR AVE AVE +5D2 AXC AXY AXE AXL AXV AXD To MAIN (1) PRY PRV ERY PRI SPA FMTM LDD S12 MG VP PRD SPB To OPERATION (1) PSW +5V +5M2 KEY1 MG SDTN KEY0 REM MG VP PDSW RM– CEF0 /FLR /BESW SCKN RM+ VRA VRB To OPERATION (5) /BEC MG +12 TIR TIL E TOR –12 +5M REC E HPMT E HPR TOL HPL /HPI To POWER (9) DVR E TVL E V1L V1R CBL CBR DVL TVR To POWER (9) V1RR E V2L E DEST ZTL ZTR V2RL V2RR V1RL V2R 15 1 16 30 1 15 30 16 16 30 1 15 16 30 1 15 16 30 1 15 16 30 1 15 1 8 16 9 1 8 16 9 4 1 5 8 To POWER (6) GND1 +12 +5D1 -5V GND2 +5V +5D2 -12 PRV To VIDEO (1) E E E E LC2 L R C RR RL LC1 1 36 37 1 24 48 25 72 144 109 108 73 1 16 9 8 1 16 9 8 FUNCTION P. C. B. +5D2 AXD To OPERATION (4) To MAIN (5) E SWFR E LO E RO LI RC RI E-39/J-35 E-38/J-34 I PRINTED CIRCUIT BOARD (Foil side) Ref. No. Location D517 B3 D518 B3 D520 C3 D521 C3 D522 C3 D523 D4 D524 D4 • Semiconductor Location Ref. No. Location IC504 F3 IC505 G3 IC506 H5 IC507 H6 IC508 F4 IC511 F5 IC512 F5 Ref. No. Location IC513 E5 IC514 E5 IC515 E5 IC516 E4 IC518 E4 IC519 E4 IC520 E4 Ref. No. Location D525 D4 D526 C4 D527 B5 D530 B3 IC501 H5 IC502 G3 IC503 H3 Ref. No. Location IC521 C5 IC522 D5 IC523 D5 IC524 D4 IC525 D5 IC526 B4 IC527 A4 Ref. No. Location IC528 C3 Q501 G6 Q502 F6 Q503 G5 Q504 F5 Q507 A5 Q508 A5 Ref. No. Location Q509 B3 Q510 C3 Q511 D4 Q512 D4 Q513 C4 Q514 C4 Q515 C6 Q516 C6 Q517 C5 Q518 C6 Ref. No. Location Q529 A6 Q530 A5 Q531 C4 Q532 C4 Q533 B5 Q534 B5 Q535 B5 Q536 B5 Q537 B5 Q538 B5 Ref. No. Location Q539 C5 Q540 C5 Q541 C5 Q542 C5 Q543 C5 Q544 C5 Ref. No. Location Q519 C6 Q520 C5 Q521 B6 Q522 B5 Q523 B6 Q524 B5 Q525 B6 Q526 B5 Q527 B6 Q528 B5 Circuit No. J U, C R, T A, L B, G C503, 504, 675 X X X O O C548, 549, 574 X O O O X C670~674 X O X X X Q505~508 X O O O X R560 O X X O O R561 O O X X X R563, 565, 573, X O O O X 574, 591, 592, 603, 604, 641,677 R593, 673 X X O X X R676 X X X X O R696 O O O X X R698 O O O O X R699 O X X X O X: NOT USED O: USED / APPLICABLE • Semiconductor Location w w w . x i a o y u 1 6 3 . c o m Q Q 3 7 6 3 1 5 1 5 0 9 9 2 8 9 4 2 9 8 T E L 1 3 9 4 2 2 9 6 5 1 3 9 9 2 8 9 4 2 9 8 0 5 1 5 1 3 6 7 3 Q Q TEL 13942296513 QQ 376315150 892498299 TEL 13942296513 QQ 376315150 892498299 http://www.xiaoyu163.com A B C D E F G H I J 1 3 4 5 7 RX-V1000/RX-V1000RDS/DSP-AX10 6 2 E-40/J-36 E-41/J-37 I PRINTED CIRCUIT BOARD (Foil side) Ref. No. Location D501 E4 D502 E4 D503 E4 D504 E4 D505 F4 D506 F4 D507 E4 D508 E4 D509 F3 D510 F3 D511 E3 D512 E3 D515 E3 D516 E3 D519 C3 D528 A4 Q505 G5 Q506 G5 Q545 A4 • Semiconductor Location w w w . x i a o y u 1 6 3 . c o m Q Q 3 7 6 3 1 5 1 5 0 9 9 2 8 9 4 2 9 8 T E L 1 3 9 4 2 2 9 6 5 1 3 9 9 2 8 9 4 2 9 8 0 5 1 5 1 3 6 7 3 Q Q TEL 13942296513 QQ 376315150 892498299 TEL 13942296513 QQ 376315150 892498299 http://www.xiaoyu163.com A B C D E F G H I J 1 2 3 4 5 6 7 RX-V1000/RX-V1000RDS/DSP-AX10 E-55/J-51 E-54/J-50 MAIN (1) P. C. B. From MAIN (3) From MAIN (3) To VIDEO (1) +B VRL VRR VC VR VL -BV E BV NFAL NFRR NFC NFR NFL REAR SPEAKERS + - L R - + CENTER SPEAKER REAR OUTPUT L R CENTER OUTPUT GY To MAIN (2) WH BE From MAIN (3) BL RE To FUNCTION MG PRY ERY PRI SPA FMTM VP PRV S12 LDD PRD SPB To MAIN (2) +B2 SPA SPB E FMTM BL BL PRV PRY MG S12 -B2 +B2 I PRINTED CIRCUIT BOARD (Foil side) Ref. No. Location D1 F5 D2 G6 D3 G6 D4 D5 D5 C5 D6 G5 D7 H5 D8 E5 D9 D5 D10 H5 D11 I5 D12 F5 D13 F6 D14 F6 D15 H6 D16 F6 D17 H6 D18 B3 D19 B3 D20 B3 • Semiconductor Location Ref. No. Location D21 I6 D22 F5 D23 E5 D24 C5 D25 D6 D26 E6 D27 E6 D28 E6 Q1 E4 Q2 D4 Q3 G4 Q4 H4 Q5 F4 Q6 F6 Q7 F6 Q8 G6 Q9 E4 Q10 D4 Q11 C4 Q12 C4 Ref. No. Location Q13 G4 Q14 G4 Q15 H4 Q16 H4 Q17 F4 Q18 F4 Q19 E4 Q20 E5 Q22 D4 Q23 D5 Q25 G4 Q26 H5 Q28 H4 Q29 I5 Q31 F4 Q32 G5 Q34 F6 Q35 G5 Q36 H6 Q37 F6 Circuit No. J U, C R, T A, B, G, L C38~40 X X O O C41~49, 151~156 X X O O C205, 212, 213 X X O X D202, 203, 208 X X O X J201 O O X O J202, 203 O X X X Q201~203 X X O X R134~135 X X O O R201, 202, 208 X X O X SW201 X O O O X: NOT USED O: USED / APPLICABLE w w w . x i a o y u 1 6 3 . c o m Q Q 3 7 6 3 1 5 1 5 0 9 9 2 8 9 4 2 9 8 T E L 1 3 9 4 2 2 9 6 5 1 3 9 9 2 8 9 4 2 9 8 0 5 1 5 1 3 6 7 3 Q Q TEL 13942296513 QQ 376315150 892498299 TEL 13942296513 QQ 376315150 892498299 http://www.xiaoyu163.com A B C D E F G H I J 1 3 4 5 7 RX-V1000/RX-V1000RDS/DSP-AX10 6 2 MAIN (3) P. C. B. MAIN (2) P. C. B. MAIN (4) P. C. B. W205 BL L=200 W203 OR L=200 W204 BE L=200 W206 BE L=200 W207 OR L=200 MAIN SPEAKERS A B R + - L - + Power Transformer PRE OUT/MAIN IN MAIN OUT SUB WOOFER/ REAR CENTER MAIN IN MAIN (5) P. C. B. W4 L=250 PRV PRY MG S12 -B2 +B2 To MAIN (1) To MAIN (1) To MAIN (1) To MAIN (2) +B E -B SUB1 SUB2 SUB3 PRY S12 MG From POWER (1) CE E MRE MLE To MAIN (1) +B2 SPA SPB E FMTM From FUNCTION E L0 RD LI RI E RC E SWFR From MAIN (1) MR ML From MAIN (3) MRE MLE G201 E-56/J-52 E-57/J-53 I PRINTED CIRCUIT BOARD (Foil side) Ref. No. Location D151 B4 D152 B4 D153 B4 D154 B4 D201 E3 D202 F2 D203 F2 D204 F3 D205 F3 D206 F3 D207 F3 D208 F2 D209 G2 D210 G2 D211 G2 D212 G2 Q151 B4 Q154 B4 Q201 G2 Q202 F2 Q203 F2 • Semiconductor Location w w w . x i a o y u 1 6 3 . c o m Q Q 3 7 6 3 1 5 1 5 0 9 9 2 8 9 4 2 9 8 T E L 1 3 9 4 2 2 9 6 5 1 3 9 9 2 8 9 4 2 9 8 0 5 1 5 1 3 6 7 3 Q Q TEL 13942296513 QQ 376315150 892498299 TEL 13942296513 QQ 376315150 892498299 http://www.xiaoyu163.com A B C D E F G H I J 1 2 3 4 5 6 7 RX-V1000/RX-V1000RDS/DSP-AX10 E-43/J-39 E-42/J-38 To FUNCTION (1) VP +5V REM KEY0 MG PSW +5M KEY1 /POSW /BESW /FLR CEFO MG SDTN SCKN RM+ RM– VRB VRA 65 1 1 16 48 33 64 49 17 32 START MODE EON MEMORY FM/AM A/B/C/D/E EFFECT RDS MODE /FREQ TUNING MODE PRESET /TUNING PTY SEEK PRESET/ TUNING PROGRAM To OPERATION (3) KEY3 E KEY0 B STANDBY /ON A SPEAKERS PROCESSOR DIRECT BASS EXTENSION ON/OFF To OPERATION (2) KEY3 KEY0 E To OPERATION (1) /PDSW MG KEY2 /BESW PSW +5M KEY0 OPERATION (3) P. C. B. OPERATION (2) P. C. B. OPERATION (1) P. C. B. From OPERATION (3) /PDSW MG KEY2 /BESW PSW +5M KEY0 6CH INPUT VOLUME INPUT INPUT MODE I PRINTED CIRCUIT BOARD (Foil side) Ref. No. Location D901 I2 D902 I3 IC901 E3 Q901 F2 Q902 F2 Q903 F2 Q904 F2 Q905 G2 Q906 G2 Q907 G2 Q908 F2 Q909 G2 Q910 F2 • Semiconductor Location Circuit No. J U, C, R, T, A, L B, G D902 X O O R908 X O O R941~944 X X O SW941~944 X X O X: NOT USED O: USED / APPLICABLE w w w . x i a o y u 1 6 3 . c o m Q Q 3 7 6 3 1 5 1 5 0 9 9 2 8 9 4 2 9 8 T E L 1 3 9 4 2 2 9 6 5 1 3 9 9 2 8 9 4 2 9 8 0 5 1 5 1 3 6 7 3 Q Q TEL 13942296513 QQ 376315150 892498299 TEL 13942296513 QQ 376315150 892498299 http://www.xiaoyu163.com A B C D E F G H I J 1 3 4 5 7 RX-V1000/RX-V1000RDS/DSP-AX10 6 2 E-45/J-41 E-44/J-40 I PRINTED CIRCUIT BOARD (Foil side) D971 D972 D973 TREBLE REC OUT (REC OUT/ZONE 2) BASS AUDIO R OPTICAL VIDEO S VIDEO SILENT AUDIO L VIDEO AUX To OPERATION (5) HR HE HL /HPI To VIDEO (1) AXL AXR AXY AXC AXV AXD AXE AVE AVE AVE +5D2 To FUNCTION /HPI HPL E TIL TIR +12 E HPMT HPR TOL E TOR /BEC +5M –12 MG REC 1 1 8 1 8 7 14 8 8 1 From FUNCTION To OPERATION (4) /HPI HL HE HR OPERATION (5) P. C. B. OPERATION (4) P. C. B. OPERATION (6) P. C. B. To OPERATION (5) MG REC +5M From OPERATION (6) MG REC +5M AXD +5D2 Ref. No. Location D801 F3 D802 F3 D803 G3 D804 G3 IC801 F3 IC802 F3 IC803 G4 IC804 F3 Q801 G2 Q802 G2 Q803 F2 Q804 F2 Q971 C3 Q972 D3 • Semiconductor Location w w w . x i a o y u 1 6 3 . c o m Q Q 3 7 6 3 1 5 1 5 0 9 9 2 8 9 4 2 9 8 T E L 1 3 9 4 2 2 9 6 5 1 3 9 9 2 8 9 4 2 9 8 0 5 1 5 1 3 6 7 3 Q Q TEL 13942296513 QQ 376315150 892498299 TEL 13942296513 QQ 376315150 892498299 http://www.xiaoyu163.com A B C D E F G H I J 1 2 3 4 5 6 7 RX-V1000/RX-V1000RDS/DSP-AX10 POWER (3) P. C. B. POWER (1) P. C. B. To POWER (6) To POWER (4) From POWER (5) To POWER (1) To POWER (1) POWER (5) P. C. B. POWER (4) P. C. B. POWER (2) P. C. B. AC OUTLETS From AC power cord From POWER (2) GY From POWER (2) BR SUB1 SUB2 SUB3 PRY S12 MG To MAIN (3) PRV2 GND2 +B5 GND1 +B4 –B4 –B5 To POWER (3) From POWER (2) YE From POWER (2) BR From POWER (2) OR WH RE BE Power Transformer 240V 1-2/5-6 220V 2-3/6-7 110V 3-4/7-8 120V 4-5/8-1 VOLTAGE SELECTOR E-59/J-55 E-58/J-54 I PRINTED CIRCUIT BOARD (Foil side) Ref. No. Location D301 C3 D351 F5 D352 F5 Q301 C4 • Semiconductor Location Circuit No. J U, C R, T A B G L C11~19 X X X X O O X C301, 303 X X O X X X X C302 O O X O O O O C657, 568 X O O O X X O CB302, 303 X X X X X O O CB321, 322 X X O X X X X F301 X X X X X O O F321 X X O X X X X IC1 X X X X O O X J301 O O O O O X X L1 X X X X O O X Q2 X X X X O O X R11~17 X X X X O O X R302 X O X X X X X R561, 562, 577, X O O O X X O 578 SW321 X X O O O O O SW551 X X O X X X X W321~326 X X O X X X X XL1 X X X X O O X X: NOT USED O: USED / APPLICABLE w w w . x i a o y u 1 6 3 . c o m Q Q 3 7 6 3 1 5 1 5 0 9 9 2 8 9 4 2 9 8 T E L 1 3 9 4 2 2 9 6 5 1 3 9 9 2 8 9 4 2 9 8 0 5 1 5 1 3 6 7 3 Q Q TEL 13942296513 QQ 376315150 892498299 TEL 13942296513 QQ 376315150 892498299 http://www.xiaoyu163.com A B C D E F G H I J 1 3 4 5 7 RX-V1000/RX-V1000RDS/DSP-AX10 6 2 POWER (7) P. C. B. POWER (9) P. C. B. POWER (6) P. C. B. POWER (8) P. C. B. 1 12 24 13 TVL CBR CBL V1R E DVR DVL TVR V1L E From POWER (8) V2RR V2RL ZTR ZTL V1RR V1RL V2R V2L E DEST E TVL CBR CBL V1R E DVR DVL TVR V1L E V2RR V2RL ZTR ZTL V1RR V1RL V2R V2L E DEST E From POWER (8) From POWER (4) To FUNCTION To FUNCTION PRV2 GND2 +B5 GND1 +B4 –B4 –B5 +5D +5D +5V NC +12 NC –12 PRV2 –5V To FUNCTION VCR 1 IN DVD D-TV /LD CBL /SAT ZONE 2 OUT OUT AUDIO VCR 2 /DVR IN OUT FREQUENCY STEP (A, L, R, T models only) TVL CBR CBL V1R E DVR DVL TVR V1L E To POWER (9) V2RR V2RL ZTR ZTL V1RR V1RL V2R V2L E DEST E To POWER (9) From AM/FM TUNER DI DO 12V Lout Rout TUNED CE CL GND 5V Comp GND MUTE STEREO To FUNCTION 12V TE TUR Rdi Rclk STEREO TUL Rce Rdo D0 CL DI CE TUNED MUTE E-60/J-56 E-61/J-57 I PRINTED CIRCUIT BOARD (Foil side) Ref. No. Location D1 B5 IC1 B5 IC351 C2 IC352 C2 IC353 C3 IC354 C3 IC355 C3 Q1 B5 Q2 B6 • Semiconductor Location w w w . x i a o y u 1 6 3 . c o m Q Q 3 7 6 3 1 5 1 5 0 9 9 2 8 9 4 2 9 8 T E L 1 3 9 4 2 2 9 6 5 1 3 9 9 2 8 9 4 2 9 8 0 5 1 5 1 3 6 7 3 Q Q TEL 13942296513 QQ 376315150 892498299 TEL 13942296513 QQ 376315150 892498299 http://www.xiaoyu163.com A B C D E F G H I J 1 2 3 4 5 6 7 RX-V1000/RX-V1000RDS/DSP-AX10 8 1 9 16 8 1 9 16 8 1 9 16 8 1 9 16 IN DVD D-TV /LD CBL /SAT OUT IN OUT MONITOR OUT VIDEO (1) P. C. B. S VIDEO VCR 1 VCR 2 /DVR 1 9 18 10 1 7 14 8 1 12 24 13 1 8 16 9 From MAIN (1) NFL -BV NFR VL NFC VR NFRR VC +B NFRL VRR BV E VRL To FUNCTION L R E C E RR E RL LC1 E LC2 To FUNCTION VSY CEB I/E CES SDTN +5V SCKN -5V AXE AXV AXY AXC To VIDEO (2) To VIDEO (3) +5V CMP1 CMP0 +5V -5V -5V AXV VSEL VG /VR1 MON VIA VIC /VR2 VIB VRB R/Z VRC VRA 36 19 1 18 9 8 16 1 E-51/J-47 E-50/J-46 I PRINTED CIRCUIT BOARD (Foil side) Ref. No. Location D231 D3 D232 B4 D233 D3 D234 D3 D235 D3 D236 B3 D237 C3 D601 E4 D602 E4 D603 E3 D604 E3 D605 E3 D606 F3 D607 E3 D608 E3 D609 E3 D610 E3 IC601 F5 IC602 G2 IC603 G2 IC604 G3 IC605 G3 IC606 F3 IC607 F2 IC608 E3 IC609 F6 IC610 E2 IC611 E3 Q231 D3 Q232 D3 Q233 D3 Q234 B4 Q235 B3 Q236 B3 Q237 C4 Q238 C3 Q239 C3 Q240 C3 Q241 C3 Q242 C3 Q243 C3 Q244 C3 Q245 C3 Q246 C4 Q247 C3 Q248 C3 Q601 G4 Q602 G4 Q603 E3 Q604 G4 Q605 E3 Q606 E3 Q607 F3 Q608 F3 Q609 F3 • Semiconductor Location Circuit No. J U, C, R, T, A, L B, G C266 X O C703, 711 X O X D235 X O O D851 X O X IC606, 704 X O X J729, 792, 793 O X O JK851, 852 X O X Q233 X O O Q609 O X O R238, 239 X O O R674, 711, 712 X O X R675 O X O X: NOT USED O: USED / APPLICABLE w w w . x i a o y u 1 6 3 . c o m Q Q 3 7 6 3 1 5 1 5 0 9 9 2 8 9 4 2 9 8 T E L 1 3 9 4 2 2 9 6 5 1 3 9 9 2 8 9 4 2 9 8 0 5 1 5 1 3 6 7 3 Q Q TEL 13942296513 QQ 376315150 892498299 TEL 13942296513 QQ 376315150 892498299 http://www.xiaoyu163.com A B C D E F G H I J 1 3 4 5 7 RX-V1000/RX-V1000RDS/DSP-AX10 6 2 E-52/J-48 E-53/J-49 I PRINTED CIRCUIT BOARD (Foil side) VIDEO (2) P. C. B. VIDEO (3) P. C. B. IN DVD D-TV /LD CBL /SAT OUT IN OUT MONITOR OUT ZONE 2 OUT VIDEO VCR 1 VCR 2 /DVR Y PR/ CR PB/ CB MONITOR OUT Y PR/ CR PB/ CB D-TV/LD Y PR/ CR PB/ CB COMPONENT OUT IN REMOTE RS-232C 8 1 9 16 8 1 9 16 8 1 9 16 8 1 9 16 8 1 9 16 8 1 9 16 CMP1 CMP0 +5V -5V 16 9 1 8 From VIDEO (1) From VIDEO (1) +5V -5V AXV VSEL VG /VR1 MON VIA VIC /VR2 VIB VRB R/Z VRC VRA From FUNCTION (1) RTS +5M2 MG BOOT +5V CTS /RES RM– RM+ TXD RXD VIDEO (4) P. C. B. 8 1 9 16 Ref. No. Location D851 I5 IC701 B5 IC702 C3 IC703 C3 IC704 B4 IC751 F6 IC752 G3 IC851 I5 Q701 B3 • Semiconductor Location w w w . x i a o y u 1 6 3 . c o m Q Q 3 7 6 3 1 5 1 5 0 9 9 2 8 9 4 2 9 8 T E L 1 3 9 4 2 2 9 6 5 1 3 9 9 2 8 9 4 2 9 8 0 5 1 5 1 3 6 7 3 Q Q TEL 13942296513 QQ 376315150 892498299 TEL 13942296513 QQ 376315150 892498299 http://www.xiaoyu163.com A 1 2 3 4 5 6 7 8 9 B C D E F G H I J K L RX-V1000/RX-V1000RDS/DSP-AX10 #� All voltage are measured with a 10M� /V DC electric volt meter. #� Components having special characteristics are marked s and must be replaced with parts having specifications equal to those originally installed. #� Schematic diagram is subject to change without notice. E-66/J-62 SCHEMATIC DIAGRAM (DSP) Point 2 Pin 1 of IC501 Point 3� Pin 4 of IC503 DSP E-64/J-60 to FUNC (1) D1 LEVEL CONVERT & SIGNAL DETECT RF DEM DSP/DOLBY/DTS D/A CONVERTER CODEC REGULATOR DIGITAL OUT INHIBIT DUTY CORRECTOR s5 s5 x:�NOT USED O:�USED / APPLICABLE 0 0 4.9 0 0 4.9 3.9 4.9 0 3.9 4.9 0 3.9 4.9 0 3.9 4.9 0 3.3 3.3 4.9 4.9 4.9 4.9 0 3.3 3.3 0 4.9 4.9 4.9 0 4.9 0.5 0.5 0.5 0.5 4.9 1.5 1.5 1.5 1.5 3.1 1.7 4.9 1.0 1.6 1.5 1.5 0 0.5 0.5 0.5 0.5 0 0.5 0.5 0.5 0.5 2.1 2.1 ~ 2.0 ~ ~ ~ ~ 0 4.9 4.7 2.5 0 2.5 0 3.3 0 2.5 4.9 3.3 4.9 4.9 0 3.3 1.5 ~ 0.4 1.5 0.4 ~ 1.6 2.4 ~ 1.0 ~ ~ 3.3 0 2.1 2.0 2.1 2.1 0.5 0.5 0.5 0.5 0.5 0.5 0.5 0.5 3.3 0 1.5 1.5 1.5 1.5 0 0 3.3 0 0.5 2.5 0 0.4 0 3.9 0 3.3 0 4.8 0.1 0 4.8 4.0 0 3.9 0 3.9 3.9 0 2.5 0 0 0 0.1 0 0 0 0 0 0 0 0 4.9 2.5 3.6 4.9 4.9 0 3.6 4.9 0 0 0 0.4 0 0 0 0 4.9 0 0 4.9 0 0 4.9 0 4.9 0 0 0 0 0 0 0 0 0 0 0 4.9 3.1 0.4 3.1 2.5 2.5 0.4 3.1 2.5 4.8 4.1 4.1 0 0 0 4.1 4.8 4.1 3.4 4.0 0 4.4 0 -3.5 4.8 0 0 0 4.8 1.2 0 4.8 0 0 0 0 1.2 4.8 1.2 4.8 4.8 4.8 4.8 4.8 0 1.2 0 2.1 0 0 0 0 0 0 4.8 4.8 4.8 0 4.8 4.8 0 0 0 1.2 4.8 1.2 0 4.8 4.8 4.8 4.8 4.8 4.8 4.8 0 0 0 0 4.8 0 4.8 0 0 2.4 4.0 4.8 2.4 2.4 4.8 0.5 0.4 0.8 -4.9 -0.6 0 4.8 4.3 4.8 -0.6 0 -0.1 4.8 -0.8 0 3.3 4.8 0 3.3 3.3 0 0 0 0 0.9 3.3 1.7 1.7 0 4.8 3.3 0 0 0 ~ ~ 3.3 0 0 0 3.9 1.6 1.6 0 2.5 3.3 0 0 0 3.3 3.3 3.3 2.5 0 0.5 0.5 0.5 0 0 0 0 0 0 1.6 1.6 1.6 0 0 ~ ~ ~ ~ 3.3 ~ 0 3.3 3.3 0 0 3.3 0 ~ ~ 3.3 0 1.6 3.3 1.6 1.7 ~ 0 0 3.3 0 0 3.3 0 0 0 3.3 3.3 2.6 2.6 2.6 2.6 2.6 0 4.9 4.9 0 0 3.3 0 1.6 3.3 1.6 1.7 ~ 0 0 3.3 0 0 3.3 0 0 0 3.3 3.3 2.6 2.6 2.6 0 4.9 4.9 0 0 0 0 0 0 -11.4 0 0 0 0 0 -11.4 0 0 -11.3 0 0 -11.3 0 0 -11.3 0 0 0 11.8 0 0 0 -11.9 0 0 0 -11.9 0 0 0 0 11.8 0 0 0 1.7 1.7 ~ ~ ~ ~ 0 0 2.5 2.5 2.4 2.4 2.4 2.4 2.4 2.4 2.5 2.5 0 0 4.9 0 4.9 1.6 0 4.9 4.9 2.4 0 4.9 0 4.9 0 3.3 4.9 4.9 0 0 0 0 2.8 2.8 0 0 -11.6 0 3.3 2.8 2.8 0 0 0 0 0 0 0 -11.4 0 0 -11.4 0 0 0 0 0 0 0 0 0 0 -11.4 0 0 -11.4 0 0 0 0 0 0 0 0 0 0 0 0 0 -11.3 0 0 -11.9 0 0 0 11.8 0.6 0 0 0 0 0 -11.3 0 0 -11.9 0 0 0 11.8 -11.3 0 0 0 0 0 -11.3 0 0 -11.9 0 0 0 11.8 -11.3 2.5 2.5 11.8 11.8 2.5 2.5 2.5 2.5 4.9 2.5 4.9 2.5 2.5 2.5 0 0 2.5 4.9 2.5 2.5 4.9 0 2.5 0 2.5 2.5 -11.9 -11.9 2.5 2.5 2.5 2.5 2 DIGITAL IN MAIN L FRONT L REAR L CENTER 0 4.8 4.8 0 0 0 0 0 0 0 0 0 0 0 0 4.8 0 0 0 2.5 0 2.4 0 0 4.8 0 4.8 4.8 4.8 4.8 0 2.6 2.3 0 0 0 0 0 0 0 4.8 2.1 4.8 0 3 s5 s7 s6 s6 s6 s6 s6 � 5� C594, 596, 717� 0.1/16 US13510� X� 0.1/16 US13510� FCC � 6� C661, 663, 665, � 47P US06147� X� 47P US06147� FCC � � 719, 721 � 7� R686� 2.2 RD35322� X� 2.2 RD35322� FCC 27K D539 w w w . x i a o y u 1 6 3 . c o m Q Q 3 7 6 3 1 5 1 5 0 9 9 2 8 9 4 2 9 8 T E L 1 3 9 4 2 2 9 6 5 1 3 9 9 2 8 9 4 2 9 8 0 5 1 5 1 3 6 7 3 Q Q TEL 13942296513 QQ 376315150 892498299 TEL 13942296513 QQ 376315150 892498299 http://www.xiaoyu163.com RX-V1000/RX-V1000RDS I WARNING Components having special characteristics are marked s and must be replaced with parts having specifications equal to those originally in- stalled. G Carbon resistors (1/6W or 1/4W) are not included in the ELECTRICAL PARTS List. For the parts No. of the carbon resistors, refer to last page. ABBREVIATIONS IN THIS LIST ARE AS FOLLOWS: C.A.EL.CHP : CHIP ALUMI.ELECTROLYTIC CAP C.CE : CERAMIC CAP C.CE.ARRAY : CERAMIC CAP ARRAY C.CE.CHP : CHIP CERAMIC CAP C.CE.ML : MULTILAYER CERAMIC CAP C.CE.M.CHP : CHIP MULTILAYER CERAMIC CAP C.CE.SAFTY : RECOGNIZED CERAMIC CAP C.CE.TUBLR : CERAMIC TUBULAR CAP C.CE.SMI : SEMI CONDUCTIVE CERAMIC CAP C.EL : ELECTROLYTIC CAP C.MICA : MICA CAP C.ML.FLM : MULTILAYER FILM CAP C.MP : METALLIZED PAPER CAP C.MYLAR : MYLAR FILM CAP C.MYLAR.ML : MULTILAYER MYLAR FILM CAP C.PAPER : PAPER CAPACITOR C.PLS : POLYSTYRENE FILM CAP C.POL : POLYESTER FILM CAP C.POLY : POLYETHYLENE FILM CAP C.PP : POLYPROPYLENE FILM CAP C.TNTL : TANTALUM CAP C.TNTL.CHP : CHIP TANTALUM CAP C.TRIM : TRIMMER CAP CN : CONNECTOR CN.BS.PIN : CONNECTOR,BASE PIN CN.CANNON : CONNECTOR,CANNON CN.DIN : CONNECTOR,DIN CN.FLAT : CONNECTOR,FLAT CABLE CN.POST : CONNECTOR,BASE POST COIL.MX.AM : COIL,AM MIX COIL.AT.FM : COIL,FM ANTENNA COIL.DT.FM : COIL,FM DETECT COIL.MX.FM : COIL,FM MIX COIL,OUTPT : OUTPUT COIL DIOD.ARRAY : DIODE ARRAY DIODE.BRG : DIODE BRIDGE DIODE.CHP : CHIP DIODE DIODE.VAR : VARACTOR DIODE DIOD.Z.CHP : CHIP ZENER DIODE DIODE.ZENR : ZENER DIODE DSCR.CE : CERAMIC DISCRIMINATOR FER.BEAD : FERRITE BEADS FER.CORE : FERRITE CORE FET.CHP : CHIP FET FL.DSPLY : FLUORESCENT DISPLAY FLTR.CE : CERAMIC FILTER FLTR.COMB : COMB FILTER MODULE FLTR.LC.RF : LC FILTER,EMI GND.MTL : GROUND PLATE GND.TERM : GROUND TERMINAL HOLDER.FUS : FUSE HOLDER IC.PRTCT : IC PROTECTOR JUMPER.CN : JUMPER CONNECTOR JUMPER.TST : JUMPER,TEST POINT L.DTCT : LIGHT DETECTING MODULE L.EMIT : LIGHT EMITTING MODULE LED.DSPLY : LED DISPLAY LED.INFRD : LED,INFRARED MODUL.RF : MODULATOR,RF PHOT.CPL : PHOTO COUPLER PHOT.INTR : PHOTO INTERRUPTER PHOT.RFLCT : PHOTO REFLECTOR PIN.TEST : PIN,TEST POINT PLST.RIVET : PLASTIC RIVET R.ARRAY : RESISTOR ARRAY R.CAR. : CARBON RESISTOR R.CAR.CHP : CHIPRESISTOR R.CAR.FP : FLAME PROOF CARBON RESISTOR R.FUS : FUSABLE RESISTOR R.MTL.CHP : CHIP METAL FILM RESISTOR R.MTL.FLM : METAL FILM RESISTOR R.MTL.OXD : METAL OXIDE FILM RESISTOR R.MTL.PLAT : METAL PLATE RESISTOR RSNR.CE : CERAMIC RESONATOR RSNR.CRYS : CRYSTAL RESONATOR R.TW.CEM : TWIN CEMENT FIXED RESISTOR R.WW : WIRE WOUND RESISTOR SCR.BND.HD : BIND HEAD B-TITE SCREW SCR.BW.HD : BW HEAD TAPPING SCREW SCR.CUP : CUP TITE SCREW SCR.TERM : SCREW TERMINAL SCR.TR : SCREW,TRANSISTOR SUPRT.PCB : SUPPORT,P.C.B. SURG.PRTCT : SURGE PROTECTOR SW.TACT : TACT SWITCH SW.LEAF : LEAF SWITCH SW.LEVER : LEVER SWITCH SW.MICRO : MICRO SWITCH SW.PUSH : PUSH SWITCH SW.RT.ENC : ROTARY ENCODER SW.RT.MTR : ROTARY SWITCH WITH MOTOR SW.RT : ROTARY SWITCH SW.SLIDE : SLIDE SWITCH TERM.SP : SPEAKER TERMINAL TERM.WRAP : WRAPPING TERMINAL THRMST.CHP : CHIP THERMISTOR TR.CHP : CHIP TRANSISTOR TR.DGT : DIGITAL TRANSISTOR TR.DGT.CHP : CHIP DIGITAL TRANSISTOR TRANS : TRANSFORMER TRANS.PULS : PULSE TRANSFORMER TRANS.PWR : POWER TRANSFORMER ASS’Y TUNER.AM : TUNER PACK,AM TUNER.FM : TUNER PACK,FM TUNER.PK : FRONT-ENDTUNER PACK VR : ROTARY POTENTIOMETER VR.MTR : POTENTIOMETER WITH MOTOR VR.SW : POTENTIOMETER WITH ROTARY SW VR.SLIDE : SLIDE POTENTIOMETER VR.TRIM : TRIMMER POTENTIOMETER Note) Those parts marked with “#” are not included in the P.C.B. ass’y. PARTS LIST I ELECTRICAL PARTS 71 www. xiaoyu163. com QQ 376315150 9 9 2 8 9 4 2 9 8 TEL 13942296513 9 9 2 8 9 4 2 9 8 0 5 1 5 1 3 6 7 3 Q Q TEL 13942296513 QQ 376315150 892498299 TEL 13942296513 QQ 376315150 892498299 http://www.xiaoyu163.com RX-V1000/RX-V1000RDS Schm Ref. PART NO. Description ✻ New Parts Schm Ref. PART NO. Description ✻ New Parts 72 * V6242000 P. C. B. FUNCTI ON( UC) * V6242100 P. C. B. FUNCTI ON( RT) * V6242200 P. C. B. FUNCTI ON( AL) * V6242300 P. C. B. FUNCTI ON( BG) CB501 VQ963100 CN. BS. PI N 10P CB502 VQ048000 CN. BS. PI N 31P CB503 VQ963200 CN. BS. PI N 11P CB505 VQ961800 CN. BS. PI N 15P CB507 VF982300 CN. BS. PI N 17P CB508 VQ044500 CN. BS. PI N 11P CB509 VM859500 CN. BS. PI N 11P CB510 VN066500 CN. BS. PI N 12P CB511 VQ044500 CN. BS. PI N 11P CB512 Vi 878700 CN. BS. PI N 9P CB513 VQ047300 CN. BS. PI N 12P CB514 VQ044900 CN. BS. PI N 19P C501 US135100 C. CE. CHP 0. 1uF 16V C502 VD930900 C. CE. SMI 0. 1uF 25V C503 UP652220 C. POL 220pF 100V( ALBG) C504 UP652220 C. POL 220pF 100V( ALBG) C505 UP652470 C. POL 470pF 100V C506 UP652470 C. POL 470pF 100V C507 UP652470 C. POL 470pF 100V C508 UP652470 C. POL 470pF 100V C509 UP652470 C. POL 470pF 100V C510 UP652470 C. POL 470pF 100V C511 UP652470 C. POL 470pF 100V C512 UP652470 C. POL 470pF 100V C513 UP652470 C. POL 470pF 100V C514 UP652470 C. POL 470pF 100V C515 UU166100 C. EL 1uF 50V C516 UP652220 C. POL 220pF 100V C517 UU118220 C. EL 220uF 6. 3V C518 UP652220 C. POL 220pF 100V C519 UU118220 C. EL 220uF 6. 3V C520 UU166100 C. EL 1uF 50V C521 UP652470 C. POL 470pF 100V C522 UP652470 C. POL 470pF 100V C523 UU166470 C. EL 4. 7uF 50V C524 UP652470 C. POL 470pF 100V C525 UP652470 C. POL 470pF 100V C526 UU166470 C. EL 4. 7uF 50V C527 UP652470 C. POL 470pF 100V C528 UP652470 C. POL 470pF 100V C529 UU166470 C. EL 4. 7uF 50V C530 UU166220 C. EL 2. 2uF 50V C531 UP652100 C. POL 100pF 100V C532 UP652100 C. POL 100pF 100V C533 UU166220 C. EL 2. 2uF 50V C534 UU147100 C. EL 10uF 25V C535 UA653100 C. MYLAR 1000pF 50V C536 UA654390 C. MYLAR 0. 039uF 50V C537 UA654110 C. MYLAR 0. 011uF 50V C538 UA654390 C. MYLAR 0. 039uF 50V C539 UA654110 C. MYLAR 0. 011uF 50V C540 UA653100 C. MYLAR 1000pF 50V C541 UU147100 C. EL 10uF 25V C542 UU147100 C. EL 10uF 25V C543 UU137470 C. EL 47uF 16V C544 UU137470 C. EL 47uF 16V C545 UU147100 C. EL 10uF 25V C546 UU147100 C. EL 10uF 25V C547 UU147100 C. EL 10uF 25V C548 UU147100 C. EL 10uF 25V( UCRTAL) C549 UU147100 C. EL 10uF 25V( UCRTAL) C550 UU147100 C. EL 10uF 25V C551 UU138100 C. EL 100uF 16V C552 UU138100 C. EL 100uF 16V C553 UU166470 C. EL 4. 7uF 50V C554 UU166470 C. EL 4. 7uF 50V C555 UP652100 C. POL 100pF 100V C556 UP652100 C. POL 100pF 100V C557 UU166470 C. EL 4. 7uF 50V C558 UU166470 C. EL 4. 7uF 50V C559 UU147100 C. EL 10uF 25V C560 UU147100 C. EL 10uF 25V C561 UU147100 C. EL 10uF 25V C562 UU147100 C. EL 10uF 25V C563 UU137470 C. EL 47uF 16V C564 UU137470 C. EL 47uF 16V C565 UU137220 C. EL 22uF 16V C566 UP654270 C. POL 0. 027uF 100V C567 UP654270 C. POL 0. 027uF 100V C568 UU137220 C. EL 22uF 16V C569 UU147100 C. EL 10uF 25V C573 US135100 C. CE. CHP 0. 1uF 16V C574 UU166220 C. EL 2. 2uF 50V( UCRTAL) C575 US135100 C. CE. CHP 0. 1uF 16V C576 UP654270 C. POL 0. 027uF 100V C577 UP652100 C. POL 100pF 100V C578 UP652100 C. POL 100pF 100V C579 UP654270 C. POL 0. 027uF 100V C580 UU137470 C. EL 47uF 16V C581 UU137470 C. EL 47uF 16V C582 UU147100 C. EL 10uF 25V C583 UU147100 C. EL 10uF 25V C584 UU147100 C. EL 10uF 25V C585 UU147100 C. EL 10uF 25V C586 US135100 C. CE. CHP 0. 1uF 16V C587 UU137470 C. EL 47uF 16V C588 UU147100 C. EL 10uF 25V C589 US135100 C. CE. CHP 0. 1uF 16V C590 UU147100 C. EL 10uF 25V C591 UU147100 C. EL 10uF 25V C592 US135100 C. CE. CHP 0. 1uF 16V C593 UU147100 C. EL 10uF 25V C594 UU147100 C. EL 10uF 25V C595 US135100 C. CE. CHP 0. 1uF 16V C596 UU147100 C. EL 10uF 25V C597 US135100 C. CE. CHP 0. 1uF 16V C600 US135100 C. CE. CHP 0. 1uF 16V C601 US135100 C. CE. CHP 0. 1uF 16V C602 US135100 C. CE. CHP 0. 1uF 16V C603 US063100 C. CE. M. CHP 1000pF 50V C605 US135100 C. CE. CHP 0. 1uF 16V C606 US135100 C. CE. CHP 0. 1uF 16V C607 UU165470 C. EL 0. 47uF 50V C608 US135100 C. CE. CHP 0. 1uF 16V C609 UP652100 C. POL 100pF 100V C610 US135100 C. CE. CHP 0. 1uF 16V C611 UP652100 C. POL 100pF 100V C612 UU147100 C. EL 10uF 25V C613 UU147100 C. EL 10uF 25V C614 US135100 C. CE. CHP 0. 1uF 16V C615 UU147100 C. EL 10uF 25V C616 UU147100 C. EL 10uF 25V P.C.B. FUNCTION www. xiaoyu163. com QQ 376315150 9 9 2 8 9 4 2 9 8 TEL 13942296513 9 9 2 8 9 4 2 9 8 0 5 1 5 1 3 6 7 3 Q Q TEL 13942296513 QQ 376315150 892498299 TEL 13942296513 QQ 376315150 892498299 http://www.xiaoyu163.com RX-V1000/RX-V1000RDS Schm Ref. PART NO. Description ✻ New Parts Schm Ref. PART NO. Description ✻ New Parts 73 C617 US135100 C. CE. CHP 0. 1uF 16V C618 US135100 C. CE. CHP 0. 1uF 16V C619 UP652100 C. POL 100pF 100V C620 UP652100 C. POL 100pF 100V C621 US135100 C. CE. CHP 0. 1uF 16V C622 US135100 C. CE. CHP 0. 1uF 16V C623 US135100 C. CE. CHP 0. 1uF 16V C624 US135100 C. CE. CHP 0. 1uF 16V C625 US135100 C. CE. CHP 0. 1uF 16V C626 UU137470 C. EL 47uF 16V C627 UU137470 C. EL 47uF 16V C628 UU147100 C. EL 10uF 25V C629 UU147100 C. EL 10uF 25V C630 UU147100 C. EL 10uF 25V C631 UR848220 C. EL 220uF 25V( RT) C631 UR848470 C. EL 470uF 25V( UCALBG) C632 UU137470 C. EL 47uF 16V C633 V3860300 C. BACK UP 0. 047F 5. 5V C634 US135100 C. CE. CHP 0. 1uF 16V C635 UU137470 C. EL 47uF 16V C636 UU137470 C. EL 47uF 16V C637 UP652100 C. POL 100pF 100V C638 UU137470 C. EL 47uF 16V C639 UU137470 C. EL 47uF 16V C640 UP652100 C. POL 100pF 100V C641 UU118100 C. EL 100uF 6. 3V C642 US135100 C. CE. CHP 0. 1uF 16V C643 UU118100 C. EL 100uF 6. 3V C644 US135100 C. CE. CHP 0. 1uF 16V C645 UU119100 C. EL 1000uF 6. 3V C646 US135100 C. CE. CHP 0. 1uF 16V C647 UU119100 C. EL 1000uF 6. 3V C648 UU137470 C. EL 47uF 16V C649 UU137470 C. EL 47uF 16V C650 UU147100 C. EL 10uF 25V C651 UU147100 C. EL 10uF 25V C652 UP652100 C. POL 100pF 100V C653 UU147100 C. EL 10uF 25V C654 UU147100 C. EL 10uF 25V C655 US135100 C. CE. CHP 0. 1uF 16V C656 US135100 C. CE. CHP 0. 1uF 16V C658 UU166220 C. EL 2. 2uF 50V C659 UU166220 C. EL 2. 2uF 50V C660 UU166220 C. EL 2. 2uF 50V C661 UU166220 C. EL 2. 2uF 50V C662 UU118100 C. EL 100uF 6. 3V C663 UU166220 C. EL 2. 2uF 50V C664 UU166220 C. EL 2. 2uF 50V C665 US135100 C. CE. CHP 0. 1uF 16V C666 US063100 C. CE. M. CHP 1000pF 50V C667 US063100 C. CE. M. CHP 1000pF 50V C668 US135100 C. CE. CHP 0. 1uF 16V C670 US135100 C. CE. CHP 0. 1uF 16V( UC) C671 US135100 C. CE. CHP 0. 1uF 16V( UC) C672 US135100 C. CE. CHP 0. 1uF 16V( UC) D501 VV220700 DI ODE. SHOT RB501V- 40 D502 VV220700 DI ODE. SHOT RB501V- 40 D503 VV220700 DI ODE. SHOT RB501V- 40 D504 VV220700 DI ODE. SHOT RB501V- 40 D505 VV220700 DI ODE. SHOT RB501V- 40 D506 VV220700 DI ODE. SHOT RB501V- 40 D507 VV220700 DI ODE. SHOT RB501V- 40 D508 VV220700 DI ODE. SHOT RB501V- 40 D509 VV220700 DI ODE. SHOT RB501V- 40 D510 VV220700 DI ODE. SHOT RB501V- 40 D511 VV220700 DI ODE. SHOT RB501V- 40 D512 VV220700 DI ODE. SHOT RB501V- 40 D515 VV220700 DI ODE. SHOT RB501V- 40 D516 VV220700 DI ODE. SHOT RB501V- 40 D517 VD631600 DI ODE 1SS133, 176 D518 VG438200 DI ODE. ZENR MTZJ 6. 8A 6. 8V D519 VT332900 DI ODE 1SS355 D520 VD631600 DI ODE 1SS133, 176 D521 VD631600 DI ODE 1SS133, 176 D522 VD631600 DI ODE 1SS133, 176 D523 VT332900 DI ODE 1SS355 D524 VG437700 DI ODE. ZENR MTZJ 5. 6B 5. 6V D525 VG437700 DI ODE. ZENR MTZJ 5. 6B 5. 6V D526 VT332900 DI ODE 1SS355 D527 VG437300 DI ODE. ZENR MTZJ 5. 1A 5. 1V D528 VT332900 DI ODE 1SS355 D530 VG437300 DI ODE. ZENR MTZJ 5. 1A 5. 1V I C501 XJ 553A00 I C NJ M2068MD I C502 XP895A00 I C LC78212 I C503 XP894A00 I C LC78211 I C504 XP895A00 I C LC78212 I C505 XP896A00 I C LC78213 I C506 XF291A00 I C uPC4570G2 I C507 XF291A00 I C uPC4570G2 I C508 XF291A00 I C uPC4570G2 I C511 XF291A00 I C uPC4570G2 I C512 XP894A00 I C LC78211 I C513 XF291A00 I C uPC4570G2 I C514 XF291A00 I C uPC4570G2 I C515 XF291A00 I C uPC4570G2 I C516 XW173A00 I C CS3310- KS I C518 XW173A00 I C CS3310- KS I C519 XW173A00 I C CS3310- KS I C520 XW173A00 I C CS3310- KS I C521 XF291A00 I C uPC4570G2 I C522 XP896A00 I C LC78213 I C523 XF291A00 I C uPC4570G2 I C524 XF291A00 I C uPC4570G2 I C525 XF291A00 I C uPC4570G2 I C526 XY892A00 I C. CPU M30802SGP CPU I C527 XZ450B00 I C MBM29F400BC- 70 FLA I C528 XA507A00 I C AN78N05 PJ 501 V3855600 J ACK. PI N 4P PJ 502 V3855600 J ACK. PI N 4P PJ 503 V4198900 J ACK. PI N 4P LPR6520- B71 PJ 504 V4199200 J ACK. PI N 6P PN501 V3750200 PI N L=70 Q501 VD303700 TR 2SC3326 A, B Q502 VD303700 TR 2SC3326 A, B Q503 VD303700 TR 2SC3326 A, B Q504 VD303700 TR 2SC3326 A, B Q505 VD303700 TR 2SC3326 A, B( UCRTAL) Q506 VD303700 TR 2SC3326 A, B( UCRTAL) Q507 VV556500 TR. CHP 2SA1037 QRS( UCAL) Q508 VV556500 TR. CHP 2SA1037 QRS( UCAL) Q509 VV556500 TR. CHP 2SA1037 Q, R, S Q510 VV655700 TR. DGT DTC144EKA Q511 VP872700 TR 2SC4488 S, T Q512 VD303700 TR 2SC3326 A, B Q513 VD303700 TR 2SC3326 A, B Q514 VP872600 TR 2SA1708 S, T P.C.B. FUNCTION www. xiaoyu163. com QQ 376315150 9 9 2 8 9 4 2 9 8 TEL 13942296513 9 9 2 8 9 4 2 9 8 0 5 1 5 1 3 6 7 3 Q Q TEL 13942296513 QQ 376315150 892498299 TEL 13942296513 QQ 376315150 892498299 http://www.xiaoyu163.com RX-V1000/RX-V1000RDS Schm Ref. PART NO. Description ✻ New Parts Schm Ref. PART NO. Description ✻ New Parts 74 Q515 VD303700 TR 2SC3326 A, B Q516 VD303700 TR 2SC3326 A, B Q517 VD303700 TR 2SC3326 A, B Q518 VD303700 TR 2SC3326 A, B Q519 VD303700 TR 2SC3326 A, B Q520 VD303700 TR 2SC3326 A, B Q521 VD303700 TR 2SC3326 A, B Q522 VD303700 TR 2SC3326 A, B Q523 VD303700 TR 2SC3326 A, B Q524 VD303700 TR 2SC3326 A, B Q525 VD303700 TR 2SC3326 A, B Q526 VD303700 TR 2SC3326 A, B Q527 VD303700 TR 2SC3326 A, B Q528 VD303700 TR 2SC3326 A, B Q529 VD303700 TR 2SC3326 A, B Q530 VD303700 TR 2SC3326 A, B Q531 VV556500 TR. CHP 2SA1037 Q, R, S Q532 VV556500 TR. CHP 2SA1037 Q, R, S Q533 VV556500 TR. CHP 2SA1037 Q, R, S Q534 VV556500 TR. CHP 2SA1037 Q, R, S Q535 VV556500 TR. CHP 2SA1037 Q, R, S Q536 VV556500 TR. CHP 2SA1037 Q, R, S Q537 VV556500 TR. CHP 2SA1037 Q, R, S Q538 VV556500 TR. CHP 2SA1037 Q, R, S Q539 VV556500 TR. CHP 2SA1037 Q, R, S Q540 VV556500 TR. CHP 2SA1037 Q, R, S Q541 VV556500 TR. CHP 2SA1037 Q, R, S Q542 VV556500 TR. CHP 2SA1037 Q, R, S Q543 VV556500 TR. CHP 2SA1037 Q, R, S Q544 VV556500 TR. CHP 2SA1037 Q, R, S Q545 VV655700 TR. DGT DTC144EKA R563 RD357330 R. MTL. CHP 33KΩ 1/10W( UCRTAL) R565 RD357330 R. MTL. CHP 33KΩ 1/10W( UCRTAL) R567 HV755100 R. CAR. FP 100Ω 1/4W R568 HV755100 R. CAR. FP 100Ω 1/4W R650 HV753220 R. CAR. FP 2. 2Ω 1/4W R651 HV753220 R. CAR. FP 2. 2Ω 1/4W R672 HV754100 R. CAR. FP 10Ω 1/4W R722 HV753220 R. CAR. FP 2. 2Ω 1/4W R723 HV753220 R. CAR. FP 2. 2Ω 1/4W R817 HV753220 R. CAR. FP 2. 2Ω 1/4W ST501 V4040500 SCR. TERM M3 ST502 V4040500 SCR. TERM M3 XL501 VT630600 RSNR. CE 16MHz CST * V6292400 P. C. B. OPERATI ON( UCRTAL) * V6292500 P. C. B. OPERATI ON( BG) CB801 VM973500 CN. BS. PI N 17P CB802 Vi 878200 CN. BS. PI N 4P CB804 Vi 878100 CN. BS. PI N 3P CB805 Vi 878100 CN. BS. PI N 3P CB901 Vi 878500 CN. BS. PI N 7P CB902 VQ044900 CN. BS. PI N 19P CB941 Vi 878100 CN. BS. PI N 3P CB961 VK026200 CN. BS. PI N 3P CB962 VK026600 CN. BS. PI N 7P CB971 V5478200 CN. PHOT. SN 1P GP1FA551RZ CB972 VQ044500 CN. BS. PI N 11P CB973 Vi 878200 CN. BS. PI N 4P CB974 VB389800 CN. BS. PI N 2P C801 UU137470 C. EL 47uF 16V C802 UU137470 C. EL 47uF 16V C803 UU137470 C. EL 47uF 16V C804 UU137470 C. EL 47uF 16V C805 UU165100 C. EL 0. 1uF 50V C806 UU165100 C. EL 0. 1uF 50V C807 UU165100 C. EL 0. 1uF 50V C808 UU165100 C. EL 0. 1uF 50V C809 UU166100 C. EL 1uF 50V C810 UU166100 C. EL 1uF 50V C811 UU166220 C. EL 2. 2uF 50V C812 UU166220 C. EL 2. 2uF 50V C813 VQ645600 C. MYLAR 100pF 50V C814 VQ645600 C. MYLAR 100pF 50V C815 UU137470 C. EL 47uF 16V C816 UU137470 C. EL 47uF 16V C817 UA655120 C. MYLAR 0. 12uF 50V C818 UA655120 C. MYLAR 0. 12uF 50V C819 UA954330 C. MYLAR 0. 033uF 50V C820 UA954330 C. MYLAR 0. 033uF 50V C821 UU137100 C. EL 10uF 16V C822 UU137100 C. EL 10uF 16V C823 UU137470 C. EL 47uF 16V C824 UU137470 C. EL 47uF 16V C825 UU137100 C. EL 10uF 16V C826 UU137100 C. EL 10uF 16V C827 UA952100 C. MYLAR 100pF 50V C828 UA952100 C. MYLAR 100pF 50V C829 UA952100 C. MYLAR 100pF 50V C830 UA952100 C. MYLAR 100pF 50V C831 UU137470 C. EL 47uF 16V C832 UU137470 C. EL 47uF 16V C833 VG276600 C. CE. TUBLR 22pF 50V C834 VG276600 C. CE. TUBLR 22pF 50V C835 UU139100 C. EL 1000uF 16V C836 UU139100 C. EL 1000uF 16V C837 UA655120 C. MYLAR 0. 12uF 50V C838 UA655120 C. MYLAR 0. 12uF 50V C901 VJ 599100 C. CE. TUBLR 0. 1uF 50V C902 VJ 599100 C. CE. TUBLR 0. 1uF 50V C903 VJ 599100 C. CE. TUBLR 0. 1uF 50V C904 VJ 599100 C. CE. TUBLR 0. 1uF 50V C905 UM388100 C. EL 100uF 10V C906 VJ 599100 C. CE. TUBLR 0. 1uF 50V C907 VG277000 C. CE. TUBLR 33pF 50V C908 VJ 599100 C. CE. TUBLR 0. 1uF 50V C909 VJ 599100 C. CE. TUBLR 0. 1uF 50V C910 V6295600 C. EL 330uF 6. 3V C911 VJ 599100 C. CE. TUBLR 0. 1uF 50V C912 VJ 599100 C. CE. TUBLR 0. 1uF 50V C913 VF467000 C. CE. TUBLR 1000pF 50V C914 VF467000 C. CE. TUBLR 1000pF 50V C961 VJ 599100 C. CE. TUBLR 0. 1uF 50V C971 VJ 599100 C. CE. TUBLR 0. 1uF 50V C972 UR837470 C. EL 47uF 16V C973 VF466900 C. CE. TUBLR 470pF 50V C974 VF466900 C. CE. TUBLR 470pF 50V C975 VJ 599100 C. CE. TUBLR 0. 1uF 50V C976 VJ 599100 C. CE. TUBLR 0. 1uF 50V C977 UA953100 C. MYLAR 1000pF 50V C978 UA953100 C. MYLAR 1000pF 50V C979 UA954100 C. MYLAR 0. 01uF 50V C980 UA953100 C. MYLAR 1000pF 50V C981 VJ 599100 C. CE. TUBLR 0. 1uF 50V P.C.B. FUNCTION & P.C.B. OPERATION www. xiaoyu163. com QQ 376315150 9 9 2 8 9 4 2 9 8 TEL 13942296513 9 9 2 8 9 4 2 9 8 0 5 1 5 1 3 6 7 3 Q Q TEL 13942296513 QQ 376315150 892498299 TEL 13942296513 QQ 376315150 892498299 http://www.xiaoyu163.com RX-V1000/RX-V1000RDS Schm Ref. PART NO. Description ✻ New Parts Schm Ref. PART NO. Description ✻ New Parts 75 C982 VJ 599100 C. CE. TUBLR 0. 1uF 50V C983 VJ 599100 C. CE. TUBLR 0. 1uF 50V C985 VJ 599100 C. CE. TUBLR 0. 1uF 50V D801 VG439100 DI ODE. ZENR MTZJ 9. 1A 9. 1V D802 VG439100 DI ODE. ZENR MTZJ 9. 1A 9. 1V D803 VU264100 DI ODE 1SR139- 400 D804 VU264100 DI ODE 1SR139- 400 D901 VM974700 DI ODE. ZENR HZS7B2TD 7. 0V D902 V2598200 LED SI R- 505ST D971 VG439100 DI ODE. ZENR MTZJ 9. 1A 9. 1V D972 VD631600 DI ODE 1SS133, 176 D973 VD631600 DI ODE 1SS133, 176 G961 VR463400 TERM. GND D3. 5 TP00385 I C801 i G001270 I C TC4066BP I C802 XM356A00 I C NJ M2068LD I C803 XM356A00 I C NJ M2068LD I C804 XP844A00 I C NJ M4556AL I C901 XR188A00 I C LC75710NE( UCRTAL) I C901 XV160A00 I C LC75712E FLD( BG) J K971 V2589500 CN 1P J K972 V6268100 J ACK. PHONE YKB21- XXXX L971 V2726500 COI L 68uH PJ 971 V6222800 J ACK. PI N RJ - 1086- 13- 0500A PN901 V3750200 PI N L=70 Q801 VG721700 TR. DGT DTA144ES Q802 VG722000 TR. DGT DTC144ES Q803 VK432900 TR 2SD1915F S, T Q804 VK432900 TR 2SD1915F S, T Q901 VV900500 TR 2SD1991A Q, R, S Q902 VV900500 TR 2SD1991A Q, R, S Q903 VV900500 TR 2SD1991A Q, R, S Q904 VV900500 TR 2SD1991A Q, R, S Q905 VV900500 TR 2SD1991A Q, R, S Q906 VV900500 TR 2SD1991A Q, R, S Q907 VV900500 TR 2SD1991A Q, R, S Q908 VV900500 TR 2SD1991A Q, R, S Q909 VV900500 TR 2SD1991A Q, R, S Q910 VV900500 TR 2SD1991A Q, R, S Q971 i C174020 TR 2SC1740S R, S Q972 i A093320 TR 2SA933S Q, R R803 VP940200 R. MTL. OXD 47Ω 1W R804 VP940200 R. MTL. OXD 47Ω 1W R841 VP940600 R. MTL. OXD 220Ω 1W R842 VP940600 R. MTL. OXD 220Ω 1W R847 VP439800 R. MTL. FLM 2. 2KΩ 1/4W F R848 VP439800 R. MTL. FLM 2. 2KΩ 1/4W F R849 VP439800 R. MTL. FLM 2. 2KΩ 1/4W F R850 VP439800 R. MTL. FLM 2. 2KΩ 1/4W F R851 VP441600 R. MTL. FLM 12KΩ    1/4W R852 VP441600 R. MTL. FLM 12KΩ    1/4W R853 VP441600 R. MTL. FLM 12KΩ    1/4W R854 VP442300 R. MTL. FLM 24KΩ 1/4W F R855 VP442300 R. MTL. FLM 24KΩ 1/4W F R856 VP442300 R. MTL. FLM 24KΩ 1/4W F R857 VP442300 R. MTL. FLM 24KΩ 1/4W F R858 VP442300 R. MTL. FLM 24KΩ 1/4W F R978 HV755100 R. CAR. FP 100Ω 1/4W R979 HV755100 R. CAR. FP 100Ω 1/4W ST971 V4040500 SCR. TERM M3 ST972 V4040500 SCR. TERM M3 ST973 V4040500 SCR. TERM M3 * SW801 V6154000 SW. RT. ENC SDB161PH20FS- 1- 4 SW901 VG392900 SW. TACT SKHVAA SW902 VG392900 SW. TACT SKHVAA SW903 V6322700 SW. RT. ENC REB161( 9X7) PVB SW904 VG392900 SW. TACT SKHVAA SW905 VG392900 SW. TACT SKHVAA SW941 VG392900 SW. TACT SKHVAA( BG) SW942 VG392900 SW. TACT SKHVAA( BG) SW943 VG392900 SW. TACT SKHVAA( BG) SW944 VG392900 SW. TACT SKHVAA( BG) SW945 VG392900 SW. TACT SKHVAA SW946 VG392900 SW. TACT SKHVAA SW947 VG392900 SW. TACT SKHVAA SW948 VG392900 SW. TACT SKHVAA SW949 VG392900 SW. TACT SKHVAA SW950 VG392900 SW. TACT SKHVAA SW951 VG392900 SW. TACT SKHVAA SW952 VG392900 SW. TACT SKHVAA SW953 VG392900 SW. TACT SKHVAA SW954 VG392900 SW. TACT SKHVAA SW961 VG392900 SW. TACT SKHVAA SW962 VS066500 SW. PUSH SPPH13- W SW963 VS066500 SW. PUSH SPPH13- W SW964 VG392900 SW. TACT SKHVAA SW965 VG392900 SW. TACT SKHVAA U901 VU591000 L. DTCT GP1U271X V901 V5917600 FL. DSPLY 16- BT- 81GK VR801 VP741800 VR B20KΩ VR802 VP741900 VR G25KΩ V6007100 SPACER 4. 6/10/32 V6007000 SHEET * V6235900 P. C. B. DSP( UC) * V6235700 P. C. B. DSP( RLT) * V6235800 P. C. B. DSP( ABG) CB501 V6022800 CN. FBRLI NK 1P GP1FA551TZ CB502 V6022800 CN. FBRLI NK 1P GP1FA551TZ CB503 V5478200 CN. PHOT. SN 1P GP1FA551RZ CB504 V5478200 CN. PHOT. SN 1P GP1FA551RZ CB505 V5478200 CN. PHOT. SN 1P GP1FA551RZ CB506 V5478200 CN. PHOT. SN 1P GP1FA551RZ CB507 VQ046000 CN. BS. PI N 31P C501 US135100 C. CE. CHP 0. 1uF 16V C502 US135100 C. CE. CHP 0. 1uF 16V C503 US135100 C. CE. CHP 0. 1uF 16V C504 US135100 C. CE. CHP 0. 1uF 16V C505 US135100 C. CE. CHP 0. 1uF 16V C506 US135100 C. CE. CHP 0. 1uF 16V C507 US062470 C. CE. M. CHP 470pF 50V C508 US135100 C. CE. CHP 0. 1uF 16V C509 UR847220 C. EL 22uF 25V C510 US061220 C. CE. M. CHP 22pF 50V C511 US135100 C. CE. CHP 0. 1uF 16V C512 UR847220 C. EL 22uF 25V C513 US061220 C. CE. M. CHP 22pF 50V C514 US135100 C. CE. CHP 0. 1uF 16V( RLT) C515 UR847220 C. EL 22uF 25V( RLT) C517 US061100 C. CE. M. CHP 10pF 50V( RLT) C518 US044220 C. CE. M. CHP 0. 022uF 25V( RLT) C519 US044220 C. CE. M. CHP 0. 022uF 25V( RLT) C520 US135100 C. CE. CHP 0. 1uF 16V C521 UR819100 C. EL 1000uF 6. 3V C522 US135100 C. CE. CHP 0. 1uF 16V P.C.B. OPERATION & P.C.B. DSP www. xiaoyu163. com QQ 376315150 9 9 2 8 9 4 2 9 8 TEL 13942296513 9 9 2 8 9 4 2 9 8 0 5 1 5 1 3 6 7 3 Q Q TEL 13942296513 QQ 376315150 892498299 TEL 13942296513 QQ 376315150 892498299 http://www.xiaoyu163.com RX-V1000/RX-V1000RDS Schm Ref. PART NO. Description ✻ New Parts Schm Ref. PART NO. Description ✻ New Parts 76 C523 US061100 C. CE. M. CHP 10pF 50V C524 US061100 C. CE. M. CHP 10pF 50V C525 US061100 C. CE. M. CHP 10pF 50V( RLT) C526 US044220 C. CE. M. CHP 0. 022uF 25V( RLT) C527 US061750 C. CE. CHP 75pF 50V( RLT) C528 US135100 C. CE. CHP 0. 1uF 16V C529 US061100 C. CE. M. CHP 10pF 50V C530 US044220 C. CE. M. CHP 0. 022uF 25V C531 US061330 C. CE. M. CHP 33pF 50V C532 US063100 C. CE. M. CHP 1000pF 50V C533 US062220 C. CE. CHP 220pF 50V C534 US063100 C. CE. M. CHP 1000pF 50V C535 US062220 C. CE. CHP 220pF 50V C536 US063100 C. CE. M. CHP 1000pF 50V C537 US062220 C. CE. CHP 220pF 50V( RLT) C538 US063100 C. CE. M. CHP 1000pF 50V( RLT) C539 US061100 C. CE. M. CHP 10pF 50V( RLT) C540 UR837470 C. EL 47uF 16V( RLT) C541 US135100 C. CE. CHP 0. 1uF 16V( RLT) C542 UR837470 C. EL 47uF 16V( RLT) C543 US135100 C. CE. CHP 0. 1uF 16V( RLT) C544 US135100 C. CE. CHP 0. 1uF 16V C545 US135100 C. CE. CHP 0. 1uF 16V C546 UR819100 C. EL 1000uF 6. 3V C547 UR819100 C. EL 1000uF 6. 3V C548 US135100 C. CE. CHP 0. 1uF 16V C549 US135100 C. CE. CHP 0. 1uF 16V C550 US135100 C. CE. CHP 0. 1uF 16V C551 US135100 C. CE. CHP 0. 1uF 16V C552 US135100 C. CE. CHP 0. 1uF 16V C553 US135100 C. CE. CHP 0. 1uF 16V C554 US064100 C. CE. M. CHP 0. 01uF 50V( RLT) C555 VR169200 C. MYLAR. ML ECQ- V1H474J L3( RLT) C556 US135100 C. CE. CHP 0. 1uF 16V C557 UR818470 C. EL 470uF 6. 3V C558 UR818100 C. EL 100uF 6. 3V C559 US135100 C. CE. CHP 0. 1uF 16V C560 UR819100 C. EL 1000uF 6. 3V C561 UR818100 C. EL 100uF 6. 3V C562 US135100 C. CE. CHP 0. 1uF 16V C563 US135100 C. CE. CHP 0. 1uF 16V C564 US061330 C. CE. M. CHP 33pF 50V C565 US061330 C. CE. M. CHP 33pF 50V C566 UR819100 C. EL 1000uF 6. 3V C567 US135100 C. CE. CHP 0. 1uF 16V( RLT) C568 US135100 C. CE. CHP 0. 1uF 16V( RLT) C569 US135100 C. CE. CHP 0. 1uF 16V( RLT) C570 US135100 C. CE. CHP 0. 1uF 16V( RLT) C571 US135100 C. CE. CHP 0. 1uF 16V( RLT) C572 UR828100 C. EL 100uF 10V( RLT) C573 UR828100 C. EL 100uF 10V( RLT) C574 VR169200 C. MYLAR. ML ECQ- V1H474J L3( RLT) C575 US135100 C. CE. CHP 0. 1uF 16V C576 UR818470 C. EL 470uF 6. 3V C577 US061470 C. CE. M. CHP 47pF 50V C578 US061470 C. CE. M. CHP 47pF 50V C579 US061470 C. CE. M. CHP 47pF 50V C580 US061470 C. CE. M. CHP 47pF 50V C581 US061470 C. CE. M. CHP 47pF 50V C582 US061470 C. CE. M. CHP 47pF 50V C583 US061470 C. CE. M. CHP 47pF 50V C584 UR818100 C. EL 100uF 6. 3V C585 US135100 C. CE. CHP 0. 1uF 16V C587 US135100 C. CE. CHP 0. 1uF 16V C588 US063470 C. CE. CHP 4700pF 50V C589 UR818100 C. EL 100uF 6. 3V C590 UN837470 C. EL 47uF 16V( RLT) C591 US135100 C. CE. CHP 0. 1uF 16V( RLT) C592 UR828100 C. EL 100uF 10V( RLT) C593 US135100 C. CE. CHP 0. 1uF 16V C594 US135100 C. CE. CHP 0. 1uF 16V( RLTABG) C595 US135100 C. CE. CHP 0. 1uF 16V C596 US135100 C. CE. CHP 0. 1uF 16V( RLTABG) C597 US135100 C. CE. CHP 0. 1uF 16V C598 US061470 C. CE. M. CHP 47pF 50V C599 US135100 C. CE. CHP 0. 1uF 16V C600 US135100 C. CE. CHP 0. 1uF 16V C601 US135100 C. CE. CHP 0. 1uF 16V( RLT) C602 US064100 C. CE. M. CHP 0. 01uF 50V( RLT) C603 US061180 C. CE. CHP 18pF 50V( RLT) C604 US060200 C. CE. CHP 2pF 50V( RLT) C605 US135100 C. CE. CHP 0. 1uF 16V C606 UR819100 C. EL 1000uF 6. 3V C607 US135100 C. CE. CHP 0. 1uF 16V C608 US135100 C. CE. CHP 0. 1uF 16V C609 US135100 C. CE. CHP 0. 1uF 16V C610 UR818100 C. EL 100uF 6. 3V C611 UR828100 C. EL 100uF 10V( RLT) C612 US064100 C. CE. M. CHP 0. 01uF 50V( RLT) C613 US135100 C. CE. CHP 0. 1uF 16V( RLT) C614 UR828100 C. EL 100uF 10V( RLT) C615 US135100 C. CE. CHP 0. 1uF 16V C616 UU137470 C. EL 47uF 16V C617 US135100 C. CE. CHP 0. 1uF 16V C618 UU137470 C. EL 47uF 16V C619 US135100 C. CE. CHP 0. 1uF 16V C620 UU118100 C. EL 100uF 6. 3V C621 UU137470 C. EL 47uF 16V C622 US135100 C. CE. CHP 0. 1uF 16V C623 UU137470 C. EL 47uF 16V C624 US135100 C. CE. CHP 0. 1uF 16V C625 UU137470 C. EL 47uF 16V C626 US135100 C. CE. CHP 0. 1uF 16V C627 UU137470 C. EL 47uF 16V C628 US135100 C. CE. CHP 0. 1uF 16V C629 UU137470 C. EL 47uF 16V C630 US135100 C. CE. CHP 0. 1uF 16V C631 UU137470 C. EL 47uF 16V C632 US135100 C. CE. CHP 0. 1uF 16V C633 UU147100 C. EL 10uF 25V C634 UA952680 C. MYLAR 680pF 50V C635 US135100 C. CE. CHP 0. 1uF 16V C636 US135100 C. CE. CHP 0. 1uF 16V C637 UU166220 C. EL 2. 2uF 50V C638 US135100 C. CE. CHP 0. 1uF 16V C639 UU118100 C. EL 100uF 6. 3V C640 UU147100 C. EL 10uF 25V C641 UA952150 C. MYLAR 150pF 50V C642 UA952150 C. MYLAR 150pF 50V C643 UU147100 C. EL 10uF 25V C644 UA952680 C. MYLAR 680pF 50V C645 UU147100 C. EL 10uF 25V C646 UU147100 C. EL 10uF 25V C647 UA952680 C. MYLAR 680pF 50V C648 UU147100 C. EL 10uF 25V C649 UA952150 C. MYLAR 150pF 50V P.C.B. DSP www. xiaoyu163. com QQ 376315150 9 9 2 8 9 4 2 9 8 TEL 13942296513 9 9 2 8 9 4 2 9 8 0 5 1 5 1 3 6 7 3 Q Q TEL 13942296513 QQ 376315150 892498299 TEL 13942296513 QQ 376315150 892498299 http://www.xiaoyu163.com RX-V1000/RX-V1000RDS Schm Ref. PART NO. Description ✻ New Parts Schm Ref. PART NO. Description ✻ New Parts 77 C650 V3888000 C. MYLAR 150pF 50V C651 UU147100 C. EL 10uF 25V C652 US135100 C. CE. CHP 0. 1uF 16V C653 US135100 C. CE. CHP 0. 1uF 16V C654 UU147100 C. EL 10uF 25V C655 V3888000 C. MYLAR 150pF 50V C656 V3888000 C. MYLAR 150pF 50V C657 UU147100 C. EL 10uF 25V C658 US135100 C. CE. CHP 0. 1uF 16V C659 UU128100 C. EL 100uF 10V C660 US061470 C. CE. M. CHP 47pF 50V C661 US061470 C. CE. M. CHP 47pF 50V( RLTABG) C662 US061470 C. CE. M. CHP 47pF 50V C663 US061470 C. CE. M. CHP 47pF 50V( RLTABG) C664 US061470 C. CE. M. CHP 47pF 50V C665 US061470 C. CE. M. CHP 47pF 50V( RLTABG) C666 US063470 C. CE. CHP 4700pF 50V C673 VJ 599100 C. CE. TUBLR 0. 1uF 50V( UC) C674 VJ 599100 C. CE. TUBLR 0. 1uF 50V( UC) C675 UA953150 C. MYLAR 1500pF 50V C676 UA953150 C. MYLAR 1500pF 50V C677 UU147100 C. EL 10uF 25V C678 US135100 C. CE. CHP 0. 1uF 16V C679 US135100 C. CE. CHP 0. 1uF 16V C680 UU147100 C. EL 10uF 25V C681 UU147100 C. EL 10uF 25V C682 US135100 C. CE. CHP 0. 1uF 16V C683 US135100 C. CE. CHP 0. 1uF 16V C684 UU147100 C. EL 10uF 25V C685 UU147100 C. EL 10uF 25V C686 US135100 C. CE. CHP 0. 1uF 16V C687 US135100 C. CE. CHP 0. 1uF 16V C688 UU147100 C. EL 10uF 25V C695 UA952100 C. MYLAR 100pF 50V C696 UA952100 C. MYLAR 100pF 50V C697 UA952100 C. MYLAR 100pF 50V C698 UA952100 C. MYLAR 100pF 50V C699 UU147100 C. EL 10uF 25V C700 UU147100 C. EL 10uF 25V C701 Vi 715100 C. MYLAR 470pF 50V C702 Vi 715100 C. MYLAR 470pF 50V C703 UU147100 C. EL 10uF 25V C704 UU147100 C. EL 10uF 25V C705 UU147100 C. EL 10uF 25V C706 UU147100 C. EL 10uF 25V C707 Vi 715100 C. MYLAR 470pF 50V C708 Vi 715100 C. MYLAR 470pF 50V C709 UU147100 C. EL 10uF 25V C710 UU147100 C. EL 10uF 25V C711 UU147100 C. EL 10uF 25V C712 UU147100 C. EL 10uF 25V C713 Vi 715100 C. MYLAR 470pF 50V C714 Vi 715100 C. MYLAR 470pF 50V C715 UU147100 C. EL 10uF 25V C716 UU147100 C. EL 10uF 25V C717 US135100 C. CE. CHP 0. 1uF 16V( RLTABG) C718 US061470 C. CE. M. CHP 47pF 50V C719 US061470 C. CE. M. CHP 47pF 50V( RLTABG) C720 US061470 C. CE. M. CHP 47pF 50V C721 US061470 C. CE. M. CHP 47pF 50V( RLTABG) C722 US061470 C. CE. M. CHP 47pF 50V C726 UU137220 C. EL 22uF 16V C727 UU147100 C. EL 10uF 25V C728 US135100 C. CE. CHP 0. 1uF 16V C729 UU137220 C. EL 22uF 16V C730 UU137470 C. EL 47uF 16V C731 US135100 C. CE. CHP 0. 1uF 16V C732 UU137470 C. EL 47uF 16V C733 US135100 C. CE. CHP 0. 1uF 16V C734 UU137470 C. EL 47uF 16V C735 US135100 C. CE. CHP 0. 1uF 16V C736 UU137470 C. EL 47uF 16V C737 US135100 C. CE. CHP 0. 1uF 16V C738 US063470 C. CE. CHP 4700pF 50V D501 VT332900 DI ODE 1SS355 D502 VT332900 DI ODE 1SS355 D503 VT332900 DI ODE 1SS355 D504 VT332900 DI ODE 1SS355 D505 VT332900 DI ODE 1SS355 D506 VT332900 DI ODE 1SS355( RLT) D507 VT332900 DI ODE 1SS355( RLT) D508 VT332900 DI ODE 1SS355( RLT) D509 VT332900 DI ODE 1SS355 D510 VT332900 DI ODE 1SS355 D511 VT332900 DI ODE 1SS355 D512 VT332900 DI ODE 1SS355 D513 VT332900 DI ODE 1SS355 D514 VT332900 DI ODE 1SS355 D515 VT707700 C. TRI M KV1851- TL( RLT) D516 VT332900 DI ODE 1SS355 D517 VT332900 DI ODE 1SS355 D518 VT332900 DI ODE 1SS355 D519 VT332900 DI ODE 1SS355 D520 VT332900 DI ODE 1SS355 D521 VT332900 DI ODE 1SS355 D522 VT332900 DI ODE 1SS355 D523 VT332900 DI ODE 1SS355 D524 VV220700 DI ODE. SHOT RB501V- 40 D525 VV220700 DI ODE. SHOT RB501V- 40 D526 VV220700 DI ODE. SHOT RB501V- 40 D527 VV220700 DI ODE. SHOT RB501V- 40 D528 VV220700 DI ODE. SHOT RB501V- 40 D529 VV220700 DI ODE. SHOT RB501V- 40 D530 VV220700 DI ODE. SHOT RB501V- 40 D531 VV220700 DI ODE. SHOT RB501V- 40 D532 VT332900 DI ODE 1SS355 D533 VT332900 DI ODE 1SS355 D534 VT332900 DI ODE 1SS355 D535 VT332900 DI ODE 1SS355 D536 VT332900 DI ODE 1SS355 D537 VT332900 DI ODE 1SS355 D538 VT332900 DI ODE 1SS355 D539 VD631600 DI ODE 1SS133, 176 I C501 XY580A00 I C YSS928 I C502 XV077A00 I C MSM514260C- 60J S I C503 XT958A00 I C PM4007A( RLT) I C504 XW433A00 I C CY62256LL( RLT) I C505 XZ003A00 I C PQ025EZ5MZP 2. 5V I C506 XU965A00 I C uPC29M33T- E1 3. 3V I C507 XD655A00 I C TC74HC00AF NAND I C508 XV495A00 I C TC74VHCT08AF AND I C509 XR038A00 I C NJ M2904M OP AMP I C510 XD660A00 I C TC74HCU04AF- TP1 I C511 XD660A00 I C TC74HCU04AF- TP1 I C512 XF291A00 I C uPC4570G2( RLT) I C513 XD655A00 I C TC74HC00AF NAND P.C.B. DSP www. xiaoyu163. com QQ 376315150 9 9 2 8 9 4 2 9 8 TEL 13942296513 9 9 2 8 9 4 2 9 8 0 5 1 5 1 3 6 7 3 Q Q TEL 13942296513 QQ 376315150 892498299 TEL 13942296513 QQ 376315150 892498299 http://www.xiaoyu163.com RX-V1000/RX-V1000RDS Schm Ref. PART NO. Description ✻ New Parts Schm Ref. PART NO. Description ✻ New Parts 78 I C514 XZ002A00 I C AK4527VQ I C515 XF291A00 I C uPC4570G2 I C516 XF291A00 I C uPC4570G2 I C517 XF291A00 I C uPC4570G2 I C518 XF291A00 I C uPC4570G2 I C519 XF291A00 I C uPC4570G2 I C520 XW029A00 I C AK4393- VF- E2 I C521 XW029A00 I C AK4393- VF- E2 I C522 XF291A00 I C uPC4570G2 I C523 XF291A00 I C uPC4570G2 L501 V2726500 COI L 68uH L502 V2726500 COI L 68uH L503 V2726500 COI L 68uH L504 V2726500 COI L 68uH L506 VT623200 FLTR. LC SBP- 4930( RLT) L507 V2726500 COI L 68uH( RLT) PJ 501 V5715300 J ACK. PI N 2P( UCABG) PJ 501 V6290500 J ACK. PI N 3P YKC21- 4261( RLT) Q501 i A103700 TR. CHP 2SA1037 Q, R, S( RLT) Q502 VV556400 TR 2SC2412K Q, R, S( RLT Q503 VV556400 TR 2SC2412K Q, R, S( RLT Q504 VV556400 TR 2SC2412K Q, R, S( RLT Q505 i A103700 TR. CHP 2SA1037 Q, R, S( RLT) Q506 VV556400 TR 2SC2412K Q, R, S( RLT Q507 VV556400 TR 2SC2412K Q, R, S( RLT Q508 i A103700 TR. CHP 2SA1037 Q, R, S( RLT) Q509 VV655300 TR. DGT DTA144EKA Q510 VV655300 TR. DGT DTA144EKA Q511 VV655300 TR. DGT DTA144EKA Q512 VV655300 TR. DGT DTA144EKA Q513 VV655300 TR. DGT DTA144EKA Q514 VD303700 TR 2SC3326 A, B Q515 VD303700 TR 2SC3326 A, B Q516 VV655300 TR. DGT DTA144EKA Q517 VV655300 TR. DGT DTA144EKA Q518 VV655300 TR. DGT DTA144EKA Q519 VD303700 TR 2SC3326 A, B Q522 VD303700 TR 2SC3326 A, B Q523 VD303700 TR 2SC3326 A, B Q524 VD303700 TR 2SC3326 A, B Q525 VD303700 TR 2SC3326 A, B Q526 VD303700 TR 2SC3326 A, B Q527 VD303700 TR 2SC3326 A, B R594 HV753100 R. CAR. FP 1Ω 1/4W( RLT) R595 HV753100 R. CAR. FP 1Ω 1/4W( RLT) R596 HV753220 R. CAR. FP 2. 2Ω 1/4W R597 HV753220 R. CAR. FP 2. 2Ω 1/4W R598 VU224000 R. MTL. FLM 0. 22Ω 1W J R599 HV753100 R. CAR. FP 1Ω 1/4W R600 HV753100 R. CAR. FP 1Ω 1/4W R601 VU224000 R. MTL. FLM 0. 22Ω 1W J R609 VU224000 R. MTL. FLM 0. 22Ω 1W J R610 HV753220 R. CAR. FP 2. 2Ω 1/4W R611 HV753220 R. CAR. FP 2. 2Ω 1/4W XL501 V3625700 RSNR. CRYS 24. 576MHz XL502 VT928600 RSNR. CRYS 18. 432MHz( RLT) * V6252600 P. C. B. VI DEO( U) * V6252700 P. C. B. VI DEO( RT) * V6252800 P. C. B. VI DEO( AL) * V6252900 P. C. B. VI DEO( BG) * V6674800 P. C. B. VI DEO( C) CB231 VF982200 CN. BS. PI N 14P CB232 VQ044500 CN. BS. PI N 11P CB601 VM929900 CN. BS. PI N 15P CB602 VN066500 CN. BS. PI N 12P CB603 Vi 878200 CN. BS. PI N 4P CB701 VM929900 CN. BS. PI N 15P CB751 Vi 878200 CN. BS. PI N 4P CB851 VM859500 CN. BS. PI N 11P * CB852 V6509500 SOCKET 9P SE 3170 C231 VK534000 C. PP 220pF 200V C232 UU177220 C. EL 22uF 63V C233 VQ462600 C. MYLAR 220pF 50V( RTALBG) C233 VQ645600 C. MYLAR 100pF 50V( UC) C234 UU147100 C. EL 10uF 25V C235 VQ462600 C. MYLAR 220pF 50V C236 VQ462600 C. MYLAR 220pF 50V( RTALBG) C236 VQ645600 C. MYLAR 100pF 50V( UC) C237 UU147100 C. EL 10uF 25V C238 VQ462600 C. MYLAR 220pF 50V C239 VQ462600 C. MYLAR 220pF 50V( RTALBG) C239 VQ645600 C. MYLAR 100pF 50V( UC) C240 UU147100 C. EL 10uF 25V C241 UA952220 C. MYLAR 220pF 50V C242 VQ462600 C. MYLAR 220pF 50V( RTALBG) C242 VQ645600 C. MYLAR 100pF 50V( UC) C243 UU147100 C. EL 10uF 25V C244 UA952220 C. MYLAR 220pF 50V C245 VQ462600 C. MYLAR 220pF 50V( RTALBG) C245 VQ645600 C. MYLAR 100pF 50V( UC) C246 UU147100 C. EL 10uF 25V C247 VQ462600 C. MYLAR 220pF 50V C248 UU138100 C. EL 100uF 16V C249 UU177220 C. EL 22uF 63V C250 UA953100 C. MYLAR 1000pF 50V C251 VQ463300 C. PP 22pF 630V C252 UU168100 C. EL 100uF 50V C253 UA953100 C. MYLAR 1000pF 50V C254 VQ463300 C. PP 22pF 630V C255 UU168100 C. EL 100uF 50V C256 UA953100 C. MYLAR 1000pF 50V C257 VS696700 C. CE 33pF 500V C258 UU157470 C. EL 47uF 35V C259 UA953100 C. MYLAR 1000pF 50V C260 VS696700 C. CE 33pF 500V C261 UU157470 C. EL 47uF 35V C262 UA953100 C. MYLAR 1000pF 50V C263 VQ245400 C. PP 33pF 200V C264 UU157470 C. EL 47uF 35V C265 UR819220 C. EL 2200uF 6. 3V C266 UR819220 C. EL 2200uF 6. 3V( UCRTAL) C601 US062100 C. CE. M. CHP 100pF 50V C602 US062100 C. CE. M. CHP 100pF 50V C603 US062100 C. CE. M. CHP 100pF 50V C604 US062100 C. CE. M. CHP 100pF 50V C605 US062100 C. CE. M. CHP 100pF 50V C606 US062100 C. CE. M. CHP 100pF 50V C607 US135100 C. CE. CHP 0. 1uF 16V C608 US135100 C. CE. CHP 0. 1uF 16V C609 US135100 C. CE. CHP 0. 1uF 16V C610 UR829100 C. EL 1000uF 10V C611 UR837470 C. EL 47uF 16V C612 UR837470 C. EL 47uF 16V C613 UR837470 C. EL 47uF 16V P.C.B. DSP & P.C.B. VIDEO www. xiaoyu163. com QQ 376315150 9 9 2 8 9 4 2 9 8 TEL 13942296513 9 9 2 8 9 4 2 9 8 0 5 1 5 1 3 6 7 3 Q Q TEL 13942296513 QQ 376315150 892498299 TEL 13942296513 QQ 376315150 892498299 http://www.xiaoyu163.com RX-V1000/RX-V1000RDS Schm Ref. PART NO. Description ✻ New Parts Schm Ref. PART NO. Description ✻ New Parts 79 C614 US135100 C. CE. CHP 0. 1uF 16V C616 US135100 C. CE. CHP 0. 1uF 16V C617 UR827470 C. EL 47uF 10V C618 UR837470 C. EL 47uF 16V C619 US062820 C. CE. CHP 820pF 50V( ALBG) C619 US063150 C. CE. M. CHP 1500pF 50V( UCRT) C620 US062270 C. CE. M. CHP 270pF 50V( ALBG) C620 US062390 C. CE. M. CHP 390P 50V( UCRT) C621 UR827470 C. EL 47uF 10V C622 UR827470 C. EL 47uF 10V C623 UR827470 C. EL 47uF 10V C624 UR827470 C. EL 47uF 10V C625 UR847100 C. EL 10uF 25V C626 US135100 C. CE. CHP 0. 1uF 16V C627 US135100 C. CE. CHP 0. 1uF 16V C628 US135100 C. CE. CHP 0. 1uF 16V C629 US135100 C. CE. CHP 0. 1uF 16V C630 US060800 C. CE. CHP 8pF 50V C631 UR827470 C. EL 47uF 10V C632 UR827470 C. EL 47uF 10V C633 US061330 C. CE. M. CHP 33pF 50V C634 US064100 C. CE. M. CHP 0. 01uF 50V C635 UR827470 C. EL 47uF 10V C636 UR866470 C. EL 4. 7uF 50V C637 UR866470 C. EL 4. 7uF 50V C638 US135100 C. CE. CHP 0. 1uF 16V C639 US063120 C. CE. M. CHP 1200pF 50V C640 US062470 C. CE. M. CHP 470pF 50V C641 UR866100 C. EL 1uF 50V C642 UR866100 C. EL 1uF 50V C643 US060700 C. CE. CHP 7pF 50V C644 US061240 C. CE. CHP 24pF 50V C645 US061240 C. CE. CHP 24pF 50V C646 US062220 C. CE. CHP 220pF 50V C647 US062120 C. CE. CHP 120pF 50V C648 UR827470 C. EL 47uF 10V C649 US135100 C. CE. CHP 0. 1uF 16V C650 US135100 C. CE. CHP 0. 1uF 16V C651 UR847100 C. EL 10uF 25V C652 US135100 C. CE. CHP 0. 1uF 16V C701 US062100 C. CE. M. CHP 100pF 50V C702 US062100 C. CE. M. CHP 100pF 50V C703 US062100 C. CE. M. CHP 100pF 50V( UCRT) C704 US062100 C. CE. M. CHP 100pF 50V C705 UR847100 C. EL 10uF 25V C706 UR829100 C. EL 1000uF 10V C707 UR827470 C. EL 47uF 10V C708 UR827470 C. EL 47uF 10V C709 UR827470 C. EL 47uF 10V C710 UR827470 C. EL 47uF 10V C711 UR827470 C. EL 47uF 10V( UCRT) C712 US135220 C. CE. CHP 0. 22uF 16V C713 UR827470 C. EL 47uF 10V C714 UR838100 C. EL 100uF 16V C715 US135100 C. CE. CHP 0. 1uF 16V C716 US135100 C. CE. CHP 0. 1uF 16V C721 UR827470 C. EL 47uF 10V C722 US135100 C. CE. CHP 0. 1uF 16V C723 US135100 C. CE. CHP 0. 1uF 16V C751 VF466800 C. CE. TUBLR 100pF 50V C752 VF466800 C. CE. TUBLR 100pF 50V C753 VF466800 C. CE. TUBLR 100pF 50V C757 US135100 C. CE. CHP 0. 1uF 16V C758 US135100 C. CE. CHP 0. 1uF 16V C759 UR847100 C. EL 10uF 25V C760 UR847100 C. EL 10uF 25V C851 US135100 C. CE. CHP 0. 1uF 16V C852 US135100 C. CE. CHP 0. 1uF 16V C853 US135100 C. CE. CHP 0. 1uF 16V C854 US135100 C. CE. CHP 0. 1uF 16V C855 US135100 C. CE. CHP 0. 1uF 16V C856 US135100 C. CE. CHP 0. 1uF 16V C857 UU128100 C. EL 100uF 10V D231 VD631600 DI ODE 1SS133, 176 D232 VG440300 DI ODE. ZENR MTZJ 12C 12V D233 VG440300 DI ODE. ZENR MTZJ 12C 12V D234 VG440100 DI ODE. ZENR MTZJ 12A( CRTALBG) D234 VG442000 DI ODE. ZENR MTZJ 22A 22V( U) D235 VG439100 DI ODE. ZENR MTZJ 9. 1A 9. 1V D236 VD631600 DI ODE 1SS133, 176 D237 VD631600 DI ODE 1SS133, 176 D601 VD631600 DI ODE 1SS133, 176 D602 VD631600 DI ODE 1SS133, 176 D603 VD631600 DI ODE 1SS133, 176 D604 VD631600 DI ODE 1SS133, 176 D605 VD631600 DI ODE 1SS133, 176 D606 VD631600 DI ODE 1SS133, 176 D607 VD631600 DI ODE 1SS133, 176 D608 VD631600 DI ODE 1SS133, 176 D609 VD631600 DI ODE 1SS133, 176 D610 VD631600 DI ODE 1SS133, 176 D851 VT332900 DI ODE 1SS355( UCRTAL) I C601 XW939A00 I C TK15420M VI DEO AMP I C602 XL493A00 I C TC74HC4051AP I C603 XL493A00 I C TC74HC4051AP I C604 XL493A00 I C TC74HC4051AP I C605 XL493A00 I C TC74HC4051AP I C606 i R405300 I C TC74HC4053AP( UCRTAL I C607 i R405300 I C TC74HC4053AP I C608 i G142200 I C TC74HCU04AP I C609 XY443A00 I C LA7109 6CH I C610 XZ060A00 I C LC74781- 9798 I C611 XW416A00 I C BU2092 SER/PAR I C701 XW911A00 I C LA7108M VI DEO AMP I C702 XL493A00 I C TC74HC4051AP I C703 XL493A00 I C TC74HC4051AP I C704 i R405300 I C TC74HC4053AP( UCRTAL I C751 XZ177A00 I C LA7104M VI DEO AMP I C752 i R405300 I C TC74HC4053AP * I C851 XW863A00 I C ADM202J RN- REEL7 J K601 VP113600 CN. DI N 2P J K602 VP113600 CN. DI N 2P J K603 VP113600 CN. DI N 2P J K604 VU245200 CN. DI N 1P J K605 VQ960400 CN. DI N 1P J K851 VJ 726800 J ACK. MNI ( UCRTAL) J K852 VJ 726800 J ACK. MNI ( UCRTAL) L602 V3233700 COI L 1. 5uH L603 V6236000 COI L 4. 7uH LAV35VB4R7K L605 V2726100 COI L 33uH PJ 701 V2773400 J ACK. PI N 1P PJ 702 VV325000 J ACK. PI N 2P PJ 703 VV325000 J ACK. PI N 2P PJ 704 VV325000 J ACK. PI N 2P PJ 705 V2773400 J ACK. PI N 1P( BG) PJ 705 VV325000 J ACK. PI N 2P( UCRTAL) P.C.B. VIDEO www. xiaoyu163. com QQ 376315150 9 9 2 8 9 4 2 9 8 TEL 13942296513 9 9 2 8 9 4 2 9 8 0 5 1 5 1 3 6 7 3 Q Q TEL 13942296513 QQ 376315150 892498299 TEL 13942296513 QQ 376315150 892498299 http://www.xiaoyu163.com RX-V1000/RX-V1000RDS Schm Ref. PART NO. Description ✻ New Parts Schm Ref. PART NO. Description ✻ New Parts 80 PJ 751 V6222700 J ACK. PI N RJ - 1086- 06- 0331A PJ 752 V6222700 J ACK. PI N RJ - 1086- 06- 0331A PJ 753 V6222700 J ACK. PI N RJ - 1086- 06- 0331A PN231 V3750200 PI N L=70 PN601 V3750200 PI N L=70 s Q231 VR510800 TR 2SD2396 J , K Q232 VP883100 TR 2SC1890A D, E Q233 VP883100 TR 2SC1890A D, E Q234 V3966800 TR 2SB949 O, Y Q235 VP883100 TR 2SC1890A D, E Q236 VP883100 TR 2SC1890A D, E Q237 V3966800 TR 2SB949 O, Y Q238 VP883100 TR 2SC1890A D, E Q239 VP883100 TR 2SC1890A D, E Q240 V3966800 TR 2SB949 O, Y Q241 VP883100 TR 2SC1890A D, E Q242 VP883100 TR 2SC1890A D, E Q243 V3966800 TR 2SB949 O, Y Q244 VP883100 TR 2SC1890A D, E Q245 VP883100 TR 2SC1890A D, E Q246 V3966800 TR 2SB949 O, Y Q247 VP883100 TR 2SC1890A D, E Q248 VP883100 TR 2SC1890A D, E Q601 i C174020 TR 2SC1740S R, S Q602 i C287820 TR 2SC2878 A, B Q603 VD678700 TR. DGT DTC114ES Q604 i C174020 TR 2SC1740S R, S Q605 i C174020 TR 2SC1740S R, S Q606 i A1015I 0 TR 2SA1015 Y Q607 i C224030 TR 2SC2240 GR, BL Q608 i C053540 TR 2SC535 A, B, C Q609 i C287820 TR 2SC2878 A, B( BG) Q701 i C174020 TR 2SC1740S R, S s R250 HV754100 R. CAR. FP 10Ω 1/4W s R251 HV756470 R. CAR. FP 4. 7KΩ 1/4W R255 HV754470 R. CAR. FP 47Ω 1/4W R262 HV754470 R. CAR. FP 47Ω 1/4W R269 HV754470 R. CAR. FP 47Ω 1/4W R276 HV754470 R. CAR. FP 47Ω 1/4W R283 HV754470 R. CAR. FP 47Ω 1/4W R653 RD357330 R. MTL. CHP 33KΩ 1/10W XL601 VV949800 RSNR. CRYS 14. 31818MHz( UCRT) XL601 VV949900 RSNR. CRYS 17. 734475MHz( ALBG) * V6239400 P. C. B. MAI N( UC) * V6239500 P. C. B. MAI N( RT) * V6239600 P. C. B. MAI N( A) * V6239700 P. C. B. MAI N( BGL) CB1 VN394900 CN. BS. PI N 14P CB2 Vi 878300 CN. BS. PI N 5P CB3 VQ047300 CN. BS. PI N 12P CB4 Vi 878400 CN. BS. PI N 6P CB151 VK026400 CN. BS. PI N 5P CB152 VB858800 CN. BS. PI N 9P CB201 Vi 878400 CN. BS. PI N 6P CB202 VF728300 CN 6P C1 UU167470 C. EL 47uF 50V C2 UU177220 C. EL 22uF 63V C3 VQ645600 C. MYLAR 100pF 50V C4 UU147470 C. EL 47uF 25V C5 VK399200 C. MYLAR. ML 0. 39uF 50V C6 UU167470 C. EL 47uF 50V C7 VQ645600 C. MYLAR 100pF 50V C8 VQ645600 C. MYLAR 100pF 50V C9 UU147470 C. EL 47uF 25V C10 VK399200 C. MYLAR. ML 0. 39uF 50V C11 UU167470 C. EL 47uF 50V C12 VQ645600 C. MYLAR 100pF 50V C13 VR325000 C. MYLAR 100pF 100V C14 UU147470 C. EL 47uF 25V C15 UU167470 C. EL 47uF 50V C16 VR325000 C. MYLAR 100pF 100V C17 VR325000 C. MYLAR 100pF 100V C18 UU147470 C. EL 47uF 25V C19 UU167470 C. EL 47uF 50V C20 VR325000 C. MYLAR 100pF 100V C21 VR325000 C. MYLAR 100pF 100V C22 UU147470 C. EL 47uF 25V C23 VR325000 C. MYLAR 100pF 100V C24 UU196470 C. EL 4. 7uF 100V C25 UA954680 C. MYLAR 0. 068uF 50V C26 UA954680 C. MYLAR 0. 068uF 50V C27 UA954680 C. MYLAR 0. 068uF 50V C28 UA954680 C. MYLAR 0. 068uF 50V C29 UA954680 C. MYLAR 0. 068uF 50V C30 UU166470 C. EL 4. 7uF 50V C31 VT898000 C. MYLAR 0. 1uF 100V C32 VK534000 C. PP 220pF 200V C33 UU166470 C. EL 4. 7uF 50V C34 VT898000 C. MYLAR 0. 1uF 100V C35 UU118220 C. EL 220uF 6. 3V C36 UU166470 C. EL 4. 7uF 50V C37 UU137470 C. EL 47uF 16V C38 VF466900 C. CE. TUBLR 470pF 50V( RTABGL) C39 VF466900 C. CE. TUBLR 470pF 50V( RTABGL) C40 VF466900 C. CE. TUBLR 470pF 50V( RTABGL) C41 UA954100 C. MYLAR 0. 01uF 50V( RTABGL) C42 UA954100 C. MYLAR 0. 01uF 50V( RTABGL) C43 UA954100 C. MYLAR 0. 01uF 50V( RTABGL) C44 UA954100 C. MYLAR 0. 01uF 50V( RTABGL) C45 UA954100 C. MYLAR 0. 01uF 50V( RTABGL) C46 UA954100 C. MYLAR 0. 01uF 50V( RTABGL) C47 UA954100 C. MYLAR 0. 01uF 50V( RTABGL) C48 UA954100 C. MYLAR 0. 01uF 50V( RTABGL) C49 UA954100 C. MYLAR 0. 01uF 50V( RTABGL) C151 Vi 716300 C. MYLAR 4700pF 50V( RTABGL) C152 Vi 716300 C. MYLAR 4700pF 50V( RTABGL) C153 Vi 716300 C. MYLAR 4700pF 50V( RTABGL) C154 Vi 716300 C. MYLAR 4700pF 50V( RTABGL) C155 Vi 716700 C. MYLAR 0. 01uF 50V( RTABGL) C156 Vi 716700 C. MYLAR 0. 01uF 50V( RTABGL) C157 UT652100 C. PP 100pF 100V C158 UT652100 C. PP 100pF 100V C159 UT652100 C. PP 100pF 100V C160 UT652100 C. PP 100pF 100V C161 UT652100 C. PP 100pF 100V C162 UA655220 C. MYLAR 0. 22uF 50V C163 VF467300 C. CE. TUBLR 0. 01uF 16V C164 VF467300 C. CE. TUBLR 0. 01uF 16V s C201 V6976000 C. EL 12000uF 63V s C202 V6976000 C. EL 12000uF 63V C203 VK534100 C. PP 0. 01uF 100V C204 UR848470 C. EL 470uF 25V C205 UU147100 C. EL 10uF 25V( RT) P.C.B. VIDEO & P.C.B. MAIN www. xiaoyu163. com QQ 376315150 9 9 2 8 9 4 2 9 8 TEL 13942296513 9 9 2 8 9 4 2 9 8 0 5 1 5 1 3 6 7 3 Q Q TEL 13942296513 QQ 376315150 892498299 TEL 13942296513 QQ 376315150 892498299 http://www.xiaoyu163.com RX-V1000/RX-V1000RDS Schm Ref. PART NO. Description ✻ New Parts Schm Ref. PART NO. Description ✻ New Parts 81 s C206 VT898000 C. MYLAR 0. 1uF 100V s C207 VT898000 C. MYLAR 0. 1uF 100V C208 UU168100 C. EL 100uF 50V C209 UA655100 C. MYLAR 0. 1uF 50V C210 UA655100 C. MYLAR 0. 1uF 50V C211 UU168100 C. EL 100uF 50V C212 UR897100 C. EL 10uF 100V( RT) C213 UU167100 C. EL 10uF 50V( RT) C214 Vi 716700 C. MYLAR 0. 01uF 50V D1 VN008700 DI ODE 1SS270A D2 VD631600 DI ODE 1SS133, 176 D3 VD631600 DI ODE 1SS133, 176 D4 VN008700 DI ODE 1SS270A D5 VN008700 DI ODE 1SS270A D6 VN008700 DI ODE 1SS270A D7 VN008700 DI ODE 1SS270A D8 VN008700 DI ODE 1SS270A D9 VN008700 DI ODE 1SS270A D10 VN008700 DI ODE 1SS270A D11 VN008700 DI ODE 1SS270A D12 VN008700 DI ODE 1SS270A D13 VD631600 DI ODE 1SS133, 176 D14 VD631600 DI ODE 1SS133, 176 D15 VG440300 DI ODE. ZENR MTZJ 12C 12V D16 VG440300 DI ODE. ZENR MTZJ 12C 12V D17 VG443200 DI ODE. ZENR MTZ J 30. 0A 30. 0V D18 VN008700 DI ODE 1SS270A D19 VN008700 DI ODE 1SS270A D20 VN008700 DI ODE 1SS270A D21 VG440300 DI ODE. ZENR MTZJ 12C 12V D22 VG440300 DI ODE. ZENR MTZJ 12C 12V D23 VN008700 DI ODE 1SS270A D24 VN008700 DI ODE 1SS270A D25 VG437200 DI ODE. ZENR MTZJ 4. 7C 4. 7V D26 VD631600 DI ODE 1SS133, 176 D27 VD631600 DI ODE 1SS133, 176 D28 VD631600 DI ODE 1SS133, 176 D151 VG440300 DI ODE. ZENR MTZJ 12C 12V D152 VG440300 DI ODE. ZENR MTZJ 12C 12V D153 VG440300 DI ODE. ZENR MTZJ 12C 12V D154 VG440300 DI ODE. ZENR MTZJ 12C 12V s D201 VM702000 DI ODE. BRG S5VB20 3. 5A 200V D202 VD631600 DI ODE 1SS133, 176( RT) D203 VG439900 DI ODE. ZENR MTZJ 11B 11V( RT) s D204 VS997800 DI ODE 1T2 s D205 VS997800 DI ODE 1T2 s D206 VS997800 DI ODE 1T2 s D207 VS997800 DI ODE 1T2 D208 VV307700 DI ODE 1N4002S( RT) D209 VV307700 DI ODE 1N4002S D210 VV307700 DI ODE 1N4002S D211 VV307700 DI ODE 1N4002S D212 VV307700 DI ODE 1N4002S G2 VR463400 TERM. GND D3. 5 TP00385 G201 VR463400 TERM. GND D3. 5 TP00385 HS201 VR506800 HEAT. SI NK PUH16- 25( RT) L1 VU038200 COI L 0. 95uH L2 VU038200 COI L 0. 95uH L3 V2604200 COI L 1uH L4 V2604200 COI L 1uH L5 VU038200 COI L 0. 95uH PJ 1 VP768000 J ACK. PI N 2P PJ 2 VK437600 J ACK. PI N 1P PJ 151 VJ 249500 J ACK. PI N 4P * PJ 152 V6125900 J ACK. PI N WH/RED LPR6520- 351 PN1 V3750200 PI N L=70 PN2 V3750200 PI N L=70 PN3 V3750200 PI N L=70 PN151 V3750200 PI N L=70 PN152 V3750200 PI N L=70 PN153 V3750200 PI N L=70 PN202 V3750200 PI N L=70 s Q1 VK432900 TR 2SD1915F S, T s Q2 VK432900 TR 2SD1915F S, T s Q3 VK432900 TR 2SD1915F S, T s Q4 VK432900 TR 2SD1915F S, T s Q5 VK432900 TR 2SD1915F S, T s Q6 VS883300 TR 2SB1565 E, F s Q7 VP883000 TR 2SA893A D, E Q8 VP883000 TR 2SA893A D, E s Q9 V4096100 TR 2SC4614 S, T s Q10 V4096000 TR 2SA1770 S, T s Q11 V4096100 TR 2SC4614 S, T s Q12 V4096000 TR 2SA1770 S, T s Q13 V4096100 TR 2SC4614 S, T s Q14 V4096000 TR 2SA1770 S, T s Q15 V4096100 TR 2SC4614 S, T s Q16 V4096000 TR 2SA1770 S, T s Q17 V4096100 TR 2SC4614 S, T s Q18 V4096000 TR 2SA1770 S, T s Q19 VY760300 TR. PAI R 2SA1492/C3856 OPY Q20 VP883100 TR 2SC1890A D, E s Q22 VY760300 TR. PAI R 2SA1492/C3856 OPY Q23 VP883100 TR 2SC1890A D, E s Q25 VY760300 TR. PAI R 2SA1492/C3856 OPY Q26 VP883100 TR 2SC1890A D, E s Q28 VY760300 TR. PAI R 2SA1492/C3856 OPY Q29 VP883100 TR 2SC1890A D, E s Q31 VY760300 TR. PAI R 2SA1492/C3856 OPY Q32 VP883100 TR 2SC1890A D, E Q34 i C1815I 0 TR 2SC1815 Y Q35 VP883000 TR 2SA893A D, E s Q36 i A1015I 0 TR 2SA1015 Y Q37 i C1815I 0 TR 2SC1815 Y Q151 i C1815I 0 TR 2SC1815 Y Q154 i C1815I 0 TR 2SC1815 Y Q201 VR510800 TR 2SD2396 J , K( RT) Q202 i E102620 FET 2SK246 Y( RT) Q203 VR510800 TR 2SD2396 J , K( RT) R1 V3946100 R. MTL. OXD 2. 7KΩ 0. 5W R2 V3945100 R. MTL. OXD 390Ω 0. 5W R3 V3945500 R. MTL. OXD 820Ω 0. 5W R4 VP941600 R. MTL. OXD 5. 6KΩ 1W R5 VP941600 R. MTL. OXD 5. 6KΩ 1W R6 V3946100 R. MTL. OXD 2. 7KΩ 0. 5W R7 V3945100 R. MTL. OXD 390Ω 0. 5W R8 V3945500 R. MTL. OXD 820Ω 0. 5W R9 VP941600 R. MTL. OXD 5. 6KΩ 1W R10 VP941600 R. MTL. OXD 5. 6KΩ 1W R11 V3946100 R. MTL. OXD 2. 7KΩ 0. 5W R12 V3945100 R. MTL. OXD 390Ω 0. 5W R13 V3945500 R. MTL. OXD 820Ω 0. 5W R14 VP941600 R. MTL. OXD 5. 6KΩ 1W R15 VP941600 R. MTL. OXD 5. 6KΩ 1W R16 V3946100 R. MTL. OXD 2. 7KΩ 0. 5W R17 V3945100 R. MTL. OXD 390Ω 0. 5W P.C.B. MAIN www. xiaoyu163. com QQ 376315150 9 9 2 8 9 4 2 9 8 TEL 13942296513 9 9 2 8 9 4 2 9 8 0 5 1 5 1 3 6 7 3 Q Q TEL 13942296513 QQ 376315150 892498299 TEL 13942296513 QQ 376315150 892498299 http://www.xiaoyu163.com RX-V1000/RX-V1000RDS Schm Ref. PART NO. Description ✻ New Parts Schm Ref. PART NO. Description ✻ New Parts 82 R18 V3945500 R. MTL. OXD 820Ω 0. 5W R19 VP941600 R. MTL. OXD 5. 6KΩ 1W R20 VP941600 R. MTL. OXD 5. 6KΩ 1W R21 V3946100 R. MTL. OXD 2. 7KΩ 0. 5W R22 V3945100 R. MTL. OXD 390Ω 0. 5W R23 V3945500 R. MTL. OXD 820Ω 0. 5W R24 VP941600 R. MTL. OXD 5. 6KΩ 1W R25 VP941600 R. MTL. OXD 5. 6KΩ 1W R26 HV755100 R. CAR. FP 100Ω 1/4W s R30 VP939700 R. MTL. FLM 4. 7Ω 1W R31 V3945600 R. MTL. OXD 1KΩ 0. 5W s R32 V3944800 R. MTL. OXD 220Ω 0. 5W s R35 VP939700 R. MTL. FLM 4. 7Ω 1W R36 HV755100 R. CAR. FP 100Ω 1/4W s R37 VP939700 R. MTL. FLM 4. 7Ω 1W R38 V3945600 R. MTL. OXD 1KΩ 0. 5W s R39 V3944800 R. MTL. OXD 220Ω 0. 5W s R42 VP939700 R. MTL. FLM 4. 7Ω 1W R43 HV755100 R. CAR. FP 100Ω 1/4W s R44 HV754100 R. CAR. FP 10Ω 1/4W R45 V3945600 R. MTL. OXD 1KΩ 0. 5W s R46 V3944800 R. MTL. OXD 220Ω 0. 5W s R47 HV754100 R. CAR. FP 10Ω 1/4W R48 HV755100 R. CAR. FP 100Ω 1/4W s R49 HV754100 R. CAR. FP 10Ω 1/4W R50 V3945600 R. MTL. OXD 1KΩ 0. 5W s R51 V3944800 R. MTL. OXD 220Ω 0. 5W s R52 HV754100 R. CAR. FP 10Ω 1/4W R53 HV755100 R. CAR. FP 100Ω 1/4W s R54 VP939800 R. MTL. OXD 10Ω 1W R55 V3945600 R. MTL. OXD 1KΩ 0. 5W s R56 V3944800 R. MTL. OXD 220Ω 0. 5W s R57 VP939800 R. MTL. OXD 10Ω 1W s R58 HV754100 R. CAR. FP 10Ω 1/4W s R62 HV756150 R. CAR. FP 1. 5KΩ 1/4W s R65 V3873200 R. WW 0. 22Ω 3W s R68 VP939800 R. MTL. OXD 10Ω 1W s R72 V3873200 R. WW 0. 22Ω 3W s R73 VP939800 R. MTL. OXD 10Ω 1W s R77 VU981700 R. MTL. PLAT 0. 22Ω +0. 22 3W s R78 VP939800 R. MTL. OXD 10Ω 1W s R83 VU981700 R. MTL. PLAT 0. 22Ω +0. 22 3W s R84 VP939800 R. MTL. OXD 10Ω 1W s R86 V3873200 R. WW 0. 22Ω 3W s R89 VP939800 R. MTL. OXD 10Ω 1W R95 HV754100 R. CAR. FP 10Ω 1/4W R98 HV754100 R. CAR. FP 10Ω 1/4W R101 HV754100 R. CAR. FP 10Ω 1/4W R103 HV754100 R. CAR. FP 10Ω 1/4W R106 HV754100 R. CAR. FP 10Ω 1/4W s R107 VP939700 R. MTL. FLM 4. 7Ω 1W s R108 VP939700 R. MTL. FLM 4. 7Ω 1W s R110 HV755100 R. CAR. FP 100Ω 1/4W s R111 HV756100 R. CAR. FP 1KΩ 1/4W s R112 VP940900 R. MTL. OXD 560Ω 1W s R113 VP940900 R. MTL. OXD 560Ω 1W s R114 VP939700 R. MTL. FLM 4. 7Ω 1W R134 HV753470 R. CAR. FP 4. 7Ω 1/4W( RTABGL) R135 HV753470 R. CAR. FP 4. 7Ω 1/4W( RTABGL) R136 HV753470 R. CAR. FP 4. 7Ω 1/4W( RTABGL) s R151 VP940900 R. MTL. OXD 560Ω 1W s R163 VP940900 R. MTL. OXD 560Ω 1W s R206 HV753100 R. CAR. FP 1Ω 1/4W s R207 HV753100 R. CAR. FP 1Ω 1/4W s RY1 VK438300 RELAY DH24D2- OT/M2 s RY2 VU566700 RELAY DG24D2- OS/M s RY151 VK438300 RELAY DH24D2- OT/M2 s RY152 VK438300 RELAY DH24D2- OT/M2 ST201 V4040500 SCR. TERM M3 SW201 V4104200 SW. SLI DE SL13B- 022- AMCS TE1 V5912000 TERM. SP 6P LTS0610( BGL) TE1 V5912100 TERM. SP 6P LTS0610( UCRTA) TE151 V5912200 TERM. SP 6P LTS0810( BGL) TE151 V5912300 TERM. SP 6P LTS0810( UCRTA) V5995800 PLATE. GND EP600140 SCR. BND. HD 3x10 MFZN2- BL( RT) * V6234800 P. C. B. POWER( UC) * V6234900 P. C. B. POWER( RT) * V6235000 P. C. B. POWER( A) * V6235100 P. C. B. POWER( B) * V6235200 P. C. B. POWER( G) * V6235300 P. C. B. POWER( L) CB1 V5906800 CN J ET 15P TE CB2 VQ963600 CN. BS. PI N 15P CB301 Vi 878400 CN. BS. PI N 6P CB302 VP206500 HOLDER. FUS EYF- 52BCT( GL) CB303 VP206500 HOLDER. FUS EYF- 52BCT( GL) CB304 VG879900 CN. BS. PI N 2P CB305 VP206500 HOLDER. FUS EYF- 52BCT CB306 VP206500 HOLDER. FUS EYF- 52BCT CB321 VP206500 HOLDER. FUS EYF- 52BCT( RT) CB322 VP206500 HOLDER. FUS EYF- 52BCT( RT) CB351 VQ584900 CN. BS. PI N 7P CB352 VQ584900 CN. BS. PI N 7P CB353 VK026800 CN. BS. PI N 9P CB551 VQ961300 CN. BS. PI N 10P CB552 VQ961400 CN. BS. PI N 11P CB591 VQ963100 CN. BS. PI N 10P CB592 VQ961300 CN. BS. PI N 10P CB593 VQ963200 CN. BS. PI N 11P CB594 VQ961400 CN. BS. PI N 11P C1 UU137470 C. EL 47uF 16V C2 UU137470 C. EL 47uF 16V C3 VF466800 C. CE. TUBLR 100pF 50V C4 VF466800 C. CE. TUBLR 100pF 50V C5 VF467300 C. CE. TUBLR 0. 01uF 16V C6 VF466800 C. CE. TUBLR 100pF 50V C7 VF467000 C. CE. TUBLR 1000pF 50V C8 VF466800 C. CE. TUBLR 100pF 50V C11 VG278600 C. CE. TUBLR 330pF 50V( BG) C12 VG278600 C. CE. TUBLR 330pF 50V( BG) C13 VG278800 C. CE. TUBLR 560pF 50V( BG) C14 UU137470 C. EL 47uF 16V( BG) C15 UU137470 C. EL 47uF 16V( BG) C16 VA761100 C. CE 27pF 50V( BG) C17 VA761100 C. CE 27pF 50V( BG) C18 VJ 599000 C. CE. TUBLR 0. 047uF 16V( BG) C19 UU137470 C. EL 47uF 16V( BG) C301 Vi 716700 C. MYLAR 0. 01uF 50V( RT) C302 VL884600 C. PP 0. 01uF 100V( UCABGL) C303 Vi 716700 C. MYLAR 0. 01uF 50V( RT) s C304 V3501400 C. CE. SAFTY 0. 01uF 275V C351 UA655100 C. MYLAR 0. 1uF 50V P.C.B. MAIN & P.C.B. POWER www. xiaoyu163. com QQ 376315150 9 9 2 8 9 4 2 9 8 TEL 13942296513 9 9 2 8 9 4 2 9 8 0 5 1 5 1 3 6 7 3 Q Q TEL 13942296513 QQ 376315150 892498299 TEL 13942296513 QQ 376315150 892498299 http://www.xiaoyu163.com RX-V1000/RX-V1000RDS Schm Ref. PART NO. Description ✻ New Parts Schm Ref. PART NO. Description ✻ New Parts 83 C352 UA655100 C. MYLAR 0. 1uF 50V C353 UA655100 C. MYLAR 0. 1uF 50V C354 UA655100 C. MYLAR 0. 1uF 50V C355 UU149680 C. EL 6800uF 25V C356 UU149470 C. EL 4700uF 25V C357 UU13A100 C. EL 10000uF 16V C358 UU13A100 C. EL 10000uF 16V C359 UU13A100 C. EL 10000uF 16V C360 UU139680 C. EL 6800uF 16V C361 UU139680 C. EL 6800uF 16V C362 UU13A100 C. EL 10000uF 16V C363 UU147100 C. EL 10uF 25V C364 UU147100 C. EL 10uF 25V C365 UU138100 C. EL 100uF 16V C366 UU138100 C. EL 100uF 16V C367 UU147100 C. EL 10uF 25V C368 UU138100 C. EL 100uF 16V C369 UU147100 C. EL 10uF 25V C370 UU147100 C. EL 10uF 25V C371 UU138100 C. EL 100uF 16V C372 UU138100 C. EL 100uF 16V C551 VJ 599100 C. CE. TUBLR 0. 1uF 50V C552 VJ 599100 C. CE. TUBLR 0. 1uF 50V C553 UP652470 C. POL 470pF 100V C554 UP652470 C. POL 470pF 100V C555 UP652470 C. POL 470pF 100V C556 UP652470 C. POL 470pF 100V C557 UP652470 C. POL 470pF 100V C558 UP652470 C. POL 470pF 100V C559 UP652470 C. POL 470pF 100V C560 UP652470 C. POL 470pF 100V C561 UP652470 C. POL 470pF 100V C562 UP652470 C. POL 470pF 100V C563 UP652470 C. POL 470pF 100V C564 UP652470 C. POL 470pF 100V C565 UP652470 C. POL 470pF 100V C566 UP652470 C. POL 470pF 100V C567 UP652470 C. POL 470pF 100V( UCRTAL) C568 UP652470 C. POL 470pF 100V( UCRTAL) D1 VG437700 DI ODE. ZENR MTZJ 5. 6B 5. 6V D301 VD631600 DI ODE 1SS133, 176 s D351 V4269600 DI ODE. BRG D2SBA20 1. 5A 200V s D352 V4269600 DI ODE. BRG D2SBA20 1. 5A 200V s F301 VT942900 FUSE TH2. 5A 250V( GL) s F302 KB000790 FUSE T4. 0A 250V( ABGL) s F302 VS823300 FUSE T8. 0A 125V( UCRT) s F321 KB000790 FUSE T4. 0A 250V( RT) G1 VR463400 TERM. GND D3. 5 TP00385 I C1 XY534A00 I C LC72722( BG) s I C351 XJ 608A00 I C NJ M7812FA s I C352 XD343A00 I C NJ M79M12FA s I C353 XJ 607A00 I C NJ M7805FA 5V s I C354 XJ 604A00 I C NJ M78M05FA s I C355 XE436A00 I C NJ M79M05FA L1 Vi 546100 COI L 220uH( BG) PJ 551 V4199100 J ACK. PI N 6P PJ 552 VJ 696300 J ACK. PI N 4P PJ 553 V4199100 J ACK. PI N 6P( UCRTAL) PJ 553 VJ 696300 J ACK. PI N 4P( BG) PN351 V3750200 PI N L=70 PN352 V3750200 PI N L=70 Q1 i C1815I 0 TR 2SC1815 Y Q2 i C174020 TR 2SC1740S R, S( BG) Q301 i C174020 TR 2SC1740S R, S s R355 HV753100 R. CAR. FP 1Ω 1/4W s R356 HV753100 R. CAR. FP 1Ω 1/4W s R357 VP939500 R. MTL. FLM 1Ω 1W s R358 VP939500 R. MTL. FLM 1Ω 1W s R359 VP939500 R. MTL. FLM 1Ω 1W s RY301 V6017400 RELAY DC SDT- S- 112LMR2 ST301 V4040500 SCR. TERM M3 ST351 V4040500 SCR. TERM M3 SW321 VA961800 VOLT. SELCT ESE- 37247- F( RT) SW551 VY811700 SW. SLI DE ( RT) s T301 XZ228A00 TRANS. PWR ( UC) s T301 XZ229A00 TRANS. PWR ( RT) s T301 XZ230A00 TRANS. PWR ( A) s T301 XZ231A00 TRANS. PWR ( BGL) s TE301 V5867400 OUTLET. AC 2P( RT) s TE301 VT915000 OUTLET. AC 2P( A) s TE301 VU543100 OUTLET. AC 2P( UC) s TE301 VU543300 OUTLET. AC 1P( B) s TE301 VU543400 OUTLET. AC 2P( GL) XL1 V3930900 RSNR. CRYS 4. 332MHz( BG) P.C.B. POWER www. xiaoyu163. com QQ 376315150 9 9 2 8 9 4 2 9 8 TEL 13942296513 9 9 2 8 9 4 2 9 8 0 5 1 5 1 3 6 7 3 Q Q TEL 13942296513 QQ 376315150 892498299 TEL 13942296513 QQ 376315150 892498299 http://www.xiaoyu163.com RX-V1000/RX-V1000RDS Schm Ref. PART NO. Description ✻ New Parts Schm Ref. PART NO. Description ✻ New Parts 84 RD350000 R. CAR. CHP 0Ω 1/10W RD353100 R. CAR. CHP 1Ω 1/10W RD353220 R. CAR. CHP 2. 2Ω 1/10W RD354330 R. CAR. CHP 33Ω 1/10W RD354470 R. CAR. CHP 47Ω 1/16W RD354680 R. CAR. CHP 68Ω 1/16W RD354750 R. CAR. CHP 75Ω 1/10W RD354820 R. CAR. CHP 82Ω 1/10W RD355100 R. CAR. CHP 100Ω 1/10W RD355120 R. CAR. CHP 120Ω 1/10W RD355150 R. CAR. CHP 150Ω 1/10W RD355220 R. CAR. CHP 220Ω 1/10W RD355330 R. CAR. CHP 330Ω 1/10W RD355470 R. CAR. CHP 470Ω 1/10W RD355510 R. CAR. CHP 510Ω 1/16W RD355560 R. CAR. CHP 560Ω 1/16W RD355680 R. CAR. CHP 680Ω 1/10W RD355820 R. CAR. CHP 820Ω 1/10W RD355910 R. CAR. CHP 910Ω 1/16W RD356100 R. CAR. CHP 1KΩ 1/10W RD356120 R. CAR. CHP 1. 2KΩ 1/10W RD356150 R. CAR. CHP 1. 5KΩ 1/10W RD356180 R. CAR. CHP 1. 8KΩ 1/10W RD356200 R. CAR. CHP 2KΩ 1/10W RD356220 R. CAR. CHP 2. 2KΩ 1/10W RD356270 R. CAR. CHP 2. 7KΩ 1/10W RD356330 R. CAR. CHP 3. 3KΩ 1/10W RD356430 R. CAR. CHP 4. 3KΩ 1/10W RD356470 R. CAR. CHP 4. 7KΩ 1/10W RD356510 R. CAR. CHP 5. 1KΩ 1/10W RD356560 R. CAR. CHP 5. 6KΩ 1/10W RD356680 R. CAR. CHP 6. 8KΩ 1/10W RD356750 R. CAR. CHP 7. 5KΩ 1/10W RD356820 R. CAR. CHP 8. 2KΩ 1/10W RD356910 R. CAR. CHP 9. 1Ω 1/10W RD357100 R. CAR. CHP 10KΩ 1/10W RD357150 R. CAR. CHP 15KΩ 1/10W RD357180 R. CAR. CHP 18KΩ 1/10W RD357220 R. CAR. CHP 22KΩ 1/10W RD357270 R. CAR. CHP 27KΩ 1/10W RD357470 R. CAR. CHP 47KΩ 1/10W RD357560 R. CAR. CHP 56KΩ 1/10W RD357680 R. CAR. CHP 68KΩ 1/10W RD357820 R. CAR. CHP 82KΩ 1/10W RD358100 R. CAR. CHP 100KΩ 1/10W RD358120 R. CAR. CHP 120KΩ 1/10W RD358220 R. CAR. CHP 220KΩ 1/10W RD358330 R. CAR. CHP 330KΩ 1/16W RD358470 R. CAR. CHP 470KΩ 1/10W RD358680 R. CAR. CHP 680KΩ 1/10W RD359100 R. CAR. CHP 1MΩ 1/10W RD359220 R. CAR. CHP 2. 2MΩ 1/10W Chip Resistors www. xiaoyu163. com QQ 376315150 9 9 2 8 9 4 2 9 8 TEL 13942296513 9 9 2 8 9 4 2 9 8 0 5 1 5 1 3 6 7 3 Q Q TEL 13942296513 QQ 376315150 892498299 TEL 13942296513 QQ 376315150 892498299 http://www.xiaoyu163.com A B C D E F G H I J 1 2 3 4 5 6 7 RX-V1000/RX-V1000RDS 86 85 I EXPLODED VIEW 172 R,T only 175 2-59 136 136 143 132 133 136 136 137 167 144 120 120 166 166 172 172 172 172 161 112 172 172 172 161 117 148 161 166 114 161 161 168 161 161 161 170 173 103 167 174 113 161 174 136 139 164 172 111 115 172 140 118 116 141 161 109 102 167 147 161 161 110 165 135 172 172 171 172 101 169 172 171 142 134 2-31 1-1 1-7 1-4 1-6 1-5 2-37 2-36 2-57 2-29 2-30 2-28 2-55 2-55 2-33 2-54 2-57 2-22 2-55 2-55 2-42 2-36 2-57 2-37 2-32 2-56 2-58 2-38 2-34 2-55 2-40 2-57 2-25 2-55 2-57 2-21 2-56 2-57 2-52 2-1 2-1 2-1 3-1 3-1 2-1 2-1 2-1 2-56 3-25 3-33 3-21 3-22 3-1 3-11 3-31 2-13 2-11 2-41 2-26 2-27 2-57 2-12 6 6 28 14 27 25 30 31 11 29 17 16 26 6 6 6 8 6 6 6 6 7 9 9 9 (3) (4) (6) (2) (7) (5) (4) (4) (7) (8) (9) (2) (3) (1) 146 145 (1) 161 119 (1) 3-1 3-1 (2) (5) (2) 2-1 (1) (5) (1) (3) 21 U,C models U,C models U,R,B,G,T models U,R,B,G,T models A,B,G,L models 200 202 204 203 200-1 200-2 177 140 2-60 w w w . x i a o y u 1 6 3 . c o m Q Q 3 7 6 3 1 5 1 5 0 9 9 2 8 9 4 2 9 8 T E L 1 3 9 4 2 2 9 6 5 1 3 9 9 2 8 9 4 2 9 8 0 5 1 5 1 3 6 7 3 Q Q TEL 13942296513 QQ 376315150 892498299 TEL 13942296513 QQ 376315150 892498299 http://www.xiaoyu163.com 2- 60 VJ 204800 PW HEAD S- TI TE SCREW 3x6- 8 FCRM3- BL * 3- 1 V6239400 P. C. B. ASS’ Y MAI N ( UC) * 3- 1 V6239500 P. C. B. ASS’ Y MAI N ( RT) * 3- 1 V6239600 P. C. B. ASS’ Y MAI N ( A) * 3- 1 V6239700 P. C. B. ASS’ Y MAI N ( BGL) 3- 11 V5994800 HEAT SI NK 3- 21 V2461000 SUPPORT, TR 3- 22 VV849300 SHEET 19x24 3- 25 VQ368600 PUSH RI VET P3555- B 3- 31 VK173200 SCREW, TRANSI STOR 3x15 SP FCM3 3- 33 VT669300 PW HEAD B- TI TE SCREW 3x8- 8 MFC2 * 6 V6234800 P. C. B. ASS’ Y POWER ( C) * 6 V6234900 P. C. B. ASS’ Y POWER ( RT) * 6 V6235000 P. C. B. ASS’ Y POWER ( A) * 6 V6235100 P. C. B. ASS’ Y POWER ( B) * 6 V6235200 P. C. B. ASS’ Y POWER ( G) * 6 V6235300 P. C. B. ASS’ Y POWER ( L) * 7 V6235700 P. C. B. ASS’ Y DSP ( RLT) * 7 V6235800 P. C. B. ASS’ Y DSP ( UCABG) * 8 V6242000 P. C. B. ASS’ Y FUNCTI ON ( UC) * 8 V6242100 P. C. B. ASS’ Y FUNCTI ON ( RT) * 8 V6242200 P. C. B. ASS’ Y FUNCTI ON ( AL) * 8 V6242300 P. C. B. ASS’ Y FUNCTI ON ( BG) * 9 V6252600 P. C. B. ASS’ Y VI DEO ( U) * 9 V6252700 P. C. B. ASS’ Y VI DEO ( RT) * 9 V6252800 P. C. B. ASS’ Y VI DEO ( AL) * 9 V6252900 P. C. B. ASS’ Y VI DEO ( BG) * 9 V6674800 P. C. B. ASS’ Y VI DEO ( C) 11 V6166300 AM/FM TUNER TFCE1U213A U ( UCRT) 11 V6166400 AM/FM TUNER TFCE1E213A G ( ABGL) s 14 XZ277A00 POWER TRANSFORMER ( U) s 14 XZ278A00 POWER TRANSFORMER ( C) s 14 XZ279A00 POWER TRANSFORMER ( RT) s 14 XZ280A00 POWER TRANSFORMER ( A) s 14 XZ281A00 POWER TRANSFORMER ( BGL) s 16 V2296800 POWER CORD ASS’ Y ( A) s 16 V2363800 POWER CORD ASS’ Y ( UC) s 16 VN363700 POWER CORD ASS’ Y ( GL) s 16 VV437300 POWER CORD ASS’ Y ( B) s 16 VZ542500 POWER CORD ASS’ Y ( RT) 17 V2438700 CORD STOPPER 10P1 21 VU590000 BI NDI NG TI E CBTD001B ( RT) 25 MF111160 FLEXI BLE FLAT CABLE 11P 160mm 26 MF112100 FLEXI BLE FLAT CABLE 12P 100mm P=1. 25 27 MF112200 FLEXI BLE FLAT CABLE 12P 200mm 28 MF114100 FLEXI BLE FLAT CABLE 14P 100mm 29 MF115070 FLEXI BLE FLAT CABLE 15P 70mm P=1. 25 30 MF211300 S FLEXI BLE FLAT CABLE 11P 300mm 31 MF231100 S FLEXI BLE FLAT CABLE 31P 100mm P=1. 25 101 V5994000 TOP COVER BL 101 V5994100 TOP COVER GD 102 V5994300 CHASSI S * 103 V5997100 REAR PANEL ( U) 87 88 RX-V1000/RX-V1000RDS ✻ New Parts Ref. No. PART NO. Description Remarks Markets I MECHANICAL PARTS * 1- 1 V5999400 FRONT PANEL RX- V1000RDSGD * 1- 1 V5999200 FRONT PANEL RX- V1000GD * 1- 1 V5999100 FRONT PANEL RX- V1000BL * 1- 1 V5999300 FRONT PANEL RX- V1000RDSBL 1- 4 V6003800 ESCUTCHOEN/POWER BL 1- 4 V6003900 ESCUTCHOEN/POWER GD 1- 5 V6004200 ESCUTCHOEN/I NPUT GD 1- 5 V6004100 ESCUTCHOEN/I NPUT BL 1- 6 V6004400 ESCUTCHOEN/D5 1- 7 V6034200 EMBLEM GD 1- 7 V6034100 EMBLEM BL * 2- 1 V6292400 P. C. B. ASS’ Y OPERATI ON ( UCRALT) * 2- 1 V6292500 P. C. B. ASS’ Y OPERATI ON ( BG) 2- 11 MF117160 FLEXI BLE FLAT CABLE 17P 160mm 2- 12 MF211250 S FLEXI BLE FLAT CABLE 11P 250mm P=1. 25 2- 13 MF219180 S FLEXI BLE FLAT CABLE 19P 180mm P=1. 25 2- 21 V5994400 SUB CHASSI S 2- 22 V6000000 SUB PANEL/CASE RX- V1000BL 2- 22 V6019600 SUB PANEL/CASE RX- V1000RDSBL 2- 22 V6019700 SUB PANEL/CASE RX- V1000RDSGD 2- 22 V6000100 SUB PANEL/CASE RX- V1000GD 2- 25 V6000600 BUTTON/P BL 2- 25 V6000700 BUTTON/P GD 2- 26 V6000400 BUTTON/I NPUT GD 2- 26 V6000300 BUTTON/I NPUT BL 2- 27 V6004600 ESCUTCHEON/VOL GD 2- 27 V6004500 ESCUTCHEON/VOL BL * 2- 28 V6019300 PANEL/LI D AN BL * 2- 28 V6019400 PANEL/LI D AN GD * 2- 29 V6006200 PLATE/SP RX- V1000BL * 2- 29 V6006400 PLATE/SP RX- V1000RDSBL * 2- 29 V6006500 PLATE/SP RX- V1000RDSGD * 2- 29 V6006300 PLATE/SP RX- V1000GD 2- 30 V6005100 HI NGE, L GD 2- 30 V6005000 HI NGE, L BL 2- 31 V6005300 HI NGE, R BL 2- 31 V6005400 HI NGE, R GD 2- 32 V4593300 SPRI NG/LI D 2- 33 VZ830300 DAMPER/GEAR 15G 2- 34 VQ368600 PUSH RI VET P3555- B 2- 36 VY940400 CUSHI ON, LI D T=0. 8 2- 37 VV982000 DAMPER 1x12x12 2- 38 V5997900 SUPPORT/HP 2- 40 V5998100 STOPPER/PCB 2- 41 V5998200 EARTH COVER * 2- 42 V5998000 SUPPORT/REC 2- 52 VN413300 BI ND HEAD BONDI NG B- T. SCREW 3x8 MFZN2- BL 2- 54 VG893800 BI ND HEAD P- TI TE SCREW 2x6 ZMC2- BL 2- 55 VG863900 BI ND HEAD TAPPI NG SCREW 2. 6x6 ZMC2- BL 2- 56 EP630290 BI ND HEAD P- TI TE SCREW 3x6 FCRM3- BL 2- 57 EP600830 BI ND HEAD B- TI TE SCREW 3x8 FCRM3- BL 2- 58 V6722700 SHEET/SHI ELD 2- 59 V6774400 TAPE/GND ✻ New Parts Ref. No. PART NO. Description Remarks Markets w w w . x i a o y u 1 6 3 . c o m Q Q 3 7 6 3 1 5 1 5 0 9 9 2 8 9 4 2 9 8 T E L 1 3 9 4 2 2 9 6 5 1 3 9 9 2 8 9 4 2 9 8 0 5 1 5 1 3 6 7 3 Q Q TEL 13942296513 QQ 376315150 892498299 TEL 13942296513 QQ 376315150 892498299 http://www.xiaoyu163.com RX-V1000/RX-V1000RDS * 103 V5997200 REAR PANEL ( C) * 103 V5997300 REAR PANEL ( RT) * 103 V5997400 REAR PANEL ( A) * 103 V5997500 REAR PANEL ( L) * 103 V5997700 REAR PANEL ( B) * 103 V5997800 REAR PANEL ( G) 109 V5994600 SHI ELD CASE 110 V5994700 SHI ELD CASE COVER 111 V2460900 FRAME 112 V5994500 FRAME/TRANSFORMER 113 V5995100 FRAME/L 114 V5995200 SUPPORT/TOP 115 V5995300 SUPPORT/PCB- R 116 V5995400 SUPPORT/PCB- FRONT 117 V5995600 SUPPORT/PCB- TOP 118 V6940700 SUPPORT/ST 119 VQ775900 GROUND PLATE ( UC) 120 V0042500 LEG D60xH21 GD 120 VS025000 LEG D60xH21 BL, TI 132 V6068000 KNOB/D43 BL 132 V6068100 KNOB/D43 GD 133 V6001300 KNOB D20 BL 133 V6001400 KNOB D20 GD 134 V6001600 KNOB D15 BL 134 V6001700 KNOB D15 GD 135 V6001900 BUTTON D5 BL 135 V6002000 BUTTON D5 GD 136 VQ368600 PUSH RI VET P3555- B 137 VQ368500 PUSH RI VET 139 V5454200 DAMPER 2/10/260 140 V2879500 SPACER PCB- M 141 VR264400 SPACER H8 142 V6006700 SHEET, WI NDOW 143 V6002500 PLATE/SI DE L BL 143 V6002700 PLATE/SI DE L GD 144 V6002900 PLATE/SI DE R BL 144 V6003000 PLATE/SI DE R GD * 145 V6742100 DAMPER 2/7. 5/230RX- V800ML ( URBGT) * 146 V6742200 DAMPER 2/4/264 RX- V800ML ( URBGT) * 147 V6742300 DAMPER 3/30/60 RX- V800ML * 148 V6742400 DAMPER 3/10/50 RX- V800ML ( UC) 161 VN413300 BI ND HEAD BONDI NG B- T. SCREW 3x8 MFZN2- BL 164 VT669400 PW HEAD B- TI TE SCREW 3x15- 8 MFC2 165 21991500 PW HEAD S- TI TE SCREW 4x8- 10 FCRM3- BL 166 EP600250 BI ND HEAD B- TI TE SCREW 3x8 ZMC2- Y 167 VT669300 PW HEAD B- TI TE SCREW 3x8- 8 MFC2 168 VY731200 BONDI NG HEAD TAPPI NG SCREW 3x10 MFNI 33 169 VK522000 SPECI AL SCREW S- TI TE 4x8- 10 FCRM3- BL BL 169 VZ893000 DECORATED SCREW S- TI GHT 4x8- 10 MFNI - 33 GD 170 AA627310 GROUND TERMI NAL 171 21991500 PW HEAD S- TI TE SCREW 4x8- 10 FCRM3- BL BL 171 VD069600 PW HEAD S- TI TE SCREW 4x8- 10 MFNI - 33 GD 172 EP630210 BI ND HEAD S- TI TE SCREW 3x6 ZMC2- BL ✻ New Parts Ref. No. PART NO. Description Remarks Markets 89 www. xiaoyu163. com QQ 376315150 9 9 2 8 9 4 2 9 8 TEL 13942296513 9 9 2 8 9 4 2 9 8 0 5 1 5 1 3 6 7 3 Q Q TEL 13942296513 QQ 376315150 892498299 TEL 13942296513 QQ 376315150 892498299 http://www.xiaoyu163.com RX-V1000/RX-V1000RDS 90 ✻ New Parts Ref. No. PART NO. Description Remarks Markets * 173 V6509600 J ACK SCREW SS6- A47511848 174 VJ 204800 PW HEAD S- TI TE SCREW 3x6- 8 FCRM3- BL 175 V6957300 SPACER 9x35x11. 6 177 V7055200 SHEET/BARRI ER ( ABGL) ACCESSORI ES * 200 V6283500 REMOTE CONTROL TRANSMI TTER RAV222 * 200- 1 AAX20900 BATTERY COVER 103RRC- 170- 02R * 200- 2 AAX20890 SLI DE COVER 103RRC- 171- 02R 202 V6267000 ANTENNA, FM 1. 4m ( RTC) 202 VQ147100 ANTENNA, FM 1. 4m ( GL) 203 VR248500 ANTENNA, AM LOOP 1. 0m 204 VE364900 ANTENNA ADAPTER PAL 75- 300Ω ( B) BATTERY ( MANGANESE DRY) R6PPTT/3ST( R6P) www. xiaoyu163. com QQ 376315150 9 9 2 8 9 4 2 9 8 TEL 13942296513 9 9 2 8 9 4 2 9 8 0 5 1 5 1 3 6 7 3 Q Q TEL 13942296513 QQ 376315150 892498299 TEL 13942296513 QQ 376315150 892498299 http://www.xiaoyu163.com RX-V1000/RX-V1000RDS 10mm HJ35 1/4W Type 5mm HF85 1/6W Type HF45 1/4W Type Value 1/4W Type Part No. 1/6W Type Part No. 10 k HF45 7100 HF45 7100 11 k HF45 7110 HF45 7110 12 k HJ35 7120 HF85 7120 13 k HF45 7130 HF45 7130 15 k HF45 7150 HF45 7150 18 k HF45 7180 HF45 7180 22 k HF45 7220 HF45 7220 24 k HF45 7240 HF45 7240 27 k HJ35 7270 HF85 7270 30 k HF45 7300 HF45 7300 33 k HF45 7330 HF45 7330 36 k HF45 7360 HF45 7360 39 k HF45 7390 HF45 7390 47 k HF45 7470 HF45 7470 51 k HF45 7510 HF45 7510 56 k HF45 7560 HF45 7560 62 k HF45 7620 HF45 7620 68 k HF45 7680 HF45 7680 82 k HF45 7820 HF45 7820 91 k HF45 7910 HF45 7910 100 k HF45 8100 HF45 8100 110 k HF45 8110 HF45 8110 120 k HF45 8120 HF45 8120 150 k HF45 8150 HF45 8150 180 k HF45 8180 HF45 8180 220 k HJ35 8220 HF85 8220 270 k HF45 8270 HF45 8270 300 k HF45 8300 HF45 8300 330 k HF45 8330 HF45 8330 390 k HJ35 8390 HF85 8390 470 k HF45 8470 HF45 8470 560 k HJ35 8560 HF85 8560 680 k HJ35 8680 HF85 8680 820 k HJ35 8820 HF85 8820 1.0 M HF45 9100 HF45 9100 1.2 M HJ35 9120 ❊ 1.5 M HJ35 9150 HF85 9150 1.8 M HJ35 9180 HF85 9180 2.2 M HJ35 9220 HF85 9220 3.3 M HJ35 9330 HF85 9330 3.9 M HJ35 9390 ❊ 4.7 M HJ35 9470 HF85 9470 Value 1/4W Type Part No. 1/6W Type Part No. 1.0 HJ35 3100 HF85 3100 1.8 HJ35 3180 ❊ 2.2 HJ35 3220 HF85 3220 3.3 HJ35 3330 HF85 3330 4.7 HJ35 3470 HF85 3470 5.6 HJ35 3560 HF85 3560 10 HF45 4100 HF45 4100 15 HJ35 4150 HF85 4150 22 HF45 4220 HF45 4220 27 HJ35 4270 HF85 4270 33 HF45 4330 HF45 4330 39 HJ35 4470 HF85 4390 47 HF45 4470 HF45 4470 56 HF45 4560 HF45 4560 68 HF45 4680 HF45 4680 75 HF45 4750 HF45 4750 82 HF45 4820 HF45 4820 91 HF45 4910 HF45 4910 100 HF45 5100 HF45 5100 110 HJ35 5110 HF85 5110 120 HF45 5120 HF45 5120 150 HF45 5150 HF45 5150 160 HJ35 5160 ❊ 180 HF45 5180 HF45 5180 200 HF45 5200 HF45 5200 220 HF45 5220 HF45 5220 270 HF45 5270 HF45 5270 330 HF45 5330 HF45 5330 390 HF45 5390 HF45 5390 430 HF45 5430 HF45 5430 470 HF45 5470 HF45 5470 510 HF45 5510 HF45 5510 560 HF45 5560 HF45 5560 680 HF45 5680 HF45 5680 820 HF45 5820 HF45 5820 910 HF45 5910 HF45 5910 1.0 k HF45 6100 HF45 6100 1.2 k HF45 6120 HF45 6120 1.5 k HF45 6150 HF45 6150 1.8 k HF45 6180 HF45 6180 2.0 k HJ35 6200 HF85 6200 2.2 k HF45 6220 HF45 6220 2.4 k HJ35 6240 HF85 6240 2.7 k HF45 6270 HF45 6270 3.0 k HF45 6300 HF45 6300 3.3 k HF45 6330 HF45 6330 3.6 k HJ35 6360 HF85 6360 3.9 k HF45 6390 HF45 6390 4.7 k HF45 6470 HF45 6470 5.1 k HF45 6510 HF45 6510 5.6 k HF45 6560 HF45 6560 6.8 k HF45 6680 HF45 6680 8.2 k HF45 6820 HF45 6820 9.1 k HF45 6910 HF45 6910 Parts List for Carbon Resistors ❊ : Not available 91 www. xiaoyu163. com QQ 376315150 9 9 2 8 9 4 2 9 8 TEL 13942296513 9 9 2 8 9 4 2 9 8 0 5 1 5 1 3 6 7 3 Q Q TEL 13942296513 QQ 376315150 892498299 TEL 13942296513 QQ 376315150 892498299 http://www.xiaoyu163.com I REMOTE CONTROL TRANSMITTER G SCHEMATIC DIAGRAM A B C D E 1 2 3 4 5 6 7 RX-V1000/RX-V1000RDS R45 R45 R45 R45 R45 R45 R45 R45 R45 R45 1kx11 81 P07 P07 T21 82 P06 P16 P13 P06 83 P05 P05 84 P04 P04 85 P03 P03 86 P02 P02 87 P01 P01 88 P00 P00 89 P107 P107 (KI. P. U.) 90 P106 P106 (KI. P. U.) 91 P105 P105 (KI. P. U.) 92 P104 P104 (KI. P. U.) 93 P103 P103 (P. U.) 94 P102 P102 (P. U.) 95 P101 P101 (P. U.) 96 AVss 97 P100 P107 : NOT MOUNTED P108 (P. U.) 98 Vref 99 AVcc 100 P97 (P. U.) P44 50 (P. U.) P45 49 (P. U.) P46 48 P47 47 P50 46 P51 45 P52 44 P53 43 P54 42 P55 41 P56 40 P57 39 P60 38 P61 37 P62 36 P63 35 P64 34 P65 33 P66 32 P67 31 P50 P51 P52 P53 P60 P61 P62 P63 P64 P65 P66 P67 3.3 BT J6 J6 J4 J3 (P. U.) P10 80 (P. U.) P11 79 (P. U.) P12 78 (P. U.) P13 77 (P. U.) P14 76 (P. U.) P15/INT3 75 (P. U.) P16/INT4 74 (P. U.) P17/INT5 73 P20 72 P21 71 P22 70 P23 69 P24 68 P25 67 P26 66 P27 65 Vss 64 P30 63 Vcc 62 P31 P32 P33 P34 P35 P36 P37 P40 P41 P42 P43 61 P24 P25 P26 P27 P20 P21 P22 P23 P30 P31 60 59 58 57 56 55 54 53 52 51 P34 P35 P32 P33 P36 P37 P40 P41 P42 P96 1 P95 2 P94 3 /WAKE UP /BUSY /DATA P93 4 P92 5 P91 6 P90 7 SYTE 8 CNVss 9 P87/Xcin (P. U.) 10 P86/Xcot (P. U.) 11 RESET 12 Xout 13 Vss 14 Xin 15 Vcc 16 P85/NMI 17 P84/INT2 (P. U.) 18 P83/INT1 19 P82/INT0 P81 P80 P77 P76 P75 P74 P73 P72 P71 P70 20 21 22 23 24 25 26 27 28 29 30 3.3 BT 4.5 C6 0.1µ T3 R36 100k 73 K73: LIGHT SW IC1 M30622MC-2D4FP 1k R43 1k R44 1k R42 1k R41 SW1 SW2 SW3 1k R57 /1ND1 C15 5p C16 5p 0 R56 X2 32.766 X1 8.0M 3.3 BT 8 P106 7 P105 6 P104 5 P103 4 P102 3 P101 2 P100 1 16 15 14 13 12 11 10 9 24 23 22 21 20 19 18 17 32 31 30 29 28 27 26 25 40 39 38 37 36 35 34 33 48 47 46 45 44 43 42 41 56 55 54 53 52 51 50 49 64 63 62 61 60 59 58 57 72 71 70 69 68 67 66 65 P00 T4 T5 T6 T7 T8 T9 T10 T11 T12 P01 P02 P03 P04 P05 P06 P07 P13 T16 T15 T14 T13 D27 D28 T20 T19 T18 T17 P16 1SS181x2 Q5 DTC114YKA R61 1kx2 FA1101Fx2 D21 R32 D22 JP1 D29 1SS161 Q6 DTC114YKA SLR-22VR INDICATOR D2 680 R3 1k R48 R2 82 Q1 2SC3265 Q2 2SC2712 Q7 DTA114YKA 3.3 4.5 D38 1SS164 JP2 R1 4.3 D1 S1D383C 4.5 C7 0.1µ C14 0.1µ 1 PB0 2 PB1 3 PB2 4 PB3 5 PB4 6 PB5 7 PB6 8 PB7 9 PA0 10 PA1 11 PA2 12 PA3 13 PA4 14 PA5 OSC1 28 OSC2 27 VDD 26 IRQ 25 /WAKE UP RESET 24 IRO 23 PVSS 22 LPRST 21 PC3 20 PC2 19 PC1 18 PC0 17 PA7 16 PA6 15 IC9 1k R58 R59 /DATA 1k /BUSY /INDI 3.3 1M R68 X2 4MHz T28 T27 R33 27k 3.3 R31 56k D24 RLS-73 R37 100k C5 470p D23 Q4 2SA1037 Q3 2SC2712 SPS-503C-3 Q8 DTA114YKA Q9 DTA114YKA 3.3 R28 10k R29 15k +C2 47µ R30 4.7k T25 T1 T2 T26 R34 470k 3.3 4.5 IC8 3.8V 2 3 1 V.D. IC8 3.8V 3 2 1 V.R. S81333HG T22 + C3 220µ + C1 47µ C12 0.1µ C13 0.1µ 3.3 BATT 1.5Vx3 D26 RB491D + C4 0.1 T23 R35 470k D25 RLS-73 IC7 2.7V 2 3 1 V.D. 3.3 BT RESET SW 45 COM1 COM1 46 COM2 COM2 47 COM3 COM3 48 COM4 COM4 49 COM5 COM5 50 COM6 COM6 51 COM7 COM7 52 COM8 COM8 53 COM9 54 COM10 55 COM11 56 COM12 57 COM13 58 COM14 59 COM15 30 CL2 32 M 24 V1 25 V2 26 V3 27 V4 28 V5 34 P50 R45 RS 35 P51 R/W 36 P52 E 37 P60 DB0 38 P61 DB1 39 P62 DB2 40 P63 DB3 41 P64 DB4 42 P65 DB5 43 P66 DB6 44 P67 P53 DB7 60 COM16 31 VDD 21 GND 33 D 29 CL1 SEG1 20 SEG2 19 SEG3 18 SEG4 17 SEG5 16 SEG6 15 SEG7 14 SEG8 13 SEG9 12 SEG10 11 SEG11 10 SEG12 9 SEG13 8 SEG14 7 SEG15 6 SEG16 5 SEG17 4 SEG18 3 SEG19 2 SEG20 1 SEG1 SEG2 SEG3 SEG4 SEG5 SEG6 SEG7 SEG8 SEG9 SEG10 SEG11 SEG12 SEG13 SEG14 SEG15 SEG16 SEG17 SEG18 SEG19 SEG20 SEG26 75 SEG27 74 SEG28 73 SEG29 72 SEG30 71 SEG31 70 SEG32 69 SEG33 68 SEG34 67 SEG35 66 SEG36 65 SEG37 64 SEG38 63 SEG39 62 SEG40 61 SEG21 80 SEG22 79 SEG23 78 SEG24 77 SEG25 76 SEG21 SEG22 SEG23 SEG24 SEG25 3.3 BT IC2 NJU6468FG1-00 LCD PANEL (COM8 x SEG25) 5 x 7 FONT x 5 DIGIT C8 0.1µ R24 68k R25 68k R26 68k R27 68k R22 4.7k T24 23 R23 91k ±2% OSC2 22 OSC1 COM1 COM2 COM3 COM4 COM5 COM6 COM7 COM8 COM1 COM2 COM3 COM4 COM5 COM1 COM2 COM3 COM4 COM5 COM1 COM2 COM3 COM4 COM5 COM1 COM2 COM3 COM4 COM5 COM1 COM2 COM3 COM4 COM5 92 www. xiaoyu163. com QQ 376315150 9 9 2 8 9 4 2 9 8 TEL 13942296513 9 9 2 8 9 4 2 9 8 0 5 1 5 1 3 6 7 3 Q Q TEL 13942296513 QQ 376315150 892498299 TEL 13942296513 QQ 376315150 892498299 http://www.xiaoyu163.com RX-V1000/RX-V1000RDS 93 Initial Code CLEAR LEARN MACRO RE-NAME TRANSMIT MACRO PHONO STANDBY SYSTEM POWER V-AUX TUNER MD/TAPE CD-R CD 6CH INPUT SOUND D-TV/LD CBL/SAT VCR 1 TITLE SELECT POWER REC STOP PAUSE PLAY ON SCREEN LEVEL SLEEP TEST PARAMETER SET MENU V628350 RAV222 HALL 1 DSP 10KEY HALL 2 CHURCH JAZZ CLUB TV THEATER A/B/C/D/E TV MUTE TV INPUT EFFECT MUTE PRESET PUSH PUSH DISC CH TV VOL VOLUME CHP/INDEX 6.1/ES MOVIE THEATER 1 MOVIE THEATER 2 ROCK CONCERT ENTER- TAINMENT CONCERT VIDEO 1 CONCERT VIDEO 2 SOURCE MENU DISPLAY SEARCH CHAPTER VCR2/DVR ENTER DVD A B OFF ON   /DTS SUR. 0 +10 +100 Key Key Name YPC DSP Zone No. *1 *2 1 –– –– –– –– 2 RE-NAME –– –– –– 3 CLEAR –– –– –– 4 LEARN –– –– –– 5 MACRO –– –– –– 6 SYSTEM POWER *7A-1D 7D-90 *7A-1D 7 STANDBY 7A-1E 7D-91 7A-1E 8 A –– –– –– 9 B –– –– –– 10 PHONO 7A-14 7D-88 7A-D0 11 V-AUX 7A-55 7D-8A 7A-D8 12 TUNER 7A-16 7D-89 7A-D2 13 MD/TAPE 7A-18 7D-8B 7A-D3 14 CD-R 7A-19 7D-8C 7A-D4 15 CD 7A-15 7D-87 7A-D1 16 D-TV/LD 7A-54 7D-84 7A-D9 17 CBL/SAT 7A-C0 7D-96 7A-CC 18 VCR1 7A-0F 7D-81 7A-D6 19 VCR2/DVR 7A-13 7D-82 7A-D7 20 DVD 7A-C1 7D-97 7A-CD 21 6CH INPUT 7A-87 7D-8C 7A-87 Device DVD CD-R CD MD/TAPE TUNER A (K20) (K14) (K15) (K13) (K12) (K8) 22 Up → → → 7C-B4 –– –– –– –– –– 23 TITLE → → → 7C-B1 –– –– –– –– –– 24 Left → → → 7C-B5 –– –– –– –– –– 25 ENTER → → → 7C-B8 –– –– –– –– –– 26 Right → → → 7C-B6 –– –– –– –– –– 27 SOUND → → → 7C-AD –– –– –– –– 7C-12 28 Down → → → 7C-B3 –– –– –– –– –– 29 MENU → → → 7C-B2 –– –– –– –– –– 30 DISPLAY → → → 7C-A6 7F-9E 79-0A 79-A5 –– 7C-13 31 SEARCH << → → → 7C-86 7F-88 7A-0D 79-AC –– 7C-06 32 SEARCH >> → → → 7C-87 7F-89 7A-0C 79-AD –– 7C-07 33 CHAPTER – → → → 7C-89 7F-86 7A-0B 79-AB –– 7C-02 34 CHAPTER + → → → 7C-BA 7F-87 7A-0A 79-AE –– 7C-03 35 PLAY → → → 7C-82 7F-82 7A-08 79-A8 –– 7C-05 36 PAUSE → → → 7C-83 7F-83 7A-09 79-A9 –– 7C-5A 37 STOP → → → 7C-85 7F-84 7A-09 79-AA –– 7C-5B 38 REC → → → 7C-B7 –– –– 79-AF –– –– 39 POWER → → → –– –– –– –– –– –– 40 SELECT Down –– –– –– –– –– –– –– –– –– 41 SELECT Up –– –– –– –– –– –– –– –– –– SW (10KEY/DSP) DSP 10 key 42 1 7A-88 7D-D0 7A-88 7C-94 7F-91 79-11 79-85 7A-E5 7C-17 43 2 7A-89 7D-D1 7A-89 7C-95 7F-92 79-12 79-86 7A-E6 7C-18 44 3 7A-8A 7D-D2 7A-8A 7C-96 7F-93 79-13 79-87 7A-E7 7C-19 45 4 7A-8B 7D-D3 7A-8B 7C-97 7F-94 79-14 79-88 7A-E8 7C-1A 46 5 7A-8C 7D-D4 7A-8C 7C-98 7F-95 79-15 79-89 7A-E9 7C-1B 47 6 7A-8D 7D-D5 7A-8D 7C-99 7F-96 79-16 79-8A 7A-EA 7C-1C 48 7 7A-8E 7D-D6 7A-8E 7C-9A 7F-97 79-17 79-8B 7A-EB 7C-1D 49 8 7A-8F 7D-D7 7A-8F 7C-9B 7F-98 79-18 79-8C 7A-EC 7C-1E 50 9 7A-90 7D-D8 7A-90 7C-9C 7F-99 79-19 79-8D 7A-E1 7C-1F 51 10 7A-91 7D-D9 7A-91 7C-93 7F-90 79-10 79-8E 7A-E2 7C-16 52 11 7A-92 7D-DA 7A-92 7C-9D 7F-9A 79-1A 79-8F 7A-E3 7C-5D 53 12 7A-93 7D-DB 7A-93 7C-9F 7F-8C 79-0D –– 7A-E4 7C-5E 54 6.1/ES 7A-97 7D-DF 7A-97 7C-9E 7F-8A 79-0B –– 7A-E0 7C-15 55 TV VOL + → → → –– –– –– –– –– –– 56 TV VOL – → → → –– –– –– –– –– –– 57 TV INPUT → → → –– –– –– –– 7A-12 –– 58 TV MUTE → → → –– –– –– –– –– –– 59 CH + → → → 7C-8B –– 7A-4F –– 7A-10 –– 60 CH – → → → 7C-8A –– 7A-50 –– 7A-11 –– 61 MUTE 7A-1C 7D-94 7A-DC 62 EFFECT 7A-56 7D-C1 7A-56 63 VOLUME + 7A-1A 7D-8D 7A-DA 64 VOLUME – 7A-1B 7D-8E 7A-DB SW (PARAMETER/SET MENU) Parameter Set Menu Parameter Set Menu Parameter Set Menu 65 ON SCREEN 7A-C2 7D-C2 7A-C2 66 SLLEP 7A-57 7D-93 7A-57 67 LEVEL 7A-86 7D-95 7A-86 68 TEST 7A-85 7D-CA 7A-85 69 – 7A-C7 7A-9F 7D-C7 7D-9F 7A-C7 7A-9F 70 Up 7A-C5 7A-9D 7D-C5 7D-9D 7A-C5 7A-9D 71 Down 7A-C4 7A-9C 7D-C4 7D-9C 7A-C4 7A-9C 72 + 7A-C6 7A-9E 7D-C6 7D-9E 7A-C6 7A-9E *1; These code are transmitted when "DSP" is set-up as AMP library. *2; "ZONE2" is set-up as AMP library and these code are transmitted when "ZONE2" is chosen with Select key. *; Transmitting Code of K6, "7A-1D" Full word transmitted twice. Device not mentioned on this table has no initial code. Initial Macro setup Key Key Name 1 2 3 4~10 No. 6 SYSTEM POWER K6 K39 TV –– –– 7 STANDBY K7 –– –– –– 8 A K6 –– –– –– 9 B K6 –– –– –– 10 PHONO K6 K10 –– –– 11 V-AUX K6 K11 –– –– 12 TUNER K6 K12 –– –– 13 MD/TAPE K6 K13 K35 MD –– 14 CD-R K6 K14 K35 CD-R –– 15 CD K6 K15 K35 CD –– 16 D-TV/LD K6 K16 –– –– 17 CBL/SAT K6 K17 –– –– 18 VCR1 K6 K18 K35 VCR1 –– 19 VCR2/DVR K6 K19 K35 VCR2 –– 20 DVD K6 K20 K35 DVD –– www. xiaoyu163. com QQ 376315150 9 9 2 8 9 4 2 9 8 TEL 13942296513 9 9 2 8 9 4 2 9 8 0 5 1 5 1 3 6 7 3 Q Q TEL 13942296513 QQ 376315150 892498299 TEL 13942296513 QQ 376315150 892498299 http://www.xiaoyu163.com RX-V1000/RX-V1000RDS www. xiaoyu163. com QQ 376315150 9 9 2 8 9 4 2 9 8 TEL 13942296513 9 9 2 8 9 4 2 9 8 0 5 1 5 1 3 6 7 3 Q Q TEL 13942296513 QQ 376315150 892498299 TEL 13942296513 QQ 376315150 892498299 http://www.xiaoyu163.com

标签:

版权声明

1. 本站所有素材,仅限学习交流,仅展示部分内容,如需查看完整内容,请下载原文件。
2. 会员在本站下载的所有素材,只拥有使用权,著作权归原作者所有。
3. 所有素材,未经合法授权,请勿用于商业用途,会员不得以任何形式发布、传播、复制、转售该素材,否则一律封号处理。
4. 如果素材损害你的权益请联系客服QQ:77594475 处理。