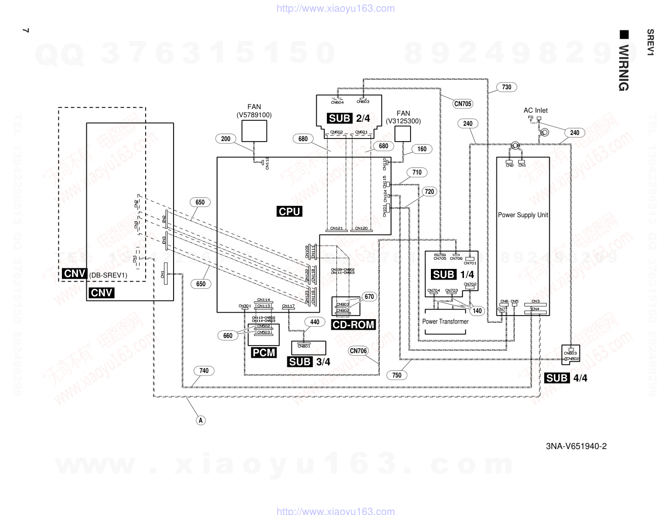
雅马哈YAMAHA DB-SREV1电路原理图

分类:电子电工 日期: 点击:0
雅马哈YAMAHA DB-SREV1电路原理图-0 雅马哈YAMAHA DB-SREV1电路原理图-1 雅马哈YAMAHA DB-SREV1电路原理图-2 雅马哈YAMAHA DB-SREV1电路原理图-3 雅马哈YAMAHA DB-SREV1电路原理图-4 雅马哈YAMAHA DB-SREV1电路原理图-5 雅马哈YAMAHA DB-SREV1电路原理图-6 雅马哈YAMAHA DB-SREV1电路原理图-7 雅马哈YAMAHA DB-SREV1电路原理图-8 雅马哈YAMAHA DB-SREV1电路原理图-9

SERVICE MANUAL PA 1/2 011555 HAMAMATSU, JAPAN 1.415K-0671 Printed in Japan '01.02 CONTENTS SPECIFICATIONS ············································································ 3 PANEL LAYOUT··············································································· 4 CIRCUIT BOARD LAYOUT ······························································ 5 DIMENSIONS ··················································································· 6 WIRING····························································································· 7 BLOCK DIAGRAM ············································································ 9 DISASSEMBLY PROCEDURE······················································· 11 I/O CARD INSTALLATION······························································ 16 DB-SREV1 INSTALLATION···························································· 17 LSI PIN DESCRIPTION ·································································· 19 IC BLOCK DIAGRAM······································································ 24 CIRCUIT BOARDS ········································································· 29 TEST PROGRAM ··········································································· 41 ERROR MESSAGES······································································ 44 MIDI IMPLEMENTATION CHART ·················································· 46 PARTS LIST RC-SREV1 SERVICE MANUAL SREV1/RC-SREV1 OVERALL CIRCUIT DIAGRAM SREV1: 20001225-500000 RC-SREV1: 20001225-150000 DB-SREV1: 20001225-200000 This document is printed on chlorine free (ECF) paper with soy ink. SAMPLING REVERBERATOR/ DSP EXPANSION BOARD/REMOTE CONTROLLER •DB-SREV1 •SREV1 www. xiaoyu163. com QQ 376315150 9 9 2 8 9 4 2 9 8 TEL 13942296513 9 9 2 8 9 4 2 9 8 0 5 1 5 1 3 6 7 3 Q Q TEL 13942296513 QQ 376315150 892498299 TEL 13942296513 QQ 376315150 892498299 http://www.xiaoyu163.com SREV1 2 WARNING: CHEMICAL CONTENT NOTICE! The solder used in the production of this product contains LEAD. In addition, other electrical/electronic and/or plastic (where applicable) components may also contain traces of chemicals found by the California Health and Welfare Agency (and possibly other entities) to cause cancer and/or birth defects or other reproductive harm. DO NOT PLACE SOLDER, ELECTRICAL/ELECTRONIC OR PLASTIC COMPONENTS IN YOUR MOUTH FOR ANY REASON WHAT SO EVER! Avoid prolonged, unprotected contact between solder and your skin! When soldering, do not inhale solder fumes or expose eyes to solder/flux vapor! If you come in contact with solder or components located inside the enclosure of this product, wash your hands before handling food. IMPORTANT NOTICE This manual has been provided for the use of authorized Yamaha Retailers and their service personnel. It has been assumed that basic service procedures inherent to the industry, and more specifically Yamaha Products, are already known and understood by the users, and have therefore not been restated. WARNING: Failure to follow appropriate service and safety procedures when servicing this product may result in personal injury, destruction of expensive components and failure of the product to perform as specified. For these reasons, we advise all Yamaha product owners that all service required should be performed by an authorized Yamaha Retailer or the appointed service representative. IMPORTANT: This presentation or sale of this manual to any individual or firm does not constitute authorization, certification, recognition of any applicable technical capabilities, or establish a principal-agent relationship of any form. The data provided is belived to be accurate and applicable to the unit(s) indicated on the cover. The research engineering, and service departments of Yamaha are continually striving to improve Yamaha products. Modifications are, therefore, inevitable and changes in specification are subject to change without notice or obligation to retrofit. Should any discrepancy appear to exist, please contact the distributor's Service Division. WARNING: Static discharges can destroy expensive components. Discharge any static electricity your body may have accumulated by grounding yourself to the ground bus in the unit (heavy gauge black wires connect to this bus). IMPORTANT: Turn the unit OFF during disassembly and parts replacement. Recheck all work before you apply power to the unit. WARNING Components having special characteristics are marked and must be replaced with parts having specification equal to those originally installed. LITHIUM BATTERY HANDLING This product uses a lithium battery for memory back-up. WARNING: Lithium batteries are dangerous because they can be exploded by improper handling. Observe the following precautions when handling or replacing lithium batteries. Leave lithium battery replacement to qualified service personnel. Always replace with batteries of the same type. When installing on the PC board by soldering, solder using the connection terminals provided on the battery cells. Never solder directly to the cells. Perform the soldering as quickly as possible. Never reverse the battery polarities when installing. Do not short the batteries. Do not attempt to recharge these batteries. Do not disassemble the batteries. Never heat batteries or throw them into fire. ADVARSEL! Lithiumbatteri-Eksplosionsfare ved fejlagtig håndtering. Udskiftning må kun ske med batteri af samme fabrikat og type. Levér det brugte batteri tilbage til leverandøren. VARNING Explosionsfara vid felaktigt batteribyte. Använd samma batterityp eller en ekvivalent typ som rekommenderas av apparattillverkaren. Kassera använt batteri enligt fabrikantens instruktion. VAROITUS Paristo voi räjähtää, jos se on virheellisesti asennettu. Vaihda paristo ainoastaan laitevalmistajan suosittelemaan tyyppiin. Hävitä käytetty paristo valmistajan ohjeiden mukaisesti. The following information complies with Dutch Official Gazette 1995. 45; ESSENTIALS OF ORDER ON THE COLLECTION OF BATTERIES. • Please refer to the diassembly procedure for the removal of Back-up Battery. • Leest u voor het verwijderen van de backup batterij deze beschrijving. www. xiaoyu163. com QQ 376315150 9 9 2 8 9 4 2 9 8 TEL 13942296513 9 9 2 8 9 4 2 9 8 0 5 1 5 1 3 6 7 3 Q Q TEL 13942296513 QQ 376315150 892498299 TEL 13942296513 QQ 376315150 892498299 http://www.xiaoyu163.com SPECIFICATIONS SREV1 3 IMPORTANT NOTICE FOR THE UNITED KINGDOM Connecting the Plug and Cord IMPORTANT. The wires in this main lead are coloured in accordance with the following code: BLUE: NEUTRAL BROWN: LIVE As the colours of the wires in the main lead of this apparatus may not correspond with the coloured markings identifying the terminals in your plug, proceed as follows: The BLUE wire must be connected to the terminal that is marked with the letter N (or coloured BLACK). The BROWN wire must be connected to the terminal that is marked with the letter L (or coloured RED). Be certain that neither core is connected to the earth terminal of the three pin plug. Sampling rate Internal External Internal processing Program Memories 2-channel, 4-channel mode 2-channel x2 mode Indicators INPUT OUTPUT FS LOCK Others PC Card slot CD-ROM drive Cooling fan Power requirements Power consumption Dimensions (W x H x D) Weight Free-air operating temperature Power cord length Supplied accessories Options 48 kHz 44.1 kHz or 48 kHz 32 bit 6 (P01–P06) 12 (P01–P12) SIGNAL x4 (–34 dB), CLIP x4 SIGNAL x4 (–34 dB), CLIP x4 48K, 44.1K POWER, PC Card, CD-ROM PCMCIA (Type II), PC Card ATA spec, FAT16 ISO9660 Level 2 format x2 U.S.A. & Canada 120 V AC, 60 Hz Europe 230 V AC, 50 Hz 120 W 480 x 141.7 x 451.8 mm (18.9 x 5.6 x 17.8 inches) 11.5 kg (25.3 lbs) 5˚ C to 40˚ C (41˚ F to 104˚ F) 2.5 m Power cord, CD-ROM (Reverb programs, data), Owner’s Manual RC-SREV1, DB-SREV1, MY8-AD, MY4-AD, MY4-DA, MY8-AT, MY8-AE, MY8-TD Connection DIGITAL IN 1, 2 Format AES/EBU Data Length 24 bit Level RS-422 Connector XLR-3-31 type *1 Digital Input Specifications *1. XLR-3-31 type connectors are balanced (pin 1–ground, pin 2–hot (+), and pin 3–cold (–). Connection DIGITAL OUT 1, 2 Format AES/EBU *1 Data Length 24 bit Level RS-422 Connector XLR-3-32 type *2 Digital Output Specifications Connection SERIAL 1, 2 MIDI IN MIDI OUT WORD CLOCK IN REMOTE SLOT (x2) Format — MIDI MIDI — — mini YGDAI Level RS-422 — — TTL 75 Ω RS-422 — Connector 8-pin mini DIN 5-pin DIN 5-pin DIN BNC 9-pin D-sub (female) — Control I/O Specifications *1. Channel status: Type: 2 audio channels. Sampling rate: depends on internal configuration. *2. XLR-3-32 type connectors are balanced (pin 1–ground, pin 2–hot (+), and pin 3–cold (–). SREV1 Remote Cable Wiring Diagram SREV1 9-pin D-sub (male) NC 1 RX– 2 TX+ 3 NC 4 +12V 5 NC 6 RX+ 7 TX– 8 GND 9 1 NC 2 TX– 3 RX+ 4 NC 5 +12V 6 NC 7 TX+ 8 RX– 9 GND RC-SREV1 9-pin D-sub (female) DB-SREV1 Dimensions (W x H x D): 195 x 15 x 330 mm Weight: 0.5 kg Supplied accessories: FPC (Flat Cable) x2 Screw www. xiaoyu163. com QQ 376315150 9 9 2 8 9 4 2 9 8 TEL 13942296513 9 9 2 8 9 4 2 9 8 0 5 1 5 1 3 6 7 3 Q Q TEL 13942296513 QQ 376315150 892498299 TEL 13942296513 QQ 376315150 892498299 http://www.xiaoyu163.com 1 5 6 7 8 9 10 11 12 13 12 14 15 16 17 18 19 20 21 2 3 4 1 Air Inlet 2 INPUT and OUTPUT signal indicators 3 FS LOCK indicators 4 POWER switch & indicator 5 MEMORY CARD slot 6 Memory card eject button 7 Memory card activity indicator 8 CD-ROM drive 9 Disc activity indicator 10 CD-ROM eject button 11 Emergency disc eject hole 12 Cooling fan outlets 13 SLOTs 1 & 2 14 AC IN connector 15 Grounding screw 16 DIGITAL OUT (AES/EBU) connectors 17 DIGITAL IN (AES/EBU) connectors 18 MIDI IN & OUT ports 19 SERIAL 1 & 2 ports 20 REMOTE port 21 WORD CLOCK IN connector PANEL LAYOUT SREV1 4 Rear Panel Front Panel www. xiaoyu163. com QQ 376315150 9 9 2 8 9 4 2 9 8 TEL 13942296513 9 9 2 8 9 4 2 9 8 0 5 1 5 1 3 6 7 3 Q Q TEL 13942296513 QQ 376315150 892498299 TEL 13942296513 QQ 376315150 892498299 http://www.xiaoyu163.com SUB 4/4 SUB 4/4 SUB 3/4 PCM SUB 1/4 SUB 2/4 CNV CNV CPU CN117 CN101 CN124 CN115 CN110 CN301 CN801 CN803 CN704 CN703 CN702 CN701 CN706 CN705 CN604 CN603 CN802 CN1 CN1 CN7 CN3 CN4 Power Supply Unit (DB-SREV1) AC Inlet Power transformer Power Supply Unit CN5 CN803 CN802 CN6 3NA-V651940-3,4 DC Fan Motor Fan Fan CD-ROM Drive DC Fan Motor SUB 2/4 CD-ROM PCM CNV CNV (DB-SREV1) SREV1 5 CIRCUIT BOARD LAYOUT Top View Bottom View www. xiaoyu163. com QQ 376315150 9 9 2 8 9 4 2 9 8 TEL 13942296513 9 9 2 8 9 4 2 9 8 0 5 1 5 1 3 6 7 3 Q Q TEL 13942296513 QQ 376315150 892498299 TEL 13942296513 QQ 376315150 892498299 http://www.xiaoyu163.com SREV1 6 DIMENSIONS 480 132 141.7 9.7 318 81 81 437 21.5 21.5 43.5 34 362.5 440 11.8 451.8 Unit: mm www. xiaoyu163. com QQ 376315150 9 9 2 8 9 4 2 9 8 TEL 13942296513 9 9 2 8 9 4 2 9 8 0 5 1 5 1 3 6 7 3 Q Q TEL 13942296513 QQ 376315150 892498299 TEL 13942296513 QQ 376315150 892498299 http://www.xiaoyu163.com CNV CNV (DB-SREV1) PCM SUB 3/4 CD-ROM CPU FAN (V5789100) SUB 2/4 FAN (V3125300) SUB 1/4 Power Transformer Power Supply Unit SUB 4/4 AC Inlet 3NA-V651940-2 200 680 680 160 710 240 CN705 720 140 730 240 750 CN706 670 440 660 740 650 650 A SREV1 7 WIRNIG www . x ia o y u 1 6 3 . c o m QQ 3 7 6 3 1 5 1 5 0 9 9 2 8 9 4 2 9 8 TE L 1 3 9 4 2 2 9 6 5 1 3 9 9 2 8 9 4 2 9 8 0 5 1 5 1 3 6 7 3 Q Q TEL 13942296513 QQ 376315150 892498299 TEL 13942296513 QQ 376315150 892498299 http://www.xiaoyu163.com 440 650 660 670 680 710 720 730 740 750 CN705 CN706 Power Transformer SUB 1/4-CN702 SUB 1/4-CN703 SUB 1/4-CN704 4P 6P 5P Power Transformer Connector Assembly & Unit Part No. XY916A00(J) XY917A00(U, V) XY918A00(H,B,W) Location Destination Remarks CPU-CN117 CPU-CN122 CPU-CN123 CPU-CN113 CPU-CN114 CPU-CN109 CPU-CN111 CPU-CN120 CPU-CN121 SUB 3/4-CN801 9P CNV-CN2 30P CNV-CN3 30P PCM-CN502 30P PCM-CN503 30P CDROM-CN902 25P CDROM-CN903 25P SUB 2/4-CN601 36P SUB 2/4-CN602 36P KR (VR79270) MFA30100 MFA30100 MFA25300 MFA36080 CPU-CN115 Power Supply Unit-CN5 2P REM-PS (V651290) CPU-CN101 Power Supply Unit-CN6 4P CPU-PS (V651300) SUB 2/4-CN603 Power Supply Unit-CN7 4P YGDA-PS (V651310) CNV-CN1 Power Supply Unit-CN3 10P CNV1-PS (V651320) CPU-CN124 SUB 4/4-CN802 SUB 2/4-CN604 2P KR (VR78120) A CNV(DB-SREV1)-CN1 Power Supply Unit-CN4 10P CNV(Option)-PS (V651320) SUB 1/4-CN705 CPU-CN301 7P B&C VY914700 SUB 1/4-CN706 4P B&C VQ613000 140 Fan CPU-CN110 3P Fan V3125300 160 DC Fan Motor CPU-CN112 3P DC Fan Motor V5789100 200 AC Inlet SUB 1/4-CN701 SUB 4/4-CN803 Power Supply Unit-CN1 Power Supply Unit-CN2 3P 4P/3P ACIN V6512600 240 SREV1 8 www. xiaoyu163. com QQ 376315150 9 9 2 8 9 4 2 9 8 TEL 13942296513 9 9 2 8 9 4 2 9 8 0 5 1 5 1 3 6 7 3 Q Q TEL 13942296513 QQ 376315150 892498299 TEL 13942296513 QQ 376315150 892498299 http://www.xiaoyu163.com CNV CPU SUB 2/4 SUB 3/4 SUB 1/4 SUB 4/4 CNV (DB-SREV1) CN2,3 CN117 CN301 CN113, 114 CN101,115 IC123,137,138 CA [4,14-25] CD [0-7], CA [1-6] CD [0-31], CA [0-21] CD [0-15] CA [1-3] CD [0-15] CA [1-7] CD [0-31] CA [2-9] YD [1-15] YA [0-10] IC150 (28P) IC151 (28P) IC148 (16P) IC149 (16P) IC165 (44P) CN801 SLOT 1,2 MIDI SERIAL REMOTE IC161,162 (20P) IC155,156,167 (20P) IC163,164 (16P) IC132 (16P) IC113 (44P) IC114 (48P) IC105 (28P) IC107 (48P) IC108, 109 IC111,112 CN2,3 CN122,123 CN606 CN602 CN121 CN605 CN603 CN604 CN118,119 D-FF BUFFER IC127-131 BUFFER IC177-179 BUFFER IC180-184 (20P) IC159 (176P) IC153,154 (42P) IC140,141 (42P) IC143 (176P) BUFFER IC173-177 BUFFER BUFFER D-FF 2 14,15 16,17 20,21 23 166 174 1 X102 8MHz Lithium Battery BT101 32 156 112,113 FLASH-ROM CF CARD MEMORY 4MB 4MB Data bus Address bus PCMCIA POWER INTERFACE SW PCM CN501 CN502, 503 CD-ROM CN901 CN902, 903 CN109, 111 CN108 CN701 CN7 CN2 CN3 CN4 CN5,6 CN706 CN705 CN702-704 CN1 to CNV-CN1 to CNV(DB-SREV1)-CN1 CN803 FUSE ! ! ! ! ! Power Supply Unit POWER Power Transformer AC INLET FG 2 CPU Section CD-ROM Drive MEMORY CARD (PCMCIA) SREV1 9 BLOCK DIAGRAM 38CA1-8818094-2 www . x ia o y u 1 6 3 . c o m QQ 3 7 6 3 1 5 1 5 0 9 9 2 8 9 4 2 9 8 TE L 1 3 9 4 2 2 9 6 5 1 3 9 9 2 8 9 4 2 9 8 0 5 1 5 1 3 6 7 3 Q Q TEL 13942296513 QQ 376315150 892498299 TEL 13942296513 QQ 376315150 892498299 http://www.xiaoyu163.com CN2, 3 CN122, 123 CN2, 3 CN118, 119 67 55 56 65 7 16 15 10 15 10 7 16 65 66 67 68 55 56 57 58 69 3 70 71 72 59 60 61 62 36 5 9 4 3 2 1 15 14 1 66 68 57 58 IC1~16, 35~50 (128P) 69 70 59 60 IC1~16, 35~50 (128P) IC143 (176P) IC148 (16P) 13 5 IC150 (28P) 13 5 IC151 (28P) IC149 (16P) IC302 (14P) IC159 (176P) IC165 (44P) IC160 (15P) CN606 CN601 CN120 CN605 (DB-SREV1) X104 60MHz MULTIPLEXER COUNTER X301 6.144MHz X103 25.6MHz SLOT 1 SLOT 2 JK108 WORD CLOCK IN 1 1 JK104 JK105 JK106 JK107 1 2 IN 1 2 OUT DIGITAL (AES / EBU) AUDIO Section SUB 2/4 CPU CNV CNV SREV1 10 38CA1-8818094-3 www . x ia o y u 1 6 3 . c o m QQ 3 7 6 3 1 5 1 5 0 9 9 2 8 9 4 2 9 8 TE L 1 3 9 4 2 2 9 6 5 1 3 9 9 2 8 9 4 2 9 8 0 5 1 5 1 3 6 7 3 Q Q TEL 13942296513 QQ 376315150 892498299 TEL 13942296513 QQ 376315150 892498299 http://www.xiaoyu163.com SUB 1/4 [125] Power transformer [150] CNV PCM [360] [B] [B] [360] (DB-SREV1) CNV Fig. 2 (DB-SREV1) [B]: Bind Head Tapping Screw-B 3.0X8 MFZN2BL (EP600190) [125]: Bind Head Tapping Screw-B 3.0X8 MFZN2BL (EP600190) [150]: Bind Head Tapping Screw-B A4.0X8 MFZN2BL (VC688800) [360]: Bind Head Tapping Screw-B 3.0X8 MFZN2BL (EP600190) [460]: Bind Head Tapping Screw-B 3.0X8 MFZN2BL (EP600190) CNV PCM [B] [460] [460] A A' Fig. 1 [850]: Bind Head Tapping Screw-B A4.0X8 MFZN2BL (VC688800) [850] x14 Top cover SREV1 11 DISASSEMBLY PROCEDURE 1. Top Cover (Time required: about 5 minutes) 1-1 Remove the fourteen (14) screws marked [850]. The top cover can then be removed. (Fig. 1) 2. DB-SREV1 (CNV Circuit Board) (Time required: about 8 minutes) 2-1 Remove the top cover. (See procedure 1.) 2-2 Remove the two (2) screws marked [A] and the two (2) screws marked [B]. The CNV circuit board (DB-SREV1) can then be removed. (Fig. 2, 3) 3. CNV Circuit Board (Time required: about 10 minutes) 3-1 Remove the top cover. (See procedure 1.) 3-2 Remove the DB-SREV1 CNV circuit board, if it is being installed. (See procedure 2.) 3-3 Remove the two (2) screws marked [350] and the two (2) screws marked [360]. The CNV circuit board can then be removed. (Fig. 2, 3) www. xiaoyu163. com QQ 376315150 9 9 2 8 9 4 2 9 8 TEL 13942296513 9 9 2 8 9 4 2 9 8 0 5 1 5 1 3 6 7 3 Q Q TEL 13942296513 QQ 376315150 892498299 TEL 13942296513 QQ 376315150 892498299 http://www.xiaoyu163.com Fig. 4 Power supply unit Finger guard Fan support metal [120]: Bind Head Tapping Screw-B 3.0X8 MFZN2BL (EP600190) SUB 4/4 [120] x4 SUB 2/4 Fan guide Fig. 3 [A]: Bind Head Screw A3.0X6 MFZN2BL (VP156600) [350]: Bind Head Screw A3.0X6 MFZN2BL (VP156600) (DB-SREV1) CNV [A] [A] [350] [350] CNV DC fan motor Fan Fan guard SREV1 12 4. PCM Circuit Board (Time required: about 15 minutes) 4-1 Remove the top cover. (See procedure 1.) 4-2 Remove the DB-SREV1 CNV circuit board, if it is being installed. (See procedure 2.) 4-3 Remove the CNV circuit board. (See procedure 3.) 4-4 Remove the two (2) screws marked [460]. The PCM circuit board can then be removed. (Fig. 2) 5. Power Transformer, SUB 1/4 Circuit Board (Time required: about 8 minutes each) 5-1 Remove the top cover. (See procedure 1.) 5-2 Power Transformer Remove the four (4) screws marked [150]. The power transformer can then be removed. (Fig. 2) 5-3 SUB 1/4 Circuit Board Remove the two (2) screws marked [125]. The SUB 1/4 circuit board can then be removed. (Fig. 2) 6. SUB 2/4 Circuit Board (Time required: about 15 minutes) 6-1 Remove the top cover. (See procedure 1.) 6-2 Remove the power transformer. (See procedure 5-2.) 6-3 Remove the SUB 1/4 circuit board (See procedure 5-3.) 6-4 Remove the four (4) screws marked [120]. The SUB 2/4 circuit board can then be removed. (Fig. 4) www. xiaoyu163. com QQ 376315150 9 9 2 8 9 4 2 9 8 TEL 13942296513 9 9 2 8 9 4 2 9 8 0 5 1 5 1 3 6 7 3 Q Q TEL 13942296513 QQ 376315150 892498299 TEL 13942296513 QQ 376315150 892498299 http://www.xiaoyu163.com Fig. 6 [570]: Oval Head Screw B4.0X10 MFZN2BL (V6221000) [570] Fig. 5 [60]: Bind Head Screw A4.0X8 MFZN2BL (VP156800) [600]: Oval Head Screw B4.0X10 MFZN2BL (V6221000) [610]: Oval Head Screw 4.0X8 MFZN2BL (VS153600) [60] [610] Front panel [60] [610] [600] Mount bracket Right side: 4pcs Left side: 4pcs Right side: 1pc. Left side: 1pc. [570] [570] SREV1 13 7. Power Supply Unit (Time required: about 10 minutes) 7-1 Remove the top cover. (See procedure 1.) 7-2 Remove the six (6) screws marked [60]. The power supply unit can then be removed. (Fig. 4, 5) 8. Front Panel (Time required: about 10 minutes) 8-1 Remove the top cover. (See procedure 1.) 8-2 Remove the two (2) screws marked [600] and the eight (8) screws marked [610]. The left and rihgt mount brackets can then be removed. (Fig. 5) 8-3 Remove the six (6) screws marked [570] The front panel can then be removed. (Fig. 6) 9. SUB 3/4 Circuit Board, SUB 4/4 Circuit Board (Time required: about 15 minutes each) 9-1 Remove the top cover. (See procedure 1.) 9-2 Remove the front panel (See procedure 8.) 9-3 SUB 3/4 Circuit Board Remove the two (2) screws for [410] and pull out the SUB 3/4 circuit board from the two of the sub-chassis. (Fig. 7) 9-4 SUB 4/4 Circuit Board Pull out the power switch knob. (Fig. 7) Remove the two (2) screws marked [430]. The SUB 4/4 circuit board can then be removed. (Fig. 4, 7) 10. DC Fan Motor (Time required: about 10 minutes) 10-1 Remove the top cover. (See procedure 1.) 10-2 Remove the four (4) screws marked [230]. The DC fan motor can then be removed with both the fan guard and the fan guide. (Fig. 4, 8) 11. Fan (Time required: about 10 minutes) 11-1 Remove the top cover. (See procedure 1.) 11-2 Remove the four (4) screws marked [190]. The Fan can then be removed with both the finger guard and the fan support metal. (Fig. 4, 8) www. xiaoyu163. com QQ 376315150 9 9 2 8 9 4 2 9 8 TEL 13942296513 9 9 2 8 9 4 2 9 8 0 5 1 5 1 3 6 7 3 Q Q TEL 13942296513 QQ 376315150 892498299 TEL 13942296513 QQ 376315150 892498299 http://www.xiaoyu163.com SREV1 14 13 CPU Circuit Board (Time required: about 10 minutes) 13-1 Remove the bottom cover. (See procedure 12.) 13-2 Remove the two (2) jack sockets marked [290], the three (3) screws marked [300], the ten (10) screws marked [310], the screw marked [320] and the two (2) screws marked [330]. The CPU circuit board can then be removed. (Fig. 8, 10, 11) 14 CD-ROM Circuit Board (Time required: about 5 minutes) 14-1 Remove the bottom cover. (See procedure 12.) 14-2 Remove the CN angle bracket by removing the two (2) screws marked [520]. The CD-ROM circuit board can then be removed with pulling out the connector of the CD-ROM circuit board from the CD-ROM drive. (Fig. 10) Fig. 9 [830]: Bind Head Tapping Screw-B A4.0X8 MFZN2BL (VC688800) Bottom cover [830] [830] [830] Fig. 8 [190]: Bind Head Screw SP 4.0X25 MFZN2BL (VR116500) [230]: Pan Head Screw SP 4.0X20 MFZN2BL (VR116500) [300]: Bind Head Screw A3.0X6 MFZN2BL (VP156600) [310]: Bind Head Tapping Screw-B A3.0X8 MFZN2BL (VP157000) [410]: Bind Head Tapping Screw-B 3.0X8 MFZN2BL (EP600190) [430]: Bind Head Screw A3.0X6 MFZN2BL (VP156600) Fig. 7 [410] [430] [230] x4 [300] [300] [310] [310] [310] [290] [190] x4 SUB 3/4 SUB 4/4 Sub chassis Fan guard Finger guard Rear panel [830] Hook Hook Power switch knob CPU 12 Bottom Cover (Time required: about 5 minutes) 12-1 Remove the twelve (12) screws marked [830]. The bottom cover can then be removed. (Fig. 9) www. xiaoyu163. com QQ 376315150 9 9 2 8 9 4 2 9 8 TEL 13942296513 9 9 2 8 9 4 2 9 8 0 5 1 5 1 3 6 7 3 Q Q TEL 13942296513 QQ 376315150 892498299 TEL 13942296513 QQ 376315150 892498299 http://www.xiaoyu163.com SREV1 15 Fig. 11 [320]: Bind Head Screw A3.0X6 MFZN2BL (VP156600) Fig. 10 [330]: Bind Head Tapping Screw-B 3.0X8 MFZN2BL (EP600190) [520]: Bind Head Tapping Screw-B A3.0X8 MFZN2BL (VP157000) [530]: Bind Head Tapping Screw-B A3.0X8 MFZN2BL (VP157000) Fig. 12 [500]: Pan Head Screw 2.0X2 MFZN2Y (V6881500) CD-ROM [320] CD-ROM drive CD-ROM drive CD angle CD angle [330] [330] [520] [520] [530] [530] [500] x4 [530] CPU CPU CN angle bracket 15 CD-ROM Drive (Time required: about 10 minutes) 15-1 Remove the bottom cover. (See procedure 12.) 15-2 Remove the CD-ROM circuit board. (See procedure 14.) 15-3 Remove the three (3) screws marked [530]. The CD-ROM drive can then be removed with the CD angle. (Fig. 10) 15-4 Remove the CD angle from the CD-ROM drive by removing the four (4) screws marked [500]. (Fig. 12) www. xiaoyu163. com QQ 376315150 9 9 2 8 9 4 2 9 8 TEL 13942296513 9 9 2 8 9 4 2 9 8 0 5 1 5 1 3 6 7 3 Q Q TEL 13942296513 QQ 376315150 892498299 TEL 13942296513 QQ 376315150 892498299 http://www.xiaoyu163.com INSTALLING I/O CARDS SREV1 16 This section explains how to install mini YGDAI cards in the SREV1. 1. Turn off the SREV1. 2. Undo the two fixing screws and remove the slot cover, as shown below. Keep the cover and fixing screws in a safe place for future use. 3. Insert the card between the guide rails and slide it all the way into the slot, as shown below. You may have to push firmly to plug the card into the SREV1 connector. 4. Secure the card using the attached thumbscrews. Do not leave the thumb-screws loose, as the card will not be grounded correctly. www. xiaoyu163. com QQ 376315150 9 9 2 8 9 4 2 9 8 TEL 13942296513 9 9 2 8 9 4 2 9 8 0 5 1 5 1 3 6 7 3 Q Q TEL 13942296513 QQ 376315150 892498299 TEL 13942296513 QQ 376315150 892498299 http://www.xiaoyu163.com CNV [360] [B] [B] [360] (DB-SREV1) CNV Fig. 2 (DB-SREV1) [B]: Bind Head Tapping Screw-B 3.0X8 MFZN2BL (EP600190) [360]: Bind Head Tapping Screw-B 3.0X8 MFZN2BL (EP600190) CNV PCM [B] A A' Fig. 1 [850]: Bind Head Tapping Screw-B A4.0X8 MFZN2BL (VC688800) [850] x14 Top cover SREV1 17 DB-SREV1 INSTALLATION * Before installing the DB-SREV1 (CNV) circuit board, turn off the SREV1 and disconnect the power cord. 1. Top Cover Removal Remove the fourteen (14) screws marked [850]. The top cover can then removed. (Fig. 1) 2. CNV Circuit Board Removal Remove the two (2) screws marked [350] and the two (2) screws marked [360]. The CNV circuit board can then be removed. (Fig. 2, 3) 3. Cables Connection Connect the two supplied cables to the CPU circuit board (CN118, CN119) so that the printed side appears as shown as in Figure 4, and then close the securing clips on each side of the connectors. * The two supplied cables are identical. www. xiaoyu163. com QQ 376315150 9 9 2 8 9 4 2 9 8 TEL 13942296513 9 9 2 8 9 4 2 9 8 0 5 1 5 1 3 6 7 3 Q Q TEL 13942296513 QQ 376315150 892498299 TEL 13942296513 QQ 376315150 892498299 http://www.xiaoyu163.com Fig. 3 Fig. 4 [A]: Bind Head Screw A3.0X6 MFZN2BL (VP156600) [350]: Bind Head Screw A3.0X6 MFZN2BL (VP156600) (DB-SREV1) CNV [A] [A] [350] [350] Printed side CNV CPU 1 2 3 4 5 CN123 CN123 CN119 CN119 CN122 CN122 CN118 CN118 6. Re-attach the SREV1 Top Cover Replace the fourteen (14) fixing screws marked [850]. The top cover can then be Replaced. (Fig. 1) 7. Checking that the DB-SREV1 (CNV) Circuit Board is Working Correctly If the DB-SREV1 (CNV) circuit board is working correctly, when the SREV1 is turned on the two rows of INPUT and OUTPUT front panel indicators light up alternately in a streaming pattern from left to right. If the indicators do not light up like this, the DB-SREV1 (CNV) circuit board is not working correctly, in which case you should check that it's installed in accordance with these instructions. 8. Execute Test Program Execute test program No. 5 in Section 5-2 and check if operation is normal. (Refer to page 42.) Fig. 5 (DB-SREV1) 3 4 6 CN2 CN2 CN3 CN3 CN1 CN1 CNV SREV1 18 4. CNV Circuit Board Installation Reinstall the previously removed CNV circuit board, remembering to replace the two (2) internal fixing screws marked [360] and two (2) external fixing screws marked [350]. (Fig. 2, 3) Reconnect the two cable connectors and the power supply connector. (Table 1) 5. DB-SREV1 (CNV) Circuit Board Installation 5-1 Cut and remove the cable fastener holding the power supply cable intended for the DB-SREV1(CNV) circuit board. 5-2 Install the DB-SREV1 (CNV) circuit board above the existing CNV circuit board, secure it by using two (2) internal fixing screws marked [B] and two (2) external fixing screws marked [A]. (Fig. 2, 3) 5-3 Connect the two cable connectors and the power supply connector, as shown in Figure 5. (Table 1) 1 2 3 4 5 6 MFA30100 MFA30100 MFA30140 MFA30140 (V6513200) (V6513200) CPU-CN122 CNV-CN2 CPU-CN123 CNV-CN3 CPU-CN118 DB-SREV1(CNV)-CN2 CPU-CN119 DB-SREV1(CNV)-CN3 Power Supply Unit-CN3 CNV-CN1 Power Supply Unit-CN4 DB-SREV1(CNV)-CN1 30P/L=100mm 30P/L=100mm 30P/L=140mm 30P/L=140mm 10P 10P DESTINATION REMERKS PARTS NO • Connector Assembly * Connector assembly listed above are not available as service parts except MFA30100 and MFA30140. Table 1 www. xiaoyu163. com QQ 376315150 9 9 2 8 9 4 2 9 8 TEL 13942296513 9 9 2 8 9 4 2 9 8 0 5 1 5 1 3 6 7 3 Q Q TEL 13942296513 QQ 376315150 892498299 TEL 13942296513 QQ 376315150 892498299 http://www.xiaoyu163.com LSI PIN DESCRIPTION 19 PIN NO. I/O FUNCTION NAME PIN NO. I/O FUNCTION NAME 1 2 3 4 5 6 7 8 9 10 11 12 13 14 15 16 17 18 19 20 21 22 DAUX HDLT DOUT VFL OPT SYNC MCC WC MCB MCA SKSY XI XO P256 LOCK Vss TC DIM1 DIM0 DOM1 DOM0 KM1 I O O O O O O O O O I I O O O O I I I I I Auxiliary input for audio data Asynchronous buffer operation flag Audio data output Parity flag output Fs x 1 Synchronous output signal for DAC Fs x 1 Synchronous output signal for DSP Fs x 64 Bit clock output Fs x 1 Word clock output Fs x 128 Bit clock output Fs x 256 Bit clock output Clock synchronization control input Crystal oscillator connection or external clock input Crystal oscillator connection VCO oscillating clock connection PLL lock flag Logic section power (GND) PLL time constant switching output Data input mode selection Data input mode selection Data output mode selection Data output mode selection Clock mode switching input 1 23 24 25 26 27 28 29 30 31 32 33 34 35 36 37 38 39 40 41 42 43 44 RSTN Vdda CTLN PCO (NC) CTLP Vssa TSTN KM2 KM0 FS1 FS0 CSM EXTW DDIN LR Vdd ERR EMP CD0 CCK CLD I I O I I I I O O I I I O O O O I I System reset input VCO section power (+5 V) VCO control input N PLL phase comparison output VCO control input P VCO section power (GND) Test terminal. Open for normal use Clock mode switching input 2 Clock mode switching input 0 Channel status sampling frequency display output 1 Channel status sampling frequency display output 0 Channel status output method selection External synchronous auxiliary input word clock EIAJ (AES/EBU) data input PLL word clock output Logic section power (+5 V) Data error flag output Channel status emphasis control code output 3-wire type microcomputer interface data output 3-wire type microcomputer interface clock input 3-wire type microcomputer interface load input YM3436DK (XG948E00) DIR2 (Digital Format Interface Receiver) CPU: IC165 PIN NO. I/O FUNCTION NAME PIN NO. I/O FUNCTION NAME 1 2 3 4 5 6 7 8 Vss MCLK DM0 DM1 RSTN WCIN DIN VDD I I I I I I Ground Master clock input DIN/BCLK/WCLK format select DM1,DM0=0,0 DSP,LDSP (64 bit,LSB first) DM1,DM0=0,1stereo,DSP (64 bit,MSB first) DM1,DM0=1,0 DSP2 (128 bit,MSB first) DM1,DM0=1,1 BB (64 bit,MSB first) System reset Word clock input Digital audio serial data input Power supply (+5 V) 9 10 11 12 13 14 15 16 MUTE VFL CCK/CCB CIN/UDB CLD/AUXTN CNTR/BLKIN CSM DOUT I I I I I I I O Mute Validity flag C,U bit clock input/C bit data input C,U bit data input/U bit data input End of C,U bit input/16,20 bit/24 bit select 32 bit counter reset/Top of block Channel status input mode select CSM=0 Asynchronous mode, CSM=1 Synchronous mode Digital interface formatted data output YM3437C-F (XM530A00) DIT2 (Digital Format Interface Transmitter) CPU: IC148, 149 YM3436DK (XG948E00) DIR2 (Digital Format Interface Receiver)····················································· 19 YM3437C-F (XM530A00) DIT2 (Digital Format Interface Transmitter) ················································ 19 SH7709A (XY065A00) CPU················································································································· 20 YSS910-S (XV988A00) DSP6 (Digital Signal Processor) ···································································· 21 YSS916-H (XW867A00) CNV3 DSP (Convolver)················································································· 22 MBCG46183-129 (XV833A00) Gate Array·························································································· 23 YSD917-ME2 (XW526A00) DIR5 (Digital Format Interface Receiver)················································· 23 www. xiaoyu163. com QQ 376315150 9 9 2 8 9 4 2 9 8 TEL 13942296513 9 9 2 8 9 4 2 9 8 0 5 1 5 1 3 6 7 3 Q Q TEL 13942296513 QQ 376315150 892498299 TEL 13942296513 QQ 376315150 892498299 http://www.xiaoyu163.com 1 2 3 4 5 6 7 8 9 10 11 12 13 14 15 16 17 18 19 20 21 22 23 24 25 26 27 28 29 30 31 32 33 34 35 36 37 38 39 40 41 42 43 44 45 46 47 48 49 50 51 52 53 54 55 56 57 58 59 60 61 62 63 64 65 66 67 68 69 70 71 72 73 74 75 76 77 78 79 80 81 82 83 84 85 86 87 88 89 90 91 92 93 94 95 96 97 98 99 100 101 102 103 104 MD1 MD2 Vcc-RTC*1 XTAL2 EXTAL2 Vss-RTC*1 NMI IRO0/IRL0/PTH[0] IRO1/IRL1/PTH[1] IRO2/IRL2/PTH[2] IRO3/IRL3/PTH[3] IRO4/PTH[4] D31/PTB[7] D30/PTB[6] D29/PTB[5] D28/PTB[4] D27/PYB[3] D26/PTB[2] VssO D25/PTB[1] VccO D24/PTB[0] D23/PTA[7] D22/PTA[6] D21/PTA[5] D20/PTA[4] Vss D19/PTA[3] Vcc D18/PTA[2] D17/PTA[1] D16/PTA[0] VssO D15 VccO D14 D13 D12 D11 D10 D9 D8 D7 D6 VssO D5 VccO D4 D3 D2 D1 D0 A0 A1 A2 A3 VssO A4 VccO A5 A6 A7 A8 A9 A10 A11 A12 A13 VssO A14 VccO A15 A16 A17 A18 A19 A20 A21 Vss A22 Vcc A23 VssO A24 VccO A25 BS/PTK[4] RD WE0/DOMLL WE1/DOMLU/WE WE2/DOMUL/ICIORD/PTK[6] WE3/DOMUU/ICIOWR/PTK[7] RD/WR AUDSYNC/PTE[7] VssO CS0/MCS[0] VccO CS2/PTK[0] CS3/PTK[1] CS4/PTK[2] CS5/CE1A/PTK[3] CS6/CE1B CE2A/PTE[4] CE2B/PTE[5] I I - O I - I I I I I I I/O I/O I/O I/O I/O I/O - I/O - I/O I/O I/O I/O I/O - I/O - I/O I/O I/O - I/O - I/O I/O I/O I/O I/O I/O I/O I/O I/O - I/O - I/O I/O I/O I/O I/O I I I I - I - I I I I I I I I I - I - I I I I I I I - I - I - I - I I/O O O O I/O I/O O I/O - O - I/O I/O I/O I/O I/O I/O I/O Clock mode Clock mode Power supply for RTC (1.8 V) Crystal oscillator for RTC Crystal oscillator for RTC Ground Non-maskable interrupt request Interrupt request/Input port H Interrupt request/Input port H Interrupt request/Input port H Interrupt request/Input port H Interrupt request/Input port H Data bus/Port B Data bus/Port B Data bus/Port B Data bus/Port B Data bus/Port B Data bus/Port B Ground Data bus/Port B Power supply (3.3 V) Data bus/Port B Data bus/Port A Data bus/Port A Data bus/Port A Data bus/Port A Ground Data bus/Port A Power supply (1.8 V) Data bus/Port A Data bus/Port A Data bus/Port A Ground Data bus Power supply (3.3 V) Data bus Data bus Data bus Data bus Data bus Data bus Data bus Data bus Data bus Ground Data bus Power supply (3.3 V) Data bus Data bus Data bus Data bus Data bus Address bus Address bus Address bus Address bus Ground Address bus Power supply (3.3 V) Address bus Address bus Address bus Address bus Address bus Address bus Address bus Address bus Address bus Ground Address bus Power supply (3.3 V) Address bus Address bus Address bus Address bus Address bus Address bus Address bus Ground Address bus Power supply (1.8 V) Address bus Ground Address bus Power supply (3.3 V) Address bus Bus cycle signal start/Port K Read strobe D7-D0 select sugnal/DOM (SDRAM) D15-D8 select signal/DOM (SDRAM) D23-D16 select signal/DOM (SDRAM)/PCMCIA I/O read/Port K D31-D24 select signal/DOM (SDRAM)/PCMCIA I/O write/Port K Read/Write AUD sync. signal/Port E Ground Chip select/Mask ROM chip select Power supply (3.3 V) Chip select2/Port K Chip select3/Port K Chip select4/Port K Chip select5/CE1/Port K Chip select6/CE1 Card enable/Port E Card enable/Port E 105 106 107 108 109 110 111 112 113 114 115 116 117 118 119 120 121 122 123 124 125 126 127 128 129 130 131 132 133 134 135 136 137 138 139 140 141 142 143 144 145 146 147 148 149 150 151 152 153 154 155 156 157 158 159 160 161 162 163 164 165 166 167 168 169 170 171 172 173 174 175 176 177 178 179 180 181 182 183 184 185 186 187 188 189 190 191 192 193 194 195 196 197 198 199 200 201 202 203 204 205 206 207 208 CKE/PTK[5] RAS3L/PTJ[0] RAS2L/PTJ[1] CASLL/CASL/PTJ[2] VssO CASLH/CASU/PTJ[3] VccO CASHL/PTJ[4] CASHH/PTJ[5] DACK0/PTD[5] DACK1/PTD[7] CAS2L/PTE[6] CAS2H/PTE[3] RAS3U/PTE[2] RAS2U/PTE[1] TDO/PTE[0] BACK BREO WAIT RESETM ADTRG/PTH[5] IOISI6/PTG[7] ASEMD0/PTG[6] ASEBRKAK/PTG[5] PTG[4] AUDATA[3]/PTG[3] AUDATA[2]/PTG[2] Vss AUDATA[1]/PTG[1] Vcc AUDATA[0]/PTG[0] TRST/PTF[7]/PINT[15] TMS/PTF[6]/PINT[14] TDI/PTF[5]/PINT[13] TCK/PTF[4]/PINT[12] IRLS[3]/PTF[3]/PINT[11] IRLS[2]/PTF[2]/PINT[10] IRLS[1]/PTF[1]/PINT[9] IRLS[0]/PTF[0]/PINT[8] MD0 Vcc-PLL1*2 CAP1 Vss-PLL1*2 Vss-PLL2*2 CAP2 Vcc-Pll2*2 AUDCK/PTH[6] Vss Vss Vcc XTAL EXTAL STATUS0/PTJ[6] STATUS1/PTJ[7] TCLK/PTH[7] IROOUT VssO CKIO VccO TxD0/SCPT[0] SOK0/SCPT[1] TxD1/SCPT[2] SCK1/SCPT[3] TxD2/SCPT[4] SCK2/SCPT[5] RTS2/SCPT[6] RxD0/SCPT[0] RxD1/SCPT[2] Vss RxD2/SCPT[4] Vcc CTS2/IRO5/SCP[7] MCS[7]/PTC[7]/PINT[7] MCS[6]/PTC[6]/PINT[6] MCS[5]/PTC[5]/PINT[5] MCS[4]/PTC[4]/PINT[4] VssO WAKEUP/PTD[3] VccO RESETOUT/PTD[2] MCS[3]/PTC[3]/PINT[3] MCS[2]/PTC[2]/PINT[2] MCS[1]/PTC[1]/PINT[1] MCS[0]/PTC[0]/PINT[0] DRAK0/PTD[1] DRAK1/PTD[0] DREQ0/PTD[4] DREQ1/PTD[6] RESETP CA MD3 MD4 MD5 AVss AN[0]/PTL[0] AN[1]/PTL[1] AN[2]/PTL[2] AN[3]/PTL[3] AN[4]/PTL[4] AN[5]/PTL[5] AVcc (3.3 V) AN[6]/DA[1]/PTL[6] AN[7]/DA[0]/PTL[7] AVss I/O I/O I/O I/O - I/O - I/O I/O I/O I/O I/O I/O I/O I/O I/O O I I I I I I I/O I I/O I/O - I/O - I/O I I I I I I I I I - - - - - - I - - - O I I/O I/O I/O O - I/O - O I/O O I/O O I/O I/O I I - I - I I/O I/O I/O I/O - I/O - I/O I/O I/O I/O I/O I/O I/O I I I I I I I - I I I I I I - I I - CK enable/Port K DRAM row address strobe/Port J DRAM row address strobe/Port J Column address strobe (low)/Port J Ground Column address strobe (high)/Port J Power supply (3.3 V) HL Column address strobe/Port J HH Column address strobe/Port J DMA acknowledge transfer strobe 0/Port D DMA acknowledge transfer strobe 1/Port D Column address strobe (low)/Port E Column address strobe (high)/Port E DRAM address strobe/Port E DRAM address strobe/Port E Test data output/Port E Bus acknowledge Bus request Hardware wait request Reset Analog trigger/Input port H Write protect/Area 6 input/Input port G ASE mode/Input port G ASE break acknowledge/Input port G Input port G AUD data/Input port G AUD data/Input port G Ground AUD data/Input port G Power supply (1.8 V) AUD data/Input port G Test reset/Input port F/Interrupt port Test mode switch/Input port F/Interrupt port Input test data/Input port F/Interrupt port Test clock/Input port F/Interrupt port Interrupt request/Input port F/Interrupt port Interrupt request/Input port F/Interrupt port Interrupt request/Input port F/Interrupt port Interrupt request/Input port F/Interrupt port Clock mode PLL1 Power supply (1.8 V) PLL1 capacitor PLL1 Ground PLL2 Ground PLL2 capacitor PLL2 Power supply (1.8 V) AUD clock/Input port H Ground Ground Power supply (1.8 V) Clock oscillator Clock/Crystal oscillator cessor status/Port J Pross./Port J Clock/Port H 'Interrupt request Ground System Clock Power supply (3.3 V) Data transmission 0/Output port Serial clock/Port Data transmission 1/Output port Serial clock/Port Data transmission 2/Output port Serial clock/Port Request to send 2/Output port Data reception 0/Output port Data reception 1/Output port Ground Data reception 2/Output port Power supply (1.8 V) Clear to send 2/Interrupt request/Input port Mask chip select/Port C/Interrupt port Mask chip select/Port C/Interrupt port Mask chip select/Port C/Interrupt port Mask chip select/Port C/Interrupt port Ground Standby mode/Port D Power supply (3.3 V) Reset output/Port D Mask chip select/Port C/Interrupt port Mask chip select/Port C/Interrupt port Mask chip select/Port C/Interrupt port Mask chip select/Port C/Interrupt port DMA transfer request/IPort D DMA transfer request/IPort D DMA transfer request/Input port D DMA transfer request/Input port D Power on reset Chip active/Hardware stand by request Area 0 bus allocation Area 0 bus allocation Area 0 bus allocation Ground AD converter input/Input port L AD converter input/Input port L AD converter input/Input port L AD converter input/Input port L AD converter input/Input port L AD converter input/Input port L Analog Power supply (3.3 V) AD converter input/Input port L AD converter input/Input port L Ground SH7709A FP-208C (XY065A00) CPU CPU: IC105 PIN NO. I/O FUNCTION NAME PIN NO. I/O FUNCTION NAME SREV1 20 www. xiaoyu163. com QQ 376315150 9 9 2 8 9 4 2 9 8 TEL 13942296513 9 9 2 8 9 4 2 9 8 0 5 1 5 1 3 6 7 3 Q Q TEL 13942296513 QQ 376315150 892498299 TEL 13942296513 QQ 376315150 892498299 http://www.xiaoyu163.com PIN NO. I/O FUNCTION NAME PIN NO. I/O FUNCTION NAME 1 2 3 4 5 6 7 8 9 10 11 12 13 14 15 16 17 18 19 20 21 22 23 24 25 26 27 28 29 30 31 32 33 34 35 36 37 38 39 40 41 42 43 44 45 46 47 48 49 50 51 52 53 54 55 56 57 58 59 60 61 62 63 64 65 66 67 68 69 70 71 72 73 74 75 76 77 78 79 80 81 82 83 84 85 86 87 88 Vdd Vss XI XO Vdd /SYNCI /SYNCO Vdd CKI CKO CKSEL Vss MCKS /SSYNC /IC /TEST BTYP /IRQ TRIG Vdd Vss /CS /WR /RD CA7 CA6 CA5 CA4 CA3 CA2 CA1 Vss Vdd CD15 CD14 CD13 CD12 CD11 CD10 CD09 CD08 CD07 CD06 Vss Vdd Vdd CD05 CD04 CD03 CD02 CD01 CD00 /WAIT Vss SI0 SI1 SI2 SI3 SI4 SI5 SI6 SI7 Vss Vdd SO0 SO1 SO2 SO3 SO4 SO5 SO6 SO7 Vss DB00 DB01 DB02 DB03 DB04 DB05 DB06 DB07 DB08 DB09 DB10 DB11 DB12 Vdd Vdd I O I O I O I I I I I I O I/O I I I I/O I/O I/O I/O I/O I/O I/O I/O I/O I/O I/O I/O I/O I/O I/O I/O I/O I/O I/O I/O I/O I/O I/O O I I I I I I I I O O O O O O O O I/O I/O I/O I/O I/O I/O I/O I/O I/O I/O I/O I/O I/O Power supply (3.3 V) Ground System master clock input (60 MHz or 30 MHz) System master clock output (High or 30 MHz) Power supply (5 V) Sync. signal input Sync. signal output Power supply (5 V) System clock input (30 MHz) System clock output (30 MHz) System master clock select (0: 60 MHz, 1: 30 MHz) Ground Serial I/O master clock input (128 x Fs) Serial I/O Sync. signal output Initial clear Test mode setting (0: Test, 1: Normal) Data bus type select (0: 8 bit, 1: 16 bit) IRQ output Trigger signal input/output Power supply (5 V) Ground chip select signal input Write signal input Read signal input Address bus of internal register Ground Power supply (3.3 V) Data bus of internal register Ground Power supply (3.3 V) Power supply (5 V) Data bus of internal register WAIT output Ground Serial data input Ground Power supply (5 V) Serial data output Ground Parallel data bus Power supply (5 V) Power supply (3.3 V) 89 90 91 92 93 94 95 96 97 98 99 100 101 102 103 104 105 106 107 108 109 110 111 112 113 114 115 116 117 118 119 120 121 122 123 124 125 126 127 128 129 130 131 132 133 134 135 136 137 138 139 140 141 142 143 144 145 146 147 148 149 150 151 152 153 154 155 156 157 158 159 160 161 162 163 164 165 166 167 168 169 170 171 172 173 174 175 176 Vss DB13 DB14 DB15 DB16 DB17 DB18 DB19 DB20 DB21 DB22 Vss Vdd DB23 DB24 DB25 DB26 DB27 DB28 DB29 DB30 DB31 TIMO//DBOE Vss Vdd DA00 DA01 DA02 DA03 DA04 DA05 DA06 DA07 Vss DA08 DA09 DA10 DA11 DA12 DA13 DA14 DA15 Vss Vdd (n.c) Vdd DA16 DA17 DA18 DA19 DA20 DA21 DA22 DA23 Vss DA24 DA25 DA26 DA27 DA28 DA29 DA30 DA31 Vdd Vss A00 A01 A02 A03 A04 A05 A06 A07 A08 A09 Vss Vdd A10 A11 A12 A13 A14 A15/RAS A16/CAS A17/CE /WE /OE Vdd I/O I/O I/O I/O I/O I/O I/O I/O I/O I/O I/O I/O I/O I/O I/O I/O I/O I/O I/O I/O I/O I/O I/O I/O I/O I/O I/O I/O I/O I/O I/O I/O I/O I/O I/O I/O I/O I/O I/O I/O I/O I/O I/O I/O I/O I/O I/O I/O I/O I/O I/O I/O O O O O O O O O O O O O O O O O O O O O Ground Parallel data bus Ground Power supply (3.3 V) Parallel data bus Timing signal output/ Parallel data bus output/ input Ground Power supply (5 V) Memory data bus Ground Memory data bus Ground Power supply (3.3 V) Not used Power supply (5 V) Memory data bus Ground Memory data bus Power supply (5 V) Ground Memory address (SRAM, PSRAM, DRAM) Ground Power supply (3.3 V) Memory address (SRAM, PSRAM, DRAM) Memory address (SRAM, PSRAM) Memory address (SRAM, PSRAM), /RAS (DRAM) Memory address (SRAM, PSRAM), /CAS (DRAM) Memory address (SRAM), /CE (PSRAM) Memory write enable signal Memory output enable signal Power supply (5 V) YSS910-S (XV988A00) DSP6 (Digital Signal Processor) CPU: IC143, 159 SREV1 21 www. xiaoyu163. com QQ 376315150 9 9 2 8 9 4 2 9 8 TEL 13942296513 9 9 2 8 9 4 2 9 8 0 5 1 5 1 3 6 7 3 Q Q TEL 13942296513 QQ 376315150 892498299 TEL 13942296513 QQ 376315150 892498299 http://www.xiaoyu163.com SREV1 22 PIN NO. I/O FUNCTION NAME PIN NO. I/O FUNCTION NAME 1 2 3 4 5 6 7 8 9 10 11 12 13 14 15 16 17 18 19 20 21 22 23 24 25 26 27 28 29 30 31 32 33 34 35 36 37 38 39 40 41 42 43 44 45 46 47 48 49 50 51 52 53 54 55 56 57 58 59 60 61 62 63 64 VSS VDD33 CSN WRN RDN WAITN A4 A3 A2 A1 DACKN DREQN VSS VDD33 VDD25 D00 D01 D02 D03 D04 D05 D06 D07 VSS D08 D09 D10 D11 D12 D13 D14 D15 VSS VDD33 VDD25 D16 D17 D18 D19 D20 D21 D22 D23 VSS D24 D25 D26 D27 D28 D29 D30 D31 VSS VDD33 VDD25 n.c n.c n.c n.c n.c DI0 DI1 SO0 SO1 I I I O I I I I I O I/O I/O I/O I/O I/O I/O I/O I/O I/O I/O I/O I/O I/O I/O I/O I/O I/O I/O I/O I/O I/O I/O I/O I/O I/O I/O I/O I/O I/O I/O I/O I/O I I O O Ground (GND) Power supply (+3.3 V) Chip select Write Read Wait Address bus DMA strobe DMA request Ground (GND) Power supply (+3.3 V) Power supply (+2.5 V) Data bus Ground (GND) Data bus Ground (GND) Power supply (+3.3 V) Power supply (+2.5 V) Data bus Data bus Ground (GND) Data bus Ground (GND) Power supply (+3.3 V) Power supply (+2.5 V) Not used Data input Serial data output 65 66 67 68 69 70 71 72 73 74 75 76 77 78 79 80 81 82 83 84 85 86 87 88 89 90 91 92 93 94 95 96 97 98 99 100 101 102 103 104 105 106 107 108 109 110 111 112 113 114 115 116 117 118 119 120 121 122 123 124 125 126 127 128 VSS VDD33 VDD25 SCLK RSTN OVFN TXFN VSS BCLK WCLK WSEL0 WSEL1 FSSEL BUSWD BUSW TST VSS VDD33 TST00 TST01 TST02 TST03 TST04 TST05 TST06 TST07 TST08 TST09 VSS VDD25 MI1 MI0 SI1 SI0 DO1 DO0 VSS VDD33 VDD25 TST10 TST11 TST12 TST13 TST14 TST15 TST16 TST17 TST18 TST19 TST20 VSS VDD33 VDD25 TST21 TST22 TST23 TST24 TST25 TST26 TST27 TST28 TST29 TST30 TST31 I I O O I I I I I I I I O O O O O O O O O O I I I I O O O O O O O O O O O O O O O O O O O O O O O O Ground (GND) Power supply (+3.3 V) Power supply (+2.5 V) System clock Reset Overflow flag Coefficient tactor write interdiction flag Ground (GND) Bit clock Word clock Serial data format Fs select DMA data bus (24/16 bit) switch data bus (32/16bit) switch Test pin Ground (GND) Power supply (+3.3 V) Test output Ground (GND) Power supply (+2.5 V) Mixing input Serial data input Data output Ground (GND) Power supply (+3.3 V) Power supply (+2.5 V) Test output Ground (GND) Power supply (+3.3 V) Power supply (+2.5 V) Test output YSS916-H (XW867A00) CNV3 DSP (Convolver) CNV: IC1–16, 35–50 www. xiaoyu163. com QQ 376315150 9 9 2 8 9 4 2 9 8 TEL 13942296513 9 9 2 8 9 4 2 9 8 0 5 1 5 1 3 6 7 3 Q Q TEL 13942296513 QQ 376315150 892498299 TEL 13942296513 QQ 376315150 892498299 http://www.xiaoyu163.com SREV1 23 PIN NO. I/O FUNCTION NAME PIN NO. I/O FUNCTION NAME 1 2 3 4 5 6 7 8 9 10 11 12 13 14 15 16 17 18 19 20 21 22 23 24 D5 D6 D7 /IRQ0 /IRQ1 Vss /IRQ2 IRQ3 /RD /WR /CE /ASTB TESTSIO RX0 TX0 RX1 TX1 Vss VDD RX2 TX2/BO2 RX30 TX30 TX31 I/O I/O I/O I/O I/O I/O I/O I I I I I I O I O I O I O I Data Bus Interrupt Request Port 0 Interrupt Request Port 1 Ground Interrupt Request Port 2 Interrupt Request Port 3 Read Signal Input Write Signal Input Chip Enable Input Address Strobe (Not used: to ground) Input with Pull-down Resistor (50 k) Receive Data 0 Transmit Data 0 Receive Data 1 Transmit Data 1 Ground Power Supply Receive Data 2 Transmit Data 2 Receive Data 30 Transmit Data 30 Receive Data 31 25 26 27 28 29 30 31 32 33 34 35 36 37 38 39 40 41 42 43 44 45 46 47 48 TX31 RX32 TX32 RX33 TX33 /IC Vss XI Vss XO A0 A1 A2 A3 A4 A5 CPUCLK Vss VDD D0 D1 D2 D3 D4 O I O I I/O I I I/O I I I I I I I I/O I/O I/O I/O I/O Transmit Data 31 Receive Data 32 Transmit Data 32 Receive Data 33 Transmit Data 33 Initial Clear Ground Quartz Crystal Input Ground Quartz Crystal Onput Address Bus CPU Clock Ground Power Supply Data Bus MBCG46183-129 (XV833A00) Gate Array CPU: IC114 PIN NO. I/O FUNCTION NAME PIN NO. I/O FUNCTION NAME 1 2 3 4 5 6 7 8 9 10 11 12 13 14 AVDD PCO AVSS M/S DDIN TEST /IC VSS XO XI MCK VDD SDO SDBCK - - - O I O - O PLL analog power supply (+5 V) PLL phase comparison output Analog ground Master/Slave mode select Didital audio interface data input Test pin, not used Initial clear Ground Crystal osc. output (24.576 MHz) Crystal osc. input (24.576 MHz) System clock output (12.288 MHz) Power supply (+5 V) Serial data output Serial data I/O bit clock (64 fs) 15 16 17 18 19 20 21 22 23 24 25 26 27 28 SDWCK SDMCK VSS SYNC/U FS128/C DBL/V ERR/BS /LOCK INT VDD /CS SO SI SCK I/O O - O O O O O O - I I Serial data I/0 word clock (Fs) Master clocl for serial output (256 or 128 x Fs) Ground Synch. signal for serial output/U bit data output Serial data master clocl output (128 fs)/C bit data output Double rate lock output/Validity flag output Data error flag output/Block start PLL lock flag Interrupt output Power supply (+5 V) Chip select Data output Data input Bit clock input YSD917-ME2 (XW526A00) DIR5 (Digital Format Interface Receiver) CPU: IC150, 151 www. xiaoyu163. com QQ 376315150 9 9 2 8 9 4 2 9 8 TEL 13942296513 9 9 2 8 9 4 2 9 8 0 5 1 5 1 3 6 7 3 Q Q TEL 13942296513 QQ 376315150 892498299 TEL 13942296513 QQ 376315150 892498299 http://www.xiaoyu163.com IC BLOCK DIAGRAM SREV1 24 1 2 3 4 5 6 7 1A 1Y 2A 2Y 3A 3Y Vss 14 13 12 11 10 9 8 VDD 6A 6Y 5A 5Y 4A 4Y TC74VHC04F EL (XM332A00) TC74VHCT04AF (XT777A00) Hex Inverter CPU: IC117, 133 TC74VHC08FT (XV891A00) Quad 2 Input AND CPU: IC301 TC74VHC32FT (XY945A00) Quad 2 Input OR CPU: IC121, 158 TC74VHC74FT (XV892A00) Dual D-Type Flip-Flop CPU: IC139 TC74VHC125FT (XY074A00) Quad 3-State Bus Buffer CPU: IC146 TC74VHCT126AFT (XY057A00) Bus Buffer CPU: IC145 TC74VHC138FT (XZ495A00) 3 to 8 Demultiplexer CNV: IC19–22 TC74VHC139FT (XV893A00) Dual 2 to 4 Demultiplexer CPU: CNV: TC74ACT174F (XY938A00) Hex D-Type Flip-Flop CPU: IC163, 164 1 2 3 1A 1Y 4 2A 5 2B 6 2Y 7 VSS 1B 14 13 12 VDD 4A 11 4Y 10 3B 9 3A 8 3Y 4B 1 2 3 1A 1Y 4 2A 5 2B 6 2Y 7 GND 1B 14 13 12 Vcc 4A 11 4Y 10 3B 9 3A 8 3Y 4B INPUTS OUTPUTS PR CLR CLK D Q Q L H H L H Q O H L H H L Q O X X X H L X X X X f f L H L L H H H L H L H H H 1 2 3 4 5 6 7 1CLR 1D 1CK 1PR 1Q 1Q GND 14 13 12 11 10 9 8 VCC 2CLR CLR 2D D 2CK CK 2PR PR 2Q 2Q Q Q CLR D CK PR Q Q 1 2 3 4 5 6 7 1G 1A 2Y 2G 2A 2Y GND 14 13 12 11 10 9 8 Vcc 4G 4A 4Y 3G 3A 3Y 1 2 3 4 5 6 7 1G 1A 1B 1Y0 1Y1 1Y2 1Y3 A G B Y0 Y1 Y2 Y3 16 15 14 13 12 11 10 Vcc 2G 2A 2B 2Y0 2Y1 2Y2 8 GND 9 2Y3 Y2 Y3 Y1 Y0 B A G 1 2 3 4 5 6 7 A A Select Enable Output Output B B C C G2A G2A G2B G2B G1 G1 Y7 Y7 Y5 Y4 Y3 Y2 Y1 Y0 Y6 16 15 14 13 12 11 10 Vcc YO Y1 Y2 Y3 Y4 Y5 8 GND 9 Y6 Q Q D C K C K C K D C K G G CLEAR 1Q 1D 2D 2Q 3D 3Q GND 1 16 2 15 3 14 4 13 5 12 6 11 7 10 8 9 Vcc 6Q 6D 5D 5Q 4D 4Q CK Q D G G Q D C K G C K Q D G Q D IC157, 169, 171 IC18 1 2 3 4 5 6 7 C1 A1 Y1 C2 A2 Y2 GND 14 13 12 11 10 9 8 Vcc C4 A4 Y4 C3 A3 Y3 www. xiaoyu163. com QQ 376315150 9 9 2 8 9 4 2 9 8 TEL 13942296513 9 9 2 8 9 4 2 9 8 0 5 1 5 1 3 6 7 3 Q Q TEL 13942296513 QQ 376315150 892498299 TEL 13942296513 QQ 376315150 892498299 http://www.xiaoyu163.com TC74VHCT245AFT (XT744A00) TC74VHC245FT (XU797A00) Octal 3-State Bus Transceiver CPU: CNV: TC74HC251AF (XQ968A00) 3-State 8 to 1 Data Selector CPU: IC160 HD74LV393AFPEL (IS039300) Dual 4-Bit Binary Counter CPU: IC302 HD74LVC540AT (XZ512A00) Bus Buffer CNV: IC17 TC74VHCT574AFT (XY059A00) Octal D-Type Flip-Flop CPU: IC161, 162 SN75124N (XE737A00) Line Receiver CPU: IC144 TC74LVXC3245FS (XY907A00) Dual Supply Octal Bus Transceiver CPU: IC127–131 SN75C1168NSR (XU073A00) Line Driver/Receiver CPU: IC125, 142 1 2 3 4 5 6 7 20 19 18 17 16 15 14 Vcc G B1 B2 B3 B4 B5 B6 B7 B8 8 9 10 12 11 GND A8 A7 A6 A5 A4 A3 A2 A1 D1R 13 IC119, 120, 123, 155, 165–168, 170 172–174, 179–184 IC23–34 10 9 8 7 6 5 4 3 2 1 D5 D CK Q OE D CK Q OE D CK Q OE D CK Q OE D CK Q OE D CK Q OE D CK Q OE D CK Q OE D6 D7 GND D4 D3 D2 D1 D0 Output Control Q5 Q6 Q7 Clock Q4 Q3 Q2 Q1 Q0 Vcc 11 12 13 14 15 16 17 18 19 20 1 2 3 4 5 6 7 3 2 1 Y W STROBE GND 0 16 15 14 13 12 11 Vcc 4 5 6 7 A B 8 9 10 C DATA INPUTS DATA SELECT DATE INPUTS OUTPUTS D4 D5 B C S D7 A D6 D2 D3 D1 D0 Y W 1 2 3 4 5 6 7 8 9 10 20 19 18 17 16 15 14 13 12 11 Vcc GND INPUTS OUTPUTS FUNCTION G L L H DIR A-BUS B-BUS L H X A=B OUTPUT INPUT B=A INPUT OUTPUT Z High lmpedance X : Don't Care Z : High lmpedance VCCA DIR A1 A2 A3 A4 A5 A6 A7 A8 GND GND VCCB NC G B1 1 3 EN2 (AB) 3 EN1 (BA) G3 2 B2 B3 B4 B5 B6 B7 B8 GND (TOP VIEW) 1 2 3 4 5 6 7 8 9 10 11 12 15 14 13 18 17 16 21 20 23 24 22 19 B1 21 VCCA VCCB B8 14 13 12 11 1 2 DIR 22 G 10 A8 3 A1 Logic Level Converter Same as above block 24 1A 1B 2R 2S 2A 2B 2Y GND 1 16 2 15 3 14 4 13 5 12 6 11 7 10 8 9 Vcc 1S 1R 1Y 3A 3S 3R 3Y 1 2 3 4 5 6 7 1B 1A 1R 1DE 2R 2A 2B 16 15 14 13 12 11 10 Vcc 1D 1Y 1Z 2DE 2Z 2Y 8 GND 9 2D 1 2 3 4 5 6 7 1A 1 CLEAR 1QA 1QC 1QD Vss (GND) 1QB 14 13 12 11 10 9 VDD (Vcc) 2A 2 CLEAR 2QA 2QB 2QC 2QD 8 CL QA QB QC A QD CL QA QB QC A QD SREV1 25 www. xiaoyu163. com QQ 376315150 9 9 2 8 9 4 2 9 8 TEL 13942296513 9 9 2 8 9 4 2 9 8 0 5 1 5 1 3 6 7 3 Q Q TEL 13942296513 QQ 376315150 892498299 TEL 13942296513 QQ 376315150 892498299 http://www.xiaoyu163.com SREV1 26 TC74LVX4245FS (XU229A00) Dual Supply Octal Bus Transceiver CPU: IC137, 138, 175–178 TC7S04F (XM182A00) Inverter Gate CPU: IC135 TC7W04FU (XP004A00) Triple Inverter CPU: IC152 TC7S32FU (XP351A00) OR CPU: IC136, 147 DS26C32ATMX (XU815A00) Quad Differential Line Receiver CPU: IC124 MC26LS30DR2 (XL334A00) Line Driver CPU: IC126 1 2 3 5 4 NC VSS VDD OUT IN 1 2 3 4 8 7 6 5 1A GND 3Y 2A Vcc 2Y 1Y 3A INPUTS OUTPUTS FUNCTION G L L H DIR A-BUS B-BUS L H X A=B OUTPUT INPUT B=A INPUT OUTPUT Z High lmpedance X : Don't Care Z : High lmpedance VCCA DIR A1 A2 A3 A4 A5 A6 A7 A8 GND GND VCCB VCCB G B1 B2 B3 B4 B5 B6 B7 B8 GND (TOP VIEW) 1 2 3 4 5 6 7 8 9 10 11 12 15 14 13 18 17 16 21 20 23 24 22 19 B1 21 23 VCCA VCCB 24 B8 14 13 12 11 1 2 DIR 22 G 10 A8 3 A1 Logic Level Converter Same as above block 1 5 2 3 4 IN A Vss Vss OUT IN B 1 2 3 4 5 6 7 Vcc Input A Input B/ Enable AB GND Input C/ Enable CD Input D VEE Mode 16 15 14 13 12 11 SR-A Output A Output B SR-B SR-C Output C Output D 8 9 10 SR-D Input A Enable AB SR-A Out A 2 3 15 14 Input A 2 16 15 Input B SR-B Out B Out A Out B 3 13 14 Input C SR-C Out C 6 12 11 Input D SR-D Out D 7 9 10 SINGLE-ENDED MODE EIA-423 DIFFERENTIAL MODE EIA-422 Enable CD 7 11 10 Input D 6 Out C Out D Vcc 1 Gnd 5 Mode 4 VEE 8 Inputs Outputs Operation Vcc Mode A B C D X X X X A B C D Z Z Z Z VEE 0 0 0 0 0 0 1 1 1 1 1 0 1 X 1 0 1 0 1 0 0 0 0 0 1 0 0 0 0 0 1 0 0 0 1 1 0 1 X 0 0 0 0 1 0 0 0 0 0 1 0 0 0 1 0 0 1 Z 1 0 1 0 1 0 0 0 1 0 Z 0 1 0 0 0 1 0 0 0 1 1 0 1 Z 0 0 0 0 1 1 0 0 1 0 Z 0 0 0 1 0 +5.0 GND +5.0 -5.0 Differential (EIA-422-A) Single-Ended (EIA-423-A) X = Don't Care Z = High Impedance (Off) X 0 X X 1 2 3 4 5 6 7 INPUT A INPUT A OUTPUT A OUTPUT C INPUT C INPUT C GND ENABLE 16 15 14 13 12 11 Vcc INPUT B INPUT B OUTPUT B ENABLE OUTPUT D INPUT D 8 9 10 INPUT D + - - + + - - + www. xiaoyu163. com QQ 376315150 9 9 2 8 9 4 2 9 8 TEL 13942296513 9 9 2 8 9 4 2 9 8 0 5 1 5 1 3 6 7 3 Q Q TEL 13942296513 QQ 376315150 892498299 TEL 13942296513 QQ 376315150 892498299 http://www.xiaoyu163.com SREV1 27 CY2305 (XY937A00) Clock Buffer CPU: IC110 TPS2211IDBR (XY906A00) PCMCIA Power Interface Switch CPU: IC132 1 2 3 4 5 6 7 VCCD0 VCCD1 3.3V 5V 5V OC GND GND 3.3V 16 15 14 13 12 11 SHDN VPPD0 VPPD1 VPPD0 VPPD1 AVCC AVCC AVCC AVPP 8 9 10 12V SHDN VCCD0 VCCD1 OC 3.3V 3.3V 5V 5V 12V CPU Thermal S6 S5 S4 S3 S2 S1 Internal Current Monitor CONTROLLER 8 7 2 1 14 15 16 9 6 5 4 3 13 17 51 18 52 CS TPS2211 CARD Vcc1 Vcc2 Vpp1 Vpp2 CS 12 11 10 1 2 3 4 REF CLK2 CLK1 GND 8 7 6 5 CLK OUT CLK4 VDD CLK3 www. xiaoyu163. com QQ 376315150 9 9 2 8 9 4 2 9 8 TEL 13942296513 9 9 2 8 9 4 2 9 8 0 5 1 5 1 3 6 7 3 Q Q TEL 13942296513 QQ 376315150 892498299 TEL 13942296513 QQ 376315150 892498299 http://www.xiaoyu163.com SREV1 28 CIRCUIT BOARDS CONTENTS Note: See parts list for details of circuit board component parts. CD-ROM Circuit Board (XY898B0) ·············································································· 34 CNV Circuit Board (XY897B0) ····················································································· 29 CPU Circuit Board (XY898B0) ····················································································· 33 PCM Circuit Board (XY898B0)····················································································· 37 SUB 1/4 Circuit Board (XY899B0) ··············································································· 38 SUB 2/4 Circuit Board (XY899B0) ··············································································· 39 SUB 3/4 Circuit Board (XY899B0) ··············································································· 40 SUB 4/4 Circuit Board (XY899B0) ··············································································· 40 www. xiaoyu163. com QQ 376315150 9 9 2 8 9 4 2 9 8 TEL 13942296513 9 9 2 8 9 4 2 9 8 0 5 1 5 1 3 6 7 3 Q Q TEL 13942296513 QQ 376315150 892498299 TEL 13942296513 QQ 376315150 892498299 http://www.xiaoyu163.com A A' SREV1 29 CIRCUIT BOARDS CNV Circuit Board 3NA-V587900 1 www. xiaoyu163. com QQ 376315150 9 9 2 8 9 4 2 9 8 TEL 13942296513 9 9 2 8 9 4 2 9 8 0 5 1 5 1 3 6 7 3 Q Q TEL 13942296513 QQ 376315150 892498299 TEL 13942296513 QQ 376315150 892498299 http://www.xiaoyu163.com A A' to Power supply unit-CN3 to CPU-CN123 to CPU-CN122 Power supply unit-CN4 (as for DB-SREV1) CPU-CN119 (as for DB-SREV1) CPU-CN118 (as for DB-SREV1) SREV1 30 Component side 3NA-V587900 1 www. xiaoyu163. com QQ 376315150 9 9 2 8 9 4 2 9 8 TEL 13942296513 9 9 2 8 9 4 2 9 8 0 5 1 5 1 3 6 7 3 Q Q TEL 13942296513 QQ 376315150 892498299 TEL 13942296513 QQ 376315150 892498299 http://www.xiaoyu163.com SREV1 31 B B' CNV Circuit Board 3NA-V587900 1 www. xiaoyu163. com QQ 376315150 9 9 2 8 9 4 2 9 8 TEL 13942296513 9 9 2 8 9 4 2 9 8 0 5 1 5 1 3 6 7 3 Q Q TEL 13942296513 QQ 376315150 892498299 TEL 13942296513 QQ 376315150 892498299 http://www.xiaoyu163.com SREV1 32 B B' 3NA-V587900 1 Pattern side www. xiaoyu163. com QQ 376315150 9 9 2 8 9 4 2 9 8 TEL 13942296513 9 9 2 8 9 4 2 9 8 0 5 1 5 1 3 6 7 3 Q Q TEL 13942296513 QQ 376315150 892498299 TEL 13942296513 QQ 376315150 892498299 http://www.xiaoyu163.com C C' to DC fan motor WORD CLOCK IN CF CARD not connect REMOTE SERIAL MIDI 1 2 IN OUT to PCM -CN502 to PCM -CN503 to SUB 1/4 -CN706 not installed to SUB 3/4 -CN801 to CNV-CN3 not installed to CNV-CN2 to CNV (DB-SREV1) -CN3 to CNV (DB-SREV1) -CN2 SREV1 33 3NA-V587910-2 2 CPU Circuit Board www. xiaoyu163. com QQ 376315150 9 9 2 8 9 4 2 9 8 TEL 13942296513 9 9 2 8 9 4 2 9 8 0 5 1 5 1 3 6 7 3 Q Q TEL 13942296513 QQ 376315150 892498299 TEL 13942296513 QQ 376315150 892498299 http://www.xiaoyu163.com C C' to Power supply unit-CN5 to SUB 2/4-CN601 CD-ROM drive to SUB 2/4-CN602 to Fan 1 2 IN OUT 1 2 Battery V6696200 Verwijder het soldeertin, verwijder daarna de batterij. Notice for back-up battery removal Remove the solder; remove the back-up battery. DIGITAL(AES/EBU) to SUB 4/4-CN802 to Power supply unit-CN6 to CNV-CN3 to CNV-CN2 -CN3 -CN3 SREV1 34 • Lithium Battery CD-ROM Circuit Board Component side Component side CPU, CD-ROM: 3NA-V587910-2 2 www. xiaoyu163. com QQ 376315150 9 9 2 8 9 4 2 9 8 TEL 13942296513 9 9 2 8 9 4 2 9 8 0 5 1 5 1 3 6 7 3 Q Q TEL 13942296513 QQ 376315150 892498299 TEL 13942296513 QQ 376315150 892498299 http://www.xiaoyu163.com D D' CPU, CD-ROM: 3NA-V587910-3 1 CPU Circuit Board CD-ROM Circuit Board Pattern side SREV1 35 www. xiaoyu163. com QQ 376315150 9 9 2 8 9 4 2 9 8 TEL 13942296513 9 9 2 8 9 4 2 9 8 0 5 1 5 1 3 6 7 3 Q Q TEL 13942296513 QQ 376315150 892498299 TEL 13942296513 QQ 376315150 892498299 http://www.xiaoyu163.com D D' Pattern side 3NA-V587910-3 1 SREV1 36 www. xiaoyu163. com QQ 376315150 9 9 2 8 9 4 2 9 8 TEL 13942296513 9 9 2 8 9 4 2 9 8 0 5 1 5 1 3 6 7 3 Q Q TEL 13942296513 QQ 376315150 892498299 TEL 13942296513 QQ 376315150 892498299 http://www.xiaoyu163.com to CPU-CN113 to CPU-CN114 MEMORY CARD SREV1 37 PCM Circuit Board Component side Pattern side 3NA-V587910-2 3NA-V587910-3 1 1 www. xiaoyu163. com QQ 376315150 9 9 2 8 9 4 2 9 8 TEL 13942296513 9 9 2 8 9 4 2 9 8 0 5 1 5 1 3 6 7 3 Q Q TEL 13942296513 QQ 376315150 892498299 TEL 13942296513 QQ 376315150 892498299 http://www.xiaoyu163.com SREV1 38 to SUB 2/4-CN604 to CPU-CN301 to Power supply unit-CN2 to Power transformer to Power transformer to Power transformer SUB 1/4 Circuit Board 3NA-V587920 2 Component side Pattern side www. xiaoyu163. com QQ 376315150 9 9 2 8 9 4 2 9 8 TEL 13942296513 9 9 2 8 9 4 2 9 8 0 5 1 5 1 3 6 7 3 Q Q TEL 13942296513 QQ 376315150 892498299 TEL 13942296513 QQ 376315150 892498299 http://www.xiaoyu163.com SREV1 39 to Power supply unit-CN7 to SUB 1/4-CN705 SLOT1 SLOT2 to CPU-CN120 to CPU-CN121 SUB 2/4 Circuit Board 3NA-V587920 2 Component side Pattern side www. xiaoyu163. com QQ 376315150 9 9 2 8 9 4 2 9 8 TEL 13942296513 9 9 2 8 9 4 2 9 8 0 5 1 5 1 3 6 7 3 Q Q TEL 13942296513 QQ 376315150 892498299 TEL 13942296513 QQ 376315150 892498299 http://www.xiaoyu163.com SREV1 40 to CPU-CN117 INPUT SIGNAL CH1 INPUT SIGNAL CH2 INPUT SIGNAL CH3 INPUT SIGNAL CH4 OUTPUT SIGNAL CH1 OUTPUT SIGNAL CH2 OUTPUT SIGNAL CH3 OUTPUT SIGNAL CH4 FS LOCK 44.1K INPUT CLIP CH1 INPUT CLIP CH2 INPUT CLIP CH3 INPUT CLIP CH4 OUTPUT CLIP CH1 OUTPUT CLIP CH2 OUTPUT CLIP CH3 OUTPUT CLIP CH4 FS LOCK 48K Power supply unit-CN1 to AC inlet, to CPU-CN124 POWER ON/OFF SUB 3/4 Circuit Board SUB 4/4 Circuit Board SUB 3/4, SUB 4/4: 3NA-V587920 2 Component side Pattern side Pattern side Component side www. xiaoyu163. com QQ 376315150 9 9 2 8 9 4 2 9 8 TEL 13942296513 9 9 2 8 9 4 2 9 8 0 5 1 5 1 3 6 7 3 Q Q TEL 13942296513 QQ 376315150 892498299 TEL 13942296513 QQ 376315150 892498299 http://www.xiaoyu163.com UPGRADE AND TEST PROGRAM 1. Outline of test program • The test program is a separate and individual application from the regular program. (Not provided with this program) • The test program is provided in a file titled “diag.bin”. • The test program is used by connecting the [SERIAL-1] terminal of the SREV1 and the RS232C terminal on an IBM-compatible PC using a DSUB9p-miniDIN8p cable. • The terminal software “TeraTerm” is required when using on an IBM- compatible PC. “TeraTerm” can be downloaded from the URL shown below. http://www.vector.co.jp/authors/VA002416/teraterm.html (The address may be changed in future.) 2. Preparations for inspection *1 Use an IBM-compatible PC that has a COM port. The settings for the COM port are: 8bit, Non-Parity, 1 Stop bit, No Flow Control. *2 Refer to the items relating to the details of individual inspections (MY8) for information about the loop back of the MY8 card. *3 This the CD-ROM disc included in the package with the product. *4 Store the test program “diag.bin” in the PC ATA card for the inspection. Dowload “diag.bin” from the YSISS home page. 3. Starting the test program Turn on the power and after the normal application has started, start the test program using the PC card with the test program in it. Once the test program has been started, the following will appear on the “TeraTerm” terminal software. 4. Operating the test program The various tests in the test program are started by entering them in the command line of the “TeraTerm” terminal software. As a result, the following will appear on the “TeraTerm” terminal software. 5. Test items 5-1. serv, total check The inspection of the overall assembly is started by entering “serv” from the terminal. This will start the inspection and the progress status of the inspection for each item will be displayed on the terminal. The inspection is completed. If all the items are OK, the following is displayed. If there were items that were NG, the following list will be displayed. 5-2. Individual checks Inspections of the following items are performed. CD-ROM Disk PC ATA Card AES/EBU IN 1 AES/EBU IN 2 AES/EBU OUT 1 AES/EBU OUT 2 MIDI OUT MIDI IN SERIAL 2 SERIAL 1 REMOTE WORDCLOCK IN [5] [6] [10] SLOT 1 SLOT 2 [1] [11] [9] MEMORY CARD CD-ROM [8] IBM-compatible PC Cable VZ729000 MY8 Card -AT -AE -TD Optical cable No. [1] [5] [6] [8][9] [10] [11] Items Use a DSUB9p-miniDIN8p Cable to connect the [SERIAL- 1] terminal and the RS232C terminal on the PC (*1) Use a canon cable to connect [AES/EBU IN-1] and [AES/EBU OUT-1] Use a canon cable to connect [AES/EBU IN-2] and [AES/EBU OUT-2] If there is a MY8 card in the option slot, loop back (*2). Insert the CD-ROM Disc (*3) provided in the SREV1 package into the CD-ROM drive. Insert the PC ATA Card (*4) into the [MEMORY CARD] slot. SREV1 Diagnostics version 0.7 Copyright(C) 2000 YAMAHA Corporation All rights reserved. wait for ready: [0] exec_device_diagnostic: [14] soft_reset 0: soft_reset 1: device not ready CF=Slave, CD-ROM=Master diag> [ Results of Service Tests ] ----- Test of AES/EBU-1 ------- DIR5-1 Lock .. NG [X] DIT2-1 -> DIR5-1 Subcode .. NG [XXXX. XXXX. XXXX. XXXX. XXXX. XXXX. XXXX. XXXX] DIT2-1 -> DIR5-1 Signal.. NG [XXXX. XXXX. XXXX. XXXX. XXXX] ----- Test of MY Slot-2 ------- Card Detect .. OK [MY8-AE] Status (Lock/Hold) .. NG [XXXX] Audio Line .. NG [XXXX. XXXX] diag> diag> serv [ Service Tests are All OK ] diag> 1 2 3 4 5 6 7 System LEDs Drive DSP6 CNV AES my8 Checks the SDRAM, SRAM, Battery Tests that LEDs come on. Visually confirm that the LEDs come on in the predetermined sequence. Checks the internal Card, CD-ROM Drive, PCMCIA Slot Checks the DSP6 and DRAM. Checks access to the CNV circuit board. Checks AES/EBU IN/OUT Checks the miniYGDAI slot. Must be confirmed visually. Automatically determines the number of CNV circuit boards. Makes two checks if there is a DB-SREV1 Insert two MY cards. Automatically determines the type of the MY cards. Notes Description Individual commands No. SREV1 41 www. xiaoyu163. com QQ 376315150 9 9 2 8 9 4 2 9 8 TEL 13942296513 9 9 2 8 9 4 2 9 8 0 5 1 5 1 3 6 7 3 Q Q TEL 13942296513 QQ 376315150 892498299 TEL 13942296513 QQ 376315150 892498299 http://www.xiaoyu163.com 5-2-1. sys In the FlashROM and SDRAM program section, operation is normal if the test program starts. Checks the SDRAM coefficient buffer range, backup RAM (SRAM) and battery. 5-2-2. led The LEDs will come on in the sequence shown below. Visually check that they come on as indicated. 5-2-3. drive Checks the internal Card, CD-ROM Drive, PCMCIA Slot Insert the CD-ROM disk included in the package for the product in the CD- ROM drive. Insert the PC ATA card for inspection into the PCMCIA slot. A: Internal CF Card, B: If both of the CD-ROM drives are NG, remove the FPC cable for CN109 and CN110. and reinspect the internal CF card. 5-2-4. dsp6 Checks the DSP6 and DRAM. If all the items are NG, check the system clock (60 MHz).: X104 If all of the DRAM items are NG, check 128Fs, Sync.: IC165 5-2-5. cnv Checks the CNV circuit boards. Since DSP6 is used for inspecting Data1and Coef, make sure that the DSP6 has passed its test before proceeding. 5-2-6. aes Checks AES/EBU IN/OUT 5-2-7. my8 Checks the miniYGDAI slot. Automatically identifies the MY cards in the slot. If the cards are MY-8AE, MY8-AT, MY8-TD, the following checks are performed. Only card identification is performed for all other cards. There is a need to loop back MY-8AE, MY8-AT, MY8-TD cards. INPUT1/2 Hot - OUTPUT1/2 Hot INPUT1/2 Cold - OUTPUT1/2 Cold INPUT3/4 Hot - OUTPUT3/4 Hot INPUT3/4 Cold - OUTPUT3/4 Cold INPUT5/6 Hot - OUTPUT5/6 Hot INPUT5/6 Cold - OUTPUT5/6 Cold INPUT7/8 Hot - OUTPUT7/8 Hot INPUT7/8 Cold - OUTPUT7/8 Cold 1 - 5 14 - 18 2 - 6 15 - 19 3 - 7 16 - 20 4 - 8 17 - 21 10, 12, 13, 21, 22, 23, 24, 25 GND 9, 11 OPEN MY8-AE 13 1 14 25 Inspection items SDRAM (Data Bus) SDRAM (Addr Bus) Backup RAM (Data Bus) Backup RAM (Addr Bus) Battery Check these areas if NG SDRAM (IC111, IC112), IC110 SDRAM (IC111, IC112), IC110 SRAM (IC108, IC109) SRAM (IC108, IC109) BT101, IC103 Inspection items All LEDs Each LED All LEDs Blink Notes All LEDs come on for 1 second. The LEDs come on one at a time in 0.3 second intervals. The sequence for the LEDs to come on is shown in the figure below. Two cycles are performed. All LEDs blink for 3 seconds. Inspection items A: Internal CF Card B: CD-ROM Drive C: PCMCIA Slot Check these areas if NG CF101, IC113, IC117, IC123, IC137, IC138 CD-ROM circuit board, CD-ROM Drive, CN109, CN110, IC113, IC117, IC123, IC137, IC138 PCMM circuit board, IC117, IC121, IC127, IC128, IC129, IC130, IC132, IC135, IC136, IC139 Inspection items CPU Interface (Data Bus) CPU Interface (Data Bus) CPU Interface (CS, TXB) CPU Interface (Addr Bus) Check these areas if NG [oX] IC159 [Xo] IC143 [XX] IC113, IC177, IC178, IC143, IC159 [oX] IC159 [Xo] IC143 [XX] IC113, IC169 [oX] IC159 [Xo] IC143 [XX] IC113, IC179 [oX] IC159 [Xo] IC143 [XX] IC113, IC179 Inspection items CPU Interface (BWR/BRR) DRAM Interface (Data Bus) DRAM Interface (Addr Bus) DRAM Interface (MPR) PIO Connection Check these areas if NG [oX] IC159 [Xo] IC143 [XX] IC153, IC154, IC159 [oX] IC153, IC154, IC159 [Xo] IC140, IC141, IC143 [oX] IC153, IC154, IC159 [Xo] IC140, IC141, IC143 [oX] IC159 [Xo] IC143 IC159, IC143 Inspection items CPU Interface (Data Bus) CPU Interface (Addr Bus) CPU Interface (IRQ) Data1 (Pulse <- Rand) Coef2 (Linear <- Pulse) Check these areas if NG IC160, IC161, IC162, IC163, IC170, IC171 IC164, IC170, IC171 IC301 IC168, IC170 IC168, IC170 Inspection items DIR5-1 Micon Interface DIR5-1 Lock DIT2-1 -> DIR5-1 Subcode DIT2-1 -> DIR5-1 Signal DIR5-2 Micon Interface DIR5-1 Lock DIT2-2 -> DIR5-2 Subcode DIT2-2 -> DIR5-2 Signal Check these areas if NG IC113, IC145, IC146, IC150, IC156, IC157, IC158,IC162 IC142, IC150 IC113, IC142, IC148, IC157, IC158, IC162 IC142, IC148 IC113, IC145, IC146, IC151, IC156, IC157, IC158, IC162 IC142, IC151 IC113, IC142, IC149, IC157, IC158, IC162 IC142, IC149 Inspection items Card Detect Status (Lock/Hold) Audio Line Check these areas if NG IC113, IC155, IC157, IC158 IC160, IC165, IC167 IC166, IC172 SREV1 42 www. xiaoyu163. com QQ 376315150 9 9 2 8 9 4 2 9 8 TEL 13942296513 9 9 2 8 9 4 2 9 8 0 5 1 5 1 3 6 7 3 Q Q TEL 13942296513 QQ 376315150 892498299 TEL 13942296513 QQ 376315150 892498299 http://www.xiaoyu163.com 6. Upgrading 6-1. Upgrading SREV1 (using a PCMCIA card) (1) Start up SREV1 in the normal manner. (2) Insert the PC Card with the new version of the application version “srev1.bin” in it into the PCMCIA slot. (3) Connect the [SERIAL-1] terminal and the RS-232C terminal on the PC. (4) Use the PC to start “TeraTerm”. (5) Select “File” “Send file” from the “TeraTerm menu”. (6) Select “pcmcia_update.bin” from the “TeraTerm: Send file” dialog box. (7) Check the option for binary in the “TeraTerm: Send file” dialog box. (8) Click the “Open” button in the “TeraTerm: Send file” dialog box. Then, the “TeraTerm: Send file” dialog box closes, and then the following message will appear to shown that the version has been upgraded. It takes approximately 15 seconds to perform the upgrade. Once the upgrade has been completed, the system will automatically reboot. *) Download “srev1.bin” and “pcmcia_update.bin” from the YSISS home page and save in the PC card. *) The contents of pcmcia_update.bin are as shown below. F0 43 74 1E 07 11 00 00 7F 00 00 00 70 F7 (Binary Data 14bytes) *) If there is absolutely no response from SREV1, the problem is with the connection. Check the cables and other connections. 6-2. Upgrading RC-SREV1 SREV1 application file “srev1.bin” there is a execution module for RC-SREV1. When RC-SREV1 and SREV1 are connected and the version of RC-SREV1 is not compatible with the version of SREV1, the following message will appear on the screen for RC-SREV1. Push any key to start the download from SREV1 to RC-SREV1 to perform the upgrade .It takes approximately 3.5 minutes from the time the key is pushed until the upgrade is completed. Once completed, RC-SREV1 will automatically reboot. IN Optical Cable for ADAT OUT DO1.2 - DI1.2 DO3.4 - DI3.4 DO5.6 - DI5.6 DO7.8 - DI7.8 LRCKO - LRCKI EMPO - EMPI FS0O - FS0I FS1O - FS1I 1 - 13 2 - 12 3 - 11 4 - 10 5 - 9 18 - 21 6 - 8 19 - 20 7, 14, 15, 16, 17, 22, 23, 24, 25 GND MY8-TD 13 1 14 25 MY8-AE Version up from PCMCIA delete a:srev1.bin.bak rename a:srev1.bin a:srev1.bin.bak copy c:srev1.bin a:srev1.bin done. Reboot SREV1 * tp VERSION MISMATCH PUSH ANY KEY TO DOWNLOAD SREV1 43 www. xiaoyu163. com QQ 376315150 9 9 2 8 9 4 2 9 8 TEL 13942296513 9 9 2 8 9 4 2 9 8 0 5 1 5 1 3 6 7 3 Q Q TEL 13942296513 QQ 376315150 892498299 TEL 13942296513 QQ 376315150 892498299 http://www.xiaoyu163.com SREV1 44 ERROR MESSAGES VERSION MISMATCH. PUSH ANY KEY TO DOWNLOAD. COMMUNICATION TIMEOUT. WRITE PROTECTED. INSERT MEDIA. TITLE IS EMPTY! !!! LOW BATTERY !!! !!! NO BATTERY !!! RESTORED FROM BACKUP. DATA FILE NOT FOUND! INSERT PCMCIA CARD. DATA FILE NOT FOUND! INSERT CD-ROM DISC. EMPTY DATA! SOME DATA ISN’T LOADED. CAN’T SAVE THIS PROGRAM. NO SUFFICIENT SPACE! CAN’T SAVE THIS PROGRAM. DESTINATION WRITE PROTECTED! COULD NOT COMMUNICATE WITH SREV1. CHECK THE CABLE CONNECTION AND SREV1’S POWER, THEN TURN ON RC-SREV1 AGAIN. Message Press any button to download the necessary software from the SREV1 to the RC-SREV1 in order to match the software versions. Turn off both the SREV1 and RC-SREV1 and check the remote cable connections, also check for breaks in the cable. Turn off the protection in order to store or edit the title. The CD-ROM is always write protected. Insert the necessary media. Note that it takes the SREV1 between 20 and 30 seconds to recognize CD-ROMs. Enter some characters for the title. Ask your Yamaha dealer to change the battery as soon as possible. Ask your Yamaha dealer to change the battery as soon as possible. Insert the PC Card containing the necessary impulse- response data. Insert the CD-ROM containing the necessary impulse- response data. Load the necessary impulse-response data, or load the program again. Insert another PC Card, or delete some unnecessary programs in order to free some space. Use another title, or turn off the write protection. If the RC-SREV1 is powered by an optional AC adapter, make sure that the SREV1 is turned on. Turn off both the SREV1 and RC-SREV1 and check the remote cable connections, also check for breaks in the cable. The software versions of the SREV1 and RC-SREV1 do not match. Communication with the SREV1 failed. A write protected Quick memory, program, or project was selected. No media inserted. No title has been entered or only spaces. The SREV1’s internal backup battery is getting low. The SREV1’s internal backup battery is flat and the contents of the battery-backed memory were lost. The contents were restored from the backup file on the Internal card. When the SREV1 was restarted, the Reverb mode changed, or a project loaded, the programs were loaded from the PC Card but the necessary impulse- response data could not be found. When the SREV1 was restarted, the Reverb mode changed, or a project loaded, the programs were loaded from the CD-ROM but the necessary impulse-response data could not be found. The impulse-response data for the program was not loaded. The program cannot be stored due to lack of space on the PC Card or Internal card. You tried to edit the title of a program or project on the Library page, but the destination file is write protected. Communication between the SREV1 and RC- SREV1 failed during startup. Solution Reason www. xiaoyu163. com QQ 376315150 9 9 2 8 9 4 2 9 8 TEL 13942296513 9 9 2 8 9 4 2 9 8 0 5 1 5 1 3 6 7 3 Q Q TEL 13942296513 QQ 376315150 892498299 TEL 13942296513 QQ 376315150 892498299 http://www.xiaoyu163.com SREV1 45 CURRENT IS EDITED. RECALL PROGRAM OK? CURRENT IS EDITED, LOAD LIBRARY OK? SAME LIBRARY EXISTS! OVERWRITE OK? DELETE LIBRARY OK? CURRENT IS EDITED. LOAD PROJECT OK? SAME PROJECT EXISTS! OVERWRITE OK? DELETE PROJECT OK? LOAD DATA OK? CHANGE REV MODE OK? Message To discard the current program’s unsaved changes and recall the program, press OK. To cancel the operation, press CANCEL. To discard the current program’s unsaved changes and load the program, press OK. To cancel the operation, press CANCEL. To save and overwrite the existing program, press OK. To cancel the operation, press CANCEL. To overwrite the existing program, press OK. To cancel the operation, press CANCEL. Press OK to delete the selected program. To cancel the operation, press CANCEL. To discard the current program’s unsaved changes and load the project, press OK. To cancel the operation, press CANCEL. To save and overwrite the existing program, press OK. To cancel the operation, press CANCEL. To save and overwrite the existing program, press OK. To cancel the operation, press CANCEL. Press OK to delete the selected program. To cancel the operation, press CANCEL. Press OK to load the selected impulse-response data. To cancel the operation, press CANCEL. Press OK to switch to the Reverb mode. To cancel the operation, press CANCEL. Appears when you recall a program from the Quick memory page, but the current program contains unsaved changes. Appears when you recall a program from the Library page, but the current program contains unsaved changes. Appears when you save the current program on the Library page, but a program with the same title already exists. Appears when you edit the title of the selected program on the Library page, but a program with the same title already exists. Appears when you delete the selected program on the Library page. Appears when you recall a project from the Project page, but the current program contains unsaved changes. Appears when you save a project on the Project page, but a program with the same title already exists. Appears when you edit the title of the selected project on the Project page, but a program with the same title already exists. Appears when you delete the selected project on the Project page. Appears when you load the selected impulse- response data from the Data Load page. Appears when you select a different Reverb mode on the Setup page. Solution Condition Confirmation Messages INITIALIZING... SETTING REV MODE... RECALLING PROGRAM... STORING PROGRAM... LOADING LIBRARY... SAVING LIBRARY... CHANGING TITLE... DELETING LIBRARY... CHANGING PROTECT MODE... DOWNLOADING FILE LIST... LOADING DATA... DOWNLOADING FILE LIST... LOADING PROJECT... SAVING PROJECT... CHANGING TITLE... DELETING PROJECT... CHANGING PROTECT MODE... DOWNLOADING FILE LIST... Message The RC-SREV1’s internal information is being updated. The Reverb mode is being changed. A Quick memory program is being recalled on the Program page. The current program is being stored to the selected Quick memory. The selected program is being loaded on the Library page. The current program is being saved on the Library page. The title of the selected program is being changed on the Library page. The selected program is being deleted on the Library page. The protection setting of the selected program is being changed on the Library page. The program list is being downloaded from the selected drive on the Library page. The selected impulse-response data is being loaded on the Data Load page. The impulse-response data list is being downloaded from the selected drive on the Library page. The selected project is being loaded on the Project page. The selected project is being saved on the Project page. The title of the selected project is being changed on the Project page. The selected project is being deleted on the Project page. The protection setting of the selected project is being changed on the Project page. The project list is being downloaded from the selected drive on the Project page. Meaning General Messages www. xiaoyu163. com QQ 376315150 9 9 2 8 9 4 2 9 8 TEL 13942296513 9 9 2 8 9 4 2 9 8 0 5 1 5 1 3 6 7 3 Q Q TEL 13942296513 QQ 376315150 892498299 TEL 13942296513 QQ 376315150 892498299 http://www.xiaoyu163.com MIDI Implementation Chart Transmitted Function... Basic Channel Default Changed 1 - 16 1 - 16 1 - 16 1 - 16 Default Messages Altered x x ************** x x x x x x x ************** Key's Ch's x x x x Pitch Bend x x 0–95 o Control Change x Prog x x Change: True # ************** x x x System Exclusive x : Song Pos. : Song Sel. : Tune x x x x x x x x x x System : Clock Real Time: Commands Aux :Local ON/OFF Mes- :All Notes OFF sages :Active Sens :Reset x x x x x x x x Notes Mode 1 : OMNI ON , POLY Mode 2 : OMNI ON ,MONO o : Yes Mode 3 : OMNI OFF, POLY Mode 4 : OMNI OFF,MONO x : No Recognized Remarks Version : 1.0 Date :1 Oct 2000 Note Number: True voice Mode x x Note ON Note OFF Velocity After Touch [Sampling Reverberator] Model: SREV1 Memorized Memorized OMNI OFF/OMNI ON Assignable Assignable Parameter Change System Common SREV1 46 MIDI IMPLEMENTATION CHART www. xiaoyu163. com QQ 376315150 9 9 2 8 9 4 2 9 8 TEL 13942296513 9 9 2 8 9 4 2 9 8 0 5 1 5 1 3 6 7 3 Q Q TEL 13942296513 QQ 376315150 892498299 TEL 13942296513 QQ 376315150 892498299 http://www.xiaoyu163.com CONTENTS OVERALL ASSEMBLY······························································································································ 2 DB-SREV1 (Option)··································································································································· 4 ELECTRICAL PARTS ························································································································· 5~11 PARTS LIST WARNING Components having special characteristics are marked and must be replaced with parts having specification equal to those originally installed. A: Australian model B: British model C: Canadian model D: German model E: European model F: French model H: North European model I : Indonesian model J : Japanese model M: South African model O: Chinese model Q: South-east Asia model T: Taiwan model U: U.S.A. model V: General export model (110 V) W: General export model (220 V) N,X: General export model Y: Export model Notes: DESTINATION ABBREVIATIONS • The numbers in “ QTY ” show quantities for each unit. • The parts with “ - - ” in “ PART NO. ” are not available as spare parts. • The mark “ ” in the remarks column indicates that these parts are interchangeable. • The second letter of the shaded ( ) part number is O, not zero. • The second letter of the shaded ( ) part number is I, not one. SAMPLING REVERBERATOR www. xiaoyu163. com QQ 376315150 9 9 2 8 9 4 2 9 8 TEL 13942296513 9 9 2 8 9 4 2 9 8 0 5 1 5 1 3 6 7 3 Q Q TEL 13942296513 QQ 376315150 892498299 TEL 13942296513 QQ 376315150 892498299 http://www.xiaoyu163.com 840 850 230 210 300 290 300 310 30 870 860 170 190 880 260 125 520 510 530 480 120 130 150 270 140 600 610 800 830 590 730 710 470 740 720 330 410 540 550 560 580 430 370 380 390 460 660 470 570 330 680 750 670 650 810 820 160 180 220 220 200 610 600 610 590 320 350 500 340 360 490 900 250 240 100 850 90 10 20 70 80 50 40 60 315 440 SREV1 2 OVERALL ASSEMBLY www. xiaoyu163. com QQ 376315150 9 9 2 8 9 4 2 9 8 TEL 13942296513 9 9 2 8 9 4 2 9 8 0 5 1 5 1 3 6 7 3 Q Q TEL 13942296513 QQ 376315150 892498299 TEL 13942296513 QQ 376315150 892498299 http://www.xiaoyu163.com SREV1 3 OVERALL ASSEMBLY Overall Assembly Overall Assembly Overall Assembly Cord Holder Holder, Cord Cord Binder Rear Panel Rear Panel Rear Panel Side Panel Bind Head Tapping Screw-B Side Panel Power Supply Unit Power Supply Unit Bind Head Screw Bind Head Tapping Screw-B Stay Bind Head Tapping Screw-B OPT Angle Circuit Board Circuit Board Circuit Board Circuit Board Circuit Board Circuit Board Circuit Board Bind Head Tapping Screw-B Bind Head Tapping Screw-B Bind Head Tapping Screw-B Power Transformer Power Transformer Power Transformer Bind Head Tapping Screw-B Fan Finger Guard Fan Support Metal Bind Head Screw DC Fan Motor Fan Guard Fan Guide Pan Head Screw Connector Assembly AC Inlet Ferrite Core Bind Head Tapping Screw-B Bind Head Screw Cord Holder Circuit Board Circuit Board Circuit Board Circuit Board Jack Socket Bind Head Screw Bind Head Tapping Screw-B Bind Head Tapping Screw-P Bind Head Screw Bind Head Tapping Screw-B Circuit Board Bind Head Screw Bind Head Tapping Screw-B Sub Chassis Grille Bonding Tapping Screw-B Bind Head Tapping Screw-B Bind Head Screw Connector Assembly Bind Head Tapping Screw-B Bind Head Tapping Screw-B CD Angle DESCRIPTION 10 10 10 20 30 40 50 50 60 70 80 90 100 110 110 110a 110a 110b 110c 110d 120 125 130 140 140 140 150 160 170 180 190 200 210 220 230 240 240a 240b 250 260 270 280 280a 280b 280c 290 300 310 315 320 330 340 350 360 370 380 390 410 430 440 460 470 480 REF NO. - - - - - - CB069250 CB095100 CB836200 V6523400 V6523500 V6523600 V6521200 VC688800 V6521300 V6513400 V6513500 VP156800 VC688800 - - VC688800 V6521800 - - - - AAX20980 AAX20990 AAX21000 AAX21010 AAX21020 EP600190 EP600190 VC688800 XY916A00 XY917A00 XY918A00 VC688800 V3125300 VN003900 VM964700 VR116500 V5789100 VK949100 V6444900 VR116500 V6512600 V5065200 VC362700 EP600190 EG340360 CB069250 - - AAX21030 AAX21040 AAX21050 VT362500 VP156600 VP157000 EP630220 VP156600 EP600190 V5879000 VP156600 EP600190 V6522400 V6523100 VN413300 EP600190 VP156600 - - EP600190 VC688800 - - PART NO. BK-1 K-103G S-70B LEFT A4.0X8 MFZN2BL RIGHT YSW01-U YSW01-H A4.0X8 MFZN2BL A4.0X8 MFZN2BL A4.0X8 MFZN2BL SUB SUB SUB 1/4 SUB 1/4 SUB 2/4 SUB 3/4 SUB 4/4 3.0X8 MFZN2BL 3.0X8 MFZN2BL A4.0X8 MFZN2BL UL CSA CEE A4.0X8 MFZN2BL MMS-06E12DL FG-06ULB SP 4.0X25 MFZN2BL DC KDE1208PTS3-6 FG-08UL PDR-601 SP 4.0X20 MFZN2BL ACIN ASSY M1908-C 3P FR25/15/12-1400L 3.0X8 MFZN2BL 4.0X8 MFZN2BL BK-1 CPU CPU PCM CD-ROM 17L-003A3 A3.0X6 MFZN2BL A3.0X8 MFZN2BL 3.0X8 MFZN2BL A3.0X6 MFZN2BL 3.0X8 MFZN2BL CNV A3.0X6 MFZN2BL 3.0X8 MFZN2BL 3.0X8 MFZN2BL 3.0X8 MFZN2BL A3.0X6 MFZN2BL 9P 300mm C&C 2mm 3.0X8 MFZN2BL A4.0X8 MFZN2BL SREV1 J (V651940) U,V (V651950) H,B,W (V651960) J U,V H,B,W J,U,V H,B,W (V652150) J,U,V (V587920) H,B,W (V668460) J,U,V H,B,W J U,V H,B,W (V587910) (VR79270) (V652190) REMARKS 8 2 2 6 2 4 2 2 4 4 4 2 4 2 2 2 3 8 2 2 2 2 6 2 2 2 8 QTY RANK * * * * * * * * * * * * * * * * * * * * * * * * 01 01 02 01 01 01 01 01 01 01 01 08 05 09 01 09 06 01 03 04 01 01 01 01 01 01 01 01 01 01 01 01 01 01 01 01 *: New Parts RANK: Japan only www. xiaoyu163. com QQ 376315150 9 9 2 8 9 4 2 9 8 TEL 13942296513 9 9 2 8 9 4 2 9 8 0 5 1 5 1 3 6 7 3 Q Q TEL 13942296513 QQ 376315150 892498299 TEL 13942296513 QQ 376315150 892498299 http://www.xiaoyu163.com SREV1 4 CD-ROM Drive Pan Head Screw Angle Bracket, CN Bind Head Tapping Screw-B Bind Head Tapping Screw-B Front Panel Cover Escutcheon, Power Switch Oval Head Screw Power Switch Knob Mount Bracket Oval Head Screw Oval Head Screw Cable Cable Cable Cable Connector Assembly Connector Assembly Connector Assembly Connector Assembly Connector Assembly Cord Holder Bottom Cover Leg Black Bind Head Tapping Screw-B Bind Head Tapping Screw-B Top Cover Bind Head Tapping Screw-B IF Plate Bind Head Screw Bind Head Screw Label Caution Label ACCESSORIES AC Cord AC Cord AC Cord AC Cord Optical Disk Connector Assembly DESCRIPTION 490 500 510 520 530 540 550 560 570 580 590 600 610 650 660 670 680 710 720 730 740 750 780 800 810 820 830 840 850 860 870 880 900 920 REF NO. V6700100 V6881500 - - VP157000 VP157000 V6522300 V6522800 VL813000 V6221000 VL812900 V7447100 V6221000 VS153600 MFA30100 MFA30100 MFA25300 MFA36080 - - - - - - - - - - CB069250 V6522000 CB806590 VR138400 VC688800 V6522100 VC688800 VZ678500 VP156900 EG340360 VA039300 - - V5800000 VB927800 VB928000 V6190800 XZ449A00 - - PART NO. SR242S 2.0X2 MFZN2Y A3.0X8 MFZN2BL A3.0X8 MFZN2BL B4.0X10 MFZN2BL B4.0X10 MFZN2BL 4.0X8 MFZN2BL 30P 100mm P=1.0 30P 100mm P=1.0 25P 300mm P=1.0 36P 80mm P=1.0 REM-PS ASSY VH-2P CPU-PS ASSY VH-4P YGDA-PS ASSY PH-4P CNV1-PS ASSY VH10P 2P 500mm C&C 2mm BK-1 ABS 4.0X12 MFZN2BL A4.0X8 MFZN2BL A4.0X8 MFZN2BL A4.0X12 MFZN2BL 4.0X8 MFZN2BL J 3P 15A CSA VDE BS CD-ROM 650MB 12cm CNV(Option)-PS VH10P CD-ROM (V735450) POWER ON/OFF (V651290) (V651300) (V651310) (V651320) (VR78120) U,V U,V (V533510) J U,V H,W B (V651320) REMARKS 4 2 3 6 2 2 8 2 2 2 2 2 4 4 12 14 2 4 2 QTY RANK * * * * * * * * * * * * * 01 01 03 01 03 01 01 01 03 01 01 01 05 01 01 03 09 08 08 08 *: New Parts RANK: Japan only DB-SREV1 (Option) DSP EXPANSION BOARD Bind Head Screw Bind Head Tapping Screw-B Cable Circuit Board DESCRIPTION REF NO. VP156600 EP600190 MFA30140 V5879000 PART NO. A3.0X6 MFZN2BL 3.0X8 MFZN2BL 30P 140mm P=1.0 CNV DB-SREV1 REMARKS 2 2 2 QTY RANK * * 01 01 *: New Parts RANK: Japan only www. xiaoyu163. com QQ 376315150 9 9 2 8 9 4 2 9 8 TEL 13942296513 9 9 2 8 9 4 2 9 8 0 5 1 5 1 3 6 7 3 Q Q TEL 13942296513 QQ 376315150 892498299 TEL 13942296513 QQ 376315150 892498299 http://www.xiaoyu163.com SREV1 5 ELECTRICAL PARTS Circuit Board Circuit Board Circuit Board Circuit Board Circuit Board Circuit Board Circuit Board Circuit Board Circuit Board Circuit Board Circuit Board Circuit Board Circuit Board Ceramic Capacitor-F (chip) Ceramic Capacitor-F (chip) Electrolytic Cap. Ceramic Capacitor-F (chip) Ceramic Capacitor-F (chip) Ceramic Capacitor-F (chip) Ceramic Capacitor-F (chip) Ceramic Capacitor-F (chip) Ceramic Capacitor-F (chip) Ceramic Capacitor-F (chip) Ceramic Capacitor-F (chip) Ceramic Capacitor-F (chip) Ceramic Capacitor-F (chip) Ceramic Capacitor-F (chip) Ceramic Capacitor-F (chip) Ceramic Capacitor-F (chip) Ceramic Capacitor-F (chip) Ceramic Capacitor-F (chip) Ceramic Capacitor-F (chip) Ceramic Capacitor-F (chip) Ceramic Capacitor-F (chip) Ceramic Capacitor-F (chip) Ceramic Capacitor-F (chip) Ceramic Capacitor-F (chip) Ceramic Capacitor-F (chip) Electrolytic Cap. Electrolytic Cap. Ceramic Capacitor-F (chip) Ceramic Capacitor-F (chip) Ceramic Capacitor-F (chip) Ceramic Capacitor-F (chip) Ceramic Capacitor-F (chip) Ceramic Capacitor-F (chip) Ceramic Capacitor-F (chip) Ceramic Capacitor-F (chip) Ceramic Capacitor-F (chip) Ceramic Capacitor-F (chip) Ceramic Capacitor-F (chip) Ceramic Capacitor-F (chip) Ceramic Capacitor-F (chip) Ceramic Capacitor-F (chip) Ceramic Capacitor-F (chip) Ceramic Capacitor-F (chip) Ceramic Capacitor-F (chip) Ceramic Capacitor-F (chip) Ceramic Capacitor-F (chip) Ceramic Capacitor-F (chip) Ceramic Capacitor-F (chip) Ceramic Capacitor-F (chip) Ceramic Capacitor-F (chip) Ceramic Capacitor-F (chip) Ceramic Capacitor-F (chip) Ceramic Capacitor-F (chip) Base Post Connector Connector, FFC DESCRIPTION C1 -55 C56 C57 C58 C60 C61 C63 -104 C106 C107 C109 C110 C112 C113 C115 -156 C158 C159 C161 C162 C164 C165 C167 -226 C227 -238 C239 -290 C292 C293 C295 C296 C298 C299 C301 -342 C344 C345 C347 C348 C350 C351 C353 -394 C396 C397 C399 C400 C402 C403 C405 -446 CN1 CN2 REF NO. V5879000 - - AAX21030 AAX21040 AAX21050 - - - - AAX20980 AAX20990 AAX21000 AAX21010 AAX21020 V5879000 US135100 US135100 UR818470 US135100 US135100 US135100 US135100 US135100 US135100 US135100 US135100 US135100 US135100 US135100 US135100 US135100 US135100 US135100 US135100 US135100 US135100 US135100 US135100 US135100 US135100 UR818470 UR818470 US135100 US135100 US135100 US135100 US135100 US135100 US135100 US135100 US135100 US135100 US135100 US135100 US135100 US135100 US135100 US135100 US135100 US135100 US135100 US135100 US135100 US135100 US135100 US135100 US135100 US135100 LB932100 VT387400 PART NO. CNV CPU CPU PCM CD-ROM SUB SUB SUB 1/4 SUB 1/4 SUB 2/4 SUB 3/4 SUB 4/4 CNV 0.1000 16V Z 0.1000 16V Z 470.00 6.3V 0.1000 16V Z 0.1000 16V Z 0.1000 16V Z 0.1000 16V Z 0.1000 16V Z 0.1000 16V Z 0.1000 16V Z 0.1000 16V Z 0.1000 16V Z 0.1000 16V Z 0.1000 16V Z 0.1000 16V Z 0.1000 16V Z 0.1000 16V Z 0.1000 16V Z 0.1000 16V Z 0.1000 16V Z 0.1000 16V Z 0.1000 16V Z 0.1000 16V Z 0.1000 16V Z 0.1000 16V Z 470.00 6.3V 470.00 6.3V 0.1000 16V Z 0.1000 16V Z 0.1000 16V Z 0.1000 16V Z 0.1000 16V Z 0.1000 16V Z 0.1000 16V Z 0.1000 16V Z 0.1000 16V Z 0.1000 16V Z 0.1000 16V Z 0.1000 16V Z 0.1000 16V Z 0.1000 16V Z 0.1000 16V Z 0.1000 16V Z 0.1000 16V Z 0.1000 16V Z 0.1000 16V Z 0.1000 16V Z 0.1000 16V Z 0.1000 16V Z 0.1000 16V Z 0.1000 16V Z 0.1000 16V Z 0.1000 16V Z VH 10P TE 52610 30P TE SREV1 SREV1/DB-SREV1 (XY897B0) (V587910)(XY898B0) (XY898B0) (XY898B0) (XY898B0) J,U,V (V587920)(XY899B0) H,B,W (V668460)(XY899B0) J,U,V (XY899B0) H,B,W (XY899B0) (XY899B0) (XY899B0) (XY899B0) SREV1/DB-SREV1 (XY897B0) REMARKS QTY RANK * * * * * * * * * * 01 01 01 01 01 01 01 01 01 01 01 01 01 01 01 01 01 01 01 01 01 01 01 01 01 01 01 01 01 01 01 01 01 01 01 01 01 01 01 01 01 01 01 01 01 01 01 01 01 01 01 01 01 02 05 ELECTRICAL PARTS *: New Parts RANK: Japan only www. xiaoyu163. com QQ 376315150 9 9 2 8 9 4 2 9 8 TEL 13942296513 9 9 2 8 9 4 2 9 8 0 5 1 5 1 3 6 7 3 Q Q TEL 13942296513 QQ 376315150 892498299 TEL 13942296513 QQ 376315150 892498299 http://www.xiaoyu163.com SREV1 6 Connector, FFC IC IC IC IC IC IC IC IC IC IC Terminal Plate Terminal Plate Carbon Resistor (chip) Carbon Resistor (chip) Carbon Resistor (chip) Carbon Resistor (chip) Carbon Resistor (chip) Carbon Resistor (chip) Carbon Resistor (chip) Carbon Resistor (chip) Carbon Resistor (chip) Carbon Resistor (chip) Carbon Resistor (chip) Carbon Resistor (chip) Carbon Resistor (chip) Carbon Resistor (chip) Carbon Resistor (chip) Resistor Array Resistor Array Quartz Crystal Unit Circuit Board Circuit Board Circuit Board Circuit Board Bind Head Screw Hexagonal Nut LED Socket Lithium Battery Ceramic Capacitor-F (chip) Electrolytic Cap. Electrolytic Cap. Electrolytic Cap. Electrolytic Cap. Electrolytic Cap. Ceramic Capacitor-F (chip) Electrolytic Cap. Electrolytic Cap. Ceramic Capacitor-F (chip) Ceramic Capacitor-F (chip) Monolithic Ceramic Cap. Ceramic Capacitor-F (chip) Ceramic Capacitor-F (chip) Ceramic Capacitor-F (chip) Ceramic Capacitor-F (chip) Electrolytic Cap. Ceramic Capacitor-SL(chip) Ceramic Capacitor-SL(chip) Ceramic Capacitor-F (chip) Ceramic Capacitor-F (chip) Electrolytic Cap. Electrolytic Cap. Ceramic Capacitor-F (chip) Ceramic Capacitor-F (chip) Ceramic Capacitor-F (chip) Ceramic Capacitor-F (chip) Ceramic Capacitor-F (chip) Ceramic Capacitor-F (chip) Monolithic Ceramic Cap. DESCRIPTION CN3 IC1 -16 IC17 IC18 IC19 -22 IC23 -34 IC35 -50 K1 K2 R5 -12 R13 -16 R18 -21 R101 R102 R103 R104 -107 R108 R109 R110 -113 RA1 -16 X1 BT101 C101 C104 C105 C107 C108 C110 C111 C113 C114 C117 -120 C121 C122 -124 C126 -133 C134 C135 C136 C137 -144 C145 C146 C147 -150 C155 C156 C163 -165 C166 REF NO. VT387400 XW867A00 XW867A00 XZ512A00 XV893A00 XZ495A00 XZ495A00 XU797A00 XU797A00 XW867A00 XW867A00 VC719300 VC719300 RD354100 RD354100 RD354330 RD354330 RD356200 RD356200 RD354330 RD354330 RD356470 RD354100 RD354100 RD354330 RD354330 RD356200 RD356200 RE047100 RE047100 V5964800 - - AAX21030 AAX21040 AAX21050 VB659000 ES200030 VH870600 V6696200 US135100 UR818470 UR818470 UR818470 UR818470 UR818470 US135100 UR818470 UR837220 US135100 US135100 VV020600 US135100 US135100 US135100 US135100 UR837220 US062470 US062470 US135100 US135100 UR837220 UR837220 US135100 US135100 US135100 US135100 US135100 US135100 VV020600 PART NO. 52610 30P TE YSS916-H YSS916-H HD74LVC540AT TC74VHC139FT TC74VHC138FT TC74VHC138FT TC74VHC245FT TC74VHC245FT YSS916-H YSS916-H P-424 P-424 10 63M J 10 63M J 33 63M J 33 63M J 2.0K 63M J 2.0K 63M J 33 63M J 33 63M J 4.7K 63M J 10 63M J 10 63M J 33 63M J 33 63M J 2.0K 63M J 2.0K 63M J 10KX4 10KX4 60MHz DSO751SV CPU CPU PCM CD-ROM 3.0X8 MFZN2BL #1 3.0 MFZN2BL CR1/2 6.L-F1ST4 0.1000 16V Z 470.00 6.3V 470.00 6.3V 470.00 6.3V 470.00 6.3V 470.00 6.3V 0.1000 16V Z 470.00 6.3V 22.00 16.0V 0.1000 16V Z 0.1000 16V Z 3.300 10V K 0.1000 16V Z 0.1000 16V Z 0.1000 16V Z 0.1000 16V Z 22.00 16.0V 470P 50V J 470P 50V J 0.1000 16V Z 0.1000 16V Z 22.00 16.0V 22.00 16.0V 0.1000 16V Z 0.1000 16V Z 0.1000 16V Z 0.1000 16V Z 0.1000 16V Z 0.1000 16V Z 3.300 10V K CNV3 DSP CNV3 DSP BUFFER DECODER DECODER DECODER BUFFER BUFFER CNV3 DSP CNV3 DSP (V587910)(XY898B0) (XY898B0) (XY898B0) (XY898B0) MEMORY CARD REMARKS 2 2 QTY RANK * * * * * * * * * * * * * 05 14 14 03 02 01 01 03 03 14 14 01 01 01 01 01 01 01 01 01 01 01 01 01 01 01 01 01 01 01 05 01 01 01 01 01 01 01 01 01 01 01 01 01 01 01 01 01 01 01 01 01 01 01 01 01 01 01 01 01 01 01 01 01 *: New Parts RANK: Japan only www. xiaoyu163. com QQ 376315150 9 9 2 8 9 4 2 9 8 TEL 13942296513 9 9 2 8 9 4 2 9 8 0 5 1 5 1 3 6 7 3 Q Q TEL 13942296513 QQ 376315150 892498299 TEL 13942296513 QQ 376315150 892498299 http://www.xiaoyu163.com SREV1 7 Monolithic Ceramic Cap. Ceramic Capacitor-B (chip) Ceramic Capacitor-F (chip) Electrolytic Cap. Ceramic Capacitor-F (chip) Ceramic Capacitor-F (chip) Electrolytic Cap. Ceramic Capacitor-F (chip) Ceramic Capacitor-F (chip) Ceramic Capacitor-B (chip) Ceramic Capacitor-B (chip) Ceramic Capacitor-SL(chip) Ceramic Capacitor-B (chip) Ceramic Capacitor-B (chip) Ceramic Capacitor-F (chip) Ceramic Capacitor-F (chip) Ceramic Capacitor-B (chip) Ceramic Capacitor-F (chip) Ceramic Capacitor-F (chip) Electrolytic Cap. Electrolytic Cap. Ceramic Capacitor-F (chip) Ceramic Capacitor-F (chip) Monolithic Ceramic Cap. Monolithic Ceramic Cap. Ceramic Capacitor-F (chip) Ceramic Capacitor-F (chip) Ceramic Capacitor-B (chip) Ceramic Capacitor-F (chip) Electrolytic Cap. Ceramic Capacitor-F (chip) Ceramic Capacitor-F (chip) Ceramic Capacitor-F (chip) Ceramic Capacitor-F (chip) Electrolytic Cap. Ceramic Capacitor-SL(chip) Ceramic Capacitor-SL(chip) Ceramic Capacitor-F (chip) Ceramic Capacitor-F (chip) CF Card Base Post Connector Connector Base Post Connector, Card Connector, FFC Connector Base Post Connector, FFC Connector Base Post Connector, FFC Connector, FFC Base Post Connector Connector Socket Connector Base Post Connector, FFC Connector, FFC Connector, FFC Connector, FFC Connector, FFC Connector, FFC Connector Base Post Connector Base Post Connector, PC CARD Connector, FFC Connector, FFC Connector Connector, FFC Connector, FFC Diode Diode Diode Diode DESCRIPTION C167 C168 -182 C183 C184 C185 C186 C187 -197 C198 -201 C202 C203 -206 C207 -209 C210 C211 -215 C216 C217 C218 -221 C222 C223 C224 -250 C251 C252 C253 C254 -276 C301 -303 C304 C305 -308 C309 C310 CF101 CN101 CN107 CN108 CN109 CN110 CN111 CN112 CN113 CN114 CN115 CN116 CN117 CN118 CN119 CN120 CN121 CN122 CN123 CN124 CN301 CN501 CN502 CN503 CN901 CN902 CN903 D101 -111 D301 D302 REF NO. VV020600 US035100 US135100 UR837220 US135100 US135100 UR837220 US135100 US135100 US035100 US035100 US062100 US035100 US035100 US135100 US135100 US035100 US135100 US135100 UR837100 UR837100 US135100 US135100 VI230900 VI230900 US135100 US135100 VR813300 US135100 UR837220 US135100 US135100 US135100 US135100 UR866100 US062330 US062330 US135100 US135100 XZ504A00 LB933040 VB390100 V6626700 VY940100 VB858200 VY940100 VB389900 VT387400 VT387400 LB933020 VY730000 VB390500 VT387400 VT387400 V6592500 V6592500 VT387400 VT387400 VB858100 VB390000 V4794000 VT387400 VT387400 V4805400 VY940100 VY940100 VT332900 VT332900 VT332900 VT332900 PART NO. 3.300 10V K 0.1000 16V K 0.1000 16V Z 22.00 16.0V 0.1000 16V Z 0.1000 16V Z 22.00 16.0V 0.1000 16V Z 0.1000 16V Z 0.1000 16V K 0.1000 16V K 100P 50V J 0.1000 16V K 0.1000 16V K 0.1000 16V Z 0.1000 16V Z 0.1000 16V K 0.1000 16V Z 0.1000 16V Z 10.00 16.0V 10.00 16.0V 0.1000 16V Z 0.1000 16V Z B 4700P 50V J B 4700P 50V J 0.1000 16V Z 0.1000 16V Z 0.22 16V K 0.1000 16V Z 22.00 16.0V 0.1000 16V Z 0.1000 16V Z 0.1000 16V Z 0.1000 16V Z 1.00 50.0V 330P 50V J 330P 50V J 0.1000 16V Z 0.1000 16V Z HB288032C5 VH 4P SE PH 5P TE MI21A-50PD-SF 52610 25P TE PH 3P SE 52610 25P TE PH 3P TE 52610 30P TE 52610 30P TE VH 2P SE 17LE 9P SE PH 9P TE 52610 30P TE 52610 30P TE FMN 36P SE FMN 36P SE 52610 30P TE 52610 30P TE PH 2P SE PH 4P TE IC1 68P SE 52610 30P TE 52610 30P TE KX14-50K5D1 50P TE 52610 25P TE 52610 25P TE 1SS355 TE-17 1SS355 TE-17 1SS355 TE-17 1SS355 TE-17 CF CARD MEMORY CF CARD MEMORY CARD REMARKS QTY RANK * * * * * * * * 01 01 01 01 01 01 01 01 01 01 01 01 01 01 01 01 01 01 01 01 01 01 01 01 01 01 01 01 01 01 01 01 01 01 01 01 01 01 01 01 01 01 01 05 05 01 04 03 05 05 05 05 01 01 09 05 05 01 01 01 01 *: New Parts RANK: Japan only www. xiaoyu163. com QQ 376315150 9 9 2 8 9 4 2 9 8 TEL 13942296513 9 9 2 8 9 4 2 9 8 0 5 1 5 1 3 6 7 3 Q Q TEL 13942296513 QQ 376315150 892498299 TEL 13942296513 QQ 376315150 892498299 http://www.xiaoyu163.com SREV1 8 Diode LC Filter LC Filter IC IC IC IC IC IC IC IC IC IC IC IC IC IC IC IC IC IC IC IC IC IC IC IC Photo Coupler IC IC IC IC IC IC IC IC IC IC IC IC IC IC IC IC IC IC IC IC IC IC IC IC IC IC IC IC IC IC IC IC IC IC IC IC IC IC IC IC IC IC DESCRIPTION D304 EM101 -113 IC103 IC104 IC105 IC107 IC108 IC109 IC110 IC111 IC112 IC113 IC114 IC117 IC119 IC120 IC121 IC122 IC123 IC124 IC125 IC126 IC127 -131 IC132 IC133 IC134 IC135 IC136 IC137 IC138 IC139 IC140 IC141 IC142 IC143 IC144 IC145 IC146 IC147 IC148 IC149 IC150 IC151 IC152 IC153 IC154 IC155 IC156 IC157 IC158 IC159 IC160 IC161 IC162 IC163 IC164 IC165 IC166 -168 IC169 IC170 IC171 IC172 -174 IC175 -178 IC179 IC180 REF NO. VT332900 FZ006920 FZ006920 XY067A00 XW818A00 XY065A00 XZ562A00 XY967A00 XY967A00 XY937A00 XZ561A00 XZ561A00 XZ479A00 XV833A00 XM332A00 XT744A00 XU797A00 XY945A00 XY068A00 XT744A00 XU815A00 XU073A00 XL334A00 XY907A00 XY907A00 XY906A00 XT777A00 VR903700 XM182A00 XP351A00 XU229A00 XU229A00 XV892A00 XV932A00 XV932A00 XU073A00 XV988A00 XE737A00 XY057A00 XY074A00 XP351A00 XM530A00 XM530A00 XW526A00 XW526A00 XP004A00 XV932A00 XV932A00 XU797A00 XU797A00 XV893A00 XY945A00 XV988A00 XQ968A00 XY059A00 XY059A00 XY938A00 XY938A00 XG948E00 XT744A00 XT744A00 XV893A00 XU797A00 XV893A00 XT744A00 XT744A00 XU229A00 XU229A00 XT744A00 XU797A00 PART NO. 1SS355 TE-17 LS MT B271KB LS MT B271KB MAX793SCSE LT1117CST 1.25V SH7709A MBM29LV800BA-90PFT CY62256VLL-70SNC CY62256VLL-70SNC CY2305 TC59SM716AFT-80 TC59SM716AFT-80 EPM7032AETC44-10 MBCG46183-129 TC74VHC04F EL TC74VHCT245AFT TC74VHC245FT TC74VHC32FT LM2664 TC74VHCT245AFT DS26C32ATMX SN75C1168NSR MC26LS30DR2 TC74LVXC3245FS TC74LVXC3245FS TPS2211IDBR TC74VHCT04AF HCPL-M600 TC7S04F TC7S32FU TC74LVX4245FS TC74LVX4245FS TC74VHC74FT MSM5118160D-60J MSM5118160D-60J SN75C1168NSR YSS910-S SN75124N TC74VHCT126AFT TC74VHC125FT TC7S32FU YM3437C-F YM3437C-F YSD917-ME2 YSD917-ME2 TC7W04FU MSM5118160D-60J MSM5118160D-60J TC74VHC245FT TC74VHC245FT TC74VHC139FT TC74VHC32FT YSS910-S TC74HC251AF TC74VHCT574AFT TC74VHCT574AFT TC74ACT174F TC74ACT174F YM3436DK TC74VHCT245AFT TC74VHCT245AFT TC74VHC139FT TC74VHC245FT TC74VHC139FT TC74VHCT245AFT TC74VHCT245AFT TC74LVX4245FS TC74LVX4245FS TC74VHCT245AFT TC74VHC245FT SYSTEM RESET REGULATOR 1.25V CPU FLASH ROM 8M SRAM 256K SRAM 256K CLOCK BUFFER SDRAM 128M SDRAM 128M FPGA SIO4 INVERTER BUFFER BUFFER OR REGULATOR BUFFER LINE RECEIVER LINE DRIVER/RECEIVER LINE DRIVER TRANSCEIVER TRANSCEIVER PCMCIA POWER INTERFACE SW INVERTER INVERTER OR TRANSCEIVER TRANSCEIVER D-FF DRAM 16M DRAM 16M LINE DRIVER/RECEIVER DSP6 LINE RECEIVER BUFFER BUFFER OR DIT2 DIT2 DIR5 DIR5 INVERTER DRAM 16M DRAM 16M BUFFER BUFFER DECODER OR DSP6 MULTIPLEXER D-FF D-FF D-FF D-FF DIR2 BUFFER BUFFER DECODER BUFFER DECODER BUFFER BUFFER TRANSCEIVER TRANSCEIVER BUFFER BUFFER REMARKS QTY RANK * * * * * * * * * * * * * * * * * * * * * * * * 01 01 01 07 14 06 01 07 03 07 06 05 08 01 04 01 01 04 04 12 12 05 10 05 01 07 07 02 12 12 03 03 10 03 11 07 07 03 07 07 04 04 07 03 *: New Parts RANK: Japan only www. xiaoyu163. com QQ 376315150 9 9 2 8 9 4 2 9 8 TEL 13942296513 9 9 2 8 9 4 2 9 8 0 5 1 5 1 3 6 7 3 Q Q TEL 13942296513 QQ 376315150 892498299 TEL 13942296513 QQ 376315150 892498299 http://www.xiaoyu163.com SREV1 9 IC IC IC Jumper Wire DIN Connector DIN Connector DIN Connector XLM Connector XLM Connector XLM Connector XLM Connector BNC Connector Terminal Plate Style Pin Style Pin Holder, Cannon Connector Holder, Cannon Connector Support, PCB Chip Inductance Chip Inductance Noise Filter Noise Filter Pulse Transformer Pulse Transformer Chip Solid Inductance Chip Solid Inductance LED Carbon Resistor (chip) Carbon Resistor (chip) Carbon Resistor (chip) Carbon Resistor (chip) Carbon Resistor (chip) Carbon Resistor (chip) Carbon Resistor (chip) Carbon Resistor (chip) Carbon Resistor (chip) Carbon Resistor (chip) Carbon Resistor (chip) Carbon Resistor (chip) Carbon Resistor (chip) Carbon Resistor (chip) Metal Oxide Film Resistor Carbon Resistor (chip) Carbon Resistor (chip) Carbon Resistor (chip) Carbon Resistor (chip) Carbon Resistor (chip) Carbon Resistor (chip) Carbon Resistor (chip) Metal Oxide Film Resistor Carbon Resistor (chip) Carbon Resistor (chip) Carbon Resistor (chip) Carbon Resistor (chip) Carbon Resistor (chip) Carbon Resistor (chip) Carbon Resistor (chip) Carbon Resistor (chip) Carbon Resistor (chip) Carbon Resistor (chip) Carbon Resistor (chip) Carbon Resistor (chip) Carbon Resistor (chip) Carbon Resistor (chip) Carbon Resistor (chip) Carbon Resistor (chip) Carbon Resistor (chip) Carbon Resistor (chip) Carbon Resistor (chip) Carbon Resistor (chip) DESCRIPTION -184 IC301 IC302 J301 JK101 JK102 JK103 JK104 JK105 JK106 JK107 JK108 K101 K103 K104 K111 K112 K113 L101 -104 L105 -108 L109 -112 L113 L114 LD501 R103 R104 R107 -114 R115 R117 R118 R120 -122 R123 R124 R125 R126 R127 R128 R129 R130 R131 R132 R133 R134 R135 R136 R137 R138 R139 R140 R141 R142 R143 R144 R145 R146 R147 R148 -150 R151 R152 R153 R154 R155 R156 R157 REF NO. XU797A00 XV891A00 IS039300 - - VN997100 VN997100 VK519000 VS133800 VS133800 VS133700 VS133700 V6415900 VC719300 VB966900 VB966900 VT696400 VT696400 VS644300 VS740100 VS740100 VV493200 VV493200 VP246100 VP246100 VQ193600 VQ193600 V5295900 RD255110 RD254470 RD356470 RD356470 RD354220 RD354220 RD354220 RD356470 RD356470 RD357220 RD357220 RD356470 RD356470 RD356100 VC730400 RD357100 RD357100 RD356100 RD356100 RD255150 RD254100 RD254100 VC731200 RD357100 RD357100 RD254100 RD254100 RD255470 RD255470 RD254100 RD254100 RD255470 RD255470 RD356470 RD255220 RD255220 RD353470 RD354750 RD254100 RD254100 RD255110 RD255110 RD355300 PART NO. TC74VHC245FT TC74VHC08FT HD74LV393AFPEL 0.55 8P TCS7927 8P TCS7927 5P3 YKF51-50 NC3FAH1-0 NC3FAH1-0 NC3MAH NC3MAH 1P YKS11-0067 P-424 IMSA-6024 L=35 IMSA-6024 L=35 PRO R3 PRO R3 Y1E20-00 BLM21B751S 2125 BLM21B751S 2125 ZJYS51R5-2PT ZJYS51R5-2PT P17H P17H BLM21A121SPT BLM21A121SPT SLP-235B 110.0 0.1 J 47.0 0.1 J 4.7K 63M J 4.7K 63M J 22 63M J 22 63M J 22 63M J 4.7K 63M J 4.7K 63M J 22K 63M J 22K 63M J 4.7K 63M J 4.7K 63M J 1.0K 63M J 47.0 1W J 10K 63M J 10K 63M J 1.0K 63M J 1.0K 63M J 150.0 0.1 J 10.0 0.1 J 10.0 0.1 J 100.0 1W J 10K 63M J 10K 63M J 10.0 0.1 J 10.0 0.1 J 470.0 0.1 J 470.0 0.1 J 10.0 0.1 J 10.0 0.1 J 470.0 0.1 J 470.0 0.1 J 4.7K 63M J 220.0 0.1 J 220.0 0.1 J 4.7 63M J 75 63M J 10.0 0.1 J 10.0 0.1 J 110.0 0.1 J 110.0 0.1 J 300 63M J BUFFER AND COUNTER (VA078900) SERIAL 2 SERIAL 1 MIDI IN/OUT DIGITAL(AES/EBU) IN 1 DIGITAL(AES/EBU) IN 2 DIGITAL(AES/EBU) OUT 1 DIGITAL(AES/EBU) OUT 2 WORDCLOCK IN MEMORY CARD REMARKS QTY RANK * * * 03 01 04 04 04 04 04 04 04 01 01 01 04 04 03 03 03 04 04 07 07 01 01 01 01 01 01 01 01 01 01 01 01 01 01 01 01 01 01 01 01 01 01 01 01 01 01 01 01 01 01 01 01 01 01 01 01 01 01 01 01 01 01 01 01 01 *: New Parts RANK: Japan only www. xiaoyu163. com QQ 376315150 9 9 2 8 9 4 2 9 8 TEL 13942296513 9 9 2 8 9 4 2 9 8 0 5 1 5 1 3 6 7 3 Q Q TEL 13942296513 QQ 376315150 892498299 TEL 13942296513 QQ 376315150 892498299 http://www.xiaoyu163.com SREV1 10 Carbon Resistor (chip) Carbon Resistor (chip) Carbon Resistor (chip) Carbon Resistor (chip) Carbon Resistor (chip) Carbon Resistor (chip) Carbon Resistor (chip) Carbon Resistor (chip) Carbon Resistor (chip) Carbon Resistor (chip) Carbon Resistor (chip) Carbon Resistor (chip) Carbon Resistor (chip) Carbon Resistor (chip) Carbon Resistor (chip) Carbon Resistor (chip) Carbon Resistor (chip) Carbon Resistor (chip) Carbon Resistor (chip) Carbon Resistor (chip) Carbon Resistor (chip) Carbon Resistor (chip) Carbon Resistor (chip) Carbon Resistor (chip) Carbon Resistor (chip) Carbon Resistor (chip) Carbon Resistor (chip) Carbon Resistor (chip) Carbon Resistor (chip) Carbon Resistor (chip) Carbon Resistor (chip) Carbon Resistor (chip) Carbon Resistor (chip) Carbon Resistor (chip) Carbon Resistor (chip) Carbon Resistor (chip) Carbon Resistor (chip) Carbon Resistor (chip) Resistor Array Resistor Array Resistor Array Resistor Array Resistor Array Resistor Array Resistor Array Push Switch Transistor Array Transistor Array Quartz Crystal Unit Quartz Crystal Unit Quartz Crystal Unit Quartz Crystal Unit Circuit Board Circuit Board Circuit Board Circuit Board Circuit Board Circuit Board Circuit Board Bind Head Screw Fuse Holder LED Socket Electrolytic Cap. Electrolytic Cap. Electrolytic Cap. Electrolytic Cap. Electrolytic Cap. Electrolytic Cap. Electrolytic Cap. DESCRIPTION -161 R162 -165 R166 -170 R171 R172 R173 R174 R175 R176 R177 R178 R179 R301 R302 R303 R304 R305 R306 R307 R308 R309 R310 R311 R312 R313 R314 -318 R319 R320 R321 -328 R329 -335 R336 -341 R343 RA101 -108 RA109 -111 RA112 -136 RA137 SW101 TR101 TR102 X102 X103 X104 X301 C701 C702 C703 C704 C705 -708 C709 REF NO. RD355300 RD357100 RD357100 RD354330 RD354330 RD355820 RD355150 RD354100 RD257100 RD257100 RD256470 RD256470 RD357100 RD355470 RD356470 RD356470 RD357100 RD356430 RD358100 RD358100 RD357100 RD356150 RD359100 RD357100 RD355330 RD354100 RD354100 RD355100 RD355100 RD357100 RD357100 RD354680 RD354680 RD354330 RD354330 RD354680 RD354680 RD357100 RE047100 RE047100 RE046470 RE046470 RE047100 RE047100 RE046100 VR044000 VU383400 VU383400 V6592600 V6592700 VU800300 V6592800 - - - - AAX20980 AAX20990 AAX21000 AAX21010 AAX21020 EG330290 VP206500 VH870600 UR639470 UR639470 VR086500 VR086500 UR848220 UR848220 UR866100 PART NO. 300 63M J 10K 63M J 10K 63M J 33 63M J 33 63M J 820 63M J 150 63M J 10 63M J 10.0K 0.1 J 10.0K 0.1 J 4.7K 0.1 J 4.7K 0.1 J 10K 63M J 470 63M J 4.7K 63M J 4.7K 63M J 10K 63M J 4.3K 63M J 100K 63M J 100K 63M J 10K 63M J 1.5K 63M J 1.0M 63M J 10K 63M J 330 63M J 10 63M J 10 63M J 100 63M J 100 63M J 10K 63M J 10K 63M J 68 63M J 68 63M J 33 63M J 33 63M J 68 63M J 68 63M J 10K 63M J 10KX4 10KX4 4.7KX4 4.7KX4 10KX4 10KX4 1KX4 SKQDAA UMX1N (NPN+NPN) UMX1N (NPN+NPN) 8.0MHz DSO751SV 25.6MHz DSO751SB 60.0MHz DOC-49S2 6.144MHz DSO751SB SUB SUB SUB 1/4 SUB 1/4 SUB 2/4 SUB 3/4 SUB 4/4 SP 3.0X8 MFZN2Y EYF-52BC 4700 16.0V 4700 16.0V 3300 35.0V 3300 35.0V 220.00 25.0V 220.00 25.0V 1.00 50.0V RESET J,U,V (V587920)(XY899B0) H,B,W (V668460)(XY899B0) J,U,V (XY899B0) H,B,W (XY899B0) (XY899B0) (XY899B0) (XY899B0) POWER REMARKS 4 10 QTY RANK * * * * * * * * * 01 01 01 01 01 01 01 01 01 01 01 01 01 01 01 01 01 01 01 01 01 01 01 01 01 01 01 01 01 01 01 01 01 01 01 01 01 01 01 01 01 01 01 01 01 01 01 07 01 01 01 02 02 03 03 01 01 01 *: New Parts RANK: Japan only www. xiaoyu163. com QQ 376315150 9 9 2 8 9 4 2 9 8 TEL 13942296513 9 9 2 8 9 4 2 9 8 0 5 1 5 1 3 6 7 3 Q Q TEL 13942296513 QQ 376315150 892498299 TEL 13942296513 QQ 376315150 892498299 http://www.xiaoyu163.com SREV1 11 Capacitor Connector, FFC Connector, FFC Connector Base Post Connector Base Post Plug Plug Base Post Connector Base Post Connector Connector Base Post Connector Base Post Connector Assembly Connector Assembly Connector Base Post Connector Base Post Base Post Connector Diode Diode Diode Diode Diode Diode Stack Diode Stack Fuse Fuse Fuse Fuse Fuse IC IC IC IC Heat Sink Heat Sink LED LED LED LED LED LED LED LED LED LED LED LED LED LED LED LED LED LED LED Push Switch Power Supply Unit Power Supply Unit Power Transformer Power Transformer Power Transformer DC Fan Motor Fan AC Inlet CD-ROM Drive DESCRIPTION C801 CN601 CN602 CN603 CN604 CN605 CN606 CN701 CN702 CN703 CN704 CN705 CN706 CN801 CN802 CN803 D601 D701 -708 D709 D710 DB701 DB702 FZ701 FZ702 -705 FZ701 -705 IC701 IC702 IC703 IC704 K701 -704 LD801 LD802 LD803 LD804 LD805 LD806 LD807 LD808 LD809 LD810 LD811 LD812 LD813 LD814 LD815 LD816 LD817 LD818 LD819 SW801 REF NO. VY675000 V2363600 V2363600 VB858300 VB858600 VU328200 VU328200 LB932040 LB932040 VB390200 VB390100 VY914700 VQ613000 VB858800 VB389800 LB932030 V5454500 VF195600 VF195600 VD631600 VD631600 VQ379300 VQ379300 KB003570 KB003530 KB003530 KB003040 KB003040 XK309A00 XJ607A00 XD854A00 XD853A00 VF336100 VF336100 VV195400 VV195400 VV195400 VV195400 VV195400 VV195400 VV195400 VV195400 VV195400 V5295900 VD118700 VD118700 VD118700 VD118700 VD118700 VD118700 VD118700 VD118700 VV195400 V7256400 V6513400 V6513500 XY916A00 XY917A00 XY918A00 V5789100 V3125300 V5065200 V6700100 PART NO. 0.010 250V J.U.C.S FMN 36P TE FMN 36P TE PH 4P SE PH 7P SE PHEC 100P TE PHEC 100P TE VH 4P TE VH 4P TE PH 6P TE PH 5P TE 7P 140mm B&C 2mm 4P 450mm B&C 2mm PH 9P SE PH 2P TE VH 3P TE 1FWJ43N 11ES4 TA1 11ES4 TA1 1SS133,176,HSS104 1SS133,176,HSS104 S1VB20 1.0A 200V S1VB20 1.0A 200V 2.00A JU 1.00A 250V JU 1.00A 250V JU 1.00A S 1.00A S NJM7905FA NJM7805FA NJM7915FA NJM7815FA GL8EG22 GL8EG22 GL8EG22 GL8EG22 GL8EG22 GL8EG22 GL8EG22 GL8EG22 GL8EG22 SLP-235B GL8HD22 GL8HD22 GL8HD22 GL8HD22 GL8HD22 GL8HD22 GL8HD22 GL8HD22 GL8EG22 SDDLB1 YSW01-U YSW01-H UL CSA CEE DC KDE1208PTS3-6 MMS-06E12DL M1908-C 3P SR242S SLOT 2 SLOT 1 J,U,V J,U,V J,U,V H,B,W H,B,W REGULATOR -5V REGULATOR +5V REGULATOR -15V REGULATOR +15V INPUT SIGNAL CH1 INPUT SIGNAL CH2 INPUT SIGNAL CH3 INPUT SIGNAL CH4 OUTPUT SIGNAL CH1 OUTPUT SIGNAL CH2 OUTPUT SIGNAL CH3 OUTPUT SIGNAL CH4 FS LOCK 44.1K POWER INPUT CLIP CH1 INPUT CLIP CH2 INPUT CLIP CH3 INPUT CLIP CH4 OUTPUT CLIP CH1 OUTPUT CLIP CH2 OUTPUT CLIP CH3 OUTPUT CLIP CH4 FS LOCK 48K POWER ON/OFF J,U,V H,B,W J U,V H,B,W CD-ROM REMARKS QTY RANK * * * * * * * * * * * * * 01 01 01 05 05 01 01 01 01 01 01 01 01 01 01 01 01 02 02 01 01 01 01 01 03 02 03 03 01 01 01 01 01 01 01 01 01 09 08 03 *: New Parts RANK: Japan only www. xiaoyu163. com QQ 376315150 9 9 2 8 9 4 2 9 8 TEL 13942296513 9 9 2 8 9 4 2 9 8 0 5 1 5 1 3 6 7 3 Q Q TEL 13942296513 QQ 376315150 892498299 TEL 13942296513 QQ 376315150 892498299 http://www.xiaoyu163.com SERVICE MANUAL PA 2/2 011555 HAMAMATSU, JAPAN Printed in Japan '01.02 CONTENTS SPECIFICATIONS ············································································ 3 PANEL LAYOUT··············································································· 4 BLOCK DIAGRAM ············································································ 6 DIMENSIONS ··················································································· 7 CIRCUIT BOARD LAYOUT ······························································ 8 DISASSEMBLY PROCEDURE······················································· 10 LSI PIN DESCRIPTION ·································································· 13 IC BLOCK DIAGRAM······································································ 15 CIRCUIT BOARDS ········································································· 17 TEST PROGRAM ··········································································· 22 UPGRADING RC-SREV1 ······························································· 25 PARTS LIST 20001225-150000 This document is printed on chlorine free (ECF) paper with soy ink. REMOTE CONTROLLER www. xiaoyu163. com QQ 376315150 9 9 2 8 9 4 2 9 8 TEL 13942296513 9 9 2 8 9 4 2 9 8 0 5 1 5 1 3 6 7 3 Q Q TEL 13942296513 QQ 376315150 892498299 TEL 13942296513 QQ 376315150 892498299 http://www.xiaoyu163.com RC-SREV1 2 WARNING: CHEMICAL CONTENT NOTICE! The solder used in the production of this product contains LEAD. In addition, other electrical/electronic and/or plastic (where applicable) components may also contain traces of chemicals found by the California Health and Welfare Agency (and possibly other entities) to cause cancer and/or birth defects or other reproductive harm. DO NOT PLACE SOLDER, ELECTRICAL/ELECTRONIC OR PLASTIC COMPONENTS IN YOUR MOUTH FOR ANY REASON WHAT SO EVER! Avoid prolonged, unprotected contact between solder and your skin! When soldering, do not inhale solder fumes or expose eyes to solder/flux vapor! If you come in contact with solder or components located inside the enclosure of this product, wash your hands before handling food. IMPORTANT NOTICE This manual has been provided for the use of authorized Yamaha Retailers and their service personnel. It has been assumed that basic service procedures inherent to the industry, and more specifically Yamaha Products, are already known and understood by the users, and have therefore not been restated. WARNING: Failure to follow appropriate service and safety procedures when servicing this product may result in personal injury, destruction of expensive components and failure of the product to perform as specified. For these reasons, we advise all Yamaha product owners that all service required should be performed by an authorized Yamaha Retailer or the appointed service representative. IMPORTANT: This presentation or sale of this manual to any individual or firm does not constitute authorization, certification, recognition of any applicable technical capabilities, or establish a principal-agent relationship of any form. The data provided is belived to be accurate and applicable to the unit(s) indicated on the cover. The research engineering, and service departments of Yamaha are continually striving to improve Yamaha products. Modifications are, therefore, inevitable and changes in specification are subject to change without notice or obligation to retrofit. Should any discrepancy appear to exist, please contact the distributor's Service Division. WARNING: Static discharges can destroy expensive components. Discharge any static electricity your body may have accumulated by grounding yourself to the ground bus in the unit (heavy gauge black wires connect to this bus). IMPORTANT: Turn the unit OFF during disassembly and parts replacement. Recheck all work before you apply power to the unit. WARNING Components having special characteristics are marked and must be replaced with parts having specification equal to those originally installed. www. xiaoyu163. com QQ 376315150 9 9 2 8 9 4 2 9 8 TEL 13942296513 9 9 2 8 9 4 2 9 8 0 5 1 5 1 3 6 7 3 Q Q TEL 13942296513 QQ 376315150 892498299 TEL 13942296513 QQ 376315150 892498299 http://www.xiaoyu163.com SPECIFICATIONS RC-SREV1 3 Display Control Surface Controls Rear Panel Buttons Control Surface Rear Panel Indicators Power requirements Power consumption Dimensions (W x H x D) Weight Free-air operating temperature Supplied accessories Options 320 x 240 dot graphical LCD with fluorescent backlight and contrast and brightness controls Data wheel 60 mm motorized fader x4 BRIGHT, CONT BYPASS, PROGRAM, PARAMETER MAIN, PARAMETER FINE, UTILITY, –1/DEC, +1/INC, CURSOR ( / / / ), ENTER POWER switch BYPASS, INPUT CLIP x4, OUTPUT CLIP x4 12 V DC 7.2 W 206 x 66.3 x 276.7 mm (8.1 x 2.6 x 10.9 inches) 2.05 kg (4.51 lbs) 0˚ C to 45˚ C (32˚ F to 113˚ F) 20 meter remote cable AC adapter (Yamaha PA-6) Connection REMOTE DC 12V IN Format — — Level RS-422 12 V DC Connector 9-pin D-sub (female) 2.1 mm mini power type Control I/O Remote Cable Wiring Diagram SREV1 9-pin D-sub (male) NC 1 RX– 2 TX+ 3 NC 4 +12V 5 NC 6 RX+ 7 TX– 8 GND 9 1 NC 2 TX– 3 RX+ 4 NC 5 +12V 6 NC 7 TX+ 8 RX– 9 GND RC-SREV1 9-pin D-sub (female) www. xiaoyu163. com QQ 376315150 9 9 2 8 9 4 2 9 8 TEL 13942296513 9 9 2 8 9 4 2 9 8 0 5 1 5 1 3 6 7 3 Q Q TEL 13942296513 QQ 376315150 892498299 TEL 13942296513 QQ 376315150 892498299 http://www.xiaoyu163.com PANEL LAYOUT RC-SREV1 4 1 8 9 10 11 12 13 2 3 4 5 6 7 1 Display 2 BYPASS button & indicator 3 PROGRAM button 4 PARAMETER MAIN button 5 PARAMETER FINE button 6 UTILITY button 7 Motorized faders 8 INPUT CLIP indicators 9 OUTPUT CLIP indicators 10 –1/DEC & +1/INC buttons 11 DATA wheel 12 Cursor buttons ( / / / ) 13 ENTER button Top Panel www. xiaoyu163. com QQ 376315150 9 9 2 8 9 4 2 9 8 TEL 13942296513 9 9 2 8 9 4 2 9 8 0 5 1 5 1 3 6 7 3 Q Q TEL 13942296513 QQ 376315150 892498299 TEL 13942296513 QQ 376315150 892498299 http://www.xiaoyu163.com RC-SREV1 5 14 15 16 17 18 19 20 24 25 26 27 28 29 21 22 23 14 POWER switch 15 DC 12V IN connector 16 Adapter cable clip 17 REMOTE port 18 BRIGHT control 19 CONT control 20 Page title 21 Program number & title 22 Page tabs 23 Main page area 24 Bypass status 25 FS status 26 Selected SREV1 27 Reverb mode 28 Edit status 29 Meters Rear Panel Display www. xiaoyu163. com QQ 376315150 9 9 2 8 9 4 2 9 8 TEL 13942296513 9 9 2 8 9 4 2 9 8 0 5 1 5 1 3 6 7 3 Q Q TEL 13942296513 QQ 376315150 892498299 TEL 13942296513 QQ 376315150 892498299 http://www.xiaoyu163.com Power Inverter Unit CXA-L0605 -VJL LCD 320 240dots monochrome LC97704A LED201-LED208 PARAMETER (Rotary Encorder) LED211 Fade Position Motor Control Fader SW206-SW212 SW201-SW205 LCD CONTROLLER SED1353F-0A Flash ROM 8M MBN29F8008 A-70PFTNT IC5 (48P) LED DRIVER (Sheet 3/6) Fader Fader Fader DC-DC CONVERTER BUFFER Port MTU A/D Serial 1 Serial 0 Address bus CPU SH-2 (HD6417014F28) RS232C DRIVER DEBUG CONNECTOR REMOTE DC Power DC 12V IN CN17 D1 72 74 X1 6.7584MHz D2 JK4 RS485 DRIVER Data bus CN213 CN206 CN109, 110 CN208 CN203 IC14,15 (20P) IC12 (100P) IC19 (20P) IC18 (8P) IC4 (8P) IC6 (112P) IC16,26 (16P) VRAM 256K 8 32k IC19 (28P) CN4 VR1 LCD BRIGHT CN1 CN9,10 CN6,8 CN3 42,43 CN14 CN13 2 SRAM 1M 8 32k IC8 (32P) SRAM 1M 8 32k IC7 (32P) VR2 LCD CONT BUFFER REM 6/6 REM 4/6 REM 3/6 REM 1/6 REM 2/6 REM 5/6 BLOCK DIAGRAM RC-SREV1 6 38CA1-8817998 www. xiaoyu163. com QQ 376315150 9 9 2 8 9 4 2 9 8 TEL 13942296513 9 9 2 8 9 4 2 9 8 0 5 1 5 1 3 6 7 3 Q Q TEL 13942296513 QQ 376315150 892498299 TEL 13942296513 QQ 376315150 892498299 http://www.xiaoyu163.com RC-SREV1 7 DIMENSIONS 66.3 206 (5) 271.7 276.7 Unit: mm www. xiaoyu163. com QQ 376315150 9 9 2 8 9 4 2 9 8 TEL 13942296513 9 9 2 8 9 4 2 9 8 0 5 1 5 1 3 6 7 3 Q Q TEL 13942296513 QQ 376315150 892498299 TEL 13942296513 QQ 376315150 892498299 http://www.xiaoyu163.com REM 1/6-CN1 CN6 CN213 CN13 CN14 CN3 CN9 CN10 CN8 CN4 CN206 REM 2/6- CN110 REM 2/6- CN109 REM 2/6- CN111 CN203 CN208 CN20 CN18 REM 5/6 REM 2/6 REM 3/6 REM 4/6 CN109 CN206 CN203 CN208 CN4 CN18 40 CN110 CN111 Power Inverter Unit REM 6/6 A REM 1/6 LCD 40 270 RC-SREV1 8 CIRCUIT BOARD LAYOUT 3NC2-V652850 2 www. xiaoyu163. com QQ 376315150 9 9 2 8 9 4 2 9 8 TEL 13942296513 9 9 2 8 9 4 2 9 8 0 5 1 5 1 3 6 7 3 Q Q TEL 13942296513 QQ 376315150 892498299 TEL 13942296513 QQ 376315150 892498299 http://www.xiaoyu163.com RC-SREV1 9 REM 1/6-CN4 Power Inverter Unit 5P SAN&51021 Connector Assembly Part No. (V700120) Location Destination Remarks CN110 CN111 CN206 CN208 REM 2/6-CN110 REM 1/6-CN10 12P SAN&PH (V684140) REM 2/6-CN111 REM 1/6-CN11 6P SAN&PH (V652810) REM 3/6-CN206 REM 1/6-CN6 8P SAN&PH (VP91350) REM 5/6-CN208 REM 1/6-CN8 7P SAN&PH (VY91480) CN203 REM 4/6-CN203 REM 1/6-CN3 3P LCD REM 1/6-CN20 2P REM 1/6-CN18 2P LCD REM 1/6-CN14 12P SAN&PH (VM85710) 270 REM 1/6-CN13 REM 6/6-CN213 9P FFC MF109100 XH (LCD) FFC V5605200 CN4 SAN&BH (V700110) CN18 REM 2/6-CN109 REM 1/6-CN9 13P SAN&PH (V684060) CN109 CN213 CN13 CN14 REM 1/6 REM 6/6 LCD Fig. A Power Inverter Unit 40 40 270 www. xiaoyu163. com QQ 376315150 9 9 2 8 9 4 2 9 8 TEL 13942296513 9 9 2 8 9 4 2 9 8 0 5 1 5 1 3 6 7 3 Q Q TEL 13942296513 QQ 376315150 892498299 TEL 13942296513 QQ 376315150 892498299 http://www.xiaoyu163.com [330]: Bind Head Tapping Screw-B SP 3.0X10 MFZN2BL (VH741100) [350]: Bind Head Tapping Screw-B SP 3.0X10 MFZN2BL (VH741100) [330] [350] Fig. 1 Side pad (L) Side pad (R) Fig. 3 [310]: Bind Head Tapping Screw-B 3.0X8 MFZN2BL (EP600190) Fig. 2 [310]: Bind Head Tapping Screw-B 3.0X8 MFZN2BL (EP600190) [310] [310] [310] Bottom cover [310] Left side: 4pcs Right side: 4pcs 1. Side Pad (L), Side Pad (R) (Time required: about 3 minutes) 1-1 Remove the two (2) screws marked [330]. The left side pad can then be removed. (Fig. 1) 1-2 Remove the two (2) screws marked [350]. The right side pad can then be removed. (Fig. 1) 2. Bottom Cover (Time required: about 5 minutes) 2-1 Remove the left and right side pads. (See procedure 1.) 2-2 Remove the ten (10) screws marked [310]. The bottom cover can then be removed. (Fig. 2, 3, 4) 3. REM 1/6 Circuit Board, Power Inverter Unit 3-1 Remove the left and right side pads. (See procedure 1.) 3-2 Remove the bottom cover. (See procedure 2.) 3-3 REM 1/6 Circuit Board (Time required: about 10 minutes) Remove the two (2) jack sockets marked [170], the screw marked [180], the screw marked [190] and the two (2) screws marked [200]. The REM 1/6 circuit board can then be removed. (Fig. 4, 5) 3-4 Power Inverter Unit (Time required: about 8 minutes) Remove the two (2) screws marked [220]. The power inverter unit can then be removed. (Fig. 5) DISASSEMBLY PROCEDURE RC-SREV1 10 www. xiaoyu163. com QQ 376315150 9 9 2 8 9 4 2 9 8 TEL 13942296513 9 9 2 8 9 4 2 9 8 0 5 1 5 1 3 6 7 3 Q Q TEL 13942296513 QQ 376315150 892498299 TEL 13942296513 QQ 376315150 892498299 http://www.xiaoyu163.com 5. Top Panel (Time required: about 15 minutes) 5-1 Remove the left and right side pads. (See procedure 1.) 5-2 Remove the bottom cover. (See procedure 2.) 5-3 Remove the REM 1/6 circuit board. (See procedure 3-3.) 5-4 Pull out the four fader knobs from the control panel side. 5-5 Remove the seven (7) screws marked [150]. The top panel can then be removed. (Fig. 6) 6. REM 2/6 Circuit Board (Time required: about 20 minutes) 6-1 Remove the left and right side pads. (See procedure 1.) 6-2 Remove the bottom cover. (See procedure 2.) 6-3 Remove the REM 1/6 circuit board. (See procedure 3-3.) 6-4 Remove the top panel. (See procedure 5.) 6-5 Remove the eight (8) screws marked [140]. The REM2/6 circuit board can then be removed. (Fig. 5, 6) 7. REM 3/6 Circuit Board, REM 4/6 Circuit Board (Time required: about 20 minutes) 7-1 Remove the left and right side pads. (See procedure 1.) 7-2 Remove the bottom cover. (See procedure 2.) Fig. 5 [70]: Bind Head Tapping Screw-B 3.0X6 MFZN2BL (EP600230) [90]: Bind Head Tapping Screw-B 3.0X6 MFZN2BL (EP600230) [110]: Bind Head Tapping Screw-B 3.0X6 MFZN2BL (EP600230) [200]: Bind Head Tapping Screw-B 3.0X6 MFZN2BL (EP600230) [220]: Bind Head Screw 2.0X3 MFZN2Y (VQ717600) [200] [220] REM 1/6 REM 1/6 REM 6/6 REM 2/6 REM 5/6 REM 3/6 [90] [220] Power inverter unit [70] [200] [110] [90] Fig. 4 [180]: Bind Head Tapping Screw-B 3.0X6 MFZN2BL (EP600230) [190]: Bind Head Screw 3.0X8 MFZN2BL (VB659000) [310]: Bind Head Tapping Screw-B 3.0X8 MFZN2BL (EP600190) [310] [170] [190] [180] 4. REM 6/6 Circuit Board (Time required: about 10 minutes) 4-1 Remove the left and right side pads. (See procedure 1.) 4-2 Remove the bottom cover. (See procedure 2.) 4-3 Remove the REM 1/6 circuit board. (See procedure 3-3.) 4-4 Remove the two (2) screws marked [70]. The REM 6/6 circuit board can then be removed. (Fig. 5) RC-SREV1 11 www. xiaoyu163. com QQ 376315150 9 9 2 8 9 4 2 9 8 TEL 13942296513 9 9 2 8 9 4 2 9 8 0 5 1 5 1 3 6 7 3 Q Q TEL 13942296513 QQ 376315150 892498299 TEL 13942296513 QQ 376315150 892498299 http://www.xiaoyu163.com Top panel LCD [50] [50] Fig. 6 [50]: Bind Head Screw 2.6X6 MFZN2BL (EG320220) [140]: Flat Head Screw 3.0X4 MFZN2Y (VD016900) [150]: Bind Head Tapping Screw-B 3.0X8 MFZN2BL (EP600190) [150] [150] [150] REM 2/6 REM 4/6 [130] [140] x8 Knob wheel RC-SREV1 12 7-3 Remove the REM 1/6 circuit board. (See procedure 3-3.) 7-4 Remove the top panel. (See procedure 5.) 7-5 Remove the REM 2/6 circuit board. (See procedure 6.) 7-6 REM 3/6 Circuit Board Remove the four (4) screws marked [110]. The REM 3/6 circuit board can then be removed. (Fig. 5) 7-7 REM 4/6 Circuit Board Pull out the knob wheel from the control panel side. (Fig. 6) Remove the hexagonal nut marked [130]. The REM 4/6 circuit board can then be removed. (Fig. 6) 8. REM 5/6 Circuit Board (Time required: about 20 minutes) 8-1 Remove the left and right side pads. (See procedure 1.) 8-2 Remove the bottom cover. (See procedure 2.) 8-3 Remove the REM 1/6 circuit board. (See procedure 3-3.) 8-4 Remove the power inverter unit. (See procedure 3-4.) 8-5 Remove the top panel. (See procedure 5.) 8-6 Remove the REM 2/6 circuit board (See procedure 6.) 8-7 Remove the two (2) screws marked [90]. The REM 5/6 circuit board can then be removed. (Fig. 5) 9 LCD (Time required: about 15 minutes) 9-1 Remove the left and right side pads. (See procedure 1.) 9-2 Remove the bottom cover. (See procedure 2.) 9-3 Remove the REM 1/6 circuit board. (See procedure 3-3.) 9-4 Remove the top panel. (See procedure 5.) 9-5 Remove the four (4) screws marked [50]. The LCD can then be removed. (Fig. 6) www. xiaoyu163. com QQ 376315150 9 9 2 8 9 4 2 9 8 TEL 13942296513 9 9 2 8 9 4 2 9 8 0 5 1 5 1 3 6 7 3 Q Q TEL 13942296513 QQ 376315150 892498299 TEL 13942296513 QQ 376315150 892498299 http://www.xiaoyu163.com LSI PIN DESCRIPTION RC-SREV1 13 PIN NO. I/O FUNCTION NAME PIN NO. I/O FUNCTION NAME 1 2 3 4 5 6 7 8 9 10 11 12 13 14 15 16 17 18 19 20 21 22 23 24 25 26 27 28 29 30 31 32 33 34 35 36 37 38 39 40 41 42 43 44 45 46 47 48 49 50 51 52 53 54 55 56 PE14 PE15 VSS A0 A1 A2 A3 A4 A5 A6 A7 A8 A9 A10 A11 A12 A13 A14 A15 A16 VCC A17 VSS /RAS /CASL /CASH VSS RDWR / PB5 A18 A19 A20 PB9 /A21 VSS /RD /WDTOVF /WRH VCC /WRL VSS /CS1 /CS0 PA9 / TCLKD /IRQ2 / TCLKC /CS3 /CS2 /IRQ1 TXD RXD /IRQ0 PA1 / TXD0 PA0 / RXD0 D15 D14 D13 VSS D12 O O I O O O O O O O O O O O O O O O O O I O I O O O O O O O O O I O O O I O I O O O I O O I O I I O I I/O I/O I/O I I/O Port E Port E Ground Address bus Power supply Address bus Ground Row address strobe Column address strobe (low) Column address strobe (high) Ground DRAM read/write / Port B Address bus Port B / Address bus Ground Read Watch dog timer overflow High write Power supply Low write Ground Chip select Chip select Port A / Timer clock Interrupt request / Timer clock Chip select Chip select Interrupt request Data transmission Data reception Interrupt request Port A / Data transmission Port A / Data reception Data bus Ground Data bus 57 58 59 60 61 62 63 64 65 66 67 68 69 70 71 72 73 74 75 76 77 78 79 80 81 82 83 84 85 86 87 88 89 90 91 92 93 94 95 96 97 98 99 100 101 102 103 104 105 106 107 108 109 110 111 112 D11 D10 D9 D8 VSS D7 D6 D5 VCC D4 D3 D2 D1 D0 VSS XTAL MD3 EXTAL MD2 NMI VCC MD1 MD0 PLLVCC PLLCAP PLLVSS PA15 / CK /RES PE0 PE1 PE2 PE3 PE4 VSS AN0 / PF0 AN1 / PF1 AN2 / PF2 AN3 / PF3 AN4 / PF4 AN5 / PF5 AVSS AN6 / PF6 AN7 / PF7 AVCC VSS PE5 VCC PE6 PE7 PE8 PE9 PE10 VSS PE11 PE12 PE13 I/O I/O I/O I/O I I/O I/O I/O I I/O I/O I/O I/O I/O I I I I I I I I I I I I O I I I I I I I I I I I I I I I I I I O I O O O O O I O O O Data bus Ground Data bus Power supply Data bus Ground Crystal oscillator Mode control Crystal oscillator Mode control Non-maskable interrupt request Power supply Mode control Mode control PLL Power supply PLL capacitor PLL Ground Port A / Clock Reset Port E Ground Analog input / Port F Analog ground Analog input / Port F Analog input / Port F Power supply Ground Port E Power supply Port E Ground Port E HD6417014F28 (XU147A00) CPU REM: IC6 www. xiaoyu163. com QQ 376315150 9 9 2 8 9 4 2 9 8 TEL 13942296513 9 9 2 8 9 4 2 9 8 0 5 1 5 1 3 6 7 3 Q Q TEL 13942296513 QQ 376315150 892498299 TEL 13942296513 QQ 376315150 892498299 http://www.xiaoyu163.com RC-SREV1 14 PIN NO. I/O FUNCTION NAME PIN NO. I/O FUNCTION NAME 1 2 3 4 5 6 7 8 9 10 11 12 13 14 15 16 17 18 19 20 21 22 23 24 25 26 27 28 29 30 31 32 33 34 35 36 37 38 39 40 41 42 43 44 45 46 47 48 49 50 DB7 Vss VDD DB8 DB9 DB10 DB11 DB12 DB13 DB14 DB15 AB0 AB1 AB2 AB3 AB4 AB5 AB6 AB7 AB8 AB9 AB10 AB11 AB12 AB13 AB14 AB15 AB16 AB17 AB18 AB19 RESET VA0 VA1 VA2 VA3 VA4 VA5 VA6 VA7 VA8 VA9 VA10 VD0 VD1 VD2 VD3 VD4 VD5 VD6 I/O I/O I/O I/O I/O I/O I/O I/O I/O I I I I I I I I I I I I I I I I I I I I I O O O O O O O O O O O I/O I/O I/O I/O I/O I/O I/O Data bus Ground Power supply Data bus UDS# column address strobe Address bus Reset VRAM address bus VRAM data bus 51 52 53 54 55 56 57 58 59 60 61 62 63 64 65 66 67 68 69 70 71 72 73 74 75 76 77 78 79 80 81 82 83 84 85 86 87 88 89 90 91 92 93 94 95 96 97 98 99 100 VD7 Vss VDD VD8 VD9 VD10 VD11 VD12 VD13 VD14 VD15 VA11 VA12 VA13 VA14 VA15 VWE# VCS0# VCS1# UD3 UD2 UD1 UD0 LD3 LD2 LD1 LD0 YD LP WF/XSCL2 XSCL LCDENB VOE# IOCS# IOW# IOR# MEMCS# MEMW# MEMR# READY BHE# OSC1 OSC2 DB0 DB1 DB2 DB3 DB4 DB5 DB6 I/O I/O I/O I/O I/O I/O I/O I/O I/O O O O O O O O O O O O O O O O O O O O O O O I I I I I I O I I O I/O I/O I/O I/O I/O I/O I/O VRAM data bus Ground Power supply VRAM data bus VRAM address bus Chip select Chip select Data bus Data bus Scan start signal X driver latch puls Data bus shift clock Write enable Read enable Memory write Memory read Ready LDS# row address strobe Clock Clock Data bus SED1353F-0A (XY766A00) LCD CONTROLLER REM: IC12 www. xiaoyu163. com QQ 376315150 9 9 2 8 9 4 2 9 8 TEL 13942296513 9 9 2 8 9 4 2 9 8 0 5 1 5 1 3 6 7 3 Q Q TEL 13942296513 QQ 376315150 892498299 TEL 13942296513 QQ 376315150 892498299 http://www.xiaoyu163.com IC BLOCK DIAGRAM RC-SREV1 15 1 2 3 4 5 6 7 8 9 IN2 IN1 Vcc OUT2 NC GND VS OUT1 Vref 8 REG Heat protector 6 7 3 5 1 9 2 Vcc Vref Vs OUT1 OUT2 IN1 IN2 GND M MM74HC14SJX (XW104A00) Hex Inverter REM: IC2 MM74HC74ASJX (XY153A00) Dual D-Type Flip-Flop REM: IC23 MM74HC138SJX (XY353A00) 3 to 8 Demultiplexer REM: IC10, 11 TC74ACT174F (XY938A00) Hex D-Type Flip-Flop REM: IC16, 26 MM74HC245ASJX (XW107A00) Octal 3-State Bus Transceiver REM: IC19 TC74AC273F (XR281A00) Octal D-Type Flir Flop REM: IC14, 15 SN75179BPSR (XT619A00) Line DRIVER REM: IC4 TA7291S (XF557A00) Motor Driver DRIVER REM: IC101–104 1 2 3 4 5 6 7 1A 1Y 2A 2Y 3A 3Y GND 14 13 12 11 10 9 8 VDD 6A 6Y 5A 5Y 4A 4Y INPUTS OUTPUTS PR CLR CLK D Q Q L H H L H Q O H L H H L Q O X X X H L X X X X f f L H L L H H H L H L H H H 1 2 3 4 5 6 7 1CLR 1D 1CK 1PR 1Q 1Q GND 14 13 12 11 10 9 8 VCC 2CLR CLR 2D D 2CK CK 2PR PR 2Q 2Q Q Q CLR D CK PR Q Q 1 2 3 4 5 6 7 A A Select Enable Output Output B B C C G2A G2A G2B G2B G1 G1 Y7 Y7 Y5 Y4 Y3 Y2 Y1 Y0 Y6 16 15 14 13 12 11 10 Vcc YO Y1 Y2 Y3 Y4 Y5 8 GND 9 Y6 Q Q D C K C K C K D C K G G CLEAR 1Q 1D 2D 2Q 3D 3Q GND 1 16 2 15 3 14 4 13 5 12 6 11 7 10 8 9 Vcc 6Q 6D 5D 5Q 4D 4Q CK Q D G G Q D C K G C K Q D G Q D 1 2 3 4 5 6 7 20 19 18 17 16 15 14 Vcc G B1 B2 B3 B4 B5 B6 B7 B8 8 9 10 12 11 GND A8 A7 A6 A5 A4 A3 A2 A1 D1R 13 CLEAR 1Q 1D 2D 2Q 3Q 3D 4D 4Q GND VCC 8Q 8D 7D 7Q 6Q 6D 5D 5Q CLOCK 1 20 2 19 3 18 4 17 5 16 6 15 7 14 8 13 9 12 10 11 Q D CK CL D Q CK CL Q D CK CL D Q CK CL D Q CK CL Q D CK CL D Q CK CL Q D CK CL 1 2 3 4 Vcc R D GND 8 7 6 5 A B Z Y DIFFERENTIAL INPUT OUTPUTS VID 0.2V -0.2V < VID < 0.2V VID -0.2V R A-B H ? L INPUTS Receiver Driver D OUTPUTS Y H L H L Z L H H: "H" Level L: "L" Level ?: incertitude www. xiaoyu163. com QQ 376315150 9 9 2 8 9 4 2 9 8 TEL 13942296513 9 9 2 8 9 4 2 9 8 0 5 1 5 1 3 6 7 3 Q Q TEL 13942296513 QQ 376315150 892498299 TEL 13942296513 QQ 376315150 892498299 http://www.xiaoyu163.com RC-SREV1 16 CE-3101-T (XW701A00) DC-DC Converter REM: IC18 1 2 3 4 Control Vin GND N.C. 8 7 6 5 GND N.C. Vset Vout www. xiaoyu163. com QQ 376315150 9 9 2 8 9 4 2 9 8 TEL 13942296513 9 9 2 8 9 4 2 9 8 0 5 1 5 1 3 6 7 3 Q Q TEL 13942296513 QQ 376315150 892498299 TEL 13942296513 QQ 376315150 892498299 http://www.xiaoyu163.com CIRCUIT BOARDS RC-SREV1 17 to REM 1/6-CN3 PARAMETAR BYPASS PROGRAM UTILITY PARAMETER MAIN PARAMETER FINE to REM 1/6-CN8 to REM 1/6-CN13 CH1 CH2 CH3 CH4 CH1 CH2 CH3 CH4 INPUT CLIP OUTPUT CLIP REM 4/6 Circuit Board REM 5/6 Circuit Board REM 6/6 Circuit Board Component side Component side Pattern side Component side Pattern side Pattern side 3NA-V582610-2 3NA-V582610-3 4 3 Note: See parts list for details of circuit board component parts. REM 1/6 Circuit Board (XY817B0)··············································································· 18 REM 2/6 Circuit Board (XY817B0)··············································································· 20 REM 3/6 Circuit Board (XY817B0)··············································································· 20 REM 4/6 Circuit Board (XY817B0)··············································································· 17 REM 5/6 Circuit Board (XY817B0)··············································································· 17 REM 6/6 Circuit Board (XY817B0)··············································································· 17 www. xiaoyu163. com QQ 376315150 9 9 2 8 9 4 2 9 8 TEL 13942296513 9 9 2 8 9 4 2 9 8 0 5 1 5 1 3 6 7 3 Q Q TEL 13942296513 QQ 376315150 892498299 TEL 13942296513 QQ 376315150 892498299 http://www.xiaoyu163.com RC-SREV1 18 to REM 6/6-CN213 to REM 2/6-CN111 POWER ON/OFF DC12V IN REMOTE LCD BRIGHT LCD CONT to REM 3/6-CN206 to REM 4/6-CN203 to REM 2/6-CN109 to REM 2/6-CN110 not connect to REM 5/6-CN208 to Power Inverter Unit to Power Inverter Unit to LCD to LCD REM 1/6 Circuit Board 3NA-V582610-2 3 Component side www. xiaoyu163. com QQ 376315150 9 9 2 8 9 4 2 9 8 TEL 13942296513 9 9 2 8 9 4 2 9 8 0 5 1 5 1 3 6 7 3 Q Q TEL 13942296513 QQ 376315150 892498299 TEL 13942296513 QQ 376315150 892498299 http://www.xiaoyu163.com RC-SREV1 19 REM 1/6 Circuit Board 3NA-V582610-3 4 Pattern side www. xiaoyu163. com QQ 376315150 9 9 2 8 9 4 2 9 8 TEL 13942296513 9 9 2 8 9 4 2 9 8 0 5 1 5 1 3 6 7 3 Q Q TEL 13942296513 QQ 376315150 892498299 TEL 13942296513 QQ 376315150 892498299 http://www.xiaoyu163.com RC-SREV1 20 to REM 1/6-CN10 Fader to REM 1/6-CN9 to REM 1/6-CN11 to REM 1/6-CN6 CURSOR RIGHT CURSOR LEFT ENTER -1/DEC +1/INC CURSOR DOWN CURSOR UP REM 2/6 Circuit Board REM 3/6 Circuit Board 3NA-V582610-2 3 Component side Component side www. xiaoyu163. com QQ 376315150 9 9 2 8 9 4 2 9 8 TEL 13942296513 9 9 2 8 9 4 2 9 8 0 5 1 5 1 3 6 7 3 Q Q TEL 13942296513 QQ 376315150 892498299 TEL 13942296513 QQ 376315150 892498299 http://www.xiaoyu163.com RC-SREV1 21 3NA-V582610-3 4 REM 2/6 Circuit Board REM 3/6 Circuit Board Pattern side Pattern side www. xiaoyu163. com QQ 376315150 9 9 2 8 9 4 2 9 8 TEL 13942296513 9 9 2 8 9 4 2 9 8 0 5 1 5 1 3 6 7 3 Q Q TEL 13942296513 QQ 376315150 892498299 TEL 13942296513 QQ 376315150 892498299 http://www.xiaoyu163.com RC-SREV1 22 TEST PROGRAM 1. Range of application This provides the stipulations for the dedicated remote controller for the sampling reverberator. 2. Preparations 2-1. Jig types 1. Power supply adaptor PA-6 2. Dsub male 9-pin loop-back jig (connected as shown in the figure). 2-2. Connections Connect the power supply adapter and loop-back connector jig. 3. Inspection procedure 3-1. Inspection items 3-1-1. Starting the diagnostic program (hereafter, diagnosis) Executing the diagnosis Turn on the power while simultaneously pressing the [UTILITY] and [PROGRAM] keys. The diagnosis will be executed and this menu screen will appear. * Operate the BRIGHT and CONT knobs. Check that the brightness and contrast adjustment is operating normally. * For each test by using the cursor key [ ] or [ ] to select items from the menu. Press the [ENTER] key to execute. * The results of the inspection are shown as follows. • LED: If OK, the CLIP LEDs for the inspection number section will come on. If NG, the same LEDs will go out and other LEDs will come on. (Upper right diagram) • LCD: The progress status and results of the inspection (as OK, NG or END) are displayed. 3-1-2. Description of the inspection items 3-1-2-1. Initial test • Outline Checks the LCD controller and VRAM. • Screen example • End Press the ENTER key to return to the menu screen. 3-1-2-2. LED Test • Outline Inspect the LEDs visually. • Screen example • Description (1) The LEDs will come on in the sequence shown BYAPASS, INPUT CLIP, OUTPUT CLIP. Check that each LED comes on correctly. (2) At the end, all LEDs will go out and then come on. Check that all LEDs come on. * To stop while in progress, press the [ENTER] key. • End Press the [ENTER] key to return to the menu screen. No. 1 2 3 4 5 6 7 8 9 10 Inspection Item Initial Test LED Test LCD Test Switch Test Rotally Encoder Test Fader Test Fader Calibration RS422 Test ...END... Fader Aging 2. DSUB Connection 1 2 3 4 5 6 7 8 9 : Requires inspection : Inspect as necessary RC-SREV1 DIAGNOSTIC: PROGRAM V1.02 [ ] 1. Initial Test [ ] 2. LED Test [ ] 3. LCD Test [ ] 4. Switch Test [ ] 5. Rotally Encoder Test [ ] 6. Fader Test [ ] 7. Fader Calibration [ ] 8. RS422 Test 9. .....END..... 10. Fader Aging The results of the inspection by LED Inspection Number Inspection Number 1 2 3 4 1 CH 2 3 4 5 6 7 8 1 CH 2 3 4 <<< Initial Test >>> Push 'ENTER' key to continue LCD CONTROLLER VRAM (IC12) OK (IC9) OK OK <<< LED Test >>> Push 'ENTER' key to continue END www. xiaoyu163. com QQ 376315150 9 9 2 8 9 4 2 9 8 TEL 13942296513 9 9 2 8 9 4 2 9 8 0 5 1 5 1 3 6 7 3 Q Q TEL 13942296513 QQ 376315150 892498299 TEL 13942296513 QQ 376315150 892498299 http://www.xiaoyu163.com RC-SREV1 23 3-1-2-3. LCD Test • Outline Inspect the LCD visually. • Description The display on the LCD appears in the following sequence: diagonal, all black and all white. Confirm visually. (1) Diagonal display Press the [ENTER] key to move to the next item. (2) All black display Press the [ENTER] key to move to the next item. (3) All white display Press the [ENTER] key to move to the next item. (4) End • End Press the [ENTER] key to return to the menu screen. 3-1-2-4. Switch Test • Outline Inspect the keys. • Screen example • Description (1) An initial check is performed to check if there are any switches in the pressed state. Do not touch the switches while this initial check is being performed. (2) The keys are pressed in the sequence shown in the test pattern figure. (Normally, the name of the next key to be pressed is displayed.) (3) When all the keys have been checked, the OK mark is displayed. (If a switch is defective and the check cannot proceed, press [ENTER] key to force terminate the operation.) Note) After a check has been performed for multiple switches being pressed, the program will go to the next switch check. Because of this, do not touch any of the other switches if a high-speed test is to be performed. • End Press the [ENTER] key to return to the menu screen. 3-1-2-5. Encoder Test • Outline Inspect the rotary encoder. • Screen example • Description (1) If “ENCODER--->”is displayed, turn the encoder in a clockwise direction. (1 cycle or more) (2) If “ENCODER<---”is displayed, turn the encoder in a counter-clockwise direction. (1 cycle or more) * If the program has ended normally, the OK mark will appear. If the encoder is defective and the program cannot proceed, the time will expire. It can also be terminated by pressing the [ENTER] key. <<< Switch Test >>> Push 'ENTER' key to continue Release All SW : Release BYPASS Release PROGRAM Release PARAM/MAIN Release PARAM/FINE Release UTILITY Release -1/DEC Release +1/INC Release UP Release LEFT Release RIGHT Release DOWN Release ENTER OK (SW201, PE4 ) : OK (SW202, PE3 ) : OK (SW203, PE2 ) : OK (SW204, PE1 ) : OK (SW205, PE0 ) : OK (SW206, PE14) : OK (SW207, PE13) : OK (SW208, PE12) : OK (SW209, PE11) : OK (SW210, PE10) : OK (SW211, PE9 ) : OK (SW212, PE8 ) : OK OK <<< LCD Test >>> Push 'ENTER' key to continue END <<< Rotally Encoder Test >>> Push 'ENTER' key to continue ENCODER ---> : ENCODER <--- : OK OK OK www. xiaoyu163. com QQ 376315150 9 9 2 8 9 4 2 9 8 TEL 13942296513 9 9 2 8 9 4 2 9 8 0 5 1 5 1 3 6 7 3 Q Q TEL 13942296513 QQ 376315150 892498299 TEL 13942296513 QQ 376315150 892498299 http://www.xiaoyu163.com RC-SREV1 24 • End Press the [ENTER] key to return to the menu screen. 3-1-2-6. Fader Test • Outline Inspect the motor fader. • Screen example • Description Change the movement distance and driver voltage of each fader and measure. • End Press the [ENTER] key to return to the menu screen. 3-1-2-7. Fader Calibration • Outline Motor fader correction is performed. • Screen example • Description After the fader calibration has been automatically performed, measure the return movement time of each fader is measured. If even one is NG, it will not be OK. Change the fader or perform “Fader Aging” as needed. • End Press the [ENTER] key to return to the menu screen. 3-1-2-8. Comm.Test • Outline A check of the REMOTE communication port is performed. • Screen example • Description (1) When “Make Test Loop and Press Enter!” is displayed, connect the loop back connector jig to the [REMOTE] terminal. After connecting, press the [ENTER] key to check the status of the connection. (2) When “Refuse Tx Rs, Press Enter!” is displayed, remove the loop back connector jig from the [REMOTE] terminal. After removing, press the [ENTER] key to check the status of the non-connection. • End Press the [ENTER] key to return to the menu screen. 3-1-2-9. END • Outline Inspection is completed. • Screen example • Description Inspection is completed. At this time, only when all the required inspection items are terminated and the results are OK will the “All Diag is OK” shown above be displayed. If the program could not be executed or if there were NG items, a list of those items will be displayed. • End Press the [ENTER] key to return to the menu screen. <<< Rotally Encoder Test >>> Push 'ENTER' key to continue ENCODER ---> : ENCODER <--- : OK OK OK <<< RS422 Test >>> Push 'ENTER' key to continue Make Test Loop and Press Enter ! Connect Tx Rx OK Refuse Tx Rx, Press Enter ! NON CONNECT Tx Rx OK OK <<< Fader Test >>> Push 'ENTER' key to continue ------------------------------------- SPD=0 : 232 236 291 300 SPD=1 : 342 344 404 404 SPD=2 : 592 606 673 661 SPD=3 : 703 709 790 783 ------------------------------------- OK OK OK OK OK [0] [1] [2] [3] <<< .....END Test..... >>> Push 'ENTER' key to continue All Diag. is OK !!! END www. xiaoyu163. com QQ 376315150 9 9 2 8 9 4 2 9 8 TEL 13942296513 9 9 2 8 9 4 2 9 8 0 5 1 5 1 3 6 7 3 Q Q TEL 13942296513 QQ 376315150 892498299 TEL 13942296513 QQ 376315150 892498299 http://www.xiaoyu163.com RC-SREV1 25 3-1-2-10. Fader Aging • Outline Fader aging is performed. • Screen example • Description Here, 100 return cycles of the up/down movement of the fader is performed. Use this if there is a fader with exceptionally bad operation. • End Press the [ENTER] key to return to the menu screen. <<< Fader Aging >>> Push 'ENTER' key to continue 11/100 END UPGRADING RC-SREV1 Refer to “6-2. Upgrading RC-SREV1” (Page 43) in the SREV1 test program. www. xiaoyu163. com QQ 376315150 9 9 2 8 9 4 2 9 8 TEL 13942296513 9 9 2 8 9 4 2 9 8 0 5 1 5 1 3 6 7 3 Q Q TEL 13942296513 QQ 376315150 892498299 TEL 13942296513 QQ 376315150 892498299 http://www.xiaoyu163.com CONTENTS OVERALL ASSEMBLY······························································································································ 2 ELECTRICAL PARTS ··························································································································· 4~6 PARTS LIST WARNING Components having special characteristics are marked and must be replaced with parts having specification equal to those originally installed. A: Australian model B: British model C: Canadian model D: German model E: European model F: French model H: North European model I : Indonesian model J : Japanese model M: South African model O: Chinese model Q: South-east Asia model T: Taiwan model U: U.S.A. model V: General export model (110 V) W: General export model (220 V) N,X: General export model Y: Export model Notes: DESTINATION ABBREVIATIONS • The numbers in “ QTY ” show quantities for each unit. • The parts with “ - - ” in “ PART NO. ” are not available as spare parts. • The mark “ ” in the remarks column indicates that these parts are interchangeable. • The second letter of the shaded ( ) part number is O, not zero. • The second letter of the shaded ( ) part number is I, not one. REMOTE CONTROLLER www. xiaoyu163. com QQ 376315150 9 9 2 8 9 4 2 9 8 TEL 13942296513 9 9 2 8 9 4 2 9 8 0 5 1 5 1 3 6 7 3 Q Q TEL 13942296513 QQ 376315150 892498299 TEL 13942296513 QQ 376315150 892498299 http://www.xiaoyu163.com 380 190 170 150 310 370 360 180 390 130 140 150 150 200 270 110 350 310 345 300 290 310 340 220 210 160e 160b 160d 160f 160c 160a 330 320 325 20 40 50 90 70 30 10 RC-SREV1 2 OVERALL ASSEMBLY www. xiaoyu163. com QQ 376315150 9 9 2 8 9 4 2 9 8 TEL 13942296513 9 9 2 8 9 4 2 9 8 0 5 1 5 1 3 6 7 3 Q Q TEL 13942296513 QQ 376315150 892498299 TEL 13942296513 QQ 376315150 892498299 http://www.xiaoyu163.com RC-SREV1 3 OVERALL ASSEMBLY Top Panel Cover Sub Chassis LCD Bind Head Screw Bind Head Tapping Screw-B Bind Head Tapping Screw-B Bind Head Tapping Screw-B Hexagonal Nut Flat Head Screw Bind Head Tapping Screw-B Circuit Board Circuit Board Circuit Board Circuit Board Circuit Board Circuit Board Circuit Board Jack Socket Bind Head Tapping Screw-B Bind Head Screw Bind Head Tapping Screw-B Power Inverter Unit Bind Head Screw Connector Assembly Bottom Sheet Bottom Cover Bind Head Tapping Screw-B Side Pad Shield Sheet Bind Head Tapping Screw-B Side Pad Shield Sheet Bind Head Tapping Screw-B Cord Column Bind Head Screw Knob, Fader Knob Wheel ACCESSORY Cabel DESCRIPTION 10 20 30 40 50 70 90 110 130 140 150 160 160a 160b 160c 160d 160e 160f 170 180 190 200 210 220 270 290 300 310 320 325 330 340 345 350 360 370 380 390 REF NO. - - V6528900 V6529200 V6528600 V5605200 EG320220 EP600230 EP600230 EP600230 V2431400 VD016900 EP600190 - - AAX20920 AAX20930 AAX20940 AAX20950 AAX20960 AAX20970 VT362500 EP600230 VB659000 EP600230 V6627900 VQ717600 MF109100 V6735800 V6528700 EP600190 V6529300 - - VH741100 V6529400 - - VH741100 VC407100 VB659000 V7421900 V6529100 V6527300 PART NO. LM320191 2.6X6 MFZN2BL 3.0X6 MFZN2BL 3.0X6 MFZN2BL 3.0X6 MFZN2BL 9.0X11 3.0X4 MFZN2Y 3.0X8 MFZN2BL REM REM 1/6 REM 2/6 REM 3/6 REM 4/6 REM 5/6 REM 6/6 17L-003A3 3.0X6 MFZN2BL 3.0X8 MFZN2BL 3.0X6 MFZN2BL CXA-L0605-VJL 2.0X3 MFZN2Y 9P 100mm P=1.25 3.0X8 MFZN2BL LEFT LEFT SP 3.0X10 MFZN2BL RIGHT RIGHT SP 3.0X10 MFZN2BL 3.0X8 MFZN2BL S Gray/Dark Gray DSUB 9P 20m RC-SREV1 (V652850) (V582610) (V738140) (V738150) Faders PARAMETER REMARKS 4 2 2 4 8 7 2 2 2 10 2 2 4 QTY RANK * * * * * * * * * * * * * * * * * * 23 01 01 01 01 01 01 01 01 01 01 01 01 01 01 01 02 01 *: New Parts RANK: Japan only www. xiaoyu163. com QQ 376315150 9 9 2 8 9 4 2 9 8 TEL 13942296513 9 9 2 8 9 4 2 9 8 0 5 1 5 1 3 6 7 3 Q Q TEL 13942296513 QQ 376315150 892498299 TEL 13942296513 QQ 376315150 892498299 http://www.xiaoyu163.com RC-SREV1 4 ELECTRICAL PARTS Circuit Board Circuit Board Circuit Board Circuit Board Circuit Board Circuit Board Circuit Board Circuit Board Circuit Board Circuit Board Circuit Board Circuit Board Circuit Board Circuit Board LED Spacer LED Cover Push Button Ceramic Capacitor-F (chip) Ceramic Capacitor-F (chip) Electrolytic Cap. Ceramic Capacitor-F (chip) Ceramic Capacitor-F (chip) Ceramic Capacitor-B (chip) Ceramic Capacitor-F (chip) Ceramic Capacitor-B (chip) Electrolytic Cap. Electrolytic Cap. Ceramic Capacitor-F (chip) Ceramic Capacitor-F (chip) Ceramic Capacitor-F (chip) Ceramic Capacitor-SL(chip) Ceramic Capacitor-F (chip) Ceramic Capacitor-CH(chip) Ceramic Capacitor-CH(chip) Ceramic Capacitor-F (chip) Ceramic Capacitor-F (chip) Electrolytic Cap. Ceramic Capacitor-F (chip) Ceramic Capacitor-F (chip) Electrolytic Cap. Ceramic Capacitor-F (chip) Electrolytic Cap. Electrolytic Cap. Ceramic Capacitor-B (chip) Ceramic Capacitor-F (chip) Ceramic Capacitor-F (chip) Ceramic Capacitor-F (chip) Ceramic Capacitor-CH(chip) Ceramic Capacitor-SL(chip) Ceramic Capacitor-F (chip) Ceramic Capacitor-F (chip) Electrolytic Cap. Electrolytic Cap. Electrolytic Cap. Electrolytic Cap. Ceramic Capacitor-F (chip) Ceramic Capacitor-F (chip) Electrolytic Cap. Ceramic Capacitor-F (chip) Ceramic Capacitor-F (chip) Connector Base Post Connector Assembly Connector Base Post Connector Base Post Connector Base Post Connector Base Post DESCRIPTION C1 C2 C3 C4 C5 C6 C7 C8 C9 C10 C11 C16 -24 C25 C26 C27 C28 C29 -34 C35 C36 -39 C42 C43 C44 C45 C46 C47 C48 C50 C51 C52 C101 -108 C109 -112 C113 C114 C115 C116 C117 C118 -121 CN3 CN4 CN6 CN8 CN9 CN10 REF NO. - - AAX20920 AAX20930 AAX20940 AAX20950 AAX20960 AAX20970 - - AAX20920 AAX20930 AAX20940 AAX20950 AAX20960 AAX20970 - - - - VT839000 US145100 US145100 VH340400 US145100 US135100 US063150 US135100 US063150 VI254700 VI254700 US145100 US135100 US135100 US062470 US135100 US061220 US061220 US135100 US135100 UR827470 US135100 US135100 UI547100 US135100 UR867220 VH340400 US063100 US135100 US135100 US135100 US061470 US062100 US135100 US135100 UR838220 UR838220 UR847470 UR847470 US135100 US135100 UR847470 US135100 US135100 VB389900 - - VB390400 VB390300 VF283100 VB390800 PART NO. REM REM 1/6 REM 2/6 REM 3/6 REM 4/6 REM 5/6 REM 6/6 REM REM 1/6 REM 2/6 REM 3/6 REM 4/6 REM 5/6 REM 6/6 PRO R3 0.1000 25V Z 0.1000 25V Z 330.00 25.0V 0.1000 25V Z 0.1000 16V Z 1500P 50V K 0.1000 16V Z 1500P 50V K 470.00 16.0V 470.00 16.0V 0.1000 25V Z 0.1000 16V Z 0.1000 16V Z 470P 50V J 0.1000 16V Z 22P 50V J 22P 50V J 0.1000 16V Z 0.1000 16V Z 47.00 10.0V 0.1000 16V Z 0.1000 16V Z 10.00 25.0V 0.1000 16V Z 22.00 50.0V 330.00 25.0V 1000P 50V K 0.1000 16V Z 0.1000 16V Z 0.1000 16V Z 47P 50V J 100P 50V J 0.1000 16V Z 0.1000 16V Z 220.00 16.0V 220.00 16.0V 47.00 25.0V 47.00 25.0V 0.1000 16V Z 0.1000 16V Z 47.00 25.0V 0.1000 16V Z 0.1000 16V Z PH 3P TE SAN&51021 5P PH 8P TE PH 7P TE PH 13P TE PH 12P TE RC-SREV1 (V582610)(XY817B0) (XY817B0) (XY817B0) (XY817B0) (XY817B0) (XY817B0) (XY817B0) (V582610)(XY817B0) (XY817B0) (XY817B0) (XY817B0) (XY817B0) (XY817B0) (XY817B0) BYPASS (V733240) (V738550) BYPASS,PROGRAM,P.-MAIN, P.-FINE,UTILITY,-1/DEC, +1/INC,CURSOR,ENTER (V700120) REMARKS 12 QTY RANK * * * * * * * * * * * * 03 01 01 01 01 01 01 01 01 01 01 01 01 01 01 01 01 01 01 01 01 01 01 01 01 01 01 01 01 01 01 01 01 01 01 01 01 01 01 01 01 01 01 01 01 01 01 01 01 ELECTRICAL PARTS *: New Parts RANK: Japan only www. xiaoyu163. com QQ 376315150 9 9 2 8 9 4 2 9 8 TEL 13942296513 9 9 2 8 9 4 2 9 8 0 5 1 5 1 3 6 7 3 Q Q TEL 13942296513 QQ 376315150 892498299 TEL 13942296513 QQ 376315150 892498299 http://www.xiaoyu163.com RC-SREV1 5 Connector Base Post Connector, FFC Connector, FFC Connector, D-Sub Connector Assembly Connector Base Post Connector Assembly Connector Assembly Connector Assembly Connector Assembly Connector Assembly Connector Assembly Connector, FFC Diode Diode Diode Diode Diode Diode Diode Encoder LC Filter LC Filter LC Filter LC Filter IC IC IC IC IC IC IC IC IC IC IC IC IC IC IC IC IC IC IC IC IC IC IC IC IC IC DC-IN Jack Terminal Plate Switch Panel Choke Coil Coil LED LED LED LED LED LED LED LED LED Carbon Resistor (chip) Carbon Resistor (chip) Carbon Resistor (chip) Carbon Resistor (chip) Carbon Resistor (chip) DESCRIPTION CN11 CN13 CN14 CN17 CN18 CN20 CN109 CN110 CN111 CN203 CN206 CN208 CN213 D1 D2 D3 -6 D7 D8 -11 EC201 EM1 -4 EM5 -8 IC1 IC2 IC4 IC5 IC6 IC7 IC8 IC9 IC10 IC11 IC12 IC13 IC14 IC14 IC15 IC15 IC16 IC18 IC19 IC23 IC24 IC26 IC101 -104 IC105 IC106 JK4 K1 K2 L1 L2 LD201 LD202 LD203 LD204 LD205 LD206 LD207 LD208 LD211 R1 R2 R3 R4 R5 REF NO. VB390200 VQ047200 VQ047300 V6164700 - - LB918040 - - - - - - - - - - - - VQ044400 V2320300 V2320300 VT332900 VT332900 VP974300 VT332900 VT332900 VR021100 FZ007070 FZ007070 FZ006920 FZ006920 XT442A00 XW104A00 XT619A00 XZ782A00 XU147A00 XV976A00 XV976A00 XZ388A00 XY353A00 XY353A00 XY766A00 XS721A00 XY198A00 XH233A00 XY198A00 XH233A00 XY938A00 XW701A00 XW107A00 XY153A00 XP226A00 XY938A00 XF557A00 XF557A00 XW617A00 XW617A00 VJ207400 VC719300 VP050400 VH746100 V4678200 VZ533800 VZ533800 VZ533800 VZ533800 VZ533800 VZ533800 VZ533800 VZ533800 V5295900 RD354100 RD354100 RD355150 RD356100 RD356100 PART NO. PH 6P TE 52045 9P TE 52045 12P TE 17LE-23090-27(D40) SAN&BH 2P XH 4P TE SAN&PH 13P 140L SAN&PH 12P 200L SAN&PH 6P 160L SAN&PH 3P 100L SAN&PH 8P 200L 7P 160mm B&C 2mm 52044 9P SE RK33 RK33 1SS355 TE-17 1SS355 TE-17 D3S6M-4002 1SS355 TE-17 1SS355 TE-17 EC16B242040SA LS MT X222MB LS MT X222MB LS MT B271KB LS MT B271KB SI-8050S MM74HC14SJX SN75179BPSR MBM29F800BA-70PFTN HD6417014F28 M5M51008CFP-70H M5M51008CFP-70H W24257S-70LL-EL10 MM74HC138SJX MM74HC138SJX SED1353F-0A UPC78L05T MM74HC273SJX SN74HC273NSR MM74HC273SJX SN74HC273NSR TC74ACT174F CE-3101-T MM74HC245ASJX MM74HC74ASJX IC-PST591DMT TC74ACT174F TA7291S TA7291S NJM7810DLA NJM7810DLA 16V DC 3A HEC2305 P-424 IFB485 PLT09H-2003R 20uH HP-022Z 180uH SLR-325VRT31(TA) SLR-325VRT31(TA) SLR-325VRT31(TA) SLR-325VRT31(TA) SLR-325VRT31(TA) SLR-325VRT31(TA) SLR-325VRT31(TA) SLR-325VRT31(TA) SLP-253B Green 10 63M J 10 63M J 150 63M J 1.0K 63M J 1.0K 63M J REMOTE (V700110) (V684060) (V684140) (V652810) (VM85710) (VP91350) (VY91480) PARAMETER REGULATOR +5V SWITCH INVERTER LINE DRIVER FLASH ROM 8M CPU SRAM 1M SRAM 1M VRAM 256K DECODER DECODER LCD CONTROLLER REGULATOR +5V D-FF D-FF DC-DC CONVERTER BUFFER D-FF SYSTEM RESET D-FF MOTOR DRIVER MOTOR DRIVER REGULATOR +10V REGULATOR +10V DC 12V IN INPUT CLIP CH1 INPUT CLIP CH2 INPUT CLIP CH3 INPUT CLIP CH4 OUTPUT CLIP CH1 OUTPUT CLIP CH2 OUTPUT CLIP CH3 OUTPUT CLIP CH4 BYPASS REMARKS QTY RANK * * * * * * 01 01 02 01 01 01 01 01 01 03 01 01 04 01 01 01 01 05 01 05 09 07 07 02 02 01 03 03 03 03 09 03 01 03 03 03 02 02 01 01 11 04 05 01 01 01 01 01 01 01 01 01 01 01 01 01 01 *: New Parts RANK: Japan only www. xiaoyu163. com QQ 376315150 9 9 2 8 9 4 2 9 8 TEL 13942296513 9 9 2 8 9 4 2 9 8 0 5 1 5 1 3 6 7 3 Q Q TEL 13942296513 QQ 376315150 892498299 TEL 13942296513 QQ 376315150 892498299 http://www.xiaoyu163.com RC-SREV1 6 Carbon Resistor (chip) Carbon Resistor (chip) Carbon Resistor (chip) Carbon Resistor (chip) Carbon Resistor (chip) Carbon Resistor (chip) Carbon Resistor (chip) Carbon Resistor (chip) Carbon Resistor (chip) Carbon Resistor (chip) Carbon Resistor (chip) Carbon Resistor (chip) Carbon Resistor (chip) Carbon Resistor (chip) Carbon Resistor (chip) Carbon Resistor (chip) Carbon Resistor (chip) Carbon Resistor (chip) Carbon Resistor (chip) Carbon Resistor (chip) Carbon Resistor (chip) Carbon Resistor (chip) Carbon Resistor (chip) Carbon Resistor (chip) Carbon Resistor (chip) Carbon Resistor (chip) Carbon Resistor (chip) Carbon Resistor (chip) Carbon Resistor (chip) Carbon Resistor (chip) Carbon Resistor (chip) Carbon Resistor (chip) Carbon Resistor (chip) Carbon Resistor (chip) Carbon Resistor (chip) Metal Oxide Film Resistor Metal Oxide Film Resistor Carbon Resistor (chip) Carbon Resistor (chip) Resistor Array Resistor Array Resistor Array Resistor Array Switch Push Switch Tact Switch Tact Switch Tact Switch Tact Switch Tact Switch Tact Switch Tact Switch Tact Switch Tact Switch Tact Switch Tact Switch Tact Switch Transistor Transistor Rotary Variable Resistor Rotary Variable Resistor Slide Pot., Motor Drive Slide Pot., Motor Drive Slide Pot., Motor Drive Slide Pot., Motor Drive Quartz Crystal Unit LCD Power Inverter Unit DESCRIPTION R6 -8 R9 R10 R11 R12 R14 R15 R16 R17 R18 -21 R22 R24 R25 R26 R27 R34 R36 -43 R44 R45 R46 R47 R48 -51 R52 R101 -108 R109 -112 R113 -116 R117 -120 R121 -124 R125 -128 RA1 -4 RA5 -12 SW1 SW2 SW201 SW202 SW203 SW204 SW205 SW206 SW207 SW208 SW209 SW210 SW211 SW212 TR101 -108 VR1 VR2 VR101 VR102 VR103 VR104 X1 REF NO. RD357100 RD357100 RD356100 RD357100 RD356100 RD357100 RD358510 RD358510 RD357100 RD357100 RD354330 RD354330 RD357100 RD355200 RD355220 RD356300 RD357100 RD355820 RD355820 RD355820 RD357620 RD357100 RD357100 RD356470 RD354100 RD354100 RD356510 RD357100 RD357100 RD356510 RD356510 RD357150 RD357150 RD356510 RD356510 VC756300 VC756300 RD355100 RD355100 RE044330 RE044330 RE047100 RE047100 V3449700 VR044000 VV056000 VV056000 VV056000 VV056000 VV056000 VV056000 VV056000 VV056000 VV056000 VV056000 VV056000 VV056000 VD303700 VD303700 V6630100 V6630000 VZ523400 VZ523400 VZ523400 VZ523400 V3719200 V5605200 V6627900 PART NO. 10K 63M J 10K 63M J 1.0K 63M J 10K 63M J 1.0K 63M J 10K 63M J 510K 63M J 510K 63M J 10K 63M J 10K 63M J 33 63M J 33 63M J 10K 63M J 200 63M J 220 63M J 3.0K 63M J 10K 63M J 820 63M J 820 63M J 820 63M J 62K 63M J 10K 63M J 10K 63M J 4.7K 63M J 10 63M J 10 63M J 5.1K 63M J 10K 63M J 10K 63M J 5.1K 63M J 5.1K 63M J 15K 63M J 15K 63M J 5.1K 63M J 5.1K 63M J 10.0 2W J 10.0 2W J 100 63M J 100 63M J 33X4 33X4 10KX4 10KX4 SDDJE1-R-1 SKQDAA SKQNAE025A SKQNAE025A SKQNAE025A SKQNAE025A SKQNAE025A SKQNAE025A SKQNAE025A SKQNAE025A SKQNAE025A SKQNAE025A SKQNAE025A SKQNAE025A 2SC3326 A,B TE85R 2SC3326 A,B TE85R B10K B10K B10K B10K 6.7584MHz SMD-49 LM320191 CXA-L0605-VJL POWER ON/OFF BYPASS PROGRAM PARAMETER MAIN PARAMETER FINE UTILITY -1/DEC +1/INC CURSOR UP CURSOR LEFT CURSOR RIGHT CURSOR DOWN ENTER LCD BRIGHT LCD CONT Fader Fader Fader Fader REMARKS QTY RANK * * * * * * 01 01 01 01 01 01 01 01 01 01 01 01 01 01 01 01 01 01 01 01 01 01 01 01 01 01 01 01 01 01 01 01 01 01 01 01 01 01 01 01 03 01 01 01 01 01 01 01 01 01 01 01 01 01 01 01 08 08 08 08 03 23 *: New Parts RANK: Japan only www. xiaoyu163. com QQ 376315150 9 9 2 8 9 4 2 9 8 TEL 13942296513 9 9 2 8 9 4 2 9 8 0 5 1 5 1 3 6 7 3 Q Q TEL 13942296513 QQ 376315150 892498299 TEL 13942296513 QQ 376315150 892498299 http://www.xiaoyu163.com 1 2 3 4 5 6 7 8 9 10 11 12 A B C D E F G H I J K L M N O P Q 1 2 3 4 5 6 7 8 9 10 11 12 A B C D E F G H I J K L M N O P Q SREV1 SREV1 38CC1-8817875 3 SREV1 SREV1 OVERALL CIRCUIT DIAGRAM 1/3 (CPU) CPU to Power Supply Unit -CN6 to SUB4/4 -CN802 to SUB1/4 -CN706 to Power Supply Unit-CN5 FAN FAN to CD-ROM - CN903 to CD-ROM - CN902 to SUB2/4-CN601 to CNV-CN3 to CNV-CN3 (DB-SREV1) to SUB3/4-CN801 to CNV-CN2 to CNV-CN2 (DB-SREV1) to SUB2/4-CN602 to PCM-CN503 to PCM-CN502 REGULATOR 1.25V SYSTEM RESET CPU CLOCK BUFFER SIO4 BUFFER BUFFER REGULATOR LINE DRIVER/ RECEIVER LINE DRIVER LINE RECEIVER Photo Coupler INVERTER TRANSCEIVER TRANSCEIVER TRANSCEIVER INVERTER BUFFER FPGA OR TRANSCEIVER INVERTER D-FF OR OR TRANSCEIVER PCMCIA POWER INTERFACE SW TRANS- CEIVER TRANS- CEIVER BUFFER BUFFER TRANSCEIVER TRANS- CEIVER TRANS- CEIVER TRANS- CEIVER BUFFER BUFFER BUFFER BUFFER BUFFER BUFFER DECODER D-FF D-FF BUFFER BUFFER D-FF DIR2 MULTIPLEXER D-FF OR DECODER OR DIR5 (2) BUFFER BUFFER INVERTER DIR5 (1) LINE DRIVER/ RECEIVER COUNTER LINE RECEIVER DIT2 (2) DIT2 (1) DECODER BUFFER BUFFER BUFFER DSP6 (1) BUFFER BUFFER AND SDRAM SRAM FLASH ROM SRAM SDRAM not installed Note : See parts list for details of circuit board component parts : Ceramic Capacitor : Metal Oxide Film Resistor 1 WORD CLOCK IN IN OUT DIGITAL(AES/EBU) 2 1 2 DRAM DRAM DRAM DRAM DSP6 (2) MIDI SERIAL REMOTE (to P-1) RESET Lithium Battery (to P-1) (to L-1) (to P-1) (to P-1) (to P-1) to CD-ROM Power (V3125300) (V5789100) CF CARD MEMORY (to E-8) (to D-2) (to D-2) (to F-1) (to C-9) (to D-2) (to E-8) Battery V6696288 Notice for back-up battery removal Remove the solder; remove the back-up battery. Verwijder het soldeertin, verwijder daama de batterij. + _ BTK BTK w w w . x i a o y u 1 6 3 . c o m Q Q 3 7 6 3 1 5 1 5 0 9 9 2 8 9 4 2 9 8 T E L 1 3 9 4 2 2 9 6 5 1 3 9 9 2 8 9 4 2 9 8 0 5 1 5 1 3 6 7 3 Q Q TEL 13942296513 QQ 376315150 892498299 TEL 13942296513 QQ 376315150 892498299 http://www.xiaoyu163.com 1 2 3 4 5 6 7 8 9 10 11 12 A B C D E F G H I J K L M N O P Q 1 2 3 4 5 6 7 8 9 10 11 12 A B C D E F G H I J K L M N O P Q SREV1 SREV1 38CC1-817877 2 SREV1 SREV1 OVERALL CIRCUIT DIAGRAM 2/3 (CNV) CNV Note : See parts list for details of circuit board component parts : Ceramic Capacitor CNV3 DSP CNV3 DSP CNV3 DSP CNV3 DSP CNV3 DSP CNV3 DSP CNV3 DSP CNV3 DSP CNV3 DSP CNV3 DSP CNV3 DSP CNV3 DSP CNV3 DSP CNV3 DSP CNV3 DSP CNV3 DSP CNV3 DSP CNV3 DSP CNV3 DSP CNV3 DSP CNV3 DSP CNV3 DSP CNV3 DSP CNV3 DSP CNV3 DSP CNV3 DSP CNV3 DSP CNV3 DSP CNV3 DSP CNV3 DSP CNV3 DSP CNV3 DSP BUFFER BUFFER BUFFER BUFFER BUFFER BUFFER BUFFER BUFFER BUFFER BUFFER BUFFER BUFFER BUFFER DECODER DECODER DECODER DECODER DECODER to CPU-CN122, CPU-CN118 (DB-SREV1) to CPU-CN123, CPU-CN119 (DB-SREV1) to Power Supply Unit -CN3, Power Supply Unit -CN4(DB-SREV1) (to I-10) TC74VHC245T TC74VHC245T } (to B-10) w w w . x i a o y u 1 6 3 . c o m Q Q 3 7 6 3 1 5 1 5 0 9 9 2 8 9 4 2 9 8 T E L 1 3 9 4 2 2 9 6 5 1 3 9 9 2 8 9 4 2 9 8 0 5 1 5 1 3 6 7 3 Q Q TEL 13942296513 QQ 376315150 892498299 TEL 13942296513 QQ 376315150 892498299 http://www.xiaoyu163.com 1 2 3 4 5 6 7 8 9 10 11 12 A B C D E F G H I J K L M N O P Q 1 2 3 4 5 6 7 8 9 10 11 12 A B C D E F G H I J K L M N O P Q SREV1 SREV1 SREV1 SREV1 OVERALL CIRCUIT DIAGRAM 3/3 (CD-ROM, PCM, SUB1/4, SUB2/4, SUB3/4, SUB4/4 ) CD-ROM PCM SUB1/4 SUB2/4 SUB3/4 SUB4/4 Power Supply Unit CN2 CN7 CN6 to CPU-CN101 to CPU-CN115 to CNV-CN1 to CNV-CN1(Option) CN5 CN3 CN4 CN1 to CPU-CN120 to CPU-CN121 Power Transformer to CPU-CN301 to CPU-CN124 POWER OFF to CPU-CN117 to CPU-CN109 to CPU-CN111 MEMORY CARD indicator CD-ROM MEMORY CARD (PCMCIA) from CPU-CN107 38CC1-8817875 1 38CC1-8817875 38CC1-8817876-4 38CC1-8817876-4 to CPU-CN114 to CPU-CN113 Note : See parts list for details of circuit board component parts ON REGULATOR +5V REGULATOR +5V REGULATOR –5V REGULATOR +15V 38CC1-8817876-2 AC INLET FG 38CC1-8817876-3 1 2 1 1 CH1 CH2 CH3 CH4 CH1 CH2 CH3 CH4 CH1 CH2 CH3 CH4 CH1 CH2 CH3 CH4 INPUT SIGNAL OUTPUT SIGNAL FS LOCK 44.1K POWER indicator FS LOCK 48K OUTPUT CLIP INPUT CLIP D601 IFWJ43N SLOT2 SLOT1 1 : Capacitor TO SERVICE PERSONNEL Critical Components Infomation Components having special characteristics are marked and must be replaced with parts having specifications equel to those originally installed. NJM7815FA(XD853A00) REGULATOR +15V 1 2 3 1: OUTPUT 2: COMMON 3: INPUT NJM7915FA(XD854A00) REGULATOR -15V 1 2 3 1: OUTPUT 2: INPUT 3: COMMON NJM7805FA(XJ607A00) REGULATOR +5V 1 2 3 1: OUTPUT 2: COMMON 3: INPUT NJM7905FA(XK309A00) REGULATOR -5V 1 2 3 1: OUTPUT 2: INPUT 3: COMMON 1: ADJ/GND 2: OUT 3: IN 1 2 3 TAB IS VOUT GND OUT CAP– V+ CAP+ SD LT1117CST (XW818A00) REGULATOR +1.25V LM2664M6X (XY068A) REGULATOR SIVB20 1.0A 200V (VQ379300) DIODE STACK w w w . x i a o y u 1 6 3 . c o m Q Q 3 7 6 3 1 5 1 5 0 9 9 2 8 9 4 2 9 8 T E L 1 3 9 4 2 2 9 6 5 1 3 9 9 2 8 9 4 2 9 8 0 5 1 5 1 3 6 7 3 Q Q TEL 13942296513 QQ 376315150 892498299 TEL 13942296513 QQ 376315150 892498299 http://www.xiaoyu163.com MM74HC273SJX 12 11 10 9 8 7 6 5 4 3 2 1 A B C D E F G H I J K L M N O P Q 12 11 10 9 8 7 6 5 4 3 2 1 A B C D E F G H I J K L M N O P Q RC-SREV1 RC-SREV1 RC-SREV1 RC-SREV1 OVERALL CIRCUIT DIAGRAM (REM1/6, REM2/6, REM3/6, REM4/6, REM5/6, REM6/6) REM 4/6 REM 1/6 38CC1-8817903-5 REM 3/6 REM 5/6 M M M M REM 2/6 38CC1-8817903-3 2 38CC1-8817903-2 4 REM 6/6 38CC1-8817903-7 LCD Power Inverter Unit Note : See parts list for details of circuit board component parts : Ceramic Capacitor INVERTER REGULATOR +5V CPU D-FF D-FF D-FF DECODER SYSTEM RESET DECODER LCD CONTROLLER D-FF BUFFER DC-DC CONVERTER SRAM SRAM SRAM FLASH ROM D-FF LINE DRIVER REGULATOR +5V SWITCH MOTOR DRIVER MOTOR DRIVER REGULATOR +10V REGULATOR +10V MOTOR DRIVER MOTOR DRIVER POWER ON OFF DC 12V IN REMOTE + – LCD BRIGHT LCD CONT +1/INC –1/DEC PARAMETER cursor ENTER BYPASS PROGRAM PARAMETER MAIN PARAMETER FINE UTILITY PARAMETER not installed ! ! CH1 CH2 CH3 CH4 CH1 CH2 CH3 CH4 INPUT CLIP OUTPUT CLIP Faders 38CC1-8817903-6 38CC1-8817903-4 TO SERVICE PERSONNEL Critical Components Infomation Components having special characteristics are marked and must be replaced with parts having specifications equel to those originally installed. 320 X 240dots SI-8050S(XT442A00) REGULATOR +5V UPC78L05T (XS721A00) REGULATOR +5V 1: V in 2: SW out 3: GND 4: V os 5: S.S 1 3 2 4 5 NJM7810DLA(XW617A00) REGULATOR +10V 1: INPUT 2: GND 3: OUTPUT 1 2 3 1: INPUT 2: GND 3: OUTPUT 1 3 2 CN2 CN1 MM74HC273SJX SN74HC273NSR SN74HC273NSR w w w . x i a o y u 1 6 3 . c o m Q Q 3 7 6 3 1 5 1 5 0 9 9 2 8 9 4 2 9 8 T E L 1 3 9 4 2 2 9 6 5 1 3 9 9 2 8 9 4 2 9 8 0 5 1 5 1 3 6 7 3 Q Q TEL 13942296513 QQ 376315150 892498299 TEL 13942296513 QQ 376315150 892498299 http://www.xiaoyu163.com

标签:

版权声明

1. 本站所有素材,仅限学习交流,仅展示部分内容,如需查看完整内容,请下载原文件。
2. 会员在本站下载的所有素材,只拥有使用权,著作权归原作者所有。
3. 所有素材,未经合法授权,请勿用于商业用途,会员不得以任何形式发布、传播、复制、转售该素材,否则一律封号处理。
4. 如果素材损害你的权益请联系客服QQ:77594475 处理。