康佳液晶MST721(35014125)主板电路图

分类:电子电工 日期: 点击:0
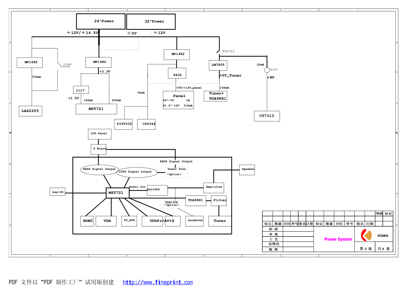
康佳液晶MST721(35014125)主板电路图-0 康佳液晶MST721(35014125)主板电路图-1 康佳液晶MST721(35014125)主板电路图-2 康佳液晶MST721(35014125)主板电路图-3 康佳液晶MST721(35014125)主板电路图-4 康佳液晶MST721(35014125)主板电路图-5 康佳液晶MST721(35014125)主板电路图-6 康佳液晶MST721(35014125)主板电路图-7 康佳液晶MST721(35014125)主板电路图-8 康佳液晶MST721(35014125)主板电路图-9

PDF 文件以 "PDF 制作工厂" 试用版创建 http://www.fineprint.com PDF 文件以 "PDF 制作工厂" 试用版创建 http://www.fineprint.com 5 5 4 4 3 3 2 2 1 1 D D C C B B A A 标记 数量 等级 标记 批 准 标准化 工 艺 审 核 拟 制 签名日期 分区单号 数量 签名 单号 分区 标记 日期 第 张 共 张 KONKA Power System 9 0 标记 数量 等级 标记 批 准 标准化 工 艺 审 核 拟 制 签名日期 分区单号 数量 签名 单号 分区 标记 日期 第 张 共 张 KONKA Power System 9 0 标记 数量 等级 标记 批 准 标准化 工 艺 审 核 拟 制 签名日期 分区单号 数量 签名 单号 分区 标记 日期 第 张 共 张 KONKA Power System 9 0 26"Power MP1482 +12V/+14.5V 1117 +1.2V MST721 +5V_Tuner Tuner+ Panel 9435 TDA9881 +9V CT7313 LA42205 160mA 310mA 21.6"-12V 26"-5V 1A LM7805 180mA 250mA CS4344 50mA HDMI VGA PC_AUD YPbPr+AV+S earphone Tuner MST721 RSDS Signal Output LVDS Signal Output Panel Tcon (Option) X Board LCD Panel RSDS Signal Output Audio Out RS15900 TDA1308 (Option) Amplifier Speaker PI5V330 25mA 700mA key+IR Filter TDA9881 +5V/+12V_panel 3CG751 MP1482 MP1482 +3.3V 32"Power +12V +5V 12V电源 时短接 稳压管 PDF 文件以 "PDF 制作工厂" 试用版创建 http://www.fineprint.com 5 5 4 4 3 3 2 2 1 1 D D C C B B A A BLON PWM 5VSTBIN POWER-ON/OFF-INV VCC12VIN VCC12VIN PWM BLON POWER-ON/OFF-INV VCC1.2V +3.3V_MST VCC12V +5V_all +3.3V_MST VCC-Panel VCC12V +5V_all +5V_Panle VCC12V AGND +12V_all +12V_all +5V_Tuner AGND AGND AGND AGND AGND AGND AGND AGND VCC12V VCC12V +3.3V_MST AGND 5VSTB_IN 5VSTB_IN +5V_all +3.3V_MST VDD33 V5V VCC-Panel VCC-Panel AGND +5V_Panle +5V_Panle AGND AGND AGND +3.3V_MST BRI_ADJ BRI_ON/OFF PANEL-ON/OFF POWER-ON/OFF POWER-ON/OFF POWER-ON/OFF OPC_EN 标记 数量 等级 标记 批 准 标准化 工 艺 审 核 拟 制 签名日期 分区单号 数量 签名 单号 分区 标记 日期 第 张 共 张 KONKA system power 9 1 标记 数量 等级 标记 批 准 标准化 工 艺 审 核 拟 制 签名日期 分区单号 数量 签名 单号 分区 标记 日期 第 张 共 张 KONKA system power 9 1 标记 数量 等级 标记 批 准 标准化 工 艺 审 核 拟 制 签名日期 分区单号 数量 签名 单号 分区 标记 日期 第 张 共 张 KONKA system power 9 1 电流250mA R1 更改为小电容 电流150mA 注意散热 电 源 输 入 接 口 FOR 220W POWER ~240mA R833 NC/1K R833 NC/1K C870 10uF C870 10uF + C813 470uF/25V + C813 470uF/25V C862 0.1u C862 0.1u 1 2 L813 0805_3A L813 0805_3A R819 390K R819 390K 1 2 3 V801 2N3904 V801 2N3904 C839 0.1uF C839 0.1uF 3 2 1 4 ADJ OUT IN N804 AMS1117-ADJ ADJ OUT IN N804 AMS1117-ADJ C836 0.1uF C836 0.1uF 3 2 1 GND IN OUT N803 LM7805 GND IN OUT N803 LM7805 R810 4.7K R810 4.7K + C826 220uF/16V + C826 220uF/16V C957 3.3nF C957 3.3nF + C833 220uF/16V + C833 220uF/16V C931 NC/180pF C931 NC/180pF + C845 220uF/16V + C845 220uF/16V R802 1K R802 1K C803 0.1uF C803 0.1uF 1 2 L810 0805_2A L810 0805_2A R828 10K_DNS R828 10K_DNS R832 10K R832 10K C863 0.1uF C863 0.1uF R806 4.7K R806 4.7K R835 0R R835 0R C953 0.1uF C953 0.1uF R829 12K_1% R829 12K_1% 1 2 FB834 0R FB834 0R 1 2 L814 L814 1 2 L818_NC L818_NC C801 0.1uF C801 0.1uF + C848 NC/470uF + C848 NC/470uF C841 0.1uF C841 0.1uF 1 2 L818 L818 1 2 L840 0R L840 0R + C822 47uF/16V + C822 47uF/16V R825 220K R825 220K C853 10uF C853 10uF + C948 NC/470uF + C948 NC/470uF C959 10uF C959 10uF 1 2 L819 L819 1 2 L815 L815 R821 100K R821 100K OUT 2 IN 3 GND 1 TAB 4 U813 AP1117E33 U813 AP1117E33 1 2 3 V807 2N3904 V807 2N3904 R812 10K R812 10K R855 10K R855 10K R830 4.7K R830 4.7K 1 2 L811 0805_2A L811 0805_2A R820 4.7K R820 4.7K R822 4.7K R822 4.7K C812 0.1uF C812 0.1uF C854 10uF C854 10uF C962 10uF C962 10uF R841 10K_DNS R841 10K_DNS R805 100R R805 100R C835 0.1uF C835 0.1uF + C821 47uF/16V + C821 47uF/16V F802 5A F802 5A 1 2 L830 300_ohm_2A L830 300_ohm_2A 1 2 3 V808 2N3904 V808 2N3904 F803 F3A/32V_DNS F803 F3A/32V_DNS 1 2 L812 0603_600mA L812 0603_600mA C816 0.01uF C816 0.01uF C946 0.1u C946 0.1u R836 10K R836 10K + C878 47uF/16V + C878 47uF/16V R801 1K R801 1K 1 2 3 4 5 XS806 B5P-VH XS806 B5P-VH R862 10K R862 10K V812 PMBT3904 V812 PMBT3904 S 1 S 2 S 3 G 4 D 8 D 7 D 6 D 5 N802 NC/9435A N802 NC/9435A R824 NC R824 NC R853 10K_DNS R853 10K_DNS C947 470pF C947 470pF R856 NC/0 R856 NC/0 C819 NC/180pF C819 NC/180pF R1 4.7K R1 4.7K C837 0.1uF C837 0.1uF C827 0.1uF C827 0.1uF 1 2 3 V806 2N3904 V806 2N3904 C876 0.1uF C876 0.1uF C830 0.1uF C830 0.1uF 1 2 L816 L816 1 2 L850 0805_2A L850 0805_2A + C828 100uF/16V + C828 100uF/16V 1 2 3 4 5 XS807 4_pin or 5_pin_2mm_dns XS807 4_pin or 5_pin_2mm_dns 1 2 3 V809 2N3904 V809 2N3904 R809 1K R809 1K R826 47K R826 47K 1 2 3 V804 2N3904 V804 2N3904 1 2 3 V811 MMBT3904_DNS V811 MMBT3904_DNS R860 2.2K R860 2.2K VD804 NC/FM5820 VD804 NC/FM5820 R842 100R_DNS R842 100R_DNS C840 0.1uF C840 0.1uF V810 3CG751 V810 3CG751 R877 100K R877 100K 1 2 FB839 0R FB839 0R R827 82K R827 82K R831 10K R831 10K L842 10uH L842 10uH + C831 47uF/16V + C831 47uF/16V + C832 100uF/16V + C832 100uF/16V C857 10uF C857 10uF 1 2 L817 L817 R817 100K R817 100K R2 4.7K R2 4.7K R815 10K R815 10K R953 10 R953 10 C875 0.33uF C875 0.33uF 1 2 FB838 0R FB838 0R IN 2 GND 4 BS 1 FB 5 COMP 6 EN 7 SS 8 SW 3 N801 MP1482DS N801 MP1482DS L821 10uH L821 10uH C949 10uF C949 10uF C861 10nF C861 10nF C809 0.1uF C809 0.1uF R816 NC/1K R816 NC/1K 1 2 L832 300_ohm_2A L832 300_ohm_2A C808 2.2uF C808 2.2uF C858 10uF C858 10uF R3 4.7K R3 4.7K + C823 1000uF/16V + C823 1000uF/16V 1 2 3 4 5 6 XS801 XS801 BS 1 SW 3 IN 2 SS 8 EN 7 FB 5 COMP 6 GND 4 N809 MP1482/MP2307 N809 MP1482/MP2307 C960 10uF C960 10uF C838 0.1uF C838 0.1uF D 3 1 G S 2 V805 PMV65XP/NC V805 PMV65XP/NC C817 3300pF C817 3300pF C954 10uF C954 10uF R823 0R R823 0R C877 0.1uF C877 0.1uF PDF 文件以 "PDF 制作工厂" 试用版创建 ÿÿÿÿ ÿ � 5 5 4 4 3 3 2 2 1 1 D D C C B B A A MUTE_1 AMP-ON/OFF HP_MUTE AMP-Lin AMP-Rin AMP-Lin AMP-L OP_VCC1 OP_VCC1 AMP-Rin AMP-R R+ L+ AMP-L AMP-R L+ R+ MUTE PH-Rout PH-Lout MUTE PH-Lout PH-Rout MUTE_HP HP_MUTE HD1_Pr MUTE_1 AMP-ON/OFF +9.5V/+12V__AMP +9.5V/+12V__AMP 12VA_MUTE 2.5VBuf1 +5V_all +3.3V_MST +5V_all +9.5V/+12V__AMP VCC12V VCC12V +9.5V/+12V__AMP 12VA_MUTE +V_SED AMP-L P_2 AMP-R P_2 AMP_MUTE POWER-ON/OFF 5V_SCL 5V_SDA Pr 标记 数量 等级 标记 批 准 标准化 工 艺 审 核 拟 制 签名日期 分区单号 数量 签名 单号 分区 标记 日期 第 张 共 张 KONKA 汪繁 MST6M16GS 10 1 标记 数量 等级 标记 批 准 标准化 工 艺 审 核 拟 制 签名日期 分区单号 数量 签名 单号 分区 标记 日期 第 张 共 张 KONKA 汪繁 MST6M16GS 10 1 标记 数量 等级 标记 批 准 标准化 工 艺 审 核 拟 制 签名日期 分区单号 数量 签名 单号 分区 标记 日期 第 张 共 张 KONKA 汪繁 MST6M16GS 10 1 off 0-0.5V Mute on 1.5-3.0V STB 0-0.5V ON 2.5-Vcc MUTE=H, ON=L STANDBY: L+ L- 200-299 R+ R- Audio In 8欧姆,5W LA42205 MUTE_L MUTE_H MUTE Control R477 有侧端耳机取消 R477 无侧端耳机贴0欧 Vout=0.923*(1+R1/R2) 5v:R1/R2=4.42 R2=75K,5V=5.12V R2=91K,5V=5.0V 散热片 R935 10K R935 10K 2 4 5 1 6 10 8 9 3 7 XS602 HP-RV2 XS602 HP-RV2 C907 0.47u C907 0.47u R911 10K R911 10K R929 4.7K R929 4.7K R921 4.7,0805 R921 4.7,0805 C903 0.1uF C903 0.1uF R902 47 R902 47 C908 0.47u C908 0.47u + C911 10uF/25V + C911 10uF/25V 3 2 1 8 4 - + N901A 4558 - + N901A 4558 + C951 NC/470uF + C951 NC/470uF C855 10uF C855 10uF VD905 1N4148 VD905 1N4148 R932 10K R932 10K V900 3904 V900 3904 C932 NC/180pF C932 NC/180pF R930 12K/NC R930 12K/NC R901 47 R901 47 C900 0.1u C900 0.1u 1 2 3 XS900A 2507-3A XS900A 2507-3A R946 100 R946 100 R900 0 R900 0 VD904 1N4148 VD904 1N4148 VD902 1N4148 VD902 1N4148 BS 1 SW 3 IN 2 SS 8 EN 7 FB 5 COMP 6 GND 4 N810 MP1482/MP2307 N810 MP1482/MP2307 R933 470K R933 470K 1 2 3 V908 3904 V908 3904 C958 3.3nF C958 3.3nF 5 6 7 8 4 - + N901B 4558 - + N901B 4558 C909 1nF C909 1nF R914 0 R914 0 R909 NC/47K R909 NC/47K 1 3 2 C C D ESD VD903 PESD3V3L2BT C C D ESD VD903 PESD3V3L2BT C915 68nF,0805 C915 68nF,0805 C865 0.1u C865 0.1u R940 22K R940 22K R922 NC/47K R922 NC/47K 3 1 2 V611 BAT54C V611 BAT54C C955 0.1uF C955 0.1uF R944 100 R944 100 1 2 L831 300_ohm_2A L831 300_ohm_2A 1 2 3 V904 3904 V904 3904 R939 NC/100 R939 NC/100 1 2 3 V907 3904 V907 3904 C930 1nF C930 1nF R916 10k R916 10k R917 10k_NC R917 10k_NC C856 10uF C856 10uF + C904 100uF/25V + C904 100uF/25V 1 2 FB837 0R FB837 0R VD901 1N4148 VD901 1N4148 VD805 NC/FM5820 VD805 NC/FM5820 C924 0.1uF C924 0.1uF R913 33K R913 33K L902 FB L902 FB R926 4.7,0805 R926 4.7,0805 C921 10uF C921 10uF C961 10uF C961 10uF +C901 470uF/25V +C901 470uF/25V R937 220K R937 220K L843 10uH L843 10uH 1 2 L903 FB 0603 L903 FB 0603 R923 470K R923 470K 1 2 3 V906 3904 V906 3904 C912 10uF C912 10uF C925 0.1uF C925 0.1uF C923 10uF C923 10uF R936 220K R936 220K R924 33K R924 33K R941 NC/10 R941 NC/10 R903 33K R903 33K C902 0.1u C902 0.1u C920 100pF C920 100pF R813 10K R813 10K C910 100pF C910 100pF C952 10uF C952 10uF R928 100 R928 100 C950 0.1u C950 0.1u R920 10K R920 10K R927 4.7K_NC R927 4.7K_NC C928 0.1uF C928 0.1uF R925 4.7,0805 R925 4.7,0805 C927 0.1uF C927 0.1uF R907 2.2k R907 2.2k R861 2.2K R861 2.2K GND3(H.S) 1 Vcc 9 -OUT1 13 +OUT2 10 GND1(PWR) 11 -OUT2 12 +OUT1 14 GND4(H.S) 15 GND2(PRE) 4 STBY 6 NC 8 IN1 3 MUTE 7 IN2 5 RF 2 N900 LA42205 N900 LA42205 R904 33K R904 33K R905 10K R905 10K R906 NC/100R R906 NC/100R + C917 100uF/16V + C917 100uF/16V + C922 NC/10uF/16V + C922 NC/10uF/16V R863 10K R863 10K R931 12K/NC R931 12K/NC C918 68nF,0805 C918 68nF,0805 1 2 3 V905 3904 V905 3904 C864 10nF C864 10nF R945 10K R945 10K V901 MMBT3906 V901 MMBT3906 1 2 3 XS901A 2507-3A XS901A 2507-3A 1 2 3 5 4 6 VD603 IP4223CZ6 VD603 IP4223CZ6 + C905 100uF/25V + C905 100uF/25V C919 68nF,0805 C919 68nF,0805 L901 FB L901 FB R942 NC/100 R942 NC/100 C914 68nF,0805 C914 68nF,0805 1 2 XS900 D2507-2A XS900 D2507-2A R943 22K R943 22K R918 10k R918 10k + C849 NC/470uF + C849 NC/470uF R934 220K R934 220K 1 2 3 4 XS200 PA_HEAT-SINK XS200 PA_HEAT-SINK C956 10uF C956 10uF R878 100K R878 100K R912 15K R912 15K C866 0.1uF C866 0.1uF C913 1uF C913 1uF C916 1nF C916 1nF C906 1uF C906 1uF R919 4.7,0805 R919 4.7,0805 1 2 XS901 D2507-2A XS901 D2507-2A C871 10uF C871 10uF R908 2.2k R908 2.2k C926 10uF C926 10uF R837 220K R837 220K PDF 文件以 "PDF 制作工厂" 试用版创建 ÿÿÿÿ ÿ � 5 5 4 4 3 3 2 2 1 1 D D C C B B A A SVIDEO-Y SVIDEO-Y Y Y Pb AV1 SVIDEO-C SVIDEO-C AV1-Lin Y Pb HD-L AV1-Rin HD-R AV1-Rin Pr Pb Y Pr CVBS-OUT CVBS-OUT CVBS-OUTR CVBS-OUTL CVBS-OUT CVBS-OUTL CVBS-OUTR +V_SED +V_SED +5V_all +5V_all AV1_VIN AV1_Lin AV1_Rin S-C S-Y HD_SOG HD_Pb HD_Pr HD_Y HD_Lin HD_Rin Pr PC_Lin PC_Rin AV-OUT AV-R-OUT AV-L-OUT 标记 数量 等级 标记 批 准 标准化 工 艺 审 核 拟 制 签名日期 分区单号 数量 签名 单号 分区 标记 日期 第 张 共 张 KONKA AVIN/OUT&S-VIDEO 9 2 标记 数量 等级 标记 批 准 标准化 工 艺 审 核 拟 制 签名日期 分区单号 数量 签名 单号 分区 标记 日期 第 张 共 张 KONKA AVIN/OUT&S-VIDEO 9 2 标记 数量 等级 标记 批 准 标准化 工 艺 审 核 拟 制 签名日期 分区单号 数量 签名 单号 分区 标记 日期 第 张 共 张 KONKA AVIN/OUT&S-VIDEO 9 2 Close to MST IC Close to MST IC Close to MST IC R624 47R R624 47R R694 15K R694 15K R655 2K R655 2K R630 2K R630 2K 1 2 3 V608 MMBT3904 V608 MMBT3904 R601 47R R601 47R C612 470pF C612 470pF C640 470pF C640 470pF R629 47K R629 47K R657 2K R657 2K + C624 10uF/16V + C624 10uF/16V 3 1 2 D618 BAV99 D618 BAV99 R665 47K R665 47K 1 2 L601 1K_Ohm_100mA L601 1K_Ohm_100mA R618 47K R618 47K C615 1000pF C615 1000pF R602 75R R602 75R 1 3 2 C C D ESD VD618 PESD3V3L2BT C C D ESD VD618 PESD3V3L2BT C613 470pF C613 470pF 1 2 3 5 4 6 VD602 IP4223CZ6 VD602 IP4223CZ6 C639 470pF C639 470pF 5 6 7 8 11 XS603B AV_AUDIO_IN XS603B AV_AUDIO_IN R660 47K R660 47K R639 2k R639 2k 1 3 2 V609 MMBT3906 V609 MMBT3906 1 1 2 2 3 3 4 4 5 5 6 6 7 7 8 8 9 9 10 10 11 12 13 14 15 15 XS802 CON XS802 CON R627 75R R627 75R R615 2K R615 2K R614 75R R614 75R C616 47nF C616 47nF R626 75R R626 75R 1 2 3 4 12 XS603A AV_AUDIO_IN XS603A AV_AUDIO_IN R621 47R R621 47R R603 47R R603 47R 3 12 2 10 8 6 5 7 9 1 11 V Y PB XS601 KON-S+AV V Y PB XS601 KON-S+AV R620 47K R620 47K 1 3 2 C C D ESD VD616 PESD3V3L2BT C C D ESD VD616 PESD3V3L2BT C620 470pF C620 470pF 1 3 2 C C D ESD VD619 PESD3V3L2BT C C D ESD VD619 PESD3V3L2BT R619 2K R619 2K C608 47nF C608 47nF R637 1.2k R637 1.2k C649 0.1uF C649 0.1uF 1 3 2 C C D ESD VD617 PESD3V3L2BT C C D ESD VD617 PESD3V3L2BT R638 1.2k R638 1.2k C606 47nF C606 47nF C617 47nF C617 47nF C610 47nF C610 47nF C619 470pF C619 470pF R604 75R R604 75R R617 2K R617 2K R623 47R R623 47R C614 47nF C614 47nF R640 75R R640 75R R616 47K R616 47K R625 75R R625 75R R611 47R R611 47R C650 10UF C650 10UF R622 470R R622 470R R693 27k R693 27k 1 2 3 5 4 6 VD601 IP4223CZ6 VD601 IP4223CZ6 PDF 文件以 "PDF 制作工厂" 试用版创建 ÿÿÿÿ ÿ � 5 5 4 4 3 3 2 2 1 1 D D C C B B A A HPD HDMI_5V DAT2+ DAT2- DAT1+ DAT1- DAT0+ DAT0- CLK- CEC CLK+ HDMI_5V CEC HPD DDC_SDA CEC DDC_SCL HPD VGA_B VGA_G VGA_R VGA_B VGA_SCL VGA_SDA VGA_G HSYNC VGA_SCL VGA_SDA HSYNC VGA_R VSYNC VSYNC HDMI_5V HDMI_5V +5V_all +3.3V_MST +5V_all +V_SED +V_SED +V_SED +V_SED +V_SED +5V_VGA +5V_all +5V_all +5V_VGA +5V_VGA+5V_VGA +V_SED +5V_all VGA_HSYNC VGA_VSYNC VGA-R- VGA-B- VGA-G- RXCKN RX2P RX2N RX1P RX1N RX0P RX0N RXCKP HDMI_SDA HDMI_SCL HOTPLUG HDMI_CEC VGA-R+ VGA-G+ VGA-B+ VGA-SOG TXD RXD DDC/HWI2C 标记 数量 等级 标记 批 准 标准化 工 艺 审 核 拟 制 签名日期 分区单号 数量 签名 单号 分区 标记 日期 第 张 共 张 KONKA VGA&HDMI 9 3 标记 数量 等级 标记 批 准 标准化 工 艺 审 核 拟 制 签名日期 分区单号 数量 签名 单号 分区 标记 日期 第 张 共 张 KONKA VGA&HDMI 9 3 标记 数量 等级 标记 批 准 标准化 工 艺 审 核 拟 制 签名日期 分区单号 数量 签名 单号 分区 标记 日期 第 张 共 张 KONKA VGA&HDMI 9 3 VGA FOR CEC LEAKAGE PROTECT ESD ESD ESD 5V SCL SDA GND DDC/HWI2C PIN98 0 1 RGB INPUT S/W UPDATE Close to MST IC 有3.3V_MST改为5V_STB R668 100R R668 100R R646 33R R646 33R R654 100R R654 100R R610 1K R610 1K R669 4.7K R669 4.7K DAT2+ 1 Dat2 Shield 2 DAT2- 3 DAT1+ 4 Dat1 Shield 5 DAT1- 6 DAT0+ 7 Dat0 Shield 8 DAT0- 9 CLK+ 10 Clk Shield 11 CLK- 12 CEC 13 NC 14 DDC SCL 15 DDC SDA 16 GND 17 +5V 18 HPD 19 Fin 20 Fin 21 Fin 22 Fin 23 XS606 CONHDMI XS606 CONHDMI R674 100R R674 100R R681 100R R681 100R R678 10K R678 10K V607 2N3904 V607 2N3904 C634 NC C634 NC 5 10 4 9 3 8 2 7 1 15 14 13 12 11 6 16 17 XS608 VGA XS608 VGA V606 2N7002 V606 2N7002 R691 22K R691 22K C635 47nF C635 47nF R692 1K_NC R692 1K_NC NC 1 NC 2 NC 3 GND 4 SDA 5 SCL 6 VCLK 7 VCC 8 N605 24C02 N605 24C02 R647 75R R647 75R R659 100R R659 100R R687 10R R687 10R R664 22K R664 22K C637 47nF C637 47nF R673 75R R673 75R R607 10K R607 10K R689 10R R689 10R IN 1 S1A 2 S2A 3 DA 4 S1B 5 S2B 6 DB 7 GND 8 DC 9 S2C 10 S1C 11 DD 12 S2D 13 S1D 14 /EN 15 VCC 16 N607 PI5V330A N607 PI5V330A 1 2 3 5 4 6 VD609 IP4223CZ6 VD609 IP4223CZ6 1 2 3 5 4 6 VD614 5V0U4D VD614 5V0U4D R671 75R R671 75R R685 10R R685 10R R658 NC R658 NC C644 NC C644 NC A0 1 A1 2 A2 3 GND 4 SDA 5 SCL 6 WP 7 VCC 8 N606 24C02 N606 24C02 R683 10R R683 10R C630 47nF C630 47nF VD611 5.6V VD611 5.6V R642 33R R642 33R VD608 5.6V VD608 5.6V R690 22K R690 22K R666 1K R666 1K R653 100R R653 100R R680 NC R680 NC 1 2 3 5 4 6 VD615 5V0U4D VD615 5V0U4D R644 33R R644 33R R662 100R R662 100R R677 10K R677 10K R675 100R R675 100R R661 100R R661 100R VD607 5.6V VD607 5.6V R605 NC R605 NC R679 100R R679 100R C631 1nF C631 1nF R699 22K R699 22K 1 2 3 5 4 6 VD613 5V0U4D VD613 5V0U4D R656 10K R656 10K R667 100R R667 100R R609 NC R609 NC 3 1 2 V610 BAT54C V610 BAT54C R663 100R R663 100R 1 1 2 2 3 3 4 4 XS609 D2006-4A XS609 D2006-4A R650 75R R650 75R V605 BAT54C V605 BAT54C R672 75R R672 75R R688 10R R688 10R R649 75R R649 75R 1 2 3 5 4 6 VD606 IP4223CZ6 VD606 IP4223CZ6 R606 4.7K R606 4.7K R670 4.7K R670 4.7K 1 2 VD605 5.1V VD605 5.1V R686 10R R686 10R R676 4.7K R676 4.7K R608 10K R608 10K R684 10R R684 10R C628 47nF C628 47nF C645 0.1uF C645 0.1uF VD610 5.6V VD610 5.6V C638 0.1uF C638 0.1uF C636 47nF C636 47nF C629 47nF C629 47nF R648 470R R648 470R R682 10R R682 10R PDF 文件以 "PDF 制作工厂" 试用版创建 ÿÿÿÿ ÿ � 5 5 4 4 3 3 2 2 1 1 D D C C B B A A 5V_SDA 5V_SCL IF-AGC TV-V IF-AGC IF_OUT IF_OUT IF IF_OUT IF 5V_SCL 5V_SDA IF IF SAW-SW SAW-SW1 AGND AGND AGND AGND AGND AGND AGND +5V_Tuner AGND AGND AGND AGND AGND AGND AGND +12V_all AGND AGND AGND +5V_Tuner AGND AGND AGND AGND AGND AGND AGND AGND +5V_Tuner AGND AGND AGND AGND AGND AGND AGND +3.3V_MST +3.3V_MST AGND +5V_Tuner AGND AGND +5V_Tuner AFC SAW-SW TV_AUDIO FM1 FM0 TV-Vin+ TV-Vin- I2C_SDA I2C_SCL SAW-SW1 5V_SCL 5V_SDA 标记 数量 等级 标记 批 准 标准化 工 艺 审 核 拟 制 签名日期 分区单号 数量 签名 单号 分区 标记 日期 第 张 共 张 KONKA 9 4 标记 数量 等级 标记 批 准 标准化 工 艺 审 核 拟 制 签名日期 分区单号 数量 签名 单号 分区 标记 日期 第 张 共 张 KONKA 9 4 标记 数量 等级 标记 批 准 标准化 工 艺 审 核 拟 制 签名日期 分区单号 数量 签名 单号 分区 标记 日期 第 张 共 张 KONKA 9 4 ADDR: 0xC0 MAIN TUNER Tuner+IF 0.1uF一定要有的 Close to MST IC FM1/ PIN76 FLT PIN53 Frequency PAL/NTSC 0 0 6.5MHz 0 1 6.0MHz 1 0 5.5MHz 1 1 4.5MHz - - 1 - - - - FM0/ PIN75 PAL R130 12K_1% R130 12K_1% C108 22pF C108 22pF C163 0.01uF C163 0.01uF R177 NC/4.7K R177 NC/4.7K VD105 NC/ISS110 VD105 NC/ISS110 + C155 22uF/16V + C155 22uF/16V R126 75R R126 75R C161 22pF C161 22pF C169 0.01uF C169 0.01uF R127 33R R127 33R R195 0R R195 0R C177 47nF C177 47nF R193 0R R193 0R R184 4.7K R184 4.7K 1 2 3 V112 NC/2N3904 V112 NC/2N3904 C158 1000pF-NPO C158 1000pF-NPO R181 NC/4.7K R181 NC/4.7K 1 2 3 V107 2N3904 V107 2N3904 R171 2.2K R171 2.2K R129 100K R129 100K 2 1 3 D627 BAT54C_NC D627 BAT54C_NC R136 100R R136 100R C173 NC/0.015uF C173 NC/0.015uF R173 22K R173 22K R178 75R R178 75R V111 2N7002 V111 2N7002 R167 7.5K R167 7.5K L102 0R L102 0R IN1 1 IN2 2 GND 3 OUT1 4 OUT2 5 Z102 NC/K9450M Z102 NC/K9450M R190 2.2K R190 2.2K R168 NC/22K R168 NC/22K R175 2.2K R175 2.2K R139 22K R139 22K R185 4.7K R185 4.7K R138 330R R138 330R R131 75R R131 75R V110 2N7002 V110 2N7002 R133 100R R133 100R C157 0.1uF C157 0.1uF C156 0.1uF C156 0.1uF R187 4.7K R187 4.7K C110 22pF C110 22pF C178 22pF C178 22pF R174 4.7K R174 4.7K 1 2 L112 1K_Ohm_100mA L112 1K_Ohm_100mA C174 NC/330pF C174 NC/330pF C154 0.1uF C154 0.1uF + C162 100uF/16V + C162 100uF/16V R169 15K R169 15K C164 0.022uF C164 0.022uF R128 1K R128 1K R132 9.1K R132 9.1K 1 2 L111 1K_Ohm_100mA L111 1K_Ohm_100mA R186 4.7K R186 4.7K C151 0.1uF C151 0.1uF R183 0R R183 0R R170 0R R170 0R R189 NC/15K R189 NC/15K C176 47nF C176 47nF TP401 TP_C30 TP401 TP_C30 R124 270R R124 270R L103 10uH L103 10uH R176 2.2K R176 2.2K AGC 1 TU 2 AS 3 SCL 4 SDA 5 NC 6 VCC 7 ADC/NC 8 VT/NC 9 IF2/NC 10 IF1 11 G1 12 G2 13 G3 14 G4 15 N100 AFT1/3000 N100 AFT1/3000 C153 1000pF C153 1000pF R188 4.7K_NC R188 4.7K_NC VIF1 1 VIF2 2 IC 3 FMPLL 4 DEEM 5 AFD 6 DGND 7 FMSO 8 TOP 9 FM1 10 FM0 11 QSSO 12 VIF0 13 TAGC 14 REF 15 AMUTE0 16 CVBS 17 AGND 18 VPLL 19 VP 20 AFC 21 VAGC 22 SIF1 23 SIF2 24 TDA9881 N101 TDA9881 N101 + C152 100uF/16V + C152 100uF/16V 1 2 3 Rp101 20K Rp101 20K C175 NC/330pF C175 NC/330pF 1 2 L108 600_Ohm_1.5A L108 600_Ohm_1.5A + C160 100uF/16V + C160 100uF/16V C159 0.01uF C159 0.01uF C180 0.01uF C180 0.01uF C179 0.01uF/NC C179 0.01uF/NC 1 2 3 V108 NC/2N3904 V108 NC/2N3904 R180 10R R180 10R R192 0R_NC R192 0R_NC R122 10R R122 10R C165 1500pF C165 1500pF R140 75R R140 75R IN1 1 IN2 2 GND 3 OUT1 4 OUT2 5 Z103 NT3822A Z103 NT3822A R172 NC/15K R172 NC/15K V106 2SC388A V106 2SC388A R121 10R R121 10R C171 0.01uF C171 0.01uF R123 0R R123 0R R194 0R R194 0R C166 0.1uF C166 0.1uF R182 0R_NC R182 0R_NC 1 2 3 Z104 4.000MHz Z104 4.000MHz C170 0.01uF C170 0.01uF R179 47R R179 47R R125 1K R125 1K R137 220R R137 220R VD104 NC/ISS110 VD104 NC/ISS110 R191 NC/4.7K R191 NC/4.7K C172 0.47uF C172 0.47uF PDF 文件以 "PDF 制作工厂" 试用版创建 ÿÿÿÿ ÿ � 5 5 4 4 3 3 2 2 1 1 D D C C B B A A AU_SCLK AU_SD RX0N RXCKP RXCKN RX1N I2C_SDA RX1P I2C_SCL RX2P RX2N HOTPLUG RX0P AVDD_MPLL VDDC AVDD_33 PWM2 RESET AVDD_33 AVDD_33 XTAL_IN VDDC VDDP AVDD_LPLL VDDP KEY CE# VDDP SDO SDI SCK WP AU_MCLK CS SO SI SCLK AU_WS TX_SDA IRin RX_SCL CE# SDO SDI SCK WP_CTL SYS_RST RESET EEP_SCL EEP_SDA LED_GREEN AMP_MUTE EEP_SCL EEP_SDA SCLK XTAL_OUT AVDD_12 VDDP LED_RED VDDC AVDD_PWM WP BRI_ON/OFF PANEL-ON/OFF POWER-ON/OFF WP DDC/HWI2C LED_RED LED_R I2C_SCL SCL_OPT I2C_SDA IRin SDA_OPT LED_G LED_GREEN OPC_EN LED_RED FM1 FM0 RX_SCL TXD RXD TX_SDA AU-SW0 SAW-SW WP_CTL I2C_SCL I2C_SDA KEY AU-SW1 RXE3- RXEC+ RXEC- RXE3+ RXE2- RXE2+ RXE1+ RXE1- RXE0- RXE0+ RXO3- RXO3+ RXOC+ RXOC- RXO0- RXO2+ RXO2- RXO0+ RXO1- RXO1+ RXE2- RXE2+ RXEC- RXO2- RXE3- RXE3+ RXO1+ RXE1+ RXO2+ RXEC+ RXOC+ RXO3- RXO3+ RXE0- RXOC- RXO0- RXA0+/DG2 RXA0-/DG3 RXB0-/DR7 RXB0+/DR6 RXBC-/DR1 RXB2+/DR2 RXB1+/DR4 RXB2-/DR3 RXB1-/DR5 RXBC+/DR0 RXB3+/DG6 RXB3-/DG7 RXA2+/DB6 RXA1-/DG1 RXA1+/DG0 RXA3-/DB3 RXAC-/DB5 RXAC+/DB4 RXA2-/DB7 RXA3+/DB2 RXE0+ RXO0+ RXE1- RXO1- ODSEL2 ODSEL1 SELVDS I2C_SDA I2C_SCL OPC OPC_EN BRI_ADJ PWM2 BRI_ADJ EEP_SDA EEP_SCL LED_GREEN WP1 AVDD_LPLL +3.3V_MST +3.3V_MST +3.3V_MST +3.3V_MST VCC1.2V VCC1.2V VDDP AVDD_33 AVDD_MPLL AVDD_12 VDDC +3.3V_MST +3.3V_MST +3.3V_MST +3.3V_MST +3.3V_MST AVDD_PWM +3.3V_MST +3.3V_MST +3.3V_MST +3.3V_MST +3.3V_MST +3.3V_MST +5V_all VCC-Panel +3.3V_MST +5V_all RXCKN RXCKP RX0N RX0P RX1N RX1P RX2N RX2P HOTPLUG HDMI_CEC HDMI_SDA HDMI_SCL VGA_HSYNC VGA_VSYNC VGA-B- VGA-SOG VGA-G- VGA-R+ HD_Pb HD_Y HD_SOG HD_Pr S-C S-Y AV1_VIN TV-Vin+ TV-Vin- AMP_MUTE PANEL-ON/OFF POWER-ON/OFF I2C_SDA I2C_SCL AU_SD AU_SCLK AU_WS AU_MCLK BRI_ON/OFF VGA-R- VGA-G+ VGA-B+ OE_1 CKV_1 STV_1 STH_1 POL_1 TP_1 B2P_1 B2N_1 B1P_1 B1N_1 B0P_1 B0N_1 G2P_1 G2N_1 G1P_1 G1N_1 G0P_1 G0N_1 CLKP_1 CLKN_1 GVON_1 GVOFF_1 AU-SW0 TXD RXD DDC/HWI2C AFC FM0 FM1 SAW-SW AU-SW1 AV-OUT R2P_1 R2N_1 R1N_1 R0P_1 R0N_1 R1P_1 BRI_ADJ OPC_EN SAW-SW1 标记 数量 等级 标记 批 准 标准化 工 艺 审 核 拟 制 签名日期 分区 单号 数量 签名 单号 分区 标记 日期 第 张 共 张 KONKA MST721 BLOCK 9 5 标记 数量 等级 标记 批 准 标准化 工 艺 审 核 拟 制 签名日期 分区 单号 数量 签名 单号 分区 标记 日期 第 张 共 张 KONKA MST721 BLOCK 9 5 标记 数量 等级 标记 批 准 标准化 工 艺 审 核 拟 制 签名日期 分区 单号 数量 签名 单号 分区 标记 日期 第 张 共 张 KONKA MST721 BLOCK 9 5 IC POWER SPI FLASH CRYSTAL CLOSE TO MST719 CLOSE TO MST719 21.6PANEL使用的控制脚 遥控供电改为3.3V,遥控接收头要用3.3V的 更改为5V_STB 改为NC了 增加了小电容 R507 4.7K R507 4.7K C503 0.1uF C503 0.1uF R511 1M R511 1M 1 2 3 V507 MMBT3904 V507 MMBT3904 C516 0.1uF50V C516 0.1uF50V R503 4.7K R503 4.7K R546 100R R546 100R C506 0.1uF C506 0.1uF 1 2 3 4 5 6 7 8 RA440 33R_DNS RA440 33R_DNS 1 2 3 4 5 6 7 8 RA438 33R_DNS RA438 33R_DNS L503 FB L503 FB C507 0.1uF C507 0.1uF R512 4.7K R512 4.7K L508 FB L508 FB R537 4.7K R537 4.7K R541 22R R541 22R R560 NC R560 NC R553 470R R553 470R R528 100K R528 100K R556 NC R556 NC C535 100pF C535 100pF R532 100R R532 100R R518 4.7K R518 4.7K R563 NC R563 NC R539 4.7K R539 4.7K C511 0.1uF C511 0.1uF R565 NC R565 NC R551 1K_1% R551 1K_1% R547 4.7K R547 4.7K R571 NC R571 NC R573 NC R573 NC R533 4.7K R533 4.7K R509 4.7K R509 4.7K R545 10K R545 10K R567 100R R567 100R C521 NC/0.1uF C521 NC/0.1uF R543 4.7K R543 4.7K C515 0.1uF C515 0.1uF 1 2 3 Z501 12MHZ Z501 12MHZ L904 0R L904 0R 2 1 3 D626 BAT54C D626 BAT54C C527 0.1uF C527 0.1uF C536 0.01uF C536 0.01uF R566 NC R566 NC 1 1 3 3 5 5 7 7 9 9 2 2 4 4 6 6 8 8 10 10 12 12 11 11 XS506 HEADER_6x2 XS506 HEADER_6x2 R513 4.7K R513 4.7K R530 NC/10K R530 NC/10K R510 4.7K R510 4.7K C504 0.1uF C504 0.1uF C526 NC/22pF C526 NC/22pF R519 100R R519 100R 1 3 2 V504 2N3906 V504 2N3906 C538 NC/22pF C538 NC/22pF GND 82 PWMD1 66 PWMD0 65 BIN0P 25 BIN0M 24 GIN0P 27 GIN0M 26 RIN0P 30 RIN0M 29 CVBS5P 35 VCOM1 40 REFP 18 VDDP 58 GPIO[0] 74 GPIO[3] 77 SAR0 55 SAR1 56 SAR2 57 VDDC 67 SCK 68 SDI 69 SDO 70 CSN 71 AVDD_33 6 SOGIN0 28 GPIO[28] 94 SCL 80 RESET 83 DEO 146 VSYNCO 145 CLKO 147 HSYNCO 144 BA2N 115 BA2P 116 BA1N 117 BA1P 118 GPIO[22]/GA3N 123 GPIO[21]/GA3P 124 REFM 19 RB3N 104 RB3P 105 RB2N 106 RB2P 107 RB1N 108 RB1P 109 BA3N 113 GPIO[1] 75 GPIO[2] 76 INT 78 SDA 79 VDDC 142 BB3P 87 BB2N 88 BB2P 89 BB1N 90 BB1P 91 GB3N 96 BB3N 86 AVDD_LPLL 141 AVDD_12 153 XOUT 154 XIN 155 AVDD_MPLL 156 RXCKN 1 VCLAMP 17 VIN 46 FAULTZ 47 FB2_DPWM 48 FB1_DPWM 49 AVDD_DPWMADC 50 Q2 51 Q1 52 RXCKP 2 GND 3 RX0N 4 RX0P 5 RX1N 7 RX1P 8 RX2N 9 RX2P 10 HPLUG 11 REXT 12 DDC_DA 13 DDC_CK 14 HSYNC1 15 VSYNC1 16 BIN1P 20 SOGIN1 21 GIN1P 22 RIN1P 23 AVDD_33 31 GND 32 HSYNC0 33 VSYNC0 34 CVBS4P 36 CVBS3P 37 CVBS2P 38 CVBS1P 39 CVBS0P 41 VCOM0 42 AVDD_33 43 CVBSOUT 44 GND 45 QOR 53 GND 54 MCKO 59 AMUTE 60 AUWS 61 AUSCK 62 AUSD 63 SPDIFO 64 UART1_RX 72 UART1_TX 73 CS_CEC 81 VDDC 84 GND 85 BB0N 92 BB0P 93 GPIO[27] 95 GB3P 97 GPIO[26]/GB2N 98 GPIO[25]/GB2P 99 GPIO[24]/GB1N 100 GPIO[23]/GB1P 101 GB0P 103 GB0N 102 RB0P 111 RB0N 110 VDDP 112 BA3P 114 BA0P 120 BA0N 119 GPIO[30] 121 GPIO[29] 122 GPIO[20]/GA2N 125 GPIO[19]/GA2P 126 GND 127 GPIO[18]/GA1N 128 GPIO[17]/GA1P 129 GA0P 131 GA0N 130 GPIO[16]/RA3N 132 GPIO[15]/RA3P 133 GPIO[14]/RA2N 134 GPIO[13]/RA2P 135 GPIO[12]/RA1N 136 GPIO[11]/RA1P 137 RA0P 139 RA0N 138 VDDP 140 GND 143 GPIO[10] 148 GPIO[9] 149 VDDP 150 GPIO[6] 151 GPIO[7] 152 1D/2A/6C Input with CCFL MST-721 N501 MST-721 1D/2A/6C Input with CCFL MST-721 N501 MST-721 1 2 3 4 5 6 7 8 RA429 33R_DNS RA429 33R_DNS R555 4.7K R555 4.7K R523 22R R523 22R R522 33K R522 33K 1 2 3 4 5 6 7 8 RA529 22R RA529 22R C520 NC/10uF C520 NC/10uF C517 0.1uF50V C517 0.1uF50V L506 FB L506 FB L505 FB L505 FB R529 100R R529 100R C512 0.1uF C512 0.1uF C514 0.1uF C514 0.1uF C502 0.1uF C502 0.1uF C501 22pF 50V C501 22pF 50V R527 100R R527 100R R568 4.7K R568 4.7K R559 NC R559 NC R557 NC R557 NC C523 0.1uF C523 0.1uF 1 3 2 V508 MMBT3906 V508 MMBT3906 C528 2.2uF C528 2.2uF R521 100R R521 100R C522 0.1uF C522 0.1uF ZD5 ESD ZD5 ESD 1 2 3 4 5 XS507 CON4_2.0 XS507 CON4_2.0 1 2 3 4 5 6 7 8 9 10 11 12 13 14 15 16 17 18 19 20 21 22 23 24 25 26 27 28 29 30 31 32 33 34 35 36 37 38 39 40 G1 G2 41 43 45 47 49 42 44 46 50 48 XS504 BM50B-SRDS-G-TF_DNS XS504 BM50B-SRDS-G-TF_DNS R517 4.7K R517 4.7K C508 0.1uF C508 0.1uF 1 2 3 4 XS505 CON4_2.0 XS505 CON4_2.0 R508 4.7K R508 4.7K R542 10K R542 10K R562 NC R562 NC C519 0.1uF50V C519 0.1uF50V L502 FB L502 FB R552 470R R552 470R C524 0.1uF C524 0.1uF 1 3 2 V505 MMBT3906 V505 MMBT3906 R531 1K R531 1K 1 2 3 4 5 6 7 8 RA436 33R_DNS RA436 33R_DNS R538 4.7K R538 4.7K R561 NC R561 NC R569 NC R569 NC C505 0.1uF C505 0.1uF R544 4.7K R544 4.7K R514 390R_1% R514 390R_1% 1 2 3 V506 MMBT3904 V506 MMBT3904 R570 NC R570 NC R572 NC R572 NC C537 NC/22pF C537 NC/22pF R564 NC R564 NC A0 1 A1 2 A2 3 GND 4 SDA 5 SCL 6 WP 7 VCC 8 N504 24C04 N504 24C04 R575 0R R575 0R R550 NC/47R R550 NC/47R R540 22R R540 22R C509 10uF/16V C509 10uF/16V C525 1000pF C525 1000pF L504 FB L504 FB 3 2 1 V501 BAV99 V501 BAV99 L507 NC/FB L507 NC/FB R534 22K R534 22K 1 2 3 4 5 6 7 8 RA437 33R_DNS RA437 33R_DNS C529 0.1uF C529 0.1uF C513 0.1uF C513 0.1uF R554 330K R554 330K R506 4.7K R506 4.7K R576 0R R576 0R C518 10uF/16V C518 10uF/16V 1 2 3 4 5 6 7 8 RA439 33R_DNS RA439 33R_DNS R525 4.7K R525 4.7K R574 NC R574 NC R520 22R R520 22R C510 22pF 50V C510 22pF 50V A0 1 A1 2 A2 3 GND 4 SDA 5 SCL 6 WP 7 VCC 8 N507 24C32 N507 24C32 R526 NC R526 NC R548 0R R548 0R R535 4.7K R535 4.7K R549 NC/47R R549 NC/47R R558 NC R558 NC CS 1 SO 2 WP 3 GND 4 SI 5 SCK 6 HOLD 7 VCC 8 N506 MX25LV040 N506 MX25LV040 R536 NC R536 NC L501 FB L501 FB PDF 文件以 "PDF 制作工厂" 试用版创建 ÿÿÿÿ ÿ � 5 5 4 4 3 3 2 2 1 1 D D C C B B A A HDMI_Lout HDMI_Rout AUL_IN AUR_IN AUR_IN AUL_IN HDMI_Rout HDMI_Lout +5V_all +9VA +12V_all +5V_all +5VBUF +5VBUF +9VA AU_MCLK AU_SCLK AU_WS AU_SD AU-SW0 AU-SW1 AV1_Lin PC_Lin PC_Rin HD_Rin AV1_Rin HD_Lin AMP-R TV_AUDIO TV_AUDIO 5V_SDA 5V_SCL AV-L-OUT AV-R-OUT AMP-L 标记 数量 等级 标记 批 准 标准化 工 艺 审 核 拟 制 签名日期 分区 单号 数量 签名 单号 分区 标记 日期 第 张 共 张 KONKA AudioR2S15900 9 6 标记 数量 等级 标记 批 准 标准化 工 艺 审 核 拟 制 签名日期 分区 单号 数量 签名 单号 分区 标记 日期 第 张 共 张 KONKA AudioR2S15900 9 6 标记 数量 等级 标记 批 准 标准化 工 艺 审 核 拟 制 签名日期 分区 单号 数量 签名 单号 分区 标记 日期 第 张 共 张 KONKA AudioR2S15900 9 6 9V for Audio R278 2.4K R278 2.4K C258 2.2uF C258 2.2uF VD208 9.1V VD208 9.1V R231 NC/0R R231 NC/0R C250 2.2uF C250 2.2uF R274 2.4K R274 2.4K C207 470pF C207 470pF C290 2.7n C290 2.7n C206 470pF C206 470pF R281 5.6K R281 5.6K C210 0.1uF C210 0.1uF R275 2.4K R275 2.4K C257 2.2uF C257 2.2uF R268 22K/NC R268 22K/NC C292 0.1uF C292 0.1uF C269 0.1uF C269 0.1uF C256 2.2uF C256 2.2uF C204 2.2uF C204 2.2uF R280 5.6K R280 5.6K C286 22uF/16V C286 22uF/16V R263 22K/NC R263 22K/NC R282 1k R282 1k VDD 2 AGND 3 TREB_L 4 TREB_R 5 RIN 6 ROUT 7 LOUD_R 8 RIN3 9 RIN2 10 RIN1 11 LOUD_L 12 LIN3 13 LIN2 14 REF 1 CLK 28 LIN1 15 LIN 16 LOUT 17 BIN_L 18 BOUT_L 19 BIN_R 20 BOUT_R 21 RROUT 22 LROUT 23 RFOUT 24 LFOUT 25 DGND 26 DATA 27 N203 CT7313 N203 CT7313 C270 2.2uF C270 2.2uF C255 2.2uF C255 2.2uF + C284 47uF/16V + C284 47uF/16V C266 0.1uF C266 0.1uF R261 22K/NC R261 22K/NC C271 2.2uF C271 2.2uF C265 0.1uF C265 0.1uF + C243 NC + C243 NC C287 0.01uF C287 0.01uF C291 2.7n C291 2.7n C264 0.1uF C264 0.1uF C260 2.2uF C260 2.2uF C289 22uF/16V C289 22uF/16V 3 1 2 V201 BAT54C V201 BAT54C R222 470R R222 470R C262 2.2uF C262 2.2uF R228 10K R228 10K C261 2.2uF C261 2.2uF R267 22K/NC R267 22K/NC R265 22K/NC R265 22K/NC R269 22K/NC R269 22K/NC + C244 NC + C244 NC 4 3 2 1 8 7 6 5 RA430 0RX4 RA430 0RX4 R230 0R R230 0R C211 2.2uF C211 2.2uF R279 2.4K R279 2.4K R277 2.4K R277 2.4K C268 2.2uF C268 2.2uF C254 2.2uF C254 2.2uF C267 0.1uF C267 0.1uF C253 2.2uF C253 2.2uF C203 2.2uF C203 2.2uF R276 2.4K R276 2.4K R270 22K/NC R270 22K/NC L203 10uH L203 10uH c218 10uF c218 10uF C209 0.1uF C209 0.1uF C252 0.1uF C252 0.1uF R260 22K/NC R260 22K/NC R255 100R R255 100R C285 0.1uF C285 0.1uF C201 10uF/16V C201 10uF/16V R266 22K/NC R266 22K/NC R264 22K/NC R264 22K/NC c217 10uF c217 10uF C251 2.2uF C251 2.2uF C263 2.2uF C263 2.2uF V109 2SC1815 V109 2SC1815 C288 0.1uF C288 0.1uF R259 100R R259 100R R271 22K/NC R271 22K/NC L201 NC/FB L201 NC/FB R221 470R R221 470R R229 220R R229 220R R262 22K/NC R262 22K/NC R205 10K R205 10K R283 1k R283 1k SDATA 1 LRCK 3 DEM/SCLK 2 MCLK 4 VQ 5 FILT 6 AOUTL 7 AGND 8 VADD 9 AOUTLR 10 N201 CS4344 N201 CS4344 C202 0.1uF C202 0.1uF X0 12 X1 14 X2 15 X3 11 Y0 1 Y1 5 Y2 2 Y3 4 A 10 B 9 X 13 Y 3 VCC 16 GND 8 INH 6 VEE 7 N202 74HC4052 N202 74HC4052 C259 2.2uF C259 2.2uF C205 10uF C205 10uF PDF 文件以 "PDF 制作工厂" 试用版创建 ÿÿÿÿ ÿ � 5 5 4 4 3 3 2 2 1 1 D D C C B B A A R0P OE G2P R0N G2N G1P G1N G0P G0N B2P B2N CLKP STH CLKN TP B1P POL B1N R2P B0P R2N B0N R1P STV R1N CKV B2N B1P B2P B1N R0P B0P R1P G0N B0N CLKN CLKP R2N G2P R2P G0P R1N G2N G1P G1N R0N OE CKV STV STH POL TP VDD33 V5V B1P_1 G0N_1 B1N_1 CLKP_1 B0P_1 CLKN_1 B0N_1 GVON_1 OE_1 GVOFF_1 G2P_1 STH_1 POL_1 G2N_1 TP_1 G1P_1 CKV_1 B2P_1 G1N_1 STV_1 B2N_1 G0P_1 R2P_1 R2N_1 R1N_1 R0P_1 R0N_1 R1P_1 标记 数量 等级 标记 批 准 标准化 工 艺 审 核 拟 制 签名日期 分区单号 数量 签名 单号 分区 标记 日期 第 张 共 张 KONKA 9 9 标记 数量 等级 标记 批 准 标准化 工 艺 审 核 拟 制 签名日期 分区单号 数量 签名 单号 分区 标记 日期 第 张 共 张 KONKA 9 9 标记 数量 等级 标记 批 准 标准化 工 艺 审 核 拟 制 签名日期 分区单号 数量 签名 单号 分区 标记 日期 第 张 共 张 KONKA 9 9 Panel R488 22R R488 22R 1 2 3 4 5 6 7 8 RA435 0RX4 RA435 0RX4 R524 0R R524 0R R485 22R R485 22R 1 2 3 4 5 6 7 8 RA432 0RX4 RA432 0RX4 R482 22R R482 22R 1 2 3 4 5 6 7 8 9 10 11 12 13 14 15 16 17 18 19 20 21 22 23 24 25 26 27 28 29 30 31 32 33 34 35 36 37 38 39 40 41 42 43 44 45 46 47 XS432 45PIN XS432 45PIN 1 2 3 4 5 6 7 8 RA431 0RX4 RA431 0RX4 1 2 3 4 5 6 7 8 RA434 0RX4 RA434 0RX4 R486 22R R486 22R R483 22R R483 22R 1 2 3 4 5 6 7 8 RA433 0RX4 RA433 0RX4 R487 22R R487 22R R484 22R R484 22R R477 22R R477 22R PDF 文件以 "PDF 制作工厂" 试用版创建 ÿÿÿÿ ÿ �

标签:

版权声明

1. 本站所有素材,仅限学习交流,仅展示部分内容,如需查看完整内容,请下载原文件。
2. 会员在本站下载的所有素材,只拥有使用权,著作权归原作者所有。
3. 所有素材,未经合法授权,请勿用于商业用途,会员不得以任何形式发布、传播、复制、转售该素材,否则一律封号处理。
4. 如果素材损害你的权益请联系客服QQ:77594475 处理。