康佳LED42F1100PD液晶电视35016069板电路原理图

分类:电子电工 日期: 点击:0
康佳LED42F1100PD液晶电视35016069板电路原理图-0 康佳LED42F1100PD液晶电视35016069板电路原理图-1 康佳LED42F1100PD液晶电视35016069板电路原理图-2 康佳LED42F1100PD液晶电视35016069板电路原理图-3 康佳LED42F1100PD液晶电视35016069板电路原理图-4 康佳LED42F1100PD液晶电视35016069板电路原理图-5 康佳LED42F1100PD液晶电视35016069板电路原理图-6 康佳LED42F1100PD液晶电视35016069板电路原理图-7 康佳LED42F1100PD液晶电视35016069板电路原理图-8 康佳LED42F1100PD液晶电视35016069板电路原理图-9

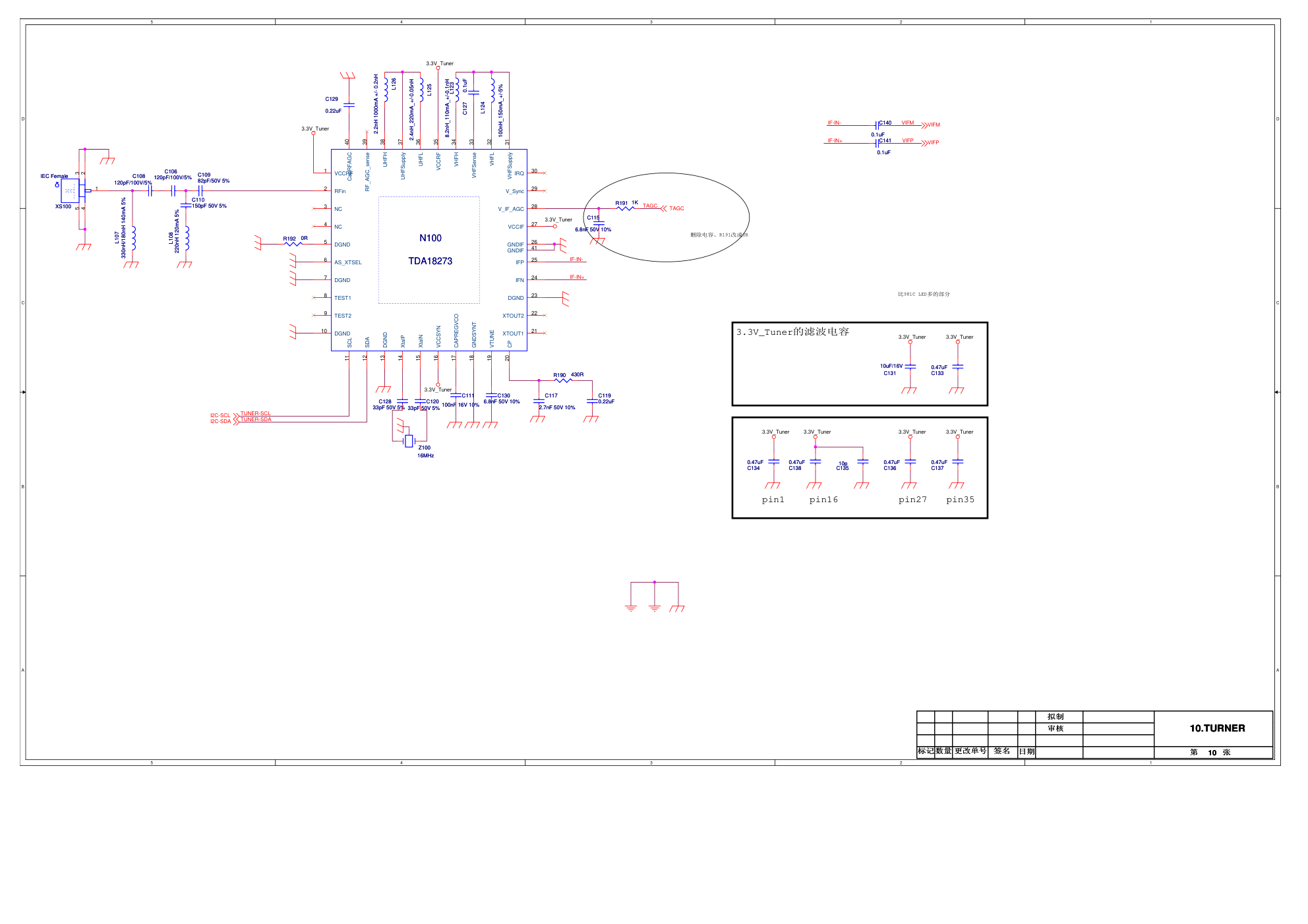
5 5 4 4 3 3 2 2 1 1 D D C C B B A A PANEL_EN PM_PWR_ON PM_PWR_ON ADJ-PWM POWER-ON VCC12VIN 5V-STBIN BKLT_EN BKLT_ADJ VCC12VIN BKLT_EN BKLT_ADJ POWER-ON BKLT_EN BKLT_ADJ POWER-ON PM_PWR_ON 5Vstb VCC-Panel +12V 3.3V_Normal 1.5V_DDR3 3.3V_Normal 5VA 5Vstb 3.3V_Normal 5VA 3.3V_Tuner 5VA 5Vstb 3.3Vstb VDDC1.10V 5Vstb 3.3V_Normal 3.3V_Normal 5VA +12V 5Vstb +5VUSB 3.3V_Normal 3.3Vstb 5Vstb 2.5V_Normal 5VA 5Vstb +12V +5VUSB +12V_AMP +12V Tuner_3.3V PANEL-ON PM_PWR_ON ADJ-PWM ON_BKLT PWM_IN VCC_VSENSE SLEEP_PWR 标记 数量 签名 更改单号 日期 拟制 审核 第 张 02 02.System Power 标记 数量 签名 更改单号 日期 拟制 审核 第 张 02 02.System Power 标记 数量 签名 更改单号 日期 拟制 审核 第 张 02 02.System Power PANEL POWER DDR3 1.5V 5VA 3.3V_Normal TUNER POWER3.3V_Tun +3.3V STANDBY POWER 1.2V FOR 6i981C CORE Feedback Voltage = 0.923 什么作用 POWER INPUT H:OFF L:ON 电源输入接口 H:STANDBY L:ON 6i981C 2.5V CORE POWER 1.2V, 1.16V<=VDDC<=1.24V 预留12V转 5V 值需要再确认 12V AMP&MIC Control Feedback Voltage = 0.6 R842 100K R842 100K 1 2 L809 FB_3A L809 FB_3A C823 0.1uF C823 0.1uF + C822 220uF + C822 220uF C881 10uF C881 10uF 1 2 L812 FB_2A L812 FB_2A 3 1 2 V803 3904 V803 3904 R821 47K R821 47K C827 0.1uF C827 0.1uF 1 2 L804 FB_2A L804 FB_2A C810 10uF C810 10uF F802 F3A/32V F802 F3A/32V C818 10uF C818 10uF R823 10K R823 10K C821 0.1uF C821 0.1uF 3 1 2 V808 3904 V808 3904 1 2 L823 FB_600mA L823 FB_600mA VIN 2 FB 4 PGND 1 COMP 5 EN 6 LX 7 LX 8 AGND 3 N805 SY8123 N805 SY8123 C829 10uF/16V C829 10uF/16V C891 0.1uF C891 0.1uF R813 4.7K R813 4.7K 1 2 L807 FB_4A L807 FB_4A C864 10uF C864 10uF R811 10K R811 10K D 1 D 2 D 3 G 4 S 8 S 7 S 6 S 5 V801 9435A V801 9435A C846 10uF C846 10uF R837 10K R837 10K 1 2 L813 FB_2A L813 FB_2A C813 0.1uF C813 0.1uF F803 F5A/32V F803 F5A/32V 1 2 L824 FB_600mA L824 FB_600mA C857 0.47uF C857 0.47uF L801 10uH L801 10uH C880 0.1uF C880 0.1uF C806 10uF C806 10uF R814 100 R814 100 R803 39K/1% R803 39K/1% R812 10K R812 10K R850 1K R850 1K C828 0.1uF C828 0.1uF 1 2 L822 FB_3A L822 FB_3A R819 NC R819 NC + C858 NC/220uF + C858 NC/220uF C811 0.1uF C811 0.1uF D 1 D 2 D 3 G 4 S 8 S 7 S 6 S 5 V811 9435A V811 9435A 1 2 L821 FB_600mA L821 FB_600mA C852 10uF/10V C852 10uF/10V C882 10uF C882 10uF R838 100K R838 100K 1 2 3 4 5 6 7 XS804 D3913-5A XS804 D3913-5A C848 0.1uF C848 0.1uF C838 10uF/16V C838 10uF/16V C879 10uF C879 10uF R808 100K R808 100K 1 2 L827 NC/FB_3A L827 NC/FB_3A 1 2 L808 FB_3A L808 FB_3A 3 2 1 GND IN OUT N809 WL2004N33G GND IN OUT N809 WL2004N33G C889 0.1uF C889 0.1uF C815 0.22uF C815 0.22uF R839 NC/1K R839 NC/1K C875 0.1uF C875 0.1uF C805 0.1uF C805 0.1uF D 1 D 2 D 3 G 4 S 8 S 7 S 6 S 5 V814 9435A V814 9435A C849 10uF C849 10uF 3 2 1 4 ADJ OUT IN N807 AMS1117-3.3 ADJ OUT IN N807 AMS1117-3.3 C835 10uF/16V C835 10uF/16V C873 0.1uF C873 0.1uF C803 0.1uF C803 0.1uF R841 47K R841 47K 1 2 L818 FB_600mA L818 FB_600mA C871 10uF C871 10uF 1 2 L825 FB_600mA L825 FB_600mA 1 2 L803 FB_2A L803 FB_2A R825 100K R825 100K C801 10nF C801 10nF R844 22k R844 22k L806 10uH L806 10uH C809 0.1uF C809 0.1uF C884 10uF C884 10uF C869 0.1uF C869 0.1uF 3 2 1 4 ADJ OUT IN N804 NC/AMS1117-2.5 ADJ OUT IN N804 NC/AMS1117-2.5 + C843 100uF + C843 100uF C840 0.1uF C840 0.1uF C814 0.1uF C814 0.1uF C820 0.1uF C820 0.1uF C839 10uF/16V C839 10uF/16V R805 47K R805 47K R840 4.7K R840 4.7K 1 2 L805 FB_3A L805 FB_3A 7 6 5 4 3 2 1 XS802 CON8_2.0 XS802 CON8_2.0 R847 10k R847 10k C874 10uF C874 10uF R810 10K R810 10K R804 2.2K R804 2.2K 1 2 L802 FB_2A L802 FB_2A 3 2 1 4 ADJ OUT IN N806 AMS1117-3.3 ADJ OUT IN N806 AMS1117-3.3 C819 10uF C819 10uF R849 4.7K R849 4.7K + C834 220uF/16V + C834 220uF/16V 1 2 L814 NC/FB_2A L814 NC/FB_2A 1 2 3 4 5 XS803 B5P-VH XS803 B5P-VH C802 3.3nF C802 3.3nF C853 0.1uF C853 0.1uF C872 0.1uF C872 0.1uF C812 10uF C812 10uF C870 10uF C870 10uF V807 NC/WPM3407 V807 NC/WPM3407 C887 10uF C887 10uF 1 2 L817 FB_3A L817 FB_3A R820 4.7K R820 4.7K V802 NC/AO3401A V802 NC/AO3401A R801 NC R801 NC C877 0.1uF C877 0.1uF 1 2 3 V810 3904 V810 3904 R817 62K/1% R817 62K/1% C876 10uF C876 10uF 1 2 3 4 5 XS808 CON5_2.0 XS808 CON5_2.0 1 2 L820 FB_600mA L820 FB_600mA C886 0.1uF C886 0.1uF + C888 100uF + C888 100uF R807 10K R807 10K C817 10uF C817 10uF R806 4.7K R806 4.7K R851 15R/1% R851 15R/1% C878 10uF C878 10uF R809 100R R809 100R R843 1K R843 1K C883 0.1uF C883 0.1uF 3 1 2 V805 3904 V805 3904 C865 0.1uF C865 0.1uF F801 F3A/32V F801 F3A/32V C890 10uF C890 10uF 1 2 L819 FB_600mA L819 FB_600mA C807 10uF C807 10uF R818 8.2K/1% R818 8.2K/1% R848 10K R848 10K C847 0.33uF C847 0.33uF R802 12K/1% R802 12K/1% C845 0.1uF C845 0.1uF C808 0.1uF C808 0.1uF R816 100R R816 100R 3 2 1 4 ADJ OUT IN N803 AZ1117-1.5 ADJ OUT IN N803 AZ1117-1.5 C885 0.1uF C885 0.1uF V813 3904 V813 3904 V809 3904 V809 3904 1 2 L826 FB_600mA L826 FB_600mA V812 3904 V812 3904 C836 10uF/16V C836 10uF/16V R815 0R R815 0R IN 2 GND 4 BS 1 FB 5 COMP 6 EN 7 SS 8 SW 3 N801 AP3502 N801 AP3502 + C837 220uF/16V + C837 220uF/16V 5 5 4 4 3 3 2 2 1 1 D D C C B B A A SPI-SDO MIC-DET SLEEP FLH_3.3V FLH_3.3V NAND_REz NAND_CEz NAND_RBZ PCM_A2 SPI-CSN PCM_A0 NAND_CLE NAND_WEz NAND_ALE PCM_A4 FLASH_WP SPI-SDI SPI-SCK SPI-SDI SPI-SDO SPI_SDI SPI_SCK SPI_SDO SPI_CSN SPI-CSN PCM_A6 PCM_A1 SPI-SCK PCM_A3 PCM_A7 PW_CTL PCM_A5 LVDS-8b ODSEL# I2C-SDA KEY_WP I2C-SDA I2C-SCL I2C-SCL KEY_WP I2C-SCL I2C-SDA EEPROM-WP MUTE_S UART-TX2 UART-RX2 Tun_AGC AGC HDMI-CEC HDMI1-RX1P HDMI1-CLKP HDMI1-RX1N HDMI1-RX0P HDMI1-CLKN HDMI1-RX2P HDMI1-SCL HDMI1-RX0N HDMI1-HPDIN HDMI1-RX2N HDMI1-SDA HDMI1-RX1P HDMI1-CLKP HDMI1-RX1N HDMI1-RX0P HDMI-CEC HDMI1-CLKN HDMI1-RX2P HDMI1-SCL HDMI1-RX0N HDMI1-HPDIN HDMI1-RX2N HDMI1-SDA HDMI-ARC VCOM0 BIN2N MDI_RN MDI_RP MDI_TN MDI_TP VGA_VSYNC VGA_HSYNC BIN0N EN_USB RIN0 GIN0 BIN0 RIN2 GIN2 BIN2 SOGIN2 GIN0N GIN2N SOGIN0 RIN2N CVBS0 RIN0N AUVRP AUVRM HDMI-ARC AUVAG AV-AUOUTL1 AV-AUOUTR1 AV-AUOUTR0 AV-AUOUTL0 VGA_VSYNC VGA_HSYNC VBL_CTRL PANEL_ON/OFF PCM_A1 Tun_IM Tun_IP NAND_CLE BRI_ADJ System-RST NAND_WEZ G3_RXE0+ G1_RXE1+ B7_RXE2+ B5_RXEC+ B6_RXE2- B4_RXEC- B3_RXE3+ B2_RXE3- B0_RXE4- B1_RXE4+ SPI_SCK SPI_SDO SPI_SDI SPI_CSN TAGC PWM_PM LINE_IN_1L LINE_IN_1R HD_Lin HD_Rin MUTE_S I2C-SCL NAND_RBZ PCM_A5 USB2_D+ USB1_D- AUVRP AUVAG AUVRM USB1_D+ USB2_D- VCOM0 CVBS0 CVBS_OUT EARPHONE_OUTR EARPHONE_OUTL PCM_A2 PCM_A3 AV-AUOUTL0 AV-AUOUTR0 PCM_A4 AV-AUOUTR1 AV-AUOUTL1 PCM_A0 NAND_WPZ EARPHONE_OUTR EARPHONE_OUTL XTALO XTALI NAND_ALE CFG-PWM1 CFG-PWM0 VGA-Lin_AU VGA-Rin_AU LINE_IN_2R LINE_IN_2L PCM_A6 I2C-SDA LINE_IN_0L LINE_IN_0R AV1-Rin AV1-Lin CVBS_OUT I2S-OUT_MCK I2S-OUT_BCK BIN2N BIN0N RIN0 GIN0 BIN0 RIN2 GIN2 BIN2 SOGIN2 GIN0N GIN2N SOGIN0 RIN2N RIN0N G5_RXO4+ G6_RXO3- G7_RXO3+ G4_RXO4- R5_RXO1+ R4_RXO1- R6_RXO0- R7_RXO0+ R3_RXO2+ R2_RXO2- R0_RXOC- R1_RXOC+ NAND_REZ PCM_A7 NAND_CEZ PWM_PM I2S-OUT_MCK I2S-OUT_BCK CFG-PWM1 CFG-PWM0 CVBS1 CVBS1 SPDIF_OUT XTALI XTALO NAND_WPz MAC_DET KEY_WP System-RST IR_in LED KEY0-in SLEEP PW_CTL LVDS-8b ODSEL# MIC-DET EEPROM-WP FLASH_WP SEL_LVDS BRI_ADJ PANEL_ON/OFF VBL_CTRL SEL_LVDS CVBS2 CVBS2 AR3-IN AV3_RIN AL3-IN AV3_LIN KEY0-in STB_PWR IR_in PM_PWR_ON KEY-in IR_in 3.3V_STB STB_PWR LOGO_PWR KEY-in LOGO_PWR LED HDMI2-RX2N HDMI2-RX1P HDMI2-SCL HDMI2-CLKP HDMI2-RX1N HDMI2-SDA HDMI2-RX0P HDMI2-CLKN HDMI2-RX2P HDMI2-RX0N HDMI2-RX2N HDMI2-RX1P HDMI2-SCL HDMI2-CLKP HDMI2-RX1N HDMI2-SDA HDMI2-RX0P HDMI2-CLKN HDMI2-RX2P HDMI2-RX0N HDMI2-HPDIN HDMI2-HPDIN OPC_EN 5V_IF HDMI1-DET HDMI2-DET HDMI1-DET HDMI2-DET OPC_EN UART-RX2 UART-TX2 G0_RXE1- G2_RXE0- MAC_DET MAC-DET MAC-DET Tun_AGC Tun_IP Tun_IM MICIN_L MICLIN MICRIN MICIN_R EN_USB 3.3V_Normal 3.3V_Normal FLH_3.3V 3.3Vstb 3.3Vstb 3.3Vstb 3.3Vstb 3V3_E2P 3.3V_Normal 3.3Vstb 3.3V_Normal 3V3_E2P 3V3_E2P 5Vstb FLH_3.3V 3.3V_Normal 3.3Vstb 5Vstb 3.3Vstb 3.3Vstb 3.3Vstb 3.3Vstb 5VA ADJ-PWM ON_BKLT MIC_DET ODSEL LVDS_8b PM_PWR_ON SLEEP_PWR MUTE_EN HDMI-CEC HDMI1-CLKP HDMI1-RX1N HDMI1-RX0P HDMI1-CLKN HDMI1-RX2P HDMI1-SCL HDMI1-RX0N HDMI1-RX2N HDMI1-SDA HDMI1-HPDIN HDMI1-RX1P AV1_VIN HDMI-ARC MDI_RP 21 MDI_TP 21 MDI_TN 21 MDI_RN 21 A3- A1+ ACK+ A4+ A1- ACK- A0+ A4- A2+ A3+ A0- A2- VGA_HSYNC VGA_VSYNC VIFP VIFM TAGC HD_Rin HD_Lin YPbPr_PR YPbPr_Y YPbPr_PB MICLIN MICRIN USB2_D- B3+ B2- B3- USB2_D+ USB1_D- USB1_D+ B1+ BCK+ B4+ BCK- B0+ B4- B2+ AV_AUOUTL1 AV_AUOUTL0 EARPHONE-OUTL AV_AUOUTR0 AV1-Rin AV_AUOUTR1 EARPHONE-OUTR VGA-Rin_AU VGA-Lin_AU CVBS_OUT AV1-Lin SPDIF_OUT VGA-Bin VGA-Gin VGA-Rin AV2_VIN I2C-SCL I2C-SDA PANEL-ON SELLVDS AV3_VIN AL3-IN AR3-IN HDMI2-RX2N HDMI2-RX1P HDMI2-SCL HDMI2-CLKP HDMI2-RX1N HDMI2-SDA HDMI2-RX0P HDMI2-CLKN HDMI2-RX2P HDMI2-RX0N HDMI2-HPDIN L_DIM HDMI1_DET HDMI2_DET UART-TX UART-RX B1- B0- EN-USB System-RST 标记数量 签名 更改单号 日期 拟制 审核 第 张 03 03.981C(RGB/HDMI/GPIO) 标记数量 签名 更改单号 日期 拟制 审核 第 张 03 03.981C(RGB/HDMI/GPIO) 标记数量 签名 更改单号 日期 拟制 审核 第 张 03 03.981C(RGB/HDMI/GPIO) GPIO PULL-UP NAND FLASH SPI Flash *100MHz, No any VIA hole! Boot Loader SPI Flash RESET MAC I2C address at A4 NC/EEPROM EEPROM I2C address at A0 KEY I2C address at A8 Debug port NAND & GPIO & Tuner HDMI Interface Close to MST IC Close to MST IC with wide trace Close to MSTAR IC with width trace SAR口耐压只能到3.3V!!!!! GPIO & LVDS 电源纹波在50mV以内 靠近mstar IC Audio Line Out 靠近主IC Closed to MSTIC HDMI & Audio & Crystal RGB & CVBS & USB // CHIP Config {I2S_OUT_BCK, I2S_OUT_MCK, PAD_PWM1, PAD_PWM0} B51_NO_EJ 4'b0000 Boot from 8051 with SPI flash SB51_WOS 4'b0001 Secure B51 without scramble SB51_WS 4'b0010 Secure B51 with scramble MIPS_SPI_NO_EJ 4'b0100 Boot from MIPS with SPI flash MIPS_SPI_EJ_1 4'b0101 Boot from MIPS with SPI flash MIPS_SPI_EJ_2 4'b0110 Boot from MIPS with SPI flash MIPS_WOS 4'b1001 Secure MIPS without scramble MIPS_WS 4'b1010 Secure MIPS with scramble Mode Selection Crystal VGA YPbPr/AV2 AV1 功放 AV_Out 软件烧录时自动检测 LED_IR_KEY AV3 MIC (红) (绿) PM4默认是低,其他IO是高 R403 33R R403 33R C428 2.2uF C428 2.2uF C449 NC/0.1uF C449 NC/0.1uF R414 33R R414 33R R439 NC R439 NC C412 47nF C412 47nF R494 100K R494 100K R527 22R R527 22R R405 33R R405 33R L504 10uH L504 10uH R486 100R R486 100R 1 3 2 V604 3906 V604 3906 C407 1nF C407 1nF R426 0R R426 0R R482 100R R482 100R BIN0M K2 GIN0P L2 GIN0M L1 SOGIN0 L3 RIN0M M1 HSYNC0 L4 VSYNC0 L5 BIN1M N3 GIN1P P3 SOGIN1 N2 RIN1M R3 BIN2M R2 GIN2M U3 RIN2M U1 SOGIN2 T3 CVBS0 V3 CVBS1 V1 CVBS2 V2 CVBS3 V4 VCOM Y1 DM_P0 A5 DP_P0 B5 DM_P1 Y13 DP_P1 W14 RIN0P M3 BIN0P K3 RIN1P P1 GIN1M P2 RIN2P U2 GIN2P T2 BIN2P R1 BIN1P M2 CVBS_OUT1 W1 VSYNC_LIKE R19 SPI1_CK R21 SPI1_DI R20 RGB CVBS USB Local Dimming N501E MSD6I981BTC RGB CVBS USB Local Dimming N501E MSD6I981BTC R496 100R R496 100R R443 NC R443 NC C414 1nF C414 1nF R402 68R R402 68R R446 4.7K R446 4.7K CE# 1 SO 2 WP# 3 VSS 4 SI 5 SCK 6 HOLD# 7 VDD 8 N506 W25X80A N506 W25X80A R413 0R R413 0R R517 100R R517 100R C451 0.1uF C451 0.1uF 3 1 4 2 RA520 100RX2 3 1 4 2 RA520 100RX2 R492 100R R492 100R C421 NC/22nF C421 NC/22nF R536 1M R536 1M R427 100K R427 100K 1 2 L506 FB_600mA L506 FB_600mA R431 100K R431 100K C495 10nF C495 10nF R489 100R R489 100R R444 4.7K R444 4.7K R537 100R R537 100R R449 10K R449 10K 1 2 3 4 5 XS506 D2006-5A XS506 D2006-5A R434 4.7k R434 4.7k R534 33R R534 33R C427 2.2uF C427 2.2uF R508 NC/10K R508 NC/10K R520 22R R520 22R R532 33R R532 33R R480 4.7K R480 4.7K R487 0R R487 0R 3 1 4 2 RA518 100RX2 3 1 4 2 RA518 100RX2 R511 10K R511 10K C443 10uF C443 10uF R509 10K R509 10K 1 2 L505 FB_600mA L505 FB_600mA R542 NC/0R R542 NC/0R R441 NC R441 NC R419 4.7K R419 4.7K R530 33R R530 33R L509 FB L509 FB C408 47nF C408 47nF R106 100R R106 100R C413 47nF C413 47nF R473 22R R473 22R R420 0R R420 0R R460 10K R460 10K R447 NC R447 NC R475 NC/10K R475 NC/10K C498 220pF C498 220pF R490 100R R490 100R R406 0R R406 0R R506 10K R506 10K C441 220pF C441 220pF LINE_OUT_L0 W7 LINE_OUT_R0 AA7 VRP V5 VAG W5 AVSS_VRM_ADC W4 SPDIF_IN D6 SPDIF_OUT E7 I2S_OUT_MCK E5 I2S_OUT_WS E6 A_RX0N H3 A_RX0P H2 A_RX1N H1 A_RX1P J3 A_RX2N J1 A_RX2P J2 A_RXCN G3 A_RXCP G2 DDCDA_CK K6 DDCDA_DA M6 HOTPLUGA L6 D_RX0N E3 D_RX0P E2 D_RX1N E1 D_RX1P F3 D_RX2N F1 D_RX2P F2 D_RXCN D3 D_RXCP D2 DDCDD_CK J4 DDCDD_DA J5 HOTPLUGD K5 CEC H4 I2S_OUT_BCK C5 I2S_OUT_SD D5 IRIN G5 RESET C3 XTAL_IN Y6 XTAL_OUT AA6 TESTPIN K8 ARC0 H6 LINE_IN_L4 R5 LINE_IN_R4 R4 I2S_IN_WS J21 I2S_IN_BCK J20 I2S_IN_SD J19 LINE_IN_L3 T5 LINE_IN_R3 T6 LINE_IN_L2 U4 LINE_IN_R2 U5 LINE_IN_L1 W10 LINE_IN_R1 AA10 LINE_IN_L0 Y9 LINE_IN_R0 AA9 C_RX0N Y11 C_RX0P W12 C_RX1N Y12 C_RX1P AA12 C_RX2N W13 C_RX2P AA13 C_RXCN Y10 C_RXCP W11 DDCDC_CK V12 DDCDC_DA U12 HOTPLUGC T12 EARPHONE_OUTL Y8 EARPHONE_OUTR W9 LINE_OUT_L2 Y7 LINE_OUT_R2 W8 HDMI A/C/D Analog Audio I2S SPDIF Other N501C MSD6I981BTC HDMI A/C/D Analog Audio I2S SPDIF Other N501C MSD6I981BTC R452 0R R452 0R R437 49.9R/1% R437 49.9R/1% C460 100pF C460 100pF R477 10K R477 10K R543 NC/0R R543 NC/0R C437 22pF C437 22pF R523 22R R523 22R R454 4.7K R454 4.7K R505 10K R505 10K R502 0R R502 0R C452 0.1uF C452 0.1uF C442 10uF C442 10uF R436 49.9R/1% R436 49.9R/1% R464 4.7K R464 4.7K R498 100K R498 100K R488 100R R488 100R R526 22R R526 22R R462 4.7K R462 4.7K R429 100K R429 100K R461 4.7K R461 4.7K TS1_D0 T14 TS1_D1 U14 TS1_D2 U13 TS1_D3 V13 TS1_D4 U15 TS1_D5 T16 TS1_D7 U16 TS1_CLK V15 TS1_VLD T15 TS1_SYNC T13 IP Y2 IM AA2 VIFP Y3 VIFM AA3 SSIF/SIFP Y4 SSIF/SIFM AA4 IF_AGC W3 RF_AGC W2 TGPIO0 Y5 TGPIO2/ SCKM1 V6 TGPIO3/ SDAM1 U6 PCM_D0 /NAND_AD0 V17 PCM_D1 /NAND_AD1 V18 PCM_D2 /NAND_AD2 U17 PCM_D3 /NAND_AD3 U18 PCM_D4 /NAND_AD4 T17 PCM_D5 /NAND_AD5 T18 PCM_D6 /NAND_AD6 R17 PCM_D7 /NAND_AD7 R18 TGPIO1 W6 TS1_D6 V16 PF_WEZ P16 PF_WPZ R16 PF_ALE N16 PF_CLE P17 PF_CEZ M16 PF_REZ N17 PF_CEZ1 P18 PF_RBZ L16 TS1 (In/Out) NAND Front End N501B MSD6I981BTC TS1 (In/Out) NAND Front End N501B MSD6I981BTC R432 200R R432 200R 1 3 2 V615 3906 V615 3906 R544 NC/0R R544 NC/0R R524 22R R524 22R R533 33R R533 33R C415 47nF C415 47nF R411 68R R411 68R C463 47nF C463 47nF R440 4.7K R440 4.7K R493 100R R493 100R C409 47nF C409 47nF R418 10K R418 10K R484 100R R484 100R R522 22R R522 22R C411 47nF C411 47nF R529 33R R529 33R R435 49.9R/1% R435 49.9R/1% R501 100R R501 100R C458 NC/0.1uF C458 NC/0.1uF C457 0.1uF/NC C457 0.1uF/NC R507 10K R507 10K R531 33R R531 33R C462 47nF C462 47nF R497 4.7K R497 4.7K R438 49.9R/1% R438 49.9R/1% R499 100R R499 100R C417 47nF C417 47nF R417 33R R417 33R A0 1 A1 2 A2 3 GND 4 SDA 5 SCL 6 WP 7 VCC 8 N508 24C04 N508 24C04 R442 4.7K R442 4.7K C432 10uF C432 10uF R412 33R R412 33R L502 FB L502 FB R491 100R R491 100R R474 4.7K R474 4.7K 3 1 4 2 RA519 100RX2 3 1 4 2 RA519 100RX2 C438 220pF C438 220pF R514 10K R514 10K C434 0.1uF C434 0.1uF R471 22R R471 22R C448 0.1uF C448 0.1uF R463 NC R463 NC C436 22pF C436 22pF GND 1 RESET# 2 VCC 3 N512 810 N512 810 C420 33pF C420 33pF R423 1K R423 1K 1 2 3 4 5 6 XS644 D2006-6W XS644 D2006-6W R528 33R R528 33R L503 10uH L503 10uH C419 33pF C419 33pF R409 68R R409 68R R450 4.7K R450 4.7K C447 0.1uF C447 0.1uF C426 2.2uF C426 2.2uF R470 22R R470 22R C404 47nF C404 47nF R408 33R R408 33R C431 2.2uF C431 2.2uF R535 0R R535 0R R407 68R R407 68R A0 1 A1 2 A2 3 GND 4 SDA 5 SCL 6 WP 7 VCC 8 N509 24C04 N509 24C04 R500 100R R500 100R R433 200R R433 200R R105 100R R105 100R C456 1nF C456 1nF R478 0R R478 0R R451 NC/4.7K R451 NC/4.7K R/B 7 RE 8 CE 9 NC 10 NC 11 VCC 12 VSS 13 NC 14 NC 15 CLE 16 ALE 17 WE 18 WP 19 NC 48 NC 47 NC 46 NC 45 D7 44 D6 43 D5 42 D4 41 VCC 37 VSS 36 NC 35 NC 34 NC 33 D3 32 D2 31 D1 30 D0 29 NC 1 NC 2 NC 3 NC 4 NC 5 NC 6 NC 20 NC 21 NC 22 NC 23 NC 24 NC 25 NC 26 NC 27 NC 28 NC 38 NC 39 NC 40 N510 K9F4G08U0B N510 K9F4G08U0B C423 33pF C423 33pF R415 33R R415 33R C464 2.2uF C464 2.2uF 1 2 3 4 XS505 D2006-4A XS505 D2006-4A C459 NC/0.1uF C459 NC/0.1uF R401 33R R401 33R R424 0R R424 0R C403 47nF C403 47nF C440 220pF C440 220pF R421 3.9K R421 3.9K R448 4.7K R448 4.7K R481 100R R481 100R C453 0.1uF C453 0.1uF C406 47nF C406 47nF C450 NC C450 NC R400 68R R400 68R C493 2.2uF C493 2.2uF R430 0R R430 0R C433 0.1uF C433 0.1uF 1 2 3 V511 3904 V511 3904 C435 10uF C435 10uF R483 100R R483 100R R404 68R R404 68R C429 2.2uF C429 2.2uF C416 10uF C416 10uF R515 10K R515 10K SAR0 F4 SAR1 D4 SAR2 F5 SAR3 G6 PWM0 L20 PWM1 K19 PWM2 K20 PM_SPI_CK C7 PM_SPI_CZ1/PM6 B6 PM_SPI_DI B7 PM_SPI_DO C6 DDCA_CK J6 DDCA_DA H5 DDCR_CK/ SCKM2 M17 DDCR_DA/ SDAM2 M18 GPIO_PM7 B1 PM1/PM_UART_TX C4 GPIO_PM8 C2 PM5/PM_UART_RX B4 PM_SPI_CZ2/PM10 A6 LVB0N/ RED[6] V20 LVB0P/ RED[7] U19 LVB1N/ RED[4] V19 LVB1P/ RED[5] V21 LVB2N/ RED[2] Y21 LVB2P/ RED[3] W21 LVBCKN/ RED[0] Y20 LVBCKP/ RED[1] W20 LVB3N/ GREEN[6] Y19 LVB3P/ GREEN[7] AA20 LVB4N/ GREEN[4] W19 LVB4P/ GREEN[5] AA19 LVA0N/ GREEN[2] Y18 LVA0P/ GREEN[3] AA18 LVA1N/ GREEN[0] Y17 LVA1P/ GREEN[1] W18 LVA2N/ BLUE[6] Y16 LVA2P/ BLUE[7] W17 LVACKN/ BLUE[4] W16 LVACKP/ BLUE[5] AA16 LVA3N/ BLUE[2] Y15 LVA3P/ BLUE[3] AA15 LVA4N/ BLUE[0] Y14 LVA4P/ BLUE[1] W15 LED0 /GPIO19 M21 LED1 /GPIO20 M20 PWM_PM C1 PWM3 K21 SAR4 B2 TP /GPIO21 M19 GPIO22 L19 TN /GPIO23 N21 RP /GPIO24 N20 GPIO_PM0 F6 GPIO_PM11 A3 GPIO_PM4 E4 PM_SPI_CZ/PM9 B3 GPIO_PM3 A2 GPIO_PM2 D7 GPIO25 P20 GPIO26 P19 RN /GPIO27 N19 LCK U20 LVSYNC T20 LHSYNC T21 LDE T19 UART_TX2 L17 UART_RX2 L18 PWM SAR SPI RMII PHY I2C LVDS UART TTL N501D MSD6I981BTC PWM SAR SPI RMII PHY I2C LVDS UART TTL N501D MSD6I981BTC R513 10K R513 10K C430 2.2uF C430 2.2uF A0 1 A1 2 A2 3 GND 4 SDA 5 SCL 6 WP 7 VCC 8 N507 24C32 N507 24C32 R428 0R R428 0R C445 0.1uF C445 0.1uF R516 100R R516 100R R410 33R R410 33R R467 100R R467 100R C455 0.1uF C455 0.1uF R485 100R R485 100R R476 100R R476 100R R425 100K R425 100K Z501 XTAL-24MHz Z501 XTAL-24MHz R525 22R R525 22R C401 47nF C401 47nF R422 10K R422 10K R416 68R R416 68R C402 47nF C402 47nF R472 22R R472 22R R521 22R R521 22R C418 47nF C418 47nF C497 220pF C497 220pF C446 10uF C446 10uF R479 4.7K R479 4.7K C422 22nF C422 22nF R445 NC R445 NC C444 0.1uF C444 0.1uF R512 10K R512 10K C405 47nF C405 47nF R495 4.7K R495 4.7K C439 220pF C439 220pF 5 5 4 4 3 3 2 2 1 1 D D C C B B A A PGA_VCOM VCC_VSENSE PGA_VCOM VCC_VSENSE AVDD_MPLL VDDP AVDD_LAN VDDC1.10V AVDDL_MOD AVDD11_ETH AVDD1P1_ADC AVDDLV_USB 3.3V_Normal 3.3Vstb 2.5V_Normal DVDD VDDC AVDD_DMPLL VDDIO_0 AVDD25_PGA AVDD_ALIVE 1.5V_DDR3 AVDD_ADC25 AVDD_LPLL VDDIO_1 AVDD_DVI AVDD_MOD AVDD_REF25 VDDP DVDD_NODIE AVDD25_PGA 2.5V_Normal 3.3Vstb VDDIO_0 VDDC VCC_VSENSE 2 标记数量 签名 更改单号 日期 拟制 审核 第 张 04 04.981C(POWER/GND) 标记数量 签名 更改单号 日期 拟制 审核 第 张 04 04.981C(POWER/GND) 标记数量 签名 更改单号 日期 拟制 审核 第 张 04 04.981C(POWER/GND) Close to AVDD_DVI Normal Power 3.3V 2.5V Standby Power 3.3V DDR3 POWER Power interface R466 0R R466 0R L507 FB L507 FB C478 1uF C478 1uF C482 0.1uF C482 0.1uF C483 2.2uF C483 2.2uF C488 0.1uF C488 0.1uF C476 0.1uF C476 0.1uF C477 0.1uF C477 0.1uF C480 2.2uF C480 2.2uF C470 0.1uF C470 0.1uF C466 0.1uF C466 0.1uF R465 NC/0R R465 NC/0R C472 2.2uF C472 2.2uF C479 0.1uF C479 0.1uF C490 0.1uF C490 0.1uF C481 0.1uF C481 0.1uF C489 2.2uF C489 2.2uF C475 0.1uF C475 0.1uF C484 2.2uF C484 2.2uF C467 0.1uF C467 0.1uF C471 0.1uF C471 0.1uF C474 0.1uF C474 0.1uF C486 0.1uF C486 0.1uF L508 FB L508 FB C487 0.1uF C487 0.1uF C469 0.1uF C469 0.1uF C465 10uF C465 10uF C468 0.1uF C468 0.1uF C491 0.1uF C491 0.1uF AVDD_DDR0_D G17 AVDD3P3_DVI_USB M5 AVDD_AU33 P5 VDDC K15 VDDC L14 VDDC M13 VDDC K14 DVDD_DDR K18 VDDC M14 VDDC M15 VDDC N13 VDDC N14 AVDD25_DADC U11 AVDD_LPLL N7 AVDD3P3_DVI_USB N5 AVDD25_REF T10 AVDD25_DPGA V10 AVDD_DDR0_D F16 AVDD25_LAN R10 AVDD_DDR0_D F17 AVDD_DDR0_D G16 AVDD11_LAN K17 AVDD_NODIE M4 AVDD_MOD T11 VDDP P4 GND D9 GND_EFUSE J8 AVDD25_DADC V11 AVDD3P3_MPLL_ETH N6 GND D10 AVDD_DMPLL N4 GND J11 GND D13 DVDD_NODIE G8 DDR_GND C20 DDR_GND A16 DDR_GND A13 DDR_GND A10 DDR_GND A21 GND D11 DDR_GND C8 AVDD_DDR0_C F15 DDR_GND E21 AVSS_PGA V9 GND E10 GND E11 GND E9 GND E12 GND E16 GND J12 GND J14 GND J15 GND J18 GND K7 GND K10 GND F7 GND F8 GND K11 GND K12 GND L7 GND L8 GND N9 GND N10 GND N11 GND F9 GND M10 GND M11 GND N8 GND P7 GND P8 GND P9 GND P10 GND P11 GND P12 GND P15 GND R6 GND R7 GND R8 DDR_GND F18 GND D14 GND E15 GND E8 DDR_GND G20 GND D12 GND D15 GND D16 GND E13 GND E14 GND R9 AVDD1P1_ADC M12 AVDDL_MOD N12 AVDD25_REF U10 GND D17 GND E17 GND R12 GND R13 GND F12 GND F13 GND F14 GND G7 GND G14 GND H7 GND H8 GND H10 GND H11 GND H12 GND H14 GND H15 GND J7 GND J10 GND R14 GND P13 GND M7 GND M8 GND M9 FB_CORE N15 GND J16 GND J17 VDDC L15 AVDDLV_USB K16 GND P14 GND D8 AVDD_EAR33 P6 GND R15 GND T7 GND T8 GND T9 GND U7 GND U8 GND U9 GND H16 GND H17 GND H18 GND V7 GND V8 GND R11 DDR_GND H20 GND G15 GND G18 N501F MSD6I981BTC N501F MSD6I981BTC C473 0.1uF C473 0.1uF C492 0.1uF C492 0.1uF C485 0.1uF C485 0.1uF 5 5 4 4 3 3 2 2 1 1 D D C C B B A A A_DDR3_A14 A_DDR3_A5 A_DDR3_A9 A_DDR3_A12 A_DDR3_A11 A_DDR3_A3 A_DDR3_A1 A_DDR3_A10 A_DDR3_A2 A_DDR3_A0 A_DDR3_A6 A_DDR3_A7 A_DDR3_A13 A_DDR3_A8 A_DDR3_A4 A_DDR3_CKE A-DDR3-A13 A-DDR3-A14 A_DDR3_BA1 A-DDR3-BA2 A_DDR3_A2 A-DDR3-A11 A_DDR3_A10 A_DDR3_DQU1 A_DDR3_DQU3 A_DDR3_DQU2 A_DDR3_DQU4 A_DDR3_DQU0 A_DDR3_DQU5 A_DDR3_DQU6 A_DDR3_DQU7 A-DDR3-A8 A-DDR3-A9 A-DDR3-A10 A-DDR3-A11 A_DDR3_A14 A_DDR3_A5 A-DDR3-A0 A-DDR3-CASZ A-DDR3-RASZ A-DDR3_MCLK A-DDR3_MCLKZ A-DDR3-BA0 A-DDR3-ODT A-DDR3-A12 A-DDR3-A3 A-DDR3-A10 A-DDR3-CKE A-DDR3-A14 A_DDR3_A1 A_DDR3_BA2 A_DDR3_CKE A_DDR3_DQSL A_DDR3_DQSLB A-DDR3-ODT A-DDR3-RESET A_DDR3_RESET A-DDR3-WEZ A-DDR3-CASZ A-DDR3-A0 A_DDR3_A0 A-DDR3-BA0 A-DDR3-BA1 A-DDR3-BA2 A-DDR3-BA1 A-DDR3-A12 A_DDR3_DMU A_DDR3_BA0 A_DDR3_ODT A-DDR3-A2 A-DDR3-A9 A-DDR3-CKE A_DDR3_A3 A_DDR3_A8 A_DDR3_DQSU A_DDR3_DQSUB A-DDR3-A1 A_DDR3_A4 A-DDR3-A4 A-DDR3-A6 A_DDR3_WEZ A_DDR3_CASZ A_DDR3_RASZ A-MVREFCA A_DDR3_WEZ A_DDR3_RASZ A_DDR3_CASZ A-MVREFDQ A-DDR3-A2 A-DDR3-A3 A_DDR3_A12 A_DDR3_A9 A-DDR3-A1 A-DDR3-A8 A_DDR3_DQL3 A_DDR3_DQL7 A_DDR3_DQL6 A_DDR3_DQL5 A_DDR3_DQL4 A_DDR3_DQL1 A_DDR3_DQL0 A_DDR3_DQL2 A_DDR3_A11 A_DDR3_A6 A-DDR3-A5 A-DDR3-RESET A-DDR3-RASZ A_DDR3_DML A-DDR3-A4 A-DDR3-A5 A-DDR3-A6 A-DDR3-A7 A-DDR3-WEZ A-MVREFCA A-MVREFDQ A_DDR3_DQU1 A_DDR3_DQU3 A_DDR3_DQU2 A_DDR3_DQU4 A_DDR3_DQL3 A_DDR3_DQL7 A_DDR3_DQU0 A_DDR3_DQL6 A_DDR3_DQL5 A_DDR3_DQL4 A_DDR3_DQU5 A_DDR3_DQL0 A_DDR3_DQL1 A_DDR3_DQL2 A_DDR3_DQSL A_DDR3_DQSU A_DDR3_DQSLB A_DDR3_DQSUB A_DDR3_DQU6 A_DDR3_MCLK A_DDR3_MCLKZ A_DDR3_DMU A_DDR3_DML A_DDR3_DQU7 A_DDR3_BA2 A_DDR3_RESET A_DDR3_BA1 A_DDR3_BA0 A_DDR3_ODT A-DDR3_MCLK A-DDR3_MCLKZ A_DDR3_MCLKZ A_DDR3_MCLK A_DDR3_A13 A-DDR3-A7 A_DDR3_A7 A-DDR3-A13 AVDD_DDR0 AVDD_DDR0 1.5V_DDR3 AVDD_DDR0 AVDD_DDR0 AVDD_DDR0 标记数量 签名 更改单号 日期 拟制 审核 第 张 05 05.DDR3 标记数量 签名 更改单号 日期 拟制 审核 第 张 05 05.DDR3 标记数量 签名 更改单号 日期 拟制 审核 第 张 05 05.DDR3 Close to DDR POWER PIN over 1.3G R004 1K/1% R004 1K/1% 7 5 3 1 8 6 4 2 RA015 22RX4 7 5 3 1 8 6 4 2 RA015 22RX4 R002 1K/1% R002 1K/1% R001 1K/1% R001 1K/1% C019 0.1uF C019 0.1uF C014 0.1uF C014 0.1uF 7 5 3 1 8 6 4 2 RA020 22RX4 7 5 3 1 8 6 4 2 RA020 22RX4 C007 0.1uF C007 0.1uF 7 5 3 1 8 6 4 2 RA022 22RX4 7 5 3 1 8 6 4 2 RA022 22RX4 C018 0.1uF C018 0.1uF R007 56R R007 56R C016 0.1uF C016 0.1uF C022 10nF C022 10nF C004 0.1uF C004 0.1uF A_DDR3_A0/DDR2_A5 C12 A_DDR3_A1/DDR2_A13 B14 A_DDR3_A2/DDR2_A9 A11 A_DDR3_A3/DDR2_A10 C10 A_DDR3_A4/DDR2_A2 C16 A_DDR3_A5/DDR2_A3 A9 A_DDR3_A6/DDR2_A4 C15 A_DDR3_A7/DDR2_A7 B10 A_DDR3_A8/DDR2_A8 A14 A_DDR3_A9/DDR2_A14 B11 A_DDR3_A10/DDR2_RASZ B16 A_DDR3_A11/DDR2_A6 B13 A_DDR3_A12/DDR2_A0 A15 A_DDR3_A13/DDR2_A12 C11 A_DDR3_A14/DDR2_A11 C14 A_DDR3_DQ0/DDR2_DQ6 F21 A_DDR3_DQ1/DDR2_DQ0 C18 A_DDR3_DQ2/DDR2_DQ1 G19 A_DDR3_DQ3/DDR2_DQ7 B19 A_DDR3_DQ4/DDR2_DQ4 H19 A_DDR3_DQ5/DDR2_DQ2 A18 A_DDR3_DQ6/DDR2_DQ3 G21 A_DDR3_DQ7/DDR2_DQ5 B18 A_DDR3_DQ8/DDR2_DQ15 B20 A_DDR3_DQ9/DDR2_DQM1 D19 A_DDR3_DQ10/DDR2_DQ10 D18 A_DDR3_DQ11/DDR2_DQ9 F20 A_DDR3_DQ12/DDR2_DQM0 A20 A_DDR3_DQ13/DDR2_DQ12 E20 A_DDR3_DQ14/DDR2_DQ8 C19 A_DDR3_DQ15/DDR2_DQ14 E19 A_DDR3_DQM0//DDR2_DQ13 E18 A_DDR3_DQM1/DDR2_DQ11 F19 A_DDR3_MCLK/DDR2_MCLK A17 A_DDR3_MCLKZ/DDR2_MCLKZ B17 A_DDR3_DQSL/DDR2_DQS0 D20 A_DDR3_DQSLB/DDR2_DQSB0 D21 A_DDR3_DQSU/DDR2_DQS1 C21 A_DDR3_DQSUB/DDR2_DQSB1 B21 A_DDR3_CASZ/DDR2_BA0 A12 A_DDR3_RASZ/DDR2_BA1 B12 A_DDR3_WEZ/DDR2_A1 C13 A_DDR3_ODT/DDR2_WEZ B8 A_DDR3_BA0/DDR2_CKE A8 A_DDR3_BA1/DDR2_CASZ B15 A_DDR3_BA2/DDR2_BA2 C9 A_DDR3_RESET B9 A_DDR3_CKE/DDR2_ODT C17 MIU0 N501A MSD6I981BTC MIU0 N501A MSD6I981BTC C020 0.1uF C020 0.1uF C001 2.2uF C001 2.2uF 7 5 3 1 8 6 4 2 RA011 22RX4 7 5 3 1 8 6 4 2 RA011 22RX4 R009 22R R009 22R C009 1nF C009 1nF R006 56R R006 56R R005 240R/1% R005 240R/1% R003 1K/1% R003 1K/1% 7 5 3 1 8 6 4 2 RA014 22RX4 7 5 3 1 8 6 4 2 RA014 22RX4 C002 0.1uF C002 0.1uF 7 5 3 1 8 6 4 2 RA018 22RX4 7 5 3 1 8 6 4 2 RA018 22RX4 R008 22R R008 22R 7 5 3 1 8 6 4 2 RA010 22RX4 7 5 3 1 8 6 4 2 RA010 22RX4 C017 0.1uF C017 0.1uF C015 0.1uF C015 0.1uF C008 0.1uF C008 0.1uF 7 5 3 1 8 6 4 2 RA019 22RX4 7 5 3 1 8 6 4 2 RA019 22RX4 C012 0.1uF C012 0.1uF 7 5 3 1 8 6 4 2 RA016 22RX4 7 5 3 1 8 6 4 2 RA016 22RX4 7 5 3 1 8 6 4 2 RA021 22RX4 7 5 3 1 8 6 4 2 RA021 22RX4 C011 0.1uF C011 0.1uF A0 N3 A1 P7 A2 P3 A3 N2 A4 P8 A5 P2 A6 R8 A7 R2 A8 T8 A9 R3 A10 L7 A11 R7 A12 N7 DQU0 D7 DQU1 C3 DQU2 C8 DQU3 C2 DQU4 A7 DQU5 A2 DQU6 B8 DQU7 A3 DQSU C7 /DQSU B7 DMU D3 DQL0 E3 DQL1 F7 DQL2 F2 DQL3 F8 DQL4 H3 DQL5 H8 DQL6 G2 DQL7 H7 DQSL F3 /DQSL G3 DML E7 BA0 M2 BA1 N8 BA2 M3 /CS L2 /RAS J3 /CAS K3 /WE L3 CK J7 /CK K7 CKE K9 ODT K1 /RESET T2 VREFCA M8 VREFDQ H1 ZQ L8 VDDQ A1 VDDQ A8 VDDQ C1 VDDQ C9 VDDQ D2 VDDQ E9 VDDQ F1 VDDQ H2 VDDQ H9 VSSQ B9 VSSQ B1 VSSQ D1 VSSQ D8 VSSQ E2 VSSQ E8 VSSQ F9 VSSQ G1 VSSQ G9 VDD B2 VDD D9 VDD G7 VDD K2 VDD K8 VDD N1 VDD N9 VDD R1 VDD R9 VSS A9 VSS E1 VSS G8 VSS J2 VSS J8 VSS M1 VSS M9 VSS P1 VSS P9 VSS T1 VSS T9 NC1 J1 NC2 J9 NC3 L1 NC4 L9 NC5 M7 A13 T3 NC7 T7 VSS B3 N502 K4B2G1646C-HCK0 N502 K4B2G1646C-HCK0 C013 0.1uF C013 0.1uF 7 5 3 1 8 6 4 2 RA017 22RX4 7 5 3 1 8 6 4 2 RA017 22RX4 C021 1nF C021 1nF 7 5 3 1 8 6 4 2 RA013 22RX4 7 5 3 1 8 6 4 2 RA013 22RX4 C005 0.1uF C005 0.1uF C006 0.1uF C006 0.1uF C003 0.1uF C003 0.1uF C010 0.1uF C010 0.1uF 5 5 4 4 3 3 2 2 1 1 D D C C B B A A VGA_HSYNC VGA_VSYNC VGA_VS RGB1-VGA_B VGA_HS RGB1_VGA-G RGB1-VGA_R UART-TX UART-RX UART-TX UART-RX VGA_HSYNC VGA_VSYNC VGA-Bin VGA-Gin VGA-Rin 标记数量 签名 更改单号 日期 拟制 审核 第 张 06 06.VGA 标记数量 签名 更改单号 日期 拟制 审核 第 张 06 06.VGA 标记数量 签名 更改单号 日期 拟制 审核 第 张 06 06.VGA VGA Close to Mstar IC 5 10 4 9 3 8 2 7 1 15 14 13 12 11 6 16 17 XS605 VGA XS605 VGA R608 10K R608 10K 1 2 3 5 6 4 N604 IP4223CZ6 N604 IP4223CZ6 R604 510R R604 510R R602 75R R602 75R R607 100R R607 100R R601 75R R601 75R 1 2 3 5 6 4 N601 IP4223CZ6 N601 IP4223CZ6 R609 10K R609 10K R603 75R R603 75R R606 100R R606 100R R605 510R R605 510R 5 5 4 4 3 3 2 2 1 1 D D C C B B A A AV1 AV2-Vin+ HD1_Y 5V_AMP AVOUT CVBS_OUT HD1_Pr HD1-R HD1_Pb HD1_Y HD1_Pr HD1_Y HD1_Pb AV1-R AV1-L AV1-Vin+ AV1 AV1-Lin AV1-Rin SPDIF-OUT HD1-L AV_LOUT AVOUT SPDIF-OUT HD1_Pr PC_R AVOUT AV_LOUT PC_L AV_ROUT HD1-R AV1-L AV1-R HD1-L HD1_Y SPDIF-OUT AV1 HD1_Pb PC_L PC_R AV_ROUT AV3_IN AL3_IN AR3_IN AV3-Vin+ AV3_IN AR3_IN AL3_IN PH_L PH_R PH_L PH_R AV_ROUT AV_LOUT 5V_AMP 5VA +12V_AMP OP_VCC OP_VCC AV2_VIN SPDIF_OUT HD_Rin HD_Lin CVBS_OUT YPbPr_Y YPbPr_PB YPbPr_PR AV1-Lin AV1-Rin AV1_VIN AV_AUOUTL1 AV_AUOUTR1 VGA-Lin_AU VGA-Rin_AU PH_MUTE AV3_VIN AR3-IN AL3-IN EARPHONE-OUTR EARPHONE-OUTL 标记数量 签名 更改单号 日期 拟制 审核 第 张 07 07.YPbPr&AV 标记数量 签名 更改单号 日期 拟制 审核 第 张 07 07.YPbPr&AV 标记数量 签名 更改单号 日期 拟制 审核 第 张 07 07.YPbPr&AV Keep A_GND trace with Signal. Keep Spacing for L/R cahnnel. Keep trace width(12mil+). 恒流源 1.2VDC 椭圆圈内的参数可以微调 偏压调整,使V602-E=1.2VDC EPHONE OUT & Pr SPDIF OUT & Y(Y复用AV2)Pb & AV1 IN VIDEO OUT VGA_AUDIO_IN & AV OUT ESD AUDIO OP Close to Mstar IC 560pF以往设计均加,现参考设计无 75R Close to Mstar IC 560pF以往设计均加,现参考设计无 必要时,可将RC改成LC 0.5V +- 0.1V VGA Audio IN AV2 Audio IN AV1 IN Audio IN AV1& (AV2 || YPbPr) Audio in Close to Mstar IC Keep A_GND trace with Signal. Keep Spacing for L/R cahnnel. Keep trace width(12mil+). Keep A_GND trace with Signal. Keep Spacing for L/R cahnnel. Keep trace width(12mil+). 560pF以往设计均加,现参考设计无 AV3 散热片 R627 75R R627 75R R633 33R R633 33R R586 NC/0R R586 NC/0R VD604 5.6V VD604 5.6V + C634 100uF + C634 100uF C609 0.1uF C609 0.1uF C556 2.2uF C556 2.2uF R581 68R R581 68R R458 10K R458 10K + C554 100uF/16V + C554 100uF/16V C494 2.2uF C494 2.2uF 1 2 L601 FB_33000440 L601 FB_33000440 1 2 R681 10K R681 10K 1 2 L602 FB_600mA L602 FB_600mA R584 47R R584 47R 1 2 L603 FB_33000440 L603 FB_33000440 C614 NC C614 NC R459 12K R459 12K R575 10K R575 10K R632 1.2K R632 1.2K R621 5.1K R621 5.1K C620 NC/560pF C620 NC/560pF C410 NC/560p C410 NC/560p R588 NC/0R R588 NC/0R 1 2 L604 FB_33000440 L604 FB_33000440 3 1 5 4 6 2 7 V L R XS618 AV3 V L R XS618 AV3 R568 8.2K R568 8.2K R611 75R R611 75R R638 12K R638 12K 1 3 2 C C D ESD V610 NC/PESD5VOS2BT C C D ESD V610 NC/PESD5VOS2BT 1 2 3 V606 3904 V606 3904 1 2 3 5 4 6 N602 NC/IP4223CZ6 N602 NC/IP4223CZ6 R625 75R R625 75R 1 3 2 C C D ESD V609 NC/PESD5VOS2BT C C D ESD V609 NC/PESD5VOS2BT 1 2 3 V607 3904 V607 3904 R582 100R R582 100R R636 10K R636 10K C608 NC/560pF C608 NC/560pF C602 NC/330pF C602 NC/330pF 1 2 L605 FB_33000440 L605 FB_33000440 R635 10K R635 10K R630 6.8K R630 6.8K R639 12K R639 12K R637 12K R637 12K R569 4.7K R569 4.7K R619 12K R619 12K 1 3 2 C C D ESD V608 NC/PESD5VOS2BT C C D ESD V608 NC/PESD5VOS2BT V605 3906 V605 3906 1 2 3 V550 3904 V550 3904 R616 100R R616 100R R577 10K R577 10K R631 3.9K R631 3.9K 1 3 2 C C D ESD V611 NC/PESD5VOS2BT C C D ESD V611 NC/PESD5VOS2BT R628 75R R628 75R R620 22K R620 22K C612 NC/47pF C612 NC/47pF C551 2.2uF C551 2.2uF R640 12K R640 12K 1 2 3 4 12 XS607A YPbPr_AUDIO_IN XS607A YPbPr_AUDIO_IN R623 499R/1% R623 499R/1% R580 330R R580 330R R626 499R 1% R626 499R 1% C622 NC/560pF C622 NC/560pF 1 3 2 C C D ESD V603 NC/PESD5VOS2BT C C D ESD V603 NC/PESD5VOS2BT + C633 100uF + C633 100uF R585 68R R585 68R R578 8.2K R578 8.2K C615 NC C615 NC C607 NC/560pF C607 NC/560pF R629 75R R629 75R C496 2.2uF C496 2.2uF R622 6.8K R622 6.8K 6 4 8 1 2 3 7 5 V Y Pb B XS613 AV_SPDIF V Y Pb B XS613 AV_SPDIF R583 100R R583 100R C621 NC/560pF C621 NC/560pF C553 2.2uF C553 2.2uF R519 12K R519 12K R641 10K R641 10K C552 0.1uF C552 0.1uF 1 3 2 C C D ESD V612 NC/PESD5VOS2BT C C D ESD V612 NC/PESD5VOS2BT C616 NC C616 NC C603 1uF C603 1uF C632 470pF C632 470pF R618 12K R618 12K 1 2 L606 FB_33000440 L606 FB_33000440 2 6 7 1 4 10 8 9 3 5 XS614 HP-RV2 XS614 HP-RV2 C623 NC/560pF C623 NC/560pF 1 2 3 5 4 6 N603 NC/IP4223CZ6 N603 NC/IP4223CZ6 C461 NC/560p C461 NC/560p 5 6 7 8 11 XS607B XS607B R587 47K R587 47K R576 47R R576 47R R579 47K R579 47K R617 10K R617 10K R682 10K R682 10K C604 22pF C604 22pF C611 10uF C611 10uF C555 2.2uF C555 2.2uF R455 10K R455 10K 1 2 3 V551 3904 V551 3904 R610 75R R610 75R C631 470pF C631 470pF R572 4.7K R572 4.7K R642 10K R642 10K R624 49.9R/1% R624 49.9R/1% C610 10uF C610 10uF 1 1 2 2 3 3 4 4 5 5 6 6 7 7 8 8 9 9 10 10 11 12 13 14 15 15 XS612 CON XS612 CON C550 0.1uF C550 0.1uF C601 NC/330pF C601 NC/330pF R615 10K R615 10K C613 NC C613 NC 5 5 4 4 3 3 2 2 1 1 D D C C B B A A R- R+ AMP_EN L- L+ AV_AUOUTL0 AMP_Lout+ AMP_Lout- AMP_Rout+ AMP_Rout- AV_AUOUTR0 AV_AUOUTR0 DET AL_MIC AR_MIC OP AR_MIC OP OP OP AL_MIC OP DET MUTE_EN AMP_Lout+ AMP_Rout+ AMP_Lout- AMP_Rout- GAIN0 AMP_EN HP_MUTE System-RST +12V_AMP AMP_12V AVDD AMP_12V AVDD AMP_12V 5VA 5V_PULL 5V_PULL 5Vstb +12V +12V 3.3Vstb 5VA Tuner_3.3V AV_AUOUTL0 AV_AUOUTR0 MICLIN MIC_DET MICRIN MUTE_EN PH_MUTE System-RST 标记数量 签名 更改单号 日期 拟制 审核 第 张 08 08.MIC& 标记数量 签名 更改单号 日期 拟制 审核 第 张 08 08.MIC& 标记数量 签名 更改单号 日期 拟制 审核 第 张 08 08.MIC& AMP Mic_Drive Audio Output to Side Head Phone 与LED不同点:删除L203后的220uF电容,C205,C226由220uF更改为470uF MUTE Control H:ON L:OFF L- L+ R- R+ 耳机,不插就接地,插上就悬空 C279 0.1uF C279 0.1uF R214 20K R214 20K C264 2.2uF C264 2.2uF 1 2 L213 NC/FB L213 NC/FB R238 10K/NC R238 10K/NC C210 0.22uF/25V C210 0.22uF/25V R257 1K R257 1K R248 100K/NC R248 100K/NC C215 0.22uF/25V C215 0.22uF/25V R265 33K R265 33K C269 1nF C269 1nF C262 3.3nF C262 3.3nF C203 0.1uF C203 0.1uF C204 1uF/25V C204 1uF/25V 3 1 2 V218 BAV99 V218 BAV99 1 3 2 V207 3904 V207 3904 1 2 3 XS202 D2514-3A XS202 D2514-3A C255 1nF C255 1nF R269 33K R269 33K R255 47K R255 47K L214 15uH L214 15uH 1 2 3 V220 3904/NC V220 3904/NC + C205 470uF + C205 470uF C275 10uF C275 10uF C251 2.2uF C251 2.2uF R266 1K R266 1K 1 2 3 XS201 D2514-3A XS201 D2514-3A R279 1K R279 1K 1 2 L221 FB_600mA L221 FB_600mA C276 0.47uF C276 0.47uF R250 47K/NC R250 47K/NC C208 0.47uF C208 0.47uF R223 10K R223 10K R280 1K R280 1K R206 1K R206 1K C225 0.1uF C225 0.1uF R262 1K R262 1K 1 2 L215 NC/FB L215 NC/FB C280 0.1uF C280 0.1uF C223 0.47uF C223 0.47uF R273 NC/0R R273 NC/0R 3 1 2 V215 BAV99 V215 BAV99 + C226 470uF + C226 470uF C216 0.22uF C216 0.22uF C281 10nF C281 10nF C242 2.2uF C242 2.2uF C220 1nF C220 1nF R212 NC/0R R212 NC/0R GND 1 RESET# 2 VCC 3 N206 APX809-4.4 N206 APX809-4.4 C243 3.3nF C243 3.3nF R270 1K R270 1K R275 10K R275 10K 3 1 2 V216 BAV99 V216 BAV99 R211 1K R211 1K 3 2 1 8 4 - + N810A AZ4558 - + N810A AZ4558 L204 15uH L204 15uH C286 10nF C286 10nF R247 10K R247 10K 1 2 L220 FB_600mA L220 FB_600mA C213 2.2uF C213 2.2uF + C284 100uF + C284 100uF C248 10nF C248 10nF C282 2.2uF C282 2.2uF L210 15uH L210 15uH 3 1 2 V213 BAT54C V213 BAT54C C283 10uF C283 10uF C265 2.2uF C265 2.2uF C209 0.22uF C209 0.22uF R240 100R/NC R240 100R/NC R249 100R R249 100R C258 0.1uF C258 0.1uF V219 PMV65XP V219 PMV65XP C261 2.2uF C261 2.2uF C250 10nF C250 10nF 5 6 7 8 4 - + N810B AZ4558 - + N810B AZ4558 R216 NC/10K R216 NC/10K C202 1000pF/35V C202 1000pF/35V R245 10K R245 10K L203 15uH L203 15uH 1 2 L208 NC/FB L208 NC/FB C254 0.1uF C254 0.1uF 1 2 L211 NC/FB L211 NC/FB R277 47K R277 47K R217 NC/10K R217 NC/10K C217 0.22uF C217 0.22uF R241 47K/NC R241 47K/NC R244 10K R244 10K R282 10K R282 10K C227 0.47uF C227 0.47uF C224 1000pF/35V C224 1000pF/35V NC 3 AVDD 4 VIPL 1 VINL 2 AVSS 8 REXT 7 SD_B 5 FAULT_B 6 VIPR 12 VINR 11 G0 10 NC 9 PVSSR 16 OUTPR 15 BSPR 14 PVDDR 13 OUTNR 17 BSNR 18 BSNL 19 OUTNL 20 PVSSL 21 OUTPL 22 BSPL 23 PVDDL 24 PowerPAD 25 MSH9010 N202 MSH9010 N202 C277 10uF C277 10uF R259 100R R259 100R 1 2 L216 FB_3A L216 FB_3A R230 47K R230 47K 1 2 3 4 5 XS622 PJ-0004PX-5B XS622 PJ-0004PX-5B C257 27pF C257 27pF R210 100K R210 100K R233 NC/3.3K R233 NC/3.3K C221 0.22uF C221 0.22uF L212 15uH L212 15uH 1 3 2 V209 3904 V209 3904 R226 47K R226 47K C218 0.22uF/25V C218 0.22uF/25V C206 0.47uF C206 0.47uF C222 0.22uF/25V C222 0.22uF/25V R242 47K R242 47K R272 1K R272 1K R276 10K R276 10K 1 3 2 C C D ESD V214 NC/PESD5VOS2BT C C D ESD V214 NC/PESD5VOS2BT R278 100K R278 100K R246 10K R246 10K 3 1 2 V217 BAV99 V217 BAV99 1 2 L202 FB_3A L202 FB_3A C239 27pF C239 27pF 5 5 4 4 3 3 2 2 1 1 D D C C B B A A HDMI2-RX1N HDMI2_CEC HDMI2-RX0P HDMI2-RX0N HDMI2-CLKP HDMI2-CLKN HDMI1-RX1P HDMI1-RX2N HDMI1-RX1N HDMI1-CLKP HDMI1-RX0N HDMI1-RX0P HDMI1-CLKN HDMI1-RX2P HDMI2-RX1P DDC1BSCL HDMI-CEC HDMI1_CEC DDC1BSDA DDC2BSDA HDMI2_HPDIN HDMI2-5V HDMI2_CEC HDMI1-5V HDMI1_CEC HDMI1_HPDIN DDC2BSCL HDMI2-RX2P HDMI2-RX2N HDMI1-SDA HDMI1-SCL HDMI1-HPDIN HDMI1_HPDIN HDMI2-HPDIN HDMI2_HPDIN HDMI2-SDA HDMI2-SCL HDMI_ARC HDMI_ARC HDMI1_CLKN HDMI1_RX2P HDMI1_RX2N HDMI1_RX1P HDMI1_RX1N HDMI1_RX0P HDMI1_RX0N HDMI1_CLKP HDMI2_CLKN HDMI2_RX2P HDMI2_RX2N HDMI2_RX1P HDMI2_RX1N HDMI2_RX0P HDMI2_RX0N HDMI2_CLKP HDMI1-5V HDMI2-5V HDMI_ARC HDMI1-5V HDMI1-5V HDMI1-5V HDMI2-5V HDMI2-5V HDMI2-5V 3.3V_Normal 3.3V_Normal HDMI2-RX2P HDMI2-RX2N HDMI2-RX1P HDMI2-RX1N HDMI2-RX0P HDMI2-RX0N HDMI2-CLKP HDMI2-CLKN HDMI1-RX2P HDMI1-RX0P HDMI1-RX0N HDMI1-RX1P HDMI1-RX1N HDMI1-CLKN HDMI1-RX2N HDMI1-CLKP HDMI-CEC HDMI1-SCL HDMI1-SDA HDMI1-HPDIN HDMI2-HPDIN HDMI2-SCL HDMI2-SDA HDMI1_DET HDMI2_DET HDMI-ARC 标记 数量 签名 更改单号 日期 拟制 审核 第 张 09 09.HDMI 标记 数量 签名 更改单号 日期 拟制 审核 第 张 09 09.HDMI 标记 数量 签名 更改单号 日期 拟制 审核 第 张 09 09.HDMI To MST IC For CEC 2nd HDMI 1st HDMI 180-Degree Connector 180-Degree Connector Hot-Plug Control HDMI Detect For ARC 1 2 3 V404 3904 V404 3904 R669 10R R669 10R R456 10K R456 10K R653 10R R653 10R R677 0R R677 0R R457 1K R457 1K R657 10K R657 10K R671 10R R671 10R R672 10R R672 10R C642 2.2uF C642 2.2uF R654 1K R654 1K R652 10R R652 10R R510 10K R510 10K R656 10K R656 10K C630 0.1uF C630 0.1uF R518 1K R518 1K R658 10R R658 10R R651 10R R651 10R R662 100R R662 100R R698 0R R698 0R 1 2 3 V614 3904 V614 3904 R679 4.7K R679 4.7K R699 0R R699 0R R503 10K R503 10K R661 100R R661 100R R676 10K R676 10K C641 0.1uF C641 0.1uF R647 10R R647 10R R504 10K R504 10K R675 10R R675 10R R660 NC/0R R660 NC/0R DATA2+ 1 DATA2 SHIELD 2 DATA2- 3 DATA1+ 4 DATA1 SHIELD 5 DAT1A- 6 DATA0+ 7 DATA0 SHIELD 8 DATA0- 9 CLK+ 10 CLK SHIELD 11 CLK- 12 CEC 13 NC 14 SCL 15 SDA 16 DDC/CEC GND 17 +5V POWER 18 HOT PLUG 19 20 20 21 21 23 23 22 22 24 24 XS602 HDMI XS602 HDMI R650 10R R650 10R R678 100R R678 100R R663 4.7K R663 4.7K R680 100R R680 100R R666 220R R666 220R R664 10R R664 10R 1 2 3 V402 3904 V402 3904 R665 10R R665 10R R649 10R R649 10R R659 10K R659 10K R540 10K R540 10K 1 2 3 V613 3904 V613 3904 R667 10R R667 10R R655 10R R655 10R R673 10K R673 10K R541TitleBlock0 10K R541TitleBlock0 10K R670 1K R670 1K R668 10R R668 10R DATA2+ 1 DATA2 SHIELD 2 DATA2- 3 DATA1+ 4 DATA1 SHIELD 5 DAT1A- 6 DATA0+ 7 DATA0 SHIELD 8 DATA0- 9 CLK+ 10 CLK SHIELD 11 CLK- 12 CEC 13 NC 14 SCL 15 SDA 16 DDC/CEC GND 17 +5V POWER 18 HOT PLUG 19 20 20 21 21 23 23 22 22 24 24 XS601 HDMI XS601 HDMI R674 10K R674 10K 5 5 4 4 3 3 2 2 1 1 D D C C B B A A TUNER-SCL TUNER-SDA IF-IN+ IF-IN- TAGC VIFM VIFP IF-IN- IF-IN+ 3.3V_Tuner 3.3V_Tuner 3.3V_Tuner 3.3V_Tuner 3.3V_Tuner 3.3V_Tuner 3.3V_Tuner 3.3V_Tuner 3.3V_Tuner 3.3V_Tuner VIFM VIFP TAGC I2C-SCL I2C-SDA 标记数量 签名 更改单号 日期 拟制 审核 第 张 10 10.TURNER 标记数量 签名 更改单号 日期 拟制 审核 第 张 10 10.TURNER 标记数量 签名 更改单号 日期 拟制 审核 第 张 10 10.TURNER pin1 pin16 pin27 pin35 3.3V_Tuner的滤波电容 比981C LED多的部分 删除电容、R191改成0R C136 0.47uF C136 0.47uF C134 0.47uF C134 0.47uF C109 82pF/50V 5% C109 82pF/50V 5% R191 1K R191 1K Z100 16MHz Z100 16MHz L125 2.4nH_220mA_+/-0.05nH L125 2.4nH_220mA_+/-0.05nH C138 0.47uF C138 0.47uF R192 0R R192 0R C110 150pF 50V 5% C110 150pF 50V 5% C128 33pF 50V 5% C128 33pF 50V 5% L126 2.2nH 1000mA +/- 0.2nH L126 2.2nH 1000mA +/- 0.2nH 5 4 3 2 1 XS100 IEC Female XS100 IEC Female C137 0.47uF C137 0.47uF C127 0.1uF C127 0.1uF C129 0.22uF C129 0.22uF C140 0.1uF C140 0.1uF R190 430R R190 430R L107 330nH/180nH 140mA 5% L107 330nH/180nH 140mA 5% C115 6.8nF 50V 10% C115 6.8nF 50V 10% C130 6.8nF 50V 10% C130 6.8nF 50V 10% C131 10uF/16V C131 10uF/16V C141 0.1uF C141 0.1uF C106 120pF/100V/5% C106 120pF/100V/5% C117 2.7nF 50V 10% C117 2.7nF 50V 10% L108 220nH 120mA 5% L108 220nH 120mA 5% C111 100nF 16V 10% C111 100nF 16V 10% C119 0.22uF C119 0.22uF C135 10p C135 10p L124 100nH_150mA_+/-5% L124 100nH_150mA_+/-5% C133 0.47uF C133 0.47uF C108 120pF/100V/5% C108 120pF/100V/5% L123 8.2nH_110mA_+/-0.1nH L123 8.2nH_110mA_+/-0.1nH C120 33pF 50V 5% C120 33pF 50V 5% GNDSYNT 18 VTUNE 19 CP 20 XTOUT1 21 XTOUT2 22 CAPREGVCO 17 IFP 25 GNDIF 26 V_IF_AGC 28 VCCIF 27 IRQ 30 V_Sync 29 DGND 23 IFN 24 VHFSupply 31 VHFL 32 VCCRF 1 RFin 2 NC 3 NC 4 DGND 5 AS_XTSEL 6 DGND 7 TEST1 8 TEST2 9 DGND 10 SCL 11 DGND 13 XtalP 14 SDA 12 XtalN 15 VCCSYN 16 CapRFAGC 40 RF_AGC_sense 39 UHFH 38 UHFSupply 37 UHFL 36 VCCRF 35 VHFH 34 VHFSense 33 GNDIF 41 N100 TDA18273 N100 TDA18273 5 5 4 4 3 3 2 2 1 1 D D C C B B A A USB2_D- USB2_D+in USB1_D+in USB2_D-in USB2_D+ USB1_D-in USB1_D+ USB1_D- USB1_D+in USB2_D+in USB2_D-in USB1_D-in USB2_D- USB2_D+ USB1_D- USB1_D+ MDI_RP MDI_RN MDI_TP MDI_TN REGOUT MDI_TP MDI_TN MDI_RP MDI_RN LAN_RX+ LAN_TX+ LAN_TX- LAN_RX- EN-USB USB2_D+in USB2_D-in USB1_D+in USB1_D-in ETH_GND VBUS VBUS1 VBUS VBUS2 VBUS EN-USB ETH_GND ETH_GND 2.5V_Normal +5VUSB ETH_GND 3.3V_Normal 5VA +5VUSB USB2_D+ 2 USB2_D- 2 USB1_D- 2 USB1_D+ 2 MDI_RP 21 MDI_RN 21 MDI_TN 21 MDI_TP 21 EN-USB 标记数量 签名 更改单号 日期 拟制 审核 第 张 11 11.ETHERNET & USB 标记数量 签名 更改单号 日期 拟制 审核 第 张 11 11.ETHERNET & USB 标记数量 签名 更改单号 日期 拟制 审核 第 张 11 11.ETHERNET & USB Y G USB ETHERNET 1.5A Switch VCC 8 D- 7 D+ 6 GND 5 SHLD 11 SHLD 12 USB_A-REC-RA-THRU XSU01-2 USB_A-REC-RA-THRU XSU01-2 CU67 10nF CU67 10nF CU04 0.1uF CU04 0.1uF IN 5 OUT 1 EN 4 GND 2 FLAG 3 NU23 MC2110 NU23 MC2110 VCC 4 D- 3 D+ 2 GND 1 SHLD 9 SHLD 10 USB_A-REC-RA-THRU XSU01-1 USB_A-REC-RA-THRU XSU01-1 1 2 LU65 FB LU65 FB RU35 NC/100K RU35 NC/100K RU37 100K RU37 100K CU22 1uF CU22 1uF CU66 1000pF/2KV CU66 1000pF/2KV +CU35 100uF +CU35 100uF TD+ 1 TD- 3 CT 2 CT 7 RD+ 6 RD- 8 TX+ 16 CT 15 TX- 14 RX+ 11 TC 10 RX- 9 nc 4 nc 5 nc 12 nc 13 NU7 PD1602 NU7 PD1602 1 2 3 5 6 4 NU02 IP4223CZ6 NU02 IP4223CZ6 RU34 100K RU34 100K RU21 5.1R RU21 5.1R +CU36 100uF +CU36 100uF CU05 0.1uF CU05 0.1uF 6 7 3 4 5 8 1 2 9 10 11 12 13 14 15 16 RJ-45 - + + - XSU05 ETHERNET_JACK RJ-45 - + + - XSU05 ETHERNET_JACK RU97 75R RU97 75R FU01 NC\PTC_1.5A FU01 NC\PTC_1.5A RU98 75R RU98 75R RU31 5.1R RU31 5.1R CU03 10uF CU03 10uF CU68 10uF CU68 10uF RU95 75R RU95 75R RU20 5.1R RU20 5.1R 1 2 LU64 FB LU64 FB RU96 75R RU96 75R RU19 5.1R RU19 5.1R 5 5 4 4 3 3 2 2 1 1 D D C C B B A A I2C-SCL SCL SDA I2C-SDA 3D_sync_o/ODSEL SELVDS/3D_EN LVDS_SEL ODSEL/OPC_OUTPUT 3D_SYNC_I/VBR SCL ODSEL OPC_EN/L_DIM SDA 3D_SYNC_I/8b SELLVDS LVDS_8b B0M B0P B1M B2P B1P B3M BCKM BCKP B2M B4M B4P B3P A0M A0P A1P A1M ACKM A2P A2M A3P ACKP A4P A3M A4M B0- B0+ A0- A0+ A1+ A1- ACK- A2+ A2- A3+ ACK+ A4+ A3- B1- A4- B2+ B1+ B3- BCK- BCK+ B2- B4- B4+ B3+ LVDS_SEL B2P B3M BCKM BCKP B2M B4M B4P B3P A0M A0P A1M A1P A2M A2P ACKM ACKP A3P A3M A4P A4M 3D_SYNC_I/8b B0M B0P B1M B1P 3D_SYNC_I/VBR ODSEL/OPC_OUTPUT OPC_EN/L_DIM LVDS_SEL 3D_SYNC_I/8b ODSEL/OPC_OUTPUT SDA 3D_SYNC_I/VBR OPC_EN/L_DIM A4P BCKP SCL A0P ACKP B1P A1P B0P A2P B3P B4P A3P B2P A0M A2M B0M B3M A1M A3M B2M B1M ACKM B4M A4M BCKM 3V3_P 3V3_P VCC-Panel VCC-Panel VCC-Panel VCC-Panel PWM_IN I2C-SCL I2C-SDA L_DIM LVDS_8b ODSEL SELLVDS A4- A2+ B2- A0+ A2- B2+ A4+ B4+ BCK- ACK- A1+ BCK+ B0- ACK+ B3- B0+ B3+ B1- A3- A0- B4- B1+ A3+ A1- 标记数量 签名 更改单号 日期 拟制 审核 第 张 12 12.LVDS 标记数量 签名 更改单号 日期 拟制 审核 第 张 12 12.LVDS 标记数量 签名 更改单号 日期 拟制 审核 第 张 12 12.LVDS 靠近MSD6i981放置 差分线和DEMO相比:正负对调 高清 2x17芯 50芯2.0间距插座定义 7 5 3 1 8 6 4 2 RA027 0RX4 7 5 3 1 8 6 4 2 RA027 0RX4 R022 NC/4.7K R022 NC/4.7K R037 NC/4.7K R037 NC/4.7K 1 2 3 4 5 6 7 8 9 10 11 12 13 14 15 16 17 18 19 20 21 22 23 24 25 26 27 28 29 30 31 32 33 34 35 36 37 38 39 40 41 42 43 44 45 46 47 48 49 51 50 52 53 XS504 51Pin XS504 51Pin 3 1 4 2 RA026 0RX2 3 1 4 2 RA026 0RX2 R038 NC/4.7K R038 NC/4.7K R023 NC/4.7K R023 NC/4.7K 3 1 4 2 RA025 0RX2 3 1 4 2 RA025 0RX2 R030 NC/100R R030 NC/100R C057 0.1uF C057 0.1uF R025 NC/4.7K R025 NC/4.7K 3 1 4 2 RA029 0RX2 3 1 4 2 RA029 0RX2 R035 NC/100R R035 NC/100R R026 NC/4.7K R026 NC/4.7K R016 NC/100R R016 NC/100R R014 NC/100R R014 NC/100R 7 5 3 1 8 6 4 2 RA028 0RX4 7 5 3 1 8 6 4 2 RA028 0RX4 R013 NC/100R R013 NC/100R R036 NC/4.7K R036 NC/4.7K R012 NC/100R R012 NC/100R 10 12 14 16 18 25 27 29 31 33 35 20 22 24 26 28 37 39 41 43 30 32 34 45 47 49 36 38 40 42 44 46 48 50 2 4 6 8 7 9 11 13 15 17 19 21 23 1 3 5 XS501 XS501 R011 390R R011 390R R015 NC/100R R015 NC/100R 3 1 4 2 RA030 0RX2 3 1 4 2 RA030 0RX2 R017 NC/100R R017 NC/100R R034 NC/100R R034 NC/100R R020 NC/4.7K R020 NC/4.7K 7 5 3 1 8 6 4 2 RA023 0RX4 7 5 3 1 8 6 4 2 RA023 0RX4 R031 NC/4.7K R031 NC/4.7K R024 NC/4.7K R024 NC/4.7K 7 5 3 1 8 6 4 2 RA024 0RX4 7 5 3 1 8 6 4 2 RA024 0RX4 R019 NC/4.7K R019 NC/4.7K R032 NC/4.7K R032 NC/4.7K R021 NC/4.7K R021 NC/4.7K R010 1K R010 1K R018 NC/4.7K R018 NC/4.7K

标签:

版权声明

1. 本站所有素材,仅限学习交流,仅展示部分内容,如需查看完整内容,请下载原文件。
2. 会员在本站下载的所有素材,只拥有使用权,著作权归原作者所有。
3. 所有素材,未经合法授权,请勿用于商业用途,会员不得以任何形式发布、传播、复制、转售该素材,否则一律封号处理。
4. 如果素材损害你的权益请联系客服QQ:77594475 处理。