康佳LED39F3200CE液晶电视35016890板电路原理图

分类:电子电工 日期: 点击:0
康佳LED39F3200CE液晶电视35016890板电路原理图-0 康佳LED39F3200CE液晶电视35016890板电路原理图-1 康佳LED39F3200CE液晶电视35016890板电路原理图-2 康佳LED39F3200CE液晶电视35016890板电路原理图-3 康佳LED39F3200CE液晶电视35016890板电路原理图-4 康佳LED39F3200CE液晶电视35016890板电路原理图-5 康佳LED39F3200CE液晶电视35016890板电路原理图-6 康佳LED39F3200CE液晶电视35016890板电路原理图-7 康佳LED39F3200CE液晶电视35016890板电路原理图-8 康佳LED39F3200CE液晶电视35016890板电路原理图-9

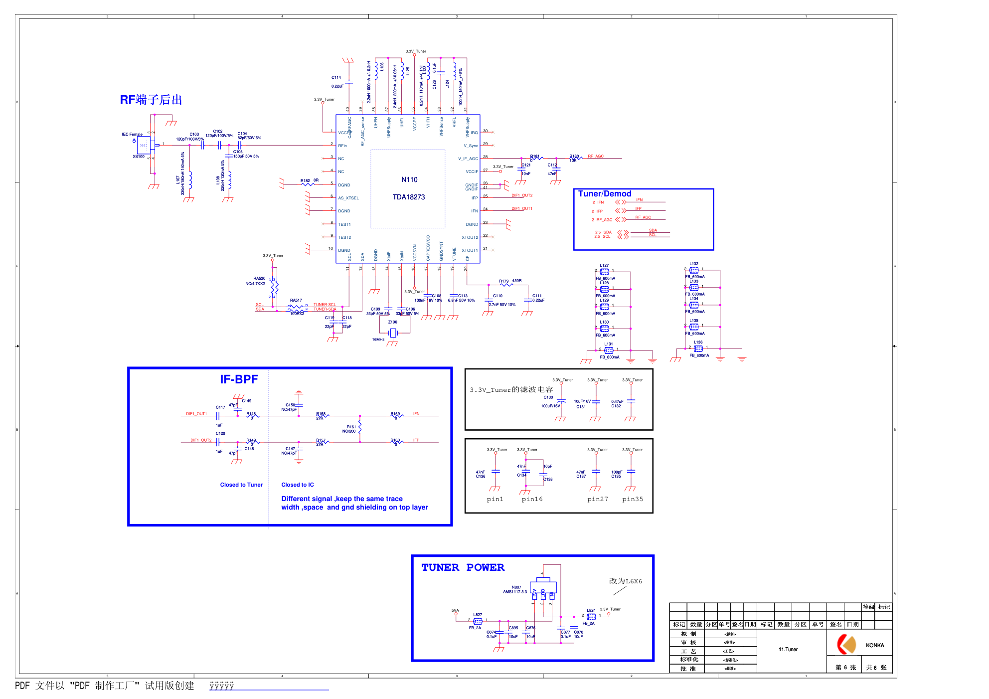
A A B B C C D D E E 4 4 3 3 2 2 1 1 BKLT_EN POWER-ON/OFF POWER-ON/OFF BKLT_EN BL_DIMMING BKLT_ADJ On_Panel 5V-STBIN BL_ON/OFF OPWRSB POWER-ON/OFF BL_DIMMING BL_ON/OFF On_Panel POWER-ON/OFF OPWRSB BKLT_ADJ VCC12V AVDD3V3 DVDD3V3 DDR_V 5VA VCCK VCCK AVDD1V2 +12V 3.3Vstb 3.3VA 3.3VA 5VA 5Vstb 3.3Vstb 5VA VCC_Panel +12V 5VA 5Vstb +12V 5VA 5Vstb VCCK AVDD3V3 3.3VA 3.3Vstb 5VA ADAC_3V3 AVDD3V3 5VA VCCK VCC12V 5Vstb BL_DIMMING 2 BL_ON/OFF 2 On_Panel 2 POWER-ON/OFF 2 OPWRSB 2 POWER-ON/OFF 2 BKLT_EN 8 BKLT_ADJ 8 VCC12V 7 标记 数量 等级 标记 批 准 标准化 工 艺 审 核 拟 制 签名日期 分区单号 数量 签名 单号 分区 标记 日期 第 张 共 张 KONKA <拟制> <审核> <工艺> <标准化> <批准> 03.System Power 11 1 标记 数量 等级 标记 批 准 标准化 工 艺 审 核 拟 制 签名日期 分区单号 数量 签名 单号 分区 标记 日期 第 张 共 张 KONKA <拟制> <审核> <工艺> <标准化> <批准> 03.System Power 11 1 标记 数量 等级 标记 批 准 标准化 工 艺 审 核 拟 制 签名日期 分区单号 数量 签名 单号 分区 标记 日期 第 张 共 张 KONKA <拟制> <审核> <工艺> <标准化> <批准> 03.System Power 11 1 HI = > POWER_OFF LO = > POWER_ON MAIN POWER CONTROL STANDBY POWER ANALOG POWER AVDD3V3 DRAM POWER 1.25 x (1+100/100) =2.5V for DDR1 ANALOG POWER AVDD3V3_ADAC(For Audio) 1.25 x (1+47/100) =1.8V for DDR2 Need finetune Close to SOC R853 for DDR1 R854 for DDR2 H:OFF L:ON 5V STANDBY TCON POWER 5TVstb 1A电源不装9435 与电源部分接口 feedback 0.923 VCC_Panel CORE POWER 1.2V 3.3Vstb 5VA L806 10uH L806 10uH C841 0.1uF C841 0.1uF 1 2 L808 FB_2A L808 FB_2A C889 NC/0.1uF C889 NC/0.1uF R832 10K R832 10K F801 F5A/32V F801 F5A/32V R828 1K R828 1K R804 10K R804 10K V802 NC/WPM3407 V802 NC/WPM3407 1 2 L826 FB_600mA L826 FB_600mA C888 NC/10uF/10V C888 NC/10uF/10V C863 0.1uF C863 0.1uF R831 100R R831 100R C881 10uF/10V C881 10uF/10V R837 0R R837 0R R822 2.2K R822 2.2K R829 1K R829 1K D 1 D 2 D 3 G 4 S 8 S 7 S 6 S 5 V801 WPM9435 V801 WPM9435 C848 10uF C848 10uF C885 10uF C885 10uF C828 0.1uF C828 0.1uF 1 2 L807 FB_3A L807 FB_3A C892 0.1uF C892 0.1uF R814 15 R814 15 R824 NC R824 NC 1 2 L823 FB_600mA L823 FB_600mA C865 10uF C865 10uF 1 2 L812 FB_3A L812 FB_3A R835 100K R835 100K 3 2 1 GND IN OUT N809 NC/WL2004 GND IN OUT N809 NC/WL2004 C883 10uF C883 10uF + C893 100uF/16V + C893 100uF/16V R838 0R R838 0R 3 2 1 4 ADJ OUT IN N810 AMS1117-2.5 ADJ OUT IN N810 AMS1117-2.5 L801 2.2uH L801 2.2uH 1 2 L815 FB_4A L815 FB_4A + C858 NC/220uF + C858 NC/220uF C843 10uF C843 10uF R806 33 R806 33 R833 4.7K R833 4.7K R834 2.7K/1% R834 2.7K/1% C847 22uF C847 22uF 3 2 1 4 ADJ OUT IN N808 AMS1117-3.3 ADJ OUT IN N808 AMS1117-3.3 C884 0.1uF C884 0.1uF R841 47K R841 47K 3 2 1 GND IN OUT N806 WL2004 GND IN OUT N806 WL2004 C882 10uF C882 10uF 1 2 L810 FB_3A L810 FB_3A C879 0.1uF C879 0.1uF C875 10uF/10V C875 10uF/10V R801 11K 1% R801 11K 1% C814 0.1uF C814 0.1uF 1 2 3 V811 3904 V811 3904 + C834 220uF + C834 220uF C891 0.1uF C891 0.1uF C831 3.3nF C831 3.3nF V806 3904 V806 3904 C887 NC/0.1uF C887 NC/0.1uF R836 12K/1% R836 12K/1% C886 NC/10uF/10V C886 NC/10uF/10V R851 100K R851 100K V804 3904 V804 3904 C845 15pF C845 15pF R810 4.7K R810 4.7K C890 10uF C890 10uF R808 NC/4.7K R808 NC/4.7K V805 3904 V805 3904 C829 0.1uF C829 0.1uF R803 10K 1% R803 10K 1% C873 0.1uF C873 0.1uF R811 4.7K R811 4.7K C852 NC/10uF/16V C852 NC/10uF/16V C844 0.1uF C844 0.1uF C866 0.1uF C866 0.1uF C864 10uF C864 10uF C857 0.47uF C857 0.47uF + C896 100uF/16V + C896 100uF/16V R827 NC/1K R827 NC/1K R823 NC R823 NC C840 0.1uF C840 0.1uF R802 NC R802 NC R809 100R R809 100R C854 0.1uF C854 0.1uF 1 2 L814 NC/FB_3A L814 NC/FB_3A 1 2 L804 FB L804 FB R852 47K R852 47K IN 2 GND 4 BS 1 FB 5 COMP 6 EN 7 SS 8 SW 3 N802 FR9888 N802 FR9888 R849 10K R849 10K C830 10uF C830 10uF 1 2 3 V810 3904 V810 3904 C894 0.1uF C894 0.1uF R830 100R R830 100R C846 NC/0.1uF C846 NC/0.1uF 1 2 L822 FB_2A L822 FB_2A 1 2 L816 FB_4A L816 FB_4A C833 10uF C833 10uF R842 100K R842 100K C842 0.1uF C842 0.1uF S 1 S 2 S 3 G 4 D 8 D 7 D 6 D 5 V803 WPM9435 V803 WPM9435 C867 0.1uF C867 0.1uF R839 0R R839 0R C880 10uF C880 10uF R853 0 R853 0 C837 0.1uF C837 0.1uF R807 4.7K R807 4.7K F803 PTC_1.5A F803 PTC_1.5A 1 2 L811 FB_3A L811 FB_3A R850 1K R850 1K C826 10nF C826 10nF 1 2 L825 FB_2A L825 FB_2A C832 10uF C832 10uF EN 1 GND 2 LX 3 GND 5 IN 4 FB 6 N801 SY8009A N801 SY8009A PDF 文件以 "PDF 制作工厂" 试用版创建 ÿÿÿÿ ÿ � 5 5 4 4 3 3 2 2 1 1 D D C C B B A A E3P E3N E2P E2N E1P E1N E0P E0N O3P O3N OCKP OCKN O2P O2N O1P O1N O0P O0N On_Panel Strap_IN2 OXTALO OXTALI VCCK VCCK IR_in HDMI_SDA HDMI_SCL HDMI_CEC VCCK OPWRSB Strap_IN0 VCCK RX_C RX_0 RX_0B RX_CB RX_1 RX_1B RX_2 RX_2B Key_in VCCK VDAC_OUT AVDD10_LDO COM GP BP VSYNC RP SOG HSYNC CVBS2 HDMI_HPD U0TX U0RX RF_AGCO Y1P PB1P SOY1 COM1 PR1P CVBS1 VCCK DVDD3V3IO AVDD3V3_PLL AVDD3V3_MEMPLL BL_DIMMING USB_D0P USB_D0M USB_D1M USB_D1P SPDIFO Strap_IN3 DDR_V DDR_V DDR_V DDR_V DDRVREF HDMI_ARC VGASDA MUTE_AMP BL_ON/OFF VGASCL ORESET# AVDD3V3_ADAC0 YPbPr_L_In AV1_L_In YPbPr_R_In AV1_R_In IFN IFP HP_R HP_L VCCK DDR_V S_CLK S_D S_Q S_CE AOLRCK Strap_IN1 AOBCK AOSDATA0 SDA SCL SDA SCL U0TX U0RX IFN IFP OPWRSB USB_D1P USB_D1M USB_D0P USB_D0M BL_DIMMING RF_AGC RX_C RX_CB RX_0 RX_0B RX_1 RX_1B RX_2 RX_2B HDMI_SDA HDMI_SCL HDMI_HPD HDMI_CEC BL_ON/OFF ON_Panel VCCK DDR_V AVDD3V3_MEMPLL YPbPr_L_In YPbPr_R_In AV1_L_In AV1_R_In MUTE_AMP PR1P Y1P PB1P VDAC_OUT SOY1 SPDIFO AOMCK AOLRCK HP_R HP_L COM1 CVBS2 CVBS1 AOBCK AOSDATA0 VGASDA VGASCL BP GP COM VSYNC RP HSYNC SOG OXTALI OXTALO Key_in LED_R IR_in +3.3VSTB KEY-in IR-in LED_R LED_G KEY-in POWER-ON/OFF IR-in KEY-in IR-in +3.3VSTB LED_R LED_G ORESET# S_Q S_CLK S_D DV33_SPI S_CE Strap_IN1 Strap_IN0 Strap_IN2 Strap_IN3 AOSDATA0 AOBCK AOMCK AOLRCK AVDD3V3_ADAC0 Key_in HDMI_ARC POWER-ON/OFF LED_G U0RX U0TX RF_AGC On_Panel LVDS_SEL E1P E0P E0N OCKN O0P E1N OCKP E2N O0N E3P E2P O1N E3N OCKN O2N OCKP O1P B1P RXE1+ B0M RXE0- O2P B3P RXE3+ B3M RXE3- ACKM RXOC- A2P RXO2+ A2M RXO2- B1M RXE1- ACKP RXOC+ A0M RXO0- A0P RXO0+ B2P RXE2+ B2M RXE2- A1M RXO1- A1P RXO1+ A3M RXO3- A3P RXO3+ B0P RXE0+ O3P O3N BCKP RXEC+ BCKM RXEC- OD_SEL OD_SEL RXE0- RXE2- RXO1- RXO3- RXE3- RXE2+ RXO1+ RXO3+ RXE3+ RXO2- RXE4- RXO0- RXO2+ RXE0+ RXO4- RXE4+ RXO4+ RXEC- RXE1- RXOC- LVDS_SEL RXEC+ RXOC+ RXO0+ RXE1+ RXO4- RXO4+ RXE1- RXE1+ LVDS_SEL RXE0- RXE3- RXE3+ RXE4- RXE4+ RXO3- RXO3+ RXE0+ RXE2- RXE2+ RXOC- RXOC+ RXEC- RXEC+ RXO1- RXO1+ RXO2- RXO0- RXO2+ RXO0+ AOMCK DDR_V STB3V3_XTAL STB3V3 STB3V3_VGA AVDD1V2_HDMI AVDD3V3_HDMI AVDD3V3_USB AVDD1V2_DEMOD AVDD3V3_DEMOD AVDD1V2_RGB AVDD3V3_VDAC AVDD3V3_CVBS AVDD3V3_AADC AVDD3V3_LVDS AVDD1V2_LVDS VCCK AVDD3V3 AVDD3V3 DVDD3V3 AVDD3V3_PLL DVDD3V3IO DDR_V STB3V3_VGA 3.3Vstb STB3V3 STB3V3_XTAL 3.3Vstb 3.3Vstb 3.3Vstb 5Vstb 3.3Vstb 3.3Vstb 3.3Vstb 3.3Vstb DV33_SPI DV33_SPI DVDD3V3 DV33_SPI ADAC_3V3 AVDD3V3_LVDS AVDD1V2_LVDS AVDD3V3 AVDD1V2 AVDD1V2_RGB AVDD1V2 AVDD3V3_VDAC AVDD3V3 AVDD3V3_AADC AVDD3V3_CVBS AVDD3V3 AVDD3V3 AVDD1V2_HDMI AVDD1V2 AVDD3V3_USB AVDD3V3_HDMI AVDD3V3 AVDD3V3_DEMOD AVDD1V2_DEMOD AVDD3V3 AVDD1V2 3.3VA 3.3Vstb 3.3Vstb VCC_Panel 3V3_P 3V3_P 3V3_P VCC_Panel VCC_Panel SDA 5,6 SCL 5,6 U0TX 3 U0RX 3 IFN 6 IFP 6 OPWRSB 1 USB_D1P 4 USB_D1M 4 USB_D0P 4 USB_D0M 4 BL_DIMMING 1 RF_AGC 6 HDMI_SDA 4 HDMI_SCL 4 HDMI_CEC 4 HDMI_HPD 4 RX_2B 4 RX_2 4 RX_1B 4 RX_1 4 RX_0B 4 RX_0 4 RX_CB 4 RX_C 4 BL_ON/OFF 1 ON_Panel 1 YPbPr_L_In 3 YPbPr_R_In 3 AV1_L_In 3 AV1_R_In 3 MUTE_AMP 5 Y1P 3 PB1P 3 PR1P 3 SOY1 3 VDAC_OUT 3 SPDIFO AOMCK 5 AOLRCK 5 HP_L 5 HP_R 5 CVBS1 3 CVBS2 3 COM1 3 AOBCK 5 AOSDATA0 5 VGASCL 3 VGASDA 3 VSYNC 3 HSYNC 3 BP 3 SOG 3 GP 3 COM 3 RP 3 HDMI_ARC 4 POWER-ON/OFF 1 标记 数量 等级 标记 批 准 标准化 工 艺 审 核 拟 制 签名日期 分区单号 数量 签名 单号 分区 标记 日期 第 张 共 张 KONKA <拟制> <审核> <工艺> <标准化> <批准> 04.Main Chip/Bypass Cap 11 2 标记 数量 等级 标记 批 准 标准化 工 艺 审 核 拟 制 签名日期 分区单号 数量 签名 单号 分区 标记 日期 第 张 共 张 KONKA <拟制> <审核> <工艺> <标准化> <批准> 04.Main Chip/Bypass Cap 11 2 标记 数量 等级 标记 批 准 标准化 工 艺 审 核 拟 制 签名日期 分区单号 数量 签名 单号 分区 标记 日期 第 张 共 张 KONKA <拟制> <审核> <工艺> <标准化> <批准> 04.Main Chip/Bypass Cap 11 2 Near IC Near IC USB Interface Tuner/Demod Panel Interface Control/Communication/Other Interface HDMI Interface Near IC Pin AVDD3V3_PLL AVDD3V3_MEMPLL BYPASS CAP SCART/YPBPR Interface Audio Video Input VGA Input STB Power 27MHz CRYSTAL NEAR IC (红) LED_CTRL AND KEY RESET Circuit Near IC Flash MT8227 STRAPPING MODE IIS Near IC NEAR IC NEAR IC NEAR IC NEAR IC NEAR IC Near IC NEAR IC HDMI/USB Power NEAR IC DEMOD POWER NEAR IC NEAR IC FOR CODE DOWNLOAD AND DEBUGGING UART Port 0 LG/CMI LVDS 高清FFC SAMSUNG C530 0.1uF C530 0.1uF 7 5 3 1 8 6 4 2 RA506 22RX4 7 5 3 1 8 6 4 2 RA506 22RX4 C627 0.1uF C627 0.1uF GND 1 RESET# 2 VCC 3 N515 NC/APX809-2.93 N515 NC/APX809-2.93 C617 0.1uF C617 0.1uF R528 4.7K R528 4.7K R516 12K R516 12K 1 2 3 4 XS510 D2006-4A XS510 D2006-4A R513 0/Cost Down R513 0/Cost Down CS# 1 S_Q 2 W#/VPP 3 VSS 4 S_D 5 SCLK 6 HOLD# 7 VCC 8 N506 MX25L3206E-12G N506 MX25L3206E-12G C626 0.1uF C626 0.1uF 1 1 2 2 3 3 4 4 5 5 6 6 7 7 8 8 9 9 10 10 11 11 12 12 13 13 14 14 15 15 16 16 17 17 18 18 19 19 20 20 21 21 22 22 23 23 24 24 25 25 26 26 27 27 28 28 29 29 30 30 31 31 32 32 33 33 34 34 35 35 36 36 37 37 38 38 39 39 40 40 41 41 42 42 43 43 44 44 45 45 46 46 47 47 48 48 49 49 50 50 51 51 52 52 53 53 XS502 NC/51Pin_FPC XS502 NC/51Pin_FPC C639 NC/1uF C639 NC/1uF C501 47nF C501 47nF Z501 27MHz@CL=20pF Z501 27MHz@CL=20pF C531 0.1uF C531 0.1uF C539 0.1uF C539 0.1uF C517 10uF C517 10uF 1 2 3 4 5 6 XS645 D2006-6W XS645 D2006-6W C516 0.1uF C516 0.1uF R521 100 R521 100 C116 0.1uF C116 0.1uF R520 10K/1% R520 10K/1% C528 0.1uF C528 0.1uF R514 4.7K R514 4.7K 7 5 3 1 8 6 4 2 RA503 22RX4 7 5 3 1 8 6 4 2 RA503 22RX4 R556 NC/10K R556 NC/10K C535 NC/0.1uF C535 NC/0.1uF R506 1K 1% R506 1K 1% 1 2 L501 FB L501 FB R547 390R R547 390R C536 10nF C536 10nF C638 0.1uF C638 0.1uF R633 0 R633 0 C514 10uF C514 10uF C521 0.1uF C521 0.1uF R555 100R R555 100R R509 33 R509 33 7 5 3 1 8 6 4 2 RA504 22RX4 7 5 3 1 8 6 4 2 RA504 22RX4 + C506 100uF/16V + C506 100uF/16V C518 0.1uF C518 0.1uF C513 0.1uF C513 0.1uF C510 0.1uF C510 0.1uF C636 0.1uF C636 0.1uF R646 0 R646 0 R518 0 R518 0 C549 NC/22pF C549 NC/22pF C520 0.1uF C520 0.1uF C504 10uF C504 10uF C545 NC/22pF C545 NC/22pF R527 4.7K R527 4.7K 3 1 4 2 RA509 100RX2 3 1 4 2 RA509 100RX2 C522 0.1uF C522 0.1uF R542 0R R542 0R R535 NC/0R R535 NC/0R R522 4.7K R522 4.7K R140 0 R140 0 R543 100/NC R543 100/NC R503 33 R503 33 C541 10uF C541 10uF C503 0.1uF C503 0.1uF C534 27pF C534 27pF R505 1K 1% R505 1K 1% 1 2 L513 FB L513 FB 7 5 3 1 8 6 4 2 RA507 22RX4 7 5 3 1 8 6 4 2 RA507 22RX4 C524 0.1uF C524 0.1uF C115 0.1uF C115 0.1uF R141 0 R141 0 2 4 1 3 RA505 33 2 4 1 3 RA505 33 C548 0.1uF C548 0.1uF 1 3 2 V501 NC/3906 V501 NC/3906 3 1 4 2 RA501 4.7KX2 3 1 4 2 RA501 4.7KX2 C547 100pF C547 100pF C537 100pF C537 100pF R517 18K R517 18K R508 33 R508 33 R534 NC/100 R534 NC/100 R546 1K R546 1K 1 2 L503 FB L503 FB R634 0 R634 0 + C526 NS/100uF/16V + C526 NS/100uF/16V C543 NC/22pF C543 NC/22pF C533 27pF C533 27pF C538 0.1uF C538 0.1uF 1 1 2 2 3 3 4 4 5 5 6 6 7 7 8 8 9 9 10 10 11 11 12 12 13 13 14 14 15 15 16 16 17 17 18 18 19 19 20 20 21 21 22 22 23 23 24 24 25 25 26 26 27 27 28 28 29 29 30 30 31 31 32 32 33 33 34 34 35 35 36 36 37 37 38 38 39 39 40 40 41 41 42 42 43 43 44 44 45 45 46 46 47 47 48 48 49 49 50 50 51 51 52 52 53 53 XS501 51Pin_FPC XS501 51Pin_FPC C618 0.1uF C618 0.1uF C507 0.1uF C507 0.1uF R502 33 R502 33 C505 1uF C505 1uF R523 1K R523 1K R529 4.7K R529 4.7K 1 2 L511 FB L511 FB C502 NC/0.1uF C502 NC/0.1uF C508 0.1uF C508 0.1uF C544 NC/22pF C544 NC/22pF R519 NC/1K R519 NC/1K C540 0.1uF C540 0.1uF C546 NC/0.1uF C546 NC/0.1uF C525 0.1uF C525 0.1uF 3 1 4 2 RA502 100RX2 3 1 4 2 RA502 100RX2 C637 0.1uF C637 0.1uF C527 10uF C527 10uF 2 4 1 3 RA508 33 2 4 1 3 RA508 33 C519 0.1uF C519 0.1uF R525 4.7K R525 4.7K R530 0 R530 0 C515 10uF C515 10uF C542 NC/22pF C542 NC/22pF C529 0.1uF C529 0.1uF R512 15K/1% R512 15K/1% C512 0.1uF C512 0.1uF R526 4.7K R526 4.7K R531 0 R531 0 C523 10uF C523 10uF C509 0.1uF C509 0.1uF 1 2 L512 FB L512 FB R504 4.7K R504 4.7K RF_AGCO 1 Boost_PWM 2 BL_ON/OFF 4 BL_DIMMING 3 DVDD3V3 5 Fuse_WR 6 SFCS 7 SFCK 8 SFD0 9 SFD1 10 DDR_V 11 VCCK 12 DDRVRef 13 DDR_V 14 AVDD3V3_MEMPLL 16 VCCK 17 DDR_V 18 DDR_V 15 VCCK 24 JTDO 26 VGA_SDA/JTMS 28 OIRI 30 GPO1/SPDIF 32 U0TX 22 HDMI_SDA 35 HDMI_CEC 37 RX_CB 39 RX_0B 41 GP 58 BP 56 VSYNC 54 AVDD10_LDO 52 DDR_V 19 OSDA0 20 OSCL0 21 STB3V3 33 ADIN4 49 AVDD1V2_HDMI 47 RX_2B 45 COM 59 YP 62 PBP 64 AVSS1V2_RGB 67 VCCK 70 RX_1B 43 AVDD3V3_CVBS 72 SY 74 AVDD1V2_DEMOD 76 IFN 79 AVSS3V3_DEMOD 81 STB3V3_XTAL 84 AIN1_L 86 ADIN0 50 AVDD3V3_AADC 88 AIN1_R 90 U0RX 23 JTRST# 25 JTCK 27 VGA_SCL/JTDI 29 OPWRSB 31 AVSS1V2_DEMOD 77 HDMI_HPD 34 HDMI_SCL 36 AVDD3V3_HDMI 38 VMID_ADAC 92 ALine out_R 98 AVSS33 93 VDAC_OUT 69 RX_C 40 RX_0 42 SOG 57 HSYNC 55 STB3V3_VGA 53 ORESET# 51 VCCK 48 RP 60 RX_2 46 RX_1 44 SOY 61 COM1 63 AVDD1V2_RGB 66 AVDD3V3_VDAC 68 OXTALO 83 AVDD3V3_PLL 71 SC 73 CVBSP 75 IFP 78 AVDD3V3_DEMOD 80 OXTALI 82 AIN2_R 91 AIN0_L 85 AIN2_L 87 AIN0_R 89 OCKN 120 O2P 121 O3N 118 PRP 65 AVSS3V3_ADAC 95 HP_L 97 HP_R 99 ALine out_L 96 VCCK 100 D0M 101 D0P 102 AVDD3V3_ADAC 94 D1M 104 AVDD3V3_USB 103 E0N 115 E0P 114 E1N 113 D1P 105 O3P 117 E1P 112 E3N 109 E2P 110 E2N 111 E3P 108 AVDD1V2_LVDS 107 VCCK 106 OCKP 119 O2N 122 O1P 123 O1N 124 O0P 125 O0N 126 LVDS_CTRL0 127 LVDS_PWR_CTRL 128 AVDD3V3_LVDS 116 E-PAD 129 N501 8227 N501 8227 C511 0.1uF C511 0.1uF R554 NC/10K R554 NC/10K R501 10K R501 10K R645 0 R645 0 C532 NC/0.1uF C532 NC/0.1uF 1 2 L502 FB L502 FB R507 10K R507 10K PDF 文件以 "PDF 制作工厂" 试用版创建 ÿÿÿÿ ÿ � 5 5 4 4 3 3 2 2 1 1 D D C C B B A A COM1 PR1P SOY1 Y1P PB1P CVBS2 CVBS1 CVBS_1 CVBS1 AV1_L_In AV1_R_In YPbPr_L_In YPbPr_R_In AV1_R_In AV1_L_In AV1R_IN AV1_IN VDAC_OUT HP_MUTE HPOUT_L HPOUT_R PR_IN_1 Y_IN_1 PB_IN_1 YPbPr_R_In YPbPr_L_In AV2_IN AV2_IN COM_1 CVBS_2 CVBS2 YPbPrR_IN SOY1 SOY_1 Y1P COM1 PB_IN_1 PB1 PR1P PR1 PR_IN_1 Y_IN_1 PB1P Y1 VDAC_OUT AV1L_IN VGASCL VGASDA BP GP COM VSYNC RP HSYNC SOG SPDIFO VSYNC# VGASDA VGASDA U0TX U0RX U0RX VGASCL VGASCL U0TX RED GRN BLU HSYNC# HSYNC# VSYNC# VSYNC HSYNC RED GP COM SOG GRN BP RP BLU AV_OUT AV_OUT YPbPrL_IN AV1R_IN AV1L_IN AV1_IN YPbPrL_IN PR_IN_1 PB_IN_1 Y_IN_1 YPbPrR_IN AV_OUT 5Vstb 5VA 5VA CVBS1 2 CVBS2 2 SOY1 2 Y1P 2 PB1P 2 COM1 2 PR1P 2 AV1_L_In 2 AV1_R_In 2 YPbPr_L_In 2 YPbPr_R_In 2 VDAC_OUT 2 HP_MUTE 5 HPOUT_R 5 HPOUT_L 5 VGASDA 2 VGASCL 2 VSYNC 2 HSYNC 2 BP 2 SOG 2 GP 2 COM 2 RP 2 SPDIFO 2 U0TX 2 U0RX 2 HPOUT_R 5 HPOUT_L 5 HP_MUTE 5 标记 数量 等级 标记 批 准 标准化 工 艺 审 核 拟 制 签名日期 分区单号 数量 签名 单号 分区 标记 日期 第 张 共 张 KONKA <拟制> <审核> <工艺> <标准化> <批准> 06. AV/YPbPr 11 3 标记 数量 等级 标记 批 准 标准化 工 艺 审 核 拟 制 签名日期 分区单号 数量 签名 单号 分区 标记 日期 第 张 共 张 KONKA <拟制> <审核> <工艺> <标准化> <批准> 06. AV/YPbPr 11 3 标记 数量 等级 标记 批 准 标准化 工 艺 审 核 拟 制 签名日期 分区单号 数量 签名 单号 分区 标记 日期 第 张 共 张 KONKA <拟制> <审核> <工艺> <标准化> <批准> 06. AV/YPbPr 11 3 Video Input Audio AV1 Input NEARLY CONNECTOR AV1 Audio Input NEARLY CONN. NEAR IC NEARLY IC SCART Interface ESD NEARLY IC NEAR IC AV2 Video Input NEARLY CONNECTOR YPbPr Audio Input NEARLY CONN. NEARLY IC NEARLY YPBPR CON. YPbPr & AV2 Input VGA Input VGA CONNECTOR NEARLY CONN. NEARLY VGA CONN. NEARLY IC VGA Audio Input 借用YPbPr 的Audio 恒流源 AV1 INPUT YPbPr&AV2&VGA INPUT VGA后出 R668 12K R668 12K 6 4 1 3 5 2 7 XS616 AV XS616 AV R608 56 R608 56 R663 NC/100 R663 NC/100 R644 100 R644 100 R639 75 R639 75 R607 18 R607 18 R666 NC/1.2K R666 NC/1.2K C602 1.5nF C602 1.5nF R621 10K R621 10K R672 10K R672 10K C647 NC/560pF C647 NC/560pF R612 100 R612 100 R603 0 ohm R603 0 ohm C632 1.5nF C632 1.5nF R601 0 ohm R601 0 ohm 5 4 2 3 6 7 1 XS606 HEADPHONE XS606 HEADPHONE C635 10nF C635 10nF R627 0/Cost Down R627 0/Cost Down R622 0 ohm R622 0 ohm R616 10K R616 10K 1 2 3 V603 NC/3904 V603 NC/3904 R636 0 ohm/Cost Down R636 0 ohm/Cost Down R661 NC/470 R661 NC/470 C619 220pF C619 220pF C630 10pF C630 10pF R605 18 R605 18 R604 0 ohm R604 0 ohm R658 12K R658 12K C622 NS/5pF C622 NS/5pF C608 10pF C608 10pF 1 2 3 V600 NC/3904 V600 NC/3904 R606 18 R606 18 R664 0R/NC R664 0R/NC R619 100 R619 100 R620 10K R620 10K 1 2 VD402 5.6V VD402 5.6V C601 10pF C601 10pF R643 100 R643 100 C648 NC/560pF C648 NC/560pF R640 75 R640 75 L601 2.2uH_0.05A L601 2.2uH_0.05A C606 10nF C606 10nF R632 75 R632 75 R602 0 ohm R602 0 ohm R614 100 R614 100 R641 100 R641 100 C613 47pF C613 47pF R635 0 ohm/Cost Down R635 0 ohm/Cost Down V604 NC/3906 V604 NC/3906 C616 47nF C616 47nF R638 75 R638 75 R615 10K R615 10K C607 10pF C607 10pF C629 10pF C629 10pF C643 NC/0.1uF C643 NC/0.1uF R618 75 R618 75 C605 10nF C605 10nF C603 10nF C603 10nF C623 NS/5pF C623 NS/5pF 16 17 1 2 3 4 5 6 7 8 9 10 11 12 13 14 15 XS605 D-SUB XS605 D-SUB C633 10nF C633 10nF R653 0 R653 0 C609 NC/47pF C609 NC/47pF C612 2.2uF C612 2.2uF C611 2.2uF C611 2.2uF C620 220pF C620 220pF C642 NC/10uF/10V C642 NC/10uF/10V 2 1 XS620 AV out XS620 AV out R624 10K R624 10K R660 NC/10K R660 NC/10K R623 10K R623 10K C644 NC/10uF/10V C644 NC/10uF/10V C615 2.2uF C615 2.2uF 6 4 1 3 5 2 XS608 ypbpr XS608 ypbpr R670 12K R670 12K C614 2.2uF C614 2.2uF C631 10nF C631 10nF 2 3 4 1 5 XS607 AUDIO_out XS607 AUDIO_out R669 12K R669 12K R617 100 R617 100 R671 10K R671 10K C634 10nF C634 10nF C646 NC/560pF C646 NC/560pF R665 NC/33R R665 NC/33R 3 1 4 2 RA601 4.7KX2 3 1 4 2 RA601 4.7KX2 R628 0/Cost Down R628 0/Cost Down R642 100 R642 100 R626 100 R626 100 R625 100 R625 100 C645 NC/560pF C645 NC/560pF C628 10pF C628 10pF R654 0 R654 0 3 1 4 2 RA602 100RX2 3 1 4 2 RA602 100RX2 R611 100 R611 100 R667 NC/3.9K R667 NC/3.9K 1 2 3 5 4 6 N602 IP4223CZ6 N602 IP4223CZ6 C604 10nF C604 10nF R610 56 R610 56 R659 NC/100 R659 NC/100 R609 56 R609 56 R657 NC/75R R657 NC/75R C610 47nF C610 47nF R637 0 ohm/Cost Down R637 0 ohm/Cost Down R613 100 R613 100 R662 NC/10K R662 NC/10K PDF 文件以 "PDF 制作工厂" 试用版创建 ÿÿÿÿ ÿ � A A A A RX_CB RX_C RX_1B RX_1 RX_2B RX_2 RX_0B RX_0 HDMI_HPD HDMI_PLUGPWR PWR5V RX_C RX_CB RX_0 RX_0B RX_1 RX_1B RX_2 RX_2B HDMI_SDA HDMI_SCL HDMI_HPD HDMI_CEC USB_D1P USB_D1M USB_D0P USB_D0M PWR5V HDMI_CEC VBUS HDMI_SCL HDMI_SDA VBUS2 VBUS1 D1P D1M USB_D1P USB_D1M HDMI_ARC ARC HDMI_ARC ARC USB_D0P USB_D0M D0M D0P D0P D1M D1P D0M HDMI_PLUGPWR HDMI_PLUGPWR 3.3Vstb 5VA 3.3Vstb HDMI_SDA 2 HDMI_SCL 2 HDMI_CEC 2 HDMI_HPD 2 RX_2B 2 RX_2 2 RX_1B 2 RX_1 2 RX_0B 2 RX_0 2 RX_CB 2 RX_C 2 USB_D1P 2 USB_D1M 2 USB_D0P 2 USB_D0M 2 HDMI_ARC 2 标记 数量 等级 标记 批 准 标准化 工 艺 审 核 拟 制 签名日期 分区单号 数量 签名 单号 分区 标记 日期 第 张 共 张 KONKA <拟制> <审核> <工艺> <标准化> <批准> 08. HDMI/USB 11 4 标记 数量 等级 标记 批 准 标准化 工 艺 审 核 拟 制 签名日期 分区单号 数量 签名 单号 分区 标记 日期 第 张 共 张 KONKA <拟制> <审核> <工艺> <标准化> <批准> 08. HDMI/USB 11 4 标记 数量 等级 标记 批 准 标准化 工 艺 审 核 拟 制 签名日期 分区单号 数量 签名 单号 分区 标记 日期 第 张 共 张 KONKA <拟制> <审核> <工艺> <标准化> <批准> 08. HDMI/USB 11 4 USB PORT HDMI port HDMI Interface Internal EDID,Sink_HPD_True of CDF File Select "Power On" USB Interface Near Connector HDMI Power Detect and HPD control flow: 1. HDMI_HPD use as GPI. 2. RX detect High (5V detected) 3. Set HDMI_HPD as GPO for HDMI Hot plug. 1 2 3 V602 3904 V602 3904 RU01 0R RU01 0R R647 NS/27K R647 NS/27K CU03 NS/10pF CU03 NS/10pF 3 1 4 2 RA603 100RX2 3 1 4 2 RA603 100RX2 R650 47K R650 47K 4 3 2 1 5 6 7 4 3 2 1 XSU01 USB V Connector 4 3 2 1 XSU01 USB V Connector CU04 NS/10pF CU04 NS/10pF 1 2 3 V601 3904 V601 3904 RU03 0R RU03 0R CU12 0.1uF CU12 0.1uF R677 10K R677 10K RU02 0R RU02 0R CU06 NS/10pF CU06 NS/10pF R678 10K R678 10K FU01 PTC_1.5A FU01 PTC_1.5A R656 82 R656 82 + CU01 100uF/16V + CU01 100uF/16V R651 1K R651 1K DATA2+ 1 DATA2 SHIELD 2 DATA2- 3 DATA1+ 4 DATA1 SHIELD 5 DAT1A- 6 DATA0+ 7 DATA0 SHIELD 8 DATA0- 9 CLK+ 10 CLK SHIELD 11 CLK- 12 CEC 13 NC 14 SCL 15 SDA 16 DDC/CEC GND 17 +5V POWER 18 HOT PLUG 19 GND1 20 GND2 21 GND3 22 XS601 HDMI XS601 HDMI R648 100 R648 100 4 3 2 1 5 6 7 4 3 2 1 XSU02 USB V Connector 4 3 2 1 XSU02 USB V Connector R655 180 R655 180 2 1 VD604 NC/1N4148 VD604 NC/1N4148 R649 10K R649 10K CU02 10uF/10V CU02 10uF/10V RU04 0R RU04 0R CU13 0.1uF CU13 0.1uF R652 100K R652 100K CU05 NS/10pF CU05 NS/10pF 1 2 3 5 6 4 NU01 IP4223CZ6 NU01 IP4223CZ6 C641 1uF C641 1uF CU10 10uF/10V CU10 10uF/10V PDF 文件以 "PDF 制作工厂" 试用版创建 ÿÿÿÿ ÿ � 5 5 4 4 3 3 2 2 1 1 D D C C B B A A MUTE_AMP HP_R HP_L HPOUT_R HPOUT_L HPOL HP_R HP_L HPOR AMP_EN Rout+ Rout- Lout- AOSDATA0 AOLRCK AOBCK AOMCK PLL_FILT AMP_EN SCL SDA Lout+ SCL SDA HPOUT_L HPOUT_R HP_MUTE PLL_FILT AMP_Rout+ AMP_Rout- AMP_Lout+ AMP_Lout- Lout+ Rout+ HP_MUTE MUTE_AMP AMP_RESET Lout- Rout- AOMCK AOLRCK AOBCK AOSDATA0 AMP_RESET AMP_RESET 3.3Vstb AMP_12V 3.3VA 3.3VA 3.3VA AMP_12V 3.3VA 3.3VA +12V 3.3Vstb AMP_12V +12V 3.3VA MUTE_AMP 2 HP_L 2 HP_R 2 SCL 2,6 SDA 2,6 HPOUT_R 3 HPOUT_L 3 HP_MUTE 3 AOMCK 2 AOLRCK 2 AOBCK 2 AOSDATA0 2 标记 数量 等级 标记 批 准 标准化 工 艺 审 核 拟 制 签名日期 分区单号 数量 签名 单号 分区 标记 日期 第 张 共 张 KONKA <拟制> <审核> <工艺> <标准化> <批准> 09. Speaker/HP/Line out/Mute 11 5 标记 数量 等级 标记 批 准 标准化 工 艺 审 核 拟 制 签名日期 分区单号 数量 签名 单号 分区 标记 日期 第 张 共 张 KONKA <拟制> <审核> <工艺> <标准化> <批准> 09. Speaker/HP/Line out/Mute 11 5 标记 数量 等级 标记 批 准 标准化 工 艺 审 核 拟 制 签名日期 分区单号 数量 签名 单号 分区 标记 日期 第 张 共 张 KONKA <拟制> <审核> <工艺> <标准化> <批准> 09. Speaker/HP/Line out/Mute 11 5 Audio MUTE Circuit Audio Control Headphone output Close to Mainchip 200mS HI = > MUTE LO = > UN-MUTE 8欧 姆 喇 叭 Audio AMP C251 NC/0.1uF C251 NC/0.1uF R228 NC/47 R228 NC/47 R222 NC/100K R222 NC/100K C216 0.1uF C216 0.1uF L205 NC/10uH L205 NC/10uH R232 NC/47K R232 NC/47K 1 3 2 V214 3904 V214 3904 R241 NC/5.1K/10K R241 NC/5.1K/10K R225 0R R225 0R C217 10uF C217 10uF C213 0.1uF C213 0.1uF C228 NC/0.1uF C228 NC/0.1uF C210 10uF C210 10uF R221 3R3 R221 3R3 R234 NC/6.2 R234 NC/6.2 R239 NC/6.2 R239 NC/6.2 C258 2200pF/25V C258 2200pF/25V C243 330pF C243 330pF C255 1nF C255 1nF 3 1 4 2 RA202 4.7KX2 3 1 4 2 RA202 4.7KX2 C212 0.1uF C212 0.1uF R224 0R/20K R224 0R/20K + C238 220uF/16V + C238 220uF/16V R226 0R/20K R226 0R/20K 1 2 L228 FB L228 FB 1 3 2 C C D ESD VD605 PESD3V3L2BT C C D ESD VD605 PESD3V3L2BT 1 2 L223 FB L223 FB 3 1 4 2 RA201 100RX2 3 1 4 2 RA201 100RX2 1 2 L227 FB L227 FB C247 NC/0.1uF C247 NC/0.1uF R586 10K R586 10K R214 NC/4.7K R214 NC/4.7K R201 150 R201 150 C246 NC/0.1uF C246 NC/0.1uF C257 2200pF/25V C257 2200pF/25V R223 1K R223 1K C245 NC/0.1uF C245 NC/0.1uF R240 NC/6.2 R240 NC/6.2 L204 NC/10uH L204 NC/10uH R203 390R R203 390R L207 NC/10uH L207 NC/10uH C253 1nF C253 1nF R217 4.7K R217 4.7K C250 330pF C250 330pF C227 NC/0.1uF C227 NC/0.1uF C240 4.7nF C240 4.7nF C226 NC/470pF C226 NC/470pF R236 10/Cost Down R236 10/Cost Down R213 4.7K R213 4.7K TEST_MODE 3 VSS 4 GND_SUB 1 SA 2 VCC2 8 GND2 7 VCC_REG 5 OUT2B 6 GND1 12 VCC1 11 OUT1B 10 OUT2A 9 BICKI 28 XTI 27 PLL_GND 26 Filter_PLL 25 LRCKI 29 SDI 30 RESET 31 INT_LINE 32 SDA 33 SCL 34 GND_DIG 35 VDD_DIG 36 OUT1A 13 GND_REG 14 VDD 15 CONFIG 16 NC 17 NC 18 VDD_PLL 24 PWRDN 23 GND_DIG 22 VDD_DIG 21 NC 20 NC 19 STA333W N202 STA333W N202 C236 0.1uF C236 0.1uF 1 2 L224 FB L224 FB R243 NC/10K R243 NC/10K C256 2200pF/25V C256 2200pF/25V R216 4.7K R216 4.7K C209 0.1uF C209 0.1uF C242 680pF C242 680pF R231 NC/47K R231 NC/47K C235 NC/0.1uF C235 NC/0.1uF + C233 220uF/16V + C233 220uF/16V R237 NC/6.2 R237 NC/6.2 C248 NC/0.1uF C248 NC/0.1uF 1 2 L214 FB L214 FB + C239 220uF/16V + C239 220uF/16V 1 2 L225 FB L225 FB C224 NC/470pF C224 NC/470pF 1 3 2 V217 3904 V217 3904 C254 2200pF/25V C254 2200pF/25V C244 NC/0.1uF C244 NC/0.1uF R235 10/Cost Down R235 10/Cost Down R229 3R3 R229 3R3 + C234 220uF/16V + C234 220uF/16V C215 10uF C215 10uF R242 NC/0R R242 NC/0R R230 2K2 R230 2K2 1 2 L226 FB L226 FB C241 100pF C241 100pF C237 0.1uF C237 0.1uF GND 1 RESET# 2 VCC 3 N205 APX809-2.93 N205 APX809-2.93 C252 NC./0.1uF C252 NC./0.1uF R238 22 R238 22 R233 22 R233 22 C223 0.1uF C223 0.1uF C222 0.1uF C222 0.1uF C249 NC/0.1uF C249 NC/0.1uF L206 NC/10uH L206 NC/10uH 1 2 3 4 XS201 D2006-4W XS201 D2006-4W R227 NC/47 R227 NC/47 PDF 文件以 "PDF 制作工厂" 试用版创建 ÿÿÿÿ ÿ � 5 5 4 4 3 3 2 2 1 1 D D C C B B A A SDA SCL IFN IFP RF_AGC IFN IFP DIF1_OUT1 DIF1_OUT2 TUNER-SDA TUNER-SCL SCL SDA DIF1_OUT1 DIF1_OUT2 RF_AGC 3.3V_Tuner 3.3V_Tuner 3.3V_Tuner 3.3V_Tuner 3.3V_Tuner 3.3V_Tuner 3.3V_Tuner 3.3V_Tuner 3.3V_Tuner 3.3V_Tuner 3.3V_Tuner 3.3V_Tuner 3.3V_Tuner 5VA SDA 2,5 SCL 2,5 IFN 2 IFP 2 RF_AGC 2 标记 数量 等级 标记 批 准 标准化 工 艺 审 核 拟 制 签名日期 分区单号 数量 签名 单号 分区 标记 日期 第 张 共 张 KONKA <拟制> <审核> <工艺> <标准化> <批准> 11.Tuner 6 6 标记 数量 等级 标记 批 准 标准化 工 艺 审 核 拟 制 签名日期 分区单号 数量 签名 单号 分区 标记 日期 第 张 共 张 KONKA <拟制> <审核> <工艺> <标准化> <批准> 11.Tuner 6 6 标记 数量 等级 标记 批 准 标准化 工 艺 审 核 拟 制 签名日期 分区单号 数量 签名 单号 分区 标记 日期 第 张 共 张 KONKA <拟制> <审核> <工艺> <标准化> <批准> 11.Tuner 6 6 Different signal ,keep the same trace width ,space and gnd shielding on top layer IF-BPF Tuner/Demod Closed to Tuner Closed to IC pin1 pin16 pin27 pin35 3.3V_Tuner的滤波电容 RF端子后出 TUNER POWER 改为L6X6 C134 47nF C134 47nF 1 2 L132 FB_600mA L132 FB_600mA 1 2 L136 FB_600mA L136 FB_600mA 5 4 3 2 1 XS100 IEC Female XS100 IEC Female C118 22pF C118 22pF C110 2.7nF 50V 10% C110 2.7nF 50V 10% C105 150pF 50V 5% C105 150pF 50V 5% L107 330nH/180nH 140mA 5% L107 330nH/180nH 140mA 5% 1 2 L824 FB_2A L824 FB_2A C138 10pF C138 10pF C109 33pF 50V 5% C109 33pF 50V 5% GNDSYNT 18 VTUNE 19 CP 20 XTOUT1 21 XTOUT2 22 CAPREGVCO 17 IFP 25 GNDIF 26 V_IF_AGC 28 VCCIF 27 IRQ 30 V_Sync 29 DGND 23 IFN 24 VHFSupply 31 VHFL 32 VCCRF 1 RFin 2 NC 3 NC 4 DGND 5 AS_XTSEL 6 DGND 7 TEST1 8 TEST2 9 DGND 10 SCL 11 DGND 13 XtalP 14 SDA 12 XtalN 15 VCCSYN 16 CapRFAGC 40 RF_AGC_sense 39 UHFH 38 UHFSupply 37 UHFL 36 VCCRF 35 VHFH 34 VHFSense 33 GNDIF 41 N110 TDA18273 N110 TDA18273 C112 47nF C112 47nF C103 120pF/100V/5% C103 120pF/100V/5% 1 2 L129 FB_600mA L129 FB_600mA C120 1uF C120 1uF C136 47nF C136 47nF C147 NC/47pF C147 NC/47pF C117 1uF C117 1uF 1 2 L130 FB_600mA L130 FB_600mA 1 2 L133 FB_600mA L133 FB_600mA L108 220nH 120mA 5% L108 220nH 120mA 5% C874 0.1uF C874 0.1uF R159 0 R159 0 1 2 L135 FB_600mA L135 FB_600mA L123 8.2nH_110mA_+/-0.1nH L123 8.2nH_110mA_+/-0.1nH L126 2.2nH 1000mA +/- 0.2nH L126 2.2nH 1000mA +/- 0.2nH C108 100nF 16V 10% C108 100nF 16V 10% C104 82pF/50V 5% C104 82pF/50V 5% C878 10uF C878 10uF 1 2 L127 FB_600mA L127 FB_600mA R180 10K R180 10K 1 2 L827 FB_2A L827 FB_2A R148 0 R148 0 C895 10uF C895 10uF C121 10nF C121 10nF C126 0.1uF C126 0.1uF C106 33pF 50V 5% C106 33pF 50V 5% C130 100uF/16V C130 100uF/16V C877 0.1uF C877 0.1uF 1 2 L128 FB_600mA L128 FB_600mA C119 22pF C119 22pF C114 0.22uF C114 0.22uF C876 10uF C876 10uF C111 0.22uF C111 0.22uF 3 1 4 2 RA520 NC/4.7KX2 3 1 4 2 RA520 NC/4.7KX2 R149 0 R149 0 R158 27R R158 27R Z100 16MHz Z100 16MHz C148 47pF C148 47pF C135 100pF C135 100pF C149 47pF C149 47pF C150 NC/47pF C150 NC/47pF C131 10uF/16V C131 10uF/16V C137 47nF C137 47nF C132 0.47uF C132 0.47uF R182 0R R182 0R R181 0 R181 0 1 2 L134 FB_600mA L134 FB_600mA C102 120pF/100V/5% C102 120pF/100V/5% R157 27R R157 27R 3 2 1 4 ADJ OUT IN N807 AMS1117-3.3 ADJ OUT IN N807 AMS1117-3.3 L125 2.4nH_220mA_+/-0.05nH L125 2.4nH_220mA_+/-0.05nH R161 NC/200 R161 NC/200 L124 100nH_150mA_+/-5% L124 100nH_150mA_+/-5% 1 2 L131 FB_600mA L131 FB_600mA R160 0 R160 0 3 1 4 2 RA517 100RX2 3 1 4 2 RA517 100RX2 C113 6.8nF 50V 10% C113 6.8nF 50V 10% R179 430R R179 430R PDF 文件以 "PDF 制作工厂" 试用版创建 ÿÿÿÿ ÿ � 5 5 4 4 3 3 2 2 1 1 D D C C B B A A +VIN 8 +12Va +12Vsb 8 PFC PFC VAC +12Va +12Vsb 8 VCCP +12Vsb 8 VCC_PFC VCC_PFC VAC POWER-ON/OFF VCCP POWER-ON/OFF FAULT 8 +VIN 8 VDD VDD 标记 数量 等级 标记 批 准 标准化 工 艺 审 核 拟 制 签名 日期 分区 单号 数量 签名 单号 分区 标记 日期 第 张 共 张 KONKA POWER(FAN6755W&FAN7930) 11 7 标记 数量 等级 标记 批 准 标准化 工 艺 审 核 拟 制 签名 日期 分区 单号 数量 签名 单号 分区 标记 日期 第 张 共 张 KONKA POWER(FAN6755W&FAN7930) 11 7 标记 数量 等级 标记 批 准 标准化 工 艺 审 核 拟 制 签名 日期 分区 单号 数量 签名 单号 分区 标记 日期 第 张 共 张 KONKA POWER(FAN6755W&FAN7930) 11 7 STB Linear Regulators BLOCK OVP/OCP BLOCK VCC:18V BROWNOUT CIRCUIT HOT OVP COLD Standby BLOCK LOAD BLOCK STB start-up PFC BLOCK AC FILTER BLOCK VIN-LATCH:5V VCC2 VCC1 8227-42F3300C LED -PROT Stop:8V OLP:0.83V Start:13V Vcs:0.8V 13V KON-C0805 C514 KON-C0603 -> KON-C0805 C515 KON-C0603 ->KON-C0805 C517 KON-C0603 -> KON-C0805 C523 KON-C0603 -> KON-C0805 C541 KON-C0603 -> KON-C0805 L809 KON-L7X7 -> KON-L6X6 2012-1-16 R830-->100R,C852 NC 改为模拟调光 2012-1-19 增加R556,R243 2012-4-16 PDF 文件以 "PDF 制作工厂" 试用版创建 http://www.fineprint.com 5 5 4 4 3 3 2 2 1 1 D D C C B B A A 标记 数量 等级 标记 批 准 标准化 工 艺 审 核 拟 制 签名 日期 分区 单号 数量 签名 单号 分区 标记 日期 第 张 共 张 KONKA SYS FLOW 11 10 标记 数量 等级 标记 批 准 标准化 工 艺 审 核 拟 制 签名 日期 分区 单号 数量 签名 单号 分区 标记 日期 第 张 共 张 KONKA SYS FLOW 11 10 标记 数量 等级 标记 批 准 标准化 工 艺 审 核 拟 制 签名 日期 分区 单号 数量 签名 单号 分区 标记 日期 第 张 共 张 KONKA SYS FLOW 11 10 140 43 23 23 28.5 22.5 210 8 13 17 14 14 14 14 14 14 26.5 29.5 5 5 15.5 72.5 Video OUT YPbPr AV1 RF HDMI VGA YPbPr&VGA Audio 耳机 USB1 USB2 增加螺丝孔 提高插拔VGA 的强度 16.5 10 195 43 23 23 28.5 72.5 240 8 13 17 14 14 14 14 14 14 26.5 29.5 15.5 102.5 5 5 耳机 RF USB1 USB2 HDMI VGA Video OUT YPbPr AV1 YPbPr&VGA Audio 增加螺丝孔 提高插拔VGA 的强度 16.5 10 LED40/42F3300C LED32F3300C 此孔打塑料支撑柱 PDF 文件以 "PDF 制作工厂" 试用版创建 ÿ http://www.fineprint.com 5 5 4 4 3 3 2 2 1 1 D D C C B B A A 标记 数量 等级 标记 批 准 标准化 工 艺 审 核 拟 制 签名 日期 分区 单号 数量 签名 单号 分区 标记 日期 第 张 共 张 KONKA <标题> 11 11 标记 数量 等级 标记 批 准 标准化 工 艺 审 核 拟 制 签名 日期 分区 单号 数量 签名 单号 分区 标记 日期 第 张 共 张 KONKA <标题> 11 11 标记 数量 等级 标记 批 准 标准化 工 艺 审 核 拟 制 签名 日期 分区 单号 数量 签名 单号 分区 标记 日期 第 张 共 张 KONKA <标题> 11 11 SY8087 +1.2V_VDDC 1.4A 360mA 3.3V_Tuner 1117 3.3V 360mA 360mA WL2004 WL2004 3.3V_DAC(200mA) 3.3V_VDD(200mA) 400mA 900mA 2.5A +12V 5Vstb WL2004 3.3Vstb 9435 5VA 1117 3.3V 3.3V 1117 2.5V +2.5V_DDR +5VUSB 9435 VCC-Panel 12VAMP MT8227 300mA 400mA 2.06A 50mA 1.5A_PTC 50mA DDR 800mA FR9888 硅Tuner 300mA 1A N806 N808 V803 N802 N801 FU01 N807 N810 PDF 文件以 "PDF 制作工厂" 试用版创建 http://www.fineprint.com PDF 文件以 "PDF 制作工厂" 试用版创建 http://www.fineprint.com PDF 文件以 "PDF 制作工厂" 试用版创建 http://www.fineprint.com

标签:

版权声明

1. 本站所有素材,仅限学习交流,仅展示部分内容,如需查看完整内容,请下载原文件。
2. 会员在本站下载的所有素材,只拥有使用权,著作权归原作者所有。
3. 所有素材,未经合法授权,请勿用于商业用途,会员不得以任何形式发布、传播、复制、转售该素材,否则一律封号处理。
4. 如果素材损害你的权益请联系客服QQ:77594475 处理。