康佳LED39F2800NE液晶电视35017318板电路原理图

分类:电子电工 日期: 点击:0
康佳LED39F2800NE液晶电视35017318板电路原理图-0 康佳LED39F2800NE液晶电视35017318板电路原理图-1 康佳LED39F2800NE液晶电视35017318板电路原理图-2 康佳LED39F2800NE液晶电视35017318板电路原理图-3 康佳LED39F2800NE液晶电视35017318板电路原理图-4 康佳LED39F2800NE液晶电视35017318板电路原理图-5 康佳LED39F2800NE液晶电视35017318板电路原理图-6 康佳LED39F2800NE液晶电视35017318板电路原理图-7 康佳LED39F2800NE液晶电视35017318板电路原理图-8 康佳LED39F2800NE液晶电视35017318板电路原理图-9

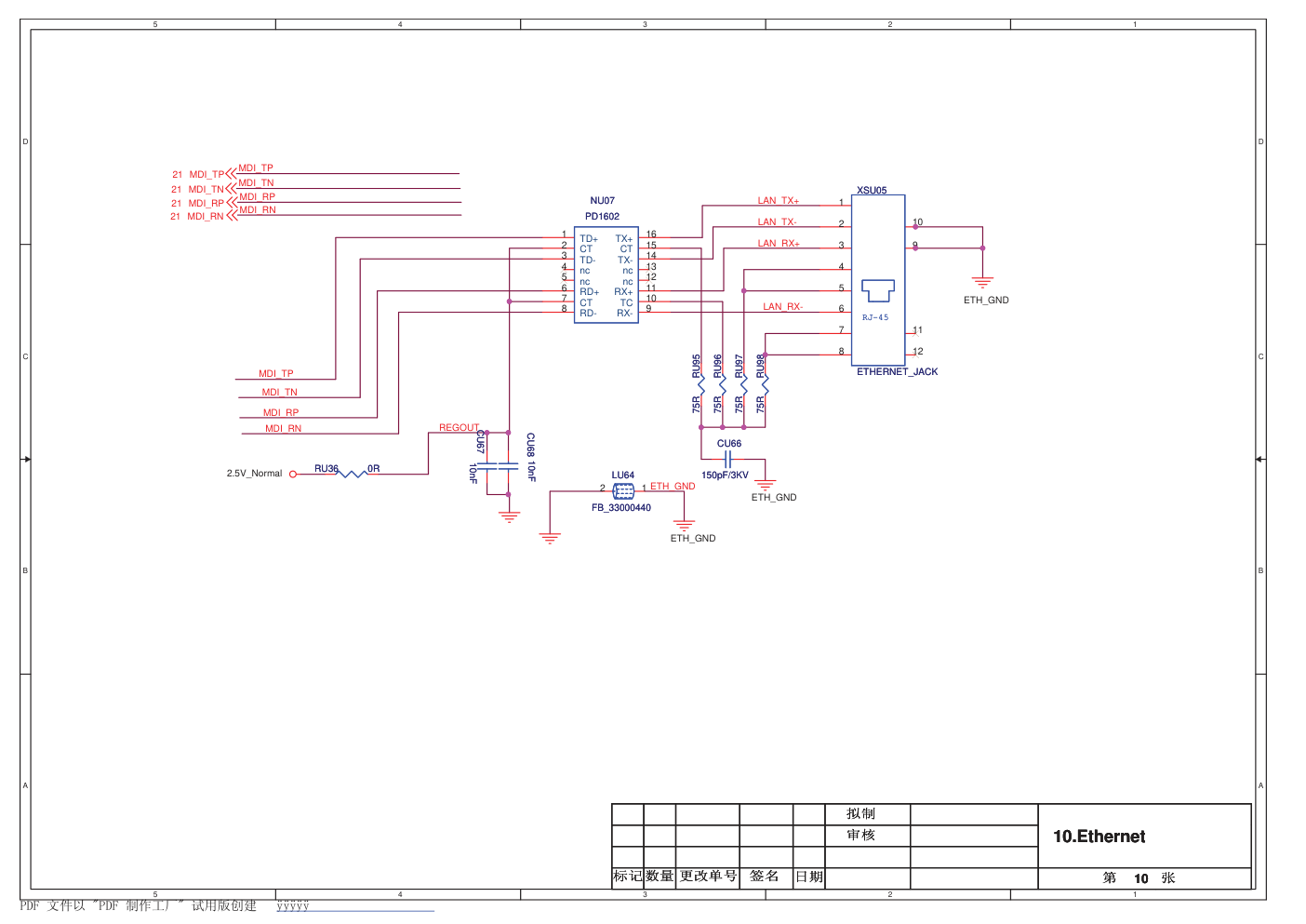
5 5 4 4 3 3 2 2 1 1 D D C C B B A A PANEL_EN PM_PWR_ON BKLT_EN POWER-ON +12.2Vsb BKLT_ADJ ADJ-PWM PM_PWR_ON POWER-ON +12.2Vsb VCC-Panel +12V 3.3V_Normal 1.5V_DDR3 3.3V_Normal 5VA 2.5V_Normal 3.3V_Normal 5VA 3.3V_Tuner 5VA VDDC1.10V 5Vstb 3.3V_Normal 3.3V_Normal 5VA 3.3V_Normal 5Vstb +12V 5Vstb +12V 3.3Vstb 5Vstb 3.3Vstb 5VA 5Vstb PANEL_ON ADJ-PWM ON_BKLT VCC_VSENSE SLEEP_PWR POWER-ON BKLT_EN BKLT_ADJ PWR_DET FAULT POWER-ON PM_PWR_ON ���� �� ���� �� �� �� � � 1 01.System Power ���� �� ���� �� �� �� � � 1 01.System Power ���� �� ���� �� �� �� � � 1 01.System Power PANEL POWER DDR3 1.5V 6i981C 2.5V 3.3V_Normal TUNER POWER3.3V_Tun 1.1V FOR 6i981C CORE Feedback Voltage = 0.923 ���� POWER INPUT H:OFF L:ON ������ �12V���������� 12V�5V DC-DC Feedback Voltage = 0.923 +3.3V STANDBY POWER 5VA �12V�����4A R805 47K R805 47K R835 12K/1% R835 12K/1% C810 10uF C810 10uF R813 4.7K R813 4.7K C891 0.1uF C891 0.1uF C828 0.1uF C828 0.1uF C885 0.1uF C885 0.1uF C840 0.1uF C840 0.1uF 1 2 L820 FB_600mA L820 FB_600mA R803 33K/1% R803 33K/1% C802 3.3nF C802 3.3nF 3 2 1 4 ADJ OUT IN N803 AZ1117-1.5 ADJ OUT IN N803 AZ1117-1.5 C845 NC/0.1uF C845 NC/0.1uF R815 NC/0R R815 NC/0R C837 0.1uF C837 0.1uF 1 2 L803 FB_2A L803 FB_2A R822 2.2K R822 2.2K R816 100R R816 100R C873 0.1uF C873 0.1uF C890 10uF C890 10uF 3 1 2 V803 3904 V803 3904 C830 10uF C830 10uF R843 100R R843 100R R849 4.7K R849 4.7K R850 1K R850 1K V812 3904 V812 3904 C817 10uF C817 10uF D 1 D 2 D 3 G 4 S 8 S 7 S 6 S 5 V801 PMK35EP V801 PMK35EP C839 10uF C839 10uF R828 10K R828 10K R801 NC R801 NC 3 2 1 4 ADJ OUT IN N808 AMS1117-3.3 ADJ OUT IN N808 AMS1117-3.3 C852 NC/10uF C852 NC/10uF C872 0.1uF C872 0.1uF V802 NC/AO3401A V802 NC/AO3401A 1 2 L824 FB_600mA L824 FB_600mA C812 10uF C812 10uF C877 0.1uF C877 0.1uF R842 100K R842 100K C881 10uF C881 10uF C879 10uF C879 10uF C803 0.1uF C803 0.1uF D 1 D 2 D 3 G 4 S 8 S 7 S 6 S 5 V811 PMK35EP V811 PMK35EP C878 10uF C878 10uF C870 10uF C870 10uF R841 47K R841 47K C875 0.1uF C875 0.1uF R848 10K R848 10K + C834 220uF + C834 220uF R834 100K R834 100K VD801 4148 VD801 4148 1 2 3 V810 3904 V810 3904 R808 100K R808 100K C805 0.1uF C805 0.1uF C863 0.1uF C863 0.1uF C838 NC/10uF C838 NC/10uF 1 2 L812 FB_2A L812 FB_2A R817 10K R817 10K IN 2 GND 4 BS 1 FB 5 COMP 6 EN 7 SS 8 SW 3 9 GND N802 AP3503 N802 AP3503 C827 0.1uF C827 0.1uF L801 10uH L801 10uH + C822 220uF + C822 220uF V807 NC/AO3401A V807 NC/AO3401A R812 10K R812 10K R839 NC/1K R839 NC/1K 1 2 L808 FB_2A L808 FB_2A 1 2 L822 FB_600mA L822 FB_600mA R802 10K/1% R802 10K/1% C829 10uF C829 10uF C886 0.1uF C886 0.1uF R829 2.7K/1% R829 2.7K/1% R807 10K R807 10K C807 10uF C807 10uF 1 2 3 V813 3904 V813 3904 C831 3.3nF C831 3.3nF R811 10K R811 10K C801 10nF C801 10nF C814 0.1uF C814 0.1uF R837 10K R837 10K IN 2 GND 4 BS 1 FB 5 COMP 6 EN 7 SS 8 SW 3 9 GND N801AP3502 N801AP3502 1 2 L807 FB_3A L807 FB_3A C815 0.1uF C815 0.1uF + C888 100uF + C888 100uF C887 10uF C887 10uF C874 10uF C874 10uF R851 15R/1% R851 15R/1% C808 0.1uF C808 0.1uF R818 0R R818 0R 1 2 L823 FB_600mA L823 FB_600mA C871 10uF C871 10uF C820 0.1uF C820 0.1uF C883 0.1uF C883 0.1uF R831 100R R831 100R R814 100R R814 100R R833 33K R833 33K C821 0.1uF C821 0.1uF 3 1 2 V806 3904 V806 3904 3 2 1 4 ADJ OUT IN N804 AMS1117-2.5 ADJ OUT IN N804 AMS1117-2.5 1 2 L804 FB_2A L804 FB_2A R840 4.7K R840 4.7K C809 0.1uF C809 0.1uF C876 10uF C876 10uF V809 3904 V809 3904 R847 10k R847 10k F804 F5A/32V F804 F5A/32V C826 10nF C826 10nF C819 NC/10uF C819 NC/10uF 3 2 1 4 ADJ OUT IN N807 AMS1117-3.3 ADJ OUT IN N807 AMS1117-3.3 3 2 1 GND IN OUT N809 WL2004N33G GND IN OUT N809 WL2004N33G R804 2.2K R804 2.2K 1 2 L802 FB_2A L802 FB_2A C880 0.1uF C880 0.1uF 3 1 2 V808 3904 V808 3904 C841 0.1uF C841 0.1uF C869 0.1uF C869 0.1uF + C843 100uF + C843 100uF +C858 NC/220uF +C858 NC/220uF C813 0.1uF C813 0.1uF C857 0.47uF C857 0.47uF L806 10uH L806 10uH R809 100R R809 100R R810 10K R810 10K 3 2 1 4 ADJ OUT IN N806 AMS1117-3.3 ADJ OUT IN N806 AMS1117-3.3 C864 10uF C864 10uF C835 NC/10uF C835 NC/10uF C806 10uF C806 10uF C842 0.1uF C842 0.1uF R824 NC R824 NC C818 10uF C818 10uF C884 10uF C884 10uF C836 10uF C836 10uF 1 2 L821 FB_600mA L821 FB_600mA PDF ��� "PDF ����" ����� ����� � 5 5 4 4 3 3 2 2 1 1 D D C C B B A A SPI-SDO FLH_3.3V FLH_3.3V NAND_REz NAND_CEz NAND_RBZ PCM_A2 SPI-CSN PCM_A0 NAND_CLE NAND_WEz NAND_ALE PCM_A4 FLASH_WP SPI-SDI SPI-SCK SPI-SDI SPI-SDO SPI_SDI SPI_SCK SPI_SDO SPI_CSN SPI-CSN PCM_A6 PCM_A1 SPI-SCK PCM_A3 PCM_A7 PCM_A5 UART-TX2 UART-RX2 AGC HDMI-CEC MICRIN HDMI-CEC HDMI-ARC VCOM0 BIN2N MDI_RN MDI_RP MDI_TN MDI_TP VGA_VSYNC VGA_HSYNC BIN0N RIN0 GIN0 BIN0 RIN2 GIN2 BIN2 SOGIN2 GIN0N GIN2N SOGIN0 RIN2N CVBS0 RIN0N AUVRP AUVRM HDMI-ARC AUVAG AV-AUOUTR0 AV-AUOUTL0 VGA_VSYNC VGA_HSYNC VBL_CTRL PANEL_ON/OFF PCM_A1 NAND_CLE BRI_ADJ System-RST NAND_WEZ G3_RXE0- G0_RXE1+ G2_RXE0+ G1_RXE1- B7_RXE2- B5_RXEC- B6_RXE2+ B4_RXEC+ B3_RXE3- B2_RXE3+ B0_RXE4+ B1_RXE4- SPI_SCK SPI_SDO SPI_SDI SPI_CSN TAGC PWM_PM LINE_IN_1L LINE_IN_1R HD_Lin HD_Rin MUTE_S NAND_RBZ PCM_A5 USB2_D+ USB1_D- AUVRP AUVAG AUVRM USB1_D+ USB2_D- VCOM0 CVBS0 CVBS_OUT EARPHONE_OUTR EARPHONE_OUTL PCM_A2 PCM_A3 AV-AUOUTL0 AV-AUOUTR0 PCM_A4 PCM_A0 NAND_WPZ EARPHONE_OUTR EARPHONE_OUTL XTALO XTALI NAND_ALE CFG-PWM1 CFG-PWM0 PCM_A6 LINE_IN_0L LINE_IN_0R AV1-Rin AV1-Lin CVBS_OUT I2S-OUT_MCK I2S-OUT_BCK BIN2N BIN0N RIN0 GIN0 BIN0 RIN2 GIN2 BIN2 SOGIN2 GIN0N GIN2N SOGIN0 RIN2N RIN0N G5_RXO4- G6_RXO3+ G7_RXO3- G4_RXO4+ R5_RXO1- R4_RXO1+ R6_RXO0+ R7_RXO0- R3_RXO2- R2_RXO2+ R0_RXOC+ R1_RXOC- NAND_REZ PCM_A7 NAND_CEZ PWM_PM I2S-OUT_MCK I2S-OUT_BCK CFG-PWM1 CFG-PWM0 XTALI XTALO NAND_WPz System-RST IR_in LED KEY0-in SLEEP PW_CTL ODSEL# FLASH_WP KEY0-in STB_PWR IR_in PM_PWR_ON KEY-in IR-in 3.3V_STB STB_PWR LOGO_PWR KEY-in LOGO_PWR LED HDMI2-RX2N HDMI2-RX1P HDMI2-SCL HDMI2-CLKP HDMI2-RX1N HDMI2-SDA HDMI2-RX0P HDMI2-CLKN HDMI2-RX2P HDMI2-RX0N HDMI2-RX2N HDMI2-RX1P HDMI2-SCL HDMI2-CLKP HDMI2-RX1N HDMI2-SDA HDMI2-RX0P HDMI2-CLKN HDMI2-RX2P HDMI2-RX0N HDMI2-HPDIN HDMI2-HPDIN VBL_CTRL PANEL_ON/OFF BRI_ADJ PW_CTL ODSEL# MUTE_S SLEEP 5V_IF HDMI2-DET HDMI2-DET UART-RX2 UART-TX2 MICLIN MICIN_L System-RST MICIN_R I2C-SCL I2C-SDA PWR_DET CVBS1 CVBS1 IR-in KEY-in STB_PWR 3.3VSTB IR-in LOGO_PWR KEY-in KEY-in 3.3V_Normal FLH_3.3V 3.3Vstb 3.3Vstb 3.3Vstb 3.3V_Normal 5Vstb FLH_3.3V 5VA 3.3V_Normal 3.3Vstb 5Vstb 3.3Vstb 3.3Vstb 3.3Vstb 3.3Vstb 3.3V_Normal 3.3Vstb 3.3Vstb HDMI-CEC AV1_VIN HDMI-ARC MDI_RP 21 MDI_TP 21 MDI_TN 21 MDI_RN 21 A3- A1+ ACK+ A4+ A1- ACK- A0+ A4- A2+ A3+ A0- A2- VGA_HSYNC VGA_VSYNC VIFP VIFM TAGC HD_Rin HD_Lin YPbPr_PR YPbPr_Y YPbPr_PB MICLIN MICRIN USB2_D- B3+ B0- B2- B3- USB2_D+ USB1_D- USB1_D+ B1+ BCK+ B4+ B1- BCK- B0+ B4- B2+ AV_AUOUTL0 EARPHONE-OUTL AV_AUOUTR0 AV1-Rin EARPHONE-OUTR CVBS_OUT AV1-Lin VGA-Bin VGA-Gin VGA-Rin I2C-SCL I2C-SDA UART-TX UART-RX HDMI2-RX2N HDMI2-RX1P HDMI2-SCL HDMI2-CLKP HDMI2-RX1N HDMI2-SDA HDMI2-RX0P HDMI2-CLKN HDMI2-RX2P HDMI2-RX0N HDMI2-HPDIN ADJ-PWM OD_SEL ON_BKLT MUTE_EN SLEEP_PWR PM_PWR_ON PANEL_ON HDMI2_DET System-RST PWR_DET AV2_VIN ���� �� ���� �� �� �� � � 2 02.MSD981C(RGB/CI/HDMI) ���� �� ���� �� �� �� � � 2 02.MSD981C(RGB/CI/HDMI) ���� �� ���� �� �� �� � � 2 02.MSD981C(RGB/CI/HDMI) NAND FLASH SPI Flash *100MHz, No any VIA hole! Boot Loader SPI Flash RESET Debug port NAND & CI & TS & Front End HDMI Interface Close to MST IC Close to MST IC with wide trace Close to MSTAR IC with width trace SAR������3.3V!!!!! GPIO & LVDS � � � � � 50mV� � ��mstar IC Audio Line Out � � � IC Closed to MSTIC HDMI & Audio RGB & CVBS & LAN & USB // CHIP Config {I2S_OUT_BCK, I2S_OUT_MCK, PAD_PWM1, PAD_PWM0} B51_NO_EJ 4'b0000 Boot from 8051 with SPI flash SB51_WOS 4'b0001 Secure B51 without scramble SB51_WS 4'b0010 Secure B51 with scramble MIPS_SPI_NO_EJ 4'b0100 Boot from MIPS with SPI flash MIPS_SPI_EJ_1 4'b0101 Boot from MIPS with SPI flash MIPS_SPI_EJ_2 4'b0110 Boot from MIPS with SPI flash MIPS_WOS 4'b1001 Secure MIPS without scramble MIPS_WS 4'b1010 Secure MIPS with scramble Mode Selection Crystal YPbPr/AV2 AV1 �� print message VGA UART LED_IR_KEY ���IC MIC (�) (�) GPIO PULL-UP R536 1M R536 1M 1 2 L505 FB_600mA L505 FB_600mA R507 10K R507 10K R559 100R R559 100R C411 47nF C411 47nF C418 47nF C418 47nF R472 22R R472 22R C464 1uF C464 1uF C403 47nF C403 47nF C420 33pF C420 33pF R469 100K R469 100K C436 22pF C436 22pF R482 100R R482 100R R433 200R R433 200R R455 100R R455 100R C429 2.2uF C429 2.2uF R555 4.7K R555 4.7K C409 47nF C409 47nF R416 68R R416 68R C454 220pF C454 220pF R458 NC/0R R458 NC/0R R401 33R R401 33R C407 1nF C407 1nF R409 68R R409 68R C415 47nF C415 47nF R459 NC/0R R459 NC/0R C439 220pF C439 220pF L503 10uH L503 10uH L504 10uH L504 10uH R447 NC/4.7K R447 NC/4.7K C437 22pF C437 22pF R532 33R R532 33R CE# 1 SO 2 WP# 3 VSS 4 SI 5 SCK 6 HOLD# 7 VDD 8 N506 W25X08A N506 W25X08A R471 22R R471 22R C434 0.1uF C434 0.1uF R438 49.9R/1% R438 49.9R/1% R483 0R R483 0R C405 47nF C405 47nF 1 2 3 4 5 6 XS644 D2006-6W XS644 D2006-6W R449 10K R449 10K R527 22R R527 22R C401 47nF C401 47nF R400 68R R400 68R C461 220pF C461 220pF R477 10K R477 10K C460 100pF C460 100pF R407 68R R407 68R C438 220pF C438 220pF C462 47nF C462 47nF R444 4.7K R444 4.7K R439 NC/4.7K R439 NC/4.7K C459 0.1uF C459 0.1uF R461 4.7K R461 4.7K R473 22R R473 22R Z501 XTAL-24MHz Z501 XTAL-24MHz C406 47nF C406 47nF R476 100R R476 100R SAR0 F4 SAR1 D4 SAR2 F5 SAR3 G6 PWM0 L20 PWM1 K19 PWM2 K20 PM_SPI_CK C7 PM_SPI_CZ1/PM6 B6 PM_SPI_DI B7 PM_SPI_DO C6 DDCA_CK J6 DDCA_DA H5 DDCR_CK/ SCKM2 M17 DDCR_DA/ SDAM2 M18 GPIO_PM7 B1 PM1/PM_UART_TX C4 GPIO_PM8 C2 PM5/PM_UART_RX B4 PM_SPI_CZ2/PM10 A6 LVB0N/ RED[6] V20 LVB0P/ RED[7] U19 LVB1N/ RED[4] V19 LVB1P/ RED[5] V21 LVB2N/ RED[2] Y21 LVB2P/ RED[3] W21 LVBCKN/ RED[0] Y20 LVBCKP/ RED[1] W20 LVB3N/ GREEN[6] Y19 LVB3P/ GREEN[7] AA20 LVB4N/ GREEN[4] W19 LVB4P/ GREEN[5] AA19 LVA0N/ GREEN[2] Y18 LVA0P/ GREEN[3] AA18 LVA1N/ GREEN[0] Y17 LVA1P/ GREEN[1] W18 LVA2N/ BLUE[6] Y16 LVA2P/ BLUE[7] W17 LVACKN/ BLUE[4] W16 LVACKP/ BLUE[5] AA16 LVA3N/ BLUE[2] Y15 LVA3P/ BLUE[3] AA15 LVA4N/ BLUE[0] Y14 LVA4P/ BLUE[1] W15 LED0 /GPIO19 M21 LED1 /GPIO20 M20 PWM_PM C1 PWM3 K21 SAR4 B2 TP /GPIO21 M19 GPIO22 L19 TN /GPIO23 N21 RP /GPIO24 N20 GPIO_PM0 F6 GPIO_PM11 A3 GPIO_PM4 E4 PM_SPI_CZ/PM9 B3 GPIO_PM3 A2 GPIO_PM2 D7 GPIO25 P20 GPIO26 P19 RN /GPIO27 N19 LCK U20 LVSYNC T20 LHSYNC T21 LDE T19 UART_TX2 L17 UART_RX2 L18 PWM SAR SPI RMII PHY I2C LVDS UART TTL N501D MSD6I981BTC PWM SAR SPI RMII PHY I2C LVDS UART TTL N501D MSD6I981BTC C455 0.1uF C455 0.1uF R452 0R R452 0R R434 NC/4.7k R434 NC/4.7k C431 2.2uF C431 2.2uF C444 0.1uF C444 0.1uF R548 100R R548 100R C495 10nF C495 10nF C449 0.1uF C449 0.1uF R533 33R R533 33R R462 4.7K R462 4.7K C408 47nF C408 47nF R446 4.7K R446 4.7K R419 4.7K R419 4.7K C414 1nF C414 1nF R481 100R R481 100R R432 200R R432 200R R410 33R R410 33R 1 2 3 XS650 NC/D2006-3A XS650 NC/D2006-3A C404 47nF C404 47nF R504 100R R504 100R R412 33R R412 33R C458 NC/0.1uF C458 NC/0.1uF C422 22nF C422 22nF R453 NC/0R R453 NC/0R 1 2 3 4 5 6 7 8 XS645 NC/D1250-6AD XS645 NC/D1250-6AD R403 33R R403 33R R427 100K R427 100K R436 49.9R/1% R436 49.9R/1% R443 NC/4.7K R443 NC/4.7K R421 3.9K R421 3.9K R451 NC/4.7K R451 NC/4.7K R501 100R R501 100R 1 2 3 4 5 XS651 NC/D1251-03 XS651 NC/D1251-03 R442 4.7K R442 4.7K R529 33R R529 33R C446 10uF C446 10uF R521 22R R521 22R C421 10nF C421 10nF C442 10uF C442 10uF BIN0M K2 GIN0P L2 GIN0M L1 SOGIN0 L3 RIN0M M1 HSYNC0 L4 VSYNC0 L5 BIN1M N3 GIN1P P3 SOGIN1 N2 RIN1M R3 BIN2M R2 GIN2M U3 RIN2M U1 SOGIN2 T3 CVBS0 V3 CVBS1 V1 CVBS2 V2 CVBS3 V4 VCOM Y1 DM_P0 A5 DP_P0 B5 DM_P1 Y13 DP_P1 W14 RIN0P M3 BIN0P K3 RIN1P P1 GIN1M P2 RIN2P U2 GIN2P T2 BIN2P R1 BIN1P M2 CVBS_OUT1 W1 VSYNC_LIKE R19 SPI1_CK R21 SPI1_DI R20 RGB CVBS USB Local Dimming N501E MSD6I981BTC RGB CVBS USB Local Dimming N501E MSD6I981BTC R423 1K R423 1K R550 4.7K R550 4.7K R428 100R R428 100R R556 4.7K R556 4.7K C456 1nF C456 1nF C447 0.1uF C447 0.1uF C416 10uF C416 10uF R522 22R R522 22R R404 68R R404 68R R418 10K R418 10K R406 0R R406 0R C402 47nF C402 47nF R468 100K R468 100K C443 10uF C443 10uF R424 0R R424 0R GND 1 RESET 2 VCC 3 N512 IMP810 N512 IMP810 R426 0R R426 0R R415 33R R415 33R R500 100R R500 100R 1 3 2 V604 3906 V604 3906 R/B 7 RE 8 CE 9 NC 10 NC 11 VCC 12 VSS 13 NC 14 NC 15 CLE 16 ALE 17 WE 18 WP 19 NC 48 NC 47 NC 46 NC 45 D7 44 D6 43 D5 42 D4 41 VCC 37 VSS 36 NC 35 NC 34 NC 33 D3 32 D2 31 D1 30 D0 29 NC 1 NC 2 NC 3 NC 4 NC 5 NC 6 NC 20 NC 21 NC 22 NC 23 NC 24 NC 25 NC 26 NC 27 NC 28 NC 38 NC 39 NC 40 N510 K9F2G08U0C N510 K9F2G08U0C R105 100R R105 100R C419 33pF C419 33pF C435 10uF C435 10uF R475 NC/10K R475 NC/10K R422 10K R422 10K C433 0.1uF C433 0.1uF R523 22R R523 22R R480 4.7K R480 4.7K R413 0R R413 0R C448 0.1uF C448 0.1uF C417 47nF C417 47nF R414 33R R414 33R R495 NC/4.7K R495 NC/4.7K R528 33R R528 33R R405 33R R405 33R R440 4.7K R440 4.7K + C424 100uF + C424 100uF C430 2.2uF C430 2.2uF R520 22R R520 22R R497 4.7K R497 4.7K C412 47nF C412 47nF R411 68R R411 68R R420 0R R420 0R R525 22R R525 22R C450 NC C450 NC R425 100K R425 100K R437 49.9R/1% R437 49.9R/1% R534 33R R534 33R R535 0R R535 0R R474 4.7K R474 4.7K R531 33R R531 33R R106 100R R106 100R C413 47nF C413 47nF LINE_OUT_L0 W7 LINE_OUT_R0 AA7 VRP V5 VAG W5 AVSS_VRM_ADC W4 SPDIF_IN D6 SPDIF_OUT E7 I2S_OUT_MCK E5 I2S_OUT_WS E6 A_RX0N H3 A_RX0P H2 A_RX1N H1 A_RX1P J3 A_RX2N J1 A_RX2P J2 A_RXCN G3 A_RXCP G2 DDCDA_CK K6 DDCDA_DA M6 HOTPLUGA L6 D_RX0N E3 D_RX0P E2 D_RX1N E1 D_RX1P F3 D_RX2N F1 D_RX2P F2 D_RXCN D3 D_RXCP D2 DDCDD_CK J4 DDCDD_DA J5 HOTPLUGD K5 CEC H4 I2S_OUT_BCK C5 I2S_OUT_SD D5 IRIN G5 RESET C3 XTAL_IN Y6 XTAL_OUT AA6 TESTPIN K8 ARC0 H6 LINE_IN_L4 R5 LINE_IN_R4 R4 I2S_IN_WS J21 I2S_IN_BCK J20 I2S_IN_SD J19 LINE_IN_L3 T5 LINE_IN_R3 T6 LINE_IN_L2 U4 LINE_IN_R2 U5 LINE_IN_L1 W10 LINE_IN_R1 AA10 LINE_IN_L0 Y9 LINE_IN_R0 AA9 C_RX0N Y11 C_RX0P W12 C_RX1N Y12 C_RX1P AA12 C_RX2N W13 C_RX2P AA13 C_RXCN Y10 C_RXCP W11 DDCDC_CK V12 DDCDC_DA U12 HOTPLUGC T12 EARPHONE_OUTL Y8 EARPHONE_OUTR W9 LINE_OUT_L2 Y7 LINE_OUT_R2 W8 HDMI A/C/D Analog Audio I2S SPDIF Other N501C MSD6I981BTC HDMI A/C/D Analog Audio I2S SPDIF Other N501C MSD6I981BTC R408 33R R408 33R L502 FB_600mA L502 FB_600mA C457 NC/0.1uF C457 NC/0.1uF R552 100R R552 100R R445 NC/4.7K R445 NC/4.7K C428 2.2uF C428 2.2uF R524 22R R524 22R R526 22R R526 22R R530 33R R530 33R C499 10nF C499 10nF R402 68R R402 68R C463 1uF C463 1uF 1 3 2 V615 NC/3906 V615 NC/3906 R441 NC/4.7K R441 NC/4.7K R499 NC/1K_1% R499 NC/1K_1% R496 NC/100R R496 NC/100R R448 4.7K R448 4.7K TS1_D0 T14 TS1_D1 U14 TS1_D2 U13 TS1_D3 V13 TS1_D4 U15 TS1_D5 T16 TS1_D7 U16 TS1_CLK V15 TS1_VLD T15 TS1_SYNC T13 IP Y2 IM AA2 VIFP Y3 VIFM AA3 SSIF/SIFP Y4 SSIF/SIFM AA4 IF_AGC W3 RF_AGC W2 TGPIO0 Y5 TGPIO2/ SCKM1 V6 TGPIO3/ SDAM1 U6 PCM_D0 /NAND_AD0 V17 PCM_D1 /NAND_AD1 V18 PCM_D2 /NAND_AD2 U17 PCM_D3 /NAND_AD3 U18 PCM_D4 /NAND_AD4 T17 PCM_D5 /NAND_AD5 T18 PCM_D6 /NAND_AD6 R17 PCM_D7 /NAND_AD7 R18 TGPIO1 W6 TS1_D6 V16 PF_WEZ P16 PF_WPZ R16 PF_ALE N16 PF_CLE P17 PF_CEZ M16 PF_REZ N17 PF_CEZ1 P18 PF_RBZ L16 TS1 (In/Out) NAND Front End N501B MSD6I981BTC TS1 (In/Out) NAND Front End N501B MSD6I981BTC C445 0.1uF C445 0.1uF R470 22R R470 22R R549 100R R549 100R R502 100R R502 100R C432 10uF C432 10uF R435 49.9R/1% R435 49.9R/1% R479 4.7K R479 4.7K R542 10K R542 10K PDF ��� "PDF ����" ����� ����� � 5 5 4 4 3 3 2 2 1 1 D D C C B B A A PGA_VCOM VCC_VSENSE PGA_VCOM AVDD_MPLL VDDP AVDD_LAN VDDC1.10V AVDDL_MOD AVDD11_ETH AVDD1P1_ADC AVDDLV_USB 3.3V_Normal 3.3Vstb 2.5V_Normal DVDD VDDC AVDD_DMPLL VDDIO_0 AVDD25_PGA AVDD_ALIVE 1.5V_DDR3 AVDD_ADC25 AVDD_LPLL VDDIO_1 AVDD_DVI AVDD_MOD AVDD_REF25 VDDP DVDD_NODIE AVDD25_PGA 2.5V_Normal 3.3Vstb VDDIO_0 VDDC VCC_VSENSE ���� �� ���� �� �� �� � � 3 03.MSD981C(POWER/GND) ���� �� ���� �� �� �� � � 3 03.MSD981C(POWER/GND) ���� �� ���� �� �� �� � � 3 03.MSD981C(POWER/GND) Close to AVDD_DVI Normal Power 3.3V 2.5V Standby Power 3.3V DDR3 POWER Power interface FB_CORE������������FB_CORE C479 0.1uF C479 0.1uF C492 0.1uF C492 0.1uF C468 0.1uF C468 0.1uF C489 2.2uF C489 2.2uF C486 0.1uF C486 0.1uF R466 0R R466 0R C491 0.1uF C491 0.1uF C480 2.2uF C480 2.2uF C484 2.2uF C484 2.2uF C473 0.1uF C473 0.1uF C467 0.1uF C467 0.1uF C481 0.1uF C481 0.1uF C490 0.1uF C490 0.1uF L508 FB_600mA L508 FB_600mA C487 0.1uF C487 0.1uF C478 1uF C478 1uF C482 0.1uF C482 0.1uF C477 0.1uF C477 0.1uF C469 0.1uF C469 0.1uF C465 10uF C465 10uF C485 0.1uF C485 0.1uF C474 0.1uF C474 0.1uF C483 2.2uF C483 2.2uF AVDD_DDR0_D G17 AVDD3P3_DVI_USB M5 AVDD_AU33 P5 VDDC K15 VDDC L14 VDDC M13 VDDC K14 DVDD_DDR K18 VDDC M14 VDDC M15 VDDC N13 VDDC N14 AVDD25_DADC U11 AVDD_LPLL N7 AVDD3P3_DVI_USB N5 AVDD25_REF T10 AVDD25_DPGA V10 AVDD_DDR0_D F16 AVDD25_LAN R10 AVDD_DDR0_D F17 AVDD_DDR0_D G16 AVDD11_LAN K17 AVDD_NODIE M4 AVDD_MOD T11 VDDP P4 GND D9 GND_EFUSE J8 AVDD25_DADC V11 AVDD3P3_MPLL_ETH N6 GND D10 AVDD_DMPLL N4 GND J11 GND D13 DVDD_NODIE G8 DDR_GND C20 DDR_GND A16 DDR_GND A13 DDR_GND A10 DDR_GND A21 GND D11 DDR_GND C8 AVDD_DDR0_C F15 DDR_GND E21 AVSS_PGA V9 GND E10 GND E11 GND E9 GND E12 GND E16 GND J12 GND J14 GND J15 GND J18 GND K7 GND K10 GND F7 GND F8 GND K11 GND K12 GND L7 GND L8 GND N9 GND N10 GND N11 GND F9 GND M10 GND M11 GND N8 GND P7 GND P8 GND P9 GND P10 GND P11 GND P12 GND P15 GND R6 GND R7 GND R8 DDR_GND F18 GND D14 GND E15 GND E8 DDR_GND G20 GND D12 GND D15 GND D16 GND E13 GND E14 GND R9 AVDD1P1_ADC M12 AVDDL_MOD N12 AVDD25_REF U10 GND D17 GND E17 GND R12 GND R13 GND F12 GND F13 GND F14 GND G7 GND G14 GND H7 GND H8 GND H10 GND H11 GND H12 GND H14 GND H15 GND J7 GND J10 GND R14 GND P13 GND M7 GND M8 GND M9 FB_CORE N15 GND J16 GND J17 VDDC L15 AVDDLV_USB K16 GND P14 GND D8 AVDD_EAR33 P6 GND R15 GND T7 GND T8 GND T9 GND U7 GND U8 GND U9 GND H16 GND H17 GND H18 GND V7 GND V8 GND R11 DDR_GND H20 GND G15 GND G18 N501F MSD6I981BTC N501F MSD6I981BTC C470 0.1uF C470 0.1uF C466 0.1uF C466 0.1uF C475 0.1uF C475 0.1uF C472 2.2uF C472 2.2uF C476 0.1uF C476 0.1uF L507 FB_600mA L507 FB_600mA R465 NC/0R R465 NC/0R C471 0.1uF C471 0.1uF C488 0.1uF C488 0.1uF PDF ��� "PDF ����" ����� ����� � 5 5 4 4 3 3 2 2 1 1 D D C C B B A A A_DDR3_A14 A_DDR3_A5 A_DDR3_A9 A_DDR3_A12 A_DDR3_A11 A_DDR3_A3 A_DDR3_A1 A_DDR3_A10 A_DDR3_A2 A_DDR3_A0 A_DDR3_A6 A_DDR3_A7 A_DDR3_A13 A_DDR3_A8 A_DDR3_A4 A_DDR3_CKE A-DDR3-A13 A-DDR3-A14 A_DDR3_BA1 A-DDR3-BA2 A_DDR3_A2 A-DDR3-A11 A_DDR3_A10 A_DDR3_DQU1 A_DDR3_DQU3 A_DDR3_DQU2 A_DDR3_DQU4 A_DDR3_DQU0 A_DDR3_DQU5 A_DDR3_DQU6 A_DDR3_DQU7 A-DDR3-A8 A-DDR3-A9 A-DDR3-A10 A-DDR3-A11 A_DDR3_A14 A_DDR3_A5 A-DDR3-A0 A-DDR3-CASZ A-DDR3-RASZ A-DDR3_MCLK A-DDR3_MCLKZ A-DDR3-BA0 A-DDR3-ODT A-DDR3-A12 A-DDR3-A3 A-DDR3-A10 A-DDR3-CKE A-DDR3-A14 A_DDR3_A1 A_DDR3_BA2 A_DDR3_CKE A_DDR3_DQSL A_DDR3_DQSLB A-DDR3-ODT A-DDR3-RESET A_DDR3_RESET A-DDR3-WEZ A-DDR3-CASZ A-DDR3-A0 A_DDR3_A0 A-DDR3-BA0 A-DDR3-BA1 A-DDR3-BA2 A-DDR3-BA1 A-DDR3-A12 A_DDR3_DMU A_DDR3_BA0 A_DDR3_ODT A-DDR3-A2 A-DDR3-A9 A-DDR3-CKE A_DDR3_A3 A_DDR3_A8 A_DDR3_DQSU A_DDR3_DQSUB A-DDR3-A1 A_DDR3_A4 A-DDR3-A4 A-DDR3-A6 A_DDR3_WEZ A_DDR3_CASZ A_DDR3_RASZ A-MVREFCA A_DDR3_WEZ A_DDR3_RASZ A_DDR3_CASZ A-MVREFDQ A-DDR3-A2 A-DDR3-A3 A_DDR3_A12 A_DDR3_A9 A-DDR3-A1 A-DDR3-A8 A_DDR3_DQL3 A_DDR3_DQL7 A_DDR3_DQL6 A_DDR3_DQL5 A_DDR3_DQL4 A_DDR3_DQL1 A_DDR3_DQL0 A_DDR3_DQL2 A_DDR3_A11 A_DDR3_A6 A-DDR3-A5 A-DDR3-RESET A-DDR3-RASZ A_DDR3_DML A-DDR3-A4 A-DDR3-A5 A-DDR3-A6 A-DDR3-A7 A-DDR3-WEZ A-MVREFCA A-MVREFDQ A_DDR3_DQU1 A_DDR3_DQU3 A_DDR3_DQU2 A_DDR3_DQU4 A_DDR3_DQL3 A_DDR3_DQL7 A_DDR3_DQU0 A_DDR3_DQL6 A_DDR3_DQL5 A_DDR3_DQL4 A_DDR3_DQU5 A_DDR3_DQL0 A_DDR3_DQL1 A_DDR3_DQL2 A_DDR3_DQSL A_DDR3_DQSU A_DDR3_DQSLB A_DDR3_DQSUB A_DDR3_DQU6 A_DDR3_MCLK A_DDR3_MCLKZ A_DDR3_DMU A_DDR3_DML A_DDR3_DQU7 A_DDR3_BA2 A_DDR3_RESET A_DDR3_BA1 A_DDR3_BA0 A_DDR3_ODT A-DDR3_MCLK A-DDR3_MCLKZ A_DDR3_MCLKZ A_DDR3_MCLK A_DDR3_A13 A-DDR3-A7 A_DDR3_A7 A-DDR3-A13 AVDD_DDR0 AVDD_DDR0 1.5V_DDR3 AVDD_DDR0 AVDD_DDR0 AVDD_DDR0 �� �� �� ���� �� �� �� � � 4 04.DDR3 �� �� �� ���� �� �� �� � � 4 04.DDR3 �� �� �� ���� �� �� �� � � 4 04.DDR3 Close to DDR POWER PIN over 1.3G A_DDR3_A0/DDR2_A5 C12 A_DDR3_A1/DDR2_A13 B14 A_DDR3_A2/DDR2_A9 A11 A_DDR3_A3/DDR2_A10 C10 A_DDR3_A4/DDR2_A2 C16 A_DDR3_A5/DDR2_A3 A9 A_DDR3_A6/DDR2_A4 C15 A_DDR3_A7/DDR2_A7 B10 A_DDR3_A8/DDR2_A8 A14 A_DDR3_A9/DDR2_A14 B11 A_DDR3_A10/DDR2_RASZ B16 A_DDR3_A11/DDR2_A6 B13 A_DDR3_A12/DDR2_A0 A15 A_DDR3_A13/DDR2_A12 C11 A_DDR3_A14/DDR2_A11 C14 A_DDR3_DQ0/DDR2_DQ6 F21 A_DDR3_DQ1/DDR2_DQ0 C18 A_DDR3_DQ2/DDR2_DQ1 G19 A_DDR3_DQ3/DDR2_DQ7 B19 A_DDR3_DQ4/DDR2_DQ4 H19 A_DDR3_DQ5/DDR2_DQ2 A18 A_DDR3_DQ6/DDR2_DQ3 G21 A_DDR3_DQ7/DDR2_DQ5 B18 A_DDR3_DQ8/DDR2_DQ15 B20 A_DDR3_DQ9/DDR2_DQM1 D19 A_DDR3_DQ10/DDR2_DQ10 D18 A_DDR3_DQ11/DDR2_DQ9 F20 A_DDR3_DQ12/DDR2_DQM0 A20 A_DDR3_DQ13/DDR2_DQ12 E20 A_DDR3_DQ14/DDR2_DQ8 C19 A_DDR3_DQ15/DDR2_DQ14 E19 A_DDR3_DQM0//DDR2_DQ13 E18 A_DDR3_DQM1/DDR2_DQ11 F19 A_DDR3_MCLK/DDR2_MCLK A17 A_DDR3_MCLKZ/DDR2_MCLKZ B17 A_DDR3_DQSL/DDR2_DQS0 D20 A_DDR3_DQSLB/DDR2_DQSB0 D21 A_DDR3_DQSU/DDR2_DQS1 C21 A_DDR3_DQSUB/DDR2_DQSB1 B21 A_DDR3_CASZ/DDR2_BA0 A12 A_DDR3_RASZ/DDR2_BA1 B12 A_DDR3_WEZ/DDR2_A1 C13 A_DDR3_ODT/DDR2_WEZ B8 A_DDR3_BA0/DDR2_CKE A8 A_DDR3_BA1/DDR2_CASZ B15 A_DDR3_BA2/DDR2_BA2 C9 A_DDR3_RESET B9 A_DDR3_CKE/DDR2_ODT C17 MIU0 N501A MSD6I981BTC MIU0 N501A MSD6I981BTC C017 0.1uF C017 0.1uF 7 5 3 1 8 6 4 2 RA016 22RX4 7 5 3 1 8 6 4 2 RA016 22RX4 R003 1K/1% R003 1K/1% C021 1nF C021 1nF 7 5 3 1 8 6 4 2 RA020 22RX4 7 5 3 1 8 6 4 2 RA020 22RX4 R006 56R R006 56R 7 5 3 1 8 6 4 2 RA018 22RX4 7 5 3 1 8 6 4 2 RA018 22RX4 C012 0.1uF C012 0.1uF R009 22R R009 22R A0 N3 A1 P7 A2 P3 A3 N2 A4 P8 A5 P2 A6 R8 A7 R2 A8 T8 A9 R3 A10 L7 A11 R7 A12 N7 DQU0 D7 DQU1 C3 DQU2 C8 DQU3 C2 DQU4 A7 DQU5 A2 DQU6 B8 DQU7 A3 DQSU C7 /DQSU B7 DMU D3 DQL0 E3 DQL1 F7 DQL2 F2 DQL3 F8 DQL4 H3 DQL5 H8 DQL6 G2 DQL7 H7 DQSL F3 /DQSL G3 DML E7 BA0 M2 BA1 N8 BA2 M3 /CS L2 /RAS J3 /CAS K3 /WE L3 CK J7 /CK K7 CKE K9 ODT K1 /RESET T2 VREFCA M8 VREFDQ H1 ZQ L8 VDDQ A1 VDDQ A8 VDDQ C1 VDDQ C9 VDDQ D2 VDDQ E9 VDDQ F1 VDDQ H2 VDDQ H9 VSSQ B9 VSSQ B1 VSSQ D1 VSSQ D8 VSSQ E2 VSSQ E8 VSSQ F9 VSSQ G1 VSSQ G9 VDD B2 VDD D9 VDD G7 VDD K2 VDD K8 VDD N1 VDD N9 VDD R1 VDD R9 VSS A9 VSS E1 VSS G8 VSS J2 VSS J8 VSS M1 VSS M9 VSS P1 VSS P9 VSS T1 VSS T9 NC1 J1 NC2 J9 NC3 L1 NC4 L9 NC5 M7 A13 T3 NC7 T7 VSS B3 N502 K4B2G1646C N502 K4B2G1646C C011 0.1uF C011 0.1uF C003 0.1uF C003 0.1uF C014 0.1uF C014 0.1uF C022 10nF C022 10nF R007 56R R007 56R C002 0.1uF C002 0.1uF C005 0.1uF C005 0.1uF R001 1K/1% R001 1K/1% C020 0.1uF C020 0.1uF 7 5 3 1 8 6 4 2 RA022 22RX4 7 5 3 1 8 6 4 2 RA022 22RX4 C015 0.1uF C015 0.1uF 7 5 3 1 8 6 4 2 RA015 22RX4 7 5 3 1 8 6 4 2 RA015 22RX4 7 5 3 1 8 6 4 2 RA010 22RX4 7 5 3 1 8 6 4 2 RA010 22RX4 C007 0.1uF C007 0.1uF R005 240R/1% R005 240R/1% 7 5 3 1 8 6 4 2 RA017 22RX4 7 5 3 1 8 6 4 2 RA017 22RX4 R004 1K/1% R004 1K/1% R008 22R R008 22R C009 1nF C009 1nF 7 5 3 1 8 6 4 2 RA019 22RX4 7 5 3 1 8 6 4 2 RA019 22RX4 7 5 3 1 8 6 4 2 RA011 22RX4 7 5 3 1 8 6 4 2 RA011 22RX4 C013 0.1uF C013 0.1uF C010 0.1uF C010 0.1uF C004 0.1uF C004 0.1uF 7 5 3 1 8 6 4 2 RA021 22RX4 7 5 3 1 8 6 4 2 RA021 22RX4 C006 0.1uF C006 0.1uF C019 0.1uF C019 0.1uF C016 0.1uF C016 0.1uF C001 2.2uF C001 2.2uF C018 0.1uF C018 0.1uF 7 5 3 1 8 6 4 2 RA014 22RX4 7 5 3 1 8 6 4 2 RA014 22RX4 7 5 3 1 8 6 4 2 RA013 22RX4 7 5 3 1 8 6 4 2 RA013 22RX4 C008 0.1uF C008 0.1uF R002 1K/1% R002 1K/1% PDF ��� "PDF ����" ����� ����� � 5 5 4 4 3 3 2 2 1 1 D D C C B B A A VGA_HSYNC VGA_VSYNC VGA_VS RGB1-VGA_B VGA_HS RGB1_VGA-G RGB1-VGA_R UART-TX UART-RX VBUS1 VBUS1 VBUS2 VBUS2 USB2_D- USB2_D- USB2_D+in USB1_D+in USB2_D-in USB2_D+ USB2_D+ USB1_D-in USB1_D- USB_D- USB1_D+in USB2_D+in USB2_D-in USB1_D-in USB2_D+in USB2_D-in USB1_D+in USB1_D-in USB1_D+ USB1_D+ VBUS VBUS 5VA UART-TX UART-RX VGA_HSYNC VGA_VSYNC VGA-Bin VGA-Gin VGA-Rin USB2_D- USB2_D+ USB1_D- USB1_D+ ���� �� ���� �� �� �� � � 5 05.VGA&USB ���� �� ���� �� �� �� � � 5 05.VGA&USB ���� �� ���� �� �� �� � � 5 05.VGA&USB VGA Close to Mstar IC Connector CU04 0.1uF CU04 0.1uF R609 10K R609 10K + CU35 220uF + CU35 220uF R601 75R R601 75R RU19 5.1R RU19 5.1R RU31 5.1R RU31 5.1R 4 3 2 1 5 6 7 4 3 2 1 XSU01 USB V Connector 4 3 2 1 XSU01 USB V Connector R603 75R R603 75R R604 510R R604 510R RU21 5.1R RU21 5.1R FU01 PTC_1.5A FU01 PTC_1.5A R608 10K R608 10K 4 3 2 1 5 6 7 4 3 2 1 XSU02 USB V Connector 4 3 2 1 XSU02 USB V Connector R605 510R R605 510R R606 100R R606 100R RU20 5.1R RU20 5.1R R602 75R R602 75R CU05 0.1uF CU05 0.1uF RU37 NC/100K RU37 NC/100K 5 10 4 9 3 8 2 7 1 15 14 13 12 11 6 16 17 XS605 VGA XS605 VGA 1 2 3 5 6 4 NU02 IP4223CZ6 NU02 IP4223CZ6 R607 100R R607 100R PDF ��� "PDF ����" ����� ����� � 5 5 4 4 3 3 2 2 1 1 D D C C B B A A HP_MUTE 5V_AMP AVOUT CVBS_OUT HD1_Pr HD1_Pb HD1_Y AV1-L AV1-R AV1-Vin+ AV1 AV1-Rin AV1-Lin HD1-L PH_L EARPHONE-OUTR EARPHONE-OUTL PH_R AV1 AV1-R AV1-L HD1_Y HD1_Pb HD1_Pr AVOUT HD1-R HD1-R HD1-L AV2-Vin+ HD1_Y 5V_AMP 5VA HP_MUTE HD_Rin HD_Lin PH_L CVBS_OUT PH_R YPbPr_Y YPbPr_PB YPbPr_PR AV1-Rin AV1-Lin AV1_VIN EARPHONE-OUTR PH_L PH_R EARPHONE-OUTL AV2_VIN ���� �� ���� �� �� �� � � 6 06.YPbPr&AV ���� �� ���� �� �� �� � � 6 06.YPbPr&AV ���� �� ���� �� �� �� � � 6 06.YPbPr&AV AV1 Keep A_GND trace with Signal. Keep Spacing for L/R cahnnel. Keep trace width(12mil+). ��� 1.2VDC ����������� ������V602-E=1.2VDC EPHONE OUT YPbPr Audio IN AV1 IN VIDEO OUT Close to Mstar IC 560pF������������� 75R Close to Mstar IC 560pF������������� 2 1 XS621 AV OUT XS621 AV OUT R625 75R R625 75R VD604 5.6V VD604 5.6V R610 75R R610 75R R638 12K R638 12K R618 12K R618 12K C614 NC C614 NC R633 33R R633 33R C611 10uF C611 10uF R681 10K R681 10K 1 2 L605 FB_33000440 L605 FB_33000440 R622 6.8K R622 6.8K C612 NC/47pF C612 NC/47pF R619 12K R619 12K R636 10K R636 10K C613 NC C613 NC C615 NC C615 NC R620 22K R620 22K R621 5.1K R621 5.1K 1 2 L603 FB_600mA L603 FB_600mA C609 0.1uF C609 0.1uF R627 75R R627 75R C621 NC/560pF C621 NC/560pF R629 75R R629 75R R682 10K R682 10K C633 22uF C633 22uF R628 75R R628 75R R630 6.8K R630 6.8K C632 470pF C632 470pF R615 10K R615 10K C601 NC/330pF C601 NC/330pF C634 22uF C634 22uF 1 2 L604 FB_33000440 L604 FB_33000440 R635 10K R635 10K R617 10K R617 10K C620 NC/560pF C620 NC/560pF 1 2 L601 FB_600mA L601 FB_600mA R624 49.9R/1% R624 49.9R/1% C607 NC/560pF C607 NC/560pF C616 NC C616 NC 2 3 4 1 5 XS624 AUDIO_out XS624 AUDIO_out R637 12K R637 12K R623 499R/1% R623 499R/1% C608 NC/560pF C608 NC/560pF 6 4 1 3 5 2 XS608 ypbpr XS608 ypbpr R631 3.9K R631 3.9K V605 3906 V605 3906 1 2 3 V606 3904 V606 3904 1 2 L602 FB_600mA L602 FB_600mA C610 10uF C610 10uF R626 499R/1% R626 499R/1% 1 3 2 6 5 7 4 XS620 HeadPhone XS620 HeadPhone 6 4 1 3 5 2 7 XS609 AV XS609 AV C631 470pF C631 470pF 1 2 3 V607 3904 V607 3904 R632 1.2K R632 1.2K PDF ��� "PDF ����" ����� ����� � 5 5 4 4 3 3 2 2 1 1 D D C C B B A A AMP_Rout+ AMP_EN AV_AUOUTL0 AMP_Lout- AMP_Rout- AV_AUOUTR0 AV_AUOUTR0 GAIN0 GAIN0 OP OP OP MUTE_EN AMP_EN OP AMP_Lout- AMP_Lout+ AMP_Rout- AMP_Rout+ HP_MUTE AMP_Lout+ +12V AMP_12V AVDD AMP_12V AVDD AMP_12V 5VA +12V 3.3V_Tuner 5VA AV_AUOUTL0 AV_AUOUTR0 MICLIN MICRIN MUTE_EN HP_MUTE ���� �� ���� �� �� �� � � 7 07.AMP ���� �� ���� �� �� �� � � 7 07.AMP ���� �� ���� �� �� �� � � 7 07.AMP H:MUTE L:ON AMP Mic_Drive MUTE Control H:OFF L:ON C284 100uF C284 100uF C213 2.2uF C213 2.2uF C225 0.1uF C225 0.1uF R256 10K R256 10K R234 10K R234 10K 1 2 L211 NC/FB L211 NC/FB C203 0.1uF C203 0.1uF R248 47K R248 47K R223 10K R223 10K C224 1nF C224 1nF R225 47K R225 47K C228 1nF C228 1nF R252 47K R252 47K C208 2.2uF C208 2.2uF 1 2 3 4 XS201 D2514-4A XS201 D2514-4A C267 10nF C267 10nF C215 4700pF/25V C215 4700pF/25V C268 1nF C268 1nF R264 33K R264 33K L214 15uH L214 15uH 1 3 2 C C D ESD V209 PESD5VOS2BT C C D ESD V209 PESD5VOS2BT 1 2 L203 FB_6000mA L203 FB_6000mA C209 1uF/25V C209 1uF/25V R229 47K R229 47K + C226 220uF + C226 220uF R260 1K R260 1K R232 10K R232 10K 3 1 2 V206 BAV99 V206 BAV99 1 2 L213 NC/FB L213 NC/FB C220 2.2uF C220 2.2uF 3 1 2 V210 BAV99 V210 BAV99 R237 1K R237 1K R238 10K R238 10K C202 1nF C202 1nF R211 1K R211 1K R212 NC/0R R212 NC/0R 3 2 1 8 4 - + N205A AZ4558 - + N205A AZ4558 C256 27pF C256 27pF R249 100R R249 100R 1 3 2 V214 3904 V214 3904 R214 20K R214 20K 1 1 2 2 3 3 XS623 XS623 C260 3.3nF C260 3.3nF R235 10K R235 10K 5 6 7 8 4 - + N205B AZ4558 - + N205B AZ4558 R206 1K R206 1K R247 47K R247 47K R239 10K R239 10K + C205 220uF + C205 220uF C210 4700pF/25V C210 4700pF/25V R216 10K R216 10K R259 100R R259 100R C246 10nF C246 10nF C282 2.2uF C282 2.2uF C240 2.2uF C240 2.2uF L212 15uH L212 15uH C222 4700pF/25V C222 4700pF/25V C259 2.2uF C259 2.2uF 1 2 L208 NC/FB L208 NC/FB 1 2 L215 NC/FB L215 NC/FB C264 2.2uF C264 2.2uF C238 27pF C238 27pF C253 0.1uF C253 0.1uF C266 10nF C266 10nF R236 1K R236 1K R261 1K R261 1K R210 100K R210 100K C249 0.1uF C249 0.1uF 1 2 L220 FB_600mA L220 FB_600mA C223 2.2uF C223 2.2uF C247 10nF C247 10nF 3 1 2 V208 BAV99 V208 BAV99 C206 2.2uF C206 2.2uF R266 33K R266 33K 3 1 2 V207 BAV99 V207 BAV99 C283 10uF C283 10uF R250 1K R250 1K 1 3 2 V215 3904 V215 3904 C244 2.2uF C244 2.2uF + C207 220uF + C207 220uF C221 1uF/25V C221 1uF/25V R245 1K R245 1K C270 10uF C270 10uF C218 4700pF/25V C218 4700pF/25V R246 100K R246 100K C245 1nF C245 1nF NC 3 AVDD 4 VIPL 1 VINL 2 AVSS 8 REXT 7 SD_B 5 FAULT_B 6 VIPR 12 VINR 11 G0 10 NC 9 PVSSR 16 OUTPR 15 BSPR 14 PVDDR 13 OUTNR 17 BSNR 18 BSNL 19 OUTNL 20 PVSSL 21 OUTPL 22 BSPL 23 PVDDL 24 PowerPAD 25 MSH9010 N202 MSH9010 N202 R243 1K R243 1K C216 1uF/25V C216 1uF/25V C263 2.2uF C263 2.2uF C241 3.3nF C241 3.3nF C204 1uF/25V C204 1uF/25V 1 1 2 2 3 3 XS622 XS622 C217 1uF/25V C217 1uF/25V R217 NC/10K R217 NC/10K PDF ��� "PDF ����" ����� ����� � 5 5 4 4 3 3 2 2 1 1 D D C C B B A A HDMI2-RX1N HDMI2-RX0P HDMI2-RX0N HDMI2-CLKP HDMI2-CLKN HDMI2-RX1P HDMI2_CEC HDMI-CEC DDC2BSDA HDMI2_HPDIN HDMI2-5V HDMI2_CEC DDC2BSCL HDMI2-RX2P HDMI2-RX2N HDMI2-HPDIN HDMI2_HPDIN HDMI2-SDA HDMI2-SCL HDMI_ARC HDMI2_CLKN HDMI2_RX2P HDMI2_RX2N HDMI2_RX1P HDMI2_RX1N HDMI2_RX0P HDMI2_RX0N HDMI2_CLKP HDMI2-5V HDMI_ARC HDMI2-5V HDMI2-5V HDMI2-5V 3.3V_Normal HDMI2-RX2P HDMI2-RX2N HDMI2-RX1P HDMI2-RX1N HDMI2-RX0P HDMI2-RX0N HDMI2-CLKP HDMI2-CLKN HDMI-CEC HDMI2-HPDIN HDMI2-SCL HDMI2-SDA HDMI2_DET HDMI-ARC ���� �� ���� �� �� �� � � 8 08.HDMI Interface ���� �� ���� �� �� �� � � 8 08.HDMI Interface ���� �� ���� �� �� �� � � 8 08.HDMI Interface To MST IC For CEC&ARC 2nd HDMI 180-Degree Connector Hot-Plug Control R667 10R R667 10R R510 10K R510 10K R664 10R R664 10R R678 100R R678 100R R677 0R R677 0R R679 4.7K R679 4.7K R680 100R R680 100R R673 10K R673 10K R541 10K R541 10K R666 100R R666 100R R676 10K R676 10K R671 10R R671 10R R668 10R R668 10R C642 2.2uF C642 2.2uF R665 10R R665 10R R675 10R R675 10R R670 1K R670 1K R544 10K R544 10K 1 2 3 V404 3904 V404 3904 DATA2+ 1 DATA2 SHIELD 2 DATA2- 3 DATA1+ 4 DATA1 SHIELD 5 DAT1A- 6 DATA0+ 7 DATA0 SHIELD 8 DATA0- 9 CLK+ 10 CLK SHIELD 11 CLK- 12 CEC 13 NC 14 SCL 15 SDA 16 DDC/CEC GND 17 +5V POWER 18 HOT PLUG 19 20 20 21 21 22 22 XS601 HDMI XS601 HDMI R672 10R R672 10R R674 10K R674 10K 1 2 3 V614 3904 V614 3904 R538 1K R538 1K R669 10R R669 10R PDF ��� "PDF ����" ����� ����� � 5 5 4 4 3 3 2 2 1 1 D D C C B B A A TAGC VIFP IF-IN- IF-IN+ VIFM TUNER-SCL TUNER-SDA IF-IN+ IF-IN- 3.3V_Tuner 3.3V_Tuner 3.3V_Tuner 3.3V_Tuner 3.3V_Tuner 3.3V_Tuner 3.3V_Tuner 3.3V_Tuner 3.3V_Tuner 3.3V_Tuner VIFM VIFP TAGC I2C-SCL I2C-SDA �� �� �� ���� �� �� �� � � 9 09.TUNER �� �� �� ���� �� �� �� � � 9 09.TUNER �� �� �� ���� �� �� �� � � 9 09.TUNER pin1 pin16 pin27 pin35 3.3V_Tuner����� Closed to MSTIC,for silicon tuner C114 0.22uF C114 0.22uF C138 0.47uF C138 0.47uF 5 4 3 2 1 XS100 IEC Female XS100 IEC Female C107 100nF 16V 10% C107 100nF 16V 10% C101 120pF/100V/5% C101 120pF/100V/5% C141 0.1uF C141 0.1uF C126 0.1uF C126 0.1uF L108 220nH 120mA 5% L108 220nH 120mA 5% R180 1K R180 1K L126 2.2nH 1000mA +/- 0.2nH L126 2.2nH 1000mA +/- 0.2nH L125 2.4nH_220mA_+/-0.05nH L125 2.4nH_220mA_+/-0.05nH L123 8.2nH_110mA_+/-0.1nH L123 8.2nH_110mA_+/-0.1nH C106 18pF 50V 5% C106 18pF 50V 5% C102 120pF/100V/5% C102 120pF/100V/5% GNDSYNT 18 VTUNE 19 CP 20 XTOUT1 21 XTOUT2 22 CAPREGVCO 17 IFP 25 GNDIF 26 V_IF_AGC 28 VCCIF 27 IRQ 30 V_Sync 29 DGND 23 IFN 24 VHFSupply 31 VHFL 32 VCCRF 1 RFin 2 NC 3 NC 4 DGND 5 AS_XTSEL 6 DGND 7 TEST1 8 TEST2 9 DGND 10 SCL 11 DGND 13 XtalP 14 SDA 12 XtalN 15 VCCSYN 16 CapRFAGC 40 RF_AGC_sense 39 UHFH 38 UHFSupply 37 UHFL 36 VCCRF 35 VHFH 34 VHFSense 33 GNDIF 41 N102 TDA18273 N102 TDA18273 C113 6.8nF 50V 10% C113 6.8nF 50V 10% C134 0.47uF C134 0.47uF C111 0.22uF C111 0.22uF C136 0.47uF C136 0.47uF C110 2.7nF 50V 10% C110 2.7nF 50V 10% C135 10p C135 10p C140 0.1uF C140 0.1uF C109 18pF 50V 5% C109 18pF 50V 5% C133 0.47uF C133 0.47uF L107 330nH/180nH 140mA 5% L107 330nH/180nH 140mA 5% R179 430R R179 430R C131 10uF C131 10uF C105 150pF 50V 5% C105 150pF 50V 5% L124 100nH_150mA_+/-5% L124 100nH_150mA_+/-5% C137 0.47uF C137 0.47uF C112 6.8nF 50V 10% C112 6.8nF 50V 10% R182 0R R182 0R C103 82pF/50V 5% C103 82pF/50V 5% Z100 16MHz Z100 16MHz PDF ��� "PDF ����" ����� ����� � 5 5 4 4 3 3 2 2 1 1 D D C C B B A A REGOUT MDI_TN MDI_TP MDI_RN MDI_RP LAN_RX+ LAN_TX- LAN_TX+ ETH_GND MDI_RP MDI_RN MDI_TP MDI_TN LAN_RX- 2.5V_Normal ETH_GND ETH_GND ETH_GND MDI_RP 21 MDI_RN 21 MDI_TN 21 MDI_TP 21 ���� �� ���� �� �� �� � � 10 10.Ethernet ���� �� ���� �� �� �� � � 10 10.Ethernet ���� �� ���� �� �� �� � � 10 10.Ethernet RU36 0R RU36 0R RU97 75R RU97 75R RU95 75R RU95 75R 6 7 3 4 5 8 1 2 12 11 10 9 RJ-45 XSU05 ETHERNET_JACK RJ-45 XSU05 ETHERNET_JACK CU66 150pF/3KV CU66 150pF/3KV CU67 10nF CU67 10nF RU96 75R RU96 75R CU68 10nF CU68 10nF RU98 75R RU98 75R 1 2 LU64 FB_33000440 LU64 FB_33000440 TD+ 1 TD- 3 CT 2 CT 7 RD+ 6 RD- 8 TX+ 16 CT 15 TX- 14 RX+ 11 TC 10 RX- 9 nc 4 nc 5 nc 12 nc 13 NU07 PD1602 NU07 PD1602 PDF ��� "PDF ����" ����� ����� � 5 5 4 4 3 3 2 2 1 1 D D C C B B A A B0- B0+ A0- A0+ A1+ A1- ACK- A2+ A2- A3+ ACK+ A4+ A3- B1- A4- B2+ B1+ B3- BCK- BCK+ B2- B4- B4+ B3+ RXE0- RXE0+ RXE1- RXE2+ RXE1+ RXE3- RXEC- RXEC+ RXE2- RXO0- RXO0+ RXO1+ RXO1- RXOC- RXO2+ RXO2- RXO3+ RXOC+ RXO4+ RXO3- RXO4- RXE4- RXE4+ RXE3+ LVDS_SEL Bit_SEL OD_SEL OD_SEL RXE0- RXE2- RXO1- RXO3- RXE3- RXE2+ RXO1+ RXO3+ RXE3+ RXO2- RXE4- RXO0- RXO2+ RXE0+ RXO4- RXE4+ RXO4+ RXEC- RXE1- RXOC- LVDS_SEL RXEC+ RXOC+ RXO0+ RXE1+ LVDS_SEL RXO2- RXO2+ RXO0- RXO0+ RXO1+ RXO1- RXO3+ RXOC- RXO3- RXOC+ OD_SEL Bit_SEL 3V3_P VCC-Panel 3V3_P 3V3_P VCC-Panel VCC-Panel A3+ A1- ACK- A4- A1+ ACK+ A0- A4+ A2- A3- A0+ A2+ B3- B0+ B2+ B3+ B1- BCK- B4- B1+ BCK+ B0- B4+ B2- OD_SEL ���� �� ���� �� �� �� � � 11 11.LVDS ���� �� ���� �� �� �� � � 11 11.LVDS ���� �� ���� �� �� �� � � 11 11.LVDS ��MSD6i981�� LG/CMI BOE����R303 �� BOE �� FFC R025 0R R025 0R 1 2 3 4 5 6 7 8 9 10 11 12 13 14 15 16 17 18 19 20 21 22 23 24 25 26 27 28 29 30 31 32 XS501 32Pin XS501 32Pin 3 1 4 2 RA026 0RX2 3 1 4 2 RA026 0RX2 1 1 2 2 3 3 4 4 5 5 6 6 7 7 8 8 9 9 10 10 11 11 12 12 13 13 14 14 15 15 16 16 17 17 18 18 19 19 20 20 21 21 22 22 23 23 24 24 25 25 26 26 27 27 28 28 29 29 30 30 31 31 32 32 33 33 34 34 35 35 36 36 37 37 38 38 39 39 40 40 41 41 42 42 43 43 44 44 45 45 46 46 47 47 48 48 49 49 50 50 51 51 52 52 53 53 XS504 51Pin_FPC XS504 51Pin_FPC R018 4.7K R018 4.7K R011 390R R011 390R 3 1 4 2 RA030 0RX2 3 1 4 2 RA030 0RX2 7 5 3 1 8 6 4 2 RA028 0RX4 7 5 3 1 8 6 4 2 RA028 0RX4 R303 0/NC R303 0/NC 7 5 3 1 8 6 4 2 RA023 0RX4 7 5 3 1 8 6 4 2 RA023 0RX4 7 5 3 1 8 6 4 2 RA027 0RX4 7 5 3 1 8 6 4 2 RA027 0RX4 C057 0.1uF C057 0.1uF 3 1 4 2 RA029 0RX2 3 1 4 2 RA029 0RX2 3 1 4 2 RA025 0RX2 3 1 4 2 RA025 0RX2 R022 0R/NC R022 0R/NC 7 5 3 1 8 6 4 2 RA024 0RX4 7 5 3 1 8 6 4 2 RA024 0RX4 R037 4.7K/NC R037 4.7K/NC R010 1K R010 1K PDF ��� "PDF ����" ����� ����� � 5 5 4 4 3 3 2 2 1 1 D D C C B B A A VDD POWER-ON VBL VBL Vac Vac +12.2Vsb PS Vac Title Size Document Number Rev Date: Sheet of A3 1 1 Thursday, August 02, 2012 Title Size Document Number Rev Date: Sheet of <Doc> <RevCode> <Title> A3 1 1 Thursday, August 02, 2012 Title Size Document Number Rev Date: Sheet of <Doc> <RevCode> <Title> A3 1 1 Thursday, August 02, 2012 Optional Component ���� RW966 2K RW966 2K RW915 100K/2W RW915 100K/2W BD901 CHR208 BD901 CHR208 1 2 4 3 NW950 PC817B NW950 PC817B CW952 102/1KV CW952 102/1KV CY903 250Vac-471 CY903 250Vac-471 RW973 10K RW973 10K VB902 10N65 VB902 10N65 1 2 XS901 3PIN-3.96mm XS901 3PIN-3.96mm RW921 10K RW921 10K CW912 100pF/1kV CW912 100pF/1kV ! VDW907 1N4007 VDW907 1N4007 RW908 10R RW908 10R CW962 104 CW962 104 RW956 100K-F RW956 100K-F RW952 16K-F RW952 16K-F CW906 471 CW906 471 4 3 2 1 L902 20mH L902 20mH RW957 680 RW957 680 VINS 1 FB 2 CS 3 GND 4 GATE 5 VDD 6 NC 7 HV 8 NW907 FAN6755 NW907 FAN6755 VDB902 6.8 VDB902 6.8 CY904 250Vac-471 CY904 250Vac-471 CW964 471/1KV CW964 471/1KV RW910 51R RW910 51R ! RW968 47K RW968 47K RW919 22R RW919 22R ! ! ! CW956 N.C CW956 N.C CY902 250Vac-221 CY902 250Vac-221 RT901 3.3R RT901 3.3R 1 2 3 VDB914 BAV70 VDB914 BAV70 VDB954 B13V VDB954 B13V CW903 101 CW903 101 RW963 10K RW963 10K CW954 104 CW954 104 RW955 30K/2W RW955 30K/2W VB901 10N65 VB901 10N65 ! RW962 10K RW962 10K RW965 47K RW965 47K RW960 1K RW960 1K RW953 3.9K RW953 3.9K 3 4 NW957B PC817B NW957B PC817B RW917 47K/1206 RW917 47K/1206 RW951 10R/1206 RW951 10R/1206 1 2 NW957A PC817B NW957A PC817B 3 2 1 VW903 2N3904 VW903 2N3904 3 1 2 VDW950 MBRB20100CTG VDW950 MBRB20100CTG 6 1 2 4 11 7 8 10 TW901 EPC34 TW901 EPC34 ! RW905 2.2M RW905 2.2M ! R902 1M/1206 R902 1M/1206 1 3 2 VW957 3904 VW957 3904 3 1 2 VDW952 MBRB20100CTG VDW952 MBRB20100CTG 3 2 1 VW953 2N3904 VW953 2N3904 CW955 104 CW955 104 CW960 470uF/25V CW960 470uF/25V R905 1M/1206 R905 1M/1206 VDW905 1N4007 VDW905 1N4007 RW972 10K RW972 10K CX902 275Vac-474 CX902 275Vac-474 R903 1M/1206 R903 1M/1206 VDW902 FR104 VDW902 FR104 CW910 101 CW910 101 R904 1M/1206 R904 1M/1206 1 2 3 VDB915 BAV70 VDB915 BAV70 2 1 RW916 0.18Ω/2W RW916 0.18Ω/2W BD902 CHR208 BD902 CHR208 C901 220uF/400V C901 220uF/400V ! RW903 3.3M/1206 RW903 3.3M/1206 VDW960 HER3007 VDW960 HER3007 VDB901 6.8 VDB901 6.8 RW914 2.7R/1206 RW914 2.7R/1206 RW922 10K RW922 10K 3 2 1 VW952 2N3904 VW952 2N3904 CW959 103 CW959 103 2 1 RW920 1k/1206 RW920 1k/1206 1 2 F901 250Vac--4.0AL F901 250Vac--4.0AL 3 2 1 VW954 2N3904 VW954 2N3904 RW969 10K RW969 10K ! ! RW974 0R RW974 0R CW963 22u/250V CW963 22u/250V RW964 6.8K RW964 6.8K 4 3 2 1 L901 20mH L901 20mH CY907 250Vac-222 CY907 250Vac-222 1 2 LW911 LW911 BD904 CHR208 BD904 CHR208 ! 3 2 1 VW904 2N3904 VW904 2N3904 CW904 104 CW904 104 RW967 2K RW967 2K RW904 330K RW904 330K CW908 105 CW908 105 RW912 10K RW912 10K RW902 3.3M/1206 RW902 3.3M/1206 CY901 250Vac-221 CY901 250Vac-221 2 1 LW950 3.3uH LW950 3.3uH ! RW911 22R RW911 22R 1 2 3 VDB913 BAV70 VDB913 BAV70 CW905 105 CW905 105 2 3 1 NW952 TL431 NW952 TL431 RW959 1K RW959 1K CW909 22uF/50V CW909 22uF/50V BD903 CHR208 BD903 CHR208 RW901 3.3M/1206 RW901 3.3M/1206 ! R906 1M/1206 R906 1M/1206 RW958 330R RW958 330R RV901 10D561 RV901 10D561 ! CW907 103/630V CW907 103/630V CW961 22u/250V CW961 22u/250V RW918 4.7R RW918 4.7R R901 1M/1206 R901 1M/1206 RW961 3.3M RW961 3.3M VDW959 HER3007 VDW959 HER3007 CW911 22uF/50V CW911 22uF/50V RW913 4.7R RW913 4.7R CW957 470uF/25V CW957 470uF/25V CW953 180u/16V CW953 180u/16V RW923 47K/1206/NC RW923 47K/1206/NC RW909 1K RW909 1K RW954 1k RW954 1k ! CW958 471/1KV CW958 471/1KV VDB903 18V VDB903 18V PDF ��� "PDF ����" ����� ����� � 5 5 4 4 3 3 2 2 1 1 D D C C B B A A LED2+ LED2- LED1+ +12VAA ISEN2 PWM PWM BR ISW2 OVP2 G2 OVP2 BR VREF1 DRV2 G2 VREF1 BKLT_EN A ISW2 DRV2 ISEN2 A +12VAA PWM LED1- VBL VBL +12.2Vsb PS +12.2Vsb BKLT_EN BKLT_ADJ Title Size Document Number Rev Date: Sheet of <Doc> <RevCode> <Title> A3 1 1 Thursday, August 02, 2012 Title Size Document Number Rev Date: Sheet of <Doc> <RevCode> <Title> A3 1 1 Thursday, August 02, 2012 Title Size Document Number Rev Date: Sheet of <Doc> <RevCode> <Title> A3 1 1 Thursday, August 02, 2012 R731 10K R731 10K C723 101 C723 101 C728 10uF/16V C728 10uF/16V C705 1n C705 1n R705 10R R705 10R R723 1R / 1206 R723 1R / 1206 R726 10K R726 10K C701 22u/250V C701 22u/250V R701 10K R701 10K 3 2 1 V706 2N3904 V706 2N3904 R733 1R/ 1206 R733 1R/ 1206 R716 10K R716 10K V711 4A/250V V711 4A/250V 3 2 1 V707 2N3904 V707 2N3904 V710 250V/1A V710 250V/1A L704 470uH/0.5A L704 470uH/0.5A C706 0.47u C706 0.47u R727 10K/0805 R727 10K/0805 R746 1M R746 1M R724 1R / 1206 R724 1R / 1206 C721 101 C721 101 R728 1K/0805 R728 1K/0805 R703 10K R703 10K R722 10K R722 10K C704 101 C704 101 R710 1M R710 1M R704 100K R704 100K 1 2 3 2N7002 V701 2N7002 V701 UVLS 1 VCC 2 ENA 3 VREF 4 RT 5 SYNC 6 PWM1 7 PWM2 8 ADIM 9 TIMER 10 SSTCMP1 11 SSTCMP2 12 ISEN2 13 PROT2 14 OVP2 15 ISW2 16 ISEN1 17 PROT1 18 OVP1 19 ISW1 20 GND 21 DRV2 22 DRV1 23 FAULT 24 N701 OZ9902A N701 OZ9902A C707 1n C707 1n R742 1M R742 1M R745 13K R745 13K R736 1K R736 1K C708 0.47u C708 0.47u C727 22u/250V C727 22u/250V C722 105 C722 105 R715 10K R715 10K R740 4.7R / 1206 R740 4.7R / 1206 1 2 L703 L703 C724 104/250V C724 104/250V 1 2 3 VD711 BAV70 VD711 BAV70 1 2 L706 L706 C725 101 C725 101 R721 33R R721 33R R714 27K R714 27K R730 33R R730 33R R706 150K R706 150K VD702 6.8V VD702 6.8V VD701 SB2200 VD701 SB2200 VD704 SB2200 VD704 SB2200 C726 101 C726 101 VD705 SB2200 VD705 SB2200 C711 1n C711 1n 1 3 2 V712 3904 V712 3904 L701 470uH/0.5A L701 470uH/0.5A R708 10K R708 10K VD707 SB2200 VD707 SB2200 R702 100K R702 100K C703 104/250V C703 104/250V VD708 6.8V VD708 6.8V C715 105 C715 105 R735 1K R735 1K C717 225 C717 225 R712 10K R712 10K R741 13K R741 13K 1 2 VD703 9.1V 5%/0805 VD703 9.1V 5%/0805 C709 101 C709 101 R707 3.3M R707 3.3M 1 2 3 4 5 6 7 XS701 7PIN-2.0mm XS701 7PIN-2.0mm VD706 6.8V VD706 6.8V R729 10K/0805 R729 10K/0805 R732 1K R732 1K VD709 6.8V VD709 6.8V C718 474 C718 474 R748 4.7R / 1206 R748 4.7R / 1206 1 2 3 VD710 BAV70 VD710 BAV70 R711 10K R711 10K R747 100R / 1206 / R747 100R / 1206 / R734 1R/ 1206 R734 1R/ 1206 C710 1n C710 1n R720 1K R720 1K V709 250V/1A V709 250V/1A R718 1K R718 1K R709 100K R709 100K V708 4A/250V V708 4A/250V R739 100R / 1206 R739 100R / 1206 R717 10K R717 10K R719 1K R719 1K C720 105 C720 105 R725 10K R725 10K PDF ��� "PDF ����" ����� ����� � </p> <div class="main-left-down hidden-xl hidden-lg hidden-md"> <!--资源收费且没有购买--> <a href="http://www.wenhuiw.com/index.php?s=score&c=buy&m=index&module=wenku&id=10211" id="down_box_confirm" class="not-logged-in btn bg-green"><i class="fa fa-shopping-cart"></i> 立即购买</a> <p class="down-score">下载本素材需消耗 <span class="f-red">10</span> 积分</p> <p class="down-feedback">无法下载?<a class="hover:text-green-600" href="tencent://message/?uin=77594475" target="_blank">立即反馈</a></p> </div> <div class="tag">标签: </div> <div class="use-tip"> <h3>版权声明</h3> <p><b>1. 本站所有素材,仅限学习交流,仅展示部分内容,如需查看完整内容,请下载原文件。</b><br> 2. 会员在本站下载的所有素材,只拥有使用权,著作权归原作者所有。<br> 3. 所有素材,未经合法授权,请勿用于商业用途,会员不得以任何形式发布、传播、复制、转售该素材,否则一律封号处理。<br> 4. 如果素材损害你的权益请联系客服QQ:<a href="tencent://message/?uin=77594475">77594475</a> 处理。 </p> </div> </div> <div class="main-relate hidden-sm hidden-xs"> <div class="module-title-box"> <h2 class="title">相关素材</h2> </div> <ul class="module-list"> <li class="col-xl-3 col-lg-3 col-md-3 col-sm-6 col-6"> <div class="module-list_box"> <a class="module-list_thumb wide lazyload" href="/wenku/a23249.html" title="JCT 997-2006 装饰纸面石膏板" data-original="http://file.wenhuiw.com/202306/e292ed4137e88a.png#系统开启了相对路径模式,本地址是站外域名,不能转为相对路径(在关闭开发者模式后不显示这句话)#没有设置高宽参数,将以原图输出"></a> <div class="module-list_detail"> <h4 class="title txt-ov"><a href="/wenku/a23249.html" title="JCT 997-2006 装饰纸面石膏板">JCT 997-2006 装饰纸面石膏板</a></h4> </div> </div> </li> <li class="col-xl-3 col-lg-3 col-md-3 col-sm-6 col-6"> <div class="module-list_box"> <a class="module-list_thumb wide lazyload" href="/wenku/a23245.html" title="JCT 993-2006 外墙外保温用膨胀聚苯乙烯板抹面胶浆" data-original="http://file.wenhuiw.com/202306/2b2e9c8f05c1a.png#系统开启了相对路径模式,本地址是站外域名,不能转为相对路径(在关闭开发者模式后不显示这句话)#没有设置高宽参数,将以原图输出"></a> <div class="module-list_detail"> <h4 class="title txt-ov"><a href="/wenku/a23245.html" title="JCT 993-2006 外墙外保温用膨胀聚苯乙烯板抹面胶浆">JCT 993-2006 外墙外保温用膨胀聚苯乙烯板抹面胶浆</a></h4> </div> </div> </li> <li class="col-xl-3 col-lg-3 col-md-3 col-sm-6 col-6"> <div class="module-list_box"> <a class="module-list_thumb wide lazyload" href="/wenku/a23244.html" title="JCT 992-2006 墙体保温用膨胀聚苯乙烯板胶粘剂" data-original="http://file.wenhuiw.com/202306/1b863e61d25b589.png#系统开启了相对路径模式,本地址是站外域名,不能转为相对路径(在关闭开发者模式后不显示这句话)#没有设置高宽参数,将以原图输出"></a> <div class="module-list_detail"> <h4 class="title txt-ov"><a href="/wenku/a23244.html" title="JCT 992-2006 墙体保温用膨胀聚苯乙烯板胶粘剂">JCT 992-2006 墙体保温用膨胀聚苯乙烯板胶粘剂</a></h4> </div> </div> </li> <li class="col-xl-3 col-lg-3 col-md-3 col-sm-6 col-6"> <div class="module-list_box"> <a class="module-list_thumb wide lazyload" href="/wenku/a23243.html" title="JCT 991-2006 建材工业用石膏墙板(砌块)成型机" data-original="http://file.wenhuiw.com/202306/771f07e799519.png#系统开启了相对路径模式,本地址是站外域名,不能转为相对路径(在关闭开发者模式后不显示这句话)#没有设置高宽参数,将以原图输出"></a> <div class="module-list_detail"> <h4 class="title txt-ov"><a href="/wenku/a23243.html" title="JCT 991-2006 建材工业用石膏墙板(砌块)成型机">JCT 991-2006 建材工业用石膏墙板(砌块)成型机</a></h4> </div> </div> </li> <li class="col-xl-3 col-lg-3 col-md-3 col-sm-6 col-6"> <div class="module-list_box"> <a class="module-list_thumb wide lazyload" href="/wenku/a23226.html" title="JCT 969-2005 墙板挤压机技术条件" data-original="http://file.wenhuiw.com/202306/877c61829c4a649.png#系统开启了相对路径模式,本地址是站外域名,不能转为相对路径(在关闭开发者模式后不显示这句话)#没有设置高宽参数,将以原图输出"></a> <div class="module-list_detail"> <h4 class="title txt-ov"><a href="/wenku/a23226.html" title="JCT 969-2005 墙板挤压机技术条件">JCT 969-2005 墙板挤压机技术条件</a></h4> </div> </div> </li> <li class="col-xl-3 col-lg-3 col-md-3 col-sm-6 col-6"> <div class="module-list_box"> <a class="module-list_thumb wide lazyload" href="/wenku/a23205.html" title="JCT 947-2005 先张法预应力混凝土管桩用端板" data-original="http://file.wenhuiw.com/202306/202e904d09bf791.png#系统开启了相对路径模式,本地址是站外域名,不能转为相对路径(在关闭开发者模式后不显示这句话)#没有设置高宽参数,将以原图输出"></a> <div class="module-list_detail"> <h4 class="title txt-ov"><a href="/wenku/a23205.html" title="JCT 947-2005 先张法预应力混凝土管桩用端板">JCT 947-2005 先张法预应力混凝土管桩用端板</a></h4> </div> </div> </li> <li class="col-xl-3 col-lg-3 col-md-3 col-sm-6 col-6"> <div class="module-list_box"> <a class="module-list_thumb wide lazyload" href="/wenku/a23183.html" title="JCT 903-2012 吸声板用粒状棉" data-original="http://file.wenhuiw.com/202306/cb1f3b65327016c.png#系统开启了相对路径模式,本地址是站外域名,不能转为相对路径(在关闭开发者模式后不显示这句话)#没有设置高宽参数,将以原图输出"></a> <div class="module-list_detail"> <h4 class="title txt-ov"><a href="/wenku/a23183.html" title="JCT 903-2012 吸声板用粒状棉">JCT 903-2012 吸声板用粒状棉</a></h4> </div> </div> </li> <li class="col-xl-3 col-lg-3 col-md-3 col-sm-6 col-6"> <div class="module-list_box"> <a class="module-list_thumb wide lazyload" href="/wenku/a23178.html" title="JCT 893-2001 玻璃纤维增强水泥(GRC)外墙内保温板" data-original="http://file.wenhuiw.com/202306/d5e2e81671437fd.png#系统开启了相对路径模式,本地址是站外域名,不能转为相对路径(在关闭开发者模式后不显示这句话)#没有设置高宽参数,将以原图输出"></a> <div class="module-list_detail"> <h4 class="title txt-ov"><a href="/wenku/a23178.html" title="JCT 893-2001 玻璃纤维增强水泥(GRC)外墙内保温板">JCT 893-2001 玻璃纤维增强水泥(GRC)外墙内保温板</a></h4> </div> </div> </li> </ul> </div> </div> <div class="main-right col-xl-3 col-lg-3 col-md-3 hidden-sm hidden-xs"> <div class="side-box-dw"></div> <div class="side-fixed-box"> <div class="side shadow"> <a href="javasctipr:;" class="not-logged-in btn bg-yellow"><i class="fa fa-download"></i> 立即下载</a> <p class="down-score">下载本素材需消耗 <span class="f-red">10</span> 积分</p> <p class="down-feedback">无法下载?<a class="hover:text-green-600" href="tencent://message/?uin=77594475" target="_blank">立即反馈</a></p> <ul class="down-attribute"> <li><span>文件大小:</span>285.31 KB</li> <li><span>文件格式:</span>pdf</li> </ul> </div> <div class="side mt20 shadow"> <div class="module-title-box mb15"> <h2 class="title">随机推荐</h2> </div> <ul class="module-list"> <li class="col-lg-4 col-md-3 col-sm-4 col-xs-3 col-4"> <div class="module-list_box p0"> <a class="module-list_thumb wide" href="/wenku/a23254.html" title="一张母狮子卧在草丛里的照片" style="display: block; background-image: url('http://file.wenhuiw.com/202403/c18d26349a7554b.jpg#系统开启了相对路径模式,本地址是站外域名,不能转为相对路径(在关闭开发者模式后不显示这句话)#没有设置高宽参数,将以原图输出')" ;> </a> <div class="module-list_detail"> <h4 class="title"><a href="/wenku/a23254.html" title="一张母狮子卧在草丛里的照片">一张母狮子卧在草丛里的照片</a></h4> </div> </div> </li> <li class="col-lg-4 col-md-3 col-sm-4 col-xs-3 col-4"> <div class="module-list_box p0"> <a class="module-list_thumb wide" href="/wenku/a23253.html" title="员工花名册.xlsx" style="display: block; background-image: url('http://file.wenhuiw.com/202403/389f25971624d9f.jpg#系统开启了相对路径模式,本地址是站外域名,不能转为相对路径(在关闭开发者模式后不显示这句话)#没有设置高宽参数,将以原图输出')" ;> </a> <div class="module-list_detail"> <h4 class="title"><a href="/wenku/a23253.html" title="员工花名册.xlsx">员工花名册.xlsx</a></h4> </div> </div> </li> <li class="col-lg-4 col-md-3 col-sm-4 col-xs-3 col-4"> <div class="module-list_box p0"> <a class="module-list_thumb wide" href="/wenku/a23252.html" title="员工年假统计表" style="display: block; background-image: url('http://file.wenhuiw.com/202403/bde7ec85b0ccdf1.jpg#系统开启了相对路径模式,本地址是站外域名,不能转为相对路径(在关闭开发者模式后不显示这句话)#没有设置高宽参数,将以原图输出')" ;> </a> <div class="module-list_detail"> <h4 class="title"><a href="/wenku/a23252.html" title="员工年假统计表">员工年假统计表</a></h4> </div> </div> </li> <li class="col-lg-4 col-md-3 col-sm-4 col-xs-3 col-4"> <div class="module-list_box p0"> <a class="module-list_thumb wide" href="/wenku/a23251.html" title="实验室安全歌.doc" style="display: block; background-image: url('http://file.wenhuiw.com/202309/310d89e8c45eb81.jpg#系统开启了相对路径模式,本地址是站外域名,不能转为相对路径(在关闭开发者模式后不显示这句话)#没有设置高宽参数,将以原图输出')" ;> </a> <div class="module-list_detail"> <h4 class="title"><a href="/wenku/a23251.html" title="实验室安全歌.doc">实验室安全歌.doc</a></h4> </div> </div> </li> <li class="col-lg-4 col-md-3 col-sm-4 col-xs-3 col-4"> <div class="module-list_box p0"> <a class="module-list_thumb wide" href="/wenku/a23250.html" title="JCT 998-2006 喷涂聚氨酯硬泡体保温材料" style="display: block; background-image: url('http://file.wenhuiw.com/202306/a9f08eb9830da52.png#系统开启了相对路径模式,本地址是站外域名,不能转为相对路径(在关闭开发者模式后不显示这句话)#没有设置高宽参数,将以原图输出')" ;> </a> <div class="module-list_detail"> <h4 class="title"><a href="/wenku/a23250.html" title="JCT 998-2006 喷涂聚氨酯硬泡体保温材料">JCT 998-2006 喷涂聚氨酯硬泡体保温材料</a></h4> </div> </div> </li> <li class="col-lg-4 col-md-3 col-sm-4 col-xs-3 col-4"> <div class="module-list_box p0"> <a class="module-list_thumb wide" href="/wenku/a23249.html" title="JCT 997-2006 装饰纸面石膏板" style="display: block; background-image: url('http://file.wenhuiw.com/202306/e292ed4137e88a.png#系统开启了相对路径模式,本地址是站外域名,不能转为相对路径(在关闭开发者模式后不显示这句话)#没有设置高宽参数,将以原图输出')" ;> </a> <div class="module-list_detail"> <h4 class="title"><a href="/wenku/a23249.html" title="JCT 997-2006 装饰纸面石膏板">JCT 997-2006 装饰纸面石膏板</a></h4> </div> </div> </li> <li class="col-lg-4 col-md-3 col-sm-4 col-xs-3 col-4"> <div class="module-list_box p0"> <a class="module-list_thumb wide" href="/wenku/a23248.html" title="JCT 996-2006 玻璃纤维壁布" style="display: block; background-image: url('http://file.wenhuiw.com/202306/5156b2f64e53176.png#系统开启了相对路径模式,本地址是站外域名,不能转为相对路径(在关闭开发者模式后不显示这句话)#没有设置高宽参数,将以原图输出')" ;> </a> <div class="module-list_detail"> <h4 class="title"><a href="/wenku/a23248.html" title="JCT 996-2006 玻璃纤维壁布">JCT 996-2006 玻璃纤维壁布</a></h4> </div> </div> </li> <li class="col-lg-4 col-md-3 col-sm-4 col-xs-3 col-4"> <div class="module-list_box p0"> <a class="module-list_thumb wide" href="/wenku/a23247.html" title="JCT 995-2006 低比表面积高烧结活性氧化锆粉体" style="display: block; background-image: url('http://file.wenhuiw.com/202306/8c1c96b37a561d4.png#系统开启了相对路径模式,本地址是站外域名,不能转为相对路径(在关闭开发者模式后不显示这句话)#没有设置高宽参数,将以原图输出')" ;> </a> <div class="module-list_detail"> <h4 class="title"><a href="/wenku/a23247.html" title="JCT 995-2006 低比表面积高烧结活性氧化锆粉体">JCT 995-2006 低比表面积高烧结活性氧化锆粉体</a></h4> </div> </div> </li> <li class="col-lg-4 col-md-3 col-sm-4 col-xs-3 col-4"> <div class="module-list_box p0"> <a class="module-list_thumb wide" href="/wenku/a23246.html" title="JCT 994-2006 微晶玻璃陶瓷复合砖" style="display: block; background-image: url('http://file.wenhuiw.com/202306/fff87b6f9176d27.png#系统开启了相对路径模式,本地址是站外域名,不能转为相对路径(在关闭开发者模式后不显示这句话)#没有设置高宽参数,将以原图输出')" ;> </a> <div class="module-list_detail"> <h4 class="title"><a href="/wenku/a23246.html" title="JCT 994-2006 微晶玻璃陶瓷复合砖">JCT 994-2006 微晶玻璃陶瓷复合砖</a></h4> </div> </div> </li> </ul> </div> </div> </div> </div> <div class="main-box-dw"></div> <div class="scroll-to-top hidden-sm hidden-xs" id="toTop"> <i class="bi bi-arrow-up-circle-fill"></i> </div> <!-- 底部 --> <div class="footer"> <div class="container"> <div class="flex justify-center"> <span class="hidden-sm hidden-xs">© CopyRight 2022 文汇知识网</span> <a class="ml10 mr10" href="https://beian.miit.gov.cn" target="_blank">滇ICP备2022006959号-4</a> <span class="hidden-sm hidden-xs"><script> var _hmt = _hmt || []; (function() { var hm = document.createElement("script"); hm.src = "https://hm.baidu.com/hm.js?f0f56f82f7c67c360794e2549e59d9cd"; var s = document.getElementsByTagName("script")[0]; s.parentNode.insertBefore(hm, s); })(); </script> <a href="http://news.zzszq.net/">深知资讯网</a><a href="http://tv.zzszq.net/">深视网</a><a href="http://www.80hlw.com/">80商务</a></span> </div> </div> </div> <!-- 会员登录 --> <div id="login_box" class="hidden fixed"> <div class="login_box_title"> <h4 class="tc">会员登录</h4> <button id="close_login"><i class="fa fa-close"></i></button> </div> <form class="login-form" id="myform" action="" method="post"> <div class="form-group"> <input class="form-control" type="text" autocomplete="off" placeholder="会员名/邮箱/手机" name="data[username]" /> </div> <div class="form-group"> <input class="form-control" type="password" autocomplete="off" placeholder="登录密码" name="data[password]" /> </div> <div class="form-group"> <div class="col-6 pl0 pr0 fl"> <input class="form-control" type="text" autocomplete="off" placeholder="验证码" name="code" /> </div> <div class="col-6 tr fr"> <img align="absmiddle" style="cursor:pointer;" onclick="this.src='/index.php?s=api&c=api&m=captcha&width=120&height=35&t='+Math.random();" src="/index.php?s=api&c=api&m=captcha&width=120&height=35" /> </div> <div class="clearfix"></div> </div> <div class="form-group"> <button type="button" onclick="dr_ajax_member('http://www.wenhuiw.com/index.php?s=member&c=login&m=index', 'myform');" class="btn bg-green">登录</button> </div> <div class="form-group"> <a href="http://www.wenhuiw.com/index.php?s=member&c=register&m=index" id="register-btn" class="fr">注册账号</a> <input type="checkbox" name="remember" value="1" checked="checked" style="vertical-align: -2px;"/> 记住我 <a href="http://www.wenhuiw.com/index.php?s=member&c=login&m=find">忘记密码</a> </div> <div class="form-group tc"> <!--<p class="text-muted">第三方快捷登录</p>--> </div> </form> </div> <div class="mask-body mask-body-dark" style="display: none;"></div> <script src="/static/x2h-002/js/swiper-bundle.min.js"></script> <script src="/static/x2h-002/js/jquery.lazyload.js"></script> <script src="/static/x2h-002/js/common.js"></script> <script> $(function () { $.ajax({ type: "GET",dataType:"json", url: "/index.php?s=api&c=run&is_ajax=1&num=5" }); }); </script> </body> </html>