康佳LED32E320N液晶电视35016810板电路原理图

分类:电子电工 日期: 点击:0
康佳LED32E320N液晶电视35016810板电路原理图-0 康佳LED32E320N液晶电视35016810板电路原理图-1 康佳LED32E320N液晶电视35016810板电路原理图-2 康佳LED32E320N液晶电视35016810板电路原理图-3 康佳LED32E320N液晶电视35016810板电路原理图-4 康佳LED32E320N液晶电视35016810板电路原理图-5 康佳LED32E320N液晶电视35016810板电路原理图-6 康佳LED32E320N液晶电视35016810板电路原理图-7 康佳LED32E320N液晶电视35016810板电路原理图-8 康佳LED32E320N液晶电视35016810板电路原理图-9

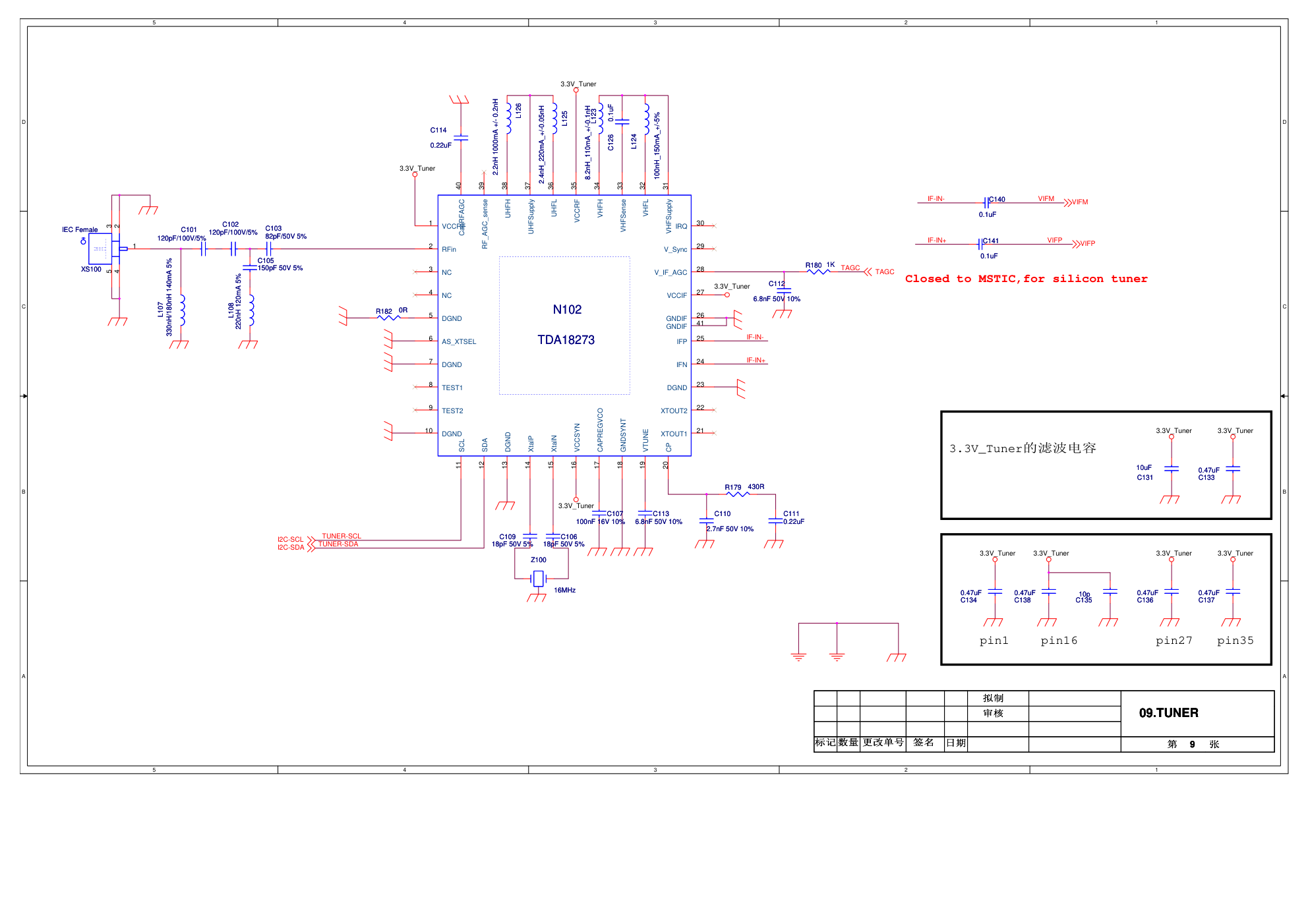
5 5 4 4 3 3 2 2 1 1 D D C C B B A A PANEL_EN PM_PWR_ON PM_PWR_ON BKLT_EN POWER-ON +12.2Vsb BKLT_ADJ ADJ-PWM VCC-Panel +12V 3.3V_Normal 1.5V_DDR3 3.3V_Normal 5VA 2.5V_Normal 5VA 5Vstb 3.3V_Normal 5VA 3.3V_Tuner 5VA 5Vstb 3.3Vstb VDDC1.10V 5Vstb 3.3V_Normal 3.3V_Normal 5VA 3.3V_Normal 5Vstb +12V 5Vstb +12V 3.3Vstb VCC12V PANEL_ON PM_PWR_ON ADJ-PWM ON_BKLT VCC_VSENSE SLEEP_PWR POWER-ON BKLT_EN BKLT_ADJ PWR_DET FAULT POWER-ON POWER-ON/OFF 标记数量 签名 更改单号 日期 拟制 审核 第 张 1 01.System Power 标记数量 签名 更改单号 日期 拟制 审核 第 张 1 01.System Power 标记数量 签名 更改单号 日期 拟制 审核 第 张 1 01.System Power PANEL POWER DDR3 1.5V 6i981C 2.5V 5VA 3.3V_Normal TUNER POWER3.3V_Tun +3.3V STANDBY POWER 1.1V FOR 6i981C CORE Feedback Voltage = 0.923 什么作用 POWER INPUT H:OFF L:ON 电源板接口 单12V电源时,电阻需要计算 12V转5V DC-DC Feedback Voltage = 0.923 封装兼容,画PCB需叠在一起 C873 0.1uF C873 0.1uF V812 3904 V812 3904 R849 4.7K R849 4.7K R813 4.7K R813 4.7K + C822 220uF + C822 220uF C820 0.1uF C820 0.1uF C819 NC/10uF C819 NC/10uF C890 10uF C890 10uF R809 100R R809 100R R817 10K R817 10K 3 2 1 4 ADJ OUT IN N804 AMS1117-2.5 ADJ OUT IN N804 AMS1117-2.5 C809 0.1uF C809 0.1uF R815 NC/0R R815 NC/0R C874 10uF C874 10uF V802 NC/AO3401A V802 NC/AO3401A C863 0.1uF C863 0.1uF 1 2 3 V810 3904 V810 3904 R831 100R R831 100R R834 100K R834 100K F804 F5A/32V F804 F5A/32V V809 3904 V809 3904 + C843 220uF + C843 220uF R816 100R R816 100R L801 10uH L801 10uH C812 10uF C812 10uF R848 10K R848 10K C878 10uF C878 10uF R807 10K R807 10K C835 NC/10uF C835 NC/10uF C829 10uF C829 10uF C891 0.1uF C891 0.1uF R810 10K R810 10K D 1 D 2 D 3 G 4 S 8 S 7 S 6 S 5 V811 PMK35EP V811 PMK35EP R840 4.7K R840 4.7K C826 10nF C826 10nF R843 100R R843 100R L806 10uH L806 10uH C828 0.1uF C828 0.1uF C840 0.1uF C840 0.1uF 1 2 L823 FB_600mA L823 FB_600mA R837 10K R837 10K C857 0.47uF C857 0.47uF C827 0.1uF C827 0.1uF F805 F2.5A/16V F805 F2.5A/16V C877 0.1uF C877 0.1uF R841 47K R841 47K 3 2 1 GND IN OUT N809 WL2004N33G GND IN OUT N809 WL2004N33G C808 0.1uF C808 0.1uF C821 0.1uF C821 0.1uF C810 10uF C810 10uF 3 1 2 V806 3904 V806 3904 C814 0.1uF C814 0.1uF C881 10uF C881 10uF C870 10uF C870 10uF R822 2.2K R822 2.2K C884 10uF C884 10uF 3 2 1 4 ADJ OUT IN N806 AMS1117-3.3 ADJ OUT IN N806 AMS1117-3.3 R811 10K R811 10K C875 0.1uF C875 0.1uF IN 2 GND 4 BS 1 FB 5 COMP 6 EN 7 SS 8 SW 3 N802 AP3503 N802 AP3503 C830 10uF C830 10uF C886 0.1uF C886 0.1uF R805 47K R805 47K D 1 D 2 D 3 G 4 S 8 S 7 S 6 S 5 V801 PMK35EP V801 PMK35EP 3 2 1 4 ADJ OUT IN N803 AZ1117-1.5 ADJ OUT IN N803 AZ1117-1.5 C872 0.1uF C872 0.1uF C852 NC/10uF C852 NC/10uF + C888 220uF + C888 220uF C883 0.1uF C883 0.1uF C880 0.1uF C880 0.1uF R847 10k R847 10k IN 2 GND 4 BS 1 FB 5 COMP 6 EN 7 SS 8 SW 3 N801 AP3502 N801 AP3502 C838 NC/10uF C838 NC/10uF R812 10K R812 10K C845 NC/0.1uF C845 NC/0.1uF 3 2 1 4 ADJ OUT IN N808 NC/AMS1117-3.3 ADJ OUT IN N808 NC/AMS1117-3.3 C876 10uF C876 10uF 3 1 2 V808 3904 V808 3904 C815 0.1uF C815 0.1uF R839 NC/1K R839 NC/1K C887 10uF C887 10uF 1 2 L822 FB_600mA L822 FB_600mA C818 10uF C818 10uF 1 2 L807 FB_3A L807 FB_3A R801 NC R801 NC 3 2 1 4 ADJ OUT IN N807 AMS1117-3.3 ADJ OUT IN N807 AMS1117-3.3 C871 10uF C871 10uF 1 2 3 V813 3904 V813 3904 C885 0.1uF C885 0.1uF C806 10uF C806 10uF R829 2.7K/1% R829 2.7K/1% + C834 220uF + C834 220uF C864 10uF C864 10uF C831 3.3nF C831 3.3nF R850 1K R850 1K R824 NC R824 NC C836 10uF C836 10uF 1 2 L804 FB_2A L804 FB_2A 3 1 2 V803 3904 V803 3904 R808 100K R808 100K C817 10uF C817 10uF 1 2 L802 FB_4A/NC L802 FB_4A/NC C879 10uF C879 10uF C839 10uF C839 10uF C805 0.1uF C805 0.1uF R851 15R/1% R851 15R/1% 1 2 L820 FB_600mA L820 FB_600mA R804 2.2K R804 2.2K R835 12K/1% R835 12K/1% C803 0.1uF C803 0.1uF C837 0.1uF C837 0.1uF C813 0.1uF C813 0.1uF C801 10nF C801 10nF R803 33K/1% R803 33K/1% R828 10K R828 10K 1 2 L803 FB_4A L803 FB_4A R814 100R R814 100R 1 2 L824 FB_600mA L824 FB_600mA V807 NC/AO3401A V807 NC/AO3401A C869 0.1uF C869 0.1uF R802 10K/1% R802 10K/1% C807 10uF C807 10uF 1 2 L821 FB_600mA L821 FB_600mA 1 2 L808 FB_2A L808 FB_2A C841 0.1uF C841 0.1uF R842 100K R842 100K C842 0.1uF C842 0.1uF +C858 NC/220uF +C858 NC/220uF C802 3.3nF C802 3.3nF 1 2 L812 FB_2A L812 FB_2A R833 33K R833 33K 5 5 4 4 3 3 2 2 1 1 D D C C B B A A SPI-SDO FLH_3.3V FLH_3.3V NAND_REz NAND_CEz NAND_RBZ PCM_A2 SPI-CSN PCM_A0 NAND_CLE NAND_WEz NAND_ALE PCM_A4 FLASH_WP SPI-SDI SPI-SCK SPI-SDI SPI-SDO SPI_SDI SPI_SCK SPI_SDO SPI_CSN SPI-CSN PCM_A6 PCM_A1 SPI-SCK PCM_A3 PCM_A7 PCM_A5 UART-TX2 UART-RX2 AGC HDMI-CEC MICRIN HDMI-CEC HDMI-ARC VCOM0 BIN2N MDI_RN MDI_RP MDI_TN MDI_TP VGA_VSYNC VGA_HSYNC BIN0N RIN0 GIN0 BIN0 RIN2 GIN2 BIN2 SOGIN2 GIN0N GIN2N SOGIN0 RIN2N CVBS0 RIN0N AUVRP AUVRM HDMI-ARC AUVAG AV-AUOUTR0 AV-AUOUTL0 VGA_VSYNC VGA_HSYNC VBL_CTRL PANEL_ON/OFF PCM_A1 NAND_CLE BRI_ADJ System-RST NAND_WEZ SPI_SCK SPI_SDO SPI_SDI SPI_CSN TAGC PWM_PM LINE_IN_1L LINE_IN_1R HD_Lin HD_Rin MUTE_S NAND_RBZ PCM_A5 USB2_D+ USB1_D- AUVRP AUVAG AUVRM USB1_D+ USB2_D- VCOM0 CVBS0 CVBS_OUT EARPHONE_OUTR EARPHONE_OUTL PCM_A2 PCM_A3 AV-AUOUTL0 AV-AUOUTR0 PCM_A4 PCM_A0 NAND_WPZ EARPHONE_OUTR EARPHONE_OUTL XTALO XTALI NAND_ALE CFG-PWM1 CFG-PWM0 PCM_A6 LINE_IN_0L LINE_IN_0R AV1-Rin AV1-Lin CVBS_OUT I2S-OUT_MCK I2S-OUT_BCK BIN2N BIN0N RIN0 GIN0 BIN0 RIN2 GIN2 BIN2 SOGIN2 GIN0N GIN2N SOGIN0 RIN2N RIN0N G6_RXO3+ G7_RXO3- R5_RXO1- R4_RXO1+ R6_RXO0+ R7_RXO0- R3_RXO2- R2_RXO2+ R0_RXOC+ R1_RXOC- NAND_REZ PCM_A7 NAND_CEZ PWM_PM I2S-OUT_MCK I2S-OUT_BCK CFG-PWM1 CFG-PWM0 XTALI XTALO NAND_WPz System-RST IR_in LED KEY0-in SLEEP PW_CTL FLASH_WP KEY0-in STB_PWR PM_PWR_ON KEY-in IR_in 3.3V_STB STB_PWR LOGO_PWR KEY-in LOGO_PWR LED HDMI2-RX2N HDMI2-RX1P HDMI2-SCL HDMI2-CLKP HDMI2-RX1N HDMI2-SDA HDMI2-RX0P HDMI2-CLKN HDMI2-RX2P HDMI2-RX0N HDMI2-RX2N HDMI2-RX1P HDMI2-SCL HDMI2-CLKP HDMI2-RX1N HDMI2-SDA HDMI2-RX0P HDMI2-CLKN HDMI2-RX2P HDMI2-RX0N HDMI2-HPDIN HDMI2-HPDIN VBL_CTRL PANEL_ON/OFF BRI_ADJ PW_CTL MUTE_S SLEEP 5V_IF HDMI2-DET HDMI2-DET UART-RX2 UART-TX2 MICLIN MICIN_L System-RST MICIN_R I2C-SCL I2C-SDA PWR_DET CVBS1 CVBS1 ODSEL# ODSEL# IR_in KEY-in LOGO_PWR IR_in 3.3VSTB STB_PWR 3.3V_Normal FLH_3.3V 3.3Vstb 3.3Vstb 3.3Vstb 3.3V_Normal 5Vstb FLH_3.3V 5VA 3.3V_Normal 3.3Vstb 5Vstb 3.3Vstb 3.3Vstb 3.3Vstb 3.3Vstb 3.3V_Normal 3.3Vstb HDMI-CEC AV1_VIN HDMI-ARC MDI_RP 21 MDI_TP 21 MDI_TN 21 MDI_RN 21 A3- A1+ ACK+ A1- ACK- A0+ A2+ A3+ A0- A2- VGA_HSYNC VGA_VSYNC VIFP VIFM TAGC HD_Rin HD_Lin YPbPr_PR YPbPr_Y YPbPr_PB MICLIN MICRIN USB2_D- USB2_D+ USB1_D- USB1_D+ AV_AUOUTL0 EARPHONE-OUTL AV_AUOUTR0 AV1-Rin EARPHONE-OUTR CVBS_OUT AV1-Lin VGA-Bin VGA-Gin VGA-Rin I2C-SCL I2C-SDA UART-TX UART-RX HDMI2-RX2N HDMI2-RX1P HDMI2-SCL HDMI2-CLKP HDMI2-RX1N HDMI2-SDA HDMI2-RX0P HDMI2-CLKN HDMI2-RX2P HDMI2-RX0N HDMI2-HPDIN ADJ-PWM ON_BKLT MUTE_EN SLEEP_PWR PM_PWR_ON PANEL_ON HDMI2_DET PWR_DET AV2_VIN OD_SEL 标记数量 签名 更改单号 日期 拟制 审核 第 张 2 02.MSD981C(RGB/CI/HDMI) 标记数量 签名 更改单号 日期 拟制 审核 第 张 2 02.MSD981C(RGB/CI/HDMI) 标记数量 签名 更改单号 日期 拟制 审核 第 张 2 02.MSD981C(RGB/CI/HDMI) NAND FLASH SPI Flash *100MHz, No any VIA hole! Boot Loader SPI Flash RESET Debug port NAND & CI & TS & Front End HDMI Interface Close to MST IC Close to MST IC with wide trace Close to MSTAR IC with width trace SAR口耐压只能到3.3V!!!!! GPIO & LVDS 电 源 纹 波 在 50mV以 内 靠近mstar IC Audio Line Out 靠 近 主 IC Closed to MSTIC HDMI & Audio RGB & CVBS & LAN & USB // CHIP Config {I2S_OUT_BCK, I2S_OUT_MCK, PAD_PWM1, PAD_PWM0} B51_NO_EJ 4'b0000 Boot from 8051 with SPI flash SB51_WOS 4'b0001 Secure B51 without scramble SB51_WS 4'b0010 Secure B51 with scramble MIPS_SPI_NO_EJ 4'b0100 Boot from MIPS with SPI flash MIPS_SPI_EJ_1 4'b0101 Boot from MIPS with SPI flash MIPS_SPI_EJ_2 4'b0110 Boot from MIPS with SPI flash MIPS_WOS 4'b1001 Secure MIPS without scramble MIPS_WS 4'b1010 Secure MIPS with scramble Mode Selection Crystal YPbPr/AV2 AV1 功放 print message VGA UART LED_IR_KEY 靠近主IC MIC (红) (绿) GPIO PULL-UP C439 220pF C439 220pF R449 10K R449 10K C421 10nF C421 10nF R404 68R R404 68R R482 100R R482 100R R451 NC/4.7K R451 NC/4.7K R524 22R R524 22R R106 100R R106 100R R496 100R R496 100R R475 NC/10K R475 NC/10K R542 10K R542 10K R462 4.7K R462 4.7K R480 4.7K R480 4.7K 1 3 2 V615 3906 V615 3906 R474 4.7K R474 4.7K R555 4.7K R555 4.7K C406 47nF C406 47nF C409 47nF C409 47nF R439 NC/4.7K R439 NC/4.7K R500 100R R500 100R C422 22nF C422 22nF R534 33R R534 33R C420 33pF C420 33pF C442 10uF C442 10uF C428 2.2uF C428 2.2uF C458 NC/0.1uF C458 NC/0.1uF R526 22R R526 22R R447 NC/4.7K R447 NC/4.7K R105 100R R105 100R C402 47nF C402 47nF R427 100K R427 100K C447 0.1uF C447 0.1uF R549 100R R549 100R R403 33R R403 33R R473 22R R473 22R R407 68R R407 68R C438 220pF C438 220pF C443 10uF C443 10uF TS1_D0 T14 TS1_D1 U14 TS1_D2 U13 TS1_D3 V13 TS1_D4 U15 TS1_D5 T16 TS1_D7 U16 TS1_CLK V15 TS1_VLD T15 TS1_SYNC T13 IP Y2 IM AA2 VIFP Y3 VIFM AA3 SSIF/SIFP Y4 SSIF/SIFM AA4 IF_AGC W3 RF_AGC W2 TGPIO0 Y5 TGPIO2/ SCKM1 V6 TGPIO3/ SDAM1 U6 PCM_D0 /NAND_AD0 V17 PCM_D1 /NAND_AD1 V18 PCM_D2 /NAND_AD2 U17 PCM_D3 /NAND_AD3 U18 PCM_D4 /NAND_AD4 T17 PCM_D5 /NAND_AD5 T18 PCM_D6 /NAND_AD6 R17 PCM_D7 /NAND_AD7 R18 TGPIO1 W6 TS1_D6 V16 PF_WEZ P16 PF_WPZ R16 PF_ALE N16 PF_CLE P17 PF_CEZ M16 PF_REZ N17 PF_CEZ1 P18 PF_RBZ L16 TS1 (In/Out) NAND Front End N501B MSD6I981BTC TS1 (In/Out) NAND Front End N501B MSD6I981BTC C448 0.1uF C448 0.1uF R425 100K R425 100K R401 33R R401 33R C455 0.1uF C455 0.1uF C433 0.1uF C433 0.1uF R452 0R R452 0R 1 3 2 V604 3906 V604 3906 C401 47nF C401 47nF R476 100R R476 100R C437 22pF C437 22pF R418 10K R418 10K R550 4.7K R550 4.7K R533 33R R533 33R R445 NC/4.7K R445 NC/4.7K R528 33R R528 33R CE# 1 SO 2 WP# 3 VSS 4 SI 5 SCK 6 HOLD# 7 VDD 8 N506 W25X08A N506 W25X08A 1 2 3 4 5 6 XS644 D2006-6W XS644 D2006-6W R483 0R R483 0R + C424 220uF + C424 220uF R521 22R R521 22R R471 22R R471 22R R415 33R R415 33R C450 NC C450 NC R536 1M R536 1M C403 47nF C403 47nF C405 47nF C405 47nF R433 200R R433 200R R420 0R R420 0R C456 1nF C456 1nF R504 100R R504 100R R448 4.7K R448 4.7K C445 0.1uF C445 0.1uF R419 4.7K R419 4.7K C457 NC/0.1uF C457 NC/0.1uF R409 68R R409 68R R446 4.7K R446 4.7K C430 2.2uF C430 2.2uF R428 100R R428 100R R441 NC/4.7K R441 NC/4.7K R458 NC/0R R458 NC/0R R520 22R R520 22R R523 22R R523 22R LINE_OUT_L0 W7 LINE_OUT_R0 AA7 VRP V5 VAG W5 AVSS_VRM_ADC W4 SPDIF_IN D6 SPDIF_OUT E7 I2S_OUT_MCK E5 I2S_OUT_WS E6 A_RX0N H3 A_RX0P H2 A_RX1N H1 A_RX1P J3 A_RX2N J1 A_RX2P J2 A_RXCN G3 A_RXCP G2 DDCDA_CK K6 DDCDA_DA M6 HOTPLUGA L6 D_RX0N E3 D_RX0P E2 D_RX1N E1 D_RX1P F3 D_RX2N F1 D_RX2P F2 D_RXCN D3 D_RXCP D2 DDCDD_CK J4 DDCDD_DA J5 HOTPLUGD K5 CEC H4 I2S_OUT_BCK C5 I2S_OUT_SD D5 IRIN G5 RESET C3 XTAL_IN Y6 XTAL_OUT AA6 TESTPIN K8 ARC0 H6 LINE_IN_L4 R5 LINE_IN_R4 R4 I2S_IN_WS J21 I2S_IN_BCK J20 I2S_IN_SD J19 LINE_IN_L3 T5 LINE_IN_R3 T6 LINE_IN_L2 U4 LINE_IN_R2 U5 LINE_IN_L1 W10 LINE_IN_R1 AA10 LINE_IN_L0 Y9 LINE_IN_R0 AA9 C_RX0N Y11 C_RX0P W12 C_RX1N Y12 C_RX1P AA12 C_RX2N W13 C_RX2P AA13 C_RXCN Y10 C_RXCP W11 DDCDC_CK V12 DDCDC_DA U12 HOTPLUGC T12 EARPHONE_OUTL Y8 EARPHONE_OUTR W9 LINE_OUT_L2 Y7 LINE_OUT_R2 W8 HDMI A/C/D Analog Audio I2S SPDIF Other N501C MSD6I981BTC HDMI A/C/D Analog Audio I2S SPDIF Other N501C MSD6I981BTC R410 33R R410 33R C449 0.1uF C449 0.1uF C454 220pF C454 220pF R438 49.9R/1% R438 49.9R/1% R424 0R R424 0R C460 100pF C460 100pF C463 1uF C463 1uF C416 10uF C416 10uF R413 0R R413 0R R437 49.9R/1% R437 49.9R/1% C404 47nF C404 47nF R416 68R R416 68R R468 100K R468 100K R453 NC/0R R453 NC/0R R412 33R R412 33R Z501 XTAL-24MHz Z501 XTAL-24MHz R495 4.7K R495 4.7K R552 100R R552 100R C415 47nF C415 47nF R444 4.7K R444 4.7K R402 68R R402 68R C411 47nF C411 47nF R548 100R R548 100R R414 33R R414 33R R440 4.7K R440 4.7K C461 220pF C461 220pF C459 0.1uF C459 0.1uF 1 2 L505 FB_600mA L505 FB_600mA R443 NC/4.7K R443 NC/4.7K R532 33R R532 33R C431 2.2uF C431 2.2uF R406 0R R406 0R L502 FB_600mA L502 FB_600mA BIN0M K2 GIN0P L2 GIN0M L1 SOGIN0 L3 RIN0M M1 HSYNC0 L4 VSYNC0 L5 BIN1M N3 GIN1P P3 SOGIN1 N2 RIN1M R3 BIN2M R2 GIN2M U3 RIN2M U1 SOGIN2 T3 CVBS0 V3 CVBS1 V1 CVBS2 V2 CVBS3 V4 VCOM Y1 DM_P0 A5 DP_P0 B5 DM_P1 Y13 DP_P1 W14 RIN0P M3 BIN0P K3 RIN1P P1 GIN1M P2 RIN2P U2 GIN2P T2 BIN2P R1 BIN1P M2 CVBS_OUT1 W1 VSYNC_LIKE R19 SPI1_CK R21 SPI1_DI R20 RGB CVBS USB Local Dimming N501E MSD6I981BTC RGB CVBS USB Local Dimming N501E MSD6I981BTC R461 4.7K R461 4.7K C429 2.2uF C429 2.2uF R426 0R R426 0R R472 22R R472 22R R423 1K R423 1K R497 4.7K R497 4.7K R434 4.7k R434 4.7k R529 33R R529 33R R400 68R R400 68R R559 100R R559 100R R436 49.9R/1% R436 49.9R/1% L504 10uH L504 10uH C444 0.1uF C444 0.1uF R408 33R R408 33R R522 22R R522 22R C446 10uF C446 10uF C436 22pF C436 22pF C417 47nF C417 47nF R527 22R R527 22R R479 4.7K R479 4.7K R502 100R R502 100R R421 3.9K R421 3.9K C464 1uF C464 1uF R/B 7 RE 8 CE 9 NC 10 NC 11 VCC 12 VSS 13 NC 14 NC 15 CLE 16 ALE 17 WE 18 WP 19 NC 48 NC 47 NC 46 NC 45 D7 44 D6 43 D5 42 D4 41 VCC 37 VSS 36 NC 35 NC 34 NC 33 D3 32 D2 31 D1 30 D0 29 NC 1 NC 2 NC 3 NC 4 NC 5 NC 6 NC 20 NC 21 NC 22 NC 23 NC 24 NC 25 NC 26 NC 27 NC 28 NC 38 NC 39 NC 40 N510 K9F2G08U0C N510 K9F2G08U0C R435 49.9R/1% R435 49.9R/1% R432 200R R432 200R R556 4.7K R556 4.7K R405 33R R405 33R R501 100R R501 100R 1 2 3 4 5 6 7 8 XS645 NC/D1250-6AD XS645 NC/D1250-6AD R530 33R R530 33R C408 47nF C408 47nF R481 100R R481 100R R507 10K R507 10K R535 0R R535 0R C414 1nF C414 1nF C413 47nF C413 47nF R411 68R R411 68R C495 10nF C495 10nF C434 0.1uF C434 0.1uF R470 22R R470 22R R422 10K R422 10K C407 1nF C407 1nF R477 10K R477 10K R469 100K R469 100K C419 33pF C419 33pF R531 33R R531 33R R459 NC/0R R459 NC/0R R442 4.7K R442 4.7K C435 10uF C435 10uF GND 1 RESET 2 VCC 3 N512 IMP810 N512 IMP810 SAR0 F4 SAR1 D4 SAR2 F5 SAR3 G6 PWM0 L20 PWM1 K19 PWM2 K20 PM_SPI_CK C7 PM_SPI_CZ1/PM6 B6 PM_SPI_DI B7 PM_SPI_DO C6 DDCA_CK J6 DDCA_DA H5 DDCR_CK/ SCKM2 M17 DDCR_DA/ SDAM2 M18 GPIO_PM7 B1 PM1/PM_UART_TX C4 GPIO_PM8 C2 PM5/PM_UART_RX B4 PM_SPI_CZ2/PM10 A6 LVB0N/ RED[6] V20 LVB0P/ RED[7] U19 LVB1N/ RED[4] V19 LVB1P/ RED[5] V21 LVB2N/ RED[2] Y21 LVB2P/ RED[3] W21 LVBCKN/ RED[0] Y20 LVBCKP/ RED[1] W20 LVB3N/ GREEN[6] Y19 LVB3P/ GREEN[7] AA20 LVB4N/ GREEN[4] W19 LVB4P/ GREEN[5] AA19 LVA0N/ GREEN[2] Y18 LVA0P/ GREEN[3] AA18 LVA1N/ GREEN[0] Y17 LVA1P/ GREEN[1] W18 LVA2N/ BLUE[6] Y16 LVA2P/ BLUE[7] W17 LVACKN/ BLUE[4] W16 LVACKP/ BLUE[5] AA16 LVA3N/ BLUE[2] Y15 LVA3P/ BLUE[3] AA15 LVA4N/ BLUE[0] Y14 LVA4P/ BLUE[1] W15 LED0 /GPIO19 M21 LED1 /GPIO20 M20 PWM_PM C1 PWM3 K21 SAR4 B2 TP /GPIO21 M19 GPIO22 L19 TN /GPIO23 N21 RP /GPIO24 N20 GPIO_PM0 F6 GPIO_PM11 A3 GPIO_PM4 E4 PM_SPI_CZ/PM9 B3 GPIO_PM3 A2 GPIO_PM2 D7 GPIO25 P20 GPIO26 P19 RN /GPIO27 N19 LCK U20 LVSYNC T20 LHSYNC T21 LDE T19 UART_TX2 L17 UART_RX2 L18 PWM SAR SPI RMII PHY I2C LVDS UART TTL N501D MSD6I981BTC PWM SAR SPI RMII PHY I2C LVDS UART TTL N501D MSD6I981BTC C432 10uF C432 10uF L503 10uH L503 10uH C412 47nF C412 47nF C462 47nF C462 47nF R525 22R R525 22R C418 47nF C418 47nF R455 100R R455 100R 5 5 4 4 3 3 2 2 1 1 D D C C B B A A PGA_VCOM VCC_VSENSE PGA_VCOM AVDD_MPLL VDDP AVDD_LAN VDDC1.10V AVDDL_MOD AVDD11_ETH AVDD1P1_ADC AVDDLV_USB 3.3V_Normal 3.3Vstb 2.5V_Normal DVDD VDDC AVDD_DMPLL VDDIO_0 AVDD25_PGA AVDD_ALIVE 1.5V_DDR3 AVDD_ADC25 AVDD_LPLL VDDIO_1 AVDD_DVI AVDD_MOD AVDD_REF25 VDDP DVDD_NODIE AVDD25_PGA 2.5V_Normal 3.3Vstb VDDIO_0 VDDC VCC_VSENSE 标记数量 签名 更改单号 日期 拟制 审核 第 张 3 03.MSD981C(POWER/GND) 标记数量 签名 更改单号 日期 拟制 审核 第 张 3 03.MSD981C(POWER/GND) 标记数量 签名 更改单号 日期 拟制 审核 第 张 3 03.MSD981C(POWER/GND) Close to AVDD_DVI Normal Power 3.3V 2.5V Standby Power 3.3V DDR3 POWER Power interface FB_CORE作用?如果没用,可以删除FB_CORE C480 2.2uF C480 2.2uF C470 0.1uF C470 0.1uF C466 0.1uF C466 0.1uF R465 NC/0R R465 NC/0R C472 2.2uF C472 2.2uF C479 0.1uF C479 0.1uF C490 0.1uF C490 0.1uF C481 0.1uF C481 0.1uF C489 2.2uF C489 2.2uF C475 0.1uF C475 0.1uF C484 2.2uF C484 2.2uF C467 0.1uF C467 0.1uF C471 0.1uF C471 0.1uF C474 0.1uF C474 0.1uF C486 0.1uF C486 0.1uF L508 FB_600mA L508 FB_600mA C487 0.1uF C487 0.1uF C469 0.1uF C469 0.1uF C465 10uF C465 10uF C468 0.1uF C468 0.1uF C491 0.1uF C491 0.1uF AVDD_DDR0_D G17 AVDD3P3_DVI_USB M5 AVDD_AU33 P5 VDDC K15 VDDC L14 VDDC M13 VDDC K14 DVDD_DDR K18 VDDC M14 VDDC M15 VDDC N13 VDDC N14 AVDD25_DADC U11 AVDD_LPLL N7 AVDD3P3_DVI_USB N5 AVDD25_REF T10 AVDD25_DPGA V10 AVDD_DDR0_D F16 AVDD25_LAN R10 AVDD_DDR0_D F17 AVDD_DDR0_D G16 AVDD11_LAN K17 AVDD_NODIE M4 AVDD_MOD T11 VDDP P4 GND D9 GND_EFUSE J8 AVDD25_DADC V11 AVDD3P3_MPLL_ETH N6 GND D10 AVDD_DMPLL N4 GND J11 GND D13 DVDD_NODIE G8 DDR_GND C20 DDR_GND A16 DDR_GND A13 DDR_GND A10 DDR_GND A21 GND D11 DDR_GND C8 AVDD_DDR0_C F15 DDR_GND E21 AVSS_PGA V9 GND E10 GND E11 GND E9 GND E12 GND E16 GND J12 GND J14 GND J15 GND J18 GND K7 GND K10 GND F7 GND F8 GND K11 GND K12 GND L7 GND L8 GND N9 GND N10 GND N11 GND F9 GND M10 GND M11 GND N8 GND P7 GND P8 GND P9 GND P10 GND P11 GND P12 GND P15 GND R6 GND R7 GND R8 DDR_GND F18 GND D14 GND E15 GND E8 DDR_GND G20 GND D12 GND D15 GND D16 GND E13 GND E14 GND R9 AVDD1P1_ADC M12 AVDDL_MOD N12 AVDD25_REF U10 GND D17 GND E17 GND R12 GND R13 GND F12 GND F13 GND F14 GND G7 GND G14 GND H7 GND H8 GND H10 GND H11 GND H12 GND H14 GND H15 GND J7 GND J10 GND R14 GND P13 GND M7 GND M8 GND M9 FB_CORE N15 GND J16 GND J17 VDDC L15 AVDDLV_USB K16 GND P14 GND D8 AVDD_EAR33 P6 GND R15 GND T7 GND T8 GND T9 GND U7 GND U8 GND U9 GND H16 GND H17 GND H18 GND V7 GND V8 GND R11 DDR_GND H20 GND G15 GND G18 N501F MSD6I981BTC N501F MSD6I981BTC C473 0.1uF C473 0.1uF C492 0.1uF C492 0.1uF C485 0.1uF C485 0.1uF R466 0R R466 0R L507 FB_600mA L507 FB_600mA C478 1uF C478 1uF C482 0.1uF C482 0.1uF C483 2.2uF C483 2.2uF C488 0.1uF C488 0.1uF C476 0.1uF C476 0.1uF C477 0.1uF C477 0.1uF 5 5 4 4 3 3 2 2 1 1 D D C C B B A A A_DDR3_A14 A_DDR3_A5 A_DDR3_A9 A_DDR3_A12 A_DDR3_A11 A_DDR3_A3 A_DDR3_A1 A_DDR3_A10 A_DDR3_A2 A_DDR3_A0 A_DDR3_A6 A_DDR3_A7 A_DDR3_A13 A_DDR3_A8 A_DDR3_A4 A_DDR3_CKE A-DDR3-A13 A-DDR3-A14 A_DDR3_BA1 A-DDR3-BA2 A_DDR3_A2 A-DDR3-A11 A_DDR3_A10 A_DDR3_DQU1 A_DDR3_DQU3 A_DDR3_DQU2 A_DDR3_DQU4 A_DDR3_DQU0 A_DDR3_DQU5 A_DDR3_DQU6 A_DDR3_DQU7 A-DDR3-A8 A-DDR3-A9 A-DDR3-A10 A-DDR3-A11 A_DDR3_A14 A_DDR3_A5 A-DDR3-A0 A-DDR3-CASZ A-DDR3-RASZ A-DDR3_MCLK A-DDR3_MCLKZ A-DDR3-BA0 A-DDR3-ODT A-DDR3-A12 A-DDR3-A3 A-DDR3-A10 A-DDR3-CKE A-DDR3-A14 A_DDR3_A1 A_DDR3_BA2 A_DDR3_CKE A_DDR3_DQSL A_DDR3_DQSLB A-DDR3-ODT A-DDR3-RESET A_DDR3_RESET A-DDR3-WEZ A-DDR3-CASZ A-DDR3-A0 A_DDR3_A0 A-DDR3-BA0 A-DDR3-BA1 A-DDR3-BA2 A-DDR3-BA1 A-DDR3-A12 A_DDR3_DMU A_DDR3_BA0 A_DDR3_ODT A-DDR3-A2 A-DDR3-A9 A-DDR3-CKE A_DDR3_A3 A_DDR3_A8 A_DDR3_DQSU A_DDR3_DQSUB A-DDR3-A1 A_DDR3_A4 A-DDR3-A4 A-DDR3-A6 A_DDR3_WEZ A_DDR3_CASZ A_DDR3_RASZ A-MVREFCA A_DDR3_WEZ A_DDR3_RASZ A_DDR3_CASZ A-MVREFDQ A-DDR3-A2 A-DDR3-A3 A_DDR3_A12 A_DDR3_A9 A-DDR3-A1 A-DDR3-A8 A_DDR3_DQL3 A_DDR3_DQL7 A_DDR3_DQL6 A_DDR3_DQL5 A_DDR3_DQL4 A_DDR3_DQL1 A_DDR3_DQL0 A_DDR3_DQL2 A_DDR3_A11 A_DDR3_A6 A-DDR3-A5 A-DDR3-RESET A-DDR3-RASZ A_DDR3_DML A-DDR3-A4 A-DDR3-A5 A-DDR3-A6 A-DDR3-A7 A-DDR3-WEZ A-MVREFCA A-MVREFDQ A_DDR3_DQU1 A_DDR3_DQU3 A_DDR3_DQU2 A_DDR3_DQU4 A_DDR3_DQL3 A_DDR3_DQL7 A_DDR3_DQU0 A_DDR3_DQL6 A_DDR3_DQL5 A_DDR3_DQL4 A_DDR3_DQU5 A_DDR3_DQL0 A_DDR3_DQL1 A_DDR3_DQL2 A_DDR3_DQSL A_DDR3_DQSU A_DDR3_DQSLB A_DDR3_DQSUB A_DDR3_DQU6 A_DDR3_MCLK A_DDR3_MCLKZ A_DDR3_DMU A_DDR3_DML A_DDR3_DQU7 A_DDR3_BA2 A_DDR3_RESET A_DDR3_BA1 A_DDR3_BA0 A_DDR3_ODT A-DDR3_MCLK A-DDR3_MCLKZ A_DDR3_MCLKZ A_DDR3_MCLK A_DDR3_A13 A-DDR3-A7 A_DDR3_A7 A-DDR3-A13 AVDD_DDR0 AVDD_DDR0 1.5V_DDR3 AVDD_DDR0 AVDD_DDR0 AVDD_DDR0 标记 数量 签名 更改单号 日期 拟制 审核 第 张 4 04.DDR3 标记 数量 签名 更改单号 日期 拟制 审核 第 张 4 04.DDR3 标记 数量 签名 更改单号 日期 拟制 审核 第 张 4 04.DDR3 Close to DDR POWER PIN over 1.3G R007 56R R007 56R A_DDR3_A0/DDR2_A5 C12 A_DDR3_A1/DDR2_A13 B14 A_DDR3_A2/DDR2_A9 A11 A_DDR3_A3/DDR2_A10 C10 A_DDR3_A4/DDR2_A2 C16 A_DDR3_A5/DDR2_A3 A9 A_DDR3_A6/DDR2_A4 C15 A_DDR3_A7/DDR2_A7 B10 A_DDR3_A8/DDR2_A8 A14 A_DDR3_A9/DDR2_A14 B11 A_DDR3_A10/DDR2_RASZ B16 A_DDR3_A11/DDR2_A6 B13 A_DDR3_A12/DDR2_A0 A15 A_DDR3_A13/DDR2_A12 C11 A_DDR3_A14/DDR2_A11 C14 A_DDR3_DQ0/DDR2_DQ6 F21 A_DDR3_DQ1/DDR2_DQ0 C18 A_DDR3_DQ2/DDR2_DQ1 G19 A_DDR3_DQ3/DDR2_DQ7 B19 A_DDR3_DQ4/DDR2_DQ4 H19 A_DDR3_DQ5/DDR2_DQ2 A18 A_DDR3_DQ6/DDR2_DQ3 G21 A_DDR3_DQ7/DDR2_DQ5 B18 A_DDR3_DQ8/DDR2_DQ15 B20 A_DDR3_DQ9/DDR2_DQM1 D19 A_DDR3_DQ10/DDR2_DQ10 D18 A_DDR3_DQ11/DDR2_DQ9 F20 A_DDR3_DQ12/DDR2_DQM0 A20 A_DDR3_DQ13/DDR2_DQ12 E20 A_DDR3_DQ14/DDR2_DQ8 C19 A_DDR3_DQ15/DDR2_DQ14 E19 A_DDR3_DQM0//DDR2_DQ13 E18 A_DDR3_DQM1/DDR2_DQ11 F19 A_DDR3_MCLK/DDR2_MCLK A17 A_DDR3_MCLKZ/DDR2_MCLKZ B17 A_DDR3_DQSL/DDR2_DQS0 D20 A_DDR3_DQSLB/DDR2_DQSB0 D21 A_DDR3_DQSU/DDR2_DQS1 C21 A_DDR3_DQSUB/DDR2_DQSB1 B21 A_DDR3_CASZ/DDR2_BA0 A12 A_DDR3_RASZ/DDR2_BA1 B12 A_DDR3_WEZ/DDR2_A1 C13 A_DDR3_ODT/DDR2_WEZ B8 A_DDR3_BA0/DDR2_CKE A8 A_DDR3_BA1/DDR2_CASZ B15 A_DDR3_BA2/DDR2_BA2 C9 A_DDR3_RESET B9 A_DDR3_CKE/DDR2_ODT C17 MIU0 N501A MSD6I981BTC MIU0 N501A MSD6I981BTC C010 0.1uF C010 0.1uF R001 1K/1% R001 1K/1% R009 22R R009 22R C005 0.1uF C005 0.1uF C021 1nF C021 1nF 7 5 3 1 8 6 4 2 RA021 22RX4 7 5 3 1 8 6 4 2 RA021 22RX4 7 5 3 1 8 6 4 2 RA020 22RX4 7 5 3 1 8 6 4 2 RA020 22RX4 R005 240R/1% R005 240R/1% C022 10nF C022 10nF C019 0.1uF C019 0.1uF 7 5 3 1 8 6 4 2 RA018 22RX4 7 5 3 1 8 6 4 2 RA018 22RX4 7 5 3 1 8 6 4 2 RA016 22RX4 7 5 3 1 8 6 4 2 RA016 22RX4 7 5 3 1 8 6 4 2 RA015 22RX4 7 5 3 1 8 6 4 2 RA015 22RX4 C002 0.1uF C002 0.1uF R004 1K/1% R004 1K/1% 7 5 3 1 8 6 4 2 RA019 22RX4 7 5 3 1 8 6 4 2 RA019 22RX4 7 5 3 1 8 6 4 2 RA022 22RX4 7 5 3 1 8 6 4 2 RA022 22RX4 C015 0.1uF C015 0.1uF C007 0.1uF C007 0.1uF C006 0.1uF C006 0.1uF C011 0.1uF C011 0.1uF C009 1nF C009 1nF 7 5 3 1 8 6 4 2 RA010 22RX4 7 5 3 1 8 6 4 2 RA010 22RX4 R003 1K/1% R003 1K/1% C020 0.1uF C020 0.1uF C004 0.1uF C004 0.1uF A0 N3 A1 P7 A2 P3 A3 N2 A4 P8 A5 P2 A6 R8 A7 R2 A8 T8 A9 R3 A10 L7 A11 R7 A12 N7 DQU0 D7 DQU1 C3 DQU2 C8 DQU3 C2 DQU4 A7 DQU5 A2 DQU6 B8 DQU7 A3 DQSU C7 /DQSU B7 DMU D3 DQL0 E3 DQL1 F7 DQL2 F2 DQL3 F8 DQL4 H3 DQL5 H8 DQL6 G2 DQL7 H7 DQSL F3 /DQSL G3 DML E7 BA0 M2 BA1 N8 BA2 M3 /CS L2 /RAS J3 /CAS K3 /WE L3 CK J7 /CK K7 CKE K9 ODT K1 /RESET T2 VREFCA M8 VREFDQ H1 ZQ L8 VDDQ A1 VDDQ A8 VDDQ C1 VDDQ C9 VDDQ D2 VDDQ E9 VDDQ F1 VDDQ H2 VDDQ H9 VSSQ B9 VSSQ B1 VSSQ D1 VSSQ D8 VSSQ E2 VSSQ E8 VSSQ F9 VSSQ G1 VSSQ G9 VDD B2 VDD D9 VDD G7 VDD K2 VDD K8 VDD N1 VDD N9 VDD R1 VDD R9 VSS A9 VSS E1 VSS G8 VSS J2 VSS J8 VSS M1 VSS M9 VSS P1 VSS P9 VSS T1 VSS T9 NC1 J1 NC2 J9 NC3 L1 NC4 L9 NC5 M7 A13 T3 NC7 T7 VSS B3 N502 K4B2G1646C N502 K4B2G1646C C014 0.1uF C014 0.1uF R002 1K/1% R002 1K/1% R008 22R R008 22R 7 5 3 1 8 6 4 2 RA011 22RX4 7 5 3 1 8 6 4 2 RA011 22RX4 C012 0.1uF C012 0.1uF C008 0.1uF C008 0.1uF C018 0.1uF C018 0.1uF 7 5 3 1 8 6 4 2 RA017 22RX4 7 5 3 1 8 6 4 2 RA017 22RX4 C003 0.1uF C003 0.1uF C001 2.2uF C001 2.2uF 7 5 3 1 8 6 4 2 RA013 22RX4 7 5 3 1 8 6 4 2 RA013 22RX4 C016 0.1uF C016 0.1uF C013 0.1uF C013 0.1uF 7 5 3 1 8 6 4 2 RA014 22RX4 7 5 3 1 8 6 4 2 RA014 22RX4 R006 56R R006 56R C017 0.1uF C017 0.1uF 5 5 4 4 3 3 2 2 1 1 D D C C B B A A VGA_HSYNC VGA_VSYNC VGA_VS RGB1-VGA_B VGA_HS RGB1_VGA-G RGB1-VGA_R UART-TX UART-RX VBUS1 VBUS1 VBUS2 VBUS2 USB2_D- USB2_D- USB2_D+in USB1_D+in USB2_D-in USB2_D+ USB2_D+ USB1_D-in USB1_D- USB_D- USB1_D+in USB2_D+in USB2_D-in USB1_D-in USB2_D+in USB2_D-in USB1_D+in USB1_D-in USB1_D+ USB1_D+ VBUS VBUS 5VA UART-TX UART-RX VGA_HSYNC VGA_VSYNC VGA-Bin VGA-Gin VGA-Rin USB2_D- USB2_D+ USB1_D- USB1_D+ 标记数量 签名 更改单号 日期 拟制 审核 第 张 5 05.VGA&USB 标记数量 签名 更改单号 日期 拟制 审核 第 张 5 05.VGA&USB 标记数量 签名 更改单号 日期 拟制 审核 第 张 5 05.VGA&USB VGA Close to Mstar IC Connector RU19 5.1R RU19 5.1R 5 10 4 9 3 8 2 7 1 15 14 13 12 11 6 16 17 XS605 VGA XS605 VGA R601 75R R601 75R FU01 PTC_1.5A FU01 PTC_1.5A R609 10K R609 10K 4 3 2 1 5 6 4 3 2 1 XSU01 USB V Connector 4 3 2 1 XSU01 USB V Connector 4 3 2 1 5 6 4 3 2 1 XSU02 USB V Connector 4 3 2 1 XSU02 USB V Connector R608 10K R608 10K R603 75R R603 75R CU05 0.1uF CU05 0.1uF RU21 5.1R RU21 5.1R 1 2 3 5 6 4 NU02 IP4223CZ6 NU02 IP4223CZ6 R604 510R R604 510R R606 100R R606 100R R602 75R R602 75R CU04 0.1uF CU04 0.1uF R607 100R R607 100R + CU35 220uF + CU35 220uF RU31 5.1R RU31 5.1R R605 510R R605 510R RU37 NC/100K RU37 NC/100K RU20 5.1R RU20 5.1R 5 5 4 4 3 3 2 2 1 1 D D C C B B A A HP_MUTE 5V_AMP AVOUT CVBS_OUT HD1_Pr HD1_Pb HD1_Y AV1-L AV1-R AV1-Vin+ AV1 AV1-Rin AV1-Lin HD1-L PH_L EARPHONE-OUTR EARPHONE-OUTL PH_R AV1 AV1-R AV1-L HD1_Y HD1_Pb HD1_Pr AVOUT HD1-R HD1-R HD1-L AV2-Vin+ HD1_Y 5V_AMP 5VA HP_MUTE HD_Rin HD_Lin PH_R CVBS_OUT PH_L YPbPr_Y YPbPr_PB YPbPr_PR AV1-Rin AV1-Lin AV1_VIN EARPHONE-OUTR PH_L PH_R EARPHONE-OUTL AV2_VIN 标记数量 签名 更改单号 日期 拟制 审核 第 张 6 06.YPbPr&AV 标记数量 签名 更改单号 日期 拟制 审核 第 张 6 06.YPbPr&AV 标记数量 签名 更改单号 日期 拟制 审核 第 张 6 06.YPbPr&AV AV1 Keep A_GND trace with Signal. Keep Spacing for L/R cahnnel. Keep trace width(12mil+). 恒流源 1.2VDC 椭圆圈内的参数可以微调 偏压调整,使V602-E=1.2VDC EPHONE OUT YPbPr Audio IN AV1 IN VIDEO OUT Close to Mstar IC 560pF以往设计均加,现参考设计无 75R Close to Mstar IC 560pF以往设计均加,现参考设计无 1 2 L602 FB_600mA L602 FB_600mA C601 NC/330pF C601 NC/330pF C616 NC C616 NC 1 2 3 V607 3904 V607 3904 2 1 XS621 AV OUT XS621 AV OUT C613 NC C613 NC C614 NC C614 NC R622 6.8K R622 6.8K R636 10K R636 10K C612 NC/47pF C612 NC/47pF R632 1.2K R632 1.2K R615 10K R615 10K C621 NC/560pF C621 NC/560pF C608 NC/560pF C608 NC/560pF R620 22K R620 22K R618 12K R618 12K C631 470pF C631 470pF R628 75R R628 75R 1 3 2 6 5 7 4 XS620 HeadPhone XS620 HeadPhone 1 2 L603 FB_600mA L603 FB_600mA R635 10K R635 10K R681 10K R681 10K R621 5.1K R621 5.1K 1 2 L604 FB_33000440 L604 FB_33000440 2 3 4 1 5 XS624 AUDIO_out XS624 AUDIO_out 6 4 1 3 5 2 7 XS609 AV XS609 AV C620 NC/560pF C620 NC/560pF R617 10K R617 10K C633 22uF C633 22uF C634 22uF C634 22uF R623 499R/1% R623 499R/1% R630 6.8K R630 6.8K C611 10uF C611 10uF R633 33R R633 33R 6 4 1 3 5 2 XS608 ypbpr XS608 ypbpr R626 499R/1% R626 499R/1% R637 12K R637 12K R627 75R R627 75R R610 75R R610 75R R638 12K R638 12K R619 12K R619 12K 1 2 L605 FB_33000440 L605 FB_33000440 VD604 5.6V VD604 5.6V C632 470pF C632 470pF C615 NC C615 NC R682 10K R682 10K C609 0.1uF C609 0.1uF R624 49.9R/1% R624 49.9R/1% 1 2 3 V606 3904 V606 3904 R629 75R R629 75R V605 3906 V605 3906 C610 10uF C610 10uF 1 2 L601 FB_600mA L601 FB_600mA R625 75R R625 75R C607 NC/560pF C607 NC/560pF R631 3.9K R631 3.9K 5 5 4 4 3 3 2 2 1 1 D D C C B B A A AMP_Rout+ AMP_EN AV_AUOUTL0 AMP_Lout- AMP_Rout- AV_AUOUTR0 AV_AUOUTR0 GAIN0 GAIN0 OP OP OP MUTE_EN AMP_EN OP AMP_Lout- AMP_Lout+ AMP_Rout- AMP_Rout+ HP_MUTE AMP_Lout+ +12V AMP_12V AVDD AMP_12V AVDD AMP_12V 5VA +12V 3.3V_Tuner 5VA AV_AUOUTL0 AV_AUOUTR0 MICLIN MICRIN MUTE_EN HP_MUTE 标记数量 签名 更改单号 日期 拟制 审核 第 张 7 07.AMP 标记数量 签名 更改单号 日期 拟制 审核 第 张 7 07.AMP 标记数量 签名 更改单号 日期 拟制 审核 第 张 7 07.AMP H:MUTE L:ON AMP Mic_Drive MUTE Control H:OFF L:ON R206 1K R206 1K C238 27pF C238 27pF R261 1K R261 1K 1 2 L211 NC/FB L211 NC/FB 3 2 1 8 4 - + N205A AZ4558 - + N205A AZ4558 C217 1uF/25V C217 1uF/25V R223 10K R223 10K C249 0.1uF C249 0.1uF C225 0.1uF C225 0.1uF 1 2 L213 NC/FB L213 NC/FB R232 10K R232 10K R250 1K R250 1K C267 10nF C267 10nF R245 1K R245 1K C213 2.2uF C213 2.2uF C221 1uF/25V C221 1uF/25V R249 100R R249 100R R243 1K R243 1K R248 47K R248 47K C240 2.2uF C240 2.2uF C266 10nF C266 10nF 3 1 2 V207 BAV99 V207 BAV99 R246 100K R246 100K R214 20K R214 20K R235 10K R235 10K C223 2.2uF C223 2.2uF R216 10K R216 10K R238 10K R238 10K R247 47K R247 47K L214 15uH L214 15uH 1 2 L208 NC/FB L208 NC/FB C228 1nF C228 1nF 1 2 L215 NC/FB L215 NC/FB R252 47K R252 47K C202 1nF C202 1nF R234 10K R234 10K R212 NC/0R R212 NC/0R C224 1nF C224 1nF R259 100R R259 100R R266 33K R266 33K C210 4700pF/25V C210 4700pF/25V + C226 220uF + C226 220uF 1 3 2 C C D ESD V209 PESD5VOS2BT C C D ESD V209 PESD5VOS2BT C241 3.3nF C241 3.3nF 1 2 3 4 XS201 D2514-4A XS201 D2514-4A R260 1K R260 1K C220 2.2uF C220 2.2uF C260 3.3nF C260 3.3nF C216 1uF/25V C216 1uF/25V 1 1 2 2 3 3 XS623 XS623 R237 1K R237 1K C247 10nF C247 10nF R229 47K R229 47K C218 4700pF/25V C218 4700pF/25V C215 4700pF/25V C215 4700pF/25V R239 10K R239 10K 1 2 L220 FB_600mA L220 FB_600mA R256 10K R256 10K C282 2.2uF C282 2.2uF 1 1 2 2 3 3 XS622 XS622 C206 2.2uF C206 2.2uF 1 3 2 V215 3904 V215 3904 C259 2.2uF C259 2.2uF 3 1 2 V206 BAV99 V206 BAV99 L212 15uH L212 15uH NC 3 AVDD 4 VIPL 1 VINL 2 AVSS 8 REXT 7 SD_B 5 FAULT_B 6 VIPR 12 VINR 11 G0 10 NC 9 PVSSR 16 OUTPR 15 BSPR 14 PVDDR 13 OUTNR 17 BSNR 18 BSNL 19 OUTNL 20 PVSSL 21 OUTPL 22 BSPL 23 PVDDL 24 PowerPAD 25 MSH9010 N202 MSH9010 N202 C208 2.2uF C208 2.2uF C256 27pF C256 27pF C222 4700pF/25V C222 4700pF/25V R236 1K R236 1K C246 10nF C246 10nF L204 15uH L204 15uH R264 33K R264 33K 3 1 2 V210 BAV99 V210 BAV99 + C207 220uF + C207 220uF C209 1uF/25V C209 1uF/25V C270 10uF C270 10uF 3 1 2 V208 BAV99 V208 BAV99 R225 47K R225 47K 5 6 7 8 4 - + N205B AZ4558 - + N205B AZ4558 C245 1nF C245 1nF + C205 220uF + C205 220uF C283 10uF C283 10uF C284 220uF C284 220uF L210 15uH L210 15uH C203 0.1uF C203 0.1uF R217 NC/10K R217 NC/10K C268 1nF C268 1nF C253 0.1uF C253 0.1uF 1 3 2 V214 3904 V214 3904 C263 2.2uF C263 2.2uF 1 2 L203 FB_6000mA L203 FB_6000mA C244 2.2uF C244 2.2uF C204 1uF/25V C204 1uF/25V C264 2.2uF C264 2.2uF R211 1K R211 1K R210 100K R210 100K 5 5 4 4 3 3 2 2 1 1 D D C C B B A A HDMI2-RX1N HDMI2-RX0P HDMI2-RX0N HDMI2-CLKP HDMI2-CLKN HDMI2-RX1P HDMI2_CEC HDMI-CEC DDC2BSDA HDMI2_HPDIN HDMI2-5V HDMI2_CEC DDC2BSCL HDMI2-RX2P HDMI2-RX2N HDMI2-HPDIN HDMI2_HPDIN HDMI2-SDA HDMI2-SCL HDMI_ARC HDMI2_CLKN HDMI2_RX2P HDMI2_RX2N HDMI2_RX1P HDMI2_RX1N HDMI2_RX0P HDMI2_RX0N HDMI2_CLKP HDMI2-5V HDMI_ARC HDMI2-5V HDMI2-5V HDMI2-5V 3.3V_Normal HDMI2-RX2P HDMI2-RX2N HDMI2-RX1P HDMI2-RX1N HDMI2-RX0P HDMI2-RX0N HDMI2-CLKP HDMI2-CLKN HDMI-CEC HDMI2-HPDIN HDMI2-SCL HDMI2-SDA HDMI2_DET HDMI-ARC 标记数量 签名 更改单号 日期 拟制 审核 第 张 8 08.HDMI Interface 标记数量 签名 更改单号 日期 拟制 审核 第 张 8 08.HDMI Interface 标记数量 签名 更改单号 日期 拟制 审核 第 张 8 08.HDMI Interface To MST IC For CEC&ARC 2nd HDMI 180-Degree Connector Hot-Plug Control R667 10R R667 10R R666 100R R666 100R R673 10K R673 10K R676 10K R676 10K R675 10R R675 10R 1 2 3 V404 3904 V404 3904 R541 10K R541 10K R668 10R R668 10R R669 10R R669 10R R670 1K R670 1K R677 0R R677 0R R674 10K R674 10K R510 10K R510 10K R671 10R R671 10R DATA2+ 1 DATA2 SHIELD 2 DATA2- 3 DATA1+ 4 DATA1 SHIELD 5 DAT1A- 6 DATA0+ 7 DATA0 SHIELD 8 DATA0- 9 CLK+ 10 CLK SHIELD 11 CLK- 12 CEC 13 NC 14 SCL 15 SDA 16 DDC/CEC GND 17 +5V POWER 18 HOT PLUG 19 20 20 21 21 22 22 XS601 HDMI XS601 HDMI R678 100R R678 100R R672 10R R672 10R R538 1K R538 1K R680 100R R680 100R C642 2.2uF C642 2.2uF R664 10R R664 10R R679 4.7K R679 4.7K R544 10K R544 10K R665 10R R665 10R 1 2 3 V614 3904 V614 3904 5 5 4 4 3 3 2 2 1 1 D D C C B B A A TAGC VIFP IF-IN- IF-IN+ VIFM TUNER-SCL TUNER-SDA IF-IN+ IF-IN- 3.3V_Tuner 3.3V_Tuner 3.3V_Tuner 3.3V_Tuner 3.3V_Tuner 3.3V_Tuner 3.3V_Tuner 3.3V_Tuner 3.3V_Tuner 3.3V_Tuner VIFM VIFP TAGC I2C-SCL I2C-SDA 标记 数量 签名 更改单号 日期 拟制 审核 第 张 9 09.TUNER 标记 数量 签名 更改单号 日期 拟制 审核 第 张 9 09.TUNER 标记 数量 签名 更改单号 日期 拟制 审核 第 张 9 09.TUNER pin1 pin16 pin27 pin35 3.3V_Tuner的滤波电容 Closed to MSTIC,for silicon tuner C135 10p C135 10p R180 1K R180 1K C133 0.47uF C133 0.47uF GNDSYNT 18 VTUNE 19 CP 20 XTOUT1 21 XTOUT2 22 CAPREGVCO 17 IFP 25 GNDIF 26 V_IF_AGC 28 VCCIF 27 IRQ 30 V_Sync 29 DGND 23 IFN 24 VHFSupply 31 VHFL 32 VCCRF 1 RFin 2 NC 3 NC 4 DGND 5 AS_XTSEL 6 DGND 7 TEST1 8 TEST2 9 DGND 10 SCL 11 DGND 13 XtalP 14 SDA 12 XtalN 15 VCCSYN 16 CapRFAGC 40 RF_AGC_sense 39 UHFH 38 UHFSupply 37 UHFL 36 VCCRF 35 VHFH 34 VHFSense 33 GNDIF 41 N102 TDA18273 N102 TDA18273 C111 0.22uF C111 0.22uF C114 0.22uF C114 0.22uF C140 0.1uF C140 0.1uF C113 6.8nF 50V 10% C113 6.8nF 50V 10% L124 100nH_150mA_+/-5% L124 100nH_150mA_+/-5% C126 0.1uF C126 0.1uF C103 82pF/50V 5% C103 82pF/50V 5% L107 330nH/180nH 140mA 5% L107 330nH/180nH 140mA 5% C101 120pF/100V/5% C101 120pF/100V/5% C141 0.1uF C141 0.1uF C134 0.47uF C134 0.47uF C137 0.47uF C137 0.47uF C131 10uF C131 10uF C136 0.47uF C136 0.47uF R182 0R R182 0R Z100 16MHz Z100 16MHz C112 6.8nF 50V 10% C112 6.8nF 50V 10% L123 8.2nH_110mA_+/-0.1nH L123 8.2nH_110mA_+/-0.1nH L125 2.4nH_220mA_+/-0.05nH L125 2.4nH_220mA_+/-0.05nH C102 120pF/100V/5% C102 120pF/100V/5% C106 18pF 50V 5% C106 18pF 50V 5% C109 18pF 50V 5% C109 18pF 50V 5% C138 0.47uF C138 0.47uF C105 150pF 50V 5% C105 150pF 50V 5% C110 2.7nF 50V 10% C110 2.7nF 50V 10% L126 2.2nH 1000mA +/- 0.2nH L126 2.2nH 1000mA +/- 0.2nH R179 430R R179 430R C107 100nF 16V 10% C107 100nF 16V 10% 5 4 3 2 1 XS100 IEC Female XS100 IEC Female L108 220nH 120mA 5% L108 220nH 120mA 5% 5 5 4 4 3 3 2 2 1 1 D D C C B B A A REGOUT MDI_TN MDI_TP MDI_RN MDI_RP LAN_RX+ LAN_TX- LAN_TX+ ETH_GND MDI_RP MDI_RN MDI_TP MDI_TN LAN_RX- 2.5V_Normal ETH_GND ETH_GND ETH_GND MDI_RP 21 MDI_RN 21 MDI_TN 21 MDI_TP 21 标记数量 签名 更改单号 日期 拟制 审核 第 张 10 10.Ethernet 标记数量 签名 更改单号 日期 拟制 审核 第 张 10 10.Ethernet 标记数量 签名 更改单号 日期 拟制 审核 第 张 10 10.Ethernet RU97 75R RU97 75R CU68 10nF CU68 10nF RU36 0R RU36 0R RU96 75R RU96 75R CU67 10nF CU67 10nF TD+ 1 TD- 3 CT 2 CT 7 RD+ 6 RD- 8 TX+ 16 CT 15 TX- 14 RX+ 11 TC 10 RX- 9 nc 4 nc 5 nc 12 nc 13 NU07 PD1602 NU07 PD1602 CU66 150pF/3KV CU66 150pF/3KV RU98 75R RU98 75R RU95 75R RU95 75R 1 2 LU64 FB_33000440 LU64 FB_33000440 6 7 3 4 5 8 1 2 12 11 10 9 RJ-45 XSU05 ETHERNET_JACK RJ-45 XSU05 ETHERNET_JACK 5 5 4 4 3 3 2 2 1 1 D D C C B B A A A0- A0+ A1+ A1- ACK- A2+ A2- A3+ ACK+ A3- RXO0- RXO0+ RXO1+ RXO1- RXOC- RXO2+ RXO2- RXO3+ RXOC+ RXO3- LVDS_SEL RXOC- RXOC+ RXO3+ RXO3- RXO0- RXO0+ LVDS_SEL RXO1+ RXO1- LVDS_SEL RXO2- RXO2+ RXO0- RXO0+ RXO1+ RXO1- RXO3+ RXOC- RXO3- RXOC+ RXO2- RXO2+ OD_SEL OD_SEL 3V3_P VCC-Panel 3V3_P VCC-Panel VCC-Panel A3+ A1- ACK- A1+ ACK+ A0- A2- A3- A0+ A2+ OD_SEL 标记数量 签名 更改单号 日期 拟制 审核 第 张 11 11.LVDS 标记数量 签名 更改单号 日期 拟制 审核 第 张 11 11.LVDS 标记数量 签名 更改单号 日期 拟制 审核 第 张 11 11.LVDS 靠近MSD6i981放置 BOE的屏不装R303 三星 标清 FFC 奇美 BOE 标清 FFC 1 2 3 4 5 6 7 8 9 10 11 12 13 14 15 16 17 18 19 20 21 22 23 24 25 26 27 28 29 30 31 32 XS501 32Pin XS501 32Pin C057 0.1uF C057 0.1uF 7 5 3 1 8 6 4 2 RA023 0RX4 7 5 3 1 8 6 4 2 RA023 0RX4 1 2 3 4 5 6 7 8 9 10 11 12 13 14 15 16 17 18 19 20 21 22 23 24 25 26 27 28 29 30 31 32 XS502 32Pin XS502 32Pin 7 5 3 1 8 6 4 2 RA024 0RX4 7 5 3 1 8 6 4 2 RA024 0RX4 3 1 4 2 RA025 0RX2 3 1 4 2 RA025 0RX2 R010 1K R010 1K R011 390R R011 390R R037 4.7K/NC R037 4.7K/NC R303 0/NC R303 0/NC R025 0R R025 0R R1 0 R1 0 5 5 4 4 3 3 2 2 1 1 D D C C B B A A +100V VCC12V VCC12V POWER-ON/OFF 签名 批 准 标准化 审 核 拟 制 日期 第 张 共 张 更改单号 数量 标记 阶段标记 外销32寸一体机电源 KONKA 2 1 签名 批 准 标准化 审 核 拟 制 日期 第 张 共 张 更改单号 数量 标记 阶段标记 外销32寸一体机电源 KONKA 2 1 签名 批 准 标准化 审 核 拟 制 日期 第 张 共 张 更改单号 数量 标记 阶段标记 外销32寸一体机电源 KONKA 2 1 100V/0.3A 3.5A L N Option 可选 CW907 330pF/0805 CW907 330pF/0805 ! CW966 470uF/25V CW966 470uF/25V RT901 5R RT901 5R 1 3 2 VW922 3904 VW922 3904 1 2 LW912 L0805 LW912 L0805 1 2 LW911 LW911 ! ! 2 1 RW912 0.25Ω/2W RW912 0.25Ω/2W 4 3 2 1 L901 100uH L901 100uH VDW951 HER3007G VDW951 HER3007G RW921 4.7k/0805 RW921 4.7k/0805 R906 1.5M/1206 R906 1.5M/1206 ! RW903 1.5M/0805 RW903 1.5M/0805 RW927 N.C. RW927 N.C. 1 2 F901 250Vac-T4AL F901 250Vac-T4AL RW920 2.7Ω/1206 RW920 2.7Ω/1206 VDW920 FR104 VDW920 FR104 CW973 1uF/0805 CW973 1uF/0805 R962 12k/1206 R962 12k/1206 RW954 20k/1206 RW954 20k/1206 ! RW970 30k/0805 RW970 30k/0805 VDW930 18V VDW930 18V ! RW904 510k/0805 RW904 510k/0805 2 3 1 NW951 TL431 NW951 TL431 VDW911 HER107 VDW911 HER107 ! VDW928 6.8V VDW928 6.8V ! 6 1 2 4 11 9 10 8 3 5 12 7 13 14 TW901 EFD3634 TW901 EFD3634 CW926 N.C. CW926 N.C. CW965 470uF/25V CW965 470uF/25V RW926 2.7Ω/1206 RW926 2.7Ω/1206 VD904 CHR208 VD904 CHR208 1 2 4 3 N966 PC817B N966 PC817B RW976 5.6k/0805 RW976 5.6k/0805 RW901 1.5M/0805 RW901 1.5M/0805 1 2 3 VW971 3904 VW971 3904 CX902 275Vac224 CX902 275Vac224 RW915 10k/0805 RW915 10k/0805 RW923 N.C. RW923 N.C. RW928 1kΩ/0805 RW928 1kΩ/0805 RW924 N.C. RW924 N.C. 1 3 2 VW921 4160 VW921 4160 VD963 B13V VD963 B13V ! RW932 4.7k/0805 RW932 4.7k/0805 RW905 1M/0805 RW905 1M/0805 R965 N/C R965 N/C R903 1.5M/1206 R903 1.5M/1206 ! RW908 56k/1206 RW908 56k/1206 RW953 20k/1206 RW953 20k/1206 RW973 6.8k/0805 RW973 6.8k/0805 ! R905 1.5M/1206 R905 1.5M/1206 CW920 22uF/50V CW920 22uF/50V CW916 10nF/0805 CW916 10nF/0805 RW906 120k/0805 RW906 120k/0805 ! RW974 1MΩ/0805(100k/0805) RW974 1MΩ/0805(100k/0805) CW906 105 CW906 105 RW917 33k1206 RW917 33k1206 RW916 33k1206 RW916 33k1206 RV901 10D561 RV901 10D561 1 2 XS901 D3913-3A XS901 D3913-3A RW977 3.9k/0805 RW977 3.9k/0805 RW914 51Ω/0805 RW914 51Ω/0805 R961 100k/1206 R961 100k/1206 CW967 100nF/0805 CW967 100nF/0805 CW912 100pF/1kV CW912 100pF/1kV C903 472/1kV C903 472/1kV RW978 10k/0805 RW978 10k/0805 CW979 N.C. CW979 N.C. RW981 1kΩ/0805 RW981 1kΩ/0805 3 2 1 NW953 TL431/SOT-23 NW953 TL431/SOT-23 VDW931 18V VDW931 18V CW924 4.7uF/50V CW924 4.7uF/50V CW928 330pF/50V CW928 330pF/50V R966 1k/0805 R966 1k/0805 4 3 2 1 L903 30mH L903 30mH R904 1.5M/1206 R904 1.5M/1206 CY905 400Vac-220pF CY905 400Vac-220pF VDW989 27V VDW989 27V VD901 CHR208 VD901 CHR208 RW929 0Ω/0805 RW929 0Ω/0805 CW911 472/1kV CW911 472/1kV RW911 33k1206 RW911 33k1206 CW978 100nF/0805 CW978 100nF/0805 VD903 CHR208 VD903 CHR208 ! RW907 56k/1206 RW907 56k/1206 RW909 56k/1206 RW909 56k/1206 ! CW951 1000pF/1kV CW951 1000pF/1kV C901 150uF/400V C901 150uF/400V ! R901 1.5M/1206 R901 1.5M/1206 3 1 2 VDW961 MBRB20100CTG VDW961 MBRB20100CTG 1 2 3 VD964 BAV70 VD964 BAV70 R964 1k0805 R964 1k0805 ! ! RW913 4.7Ω/0805 RW913 4.7Ω/0805 ! CY903 N.C. CY903 N.C. ! ! RW971 20k/0805 RW971 20k/0805 ! CY906 400Vac-220pF CY906 400Vac-220pF CW962 180uF/16V CW962 180uF/16V CW952 68u/200V CW952 68u/200V RW955 20k/1206 RW955 20k/1206 R902 1.5M/1206 R902 1.5M/1206 RW922 N.C. RW922 N.C. VW901 7N60L-B VW901 7N60L-B 1 2 3 VDW923 BAV70 VDW923 BAV70 ! VDW912 1N4007 VDW912 1N4007 CW963 2200pF/0805 CW963 2200pF/0805 RW975 10k/0805 RW975 10k/0805 CY904 N.C. CY904 N.C. CW953 100pF/500V CW953 100pF/500V ! ! 1 2 4 3 NW952 PC817B NW952 PC817B RW961 20Ω/1206 RW961 20Ω/1206 C965 104 C965 104 CW923 4.7uF/50V/SMD CW923 4.7uF/50V/SMD RW952 10Ω/1206 RW952 10Ω/1206 VDW929 6.8V VDW929 6.8V RW982 1k/0805 RW982 1k/0805 CW961 2200pF/0805 CW961 2200pF/0805 1 3 2 V966 3904 V966 3904 VINS 1 FB 2 CS 3 GND 4 GATE 5 VDD 6 NC 7 HV 8 NW907 FAN6755W NW907 FAN6755W 1 2 3 VDW913 BAV70 VDW913 BAV70 RW902 1.5M/0805 RW902 1.5M/0805 CX901 275Vac-224 CX901 275Vac-224 R930 10k/0805 R930 10k/0805 VDW921 18V VDW921 18V RW951 10Ω/1206 RW951 10Ω/1206 ! VD902 CHR208 VD902 CHR208 CY909 400Vac-2200pF CY909 400Vac-2200pF ! 5 5 4 4 3 3 2 2 1 1 D D C C B B A A +100V FAULT VCC12V BKLT_ADJ BKLT_EN 标记数量 签名 更改单号 日期 第 2 张 审核 拟制 32寸一体机背光驱动 标记数量 签名 更改单号 日期 第 2 张 审核 拟制 32寸一体机背光驱动 标记数量 签名 更改单号 日期 第 2 张 审核 拟制 32寸一体机背光驱动 C711 1000pF/0805 C711 1000pF/0805 R715 2.7Ω/1206 R715 2.7Ω/1206 V701 5A400V V701 5A400V R701 1M/0805 R701 1M/0805 R705 10k/0805 R705 10k/0805 VD752 SB2200 VD752 SB2200 C755 472/1kV C755 472/1kV R707 10k/0805 R707 10k/0805 L701 470uH/0.72A L701 470uH/0.72A R714 1Ω/1206 R714 1Ω/1206 R759 4.7Ω/1206 R759 4.7Ω/1206 C708 1uF/0805 C708 1uF/0805 R731 10k/0805 R731 10k/0805 C722 100pF/0805 C722 100pF/0805 C705 100pF/0805 C705 100pF/0805 L702 400uH/1.5A L702 400uH/1.5A R755 150k/0805 R755 150k/0805 1 2 L750 L750 C703 0.1uF/0805 C703 0.1uF/0805 R762 1k/0805 R762 1k/0805 1 2 L704 L0805 L704 L0805 1 2 3 VD757 BAV70 VD757 BAV70 C706 0.1uF/0805 C706 0.1uF/0805 C712 470nF/0805 C712 470nF/0805 R758 4.7Ω/1206 R758 4.7Ω/1206 1 2 L754 L0805 L754 L0805 R764 4.7Ω/0805 R764 4.7Ω/0805 C709 0.1uF/0805 C709 0.1uF/0805 1 LED1- 2 2 3 LED1+ 4 4 5 LED2- 6 6 7 LED2+ XS702 7PIN-2.0mm XS702 7PIN-2.0mm R703 10Ω/0805 R703 10Ω/0805 1 2 L753 L0805 L753 L0805 V751 1.5A400V V751 1.5A400V C701 100pF/500V C701 100pF/500V R763 150k/0805 R763 150k/0805 1 2 L752 L0805 L752 L0805 R708 33k/0805 R708 33k/0805 R704 10k/0805 R704 10k/0805 C723 100pF/0805 C723 100pF/0805 C754 472/1kV C754 472/1kV R716 N.C. R716 N.C. UVLS 1 VCC 2 ENA 3 VREF 4 RT 5 PWM 6 ADIM 7 TIMER 8 SSTCMP 9 ISEN 10 PROT 11 ISW 12 OVP 13 GND 14 DRV 15 FAULT 16 N701 OZ9902C N701 OZ9902C C707 1uF/0805 C707 1uF/0805 R757 10Ω0805 R757 10Ω0805 R709 2.2M/0805 R709 2.2M/0805 R702 120k/0805 R702 120k/0805 R723 4.7Ω/0805 R723 4.7Ω/0805 C753 10u/400V C753 10u/400V 1 2 3 VD721 BAV70 VD721 BAV70 R713 10k/0805 R713 10k/0805 R720 10k/0805 R720 10k/0805 C724 1uF/0805 C724 1uF/0805 L703 470uH/0.72A L703 470uH/0.72A R756 3.3k/0805 R756 3.3k/0805 C704 0.1uF/0805 C704 0.1uF/0805 R760 51Ω/1206 R760 51Ω/1206 1 2 L751 L751 R706 10k/0805 R706 10k/0805 VD751 SB2200 VD751 SB2200 R722 2k/0805 R722 2k/0805 R721 51Ω/0805 R721 51Ω/0805

标签:

版权声明

1. 本站所有素材,仅限学习交流,仅展示部分内容,如需查看完整内容,请下载原文件。
2. 会员在本站下载的所有素材,只拥有使用权,著作权归原作者所有。
3. 所有素材,未经合法授权,请勿用于商业用途,会员不得以任何形式发布、传播、复制、转售该素材,否则一律封号处理。
4. 如果素材损害你的权益请联系客服QQ:77594475 处理。