康佳LED26F2200C液晶电视35016607板电路原理图

分类:电子电工 日期: 点击:0
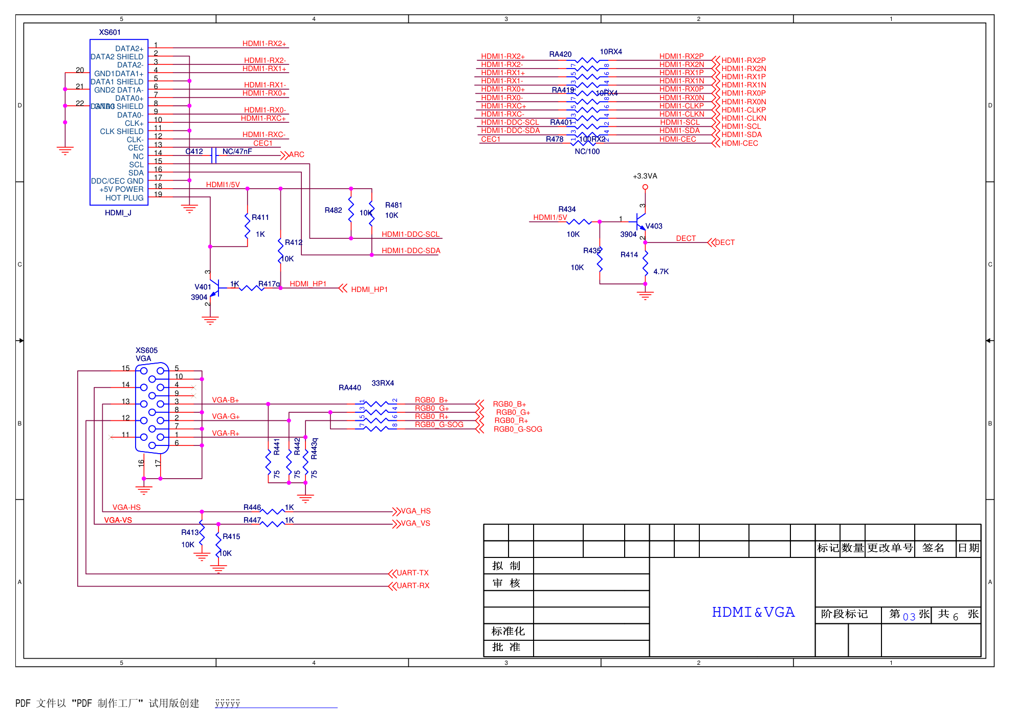
康佳LED26F2200C液晶电视35016607板电路原理图-0 康佳LED26F2200C液晶电视35016607板电路原理图-1 康佳LED26F2200C液晶电视35016607板电路原理图-2 康佳LED26F2200C液晶电视35016607板电路原理图-3 康佳LED26F2200C液晶电视35016607板电路原理图-4 康佳LED26F2200C液晶电视35016607板电路原理图-5 康佳LED26F2200C液晶电视35016607板电路原理图-6 康佳LED26F2200C液晶电视35016607板电路原理图-7

5 5 4 4 3 3 2 2 1 1 D D C C B B A A POWER-ON/OFF-INV BKL_ADJ BKLT_ADJ BKLT_EN PWR_DET POWER-ON/OFF-INV BKLT_EN BKLT_ADJ FAULT FAULT BKL_ON PWM PS_ON FAULT +12.2Vsb ENA +5VA 5Vstb +5VA +5VA +5VA +5VA +2.5VA +1.8V_DDR2 +12V 3.3V_Tuner +3.3VA VCC-Panel +12V +3.3Vstb +3.3VA +5VA +5VA 5Vstb +1.2V_VDDC +3.3Vstb +12V 5Vstb PWR-ON/OFF POWER-ON/OFF-INV BKL_ON BKL_ADJ PWR-ON/OFF ON_PANEL PWR_DET 签名 批 准 标准化 审 核 拟 制 日期 第 张 共 张 更改单号 数量 标记 阶段标记 签名 批 准 标准化 审 核 拟 制 日期 第 张 共 张 更改单号 数量 标记 阶段标记 签名 批 准 标准化 审 核 拟 制 日期 第 张 共 张 更改单号 数量 标记 阶段标记 POWER INPUT 1.86V for DDR2 Vcc 1.26V Core power 3.3Vstb 2.5VA 5Vstb +5VA 495mA/80mV 132mA/3mA 200mA/80mV 150mA/80mV POWER 01 6 3.3V_Tuner 1.8V VCC_PANEL 0.6*(1+R801/R802) Power off detection 电源接口 1 2 L803 FB_4A L803 FB_4A R846 10K R846 10K V802 PMV65XP V802 PMV65XP + C887 NC/220uF/16V + C887 NC/220uF/16V 1 2 F801 FB F801 FB L818 2.2uH L818 2.2uH R802 10K/1% R802 10K/1% C859 10uF/16V C859 10uF/16V R840 10K R840 10K R830 100 R830 100 C884 0.1uF C884 0.1uF C882 10uF/16V C882 10uF/16V R862 100K R862 100K + C814 220uF/16V + C814 220uF/16V 1 3 2 OUT GND IN N813 WL2004 OUT GND IN N813 WL2004 C893 22uF/6.3V C893 22uF/6.3V C880 10uF/16V C880 10uF/16V C883 0.1uF C883 0.1uF C896 0.1uF C896 0.1uF R858 10K R858 10K C823 0.1uF C823 0.1uF 1 2 3 V806 3904 V806 3904 1 2 L816 FB_3A L816 FB_3A C807q 2.2uF C807q 2.2uF C876 0.1uF C876 0.1uF C803 0.1uF C803 0.1uF C873 0.1uF C873 0.1uF R838 100K 1% R838 100K 1% C879 10uF/16V C879 10uF/16V R834 47K R834 47K 1 2 3 V814 3904 V814 3904 R827 4.7K R827 4.7K C806 2.2uF C806 2.2uF R812 100K R812 100K R804 4.7K R804 4.7K C892 10uF/10V C892 10uF/10V 1 2 L507 FB L507 FB R845 15 R845 15 C881q 10uF/16V C881q 10uF/16V R856 4.7K R856 4.7K 1 2 L819 FB_4A L819 FB_4A + C811 100uF + C811 100uF C878 0.1uF C878 0.1uF R544 4.7K R544 4.7K R839 1K R839 1K C861 0.1uF C861 0.1uF C820 0.47uF C820 0.47uF C894q 10uF/10V C894q 10uF/10V 1 2 L820 FB_4A L820 FB_4A 1 2 L802 FB_4A L802 FB_4A C826 0.1uF C826 0.1uF C804 2.2uF C804 2.2uF C840 10uF/10V C840 10uF/10V R825 10K R825 10K R822 100 R822 100 1 2 L801 FB_4A L801 FB_4A L826 10uH L826 10uH R813 10K R813 10K C856 0.1uF C856 0.1uF 3 2 1 4 ADJ OUT IN N810 AZ1117-2.5 ADJ OUT IN N810 AZ1117-2.5 C835 0.1uF C835 0.1uF C834 22uF/6.3V C834 22uF/6.3V C877 0.1uF C877 0.1uF S 1 S 2 S 3 G 4 D 8 D 7 D 6 D 5 V801 NC/9435A V801 NC/9435A C802q 0.1uF C802q 0.1uF 1 2 3 V810 3904 V810 3904 C800 22pF C800 22pF 3 2 1 4 ADJ OUT IN N808 AZ1117-1.8V-252 ADJ OUT IN N808 AZ1117-1.8V-252 R837 10K R837 10K +C845 NC/22uF +C845 NC/22uF C809 0.1uF C809 0.1uF C816 0.1uF C816 0.1uF 1 2 L817 FB_4A L817 FB_4A R826 1K R826 1K R808 NC R808 NC C810 0.1uF C810 0.1uF C805 2.2uF C805 2.2uF C813 0.1uF C813 0.1uF V803 3904 V803 3904 R548 10K R548 10K EN 1 GND 2 LX 3 VIN 4 NC 5 FB 6 N801 SY8009 N801 SY8009 R854 100K R854 100K R836 1K R836 1K 1 2 3 V804 3904 V804 3904 R801 12K/1% R801 12K/1% R855 15 R855 15 R549 100 R549 100 R805 13K 1% R805 13K 1% R835 100K R835 100K 3 2 1 4 ADJ OUT IN N809 AMS1117-3.3 ADJ OUT IN N809 AMS1117-3.3 R547 10K R547 10K VIN 2 FB 4 PGND 1 COMP 5 EN 6 LX 7 LX 8 AGND 3 N805 SY8122A N805 SY8122A 1 2 L800 FB_4A L800 FB_4A C808 2.2uF C808 2.2uF R807 4.7K R807 4.7K C825 0.1uF C825 0.1uF 1 2 L502 FB L502 FB C836 22uF/6.3V C836 22uF/6.3V + C812 22uF/6.3V + C812 22uF/6.3V C886 0.1uF C886 0.1uF R832 10K R832 10K C833 NC/0.1uF C833 NC/0.1uF R810 100 R810 100 R824 4.7K R824 4.7K C862 0.1uF C862 0.1uF R814 47K R814 47K C867 0.1uF C867 0.1uF 1 2 3 V503 3904 V503 3904 C801q 2.2uF C801q 2.2uF V811 PMV65XP V811 PMV65XP PDF 文件以 "PDF 制作工厂" 试用版创建 ÿÿÿÿ ÿ � 5 5 4 4 3 3 2 2 1 1 D D C C B B A A XTALO XTALI LVDS_SEL R3_RXO2- R2_RXO2+ R7_RXO0- R6_RXO0+ R4_RXO1+ R5_RXO1- G6_RXO3+ R1_RXOC- G7_RXO3- R0_RXOC+ SPI-SDI SPI_Flash-SDI ON_PANEL SPI-SCK SPI_Flash-SCK PWR-ON/OFF RGB0_B+ RGB0_G+ RGB0_G-SOG RGB0_R+ BIN0 GIN0M GIN0P SOGIN0 VGA_HS VGA_VS RIN0 SOY Y+ PR+ PB+ RIN2 SOGIN2 GIN2P GIN2M BIN2 BKL_ON MUTE AMP AMP-MUTE BKL_ON BKL_ON HDMI-CEC DDCDA_CK HDMI1-ARC DDCDA_DA HDMI1-RX0N HDMI1-CLKP HDMI1-CLKN HDMI1-RX1N HDMI_HP1 BIN0 HDMI1-RX0P HDMI1-RX1P HDMI1-RX2P HDMI1-RX2N VGA_VS VGA_HS SOGIN0 GIN0P GIN0M RIN0 RIN2 BIN2 GIN2M GIN2P SOGIN2 XTALI XTALO RXO3+ RXOC+ RXO3- RXO2+ RXOC- RXO1+ RXO0- RXO0+ RXO2- RXO1- USB2_DM USB2_DP System-RST IRIN SPI_CS0N USB0_DP USB0_DM KEY0-SAR0 AVSS_PGA PWR-ON/OFF ON_PANEL ON_PANEL WP_FLASH CFG-PWM1 SPI-SDO SPI_Flash-SDO AUVRP MDDR_VREF AMP_AUOUTR0 AUR0 CVBS1P AMP_AUOUTL0 AUVAG AUL2 AUR2 AUL0 CVBS0P CVBS_OUT VCOM0 AUVRM AUR0 AUL0 AMP-MUTE UART-TX UART-RX MDDR_VREF AV-CVBS0P CVBS0P CVBS1P VCOM0 CVBS_OUT AV1-Lin AV1-Rin HDMI1-CLKN HDMI1-CLKP HDMI1-SCL DDCDA_CK HDMI1-RX1N HDMI1-RX1P HDMI1-RX2N HDMI1-RX2P HDMI1-RX0N HDMI1-RX0P HDMI1-SDA DDCDA_DA HDMI1-ARC HDMI_HP1 ARC HDMI-CEC DVDD_NODIE_1.2V AUWS_OUT AUWS_I2S_OUT DECT AV2_AURin2 AUR2 AV2_AULin2 AUL2 AUL1 AUR1 AV2-CVBS1P AUVRP AUVAG AUVRM AMP_AUOUTR0 AMP_AUOUTL0 AMP_AUOUTR0 AMP_AUOUTL0 AUBCK_I2S_OUT AUMCK_I2S_OUT CFG-PWM1 BKL_ADJ System-RST SPI_Flash-SCK SPI_Flash-SDI FLASH_CS0N WP_FLASH SPI_CS0N FLASH_WP0N SPI_Flash-SDO UART-TX UART-RX AVSS_PGA DVDD_NODIE_1.2V KEY-in IR_in STB_PWR LOGO_PWR STB_PWR LOGO_PWR LED IR_in IRIN KEY-in KEY0-SAR0 VIFM VIFP AUL3 AUR3 AUL3 AUR3 SPDIF_OUT G7_RXO3- RXO3- G6_RXO3+ RXO3+ R4_RXO1+ RXO1+ R5_RXO1- RXO1- R7_RXO0- RXO0- R6_RXO0+ RXO0+ R2_RXO2+ RXO2+ R3_RXO2- RXO2- R1_RXOC- RXOC- R0_RXOC+ RXOC+ PWM_IN PWM_IN 3.3VSTB Bit/SYNC LVDS_SEL OD_SEL1 R7_RXO0- R6_RXO0+ R4_RXO1+ R5_RXO1- R3_RXO2- R2_RXO2+ R1_RXOC- R0_RXOC+ G6_RXO3+ G7_RXO3- LVDS_SEL OD_SEL1 LED SAR3 AUMCK_OUT AUMCK_I2S_OUT AUBCK_OUT AUBCK_I2S_OUT VCC-Panel +2.5V_PGA VDDC AVDD_DDR AVDD_33 ADC2P5 AVDD_33_PM AVDD_DDR +3.3Vstb +3.3Vstb +3.3Vstb 5Vstb 5Vstb +3.3V_Normal AVDD_33 +3.3V_Standby VDDC +1.2V_VDDC AVDD_33_PM +2.5V_PGA ADC2P5 AVDD_DDR +3.3Vstb +3.3Vstb +3.3Vstb +3.3Vstb +3.3Vstb 5Vstb +3.3VA +2.5VA +2.5VA +1.8V_DDR2 3V3_P VCC-Panel 3V3_P +3.3Vstb VCC-Panel VGA_HS VGA_VS RGB0_B+ RGB0_G-SOG RGB0_G+ RGB0_R+ PB+ SOY Y+ PR+ USB1_D- USB1_D+ USB2_D- USB2_D+ BKL_ADJ ON_PANEL PWR-ON/OFF MUTE_EN CVBS_OUT HDMI-CEC HDMI1-RX2P HDMI1-RX2N HDMI1-RX1P HDMI1-RX1N HDMI1-RX0P HDMI1-RX0N HDMI1-CLKP HDMI1-CLKN HDMI1-SCL HDMI1-SDA HDMI_HP1 ARC AV-CVBS0P AV2_AULin2 AV2_AURin2 AV2-CVBS1P AMP_AUOUTL0 AMP_AUOUTR0 UART-RX UART-TX POWER-ON/OFF-INV BKL_ON VIFP VIFM AV1-Lin AV1-Rin TUNER_SCL TUNER_SDA DECT PWR_DET 签名 批 准 标准化 审 核 拟 制 日期 第 张 共 张 更改单号 数量 标记 阶段标记 签名 批 准 标准化 审 核 拟 制 日期 第 张 共 张 更改单号 数量 标记 阶段标记 签名 批 准 标准化 审 核 拟 制 日期 第 张 共 张 更改单号 数量 标记 阶段标记 MST6M182VG & LVDS 6 DDR2 VREF(贴6m16L,此处不贴) 主IC为MST6M181VG、MST6M182VG时, GPIO4(BALL N8)和GPIO7(BALL N9)为NC PIN。 主IC为MST6M181VG、MST6M182VG时, BALL D5到BALL B4为NC PIN; 只有MST6M161LG这些PIN 才为HDMI INPUT N12_PIN 在MST6M181VG/MST6M182VG时可设置为GPIO76; N13_PIN 在MST6M181VG/MST6M182VG时可设置为GPIO77。 Close to IC with width trace Audio 4'h0 4'h3 4'h7 {I2S_OUT_BCK, I2S_OUT_MCK, PAD_PWM1, PAD_PWM0} B51_no_EJ B51_Secure_no_scramble B51_Secure_scramble Chip Config AUDIO OUT Standby Power 3.3V Normal Power 3.3V Normal Power 1.2V Normal Power 2.5V 250mA DDR power 2 (红) (绿) 奇美 BOE 标清 FFC 掉电检测,检测到此脚为高时待机 三星 标清 FFC BOE的屏OD_SEL1为NC BOE的屏不装R303 1 2 3 4 5 6 7 8 9 10 11 12 13 14 15 16 17 18 19 20 21 22 23 24 25 26 27 28 29 30 31 32 XS503 32Pin XS503 32Pin B_ODD7/LVA2M R12 NC/GPIO62 N9 SOGIN1 H2 BIN1P H3 GIN1M J2 GIN1P J3 CVBS2 K1 AVDD_DVI H4 AUL0 M2 AUREFM M4 GIN0P F3 RFAGC T4 B_ODD2/LVA3P P11 VIFM R6 VIFP T6 AVDD_PGA N5 AVDD_33 J4 RIN1P J1 R_ODD2/LVB2P N14 B_ODD5/LVACKM P12 G_ODD0/LVA1P P13 SAR2_GPIO13/GPIO73 C10 SAR1_GPIO12/GPIO74 C11 GPIO11/TCON11/HCON_39 D15 GPIO10/TCON10/OPT_N_38 G15 GPIO9/TCON9/OPT_P_37 F16 GPIO8/TCON8/FLK3_36 H16 GPIO3/TCON3/GCLK2_31 E16 GPIO2/TCON2/GCLK1_30 J14 GIN0M F2 GPIO21/TCON21/VGH_ODD_49 K14 GPIO20/TCON20/VGH_EVEN_48 K16 GPIO19/TCON19/GCLK6_47 L15 GPIO18/TCON18/GCLK5_46 K15 GPIO17/TCON17/GCLK4_45 G16 GPIO16/TCON16/WPWM_44 F15 GPIO13/TCON13/LEDON_41 D14 B_ODD0/LVA4P P10 B_ODD1/LVA4M R10 B_ODD3/LVA3M R11 B_ODD4/LVACLP T11 SCZ B15 G_ODD3/LVA0M R14 G_ODD4/LVB4P T14 G_ODD5/LVB4M T15 G_ODD6/LVB3P R15 G_ODD7/LVB3M R16 R_ODD4/LVB1P M14 G_ODD2/LVA0P P14 SDO B16 IRIN B9 CEC D6 HWRESET A9 HOTPLUGA D4 SOGIN0 E2 AUOUTL1 N4 AUOUTR1 P3 AUOUTL0 R2 AUOUTR0 T2 XIN T3 XOUT R3 AVDD_DMPLL K4 RXCKN_A A3 RXCKP_A A2 RX0N_A B3 RX0P_A B2 RX1N_A B1 RX1P_A C3 DDCDA_DA D3 RX2N_A C1 RX2P_A C2 DDCDA_CK D1 ARC D2 VDDC L8 HSYNC0 E4 BIN0P E3 RIN0P F1 VSYNC0 F4 AVDD_PLL J5 AVDD_25 H6 CVBS1 K2 CVBS0 L1 VCOM L2 CVBSOUT M1 AUR0 N1 AUL1 N2 AUR1 P1 AUVAG L3 AUL2 P2 AUR2 R1 AUL3 M3 AUR3 N3 AVDD_AU33 M5 AVDD_REF K6 PGA-COM P5 GPIO24/GPIO56 R8 GPIO25/GPIO57 R9 GPIO23/GPIO58 P8 NC/GPIO59 N8 GPIO27/GPIO60 T9 GPIO26/GPIO61 P9 GPIO22/GPIO55 T8 B_ODD6/LVA2P T12 G_ODD1/LVA1M R13 R_ODD0/LVBCKP P15 R_ODD1/LVBCKM P16 R_ODD3/LVB2M N15 R_ODD5/LVB1M M15 R_ODD6/LVB0P M16 R_ODD7/LVB0M L16 AVDD_MOD L5 SAR3_GPIO14/INT_GPIO65 G14 DDCR_CK/GPIO63 B14 GPIO15/TCON15/SCAN_BLK1_43 F14 DDCR_DA/GPIO64 C14 GPIO14/TCON14/SCAN_BLK_42 E14 GPIO12/TCON12/DPM_40 D16 GPIO6/TCON6/FLK_34 J16 GPIO7/TCON7/FLK2_35 L14 GPIO5/TCON5/SOE_33 H15 GPIO4/TCON4/GCLK3_32 J15 GPIO1/TCON1/VST_29 H14 GPIO0/TCON0/POL_28 E15 USB0_DM A15 TESTPIN C13 USB0_DP A14 USB1_DM A13 USB1_DP B13 SCK C15 GND_EFUSE D13 SDI C16 SAR0_GPIO11/GPIO75 B11 DDCA_CK D10 DDCA_DA D11 PWM0_GPIO20/GPIO26 B12 PWM1_GPIO21/GPIO25 C12 PMGPIO_GPIO10/GPIO66 D12 PM1_GPIO6/GPIO67 A11 PM4_GPIO7/GPIO68 A10 PM5_GPIO8/GPIO69 B10 PM6_GPIO9/GPIO70 C9 HOTPLUGD D5 RXCKN_D C7 RXCKP_D B7 RX0N_D C6 RX0P_D B6 RX1N_D A6 RX1P_D C5 DDCDD_DA C4 RX2N_D A5 RX2P_D B5 DDCDD_CK B4 GND R7 GND T7 GND H9 GND H11 GND J9 GND J10 GND J11 GND K9 GND K10 GND K11 GND A12 GND F13 GND G13 GND G1 GND G2 GND G3 GND P4 GND R4 GND R5 GND T5 GND P6 GND P7 VDDC L7 VDDC K8 VDDC K7 VDDC J8 VDDC J7 VDDC H8 AVDD_1P2 H7 AVDD_DDR D9 AVDD_DDR E13 AVDD_DDR M11 AVDD_DDR M10 AVDD_MOD K5 AVDD_MOD M6 AVDD_MOD L6 DVDD_NODIE D7 MVREF K13 GPIO30/LCK_74 N10 GPIO29/LDE_75 N11 GPIO28/LHSYNC N12 GPIO27/LVSYNC N13 VSYNC1 K3 VRP L4 GND H10 AVDD_AU25 J6 AVDD_DDR G8 GND N6 MST6M181VG MST6M182VG MST6M161LG 1.26V DDR1 2.5V DDR2 1.8V 2.5V 3.3V GPIO define MST6M161LG/MST6M181VG MST6M182VG MST6M182VG N501 MST6M181VG MST6M182VG MST6M161LG 1.26V DDR1 2.5V DDR2 1.8V 2.5V 3.3V GPIO define MST6M161LG/MST6M181VG MST6M182VG MST6M182VG N501 R311 390R R311 390R R539 100k R539 100k C518 47nF C518 47nF 3 1 4 2 RA523 100RX2 3 1 4 2 RA523 100RX2 R536 33 R536 33 3 1 4 2 RA521 4.7KX2 3 1 4 2 RA521 4.7KX2 1 2 3 4 5 6 XS645 D1250-6AD XS645 D1250-6AD 1 3 2 V607 3906 V607 3906 C512q 47nF C512q 47nF R351 NC/4.7K R351 NC/4.7K C541 1nF C541 1nF C578 20pF C578 20pF C517 47nF C517 47nF 3 1 4 2 RA522 4.7KX2 3 1 4 2 RA522 4.7KX2 R303 0/NC R303 0/NC C309 0.1uF C309 0.1uF C523 0.1uF C523 0.1uF R352 NC/4.7K R352 NC/4.7K C525 0.1uF C525 0.1uF C577 20pF C577 20pF R1 0/NC R1 0/NC C545 2.2uF C545 2.2uF R574 0 R574 0 C526 0.1uF C526 0.1uF R572 10K R572 10K 1 TP109 TP109 R635 68R R635 68R C509 47nF C509 47nF C503 1uF C503 1uF C504 1uF C504 1uF 1 TP107 TP107 C521 10uF/10V C521 10uF/10V R666 4.7K R666 4.7K C539 1nF C539 1nF C508 47nF C508 47nF C507 10uF/10V C507 10uF/10V R302 1K R302 1K C543 2.2uF C543 2.2uF 1 2 3 4 5 6 7 8 9 10 11 12 13 14 15 16 17 18 19 20 21 22 23 24 25 26 27 28 29 30 31 32 XS501 32Pin XS501 32Pin 1 2 3 Z501 24MHZ Z501 24MHZ C502 NC/2.2uF C502 NC/2.2uF R518 1K_1% R518 1K_1% C527 0.1uF C527 0.1uF C522 0.1uF C522 0.1uF R551 10k R551 10k R675 100 R675 100 1 TP141 TP141 C524 0.1uF C524 0.1uF C505 1uF C505 1uF C605 0.1uF C605 0.1uF C511 47nF C511 47nF C514 47nF C514 47nF C516 47nF C516 47nF R512 68R R512 68R R511 68R R511 68R C528 0.1uF C528 0.1uF CE# 1 SO 2 WP# 3 VSS 4 SI 5 SCK 6 HOLD# 7 VDD 8 N506 MX25LV020 N506 MX25LV020 C501 NC/2.2uF C501 NC/2.2uF R611 4.7K R611 4.7K C519 0.1uF C519 0.1uF R550 1M R550 1M R676 4.7k R676 4.7k L504 FB L504 FB C529 0.1uF C529 0.1uF C542 0.1uF C542 0.1uF C530 0.1uF C530 0.1uF 1 TP143q TP143q C548 2.2uF C548 2.2uF C606 20pF C606 20pF L501 FB L501 FB C540 47nF C540 47nF C531 0.1uF C531 0.1uF C552 0.1uF C552 0.1uF C532 0.1uF C532 0.1uF GND 1 RESET 2 VCC 3 N515 AP810 N515 AP810 R342 NC/4.7K R342 NC/4.7K C534 0.1uF C534 0.1uF 1 TP103 TP103 C549 10uF/10V C549 10uF/10V 3 1 4 2 RA524 4.7KX2 3 1 4 2 RA524 4.7KX2 R618 10K R618 10K C533 0.1uF C533 0.1uF 1 2 L506 FB L506 FB R648 10K R648 10K R510 68R R510 68R R346 NC/4.7K R346 NC/4.7K C535 0.1uF C535 0.1uF C506 1uF C506 1uF C513 47nF C513 47nF C515q 47nF C515q 47nF R662 68R R662 68R R532 4.7K R532 4.7K 1 TP142 TP142 R349 NC/4.7K R349 NC/4.7K C536 0.1uF C536 0.1uF C537 0.1uF C537 0.1uF C555 180pF C555 180pF C520 1nF C520 1nF R660 100 R660 100 1 3 2 V609 3906 V609 3906 R517 1K_1% R517 1K_1% R516 NC/68R R516 NC/68R C609 0.1uF C609 0.1uF 1 2 L503 FB L503 FB C556 180pF C556 180pF C551 0.1uF C551 0.1uF 1 2 3 4 XS510 CON4_2.0 XS510 CON4_2.0 R538 100k R538 100k C538 0.1uF C538 0.1uF R350 NC/4.7K R350 NC/4.7K PDF 文件以 "PDF 制作工厂" 试用版创建 ÿÿÿÿ ÿ � 5 5 4 4 3 3 2 2 1 1 D D C C B B A A HDMI1/5V HDMI1-DDC-SCL HDMI1-DDC-SDA DECT HDMI1-DDC-SCL HDMI1-DDC-SDA HDMI1-RX1+ HDMI1-RX2- HDMI1-RX1- HDMI1-RX0+ HDMI1-RX0- HDMI1-RXC+ HDMI1-RXC- HDMI1-RX2+ CEC1 CEC1 HDMI1-RX1+ HDMI1-RX2- HDMI1-RX1- HDMI1-RX0+ HDMI1-RX0- HDMI1-RXC+ HDMI1-RXC- HDMI1-RX2+ HDMI-CEC HDMI1/5V HDMI_HP1 HDMI1-CLKN HDMI1-CLKP HDMI1-RX1N HDMI1-RX1P HDMI1-RX2N HDMI1-RX2P HDMI1-RX0N HDMI1-RX0P HDMI1-SCL HDMI1-SDA RGB0_G+ VGA-R+ VGA-B+ VGA-G+ RGB0_R+ RGB0_G-SOG RGB0_B+ VGA-HS VGA-VS VGA-VS +3.3VA HDMI-CEC DECT HDMI1-RX2P HDMI1-RX2N HDMI1-RX1P HDMI1-RX1N HDMI1-RX0P HDMI1-RX0N HDMI1-CLKP HDMI1-CLKN HDMI_HP1 HDMI1-SCL HDMI1-SDA ARC UART-TX RGB0_G+ RGB0_R+ RGB0_G-SOG RGB0_B+ VGA_HS VGA_VS UART-RX 签名 批 准 标准化 审 核 拟 制 日期 第 张 共 张 更改单号 数量 标记 阶段标记 签名 批 准 标准化 审 核 拟 制 日期 第 张 共 张 更改单号 数量 标记 阶段标记 签名 批 准 标准化 审 核 拟 制 日期 第 张 共 张 更改单号 数量 标记 阶段标记 HDMI&VGA 03 6 3 1 4 2 RA401 100RX2 3 1 4 2 RA401 100RX2 1 2 3 V401 3904 V401 3904 R412 10K R412 10K R443q 75 R443q 75 R413 10K R413 10K R478 NC/100 R478 NC/100 5 10 4 9 3 8 2 7 1 15 14 13 12 11 6 16 17 XS605 VGA XS605 VGA R442 75 R442 75 R417q 1K R417q 1K R446 1K R446 1K R481 10K R481 10K R414 4.7K R414 4.7K R434 10K R434 10K 7 5 3 1 8 6 4 2 RA420 10RX4 7 5 3 1 8 6 4 2 RA420 10RX4 R447 1K R447 1K DATA2+ 1 DATA2 SHIELD 2 DATA2- 3 DATA1+ 4 DATA1 SHIELD 5 DAT1A- 6 DATA0+ 7 DATA0 SHIELD 8 DATA0- 9 CLK+ 10 CLK SHIELD 11 CLK- 12 CEC 13 NC 14 SCL 15 SDA 16 DDC/CEC GND 17 +5V POWER 18 HOT PLUG 19 GND1 20 GND2 21 GND3 22 XS601 HDMI_J XS601 HDMI_J 1 2 3 V403 3904 V403 3904 7 5 3 1 8 6 4 2 RA419 10RX4 7 5 3 1 8 6 4 2 RA419 10RX4 R411 1K R411 1K R435 10K R435 10K R482 10K R482 10K 7 5 3 1 8 6 4 2 RA440 33RX4 7 5 3 1 8 6 4 2 RA440 33RX4 C412 NC/47nF C412 NC/47nF R441 75 R441 75 R415 10K R415 10K PDF 文件以 "PDF 制作工厂" 试用版创建 ÿÿÿÿ ÿ � 5 5 4 4 3 3 2 2 1 1 D D C C B B A A HD-L AV1_IN AV1_IN HD1_Pb AL1_IN HD1_Y AR1_IN AV1-Lin AV1-Rin HD1_Pr AV_OUT AV_OUT 5VAMP HD-L HD-R HD1_Pr HD1_Pb HD1_Y 5VAMP HD-R VBUS2 VBUS1 VBUS2 VBUS VBUS1 USB2_D+ USB1_D- AR1_IN AL1_IN AV1_IN USB1#_D- USB1#_D+ USB2#_D- USB2#_D+ VBUS USB1_D+ USB2_D- +5VA +5VA Y+ AV-CVBS0P PB+ PR+ SOY AV2-CVBS1P AV2_AURin2 AV2_AULin2 AV1-Rin AV1-Lin CVBS_OUT USB2_D- USB2_D+ USB1_D- USB1_D+ 签名 批 准 标准化 审 核 拟 制 日期 第 张 共 张 更改单号 数量 标记 阶段标记 签名 批 准 标准化 审 核 拟 制 日期 第 张 共 张 更改单号 数量 标记 阶段标记 签名 批 准 标准化 审 核 拟 制 日期 第 张 共 张 更改单号 数量 标记 阶段标记 AV1 INPUT HDTV&AVIN$USB 04 6 YPbPr&AV2 INPUT 双USB USB1 USB2 + CU04 100uF/16V + CU04 100uF/16V 2 3 4 1 5 XS623 AUDIO_out XS623 AUDIO_out R658 33 R658 33 4 3 2 1 5 6 7 4 3 2 1 XS610 USB V Connector 4 3 2 1 XS610 USB V Connector V605 3904 V605 3904 RU20 5.1R RU20 5.1R RJ27 12K RJ27 12K R627 47K R627 47K 1 2 L619 0R 0805 L619 0R 0805 R650 33 R650 33 C633 0.1uF C633 0.1uF R649 12K R649 12K RU22 5.1R RU22 5.1R 1 2 L618 0R 0805 L618 0R 0805 1 3 2 V604 3906 V604 3906 C618 10uF/10V C618 10uF/10V C646 0.1uF C646 0.1uF R685 3.9K R685 3.9K R652 75 R652 75 RJ09 75 RJ09 75 6 4 1 3 5 2 7 XS611 AV XS611 AV C614 10uF/10V C614 10uF/10V R634 150 R634 150 RJ23 10K RJ23 10K 6 4 1 3 5 2 XS622 ypbpr XS622 ypbpr R664 1.2K R664 1.2K RU21 5.1R RU21 5.1R V612 3904 V612 3904 R637 150 R637 150 RU19 5.1R RU19 5.1R 2 1 XS620 AV out XS620 AV out R638 33K R638 33K RJ24 10K RJ24 10K R651 12K R651 12K 1 2 LU11 PTC LU11 PTC R654 33 R654 33 1 2 R602 10R R602 10R R626 330 R626 330 RJ13 75 RJ13 75 RJ11 75 RJ11 75 1 2 3 5 6 4 N610 NC/IP4223CZ6 N610 NC/IP4223CZ6 R645 10K R645 10K C632 0.1uF C632 0.1uF R669 33 R669 33 R633 75 R633 75 R684 0 R684 0 R663 33 R663 33 R655 33 R655 33 RJ26 12K RJ26 12K 4 3 2 1 5 6 7 4 3 2 1 XS609q USB V Connector 4 3 2 1 XS609q USB V Connector R695 33 R695 33 R647 10K R647 10K PDF 文件以 "PDF 制作工厂" 试用版创建 ÿÿÿÿ ÿ � 5 5 4 4 3 3 2 2 1 1 D D C C B B A A EARPH_L PH-Rout PH-Lout AMP_AUOUTR0 EARPH_R AMP_Lin+ AMP_Rin+ AMP_AUOUTL0 AMP_Rin+ AMP_EN HP_MUTE AMP_Rout+ AMP_Rout- AMP_Lout+ AMP_Lout- AMP_Rout+ AMP_Rin+ AMP_Rout- AMP_Lout+ AMP_EN AMP_Lout- AVDD AMP_Lin+ AVDD AMP_Lin+ MUTE_EN EARPH_L EARPH_R +12.2Vsb OP_VCC1 OP_VCC1 +5VA 2.5VBuf1 +5VA GND2 GND2 GND2 GND2 GND2 12VAMP GND2 GND2 12VAMP GND2 GND2 GND2 GND2 GND2 12VAMP GND2 GND2 GND2 +3.3Vstb 12VAMP PH-Lout PH-Rout AMP_AUOUTR0 2 AMP_AUOUTL0 2 AMP_AUOUTR0 2 AMP_AUOUTL0 2 HP_MUTE MUTE_EN HP_MUTE PH-Lout PH-Rout 签名 批 准 标准化 审 核 拟 制 日期 第 张 共 张 更改单号 数量 标记 阶段标记 签名 批 准 标准化 审 核 拟 制 日期 第 张 共 张 更改单号 数量 标记 阶段标记 签名 批 准 标准化 审 核 拟 制 日期 第 张 共 张 更改单号 数量 标记 阶段标记 PH_Drive H:OFF L:ON 单12V电源用. 8欧 姆 喇 叭 AMP 5 6 C263 470pF C263 470pF C266 22uF/6.3V C266 22uF/6.3V R216 4.7K R216 4.7K C282 10uF/10V C282 10uF/10V CA252 220uF/16V CA252 220uF/16V R258 10K R258 10K 5 4 2 3 6 7 1 XS606 HEADPHONE XS606 HEADPHONE C265 470pF C265 470pF R218 33K R218 33K L204 NC/15uH L204 NC/15uH CA251 220uF/16V CA251 220uF/16V R226 20K R226 20K 1 3 2 V215 3904 V215 3904 CA201 220uF/16V CA201 220uF/16V C260 1uF C260 1uF R222 100K R222 100K C254 4700pF C254 4700pF R264 10K R264 10K R265 10K R265 10K C261 100pF C261 100pF C227 2.2uF C227 2.2uF R209 47K R209 47K R262 47K R262 47K R224 0 R224 0 C241 1uF C241 1uF R235 10K R235 10K R281 33K R281 33K R259q 33K R259q 33K C239 1uF C239 1uF C267 1uF C267 1uF C255 4700pF C255 4700pF R266 10K R266 10K CA253 220uF/16V CA253 220uF/16V C234 0.47uF C234 0.47uF L205 NC/15uH L205 NC/15uH C237 0.47uF C237 0.47uF R283 47K R283 47K C264 1uF C264 1uF R215 1K R215 1K R227 1K R227 1K C268 1uF C268 1uF R263 33K R263 33K 1 2 L208 FB_6000mA L208 FB_6000mA C230 100pF C230 100pF R267 10K R267 10K 1 2 L206 FB_6000mA L206 FB_6000mA C252 0.47uF C252 0.47uF C257 2.2uF C257 2.2uF R228 470 R228 470 1 2 3 4 XS201 D2006-4W XS201 D2006-4W CA250 220uF/16V CA250 220uF/16V 1 2 L207 FB_6000mA L207 FB_6000mA R290 33K R290 33K 3 2 1 8 4 - + N201A TDA1308 - + N201A TDA1308 1 2 L216 FB_600mA L216 FB_600mA C235 100pF C235 100pF C242 1uF C242 1uF C259 4700pF C259 4700pF 1 3 2 V214 3904 V214 3904 C236 100pF C236 100pF C251 0.1uF C251 0.1uF R229 470 R229 470 1 2 L217 FB_600mA L217 FB_600mA C240 1uF C240 1uF C253 0.1uF C253 0.1uF C269 4700pF C269 4700pF 1 2 L209 FB_6000mA L209 FB_6000mA C238 0.47uF C238 0.47uF R221 NC/0R R221 NC/0R 1 2 L201 FB_6000mA L201 FB_6000mA R213 10R R213 10R C262 22uF/6.3V C262 22uF/6.3V R223 NC/0R R223 NC/0R C256 0.1uF C256 0.1uF R280 1K R280 1K SS_SD 3 AVDD 4 VIPL 1 VINL 2 AVSS 8 REXT 7 SD_B 5 FAULT_B 6 VIPR 12 VINR 11 G0 10 G1 9 PVSSR 16 OUTPR 15 BSPR 14 PVDDR 13 OUTNR 17 BSNR 18 BSNL 19 OUTNL 20 PVSSL 21 OUTPL 22 BSPL 23 PVDDL 24 PowerPAD 25 MSH9010 N202 MSH9010 N202 5 6 7 8 4 - + N201B TDA1308 - + N201B TDA1308 R232 10K R232 10K PDF 文件以 "PDF 制作工厂" 试用版创建 ÿÿÿÿ ÿ � 5 5 4 4 3 3 2 2 1 1 D D C C B B A A IF-IN- DNC1P DNC1N IF-IN+ IF-IN- IF-IN+ 3.3V_Tuner 3.3V_Tuner 3.3V_Tuner 3.3V_Tuner 3.3V_Tuner 3.3V_Tuner 3.3V_Tuner 3.3V_Tuner 3.3V_Tuner 3.3V_Tuner 3.3V_Tuner TUNER_SDA TUNER_SCL VIFP VIFM 签名 批 准 标准化 审 核 拟 制 日期 第 张 共 张 更改单号 数量 标记 阶段标记 签名 批 准 标准化 审 核 拟 制 日期 第 张 共 张 更改单号 数量 标记 阶段标记 签名 批 准 标准化 审 核 拟 制 日期 第 张 共 张 更改单号 数量 标记 阶段标记 Tuner 6 6 wire wound 需要75欧阻抗 CS125 30pF CS125 30pF C194 15pF C194 15pF RS101 1M RS101 1M CS102 10nF CS102 10nF CS128 33pF CS128 33pF CS129 30pF CS129 30pF UPCVCC 1 UPCVCC 2 NC1 3 NC2 4 NC3 5 NC4 6 AFC 7 LO1AVCC 8 LO1REG 9 LO1T1 10 LO1T2 11 LO1LPF 12 LO1DVCC 13 GPIO0 14 GPIO1 15 SROOUT 16 SROP 17 SRON 18 VCC 19 SERDATA 20 SERCLK 21 SERADDR 22 SDEXT 23 LO2DVCC 24 VGAVCC 36 VGAOUTP 35 VGAOUTN 34 IFAGC 33 AMPINN 32 AMPINP 31 AMPOUTN 30 AMPOUTP 29 LO2AVCC 28 LO2REG 27 LO2T 26 LO2LPF 25 RFIN 48 GND 47 RFCAP 46 UPCVCC 45 UPCVCC 44 DNCVCC 43 DNC2P 42 DNC2N 41 DNC1N 40 DNC1P 39 VGAINP 38 VGAINN 37 PAD 49 MT2063 N110 MT2063 MT2063 N110 MT2063 CS104 220nF CS104 220nF CS113 20pF CS113 20pF CS116 220nF CS116 220nF CS130 100PF CS130 100PF RS103 1M RS103 1M L119 270nH L119 270nH LS100 12nH LS100 12nH CS101 220nF CS101 220nF CS119 100pF CS119 100pF CS117 NC CS117 NC LS102 220nH LS102 220nH 1 2 Z110 16MHZ Z110 16MHZ CS120 220nF CS120 220nF C124 0.1uF C124 0.1uF CS106 220nF CS106 220nF C125q 0.1uF C125q 0.1uF CS114 1nF CS114 1nF L120 1.2uH L120 1.2uH 5 4 3 2 1 XS100 IEC Female XS100 IEC Female CS109 10nF CS109 10nF CS107 1500pF CS107 1500pF CS121 NC CS121 NC L121 1.2uH L121 1.2uH CS139 30pF CS139 30pF R158 68R R158 68R RS102 2.2K RS102 2.2K CS112 20pF CS112 20pF R159 68R R159 68R CS115 220nF CS115 220nF CS122 10nF CS122 10nF CS126 56pF CS126 56pF RS105 390R RS105 390R CS103 1nF CS103 1nF CS105 10nF CS105 10nF L122 1.2uH L122 1.2uH 3 2 1 ESD1 BAV99_3 ESD1 BAV99_3 RS107 3.3K RS107 3.3K C195 15pF C195 15pF CS138 180pF CS138 180pF CS127 100pF CS127 100pF C121 68pF C121 68pF 3 1 4 2 RA525 4.7KX2 3 1 4 2 RA525 4.7KX2 CS111 10nF CS111 10nF RS106 390R RS106 390R LS101 330nH LS101 330nH PDF 文件以 "PDF 制作工厂" 试用版创建 ÿÿÿÿ ÿ � 5 5 4 4 3 3 2 2 1 1 D D C C B B A A +100V PS_ON +12.2Vsb +12.2Vsb 签名 批 准 标准化 审 核 拟 制 日期 第 张 共 张 更改单号 数量 标记 阶段标记 32寸一体机电源 KONKA 2 1 签名 批 准 标准化 审 核 拟 制 日期 第 张 共 张 更改单号 数量 标记 阶段标记 32寸一体机电源 KONKA 2 1 签名 批 准 标准化 审 核 拟 制 日期 第 张 共 张 更改单号 数量 标记 阶段标记 32寸一体机电源 KONKA 2 1 100V/0.3A 2.5A L N Option 可选 CW973 1uF/0805 CW973 1uF/0805 CW920 22uF/50V CW920 22uF/50V VD904 CHR208 VD904 CHR208 CW923 4.7uF/50V CW923 4.7uF/50V 1 2 4 3 N966 PC817B N966 PC817B RW981 1kΩ/0805 RW981 1kΩ/0805 ! C901 150uF/400V C901 150uF/400V RW953 51k/1206 RW953 51k/1206 RW952 10Ω/1206 RW952 10Ω/1206 1 2 3 VW973 3904 VW973 3904 ! 2 1 RW912 0.33Ω/1W RW912 0.33Ω/1W R962 12k/1206 R962 12k/1206 1 3 2 VW921 4160 VW921 4160 R904 1.5M/1206 R904 1.5M/1206 1 3 2 V966 3904 V966 3904 CW911 472/1kV CW911 472/1kV RW905 0Ω/0805 RW905 0Ω/0805 CW907 470pF/0805 CW907 470pF/0805 VD901 CHR208 VD901 CHR208 RW977 51k/0805 RW977 51k/0805 VDW920 FR104 VDW920 FR104 RW928 100Ω/0805 RW928 100Ω/0805 RW955 51k/1206 RW955 51k/1206 CY905 400Vac-220pF CY905 400Vac-220pF CW967 100nF/0805 CW967 100nF/0805 R906 1.5M/1206 R906 1.5M/1206 R902 1.5M/1206 R902 1.5M/1206 R964 1k0805 R964 1k0805 VDW929 6.2V VDW929 6.2V CW965 470uF/25V CW965 470uF/25V RW917 33k1206 RW917 33k1206 VDW928 6.2V VDW928 6.2V ! C903 472/1kV C903 472/1kV ! RW903 1.5M/0805 RW903 1.5M/0805 RV901 10D561 RV901 10D561 RW961 20Ω/1206 RW961 20Ω/1206 ! RW906 51k/0805 RW906 51k/0805 VDW951 HER3007G VDW951 HER3007G CW966 22uF/50V CW966 22uF/50V VW901 7N60L-B VW901 7N60L-B ! CW952 68u/200V CW952 68u/200V 1 2 XS901 D3913-3A XS901 D3913-3A RW922 N.C. RW922 N.C. R965 N.C. R965 N.C. RW909 510k/0805 RW909 510k/0805 CY906 400Vac-220pF CY906 400Vac-220pF RW916 33k1206 RW916 33k1206 RW972 100k/0805 RW972 100k/0805 VDW921 18V VDW921 18V VDW930 18V VDW930 18V RW982 1k/0805 RW982 1k/0805 ! ! ! CW906 104 CW906 104 R901 1.5M/1206 R901 1.5M/1206 R905 1.5M/1206 R905 1.5M/1206 3 2 1 NW953 TL431/SOT-23 NW953 TL431/SOT-23 C965 104 C965 104 RW914 51Ω/0805 RW914 51Ω/0805 ! RW974 1MΩ/0805(100k/0805) RW974 1MΩ/0805(100k/0805) 1 2 3 VDW914 BAV70 VDW914 BAV70 6 1 2 4 11 9 10 8 3 5 7 12 TW901 PQ3218 TW901 PQ3218 VD903 CHR208 VD903 CHR208 VINS 1 FB 2 CS 3 GND 4 GATE 5 VDD 6 NC 7 HV 8 NW907 FAN6755W NW907 FAN6755W 2 1 LW961 3.3uH LW961 3.3uH ! RW971 20k/0805 RW971 20k/0805 CX902 275Vac224 CX902 275Vac224 VDW911 1N4007 VDW911 1N4007 1 2 F901 250Vac-T4AL F901 250Vac-T4AL CY903 N.C. CY903 N.C. ! VDW989 27V VDW989 27V RW915 10k/0805 RW915 10k/0805 1 2 3 VDW913 BAV70 VDW913 BAV70 ! CW961 2200pF/0805 CW961 2200pF/0805 R961 100k/1206 R961 100k/1206 ! ! RW973 6.8k/0805 RW973 6.8k/0805 R966 1k/0805 R966 1k/0805 1 2 3 VDW922 BAV70 VDW922 BAV70 ! RW970 30k/0805 RW970 30k/0805 CY909 400Vac-2200pF CY909 400Vac-2200pF RW907 56k/1206 RW907 56k/1206 VD902 CHR208 VD902 CHR208 RW911 33k1206 RW911 33k1206 CW963 2200pF/0805 CW963 2200pF/0805 1 2 4 3 NW952 PC817B NW952 PC817B CW916 10nF/0805 CW916 10nF/0805 RW913 4.7Ω/0805 RW913 4.7Ω/0805 ! 1 3 2 VW922 3904 VW922 3904 CW928 330pF/50V CW928 330pF/50V ! 3 1 2 VDW961 MBRB20100CTG VDW961 MBRB20100CTG 4 3 2 1 L903 30mH L903 30mH RW901 1.5M/0805 RW901 1.5M/0805 RW902 1.5M/0805 RW902 1.5M/0805 CW912 100pF/1kV CW912 100pF/1kV 1 2 LW912 L0805 LW912 L0805 RW921 4.7k/0805 RW921 4.7k/0805 CX901 275Vac-224 CX901 275Vac-224 CW962 180uF/16V CW962 180uF/16V RW904 1M/0805 RW904 1M/0805 CW953 472/500V CW953 472/500V ! RW908 56k/1206 RW908 56k/1206 CW951 1000pF/1kV CW951 1000pF/1kV CW978 100nF/0805 CW978 100nF/0805 ! RT901 5R RT901 5R RW954 51k/1206 RW954 51k/1206 R930 10k/0805 R930 10k/0805 RW951 10Ω/1206 RW951 10Ω/1206 RW932 2.7kΩ/0805 RW932 2.7kΩ/0805 ! RW920 2.7Ω/1206 RW920 2.7Ω/1206 RW978 10k/0805 RW978 10k/0805 ! CW979 N.C. CW979 N.C. VD963 B13V VD963 B13V 4 3 2 1 L901 100uH L901 100uH 1 2 LW911 LW911 ! RW975 10k/0805 RW975 10k/0805 CW924 4.7uF/50V CW924 4.7uF/50V 1 2 3 VW971 3904 VW971 3904 2 3 1 NW951 TL431 NW951 TL431 RW927 N.C. RW927 N.C. 1 2 3 VDW923 BAV70 VDW923 BAV70 RW976 2.4k-F/0805 RW976 2.4k-F/0805 ! CY904 N.C. CY904 N.C. ! R903 1.5M/1206 R903 1.5M/1206 CW926 N.C. CW926 N.C. 1 2 3 VD964 BAV70 VD964 BAV70 PDF 文件以 "PDF 制作工厂" 试用版创建 ÿÿÿÿ ÿ � 5 5 4 4 3 3 2 2 1 1 D D C C B B A A ENA PWM +100V FAULT +12.2Vsb 标记数量 签名 更改单号 日期 第 2 张 审核 拟制 32寸一体机背光驱动 标记数量 签名 更改单号 日期 第 2 张 审核 拟制 32寸一体机背光驱动 标记数量 签名 更改单号 日期 第 2 张 审核 拟制 32寸一体机背光驱动 C712 470nF/0805 C712 470nF/0805 C708 1uF/0805 C708 1uF/0805 1 2 3 VD767 BAV70 VD767 BAV70 C709 0.1uF/0805 C709 0.1uF/0805 VD752 SB2200 VD752 SB2200 C753 10u/400V C753 10u/400V C751 100pF/500V C751 100pF/500V R762 10k/0805 R762 10k/0805 R715 4.7Ω/1206 R715 4.7Ω/1206 R752 4.7Ω/0805 R752 4.7Ω/0805 V701 5A400V V701 5A400V R755 150k/0805 R755 150k/0805 V751 1.5A400V V751 1.5A400V R758 2.2Ω/1206 R758 2.2Ω/1206 C724 100pF/0805 C724 100pF/0805 C707 1uF/0805 C707 1uF/0805 R731 10k/0805 R731 10k/0805 R703 10Ω/0805 R703 10Ω/0805 R708 33k/0805 R708 33k/0805 R704 10k/0805 R704 10k/0805 R701 1M/0805 R701 1M/0805 1 2 L751 L751 R751 4.7Ω/0805 R751 4.7Ω/0805 C722 100pF/0805 C722 100pF/0805 R702 120k/0805 R702 120k/0805 1 2 L750 L750 C703 0.1uF/0805 C703 0.1uF/0805 R709 2.2M/0805 R709 2.2M/0805 R761 2.2Ω/1206 R761 2.2Ω/1206 R760 2.2Ω/1206 R760 2.2Ω/1206 R705 10k/0805 R705 10k/0805 R756 3.3k/0805 R756 3.3k/0805 C755 472/1kV C755 472/1kV R763 150k/0805 R763 150k/0805 R721 10Ω/0805 R721 10Ω/0805 1 2 L753 L0805 L753 L0805 C752 100pF/500V C752 100pF/500V 1 2 L752 L0805 L752 L0805 C704 0.1uF/0805 C704 0.1uF/0805 R720 10k/0805 R720 10k/0805 R767 4.7Ω0805 R767 4.7Ω0805 L702 400uH/1.5A L702 400uH/1.5A C723 100pF/0805 C723 100pF/0805 L701 470uH/0.72A L701 470uH/0.72A 1 2 3 VD723 BAV70 VD723 BAV70 R707 10k/0805 R707 10k/0805 C701 100pF/500V C701 100pF/500V R714 1Ω/1206 R714 1Ω/1206 C706 0.1uF/0805 C706 0.1uF/0805 L703 470uH/0.72A L703 470uH/0.72A R757 10Ω0805 R757 10Ω0805 VD751 SB2200 VD751 SB2200 1 2 L704 L0805 L704 L0805 1 2 L754 L0805 L754 L0805 R759 2.2Ω/1206 R759 2.2Ω/1206 C711 1000pF/0805 C711 1000pF/0805 C754 472/1kV C754 472/1kV R722 2k/0805 R722 2k/0805 R723 4.7Ω/0805 R723 4.7Ω/0805 R713 10k/0805 R713 10k/0805 C705 1nF/0805 C705 1nF/0805 UVLS 1 VCC 2 ENA 3 VREF 4 RT 5 PWM 6 ADIM 7 TIMER 8 SSTCMP 9 ISEN 10 PROT 11 ISW 12 OVP 13 GND 14 DRV 15 FAULT 16 N701 OZ9902C N701 OZ9902C 1 LED1- 2 2 3 LED1+ 4 4 5 LED2- 6 6 7 LED2+ XS702 7PIN-2.0mm XS702 7PIN-2.0mm R706 10k/0805 R706 10k/0805 PDF 文件以 "PDF 制作工厂" 试用版创建 ÿÿÿÿ ÿ �

标签:

版权声明

1. 本站所有素材,仅限学习交流,仅展示部分内容,如需查看完整内容,请下载原文件。
2. 会员在本站下载的所有素材,只拥有使用权,著作权归原作者所有。
3. 所有素材,未经合法授权,请勿用于商业用途,会员不得以任何形式发布、传播、复制、转售该素材,否则一律封号处理。
4. 如果素材损害你的权益请联系客服QQ:77594475 处理。