海信RSAG7.820.6006一体板电路原理图

分类:电子电工 日期: 点击:0
海信RSAG7.820.6006一体板电路原理图-0 海信RSAG7.820.6006一体板电路原理图-1 海信RSAG7.820.6006一体板电路原理图-2 海信RSAG7.820.6006一体板电路原理图-3 海信RSAG7.820.6006一体板电路原理图-4 海信RSAG7.820.6006一体板电路原理图-5 海信RSAG7.820.6006一体板电路原理图-6

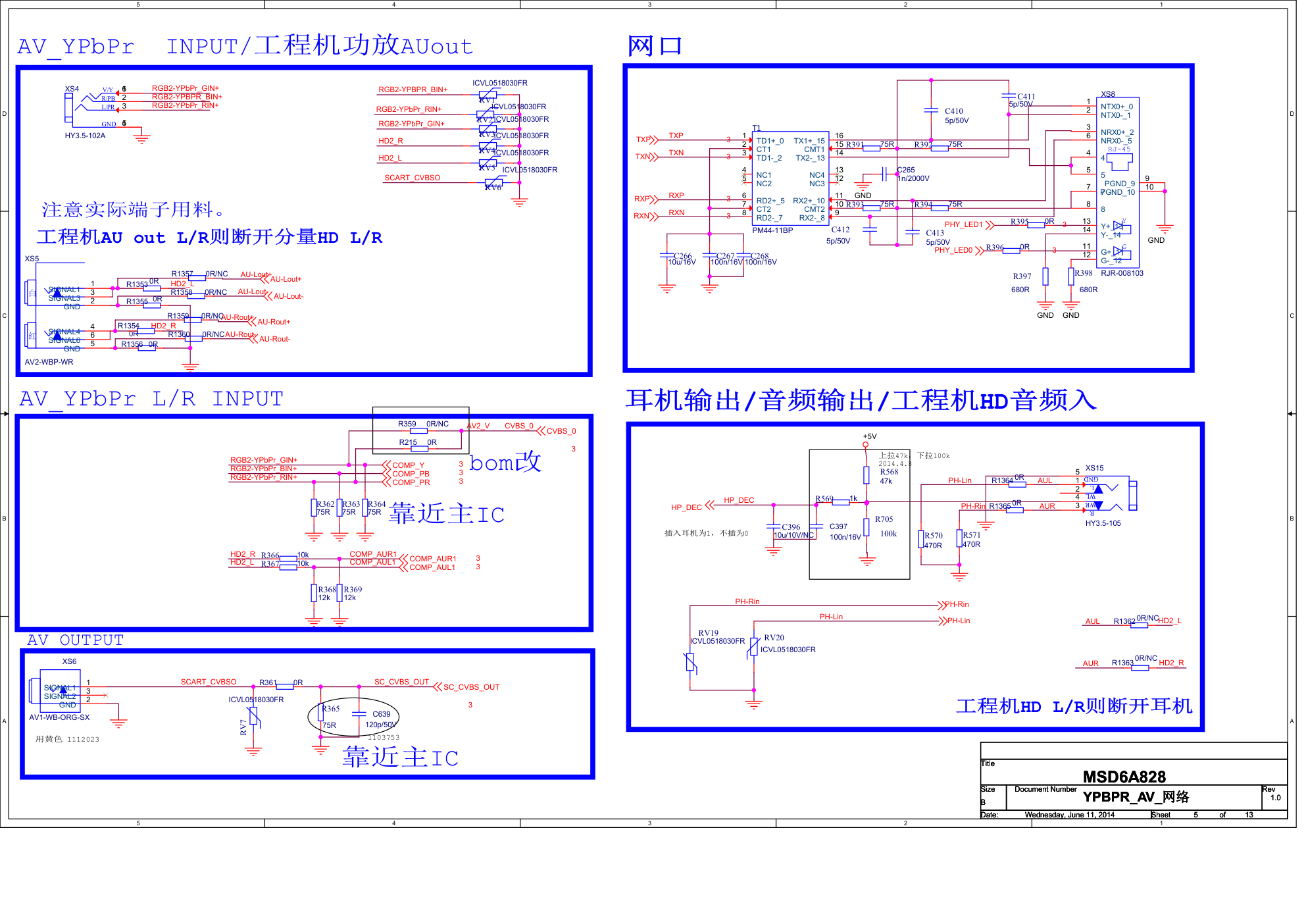
5 5 4 4 3 3 2 2 1 1 D D C C B B A A date change list 4.21标注NC N32,L9 TCON 电路检查 IR wifi 插座改分开 4.24 新APN1.2修改DCDC 4.28分量1分3端子,耳机细端子,预留uart耳机 IR,key,wifi合一插座。加工程机预留。 5.9 发板A 5.13 1. 删除 ,BT预留 2. tuner改VIF: R453,R456改L139,,L140,加C312,C313 3. L39,L59改 Title Size Document Number Rev Date: Sheet of Revision History 1.0 MSxxx A 1 13 Wednesday, June 11, 2014 Title Size Document Number Rev Date: Sheet of Revision History 1.0 MSxxx A 1 13 Wednesday, June 11, 2014 Title Size Document Number Rev Date: Sheet of Revision History 1.0 MSxxx A 1 13 Wednesday, June 11, 2014 5 5 4 4 3 3 2 2 1 1 D D C C B B A A L814正常为跨接线,辐射不合格时候为磁珠! PCB空间有限可以去掉L814、C953、R911、R912、R913 PCB上变压器丝印只留T801 BL-ON/OFF 12VS BL-ADJUST BL-ADJUST VDD GND_POWER BL-ADJUST 12VCC VDD BL-ON/OFF GND_SIGNAL VCC 300V GND_EARTH 90V 12VS VCC VCC1 MOS-D REF 12VS 90V REF REF MOS-D 12VCC VCC1 DIMMING BL_EN GND DIMMING BL-ON/OFF 1 BL-ADJUST 1 12VS 1 Title Size Document Number Rev Date: Sheet of A3 1 1 Thursday, June 12, 2014 Title Size Document Number Rev Date: Sheet of <Doc> <RevCode> <Title> A3 1 1 Thursday, June 12, 2014 Title Size Document Number Rev Date: Sheet of <Doc> <RevCode> <Title> A3 1 1 Thursday, June 12, 2014 R935 1R/2W L702 SPC-EE16-121 R835 100k/2W R817 10R VZ803 BZT52C22 1 2 L906 NC/LGB-G1007-241L R922 0.82R R831 330R R804 1M C953 220p/1KV V801 STK0765BF\V8 2 1 3 R923 0.82R ! R942 0.82R C926 1n/50V R970 68k VD835 1N4148W 1 2 VD804 RM11C 1 2 R936 47R R856 3.9k VD906 MBR20100CS2TR-E1 3 1 2 T801 TRANSFORMER-10-HX 1 10 2 3 9 8 7 6 4 5 L807 LCL-3505AH 3 4 2 1 R847 0.22R/2W VD813 FR107 1 2 RV801 TVR10621KJ203V R969 1k C937 1u/50V C929 1n/50V R967 120k ! SCK10054LGY505 RT801 R870 0R VD925 MUR460G 1 2 R955 5.1k C936 1n/50V R911 330R R962 10k ! R860 15k R851 1k R832 330R VD817 MBR1020 3 1 2 XP801 1 2 ! T802 TRANSFORMER-12-HX R963 68k C856 47u/50V V932 MMBT2907ALT1 1 2 3 V902 MDD7N25 3 1 2 R808 27R C802 470p/1000VV R993 5.1k ! C976 100p/1KV C944 33u/200V MAP3201 N901 OVP 12 ISET 2 PWMO 11 GATE 3 GND 4 AUTO 6 VCC 1 CS 5 FBN 16 COMP 14 PWMI 13 SYNC 8 RT 7 10 REF CLIM 9 FBP 15 C942 10n/50V VD816 HER307 1 2 BL-ON/OFF VD822 FR107 1 2 C863 10u/25V R972 5.1k VD924 HER307 1 2 VD831 1N4148W 1 2 R822 270k R912 330R VZ801 MSZ16T1G 1 2 C925 100n/50V V905 AOD3N50 3 1 2 ! ! ! R816 270k ! VD923 1N4148W 1 2 L807A LCL-3505FB 4 3 2 1 C915 1n/50V R995 47R V947 NC/MMBT2222A 3 1 2 C909 33u/200V C803 470n/275V Q804 1 2 3 4 R844 3.9k F801 TR53821400 1 2 R819 10R V813 2222A 3 1 2 R857 10k/NC C820 100n/50V N808 PC817BHS817BH11A817B 1 2 3 4 C957 1n/1KV C841 10n/AC275V C810 100u/450V R913330R R806 270k L806A LCL-3505AH 3 4 2 1 R940 120k C851 470u/25VV R973 200k R852 1.8k V814 2907 3 1 2 R943 10k ! R818 270k R933 10k C840 1n/1000V R809 68R C908 10u/25V NC/W802 C842 100p/50V VD807 RM11C 1 2 R965 10k R853 820k V946 MMBT2222A 3 1 2 R829 1k C854 470u/25VV L814 TEM2011 R920 1k C935 100n/50V C954 2.2n/1000V XP901 XP-02-HX 1 2 R830 330R C848 NC/470p/1000VV R801 1M VD805 RM11C 1 2 R938 120k R968 470k R815 100R R926 120k R990 2.7k C943 1n/50V Q803 1 2 3 4 VD812 1N4148W 1 2 V931 MMBT2222A 3 1 2 R992 NC/5.1k R937 5.1k C844 22p/50V R803 1M VD808 RM11C 1 2 BL_ADJ ! VD821 BAV99LT1 1 3 2 C806 100p/1KV R994 47R N801 NCP1251 OPP 3 FB 2 VCC 5 GND 1 DRI 6 CS 4 R807 270k C859 33u/200V R821 270k R802 1M C955 470p/1KV R858 1k R849 10k VD806 RM11C 1 2 C956 100n/16V L806 LCL-3505FB 4 3 2 1 ! R971 20k XP902 NC/PY-7AW-4 1 2 3 4 C861 10u/25V R861 1k R978 27R C804 220n/275V C924 1n/50V ! C843 1n/50V C865 470n/50V C845 100n/50V R820 2.7k C822 100n/50V R996 20k R941 0.82R C801 Y1 470p/1000VV C932 100p/50V N807 TL431BCDBZR 3 1 2 R979 220R R966 0R ! C930 1n/50V R991 10k 5 5 4 4 3 3 2 2 1 1 D D C C B B A A HDMI TUNER I2C Closed to MSTIC HDMI Interface GPIO Pull Up/Down 3D Sync Modulation 3D Sync Modulation OUT 3D Sync Modulation SYSTEM I2C for TCON /MUST pull high to 5VSTB TF-CARD/NC 03.21 PCMCIA & TS Close to MTS IC 一定要放Test pin! FOR NAND SUPPLY: EMMC:3.3V NAND:1.8V 此Bead 一定要靠近DC-DC输出端!电容靠近IC端! 放到IC背部,预留。 放到IC背部,预留。 DDR3 POWER Close to MTS IC 放到IC背部,预留 Power interface Standby Power 3.3V Close to MTS IC SOURCE INPUT Audio Line Out/NC Close to MSTAR IC with width trace Close to IC with width trace Close to MST IC with wide trace All I2S trace need to shield GND SPDIF_IN固定做3D_LR_Flag输出给6M30 Audio Line Out STR MIU INTERFACE 根据实际电源 上电时序调整 E-JTAG/NC PM_UART Mode Selection CHIP_CONFIG[2:0] {PAD_PM_SPI_DI, PAD_PM_LED, PAD_PWM_PM} Value Mode Description 3'b000 SB51_ExtSPI 51 boot from SPI 3'b001 HEMCU_ExtSPI ARM boot from SPI 3'b010 HEMCU_ROM_EMMC ARM boot from ROM; outer storage is eMMC 3'b011 HEMCU_ROM_NAND ARM boot from ROM; outer storage is NAND 3'b100 DBUS for test only RESET&Crystal RESET t<10mS C165=2.2u 10mS<t<50mS C165=10u t>50mS C165=100u NOTE:晶体频偏需要小于30PPM。 1M可NC System XTAL DEBUG_UART reserve for the fourth HW strapping pin EEPROM I2C address at A0. when detect source is from 5V, R235 = 200K, R236 = 51K, R233 = NC detect EMMC/NAND Flash Power EMMC-ss 写程序 1124016改1131320, 4.26又改回1124016东芝 eMMC 放到IC背部,预留。 PCB 封装上注意尽量不能有NC PIN。走线可参eMMC 的无用PIN。具体可以参考公板走法。 918板0R 测试点近主芯片 改到此GPIO。SPI保留。--2014.4.3 改到此GPIO--2014.4.3 AD21做USB3_EN BBY物料改 2014.4.8 BBY物料改 2014.4.8 靠近主IC 靠近主IC 靠近主IC 靠近主IC 靠近主IC 电容近主IC LED/KEY C171 改2.2uf 1111135-----4.23 加电容--4.23 一定最靠近IC --4.23 DMPLL供电,请用Bead FB (1000 0hm/200mA) 规格和 电源隔离! 改善ATV水波纹干扰! BLM15AG601SN1 600ohm200mA BLM15AG102SN1 1113890 --4.23 --4.23 4个10uf改0603 1112481--4.29 加电容--4.23 一定最靠近IC 加电容--4.23 一定最靠近IC 4.29 工程机输出 WIFI板+5V,射频板+5Vstb KEY & IR & RF_IR H:红灯 L:蓝灯 5.9---加预留LED双色控 IF_AGC HDMI-ARC HDMI-A_ARC HDMI3-SDA TXP TXN RXP RXN USB3_DP USB3_DM USB1_DP USB0_DP USB1_DM USB0_DM T_SCL T_SDA IF_AGC I2C-SDA-TUNER T_SCL T_SDA AVDD5V_MHL I2C-SCL-TUNER HDMI-CEC HDMI3-HPDIN HDMI3-RX1P HDMI1-CLKP HDMI3-RX2N HDMI1-RX1P HDMI1-CLKN HDMI1-RX0P HDMI3-CLKP HDMI1-RX1N HDMI3-SCL HDMI3-CLKN HDMI1-SCL HDMI3-RX0P HDMI1-RX2P HDMI3-RX1N HDMI3-RX0N HDMI1-RX2N HDMI3-RX2P HDMI1-HPDIN HDMI1-RX0N HDMI1-SDA HDMI1-SDA HDMI1-SCL HDMI1-HPDIN HDMI3-CLKN HDMI1-CLKN HDMI1-RX1P HDMI1-RX2N HDMI1-RX1N HDMI1-RX2P HDMI3-RX0P HDMI1-RX0N HDMI1-RX0P HDMI1-CLKP HDMI3-HPDIN HDMI3-RX1P HDMI3-RX2N HDMI3-RX1N HDMI3-RX2P HDMI3-RX0N HDMI3-CLKP HDMI3-SCL HDMI3-SDA HDMI-ARC GPIO_PM0 MHL_VBUS_EN EEPROM-WP MHL_CABLE_DET MUTE_S PM_RX Power_Detect XTALO XTALI SAR0 LED A4P A4M A0M A0P A1M A1P A2M A2P SPI_SDI A3P ACKP ACKM A3M B0P B0M B1P B1M B2M B2P BCKP BCKM B3P B3M B4M B4P SYSTEM-RST IRIN PWM_PM UART-RX UART-TX RST_AMP PM_TX SAR1 PANEL_ON/OFF SAR2 I2C-SCL I2C-SDA VBL_CTRL BRI_ADJ EMMC_D0 EMMC_CLK EMMC_D3 EMMC_D2 EMMC_D4 EMMC_D7 EMMC_D5 EMMC_D1 EMMC_D6 EMMC_RSTZ EMMC_CMD DVDD_NODIE COMP_AUL1 LINE_IN_0R LINE_IN_0L COMP_AUR1 AUVAG AUVRM I2S-OUT-SD I2S-OUT_BCKO I2S-OUT_MCKO I2S-OUT_SDO I2S-OUT_WSO I2S-OUT-WS I2S-OUT-MCK I2S-OUT-BCK SPDIF_OUT CVBS_OUT CVBS_OUT SC_CVBS_OUT RIN1 GIN1 BIN1 VCOM0 AUVAG I2S-OUT-MCK CVBS0 AUVRM GIN1N I2S-OUT-BCK I2S-OUT-WS I2S-OUT-SD SPDIF_IN CVBS_0 RIN1 GIN1 BIN1 GIN1N PH-Lin EARPHONE_OUTL EARPHONE_OUTR PH-Rin VCOM0 CVBS0 RESET0 CKE0 Vref0 AVDD_DDR_0 Vref0 RESET0 Vref1 AVDD_DDR_1 CKE0 Vref1 AVDD_DDR_1 RESET1 CKE1 RESET1 CKE1 AVDD_DDR_0 PM_LED LED PWM_PM PM_SPI_DI SPI_SDI PM_RX GPIO_PM0 System-RST SYS_RST XTALI XTALO PM_TX UART-RX UART-TX EEP_Vcc EEP_Vcc I2C-SCL I2C-SDA EEPROM-WP Power_Detect NF_CMD NF_RSTZ C190_NET NF_D2 NF_D1 NF_D0 NF_D5 NF_D7 NF_D6 NF_D4 NF_CLK NF_CLK NF_D7 NF_D4 NF_D1 NF_RSTZ NF_CMD EMMC_CLK EMMC_RSTZ EMMC_CMD NF_CLK NF_D5 NF_D2 EMMC_D7 EMMC_D1 EMMC_D6 EMMC_D2 EMMC_D3 EMMC_D4 EMMC_D5 NF_D6 EMMC_D0 NF_D3 NF_D0 NF_D4 NF_D4 NF_D6 NF_D7 NF_D5 NF_D6 NF_D5 NF_D5 C190_NET NF_D4 NF_D6 NF_D3 NF_D7 NF_D5 NF_D3 EMMC_D7 EMMC_CMD EMMC_D1 EMMC_D4 EMMC_D6 EMMC_D2 EMMC_D5 EMMC_D0 EMMC_D3 EARPHONE_OUTR EARPHONE_OUTL UART-RX1 SPDIF_OUT SPDIF_IN HP_DEC MHL_Fault TCON_7 TCON_6 TCON_0 TCON_1 TCON_5 TCON_4 TCON_3 TCON_2 TCON_7 TCON_0 TCON_2 TCON_3 TCON_4 TCON_5 TCON_1 TCON_6 LHSYNC LVSYNC LDE LCK LDE LCK LVSYNC LHSYNC 12VS +12V_IN IR_IN LED_CTL_IR1 SAR2 KEYPAD-KEY1 IR_IN IRIN KEYPAD-KEY0 KEYPAD-KEY1 KEYPAD-KEY0 SAR1 SAR0 UART-RX UART-TX AV-AUOUTR0 AV-AUOUTL0 AV-AUOUTR0 AV-AUOUTL0 MUTE_3110 USB1_DP USB1_DM LED LED_CTL_IR1 MUTE_S MUTE_3110 V_TUNER V_TUNER AVDD5V_MHL +3.3V VDDC1.15V AVDDL_MOD AVDD_DDR AVDDL_MOD VDDC_CPU1.15V AVDDL_MOD DVDD_DDR VDDC1.15V DVDD_DDR AVDDL_MOD VDDC1.15V VDDC_CPU1.15V AVDD_AU33 AVDD3P3_DMPLL VDDC1.15V AVDD3P3_MPLL 3.3Vstb 3.3Vstb AVDD3P3_DMPLL AVDD3.3V AVDD_DDR VDDP_3318 AVDDL_MOD 3.3Vstb VDDC_CPU1.15V +1.5V_DDR3 AVDD_DDR AVDD3P3_MPLL 3.3Vstb +3.3V AVDD3.3V VDDP_3318 AVDD_AU33 3.3Vstb AVDD_DDR AVDD_DDR AVDD_DDR AVDD_DDR 3.3Vstb 3.3Vstb 3.3Vstb +3.3V 5Vstb +12V_IN FLH_3.3V +3.3V FLH_3.3V FLH_3.3V FLH_3.3V 5Vstb 3.3Vstb 5Vstb +12V_IN 12VS 5Vstb 3.3Vstb 5Vstb 3.3Vstb +5V +5V 5Vstb 3.3Vstb 5Vstb 3Vstb VDDC1.15V VDDC_CPU1.15V AVDD_DDR HDMI-A_ARC 8 MHL_Fault 8 RXP 7 RXN 7 TXN 7 TXP 7 USB3_DP 6 USB3_DM 6 VIFM 9 VIFP 9 USB0_DP 6 USB0_DM 6 IF_AGC_T 9 I2C-SDA-TUNER 9 I2C-SCL-TUNER 9 HDMI-CEC 4,8 HDMI1-RX0P 8 HDMI1-RX1N 8 HDMI1-CLKP 8 HDMI1-RX0N 8 HDMI1-SCL 8 HDMI1-RX2P 8 HDMI1-CLKN 8 HDMI3-RX2N 8 HDMI1-SDA 8 HDMI1-RX2N 8 HDMI3-CLKP 8 HDMI3-SCL 8 HDMI3-RX1P 8 HDMI3-RX0P 8 HDMI3-SDA 8 HDMI3-RX1N 8 HDMI3-RX0N 8 HDMI3-RX2P 8 HDMI3-CLKN 8 HDMI3-HPDIN 8 HDMI1-HPDIN 8 HDMI1-RX1P 8 MHL_VBUS_EN 8 PWR-ON/OFF 2 MHL_CABLE_DET 8 PHY_LED0 7 B0M B0P B1M B1P B2M B2P BCKM BCKP B3M B3P B4M B4P A0M A0P A1M A1P A2M A2P ACKM ACKP A3M A3P A4M A4P PHY_LED1 7 I2C-SCL 4,10 RST_AMP 10 BRI_ADJ PANEL_ON/OFF MUTE_S 10 LD_EN# 4 I2C-SCL I2C-SDA VBL_CTRL I2C-SDA 4,10 COMP_AUR1 5 COMP_AUL1 5 I2S-OUT_WSO 10 I2S-OUT_MCKO 10 I2S-OUT_BCKO 10 I2S-OUT_SDO 10 CVBS_0 5 COMP_PR 5 COMP_Y 5 COMP_PB 5 SC_CVBS_OUT 5 PH-Rin PH-Lin POWER_DDR 2 HP_DEC 10 TCON7 TCON1 TCON2 TCON3 TCON4 TCON5 TCON0 TCON6 LVSYNC LHSYNC LDE LCK LVSYNC LHSYNC LDE LCK 12VS +12V_IN UART-RX UART-TX PM_RX PM_TX AU_LOUT AU_ROUT MUTE_3110 10 Title Size Document Number Rev Date: Sheet of <Doc> <RevCode> <Title> Custom 13 Thursday, June 12, 2014 Title Size Document Number Rev Date: Sheet of <Doc> <RevCode> <Title> Custom 13 Thursday, June 12, 2014 Title Size Document Number Rev Date: Sheet of <Doc> <RevCode> <Title> Custom 13 Thursday, June 12, 2014 Title Size Document Number Rev Date: Sheet of MSD6A628 1.0 MSD6A628 Custom 3 13 Thursday, June 12, 2014 Title Size Document Number Rev Date: Sheet of MSD6A628 1.0 MSD6A628 Custom 3 13 Thursday, June 12, 2014 Title Size Document Number Rev Date: Sheet of MSD6A628 1.0 MSD6A628 Custom 3 13 Thursday, June 12, 2014 V28 2SCR523EB /NC 1 2 3 R166 4.7k C350 NC/10u/10V C172 100n/16V C107 2.2u/6.3V R91 240R/1% C977 100n/16V TP10 TP10 1 TP4 TP4 1 C355 NC/100n/16V C169 4.7u/10V R145 10k L136 LQM21FN100M70 R214 0R/NC R92 68R Z1 HC-49SM24MHZ 1 2 N56 N56B THGBM5G5A1JBAIR NC1 A4 NC2 A6 NC3 A9 NC4 A11 NC5 B2 NC6 B13 NC7 D1 NC8 D14 NC9 H1 NC10 H2 NC11 H8 NC12 H9 NC13 H10 NC14 H11 NC15 H12 NC16 H13 NC17 H14 NC18 J1 NC19 J7 NC20 J8 NC21 J9 NC22 J10 NC23 J11 NC24 J12 NC25 J13 NC26 J14 NC27 K1 NC28 K3 NC29 K7 NC30 K8 NC31 K9 NC32 K10 NC33 K11 NC34 K12 NC35 K13 NC36 K14 NC37 L1 NC38 L2 NC39 L3 NC40 L4 NC41 L12 NC42 L13 NC43 L14 NC44 M1 NC45 M2 NC46 M3 NC47 M12 NC48 M13 NC49 M14 NC50 N1 NC51 N2 NC52 N3 NC53 N12 NC54 N13 NC55 N14 NC56 P1 NC57 P2 NC58 P12 NC59 P13 NC60 P14 NC61 R1 NC62 R2 NC63 R3 NC64 R12 NC65 R13 NC66 R14 NC67 T1 NC68 T2 NC69 T3 NC70 T12 NC71 T13 NC72 T14 NC73 U1 NC74 U2 NC75 U3 NC76 U12 NC77 U13 NC78 U14 NC79 V1 NC80 V2 NC81 V3 NC82 V12 NC83 V13 NC84 V14 NC85 W1 NC86 W2 NC87 W3 NC88 W7 NC89 W8 NC90 W9 NC91 W10 NC92 W11 NC93 W12 NC94 W13 NC95 W14 NC96 Y1 NC97 Y3 NC98 Y6 NC99 Y7 NC100 Y8 NC101 Y9 NC102 Y10 NC103 Y11 NC104 Y12 NC105 Y13 NC106 Y14 NC107 AA1 NC108 AA2 NC109 AA8 NC110 AA9 NC111 AA11 NC112 AA12 NC113 AA13 NC114 AA14 NC115 AE1 NC116 AE14 NC117 AG2 NC118 AG13 NC119 AH4 NC120 AH6 NC121 AH9 NC122 AH11 C114 100n/16V TP7 TP7 1 R74 4.7k C168 2.2u/10V/NC C147 10p/50V/NC R146 10k C981 100n/16V C139 100n/16V C141 100n/16V R176 4.7k/NC TP3 TP3 1 R339 200R R501 200k/NC C155 100n/16V TP9 TP9 1 C103 100n/16V C978 100n/16V R71 100R R107 100R R83 10k TP11 TP11 1 C140 10u/6.3VV C182 1n/50V C142 100n/16V R137 10k R81 33R V29 2SAR523EB/NC 1 2 3 C115 100n/16V L51 BLM18PG121SN1 C89 100n/16V V12 2SAR523EB 3 1 2 C982 100n/16V R502 200k/NC R159 10R C351 NC/100n/16V C98 100n/16V R96 33R R103 0R R95 1k/1% R90 240R/1% C167 10p/50V/NC R156 2.2k C100 100n/16V N56A THGBM5G5A1JBAIR VCCQ_K6 K6 VCCQ_W4 W4 VCCQ_Y4 Y4 VCCQ_AA3 AA3 VCCQ_AA5 AA5 VSS_M7 M7 VSS_P5 P5 VSS_R10 R10 VSS_U8 U8 VSSQ_K4 K4 VSSQ_Y2 Y2 VSSQ_AA4 AA4 VSSQ_AA6 AA6 VSSQ_Y5 Y5 RFU_H6 H6 RFU_H7 H7 RFU_K5 K5 RFU_M5 M5 RFU_M8 M8 RFU_M9 M9 RFU_M10 M10 RFU_N10 N10 RFU_P3 P3 RFU_P10 P10 VCC_U9 U9 VCC_T10 T10 VCC_N5 N5 VCC_M6 M6 VDDI K2 RST_n U5 CLK W6 CMD W5 DAT7 J6 DAT6 J5 DAT5 J4 DAT4 J3 DAT3 J2 DAT2 H5 DAT1 H4 DAT0 H3 RFU_R5 R5 RFU_T5 T5 RFU_U6 U6 RFU_U7 U7 RFU_U10 U10 RFU_AA7 AA7 RFU_AA10 AA10 R147 22R C184 100n/16V C964 10u/6.3VV R185 4.7k/NC C983 100n/16V C354 NC/10u/10V R75 4.7k C575 22u/6.3V R127 10k C979 100n/16V C974 1n/50V R100 33R C163 100n/16V MSD6A628 N1C TS0_D[0] Y12 TS0_D[1] Y11 TS0_D[2] AB12 TS0_D[3] AA12 TS0_D[4] AB13 TS0_D[5] Y13 TS0_D[6] Y14 TS0_D[7] AA13 TS0_CLK AA11 TS0_SYNC AE11 TS0_VLD AC11 TS1_D[0] AD11 TS1_D[1] AD12 TS1_D[2] AC12 TS1_D[3] AE13 TS1_D[4] AC13 TS1_D[5] AD13 TS1_D[6] AE14 TS1_D[7] AC14 TS1_CLK AD14 TS1_SYNC AC15 TS1_VLD AD15 EMMC_CLK / (NAND_DQS) AC20 EMMC_CMD AE19 EMMC_RSTN AD19 NAND_ALE/SPI_CK-NONPM AD17 NAND_CEZ AD18 NAND_CEZ1 AC18 NAND_CLE AD16 NAND_RBZ/SPI_DO-NONPM AC17 NAND_REZ/SPI_DI-NONPM AE16 NAND_WEZ AC16 NAND_WPZ AC19 PCM_A[0] Y17 PCM_A[1] Y15 PCM_A[2] AB16 PCM_A[3] Y16 PCM_A[4] AB15 PCM_A[5] AA15 PCM_A[6] AA16 PCM_A[7] AA14 PCM_A[8] Y9 PCM_A[9] Y4 PCM_A[10] W5 PCM_A[11] W6 PCM_A[12] AD10 PCM_A[13] AB9 PCM_A[14] AA9 PCM_D[0] W7 PCM_D[1] AB4 PCM_D[2] T5 PCM_D[3] T6 PCM_D[4] U6 PCM_D[5] V5 PCM_D[6] V6 PCM_D[7] U5 PCM_CD_N AA5 PCM_CE_N Y7 PCM_IORD_N Y6 PCM_IOWR_N AA8 PCM_IRQA_N AE10 PCM_OE_N Y5 PCM_REG_N Y8 PCM_RESET AA7 PCM_WAIT_N AB7 PCM_WE_N AB8 PCM2_RESET/SD_CLK AA18 PCM2_WAIT_N/SD_CMD Y18 C164 100n/16V R124 0R C92 2.2u/6.3V C152 100n/16V C162 4.7u/10V R64 4.7k R139 10k R165 1k MSD6A628 N1D RX0N G2 RX0P H3 RX1N H2 RX1P J3 RX2N J2 RX2P J1 RXCN G3 RXCP G1 DDCDA_CK K5 DDCDA_DA K4 HOTPLUGA K6 ARC0 C1 D_RX0N D2 D_RX0P E3 D_RX1N E2 D_RX1P F3 D_RX2N F2 D_RX2P F1 D_RXCN D3 D_RXCP D1 DDCDD_CK D6 DDCDD_DA D5 HOTPLUGD D4 C_RX0N AD7 C_RX0P AC8 C_RX1N AD8 C_RX1P AC9 C_RX2N AD9 C_RX2P AE9 C_RXCN AC7 C_RXCP AE7 DDCDC_CK AA6 DDCDC_DA AB6 HOTPLUGC AE6 AVDD5V_HDMI_C AB5 CEC L5 DM_P0 B9 DP_P0 A8 DM_P1 C9 DP_P1 A9 DM_P2 B10 DP_P2 A10 SSRXN AC5 SSRXP AD5 DM AE4 DP AD4 SSTXN AE3 SSTXP AD3 RN B7 RP C7 TN B6 TP A6 VIFM AA2 VIFP AA3 IFAGC AB2 TGPIO0 Y1 TGPIO1 Y2 TGPIO2 / (SCKM1) AB3 TGPIO3 / (SDAM1) AD2 R77 22R C984 100n/16V R696 100R R73 0R R173 4.7k R186 10k/NC R76 22R C157 100n/16V R333 10k/NC C79 100n/16V TP1 TP1 1 L50 BLM18PG121SN1 R78 10k C90 100n/16V C149 10p/50V/NC C158 100n/16V C110 100n/16V R153 10R TP13 TP13 1 R171 1k C78 100n/16V R151 10R R118 1k C170 10p/50V R99 33R C980 100n/16V TP2 TP2 1 R697 100R R210 100R C108 100n/16V C84 100n/16V L16 BLM15AG601SN1 C176 33p/50V/NC C138 2.2u/6.3V TP16 TP16 1 C175 2.2u/6.3V C126 47n/16V R104 100k R154 10R N50 AT24C32N-10SI-2.7 A0 1 GND 4 A2 3 SCL 6 VCC 8 A1 2 WP 7 SDA 5 R1233 4.7k/NC C86 100n/16V C125 100n/16V R130 1k R158 10R C87 10u/6.3VV R157 2.2k V19 2SCR523EB 3 1 2 R113 1M XP3 TJC10-4A 1 2 3 4 R161 4.7k C94 1u/16V R89 33R R128 5.1R C173 100n/16V C985 100n/16V C137 100n/16V R315 1k/NC R101 1k/1% R94 1k/1% R1234 4.7k/NC R150 10R C96 10u/6.3VV C179 20p/50V C113 2.2u/6.3V R119 100k TP14 TP14 1 R72 100R R136 100R C104 100n/16V C109 100n/16V C117 2.2u/10V C106 100n/16V C135 1n/50V C986 100n/16V R182 4.7k R87 10k C975 1n/50V C183 1n/50V C150 100n/16V C181 4.7u/10V R1236 4.7k/NC C121 100n/16V R97 33R R66 100R R79 0R R123 100k C82 NC/100n/16V R155 10R C967 100n/16V R138 100R C119 47n/16V R68 0R R187 0R R80 10k R152 10R C97 100n/16V C987 100n/16V C144 100n/16V C128 47n/16V R114 0R C99 100n/16V L18 BLM15AG601SN1 R106 1M R135 10k C102 22n/25V R169 4.7k/NC C154 33p/50V R148 10R C105 100n/16V C156 33p/50V C132 100n/16V C352 NC/10u/10V C178 100n/16V C966 100n/16V R191 4.7k R149 10R R184 10k R110 0R/NC R69 10k C568 10u/10V TP8 1 XP1 HX1.25-15P-W-K 1 2 3 4 5 6 7 8 9 10 11 12 13 14 15 16 17 C988 100n/16V C200 100n/16V R82 33R C190 4.7u/10V C91 100n/16V R340 200R C180 100n/16V C101 100n/16V C111 100n/16V MSD6A628 N1F AVDDL_MOD P19 AVDDL_PREDRV R18 AVDDL_RX_USB3 P20 AVDDL_TX_USB3 P21 DVDD_DDR N18 DVDD_RX_1 N19 DVDD_RX_2 N17 VDDC L17 VDDC L18 VDDC L19 VDDC J17 VDDC M17 VDDC M18 VDDC M19 VDDC K17 VDDC_CPU W16 VDDC_CPU W17 VDDC_CPU U15 VDDC_CPU U16 VDDC_CPU U17 VDDC_CPU V15 VDDC_CPU V16 VDDC_CPU V17 VDDC_CPU W15 VDDC_CPU/DECAP N25 VSENSE_MIPS U12 VSENSE_VSS / (TEST POINT) V12 DVDD_NODIE J24 TESTPIN / (TEST POINT) H11 GND_EFUSE L6 AVDD_DDR0_C M13 AVDD_DDR0_D N13 AVDD_DDR0_D M14 AVDD_DDR0_D N14 AVDD_DDR1_C M15 AVDD_DDR1_D R14 AVDD_DDR1_D N15 AVDD_DDR1_D P14 AVDD_MOD (3.3V) A16 VDDP_3318 (3.3V/1.8V) A17 AVDD_PLL B17 AVDD_MOD (3.3V) B16 VDDP C16 AVDD_AU33 E12 AVDD_EAR33 B12 AVDD_NODIE B13 AVDD3P3_DMPLL D12 AVDD3P3_DVI F16 AVDD3P3_MPLL D13 AVDD3P3_USB F17 AVDD_PLL E17 VDDP E16 AVDD_PLL D17 AVDD_PLL C17 VDDP D16 AVDDL_DVI_PC R19 AVDD3P3_DADC A13 DVDD_DDR_DECAP H24 VDDC/DECAP P1 VDDC K18 VDDC_CPU/DECAP P25 VDDC K19 DVDD_RX2_DECAP H25 AVDD33_LAN A12 AVDD_DDR0_D/DECAP A21 AVDD_DDR1_D/DECAP D25 AVDDL_DVI_PC1 R20 AVDDL_MOD1 P18 AVDDL_MOD/DECAP K25 AVDDL_PREDRV1 R17 AVDDL_PREDRV/DECAP K24 VDDC_CPU U13 VDDC_CPU U14 VDDC_CPU V13 VDDC_CPU V14 VDDC_CPU W13 VDDC_CPU W14 VD2 BAV99LT1 1 2 3 R162 4.7k C151 1n/50V R131 4.7k R105 0R/NC C965 10u/6.3VV C81 2.2u/6.3V C122 47n/16V R129 10k TP12 TP121 C146 10p/50V/NC MSD6A628 N1A GPIO_PM[0] / (TCON[8]) H6 GPIO_PM[1] / (PM_UART_TX) B4 GPIO_PM[10] / (TCON[9]) J6 GPIO_PM[2] / (MHL_CDS) J4 GPIO_PM[3] / (MHL_VBUS_EN) M6 GPIO_PM[4] / (POWER_CTRL) F6 GPIO_PM[5] / (PM_UART_RX) C4 GPIO_PM[6] / (SPI_CS) A2 GPIO_PM[7] / (SD_CDZ) C6 GPIO_PM[8] / (TCON[10]/WOL) H5 PM_LED / (HW STRAPPING) G6 GPIO19 / (LAN_LED[0] /TX1/ FAST_UR_CTS) B5 GPIO20 / (LAN_LED[1] /RX1 FAST_UR_RTS) C5 GPIO3 / (EJTAG / TX1) AB19 GPIO4 / (RX1) AB18 VID0 F5 VID1 E6 SAR0 E5 SAR1 F4 SAR2 G4 SAR3 J5 SAR5 / (5V MONITOR) C8 PWM_PM / (HW STRAPPING) G5 PWM0 / (SDIO_D[3]) AA17 PWM1 AA19 PWM2 AC21 PWM3 Y19 PM_SPI_CK B2 PM_SPI_CZ / (NC) F12 PM_SPI_DI / (HW STRAPPING) A3 PM_SPI_DO B3 DDCA_CK B1 DDCA_DA C2 DDCR_CK AA20 DDCR_DA Y20 RESET B8 IRIN A5 XTAL_IN AD1 XTAL_OUT AC1 LHSYNC P23 LCK R23 LDE R24 PAD_R_ODD[6]/LVB0+ T25 PAD_R_ODD[7]/LVB0- T24 PAD_R_ODD[4]/LVB1+ U25 PAD_R_ODD[5]/LVB1- T23 PAD_R_ODD[2]/Vx1_0+/LVB2+ V24 PAD_R_ODD[3]/Vx1_0-/LVB2- U23 PAD_G_ODD[6]/Vx1_2+/LVB3+ Y24 PAD_G_ODD[7]/Vx1_2-/LVB3- Y25 PAD_G_ODD[4]/Vx1_3+/LVB4+ AA23 PAD_G_ODD[5]/Vx1_3-/LVB4- AA24 PAD_R_ODD[0]/Vx1_1+/LVBCLK+ W25 PAD_R_ODD[1]/Vx1_1-/LVBCLK- W24 PAD_G_ODD[2]/LVA0+ AB23 PAD_G_ODD[3]/LVA0- AB25 PAD_G_ODD[0]/LVA1+ AC24 PAD_G_ODD[1]/LVA1- AC25 PAD_B_ODD[6]/LVA2+ AD24 PAD_B_ODD[7]/LVA2- AD25 PAD_B_ODD[2]/HTPDn/LVA3+ AD23 PAD_B_ODD[3]/LOCKn/LVA3- AE23 PAD_B_ODD[0]/LVA4+ AD22 PAD_B_ODD[1]/LVA4- AE22 PAD_B_ODD[4]/LVACLK+ AC23 PAD_B_ODD[5]/LVACLK- AE24 TCON[6] Y22 TCON[7] W22 TCON[2]/3D_FLAG AB21 TCON[3]/PWM2 W21 TCON[0] Y21 TCON[1] AA21 TCON[4] AB22 TCON[5] AA22 PAD_PWM5 AD21 PAD_PWM4 AC22 LVSYNC P24 SAR4 C3 PAD_GPIO16 AD20 R140 10k R189 4.7k/NC C165 4.7u/10V C118 47n/16V R211 0R R109 10k R65 4.7k C148 10p/50V/NC C88 100n/16V TP15 TP15 1 R190 4.7k C85 100n/16V C171 2.2u/6.3V R686 100R MSD6A628 N1G GND A11 GND A14 GND A18 GND A22 GND A23 GND B11 GND B14 GND B18 GND B21 GND B22 GND B23 GND C10 GND C11 GND C12 GND C13 GND C14 GND C15 GND C18 GND C19 GND C20 GND C21 GND C23 GND D24 GND D10 GND D11 GND D14 GND D15 GND D18 GND D19 GND D20 GND D21 GND E10 GND E11 GND E14 GND E15 GND E18 GND E19 GND E20 GND E24 GND AE20 GND C22 GND D7 GND F10 GND F11 GND F14 GND F15 GND F18 GND F19 GND F20 GND G7 GND G8 GND G9 GND G10 GND G11 GND G13 GND G14 GND G15 GND G16 GND G17 GND G18 GND G19 GND G20 GND G24 GND G25 GND H7 GND H8 GND H9 GND H10 GND H13 GND H14 GND H15 GND H16 GND H17 GND H18 GND H19 GND H20 GND J7 GND J8 GND J9 GND J10 GND J11 GND J12 GND J13 GND J14 GND L14 GND J16 GND J18 GND J19 GND J20 GND J22 GND K7 GND K8 GND K9 GND K10 GND K11 GND K12 GND K13 GND K14 GND K15 GND K16 GND K20 GND K21 GND K22 GND D8 GND L7 GND L8 GND L9 GND L10 GND L11 GND L12 GND L13 GND L15 GND L16 GND L20 GND L21 GND L22 GND L23 GND L24 GND L25 GND D9 GND M7 GND M8 GND M9 GND M10 GND M11 GND M12 GND M16 GND M20 GND M21 GND M22 GND M23 GND M24 GND M25 GND N2 GND N3 GND R4 GND R5 GND R6 GND N7 GND N8 GND N9 GND N10 GND N11 GND N12 GND N16 GND N20 GND N21 GND N22 GND N23 GND N24 GND P2 GND P3 GND H12 GND N1 GND U4 GND V4 GND P8 GND P9 GND P10 GND P11 GND P12 GND P13 GND P16 GND P22 GND W4 GND Y10 GND R7 GND R8 GND R9 GND R10 GND R11 GND R12 GND R13 GND R15 GND R16 GND P17 GND R21 GND R22 GND T7 GND T8 GND T9 GND T10 GND T11 GND T12 GND T13 GND T14 GND T15 GND T16 GND T17 GND T18 GND T19 GND T20 GND T21 GND T22 GND U7 GND U8 GND U9 GND U10 GND U11 GND U18 GND U19 GND U20 GND U21 GND U22 GND U24 GND V7 GND V8 GND V9 GND V10 GND V11 GND V18 GND V19 GND V20 GND V21 GND V22 GND V23 GND W8 GND W9 GND W10 GND W11 GND W12 GND W18 GND W19 GND W20 GND W23 GND Y23 GND AB1 GND AB24 GND AC3 GND AA10 GND AC6 GND AB10 GND AE2 GND AE17 GND D23 GND Y3 GND AD6 GND AC4 GND P4 GND P7 GND T4 C159 2.2u/10V C116 100n/16V C143 100n/16V R126 5.1R R70 10k C93 2.2u/10V C136 100n/16V C353 NC/100n/16V C153 100n/16V R85 33R R179 4.7k/NC R98 1k/1% R84 68R TP5 TP5 1 C570 22u/6.3V/NC R192 4.7k C572 22u/6.3V/NC MIU0 MIU1 MSD6A628 N1E PAD_IO[22]/CKE0 B15 PAD_IO[0]/RESET0 A15 VREF0 B19 ZQ0 B20 PAD_IO[52]/RESET1 E21 PAD_IO[74]/CKE1 H23 VREF1 F24 ZQ1 C24 PAD_IO[72] J23 PAD_IO[53] D22 PAD_IO[56] F23 PAD_IO[57] F22 PAD_IO[58] G21 PAD_IO[59] F21 PAD_IO[64] E22 PAD_IO[65] G23 PAD_IO[66] E23 PAD_IO[67] H22 PAD_IO[68] H21 PAD_IO[69] G22 PAD_IO[70] K23 PAD_IO[71] J21 AVDD_DRAM_A J15 AVDD_DRAM_B P15 AVDD_DRAM_A/DECAP A19 AVDD_DRAM_B/DECAP F25 PAD_IO[26]/TEST A24 PAD_IO[27]/TEST C25 PAD_IO[78]/TEST B24 PAD_IO[79]/TEST B25 C112 2.2u/10V C636 10u/10V C565 22u/6.3V C120 47n/16V C166 10p/50V R132 10k MSD6A628 N1B RIN0P L3 GIN0P K1 GIN0M K2 BIN0P K3 HSYNC0 M5 VSYNC0 M4 RIN1P M1 GIN1P L2 GIN1M M3 BIN1P M2 CVBS0 P5 CVBS2 N4 CVBS3 N5 VCOM P6 CVBS_OUT1 N6 LINEIN_L0 T3 LINEIN_R0 R3 LINEIN_L1 T2 LINEIN_R1 T1 LINEIN_L3 V3 LINEIN_R3 W2 LINEOUT_L0 U3 LINEOUT_R0 V2 EARPHONE_OUTL W1 EARPHONE_OUTR W3 AU_VAG U1 AU_AVSS_VRM U2 I2S_OUT_BCK F8 I2S_OUT_MCK F7 I2S_OUT_SD F9 I2S_OUT_WS E8 SPDIF_IN/3D_FLAG E7 SPDIF_OUT E9 NC / I2S_IN_BCK E13 NC / I2S_IN_SD F13 NC / I2S_IN_WS G12 R142 10k C80 1u/16V R1235 4.7k/NC C83 100p/50V/NC R120 100R L20 BLM15AG102SN1 C174 100n/16V R88 10k L135 LQM21FN100M70 C134 100n/16V C145 10u/10V R133 1k 5 5 4 4 3 3 2 2 1 1 D D C C B B A A AV_YPbPr INPUT/工程机功放AUout 靠近主IC 靠近主IC 1103753 AV OUTPUT AV_YPbPr L/R INPUT 网口 上拉47k,下拉100k 2014.4.8 插入耳机为1,不插为0 耳机输出/音频输出/工程机HD音频入 注意实际端子用料。 用黄色 1112023 工程机HD L/R则断开耳机 工程机AU out L/R则断开分量HD L/R bom改 COMP_AUL1 HD2_R HD2_L COMP_AUR1 RGB2-YPbPr_BIN+ RGB2-YPbPr_RIN+ RGB2-YPbPr_GIN+ SCART_CVBSO RGB2-YPbPr_GIN+ RGB2-YPBPR_BIN+ HD2_R HD2_L RGB2-YPbPr_RIN+ AV2_V CVBS_0 SCART_CVBSO SC_CVBS_OUT TXN TXP RXN RXP HP_DEC PH-Rin PH-Lin PH-Lin PH-Rin RGB2-YPBPR_BIN+ RGB2-YPbPr_RIN+ RGB2-YPbPr_GIN+ HD2_L HD2_R AU-Rout- AU-Lout- AU-Lout+ AU-Rout+ HD2_L HD2_R AUL AUR AUL AUR GND GND GND GND +5V COMP_AUL1 3 COMP_AUR1 3 COMP_PB 3 COMP_Y 3 COMP_PR 3 CVBS_0 3 SC_CVBS_OUT 3 PHY_LED0 3 PHY_LED1 3 RXP 3 TXP 3 RXN 3 TXN 3 HP_DEC PH-Rin PH-Lin AU-Lout+ AU-Lout- AU-Rout+ AU-Rout- Title Size Document Number Rev Date: Sheet of YPBPR_AV_网络 1.0 MSD6A828 B 5 13 Wednesday, June 11, 2014 Title Size Document Number Rev Date: Sheet of YPBPR_AV_网络 1.0 MSD6A828 B 5 13 Wednesday, June 11, 2014 Title Size Document Number Rev Date: Sheet of YPBPR_AV_网络 1.0 MSD6A828 B 5 13 Wednesday, June 11, 2014 C267 100n/16V RV3 ICVL0518030FR RJ-45 Y G XS8 RJR-008103 NTX0+_0 1 NTX0-_1 2 NRX0+_2 3 4 4 5 5 NRX0-_5 6 7 7 8 8 PGND_9 9 PGND_10 10 G+_11 11 G-_12 12 Y+_13 13 Y-_14 14 R1354 0R C397 100n/16V RV1 ICVL0518030FR RV4 ICVL0518030FR C266 10u/16V R366 10k R1357 0R/NC RV2 ICVL0518030FR R368 12k R1356 0R R391 75R C411 5p/50V R1364 0R C412 5p/50V R367 10k R361 0R R1358 0R/NC C413 5p/50V R365 75R R1355 0R R571 470R R398 680R C639 120p/50V R392 75R R369 12k C268 100n/16V RV19 ICVL0518030FR R364 75R C265 1n/2000V R1365 0R R359 0R/NC R1359 0R/NC RV6 ICVL0518030FR R215 0R RV5 ICVL0518030FR R WR WL L GND XS15 HY3.5-105 3 4 2 1 5 R568 47k R569 1k R397 680R RV20 ICVL0518030FR R394 75R R1360 0R/NC V/Y R/PB L/PR GND XS4 HY3.5-102A 1 2 3 54 6 R363 75R R570 470R R396 0R R362 75R 红 白 XS5 AV2-WBP-WR SIGNAL1 1 SIGNAL3 3 GND 2 SIGNAL4 4 GND 5 SIGNAL6 6 R705 100k C410 5p/50V R1353 0R R1362 0R/NC T1 PM44-11BP TD1+_0 1 CT1 2 TD1-_2 3 NC1 4 NC2 5 RD2+_5 6 CT2 7 RD2-_7 8 RX2-_8 9 CMT2 10 RX2+_10 11 NC3 12 NC4 13 TX2-_13 14 CMT1 15 TX1+_15 16 R395 0R R393 75R RV7 ICVL0518030FR R1363 0R/NC C396 10u/10V/NC XS6 AV1-WB-ORG-SX SIGNAL1 1 GND 2 SIGNAL2 3 5 5 4 4 3 3 2 2 1 1 D D C C B B A A 5.1欧姆电阻靠近USB端子,较小EOS。 USB1 靠近端子 USB2 USB0_DP USB3_DP USB3_DM USB0_DM 5V_USB11 5V_USB3.0 USB3_DM USB3_DP USB0_DM USB0_DP Title Size Document Number Rev Date: Sheet of USB 1.0 MSD6A828 B 6 13 Wednesday, June 11, 2014 Title Size Document Number Rev Date: Sheet of USB 1.0 MSD6A828 B 6 13 Wednesday, June 11, 2014 Title Size Document Number Rev Date: Sheet of USB 1.0 MSD6A828 B 6 13 Wednesday, June 11, 2014 C257 10u/10V R382 5.1R C259 10u/10V XP9 VCC 1 D - 2 D+ 3 GND_4 4 GND_5 5 GND_6 6 XP8 VCC 1 D - 2 D+ 3 GND_4 4 GND_5 5 GND_6 6 R381 5.1R R380 5.1R VD11 ESDA6V8UL/1124798 2 I/O2 3 GND 1 I/O1 C258 100n/16V VD12 ESDA6V8UL /1124798 2 I/O2 3 GND 1 I/O1 C256 100n/16V R379 5.1R 5 5 4 4 3 3 2 2 1 1 D D C C B B A A 高电平有效,不带放电电阻。 MHL 5V POWER SUPPLY HDMI1(CEC) HDMI2(ARC/MHL) 靠近端子 2014.4.10 删除反向预留 HDMI1_ESD bom减件 5.16-- 改用R441 MHL_VBUS_EN MHL_Fault MHL_Cable_DET HDMI1_RX0P HDMI1_CLKN HDMI1_RX1N HDMI1_RX0N HDMI1_RX2N HDMI1_CLKP HDMI1_RX2P HDMI1_RX1P HDMI-1-SCL HDMI-1-SDA HDMI1-CLKN HDMI1-5V HDMI1-RX0N HDMI1-CLKP HDMI1-RX1P HDMI1-RX1N HDMI1-RX0P HDMI1_CEC HDMI1-RX2P HDMI1-RX2N HDMI1_CLKP HDMI1_RX0P HDMI1_RX0N HDMI1_HPDIN HDMI1_RX2N HDMI-1-SDA HDMI-1-SCL HDMI1-HPDIN HDMI1-SCL HDMI1-SDA HDMI1_CLKN HDMI1_RX1P HDMI1_RX2P HDMI1_RX1N HDMI1_HPDIN MHL_CD_SENSE HDMI-1-SCL HDMI-1-SDA HDMI-3-SDA HDMI-3-SCL HDMI-CEC VBUS MHL_Cable_DET MHL HDMI3-HPDIN HDMI3_HPDIN HDMI3_RX2P HDMI3-RX0P HDMI3-RX0N HDMI3-RX2N HDMI3-RX1P HDMI3-RX1N HDMI3-SCL HDMI3-RX2P HDMI3-SDA HDMI3_CLKP HDMI3_HPDIN MHL_CD_SENSE HDMI3_RX2N HDMI3_RX1P HDMI3_RX1N HDMI3_RX0P HDMI3_RX0N HDMI-A_ARC HDMI1_CEC HDMI3_CLKN MHL HDMI-3-SCL HDMI-3-SCL HDMI-3-SDA HDMI-3-SDA HDMI3-5V HDMI3-CLKP HDMI3-CLKN HDMI-A_ARC HDMI1_CEC HDMI3_RX0P HDMI3_RX1N HDMI3_CLKN HDMI3_RX2P HDMI3_CLKP HDMI3_RX2N HDMI3_RX0N HDMI3_RX1P 5V_MHL VBUS 5Vstb HDMI1-5V HDMI1_VCC HDMI1-5V HDMI1-5V VBUS +5V AVDD5V_MHL HDMI3-5V HDMI3-5V 5V_MHL HDMI3-5V MHL_Fault 3 MHL_VBUS_EN 3 HDMI1-CLKN 3 HDMI1-RX0P 3 HDMI1-RX1N 3 HDMI1-RX2N 3 HDMI1-CLKP 3 HDMI1-RX2P 3 HDMI1-RX0N 3 HDMI1-RX1P 3 HDMI1-SCL 3 HDMI1-HPDIN 3 HDMI1-SDA 3 HDMI-CEC 3,4 MHL_Cable_DET 3 HDMI3-HPDIN 3,8 HDMI3-CLKN 3 HDMI3-RX0P 3 HDMI3-RX1N 3 HDMI3-RX2N 3 HDMI3-CLKP 3 HDMI3-RX2P 3 HDMI3-RX0N 3 HDMI3-RX1P 3 HDMI3-SDA 3 HDMI3-SCL 3 HDMI-A_ARC 3 Title Size Document Number Rev Date: Sheet of HDMI 1.0 MSD6A828 C 8 13 Wednesday, June 11, 2014 Title Size Document Number Rev Date: Sheet of HDMI 1.0 MSD6A828 C 8 13 Wednesday, June 11, 2014 Title Size Document Number Rev Date: Sheet of HDMI 1.0 MSD6A828 C 8 13 Wednesday, June 11, 2014 R440 10k VD35 ESDC0402 1 2 RV22 ICVL0518030FR VD32 ESDC0402 1 2 RV24 ICVL0518030FR V23 2SCR523EB 3 1 2 R433 22R C274 100n/16V R399 100k R417 10k R406 100R R409 0R R441 100R R408 0R R439 10k R419 0R R411 10k XS9 DC1R019JB1 DATA2+_0 1 DATA2S 2 DATA2-_2 3 DATA1+_3 4 DATA1S 5 DATA1-_5 6 DATA0+_6 7 DATA0S 8 DATA0-_8 9 CLK+_9 10 CLKS 11 CLK-_11 12 CEC 13 NC 14 SCL 15 SDA 16 CEC/GND_16 17 +5V_17 18 HPDET 19 GND1 20 GND2 21 GND3 22 GND4 23 C278 22u/6.3V C279 22u/6.3V/NC RV23 ICVL0518030FR R425 0R R436 10R R404 100R R407 0R R421 0R VD19 ESDA6V8UE IC1 4 GND 2 I/O3 3 I/O1 1 VCC 5 IC2 6 R434 100R R429 0R R405 0R R400 10k R414 4.7k R420 100R VD23 ESDA6V8UE IC1 4 GND 2 I/O3 3 I/O1 1 VCC 5 IC2 6 R437 10k VD20 ESDA6V8UE IC1 4 GND 2 I/O3 3 I/O1 1 VCC 5 IC2 6 R413 0R R424 0R R416 100k/NC N45 TPS2065C_2 EN 4 OUT 1 GND 2 FLT 3 IN 5 R431 0R VD24 ESDA6V8UE IC1 4 GND 2 I/O3 3 I/O1 1 VCC 5 IC2 6 R430 0R R418 10k R415 200R/NC VD21 ESDC0402 1 2 R435 300k R428 0R C277 100n/16V XS10 DC1R019JB1 DATA2+_0 1 DATA2S 2 DATA2-_2 3 DATA1+_3 4 DATA1S 5 DATA1-_5 6 DATA0+_6 7 DATA0S 8 DATA0-_8 9 CLK+_9 10 CLKS 11 CLK-_11 12 CEC 13 NC 14 SCL 15 SDA 16 CEC/GND_16 17 +5V_17 18 HPDET 19 GND1 20 GND2 21 GND3 22 GND4 23 R401 10k C275 47n/16V R412 0R R410 1k C273 100n/16V RV21 ICVL0518030FR R338 100R/NC R423 0R R403 0R R402 0R C276 100n/16V R438 100R/NC L53 BLM18PG121SN1 R422 100R 5 5 4 4 3 3 2 2 1 1 D D C C B B A A 4个C靠近功放芯片放置 0: Normal 1: mute 靠近N80功放芯片放置 I2C 0X54 Mute 3906改1111159 2014.4.8 功放NT8212 电源 工程机增加串口输出 工程机串口-4.29 工程机功放 工程机声音预放大 0: Normal 1: fault 工程机静音 0: Normal 1: mute UART预留 删Mute HP 缓冲电路 地离开C316和RST AMP-Lout- AMP-Lout+ AMP-Rout- AMP-Rout+ MUTE_AMP I2S-OUT_MCKO I2S-OUT_BCKO I2C-SDA I2C-SCL AMP-Rout+ I2S-OUT_WSO I2S-OUT_SDO AMP-Rout- AMP-Lout- AMP-Lout+ RST_AMP MUTE_AMP POWER_OFF-MUTE MUTE3110 PM_TX PM_RX C_RXD C_TXD PCRXD PCTXD PCRXD PCTXD AU-Rout- AU-Lout- AU-Lout+ AU-Rout+ OUT-R OUT-L AU-Lout- AU-Rout- AU-Rout+ OUT-L OUT-R OUT-L AU_ROUT OUT-R AU_LOUT AU-Lout+ MUTE3110 MUTE_3110 POWER_OFF-MUTE UART-RX UART-TX UART-RX UART-TX +5V VRAIL +3.3VA +3.3VA VRAIL VRAIL VCC-A +3.3VA +3.3V +5V VCC-A +5V PRJ_PW 3.3Vstb PRJ_PW VCC-A VCC-A VCC-A +5V +5V 5VAR2 5VAL2 I2S-OUT_MCKO 3 I2C-SCL 3,4 I2S-OUT_SDO 3 I2S-OUT_WSO 3 I2S-OUT_BCKO 3 RST_AMP 3 I2C-SDA 3,4 PM_TX PM_RX AU-Lout+ AU-Lout- AU-Rout+ AU-Rout- AU-Rout+ 3 AU-Lout+ 3 AU-Lout- 3 AU-Rout- 3 AU_LOUT 3 AU_ROUT 3 MUTE_3110 3 MUTE_S 3 UART-RX UART-TX Title Size Document Number Rev Date: Sheet of AMPLIFIER 1.0 MSD6A828 C 10 13 Wednesday, June 11, 2014 Title Size Document Number Rev Date: Sheet of AMPLIFIER 1.0 MSD6A828 C 10 13 Wednesday, June 11, 2014 Title Size Document Number Rev Date: Sheet of AMPLIFIER 1.0 MSD6A828 C 10 13 Wednesday, June 11, 2014 C415 1u/16V C314 100n/16V C324 100n/25V C968 10u/25V/NC C427 470n/16V R261 10k R353 1M L910 BLM21PG221SN1/NC R515 47k C341 22n/25V R467 10k C439 330p/50V C330 100n/16V C576 10u/16V C414 2.2u/16V C332 100n/16V R469 5.1R L907 BLM18PG121SN1/NC C339 100n/25V L61 BLM21PG221SN1/NC C759 100n/16V C426 NC/1n/50V R516 470R C440 1u/16V/NC C337 220p/50V C325 100n/25V R526 0R/NC C329 1u/16V R505 100R/NC C317 100n/25V V26 2SCR523EB 3 1 2 C422 1n/50V R535 0R L13 10.0 uH C416 220n/25V C425 2.2u/16V L911 BLM18PG181SN1/NC R334 10k/NC R517 470R R521 0R/NC R265 1k C420 1u/16V/NC R533 NC/100k R472 4.7k V27 2SAR523EB 3 1 2 R470 4.7k C423 330p/50V R471 5.1R VD15 1N4148W/NC 1 2 C971 470n/16V C342 100n/25V R332 0R C419 10u/16V/NC V949 2SCR523EB/NC 3 1 2 R464 0R C432 2.2u/16V R262 1k C755 100n/16V R WR WL L GND XS16 HY3.5-105 3 4 2 1 5 C417 NC/1n/50V N80 NTP8212 OUT1B_2 36 VDD_PLL 48 VDDIO 47 OUT1B_1 35 VDR1 32 NC_5 14 NC_6 15 #FAULT 8 PVDD2B 23 NC_2 11 MONITOR_O 9 NC_1 10 OUT1A_2 40 NC_7 16 GND 1 NC_3 12 OUT2B_2 22 NC_4 13 DVDD 7 WCK 3 SDATA 2 BCK 4 SCL 6 SDA 5 NC_8 17 OUT2A_1 25 OUT1A_1 39 PVDD2A 24 PVDD1A 38 PVDD1B 37 OUT2A_2 26 VCC5 31 BST2A 28 BST1A 42 PGND1A 41 PGND2A 27 PGND2B 20 OUT2B_1 21 AGND 30 AD 44 #RESET 43 VDR2 29 PGND1B 34 CLK_O 46 CLK_I 45 BST1B 33 NC_9 18 BST2B 19 EPAD 49 R527 0R C323 470n/50V C428 470n/16V R468 22R C418 100u/16V/NC C335 22n/25V C322 220p/50V R518 1.5k R328 100k L12 10.0 uH L65 BLM21PG221SN1/NC R462 4.7k R532 10R R503 0R/NC R459 0R R528 22k C756 100n/16V C446 NC/1n/50V XS21 D-9/NC 1 6 7 8 9 2 3 4 5 11 10 C972 2.2u/16V R519 10k C450 10u/16V/NC C331 2.2u/10V C336 100n/25V R314 0R C326 100n/25V C334 1u/16V R337 100k C424 220n/25V C757 100n/16V/NC C433 330p/50V R522 NC/100k C318 100n/25V R325 1k VD14 1N4148W/NC 1 2 R512 33R R465 4.7k R342 1k C316 100n/16V C319 220p/50V R529 10k/NC R466 22R C434 330p/50V R523 0R L54 BLM21PG221SN1/NC C758 100n/16V R329 4.7k/NC C321 10u/25V N28 TPA3110D2/NC SD 1 FAULT 2 LINP 3 LINN 4 GAIN0 5 GAIN1 6 AVCC 7 AGND 8 GVDD 9 PLIMIT 10 RINN 11 RINP 12 NC 13 PBTL 14 PVCCR 15 PVCCR 16 BSPR 17 OUTPR 18 PGND 19 OUTNR 20 BSNR 21 BSNL 22 OUTNL 23 PGND 24 OUTPL 25 BSPL 26 PVCCL 27 PVCCL 28 GND 29 R341 4.7k/NC R530 10R R463 5.1R C435 100u/16V/NC R524 10R V32 2SCR523EB/NC 3 1 2 C429 1u/16V XP19 TJC3-4AW 1 2 3 4 R1343 0R C969 2.2u/10V/NC C451 100n/16V/NC L57 BLM21PG220SN1D/NC L908 BLM21PG220SN1D/NC R536 10R L10 10.0 uH C333 1u/16V C448 NC/1n/50V L11 10.0 uH L909BLM21PG220SN1D/NC VZ2 LM3Z10VT1G/NC 1 2 C264 2.2u/10V/NC C430 1u/16V C449 100n/16V/NC R319 0R/NC R513 47k C315 22n/25V C436 220n/25V R5341k/NC R525 0R V948 2SCR523EB/NC 3 1 2 L56 BLM18PG121SN1 VD8 1N4148W 1 2 R504 100R/NC VD4 1N4148W/NC 1 2 C431 1n/50V/NC R461 4.7k C970 2.2u/10V/NC R1344 0R R531 1k/NC C327 100n/25V R458 33R R520 0R/NC C421 1n/50V/NC C437 470n/16V R460 5.1R C973 220n/25V C320 10u/25V N21 MAX3232C/NC C1+ 1 V+ 2 C1- 3 C2+ 4 C2- 5 V- 6 R2IN 8 R2OUT 9 T2IN 10 T1IN 11 R1OUT 12 R1IN 13 VCC 16 T2OUT 7 T1OUT 14 GND 15 R264 33R R457 15k/NC L55 BLM21PG220SN1D/NC C340 220p/50V R514 1.5k C338 470n/50V C438 1n/50V C328 22n/25V </p> <div class="main-left-down hidden-xl hidden-lg hidden-md"> <!--资源收费且没有购买--> <a href="http://www.wenhuiw.com/index.php?s=score&c=buy&m=index&module=wenku&id=22842" id="down_box_confirm" class="not-logged-in btn bg-green"><i class="fa fa-shopping-cart"></i> 立即购买</a> <p class="down-score">下载本素材需消耗 <span class="f-red">50</span> 积分</p> <p class="down-feedback">无法下载?<a class="hover:text-green-600" href="tencent://message/?uin=77594475" target="_blank">立即反馈</a></p> </div> <div class="tag">标签: </div> <div class="use-tip"> <h3>版权声明</h3> <p><b>1. 本站所有素材,仅限学习交流,仅展示部分内容,如需查看完整内容,请下载原文件。</b><br> 2. 会员在本站下载的所有素材,只拥有使用权,著作权归原作者所有。<br> 3. 所有素材,未经合法授权,请勿用于商业用途,会员不得以任何形式发布、传播、复制、转售该素材,否则一律封号处理。<br> 4. 如果素材损害你的权益请联系客服QQ:<a href="tencent://message/?uin=77594475">77594475</a> 处理。 </p> </div> </div> <div class="main-relate hidden-sm hidden-xs"> <div class="module-title-box"> <h2 class="title">相关素材</h2> </div> <ul class="module-list"> <li class="col-xl-3 col-lg-3 col-md-3 col-sm-6 col-6"> <div class="module-list_box"> <a class="module-list_thumb wide lazyload" href="/wenku/a23253.html" title="员工花名册.xlsx" data-original="http://file.wenhuiw.com/202403/389f25971624d9f.jpg#系统开启了相对路径模式,本地址是站外域名,不能转为相对路径(在关闭开发者模式后不显示这句话)#没有设置高宽参数,将以原图输出"></a> <div class="module-list_detail"> <h4 class="title txt-ov"><a href="/wenku/a23253.html" title="员工花名册.xlsx">员工花名册.xlsx</a></h4> </div> </div> </li> <li class="col-xl-3 col-lg-3 col-md-3 col-sm-6 col-6"> <div class="module-list_box"> <a class="module-list_thumb wide lazyload" href="/wenku/a23251.html" title="实验室安全歌.doc" data-original="http://file.wenhuiw.com/202309/310d89e8c45eb81.jpg#系统开启了相对路径模式,本地址是站外域名,不能转为相对路径(在关闭开发者模式后不显示这句话)#没有设置高宽参数,将以原图输出"></a> <div class="module-list_detail"> <h4 class="title txt-ov"><a href="/wenku/a23251.html" title="实验室安全歌.doc">实验室安全歌.doc</a></h4> </div> </div> </li> <li class="col-xl-3 col-lg-3 col-md-3 col-sm-6 col-6"> <div class="module-list_box"> <a class="module-list_thumb wide lazyload" href="/wenku/a23249.html" title="JCT 997-2006 装饰纸面石膏板" data-original="http://file.wenhuiw.com/202306/e292ed4137e88a.png#系统开启了相对路径模式,本地址是站外域名,不能转为相对路径(在关闭开发者模式后不显示这句话)#没有设置高宽参数,将以原图输出"></a> <div class="module-list_detail"> <h4 class="title txt-ov"><a href="/wenku/a23249.html" title="JCT 997-2006 装饰纸面石膏板">JCT 997-2006 装饰纸面石膏板</a></h4> </div> </div> </li> <li class="col-xl-3 col-lg-3 col-md-3 col-sm-6 col-6"> <div class="module-list_box"> <a class="module-list_thumb wide lazyload" href="/wenku/a23245.html" title="JCT 993-2006 外墙外保温用膨胀聚苯乙烯板抹面胶浆" data-original="http://file.wenhuiw.com/202306/2b2e9c8f05c1a.png#系统开启了相对路径模式,本地址是站外域名,不能转为相对路径(在关闭开发者模式后不显示这句话)#没有设置高宽参数,将以原图输出"></a> <div class="module-list_detail"> <h4 class="title txt-ov"><a href="/wenku/a23245.html" title="JCT 993-2006 外墙外保温用膨胀聚苯乙烯板抹面胶浆">JCT 993-2006 外墙外保温用膨胀聚苯乙烯板抹面胶浆</a></h4> </div> </div> </li> <li class="col-xl-3 col-lg-3 col-md-3 col-sm-6 col-6"> <div class="module-list_box"> <a class="module-list_thumb wide lazyload" href="/wenku/a23244.html" title="JCT 992-2006 墙体保温用膨胀聚苯乙烯板胶粘剂" data-original="http://file.wenhuiw.com/202306/1b863e61d25b589.png#系统开启了相对路径模式,本地址是站外域名,不能转为相对路径(在关闭开发者模式后不显示这句话)#没有设置高宽参数,将以原图输出"></a> <div class="module-list_detail"> <h4 class="title txt-ov"><a href="/wenku/a23244.html" title="JCT 992-2006 墙体保温用膨胀聚苯乙烯板胶粘剂">JCT 992-2006 墙体保温用膨胀聚苯乙烯板胶粘剂</a></h4> </div> </div> </li> <li class="col-xl-3 col-lg-3 col-md-3 col-sm-6 col-6"> <div class="module-list_box"> <a class="module-list_thumb wide lazyload" href="/wenku/a23243.html" title="JCT 991-2006 建材工业用石膏墙板(砌块)成型机" data-original="http://file.wenhuiw.com/202306/771f07e799519.png#系统开启了相对路径模式,本地址是站外域名,不能转为相对路径(在关闭开发者模式后不显示这句话)#没有设置高宽参数,将以原图输出"></a> <div class="module-list_detail"> <h4 class="title txt-ov"><a href="/wenku/a23243.html" title="JCT 991-2006 建材工业用石膏墙板(砌块)成型机">JCT 991-2006 建材工业用石膏墙板(砌块)成型机</a></h4> </div> </div> </li> <li class="col-xl-3 col-lg-3 col-md-3 col-sm-6 col-6"> <div class="module-list_box"> <a class="module-list_thumb wide lazyload" href="/wenku/a23229.html" title="JCT 970.3-2005 陶瓷瓷质砖抛光技术装备 第3部分 刮平定厚机" data-original="http://file.wenhuiw.com/202306/a838dad70271770.png#系统开启了相对路径模式,本地址是站外域名,不能转为相对路径(在关闭开发者模式后不显示这句话)#没有设置高宽参数,将以原图输出"></a> <div class="module-list_detail"> <h4 class="title txt-ov"><a href="/wenku/a23229.html" title="JCT 970.3-2005 陶瓷瓷质砖抛光技术装备 第3部分 刮平定厚机">JCT 970.3-2005 陶瓷瓷质砖抛光技术装备 第3部分 刮平定厚机</a></h4> </div> </div> </li> <li class="col-xl-3 col-lg-3 col-md-3 col-sm-6 col-6"> <div class="module-list_box"> <a class="module-list_thumb wide lazyload" href="/wenku/a23228.html" title="JCT 970.2-2005 陶瓷瓷质砖抛光技术装备 第2部分 磨边倒角机" data-original="http://file.wenhuiw.com/202306/78675c50ee3fdeb.png#系统开启了相对路径模式,本地址是站外域名,不能转为相对路径(在关闭开发者模式后不显示这句话)#没有设置高宽参数,将以原图输出"></a> <div class="module-list_detail"> <h4 class="title txt-ov"><a href="/wenku/a23228.html" title="JCT 970.2-2005 陶瓷瓷质砖抛光技术装备 第2部分 磨边倒角机">JCT 970.2-2005 陶瓷瓷质砖抛光技术装备 第2部分 磨边倒角机</a></h4> </div> </div> </li> </ul> </div> </div> <div class="main-right col-xl-3 col-lg-3 col-md-3 hidden-sm hidden-xs"> <div class="side-box-dw"></div> <div class="side-fixed-box"> <div class="side shadow"> <a href="javasctipr:;" class="not-logged-in btn bg-yellow"><i class="fa fa-download"></i> 立即下载</a> <p class="down-score">下载本素材需消耗 <span class="f-red">50</span> 积分</p> <p class="down-feedback">无法下载?<a class="hover:text-green-600" href="tencent://message/?uin=77594475" target="_blank">立即反馈</a></p> <ul class="down-attribute"> <li><span>文件大小:</span>255.05 KB</li> <li><span>文件格式:</span>pdf</li> </ul> </div> <div class="side mt20 shadow"> <div class="module-title-box mb15"> <h2 class="title">随机推荐</h2> </div> <ul class="module-list"> <li class="col-lg-4 col-md-3 col-sm-4 col-xs-3 col-4"> <div class="module-list_box p0"> <a class="module-list_thumb wide" href="/wenku/a23254.html" title="一张母狮子卧在草丛里的照片" style="display: block; background-image: url('http://file.wenhuiw.com/202403/c18d26349a7554b.jpg#系统开启了相对路径模式,本地址是站外域名,不能转为相对路径(在关闭开发者模式后不显示这句话)#没有设置高宽参数,将以原图输出')" ;> </a> <div class="module-list_detail"> <h4 class="title"><a href="/wenku/a23254.html" title="一张母狮子卧在草丛里的照片">一张母狮子卧在草丛里的照片</a></h4> </div> </div> </li> <li class="col-lg-4 col-md-3 col-sm-4 col-xs-3 col-4"> <div class="module-list_box p0"> <a class="module-list_thumb wide" href="/wenku/a23253.html" title="员工花名册.xlsx" style="display: block; background-image: url('http://file.wenhuiw.com/202403/389f25971624d9f.jpg#系统开启了相对路径模式,本地址是站外域名,不能转为相对路径(在关闭开发者模式后不显示这句话)#没有设置高宽参数,将以原图输出')" ;> </a> <div class="module-list_detail"> <h4 class="title"><a href="/wenku/a23253.html" title="员工花名册.xlsx">员工花名册.xlsx</a></h4> </div> </div> </li> <li class="col-lg-4 col-md-3 col-sm-4 col-xs-3 col-4"> <div class="module-list_box p0"> <a class="module-list_thumb wide" href="/wenku/a23252.html" title="员工年假统计表" style="display: block; background-image: url('http://file.wenhuiw.com/202403/bde7ec85b0ccdf1.jpg#系统开启了相对路径模式,本地址是站外域名,不能转为相对路径(在关闭开发者模式后不显示这句话)#没有设置高宽参数,将以原图输出')" ;> </a> <div class="module-list_detail"> <h4 class="title"><a href="/wenku/a23252.html" title="员工年假统计表">员工年假统计表</a></h4> </div> </div> </li> <li class="col-lg-4 col-md-3 col-sm-4 col-xs-3 col-4"> <div class="module-list_box p0"> <a class="module-list_thumb wide" href="/wenku/a23251.html" title="实验室安全歌.doc" style="display: block; background-image: url('http://file.wenhuiw.com/202309/310d89e8c45eb81.jpg#系统开启了相对路径模式,本地址是站外域名,不能转为相对路径(在关闭开发者模式后不显示这句话)#没有设置高宽参数,将以原图输出')" ;> </a> <div class="module-list_detail"> <h4 class="title"><a href="/wenku/a23251.html" title="实验室安全歌.doc">实验室安全歌.doc</a></h4> </div> </div> </li> <li class="col-lg-4 col-md-3 col-sm-4 col-xs-3 col-4"> <div class="module-list_box p0"> <a class="module-list_thumb wide" href="/wenku/a23250.html" title="JCT 998-2006 喷涂聚氨酯硬泡体保温材料" style="display: block; background-image: url('http://file.wenhuiw.com/202306/a9f08eb9830da52.png#系统开启了相对路径模式,本地址是站外域名,不能转为相对路径(在关闭开发者模式后不显示这句话)#没有设置高宽参数,将以原图输出')" ;> </a> <div class="module-list_detail"> <h4 class="title"><a href="/wenku/a23250.html" title="JCT 998-2006 喷涂聚氨酯硬泡体保温材料">JCT 998-2006 喷涂聚氨酯硬泡体保温材料</a></h4> </div> </div> </li> <li class="col-lg-4 col-md-3 col-sm-4 col-xs-3 col-4"> <div class="module-list_box p0"> <a class="module-list_thumb wide" href="/wenku/a23249.html" title="JCT 997-2006 装饰纸面石膏板" style="display: block; background-image: url('http://file.wenhuiw.com/202306/e292ed4137e88a.png#系统开启了相对路径模式,本地址是站外域名,不能转为相对路径(在关闭开发者模式后不显示这句话)#没有设置高宽参数,将以原图输出')" ;> </a> <div class="module-list_detail"> <h4 class="title"><a href="/wenku/a23249.html" title="JCT 997-2006 装饰纸面石膏板">JCT 997-2006 装饰纸面石膏板</a></h4> </div> </div> </li> <li class="col-lg-4 col-md-3 col-sm-4 col-xs-3 col-4"> <div class="module-list_box p0"> <a class="module-list_thumb wide" href="/wenku/a23248.html" title="JCT 996-2006 玻璃纤维壁布" style="display: block; background-image: url('http://file.wenhuiw.com/202306/5156b2f64e53176.png#系统开启了相对路径模式,本地址是站外域名,不能转为相对路径(在关闭开发者模式后不显示这句话)#没有设置高宽参数,将以原图输出')" ;> </a> <div class="module-list_detail"> <h4 class="title"><a href="/wenku/a23248.html" title="JCT 996-2006 玻璃纤维壁布">JCT 996-2006 玻璃纤维壁布</a></h4> </div> </div> </li> <li class="col-lg-4 col-md-3 col-sm-4 col-xs-3 col-4"> <div class="module-list_box p0"> <a class="module-list_thumb wide" href="/wenku/a23247.html" title="JCT 995-2006 低比表面积高烧结活性氧化锆粉体" style="display: block; background-image: url('http://file.wenhuiw.com/202306/8c1c96b37a561d4.png#系统开启了相对路径模式,本地址是站外域名,不能转为相对路径(在关闭开发者模式后不显示这句话)#没有设置高宽参数,将以原图输出')" ;> </a> <div class="module-list_detail"> <h4 class="title"><a href="/wenku/a23247.html" title="JCT 995-2006 低比表面积高烧结活性氧化锆粉体">JCT 995-2006 低比表面积高烧结活性氧化锆粉体</a></h4> </div> </div> </li> <li class="col-lg-4 col-md-3 col-sm-4 col-xs-3 col-4"> <div class="module-list_box p0"> <a class="module-list_thumb wide" href="/wenku/a23246.html" title="JCT 994-2006 微晶玻璃陶瓷复合砖" style="display: block; background-image: url('http://file.wenhuiw.com/202306/fff87b6f9176d27.png#系统开启了相对路径模式,本地址是站外域名,不能转为相对路径(在关闭开发者模式后不显示这句话)#没有设置高宽参数,将以原图输出')" ;> </a> <div class="module-list_detail"> <h4 class="title"><a href="/wenku/a23246.html" title="JCT 994-2006 微晶玻璃陶瓷复合砖">JCT 994-2006 微晶玻璃陶瓷复合砖</a></h4> </div> </div> </li> </ul> </div> </div> </div> </div> <div class="main-box-dw"></div> <div class="scroll-to-top hidden-sm hidden-xs" id="toTop"> <i class="bi bi-arrow-up-circle-fill"></i> </div> <!-- 底部 --> <div class="footer"> <div class="container"> <div class="flex justify-center"> <span class="hidden-sm hidden-xs">© CopyRight 2022 文汇知识网</span> <a class="ml10 mr10" href="https://beian.miit.gov.cn" target="_blank">滇ICP备2022006959号-4</a> <span class="hidden-sm hidden-xs"><script> var _hmt = _hmt || []; (function() { var hm = document.createElement("script"); hm.src = "https://hm.baidu.com/hm.js?f0f56f82f7c67c360794e2549e59d9cd"; var s = document.getElementsByTagName("script")[0]; s.parentNode.insertBefore(hm, s); })(); </script> <a href="http://news.zzszq.net/">深知资讯网</a><a href="http://tv.zzszq.net/">深视网</a><a href="http://www.80hlw.com/">80商务</a></span> </div> </div> </div> <!-- 会员登录 --> <div id="login_box" class="hidden fixed"> <div class="login_box_title"> <h4 class="tc">会员登录</h4> <button id="close_login"><i class="fa fa-close"></i></button> </div> <form class="login-form" id="myform" action="" method="post"> <div class="form-group"> <input class="form-control" type="text" autocomplete="off" placeholder="会员名/邮箱/手机" name="data[username]" /> </div> <div class="form-group"> <input class="form-control" type="password" autocomplete="off" placeholder="登录密码" name="data[password]" /> </div> <div class="form-group"> <div class="col-6 pl0 pr0 fl"> <input class="form-control" type="text" autocomplete="off" placeholder="验证码" name="code" /> </div> <div class="col-6 tr fr"> <img align="absmiddle" style="cursor:pointer;" onclick="this.src='/index.php?s=api&c=api&m=captcha&width=120&height=35&t='+Math.random();" src="/index.php?s=api&c=api&m=captcha&width=120&height=35" /> </div> <div class="clearfix"></div> </div> <div class="form-group"> <button type="button" onclick="dr_ajax_member('http://www.wenhuiw.com/index.php?s=member&c=login&m=index', 'myform');" class="btn bg-green">登录</button> </div> <div class="form-group"> <a href="http://www.wenhuiw.com/index.php?s=member&c=register&m=index" id="register-btn" class="fr">注册账号</a> <input type="checkbox" name="remember" value="1" checked="checked" style="vertical-align: -2px;"/> 记住我 <a href="http://www.wenhuiw.com/index.php?s=member&c=login&m=find">忘记密码</a> </div> <div class="form-group tc"> <!--<p class="text-muted">第三方快捷登录</p>--> </div> </form> </div> <div class="mask-body mask-body-dark" style="display: none;"></div> <script src="/static/x2h-002/js/swiper-bundle.min.js"></script> <script src="/static/x2h-002/js/jquery.lazyload.js"></script> <script src="/static/x2h-002/js/common.js"></script> <script> $(function () { $.ajax({ type: "GET",dataType:"json", url: "/index.php?s=api&c=run&is_ajax=1&num=5" }); }); </script> </body> </html>