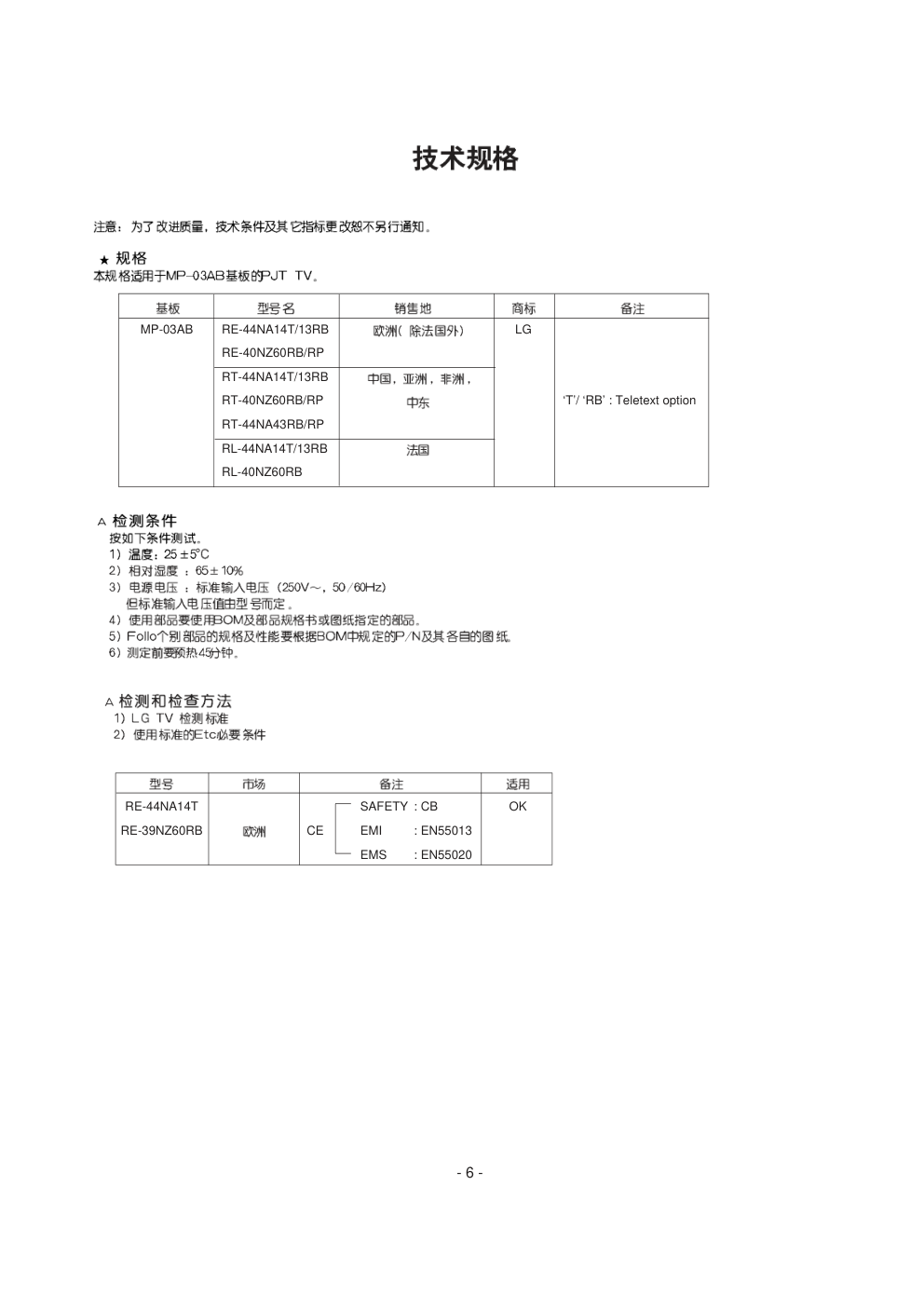
LG 背投彩电MP-03AB机芯原理图

分类:电子电工 日期: 点击:0
LG 背投彩电MP-03AB机芯原理图-0 LG 背投彩电MP-03AB机芯原理图-1 LG 背投彩电MP-03AB机芯原理图-2 LG 背投彩电MP-03AB机芯原理图-3 LG 背投彩电MP-03AB机芯原理图-4 LG 背投彩电MP-03AB机芯原理图-5 LG 背投彩电MP-03AB机芯原理图-6 LG 背投彩电MP-03AB机芯原理图-7 LG 背投彩电MP-03AB机芯原理图-8 LG 背投彩电MP-03AB机芯原理图-9

:MP-03AB : RT-44A84R 2003.09 P/NO : 3828VD0138T - 2 - - 3 - X ‰ O2@6X?hf ?O2@@@@@)?hf ?@@@@@@?f@KfO26Xe ?@@?f@@@@@@@@@)e ?@@?f@@f?@@He ?@@?f@@f?@@?e ?@@?O26X@@f?@@?e @@@@@@@@@@@@@@f?@@?e W@@?f@@f?@@?e 7@@Lf@@f?@@?e @@@)K?e@@f?@@?e ?J@@@V'6X?@@f?@@?e W&Y@@?V'1?@@f?@@?e 75?@@??V'?@@f?@@?e ?J@H?@@?f@@f?@@?e ?75??@@?f@@f?@@?e J(Y??@@?f@@@@@@@@@?e ?W.Ye?@@?f@@f?@@?e ?.Y?e?@@?f@5f?@5?e ?@@?f(Yf?(Y?e ?@@? ?@5? ?(Y? Ω 1.5 Kohm/10W To Instrument's exposed METALLIC PARTS Good Earth Ground such as WATER PIPE, CONDUIT etc. AC Volt-meter 0.15uF - 4 - 10% 90% 90% 99% B (ES) ES ES ES ES ES ES ES ES ES ES ES ES 500 F 600 F RMA 60% 40% 0.5 1.25cm 500 F 600 F - 5 - IC ( ) IC IC IC 5 6 IC IC IC IC ( ) U U IC IC IC U IC IC 1/4 ° MP-03AB RE-44NA14T/13RB RE-40NZ60RB/RP RT-44NA14T/13RB RT-40NZ60RB/RP RT-44NA43RB/RP RL-44NA14T/13RB RL-40NZ60RB LG ‘T’/ ‘RB’ : Teletext option - 6 - RE-44NA14T RE-39NZ60RB SAFETY : CB CE EMI : EN55013 EMS : EN55020 OK - 7 - Recieving System Available Channel Input Voltage Market Screen Size Aspect Ratio Tuning System TUNER IF Operating Environment Storage Environment No 1 2 3 4 5 6 7 8 9 10 ? ? ?@6K ? J@@@@? ? 7@@? ? ?J@@@?e?O2@6Khe? ?7@@@@@@@@@@@@@?h? J@@@@Xe?W@@(Mhe? 7@(?')X?W&@(Y?he? ?J@(Y?V')?&@(Yhf? W&(Yf@@@@H?hf? &0Y?eW&@@@@hg? ?O&@0?4@@6K?he? ?O2@0Me?I4@@6K?h? ?O2@@?h@@@@@@@?f? ?O2@@@@@@@@@@@@@@@@@0Mg? @@0Y@@@?e@@@?e@@@?h? @@@?e@@@?e@@@?h? @@@?e@@@?e@@@?h? @@@@@@@@@@@@@@@?h? @@@?e@@@?e@@@?h? @@@?e@@@?e@@@?h? @@@?e@@@?e@@@?h? @@@@@@@@@@@@@@@?h? @@(Mh@@5?h? @0Y?h@0Y?h? ? ? ? ? ? ? ? ?'@6X?hf? @@6Xf?V'@)Xhf? N@@)X?fN@@,hf? ?3@@,?f?@0Yhf? ?V4@U?h?O2@6Xg? @6X??I4@@@@@@@@@@@@@@)g? 3@)Xh@@@?hf? N@@1?@@?f@@@?hf? ?3@@?@@?f@@@?hf? ?V4@X@5?f@@@?hf? ?B@@H?f@@@?hf? ?J@5g@@@?O2@6X?g? ?7@H?@@@@@@@@@@@@@)?g? J@@?g@@@?hf? ?O&@@?g@@@?hf? @@@@@?g@@@?hf? @@@?g@@@?hf? @@@?g@@@?hf? @@@?g@@@?eW26Xg? @@@?g@@@??O&@@)X?f? @@@@@@@@@@@@@@@@@@@@)?f? 3@@? ? V4@? ? ? ? ? ? AV can be input NTSC-M (RL model for Fance) (RT model w/o China) (RE,RL, China model) (With Teletext model) (W/O Teletext model) PAL, SECAM-BG PAL, SECAM-DK, PAL-I PAL, SECAM-BG SECAM-LL’ PAL, SECAM-BG, PAL, SECAM-DK, PAL-I NTSC-M 1) VHF : E2 ~ E12 2) UHF : E21 ~ E69 3) CATV : S1~S20 4) HYPER : S21~S41 LL’VHF : B,C,D AC 110-240V~, 50/60Hz AC 230V~, 50/60Hz Europe except France France Asia, Africa, Middle East 44/49/54, 39/40/45/50/57 inch 4:3, 16:9 FVS 100 Program FVS 200 Program 38.9MHz, 39MHz 1)Temperature : -5 ~ 40 °C 2) Humidity : 30 ~ 95 % 3) Temperature :-20 ~ 50 °C 4) Humidity : 30 ~ 95 % RE RL RT RE RL RT - 8 - Feature AV Input AV Output Component Input S-Video Input SCART key Local Key Remocon Picture PSM User Control DRPC VM Convergence Sound SSM AVL DBS TV Speaker Balance Timer Clock Off time On time Auto sleep Special Language Input PIP Input child lock Etc. Convergence Comb Filter SVM ARC ACMS Auto Off Teletext No 1 2 3 4 5 6 7 ? ? ?@6K ? J@@@@? ? 7@@? ? ?J@@@?e?O2@6Khe? ?7@@@@@@@@@@@@@?h? J@@@@Xe?W@@(Mhe? 7@(?')X?W&@(Y?he? ?J@(Y?V')?&@(Yhf? W&(Yf@@@@H?hf? &0Y?eW&@@@@hg? ?O&@0?4@@6K?he? ?O2@0Me?I4@@6K?h? ?O2@@?h@@@@@@@?f? ?O2@@@@@@@@@@@@@@@@@0Mg? @@0Y@@@?e@@@?e@@@?h? @@@?e@@@?e@@@?h? @@@?e@@@?e@@@?h? @@@@@@@@@@@@@@@?h? @@@?e@@@?e@@@?h? @@@?e@@@?e@@@?h? @@@?e@@@?e@@@?h? @@@@@@@@@@@@@@@?h? @@(Mh@@5?h? @0Y?h@0Y?h? ? ? ? ? ? ? ? ?'@6X?hf? @@6Xf?V'@)Xhf? N@@)X?fN@@,hf? ?3@@,?f?@0Yhf? ?V4@U?h?O2@6Xg? @6X??I4@@@@@@@@@@@@@@)g? 3@)Xh@@@?hf? N@@1?@@?f@@@?hf? ?3@@?@@?f@@@?hf? ?V4@X@5?f@@@?hf? ?B@@H?f@@@?hf? ?J@5g@@@?O2@6X?g? ?7@H?@@@@@@@@@@@@@)?g? J@@?g@@@?hf? ?O&@@?g@@@?hf? @@@@@?g@@@?hf? @@@?g@@@?hf? @@@?g@@@?hf? @@@?g@@@?eW26Xg? @@@?g@@@??O&@@)X?f? @@@@@@@@@@@@@@@@@@@@)?f? 3@@? ? V4@? ? ? ? ? ? Side (Rear, RT model) (Rear, RT model) Rear 480i/ 480P/ 576i (1080i for CHINA) side 1, Rear 1 (Rear, RE,RL model) Front INDEX (With Index) Tint : NTSC system only 3*3 EDC Dolby virtual (Option) S-VIDEO4 (EU ONLY) S-VIDEO4 (EU ONLY) 1 V/L/R 2 V/L/R 1 V/L/R 2 COMPONENT1, L/R COMPONENT2, L/R 2 Y/C 3 Full SCART (with RGB Input) : 1 Half SCART : 1 (AV In/Out) Half SCART ; 1 (AV In, YC In) POWER, MENU, VOL(F,G), PR(D ,E) TV/AV, OK, MUTE (W/O Index) NEC Code Dynamic/ Standard/ Mild/ Game/ User Contrast/ Brightness/ Colour/ Sharpness/ Tint On/ Off 1/ 2/ 3/ 4 1[+] Point/ 9[+] Point Auto Convergence Dolby Virtual/ Flat/ Music/ Movie/ Speech/ User On/ Off On/ Off On/ Off L 50 ~ 0 ~ R 50 -- : -- AM -- : -- AM Off (On) -- : -- AM Pr 1 VOL 30 Off(On) On/ Off Multi language TV/ AV1/ AV2/ AV3/ AV4/ S-VIDEO4/ Component1/ Component2 TV/ AV1/ AV2/ AV3/ AV4/ S-VIDEO4 On/ Off MANUAL ADJUST Auto Adjust Digital comb filter O 4:3/ 16:9 (4:3 Model) 16:9/ 14:9/ ZOOM/ AUTO/ 4:3 (16:9 Model) O On/ Off TOP/ FLOF/ LIST - 9 - - 10 - - 11 - “ ” “ ” “ ” “ ” “ ” “ ” L L Mechanical center L °¬!2mm Red/Blue Light Green Light 45mm “ ” “ ” “ ” “ ” “ ” “ ” “ ” “ ” “ ” “ ” “ ” “ ” - 12 - 0V 165V±0.5V 2 Pole Magnet 4 Pole Magnet 6 Pole Magnet - 13 - Fifth Vertical Line Fifth Vertical Line Third Bar Third Bar Sixth Vertical Line - 14 - Lens Red Green Blue Change of chromatic aberration Orange ¤ A Scarlet Blue ¤ A Red Purple ¤ A Green CHROMATIC ABERRATION CROSS HATCH SIGNAL Fig. 3 Fifth Vertical BAR “ ” “ ” “ ” “ ” “ ” “ ” “ ” “ ” ‘ - 15 - - 16 - Fifth Vertical Line 100% and 80% GRAY PATTERN - 17 - HGD HRD VGD BPH BPV 29 42 44 22 35 27 55 23 20 18 27 55 38 18 26 Horizontal Grid Distance Horizontal Retrace Distance Vertical Grid Adjustment Border Position Horizontal Border Position Vertical (PAL) (NTSC) (1080i) 24 19 30 6 31 31 110 60 3 3 MICOM NO NO 29 23 31 9 31 31 110 60 3 3 MICOM NO NO 29 23 31 9 31 31 110 60 3 3 MICOM NO NO 30 27 32 13 31 31 110 60 3 3 MICOM NO NO 28 26 31 54 31 31 110 60 3 3 MICOM NO NO 30 27 32 0 31 31 110 60 3 3 MICOM NO NO Focus parabola top value Focus parabola middle value Focus parabola bottom value Focus parabola position Start of the retrace value Focus value during frame retrace Force the video pattern fast blanking Auto convergence offset Pattern Bright Horizontal Pattern Bright Vertical EEPROM/MICOM selection Initialization of AC Pattern data Initialization of ADJ. Focus data 4:3 TV (WIDE = 0 ) PAL NTSC 1080i NTSC PAL 1080i 16:9 TV (WIDE =1) FV1 FV2 FV3 VFP FSB FVR STA ACO PBH PBV OPT ACINIT ADJINIT 8.OSD 9.AC PATTERN ADJ :Assign location for pattern start O SVC 1. (IC:CXA2100) 2. MSP3411G) - 18 - 8,17 10,15 11,14 11,16 13,17 13,17 9,5 10,7 10,9 17,16 17,15 18,17 14,17 14,17 15,16 18,9 18,8 19,6 H,V H,V 4,7 3,7 3,6 6,18 5,20 4,18 H,V 10,33 12,31 13,28 14,27 15,29 15,30 12,5 13,6 13,10 14,30 14,32 15,33 11,31 11,29 12,29 15,11 15,9 16,10 H,V H,V 5,17 3,15 3,15 6,28 5,28 4,28 H,V 14 27 29 0D 1F 09 20 75 09 1F 2D 14 1F 13 20 75 RD GD BD RC GC BC S-BRI DVCO Description Red Drive Green Drive Blue Drive Red Cut-off Green Cut-off Blue Cut-off Sub BRIGHT Digital VCO Range Default • MDB(MICRONAS DYNAMIC BASS) 14 53 12 66 66 2D 19 09 OB FC FM NP SP S1 VOL S2 VOL MDB-STR MDB-HMC MDB-HP MDB-LP MDB-LIM FM Prescaler NICAM Prescaler SCART Prescaler SCART 1 Volume SCART 2 Volume MDB Effect Bass Strength MDB Harmonic Content MDB High Pass MDB Low Pass MDB Amplitude Limit Range Default RE/RL RT - 19 - 03 00 00 00 03 01 02 03 02 00 01 02 03 02 0A 05 0B 07 1f 1f 07 00 00 00 02 02 03 00 00 D-COL EXTSW SHPFO BLKBT PREOV CTILE LTILE PLMTL ABLMO CTI-M LTI-M GAMMA DPIC DC-TR S-CON LRGB2 P-ABL ABLTH CB-OF CR-OF Y-OFF AGN-W AGN-B SYSTM VM-DL VM-FO VM-LE FLCOL FL-SW Dynamic color mode setting Selects the Y/Cb/Cr input or EY/ECb/Ecr Sharpness f0 setting RGB output bottom limiter level control (for blanking/signal) Pre-shoot/over-shoot ratio setting CTI level setting LTI level setting RGB output amplitude level setiing ABL mode setting CTI mode setting LTI mode setting RGB output GAMMA correction amount control Dynamic picture(black expansion) control Y system DC transmission ratio setting Sub Contrast control Picture level control for LRGB2 RGB output level detection DC setting for PEAK ABL Threshold voltage adjustment for ABL_IN input DC_OFFSET canceling for Cb signal DC_OFFSET canceling for Cr signal DC_OFFSET canceling for Y signal White(80IRE) output aging mode ON/OFF switch All blank(0IRE) output aging mode ON/OFF switch Selects the signal band VM_OUT phase control VM_OUT level control VM_OUT f0 setting Flesh color enhancement function control Flesh color enhancement function ON.OFF switch Range PAL 3. (IC:CXA21801) - 20 - 07 0A 08 06 00 00 00 00 00 00 00 00 00 00 00 01 39 0F 00 00 01 00 00 02 00 00 07 00 00 R-Y R R-Y B G-Y R G-Y B UP-BL LO-BL EW-DC UP-UP LO-UP UP-UG LO-UG UC-PO VB-SW CLP-S NON-I AFC-M L-BLK R-BLK CLP-P CLP-G HB-SW ZOOSW JMPSW VFREQ VCOMP HCOMP AKBTM BLK-O AKBOF R-Y axis + (R-Y) component setting R-Y axis + (B-Y) component setting G-Y axis + (R-Y) component setting G-Y axis + (B-Y) component setting VBLK position control for top of picture, when VBLK_SW = 1 VBLK position control for bottom of picture, when VBLK_SW=1 EW_DRV signal DC level down switch Horizontal pin distortion compensation position adjustment for extreme top edge of picture Horizontal pin distortion compensation position adjustment for extreme bottom edge of picture Horizontal pin distortion compensation amount adjustment for extreme bottom edge of picture Horizontal pin distortion compensation amount adjustment for extreme top edge of picture Horizontal pin distortion compensation polarity setting for extreme top/bottom edge of picture VBLK period mode setting switch Internal clamp pulse start phase setting Interlace/progressive mode switch AFC loop gain control HBLK width control for left side of picture when HBLK_SW =1 HBLK width control for right side of picture when HBLK_SW =1 Internal clamp pulse phase control Switch for gating internal clamp pulse with input HSYNC HBLK width control ON/OFF switch during 4:3 software full display mode on a 16:9 CRT Zoom mode ON/OFF switch for 16:9 CRT Reference pulse jump mode ON/OFF switch Vertical frequency setting High voltage fluctuation compensation amount setting for vertical picture size High voltage fluctuation compensation amount setting for horizontal picture size AKB Bch reference pulse timing setting Blanking ON/OFF SW when AKBOFF=1 Automatic cut-off/manual cut-off setting Range PAL 4. (IC:CXA21802) - 21 - 0 0 0 0 1 0 0 0 0 0 0 0 0 0 0 1 0 0 0 1 INPUT MAT-O VFREQ SELS1 SELS2 FIX-S V-TC H-WID HSEPS HD-DC HYSW HS-MA MACRO SELDU CLK-S G-SEL CBGAI CRGAI YGAIN HFREQ Selects the four systems of inputs IN1 to IN4 Selects the type of matrix conversion Selects the frequency of the dummy sync output to SELV_OUT(pin23) Selects the type of the signal input to IN1_H/L1(pin36) and IN1_V/L2(pin37) Selects the type of the signal input to IN1_H/L1(pin44) and IN1_V/L2(pin45) Swithches the sync identification circuit operating mode Sets the V sync separation time constant Sets the SELH_OUT (pin22) output pulse width Sets the sync separation method. (Valid for YG_IN(Pin16) input) Sets the H sync separation time constant of the YG_IN (Pin16) input Switches the signal output to YG_OUT (Pin 15) Sets whether or not to add H-sync within V-sync at SELH_OUT(Pin22) Switch for eliminating the macrovision signal of the 525P signal at SELH_OUT (Pin22). This is valid only when HFREQ =1 This Switch selects whether to output the sync separated signal or the dummy Sync to SELH_OUT (Pin22) and SELV_OUT(Pin23) This switch selects the clock for the sync counter This switch selects the gain or mute of the signals output to SELCR_OUT (Pin25), SELCB_OUT(Pin26) and SELY_OUT (pin27) SELCB_OUT(Pin26) gain control SELCR_OUT(Pin25) gain control SELY_OUT(Pin27) gain control Selects the frequency of the dummy sync output to SELH_OUT(Pin22) Range PAL 5.CXA2151Q - 22 - 1 2 3 4 5 6 7 200PR TSEAR I /II SR TOP Eye A2 ST SYS 1 : 200 PROGRAM (CHINA ONLY) 0 : 100 PROGRAM (OTHER CONTRIES) 1 : WITH TURBO SEARCH 0 : WITHOUT TURBO SEARCH (FRANCE) 1 : SAVE DUAL SOUND CONDITION (RT) 0 : NOT SAVE DUAL SOUND CONDITION(RE/RL) 1 : TOP + FLOF TEXT 0 : FLOF TEXT 1 : WITH DIGITAL EYE 0 : WITHOUT DIGITAL EYE 1 : WITH FM STEREO 0 : WITHOUT FM STEREO 0 : BG/ I/ DK (RE MODEL) 1 : BG/ L (RL MODEL) 2 : BG/ I/ DK/ M (RT MODEL) 3 : RESERVED 1 : LIST no operation 0 : LIST operation 1 : RT/ RE 2 ; RL 1 : NON - EU 2 : EU 1 : Dutch/ Swiss/ Austria/ Sweden/ Norway/ Finland/ Poland/ Italy/ Spain/ Benelux 3 2 : OTHERS 1 : ALL 0 : 0 : BG/ I/ DK 1 : 2 : 3 : No Item Option 1 1 2 3 4 5 6 7 8 ACMS VOL Wide EU Compo 1080i PC DRP 1 : WITH CHANNEL NAME DISPLAY 0 : WITHOUT CHANNEL NAME DISPLAY 1 : RUSHED SOUND CURVE (ASIA, MIDDLE EAST ASIA) 0 : STANDARD SOUND CURVE (OTHER CONTRIES) 1 : 16 : 9 0 : 4 : 3 1 : RE/ RL MODEL 0 : RT MODEL 1 : WITH COMPONENT INPUT 0 : WITHOUT COMPONENT INPUT 1 : WITH 1080i INPUT 0 : WITHOUT 080i INPUT 1 : WITH VGA PC INPUT 0 : WITHOUT VGA PC INPUT 1 : WITH H - FILTER 0 : WITHOUT H - FILTER 1 : ALL CONTRIES EXCEPT AUSTRAILIA 0 : AUSTRAILIA 1 : NZ TOOL 2 : NA TOOL AV MODE sequence decision No Item Option 2 6. OPTION ? ? ? ? ? ? @6K?f?@6Khe? ?@6X@@@@@6K??@@@@?h? ?N@@@@@?@@@@?@@@H?h? 3@@@@@@(M?J@@5he? V'@@@@@Ue7@@Hhe? ?V@@@@V@6X@@@?O2@6X?f? @@@@@@@@@@@@@@@@@@@@)?f? ?W@@@?e?W@@(Y@@h? ?7@@@@6X?7@@H?@@h? J@@@@@@)X@@@e@@h? ?O&@@@@V'@@@@@e@@h? @@0Y@@5??@(Y@@L?@@h? @@YO&@e3@1?@5h? @@@@@@@@@@@?N@@?@Hh? ?@@??@@@H??@@@@?h? J@@?J@@5e?3@@@?h? @@@W&@@Hf@@@?h? ?I'@@@@?e?7@@@?h? ?@@@@LeJ@@@@?h? ?O&(?'@1?W&@(Y@@6Kg? ?O2@(Y?V4@T&@0Y?3@@@@?f? @@@0Y?e?V@(M?eV40Mg? @@0Yhg? ? ? ? ? ? ? ? ? ? ? ? ?@6X ? ?@@)?@6Kf?O2@6Xg? ?@@H?@@@@@@@@@@@@)g? ?@@??@@@g@@@Hg? ?@@??@@@g@@@?g? ?@@@@@@@g@@@?g? @@@@@@@@@@@@@@@@@@5?g? ?@@??@@@e?@@?@(Y?g? ?@@?J@@@e?@@@(Yh? ?@@W&@@@e?@@@H?h? J@@@@@@@e?@@@W2@6X?f? ?O&@@(Y@@@@@@@@@@@@@)?f? '@@@@H?@@@e?@@@he? V4@@@??@@@L??@@@he? ?@@??@@@)K?@@@@@6Xg? ?@@?J@@@@@@@@@@@@)g? ?@@?7@@@@@f@@@Hg? ?@@?@@@@@@f@@@?g? ?@@?@@?@@@f@@@?g? ?@@@@5?@@@f@@@?g? @@@@@@(Y?@@@@@@@@@@?g? ?I'@@(Y??@@(M?e@@5?g? V40Ye?@0Yf@0Y?g? ? ? ? ? ? ? ? ? ? ? ? ? ?'@6X??@6KgO2@6X?f? ?V'@1??@@@@@@@@@@@@@)?f? N@@??@@@e@@e?@@@H?f? ?3@??@@@e@@@@?@@@g? ?V'??@@@e@@@Y?@@@g? ?@@@@@@@@@@@@@g? ?@@@e@@@?W@@@g? O26X?@@@e@@@W&@@@g? @@@@@)?@@@@@@@@@@@@@g? ?@@H?@@@g?@@@g? ?@@??@@@@@@@@@@@@@g? ?@@?J@@@@@@?@@@@@@g? ?@@W&@@@@@@?@@@@@@g? ?@@@@@@@@@@?@@@@@@g? ?@@@X@@@@@@@@@@@@@g? J@@V@@@?@@(?40Y@@@g? ?W&@@?@@@?@0Y?e?@@@g? ?*@@5?@@5?g?@@@g? ?V40YJ@(Y?f@@@@@5g? W&(Yh@@(Yg? &0Y?h@0Y?g? ? ? ? ? ? ? ? ? ? ? ? ? @6K?f?@6Khe? @@@6K?eJ@@@(?h? @@@V@@6?&@@(Y?h? @@@@@@@@@@@@@@@YO2@6X?f? @@@?f@@@@@@@@)?f? ?@6X@@@W2@@?@@(Y@@h? ?@@@@@@@@@@?@@e@@h? ?@@@@@@?@@@@@@)X@5h? ?@@@@@@?@@@@@@@@@Hh? ?@@@@@@@@@0Me@@@?h? @@@@g@@@?h? ?W2@@@@@@6KO2@@@@@@@@?f? W&@@@@0M?I4@0MeW@(Mg? &@X?he?O&@h? ?I4@@@@@@@@@@@@@@@@?g? ?@@@hg? @6K??@@@?O2@@?h? @@@@?@@@@@@@@?h? @@@H?@@@hg? @@@??@@@hg? @@@??@@@fO2@6X?f? @@@@@@@@@@@@@@@@@@@@)?f? ? ? ? ? ? ? - 23 - 1 2 3 4 5 6 7 8 PIP INDEX HDEV D - PRO D - VIR TEXT SCART CH + AU 1 : WITH PIP 0 : WITHOUT PIP 1 : WITH INDEX 0 : WITHOUT INDEX 1 : HIGH DEVIATION MODULATION (CHINA) 0 : RF NORMAL SOUND MODULATION (OTHERS) 1 : WITH DOLBY PRO LOGIC 0 : WITHOUT DOLBY PRO LOGIC 1 : WITH DOLBY VIRTUAL SURROUND 0 : WITHOUT DOLBY VIRTUAL SURROUND 1 : WITH TELETEXT 0 : WITHOUT TELETEXT 1 : RF 54% MODULATION INPUT 0 : RF 100% MODULATION INPUT 1 : CHINA + AUSTRAILIA CHANNEL TABLE 0 : OTHER CONTRIES CHANNEL TABLE 1 : China/ Saudi/ Indo/ Indonesia 0 : 1 ; 0 : ALL Model 1 : 0 : ‘4’ series Model Only No Item Option 3 1 2 3 4 5 6 7 8 AV4 - S BOOSTER AV SV SAV4 EZ-AV B - DEF I-KEY HAIER 1 : WITH SCART TYPE 0 : WITH PHONE TYPE 1 : WITH BOOSTER 0 : WITHOUT BOOSTER 1 : SAVE LAST AV 0 : NOT SAVE LAST AV 1 : WITH SAV4 (RE, RL) 0 : WITHOUT SAV4 (RT) 1 : WITH EZ-AV 0 : WITHOUT EZ-AV 1 : BOOSTER DEFAULT ON AFTER CHANNEL SEARCH 0 : BOOSTER DEFAULT OFF AFTER CHANNEL SEARCH 1 : WITH INDEX KEY IN THE LOCAL BUTTON 0 : WITH MUTE KEY IN THE LOCAL BUTTON 1 : HAIER OEM ONLY 2 : OTHERS 1 : SCART -> over 1 0 : PHONE ONLY 1 : 3 SCART area S-JACK 0 : 3 SCART except EU 1 : RT 0 : Scart jack (RE/RL) 1 : DEFAULT “1” 0 : No Item Option 4 - 24 - LANGUEGE T-LAN 0:ENG Only 1:EU 5EA 2:EU ETC 3:GREECE 4:PARSI 5:ARAB URDU 6:English+Hindi 7:English+I+M+V 8:English+THAI 9:English+China 0:West Europe 1:East Europe 2:Turkey EU 3:EAST EU2 4:Cyrillic 1 5:Cyrillic 2 6:Cyrillic 3 7:Turkey/Greek 1 8:Turkey/Greek 2 9:Turkey/Greek 3 10:Arab/France 11:Arab/English 12:Arab/Hebrew 1 13:Arab/Hebrew 2 14:Farsi/English 15:Farsi/France 16:Farsi all 1 2 No. Option 5 - 25 - - 26 - - 27 - - 28 - - 29 - - 30 - - 31 - - 32 - RF IN TUNER & IF FOR MAIN TUNER & IF FOR PIP RF IN PIP IN CXA-2069 7 INPUT 3 OUTPUT AV-1 AV-2 AV-3 AV-4 VIDEO & AUDIO(R/L) VIDEO & AUDIO(R/L) VIDEO & AUDIO(R/L) VIDEO & AUDIO(R/L) Ident Ident Ident Ident Ident Ident Ident Ident Side AV Side AV Y&C Y&C Y&C Y&C CXA-2151 4 INPUT 1 OUTPUT TV V1 V2 S2-2 Y2,C2 V1 S2-1 V4 S2-4 Y4,C4 V3 S2-3 COMP-1 YPbPr(480i/p,567i) 1080i(option) COMP-1 R/L YPbPr(480i/p,567i) 1080i(option) COMP-2 COMP-2 R/L RGB H/V PC(VGA) VSP VSP--9427B 9427B MAIN-CVBS PIP-CVBS CXA CXA --2180 2180 YPbPr Audio is use in common with AV-2 YPbPr(480i/p,1080i) YPbPr 1080i) YPbPr(480i/p) YPbPr(VGA YPbPr(VGA )) H/V 74 74LS LS 157 157 H/V (1080i) H/V H-SYNC V-SYNC SCART-1-IN SCART-2-IN SCART-3-IN ANA-IN (SIF) SIF TO MSP-34XX L/R -OUT MONITOR-CVBS-OUTPUT Selected AUDIO OUTPUT H/V(480i/p,1080i) RGB H/V DEFLEC- TION CVBS-4 CVBS-5 RGB&FB (OSD,Caption ) RGB1 RGB2 CVBS-8 VIN MAIN L/R MAIN L/R MONITOR OUTPUT MONITOR OUTPUT TV TV--OUTPUT OUTPUT VARIABLE AUDIO OUTPUT VARIABLE AUDIO OUTPUT SCART-2-OUT DACM-L/R MSP--3411G LGDT LGDT 1000B 1000B YPbPr MAIN-C CVBS-2 MAIN-Y CVBS-5 IC700 IC262 IC265 IC264 IC501 IC266 IC600 (480i/p) IC602 KA4558 KA4558 ICX601 LM4765T LM4765T To Speaker YCbCr ExYCbCr RGB&FB (C/G) (EU AV4) (EU AV1) (Option) - 33 - - 34 - MAIN1 (TOP) - 35 - MAIN1 (BOTTOM) - 36 - MAIN2 - 37 - C401..........E2 C403..........F2 C405..........F5 C407..........D2 C409..........D2 C410 .........G4 C411..........D2 C412 .........G4 C413 .........G1 C414 .........G1 C415..........D2 C416..........E2 C417..........F3 C418 .........G2 C419..........D3 C420..........F2 C421..........D3 C423 .........G1 C424..........D1 C425..........D1 C426..........D1 C429..........E4 C430..........F3 C432..........E2 C433..........E2 C435..........E2 C436..........D2 C437..........F2 C443 .........G4 C444 .........G4 C446 .........G4 C448 .........G3 C449 .........G3 C451 .........G2 C452 .........G3 C455 .........G4 C461..........E4 C462..........F5 C464..........E5 C466..........F2 C467..........F2 C468..........D5 C469..........F2 C470..........F4 C471..........F2 C472..........F4 C474..........F3 C475..........E3 C476..........F5 C477..........F3 C478..........D3 C481 .........G2 C484 .........G4 C486..........F3 C491 .........G1 C493 .........G1 C802..........B5 C803..........B4 C804..........C5 C805..........C5 C806..........C4 C807..........C5 C808..........B4 C809..........B4 C810..........B4 C811..........A5 C812..........A5 C813..........A5 C816..........A4 C829..........C4 C830..........C5 C831..........A4 C832..........A4 C833..........A4 C834..........A1 C841..........A3 C842..........A2 C851..........A2 C852..........A2 C853..........A2 C854..........A1 C861..........A2 C862..........A2 C863..........B2 C866..........A1 C871..........B3 C872..........B3 C873..........B2 C874..........B2 C876..........A1 C881..........B3 C882..........B2 C884..........C2 C888..........B1 C889..........C2 C891..........B2 C892..........B2 C893..........C2 C895..........C3 C896..........C3 C897..........C3 C898..........C3 C899..........C1 C42A..........F2 C46A.........G1 C46C.........G2 C46D.........G3 C46E.........G4 C46H .........E1 C46J..........G2 C46K..........F4 C49A.........G1 C49B..........F1 D401 .........G3 D402..........B1 D403 .........G3 D404..........B1 D406 .........G3 D408..........E3 D409 .........G2 D410..........F3 D414..........E4 D415..........E4 D416..........E5 D417..........F5 D418..........F4 D419..........F2 D420..........F2 D421 .........G4 D422..........E2 D423..........E3 D424..........E3 D425..........F2 D427..........D3 D430 .........G4 D431..........F4 D434 .........G4 D435..........F4 D437 .........G2 D440..........F3 D488..........D2 D803..........C5 D804..........C4 D805..........C5 D810..........A4 D811..........A5 D812..........A5 D813..........A5 D831..........A4 D832..........A1 D833..........A4 D841..........A3 D842..........A1 D851..........A3 D852..........A1 D853..........A1 D861..........B2 D862..........B2 D863..........A1 D864..........B1 D873..........B1 D874..........B1 D876..........B1 D881..........B3 D891..........B2 D892..........C3 FB402........D2 FB403........F3 FB801........B5 FB802........B4 FB805........B4 FB841........A3 FB851........A3 FB852........A2 FB861........A3 FB871........B3 FB872........B3 FB881........B3 FB882........C1 FB891........B3 FB892........B3 IC401.........F2 IC402 ........G3 IC403 ........G2 IC404.........E1 IC405 ........G4 IC408 ........G2 IC409.........F1 IC410 ........G1 IC801.........C4 IC802.........A5 IC831.........A4 IC832.........A4 IC833.........B3 IC851.........A2 IC881.........B2 IC891.........C3 J403...........F1 J404...........F1 J407...........F1 J409 ..........G2 J410 ..........G4 J411...........F4 J412 ..........G4 J414...........F3 J415...........F2 J416...........F2 J417...........F2 J418...........F2 J419 ..........G2 J421 ..........G3 J423 ..........G3 J425 ..........G3 J426 ..........G4 J428...........E3 J429...........F2 J430...........F2 J431...........F2 J432...........F2 J434...........E2 J435...........E2 J436 ..........D2 J437...........F1 J438...........F1 J439...........F1 J445...........E1 J446...........E1 J447...........E1 J448...........E1 J450 ..........D1 J451 ..........D1 J453 ..........D2 J454 ..........D2 J456 ..........D3 J458...........E3 J459 ..........D3 J460 ..........D3 J461...........E4 J462...........E3 J463...........E4 J464 ..........D4 J465 ..........D5 J466 ..........D5 J467...........E5 J469...........E4 J803 ..........C4 J804 ..........C4 J805...........A4 J806...........B5 J807...........B5 J831...........A2 J832...........A1 J833...........A1 J834...........A1 J835...........A1 J836...........A1 J837...........B1 J838...........B1 J839...........B2 J840...........B1 J841 ..........C1 J842 ..........C1 J843 ..........C1 J844...........B1 J845...........B1 J846 ..........C1 J847 ..........C2 J848...........B3 J849 ..........C3 J850 ..........C3 J851 ..........C2 J853 ..........C2 J854 ..........C2 J855 ..........C3 J856 ..........C3 J857...........B2 J858...........B3 J859...........A2 J860...........A2 J861 ..........C1 J862 ..........C2 J863...........B2 JP1 ............B5 JP2 ............A5 JP3 ............A5 JP4 ............B5 JP5 ............B5 JP6 ............A5 JP7 ............A5 JP8 ............A4 JP9............C5 JP10..........C5 JP11..........C1 JP12..........C1 JP13..........C1 JP14 ..........B2 JP15 ..........B2 JP16..........C3 JP17..........D2 JP18 ..........E2 JP19 ..........E2 JP20 ..........F3 JP21..........G2 JP22..........G2 JP23..........G2 JP24..........G2 JP25..........G2 JP26..........G2 JP27..........G3 JP29..........C5 L401 ..........D2 L403...........F3 L404 ..........D4 L405...........F3 L852 ..........A1 L861 ..........B2 L891 ..........C2 L892 ..........C3 P415..........G2 P416..........G3 P417 ..........F5 P420..........G2 P421 ..........F5 P804..........C5 P805..........C5 P401A .......G1 P403A........E1 P404A........E1 P405A........F3 P406A .......C1 P410A .......D2 P410C .......E2 P410E........E2 P410F........E2 P42A..........F5 P42B..........F5 P42C..........F5 P801A........B5 P801B........B5 P801C .......B5 P801D .......B5 P841A........B1 P861A........A1 Q402 .........D1 Q403 .........D2 Q405 .........G5 Q406 .........G5 Q407 .........G3 Q408 .........G3 Q409 .........G4 Q410 .........G4 Q413..........F4 Q416 .........D5 Q417..........E2 Q420 .........D3 Q423 .........G4 Q424..........E3 Q428 .........G4 Q432..........E2 Q802..........A4 Q831..........A4 Q832..........A3 Q872..........B1 Q891 .........C2 Q46A.........G1 R400..........F2 R401..........C2 R402 .........G4 R403..........C2 R404..........C1 R405..........F4 R406..........F3 R407..........F4 R408 .........G4 R409 .........G4 R410..........C4 R411 .........G4 R412 .........G4 R413..........F5 R414..........C3 R415..........C3 R416..........F5 R417..........F5 R418 .........G2 R419 .........G5 R420 .........G3 R421 .........G4 R422..........F4 R423..........F4 R425..........F3 R426..........E2 R428..........E2 R429..........F2 R430..........D5 R431..........E2 R432 .........G4 R433..........D3 R434..........E2 R435..........E2 R436..........F1 R437 .........G4 R438 .........G3 R439 .........G4 R440 .........G3 R441..........E1 R442 .........G4 R443 .........G4 R449 .........G3 R450 .........G3 R451 .........G3 R452 .........G3 R454..........E3 R457 .........G4 R458 .........G3 R459 .........G3 R460 .........G2 R461 .........G3 R462 .........G2 R463 .........G2 R464 .........G2 R465..........F2 R466 .........G2 R467..........D1 R468..........F2 R469..........D1 R470..........D5 R473..........F1 R474..........D3 R476..........F4 R477..........F2 R478..........F4 R479..........E4 R480..........F4 R481..........F5 R482..........F5 R483 .........G3 R484 .........G3 R485..........E4 R486..........D5 R487..........D2 R488..........D2 R489..........E4 R490 .........G3 R491..........E4 R492..........F2 R493..........F3 R494..........E4 R495..........F2 R496..........F2 R497..........F2 R498..........D5 R499 .........G2 R802..........C4 R803..........B4 R804..........B4 R805..........A4 R806..........C5 R807..........C4 R808..........C4 R811..........A5 R815..........A5 R817..........A5 R818..........A5 R819..........A5 R820..........A5 R821..........A5 R827..........A5 R828..........A5 R829..........A5 R830..........C4 R831..........A4 R832..........A4 R833..........A4 R834..........A4 R835..........A3 R836..........A3 R837..........A1 R838..........A1 R839..........A4 R840..........A1 R851..........A1 R861..........B1 R871..........B1 R872..........B2 R887..........C2 R891..........C3 R892..........C3 R893..........C3 R894..........C3 R895..........C2 R897..........C2 R898..........B1 R899..........C2 R40A..........F2 R40C.........D3 R40D.........C3 R40E .........D3 R40F .........D3 R40G.........B1 R40H .........B1 R40I ..........G4 R40J..........G4 R40K .........C3 R40L..........D3 R40M.........D3 R40N .........F2 R40P.........G4 R40Q .........F2 R40T .........G2 R40U.........G2 R40V..........F2 R40W........G2 R40X .........E1 R40Y..........F3 R40Z .........D2 R41A .........E1 R41B .........E1 R41C.........C2 R41D.........G4 R41E .........C2 R41K .........E3 R41L..........E3 R41M.........E1 R41N .........E1 R41P .........C2 R41R.........C2 R42A..........F2 R46A.........G2 R46B.........G1 R46D.........G3 SCR1.........F2 SCR2.........E3 SG401 .......F5 SG402.......G5 T401..........D1 T402 ..........F5 T403 ..........E4 T405 ..........F3 T406..........G5 T801 ..........B3 T805 ..........A5 VR401.......G2 ZD401 .......G3 ZD404 .......G3 ZD405 .......G3 ZD406 .......G3 ZD407 .......G3 ZD410........E2 ZD411 .......D1 ZD412 .......G4 ZD413........E2 ZD415........E1 ZD831........A4 ZD46A .......F1 - 38 - DIGITAL (TOP) DIGITAL (BOTTOM) - 39 - CONVERGENCE OUT CONV N-IN (TOP) CONV N-IN (BOTTOM) - 40 - MICOM (TOP) MICOM (BOTTOM) - 41 - VM CPT (R) CPT (G) CPT (R) - 42 - AC INPUT & REACTOR CONTROL - 43 - POWER S/W SIDE A/V PRE-AMP - 44 - (RT-44A84R)) 420 510 153 107 108 109 430 105 174 540 800 300 306 204 220 231 230 221 222 203 201 202 120 700 570 210 410 550 501 580 530 520 610 600 240 232 205 503 590 560 440 - 45 - (RT-44A84R) 105 3680V00054A LENS,SEKINOS SSM-75(50) . . 107 4810V00850J BRACKET,BLUE LENS+COUPLER+CPT S/S 108 4810V00850H BRACKET,GREEN LENS+COUPLER+CPT S/S 109 4810V00850G BRACKET,RED LENS+COUPLER+CPT S/S 120 120-D38E SPEAKER,MID-RANGE 8 OHM 15/25W 87DB 12 174 6411VCH001A POWER CORD(W/HOLD,HOUSING)L=300,4.0 201 4980V00491A SUPPORTER,43” TOP SCREEN SECC BOTTOM 202 4980V00491B SUPPORTER, 43” SIDE SCREEN 203 3350V00020D SCREEN,DNP 43”KP/GAIN6.0 204 3790V00022P WINDOW,FILTER 205 4778V00031A LEG ASSY,CENTER 210 3091V00A95E CABINET 220 3211V00076D FRAME ASSY 221 320-062J SPRING,KNOB 222 5020V00836A BUTTON,POWER 230 6871VSM972A PWB ASSY,CONT+VFD 231 5020V00458A BUTTON,CONTROL 232 4810V00328N BRACKET ASSY CONTROL 240 6871VSMA41A PWB ASSY,PSW 300 3091V00250N CABINET ASSY,LG 100HZ 306 4980V00263B SUPPORTER,LENS/PRT 4980V00264N/P 1BRF0402616 410 3809V00A49C BACK COVER ASSY 420 3809V00A50C BACK COVER ASSY,LOWER 430 5018V00069A MIRROR,PLASTIC 440 3300V00218C PLATE,BACK COVER 501 4810V00752D BRACKET,MAIN PCB 503 4810V00830H BRACKET,REAR A/V 510 6871VSMA31A PWB ASSY,CPT 520 6871VMMA21B PWB ASSY,MAIN MP015A SCART 530 6871VDM121B PWB ASSY,MAIN2 540 6871VPM070A PWB ASSY,SMPS 550 6871VSM964A PWB ASSY,100HZ 560 6871VSM999A PWB ASSY,MICOM 570 6871VSM761B PWB ASSY,SIDE A/V 580 6871VSMA06A PWB ASSY,VM 590 6871VSM994B PWB ASSY,A/V NO SCART 600 6871VSMA32A PWB ASSY,CONV OUT 610 6871VSM969A PWB ASSY,MP-015A D-CONV 700 0IGL120104G IC,CDS MODULE 5 PIN BK 5V 800 6871VSMA40A PWB ASSY,MAIN PRE-AMP No. Part No. Description - 46 - LOCA. NO PART NO DESCRIPTION IC700 IC801 IC802 IC831 IC832 IC833 IC851 IC881 IC891 IC901 IC901B IC901G IC901R IC902 ICT01 ICX601 IC11 IC12 IC13 IC14 IC15 IC16 IC17 IC18 IC19 IC20 IC21 Q07 Q08 Q100 Q101 Q102 Q104 Q107 Q108 Q110 Q111 Q112 Q113 Q114 Q115 Q116 Q117 Q118 Q119 Q13 Q200 Q2001 Q2002 Q2003 0ISO206900A 0ISK665813A 0IPMGSK003A 0ILI817000G 0ILI817000G 0ILI817000G 0IMO257633A 0IKE782400C 0ISK105000A 0IZZVF0018C 0IPH611190A 0IPH611190A 0IPH611190A 0IKE781200P 0IMCRMI002A 0IMCRNS006A 0TR830009BA 0TR830009BA 0TR830009BA 0TR830009BA 0TR830009BA 0TR830009BA 0TR830009BA 0TR830009BA 0TR830009BA 0TR830009BA 0TR830009BA 0TR387500AA 0TR387500AA 0TR150400BA 0TR387500AA 0TR150400BA 0TR387500AA 0TR150400BA 0TR387500AA 0TR150400BA 0TR387500AA 0TR387500AA 0TR387500AA 0TR150400BA 0TR387500AA 0TR387500AA 0TR387500AA 0TR387500AA 0TR387500AA 0TR150400BA 0TR387500AA 0TR387500AA 0TR150400BA 0TR387500AA IC, CXA2069Q QFP64 BK I2C BUS AV S/W IC, STR-F6658B(LF1352) 5PIN SIP BK STR IC, STR-A6351 SANKEN 8 DIP ST SMPS 1 CHIP IC, LTV817M-VB 4P,DIP BK PHOTO COUPLER IC, LTV817M-VB 4P,DIP BK PHOTO COUPLER IC, LTV817M-VB 4P,DIP BK PHOTO COUPLER IC, LM2576TV-3.3 5PIN ST REGULATOR IC, KIA7824API 3 ST REGULATOR . IC, SE105N 105V ERROR AMP(NO.12) - - - - IC, 11P ST SCAN VELOCITY MODU. HDTV IC, TDA6111Q 9SIP RGB AMP - - - - IC, TDA6111Q 9SIP RGB AMP - - - - IC, TDA6111Q 9SIP RGB AMP - - - - IC, KIA7812API TO220 ST 3P 12V REGULATOR IC, M62320P 16DIP ST I/O EXPANDER IC, 15P TO220 ST AUDIO POWER AMP 30W TR, BSS83 TP NON N-CHANNEL S/W TR TR, BSS83 TP NON N-CHANNEL S/W TR TR, BSS83 TP NON N-CHANNEL S/W TR TR, BSS83 TP NON N-CHANNEL S/W TR TR, BSS83 TP NON N-CHANNEL S/W TR TR, BSS83 TP NON N-CHANNEL S/W TR TR, BSS83 TP NON N-CHANNEL S/W TR TR, BSS83 TP NON N-CHANNEL S/W TR TR, BSS83 TP NON N-CHANNEL S/W TR TR, BSS83 TP NON N-CHANNEL S/W TR TR, BSS83 TP NON N-CHANNEL S/W TR TR, CHIP 2SC3875S(ALY) KEC TR, CHIP 2SC3875S(ALY) KEC TR, CHIP 2SA1504S(ASY) KEC TR, CHIP 2SC3875S(ALY) KEC TR, CHIP 2SA1504S(ASY) KEC TR, CHIP 2SC3875S(ALY) KEC TR, CHIP 2SA1504S(ASY) KEC TR, CHIP 2SC3875S(ALY) KEC TR, CHIP 2SA1504S(ASY) KEC TR, CHIP 2SC3875S(ALY) KEC TR, CHIP 2SC3875S(ALY) KEC TR, CHIP 2SC3875S(ALY) KEC TR, CHIP 2SA1504S(ASY) KEC TR, CHIP 2SC3875S(ALY) KEC TR, CHIP 2SC3875S(ALY) KEC TR, CHIP 2SC3875S(ALY) KEC TR, CHIP 2SC3875S(ALY) KEC TR, CHIP 2SC3875S(ALY) KEC TR, CHIP 2SA1504S(ASY) KEC TR, CHIP 2SC3875S(ALY) KEC TR, CHIP 2SC3875S(ALY) KEC TR, CHIP 2SA1504S(ASY) KEC TR, CHIP 2SC3875S(ALY) KEC LOCA. NO PART NO DESCRIPTION D861 IC01 IC02 IC04 IC05 IC06 IC08 IC101 IC102 IC103 IC104 IC105 IC106 IC107 IC2000 IC2003 IC2004 IC2005 IC2006 IC2007 IC2020 IC2026 IC2027 IC2028 IC2060 IC260 IC261 IC263 IC264 IC265 IC266 IC2701 IC2702 IC401 IC402 IC403 IC404 IC405 IC408 IC409 IC410 IC500 IC501 IC502 IC503 IC504 IC505 IC600 IC601 IC602 0ISK100300A 0ISM555000A 0IAL241610B 0IMCRAL003B 0IPMGSG017A 0ISG111733A 0IFA752700A 0IKE780500Q 0IFA754207A 0IKE780500Q 0IKE780900M 0ISH052100C 0ISH323422A 0ISG111725B 0ICTMSG001A 0ITI347000A 0ITI347000A 0IAL241610B 0IMCRAL003B 0ISG111733B 0IMCRAL003B 0IMCRAL003C 0IMCRAL003C 0IMCRAL003C 0IFA752700A 0IPMGSG016A 0IPMGSG016A 0ISA721700C 0IMCRFA012A 0ICTMLG010A 0IMCRSO008A 0ISA392120A 0ISA392120A 0IKE358000A 0ISS393000G 0IKE781200P 0ISA784600A 0IFA754207A 0IKE358000A 0ISS790500C 0IKE780500Q 0ISH122100B 0IMCRSO013B 0IKE780500Q 0ISS393000G 0IKE780900M 0IKE780500P 0IMCRMN001C 0IKE780800J 0ISS455880A IC, SLA1003 SIP12 BK DIODE MODULE IC, SDA5550 MQFP100 BK MICOM TXT MC006A IC, 8PIN DIP ST EEPROM NON IC, 8P PDIP ST EEPROM 164K IC, 3P DPAK R/TP REGULATOR 2.5V 0.8A IC, TP ROW DROP IC 3.3V,2.5K/REEL IC, KA75270Z 3 TP RE-SET IC MC-007 IC, KIA7805API 3P TO-220 ST REGULATOR 5V IC, KA75420ZTA 3P,TO-92 TP 4.2V RESET IC IC, KIA7805API 3P TO-220 ST REGULATOR 5V IC, KIA7809API TO220 ST 3P 9V REGULATOR IC, PQ05RD21 4SIP ST REGULATOR - IC, PQ3RF23 4P(TO-220) 3.3V REGUL IC, LD1117V25 3 SIP ST REGULATOR MC006A IC, 80PIN TQFP TRAY CONVERGENCE IC IC, LF347D 14P,SOP TP QUAD OPERATIONAL IC, LF347D 14P,SOP TP QUAD OPERATIONAL IC, 8PIN DIP ST EEPROM NON IC, 8P PDIP ST EEPROM 164K IC, LD1117V33C 3SIP ST REGULATOR - IC, 8P PDIP ST EEPROM 164K IC, 8P SOIC R/TP EEPROM IC, 8P SOIC R/TP EEPROM IC, 8P SOIC R/TP EEPROM IC, KA75270Z 3 TP RE-SET IC MC-007 IC, 3P D2PAK R/TP REGULATOR 1.8V 1.5A IC, 3P D2PAK R/TP REGULATOR 1.8V 1.5A IC, LA7217M MFP14 TP SYNC SEPARATOR IC, 16P SOIC R/TP 2LINE TO 1LINE IC, LGDT1000B LG IC QFP 128P TRAY DRP2 IC, CXA2151Q SONY 48P QFP TRAY 60LCD IC, STK392-120 18P,SIP BK CONVERGENCE IC, STK392-120 18P,SIP BK CONVERGENCE IC, KIA358P DIP8 DUAL OP-AMP BK IC, KA393 COMPARATOR 8DIP BK OP AMP IC, KIA7812API TO220 ST 3P 12V REGULATOR IC, 7846 SIP,10P BK V-OUT IC IC, KA75420ZTA 3P,TO-92 TP 4.2V RESET IC IC, KIA358P DIP8 DUAL OP-AMP BK IC, KA7905 POWER INTEGRATION TO220 BK IC, KIA7805API 3P TO-220 ST REGULATOR 5V IC, PQ12RD21 4SIP ST REGULATOR - IC, CXA2180Q SONY 64P QFP TRAY BACK-END IC, KIA7805API 3P TO-220 ST REGULATOR 5V IC, KA393 COMPARATOR 8DIP BK OP AMP IC, KIA7809API TO220 ST 3P 9V REGULATOR IC, KIA78L05BP(AT) 3P 5V,150MA - - - - IC, MSP3411G QA B8 V3 MICRONAS 80P QFP IC, KIA7808API 3 ST REGULATOR . IC, KA4558D 8SOP OP AMP IC TRANSISTOR - 47 - LOCA. NO PART NO DESCRIPTION Q2004 Q2005 Q2013 Q2014 Q2015 Q2016 Q2201 Q2202 Q2203 Q2204 Q2205 Q2206 Q2207 Q2208 Q2209 Q2210 Q2211 Q2212 Q2213 Q260 Q261 Q262 Q263 Q264 Q265 Q266 Q267 Q268 Q269 Q270 Q2700 Q2701 Q2702 Q2703 Q271 Q272 Q273 Q274 Q275 Q276 Q402 Q403 Q405 Q406 Q407 Q408 Q409 Q410 Q411 Q413 Q416 0TR150400BA 0TR387500AA 0TR387500AA 0TR150400BA 0TR387500AA 0TR150400BA 0TR387500AA 0TR150400BA 0TR387500AA 0TR387500AA 0TR387500AA 0TR387500AA 0TR387500AA 0TR387500AA 0TR387500AA 0TR150400BA 0TR150400BA 0TR150400BA 0TR150400BA 0TR150400BA 0TR150400BA 0TR150400BA 0TR150400BA 0TR150400BA 0TR150400BA 0TR387500AA 0TR150400BA 0TR150400BA 0TR150400BA 0TR150400BA 0TR319809AA 0TR319809AA 0TR319809AA 0TR126609AA 0TR150400BA 0TR150400BA 0TR387500AA 0TR387500AA 0TR387500AA 0TR387500AA 0TF630000CB 0TRTH10007A 0TR126609AA 0TRFC10001A 0TR126609AA 0TR319809AA 0TR319809AA 0TR126609AA 0TR205900AB 0TF630000CB 0TR187900AA TR, CHIP 2SA1504S(ASY) KEC TR, CHIP 2SC3875S(ALY) KEC TR, CHIP 2SC3875S(ALY) KEC TR, CHIP 2SA1504S(ASY) KEC TR, CHIP 2SC3875S(ALY) KEC TR, CHIP 2SA1504S(ASY) KEC TR, CHIP 2SC3875S(ALY) KEC TR, CHIP 2SA1504S(ASY) KEC TR, CHIP 2SC3875S(ALY) KEC TR, CHIP 2SC3875S(ALY) KEC TR, CHIP 2SC3875S(ALY) KEC TR, CHIP 2SC3875S(ALY) KEC TR, CHIP 2SC3875S(ALY) KEC TR, CHIP 2SC3875S(ALY) KEC TR, CHIP 2SC3875S(ALY) KEC TR, CHIP 2SA1504S(ASY) KEC TR, CHIP 2SA1504S(ASY) KEC TR, CHIP 2SA1504S(ASY) KEC TR, CHIP 2SA1504S(ASY) KEC TR, CHIP 2SA1504S(ASY) KEC TR, CHIP 2SA1504S(ASY) KEC TR, CHIP 2SA1504S(ASY) KEC TR, CHIP 2SA1504S(ASY) KEC TR, CHIP 2SA1504S(ASY) KEC TR, CHIP 2SA1504S(ASY) KEC TR, CHIP 2SC3875S(ALY) KEC TR, CHIP 2SA1504S(ASY) KEC TR, CHIP 2SA1504S(ASY) KEC TR, CHIP 2SA1504S(ASY) KEC TR, CHIP 2SA1504S(ASY) KEC TR, KEC TP TO92 50V 150MA TR, KEC TP TO92 50V 150MA TR, KEC TP TO92 50V 150MA TR, KEC TP TO92 50V 150MA TR, CHIP 2SA1504S(ASY) KEC TR, CHIP 2SA1504S(ASY) KEC TR, CHIP 2SC3875S(ALY) KEC TR, CHIP 2SC3875S(ALY) KEC TR, CHIP 2SC3875S(ALY) KEC TR, CHIP 2SC3875S(ALY) KEC TR, ST TO220F 200V 6.5A TR, ST TO3P VCBO 1700V IC 22A TR, KEC TP TO92 50V 150MA TR, ST TO220F 1500V 100MA TR, KEC TP TO92 50V 150MA TR, KEC TP TO92 50V 150MA TR, KEC TP TO92 50V 150MA TR, KEC TP TO92 50V 150MA TR, KTD2059-Y TO-220IS KEC TR, ST TO220F 200V 6.5A TR, 2SD1879 BK SANYO - - LOCA. NO PART NO DESCRIPTION Q416 Q417 Q420 Q423 Q424 Q428 Q432 Q500 Q501 Q502 Q503 Q504 Q505 Q506 Q507 Q508 Q509 Q510 Q511 Q512 Q513 Q514 Q600 Q601 Q602 Q603 Q606 Q607 Q608 Q609 Q610 Q611 Q612 Q613 Q614 Q615 Q700 Q701 Q702 Q703 Q704 Q705 Q706 Q707 Q708 Q709 Q710 Q711 Q802 Q831 Q832 0TF630000CB 0TR319809AA 0TR421009CB 0TR319809AA 0TR126609AA 0TR322709AA 0TR126609AA 0TR387500AA 0TR150400BA 0TR150400BA 0TR150400BA 0TR387500AA 0TR387500AA 0TR387500AA 0TR150400BA 0TR150400BA 0TR387500AA 0TR150400BA 0TR387500AA 0TR387500AA 0TR387500AA 0TR387500AA 0TR387500AA 0TR387500AA 0TR387500AA 0TR387500AA 0TR150400BA 0TR150400BA 0TR150400BA 0TR150400BA 0TR150400BA 0TR150400BA 0TR150400BA 0TR387500AA 0TR387500AA 0TR387500AA 0TR387500AA 0TR387500AA 0TR387500AA 0TR387500AA 0TR387500AA 0TR387500AA 0TR387500AA 0TR387500AA 0TR387500AA 0TR387500AA 0TR387500AA 0TR387500AA 0TR322709AA 0TR319809AA 0TR319809AA TR, ST TO220F 200V 6.5A TR, KEC TP TO92 50V 150MA TR, BF421L(AMMO)TO-92 TP - - TR, KEC TP TO92 50V 150MA TR, KEC TP TO92 50V 150MA TR, KTC3227-Y,TP(KTC1627A),KEC TR, KEC TP TO92 50V 150MA TR, CHIP 2SC3875S(ALY) KEC TR, CHIP 2SA1504S(ASY) KEC TR, CHIP 2SA1504S(ASY) KEC TR, CHIP 2SA1504S(ASY) KEC TR, CHIP 2SC3875S(ALY) KEC TR, CHIP 2SC3875S(ALY) KEC TR, CHIP 2SC3875S(ALY) KEC TR, CHIP 2SA1504S(ASY) KEC TR, CHIP 2SA1504S(ASY) KEC TR, CHIP 2SC3875S(ALY) KEC TR, CHIP 2SA1504S(ASY) KEC TR, CHIP 2SC3875S(ALY) KEC TR, CHIP 2SC3875S(ALY) KEC TR, CHIP 2SC3875S(ALY) KEC TR, CHIP 2SC3875S(ALY) KEC TR, CHIP 2SC3875S(ALY) KEC TR, CHIP 2SC3875S(ALY) KEC TR, CHIP 2SC3875S(ALY) KEC TR, CHIP 2SC3875S(ALY) KEC TR, CHIP 2SA1504S(ASY) KEC TR, CHIP 2SA1504S(ASY) KEC TR, CHIP 2SA1504S(ASY) KEC TR, CHIP 2SA1504S(ASY) KEC TR, CHIP 2SA1504S(ASY) KEC TR, CHIP 2SA1504S(ASY) KEC TR, CHIP 2SA1504S(ASY) KEC TR, CHIP 2SC3875S(ALY) KEC TR, CHIP 2SC3875S(ALY) KEC TR, CHIP 2SC3875S(ALY) KEC TR, CHIP 2SC3875S(ALY) KEC TR, CHIP 2SC3875S(ALY) KEC TR, CHIP 2SC3875S(ALY) KEC TR, CHIP 2SC3875S(ALY) KEC TR, CHIP 2SC3875S(ALY) KEC TR, CHIP 2SC3875S(ALY) KEC TR, CHIP 2SC3875S(ALY) KEC TR, CHIP 2SC3875S(ALY) KEC TR, CHIP 2SC3875S(ALY) KEC TR, CHIP 2SC3875S(ALY) KEC TR, CHIP 2SC3875S(ALY) KEC TR, CHIP 2SC3875S(ALY) KEC TR, KTC3227-Y,TP(KTC1627A),KEC TR, KEC TP TO92 50V 150MA TR, KEC TP TO92 50V 150MA - 48 - LOCA. NO PART NO DESCRIPTION Q872 Q891 Q901B Q901G Q901R Q902B Q902G Q902R Q905G QT01 QX100 QX101 QX102 QX103 QX104 QX105 QX600 D2701 D2702 D2703 D401 D402 D403 D404 D406 D409 D410 D414 D415 D416 D417 D418 D419 D420 D421 D422 D423 D424 D425 D430 D431 D434 D435 D437 D440 D488 D500 D504 D505 0TR319809AA 0TR319809AA 0TR437000BA 0TR437000BA 0TR437000BA 0TR319809AA 0TR319809AA 0TR319809AA 0TR126609AA 0TR319809AA 0TR387500AA 0TR387500AA 0TR387500AA 0TR387500AA 0TR387500AA 0TR387500AA 0TR322709AA 0DS113379BA 0DR210009AC 0DR210009AC 0DS113379BA 0DS113379BA 0DS113379BA 0DS113379BA 0DS113379BA 0DR210009AC 0DD200009AH 0DR150509BA 0DR150509BA 0DD340009EA 0DD340009EA 0DD340009EA 0DD200009AH 0DD200009AH 0DS113379BA 0DD150009CE 0DS113379BA 0DD100009AQ 0DS113379BA 0DS113379BA 0DR149379AA 0DS113379BA 0DS113379BA 0DS113379BA 0DD200009AH 0DD140009AA 0DD184009AA 0DD100009AU 0DD100009AU TR, KEC TP TO92 50V 150MA TR, KEC TP TO92 50V 150MA TR, KTC4370A-Y TO-220IS KEC TR, KTC4370A-Y TO-220IS KEC TR, KTC4370A-Y TO-220IS KEC TR, KEC TP TO92 50V 150MA TR, KEC TP TO92 50V 150MA TR, KEC TP TO92 50V 150MA TR, KEC TP TO92 50V 150MA TR, KEC TP TO92 50V 150MA TR, CHIP 2SC3875S(ALY) KEC TR, CHIP 2SC3875S(ALY) KEC TR, CHIP 2SC3875S(ALY) KEC TR, CHIP 2SC3875S(ALY) KEC TR, CHIP 2SC3875S(ALY) KEC TR, CHIP 2SC3875S(ALY) KEC TR, KTC3227-Y,TP(KTC1627A),KEC DIODE, 1SS133 T-72 TP DO34 90V - - - - DIODE, DO35 200V 0.2A 1A 50SEC 100A DIODE, DO35 200V 0.2A 1A 50SEC 100A DIODE, 1SS133 T-72 TP DO34 90V - - - - DIODE, 1SS133 T-72 TP DO34 90V - - - - DIODE, 1SS133 T-72 TP DO34 90V - - - - DIODE, 1SS133 T-72 TP DO34 90V - - - - DIODE, 1SS133 T-72 TP DO34 90V - - - - DIODE, DO35 200V 0.2A 1A 50SEC 100A DIODE, RU2AMV(1) TP SANKEN DIODE, PR1505G TP LITEON - - 250NSEC 5UA DIODE, PR1505G TP LITEON - - 250NSEC 5UA DIODE, BYW34 TP (2A/400V) TELEFUNKEN DIODE, BYW34 TP (2A/400V) TELEFUNKEN DIODE, BYW34 TP (2A/400V) TELEFUNKEN DIODE, RU2AMV(1) TP SANKEN DIODE, RU2AMV(1) TP SANKEN DIODE, 1SS133 T-72 TP DO34 90V - - - - DIODE, GP15J TP - 600V - - - - DIODE, 1SS133 T-72 TP DO34 90V - - - - DIODE, RP1HV(1) TP SANKEN TP SANKEN DIODE, 1SS133 T-72 TP DO34 90V - - - - DIODE, 1SS133 T-72 TP DO34 90V - - - - DIODE, 1N4937G TP LITEON - - 200NSEC 5UA DIODE, 1SS133 T-72 TP DO34 90V - - - - DIODE, 1SS133 T-72 TP DO34 90V - - - - DIODE, 1SS133 T-72 TP DO34 90V - - - - DIODE, RU2AMV(1) TP SANKEN DIODE, 40V 1.5A 40A 0.2US 5MA DIODE, KDS184S CHIP 85V 300MA KEC TP DIODE, EU1AV(1) TP SANKEN TP SANKEN DIODE, EU1AV(1) TP SANKEN TP SANKEN LOCA. NO PART NO DESCRIPTION D600 D601 D602 D603 D604 D803 D804 D805 D810 D811 D812 D813 D81A D81D D81F D831 D832 D841 D842 D851 D852 D853 D862 D863 D864 D873 D874 D876 D881 D891 D892 D901 D901B D901G D901R D902 D902B D902G D902R D903 D903B D903G D903R D904B D904G D904R D905B D905G D905R D908B D908G 0DD184009AA 0DD184009AA 0DS113379BA 0DS113379BA 0DS113379BA 0DD100009AM 0DD100009AM 0DD100009AM 0DD100009AM 0DD100009AM 0DD100009AM 0DR010009AA 0DD606000AA 0DD110009DB 0DRSA00121A 0DD420000BB 0DZ240009DC 0DD420000BB 0DS113379BA 0DD420000BB 0DR460009AA 0DS113379BA 0DS113379BA 0DS113379BA 0DS113379BA 0DS113379BA 0DS113379BA 0DS113379BA 0DD100009AM 0DD410000AD 0DD410000AD 0DS113379BA 0DR210009AC 0DR210009AC 0DR210009AC 0DS113379BA 0DD060009AC 0DD060009AC 0DD060009AC 0DD060009AC 0DR210009AC 0DR210009AC 0DR210009AC 0DR210009AC 0DR210009AC 0DR210009AC 0DR210009AC 0DR210009AC 0DR210009AC 0DR210009AC 0DR210009AC DIODE, KDS184S CHIP 85V 300MA KEC TP DIODE, KDS184S CHIP 85V 300MA KEC TP DIODE, 1SS133 T-72 TP DO34 90V - - - - DIODE, 1SS133 T-72 TP DO34 90V - - - - DIODE, 1SS133 T-72 TP DO34 90V - - - - DIODE, EU1ZV(1) TP SANKEN DIODE, EU1ZV(1) TP SANKEN DIODE, EU1ZV(1) TP SANKEN DIODE, EU1ZV(1) TP SANKEN DIODE, EU1ZV(1) TP SANKEN DIODE, EU1ZV(1) TP SANKEN DIODE, N - 1000V 0.5A 10A 100NSEC 50UA DIODE, BK NA 600V 6A 150A NA 10UA DIODE, RM11CV(1) TP SANKEN TP SANKEN DIODE, TO-220FM 600V 10A .A .SEC .A DIODE, D4L20U SHINDENGEN DIODE, MTZJ2.4B TP DO34 0.5W 2 DIODE, D4L20U SHINDENGEN DIODE, 1SS133 T-72 TP DO34 90V - - - - DIODE, D4L20U SHINDENGEN DIODE, 60V 3.5A 70A 100SEC 3MA DIODE, 1SS133 T-72 TP DO34 90V - - - - DIODE, 1SS133 T-72 TP DO34 90V - - - - DIODE, 1SS133 T-72 TP DO34 90V - - - - DIODE, 1SS133 T-72 TP DO34 90V - - - - DIODE, 1SS133 T-72 TP DO34 90V - - - - DIODE, 1SS133 T-72 TP DO34 90V - - - - DIODE, 1SS133 T-72 TP DO34 90V - - - - DIODE, EU1ZV(1) TP SANKEN DIODE, RU4AM,LF-L1 SANKEN SANKEN DIODE, RU4AM,LF-L1 SANKEN SANKEN DIODE, 1SS133 T-72 TP DO34 90V - - - - DIODE, DO35 200V 0.2A 1A 50SEC 100A DIODE, DO35 200V 0.2A 1A 50SEC 100A DIODE, DO35 200V 0.2A 1A 50SEC 100A DIODE, 1SS133 T-72 TP DO34 90V - - - - DIODE, TP - 600V - - 250NSEC - DIODE, TP - 600V - - 250NSEC - DIODE, TP - 600V - - 250NSEC - DIODE, TP - 600V - - 250NSEC - DIODE, DO35 200V 0.2A 1A 50SEC 100A DIODE, DO35 200V 0.2A 1A 50SEC 100A DIODE, DO35 200V 0.2A 1A 50SEC 100A DIODE, DO35 200V 0.2A 1A 50SEC 100A DIODE, DO35 200V 0.2A 1A 50SEC 100A DIODE, DO35 200V 0.2A 1A 50SEC 100A DIODE, DO35 200V 0.2A 1A 50SEC 100A DIODE, DO35 200V 0.2A 1A 50SEC 100A DIODE, DO35 200V 0.2A 1A 50SEC 100A DIODE, DO35 200V 0.2A 1A 50SEC 100A DIODE, DO35 200V 0.2A 1A 50SEC 100A DIODE - 49 - LOCA. NO PART NO DESCRIPTION D908R D911B D911G D911R Q403 Q411 ZD100 ZD101 ZD2610 ZD2611 ZD2612 ZD2805 ZD401 ZD404 ZD405 ZD406 ZD407 ZD410 ZD411 ZD412 ZD503 ZD831 ZD901B ZD901G ZD901R ZD902B ZD902G ZD902R C01P C02P C03 C04 C05 C06 C07 C09 C10 C101 C110 C112 C115 C116 C118 C1201 C1202 C1203 C1205 C1206 C1208 0DR210009AC 0DR210009AC 0DR210009AC 0DR210009AC 0DR500000CA 0DR360000AA 0DZ330009DF 0DZ330009DF 0DZRM00178A 0DZRM00178A 0DZRM00178A 0DZ240009DC 0DZ910009AJ 0DZ240009DC 0DZ510009DB 0DZ510009DB 0DZ820009AH 0DZ560009CF 0DZ130009CJ 0DZ130009CJ 0DZ910009AJ 0DZ620009BB 0DZ560009CF 0DZ560009CF 0DZ560009CF 0DZ110009AD 0DZ110009AD 0DZ110009AD 0CN1030F679 0CE476DD618 0CE476DD618 0CK104DK56A 0CE476DD618 0CK104DK56A 0CE476DD618 0CE107DD618 0CE107DD618 0CE227DF618 0CE225DK618 0CE106DK618 0CE477DD618 0CE108DD618 0CE225DK618 0CE475DK618 0CE475DK618 0CE475DK618 0CE475DK618 0CN1040K949 0CN2210K519 DIODE, DO35 200V 0.2A 1A 50SEC 100A DIODE, DO35 200V 0.2A 1A 50SEC 100A DIODE, DO35 200V 0.2A 1A 50SEC 100A DIODE, DO35 200V 0.2A 1A 50SEC 100A DIODE, TO3P 1700V 10A 50A 500USEC 500UA DIODE, - 2.2V - - 100NSEC 1.0MA DIODE, MTZJ33B TP DO34 0.5W 33V 5UA - DIODE, MTZJ33B TP DO34 0.5W 33V 5UA - DIODE, ROHM R/TP SMD 0.2W 5.1V 5MA -PF DIODE, ROHM R/TP SMD 0.2W 5.1V 5MA -PF DIODE, ROHM R/TP SMD 0.2W 5.1V 5MA -PF DIODE, MTZJ2.4B TP DO34 0.5W 2 DIODE, MTZJ9.1B TP DO34 0.5W 9.1V 5UA - DIODE, MTZJ2.4B TP DO34 0.5W 2 DIODE, MTZJ5.1B TP DO34 - 5.1V 5UA - DIODE, MTZJ5.1B TP DO34 - 5.1V 5UA - DIODE, MTZJ8.2B TP DO34 - 8.2V 5UA - DIODE, MTZJ5.6B TP DO34 0.5W 5.6V 5UA - DIODE, MTZJ13B TP DO34 0.5W 13V 5UA - DIODE, MTZJ13B TP DO34 0.5W 13V 5UA - DIODE, MTZJ9.1B TP DO34 0.5W 9.1V 5UA - DIODE, MTZJ6.2B TP DO34 0.5W 6.2V 5UA - DIODE, MTZJ5.6B TP DO34 0.5W 5.6V 5UA - DIODE, MTZJ5.6B TP DO34 0.5W 5.6V 5UA - DIODE, MTZJ5.6B TP DO34 0.5W 5.6V 5UA - DIODE, MTZJ11B TP DO34 - 11V 5UA - DIODE, MTZJ11B TP DO34 - 11V 5UA - DIODE, MTZJ11B TP DO34 - 11V 5UA - 10000P 16V M Y TA52 47UF STD 10V 20% FL TP 5 47UF STD 10V 20% FL TP 5 0.1UF 2012 50V 10% R/TP X7R 47UF STD 10V 20% FL TP 5 0.1UF 2012 50V 10% R/TP X7R 47UF STD 10V 20% FL TP 5 100UF STD 10V M FL TP5 100UF STD 10V M FL TP5 220UF STD 16V M FL TP5 2.2UF STD 50V 20% FL TP 5 10UF STD 50V M FL TP5 470UF STD 10V M FL TP5 1000UF STD 10V M FL TP5 2.2UF STD 50V 20% FL TP 5 4.7UF STD 50V 20% FL TP 5 4.7UF STD 50V 20% FL TP 5 4.7UF STD 50V 20% FL TP 5 4.7UF STD 50V 20% FL TP 5 0.1M 50V Z F TA52 220P 50V K B TA52 LOCA. NO PART NO DESCRIPTION C1209 C121 C125 C126 C129 C13 C134 C140 C142 C158 C163 C167 C174 C18 C184 C186 C193 C195 C196 C198 C199 C2032 C2033 C2034 C2035 C2036 C2037 C2038 C2050 C2052 C2054 C2056 C2060 C2061 C2063 C2064 C2065 C2066 C2067 C2069 C2070 C2071 C2072 C2073 C2074 C2075 C2080 C2081 C2082 C2094 C2095 0CN2210K519 0CE106DF618 0CE477DD618 0CE106DK618 0CE477DD618 0CE476DD618 0CE227DF618 0CE106DF618 0CE106DF618 0CE227DF618 0CE106DF618 0CE106DF618 0CE227DF618 0CE476DD618 0CK104DK56A 0CE476DF618 0CE106DF618 0CK104DK56A 0CK104DK56A 0CK104DK56A 0CK104DK56A 0CC3310K405 0CC3310K405 0CC3310K405 0CC3310K405 0CC3310K405 0CE108DJ618 0CE108DJ618 0CE108DJ618 0CE107DF618 0CE107DF618 0CE107DF618 0CE108DJ618 0CE108DJ618 0CK1040K945 0CK1040K945 0CK1040K945 0CK1040K945 0CK1040K945 0CK1040K945 0CE477DD618 0CE477DD618 0CE477DD618 0CE477DD618 0CK1040K945 0CK1040K945 0CK1040K945 0CK1040K945 0CK1040K945 0CK1040K945 0CK1040K945 220P 50V K B TA52 10UF STD 16V M FL TP5 470UF STD 10V M FL TP5 10UF STD 50V M FL TP5 470UF STD 10V M FL TP5 47UF STD 10V 20% FL TP 5 220UF STD 16V M FL TP5 10UF STD 16V M FL TP5 10UF STD 16V M FL TP5 220UF STD 16V M FL TP5 10UF STD 16V M FL TP5 10UF STD 16V M FL TP5 220UF STD 16V M FL TP5 47UF STD 10V 20% FL TP 5 0.1UF 2012 50V 10% R/TP X7R 47UF STD 16V M FL TP5 10UF STD 16V M FL TP5 0.1UF 2012 50V 10% R/TP X7R 0.1UF 2012 50V 10% R/TP X7R 0.1UF 2012 50V 10% R/TP X7R 0.1UF 2012 50V 10% R/TP X7R 330P 50V J SL TS 330P 50V J SL TS 330P 50V J SL TS 330P 50V J SL TS 330P 50V J SL TS 1000UF STD 35V M FL TP5 1000UF STD 35V M FL TP5 1000UF STD 35V M FL TP5 100UF STD 16V M FL TP5 100UF STD 16V M FL TP5 100UF STD 16V M FL TP5 1000UF STD 35V M FL TP5 1000UF STD 35V M FL TP5 0.1UF 50V Z F TR 0.1UF 50V Z F TR 0.1UF 50V Z F TR 0.1UF 50V Z F TR 0.1UF 50V Z F TR 0.1UF 50V Z F TR 470UF STD 10V M FL TP5 470UF STD 10V M FL TP5 470UF STD 10V M FL TP5 470UF STD 10V M FL TP5 0.1UF 50V Z F TR 0.1UF 50V Z F TR 0.1UF 50V Z F TR 0.1UF 50V Z F TR 0.1UF 50V Z F TR 0.1UF 50V Z F TR 0.1UF 50V Z F TR CAPACITOR P/N 2 3 CC,CX,CK,CN: CQ: CE: RD: RS: RN: RF: - 50 - LOCA. NO PART NO DESCRIPTION C2096 C2142 C2143 C2170 C2202 C2207 C2210 C2215 C225 C226 C2406 C2409 C2410 C2413 C260 C2605 C2606 C261 C262 C2621 C2623 C263 C27 C2700 C2701 C2702 C2703 C2704 C2705 C2706 C2707 C2708 C2709 C271 C2710 C2711 C2712 C2713 C272 C273 C274 C275 C276 C277 C2786 C279 C285 C286 C287 C288 C289 0CK1040K945 0CE107DF618 0CE107DF618 0CE475DK618 0CE476DF618 0CE476DF618 0CE476DF618 0CE476DF618 0CE476VF6DC 0CK104DK56A 0CE476DF618 0CE476DF618 0CE476DF618 0CE476DF618 0CE227VF6DC 0CE107DF618 0CE107DF618 0CE227VF6DC 0CE227VF6DC 0CE106DF618 0CE227DF618 0CK104DK56A 0CE476DD618 0CC3310K405 0CE108DJ618 0CE108DJ618 0CE108DJ618 0CE225DK618 0CE225DK618 0CK1510K515 0CK1510K515 0CK1510K515 0CK1510K515 0CK104DK56A 0CK1510K515 0CK1510K515 0CK1030K945 0CK1030K945 0CK104DK56A 0CK104DK56A 0CK104DK56A 0CK104DK56A 0CK104DK56A 0CK104DK56A 0CN1040K949 0CK104DK56A 0CE227VF6DC 0CK104DK56A 0CE107VF6DC 0CK104DK56A 0CK104DK56A 0.1UF 50V Z F TR 100UF STD 16V M FL TP5 100UF STD 16V M FL TP5 4.7UF STD 50V 20% FL TP 5 47UF STD 16V M FL TP5 47UF STD 16V M FL TP5 47UF STD 16V M FL TP5 47UF STD 16V M FL TP5 47UF MV 16V 20% R/TP(SMD) SMD 0.1UF 2012 50V 10% R/TP X7R 47UF STD 16V M FL TP5 47UF STD 16V M FL TP5 47UF STD 16V M FL TP5 47UF STD 16V M FL TP5 220UF MV 16V 20% R/TP(SMD) SMD 100UF STD 16V M FL TP5 100UF STD 16V M FL TP5 220UF MV 16V 20% R/TP(SMD) SMD 220UF MV 16V 20% R/TP(SMD) SMD 10UF STD 16V M FL TP5 220UF STD 16V M FL TP5 0.1UF 2012 50V 10% R/TP X7R 47UF STD 10V 20% FL TP 5 330P 50V J SL TS 1000UF STD 35V M FL TP5 1000UF STD 35V M FL TP5 1000UF STD 35V M FL TP5 2.2UF STD 50V 20% FL TP 5 2.2UF STD 50V 20% FL TP 5 150P 50V K B TS 150P 50V K B TS 150P 50V K B TS 150P 50V K B TS 0.1UF 2012 50V 10% R/TP X7R 150P 50V K B TS 150P 50V K B TS 0.01UF 50V Z F TR 0.01UF 50V Z F TR 0.1UF 2012 50V 10% R/TP X7R 0.1UF 2012 50V 10% R/TP X7R 0.1UF 2012 50V 10% R/TP X7R 0.1UF 2012 50V 10% R/TP X7R 0.1UF 2012 50V 10% R/TP X7R 0.1UF 2012 50V 10% R/TP X7R 0.1M 50V Z F TA52 0.1UF 2012 50V 10% R/TP X7R 220UF MV 16V 20% R/TP(SMD) SMD 0.1UF 2012 50V 10% R/TP X7R 100UF MV 16V 20% R/TP(SMD) SMD 0.1UF 2012 50V 10% R/TP X7R 0.1UF 2012 50V 10% R/TP X7R LOCA. NO PART NO DESCRIPTION C290 C293 C294 C295 C296 C2961 C297 C298 C299 C300 C301 C302 C303 C304 C305 C306 C307 C308 C309 C310 C311 C312 C315 C316 C318 C319 C32 C322 C324 C325 C327 C328 C330 C331 C332 C333 C334 C339 C340 C342 C343 C344 C345 C346 C347 C348 C355 C356 C357 C358 C362 0CK104DK56A 0CK104DK56A 0CK104DK56A 0CK104DK56A 0CK104DK56A 0CE227DD618 0CK104DK56A 0CK104DK56A 0CK104DK56A 0CK104DK56A 0CK104DK56A 0CK104DK56A 0CK104DK56A 0CK104DK56A 0CK104DK56A 0CK104DK56A 0CK104DK56A 0CK104DK56A 0CK104DK56A 0CE227VF6DC 0CE227VF6DC 0CE105VK6DC 0CE107VF6DC 0CE107VF6DC 0CE105VK6DC 0CE476VK6DC 0CE476DD618 0CE227VF6DC 0CK104DK56A 0CK104DK56A 0CK104DK56A 0CK104DK56A 0CK104DK56A 0CK104DK56A 0CK104DK56A 0CK104DK56A 0CK104DK56A 0CE226SF6DC 0CK104DK56A 0CK104DK56A 0CK104DK56A 0CK104DK56A 0CK104DK56A 0CK104DK56A 0CK104DK56A 0CE226SF6DC 0CK104DK56A 0CK104DK56A 0CK104DK56A 0CK104DK56A 0CK104DK56A 0.1UF 2012 50V 10% R/TP X7R 0.1UF 2012 50V 10% R/TP X7R 0.1UF 2012 50V 10% R/TP X7R 0.1UF 2012 50V 10% R/TP X7R 0.1UF 2012 50V 10% R/TP X7R 220UF STD 10V M FL TP5 0.1UF 2012 50V 10% R/TP X7R 0.1UF 2012 50V 10% R/TP X7R 0.1UF 2012 50V 10% R/TP X7R 0.1UF 2012 50V 10% R/TP X7R 0.1UF 2012 50V 10% R/TP X7R 0.1UF 2012 50V 10% R/TP X7R 0.1UF 2012 50V 10% R/TP X7R 0.1UF 2012 50V 10% R/TP X7R 0.1UF 2012 50V 10% R/TP X7R 0.1UF 2012 50V 10% R/TP X7R 0.1UF 2012 50V 10% R/TP X7R 0.1UF 2012 50V 10% R/TP X7R 0.1UF 2012 50V 10% R/TP X7R 220UF MV 16V 20% R/TP(SMD) SMD 220UF MV 16V 20% R/TP(SMD) SMD 1UF MV 50V 20% R/TP(SMD) SMD 100UF MV 16V 20% R/TP(SMD) SMD 100UF MV 16V 20% R/TP(SMD) SMD 1UF MV 50V 20% R/TP(SMD) SMD 47UF MV 50V 20% R/TP(SMD) SMD 47UF STD 10V 20% FL TP 5 220UF MV 16V 20% R/TP(SMD) SMD 0.1UF 2012 50V 10% R/TP X7R 0.1UF 2012 50V 10% R/TP X7R 0.1UF 2012 50V 10% R/TP X7R 0.1UF 2012 50V 10% R/TP X7R 0.1UF 2012 50V 10% R/TP X7R 0.1UF 2012 50V 10% R/TP X7R 0.1UF 2012 50V 10% R/TP X7R 0.1UF 2012 50V 10% R/TP X7R 0.1UF 2012 50V 10% R/TP X7R 22UF MVG 16V M SMD R/TP 0.1UF 2012 50V 10% R/TP X7R 0.1UF 2012 50V 10% R/TP X7R 0.1UF 2012 50V 10% R/TP X7R 0.1UF 2012 50V 10% R/TP X7R 0.1UF 2012 50V 10% R/TP X7R 0.1UF 2012 50V 10% R/TP X7R 0.1UF 2012 50V 10% R/TP X7R 22UF MVG 16V M SMD R/TP 0.1UF 2012 50V 10% R/TP X7R 0.1UF 2012 50V 10% R/TP X7R 0.1UF 2012 50V 10% R/TP X7R 0.1UF 2012 50V 10% R/TP X7R 0.1UF 2012 50V 10% R/TP X7R P/N 2 3 CC,CX,CK,CN: CQ: CE: RD: RS: RN: RF: - 51 - LOCA. NO PART NO DESCRIPTION C363 C365 C366 C367 C368 C370 C371 C372 C373 C374 C380 C381 C387 C40 C401 C403 C405 C406 C407 C409 C410 C411 C412 C413 C414 C415 C416 C417 C418 C419 C42 C420 C421 C423 C424 C425 C426 C427 C42A C430 C432 C433 C435 C436 C437 C438 C440 C443 C444 C446 C448 0CE105SK6DC 0CK104DK56A 0CK104DK56A 0CK104DK56A 0CK104DK56A 0CE106VF6DC 0CK104DK56A 0CK104DK56A 0CK104DK56A 0CK104DK56A 0CE226SF6DC 0CK104DK56A 0CE476VF6DC 0CE476DD618 0CE6851K652 0CK47101515 0CE107DK618 181-013Y 181-010S 181-009R 0CQ1031N509 181-091G 0CE107DK618 0CE477DF618 0CE477DF618 181-091G 0CQ3341N401 0CE106DR618 0CE107DF618 0CE227DD618 0CE106DF618 0CE107DK618 0CE106DK618 0CE107DK618 0CK3320W515 0CE107DK618 0CE107DK618 181-091Q 0CE475DK618 0CK47101515 0CN1020K519 0CN1020K519 0CQ1042K439 181-015J 0CN6810K519 0CQ1041N509 0CK56101515 0CC1010K415 0CQ3321N509 0CN1040K949 0CQ1031N509 1UF MVG 50V M SMD R/TP 0.1UF 2012 50V 10% R/TP X7R 0.1UF 2012 50V 10% R/TP X7R 0.1UF 2012 50V 10% R/TP X7R 0.1UF 2012 50V 10% R/TP X7R 10UF MV 16V 20% R/TP(SMD) SMD 0.1UF 2012 50V 10% R/TP X7R 0.1UF 2012 50V 10% R/TP X7R 0.1UF 2012 50V 10% R/TP X7R 0.1UF 2012 50V 10% R/TP X7R 22UF MVG 16V M SMD R/TP 0.1UF 2012 50V 10% R/TP X7R 47UF MV 16V 20% R/TP(SMD) SMD 47UF STD 10V 20% FL TP 5 6.8UF SM,SA 50V 20% FM7.5 BP(S) 470P 1KV K B TS 100UF STD 50V M FL TP5 MPP 0.82UF 400V 5%,-5% FM 0.0033UF 800V 5%,-5% FM PP PP 200V 0.022UF K 0.01U 100V K POLY TP 470PF 2KV 10%,-10% R/TP 100UF STD 50V M FL TP5 470UF STD 16V 20% FL TP 5 470UF STD 16V 20% FL TP 5 470PF 2KV 10%,-10% R/TP 0.33U 100V J POLY F5 10UF STD 250V M FL TP5 100UF STD 16V M FL TP5 220UF STD 10V M FL TP5 10UF STD 16V M FL TP5 100UF STD 50V M FL TP5 10UF STD 50V M FL TP5 100UF STD 50V M FL TP5 3300P 500V K B TS 100UF STD 50V M FL TP5 100UF STD 50V M FL TP5 R 470PF 1KV 10%,-10% R/TP TP5 4.7UF STD 50V 20% FL TP 5 470P 1KV K B TS 1000P 50V K B TA52 1000P 50V K B TA52 0.1UF S 50V 5% M/PE NI TP5 MPP 1600V 0.0086UF H 680P 50V K B TA52 0.1U 100V K POLY TP 560P 1KV K B TS 100P 50V J NP0 TS 0.0033U 100V K POLY TP 0.1M 50V Z F TA52 0.01U 100V K POLY TP LOCA. NO PART NO DESCRIPTION C449 C45 C451 C452 C455 C461 C462 C464 C466 C467 C468 C469 C46D C46H C46K C470 C471 C472 C474 C475 C476 C477 C478 C481 C484 C486 C491 C493 C49A C49B C500 C502 C503 C504 C506 C507 C508 C509 C510 C511 C512 C513 C514 C515 C517 C518 C519 C521 C522 C523 C524 0CE105DK618 0CK104DK56A 0CQ2721N409 0CE105DK618 0CQ1042K439 0CK47202510 0CE226CR618 181-015D 0CE227DK618 0CE227DK618 181-009V 181-007D 0CE107DF618 0CN1040K949 0CE106DK618 0CK3320W515 181-091Q 181-091Q 0CE107DK618 181-014N 181-014N 0CK1810W515 0CE227BP650 0CN6810K519 0CE476DK618 0CE105DK618 0CN1040K949 0CN1040K949 0CE106DK618 0CE106DK618 0CE477DD618 181-007H 0CE476DD618 181-007H 0CE475DK618 0CK104DK56A 0CK104DK56A 0CK104DK56A 0CK104DK56A 0CK104DK56A 0CK104DK56A 0CK104DK56A 0CK104DK56A 0CK104DK56A 0CE476DF618 0CK104DK56A 0CE476DF618 0CE477DH618 0CK104DK56A 181-442Z 181-442Z 1UF STD 50V M FL TP5 0.1UF 2012 50V 10% R/TP X7R 0.0027M 100V J POLY TP 1UF STD 50V M FL TP5 0.1UF S 50V 5% M/PE NI TP5 4700P 2KV K B S 22UF SHL,SD 250V M FL TP 5 MPP 1600V 0.0062UF H 220UF STD 50V M FL TP5 220UF STD 50V M FL TP5 PP 200V 0.047UF K MPE ECQ-V1H154JL3(TR), 50V 0.15UF J 100UF STD 16V M FL TP5 0.1M 50V Z F TA52 10UF STD 50V M FL TP5 3300P 500V K B TS R 470PF 1KV 10%,-10% R/TP TP5 R 470PF 1KV 10%,-10% R/TP TP5 100UF STD 50V M FL TP5 MPP 1600V 0.01UF J MPP 1600V 0.01UF J 180P 500V K B TS 220UF KME TYPE 160V 20% FM7.5 BULK 680P 50V K B TA52 47UF STD 50V M FL TP5 1UF STD 50V M FL TP5 0.1M 50V Z F TA52 0.1M 50V Z F TA52 10UF STD 50V M FL TP5 10UF STD 50V M FL TP5 470UF STD 10V M FL TP5 MPE ECQ-V1H474JL3(TR), 50V 0.47UF J 47UF STD 10V 20% FL TP 5 MPE ECQ-V1H474JL3(TR), 50V 0.47UF J 4.7UF STD 50V 20% FL TP 5 0.1UF 2012 50V 10% R/TP X7R 0.1UF 2012 50V 10% R/TP X7R 0.1UF 2012 50V 10% R/TP X7R 0.1UF 2012 50V 10% R/TP X7R 0.1UF 2012 50V 10% R/TP X7R 0.1UF 2012 50V 10% R/TP X7R 0.1UF 2012 50V 10% R/TP X7R 0.1UF 2012 50V 10% R/TP X7R 0.1UF 2012 50V 10% R/TP X7R 47UF STD 16V M FL TP5 0.1UF 2012 50V 10% R/TP X7R 47UF STD 16V M FL TP5 470UF STD 25V M FL TP5 0.1UF 2012 50V 10% R/TP X7R PE,ECQ-B1H104KF3(TR) PE,ECQ-B1H104KF3(TR) P/N 2 3 CC,CX,CK,CN: CQ: CE: RD: RS: RN: RF: - 52 - LOCA. NO PART NO DESCRIPTION C525 C527 C528 C529 C530 C532 C535 C537 C539 C541 C542 C545 C546 C547 C549 C550 C552 C553 C554 C555 C556 C557 C558 C559 C560 C563 C612 C613 C614 C616 C618 C619 C620 C621 C622 C623 C624 C629 C634 C649 C651 C662 C663 C668 C670 C671 C676 C677 C678 C679 C686 0CK104DK56A 0CK104DK56A 181-007H 0CE226DF618 0CK104DK56A 0CE227DF618 0CE106DK618 0CE476DD618 0CK104DK56A 0CQ4721N509 181-007H 0CE107DF618 0CK104DK56A 0CK104DK56A 0CK104DK56A 0CK104DK56A 0CE108BF618 0CK104DK56A 0CK104DK56A 0CK104DK56A 0CE107DF618 0CK104DK56A 0CK104DK56A 0CE107DF618 0CK104DK56A 0CE476DF618 0CE106DF618 0CE476DF618 0CK104DK56A 0CE476DF618 0CK104DK56A 0CK104DK56A 0CE335DK618 0CE106DF618 0CE106DF618 0CE107DF618 0CK104DK56A 0CK104DK56A 0CE476DF618 0CE107DF618 0CK104DK56A 0CE226DF618 0CE226DF618 0CE475DK618 0CE475DK618 0CE105DK618 0CE105DK618 0CE477DF618 0CE105DK618 181-442Z 0CE106DK618 0.1UF 2012 50V 10% R/TP X7R 0.1UF 2012 50V 10% R/TP X7R MPE ECQ-V1H474JL3(TR), 50V 0.47UF J 22UF STD 16V M FL TP5 0.1UF 2012 50V 10% R/TP X7R 220UF STD 16V M FL TP5 10UF STD 50V M FL TP5 47UF STD 10V 20% FL TP 5 0.1UF 2012 50V 10% R/TP X7R 0.0047U 100V K POLY TP MPE ECQ-V1H474JL3(TR), 50V 0.47UF J 100UF STD 16V M FL TP5 0.1UF 2012 50V 10% R/TP X7R 0.1UF 2012 50V 10% R/TP X7R 0.1UF 2012 50V 10% R/TP X7R 0.1UF 2012 50V 10% R/TP X7R 1000UF KME 16V M FL TP5 0.1UF 2012 50V 10% R/TP X7R 0.1UF 2012 50V 10% R/TP X7R 0.1UF 2012 50V 10% R/TP X7R 100UF STD 16V M FL TP5 0.1UF 2012 50V 10% R/TP X7R 0.1UF 2012 50V 10% R/TP X7R 100UF STD 16V M FL TP5 0.1UF 2012 50V 10% R/TP X7R 47UF STD 16V M FL TP5 10UF STD 16V M FL TP5 47UF STD 16V M FL TP5 0.1UF 2012 50V 10% R/TP X7R 47UF STD 16V M FL TP5 0.1UF 2012 50V 10% R/TP X7R 0.1UF 2012 50V 10% R/TP X7R 3.3UF STD 50V 20% FL TP 5 10UF STD 16V M FL TP5 10UF STD 16V M FL TP5 100UF STD 16V M FL TP5 0.1UF 2012 50V 10% R/TP X7R 0.1UF 2012 50V 10% R/TP X7R 47UF STD 16V M FL TP5 100UF STD 16V M FL TP5 0.1UF 2012 50V 10% R/TP X7R 22UF STD 16V M FL TP5 22UF STD 16V M FL TP5 4.7UF STD 50V 20% FL TP 5 4.7UF STD 50V 20% FL TP 5 1UF STD 50V M FL TP5 1UF STD 50V M FL TP5 470UF STD 16V 20% FL TP 5 1UF STD 50V M FL TP5 PE,ECQ-B1H104KF3(TR) 10UF STD 50V M FL TP5 LOCA. NO PART NO DESCRIPTION C687 C688 C690 C691 C700 C702 C703 C709 C711 C718 C719 C720 C721 C723 C724 C725 C726 C727 C728 C730 C734 C735 C740 C741 C742 C743 C744 C745 C802 C803 C804 C805 C805 C806 C807 C80A C810 C811 C812 C813 C816 C81B C81D C82A C82B C82C C82H C82J C830 C832 C833 0CE106DK618 0CE227DH618 0CE227DD618 0CE227DD618 0CE227DF618 0CE227DF618 0CK104DK56A 0CE476DF618 0CK104DK56A 0CE105DK618 0CE105DK618 0CE475CK636 0CE475CK636 0CE105DK618 0CE105DK618 0CE105DK618 0CE105DK618 0CE105DK618 0CK104DK56A 0CE105DK618 0CE105DK618 0CE105DK618 0CE108DF618 0CE227DF618 0CE108DH618 0CE108DF618 0CE477DD618 0CE477DD618 0CE3366W650 181-001K 181-011E 0CE476DK618 0CE476BK618 0CK8210K515 181-091R 0CQZVBK002B 0CE476DK618 0CE476DK618 0CK8210K515 181-010K 181-091Q 0CQZVBK002B 181-001K 0CK10202510 0CK10202510 181-120P 0CK10202510 0CK10202510 181-120K 0CE337DF618 0CK10201515 10UF STD 50V M FL TP5 220UF STD 25V M FL TP5 220UF STD 10V M FL TP5 220UF STD 10V M FL TP5 220UF STD 16V M FL TP5 220UF STD 16V M FL TP5 0.1UF 2012 50V 10% R/TP X7R 47UF STD 16V M FL TP5 0.1UF 2012 50V 10% R/TP X7R 1UF STD 50V M FL TP5 1UF STD 50V M FL TP5 4.7UF SHL,SD 50V 20% FM5 BP(D) TP 4.7UF SHL,SD 50V 20% FM5 BP(D) TP 1UF STD 50V M FL TP5 1UF STD 50V M FL TP5 1UF STD 50V M FL TP5 1UF STD 50V M FL TP5 1UF STD 50V M FL TP5 0.1UF 2012 50V 10% R/TP X7R 1UF STD 50V M FL TP5 1UF STD 50V M FL TP5 1UF STD 50V M FL TP5 1000UF STD 16V M FL TP5 220UF STD 16V M FL TP5 1000UF STD 25V M FL TP5 1000UF STD 16V M FL TP5 470UF STD 10V M FL TP5 470UF STD 10V M FL TP5 33UF SMS,SG 500V 20% FM7.5 BULK CE 450V 220UF M LUG(105) MPP 0.0033UF 1.6KV 5%,-5% FM PP 47UF STD 50V M FL TP5 47UF KME 50V M FL TP5 820P 50V K B TS R 1000PF 1KV 10%,-10% R/TP TP5 A.C 275V 0.15UF K (S=22.5) 47UF STD 50V M FL TP5 47UF STD 50V M FL TP5 820P 50V K B TS PP 0.01UF 630V 5% FM 7.5MM R 470PF 1KV 10%,-10% R/TP TP5 A.C 275V 0.15UF K (S=22.5) CE 450V 220UF M LUG(105) 1000P 2KV K B S 1000P 2KV K B S 470 PF 4KV K JE R FL 10 1000P 2KV K B S 1000P 2KV K B S 2200PF 4KV M E FMTW LEAD 4.5 330UF STD 16V M FL TP5 1000P 1KV K B TS P/N 2 3 CC,CX,CK,CN: CQ: CE: RD: RS: RN: RF: - 53 - LOCA. NO PART NO DESCRIPTION C834 C841 C842 C851 C852 C853 C854 C861 C862 C863 C866 C871 C872 C873 C874 C876 C881 C882 C884 C888 C889 C891 C892 C893 C895 C896 C897 C898 C899 C901 C901B C901G C901R C902 C902B C902G C902R C903 C903B C903G C903R C904 C904B C904G C904R C905 C905B C905G C905R C906 C906B 0CE475DK618 181-091Q 0CE228DF618 181-091Q 0CE2286H61A 0CE108DF618 0CE108DF618 181-091Q 0CE228CL611 0CE228CL611 0CE475CK636 181-091Q 181-091Q 0CE228BK650 0CE228BK650 0CE105DK618 181-091Q 0CE337DK618 0CE337DK618 0CE475BP618 0CN1030F679 181-091R 0CE227BP650 0CE227BP650 181-091R 0CE227BP650 0CE107CP618 0CQ1041N509 0CE475BP618 0CE106BK618 0CE107DF618 0CE107DF618 0CE107DF618 0CE106DH618 0CE475DK618 0CE475DK618 0CE475DK618 0CE107DH618 0CK1040K945 0CK1040K945 0CK1040K945 0CE107DF618 0CK1040K945 0CK1040K945 0CK1040K945 0CE107DH618 0CC0500K115 0CC0500K115 0CC0200K115 0CE106DP618 0CE476DR618 4.7UF STD 50V 20% FL TP 5 R 470PF 1KV 10%,-10% R/TP TP5 2200UF STD 16V M FL TP5 R 470PF 1KV 10%,-10% R/TP TP5 2200UF SMS,SG 25V 20% FL TP 7.5 1000UF STD 16V M FL TP5 1000UF STD 16V M FL TP5 R 470PF 1KV 10%,-10% R/TP TP5 2200UF SHL,SD 63V M FL BK7.5 2200UF SHL,SD 63V M FL BK7.5 4.7UF SHL,SD 50V 20% FM5 BP(D) TP R 470PF 1KV 10%,-10% R/TP TP5 R 470PF 1KV 10%,-10% R/TP TP5 2200UF KME TYPE 50V 20% FM7.5 BULK 2200UF KME TYPE 50V 20% FM7.5 BULK 1UF STD 50V M FL TP5 R 470PF 1KV 10%,-10% R/TP TP5 330UF STD 50V M FL TP5 330UF STD 50V M FL TP5 4.7UF KME TYPE 160V 20% FL TP 5 10000P 16V M Y TA52 R 1000PF 1KV 10%,-10% R/TP TP5 220UF KME TYPE 160V 20% FM7.5 BULK 220UF KME TYPE 160V 20% FM7.5 BULK R 1000PF 1KV 10%,-10% R/TP TP5 220UF KME TYPE 160V 20% FM7.5 BULK 100U SHL 160V M FL TP5 0.1U 100V K POLY TP 4.7UF KME TYPE 160V 20% FL TP 5 10UF KME 50V M FL TP5 100UF STD 16V M FL TP5 100UF STD 16V M FL TP5 100UF STD 16V M FL TP5 10UF STD 25V M FL TP5 4.7UF STD 50V 20% FL TP 5 4.7UF STD 50V 20% FL TP 5 4.7UF STD 50V 20% FL TP 5 100UF STD 25V M FL TP5 0.1UF 50V Z F TR 0.1UF 50V Z F TR 0.1UF 50V Z F TR 100UF STD 16V M FL TP5 0.1UF 50V Z F TR 0.1UF 50V Z F TR 0.1UF 50V Z F TR 100UF STD 25V M FL TP5 5P 50V D NP0 TS 5P 50V D NP0 TS 2P 50V D NP0 TS 10UF STD 160V M FL TP5 47UF STD 250V 20% FL TP 5 LOCA. NO PART NO DESCRIPTION C906G C906R C907B C907G C907R C908 C908B C908G C908R C909 C909B C909G C909R C910 C910B C910G C910R C911 C911B C911G C911R C912 C912B C912G C912R C913 C914 C915 C916 C917 C917G C936 C941 CT01 CT02 CT03 CT04 CT05 CT06 CX101 CX102 CX103 CX104 CX113 CX114 CX115 CX124 CX600 CX601 CX603 CX604 0CE476DR618 0CE476DR618 0CE106DR618 0CE106DR618 0CE106DR618 0CE107DF618 0CK5610W515 0CK5610W515 0CK5610W515 0CE107DK618 0CK22202515 0CK22202515 0CK22202515 0CQ1031N509 0CN1040K949 0CN1040K949 0CN1040K949 181-007C 0CQZVBK002A 0CQZVBK002A 0CQZVBK002A 181-007C 0CK1030W510 0CK1030W510 0CK1030W510 0CC1510K405 0CN1040K949 181-091N 181-091N 0CK1030W510 0CN4710K519 0CE107BP61A 0CK1030W510 0CX6800K409 0CX6800K409 0CN1040K949 0CE1074F618 0CN1040K949 0CE1074F618 0CE107DF618 0CE106DF618 0CE106DF618 0CE106DF618 0CE106DF618 0CE106DF618 0CE106DF618 0CE107DF618 0CE475DK618 0CQ1831N509 181-442Z 181-442Z 47UF STD 250V 20% FL TP 5 47UF STD 250V 20% FL TP 5 10UF STD 250V M FL TP5 10UF STD 250V M FL TP5 10UF STD 250V M FL TP5 100UF STD 16V M FL TP5 560P 500V K B TS 560P 500V K B TS 560P 500V K B TS 100UF STD 50V M FL TP5 2200PF 2KV K B TR 2200PF 2KV K B TR 2200PF 2KV K B TR 0.01U 100V K POLY TP 0.1M 50V Z F TA52 0.1M 50V Z F TA52 0.1M 50V Z F TA52 MPE ECQ-V1H104JL3(TR), 50V 0.1UF J A.C 275V 0.1UF M (S=15) A.C 275V 0.1UF M (S=15) A.C 275V 0.1UF M (S=15) MPE ECQ-V1H104JL3(TR), 50V 0.1UF J 0.01U 500V K B S 0.01U 500V K B S 0.01U 500V K B S 150PF 50V J SL TR 0.1M 50V Z F TA52 SL 100PF 1KV 10%,-10% R/TP TP5 SL 100PF 1KV 10%,-10% R/TP TP5 0.01U 500V K B S 470P 50V K B TA52 100UF KME 160V M FL TP7.5 0.01U 500V K B S 68P 50V J SL TA52 68P 50V J SL TA52 0.1M 50V Z F TA52 100UF SRA 16V M FL TP5 0.1M 50V Z F TA52 100UF SRA 16V M FL TP5 100UF STD 16V M FL TP5 10UF STD 16V M FL TP5 10UF STD 16V M FL TP5 10UF STD 16V M FL TP5 10UF STD 16V M FL TP5 10UF STD 16V M FL TP5 10UF STD 16V M FL TP5 100UF STD 16V M FL TP5 4.7UF STD 50V 20% FL TP 5 0.018U 100V K POLY TP5 PE,ECQ-B1H104KF3(TR) PE,ECQ-B1H104KF3(TR) P/N 2 3 CC,CX,CK,CN: CQ: CE: RD: RS: RN: RF: - 54 - LOCA. NO PART NO DESCRIPTION CX609 CX610 CX611 CX612 CX613 CX615 CX616 CX617 CX618 CX619 CX630 J81J J81K R41L ZD01P L01P L100 L102 L1203 L1204 L261 L265 L2700 L2701 L2702 L2703 L2704 L2705 L2706 L2707 L2708 L2709 L2711 L2712 L401 L402 L404 L405 L500 L501 L502 L503 L702 L703 L704 L852 L861 L891 L892 0CQ1831N509 0CE104DK618 0CE106DK618 181-442Z 0CE106DK618 0CE226DK618 0CE226DK618 0CE108DK61A 0CE108DK61A 181-442Z 0CE228DK650 0CK10202510 0CK10202510 0CN1020K519 0CN1020K519 0LA0102K119 0LA0102K139 0LA0102K139 0LA0472K119 0LA0472K119 0LA0102K119 0LA0102K119 150-C02F 150-C02F 150-C02F 150-C02F 0LA0101K119 0LA0101K119 0LA0101K119 0LA0101K119 0LA0101K119 0LA0101K119 0LA0102K139 0LA0102K139 150-717J 6140VE0001Z 0LA1001K139 150-717K 0LA0222K119 0LA0102K119 0LA0222K119 0LA0102K119 150-C02F 150-C02F 150-C02F 6170VZ0005A 150-C02F 150-C02F 150-C02F 0.018U 100V K POLY TP5 0.1000UF STD 50V M FL TP5 10UF STD 50V M FL TP5 PE,ECQ-B1H104KF3(TR) 10UF STD 50V M FL TP5 22UF STD 50V M FL TP5 22UF STD 50V M FL TP5 1000UF STD 50V M FL TP7.5 1000UF STD 50V M FL TP7.5 PE,ECQ-B1H104KF3(TR) 2200UF STD 50V M FM7.5 BULK 1000P 2KV K B S 1000P 2KV K B S 1000P 50V K B TA52 1000P 50V K B TA52 INDUCTOR,AXIAL LEAD10UH K 2.3*3.4 TP INDUCTOR,AXIAL LEAD10UH K 4*10.5 TP INDUCTOR,AXIAL LEAD10UH K 4*10.5 TP INDUCTOR,AXIAL LEAD47UH K 2.3*3.4 TP INDUCTOR,AXIAL LEAD47UH K 2.3*3.4 TP INDUCTOR,AXIAL LEAD10UH K 2.3*3.4 TP INDUCTOR,AXIAL LEAD10UH K 2.3*3.4 TP COIL,CHOKE82UH PHY TURN COIL,CHOKE82UH PHY TURN COIL,CHOKE82UH PHY TURN COIL,CHOKE82UH PHY TURN INDUCTOR,AXIAL LEAD1.0UH K 2.3*3.4 TP INDUCTOR,AXIAL LEAD1.0UH K 2.3*3.4 TP INDUCTOR,AXIAL LEAD1.0UH K 2.3*3.4 TP INDUCTOR,AXIAL LEAD1.0UH K 2.3*3.4 TP INDUCTOR,AXIAL LEAD1.0UH K 2.3*3.4 TP INDUCTOR,AXIAL LEAD1.0UH K 2.3*3.4 TP INDUCTOR,AXIAL LEAD10UH K 4*10.5 TP INDUCTOR,AXIAL LEAD10UH K 4*10.5 TP COIL,CHOKECHOKE 560UH (E/W) COIL,LINEARITY27.5TURN YL-9N 20-20 C:8.5 INDUCTOR,LEAD1000UH 10% A 4.0 X 10.5 TA52 COIL,CHOKE1.1UH PHY TURN INDUCTOR,AXIAL LEAD22UH K 2.3*3.4 TP INDUCTOR,AXIAL LEAD10UH K 2.3*3.4 TP INDUCTOR,AXIAL LEAD22UH K 2.3*3.4 TP INDUCTOR,AXIAL LEAD10UH K 2.3*3.4 TP COIL,CHOKE82UH PHY TURN COIL,CHOKE82UH PHY TURN COIL,CHOKE82UH PHY TURN TRANSFORMER,120UH LM2576,ND00GA COIL,CHOKE82UH PHY TURN COIL,CHOKE82UH PHY TURN COIL,CHOKE82UH PHY TURN LOCA. NO PART NO DESCRIPTION L901 L902 LT01 T401 T402 T405 T406 T801 T805 T81A T81B GND2B GND2G GND2R GND3B GND3G GND3R GND4B GND4G GND4R GND7B GND8B GND8G GND8R GND9B P001A P003B P005B P00B P00G P00R P01A P02 P03 P03A P04 P1 P100 P101 P104 P105 P107 P110 P2 P2001 P2002 P2003 P2004 P260 150-C02F 150-C02F 0LA0102K119 151-515A 6170VC0009A 6170VMCA13R 151-E06A 6170VMCC01F 6170VS0004B 6170VZ0008A 6170VZ0008A 366-009D 366-009D 366-009D 366-009D 366-009D 366-009D 366-009D 366-009D 366-009D 366-009D 366-009D 366-009D 366-009D 366-009D 366-043H 366-921G 366-921N 366-043D 366-043D 366-043D 366-173G 366-173N 366-173L 366-173G 366-922B 366-009D 6631V25A04A 387-A08A 366-932E 366-932D 366-921G 366-009D 366-009D 366-173L 6602V25002C 6602V25002C 6602V25002C 6630V600932 COIL,CHOKE82UH PHY TURN COIL,CHOKE82UH PHY TURN INDUCTOR,AXIAL LEAD10UH K 2.3*3.4 TP TRANSFORMER, 4.5MH CF201 TRANSFORMER,8700UH MP03AA TRANSFORMER,SMPS[COIL]EER4215 1.2UUH TRANSFORMER,POWEREER2834 0UH TRANSFORMER,SMPS[COIL]EER5345 220UUH TRANSFORMER,STAND-BYEE2229 2200UUH TRANSFORMER,30500UH REACTOR TRANS TRANSFORMER,30500UH REACTOR TRANS CONNECTOR, 2.36PAI 1P . K/M AUTO CONNECTOR, 2.36PAI 1P . K/M AUTO CONNECTOR, 2.36PAI 1P . K/M AUTO CONNECTOR, 2.36PAI 1P . K/M AUTO CONNECTOR, 2.36PAI 1P . K/M AUTO CONNECTOR, 2.36PAI 1P . K/M AUTO CONNECTOR, 2.36PAI 1P . K/M AUTO CONNECTOR, 2.36PAI 1P . K/M AUTO CONNECTOR, 2.36PAI 1P . K/M AUTO CONNECTOR, 2.36PAI 1P . K/M AUTO CONNECTOR, 2.36PAI 1P . K/M AUTO CONNECTOR, 2.36PAI 1P . K/M AUTO CONNECTOR, 2.36PAI 1P . K/M AUTO CONNECTOR, 2.36PAI 1P . K/M AUTO CONNECTOR, ASSY,PLUG (4P) CONNECTOR, 2.5MM 8P GIL-G LG CABLE . CONNECTOR, WAFER IL-G 14(2.5S) CONNECTOR, ASSY,PLUG(4P) CONNECTOR, ASSY,PLUG(4P) CONNECTOR, ASSY,PLUG(4P) CONNECTOR, 2.5MM 8*2P AEPH-254 A/K R/A CONNECTOR, AEPH254-D28R(14*2) CONNECTOR, 2.5MM 12*2P AEPH-254 A/K R/N CONNECTOR, 2.5MM 8*2P AEPH-254 A/K R/A CONNECTOR, 2.5MM 3P GIL-G LG CABLE R/A CONNECTOR, 2.36PAI 1P . K/M AUTO CONNECTOR, 14P 2.5MM 100MM H-B CONNECTOR, 8P 2.5MM 100MM H-B CONNECTOR, 2.5MM 6P GIL-G LG CABLE S CONNECTOR, 2.5MM 5P GIL-G LG CABLE S CONNECTOR, 2.5MM 8P GIL-G LG CABLE . CONNECTOR, 2.36PAI 1P . K/M AUTO CONNECTOR, 2.36PAI 1P . K/M AUTO CONNECTOR, 2.5MM 12*2P AEPH-254 A/K R/N CONNECTOR, 2.5MM 4P EH-A JST . CONNECTOR, 2.5MM 4P EH-A JST . CONNECTOR, 2.5MM 4P EH-A JST . CONNECTOR, 32P 2.54MM MALE B-B COIL&TRANSFORMER CONNECTOR P/N 2 3 CC,CX,CK,CN: CQ: CE: RD: RS: RN: RF: - 55 - LOCA. NO PART NO DESCRIPTION P261 P3 P4 P401 P401A P403 P403A P404 P404 P404A P405A P406A P410A P411A P415 P416 P417 P420 P421 P42A P42B P42C P5 P502 P503 P600 P601 P700 P801A P801B P801B P801C P801D P802B P804 P805 P810 P811B P811C P81A P81B P81C P81D P841 P841A P84A P84B P84C P84D P861 P861A 6630V600932 366-009D 366-009D 366-921G 387-A08A 366-921H 387-A09A 366-921F 366-173E 387-A07A 366-932D 366-932E 366-043H 387-A06J 366-009D 366-009D 366-009D 366-932B 366-009D 366-009D 366-009D 366-009D 366-009D 366-932C 366-921J 366-932B 366-932C 366-921L 366-009D 366-009D 6631V23001S 366-009D 366-009D 6631V23001T 366-009D 366-009D 366-009D 366-009D 366-009D 366-009D 366-009D 366-009D 366-009D 366-921N 6631V25A04A 366-009D 366-009D 366-009D 366-009D 366-932C 387-A04A CONNECTOR, 32P 2.54MM MALE B-B CONNECTOR, 2.36PAI 1P . K/M AUTO CONNECTOR, 2.36PAI 1P . K/M AUTO CONNECTOR, 2.5MM 8P GIL-G LG CABLE . CONNECTOR, 8P 2.5MM 100MM H-B CONNECTOR, 2.5MM 9P GIL-G LG CABLE . CONNECTOR, 9P 2.5MM 100MM H-B CONNECTOR, 2.5MM 7P GIL-G LG CABLE . CONNECTOR, 2.5MM 6*2P AEPH-254 A/K R/A CONNECTOR, 7P 2.5MM 100MM H-B CONNECTOR, 2.5MM 5P GIL-G LG CABLE S CONNECTOR, 2.5MM 6P GIL-G LG CABLE S CONNECTOR, ASSY,PLUG (4P) CONNECTOR, 6P 2.5MM 500MM H-B CONNECTOR, 2.36PAI 1P . K/M AUTO CONNECTOR, 2.36PAI 1P . K/M AUTO CONNECTOR, 2.36PAI 1P . K/M AUTO CONNECTOR, 2.5MM 3P GIL-G LG CABLE S CONNECTOR, 2.36PAI 1P . K/M AUTO CONNECTOR, 2.36PAI 1P . K/M AUTO CONNECTOR, 2.36PAI 1P . K/M AUTO CONNECTOR, 2.36PAI 1P . K/M AUTO CONNECTOR, 2.36PAI 1P . K/M AUTO CONNECTOR, 2.5MM 4P GIL-G LG CABLE S CONNECTOR, 2.5MM 10P GIL-G LG CABLE . CONNECTOR, 2.5MM 3P GIL-G LG CABLE S CONNECTOR, 2.5MM 4P GIL-G LG CABLE S CONNECTOR, 2.5MM 12P GIL-G LG CABLE . CONNECTOR, 2.36PAI 1P . K/M AUTO CONNECTOR, 2.36PAI 1P . K/M AUTO CONNECTOR, 2P 10.0MM 1200MM H-H UL1617 CONNECTOR, 2.36PAI 1P . K/M AUTO CONNECTOR, 2.36PAI 1P . K/M AUTO CONNECTOR, 3P 10.0MM 1200MM H-H UL1617 CONNECTOR, 2.36PAI 1P . K/M AUTO CONNECTOR, 2.36PAI 1P . K/M AUTO CONNECTOR, 2.36PAI 1P . K/M AUTO CONNECTOR, 2.36PAI 1P . K/M AUTO CONNECTOR, 2.36PAI 1P . K/M AUTO CONNECTOR, 2.36PAI 1P . K/M AUTO CONNECTOR, 2.36PAI 1P . K/M AUTO CONNECTOR, 2.36PAI 1P . K/M AUTO CONNECTOR, 2.36PAI 1P . K/M AUTO CONNECTOR, WAFER IL-G 14(2.5S) CONNECTOR, 14P 2.5MM 100MM H-B UL1007 CONNECTOR, 2.36PAI 1P . K/M AUTO CONNECTOR, 2.36PAI 1P . K/M AUTO CONNECTOR, 2.36PAI 1P . K/M AUTO CONNECTOR, 2.36PAI 1P . K/M AUTO CONNECTOR, 2.5MM 4P GIL-G LG CABLE S CONNECTOR, 4P 2.5MM 100MM H-B LOCA. NO PART NO DESCRIPTION P901B P902B P903A P903B P904A P904B PSVM1A PSVM2A PSVM3A PSVM5A PSVM5B PSVM7 PT01 AR01 AR01 AR02 AR02 AR03 AR03 AR04 AR04 AR05 AR05 AR06 AR06 AR07 AR08 AR09 AR10 AR11 L204 L403 R114 R1201 R1202 R1203 R1204 R1205 R127 R2095 R2096 R260 R261 R263 R2700 R2703 R2704 R2705 R2706 366-921J 366-921D 6631V00017E 366-921H 6631V00017E 366-921H 366-932B 366-932B 366-932B 366-932B 366-932B 366-932C 366-922G 0RRZVTA001A 0RRZVTA001A 0RRZVTA001A 0RRZVTA001A 0RRZVTA001A 0RRZVTA001A 0RRZVTA001A 0RRZVTA001A 0RRZVTA001A 0RRZVTA001A 0RRZVTA001A 0RRZVTA001A 0RRZVTA001A 0RRZVTA001A 0RRZVTA001A 0RRZVTA001A 0RRZVTA001A 0RN1001G509 0RF0111K607 0RD2201H609 0RD0752F609 0RD0752F609 0RD0752F609 0RD2403F609 0RD2403F609 0RD2201H609 0RF0470K607 0RF0470K607 0RS0102K607 0RS0102K607 0RH0000D622 0RS2200K607 0RD2701F609 0RD2701F609 0RD2701F609 0RD2701F609 CONNECTOR, 2.5MM 10P GIL-G LG CABLE . CONNECTOR, 2.5MM 5P GIL-G LG CABLE . CONNECTOR, 9P 2.5MM 300MM H-B UL1007 CONNECTOR, 2.5MM 9P GIL-G LG CABLE . CONNECTOR, 9P 2.5MM 300MM H-B UL1007 CONNECTOR, 2.5MM 9P GIL-G LG CABLE . CONNECTOR, 2.5MM 3P GIL-G LG CABLE S CONNECTOR, 2.5MM 3P GIL-G LG CABLE S CONNECTOR, 2.5MM 3P GIL-G LG CABLE S CONNECTOR, 2.5MM 3P GIL-G LG CABLE S CONNECTOR, 2.5MM 3P GIL-G LG CABLE S CONNECTOR, 2.5MM 4P GIL-G LG CABLE S CONNECTOR, 2.5MM 8P GIL-G LG CABLE R/A R OHM 100 OHM 5% CHIP 100 OHM*4 R OHM 100 OHM 5% CHIP 100 OHM*4 R OHM 100 OHM 5% CHIP 100 OHM*4 R OHM 100 OHM 5% CHIP 100 OHM*4 R OHM 100 OHM 5% CHIP 100 OHM*4 R OHM 100 OHM 5% CHIP 100 OHM*4 R OHM 100 OHM 5% CHIP 100 OHM*4 R OHM 100 OHM 5% CHIP 100 OHM*4 R OHM 100 OHM 5% CHIP 100 OHM*4 R OHM 100 OHM 5% CHIP 100 OHM*4 R OHM 100 OHM 5% CHIP 100 OHM*4 R OHM 100 OHM 5% CHIP 100 OHM*4 R OHM 100 OHM 5% CHIP 100 OHM*4 R OHM 100 OHM 5% CHIP 100 OHM*4 R OHM 100 OHM 5% CHIP 100 OHM*4 R OHM 100 OHM 5% CHIP 100 OHM*4 R OHM 100 OHM 5% CHIP 100 OHM*4 1K OHM 1/4 W 2.00% TA52 1.1 OHM 2 W 5.00% TA62 2.2K OHM 1/2 W 5.00% TA52 75 OHM 1/6 W 5.00% TA52 75 OHM 1/6 W 5.00% TA52 75 OHM 1/6 W 5.00% TA52 240K OHM 1/6 W 5.00% TA52 240K OHM 1/6 W 5.00% TA52 2.2K OHM 1/2 W 5.00% TA52 0.47 OHM 2 W 5.00% TA62 0.47 OHM 2 W 5.00% TA62 10 OHM 2 W 5.00% TA62 10 OHM 2 W 5.00% TA62 0 OHM 1 / 10 W 2012 5.00% D 220 OHM 2 W 5.00% TA62 2.7K OHM 1/6 W 5% TA52 2.7K OHM 1/6 W 5% TA52 2.7K OHM 1/6 W 5% TA52 2.7K OHM 1/6 W 5% TA52 RESISTOR - 56 - LOCA. NO PART NO DESCRIPTION R2707 R2708 R2709 R2710 R2711 R2712 R2713 R2714 R2715 R2716 R2717 R2718 R2719 R2720 R2721 R2722 R2723 R2724 R2725 R2726 R2727 R2728 R2729 R2730 R2731 R2732 R2733 R2734 R2735 R2736 R2737 R2738 R2739 R2740 R2741 R2742 R2743 R2744 R2745 R2746 R2747 R2748 R2780 R2781 R2782 R2783 R2784 R2785 R2786 R2787 R2788 0RD2701F609 0RD2701F609 0RD3301F609 0RD3301F609 0RD3301F609 0RD3301F609 0RD3301F609 0RD3301F609 0RD4701F609 0RD4701F609 0RD2702F609 0RD2702F609 0RD4702F609 0RD4702F609 0RD4702F609 0RD4702F609 0RD4702F609 0RD4702F609 0RS0391K607 0RS0391K607 0RS0391K607 0RS0391K607 0RS0391K607 0RS0391K607 0RS0391K607 0RS0391K607 0RS0391K607 0RS0391K607 0RS0391K607 0RS0391K607 0RS2200K607 0RS2200K607 0RS2200K607 0RS2200K607 0RS2200K607 0RS2200K607 0RS2200K607 0RS2200K607 0RS2200K607 0RS2200K607 0RS2200K607 0RD1000F609 0RD1601F609 0RD1001F609 0RD1601F609 0RD1001F609 0RD1601F609 0RD1001F609 0RD1601F609 0RD1001F609 0RD1601F609 2.7K OHM 1/6 W 5% TA52 2.7K OHM 1/6 W 5% TA52 3.3K OHM 1/6 W 5.00% TA52 3.3K OHM 1/6 W 5.00% TA52 3.3K OHM 1/6 W 5.00% TA52 3.3K OHM 1/6 W 5.00% TA52 3.3K OHM 1/6 W 5.00% TA52 3.3K OHM 1/6 W 5.00% TA52 4.7K OHM 1/6 W 5% TA52 4.7K OHM 1/6 W 5% TA52 27K OHM 1/6 W 5.00% TA52 27K OHM 1/6 W 5.00% TA52 47K OHM 1/6 W 5% TA52 47K OHM 1/6 W 5% TA52 47K OHM 1/6 W 5% TA52 47K OHM 1/6 W 5% TA52 47K OHM 1/6 W 5% TA52 47K OHM 1/6 W 5% TA52 3.9 OHM 2 W 5.00% TA62 3.9 OHM 2 W 5.00% TA62 3.9 OHM 2 W 5.00% TA62 3.9 OHM 2 W 5.00% TA62 3.9 OHM 2 W 5.00% TA62 3.9 OHM 2 W 5.00% TA62 3.9 OHM 2 W 5.00% TA62 3.9 OHM 2 W 5.00% TA62 3.9 OHM 2 W 5.00% TA62 3.9 OHM 2 W 5.00% TA62 3.9 OHM 2 W 5.00% TA62 3.9 OHM 2 W 5.00% TA62 220 OHM 2 W 5.00% TA62 220 OHM 2 W 5.00% TA62 220 OHM 2 W 5.00% TA62 220 OHM 2 W 5.00% TA62 220 OHM 2 W 5.00% TA62 220 OHM 2 W 5.00% TA62 220 OHM 2 W 5.00% TA62 220 OHM 2 W 5.00% TA62 220 OHM 2 W 5.00% TA62 220 OHM 2 W 5.00% TA62 220 OHM 2 W 5.00% TA62 100 OHM 1/6 W 5% TA52 1.6K OHM 1/6 W 5.00% TA52 1K OHM 1/6 W 5% TA52 1.6K OHM 1/6 W 5.00% TA52 1K OHM 1/6 W 5% TA52 1.6K OHM 1/6 W 5.00% TA52 1K OHM 1/6 W 5% TA52 1.6K OHM 1/6 W 5.00% TA52 1K OHM 1/6 W 5% TA52 1.6K OHM 1/6 W 5.00% TA52 LOCA. NO PART NO DESCRIPTION R2789 R2790 R2791 R2792 R2793 R2794 R2795 R2796 R2797 R2798 R316 R400 R401 R402 R403 R403 R404 R405 R406 R407 R408 R409 R40A R40C R40D R40E R40F R40G R40H R40I R40J R40K R40L R40M R40N R40P R40Q R40T R40U R40V R40W R40X R40Y R40Z R410 R411 R412 R413 R414 R415 R416 0RD1001F609 0RD1601F609 0RD1001F609 0RD1002F609 0RD4701F609 0RD4701F609 0RD4701F609 0RD2201F609 0RD4701F609 0RD1002F609 0RN1002F409 0RF0470H609 0RD1200H609 0RD3301F609 0RD1200H609 0RS2200K607 0RD6200F609 0RS3902K607 0RS3902K607 0RS3902K607 0RD1000H609 0RS5101H609 0RD4702F609 0RD7501F609 0RD1800F609 0RD7502H609 0RS1002H609 0RD0682F609 0RD3300F609 0RD4701F609 0RD4701F609 0RD2403H609 0RD1501F609 0RD2001H609 0RF0470H609 0RD2201F609 0RD3301F609 0RD1001F609 0RD1602F609 0RD2401F609 0RD2002F609 0RD0102F609 0RF0470H609 0RD4700H609 0RS6801K607 0RD1502H609 0RD2201H609 0RS3902K607 0RF0201K607 0RF0201K607 180-C02M 1K OHM 1/6 W 5% TA52 1.6K OHM 1/6 W 5.00% TA52 1K OHM 1/6 W 5% TA52 10K OHM 1/6 W 5% TA52 4.7K OHM 1/6 W 5% TA52 4.7K OHM 1/6 W 5% TA52 4.7K OHM 1/6 W 5% TA52 2.2K OHM 1/6 W 5.00% TA52 4.7K OHM 1/6 W 5% TA52 10K OHM 1/6 W 5% TA52 10K OHM 1/6 W 1.00% TA52 0.47 OHM 1/2 W 5.00% TA52 120 OHM 1/2 W 5.00% TA52 3.3K OHM 1/6 W 5.00% TA52 120 OHM 1/2 W 5.00% TA52 220 OHM 2 W 5.00% TA62 620 OHM 1/6 W 5.00% TA52 39K OHM 2 W 5.00% TA62 39K OHM 2 W 5.00% TA62 39K OHM 2 W 5.00% TA62 100 OHM 1/2 W 5.00% TA52 5.1K OHM 1/2 W 5.00% TA52 47K OHM 1/6 W 5% TA52 7.5K OHM 1/6 W 5.00% TA52 180 OHM 1/6 W 5.00% TA52 75K OHM 1/2 W 5.00% TA52 10K OHM 1/2 W 5.00% TA52 68 OHM 1/6 W 5.00% TA52 330 OHM 1/6 W 5.00% TA52 4.7K OHM 1/6 W 5% TA52 4.7K OHM 1/6 W 5% TA52 240K OHM 1/2 W 5.00% TA52 1.5K OHM 1/6 W 5% TA52 2K OHM 1/2 W 5.00% TA52 0.47 OHM 1/2 W 5.00% TA52 2.2K OHM 1/6 W 5.00% TA52 3.3K OHM 1/6 W 5.00% TA52 1K OHM 1/6 W 5% TA52 16K OHM 1/6 W 5.00% TA52 2.4K OHM 1/6 W 5.00% TA52 20K OHM 1/6 W 5.00% TA52 10 OHM 1/6 W 5% TA52 0.47 OHM 1/2 W 5.00% TA52 470 OHM 1/2 W 5.00% TA52 6.8K OHM 2 W 5.00% TA62 15K OHM 1/2 W 5.00% TA52 2.2K OHM 1/2 W 5.00% TA52 39K OHM 2 W 5.00% TA62 2 OHM 2 W 5.00% TA62 2 OHM 2 W 5.00% TA62 5.6K OHM 1/2 W 10% TA52 ERC12GK562V P/N 2 3 CC,CX,CK,CN: CQ: CE: RD: RS: RN: RF: - 57 - LOCA. NO PART NO DESCRIPTION R417 R418 R419 R41A R41B R41C R41D R41E R41G R41K R41P R41R R420 R421 R423 R425 R426 R428 R429 R42A R430 R431 R432 R433 R434 R435 R436 R437 R438 R439 R440 R441 R442 R443 R445 R449 R450 R451 R452 R453 R454 R455 R457 R458 R459 R460 R461 R463 R464 R465 R466 0RD1501H609 0RD1002F609 0RS0221H609 0RD1000F609 0RD1001F609 0RD1200H609 0RD1002F609 0RD1200H609 0RD2200H609 0RD8202F609 0RD1200H609 0RD1200H609 0RD3302F609 0RD0102F609 0RS1500K607 0RF0111K607 0RF0121K607 0RN5601F409 0RD1303F609 0RD4701F609 0RS4702H609 0RS0101H609 0RD4700H609 0RF0561K607 0RF0121K607 0RN5601F409 0RD1102F609 0RD2201F609 0RD2001F609 0RD2201F609 0RD1501F609 0RD1102F609 0RD5101F609 0RD0472F609 0RD1000H609 0RD1002F609 0RD1501F609 0RD1001F609 0RD1501F609 0RD1000H609 0RS0470H609 0RD1000H609 0RD1000F609 0RD3003F609 0RD1002F609 0RD3302F609 0RD1002F609 0RD1001F609 0RD2001F609 0RD4700F609 0RD1001F609 1.5K OHM 1/2 W 5.00% TA52 10K OHM 1/6 W 5% TA52 2.2 OHM 1/2 W 5.00% TA52 100 OHM 1/6 W 5% TA52 1K OHM 1/6 W 5% TA52 120 OHM 1/2 W 5.00% TA52 10K OHM 1/6 W 5% TA52 120 OHM 1/2 W 5.00% TA52 220 OHM 1/2 W 5.00% TA52 82K OHM 1/6 W 5.00% TA52 120 OHM 1/2 W 5.00% TA52 120 OHM 1/2 W 5.00% TA52 33K OHM 1/6 W 5% TA52 10 OHM 1/6 W 5% TA52 150 OHM 2 W 5.00% TA62 1.1 OHM 2 W 5.00% TA62 1.2 OHM 2 W 5.00% TA62 5.6K OHM 1/6 W 1.00% TA52 130K OHM 1/6 W 5.00% TA52 4.7K OHM 1/6 W 5% TA52 47K OHM 1/2 W 5.00% TA52 1 OHM 1/2 W 5.00% TA52 470 OHM 1/2 W 5.00% TA52 5.6 OHM 2 W 5.00% TA62 1.2 OHM 2 W 5.00% TA62 5.6K OHM 1/6 W 1.00% TA52 11K OHM 1/6 W 5.00% TA52 2.2K OHM 1/6 W 5.00% TA52 2K OHM 1/6 W 5% TA52 2.2K OHM 1/6 W 5.00% TA52 1.5K OHM 1/6 W 5% TA52 11K OHM 1/6 W 5.00% TA52 5.1K OHM 1/6 W 5.00% TA52 47 OHM 1/6 W 5% TA52 100 OHM 1/2 W 5.00% TA52 10K OHM 1/6 W 5% TA52 1.5K OHM 1/6 W 5% TA52 1K OHM 1/6 W 5% TA52 1.5K OHM 1/6 W 5% TA52 100 OHM 1/2 W 5.00% TA52 0.47 OHM 1/2 W 5.00% TA52 100 OHM 1/2 W 5.00% TA52 100 OHM 1/6 W 5% TA52 300K OHM 1/6 W 5.00% TA52 10K OHM 1/6 W 5% TA52 33K OHM 1/6 W 5% TA52 10K OHM 1/6 W 5% TA52 1K OHM 1/6 W 5% TA52 2K OHM 1/6 W 5% TA52 470 OHM 1/6 W 0.05 TA52 1K OHM 1/6 W 5% TA52 LOCA. NO PART NO DESCRIPTION R467 R468 R469 R46A R46D R470 R473 R474 R475 R476 R477 R478 R479 R480 R481 R482 R483 R484 R485 R486 R487 R488 R489 R490 R491 R492 R493 R494 R495 R496 R497 R498 R499 R694 R695 R802 R803 R804 R805 R807 R808 R811 R815 R817 R818 R819 R81A R820 R821 R827 R828 0RD1000F609 0RD4700F609 0RS3900K607 0RD2201F609 0RD3301F609 0RS2002H609 0RD3301F609 0RD2701H609 0RD2200H609 0RS3900K607 0RD2201F609 0RS2001K607 0RD5601F609 0RS2001K607 0RS3902K607 0RS3902K607 0RN2002F409 0RN9102F409 0RS0561K607 0RS1002H609 0RS0202K607 180-A01E 0RD0472F609 0RN2202F409 180-A01B 0RD1303F609 0RF0470H609 0RF0121H609 0RD1001F609 0RD1602F609 0RD7501F609 0RS2702H609 0RD2002F609 0RD1001H609 0RD1001H609 0RD1001F609 180-A01D 180-A01D 0RD0562H609 0RD4701F609 0RD3301F609 0RD3902F609 0RD1001F609 0RD1003H609 0RD1003H609 0RS0470H609 0RKZVTA001K 0RS1203K607 0RS0331H609 0RD0681H609 0RD2001H609 100 OHM 1/6 W 5% TA52 470 OHM 1/6 W 0.05 TA52 390 OHM 2 W 5.00% TA62 2.2K OHM 1/6 W 5.00% TA52 3.3K OHM 1/6 W 5.00% TA52 20K OHM 1/2 W 5.00% TA52 3.3K OHM 1/6 W 5.00% TA52 2.7K OHM 1/2 W 5.00% TA52 220 OHM 1/2 W 5.00% TA52 390 OHM 2 W 5.00% TA62 2.2K OHM 1/6 W 5.00% TA52 2K OHM 2 W 5.00% TA62 5.6K OHM 1/6 W 5% TA52 2K OHM 2 W 5.00% TA62 39K OHM 2 W 5.00% TA62 39K OHM 2 W 5.00% TA62 20K OHM 1/6 W 1.00% TA52 91K OHM 1/6 W 1.00% TA52 5.6 OHM 2 W 5.00% TA62 10K OHM 1/2 W 5.00% TA52 20 OHM 2 W 5.00% TA62 2 W RW ROUND G 2W 0.33J TA31(63) 47 OHM 1/6 W 5% TA52 22K OHM 1/6 W 1.00% TA52 RW ROUND G 2W 0.11 K TA31(63) 130K OHM 1/6 W 5.00% TA52 0.47 OHM 1/2 W 5.00% TA52 1.2 OHM 1/2 W 5.00% TA52 1K OHM 1/6 W 5% TA52 16K OHM 1/6 W 5.00% TA52 7.5K OHM 1/6 W 5.00% TA52 27K OHM 1/2 W 5.00% TA52 20K OHM 1/6 W 5.00% TA52 1K OHM 1/2 W 5.00% TA52 1K OHM 1/2 W 5.00% TA52 1K OHM 1/6 W 5% TA52 RW ROUND G 2W 0.16 J TA31(63) RW ROUND G 2W 0.16 J TA31(63) 56 OHM 1/2 W 5.00% TA52 4.7K OHM 1/6 W 5% TA52 3.3K OHM 1/6 W 5.00% TA52 39K OHM 1/6 W 5.00% TA52 1K OHM 1/6 W 5% TA52 100K OHM 1/2 W 5.00% TA52 100K OHM 1/2 W 5.00% TA52 0.47 OHM 1/2 W 5.00% TA52 0.47M OHM 1/2 W 5% TA52 120K OHM 2 W 5.00% TA62 3.3 OHM 1/2 W 5.00% TA52 6.8 OHM 1/2 W 5.00% TA52 2K OHM 1/2 W 5.00% TA52 P/N 2 3 CC,CX,CK,CN: CQ: CE: RD: RS: RN: RF: - 58 - LOCA. NO PART NO DESCRIPTION R829 R830 R831 R832 R833 R834 R835 R837 R839 R840 R851 R861 R871 R872 R887 R891 R892 R893 R894 R895 R897 R898 R899 R901 R901B R901G R901R R902 R902B R902G R902R R903 R903B R903G R903R R904 R904B R904G R904R R905 R905B R905G R905R R906 R906B R906G R906R R907 R907B R907G R907R 0RD1001F609 180-C02J 0RD1001F609 0RD4701F609 0RD4701F609 0RD7500F609 0RD9100F609 0RD2201F609 0RD1501F609 0RD1002F609 0RD9100F609 180-777H 0RD4302F609 0RD5602F609 0RD4701F609 0RN1201F409 0RN1801F409 0RD4701F609 0RD2001F609 0RD4701F609 0RS3301K607 0RS3301K607 0RS0161K607 0RD2200F609 0RD1000F609 0RD1000F609 0RD1000F609 0RD2200F609 0RD5101F609 0RD5101F609 0RD5101F609 0RD1200F609 0RN3001F409 0RN3001F409 0RN3001F409 0RD1002F609 0RD6200F609 0RD6200F609 0RD6200F609 0RD4700F609 0RD0102F609 0RD0102F609 0RD0102F609 0RD0622F609 0RD2701F609 0RD2701F609 0RD2701F609 0RD1001F609 0RD1203F609 0RD1203F609 0RD1203F609 1K OHM 1/6 W 5% TA52 ERC12GK106V(RC 1/2W 10M K TA) 1K OHM 1/6 W 5% TA52 4.7K OHM 1/6 W 5% TA52 4.7K OHM 1/6 W 5% TA52 750 OHM 1/6 W 5% TA52 910 OHM 1/6 W 5.00% TA52 2.2K OHM 1/6 W 5.00% TA52 1.5K OHM 1/6 W 5% TA52 10K OHM 1/6 W 5% TA52 910 OHM 1/6 W 5.00% TA52 RWR 7W 910 J VERT 43K OHM 1/6 W 5.00% TA52 56K OHM 1/6 W 5% TA52 4.7K OHM 1/6 W 5% TA52 1.2K OHM 1/6 W 1.00% TA52 1.8K OHM 1/6 W 1.00% TA52 4.7K OHM 1/6 W 5% TA52 2K OHM 1/6 W 5% TA52 4.7K OHM 1/6 W 5% TA52 3.3K OHM 2 W 5.00% TA62 3.3K OHM 2 W 5.00% TA62 1.6 OHM 2 W 5.00% TA62 220 OHM 1/6 W 5.00% TA52 100 OHM 1/6 W 5% TA52 100 OHM 1/6 W 5% TA52 100 OHM 1/6 W 5% TA52 220 OHM 1/6 W 5.00% TA52 5.1K OHM 1/6 W 5.00% TA52 5.1K OHM 1/6 W 5.00% TA52 5.1K OHM 1/6 W 5.00% TA52 120 OHM 1/6 W 5.00% TA52 3K OHM 1/6 W 1.00% TA52 3K OHM 1/6 W 1.00% TA52 3K OHM 1/6 W 1.00% TA52 10K OHM 1/6 W 5% TA52 620 OHM 1/6 W 5.00% TA52 620 OHM 1/6 W 5.00% TA52 620 OHM 1/6 W 5.00% TA52 470 OHM 1/6 W 0.05 TA52 10 OHM 1/6 W 5% TA52 10 OHM 1/6 W 5% TA52 10 OHM 1/6 W 5% TA52 62 OHM 1/6 W 5.00% TA52 2.7K OHM 1/6 W 5% TA52 2.7K OHM 1/6 W 5% TA52 2.7K OHM 1/6 W 5% TA52 1K OHM 1/6 W 5% TA52 120K OHM 1/6 W 5.00% TA52 120K OHM 1/6 W 5.00% TA52 120K OHM 1/6 W 5.00% TA52 LOCA. NO PART NO DESCRIPTION R908 R908B R908G R908R R909B R909G R909R R910B R910G R910R R911 R911B R911G R911R R912 R912B R912G R912R R913 R913B R913G R913R R914B R914G R914R R915B R915G R915R R916B R916G R916R R918G R919B R919G R919R R920B R920G R920R R921B R921G R921R R922B R922G R922R R923B R923G R923R R925B R925G R926B R926B 0RD0472F609 0RD1001F609 0RD1001F609 0RD1001F609 0RS4702K607 0RS4702K607 0RS4702K607 180-C02P 180-C02P 180-C02P 0RS4700K607 0RD1002H609 0RD1002H609 0RD1002H609 0RS4700K607 0RD1004H609 0RD1004H609 0RD1004H609 0RS4700K607 0RF0470H609 0RF0470H609 0RF0470H609 0RKZVTA001K 0RKZVTA001K 0RKZVTA001K 0RD1003H609 0RD1003H609 0RD1003H609 0RD3900F609 0RD3900F609 0RD3900F609 0RD1002F609 0RD6201F609 0RD6201F609 0RD6201F609 0RD1101F609 0RD1101F609 0RD1101F609 0RD2001F609 0RD2001F609 0RD2001F609 0RF0102K607 0RF0102K607 0RF0102K607 0RCZVTA002E 0RCZVTA002E 0RCZVTA002E 0RD1002F609 0RD1002F609 180-C02P 180-C02Q 47 OHM 1/6 W 5% TA52 1K OHM 1/6 W 5% TA52 1K OHM 1/6 W 5% TA52 1K OHM 1/6 W 5% TA52 47K OHM 2 W 5.00% TA62 47K OHM 2 W 5.00% TA62 47K OHM 2 W 5.00% TA62 220OHM 1/2 W 5% TA52 220OHM 1/2 W 5% TA52 220OHM 1/2 W 5% TA52 470 OHM 2 W 5.00% TA62 10K OHM 1/2 W 5.00% TA52 10K OHM 1/2 W 5.00% TA52 10K OHM 1/2 W 5.00% TA52 470 OHM 2 W 5.00% TA62 1M OHM 1/2 W 5.00% TA52 1M OHM 1/2 W 5.00% TA52 1M OHM 1/2 W 5.00% TA52 470 OHM 2 W 5.00% TA62 0.47 OHM 1/2 W 5.00% TA52 0.47 OHM 1/2 W 5.00% TA52 0.47 OHM 1/2 W 5.00% TA52 0.47M OHM 1/2 W 5% TA52 0.47M OHM 1/2 W 5% TA52 0.47M OHM 1/2 W 5% TA52 100K OHM 1/2 W 5.00% TA52 100K OHM 1/2 W 5.00% TA52 100K OHM 1/2 W 5.00% TA52 390 OHM 1/6 W 5% TA52 390 OHM 1/6 W 5% TA52 390 OHM 1/6 W 5% TA52 10K OHM 1/6 W 5% TA52 6.2K OHM 1/6 W 5.00% TA52 6.2K OHM 1/6 W 5.00% TA52 6.2K OHM 1/6 W 5.00% TA52 1.1K OHM 1/6 W 5.00% TA52 1.1K OHM 1/6 W 5.00% TA52 1.1K OHM 1/6 W 5.00% TA52 2K OHM 1/6 W 5% TA52 2K OHM 1/6 W 5% TA52 2K OHM 1/6 W 5% TA52 10 2W 5% TA62 10 2W 5% TA62 10 2W 5% TA62 4.7K OHM 1/2 W 10% TA52 . 4.7K OHM 1/2 W 10% TA52 . 4.7K OHM 1/2 W 10% TA52 . 10K OHM 1/6 W 5% TA52 10K OHM 1/6 W 5% TA52 220OHM 1/2 W 5% TA52 330OHM 1/2 W 5% TA52 P/N 2 3 CC,CX,CK,CN: CQ: CE: RD: RS: RN: RF: - 59 - LOCA. NO PART NO DESCRIPTION R926G R926G R926R R926R RT01 RT03 RT04 RT05 RT07 RT08 RT09 RT10 RT11 RT12 RT13 RT14 RT15 RT16 RT17 RT18 RT19 RT20 RT21 RT22 RX644 VR401 SW801S SWT01 SWT02 SWT03 SWT04 SWT05 SWT06 SWT07 SWT08 FB2000 FB2001 FB2002 FB2003 FB2004 FB2005 FB2006 FB2007 FB2008 FB2009 FB2010 FB2011 180-C02P 180-C02Q 180-C02P 180-C02Q 0RD8200F609 0RD4700F609 0RD4700F609 0RD1002F609 0RD1000F609 0RD1000F609 0RD1000F609 0RD1000F609 0RD4701F609 0RD4701F609 0RD1000F609 0RD1000F609 0RD1000F609 0RD1000F609 0RD4701F609 0RD4701F609 0RD4701F609 0RD4701F609 0RD4701F609 0RD1000F609 180-777H 0RV1103D550 140-289A 140-313B 140-313B 140-313B 140-313B 140-313B 140-313B 140-313B 140-313B 125-022K 125-022K 125-022K 125-022K 125-022K 125-022K 125-022K 125-022K 125-022K 125-022K 125-022K 125-022K 220OHM 1/2 W 5% TA52 330OHM 1/2 W 5% TA52 220OHM 1/2 W 5% TA52 330OHM 1/2 W 5% TA52 820 OHM 1/6 W 5.00% TA52 470 OHM 1/6 W 0.05 TA52 470 OHM 1/6 W 0.05 TA52 10K OHM 1/6 W 5% TA52 100 OHM 1/6 W 5% TA52 100 OHM 1/6 W 5% TA52 100 OHM 1/6 W 5% TA52 100 OHM 1/6 W 5% TA52 4.7K OHM 1/6 W 5% TA52 4.7K OHM 1/6 W 5% TA52 100 OHM 1/6 W 5% TA52 100 OHM 1/6 W 5% TA52 100 OHM 1/6 W 5% TA52 100 OHM 1/6 W 5% TA52 4.7K OHM 1/6 W 5% TA52 4.7K OHM 1/6 W 5% TA52 4.7K OHM 1/6 W 5% TA52 4.7K OHM 1/6 W 5% TA52 4.7K OHM 1/6 W 5% TA52 100 OHM 1/6 W 5% TA52 RWR 7W 910 J VERT 10K OHM 6 AG L3P5, 2.5 - SWITCH,PUSHPOWER SDDF3PASP013 LG C&D SWITCH, TACT 2LEAD 160G(TA) LG C&D NON SWITCH, TACT 2LEAD 160G(TA) LG C&D NON SWITCH, TACT 2LEAD 160G(TA) LG C&D NON SWITCH, TACT 2LEAD 160G(TA) LG C&D NON SWITCH, TACT 2LEAD 160G(TA) LG C&D NON SWITCH, TACT 2LEAD 160G(TA) LG C&D NON SWITCH, TACT 2LEAD 160G(TA) LG C&D NON SWITCH, TACT 2LEAD 160G(TA) LG C&D NON FILTER, FERRITE 1UH TAPING FILTER, FERRITE 1UH TAPING FILTER, FERRITE 1UH TAPING FILTER, FERRITE 1UH TAPING FILTER, FERRITE 1UH TAPING FILTER, FERRITE 1UH TAPING FILTER, FERRITE 1UH TAPING FILTER, FERRITE 1UH TAPING FILTER, FERRITE 1UH TAPING FILTER, FERRITE 1UH TAPING FILTER, FERRITE 1UH TAPING FILTER, FERRITE 1UH TAPING LOCA. NO PART NO DESCRIPTION FB402 FB403 FB801 FB802 FB803 FB805 FB841 FB851 FB852 FB861 FB871 FB872 FB881 FB882 FB891 FB892 FB901B FB901G FB901R FB905B FB905G FB905R FB931 FB932 L01 L101 L106 L117 L1206 L2007 L2008 L2009 L2010 L2011 L2012 L2013 L2014 L2018 L2021 L2027 L2028 L205 L206 L206 L260 L262 L263 L264 L266 L267 L268 125-022K 125-022K 125-022K 125-022K 125-022K 125-022K 125-022K 125-022K 125-123A 125-022K 125-123A 125-123A 125-123A 125-123A 125-022K 125-022K 125-123A 125-123A 125-123A 125-123A 125-123A 125-123A 125-022K 125-022K 6210VC0006A 6210VC0006A 6210VC0006A 6210VC0006A 125-022K 6210TCT002B 6210TCT002B 6210TCT002B 6210TCT002B 6210TCT002B 6210TCT002B 6210TCT002B 6210TCT002B 6210TCT002B 6210TCT002B 125-022K 6210TCT002B 6210TCT002B 6210VC0006A 6210TCT002B 6210VC0006A 6210VC0006A 6210VC0006A 6210VC0006A 6210VC0006A 6210VC0006A 6210VC0006A FILTER, FERRITE 1UH TAPING FILTER, FERRITE 1UH TAPING FILTER, FERRITE 1UH TAPING FILTER, FERRITE 1UH TAPING FILTER, FERRITE 1UH TAPING FILTER, FERRITE 1UH TAPING FILTER, FERRITE 1UH TAPING FILTER, FERRITE 1UH TAPING FILTER, FERRITE BFD3565R2F(TAPING) FILTER, FERRITE 1UH TAPING FILTER, FERRITE BFD3565R2F(TAPING) FILTER, FERRITE BFD3565R2F(TAPING) FILTER, FERRITE BFD3565R2F(TAPING) FILTER, FERRITE BFD3565R2F(TAPING) FILTER, FERRITE 1UH TAPING FILTER, FERRITE 1UH TAPING FILTER, FERRITE BFD3565R2F(TAPING) FILTER, FERRITE BFD3565R2F(TAPING) FILTER, FERRITE BFD3565R2F(TAPING) FILTER, FERRITE BFD3565R2F(TAPING) FILTER, FERRITE BFD3565R2F(TAPING) FILTER, FERRITE BFD3565R2F(TAPING) FILTER, FERRITE 1UH TAPING FILTER, FERRITE 1UH TAPING FILTER, 3.2X1.6X1.6MM R/TP FILTER, 3.2X1.6X1.6MM R/TP FILTER, 3.2X1.6X1.6MM R/TP FILTER, 3.2X1.6X1.6MM R/TP FILTER, FERRITE 1UH TAPING FILTER, ACB2012M-300-T TDK FILTER, ACB2012M-300-T TDK FILTER, ACB2012M-300-T TDK FILTER, ACB2012M-300-T TDK FILTER, ACB2012M-300-T TDK FILTER, ACB2012M-300-T TDK FILTER, ACB2012M-300-T TDK FILTER, ACB2012M-300-T TDK FILTER, ACB2012M-300-T TDK FILTER, ACB2012M-300-T TDK FILTER, FERRITE 1UH TAPING FILTER, ACB2012M-300-T TDK FILTER, ACB2012M-300-T TDK FILTER, 3.2X1.6X1.6MM R/TP FILTER, ACB2012M-300-T TDK FILTER, 3.2X1.6X1.6MM R/TP FILTER, 3.2X1.6X1.6MM R/TP FILTER, 3.2X1.6X1.6MM R/TP FILTER, 3.2X1.6X1.6MM R/TP FILTER, 3.2X1.6X1.6MM R/TP FILTER, 3.2X1.6X1.6MM R/TP FILTER, 3.2X1.6X1.6MM R/TP SWITCH FILTER & CRYSTAL P/N 2 3 CC,CX,CK,CN: CQ: CE: RD: RS: RN: RF: - 60 - LOCA. NO PART NO DESCRIPTION L269 L270 L600 L601 L608 L609 L610 L700 L701 L81A L81B L81C LX105 X01 X260 X261 X262 X500 X600 Z260 Z261 Z262 SG401 SG402 SG901B SG901G SG901R SG902B SG902G SG902R SG903B SG903G SG903R JA1201 JK100 JK101 JK600 JKX100 A1 A2 A3 DT01 F800 6210VC0006A 6210VC0006A 6210VC0006A 6210VC0006A 6210VC0006A 6210VC0006A 6210VC0006A 6210VC0006A 6210VC0006A 150-F06T 150-F06T 150-F06T 6210VC0006A 156-A01L 6202VDB007B 166-E02F 156-A01E 6212BA2002C 156-A02R 6200VKR001A 6200VKR001B 6200VKR001A 6918VAX002B 6918VAX002B 6918VAX002D 6918VAX002D 6918VAX002D 6918VAX002B 6918VAX002B 6918VAX002B 6918VAX002D 6918VAX002D 6918VAX002D 6613V00010D 6612JH003FB 380-404A 6612JH003FC 6612VJH022C 3828VA0441H 3828VD0136P 6710V00113F 0DL100000AE 0FS5001B51D FILTER, 3.2X1.6X1.6MM R/TP FILTER, 3.2X1.6X1.6MM R/TP FILTER, 3.2X1.6X1.6MM R/TP FILTER, 3.2X1.6X1.6MM R/TP FILTER, 3.2X1.6X1.6MM R/TP FILTER, 3.2X1.6X1.6MM R/TP FILTER, 3.2X1.6X1.6MM R/TP FILTER, 3.2X1.6X1.6MM R/TP FILTER, 3.2X1.6X1.6MM R/TP FILTER, SQE3535 20MH PHY TURN FILTER, SQE3535 20MH PHY TURN FILTER, SQE3535 20MH PHY TURN FILTER, 3.2X1.6X1.6MM R/TP RESONATOR,CRYSTAL 6.000MHZ 30PPM 16PF RESONATOR,CRYSTAL 20.250MHZ 30PPM 13PF RESONATOR,CERAMIC 500KHZ BK . RESONATOR,CRYSTAL 4.000MHZ 30PPM 15PF RESONATOR,CERAMIC2.69MHZ +/- 15 PPM RESONATOR,CRYSTAL 18.432MHZ 30PPM 16PF FILTER, LPF 1EA SMD H354LAI-K5206 FILTER, LPF 2EA SMD TH355LSK-K5214 FILTER, LPF 1EA SMD H354LAI-K5206 SPARK GAP,AXIAL1000V 30% 5MM AXIAL TP SPARK GAP,AXIAL1000V 30% 5MM AXIAL TP SPARK GAP,AXIALWSP-301M 300V 20% 5MM SPARK GAP,AXIALWSP-301M 300V 20% 5MM SPARK GAP,AXIALWSP-301M 300V 20% 5MM SPARK GAP,AXIAL1000V 30% 5MM AXIAL TP SPARK GAP,AXIAL1000V 30% 5MM AXIAL TP SPARK GAP,AXIAL1000V 30% 5MM AXIAL TP SPARK GAP,AXIALWSP-301M 300V 20% 5MM SPARK GAP,AXIALWSP-301M 300V 20% 5MM SPARK GAP,AXIALWSP-301M 300V 20% 5MM JACK ASSEMBLY, A/V 3P+S-VHS(S/W 1P+) NON JACK,RCAPPJ136B 3X3 9PIN A/V 2-IN.1-OUT JACK,DINPHSJ-9504 HOSIDEN . JACK,RCAPPJ136C 3X3 5PIN A/V(3)-IN,AD(2)- JACK,RCAPPJ125C 2X5 10PIN,COMPO-6,AD-4 MANUAL,OWNERSMP03AB SY LG CH 100R/Z MANUAL,SERVICEMP03AB RT-44/54NA13RP REMOTE CONTROLLERMP03AB W/O TXT .. LEDSA5711(DL-1LO) BK AMBER - FUSE,SLOW BLOW5000MA 250 V 5.2X20 LOCA. NO PART NO DESCRIPTION IC07 NTC80A NTC80B PA01P SK901B SK901G SK901R T403 TU100 TU101 VA800 VA81B 6620F00015A 163-048D 163-048D 6726VH0001A 381-226L 381-226L 381-226L 6174V-5007A 6700MF0001C 6700MF0001D 164-003D 164-003D SOCKET(CIRC),IC2.54MM 32PIN SQUARE IC THERMISTOR,KL15L2R5 +/- 15% 125V THERMISTOR,KL15L2R5 +/- 15% 125V REMOTE CONTROLLER RECEIVER 38KHZ . SOCKET (CIRC),CPT 100K OHM 9PIN 14/360 SOCKET (CIRC),CPT 100K OHM 9PIN 14/360 SOCKET (CIRC),CPT 100K OHM 9PIN 14/360 FBT 6174Z-6500A 44 JW 6174Z-6400B VE . TUNER,TAUD-Z240D 4SYS,2IN1,MAIN TUNER,TAFD-Z241P 4SYS,2 IN 1,SUB VARISTOR,SVC561D-14A ILJIN 560V 10% VARISTOR,SVC561D-14A ILJIN 560V 10% SPARK SPARK ACCESSORIES MISCELLANEOUS

标签:

版权声明

1. 本站所有素材,仅限学习交流,仅展示部分内容,如需查看完整内容,请下载原文件。
2. 会员在本站下载的所有素材,只拥有使用权,著作权归原作者所有。
3. 所有素材,未经合法授权,请勿用于商业用途,会员不得以任何形式发布、传播、复制、转售该素材,否则一律封号处理。
4. 如果素材损害你的权益请联系客服QQ:77594475 处理。