LGP32P-12LPB(EAY62809401) MP-18电源板电路图

分类:电子电工 日期: 点击:0
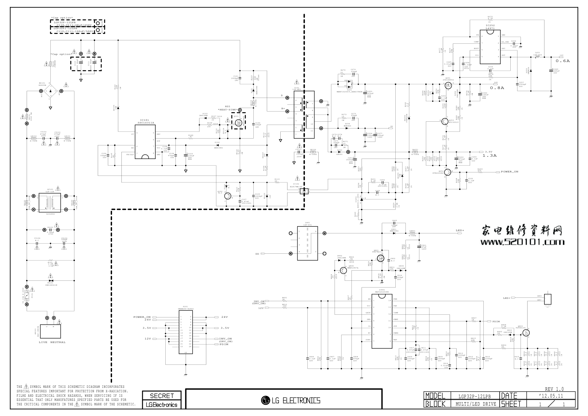
LGP32P-12LPB(EAY62809401) MP-18电源板电路图-0

THE SYMBOL MARK OF THIS SCHEMETIC DIAGRAM INCORPORATES SPECIAL FEATURES IMPORTANT FOR PROTECTION FROM X-RADIATION. FILRE AND ELECTRICAL SHOCK HAZARDS, WHEN SERVICING IF IS ESSENTIAL THAT ONLY MANUFATURES SPECFIED PARTS BE USED FOR THE CRITICAL COMPONENTS IN THE SYMBOL MARK OF THE SCHEMETIC. CY101 250V 470pF 3.5V VA101 D101 HER108G 12V D253 TH101 R111 47K BD101 4 C 2 AC1 3 AC2 1 A C255 N.C INV_ON R107 22 3216 P201 19 14 9 4 18 13 8 3 17 12 7 2 16 11 6 1 20 15 10 5 21 22 23 24 25 PDIM 24V ZD102 16V 24V R108 100 3216 R105 1K IC251 A K R 3.5V C101 1000pF 1KV Q101 MDF10N65 G D S IC102 EL817MB-DT 1 2 4 3 CY102 250V 470pF R101 1/2W 1.2M C105 1000pF 50V POWER_ON 24V ZD103 16V R112 10K R106 47 R102 2W 62K C104 470pF 50V LF101 LLF-124 620280S 1 2 4 3 D103 1N4148W ZD104 N.C R114 2W 0.25 C110 450V 68uF C111 450V 68uF CY103 100pF 250V CX101 275V 0.68uF F101 T3.15A H 250V DD SK101 DAC-18D3A L N C254 100uF 100V C277 100uF 100V D251 MBRF10200CT_SENSITRON A2 C A1 D254 D102 HER108G ZD251 16V R254 1K Q251 STD10PF06 G D S R103 1W 22K C251 10V 1500uF R110 22 R256 1% 120K C108 0.1uF 50V C807 0.1uF 50V Q801 FDD7N20 S D G C808 470pF 50V D803 1N4148W R806 1K R815 22K C801 47uF 160V PDIM R801 1K D802 1N4148W 12V L801 3 2 4 1 5 8 C802 N.C C804 1000pF 50V C814 0.01uF 50V R809 N.C C805 100pF 1KV C810 1000pF 50V R829 10K R827 1K LED+ C806 0.1uF 50V C813 1000pF 50V R808 5.1K LED+ Q803 FDT86106 G D S R802 10K IC801 MAP3202SIRH 3 GATE 2 VCC 4 GND 1 EN 6 RT 5 CS 7 SYNC 8 REF 9 PWMO 10 OVP 11 PWMI 12 COMP 13 FBP 14 FBN R807 1K P801 1502-65502 1 2 3 C809 1000pF 50V LB801 R828 47 3216 D801 C812 1000pF 50V DD R805 1K R803 330K 1% INV_ON R818 10K R830 2W 0.24 SA102 SA101 C103 100uF 50V R255 1% 120K R259 1.2K 1% R274 2.2K 2W R272 1% 2.4K R266 180 3216 POWER_ON Q253 KTC3551T E B C R250 180 3216 R269 470 R267 180 3216 3.5V R281 18K 1% R268 10K R265 100K C252 0.1uF 50V R279 2.2K 1% T101 2 4 1 6 5 7 8 9 10 11 3 C253 470uF 50V C263 470uF 10V LB251 C264 0.1uF 50V R811 1% 75K R804 10K 1% R810 75K R839 3.9 2012 R841 4.3 2012 R840 4.3 2012 R838 4.3 2012 R836 4.3 2012 R835 3.9 2012 R834 4.3 2012 R837 4.3 2012 R113 2.2 3216 R258 1.2K 1% R257 1.2K 1% R843 1% 470K 3216 R842 1% 470K 3216 R813 22K 1% C271 330pF 1KV C270 330pF 1KV R270 10 1W R271 10 1W D252 C262 100uF 35V R273 10 1W C273 330pF 1KV C815 N.C ZD252 C261 0.1uF 50V R252 47K R280 18K 1% R831 100 D804 1N4148W C816 220pF 50V R812 100 Q804 MMBT2907A E B C R826 3216 62 LB102 LB101 Q252 KTN2222AS E B C C259 0.1uF 50V R275 4.7K 1% R277 1.8K 1% C265 0.01uF 50V C260 220uF 35V 12V R276 20K D255 C257 3300pF 50V IC252 L4971 3 OSC 2 4 OUT 1 GND 5 VCC 6 BOOT 7 COMP 8 FB L251 12P-D03 C102 330pF 1KV CY111 1000pF 250V LB106 Q102 N.C E B C D104 N.C C266 0.15uF 25V R260 0 C106 330pF 50V R253 560 R261 8.2K R278 20K 1% ZD255 39B R262 2.2 R264 100K CY104 N.C C107 0.47uF C256 0.47uF TH102 ZD105 16B C258 0.22uF 50V 2012 R104 8.2K EL98 EL99 C811 0.47uF C817 0.47uF LB103 C272 N.C C274 N.C IC101 SSC1S311A 2 BD 4 ST 1 FB/OLP 5 DRV 6 OCP 7 VCC 8 GND LGP32P-12LPB MULTI/LED DRIVE 1 REV 1.0 1 ’12.05.11 LIVE *HEAT-SINK* NEUTRAL RS405M MUR460 INR14D621K NXB NXB 0.8A SMAW200-H24S2 AZ431(1.24V) HS1 B+ D NXB R-TYPE ICL5 5W 1% 1% 1% 1% 1% 1% 1% HER204G 1% NXB R-TYPE 1.3A NXB A-TYPE P6KE30A LED- LED+ 1N4148W 12P-D01 SB560 Float 12P-M01 A-TYPE R-TYPE 0.6A SMAB36 SS_INH 25V(16V) 25V(16V) TSA_BC_501M TSA_BC_501M JUMPER *Cap option* C110,C111:100uF/500V LGP32P-12LPB C110,C111:68uF/450V *Cap option* LGP32PI-12LPB R-TYPE 25V(16V) 25V(16V) (DRV_ON) (DRV_ON)

标签:

版权声明

1. 本站所有素材,仅限学习交流,仅展示部分内容,如需查看完整内容,请下载原文件。
2. 会员在本站下载的所有素材,只拥有使用权,著作权归原作者所有。
3. 所有素材,未经合法授权,请勿用于商业用途,会员不得以任何形式发布、传播、复制、转售该素材,否则一律封号处理。
4. 如果素材损害你的权益请联系客服QQ:77594475 处理。