索尼SONY PCS-C150P摄像头维修资料

分类:电子电工 日期: 点击:0
索尼SONY PCS-C150P摄像头维修资料-0 索尼SONY PCS-C150P摄像头维修资料-1 索尼SONY PCS-C150P摄像头维修资料-2 索尼SONY PCS-C150P摄像头维修资料-3 索尼SONY PCS-C150P摄像头维修资料-4 索尼SONY PCS-C150P摄像头维修资料-5 索尼SONY PCS-C150P摄像头维修资料-6 索尼SONY PCS-C150P摄像头维修资料-7 索尼SONY PCS-C150P摄像头维修资料-8 索尼SONY PCS-C150P摄像头维修资料-9

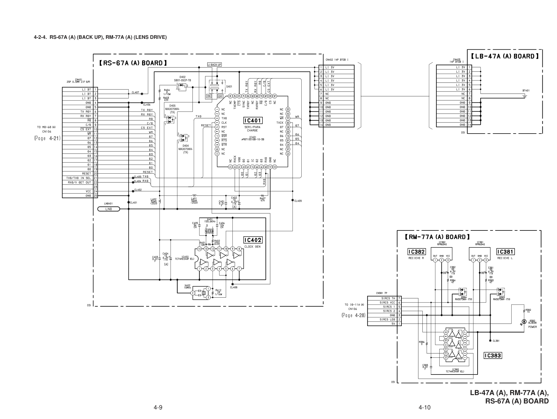
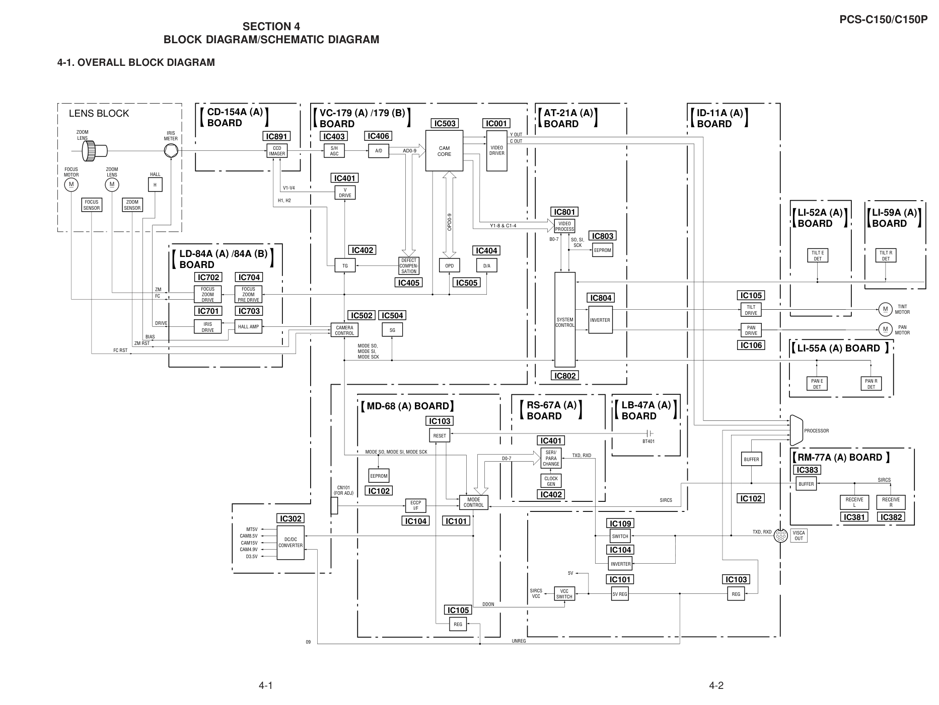
– 1 – SERVICE MANUAL PCS-C150 (NTSC) PCS-C150P (PAL) COLOR VIDEO CAMERA PCS-C150/C150P 9-928-130-41 4. BLOCK DIAGRAM/SCHEMATIC DIAGRAM – 2 – TABLE OF CONTENTS 1. GENERAL • Locations of Controls ............................................................ 1-1 • Precautions ............................................................................ 1-1 • Connections......................................................................... 1-2E • Turning on the Power .......................................................... 1-2E 2. DISASSEMBLY 2-1. Camera Cabinet (Upper) ............................................... 2-1 2-2. Bottom Plate Assy ......................................................... 2-1 2-3. Main Block .................................................................... 2-2 2-4. ID-11A (A) Board ......................................................... 2-2 2-5. Pan Base Assy ............................................................... 2-3 2-6. LI-55A (A) Board ......................................................... 2-3 2-7. Pan Cabinet ................................................................... 2-4 2-8. CCD Lens Assy ............................................................. 2-4 2-9. Camera Cabinet (Lower) ............................................... 2-5 2-10. Stepping Motor ............................................................. 2-5 2-11. LI-59A (A) Board ......................................................... 2-6 2-12. LD-84A (A)/84A (B) Board.......................................... 2-6 2-13. VC-179 (A)/179 (B) Board ........................................... 2-7 2-14. RS-67A (A)/LB-47A (A) Board ................................... 2-7 2-15. MD-68 (A) Board........................................................ 2-8E 2-16. Lens Block .................................................................. 2-8E 2-17. CD-154A (A) Board.................................................... 2-8E 2-18. CCD Fitting Adaptor (H) ............................................ 2-8E 4. BLOCK DIAGRAM/SCHEMATIC DIAGRAM 4-1. Overall Block Diagram ................................................... 4-1 4-2. Schematic Diagram • This Note is Common for Schematic Diagrams ............... 4-3 4-2-1. CD-154A (A) Board .............................................. 4-3 4-2-2. LI-52A (A), LI-55A (A) and LI-59A (A) Boards .. 4-5 4-2-3. LD-84A (A)/84A (B) Board .................................. 4-7 4-2-4. RS-67A (A) Board, LB-47A (A) Board, RM-77A (A) Board................................................ 4-9 4-2-5. VC-179 (A)/179 (B) Board (1/4) ......................... 4-11 4-2-6. VC-179 (A)/179 (B) Board (2/4) ......................... 4-13 4-2-7. VC-179 (A)/179 (B) Board (3/4) ......................... 4-15 4-2-8. VC-179 (A)/179 (B) Board (4/4) ......................... 4-17 4-2-9. MD-68 (A) Board ................................................ 4-20 4-2-10. ID-11A (A) Board................................................ 4-23 4-2-11. AT-21A (A) Board ............................................... 4-26 5. PRINTED WIRING BOARDS 5-1. Circuit Boards Location .................................................. 5-1 5-2. Printed Wiring Boards • This Note is Common for Printed Wiring Boards ............. 5-2 • CD-154A (A) Board .......................................................... 5-2 • VC-179 (A)/179 (B) Board ............................................... 5-3 • MD-68 (A) and RS-67A (A) Boards ................................. 5-5 • ID-11A (A) Boards ........................................................... 5-7 • AT-21A (A), LI-52A (A), LI-55A (A) and LI-59A (A) Boards ............................................................ 5-9 • LD-84A (A)/84A (B) Board............................................ 5-11 • LB-47A (A) and RM-77A (A) Board ........................... 5-12E 6. ADJUSTMENTS 6-1. Preparation for Adjustment 6-1-1. List of Servicing Jigs ............................................ 6-1 6-1-2. Preparations .......................................................... 6-2 6-1-3. Precautions ........................................................... 6-5 6-1-4. Adjusting Remote Commander ............................ 6-6 6-1-5. Page D Address List ............................................. 6-7 6-1-6. Page F Address List .............................................. 6-9 6-1-7. Page 5 Address List ............................................ 6-12 6-1-8. Data Processing .................................................. 6-14 6-2. Camera System Adjustment 6-2-1. Power Supply Voltage Check.............................. 6-15 6-2-2. Page D Data Initialization................................... 6-15 6-2-3. Page D Data Modification 1 ............................... 6-15 6-2-4. Page F Data Initialization ................................... 6-15 6-2-5. Page F Data Modification ................................... 6-15 6-2-6. 28 MHz Original Oscillation Adjustment........... 6-16 6-2-7. V SUB Adjustment ............................................. 6-16 6-2-8. VRG Adjustment ................................................ 6-16 6-2-9. Flange Back Adjustment..................................... 6-17 6-2-10. Flange Back Check ............................................. 6-17 6-2-11. Hall Adjustment .................................................. 6-18 6-2-12. Picture Frame Setting ......................................... 6-19 6-2-13. Color Reproduction Adjustment ......................... 6-20 6-2-14. Iris IN/OUT Adjustment ..................................... 6-21 6-2-15. Max Gain Adjustment......................................... 6-21 6-2-16. Auto White Balance Standard Data Input .......... 6-22 6-2-17. Auto White Balance Adjustment ........................ 6-22 6-2-18. White Balance Check ......................................... 6-23 6-2-19. VIDEO OUT Level Check ................................. 6-23 6-2-20. Page D Data Modification 2 ............................. 6-24E 6-2-21. Page 5 Data Initialization ................................. 6-24E 6-2-22. Home Position Adjustment ............................... 6-24E 6-3. Electrical Block Check 6-3-1. Pan Tilter Operation Check .............................. 6-24E 7. VISCA COMMAND LIST 7-1. VISCA Summary ............................................................. 7-1 7-2. PCS-C150/C150P-VISCA Connection............................ 7-2 7-3. VISCA Communication Formats 7-3-1. VISCA Packet Structure .......................................... 7-2 7-3-2. Commands and Inquiries ...................................... 7-3 7-3-3. Responses to Commands and Inquiries ................ 7-3 7-3-4. Socket Number ..................................................... 7-3 7-3-5. Command Execution Stop .................................... 7-3 7-4. PCS-C150/C150P Setting Commands (Network setting) 7-4-1. VISCA Network Management Commands .......... 7-4 7-4-2. VISCA Interface Commands ................................ 7-4 7-4-3. PCS-C150/C150P Functions ................................ 7-5 7-5. PCS-C150/C150P Commands ......................................... 7-6 7-6. PCS-C150/C150P Inquiry Command ............................ 7-10 7-7. Code List 7-7-1. Code list for Shutter, Iris, Gain and Wide con lens ..................................................... 7-12 7-7-2. Code list for Pan/Tilter status, AT mode status and MD mode status ................. 7-13 7-8. VISCA Communications Examples ............................ 7-14E 8. REPAIR PARTS LIST 8-1. Exploded Views 8-1-1. Camera Cabinet Section ........................................... 8-1 8-1-2. Pan Base Section ...................................................... 8-2 8-1-3. Tilt Base Section ...................................................... 8-3 8-1-4. Lens Section ............................................................. 8-5 8-2. Electrical Parts List • AT-21A (A) Board ............................................................ 8-6 • CD-154A (A) Board ......................................................... 8-6 • ID-11A (A) Board ............................................................ 8-7 • LB-47A (A) Board ........................................................... 8-8 • LD-84A (A)/84A (B) Board ............................................. 8-8 • LI-52A (A) Board ............................................................. 8-9 • LI-55A (A) Board ............................................................. 8-9 • LI-59A (A) Board ............................................................. 8-9 • MD-68 (A) Board ............................................................. 8-9 • RM-77A (A) Board ........................................................ 8-11 • RS-67A (A) Board .......................................................... 8-11 • VC-179 (A)/179 (B) Board ............................................ 8-12 • For Camera Color Reproduction Adjustment ....................79 NOTE: Contents excepting “4. SCHEMATIC DIAGRAMS” are mentioned in the sevice manual (9-928-130-11). 4-1 4-2 PCS-C150/C150P SECTION 4 BLOCK DIAGRAM/SCHEMATIC DIAGRAM 4-1. OVERALL BLOCK DIAGRAM LENS BLOCK ZOOM LENS M FOCUS MOTOR FOCUS SENSOR M ZOOM LENS ZOOM SENSOR CCD IMAGER IRIS METER H HALL IC891 S/H AGC IC403 V DRIVE TG OPD DEFECT COMPEN- SATION SG SYSTEM CONTROL INVERTER IC401 IC402 IC405 IC505 D/A IC404 IC802 IC804 IC502 IC504 SERI/ PARA CHANGE IC401 VIDEO PROCESS IC801 IC105 IC106 A/D VIDEO DRIVER IC406 IC503 IC001 FOCUS ZOOM DRIVE LD-84A (A) /84A (B) BOARD CD-154A (A) BOARD AT-21A (A) BOARD VC-179 (A) /179 (B) BOARD IC702 ZM IRIS DRIVE IC701 FOCUS ZOOM PRE DRIVE IC704 HALL AMP CAMERA CONTROL IC703 DRIVE BIAS ZM RST FC RST FC MODE SO, MODE SI, MODE SCK AD0-9 CAM CORE OPD0-9 SO, SI, SCK Y OUT C OUT ID-11A (A) BOARD RS-67A (A) BOARD D0-7 MODE CONTROL CLOCK GEN IC402 EEPROM IC102 ECCP I/F IC104 IC101 RESET IC103 MD-68 (A) BOARD MODE SO, MODE SI, MODE SCK CN101 (FOR ADJ) DC/DC CONVERTER IC302 MT5V CAM8.5V CAM15V CAM4.9V D3.5V SWITCH IC109 INVERTER IC104 5V REG VCC SWITCH IC101 REG IC103 REG IC105 DDON SIRCS VCC 5V VISCA OUT RM-77A (A) BOARD TXD, RXD TXD, RXD UNREG LI-55A (A) BOARD PAN E DET PAN R DET M M LI-52A (A) BOARD LI-59A (A) BOARD TILT E DET TILT R DET TINT MOTOR PAN MOTOR H1, H2 V1-V4 09 BUFFER RECEIVE L SIRCS RECEIVE R IC383 IC102 IC381 IC382 LB-47A (A) BOARD BUFFER PROCESSOR BT401 SIRCS TILT DRIVE PAN DRIVE EEPROM IC803 B0-7 Y1-8 & C1-4 4-3 4-4 THIS NOTE IS COMMON FOR SCHEMATIC DIAGRAMS. • For schematic diagrams. • Caution when replacing chip parts. New parts must be attached after removal of chip. Be careful not to heat the minus side of tantalum capacitor, because it is damaged by the heat. • All resistors are in ohms, 1/4W unless otherwise noted. • Chip resistor are 1/8W or 1/10W unless otherwise noted. k : 1000 Ω, MΩ : 1000kΩ. • All capacitors are in µF unless otherwise noted. pF : µµF. 50V or less are not indicated except for electrolytics and tantalums. • All variable and adjustable resistors have characteristic curve B, unless otherwise noted. • 2 : nonflammable resistor. • 1 : fusible resistor. • C : panel designation. • ¢ : internal component. 4-2. SCHEMATIC DIAGRAM 4-2-1. CD-154A (A) (CCD IMAGER) When indicating parts by referrence number, please include the board name. CD-154A (A) BOARD 4-15 4-5 4-6 4-2-2. LI-52A (A) (SENSOR), LI-55A (A) (SENSOR), LI-59A (A) (SENSOR) LI-52A (A), LI-55A (A), LI-59A (A) BOARD 4-28 4-6 4-28 4-5 4-7 4-8 4-2-3. LD-84A (A)/84A (B) (LENS DRIVE) LD-84A (A)/84A (B) BOARD 4-17 4-9 4-10 LB-47A (A), RM-77A (A), RS-67A (A) BOARD 4-2-4. RS-67A (A) (BACK UP), RM-77A (A) (LENS DRIVE) 4-21 D405 MA3075WA- (TX) D404 MA3075WA- (TX) ON LI BACK UP OFF 3 2 1 3 2 1 D402 SB01-05CP-TB 2 1 3 S401 4-28 4-11 4-12 4-2-5. VC-179 (A)/179 (B) (CAMERA(1)) VC-179 (A)/179 (B) BOARD (1/4) 4-32 4-20 4-13 4-14 4-20 VC-179 (A)/179 (B) BOARD (2/4) 4-2-6. VC-179 (A)/179 (B) (CAMERA(2)) 4-15 4-16 4-17 4-3 VC-179 (A)/179 (B) BOARD (3/4) 4-2-7. VC-179 (A)/179 (B) (CAMERA(3)) 4-18 4-17 4-19 VC-179 (A)/179 (B) BOARD (4/4) 4-2-8. VC-179 (A)/179 (B) (CAMERA(4)) 82k 4-15 4-8 4-14 4-11 4-21 4-29 4-21 4-20 4-22 MD-68 (A) BOARD 4-2-9. MD-68 (A) (MODE CONTROL) 4-9 4-25 4-20 4-24 4-23 4-25 4-2-10. ID-11A (A) (MOTOR DRIVE, INPUT/OUTPUT) ID-11A (A) BOARD 15P 4-21 4-32 4-5 4-5 4-10 INDUCTOR, CHIP L102 to L105, L107 to L110 L113, L115 to L118 L123, L124 (TE12R) MA3J14700LS0 (TE12R) 4-27 4-26 4-28 E AT-21A (A) BOARD 4-2-11. AT-21A (A) (VIDEO PROCESS, MAIN CONTROL) 4-20 4-25 4-12

标签:

版权声明

1. 本站所有素材,仅限学习交流,仅展示部分内容,如需查看完整内容,请下载原文件。
2. 会员在本站下载的所有素材,只拥有使用权,著作权归原作者所有。
3. 所有素材,未经合法授权,请勿用于商业用途,会员不得以任何形式发布、传播、复制、转售该素材,否则一律封号处理。
4. 如果素材损害你的权益请联系客服QQ:77594475 处理。