索尼SONY HCD-GRX70音响电路图

分类:电子电工 日期: 点击:0
索尼SONY HCD-GRX70音响电路图-0 索尼SONY HCD-GRX70音响电路图-1 索尼SONY HCD-GRX70音响电路图-2 索尼SONY HCD-GRX70音响电路图-3 索尼SONY HCD-GRX70音响电路图-4 索尼SONY HCD-GRX70音响电路图-5 索尼SONY HCD-GRX70音响电路图-6 索尼SONY HCD-GRX70音响电路图-7 索尼SONY HCD-GRX70音响电路图-8 索尼SONY HCD-GRX70音响电路图-9

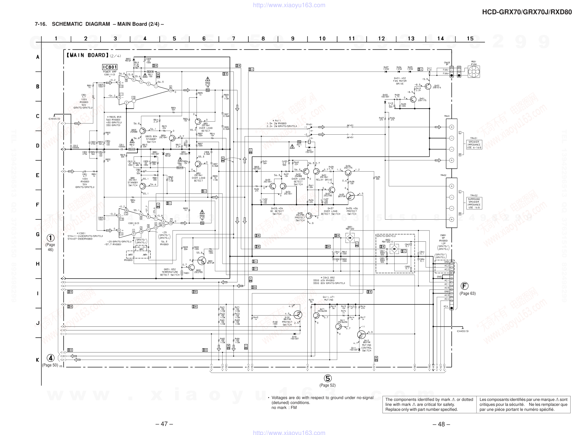
MICROFILM SERVICE MANUAL MINI Hi-Fi COMPONENT SYSTEM HCD-GRX70/GRX70J/RXD80 Dolby noise reduction manufactured under license from Dolby Laboratories Licensing Corporation. “DOLBY” and the double-D symbol a are trade- marks of Dolby Laboratories Licensing Corporation. Canadian Model HCD-RXD80 E Model HCD-GRX70/GRX70J Australian Model HCD-GRX70 HCD-GRX70/GRX70J/RXD80 are the Am- plifier, CD player, Tape Deck and Tuner section in HMC-GRX70/GRX70J/RXD80. SPECIFICATIONS Amplifier section Canadian model: Continuous RMS power output (reference) 100 + 100 watts (8 ohms at 1 kHz, 10% THD) Total harmonic distortion less than 0.07% (8 ohms at 1 kHz, 55 W) Other models: The following measured at AC 120, 220, 240 V 50/60 Hz DIN power output (rated) 130 + 130 watts (6 ohms at 1 kHz, DIN) Continuous RMS power output (reference) 170 + 170 watts (6 ohms at 1 kHz, 10% THD) Model Name Using Similar Mechanism HCD-GRX50/RXD7 CD Mechanism Type CDM38LH-5BD32L Base Unit Name BU-5BD32L Optical Pick-up Name KSS-213D/Q-NP Model Name Using Similar Mechanism HCD-GRX50/RXD7 Tape Transport Mechanism Type TCM-230AWR2 CD Section Tape deck Section Photo: HCD-GRX70 (GRAY) Inputs MD/VIDEO (AUDIO) IN: voltage 450 mV/250 mV, (phono jacks) impedance 47 kilohms MIX MIC: (phone jack) sensitivity 1 mV, impedance 10 kilohms Outputs MD OUT: voltage 250 mV, (phono jacks) impedance 1 kilohms PHONES: accepts headphones of 8 ohms (stereo mini jack) or more SPEAKER: Canadian model: accepts impedance of 8 to 16 ohms SURROUND SPEAKER (GRX70/GRX70J): accepts impedance of 16 ohms SUPER WOOFER: Voltage 1 V, impedance 1 kilohm – Continued on next page – www. xiaoyu163. com QQ 376315150 9 9 2 8 9 4 2 9 8 TEL 13942296513 9 9 2 8 9 4 2 9 8 0 5 1 5 1 3 6 7 3 Q Q TEL 13942296513 QQ 376315150 892498299 TEL 13942296513 QQ 376315150 892498299 http://www.xiaoyu163.com HCD-GRX70/GRX70J/RXD80 – 31 – – 32 – 7-7. SCHEMATIC DIAGRAM – BD Board – • See page 59 for Waveforms. • See page 64 for IC Block Diagrams. • Voltages and waveforms are dc with respect to ground under no-signal conditions. no mark : CD STOP ( ) : CD PLAY The components identified by mark ! or dotted line with mark ! are critical for safety. Replace only with part number specified. Les composants identifiés par une marque ! sont critiques pour la sécurité. Ne les remplacer que par une piéce portant le numéro spécifié. (Page 45) w w w . x i a o y u 1 6 3 . c o m Q Q 3 7 6 3 1 5 1 5 0 9 9 2 8 9 4 2 9 8 T E L 1 3 9 4 2 2 9 6 5 1 3 9 9 2 8 9 4 2 9 8 0 5 1 5 1 3 6 7 3 Q Q TEL 13942296513 QQ 376315150 892498299 TEL 13942296513 QQ 376315150 892498299 http://www.xiaoyu163.com HCD-GRX70/GRX70J/RXD80 – 35 – – 36 – 7-9. SCHEMATIC DIAGRAM – CD MOTOR Section – • See page 65 for IC Block Diagrams. • Voltages are dc with respect to ground under no-signal conditions. no mark : CD STOP (Page 45) (Page 45) DISC TRAY ADDRESS DETECT DISC TRAY SLIDE CLOSE OPEN B (DISC TRAY SLIDE) DISC IN DETECT SENSOR DISC TRAY SENSOR DISC TRAY TURN DISC TRAY TURN MOTOR DRIVER LEVEL SHIFT C w w w . x i a o y u 1 6 3 . c o m Q Q 3 7 6 3 1 5 1 5 0 9 9 2 8 9 4 2 9 8 T E L 1 3 9 4 2 2 9 6 5 1 3 9 9 2 8 9 4 2 9 8 0 5 1 5 1 3 6 7 3 Q Q TEL 13942296513 QQ 376315150 892498299 TEL 13942296513 QQ 376315150 892498299 http://www.xiaoyu163.com HCD-GRX70/GRX70J/RXD80 PB LEVEL (L) (DECK A) PB LEVEL (R) (DECK A) PB LEVEL (L) (DECK B) PB LEVEL (R) (DECK B) PB EQ AMP (DECK A) PB EQ AMP (DECK B) SWITCHING REC BIAS (L) (DECK B) REC BIAS (R) (DECK B) BIAS OSC REC BIAS -6.8 (PLAYBACK) D – 39 – – 40 – 7-11. SCHEMATIC DIAGRAM – AUDIO Board – • See page 66 for IC Block Diagram. • Voltages are dc with respect to ground under no-signal conditions. no mark : TAPE PLAY ( ) : RECORD The components identified by mark ! or dotted line with mark ! are critical for safety. Replace only with part number specified. Les composants identifiés par une marque ! sont critiques pour la sécurité. Ne les remplacer que par une piéce portant le numéro spécifié. (Page 49) w w w . x i a o y u 1 6 3 . c o m Q Q 3 7 6 3 1 5 1 5 0 9 9 2 8 9 4 2 9 8 T E L 1 3 9 4 2 2 9 6 5 1 3 9 9 2 8 9 4 2 9 8 0 5 1 5 1 3 6 7 3 Q Q TEL 13942296513 QQ 376315150 892498299 TEL 13942296513 QQ 376315150 892498299 http://www.xiaoyu163.com HCD-GRX70/GRX70J/RXD80 DECK B PLUNGER DECK A PLUNGER (CAPSTAN) (DECK A 120/70) (DECK A HALF) (DECK A REC) (DECK B HALF) (DECK B REC) (DECK B 120/70) ROTATION DETECT SENSOR (DECK A) ROTATION DETECT SENSOR (DECK B) (DECK A PLAY) (DECK B PLAY) E CONTROL SWITCH – 41 – – 42 – 7-12. PRINTED WIRING BOARD – LEAF SW Board – • See page 28 for Circuit Boards Location. 7-13. SCHEMATIC DIAGRAM – LEAF SW Board – • Voltages are dc with respect to ground under no-signal conditions. no mark : TAPE PLAY ( ) : RECORD ∗ : Impossible to measure Q113 E-9 Q161 C-9 Q162 C-9 Q163 E-9 Q191 E-12 Q192 E-10 Q201 D-9 Q251 C-9 Q331 C-1 Q332 C-2 Q333 C-2 Q334 C-2 Q335 D-1 Q336 F-1 Q337 F-1 Q338 F-1 Q339 F-1 Q340 E-1 Q341 E-1 Q342 F-1 Q343 E-1 Q401 F-12 Q402 E-12 Q411 G-2 Q412 G-3 Q431 G-12 Q432 G-11 Q433 F-11 Q434 F-11 Q435 F-11 Q436 F-11 Q437 G-12 Q439 F-12 Q471 F-2 Q501 D-7 Q508 D-7 Q509 E-7 Q801 H-10 Q803 G-10 Q804 G-9 Q831 G-10 Q832 G-10 Q851 J-10 Q881 I-9 Q901 H-2 Q902 I-1 Q903 H-1 Q904 G-4 Q905 G-4 Q907 G-5 Q908 G-4 Q909 I-4 Q913 H-1 Q914 G-2 Q923 H-1 Q951 G-2 Q952 H-1 Ref. No. Location Ref. No. Location D141 E-10 D191 E-12 D331 E-1 D333 F-1 D334 E-1 D335 F-1 D401 G-11 D403 F-12 D405 H-6 D406 J-4 D407 I-2 D411 G-3 D501 D-7 D502 E-6 D503 D-6 D504 D-7 D505 D-7 D506 D-7 D509 F-2 D607 E-5 D644 C-8 D801 J-11 D802 G-9 D803 G-11 D831 I-6 D832 J-7 D851 J-10 D852 G-9 D881 H-9 D901 J-4 D902 J-4 D903 J-4 D904 I-4 D905 I-1 D906 H-1 D907 J-5 D908 I-5 D909 J-5 D910 J-5 D915 I-4 D921 H-4 D922 G-4 D923 G-4 D924 F-2 D925 G-4 IC101 C-10 IC301 B-3 IC381 A-12 IC501 D-5 IC502 D-7 IC801 H-10 IC901 G-6 IC902 G-4 IC903 H-4 Q111 D-10 Q112 D-10 • Semiconductor Location (Page 49) (Page 43) 05 DECK A PLUNGER DECK B PLUNGER (DECK A PLAY) (DECK A HALF) (DECK A 120/70) (DECK A REC) (DECK B HALF) (DECK B PLAY) (DECK B 120/70) (DECK B REC) 21 21 E 4 1 2 3 4 1 2 3 ( ) w w w . x i a o y u 1 6 3 . c o m Q Q 3 7 6 3 1 5 1 5 0 9 9 2 8 9 4 2 9 8 T E L 1 3 9 4 2 2 9 6 5 1 3 9 9 2 8 9 4 2 9 8 0 5 1 5 1 3 6 7 3 Q Q TEL 13942296513 QQ 376315150 892498299 TEL 13942296513 QQ 376315150 892498299 http://www.xiaoyu163.com HCD-GRX70/GRX70J/RXD80 – 45 – – 46 – 7-15. SCHEMATIC DIAGRAM – MAIN Board (1/4) – • Voltages and waveforms are dc with respect to ground under no-signal (detuned) conditions. no mark : TUNER (FM/AM) ( ) : CD PLAY (Page 31) (Page 36) (Page 36) (Page 50) (Page 51) (Page 47) w w w . x i a o y u 1 6 3 . c o m Q Q 3 7 6 3 1 5 1 5 0 9 9 2 8 9 4 2 9 8 T E L 1 3 9 4 2 2 9 6 5 1 3 9 9 2 8 9 4 2 9 8 0 5 1 5 1 3 6 7 3 Q Q TEL 13942296513 QQ 376315150 892498299 TEL 13942296513 QQ 376315150 892498299 http://www.xiaoyu163.com HCD-GRX70/GRX70J/RXD80 – 47 – – 48 – 7-16. SCHEMATIC DIAGRAM – MAIN Board (2/4) – • Voltages are dc with respect to ground under no-signal (detuned) conditions. no mark : FM The components identified by mark ! or dotted line with mark ! are critical for safety. Replace only with part number specified. Les composants identifiés par une marque ! sont critiques pour la sécurité. Ne les remplacer que par une piéce portant le numéro spécifié. (Page 46) (Page 50) (Page 52) (Page 63) w w w . x i a o y u 1 6 3 . c o m Q Q 3 7 6 3 1 5 1 5 0 9 9 2 8 9 4 2 9 8 T E L 1 3 9 4 2 2 9 6 5 1 3 9 9 2 8 9 4 2 9 8 0 5 1 5 1 3 6 7 3 Q Q TEL 13942296513 QQ 376315150 892498299 TEL 13942296513 QQ 376315150 892498299 http://www.xiaoyu163.com HCD-GRX70/GRX70J/RXD80 – 49 – – 50 – 7-17. SCHEMATIC DIAGRAM – MAIN Board (3/4) – • Voltages are dc with respect to ground under no-signal (detuned) conditions. no mark : TUNER (FM/AM) ( ) : CD PLAY { } : TAPE PLAYBACK (DECK A) [ ] : TAPE PLAYBACK (DECK B) 〈〈 〉〉 : RECORD (Page 40) (Page 42) (Page 46) (Page 47) (Page 51) (Page 63) (Page 56) (Page 51) w w w . x i a o y u 1 6 3 . c o m Q Q 3 7 6 3 1 5 1 5 0 9 9 2 8 9 4 2 9 8 T E L 1 3 9 4 2 2 9 6 5 1 3 9 9 2 8 9 4 2 9 8 0 5 1 5 1 3 6 7 3 Q Q TEL 13942296513 QQ 376315150 892498299 TEL 13942296513 QQ 376315150 892498299 http://www.xiaoyu163.com HCD-GRX70/GRX70J/RXD80 – 51 – – 52 – 7-18. SCHEMATIC DIAGRAM – MAIN Board (4/4) – • See page 59 for Waveforms. • Voltages and waveforms are dc with respect to ground under no-signal (detuned) conditions. no mark : TUNER (FM/AM) ( ) : CD PLAY { } : TAPE PLAYBACK (DECK A) [ ] : TAPE PLAYBACK (DECK B) 〈〈 〉〉 : RECOARD uPC7812AHF (Page 46) (Page 50) (Page 50) (Page 48) w w w . x i a o y u 1 6 3 . c o m Q Q 3 7 6 3 1 5 1 5 0 9 9 2 8 9 4 2 9 8 T E L 1 3 9 4 2 2 9 6 5 1 3 9 9 2 8 9 4 2 9 8 0 5 1 5 1 3 6 7 3 Q Q TEL 13942296513 QQ 376315150 892498299 TEL 13942296513 QQ 376315150 892498299 http://www.xiaoyu163.com HCD-GRX70/GRX70J/RXD80 – 55 – – 56 – 7-20. SCHEMATIC DIAGRAM – PANEL Board– • See page 59 for Waveform. • See page 66 for IC Block Diagrams. • Voltages and waveforms are dc with respect to ground under no-signal (detuned) conditions. no mark : TUNER (FM/AM) (Page 58) (Page 50) w w w . x i a o y u 1 6 3 . c o m Q Q 3 7 6 3 1 5 1 5 0 9 9 2 8 9 4 2 9 8 T E L 1 3 9 4 2 2 9 6 5 1 3 9 9 2 8 9 4 2 9 8 0 5 1 5 1 3 6 7 3 Q Q TEL 13942296513 QQ 376315150 892498299 TEL 13942296513 QQ 376315150 892498299 http://www.xiaoyu163.com HCD-GRX70/GRX70J/RXD80 – 57 – – 58 – 7-21. PRINTED WIRING BOARD – CD SW Board – • See page 28 for Circuit Boards Location. 7-22. SCHEMATIC DIAGRAM – CD SW Board – (Page 55) (Page 54) w w w . x i a o y u 1 6 3 . c o m Q Q 3 7 6 3 1 5 1 5 0 9 9 2 8 9 4 2 9 8 T E L 1 3 9 4 2 2 9 6 5 1 3 9 9 2 8 9 4 2 9 8 0 5 1 5 1 3 6 7 3 Q Q TEL 13942296513 QQ 376315150 892498299 TEL 13942296513 QQ 376315150 892498299 http://www.xiaoyu163.com – 59 – • Waveforms – BD Board – 1 IC101 ^¶ (XTAO) 5 IC101 @§ (MDP) 2 IC101 %¡ (RF AC) (CD Play Mode) 3 IC101 $¡ (TE) (CD Play Mode) 4 IC101 #ª (FE) (CD Play Mode) 6 IC102 !§ (RFO) (CD Play Mode) 2 IC501 !∞ (XIN) – MAIN Board – 1 IC501 0 (XC-IN) 3.1 Vp-p 16.9344 MHz 1.2 Vp-p 0.2 Vp-p 0.5 Vp-p 2.5 Vp-p 7.8 µs 1.3 Vp-p 1.8 Vp-p 32.768 kHz 2.2 Vp-p 16 MHz – PANEL Board – 1 IC601 &™ (XOUT) 4.7 Vp-p 12.5 MHz w w w . x i a o y u 1 6 3 . c o m Q Q 3 7 6 3 1 5 1 5 0 9 9 2 8 9 4 2 9 8 T E L 1 3 9 4 2 2 9 6 5 1 3 9 9 2 8 9 4 2 9 8 0 5 1 5 1 3 6 7 3 Q Q TEL 13942296513 QQ 376315150 892498299 TEL 13942296513 QQ 376315150 892498299 http://www.xiaoyu163.com – 63 – HCD-GRX70/GRX70J/RXD80 7-24. SCHEMATIC DIAGRAM – TRANSFORMER Section – • Voltages are dc with respect to ground under no-signal (detuned) conditions. no mark : TUNER (FM/AM) The components identified by mark ! or dotted line with mark ! are critical for safety. Replace only with part number specified. Les composants identifiés par une marque ! sont critiques pour la sécurité. Ne les remplacer que par une piéce portant le numéro spécifié. (Page 48) (Page 50) (Page 50) www. xiaoyu163. com QQ 376315150 9 9 2 8 9 4 2 9 8 TEL 13942296513 9 9 2 8 9 4 2 9 8 0 5 1 5 1 3 6 7 3 Q Q TEL 13942296513 QQ 376315150 892498299 TEL 13942296513 QQ 376315150 892498299 http://www.xiaoyu163.com – 64 – • IC Block Diagrams – BD Board – IC101 CXD2587Q TE RFDC CE IGEN AVSS0 ADIO AVDD0 CLTV FILO AVSS3 VSS AVDD3 DOUT VDD PCO FILI ASYO ASYI RFAC BIAS SSTP DFCT MIRR MDP LOCK FOK SFDR VSS TEST FRDR FE VC COUT SE XTSL TES1 SRDR TFDR FFDR TRDR 2 1 70 71 68 69 66 67 64 65 62 61 63 73 74 72 75 76 77 78 79 80 4 XRST 3 SQCK SQSO 5 9 8 7 6 56 60 53 54 55 59 57 58 51 52 48 49 50 47 44 45 46 43 41 42 XLAT CLOK SENS SYSM DATA XUGF XPCK GFS C2PO WFCK 10 11 12 13 14 15 16 17 18 19 20 21 22 23 24 25 26 32 33 30 31 36 37 34 35 39 40 38 28 27 29 SPOA ATSK SCLK VDD SCOR SPOB XLON XTAI XVDD EMPH AVDD1 AOUT1 AIN1 XTAO XVSS AIN2 AOUT2 AVDD2 RMUT LOUT2 LOUT1 BCK LRCK PCMD LMUT AVSS1 AVSS2 CPU INTERFACE SERVO AUTO SEQUENCER SERIAL IN INTERFACE OVER SAMPLING DIGITAL FILTER 3rd ORDER NOISE SHAPER PWM PWM EFM DEMODULATOR TIMING LOGIC DIGITAL OUT D/A INTERFACE DIGITAL PLL ASYMMETRY CORRECTION CLOCK GENERATOR MIRR, DFCT, FOK DETECTOR DIGITAL CLV SUBCODE PROCESSOR SERVO INTERFACE SERVO DSP FOCUS SERVO TRACKING SERVO SLED SERVO PWM GENERATOR FOCUS PWM GENERATOR TRACKING PWM GENERATOR SLED PWM GENERATOR 16K RAM ERROR CORRECTOR INTERNAL BUS A/D CONVERTER OPERATIONAL AMPLIFIER ANALOG SWITCH www. xiaoyu163. com QQ 376315150 9 9 2 8 9 4 2 9 8 TEL 13942296513 9 9 2 8 9 4 2 9 8 0 5 1 5 1 3 6 7 3 Q Q TEL 13942296513 QQ 376315150 892498299 TEL 13942296513 QQ 376315150 892498299 http://www.xiaoyu163.com – 65 – IC103 CXA2568M-T6 APC PD AMP APC LD AMP RF SUMMING AMP RF EQ AMP FOCUS ERROR AMP TRACKING ERROR AMP VC BUFFER VCC 50µA VEE VEE VC VC VC VC VC VC VC VC VC VC VCC VEE VCC VEE VEE VC VCC LC/PD LD ON HOLD SW AGC CONT RFTC RF I RF O RFE TE FE RF BOT HOLD AGC VTH LD PD A B C D VEE F E VC 1 2 3 4 5 6 7 8 9 10 11 12 13 14 15 16 17 18 19 20 21 22 23 24 + – + – + – + – + – + – + – VCC + – + – + – + – + – + – + – + – + – – MOTOR (TURN) Board – IC701 M54641L REG CONTROL INPUT AMP. INPUT AMP. 1 2 3 4 5 6 7 8 POWER AMP. POWER AMP. VCC OUT1 IN2 REFERENCE GND IN1 OUT2 VCC – MOTOR (SLIDE) Board – IC801 BA6286N POWER SAVE CONTROL LOGIC TSD 1 2 3 4 5 6 7 8 9 10 GND RIN VREF OUT2 RNF GND OUT1 VM VCC FIN www. xiaoyu163. com QQ 376315150 9 9 2 8 9 4 2 9 8 TEL 13942296513 9 9 2 8 9 4 2 9 8 0 5 1 5 1 3 6 7 3 Q Q TEL 13942296513 QQ 376315150 892498299 TEL 13942296513 QQ 376315150 892498299 http://www.xiaoyu163.com – 66 – – AUDIO Board – IC602 µPC1330HA 1 2 3 4 5 6 7 8 9 INVERTER COMPARATER SW R1 GND SW P1 CONT GND VCC SW P2 GND SW R2 – PANEL Board – IC603 BA3830F F01 R02 R01 LINE NF LINE IN REFERENCE CURRENT REFERENCE CURRENT RESET BAND PASS FILTER DET 17 RESET 18 F02 16 F03 15 F04 14 F05 13 F06 12 REC LEVEL 11 VCC 10 4 3 2 1 + – REC NF REC IN 6 RESET C 7 BIAS C 8 GND 9 5 + – IC604 NJU3716M-T2 OUTPUT CIRCUIT LATCH CIRCUIT SHIFT REGISTER CONTROL CIRCUIT 20 21 19 23 24 22 18 17 16 15 14 13 4 3 2 1 6 P7 P8 P9 P10 P11 VSS P12 P13 P14 P15 P16 7 SO 8 9 10 11 12 5 VDD P6 P5 P4 P3 P2 VSS P1 CLR STB CLK DATA IC711 M65850FP (HCD-GRX70J: Saudi Arabia) OSCILLATOR 1/2 VCC AUTO RESET LPF1 MAIN CONTROL A/D 20KBIT SRAM LPF2 D/A 1 2 3 4 5 6 7 8 9 10 14 13 12 11 CLOCK RESET MO MI D1 DO0 DO1 VCC CLOCK REF OP2IN OP2OUT LPF2IN LPF2OUT LPF1IN LPF1OUT OP1OUT OP1IN CC1 CC2 GND www. xiaoyu163. com QQ 376315150 9 9 2 8 9 4 2 9 8 TEL 13942296513 9 9 2 8 9 4 2 9 8 0 5 1 5 1 3 6 7 3 Q Q TEL 13942296513 QQ 376315150 892498299 TEL 13942296513 QQ 376315150 892498299 http://www.xiaoyu163.com

标签:

版权声明

1. 本站所有素材,仅限学习交流,仅展示部分内容,如需查看完整内容,请下载原文件。
2. 会员在本站下载的所有素材,只拥有使用权,著作权归原作者所有。
3. 所有素材,未经合法授权,请勿用于商业用途,会员不得以任何形式发布、传播、复制、转售该素材,否则一律封号处理。
4. 如果素材损害你的权益请联系客服QQ:77594475 处理。