索尼SONY HCD-GRX40AV音响电路图

分类:电子电工 日期: 点击:0
索尼SONY HCD-GRX40AV音响电路图-0 索尼SONY HCD-GRX40AV音响电路图-1 索尼SONY HCD-GRX40AV音响电路图-2 索尼SONY HCD-GRX40AV音响电路图-3 索尼SONY HCD-GRX40AV音响电路图-4 索尼SONY HCD-GRX40AV音响电路图-5 索尼SONY HCD-GRX40AV音响电路图-6 索尼SONY HCD-GRX40AV音响电路图-7 索尼SONY HCD-GRX40AV音响电路图-8 索尼SONY HCD-GRX40AV音响电路图-9

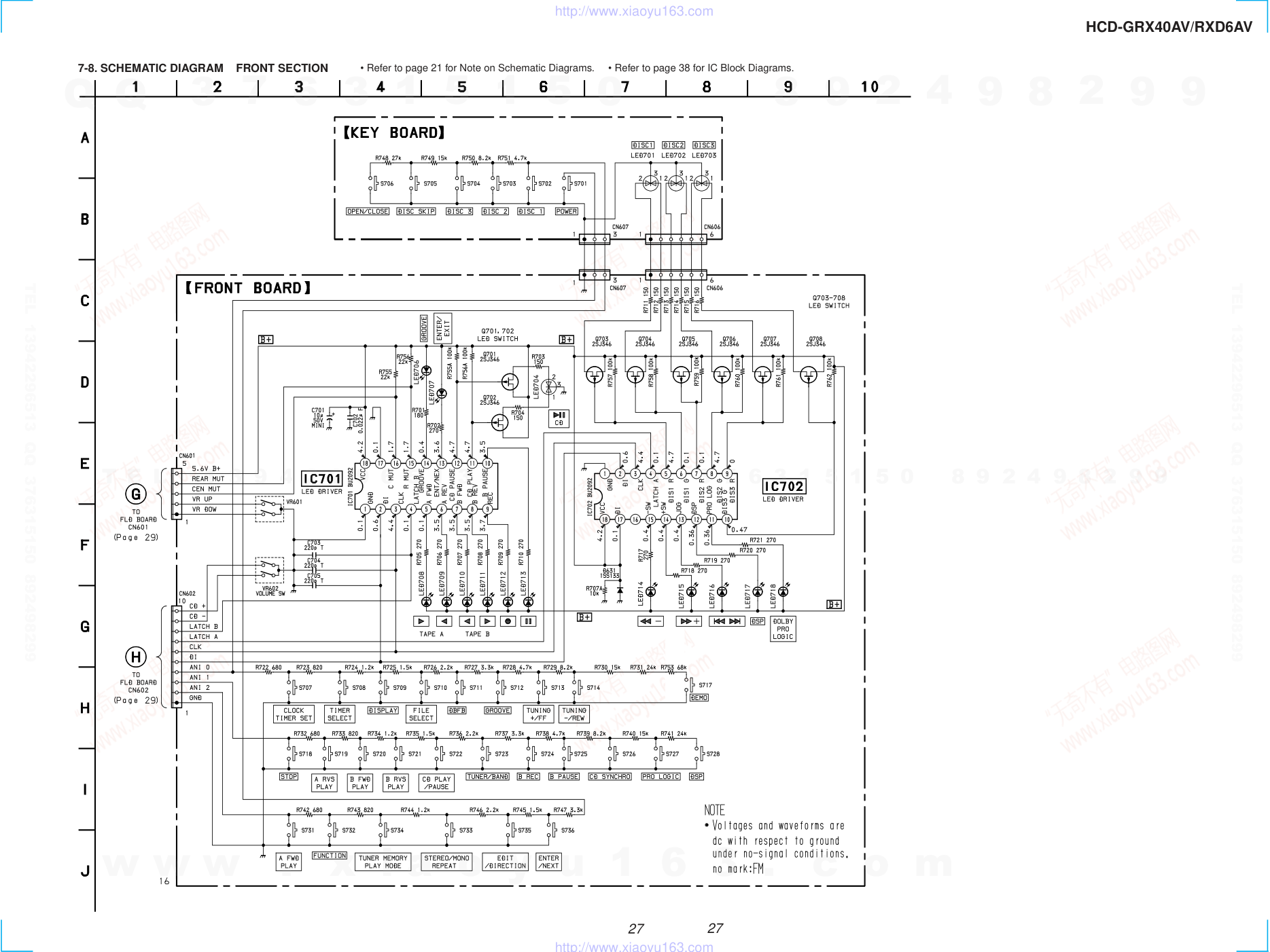
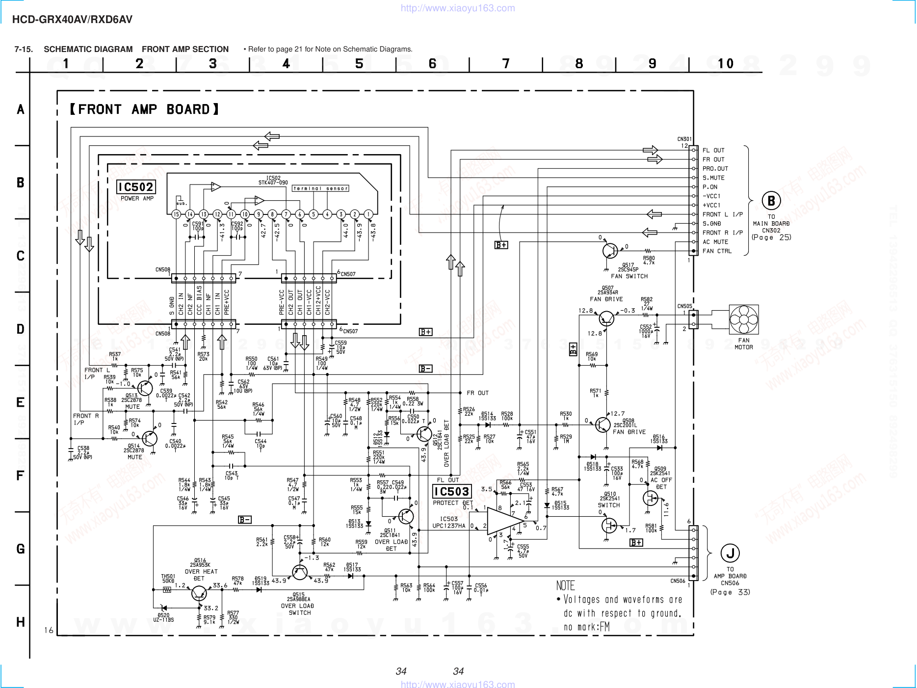
HCD-GRX40AV/RXD6AV AEP Model UK Model HCD-RXD6AV E Model Australian Model HCD-GRX40AV SERVICE MANUAL MINI Hi-Fi COMPONENT SYSTEM MICROFILM Manufactured under license from Dolby Laboratories Licensing Corporation. “DOLBY” and the double-D symbol a are trademarks of Dolby Laboratories Licensing Corporation. Model Name Using Similar Mechanism HCD-RXD3 CD CD Mechanism Type CX3 Section Base Unit Name KSM-213ECM Optical Pick-up Name KSS-213ECM/C2NP Tape deck Model Name Using Similar Mechanism HCD-RXD3 Section Tape Transport Mechanism Type CWL-44-RR SPECIFICATIONS HCD-GRX40AV/RXD6AV is the Amplifier, CD player, Tape Deck and Tuner section in MHC-GRX40AV/RXD6AV. Amplifier section MHC-RXD6AV (European model): Front Speaker : DIN power output (rated)50 + 50 W (6 Ω at 1 kHz, DIN) Continuous RMS power output (reference) 60 + 60 W (6 Ω at 1 kHz, 10% THD) Music power output (reference) 100 + 100 W (6 Ω at 1 kHz, 10% THD) Center Surround Speaker : DIN power output (rated) 25 W (12 Ω at 1 kHz, DIN) Continuous RMS power output (reference) 30 W (12 Ω at 1 kHz, 10% THD) Music power output (reference) 50 W (12 Ω at 1 kHz, 10% THD) Rear Surround Speaker : DIN power output (rated) 12.5 + 12.5 W (6 Ω at 1 kHz, DIN) Continuous RMS power output (reference) 15 + 15 W (6 Ω at 1 kHz, 10% THD) Music power output (reference) 25 + 25 W (6 Ω at 1 kHz, 10% THD) MHC-GRX40AV (Other model): The following measured at AC 120, 240 V, 50/60 Hz Front Speaker : DIN power output (rated)60 + 60 W (6 Ω at 1 kHz, DIN) Continuous RMS power output (reference) 70 + 70 W (6 Ω at 1 kHz, 10% THD) Center Surround Speaker : DIN power output (rated) 25 W (12 Ω at 1 kHz, DIN) Continuous RMS power output (reference) 30 W (12 Ω at 1 kHz, 10% THD) Rear Surround Speaker : DIN power output (rated) 12.5 + 12.5 W (6 Ω at 1 kHz, DIN) Continuous RMS power output (reference) 15 + 15 W (6 Ω at 1 kHz, 10% THD) Inputs MD/VIDEO IN : voltage 450 mV/250 mV (phono jacks) inpedance 47 kΩ Outputs MD/VIDEO OUT : voltage 250 mV (phono jacks) impedance 1 kΩ PHONES : accepts headphones of 8 Ω or (stereo phone jack) more FRONT SPEAKER : accepts impedance of 6 to 16 Ω REAR SPEAKER : accepts impedance of 6 to 16 Ω CENTER SPEAKER : accepts impedance of 12 to 16 Ω SUPER WOOFER : Voltage 1 V, impedance 1 kΩ CD player section System Compact disc and digital audio system Laser Semiconductor laser (λ=780nm) Emission duration: continuous Laser output Max. 44.6 µW* *This output is the value measured at a distance of 200 mm from the objective lens surface on the Optical Pick-up Block with 7 mm aperture. Frequency response 20 Hz - 20 kHz (±0.5 dB) Wavelength 780 -790 nm Signal-to-noise ratio More than 90 dB Dynamic range More than 90 dB Continued on next page Photo : HCD-RXD6AV www. xiaoyu163. com QQ 376315150 9 9 2 8 9 4 2 9 8 TEL 13942296513 9 9 2 8 9 4 2 9 8 0 5 1 5 1 3 6 7 3 Q Q TEL 13942296513 QQ 376315150 892498299 TEL 13942296513 QQ 376315150 892498299 http://www.xiaoyu163.com HCD-GRX40AV/RXD6AV 23 23 7-4. SCHEMATIC DIAGRAM TUNER SECTION • Refer to page 21 for Note on Schematic Diagrams. • Refer to page 39 for IC Block Diagrams. * * * C130,131 0.033:GRX40AV 0.022:RXD6AV 9 w w w . x i a o y u 1 6 3 . c o m Q Q 3 7 6 3 1 5 1 5 0 9 9 2 8 9 4 2 9 8 T E L 1 3 9 4 2 2 9 6 5 1 3 9 9 2 8 9 4 2 9 8 0 5 1 5 1 3 6 7 3 Q Q TEL 13942296513 QQ 376315150 892498299 TEL 13942296513 QQ 376315150 892498299 http://www.xiaoyu163.com HCD-GRX40AV/RXD6AV 24 24 7-5. SCHEMATIC DIAGRAM DOLBY SECTION • Refer to page 21 for Note on Schematic Diagrams. • Refer to page 22 for Printed Wiring Board. w w w . x i a o y u 1 6 3 . c o m Q Q 3 7 6 3 1 5 1 5 0 9 9 2 8 9 4 2 9 8 T E L 1 3 9 4 2 2 9 6 5 1 3 9 9 2 8 9 4 2 9 8 0 5 1 5 1 3 6 7 3 Q Q TEL 13942296513 QQ 376315150 892498299 TEL 13942296513 QQ 376315150 892498299 http://www.xiaoyu163.com HCD-GRX40AV/RXD6AV 25 25 7-6. SCHEMATIC DIAGRAM TEPE/POWER SECTION • Refer to page 21 for Note on Schematic Diagrams. • Refer to page 22 for Printed Wiring Board. • Refer to page 39 for IC Block Diagrams. 12 JK402 JK401 0 w w w . x i a o y u 1 6 3 . c o m Q Q 3 7 6 3 1 5 1 5 0 9 9 2 8 9 4 2 9 8 T E L 1 3 9 4 2 2 9 6 5 1 3 9 9 2 8 9 4 2 9 8 0 5 1 5 1 3 6 7 3 Q Q TEL 13942296513 QQ 376315150 892498299 TEL 13942296513 QQ 376315150 892498299 http://www.xiaoyu163.com HCD-GRX40AV/RXD6AV 27 27 7-8. SCHEMATIC DIAGRAM FRONT SECTION • Refer to page 21 for Note on Schematic Diagrams. • Refer to page 38 for IC Block Diagrams. w w w . x i a o y u 1 6 3 . c o m Q Q 3 7 6 3 1 5 1 5 0 9 9 2 8 9 4 2 9 8 T E L 1 3 9 4 2 2 9 6 5 1 3 9 9 2 8 9 4 2 9 8 0 5 1 5 1 3 6 7 3 Q Q TEL 13942296513 QQ 376315150 892498299 TEL 13942296513 QQ 376315150 892498299 http://www.xiaoyu163.com HCD-GRX40AV/RXD6AV 29 29 7-10. SCHEMATIC DIAGRAM FLD SECTION • Refer to page 21 for Note on Schematic Diagrams. • Refer to page 21 for Wavefoms. • Refer to page 38 for IC Block Diagrams. • Refer to page 40 for IC Pin Function Description. 8 GRX40AV MODEL GRX40AV MODEL RXD6AV MODEL RXD6AV MODEL w w w . x i a o y u 1 6 3 . c o m Q Q 3 7 6 3 1 5 1 5 0 9 9 2 8 9 4 2 9 8 T E L 1 3 9 4 2 2 9 6 5 1 3 9 9 2 8 9 4 2 9 8 0 5 1 5 1 3 6 7 3 Q Q TEL 13942296513 QQ 376315150 892498299 TEL 13942296513 QQ 376315150 892498299 http://www.xiaoyu163.com HCD-GRX40AV/RXD6AV 31 31 7-12. SCHEMATIC DIAGRAM CD SECTION I FLD 29 C 24 2 NOTE • Voltages and waveforms are dc with respect to ground. no mark : STOP ISS133 ISS133 • Refer to page 21 for Note on Schematic Diagrams. • Refer to page 21 for Wavefoms. • Refer to page 36 for IC Block Diagrams. The components identified by mark ! or dotted line with mark ! are critical for safety. Replace only with part number specified. Les composants identifiés par une marque ! sont critiques pour la sécurité. Ne les remplacer que par une pièce portant le numéro spécifié. w w w . x i a o y u 1 6 3 . c o m Q Q 3 7 6 3 1 5 1 5 0 9 9 2 8 9 4 2 9 8 T E L 1 3 9 4 2 2 9 6 5 1 3 9 9 2 8 9 4 2 9 8 0 5 1 5 1 3 6 7 3 Q Q TEL 13942296513 QQ 376315150 892498299 TEL 13942296513 QQ 376315150 892498299 http://www.xiaoyu163.com HCD-GRX40AV/RXD6AV 33 33 7-14. SCHEMATIC DIAGRAM CENTER/REAR AMP SECTION • Refer to page 21 for Note on Schematic Diagrams. F001 4.0A 125V : MX MODEL T2.0AL 250V : EXCEPT MX MODEL F501 2.5A 250V : MX MODEL T2.0AL 250V : EXCEPT MX MODEL The components identified by mark ! or dotted line with mark ! are critical for safety. Replace only with part number specified. w w w . x i a o y u 1 6 3 . c o m Q Q 3 7 6 3 1 5 1 5 0 9 9 2 8 9 4 2 9 8 T E L 1 3 9 4 2 2 9 6 5 1 3 9 9 2 8 9 4 2 9 8 0 5 1 5 1 3 6 7 3 Q Q TEL 13942296513 QQ 376315150 892498299 TEL 13942296513 QQ 376315150 892498299 http://www.xiaoyu163.com HCD-GRX40AV/RXD6AV 34 34 7-15. SCHEMATIC DIAGRAM FRONT AMP SECTION • Refer to page 21 for Note on Schematic Diagrams. w w w . x i a o y u 1 6 3 . c o m Q Q 3 7 6 3 1 5 1 5 0 9 9 2 8 9 4 2 9 8 T E L 1 3 9 4 2 2 9 6 5 1 3 9 9 2 8 9 4 2 9 8 0 5 1 5 1 3 6 7 3 Q Q TEL 13942296513 QQ 376315150 892498299 TEL 13942296513 QQ 376315150 892498299 http://www.xiaoyu163.com 36 7-17. IC BLOCK DIAGRAMS IC701 CXA1992BR (CD DECORD Board) FZC VC TDFCT TZC ATSC TEI LPFI TEO VEE EI E F FE BIAS SL P SL M SL O ISET VCC XRST DATA XLT CLK LOCK SENS2 SENS1 C. OUT VCC DFCTO IFB1 – IFB6 BAL1 – BAL4 TOG1 – TOG4 FS1 – FS4 TG1 – TG2 TM1 – TM7 PS1 – PS4 TGH TGL BALH BALL ATSC DFCT TM1 TG1 FS2 IFB1 – IFB6 VCC VEE VCC VEE VEE PD 2 I-V AMP FOK CC2 CC1 CB CP RF O RF I RFTC PD2 PD1 PD LD RF M TA O TA M FSET TG2 TGU SRCH FEO FEI FDFCT FGD FLB FE O FE M TZC FZC FOL FOH MIRR LDON LPCL LPC TGFL DFCT1 CC1 1 2 3 4 5 6 7 8 9 10 26 25 24 23 22 21 20 19 18 17 16 15 14 40 41 42 43 44 45 46 47 48 49 50 51 52 39 PD 1 I-V AMP 38 PD AMP 37 LD AMP LASER POWER CONTROL FOCUS BIAS WINDOW COMPARATOR FOCUS ERROR AMP F I-V AMP E I-V AMP TGFL TRACKING GAIN WINDOW COMPARATOR E-F BALANCE WINDOW COMPARATOR ATSC WINDOW COMPARATOR TZC COMPARATOR TRACKING PHASE COMPENSATION CENTER VOLTAGE GENERATOR FZC COMPARATOR FOCUS PHASE COMPENSATION CHARGE UP FSET ISET IIC DATA REGISTER, INPUT SHIFT REGISTER, ADDRESS DECODER, SENSE SELECTOR, OUTPUT DECODER TTL ↓ IIL IIL ↓ TTL IIL ↓ TTL RF SUMMING AMP FOCUS OK COMPARATOR PEAK/BOTTOM HOLD PEAK/BOTTOM HOLD DEFECT AMP MIRR COMPARATOR 36 34 31 30 29 28 27 35 33 32 BAL1 – BAL4 TM6 TM2 VCC VEE TM5 11 12 13 TG2 TM4 VCC VEE TM3 FS1 VCC VEE TOG1 – TOG4 TM7 FS4 DFCT + – + – www. xiaoyu163. com QQ 376315150 9 9 2 8 9 4 2 9 8 TEL 13942296513 9 9 2 8 9 4 2 9 8 0 5 1 5 1 3 6 7 3 Q Q TEL 13942296513 QQ 376315150 892498299 TEL 13942296513 QQ 376315150 892498299 http://www.xiaoyu163.com 37 IC703 BA5936S (CD DECORD Board) IC702 CXD2589Q (CD DECORD Board) 51 52 35 38 37 36 31 29 33 10 11 18 13 14 15 16 17 57 58 74 21 22 53 75 76 67 66 65 59 9 8 7 5 4 6 12 30 48 25 26 27 47 49 54 56 50 39 41 43 55 40 42 44 62 70 3 2 71 79 23 24 28 Clock Generator OSC EFM demoduretor Error Corrector 16K RAM Asymmetry Corrector Digital PLL Servko Auto Sequencer Sub Code Processor CPU Interface D/A Interface Serial In Interface Over Sampling Digital Filter 3rd Order Noise Shaper Timing Logic Digital OUT Digital CLV PWM PWM XTSL VPCO VCKI V16M VCTL XUGF GFS EMPH WFCK C2PO LECK PCMD BCK EMPHI LECKI PCMDI BCKI SYSM TES1 TEST XRST RMUT LMUT XTAI XTAO AOUT1 AIN1 LOUT1 AOUT2 AIN2 LOUT2 DOUT PWMI MDP SQCK SQSO EXCK SBSO SCOR XLON SPOB SPOA CLOK XTAL DATA SENS CLKO XLTO DATO CNIN SEIN FOK CLTV PCO FILI FILO XPCK BIAS ASYO ASYI RF C4M 32 31 30 29 28 27 26 25 24 23 22 21 20 19 18 17 1 2 3 4 5 6 7 8 9 10 11 12 13 14 15 16 LEVEL SHIFT LEVEL SHIFT LEVEL SHIFT LEVEL SHIFT LEVEL SHIFT LEVEL SHIFT MUTE T.S.D BIAS BIAS BIAS VCC 100 BIAS BIAS VCC VCC DETECTION DF REG-OUT CURRENT 100 100 10K 10K D D D D D D D D D D D D 100 OUT1– OUT1+ OUT2– OUT2+ IN2 IN1 VCC VCC REG-I REG-B REG OUT IN3-R IN3-F OUT3+ OUT3– GND OUT4– OUT5– OUT4+ OUT5+ IN 5 IN 4 VCC BIAS IN GND GND MUTE IN IN6-R IN6-F OUT6+ OUT6– GND 13.3K 13.3K 13.3K www. xiaoyu163. com QQ 376315150 9 9 2 8 9 4 2 9 8 TEL 13942296513 9 9 2 8 9 4 2 9 8 0 5 1 5 1 3 6 7 3 Q Q TEL 13942296513 QQ 376315150 892498299 TEL 13942296513 QQ 376315150 892498299 http://www.xiaoyu163.com 38 IC701, 702 BU2092 (FRONT Board) IC603 74HC165 (FLD Board) 1 2 3 4 5 6 7 8 9 10 16 15 14 13 12 11 CONTROL CIRCUIT 12 BIT SHIFT REGISTER 12 BIT STORAGE REGISTER OUTPUT BUFFER (OPEN DRAIN) 17 18 VDD OE Q11 Q10 Q9 Q8 Q7 Q6 Q5 Q4 Q3 Q2 Q1 Q0 LCK CLOCK DATA VSS 1 2 3 4 5 6 7 8 9 10 16 15 14 13 12 11 CK E F G H QH D C B A SERIAL IN CLOCK INHIBIT SHIFT/ LOAD GND QH VCC OUTPUT QH SERIAL INPUT A B C D CLOCK INHIBIT SHIFT/ LOAD CLOCK E F G H OUTPUT QH PARALLEL INPUTS PARALLEL INPUTS www. xiaoyu163. com QQ 376315150 9 9 2 8 9 4 2 9 8 TEL 13942296513 9 9 2 8 9 4 2 9 8 0 5 1 5 1 3 6 7 3 Q Q TEL 13942296513 QQ 376315150 892498299 TEL 13942296513 QQ 376315150 892498299 http://www.xiaoyu163.com 39 IC103 LC72131 (MAIN Board) IC201 TA8189N (MAIN Board) PHASE DETECTOR CHARGE PUMP SWALLOW COUNTER 1/16, 1/17 4BITS 12BITS PROGRAMMABLE DRIVER UNIVERSAL COUNTER REFERENCE DIVIDER POWER ON RESET 1/2 CCB INTERFACE 1 2 3 4 5 6 7 8 9 16 15 14 13 12 11 10 17 18 19 20 XOUT VSS AOUT AIN PD VDD FMIN AMIN XIN DO CL DI CE IFIN IO1 BO4 BO3 BO2 BO1 IO2 UNLOCK DETECTOR DATA SHIFT REGISTER LATCH CH2/A CH2/B NF VCC CG NF ALC METAL OUT PRE OUT TAPE A /TAPE B REC OUT REC IN CH1/A CH1/B NF GND1 M/H NF CH2 CH2 ALC M/N CH1 GND GND CH1 + – + – + – + – A/B GND METAL OUT PRE OUT MIX OUT REC OUT REC IN IREF VREF2 VREF1 24 23 22 21 20 19 18 17 16 15 14 13 1 2 3 4 5 6 7 8 9 10 11 12 www. xiaoyu163. com QQ 376315150 9 9 2 8 9 4 2 9 8 TEL 13942296513 9 9 2 8 9 4 2 9 8 0 5 1 5 1 3 6 7 3 Q Q TEL 13942296513 QQ 376315150 892498299 TEL 13942296513 QQ 376315150 892498299 http://www.xiaoyu163.com

标签:

版权声明

1. 本站所有素材,仅限学习交流,仅展示部分内容,如需查看完整内容,请下载原文件。
2. 会员在本站下载的所有素材,只拥有使用权,著作权归原作者所有。
3. 所有素材,未经合法授权,请勿用于商业用途,会员不得以任何形式发布、传播、复制、转售该素材,否则一律封号处理。
4. 如果素材损害你的权益请联系客服QQ:77594475 处理。