索尼SONY HCD-GRX20音响电路图

分类:电子电工 日期: 点击:0
索尼SONY HCD-GRX20音响电路图-0 索尼SONY HCD-GRX20音响电路图-1 索尼SONY HCD-GRX20音响电路图-2 索尼SONY HCD-GRX20音响电路图-3 索尼SONY HCD-GRX20音响电路图-4 索尼SONY HCD-GRX20音响电路图-5 索尼SONY HCD-GRX20音响电路图-6 索尼SONY HCD-GRX20音响电路图-7 索尼SONY HCD-GRX20音响电路图-8 索尼SONY HCD-GRX20音响电路图-9

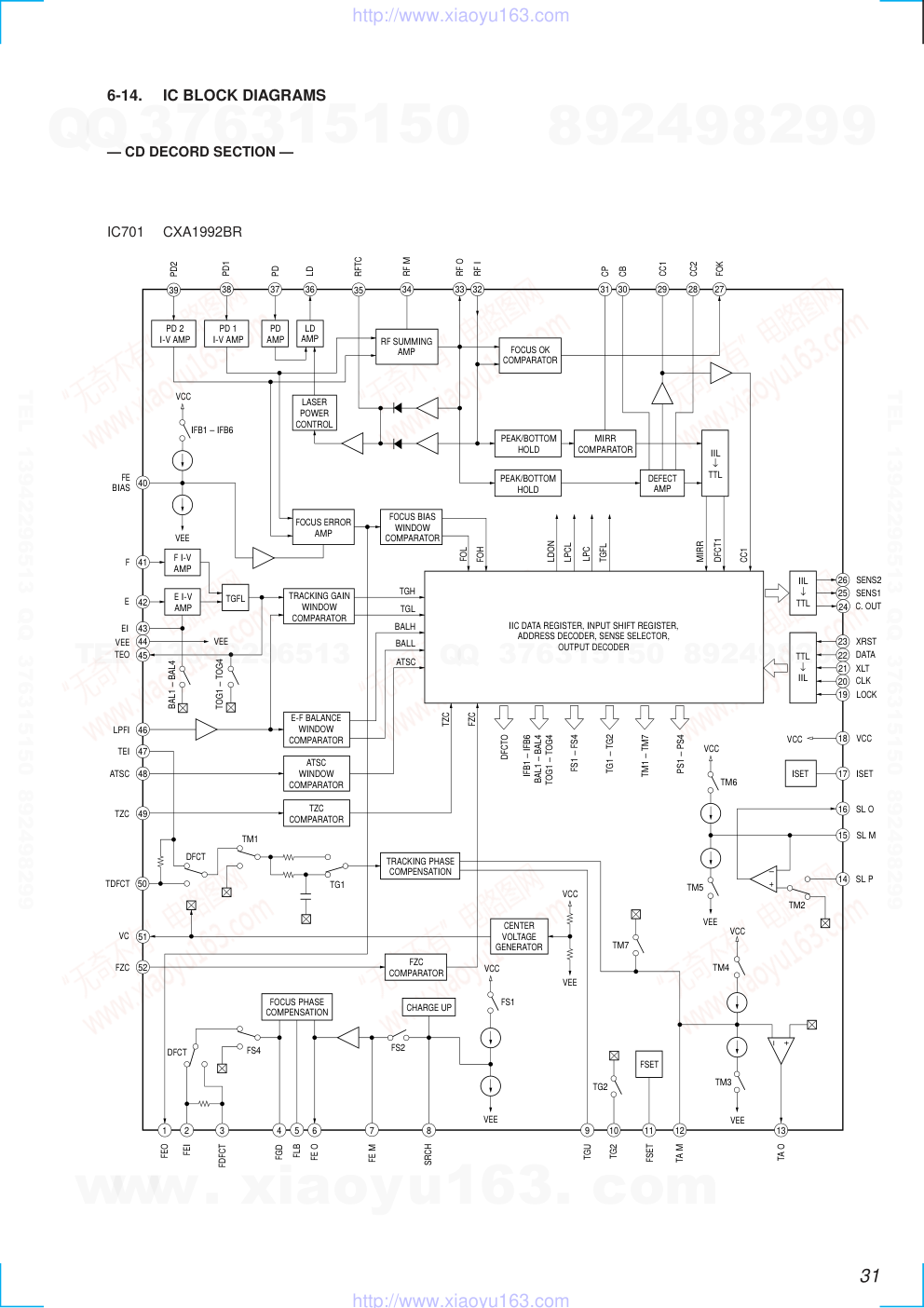
AEP Model UK Model HCD-RXD3 E Model Australian Model HCD-GRX20 SERVICE MANUAL MINI Hi-Fi COMPONENT SYSTEM MICROFILM — Continued on next page — SPECIFICATIONS Model Name Using Similar Mechanism NEW CD Mechanism Type CX3 Base Unit Type KSM-213ECM Optical Pick-up Type KSS-213ECM/C2NP Model Name Using Similar Mechanism NEW Tape Transport Mechanism Type CWL-44-FR CD SECTION TAPE DECK SECTION HCD-GRX20/RXD3 is the tuner, deck, CD and amplifier section in MHC-GRX20/RXD3. PHOTO : HCD-RXD3 Amplifier section European model DIN power output (Rated) 40 W + 40 W (6 Ω at 1 kHz, DIN) Continuous RMS power output (Reference) 50 W + 50 W (6 Ω at 1 kHz, 10% THD) Music power output (Reference) 100 W + 100 W (6 Ω at 1 kHz, 10% THD) Other models The following measured at AC 110, 220 V 60 Hz; DIN power output (Rated) 45 W + 45 W (6 Ω at 1 kHz, DIN) Continuous RMS power output (Reference) 50 W + 50 W (6 Ω at 1 kHz, 10% THD) The following measured at AC 120, 240 V 60 Hz; DIN power output (Rated) 50 W + 50 W (6 Ω at 1 kHz, DIN) Continuous RMS power output (Reference) 60 W + 60 W (6 Ω at 1 kHz, 10% THD) Inputs MD IN (phono jack): voltage 450 mV, impedance 47 kΩ Outputs MD OUT (phono jacks): voltage 250 mV impedance 1 kΩ PHONES (stereo phone jack): accepts headphones of 8 Ω or more. SPEAKER: accepts impedance of 6 to 16 Ω CD player section System Compact disc and digital audio system Laser Semiconductor laser (λ = 780 nm) Emission duration: continuous Laser output Max. 44.6µW* *This output is the value measured at a distance of 200 mm from the objective lens surface on the Optical Pick-up Block with 7 mm aperture. Frequency response 20Hz – 20kHz (±0.5 dB) Wavelength 780 – 790 nm DIGITAL OUT (OPTICAL) (Square optical connector jack, rear panel) Wavelength 600 nm Output Level –18 dBm Tape deck section Recording system 4-track 2-channel stereo Frequency response 40 – 13,000 Hz (±3 dB), using Sony TYPE I cassette Wow and flutter ±0.15% W. Peak(IEC) 0.1% W. RMS(NAB) ±0.2% W. Peak(DIN) Tuner section FM stereo, FM/AM superheterodyne tuner FM tunr section Tuning range 87.5 – 108.0 MHz Antenna FM lead antenna Antenna terminals 75 Ω unbalanced Intermediate frequency 10.7 MHz www. xiaoyu163. com QQ 376315150 9 9 2 8 9 4 2 9 8 TEL 13942296513 9 9 2 8 9 4 2 9 8 0 5 1 5 1 3 6 7 3 Q Q TEL 13942296513 QQ 376315150 892498299 TEL 13942296513 QQ 376315150 892498299 http://www.xiaoyu163.com HCD-GRX20/RXD3 21 21 6-4. SCHEMATIC DIAGRAM MAIN (1/3) SECTION • Refer to page 19 for Waveforms. • Refer to page 33 for IC Block Diagrams. • Refer to page 19 for Note on Schematic Diagram. 0.47µ R136 R175 * * * * * * C186 0.001µ mH C167 L109 22µH 47 0.047µ 0.047µ 68 220 16V R167 2.2k C107 mH 0.047µ C100 0.001 MARK : GRX20 C107 NO MOUNT NO MOUNT 220 5.6k 1k 100 0.01µ 0.022(T) 560p(T) 10p C135 C167 R105 R106 RXD3 25 23 22 23 25 E,AUS,SP,TW MODEL w w w . x i a o y u 1 6 3 . c o m Q Q 3 7 6 3 1 5 1 5 0 9 9 2 8 9 4 2 9 8 T E L 1 3 9 4 2 2 9 6 5 1 3 9 9 2 8 9 4 2 9 8 0 5 1 5 1 3 6 7 3 Q Q TEL 13942296513 QQ 376315150 892498299 TEL 13942296513 QQ 376315150 892498299 http://www.xiaoyu163.com HCD-GRX20/RXD3 22 22 6-5. SCHEMATIC DIAGRAM MAIN (2/3) SECTION • Refer to page 19 for Waveforms. • Refer to page 33 for IC Block Diagrams. • Refer to page 19 for Note on Schematic Diagram. 10 Q552 Q551 502 Q252 0.0012 0.0012 0.018 22µ 0.018µ 23 21 w w w . x i a o y u 1 6 3 . c o m Q Q 3 7 6 3 1 5 1 5 0 9 9 2 8 9 4 2 9 8 T E L 1 3 9 4 2 2 9 6 5 1 3 9 9 2 8 9 4 2 9 8 0 5 1 5 1 3 6 7 3 Q Q TEL 13942296513 QQ 376315150 892498299 TEL 13942296513 QQ 376315150 892498299 http://www.xiaoyu163.com HCD-GRX20/RXD3 23 23 6-6. SCHEMATIC DIAGRAM MAIN (3/3) SECTION • Refer to page 33 for IC Block Diagrams. • Refer to page 19 for Note on Schematic Diagram. 47µ D302 UZ6.2B R341 470 R336 680 R333 47k R358 470 C352 0.1 C351 0.1 C363 0.1 29 22 27 21 w w w . x i a o y u 1 6 3 . c o m Q Q 3 7 6 3 1 5 1 5 0 9 9 2 8 9 4 2 9 8 T E L 1 3 9 4 2 2 9 6 5 1 3 9 9 2 8 9 4 2 9 8 0 5 1 5 1 3 6 7 3 Q Q TEL 13942296513 QQ 376315150 892498299 TEL 13942296513 QQ 376315150 892498299 http://www.xiaoyu163.com HCD-GRX20/RXD3 25 25 6-8. SCHEMATIC DIAGRAM FRONT PANEL SECTION • Refer to page 19 for Waveforms. • Refer to page 30 for IC Pin Function. • Refer to page 19 for Note on Schematic Diagram. R612 ROTARY ENCODER 0.01 0.01 100k EXCEPT E,SP,TW,MX,AR MODELS EXCEPT MX MODEL EXCEPT MX MODEL AR,E,MX MODELS C622 10µ 2SA733 0.1 0.022 6.3V 150 SPS-447-1 21 21 29 82040 w w w . x i a o y u 1 6 3 . c o m Q Q 3 7 6 3 1 5 1 5 0 9 9 2 8 9 4 2 9 8 T E L 1 3 9 4 2 2 9 6 5 1 3 9 9 2 8 9 4 2 9 8 0 5 1 5 1 3 6 7 3 Q Q TEL 13942296513 QQ 376315150 892498299 TEL 13942296513 QQ 376315150 892498299 http://www.xiaoyu163.com HCD-GRX20/RXD3 27 27 6-10. SCHEMATIC DIAGRAM AMPLIFIER SECTION • Refer to page 19 for Note on Schematic Diagram. AC IN C726 100µ 16V UZ-12BSA UZ-8.2BSA UZ-27BSA-TA C701 3300µ 50V : EXCEPT AUS MODEL 3300µ 63V : AUS MODEL C702 3300µ 50V : EXCEPT AUS MODEL 3300µ 63V : AUS MODEL 100µ 50V : EXCEPT AUS MODEL 100µ 63V : AUS MODEL 100µ 50V: EXCEPT AUS MODEL 100µ 63V:AUS MODEL 100µ 50V: EXCEPT AUS MODEL 100µ 63V:AUS MODEL * 100µ 50V : EXCEPT AUS MODEL 100µ 63V : AUS MODEL * -070E R444 10 0.022 (CHASSIS) J746 J475 GRX20 MODEL GRX20 MODEL RXD3 MODEL RXD3 MODEL T2A AC IN SW401 GRX20 : AR,E,SP,TW : 4.0A 250V GRX20 : AR,E,SP,TW MODEL GRX20 : MX : 4.0A 125V F702 AC VOLTAGE 220 – 240 V 110 – 120 V GRX20 : AUS, RXD3 MODELS GRX20 : E,SP,TW,MX,AR MODELS AC SWITCH FUSE F703 T2AL 250V 23 w w w . x i a o y u 1 6 3 . c o m Q Q 3 7 6 3 1 5 1 5 0 9 9 2 8 9 4 2 9 8 T E L 1 3 9 4 2 2 9 6 5 1 3 9 9 2 8 9 4 2 9 8 0 5 1 5 1 3 6 7 3 Q Q TEL 13942296513 QQ 376315150 892498299 TEL 13942296513 QQ 376315150 892498299 http://www.xiaoyu163.com HCD-GRX20/RXD3 29 29 6-12. SCHEMATIC DIAGRAM CD SECTION • Refer to page 19 for Waveforms. • Refer to page 31,32 for IC Block Diagrams. • Refer to page 19 for Note on Schematic Diagram. 25 23 w w w . x i a o y u 1 6 3 . c o m Q Q 3 7 6 3 1 5 1 5 0 9 9 2 8 9 4 2 9 8 T E L 1 3 9 4 2 2 9 6 5 1 3 9 9 2 8 9 4 2 9 8 0 5 1 5 1 3 6 7 3 Q Q TEL 13942296513 QQ 376315150 892498299 TEL 13942296513 QQ 376315150 892498299 http://www.xiaoyu163.com HCD-GRX20/RXD3 30 30 6-13. IC PIN FUNCTION IC601 CXP82040-108Q(SYSTEM CONTROL) FRONT BOARD Pin No. 1,2 3 4 5 6 7 8 9 10 11 12 13 14 15 16 17 18 19 20 21 22 23 24 25 26 27 28 29 to 31 32 33 to 36 37 38 39 40 41 42 43 44 45 46 47 48 49 50 I/O O — I I I I I I O O O O O O O O O O O O O O O O I O I I I I I I — — — I I — — I I I I I Description FLD grid output. Not used. CXD2589Q SCOR input. CXD2589Q COUNT input. Power data input. FOK input. Remote signal input. Data input.(DECK secton) S/L output.(DECK secton) STB output.(CD,DECK section) CXA1992BR LOCK output. CXD2589Q CLOCK output. Mode switch input. Not used. Not used. Function control output. Not used. LATCH output. CXD2589Q XLAT output. LC72131 CE output. CXD2589Q SQCK output. CXD2589Q SQSO output. CXD2589Q DATA output. S.CLOCK output. S.DATA input. S.DATA output. FM Stereo input. Key input 0 to 2. Not used. Not used. AMS input. RESET input. X’TAL 10MHz X’TAL 10MHz Ground. CXD2589Q SENS1 input. CXD2589Q SENS2 input. VDD. VFDP. Pick-up up switch signal input. Pick-up down switch signal input. Disc count switch signal input. Turn Table switch signal input. Tray open switch signal input. Pin Name 2G,1G NC SCOR COUNT POWER DOWN IN FOK REMOTE IN DATA IN S/L DECK,CD STB LOCK CLOCK MODE SW IN NC CE CTRL LATCH B LATCH A XLAT CE SQCK SQSO DATA S.CLOCK S,DATA IN S.DATA OUT FM STEREO IN KEY IN O to 2 VACS IN SPEANA IN 1 to 4 ANS IN RESET EXTAL XTAL VSS SENS1 SENS2 VDD VFDP PICK UP SW PICK DOWN SW DISC COUNT SW TURN TABLE SW TRAY O. SW Pin No. 51 52 53 54 55 56 57 58 59 60 61 62 63 64 65 66 67 68 69 70 71 72 73 74 75 76 77 78 79 80 to 85 86 87,88 89 90 to 100 I/O I I I I I O O O O O O O O O O O O O O O O O O O O O O O O O — O — O Description Tray close switch signal input. Volume up signal input. Volume down signal input. Not used. Not used. Not used. Not used. Not used. Not used. Not used. Not used. Tuner Mute output. System Mute output. POWER switch output. FLD segment output. FLD segment output. Mode switch 1. FLD segment output. Mode switch 2. FLD segment output. Mode switch 3. FLD segment output. Mode switch 4. FLD segment output. Mode switch 5. FLD segment output. Mode switch 6. FLD segment output. Mode switch 7. FLD segment output. Mode switch 8. FLD segment output. Mode switch 9. FLD segment output. Mode switch 10. FLD segment output. Mode switch 11. FLD segment output. Mode switch 12. FLD segment output. Mode switch 13. FLD segment output. Mode switch 14. FLD segment output. Not used. FLD grid output. VDD. FLD grid output. Pin Name TRAY C. SW VR UP VR DN CD ENCODER IN A CD ENCODER IN B SURROUND OUT DBFB NOR&HI OUT DBFB HI OUT DOLBY NR OUT 2CH OUT MD MUTE TUNER MUTE OUT SYSTEM MUTE OUT POWER SW OUT P1 P2(MODE SW 1) P3(MODE SW 2) P4(MODE SW 3) P5(MODE SW 4) P6(MODE SW 5) P7(MODE SW 6) P8(MODE SW 7) P9(MODE SW 8) P10(MODE SW 9) P11(MODE SW 10) P12(MODE SW 11) P13(MODE SW 12) P14(MODE SW 13) P15(MODE SW 14) P16 to 21 NC 15G,14G VDD 13G to 3G w w w . x i a o y u 1 6 3 . c o m Q Q 3 7 6 3 1 5 1 5 0 9 9 2 8 9 4 2 9 8 T E L 1 3 9 4 2 2 9 6 5 1 3 9 9 2 8 9 4 2 9 8 0 5 1 5 1 3 6 7 3 Q Q TEL 13942296513 QQ 376315150 892498299 TEL 13942296513 QQ 376315150 892498299 http://www.xiaoyu163.com 31 6-14. IC BLOCK DIAGRAMS — CD DECORD SECTION — IC701 CXA1992BR FZC VC TDFCT TZC ATSC TEI LPFI TEO VEE EI E F FE BIAS SL P SL M SL O ISET VCC XRST DATA XLT CLK LOCK SENS2 SENS1 C. OUT VCC DFCTO IFB1 – IFB6 BAL1 – BAL4 TOG1 – TOG4 FS1 – FS4 TG1 – TG2 TM1 – TM7 PS1 – PS4 TGH TGL BALH BALL ATSC DFCT TM1 TG1 FS2 IFB1 – IFB6 VCC VEE VCC VEE VEE PD 2 I-V AMP FOK CC2 CC1 CB CP RF O RF I RFTC PD2 PD1 PD LD RF M TA O TA M FSET TG2 TGU SRCH FEO FEI FDFCT FGD FLB FE O FE M TZC FZC FOL FOH MIRR LDON LPCL LPC TGFL DFCT1 CC1 1 2 3 4 5 6 7 8 9 10 26 25 24 23 22 21 20 19 18 17 16 15 14 40 41 42 43 44 45 46 47 48 49 50 51 52 39 PD 1 I-V AMP 38 PD AMP 37 LD AMP LASER POWER CONTROL FOCUS BIAS WINDOW COMPARATOR FOCUS ERROR AMP F I-V AMP E I-V AMP TGFL TRACKING GAIN WINDOW COMPARATOR E-F BALANCE WINDOW COMPARATOR ATSC WINDOW COMPARATOR TZC COMPARATOR TRACKING PHASE COMPENSATION CENTER VOLTAGE GENERATOR FZC COMPARATOR FOCUS PHASE COMPENSATION CHARGE UP FSET ISET IIC DATA REGISTER, INPUT SHIFT REGISTER, ADDRESS DECODER, SENSE SELECTOR, OUTPUT DECODER TTL ↓ IIL IIL ↓ TTL IIL ↓ TTL RF SUMMING AMP FOCUS OK COMPARATOR PEAK/BOTTOM HOLD PEAK/BOTTOM HOLD DEFECT AMP MIRR COMPARATOR 36 34 31 30 29 28 27 35 33 32 BAL1 – BAL4 TM6 TM2 VCC VEE TM5 11 12 13 TG2 TM4 VCC VEE TM3 FS1 VCC VEE TOG1 – TOG4 TM7 FS4 DFCT + – + – www. xiaoyu163. com QQ 376315150 9 9 2 8 9 4 2 9 8 TEL 13942296513 9 9 2 8 9 4 2 9 8 0 5 1 5 1 3 6 7 3 Q Q TEL 13942296513 QQ 376315150 892498299 TEL 13942296513 QQ 376315150 892498299 http://www.xiaoyu163.com 32 IC702 CXD2589Q IC703 BA5936S 51 52 35 38 37 36 31 29 33 10 11 18 13 14 15 16 17 57 58 74 21 22 53 75 76 67 66 65 59 9 8 7 5 4 6 12 30 48 25 26 27 47 49 54 56 50 39 41 43 55 40 42 44 62 70 3 2 71 79 23 24 28 Clock Generator OSC EFM demoduretor Error Corrector 16K RAM Asymmetry Corrector Digital PLL Servko Auto Sequencer Sub Code Processor CPU Interface D/A Interface Serial In Interface Over Sampling Digital Filter 3rd Order Noise Shaper Timing Logic Digital OUT Digital CLV PWM PWM XTSL VPCO VCKI V16M VCTL XUGF GFS EMPH WFCK C2PO LECK PCMD BCK EMPHI LECKI PCMDI BCKI SYSM TES1 TEST XRST RMUT LMUT XTAI XTAO AOUT1 AIN1 LOUT1 AOUT2 AIN2 LOUT2 DOUT PWMI MDP SQCK SQSO EXCK SBSO SCOR XLON SPOB SPOA CLOK XTAL DATA SENS CLKO XLTO DATO CNIN SEIN FOK CLTV PCO FILI FILO XPCK BIAS ASYO ASYI RF C4M 32 31 30 29 28 27 26 25 24 23 22 21 20 19 18 17 1 2 3 4 5 6 7 8 9 10 11 12 13 14 15 16 LEVEL SHIFT LEVEL SHIFT LEVEL SHIFT LEVEL SHIFT LEVEL SHIFT LEVEL SHIFT MUTE T.S.D BIAS BIAS BIAS VCC 100 BIAS BIAS VCC VCC DETECTION DF REG-OUT CURRENT 100 100 10K 10K D D D D D D D D D D D D 100 OUT1– OUT1+ OUT2– OUT2+ IN2 IN1 VCC VCC REG-I REG-B REG OUT IN3-R IN3-F OUT3+ OUT3– GND OUT4– OUT5– OUT4+ OUT5+ IN 5 IN 4 VCC BIAS IN GND GND MUTE IN IN6-R IN6-F OUT6+ OUT6– GND 13.3K 13.3K 13.3K www. xiaoyu163. com QQ 376315150 9 9 2 8 9 4 2 9 8 TEL 13942296513 9 9 2 8 9 4 2 9 8 0 5 1 5 1 3 6 7 3 Q Q TEL 13942296513 QQ 376315150 892498299 TEL 13942296513 QQ 376315150 892498299 http://www.xiaoyu163.com 33 — MAIN BOARD — IC103 LC72131 PHASE DETECTOR CHARGE PUMP SWALLOW COUNTER 1/16, 1/17 4BITS 12BITS PROGRAMMABLE DRIVER UNIVERSAL COUNTER REFERENCE DIVIDER POWER ON RESET 1/2 CCB INTERFACE 1 2 3 4 5 6 7 8 9 16 15 14 13 12 11 10 17 18 19 20 XOUT VSS AOUT AIN PD VDD FMIN AMIN XIN DO CL DI CE IFIN IO1 BO4 BO3 BO2 BO1 IO2 UNLOCK DETECTOR DATA SHIFT REGISTER LATCH IC201 TA8189N CH2/A CH2/B NF VCC CG NF ALC METAL OUT PRE OUT TAPE A /TAPE B REC OUT REC IN CH1/A CH1/B NF GND1 M/H NF CH2 CH2 ALC M/N CH1 GND GND CH1 + – + – + – + – A/B GND METAL OUT PRE OUT MIX OUT REC OUT REC IN IREF VREF2 VREF1 24 23 22 21 20 19 18 17 16 15 14 13 1 2 3 4 5 6 7 8 9 10 11 12 www. xiaoyu163. com QQ 376315150 9 9 2 8 9 4 2 9 8 TEL 13942296513 9 9 2 8 9 4 2 9 8 0 5 1 5 1 3 6 7 3 Q Q TEL 13942296513 QQ 376315150 892498299 TEL 13942296513 QQ 376315150 892498299 http://www.xiaoyu163.com 34 IC252 74HC165 IC301 M62439SP 1 2 3 4 5 6 7 8 9 10 16 15 14 13 12 11 CK E F G H QH D C B A SERIAL IN CLOCK INHIBIT SHIFT/ LOAD GND QH VCC OUTPUT QH SERIAL INPUT A B C D CLOCK INHIBIT SHIFT/ LOAD CLOCK E F G H OUTPUT QH PARALLEL INPUTS PARALLEL INPUTS — FRONT BOARD — IC602 BU2092 1 2 3 4 5 6 7 8 9 10 16 15 14 13 12 11 CONTROL CIRCUIT 12 BIT SHIFT REGISTER 12 BIT STORAGE REGISTER OUTPUT BUFFER (OPEN DRAIN) 17 18 VDD OE Q11 Q10 Q9 Q8 Q7 Q6 Q5 Q4 Q3 Q2 Q1 Q0 LCK CLOCK DATA VSS 20 19 18 17 16 15 14 13 12 11 1 2 3 4 5 6 7 8 9 10 CONTROL LOGIC REC OUT SW INPUT SW MONAURAL SW MUTE VOLUME CONTROL Low boost High boost REC OUT2 INA2 INB2 INC2 IND2 TONEH2 TONEL2 OUT2 Vss CONT VDD GND OUT1 TONEL1 TONEH1 IND1 INC1 INB1 INA1 REC OUT1 www. xiaoyu163. com QQ 376315150 9 9 2 8 9 4 2 9 8 TEL 13942296513 9 9 2 8 9 4 2 9 8 0 5 1 5 1 3 6 7 3 Q Q TEL 13942296513 QQ 376315150 892498299 TEL 13942296513 QQ 376315150 892498299 http://www.xiaoyu163.com

标签:

版权声明

1. 本站所有素材,仅限学习交流,仅展示部分内容,如需查看完整内容,请下载原文件。
2. 会员在本站下载的所有素材,只拥有使用权,著作权归原作者所有。
3. 所有素材,未经合法授权,请勿用于商业用途,会员不得以任何形式发布、传播、复制、转售该素材,否则一律封号处理。
4. 如果素材损害你的权益请联系客服QQ:77594475 处理。