索尼SONY WM-FS420RS电路图

分类:电子电工 日期: 点击:0
索尼SONY WM-FS420RS电路图-0 索尼SONY WM-FS420RS电路图-1 索尼SONY WM-FS420RS电路图-2 索尼SONY WM-FS420RS电路图-3 索尼SONY WM-FS420RS电路图-4 索尼SONY WM-FS420RS电路图-5 索尼SONY WM-FS420RS电路图-6 索尼SONY WM-FS420RS电路图-7 索尼SONY WM-FS420RS电路图-8 索尼SONY WM-FS420RS电路图-9

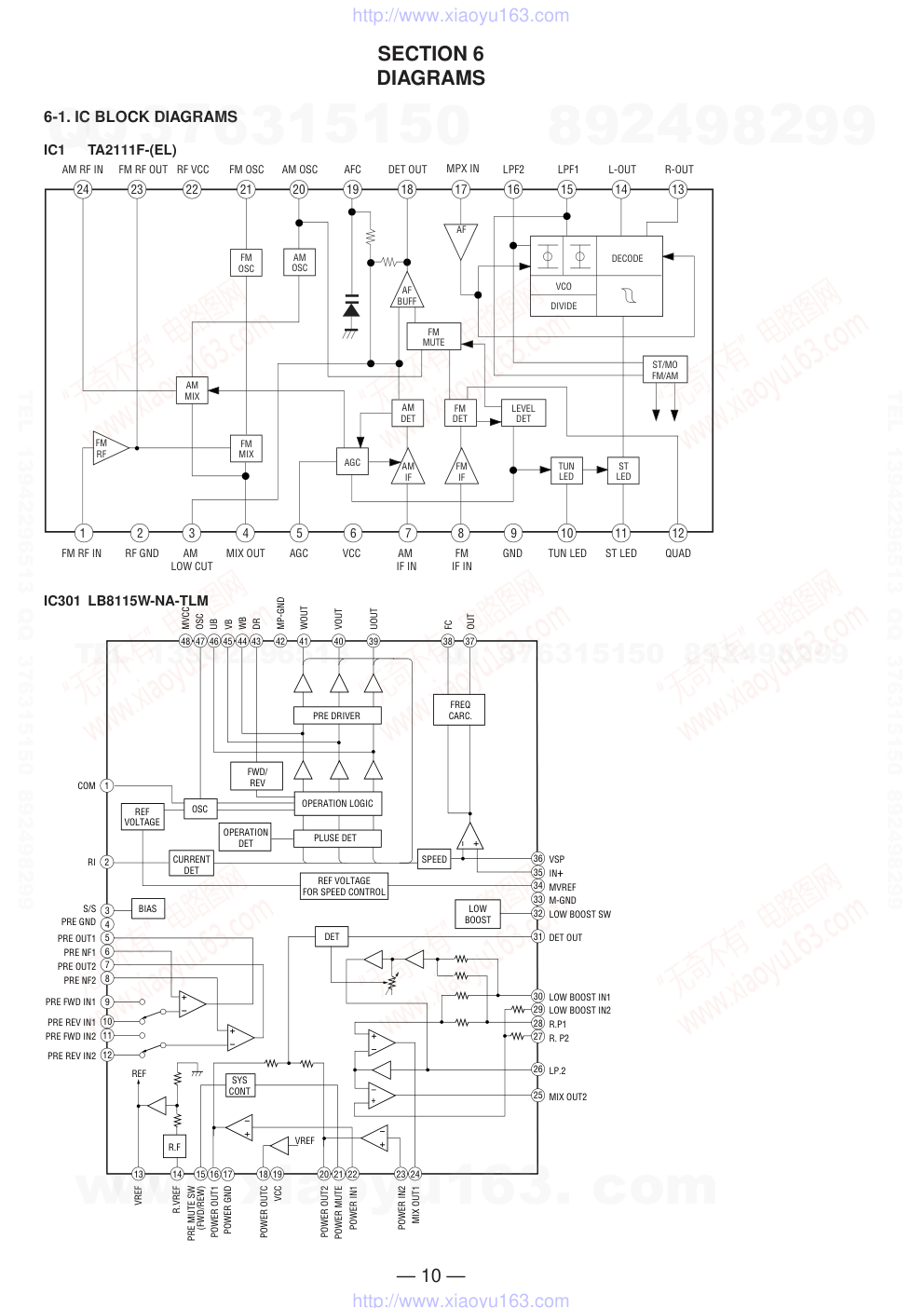
WM-FS420/FS420RS US Model Canadian Model WM-FS420/FS420RS AEP Model E Model WM-FS420 SERVICE MANUAL RADIO CASSETTE PLAYER SPECIFICATIONS Model Name Using Similar Mechanism NEW Tape Transport Mechanism Type MF-WMFS420-114 Radio Frequency FM : 87.5 – 108 MHz AM : 530 – 1,710 kHz (North, Central and South America) 531 – 1,602 kHz (Other countries) Power Requirements 3 V DC Batteries R6 (AA) × 2 Dimensions (w/h/d) Approx. 108.4 × 125.7 × 47.2 mm (4 3/8 × 5 × 1 7/8 inches) incl. projecting parts and controls Mass Approx. 280 g (9.9 oz)/Approx. 355 g (12.6 oz) (incl. batteries and a cassette) Supplied Accessories • Stereo headphones or earphones (1) • Belt clip (1) • Battery charger (1) (FS420RS only) • Rechargeable battery NC-WMAA, 1.2 V, 700 mAh, Ni-Cd (2) (FS420RS only) • Rechargeable battery carrying case (1) (FS420RS only) Design and specifications are subject to change without notice. Ver 1.0 2000. 02 www. xiaoyu163. com QQ 376315150 9 9 2 8 9 4 2 9 8 TEL 13942296513 9 9 2 8 9 4 2 9 8 0 5 1 5 1 3 6 7 3 Q Q TEL 13942296513 QQ 376315150 892498299 TEL 13942296513 QQ 376315150 892498299 http://www.xiaoyu163.com — 2 — TABLE OF CONTENTS Notes on chip component replacement • Never reuse a disconnected chip component. • Notice that the minus side of a tantalum capacitor may be damaged by heat. Flexible Circuit Board Repairing • Keep the temperature of soldering iron around 270˚C during repairing. • Do not touch the soldering iron on the same conductor of the circuit board (within 3 times). • Be careful not to apply force on the conductor when soldering or unsoldering. SECTION 1 GENERAL This section is extracted from instruction manual. 1. GENERAL ·········································································· 2 2. SERVICE NOTE ······························································· 3 3. DISASSEMBLY 3-1. Main Assembly ······························································ 4 3-2. Chassis Sub Assy ··························································· 5 3-3. Main Board and Mechanism Deck ································ 5 3-4. Belt ················································································ 6 3-5. Head, Magnetic (HP901)··············································· 6 4. MECHANICAL ADJUSTMENT ·································· 7 5. ELECTRICAL ADJUSTMENT ···································· 7 6. DIAGRAMS 6-1. IC Block Diagrams ······················································ 10 6-2. Block Diagram ···························································· 11 6-3. Schematic Diagram ····················································· 13 6-4. Printed Wiring Board··················································· 15 6-5. IC Pin Function Description ········································ 17 7. MEXPLODED VIEWS 7-1. Cabinet Assy Section ··················································· 18 7-2. Main Board Section ····················································· 19 7-3. Mechanism Deck Section-1 (MF-WMFS420-114) ·················································· 20 7-4. Mechanism Deck Section-2 (MF-WMFS420-114) ·················································· 21 8. ELECTRICAL PPARTS LIST ···································· 22 www. xiaoyu163. com QQ 376315150 9 9 2 8 9 4 2 9 8 TEL 13942296513 9 9 2 8 9 4 2 9 8 0 5 1 5 1 3 6 7 3 Q Q TEL 13942296513 QQ 376315150 892498299 TEL 13942296513 QQ 376315150 892498299 http://www.xiaoyu163.com — 3 — SECTION 2 SERVICE NOTE WATER PROOF SECTION Note : In case the parts in the figure are removed for repair, treat them to protect from water drop following the instructions in the figure (spread grease, bond etc.) • Sony grease SGL-601 : 7-651-000-10 Tapping screw (B)(1.4 × 4) Tapping screw (B)(1.4 × 4) Joint (AVLS) Joint (VOL) Knob (Hold) Knob (Vol) Ring. O (Apply sony grease: SGL-601) Ring (Dia. 2.5 × Dia. 4.5). O (Apply sony grease: SGL-601) www. xiaoyu163. com QQ 376315150 9 9 2 8 9 4 2 9 8 TEL 13942296513 9 9 2 8 9 4 2 9 8 0 5 1 5 1 3 6 7 3 Q Q TEL 13942296513 QQ 376315150 892498299 TEL 13942296513 QQ 376315150 892498299 http://www.xiaoyu163.com — 4 — SECTION 3 DISASSEMBLY Note : Follow the disassembly procedure in the numerical order given. Set Main Assembly Chassis Sub Assy Main Board and Mechanism Deck Belt Head, Magnetic (HP901) Note : Disassemble the unit in the order as shown below. 3-1. MAIN ASSEMBLY 6 Remve the main assembly in the direction of arrow. (Be careful not to focibly pull the wire that connects the main board and the headphone board.) 7 Remove the headphone borad in the direction of arrow. 1 Stop ring (E 1.2) 5 Two screws (+B1.7 × 7) 3 Screw, tapping 2 Screw, tapping 4 Cassette sub assembly, holder CAUTION WHEN ASSEMBLING THE MAIN ASSEMBLY • Assemble the main assembly in a way that each switch mates with the corresponding knob each other. DIR switch (S301) POWER switch (S303) DX/LOCAL switch (S304) Volume (RV301) www. xiaoyu163. com QQ 376315150 9 9 2 8 9 4 2 9 8 TEL 13942296513 9 9 2 8 9 4 2 9 8 0 5 1 5 1 3 6 7 3 Q Q TEL 13942296513 QQ 376315150 892498299 TEL 13942296513 QQ 376315150 892498299 http://www.xiaoyu163.com — 5 — 3-2. CHASSIS SUB ASSY Main board 2 Knob (DX-Local) 1 Two claws 3 Chassis sub assy 3-3. MAIN BOARD AND MECHANISM DECK 3 Screw (M1.4 ) Toothed Lock 1 Remove the solder (fouf points) 5 Stopper (MD) 4 Main board 2 Remove the solder 6 Mechanism deck www. xiaoyu163. com QQ 376315150 9 9 2 8 9 4 2 9 8 TEL 13942296513 9 9 2 8 9 4 2 9 8 0 5 1 5 1 3 6 7 3 Q Q TEL 13942296513 QQ 376315150 892498299 TEL 13942296513 QQ 376315150 892498299 http://www.xiaoyu163.com — 6 — 3-4. BELT Reel/Capstan motor Capstan wheel assy(SP) Capstan wheel assy(SP) Belt threading Belt Belt 3-5. HEAD, MAGNETIC (HP901) 1 Two screws (M1.4) 2 Head, magnetic (HP901) www. xiaoyu163. com QQ 376315150 9 9 2 8 9 4 2 9 8 TEL 13942296513 9 9 2 8 9 4 2 9 8 0 5 1 5 1 3 6 7 3 Q Q TEL 13942296513 QQ 376315150 892498299 TEL 13942296513 QQ 376315150 892498299 http://www.xiaoyu163.com — 7 — SECTION 4 MECHANICAL ADJUSTMENT SECTION 5 ELECTRICAL ADJUSTMENT PRECAUTION 1. Clean the following parts with a denatured-alcohol-moistened swab: playback head pinch roller rubber belts capstan 2. Do not use a magnetized screwdriver for the adjustments. Torque Measurement Mode FWD FWD Back Tension FF, REW Torque Meter CQ-102C CQ-102C CQ-201B Meter Reading 20 to 42 g•cm (0.27 to 0.58 oz•inch) More than 2.0 g•cm (More than 0.027 oz•inch) More than 50 g•cm (More than 0.69 oz•inch) TAPE SECTION Signal 3 kHz, 0 dB Used for Tape speed adjustment Tape WS-48A Test Tape Tape Speed Adjustment Procedure: Mode: Playback Adjustment Value: normal tape speed Adjust the tape speed adjustment RV601, so that the freqency counter reading becomes 3,000Hz. Specification Value: Frequency difference between the beginning and the end of the tape should be within 1.5 % (45 Hz). Adjustment Location: Test tape WS-48A (3 kHz, 0 dB) Set J301 (phones) 16 Ω digital frequency counter + – Digital frequency counter 2,970 to 3,030 Hz 0 dB = 0.775 V RV601 www. xiaoyu163. com QQ 376315150 9 9 2 8 9 4 2 9 8 TEL 13942296513 9 9 2 8 9 4 2 9 8 0 5 1 5 1 3 6 7 3 Q Q TEL 13942296513 QQ 376315150 892498299 TEL 13942296513 QQ 376315150 892498299 http://www.xiaoyu163.com — 8 — • Switch Location VOLUME : MAX MEGA BASS : OFF AVLS : NORMAL [AM Tracking Adjustment] BAND: AM Signal generator [FM Tracking Adjustment] BAND : FM Signal generator AM TRACKING ADJUSTMENT Adjust for maximum reading on level meter. L1 620 kHz CT1 1,400 kHz TUNER SECTION Put the lead-wire antenna close to the set. 30 % amplitude modulation by 400 Hz signal. Output level : as low as possible AM RF signal generator 0.01 µF FM RF signal generator FM IN point (TP22) 75 kHz(100 %) amplitude modulation by 1kHz signal. Output level: as low as possible 16 Ω set level meter J301 (phones) • Repeat the procedures in each adjustment several times for the maximum level meter indication. • The frequency coverage and tracking adjustments should be finally done by the trimmer capacitors. AM FREQUENCY COVERAGE ADJUSTMENT Adjust for a 1.1V ± 0.1Vde reading on digital voltmeter L2 530 kHz AM IF ADJUSTMENT Adjust for a maximum reading on level meter. T1 450 kHz FM TRACKING ADJUSTMENT Adjust for maximum reading on level meter. L3 86.5 MHz CT2 109.5 MHz FM FREQUENCY COVERAGE ADJUSTMENT Adjust for a 2.5V ± 0.1Vde reading on digital voltmeter L4 87.5 MHz Adjustment Location: Main board (See page 9) 0 dB = 1 µV + – digital voltmeter TP30(VT) (GND) MAIN board [AM Frequency Coverage Adjustment] [FM Frequency Coverage Adjustment] + – digital voltmeter TP30(VT) (GND) MAIN board www. xiaoyu163. com QQ 376315150 9 9 2 8 9 4 2 9 8 TEL 13942296513 9 9 2 8 9 4 2 9 8 0 5 1 5 1 3 6 7 3 Q Q TEL 13942296513 QQ 376315150 892498299 TEL 13942296513 QQ 376315150 892498299 http://www.xiaoyu163.com — 9 — [MAIN BOARD] — Component side — — Conductor side — CT1 L1 AM Tracking Adjustment T1 AM IF Adjustment CT2 L3 FM Tracking Adjustment L4 FM Frequency Coverage Adjustment L2 AM Frequency Coverage Adjustment TP22 FM IN TP30 VT www. xiaoyu163. com QQ 376315150 9 9 2 8 9 4 2 9 8 TEL 13942296513 9 9 2 8 9 4 2 9 8 0 5 1 5 1 3 6 7 3 Q Q TEL 13942296513 QQ 376315150 892498299 TEL 13942296513 QQ 376315150 892498299 http://www.xiaoyu163.com — 10 — SECTION 6 DIAGRAMS 6-1. IC BLOCK DIAGRAMS IC1 TA2111F-(EL) IC301 LB8115W-NA-TLM 24 23 22 21 20 19 18 17 16 15 14 11 10 9 8 7 6 5 4 3 2 1 12 13 AM MIX FM MIX AM OSC FM OSC AF BUFF AM DET FM IF AM IF LEVEL DET FM DET TUN LED ST LED AGC FM RF FM RF IN RF GND MIX OUT AGC VCC GND TUN LED ST LED QUAD AM LOW CUT AM IF IN FM IF IN FM MUTE ST/MO FM/AM AF VCO DECODE DIVIDE AM RF IN FM RF OUT FM OSC AM OSC AFC LPF2 LPF1 L-OUT R-OUT RF VCC DET OUT MPX IN 1 2 36 35 34 33 32 31 30 29 28 27 26 25 13 14 15 16 17 18 19 20 21 22 23 24 48 47 46 45 44 43 42 41 40 39 38 37 COM RI VREF POWER OUTC POWER OUT2 VCC POWER MUTE POWER IN1 POWER IN2 MIX OUT1 MIX OUT2 LP.2 R. P2 R.P1 DET OUT MVREF IN+ VSP LOW BOOST IN2 LOW BOOST IN1 LOW BOOST SW M-GND R.VREF PRE MUTE SW (FWD/REW) POWER OUT1 POWER GND MVCC DR WOUT MP-GND VOUT UOUT FC OUT OSC UB VB WB 3 4 5 6 7 8 9 10 11 12 PRE NF1 PRE OUT2 PRE NF2 PRE FWD IN2 PRE REV IN2 PRE REV IN1 PRE FWD IN1 S/S PRE GND PRE OUT1 BIAS R.F REF SYS CONT DET VREF SPEED LOW BOOST PRE DRIVER OPERATION LOGIC OSC PLUSE DET REF VOLTAGE REF VOLTAGE FOR SPEED CONTROL CURRENT DET OPERATION DET FWD/ REV FREQ CARC. + – www. xiaoyu163. com QQ 376315150 9 9 2 8 9 4 2 9 8 TEL 13942296513 9 9 2 8 9 4 2 9 8 0 5 1 5 1 3 6 7 3 Q Q TEL 13942296513 QQ 376315150 892498299 TEL 13942296513 QQ 376315150 892498299 http://www.xiaoyu163.com WM-FS420/FS420RS 6-2. BLOCK DIAGRAM KEY MATRIX LP1 X OUT 1 ND701 LIQUID CRYTAL DISPLAY STEREO DX NORMAL LOCAL MONO METAL VCC S304 B.P.F FM RF L3 D2 CT2 FM RF OUT 23 VCC2 6 VCC1 21 TUNER +B Q1 LOCAL /DX US,CND,MX MODEL FL1 FM RF IN 1 FM OSC L4 D1 FM OSC 21 AM OSC 20 AM OSC L2 AM ANT L1 CT1 AM RF IN 24 4 MIX OUT CF1 10.7MHz CF2 450kHz T1 FM IF IN 8 AM IF IN 7 FM/AM RF,IF AMP DET,MPX IC1 MPX IN 17 18 DET OUT 14 L OUT 13 R OUT 12 QUAD X1 10.7MHz 10 TUN LED 15 LP2 16 Q6 Q5 MONO/ST Q3 BAND AEP,E MODEL REV L R FWD L R HEAD PLAYBACK V REF R-L 10 R-R 12 F-L 9 F-R 11 V REF 13 5 PRE OUT(L) 7 PRE OUT(R) MIX IN(L) 30 H.PIN(L) 28 PRE NF(L) 6 MIX IN(R) 29 H.PIN(R) 27 PRE NF(R) 8 Q201 Q101 24 MIX OUT(L) IC301 PRE POWER AMP Q102 P IN(L) 22 25 MIX OUT(R) Q202 P IN(R) 23 V REF AVLS NORM LIMIT S302 VCC IN+ 35 M VREF 34 TAPE SPEED RV601 TH601 VOLUME RV301 i J301 16 P OUT(L) 20 P OUT(R) 18 P COM 39 U OUT 40 V OUT 41 W OUT M601 REEL/CAPSTAN MOTOR : FM • Signal Path : PB Q2 BUFFER FM IN 56 11 BAND 29 SD AM IN 57 A OUT 61 A IN 60 EO 59 IC701 DTS 13 MEGA BASS 20 BEEP 32 (TAPE POWER) DRY BATTRY SIZE "AA" (IEC DESIGNATION R6) 2PCS 3V S303 POWER MUTE Q301 POWER SWITCH Q503 RIPPLE FILTER Q501,502 TUNER +B POWER SWITCH Q92 TUNER +B SWITCH Q91 VCC Q302 DIR TUNER +B PRE MUTE Q303 D301 (DIR) S301 POWER MUTE Q304 L.B SV 3 S/S 21 POWER MUTE 55 VDD +1.5V REG. 2 3 IC702 1 D701 22 REF VOLTAGE 27 MUTE OUT 25 RADIO ON 17 TAPE IN X IN 64 X701 75kHz 10 8 6 3 PA0 PA3 PB0 PB2 48 45 COM1 COM4 44 30 S1 S15 S702-711 16 TUNER +B D3 TUNER +B TUNER +B HP901 L3, CT2 FM TRACKING L4 FM FREQ. COVERAGE L2 AM FREQ. COVERAGE L1, CT1 AM TRACKING — 11 — — 12 — • Abbreviation CND : Canadian model MX : Mexican model w w w . x i a o y u 1 6 3 . c o m Q Q 3 7 6 3 1 5 1 5 0 9 9 2 8 9 4 2 9 8 T E L 1 3 9 4 2 2 9 6 5 1 3 9 9 2 8 9 4 2 9 8 0 5 1 5 1 3 6 7 3 Q Q TEL 13942296513 QQ 376315150 892498299 TEL 13942296513 QQ 376315150 892498299 http://www.xiaoyu163.com WM-FS420/FS420RS 6-3. SCHEMATIC DIAGRAM 1.7 1.7 0 0.6 0 0.1 0.6 0.6 2.6 (2.1) (2.8) (2.8) (2.9) *3: C40 68P: FS420RS 100P: FS420 *3 *2: R107, R207 220: FS420RS 150: FS420 *2 *2 2.1Vp-p 13.3µsec 500mV/div 5µsec/div +1.5V REG. — 13 — — 14 — Note on Schematic Diagram: • All capacitors are in µF unless otherwise noted. pF: µµF 50 WV or less are not indicated except for electrolytics and tantalums. • All resistors are in Ω and 1/4 W or less unless otherwise specified. • C : panel designation. • U : B+ Line. • H : adjustment for repair. • Power voltage is dc 3 V and fed with regulated dc power supply from battery terminal. • Voltages are dc with respect to ground under no-signal (detuned) conditions. no mark : PB ( ) : FM < > : AM • Voltages are taken with a VOM (Input impedance 10 MΩ). Voltage variations may be noted due to normal produc- tion tolerances. • Signal path. F : FM f : AM E : PB • Abbreviation CND : Canadian model MX : Mexican model • Refer to page 10 for IC Block Diagrams. • Refer to page 17 for IC Pin Function. w w w . x i a o y u 1 6 3 . c o m Q Q 3 7 6 3 1 5 1 5 0 9 9 2 8 9 4 2 9 8 T E L 1 3 9 4 2 2 9 6 5 1 3 9 9 2 8 9 4 2 9 8 0 5 1 5 1 3 6 7 3 Q Q TEL 13942296513 QQ 376315150 892498299 TEL 13942296513 QQ 376315150 892498299 http://www.xiaoyu163.com WM-FS420/FS420RS 6-4. PRINTED WIRING BOARD — 15 — — 16 — Note on Printed Wiring Board: • X : parts extracted from the component side. • Y : parts extracted from the conductor side. • b : Pattern from the side which enables seeing. • Abbreviation CND : Canadian model MX : Mexican model Ref. No. Location D1 F-1 D2 F-2 D3 F-2 D301 E-7 D701 B-1 D705 D-9 D706 D-9 IC1 F-3 IC301 B-3 IC701 D-8 IC702 D-3 Q1 G-3 Q2 E-2 Q3 F-8 Q5 F-8 Q6 F-7 Q91 E-9 Q92 E-9 Q101 C-3 Q102 A-7 Q201 C-3 Q202 A-7 Q301 B-7 Q302 E-7 Q303 E-7 Q304 C-7 Q501 B-9 Q502 B-9 Q503 C-8 • Semiconductor Location FWD S301 S303 TP30 TP22 1 2 A B C D E F G 3 4 5 6 7 8 9 16 w w w . x i a o y u 1 6 3 . c o m Q Q 3 7 6 3 1 5 1 5 0 9 9 2 8 9 4 2 9 8 T E L 1 3 9 4 2 2 9 6 5 1 3 9 9 2 8 9 4 2 9 8 0 5 1 5 1 3 6 7 3 Q Q TEL 13942296513 QQ 376315150 892498299 TEL 13942296513 QQ 376315150 892498299 http://www.xiaoyu163.com 6-5. IC PIN FUNCTION DESCRIPTION • MAIN BOARD IC701 (DTC) LC72348W-9906 — 17 — — 18 — Pin No. 1 2 3 – 6 7 – 10 11 12 13 14 15 16 17 18 19 20 21 22 23 24 25 26 27 28 29 30 – 44 45 – 48 49 – 52 53 54 55 56 57 58 59 60 61 62 63 64 Description Crystal output GND Key input Key output Band output Not used MEGA BASS ON/OFF control Not used Destination selection input Destination selection input TAPE input IBackup input during halt Backup output Beep output Backup input POWER CHECK input (A/D) Backlight key input RADIO ON/OFF CONTROL HOLDKey input Mute output TAPE/radio selector otput SD input Segment output Common output LCD power supply Reset input DC output to tuning voltage gen. Circuit Positive polarity Input to FM system Input to AM system GND Error output LPF input LPF output GND GND Input to crystal Pin Name XOUT TEST2 PA3 – 0 PB3 – 0 BAND N.C MEGA BASS N.C INIT2 INIT1 TAPE IN BATT CHECK LED CONTROL BEEP BACK UP REF VOLTAGE N.C Vss RADIO ON HOLD MUTE OUT N.C SD S15 – 1 COM4 – 1 DBR4 – 1 BRES DDC Vdd FMIN AMIN Vss EO AIN AOUT AGND TEST1 XIN I/O O I I O O — O — I I I I O O I I I — O I O O I O O — I O — I I — O I O — I I SECTION 7 EXPLODED VIEWS NOTE: • -XX, -X mean standardized parts, so they may have some differences from the original one. • Items marked “*” are not stocked since they are seldom required for routine service. Some delay should be anticipated when ordering these items. • The mechanical parts with no reference number in the exploded views are not supplied. • Hardware (# mark) list and accessories and packing materials are given in the last of this parts list. 7-1. CABINET ASSY SECTION #1 #2 ND701 6 4 10 18 15 22 9 8 2 1 3 17 16 14 12 13 21 19 23 20 24 21 4 11 7 25 26 @ 5 not supplied @ @ @ Ref. No. Part No. Description Remarks Ref. No. Part No. Description Remarks 1 3-042-884-01 BUCKLE 2 3-042-890-01 SHAFT(BUCKLE) 3 3-042-885-01 PLATE, LOCK 4 3-318-203-62 SCREW(B1.7X4), TAPPING 5 3-009-870-01 ROLLER (BUCKLE) 6 3-025-316-01 SHAFT(ROLLER) 7 3-012-927-01 RING,O 8 3-042-881-01 KNOB(VOL) 9 3-042-880-01 KNOB(HOLD) 10 3-042-880-11 KNOB(HOLD) 11 3-326-560-02 RING(DIA. 2.5XDIA. 4.5), O 12 3-934-023-01 JOINT (VOL) 13 3-318-201-51 SCREW (B) (1.4X4), TAPPING * 14 1-675-511-11 HEADPHONE BOARD 15 3-032-162-01 JOINT (AVLS) 16 3-818-201-51 SCREW (B) (1.4X4), TAPPING 17 3-922-447-11 PACKING, DC JACK 18 3-386-371-11 PACKING, HP JACK 19 3-318-203-62 SCREW (B1.7X4), TAPPING 20 X-3369-989-1 ARM ASSY 21 3-386-373-01 SCREW, TAPPING 22 X-3378-400-1 CASSETTE SUB ASSY, HOLDER 23 3-318-203-82 SCREW (B1.7X7), TAPPING 24 3-042-917-01 BELT 25 3-042-891-01 HOLDER, LCD 26 3-030-056-01 RUBBER, CONDUCTIVE ND701 1-803-305-11 DISPLAY PANEL, LIQUID CRYSTAL w w w . x i a o y u 1 6 3 . c o m Q Q 3 7 6 3 1 5 1 5 0 9 9 2 8 9 4 2 9 8 T E L 1 3 9 4 2 2 9 6 5 1 3 9 9 2 8 9 4 2 9 8 0 5 1 5 1 3 6 7 3 Q Q TEL 13942296513 QQ 376315150 892498299 TEL 13942296513 QQ 376315150 892498299 http://www.xiaoyu163.com — 19 — 7-2. MAIN BOARD SECTION L1 63 62 60 54 55 59 52 56 51 53 57 58 MF-WMFS420-114 #3 64 65 66 Ref. No. Part No. Description Remarks Ref. No. Part No. Description Remarks 51 3-934-020-41 LID,BATTERY CASE 52 3-028-087-01 SPRING, TORSION 53 3-318-203-82 SCREW (B1.7X7), TAPPING 54 3-934-005-01 KNOB(DX-LOCAL) 55 X-3378-377-1 CHASSIS ASSY (US,CND,MX) 55 X-3378-401-1 CHASSIS ASSY (E,AEP) 56 3-042-871-01 BUTTON (REW) 57 3-042-869-01 BUTTON (PLAY) 58 3-042-870-01 BUTTON (FF) 59 3-042-868-01 BUTTON (STOP) 60 3-042-892-01 STOPPER (MD) 62 3-015-285-01 SCREW (M1.4),TOOTHED LOCK 63 A-3021-315-A MAIN BOARD, COMPLETE (US,CND,MX) 63 A-3021-317-A MAIN BOARD, COMPLETE (AEP) 63 A-3021-318-A MAIN BOARD, COMPLETE (E) 64 3-934-024-01 JOINT (VOL.B) 65 3-042-872-01 TERMINAL (+), BATTERY 66 3-042-873-01 SPRING, BATTERY COIL L1 1-754-096-11 ANTENNA, FERRITE-ROD (MW) www. xiaoyu163. com QQ 376315150 9 9 2 8 9 4 2 9 8 TEL 13942296513 9 9 2 8 9 4 2 9 8 0 5 1 5 1 3 6 7 3 Q Q TEL 13942296513 QQ 376315150 892498299 TEL 13942296513 QQ 376315150 892498299 http://www.xiaoyu163.com — 20 — 7-3. MECHANISM DECK SECTION-1 (MF-WMFS420-114) 206 205 207 208 203 202 204 201 M601 HP901 Ref. No. Part No. Description Remarks Ref. No. Part No. Description Remarks 201 3-938-657-01 BELT 202 3-920-997-01 SPRING (PINCH R) 203 X-3369-748-1 PINCH LEVER (R) ASSY 204 3-703-816-31 SCREW (M1.4), SPECIAL HEAD 205 3-019-776-03 GEAR (REEL-S) 206 3-704-197-71 SCREW (M1.4) 207 X-3369-749-1 PINCH LEVER (N) ASSY 208 3-920-996-01 SPRING (PINCH N) HP901 1-500-648-11 HEAD, MAGNETIC (PLAYBACK) M601 1-763-073-11 MOTOR (REEL/CAPSTAN)(WITH PULLEY) www. xiaoyu163. com QQ 376315150 9 9 2 8 9 4 2 9 8 TEL 13942296513 9 9 2 8 9 4 2 9 8 0 5 1 5 1 3 6 7 3 Q Q TEL 13942296513 QQ 376315150 892498299 TEL 13942296513 QQ 376315150 892498299 http://www.xiaoyu163.com — 21 — 7-4. MECHANISM DECK SECTION-2 (MF-WMFS420-114) 257 258 253 262 263 264 265 266 267 268 269 270 251 252 261 260 259 255 254 256 Ref. No. Part No. Description Remarks Ref. No. Part No. Description Remarks 251 3-921-797-01 WASHER 252 3-938-628-01 SPRING (PLAY-CP) 253 3-019-773-01 GEAR (AS) 254 3-021-786-01 LEVER (FS), D SELECTION 255 3-929-419-01 LEVER (BR), DETECTION 256 3-920-994-11 SPRING (D SELECTION) 257 X-3374-598-1 CLUTCH ASSY (S) 258 3-929-419-01 LEVER (BR), DETECTION 259 3-025-454-01 SPRING (SW-S) 260 3-022-093-01 SPRING (FR-S) 261 3-022-094-01 SPRING (STOP-S) 262 3-728-091-01 WASHER, STOPPER 263 3-019-778-01 SLEEVE (MS) 264 3-921-335-03 WASHER, LEVER 265 3-920-990-02 SPRING (UD), COMPRESSION 266 3-019-774-01 GEAR (BS) 267 X-3372-619-1 WHEEL ASSY (SP), CAPSTAN 268 3-019-775-01 GEAR (DS) 269 3-933-324-01 SPRING (FR LEVER) 270 X-3378-364-1 CHASSIS ASSY (GL/LS-99) www. xiaoyu163. com QQ 376315150 9 9 2 8 9 4 2 9 8 TEL 13942296513 9 9 2 8 9 4 2 9 8 0 5 1 5 1 3 6 7 3 Q Q TEL 13942296513 QQ 376315150 892498299 TEL 13942296513 QQ 376315150 892498299 http://www.xiaoyu163.com NOTE: • Due to standardization, replacements in the parts list may be different from the parts specified in the diagrams or the components used on the set. • -XX, -X mean standardized parts, so they may have some difference from the original one. • Items marked “*” are not stocked since they are seldom required for routine service. Some delay should be anticipated when ordering these items. • CAPACITORS: uF: µF • RESISTORS All resistors are in ohms. METAL: metal-film resistor METAL OXIDE: Metal Oxide-film resistor F: nonflammable • COILS uH: µH • Abbreviation CND: Canadian model MX: Mexican model • SEMICONDUCTORS In each case, u: µ, for example: uA...: µA... , uPA... , µPA... , uPB... , µPB... , uPC... , µPC... , uPD..., µPD... When indicating parts by reference number, please include the board name. Ref. No. Part No. Description Remarks Ref. No. Part No. Description Remarks — 22 — SECTION 8 ELECTRICAL PARTS LIST A-3021-315-A MAIN BOARD, COMPLETE (US,CND,MX) ********************* A-3021-318-A MAIN BOARD, COMPLETE (E) ********************* A-3021-317-A MAIN BOARD, COMPLETE (AEP) ********************* 3-030-056-01 RUBBER, CONDUCTIVE 3-042-872-01 TERMINAL (+), BATTERY 3-042-873-01 SPRING, BATTERY COIL 3-042-891-01 HOLDER, LCD 7-627-850-67 SCREW,PRECISION +P 1.4X4 < CAPACITOR > C1 1-164-315-11 CERAMIC CHIP 470PF 5.00% 50V C2 1-164-315-11 CERAMIC CHIP 470PF 5.00% 50V C3 1-115-416-11 CERAMIC CHIP 1000PF 5.00% 25V (US,CND,MX) C4 1-162-908-11 CERAMIC CHIP 3PF 0.25PF 50V C5 1-115-156-11 CERAMIC CHIP 1uF 10V C6 1-162-970-11 CERAMIC CHIP 0.01uF 10% 25V C8 1-162-970-11 CERAMIC CHIP 0.01uF 10% 25V C9 1-163-263-11 CERAMIC CHIP 330PF 5.00% 50V C10 1-162-974-11 CERAMIC CHIP 0.01uF 50V C11 1-162-927-11 CERAMIC CHIP 100PF 5% 50V C12 1-162-908-11 CERAMIC CHIP 3PF 0.25PF 50V C13 1-115-416-11 CERAMIC CHIP 1000PF 5.00% 25V C16 1-115-416-11 CERAMIC CHIP 1000PF 5.00% 25V C17 1-162-917-11 CERAMIC CHIP 15PF 5% 50V C18 1-162-908-11 CERAMIC CHIP 3PF 0.25PF 50V C19 1-115-156-11 CERAMIC CHIP 1uF 10V C20 1-162-964-11 CERAMIC CHIP 0.001uF 10% 50V C21 1-162-974-11 CERAMIC CHIP 0.01uF 50V C22 1-164-156-11 CERAMIC CHIP 0.1uF 25V C23 1-115-156-11 CERAMIC CHIP 1uF 10V C24 1-164-156-11 CERAMIC CHIP 0.1uF 25V C25 1-164-245-11 CERAMIC CHIP 0.015uF 10.00% 25V (US,CND,MX) C25 1-162-970-11 CERAMIC CHIP 0.01uF 10% 25V (E,AEP) C26 1-164-245-11 CERAMIC CHIP 0.015uF 10.00% 25V (US,CND,MX) C26 1-162-970-11 CERAMIC CHIP 0.01uF 10% 25V (E,AEP) C27 1-165-128-11 CERAMIC CHIP 0.22uF 16V C28 1-165-128-11 CERAMIC CHIP 0.22uF 16V C29 1-162-638-11 CERAMIC CHIP 1uF 16V C30 1-124-433-00 ELECT 100uF 20.00% 4V C31 1-126-163-11 ELECT 4.7uF 20% 50V C32 1-113-619-11 CERAMIC CHIP 0.47uF 10V C33 1-115-416-11 CERAMIC CHIP 1000PF 5.00% 25V C34 1-115-416-11 CERAMIC CHIP 1000PF 5.00% 25V C35 1-115-416-11 CERAMIC CHIP 1000PF 5.00% 25V C36 1-162-917-11 CERAMIC CHIP 15PF 5% 50V C37 1-162-927-11 CERAMIC CHIP 100PF 5% 50V C38 1-162-927-11 CERAMIC CHIP 100PF 5% 50V C40 1-162-927-11 CERAMIC CHIP 100PF 5% 50V C41 1-162-927-11 CERAMIC CHIP 100PF 5% 50V C101 1-162-961-11 CERAMIC CHIP 330PF 10% 50V C102 1-162-961-11 CERAMIC CHIP 330PF 10% 50V C103 1-162-968-11 CERAMIC CHIP 0.0047uF 10% 50V C104 1-128-015-11 ELECT CHIP 22uF 20.00% 4V C105 1-115-156-11 CERAMIC CHIP 1uF 10V C106 1-162-964-11 CERAMIC CHIP 0.001uF 10% 50V C107 1-115-156-11 CERAMIC CHIP 1uF 10V C108 1-162-964-11 CERAMIC CHIP 0.001uF 10% 50V C201 1-162-961-11 CERAMIC CHIP 330PF 10% 50V C202 1-162-961-11 CERAMIC CHIP 330PF 10% 50V C203 1-162-968-11 CERAMIC CHIP 0.0047uF 10% 50V C204 1-128-015-11 ELECT CHIP 22uF 20.00% 4V C205 1-115-156-11 CERAMIC CHIP 1uF 10V C206 1-162-964-11 CERAMIC CHIP 0.001uF 10% 50V C207 1-115-156-11 CERAMIC CHIP 1uF 10V C208 1-162-964-11 CERAMIC CHIP 0.001uF 10% 50V C301 1-124-433-00 ELECT 100uF 20.00% 4V C302 1-115-156-11 CERAMIC CHIP 1uF 10V C303 1-164-156-11 CERAMIC CHIP 0.1uF 25V C304 1-164-156-11 CERAMIC CHIP 0.1uF 25V C305 1-126-153-11 ELECT 22uF 20% 6.3V C306 1-115-156-11 CERAMIC CHIP 1uF 10V C307 1-117-863-11 CERAMIC CHIP 0.47uF 10.00% 6.3V C308 1-164-361-11 CERAMIC CHIP 0.047uF 16V C309 1-164-492-11 CERAMIC CHIP 0.15uF 10.00% 16V C310 1-126-162-11 ELECT 3.3uF 20% 50V C311 1-163-059-00 CERAMIC CHIP 0.01uF 10% 50V C312 1-115-156-11 CERAMIC CHIP 1uF 10V C313 1-115-156-11 CERAMIC CHIP 1uF 10V C314 1-164-492-11 CERAMIC CHIP 0.15uF 10.00% 16V C315 1-107-826-11 CERAMIC CHIP 0.1uF 10.00% 16V C501 1-126-153-11 ELECT 22uF 20% 6.3V C502 1-162-964-11 CERAMIC CHIP 0.001uF 10% 50V C601 1-162-970-11 CERAMIC CHIP 0.01uF 10% 25V C602 1-115-467-11 CERAMIC CHIP 0.22uF 10.00% 10V C603 1-165-176-11 CERAMIC CHIP 0.047uF 10.00% 16V MAIN www. xiaoyu163. com QQ 376315150 9 9 2 8 9 4 2 9 8 TEL 13942296513 9 9 2 8 9 4 2 9 8 0 5 1 5 1 3 6 7 3 Q Q TEL 13942296513 QQ 376315150 892498299 TEL 13942296513 QQ 376315150 892498299 http://www.xiaoyu163.com Ref. No. Part No. Description Remarks Ref. No. Part No. Description Remarks — 23 — C604 1-165-176-11 CERAMIC CHIP 0.047uF 10.00% 16V C605 1-165-176-11 CERAMIC CHIP 0.047uF 10.00% 16V C606 1-117-863-11 CERAMIC CHIP 0.47uF 10.00% 6.3V C607 1-135-187-21 TANTAL. CHIP 2.2uF 20.00% 4V C608 1-162-974-11 CERAMIC CHIP 0.01uF 50V C701 1-124-434-00 ELECT 220uF 20.00% 4V C702 1-104-483-11 ELECT 470uF 20.00% 4V C703 1-162-912-11 CERAMIC CHIP 7PF 0.5PF 50V C704 1-162-912-11 CERAMIC CHIP 7PF 0.5PF 50V C705 1-115-416-11 CERAMIC CHIP 1000PF 5.00% 25V C706 1-117-863-11 CERAMIC CHIP 0.47uF 10.00% 6.3V C707 1-115-416-11 CERAMIC CHIP 1000PF 5.00% 25V C708 1-162-927-11 CERAMIC CHIP 100PF 5% 50V C709 1-124-433-00 ELECT 100uF 20.00% 4V C710 1-107-826-11 CERAMIC CHIP 0.1uF 10.00% 16V C711 1-115-467-11 CERAMIC CHIP 0.22uF 10.00% 10V C712 1-115-467-11 CERAMIC CHIP 0.22uF 10.00% 10V C713 1-115-467-11 CERAMIC CHIP 0.22uF 10.00% 10V C714 1-107-826-11 CERAMIC CHIP 0.1uF 10.00% 16V C715 1-163-059-00 CERAMIC CHIP 0.01uF 10% 50V C716 1-165-176-11 CERAMIC CHIP 0.047uF 10.00% 16V C717 1-162-974-11 CERAMIC CHIP 0.01uF 50V C718 1-164-505-11 CERAMIC CHIP 2.2uF 16V < FILTER > CF1 1-781-137-11 FILTER ASSY, CERAMIC CF2 1-781-344-21 FILTER, AM CERAMIC < TRIMMER > CT1 1-141-422-11 CAP, ADJ 10PF CT2 1-141-422-11 CAP, ADJ 10PF < DIODE > D1 8-719-076-70 DIODE KV1520TL00 D2 8-719-053-30 DIODE MA357(E)-(TX).SO D3 8-719-053-30 DIODE MA357(E)-(TX).SO D301 8-719-073-01 DIODE MA111-TX D701 8-719-049-09 DIODE 1SS367-T3SONY D705 8-719-158-49 DIODE MA8120-TX D706 8-719-049-09 DIODE 1SS367-T3SONY < FERRITE BEAD > FB101 1-414-760-21 FERRITE 0uH FB201 1-414-760-21 FERRITE 0uH FB301 1-414-813-11 FERRITE 0uH < FILTER > FL1 1-236-711-21 FILTER, BAND PASS < IC > IC1 8-759-493-20 IC TA2111F-(EL) IC301 8-759-665-91 IC LB8115W-NA-TLM IC701 8-759-664-41 IC LC72348W-9906 IC702 8-759-469-63 IC S-81215SGUP-DQK-T1 < JUMPER > JC1 1-216-296-91 SHORT 0 JC2 1-216-296-91 SHORT 0 JC302 1-216-864-11 METAL CHIP 0 5% 1/16W JC303 1-216-864-11 METAL CHIP 0 5% 1/16W JC701 1-216-864-11 METAL CHIP 0 5% 1/16W JC703 1-216-864-11 METAL CHIP 0 5% 1/16W < COIL > L1 1-754-096-11 ANTENNA, FERRITE-ROD (MW) L2 1-419-520-11 COIL (OSC) L3 1-416-528-21 COIL, AIR-CORE L4 1-416-449-11 COIL, AIR-CORE L701 1-412-995-21 INDUCTOR 22uH L702 1-412-033-11 INDUCTOR CHIP 220uH < FLUORESCENT INDICATOR > ND701 1-803-305-11 DISPLAY PANEL, LIQUID CRYSTAL < TRANSISTOR > Q1 8-729-602-21 TRANSISTOR 2SC4154TP-1EF (US,CND,MX) Q2 8-729-117-73 TRANSISTOR 2SC4178-T1F14 Q3 8-729-028-76 TRANSISTOR RN2307-TE85L Q5 8-729-028-76 TRANSISTOR RN2307-TE85L (E,AEP) Q6 8-729-014-12 TRANSISTOR RN1311-TE85L (E,AEP) Q91 8-729-230-60 TRANSISTOR 2SA1586YG-TE85L Q92 8-729-014-12 TRANSISTOR RN1311-TE85L Q101 8-729-421-26 TRANSISTOR RN1310-TE85L Q102 8-729-013-37 TRANSISTOR 2SC4213-AB-TE85L Q201 8-729-421-26 TRANSISTOR RN1310-TE85L Q202 8-729-013-37 TRANSISTOR 2SC4213-AB-TE85L Q301 8-729-028-99 TRANSISTOR RN1307-TE85L Q302 8-729-028-99 TRANSISTOR RN1307-TE85L Q303 8-729-230-60 TRANSISTOR 2SA1586YG-TE85L Q304 8-729-014-12 TRANSISTOR RN1311-TE85L Q501 8-729-230-72 TRANSISTOR 2SA1362-YG-EL Q502 8-729-014-86 TRANSISTOR 2SC4207-YGRTE85L Q503 8-729-403-17 TRANSISTOR XN1215-TX < RESISTOR > R1 1-216-821-11 METAL CHIP 1K 5% 1/16W (US,CND,MX) R2 1-216-851-11 METAL CHIP 330K 5% 1/16W R3 1-216-851-11 METAL CHIP 330K 5% 1/16W R4 1-216-839-11 METAL CHIP 33K 5% 1/16W R5 1-216-837-11 METAL CHIP 22K 5% 1/16W R6 1-216-853-11 METAL CHIP 470K 5% 1/16W R7 1-216-853-11 METAL CHIP 470K 5% 1/16W R8 1-216-793-11 RES-CHIP 4.7 5% 1/16W R9 1-216-829-11 METAL CHIP 4.7K 5% 1/16W R10 1-216-809-11 METAL CHIP 100 5% 1/16W R11 1-216-841-11 METAL CHIP 47K 5% 1/16W R12 1-216-793-11 RES-CHIP 4.7 5% 1/16W R13 1-216-817-11 METAL CHIP 470 5% 1/16W R14 1-216-827-11 METAL CHIP 3.3K 5% 1/16W R15 1-216-837-11 METAL CHIP 22K 5% 1/16W MAIN www. xiaoyu163. com QQ 376315150 9 9 2 8 9 4 2 9 8 TEL 13942296513 9 9 2 8 9 4 2 9 8 0 5 1 5 1 3 6 7 3 Q Q TEL 13942296513 QQ 376315150 892498299 TEL 13942296513 QQ 376315150 892498299 http://www.xiaoyu163.com Ref. No. Part No. Description Remarks Ref. No. Part No. Description Remarks — 24 — R16 1-216-837-11 METAL CHIP 22K 5% 1/16W R17 1-216-845-11 METAL CHIP 100K 5% 1/16W R18 1-216-815-11 METAL CHIP 330 5% 1/16W R19 1-216-109-00 METAL CHIP 330K 5% 1/10W R20 1-216-109-00 METAL CHIP 330K 5% 1/10W R21 1-216-813-11 METAL CHIP 220 5% 1/16W R22 1-216-797-11 METAL CHIP 10 5% 1/16W R91 1-216-821-11 METAL CHIP 1K 5% 1/16W R103 1-216-855-11 METAL CHIP 680K 5% 1/16W R104 1-216-835-11 METAL CHIP 15K 5% 1/16W R105 1-216-835-11 METAL CHIP 15K 5% 1/16W R106 1-216-819-11 METAL CHIP 680 5% 1/16W R107 1-216-811-11 METAL CHIP 150 5% 1/16W R108 1-216-795-11 RES-CHIP 6.8 5% 1/16W R109 1-216-829-11 METAL CHIP 4.7K 5% 1/16W R203 1-216-855-11 METAL CHIP 680K 5% 1/16W R204 1-216-835-11 METAL CHIP 15K 5% 1/16W R205 1-216-835-11 METAL CHIP 15K 5% 1/16W R206 1-216-819-11 METAL CHIP 680 5% 1/16W R207 1-216-811-11 METAL CHIP 150 5% 1/16W R208 1-216-795-11 RES-CHIP 6.8 5% 1/16W R209 1-216-829-11 METAL CHIP 4.7K 5% 1/16W R301 1-216-789-11 METAL CHIP 2.2 5% 1/16W R302 1-216-234-00 RES-CHIP 33K 5% 1/8W R303 1-216-829-11 METAL CHIP 4.7K 5% 1/16W R304 1-216-833-91 RES-CHIP 10K 5% 1/16W R305 1-216-246-00 RES-CHIP 100K 5% 1/8W R306 1-216-829-11 METAL CHIP 4.7K 5% 1/16W R307 1-216-829-11 METAL CHIP 4.7K 5% 1/16W R308 1-216-833-11 RES-CHIP 10K 5% 1/16W R501 1-216-833-11 RES-CHIP 10K 5% 1/16W R502 1-216-847-11 METAL CHIP 150K 5% 1/16W R503 1-216-829-11 METAL CHIP 4.7K 5% 1/16W R504 1-216-819-11 METAL CHIP 680 5% 1/16W R601 1-216-821-11 METAL CHIP 1K 5% 1/16W R602 1-216-821-11 METAL CHIP 1K 5% 1/16W R603 1-216-833-11 RES-CHIP 10K 5% 1/16W R604 1-216-845-11 METAL CHIP 100K 5% 1/16W R605 1-216-821-11 METAL CHIP 1K 5% 1/16W R606 1-216-833-11 RES-CHIP 10K 5% 1/16W R607 1-216-198-91 RES-CHIP 1K 5% 1/8W R701 1-216-833-11 RES-CHIP 10K 5% 1/16W R703 1-216-833-11 RES-CHIP 10K 5% 1/16W R704 1-216-841-11 METAL CHIP 47K 5% 1/16W R705 1-216-845-11 METAL CHIP 100K 5% 1/16W (US,CND,AEP,MX) R706 1-216-845-11 METAL CHIP 100K 5% 1/16W (US,CND,E,MX) R707 1-216-845-11 METAL CHIP 100K 5% 1/16W (E) R708 1-216-845-11 METAL CHIP 100K 5% 1/16W (AEP) R709 1-216-833-11 RES-CHIP 10K 5% 1/16W R710 1-216-833-11 RES-CHIP 10K 5% 1/16W R711 1-216-833-11 RES-CHIP 10K 5% 1/16W R712 1-216-833-11 RES-CHIP 10K 5% 1/16W R713 1-216-833-11 RES-CHIP 10K 5% 1/16W R714 1-216-833-11 RES-CHIP 10K 5% 1/16W R715 1-216-833-11 RES-CHIP 10K 5% 1/16W R716 1-216-833-11 RES-CHIP 10K 5% 1/16W R717 1-216-829-11 METAL CHIP 4.7K 5% 1/16W R718 1-216-845-11 METAL CHIP 100K 5% 1/16W R719 1-216-847-11 METAL CHIP 150K 5% 1/16W R721 1-216-845-11 METAL CHIP 100K 5% 1/16W R723 1-216-226-00 RES-CHIP 15K 5% 1/8W R724 1-216-845-11 METAL CHIP 100K 5% 1/16W R725 1-216-805-11 METAL CHIP 47 5% 1/16W < VARIABLE RESISTOR > RV301 1-225-184-11 RES, VAR, CARBON 10K/10K (VOLUME) RV601 1-241-916-11 RES, ADJ, CARBON 4.7K < SWITCH > S301 1-762-742-61 SWITCH, DETECTION (SMALL TYPE) S302 1-771-586-41 SWITCH, SLIDE (AVLS) S303 1-762-742-61 SWITCH, DETECTION (SMALL TYPE) S304 1-762-624-11 SWITCH, SLIDE (LOCAL/DX) S701 1-771-586-41 SWITCH, SLIDE (HOLD) < TRANSFORMER > T1 1-406-694-11 COIL, AM IFT < THERMISTOR > TH601 1-810-794-11 THERMISTOR, POSITIVE < VIBRATOR > X1 1-781-137-11 FILTER ASSY, CERAMIC X701 1-577-262-11 VIBRATOR, CRYSTAL 75kHz ************************************************************** * 1-675-511-11 HEADPHONE BOARD ***************** < JACK > J301 1-565-376-11 JACK (PHONES) ************************************************************** MAIN HEADPHONE www. xiaoyu163. com QQ 376315150 9 9 2 8 9 4 2 9 8 TEL 13942296513 9 9 2 8 9 4 2 9 8 0 5 1 5 1 3 6 7 3 Q Q TEL 13942296513 QQ 376315150 892498299 TEL 13942296513 QQ 376315150 892498299 http://www.xiaoyu163.com Ref. No. Part No. Description Remarks Ref. No. Part No. Description Remarks — 25 — MISCELLANEOUS ************** HP901 1-500-648-11 HEAD, MAGNETIC (PLAYBACK) M601 1-763-073-11 MOTOR (REEL/CAPSTAN)(WITH PULLEY) ************************************************************** ACCESSORIES & PACKING MATERIALS ******************************** 1-418-917-11 CHARGER, BATTERY (BC-810C) (FS420RS) 1-756-035-31 BATTERY PACK (NC-WMAA) (FS420RS) 3-022-755-11 CLIP, BELT 8-953-273-83 RECEIVER,EAR MDR-G051LP (FS420RS) 8-953-284-91 HEADPHONE MDR-W014LP (FS420) 3-868-005-11 MANUAL, INSTRUCTION (ENGLISH/SPANISH/FRENCH)(US,CND,E) 3-868-005-21 MANUAL, INSTRUCTION (ENGLISH/SPANISH/FRENCH/PORTUGUESE)(AEP) 3-868-005-31 MANUAL, INSTRUCTION (SPANISH/PORTUGUESE)(MX) ************************************************************** ************** HARDWARE LIST ************** #1 7-624-101-04 STOP RING 1.2 (E TYPE) #2 7-626-311-81 SPRING-PIN 1.6X18 #3 7-627-850-67 SCREW,PRECISION +P 1.4X4 www. xiaoyu163. com QQ 376315150 9 9 2 8 9 4 2 9 8 TEL 13942296513 9 9 2 8 9 4 2 9 8 0 5 1 5 1 3 6 7 3 Q Q TEL 13942296513 QQ 376315150 892498299 TEL 13942296513 QQ 376315150 892498299 http://www.xiaoyu163.com WM-FS420/FS420RS — 26 — Sony Corporation Personal Audio Division Company 2000B1678-1 Printed in Japan © 2000.2 Published by General Engineering Dept. 9-927-679-11 www. xiaoyu163. com QQ 376315150 9 9 2 8 9 4 2 9 8 TEL 13942296513 9 9 2 8 9 4 2 9 8 0 5 1 5 1 3 6 7 3 Q Q TEL 13942296513 QQ 376315150 892498299 TEL 13942296513 QQ 376315150 892498299 http://www.xiaoyu163.com

标签:

版权声明

1. 本站所有素材,仅限学习交流,仅展示部分内容,如需查看完整内容,请下载原文件。
2. 会员在本站下载的所有素材,只拥有使用权,著作权归原作者所有。
3. 所有素材,未经合法授权,请勿用于商业用途,会员不得以任何形式发布、传播、复制、转售该素材,否则一律封号处理。
4. 如果素材损害你的权益请联系客服QQ:77594475 处理。