索尼SONY DVP-NS315音响电路图

分类:电子电工 日期: 点击:0
索尼SONY DVP-NS315音响电路图-0 索尼SONY DVP-NS315音响电路图-1 索尼SONY DVP-NS315音响电路图-2 索尼SONY DVP-NS315音响电路图-3 索尼SONY DVP-NS315音响电路图-4 索尼SONY DVP-NS315音响电路图-5 索尼SONY DVP-NS315音响电路图-6 索尼SONY DVP-NS315音响电路图-7 索尼SONY DVP-NS315音响电路图-8 索尼SONY DVP-NS315音响电路图-9

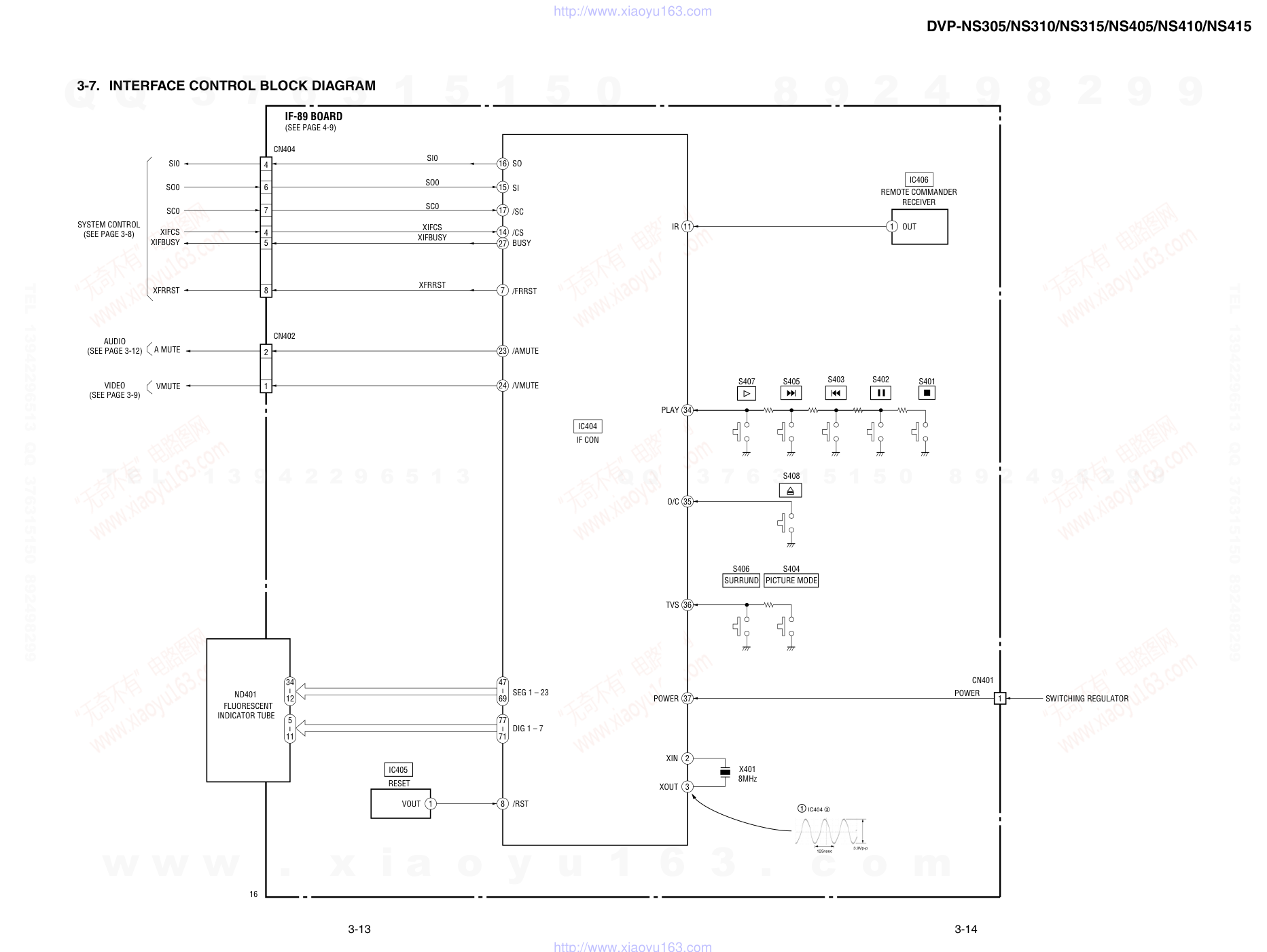
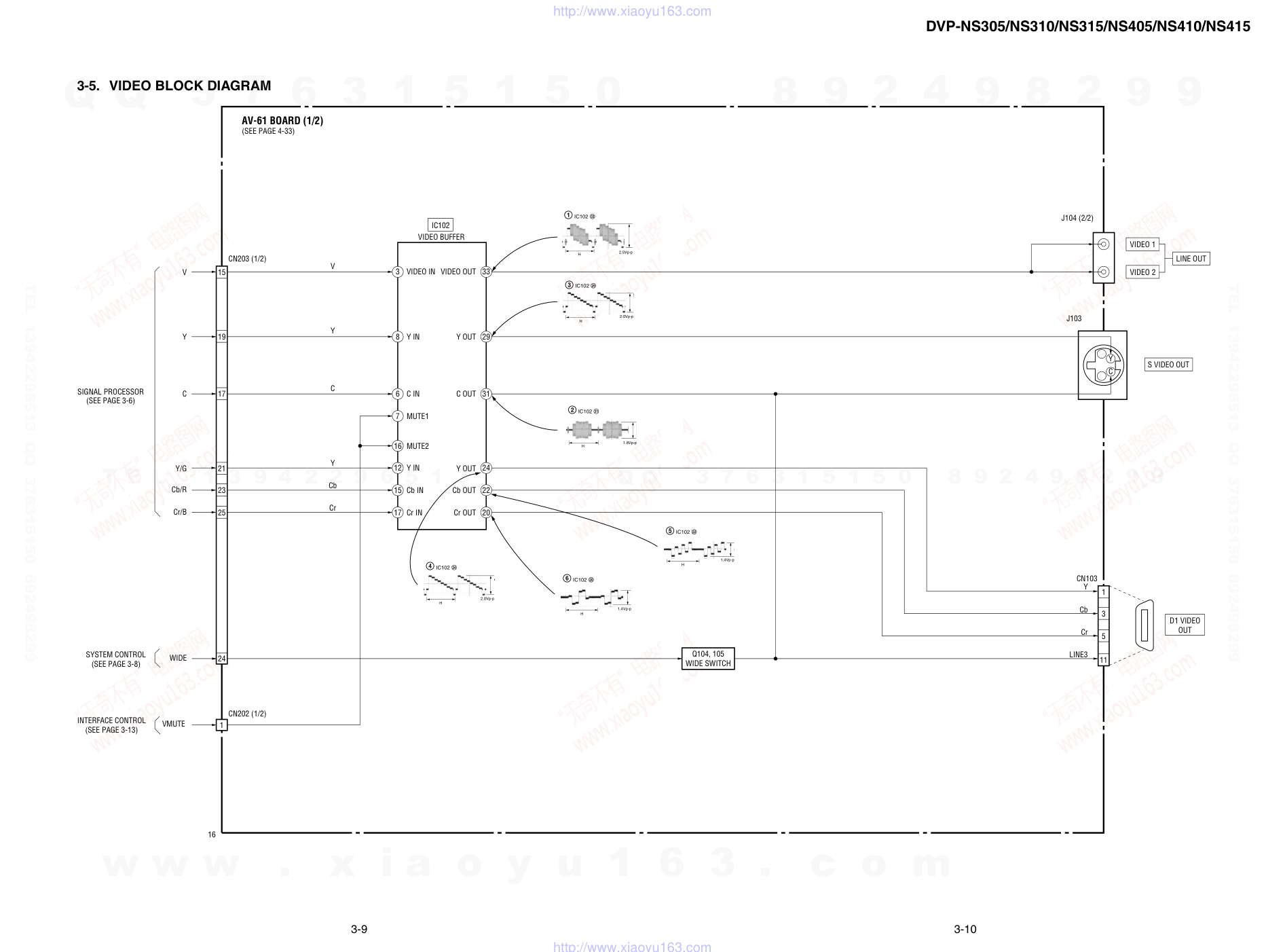
NS405/NS410/NS415 RMT-D141A/D142A/D142O/D142P US Model Canadian Model DVP-NS315/NS415 AEP Model DVP-NS305/NS310/NS405/NS410 UK Model DVP-NS305/NS405 Russian Model Hong Kong Model Korea Model Taiwan Model Saudi Arabia Model GA Model Indian Model Pakistan Model Malaysia Model DVP-NS305 Middle East Model Oceania Model DVP-NS305/NS415 PX Model Mexico Model Latin Model Argentina Model Brazilian Model DVP-NS315 SERVICE MANUAL CD/DVD PLAYER System Laser: Semiconductor laser Signal format system: NTSC/PAL Audio characteristics Frequency response: DVD VIDEO (PCM 96 kHz): 2 Hz to 44 kHz (±1.0 dB)/DVD VIDEO (PCM 48 kHz): 2 Hz to 22 kHz (±0.5 dB)/CD: 2 Hz to 20 kHz (±0.5 dB) Signal-to-noise ratio (S/N ratio): 115 dB (LINE OUT (L/R) AUDIO jacks only) Harmonic distortion: 0.003 % Dynamic range: DVD VIDEO: 103 dB/CD: 99 dB Wow and flutter: Less than detected value (±0.001% W PEAK) The signals from LINE OUT L/R (AUDIO) jacks are measured. When you play PCM sound tracks with a 96 kHz sampling frequency, the output signals from the DIGITAL OUT (OPTICAL or COAXIAL) jack are converted to 48 kHz sampling frequency. Outputs/Inputs (Jack name: Jack type/Output or Input level/ Load impedance) LINE IN (AUDIO)*: Phono jack/–/47 kilohms (DVP-NS315/NS415) (DVP-NS315/NS415) Outputs (DVP-NS305/NS310/NS405/NS410) LINE OUT (AUDIO): Phono jack/2 Vrms/ Over 10 kilohms DIGITAL OUT (OPTICAL)*: Optical output jack/–18 dBm (wave length: 660 nm) DIGITAL OUT (COAXIAL): Phono jack/ 0.5 Vp-p/75 ohms COMPONENT VIDEO OUT(Y, PB, PR): Phono jack/Y: 1.0 Vp-p/PB, PR: 0.7 Vp-p/ 75 ohms (DVP-NS315/NS415) (DVP-NS315/NS415) LINE IN (VIDEO)*: Phono jack/1.0 Vp-p/ 75 ohms LINE OUT (VIDEO): Phono jack/1.0 Vp-p/ 75 ohms S VIDEO OUT: 4-pin mini DIN/Y: 1.0 Vp-p, C: 0.286 Vp-p/75 ohms * DVP-NS405/NS410/NS415 only General Power requirements: 120 V AC, 60 Hz/ 110 to 240V AC, 50/60 Hz See page 1-1 for further information. Power consumption: 12 W/13 W See page 1-1 for further information. Dimensions (approx.): 430 × 62 × 255 mm (17 × 2 1/2 × 10 1/8 in.) (width/height/ depth) incl. projecting parts Mass (approx.): 2.3 kg (5 5/64 lb) Operating temperature: 5 ° C to 35 ° C (41 °F to 95 °F) Operating humidity: 25 % to 80 % Supplied accessories See page 1-3. Specifications and design are subject to change without notice. ENERGY STARR is a U.S. registered mark. As an ENERGY STARR Partner, Sony Corporation has determined that this product meets the ENERGY STARR guidelines for energy efficiency. (To change the color system) SPECIFICATIONS Photo : DVP-NS415 RMT-D142A www. xiaoyu163. com QQ 376315150 9 9 2 8 9 4 2 9 8 TEL 13942296513 9 9 2 8 9 4 2 9 8 0 5 1 5 1 3 6 7 3 Q Q TEL 13942296513 QQ 376315150 892498299 TEL 13942296513 QQ 376315150 892498299 http://www.xiaoyu163.com DVP-NS305/NS310/NS315/NS405/NS410/NS415 SECTION 3 BLOCK DIAGRAMS 3-1. OVERALL BLOCK DIAGRAM 3-1 3-2 IC201 IC301 IC403 IC303 IC101 IC601 IC404 IC404 IC102 J104 (1/2) J101 (2/2) J103 CN103 IC202 BASE UNIT KHM-270AAA/J1RP MS-81 BOARD (SEE PAGE 4-17) MB-103 BOARD (SEE PAGE 4-15 to 4-28) AV-61 BOARD (SEE PAGE 4-31 to 4-34) IF-89 BOARD (SEE PAGE 4-9) OPTICAL DEVICE DVD/CD PD IC RF DVD/CD RF AMP, DIGITAL SERVO RF+ ARP, SERVO DSP FOCUS COIL TRACKING COIL FOCUS/TRACKING COIL DRIVE, SPINDLE/SLED/ LOADING MOTOR DRIVE M M M SPINDLE MOTOR SLED MOTOR M001 LOADING MOTOR FUNCTION KEY ND401 FLUORESCENT INDICATOR TUBE IF COM P CON POWER SERIAL BUS EEPROM PARALLEL BUS CDDOUT, CDDATA, CDBCK, CDLRCK SDI 0 – 7 AV DECODER SPDIF, ACH12, ACH34, ACH56, BCK, LRCK 16M DRAM 16M SDRAM V, Y, C Y, Cb, Cr VIDEO BUFFER SPDIF IC204 AUDIO D/A CONVERTER IC201 AUDIO AMP EVER+3.3V +11V +5V SW+3.3V +1.8V SW+3.3V +5V SW+11V EVER–13V INLIMIT SENSOR CHUCK/TRAY DETECT SWITCHING REGULATOR (SRV1246JUC) (SEE PAGE 4-37) SWITCHING REG AC IN 16 LINE OUT VIDEO 1 VIDEO 2 S VIDEO OUT L R LINE OUT AUDIO 2 L R AUDIO 1 OPTICAL DIGITAL OUT COAXIAL J201 D101-104 F101 2A 100V 50/60Hz AI+5V EVER+3.3V AU+11V SW–13V REG IC104 IC403 SYSTEM CONTROL S001 D1 VIDEO OUT AU+5V REG IC106 FLASH MEMORY SW801 POWER w w w . x i a o y u 1 6 3 . c o m Q Q 3 7 6 3 1 5 1 5 0 9 9 2 8 9 4 2 9 8 T E L 1 3 9 4 2 2 9 6 5 1 3 9 9 2 8 9 4 2 9 8 0 5 1 5 1 3 6 7 3 Q Q TEL 13942296513 QQ 376315150 892498299 TEL 13942296513 QQ 376315150 892498299 http://www.xiaoyu163.com DVP-NS305/NS310/NS315/NS405/NS410/NS415 3-3 3-4 3-2. RF/SERVO BLOCK DIAGRAM 2 19 25 27 59 42 41 36 38 44 13 15 21 33 37 14 ı 11 7 ı 10 45 ı 48 32 ı 29 125 124 126 147 131 148 152 15 ı 18 37 36 21 22 48 1 47 46 20 22 15 17 35 34 27 28 7 10 25 24 3 4 45 5 128 153 154 146 61 12 11 143 144 32 33 MB-103 BOARD (1/4) (SEE PAGE 4-15, 17, 19) BASE UNIT KHM-250AAA/J1RP OPTICAL DEVICE 24 25 17 16 22 20 13 8 6 12 4 3 15 23 18 26 2 1 Q201 DVD LD DRIVE IC201 IC301 DVD/CD PD IC DVD/CD LD MODULE CN203 DVD/CD RF AMP, DIGITAL SERVO RF IN A – D E – H A2 – D2 VC DVDPD CDPD DVD LD SIGO FE TE PI DFT MON MIRR TZC SRD SWD SCLK SDEN SERVO DSP ADC1 ADC0 ADC2 DFCTI ADC7 POM 2, 3 129 130 ADC5, 6 MIRR TZC ADC4 SIGNAL PROCESSOR (SEE PAGE 3-5) SYSTEM CONTROL (SEE PAGE 3-7) XRESET HCS HINT MDSO MDPO 163 164 GIO9/FGREF GIO10/FGIN GIO1/INT3 PWM2 PWM0, 1 POM 0, 1 GIO0/INT2 SPINDLE MOTOR DRIVE FOCUS COIL DRIVE TRACKING COIL DRIVE LOADING MOTOR DRIVE SLED MOTOR DRIVE 7 1 ı 4 9 8 1 5 4 IC202 5 2 4 1 2 CN402 CN001 LDM± CKSW1 OCSW1 INLIMIT SENSOR TRACKING COIL FOCUS COIL M001 LOADING MOTOR M M M MS-81 BOARD (SEE PAGE 4-17) SLED MOTOR SPINDLE MOTOR CN204 39 VCI 19 39 20 22 16 17 155 GIO2/INT4 16 CHUCK/TRAY DETECT S001 (1/2) RF A – D E – H VC PD DVD LD 26 Q202 CD LD DRIVE CD LD CD LD VR SLA±, SLB± SPM± INLIM TRK± 127 ADC3 FCS± PS TSD-M 40 42 43 VREF +3.3V LDON 159 161 162 167 GIO6/SDI GIO7/SDO GIO8/SCK GIO13 XSDPIT XSDPCS XRST XDRVMUTE OCSW1 RF+ CKSW1 XLDON FE TE PI SSDFCTI SS MON MDSO, MDPO SPMUTE SLDA, SLDB LMP, LMM TSD LMCTL TDRV± FDRV± SPFG SLE 640mVp-p 0.2usec/div 40usec/div 6 CN202 1 (DVD PB) 6 CN202 1 (CD PB) 440mVp-p 7 CN202 3 (DVD PLAY) 210mVp-p 20ms/div 7 CN202 3 (CD PLAY) 210mVp-p 20ms/div 8 CN202 4 (DVD PLAY) 1.9Vp-p 40ms/div 8 CN202 4 (CD PLAY) 1.8Vp-p 200ms/div w w w . x i a o y u 1 6 3 . c o m Q Q 3 7 6 3 1 5 1 5 0 9 9 2 8 9 4 2 9 8 T E L 1 3 9 4 2 2 9 6 5 1 3 9 9 2 8 9 4 2 9 8 0 5 1 5 1 3 6 7 3 Q Q TEL 13942296513 QQ 376315150 892498299 TEL 13942296513 QQ 376315150 892498299 http://www.xiaoyu163.com DVP-NS305/NS310/NS315/NS405/NS410/NS415 3-5 3-6 3-3. SIGNAL PROCESSOR BLOCK DIAGRAM SDCK, XSHD, XSRQ, XSAK, SDEF SDCK XSHD XSRQ XSAK SDEF DATA BCLK LRCK DOUT CDIN2I CDIN1I CDBCKI CDLRKI ICLKI IERRI ISTARTI IVALI IREQO 111 113 24 25 26 27 28 150 196 197 207 22 70 24 25 63 55 65 61 59 57 26 28 29 166 167 158 160 134 ı 141 2 ı 9 37 ı 40 42 ı 45 169 170 175 56 57 ı 59 63 64 47 ı 51 77 ı 84 65 – 74 MEMA 0 – 9 MEMD 0 – 15 ADAD 0 – 11 ADDT 0 – 15 105-108 110-113 115 116 118 120 135-138 140-143 145-148 150 151 153 154 168-169 171-174 176-179 181-184 186-189 191-194 2 – 5 7 – 10 12 – 15 17 – 20 122 124 125 127 129 130 132 133 36 – 43 46 – 53 29 31 30 IC303 16M DRAM IC301 ARP IC403 AV DECODER IC404 16M SDRAM 31 32 34 35 202 – 205 MB-98 BOARD (2/4) (SEE PAGE 4-19 to 4-23) RF+ RF/SERVO (SEE PAGE 3-4) SYSTEM CONTROL (SEE PAGE 3-7) 16 RFIN1 RFIN2 SD 0 – 7 SDI 0 – 7 DTI 0 – 7 MA 0 – 9 MD 0 – 15 SDDQ 0 – 15 CDDATA, CDBCK, CDLRCK, CDDOUT CLK, CKE, DQML, DQMU, CS, WE, CAS, RAS WE, RAS LCAS, UCAS C OUT Y OUT COMPOUT B OUT R OUT G OUT C Y V Cr/B Cb/R Y/G COUT YOUT COMPOUT CR/B CB/R Y/G VIDEO (SEE PAGE 3-9) AUDIO (SEE PAGE 3-11) VREFI ACH12 ACH34 ACH56 LAND LRCKO BCKO ACH12 LRCK BCK VIDEO LEVEL ADJ RV401 HD 0 – 15 HAD 0 – 21 HA 0 – 21 HD 0 – 15 D 0 – 7 A 0 – 7 HA 0 – 7 HD 8 – 15 XRD XWRH RSTn DM ACK1 DM REQ1 DM ACK0 DM REQ0 ACLK HAD23 HAD22 CLKI SCLKI 200 199 HWAIT0n HIREQ0 HA 0 – 21 HD 0 – 15 HA 0 – 21 HD 0 – 15 XRST 512FSAVD 33MARP XWRH XRD TRST XARPIT XARPCS XWAIT XAVDCS2 XAVDCS3 27MAVD XAVDIT DREQ0 DACK0 DREQ1 DACK1 XWR XRD XINT XCS XWAT CLKIN 30 DO SPDIF 175 174 173 172 TDO TCK TDI TMS 171 97 99 98 101 102 TRST TDI TCK TDO TMS TRST HCSn HRWn LAND (FOR J TAG) (2/2) 3 CN601 (1/3) 1 11 7 9 5 qj IC403 yd 850mVp-p H qd IC403 tg H 950mVp-p qk IC403 yg 1.1Vp-p H qh IC403 ya 650mVp-p H qg IC403 tl 650mVp-p H 950mVp-p H qf IC403 tj qs IC403 ws 4.8Vp-p 40.8nsec ql IC403 key to go to the next item, or . key to repeat the same check again. Test Mode Menu 0. Syscon Diagnosis 1. Drive Auto Adjustment 2. Drive Manual Operation 3. Mecha Aging 4. Emargency Hisory 5. Version Information 6. Video Level Adjustment Exit: Power Key _ Model : DPX-6xxxx Revision : x.xxx Last Off: xx ### Syscon Diagnosis ### Check Menu 0. Quit 1. All 2. Version 3. Peripheral 4. Servo 5. Supply 6. AV Decoder 7. Video 8. Audio _ ### Syscon Diagnosis ### Diag All Check No. 2 Version 2-3. ROM Check Sum Check Sum = 2005 Press NEXT Key to Continue Press PREV key to Repeat _ www. xiaoyu163. com QQ 376315150 9 9 2 8 9 4 2 9 8 TEL 13942296513 9 9 2 8 9 4 2 9 8 0 5 1 5 1 3 6 7 3 Q Q TEL 13942296513 QQ 376315150 892498299 TEL 13942296513 QQ 376315150 892498299 http://www.xiaoyu163.com 6-2 To quit the diagnosis and return to the Check Menu screen, press x or [ENTER] key. If an error occurred, the diagnosis is suspended and the error code is displayed as shown below. Press x key to quit the diagnosis, or . key to repeat the same item where an error occurred, or > key to continue the check from the item next to faulty item. Selecting [2] and subsequent items call the submenu screen of each item. When “———” is displayed in the submenu, it means that the test is not supported in the model. For example, if “5. Supply” is selected, the following submenu will be displayed. 0. (Quit) Quit the submenu and return to the main menu. 1. (All submenu items continuous check.) This menu checks 2 and subsequent items successively. At the item where visual check is required for judgment or an error occurred, the checking is suspended and the message is output for key entry. Normally, all items are checked successively one after another automatically unless an error is found. Selecting [2] and subsequent items executes respective menus and outputs the results. For the contents of each submenu, see “General Description of Checking Method” and “Check Items List”. General Description of Checking Method 2. Version (2-2) Revision ROM revision number is displayed. Error: Not detected. The revision number defined in the source file is displayed with four digits. (2-3) ROM Check Sum Check sum is calculated. Error: Not detected. 8-bit data are added up to the ROM address 0x000F0000 to 0x002EFFFF, and the result is displayed with 4-digit hexa- decimal number. Error is not detected. Compare the result with the specified value. (2-4) Model Type Model code is displayed. Error: Not detected. The model code read from the EEPROM is displayed with 2-digit hexadecimal number. (2-5) Region Region code is displayed. Error: Not detected. The region code determined from the model code is dis- played. (2-6) M’t Check Mount resistance is checked. Error 22: The region code does not accord. Check whether the region code that is deduced from model resistance and destination resistance accords with the re- gion code that is deduced from region resistance value. 3. Peripheral (3-2) EEPROM Check Data write t read, and accord check Error 03: EEPROM write/read discord 0x9249, 0x2942 and 0x4294 are written to the address 0x00 to 0xFF of the EEPROM and then read for checking. Be- fore writing, the data are saved, then after checking, they are written to restore the contents of EEPROM. (3-3) Gate Array Check (Machine only in which Gate Array is installed) Data write t read, and accord check Error 02: Gate array write/read discord Data of 0x00 to 0xFF is written sequentially to the address 0xF and then read for checking. (3-4) HAND FLASH Check (HAND Flash installed model only) Data clear t write t read, and accord check Error 04: Clear error 05: Write error 06: Read data discord 21: Number of defective block exceeds 10. Clear 0th block of flash memory and write. Then read for checking. When defective block exists, the address is displayed. When the number of defective block exceeds 10, it is error. (3-5) SACD Check (SACD Decoder installed model only) Device reset t Built-in RAM check Error 50: Write/read data discord ### Syscon Diagnosis ### 3-2. EEPROM Check Error 03: EEPROM Write/Read N Address : 00000001 Write Data : 2492 Read Data : 2490 Press NEXT Key to Continue Press PREV key to Repeat _ ### Syscon Diagnosis ### Check Menu No. 5 Supply 0. Quit 1. All 2. ARP Register Check 3. ARP to RAM Data Bus 4. ARP to RAM Address Bus 5. ARP RAM Check _ www. xiaoyu163. com QQ 376315150 9 9 2 8 9 4 2 9 8 TEL 13942296513 9 9 2 8 9 4 2 9 8 0 5 1 5 1 3 6 7 3 Q Q TEL 13942296513 QQ 376315150 892498299 TEL 13942296513 QQ 376315150 892498299 http://www.xiaoyu163.com 6-3 (3-6) Venc Check (Progressive support model only) Data write t read, and accord check Error: 52: Write/read data discord Error may occur due to defect of access with syscon. (3-7) ————— (Not supported) (3-8) External RAM Check (External RAM installed model only) Test data write t read, and accord check Error Check the external RAM used in syscon. 4. Servo (4-2) Servo DSP Check Data write t read, and accord check Error 12: Read data discord 0x9249, 0x2942 and 0x4294 are written to the RAM ad- dress 0x602 of the Servo DSP and then read for checking. (4-3) ————— Check no support. (4-4) RF Amp Register Check Data write t read, and accord check Error xx: RF Amp register write, and read data discord Implement 8-bit shift operation of the xx to the readable/ writable register of the RF Amp. If once write data do not accord with read data, it is NG. 5. Data Supply System (5-2) ARP Register Check Data write t read, and accord check Error 08: ARP register write, and read data discord Data 0x00 to 0xFF is written sequentially to the ARP TMAX register (address 0xC6) and then read for checking. (5-3) ARP to RAM Data Bus Data write t read, and accord check Error 09: ARP Tt RAM data bus error Data 0x0001 to 0x8000 where one bit each is set to 1 are written to the address 0 of RAM (IC303) connected to the ARP (IC302) through the bus, then they are read and checked. In case of discord, written bit pattern and read data are displayed. If data where multiple bits are 1 are read, the bits concerned may touch each other. Further, if data where certain bit is always 1 or 0 regardless of written data, the line could be disconnected or shorted. (5-4) ARP to RAM Address Bus Data write t other address read discord check Error 10: ARP Tt RAM address bus error Caution: Address and data display in case of an error is different from the display of other diagnosis (described later). Before starting the test, all addresses of RAM (IC303) are cleared to 0x0000. First, 0xA55A is written to the address 0x00000, and the address data are read and checked from addresses 0x00001 to 0x80000 while shifting 1 bit each. Next, the data at that address is cleared, and it is written to the address 0x00001, and read and checked in the same manner. This check is repeated up to the address 0x80000 while shifting the ad- dress data by 1 bit each. If data other than 0 is read at the addresses except written address, an error is given because all addresses were al- ready cleared to 0. In this check, the error display pattern is different from that of other diagnosis; read data, written address, and read address are displayed in this order. How- ever, the message uses same template, and accordingly ex- change Address and Data when reading. The following dis- play, for example, shows the data 0xA55A was read from address 0x00080000 though it was written to the address 0x00000000. This implies that these addresses are in the form of shadow. Also, if the read data is not 0xA55A, another error will be present. (5-5) ARP RAM Check Data write t read, and accord check Error 11: ARP RAM read data discord The program code data stored in ROM are copied to all areas of RAM (IC303) connected to the ARP through the bus, then they are read and checked if they accord. If the detail check was selected initially, the data are written to all areas and read, then the same test is conducted once again with the data where all bits are inverted between 1 and 0. If discord is detected, faulty address, written data, and read data are displayed following the error code 11, and the test is suspended. ### Syscon Diagnosis ### 5-4. ARP to RAM Address Bus Error 10: ARP - RAM Address B Address : 0000A55A Write Data : 00000000 Read Data : 00080000 Press NEXT Key to Continue Press PREV key to Repeat _ www. xiaoyu163. com QQ 376315150 9 9 2 8 9 4 2 9 8 TEL 13942296513 9 9 2 8 9 4 2 9 8 0 5 1 5 1 3 6 7 3 Q Q TEL 13942296513 QQ 376315150 892498299 TEL 13942296513 QQ 376315150 892498299 http://www.xiaoyu163.com 6-4 6. AV Decoder (6-2) 1935 RAM Data write t read, and accord check Error 13: AVD RAM read data discord The program code data stored in ROM (IC107) are copied to all areas of RAM (IC504, IC505) connected to the AVD through the bus, then they are read and checked if they ac- cord. Further, the same test is conducted once again with the data where all bits are inverted between 1 and 0. If dis- cord is detected, faulty address, written data, and read data are displayed following the error code 13, and the test is suspended. During the test, OSD display becomes blank as the OSD area is also checked. (6-3) 1935 SP ROM t AVD RAM t Video OUT Error: Not detected. The data including sub picture streams in ROM are trans- ferred to the RAM in AVD, and output as video signals from the AVD. Though OSD display becomes blank, the output of video signals continues until the key is pressed. 7. Video Output (7-2) Color Bar AVD color bar command write t Video OUT Error: Not detected. The command is transferred to the AVD, and the color bar signals are output from video terminals. (7-3) Composite Out (European model only) EURO-AV video output check AVD color bar command write t Video (EURO-AV) OUT Error: Not detected. With the component of video output turned off, the color bar signals are output from the EURO-AV terminal. This check is performed for European model only. (7-4) Y/C Out (European model only) Y/C video output check AVD color bar command write t Video (Y/C) OUT Error: Not detected. With the Y/C of video output turned on, the color bar sig- nals are output. This check is performed for European model only. (7-5) RGB Out (European model only) RGB video output check AVD color bar command write t Video (RGB) OUT Error: Not detected. With the RGB of video output turned on, the color bar sig- nals are output. This check is performed for European model only. (7-6) Component Out (European model only) Component video output check AVD color bar command write t Video (Component) OUT Error: Not detected. With the component of video output turned on, the color bar signals are output. This check is performed for European model only. (7-7) Euro AV Through (European model only) AV Through output On/Off Error: Not detected. AV Through output is turned on. This check is performed for European model only. 8. Audio Output (8-2) ARP t1935 Data flow from supply system DRAM to SDRAM of AV Decoder is tested. Error 14: ARP t 1935 video NG 15: ARP t 1935 audio NG (8-3) Test Tone Pink noise output Error: Not detected. In the models without DD output, the test tone is output from L and R of 2-channel only, and in the models with DD output, the test tone is output from L and R of 2-chan- nel, and all channels of 5.1 output. After turning on all outputs, each time the [NEXT] key is pressed, the output channel is switched for individual chan- nel checking. Diagnosis Check Items List 2. Version Display (2-2) Revision (2-3) ROM Check Sum (2-4) Model Type (2-5) Region (2-6) M’t Check 3. Peripheral (3-2) EEPROM Check (3-3) Gate Array Check (3-4) NAND FLASH Check (NAND Flash installed model only) (3-5) SACD Check (SACD decoder installed model only) (3-6) Venc Check (Video encoder installed model only) (3-7) ———— (Function not supported) (3-8) External RAM Check (External RAM installed model only) 4. Servo (4-2) Servo DSP Check (4-3) ———— (Function not supported) (4-4) RF Amp Register Check 5. Data Supply System (5-2) ARP Register Check (5-3) ARP to RAM Data Bus (5-4) ARP to RAM Address Bus (5-5) ARP RAM Check 6. AV Decoder (6-2) 1935 RAM (6-3) 1935 SP 7. Video Output (7-2) Color Bar (7-3) Composite Out (European model only) (7-4) Y/C Out (European model only) (7-5) RGB Out (European model only) (7-6) Component Out (European model only) (7-7) Euro AV Through (European model only) 8. Audio Output (8-2) ARP t1935 (8-3) Test Tone www. xiaoyu163. com QQ 376315150 9 9 2 8 9 4 2 9 8 TEL 13942296513 9 9 2 8 9 4 2 9 8 0 5 1 5 1 3 6 7 3 Q Q TEL 13942296513 QQ 376315150 892498299 TEL 13942296513 QQ 376315150 892498299 http://www.xiaoyu163.com 6-5 Error Codes List 00: Error not detected 01: RAM write/read data discord 02: Gate array NG 03: EEPROM NG 04: Flash memory clear error 05: Flash memory write error 06: Flash memory read data discord 07: 2725 read data discord 08: ARP register read data discord 09: ARP Tt RAM data bus error 10: ARP Tt RAM address bus error 11: ARP RAM read data discord 12: Servo DSP NG 13: RF Amp NG 14: 1935 SDRAM NG 15: ARP t1935 video NG 16: ARP t1935 audio NG 19: 1910 UCODE download NG 1A: System call error (Function not supported) 1B: System call error (Parameter error) 1C: System call error (Illegal ID number) 20: System call error (Time out) 21: NAND Flash faulty blocks exceed 10 22: Resistor installation error 50: SACD Decoder W/R NG 52: Video Encoder W/R NG 55: External RAM W/R NG 90: Error occurred 91: User verification NG 92: Diagnosis cancelled 6-4. DRIVE AUTO ADJUSTMENT On the Test Mode Menu screen, press [1] key on the remote com- mander, and the drive auto adjustment menu will be displayed. Normally, [0] is selected to adjust DVD (single layer), CD, and DVD (dual layer) in this order. But, individual items can be ad- justed for the case where adjustment is suspended due to an error. In this mode, the adjustment can be made easily through the op- eration following the message displayed on the screen. Which disc is currently adjusted is displayed on the fluorescent display tube. 0. ALL You will be asked if EEPROM data are initialized or not, and for this prompt, select [0] and press the [ENTER] key. First, the servo setting data in EEPROM, Emergency History and Hour Meter are cleared to initialize. Then, [1] DVD-SL disc, [2] CD disc, and [3] DVD-DL disc are adjusted in this order. Each time one disc was adjusted, it is ejected, and therefore exchange the disc following the message. You can exit the adjustment by pressing the x but- ton. In adjusting each disc, the mirror time is measured to check the disk type. In the auto adjustment, whether the disc type is cor- rect is not checked unlike conventional models, and accordingly, take care not to insert a different type of disc. ## Drive Auto Adjustment ## Adjustment Menu 0. ALL 1. DVD-SL 2. CD 3. DVD-DL 4. LCD Exit: RETURN www. xiaoyu163. com QQ 376315150 9 9 2 8 9 4 2 9 8 TEL 13942296513 9 9 2 8 9 4 2 9 8 0 5 1 5 1 3 6 7 3 Q Q TEL 13942296513 QQ 376315150 892498299 TEL 13942296513 QQ 376315150 892498299 http://www.xiaoyu163.com 6-6 1. DVD Single Layer Disc Select [1], insert DVD single layer disc, and press [ENTER] key, and the adjustment will be made through the following steps, then adjusted values will be written to the EEPROM. The table No. 1 is used in the changer type model. If there is no disc on the table No. 1, the tray will be open to wait for closing. If there is a disc on the table, the adjustment starts immediately. If you put a disc prior to adjustment, confirm that the SL disc is set on the table 1. DVD Single Layer Disc Adjustment Steps 1. SLED Reset 2. Disc Check Memory SL 3. Set Disc Type SL 4. Spdl Start 5. Ld ON 6. Focus Error Check 7. Focus ON 0 with PI Level measure 8. Auto Track Offset Adjust L0 9. Trv Level Check 10. Tracking ON 11. CLVA ON 12. Sled ON 13. Auto Focus Balance Adjust 14. Auto Loop Filter Offset Adjust 15. Auto Focus Gain Adjust L0 16. Auto Focus Balance Adjust L0 17. EQ Boost Adjust 18. Auto Loop Filter Offset Adjust 19. Auto Tracking Gain Adjust 20. RF Level Measure 21. Jitter measure 22. Eep Copy Loop Filter Offset 23. All Servo Stop 2. CD Disc Select [2], insert CD disc, and press [ENTER] key, and the adjust- ment will be made through the following steps, then adjusted val- ues will be written to the EEPROM. The table No. 2 is used in the changer type model. If there is no disc on the table No. 2, the tray will be open to wait for closing. If there is a disc on the table, the adjustment starts immediately. If you put a disc prior to adjust- ment, confirm that the CD is set on the table 2. CD Adjustment Steps 1. Sled Reset 2. Disc Check Memory CD 3. Set Disc Type CD 4. Spdl Start 5. LD ON 6. Focus Error Check 7. Fcs ON 1 with PI Level measure 8. Auto Track Offset Adjust L0 9. Trv Level Check 10. Tracking ON 11. CLVA ON 12. Sled ON 13. Auto Focus Balance Adjust 14. Auto Loop Filter Offset Adjust 15. Auto Focus Gain Adjust L0 16. Auto Focus Balance Adjust L0 17. Eq Boost Adjust 18. Auto Loop Filter Offset Adjust 19. Auto Track Gain Adjust 20. Copy Adjustment Data to LCD 21. RF Level Measure 22. Jitter measure 23. All Servo Stop 3. DVD Dual Layer Disc Select [3], insert DVD dual layer disc, and press [ENTER] key, and the adjustment will be made through the following steps, then ad- justed values will be written to the EEPROM. The table No. 3 is used in the changer type model. If there is no disc on the table No. 3, the tray will be open to wait for closing. If there is a disc on the table, the adjustment starts immediately. If you put a disc prior to adjustment, confirm that the DL disc is set on the table 3. DVD Dual Layer Disc Adjustment Steps 1. Sled Reset 2. Disc Check Memory DL 3. Set Disc Type DL DVD DL Layer 1 Adjust 4. Spdl Start 5. LD ON 6. Fcs ON 1 with PI Level measure 7. Auto Track Offset Adjust L1 8. Tracking ON 9. Clva ON 10. Sled ON 11. Auto Focus Balance Adjust 12. Auto Focus Gain Adjust L1 13. Auto Focus Balance Adjust L1 14. Eq Boost Adjust L1 15. Auto Track Gain Adjust L1 16. Jitter measure DVD DL Layer 0 Adjust 17. Focus Jump (L1 t L0) 18. Auto Track Offset Adjust L0 19. Tracking ON 20. Clva ON 21. Sled ON 22. Auto Focus Balance Adjust 23. Auto Focus Gain Adjust L0 24. Auto Focus Balance Adjust 25. Eq Boost Adjust L0 26. Auto Track Gain Adjust L0 27. Jitter measure 28. All Servo Stop 4. LCD LCD disc is not adjusted because the adjusted data of CD are re- flected, and SACD (hybrid disc) is not adjusted because the ad- justed data of CD and DVD-DL are reflected. www. xiaoyu163. com QQ 376315150 9 9 2 8 9 4 2 9 8 TEL 13942296513 9 9 2 8 9 4 2 9 8 0 5 1 5 1 3 6 7 3 Q Q TEL 13942296513 QQ 376315150 892498299 TEL 13942296513 QQ 376315150 892498299 http://www.xiaoyu163.com 6-7 6-5. DRIVE MANUAL OPERATION On the Test Mode Menu screen, select [2], and the manual opera- tion menu will be displayed. For the manual operation, each servo on/off control and adjustment can be executed manually. In using the Manual Operation menu, take care of the following points. These commands do not provide protection, thus requiring correct operation. The sector address or time code field is dis- played when a disc is loaded. 1. Set correctly the disc type to be used on the Disc Type setting screen. The Disc Type setting must be performed after a disc was loaded. The set Disc Type is cleared when the tray is opened. 2. After power ON, if the Manual Operation was selected, first perform “Reset SLED TILT” by opening 1. Disc Type screen. 3. In case of an alarm, immediately press the x button to stop the servo operation, and turn the power OFF. Basic operation (controllable from front panel or remote com- mander) [POWER] : Power OFF x : Servo stop A (Open/Close) : Stop+Eject/Loading O : Return to Operation Menu or Test Mode Menu > , . : Transition between sub modes of menu [1] to [9], [0] : Selection of menu and items Cursor [Q]/[q] : Increase/Decrease in manually adjusted value 0. Disc Check Memory On this screen, the mirror time is measured and written to the EEPROM to check the disc type. First, set a DVD SL disc and press [1], then set a CD disc and press [2], and finally set a DVD DL disc and press [3]. The measured mirror time is displayed re- spectively. The adjustment must be executed more than once after default data were written. From this screen, you can go to another mode by pressing > or . key, but you cannot enter this mode from another mode. You can enter this mode from the Operation Menu screen only. 1. Disc Type On this screen, select the disc type. To select the disc type, press the number of the loaded disc. The selected disc type is displayed at the bottom. Selecting [1] automatically selects and displays the disc type. In case of wrong display, retry “Disc Check Memory”. Also, opening the tray causes the set disc type to be cleared. In this case, set the disc type again after loading. In performing manual operation, the disc type must be set. ## Drive Manual Operation ## Operation Menu 1. Disc Type 2. Servo Control 3. Track/Layer Jump 4. Manual Adjustment 5. Auto Adjustment 6. Memory Check 0. Disc Check Memory Exit: RETURN Disc Check 1. SL Disc Check 2. CD Disc Check 3. DL Disc Check 0. Reset SLED TILT Disc Type 1. Disc Type Auto Check 2. DVD SL 12cm 3. DVD DL 12cm 4. CD 12cm 5. SACD 12cm 6. DVD SL 8cm 7. DVD DL 8cm 8. CD 8cm 9. LCD 8cm 0. Reset SLED TILT EMG. 00 www. xiaoyu163. com QQ 376315150 9 9 2 8 9 4 2 9 8 TEL 13942296513 9 9 2 8 9 4 2 9 8 0 5 1 5 1 3 6 7 3 Q Q TEL 13942296513 QQ 376315150 892498299 TEL 13942296513 QQ 376315150 892498299 http://www.xiaoyu163.com 6-8 Once the disc type has been selected, the sector address or time code display field will appear as shown below. These values are displayed when PLL is locked. Display when DVD SL 12cm disc was selected Display when CD 12cm disc was selected [0] Reset SLED TILT: Reset the Sled and Tilt to initial position. (Reset the Sled only to initial position be- cause the Tilt mechanism is not available in this model.) [1] Disc Type Check: Judge automatically the loaded disc. As the judged result is displayed at the bottom of screen, make sure that it is correct. If Disc Check Memory menu has not been executed after EEPROM default setting, the disc type cannot be judged. In this case, return to the initial menu and make a check for three types of discs (SL, DL, CD). [2] to [9]: Select the loaded disc. The adjusted value is written to the address of selected disc. No further entry is necessary if [1] was se- lected. 2. Servo Control On this screen, the servo on/off control necessary for replay is executed. Normally, turn on each servo from 1 sequentially and when CLVA is turned on, the usual trace mode becomes active. In the trace mode, DVD sector address or CD time code is displayed. This is not displayed where the spindle is not locked. The spindle could run overriding the control if the spindle system is faulty or RF is not present. In such a case, do not operate CLVA. [0] Reset SLED TILT: Reset the Sled and Tilt to initial position. (Reset the Sled only to initial position be- cause the Tilt mechanism is not available in this model.) [1] LD: Turn ON/OFF the laser. [2] SP: Turn ON/OFF the spindle. [3] Focus: Search the focus and turn on the focus. [4] TRK.: Turn ON/OFF the tracking servo. [5] Sled: Turn ON/OFF the sled servo. When PLL is not locked (cannot be locked), the sled servo is not turned ON. The display keeps ON.) [6] CLVA: Turn ON/OFF normal servo of spindle servo. [7] FCS. Srch: Apply same voltage as that of focus search to the focus drive to check the focus drive system. 5 Sled FWD: Move the sled outward. Perform this op- eration with the tracking servo turned off. % Sled REV: Move the sled inward. Perform this opera- tion with the tracking servo turned off. Disc Type 1. Disc Type Auto Check 2. DVD SL 12cm 3. DVD DL 12cm 4. CD 12cm 5. SACD 12cm 6. DVD SL 8cm 7. DVD DL 8cm 8. CD 8cm 9. LCD 8cm 0. Reset SLED TILT TC. :: EMG.00 CD 12cm Disc Type 1. Disc Type Auto Check 2. DVD SL 12cm 3. DVD DL 12cm 4. CD 12cm 5. SACD 12cm 6. DVD SL 8cm 7. DVD DL 8cm 8. CD 8cm 9. LCD 8cm 0. Reset SLED TILT SA. SI. EMG.00 DVD SL 12cm Servo Control 1. LD Off R. Sled FWD 2. SP Off L. Sled REV 3. Focus Off 4. TRK. Off 5. Sled Off 6. CLVA Off 7. FCS. Srch Off 0. Reset SLED TILT SA. SI. EMG.00 DVD SL 12cm www. xiaoyu163. com QQ 376315150 9 9 2 8 9 4 2 9 8 TEL 13942296513 9 9 2 8 9 4 2 9 8 0 5 1 5 1 3 6 7 3 Q Q TEL 13942296513 QQ 376315150 892498299 TEL 13942296513 QQ 376315150 892498299 http://www.xiaoyu163.com 6-9 3. Track/Layer Jump On this screen, track jump, etc. can be performed. Only for the DVD-DL, the focus jump and layer jump are displayed in the right field. [1] 1Tj FWD: 1-track jump forward. [2] 1Tj REV: 1-track jump reverse. [3] 2Tj FWD: 2-track jump forward. [4] 2Tj REV: 2-track jump reverse. [5] NTj FWD: N-track jump forward. [6] NTj REV: N-track jump reverse. [7] 500Tj FWD: Fine search forward. [8] 500Tj REV: Fine search reverse. [9] 10k/20k FWD: Direct search forward. [0] 10k/20k REV: Direct search reverse. – The following commands are valid for DVD-DL disc only – 5 (L1 t L0): Focus jump (Trk/Sled Servo OFF) forward. % (L0 t L1): Focus jump (Trk/Sled Servo OFF) reverse. $ (L1 t L0): Layer jump (Trk/Sled Servo ON) forward. 4 (L0 t L1): Layer jump (Trk/Sled Servo ON) reverse. 4. Manual Adjustment On this screen, each item can be adjusted manually. Select the desired number [1] to [0] from the remote commander, and cur- rent setting for the selected item will be displayed, then increase or decrease numeric value with $ key or 4 key. This value is stored in the EEPROM. If CLV has been applied, the jitter is dis- played for reference for the adjustment. [1] TRK. Offset: Adjusts tracking offset. [2] Focus Gain: Adjusts focus gain. [3] TRK. Gain: Adjusts track gain. [4] Focus Offset: Adjusts focus offset. [5] Focus Balance: Adjusts focus balance. [6] L.F. Offset: Adjusts loop filter offset. [7] Analog FRSW: Sets select switch of analog feedback circuit. [8] PLL Dac Gain: Adjusts D/A converter gain of PLL. [9] EQ BOOST: Adjusts boost amount of equalizer. [0] GD ADJ: Adjusts group delay amount. Track/Layer Jump 1. 1Tj FWD R. Fj (L1->L0) 2. 1Tj REV L. Fj (L0->L1) 3. 2Tj FWD U. Lj (L1->L0) 4. 2Tj REV D. Lj (L0->L1) 5. NTj FWD 6. NTj REV 7. 500Tj FWD 8. 500Tj REV 9. 10k/20k FWD 0. 10k/20k REV SA. SI. EMG.00 DVD DL 12cm Manual Adjustment:Up/Down 1. TRK. Offset 2. Focus Gain 3. TRK. Gain 4. Focus Offset 5. Focus Balance 6. L.F. Offset 7. Analog FRSW 8. PLL Dac Gain 9. EQ BOOST 0. GD ADJ Adjustment: Up/Down SA. ------ SI. -- EMG. 00 DVD SL 12cm Jitter FF www. xiaoyu163. com QQ 376315150 9 9 2 8 9 4 2 9 8 TEL 13942296513 9 9 2 8 9 4 2 9 8 0 5 1 5 1 3 6 7 3 Q Q TEL 13942296513 QQ 376315150 892498299 TEL 13942296513 QQ 376315150 892498299 http://www.xiaoyu163.com 6-10 5. Auto Adjustment On this screen, each item can be adjusted automatically. Select the desired number [1] to [8] from the remote commander, and se- lected item is adjusted automatically. [1] Auto TRK. Offset: Adjusts tracking offset. [2] Auto Focus Balance: Adjusts focus balance. [3] Auto Focus Offset: Adjusts focus offset. [4] Auto Focus Gain: Adjusts focus gain. [5] Auto TRK. Gain: Adjusts track gain. [6] Auto EQ [7] Auto L.F. Offset: Adjusts loop filter offset. [8] Auto Group Delay 6. Memory Check The display image is shown below and three screens in total can be selected. On this screen, current servo adjusted data stored in the EEPROM are displayed. The adjusted data are initialized by pressing the [CLEAR] key, but be careful that they are not recoverable after initialization. Before clearing the adjusted data, make a note of the set data. This screen will also appear if [0] All is selected in the Drive Auto Adjustment. In this case, default setting cannot be made. “THR A&L” data on the second page cannot be changed if default setting is once made. Auto Adjustment 1. Auto TRK. Offset 2. Auto Focus Balance 3. Auto Focus Offset 4. Auto Focus Gain 5. Auto TRK. Gain 6. Auto EQ. 7. Auto L.F. Offset 8. Auto Group Delay SA.04EF905 SI.00 EMG.00 DVD SL 12cm EEPROM DATA 1  DL  CD LCD SL L0 L1 Focus Gain xx xx xx xx xx TRK. Gain xx xx xx xx xx FCS Balnce xx xx xx xx xx Focus Bias xx xx xx xx xx TRV Offset xx xx xx xx xx L.F. Offset xx xx xx xx xx EQ. Boost xx xx xx xx xx _ UP : Last Data DOWN : Next Data CLEAR : Default Set page.1/3 EEPROM DATA 2  DL  CD LCD SL L0 L1 RF Jitter xx -- xx xx xx RF Level xx -- xx -- -- FE Level xx -- xx -- -- FE Balance xx -- xx -- -- TRV.Level xx -- xx -- -- TE Gain xx xx -- -- -- PI Level xx -- xx xx -- _ UP : PREV Data DOWN : Next Data CLEAR : Default Set page.2/3 EEPROM DATA 3  DL  CD LCD SL L0 L1 Analog FRSW xx xx xx xx xx PLL Dac Gain xx xx xx xx xx Mirror Time xx xx xx xx xx _ THR A&L xx xx xx/xx xx xx UP : PREV Data DOWN : First Data CLEAR : Default Set page.3/3 www. xiaoyu163. com QQ 376315150 9 9 2 8 9 4 2 9 8 TEL 13942296513 9 9 2 8 9 4 2 9 8 0 5 1 5 1 3 6 7 3 Q Q TEL 13942296513 QQ 376315150 892498299 TEL 13942296513 QQ 376315150 892498299 http://www.xiaoyu163.com 6-11 6-6. MECHA AGING On the Test Mode Menu screen, selecting [3] executes the aging of mechanism. First, open the tray and load a disc. Press the H key, and the aging will start. When the tray is closed, the disc type and size are judged and displayed. During aging, the number of the repeat cycle is displayed. Aging can be aborted at any time by pressing the x key. After the operation has stopped, unload the disc and press again the x key or the O key to return to the Test Mode Menu. 6-7. EMERGENCY HISTORY On the Test Mode Menu screen, selecting [4] displays the infor- mation such as servo emergency history. The history information from last “1” up to “10” can be scrolled with $ key or 4 key. Also, specific information can be displayed by directly entering that number with the ten-key pad from [1] to [9]. (Emergency history code is shown separately.) The upper two lines display the laser ON total hours. Data below minutes are omitted. Clearing History Information Clearing laser hours Press [DISPLAY] and [CLEAR] keys in this order. Both CD and DVD data are cleared. Clearing emergency history Press [TITLE] and [CLEAR] keys in this order. Initializing setup data Press [DVD menu] and [CLEAR] keys in this order. The data have been initialized when “Set Up Initialized” mes- sage is displayed. The EMG. History display screen will be restored soon. 6-8. VERSION INFORMATION The ROM version, region code, OPT type, etc. are displayed if [5] is selected in the Test Mode Menu. The parenthesized hexadeci- mal number in the version number field indicates the checksum value of the ROM. * Note after Downloading After downloading ROM data, sometimes it happens that checksum is not the same as that of ROM data that has been downloaded. In such a case, go back to the menu screen and select “0. Syscon Diagnosis”, then select “1. All” in “2. Version”. If the result of this operation does not give an agreement, it must be either Download error or ROM error. 6-9. VIDEO LEVEL ADJUSTMENT On the Test Mode Menu screen, selecting [6] displays color bars for video level adjustment. During display of color bars, OSD dis- appears but the menu screen will be restored if pressing any key. ### Mecha Aging ### Press OPEN key Abort : STOP key ### EMG. History ### Laser Hours CD xxhxxm DVD xxhxxm 1. 00 00 00 00 00 00 00 00 00 00 00 00 00 00 00 00 2. 00 00 00 00 00 00 00 00 00 00 00 00 00 00 00 00 Select : 1-9 Scroll :UP/DOWN (1: Last EMG.) Exit :RETURN ### Version Infomation ### IF con. Ver.x.xxx(xxxx) Group xx SYScon. Ver.x.xxx(xxxx) Model xx Region 0x Servo DSP Ver:x.xxx AVD ucode Ver:xxxxxxxx OPT TYPE : x LASER Exit : RETURN www. xiaoyu163. com QQ 376315150 9 9 2 8 9 4 2 9 8 TEL 13942296513 9 9 2 8 9 4 2 9 8 0 5 1 5 1 3 6 7 3 Q Q TEL 13942296513 QQ 376315150 892498299 TEL 13942296513 QQ 376315150 892498299 http://www.xiaoyu163.com 6-12 6-10. IF CON SELF DIAGNOSTIC FUNCTION 1. IF-89 BOARD (IF CON) TEST MODE The IF-89 board (IF CON) test mode is the IF CON self-diagnosis mode. The IF CON can diagnose the functions of the IF-89 board that the IF CON controls. Normally, the IF CON makes a serial communication with the SYSTEM CONTROL and operates fol- lowing the commands from the SYSTEM CONTROL, but in the Test mode, the IF CON operates independently from the SYS- TEM CONTROL. In the test mode, the following functions can be checked. 1. Button function 2. Remote commander receiving function 3. SYSTEM CONTROL-IF CON serial communication 4. Click shuttle function 5. Fluorescent display tube lighting check Grid check Anode check 6. LED control function In the test mode, the main unit operates same as usual, except voltage monitoring, communication monitoring, display of fluo- rescent display tube, and LED control. 1. The routine that monitors +3.3 V (PCONT) of MB-103 board is not provided. 2. The monitoring timer for serial communication with the SYS- TEM CONTROL is not provided. The main unit is not placed in the Standby mode, even if the communication with SYS- TEM CONTROL is normal. 3. Display of fluorescent display tube. (Normally, display is made following the commands from SYS- TEM CONTROL) 4. LED control. (Normally, control is made following the commands from SYS- TEM CONTROL) 2. OPERATION OF SELF CHECK MODE The Self Check mode is the function to conduct the basic test to the FL display and DVD panel section. 2-1. Self Check Mode Transition Processing At the AC Power ON after reset of IF CON is released with the MB-103 board are not connected to the AV-61 board, or while pressing the x key on the main unit with the IF CON in STANDBY mode, enter [RETURN] t [DISPLAY] (or [SET UP]) on the remote commander, and the main unit transits to the Self Check Mode. www. xiaoyu163. com QQ 376315150 9 9 2 8 9 4 2 9 8 TEL 13942296513 9 9 2 8 9 4 2 9 8 0 5 1 5 1 3 6 7 3 Q Q TEL 13942296513 QQ 376315150 892498299 TEL 13942296513 QQ 376315150 892498299 http://www.xiaoyu163.com 6-13 2-2. Operation of Auto Self Check When the Self Check mode becomes active at the AC Power ON or by key input, the test display of the following steps (1) to (4) is repeated. (1) FLD and LED all ON (for 5 seconds) (2) MODEL display (for 2 seconds) (3) Version display (for 2 seconds) (4) ROM creation date display (for 2 seconds) www. xiaoyu163. com QQ 376315150 9 9 2 8 9 4 2 9 8 TEL 13942296513 9 9 2 8 9 4 2 9 8 0 5 1 5 1 3 6 7 3 Q Q TEL 13942296513 QQ 376315150 892498299 TEL 13942296513 QQ 376315150 892498299 http://www.xiaoyu163.com 6-14 2-3. Each Self Check Function Each Self Check function tests the FLD display, LED display, and key input. 2-3-1. FLD and LED All ON 2-3-1-1. Transition Keys in Self Check Mode • x key and Z key on the main unit • % key on the main unit and the remote commander 2-3-1-2. Operation and Display In this mode, all LEDs except STANDBY LED and all segments of FLD turn ON. • Example of FLD all ON 2-3-2. Main Unit Key Name Display and Key Code Display 2-3-2-1. Transition Keys in Self Check Mode • Keys on the main unit except keys transited in Self Check Mode 2-3-2-2. Operation and Display When a key on the main unit is pressed in the Self Check mode, the name of that key is displayed on the FLD. Also, the key name display and the key code display can be switched with the [DISPLAY] key on the remote commander. “NOTHING” is displayed when nothing is entered. Also, VIDEO CD, DVD, and CD segments turn on when a communication error occurred. • FLD display (at input of H key on the main unit) Input IC404: Pin No. (Signal) Voltage [V] Pin ed (BNRKEY) Pin ef (PLAY) Pin eg (O/C) Pin eh (TVS) 0 – 0.2 – PLAY OPEN/CLOSE TVS 0.6 – 0.82 – NEXT – PIC MODE 1.16 – 1.47 – PREVIOUS – MODE 1.8 – 2.12 – PAUSE – – 2.48 – 2.7 – STOP – – www. xiaoyu163. com QQ 376315150 9 9 2 8 9 4 2 9 8 TEL 13942296513 9 9 2 8 9 4 2 9 8 0 5 1 5 1 3 6 7 3 Q Q TEL 13942296513 QQ 376315150 892498299 TEL 13942296513 QQ 376315150 892498299 http://www.xiaoyu163.com 6-15 • Key code display (at input of H key, key code: 0 Ah) • At input of faulty voltage • Remote commander key code display (at input of X key, key code: 39 h) • When key is pressed double 2-3-3. Remote Commander Key Name Display and Key Code Display 2-3-3-1. Transition Keys in Self Check Mode • Remote commander keys except keys transited in Self Check Mode 2-3-3-2. Operation and Display When a key on the remote commander is pressed in the Self Check Mode, the name of that key is displayed on the FLD. Also, the key name display and the key code display can be switched with the [DISPLAY] key on the remote commander. “NOTHING” is displayed when nothing is entered. Also, VIDEO CD, DVD, and CD segments turn on when a communication error occurred. • Remote commander key name display (at input of X key) www. xiaoyu163. com QQ 376315150 9 9 2 8 9 4 2 9 8 TEL 13942296513 9 9 2 8 9 4 2 9 8 0 5 1 5 1 3 6 7 3 Q Q TEL 13942296513 QQ 376315150 892498299 TEL 13942296513 QQ 376315150 892498299 http://www.xiaoyu163.com 6-16 2-3-4. Communication Monitoring Display The communication state is monitored and displayed while the key name on the main unit and the remote commander is displayed. When the communication to the System Controller failed, VIDEO CD, DVD, and CD segments turn on. 2-3-5. FLD Anode Test Display and SHUTTLE Click Operation Test 2-3-5-1. Transition Keys in Self Check Mode • 5 key on the remote commander • SHUTTLE on the remote commander during Anode Test display (This unit does not provide JOG/SHUTTLE, and therefore use another DVD remote commander having the JOG/SHUTTLE) 2-3-5-2. Operation and Display The Self Check Mode transits to this mode when 5 key is en- tered. This tests whether each segment turns on individually. Only the first segment of each grid of FLD turns on, and each time the SHUTTLE is entered, the segment of each grid is switched in or- der. When SHUTTLE input is clockwise, the segment switches in 1 – 2 – 3 direction, or counterclockwise it switches in 3 – 2 – 1 direction. • Display at the start of Anode Test • Communication error display (at no input of key and remote commander) • Communication error display (at code display without input of the remote commander) r (Input in CW direction) www. xiaoyu163. com QQ 376315150 9 9 2 8 9 4 2 9 8 TEL 13942296513 9 9 2 8 9 4 2 9 8 0 5 1 5 1 3 6 7 3 Q Q TEL 13942296513 QQ 376315150 892498299 TEL 13942296513 QQ 376315150 892498299 http://www.xiaoyu163.com 6-17 2-3-6. FLD Grid Test Display and SHUTTLE Click Opera- tion Test 2-3-6-1. Transition Keys in Self Check Mode • $ key on the remote commander • SHUTTLE on the remote commander during Grid Test display (This unit does not provide JOG/SHUTTLE, and therefore use an- other DVD remote commander having the JOG/SHUTTLE) 2-3-6-2. Operation and Display The Self Check Mode transits to this mode when $ key is entered. This tests whether each grid turns on individually. The first grid only of FLD turns on and other grids turn off. Each time the SHUTTLE is entered, the grid is switched in order. When SHUTTLE input is clock- wise, the grid switches in 1 – 2 – 3 direction, or counterclockwise it switches in 3 – 2 – 1 direction. • Display at the start of Grid Test r (Input in CW direction) 2-3-7. LED Test Display 2-3-7-1. Transition Keys in Self Check Mode • 4 key on the remote commander • SHUTTLE on the remote commander during Grid Test display (This model does not provide JOG/SHUTTLE, and therefore use another DVD remote commander having the JOG/SHUTTLE) 2-3-7-2. Operation and Display LED is switched in order by the input of JOG/SHUTTLE on the re- mote commander. Also, LED ON/OFF is switched by the input of same key as the function that turns on the LED concerned. • FLD display during LED Test www. xiaoyu163. com QQ 376315150 9 9 2 8 9 4 2 9 8 TEL 13942296513 9 9 2 8 9 4 2 9 8 0 5 1 5 1 3 6 7 3 Q Q TEL 13942296513 QQ 376315150 892498299 TEL 13942296513 QQ 376315150 892498299 http://www.xiaoyu163.com 6-18 a f h g e r p n s c col m d Dp j k b 7G 6G 5G 4G 3G 2G 1G P1 col col P2 P3 P4 P5 P6 P7 P8 P9 P10 P11 P12 P13 P14 P15 P16 P17 P18 P19 P20 a h j k b f m s g e n p r c d Dp a h j k b f m s g e n p r c d Dp a h j k b f m s g e n p r c d Dp a h j k b f m s g e n p r c d Dp a h j k b f m s g e n p r c d Dp a h j k b f m s g e n p r c d Dp a h j k b f m s g e n p r c d ANODE CONNECTION ( 7G-1G) 1G 7G 6G 5G 4G 3G 2G 1G 2G www. xiaoyu163. com QQ 376315150 9 9 2 8 9 4 2 9 8 TEL 13942296513 9 9 2 8 9 4 2 9 8 0 5 1 5 1 3 6 7 3 Q Q TEL 13942296513 QQ 376315150 892498299 TEL 13942296513 QQ 376315150 892498299 http://www.xiaoyu163.com 6-19 6-11. TROUBLESHOOTING 6-11-1. Cannot Enter Test Mode You cannot enter the Test mode when either button has been pressed by any reason with the board assembled in the front panel. In this state, the power does not turn on even under normal condition (the unit is kept in standby state), and also no button is active and the remote commander is not accepted. In this case, disconnect the MB-103 board and AV-61 board, and with the SELF CHECK (pin 0) of IF CON (IC404) on the IF-89 board kept in low state, sup- ply AC, and the IF CON self-diagnosis mode will be forcibly acti- vated. The IF CON (IC404) checks the SELF CHECK port only after the power on reset (only at AC supply, not in standby state). If any button is pressed, its name is displayed on the fluorescent display tube. But, if other than “NOTHING” is displayed though no button is pressed, it means that any button has been pressed. 6-11-2. Faults in Test Mode (MB-103 board) 1. The test mode menu is not displayed. 1-1. Board visual check Check that the ICs of SYSCON (IC104), ROM (IC106 or IC107), AVD (IC403), ARP & SERVO (IC301) are working correctly. Check that outside appearance of the ICs is normal. Check that IC pins are not short-circuited. Check that there is no soldering error. Check that outside appearance of the capacitors and resistors is normal. 1-2. Power supply voltage check Check the power voltage of the power connector (CN102). Check the power voltage of SYSCON (IC104). Check the power voltage of ROM (IC106 or IC107). Check the power voltage of AVD (IC403). Check the power voltage of ARP & SERVO (IC301). If the power voltage has any abnormality t Check that the power supply lines are not shorted. Check that there is no soldering error. If any abnormality cannot be found still t Check that each IC is working normally. 1-3. Clock signal check Measure the clock signal frequency at CPUCK (CL101) of SYSCON (IC104) with an oscilloscope. If the 8.25 MHz signal appears. t Check the machine ac- cording to section 1-3-1 If the 33 MHz signal appears. t Check the machine accord- ing to section 1-3-2. If other frequencies are output. R110 and R113 have defective soldering, X101 crystal os- cillator is defective. If the measurement point is fixed to either “H” or “L”. t Observe XFRRST (pin-uh) of SYSCON (IC104) with an oscilloscope. If the measurement point is “L”, check the following items. If the IC has defective soldering, if the IC is short-circuited. If the measurement point is “H”, t Component X101 or SYSCON (IC104) is defective. 1-3-1. When the 8.25 MHz signal appears at CPUCK • Check the XRD, XWRH and CS0X signal. Observe XRD (pin-u;), XWRH (pin-ua), and CS0X (pin-tk) of SYSCON (IC104) with an oscilloscope. If these pins are fixed to either “L” (0V) or “H” (3.3V), or if these pins stay in the center voltage, check the followings. Check if the signal line does not have the defective solder- ing. Check if the signal line is short-circuited with other signal lines. If you cannot find any problem t SYSCON (IC104) is defective. • HA [0 to 21] signal and HD [0 to 15] signal check Observe HA [0 to 21] (pins-

标签:

版权声明

1. 本站所有素材,仅限学习交流,仅展示部分内容,如需查看完整内容,请下载原文件。
2. 会员在本站下载的所有素材,只拥有使用权,著作权归原作者所有。
3. 所有素材,未经合法授权,请勿用于商业用途,会员不得以任何形式发布、传播、复制、转售该素材,否则一律封号处理。
4. 如果素材损害你的权益请联系客服QQ:77594475 处理。