索尼SONY DVP-K80P音响电路图

分类:电子电工 日期: 点击:0
索尼SONY DVP-K80P音响电路图-0 索尼SONY DVP-K80P音响电路图-1 索尼SONY DVP-K80P音响电路图-2 索尼SONY DVP-K80P音响电路图-3 索尼SONY DVP-K80P音响电路图-4 索尼SONY DVP-K80P音响电路图-5 索尼SONY DVP-K80P音响电路图-6 索尼SONY DVP-K80P音响电路图-7 索尼SONY DVP-K80P音响电路图-8 索尼SONY DVP-K80P音响电路图-9

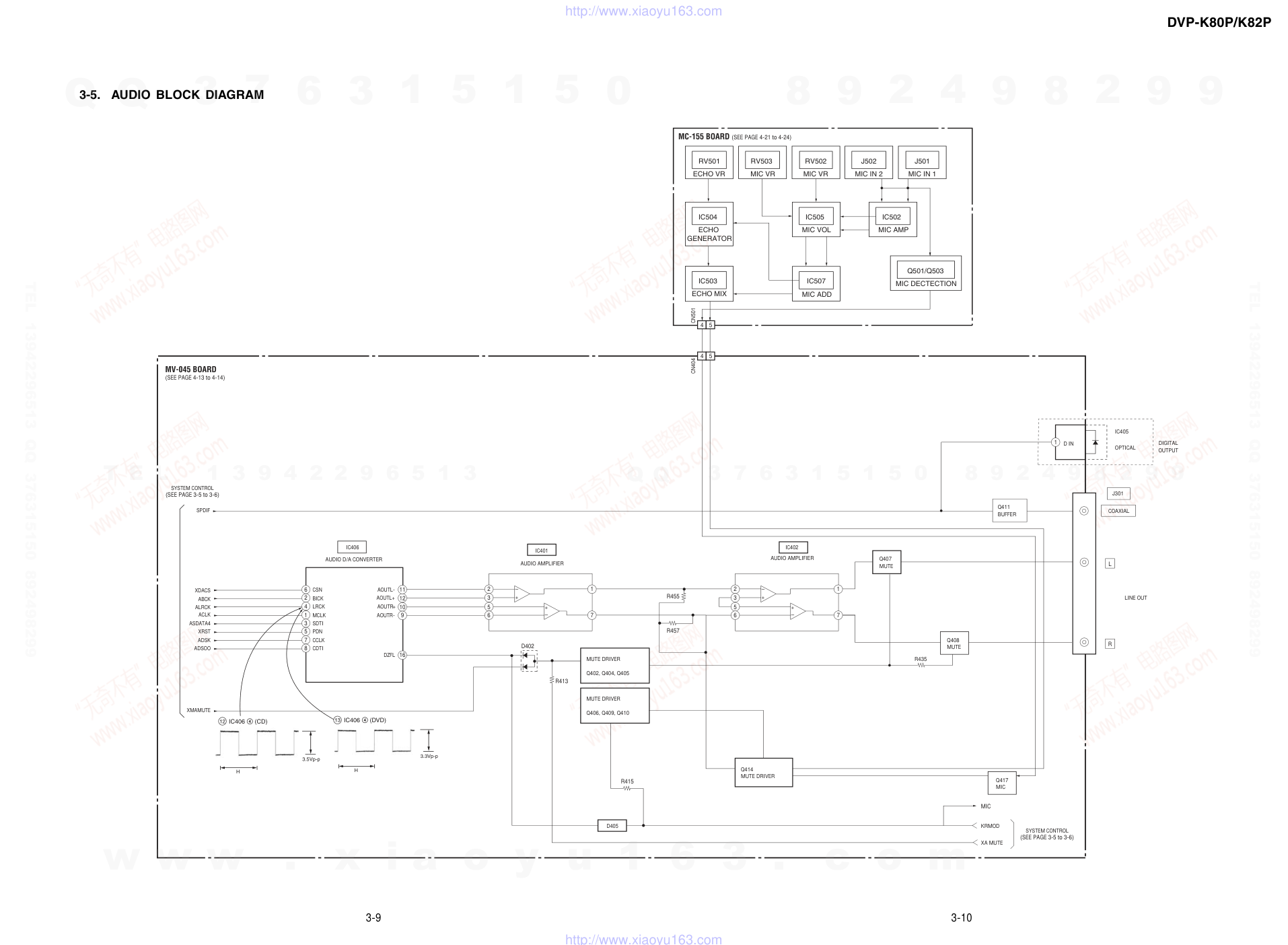
CD/DVD PLAYER System Laser: Semiconductor laser Signal format system: PAL/NTSC (See page 16 to switch) Audio characteristics Frequency response: DVD VIDEO (PCM 96 kHz): 2 Hz to 44 kHz (±1.0 dB)/ DVD VIDEO (PCM 48 kHz): 2 Hz to 22 kHz (±0.5 dB)/CD: 2 Hz to 20 kHz (±0.5 dB) Signal-to-noise ratio (S/N ratio): 115 dB (LINE OUT L/R (AUDIO) jacks only) Harmonic distortion: 0.003% Dynamic range: DVD VIDEO: 103 dB/CD: 99 dB Wow and flutter: Less than detected value (±0.001% W PEAK) Outputs and Input (Jack name: Jack type/Output level/ Load impedance) LINE OUT (AUDIO): Phono jack/ 2 Vrms/ 10 kilohms DIGITAL OUT (OPTICAL): Optical output jack/-18 dBm (wave length: 660 nm) DIGITAL OUT (COAXIAL): Phono jack/ 0.5 Vp-p/75 ohms COMPONENT VIDEO OUT (K82P) (Y, PB/CB, PR/CR): Phono jack/ Y: 1.0 Vp-p, PB/CB, PR/CR: 0.7 Vp-p/75 ohms COMPONENT VIDEO OUT (Y, PB, PR) (K80P) Phono jack/Y: 1.0 Vp-p/PB, PR: interlace*1 = 0.648 Vp-p, progressive or interlace*2 = 0.7 Vp-p/75 ohms *1 BLACK LEVEL (COMPONENT OUT) is ON *2 BLACK LEVEL (COMPONENT OUT) is OFF LINE OUT (VIDEO): Phono jack/ 1.0 Vp-p/75 ohms SPECIFICATIONS S VIDEO OUT: 4-pin mini DIN/ Y: 1.0 Vp-p, C: 0.3 Vp-p (PAL), 0.286 Vp-p (NTSC)/75 ohms MIC input 1/2: Phone jacks General Power requirements: 110–240 V AC, 50/60 Hz (Except K82P: RUS) 220–240 V AC, 50/60 Hz (K82P: RUS) Power consumption: 11 W Dimensions (approx.): 430 × 55.5 × 243.7 mm (width/height/depth) incl. projecting parts Mass (approx.): 2.04 kg Operating temperature: 5°C to 35°C Operating humidity: 25% to 80% Supplied accessories See page 14. Specifications and design are subject to change without notice. Photo : DVP-K82P RMT-D177P DVP-K80P/K82P RMT-D177A/RMT-D177P SERVICE MANUAL Brazilian Model E Model DVP-K80P Chinese Model Russian Model Saudi Arabia Model Singapore Model DVP-K82P www. xiaoyu163. com QQ 376315150 9 9 2 8 9 4 2 9 8 TEL 13942296513 9 9 2 8 9 4 2 9 8 0 5 1 5 1 3 6 7 3 Q Q TEL 13942296513 QQ 376315150 892498299 TEL 13942296513 QQ 376315150 892498299 http://www.xiaoyu163.com DVP-K80P/K82P SECTION 3 BLOCK DIAGRAMS 3-1. OVERALL BLOCK DIAGRAM 3-1 3-2 Notes: MV-045 mounted PWB must be replaced if IC103 (EEPROM IC) is damaged or not functioning. The old MV-045 mounted PWB must be completely disposed. IC408 IC102 FLASH MEMORY EEPROM IC103 IC101 IC406 IC108 IC104 IC407 3.3V REGULATOR IC VFD DRIVER CIRCUIT SDRAM RESET IC P-CONT O/I POWER TRANSFORMER SECONDARY PRIMARY SW+8V SW+5V SW+3.3V EVER-10V EVER+5V EVER+11V IC201 FOCUS TRACKING COIL DRIVE SPINDLE/SLED /LOADING MOTOR DRIVE IC401 J301 AUDIO/VIDEO OUTPUT AUDIO LPF IC402 AUDIO LPF IC304 VIDEO BUFFER DA CONVERTER MICROPROCESSOR RF AMP SERIAL BUS IC404 ND401 IC406 IF MICON VFD KEY FUNCTION SW-10V SWITCHING REGULATOR EVER +5V IR RECEIVER RESET IC SPINDLE MOTOR SLED MOTOR M M M LOADING MOTOR CHUCK/TRAY DETECT OPTICAL DEVICE DVD / CD PDIC FOCUS COIL TRACKING COIL INLIMIT SENSOR LED Vkk EVER 3.3V MV-045 BOARD (SEE PAGE 3-5 to 3-13) IF-131 BOARD (SEE PAGE 3-17 to 3-20) BASE UNIT (DEVICE, OPTICAL KHM-310CAA/C2RP) POWER LINE (SEE PAGE 3-3 to 3-4) KEY FUNCTION LED INDICATOR RV501 ECHO VR RV503 MIC VR RV502 MIC VR J502 MIC IN 2 J501 MIC IN 1 IC505 MIC VOL IC502 MIC AMP IC507 MIC ADD IC503 ECHO MIX CK-151 BOARD (SEE PAGE 4-25 to 4-28) MC-155 BOARD (SEE PAGE 4-21 to 4-24) IC501 REGULATOR IC IC504 ECHO GENERATOR • Abbreviation BR : Brazilian Model E : Latin America Model CH : Chinese Model EA : Saudi Arabia Model SP : Singapore Model w w w . x i a o y u 1 6 3 . c o m Q Q 3 7 6 3 1 5 1 5 0 9 9 2 8 9 4 2 9 8 T E L 1 3 9 4 2 2 9 6 5 1 3 9 9 2 8 9 4 2 9 8 0 5 1 5 1 3 6 7 3 Q Q TEL 13942296513 QQ 376315150 892498299 TEL 13942296513 QQ 376315150 892498299 http://www.xiaoyu163.com DVP-K80P/K82P 3-3 3-4 3-2. POWER LINE BLOCK DIAGRAM Transformer PC101 Photo Coupler IC611 Shunt Reg L312 L512 D511 D311 L211 Q211 Q712 Q311 P.CONT Q501 SW-10V SW + 5V SW + 3.3V MUTE DRIVER D401 Q401 AU-10V Q416 +5V Reg IC403 Audio Buffer IC401/402 Motor Driver IC201 FLD ND401 3.3 Reg IC IC407 PROG LED D401/407 DC-DC CONV T101 VFD DRIVER CIRCUIT FUNCTION KEY Reset IC IC408 IR Receiver IC406 IF MICON IC404 Q401/402 D301-D303 Q301-Q306 CN106 CN401 11 CN101 IC404, 405 Optical Out Audio DAC IC406 Coaxial Q411 RESET IC IC108 FLASH ROM IC102 EEPROM IC103 SDRAM IC104 1.8V Reg IC110 3.3V Reg IC 105/7 -5V Reg IC303 Video Buffer IC304 MTK IC IC101 VCC OPTICAL DEVICE EVER + 5V POWER EVER-10V SW+5V SW+3.3V EVER+5V EVER+11V AU+11V SW+8V CN501 CN405 CN404 CN302 CN201 Q611 L421 D411 D211 2 Line fiters F101 CN101 L101, L102 ACIN 1 2 T101 8 9 10 6 5 4 3 1 3 1 8 9 10 15 13 11 15 13 11 6 5 4 POWER BOARD (SRV1501WW) (SEE PAGE 4-29 to 4-32) MV-045 BOARD (SEE PAGE 4-5 to 4-16) IF-131 BOARD (SEE PAGE 4-17 to 4-20 ) CK-151 BOARD (SEE PAGE 4-25 to 4-28 ) MC-155 BOARD (SEE PAGE 4-21 to 4-24 ) 6 6 CN501 3 2 3 2 IC502 IC505 IC507 IC503 MIC VR IC501 IC504 ECHO GENERATOR P312 IPD IC101 D S C Bridge Rectifier Diode PS501 PS502 P311 The components identified by mark or dotted line with mark are critical for safety. Replace only with part number specified. Les composants identifiés par une marque sont critiques pour la sécurité. Ne les remplacer que par une pièce portant le numéro spécifié. w w w . x i a o y u 1 6 3 . c o m Q Q 3 7 6 3 1 5 1 5 0 9 9 2 8 9 4 2 9 8 T E L 1 3 9 4 2 2 9 6 5 1 3 9 9 2 8 9 4 2 9 8 0 5 1 5 1 3 6 7 3 Q Q TEL 13942296513 QQ 376315150 892498299 TEL 13942296513 QQ 376315150 892498299 http://www.xiaoyu163.com DVP-K80P/K82P 3-3. SYSTEM CONTROL/SIGNAL PROCESSOR BLOCK DIAGRAM 3-5 3-6 145 146,147,149~151,158~160 IC102 IC101 CXD9849R MICROPROCESSOR AVDECODER SERVO DSP 16M ROM IC104 64M SDRAM RAO~RA11 53~61,67~72,74~76,78,89,92,93 AO~A20 115,117,118,120,121,123~126,128~133,135 RDO-RD15 81~84,86~88,91 HDO – HD7 DQM1 DQMO BA1 SCL SDA 113 137 143 BA0 140 RAS 139 CAS 138 RWE 142 RCS 156 RCLK 157 CKE 101 110 100 99 98 105 IFSCK IFSDO IFBSY 66 77 79 IOWR IOCS IOOE IFSDI PRST XIFCS ACLK SPDIF XRST MIC XMAMUTE KRMOD 176 220 225 215 SPDIF 205 MIC ACLK ABCK ALRCK 214 213 ABCK ALRCK XMAMUTE 207 KRMOD C V MUTE Y V Y/G CB/B CR/R WIDE 196 194 198 200 202 203 209 ASDATA4 222 ASDATA4 C Y CVBS Y/G CB/B CR/R WIDE 229 228 XTALI XTALO XRST 102 103 6 5 IC103 EEPROM SCL SDA IC101 C/BAR PB 5 IC101 C/BAR PB 6 IC101 7 IC101 8 202 203 200 198 199 196 IC101 C/BAR PB 4 IC101 C/BAR PB 3 IC 108 RESET IC CN 106 1 MV-045 BOARD (SEE PAGE 4-7 to 4-8) TO MV-045 AUDIO (SEE PAGE 3-9) TO MV-045 VIDEO (SEE PAGE 3-11) IFBSY IFSCK IFSDO XIFCS IFSDI XSYSRST V MUTE A MUTE TO IF 131 INTERFACE (SEE PAGE 3-14) 9 5 7 4 6 2 10 14 A_MUTE TO MV-045 AUDIO (SEE PAGE 3-10) 0.7Vp-p 27MHz 3.3Vp-p IC101 9 228 H 0.7Vp-p H 1Vp-p H 286 mVp-p (NTSC) 300 mVp-p (PAL) H 1Vp-p H 1Vp-p H IC101 11 215 3.3Vp-p 24MHz IC101 10 156 3.3Vp-p 110MHz X102 w w w . x i a o y u 1 6 3 . c o m Q Q 3 7 6 3 1 5 1 5 0 9 9 2 8 9 4 2 9 8 T E L 1 3 9 4 2 2 9 6 5 1 3 9 9 2 8 9 4 2 9 8 0 5 1 5 1 3 6 7 3 Q Q TEL 13942296513 QQ 376315150 892498299 TEL 13942296513 QQ 376315150 892498299 http://www.xiaoyu163.com DVP-K80P/K82P 3-4. RF/SERVO BLOCK DIAGRAM 3-7 3-8 MV-045 BOARD (SEE PAGE 4-9 to 4-10) BASE UNIT (DEVICE, OPTICAL KHM-310CAA/C2RP) BASE UNIT SLED MOTOR SPINDLE MOTOR LIMIT DETECT CN201 36 37 34 10 13 15 4 1 D01+ D01- D02+ D02- 24 25 D05+ D05- 22 23 20 21 18 19 MDI2 MDI1 LD01 TSD_M MUTE MUTE123 SPFG TROPENPWM DMO FMO TRO FOO LD02 6 DVDRFIP TPI TNI 50 49 OCSW CKSW 114 LIMITSW IN1- IN2- IN3- IN4- CTL 20 22 MUTE4 TSD_M 7 19 21 6 45 OPO RES1 RES2 MUTE123 PS IC201 MOTOR DRIVER IC IC101 (2/2) RF AMPLIFIER LDM+ LDM- OKSW1 OCSW1 FCS- FCS+ TRK+ TRK- LD (780) LD (650) PD RF F E M001 LOADING MOTOR S001 CHUCK/TRAY DETECT FOCUS COIL TRACKING COIL DVD/CD LD MODULE CN202 DVD/CD LD DRIVE Q102 2~5 8~11 C D A B DVD/CD PDIC 186 FWD 185 181 183 184 47 39 37 38 41 42 REV 16 FWD 17 REV 35 IC101 6 (DVD PB) 5 IC101 6 (CD PB) 5 200nsec 100nsec 24 23 22 21 6 2 5 14 10 17 20 19 16 15 CN101 5 4 2 1 1 2 5 6 3 3 4 6 7 MS-203 BOARD 27 28 D04+ D04- 29 30 D03+ D03- SP- SP+ SL- SL+ LIMIT (0.5Vp-p to 1.1Vp-p) (0.65Vp-p to 1.48Vp-p) w w w . x i a o y u 1 6 3 . c o m Q Q 3 7 6 3 1 5 1 5 0 9 9 2 8 9 4 2 9 8 T E L 1 3 9 4 2 2 9 6 5 1 3 9 9 2 8 9 4 2 9 8 0 5 1 5 1 3 6 7 3 Q Q TEL 13942296513 QQ 376315150 892498299 TEL 13942296513 QQ 376315150 892498299 http://www.xiaoyu163.com DVP-K80P/K82P 3-9 3-10 3-5. AUDIO BLOCK DIAGRAM 3.5Vp-p H 3.3Vp-p H L R R457 R455 R413 IC401 MUTE DRIVER Q402, Q404, Q405 MUTE DRIVER Q406, Q409, Q410 AUDIO AMPLIFIER IC402 AUDIO AMPLIFIER LINE OUT Q411 BUFFER R435 J301 OPTICAL IC405 COAXIAL DIGITAL OUTPUT XA MUTE KRMOD + – + – D405 Q414 MUTE DRIVER D IN + – + – Q408 MUTE 2 3 5 6 1 7 2 6 3 5 1 7 1 16 1 3 5 7 8 6 2 4 SYSTEM CONTROL (SEE PAGE 3-5 to 3-6) IC406 AOUTR- MCLK SDTI PDN CSN BICK LRCK CCLK CDTI DZFL AOUTR + AOUTL+ AOUTL- AUDIO D/A CONVERTER 11 12 10 9 IC406 4 (DVD) 13 IC406 4 (CD) 12 ACLK ALRCK ABCK XDACS ASDATA4 XRST ADSK ADSOO XMAMUTE SPDIF MV-045 BOARD (SEE PAGE 4-13 to 4-14) SYSTEM CONTROL (SEE PAGE 3-5 to 3-6) Q417 MIC D402 R415 MIC Q407 MUTE RV503 MIC VR RV501 ECHO VR IC504 ECHO GENERATOR IC505 MIC VOL IC502 MIC AMP IC507 MIC ADD RV502 MIC VR J502 MIC IN 2 J501 MIC IN 1 IC503 ECHO MIX MC-155 BOARD (SEE PAGE 4-21 to 4-24) 4 5 CN501 4 5 CN404 MIC DECTECTION Q501/Q503 w w w . x i a o y u 1 6 3 . c o m Q Q 3 7 6 3 1 5 1 5 0 9 9 2 8 9 4 2 9 8 T E L 1 3 9 4 2 2 9 6 5 1 3 9 9 2 8 9 4 2 9 8 0 5 1 5 1 3 6 7 3 Q Q TEL 13942296513 QQ 376315150 892498299 TEL 13942296513 QQ 376315150 892498299 http://www.xiaoyu163.com DVP-K80P/K82P 3-11 3-12 3-6. VIDEO BLOCK DIAGRAM S VIDEO OUT 32 29 27 31 23 25 21 8 11 13 1 16 3 5 Y C COMPONENT VIDEO OUT Y Cb Cr C Y V VIDEO IN VIDEO OUT MUTE Y OUT Y IN C IN C OUT MUTE2 Y IN Y OUT Y Cb Cr Cb IN Cr IN Cb OUT Cr OUT VIDEO COMBO JACK J501 H 2.0Vp-p IC304 wg 16 H 1.4Vp-p IC304 wa 18 H 1.4Vp-p IC304 wd 17 63.5usec 2.0Vp-p IC304 wj 14 VIDEO BUFFER IC304 MV-045 BOARD (SEE PAGE 4-11 to 4-12) SYSTEM CONTROL (SEE PAGE 3-5 to 3-6) H 2.0Vp-p IC304 wl 15 H 1.8Vp-p IC304 ea 19 w w w . x i a o y u 1 6 3 . c o m Q Q 3 7 6 3 1 5 1 5 0 9 9 2 8 9 4 2 9 8 T E L 1 3 9 4 2 2 9 6 5 1 3 9 9 2 8 9 4 2 9 8 0 5 1 5 1 3 6 7 3 Q Q TEL 13942296513 QQ 376315150 892498299 TEL 13942296513 QQ 376315150 892498299 http://www.xiaoyu163.com DVP-K80P/K82P 3-13 3-14E 3-7. INTERFACE CONTROL BLOCK DIAGRAM 3.3V REGULATOR IC 407 IC 406 IC 408 80 11 8 1 2 1 3 40 PROG LED IR 78 5 VCC VDD /RST VKK 50 69 71 77 12 38 4 11 D401 EVER+3.3V EVER+3.3V EVER+3.3V RESET IR RECEIVER VFD DRIVER CIRCUIT ND401 FLUORESCENT INDICATOR TUBE SW-10V 1 2 40 41 SEG 1-20 DIG 1-7 IC 404 IF CON AD1 AD2 XIN XOUT 36 34 35 26 27 24 23 17 16 15 14 7 2 3 43 42 41 33 SYSRST /CS SI SO /SC /AMUTE /VMUTE BUSY PCONT 37 POWER O/C SYSRST EVER+5V SW-10V SW+3.3V XIFCS SOO SIO SCO A-MUTE V-MUTE XIFBUSY PCONT POWER-SWITCH CN401 S401 OPEN/ CLOSE R431 R430 S405 S404 S403 S402 R429 R428 S406 S407 PROG STOP PREV NEXT PAUSE PLAY X401 8MHz IF-131 BOARD (SEE PAGE 4-19 to 4-20) 4 5 7 5 3 4 6 2 8 16 14 11 12 9 13 5 3 2 4 SYSTEM CONTROL (SEE PAGE 3-5 to 3-6) R302 b b S303 S302 S301 R301 CN302 CN405 # # R304 R303 R305 D303 D302 D301 CK-151 BOARD (SEE PAGE 4-27 to 4-28) 5 3 2 4 w w w . x i a o y u 1 6 3 . c o m Q Q 3 7 6 3 1 5 1 5 0 9 9 2 8 9 4 2 9 8 T E L 1 3 9 4 2 2 9 6 5 1 3 9 9 2 8 9 4 2 9 8 0 5 1 5 1 3 6 7 3 Q Q TEL 13942296513 QQ 376315150 892498299 TEL 13942296513 QQ 376315150 892498299 http://www.xiaoyu163.com DVP-K80P/K82P 1 A B C D E F G H I 2 12 13 11 10 9 8 7 6 5 4 3 14 15 SECTION 4 PRINTED WIRING BOARDS AND SCHEMATIC DIAGRAMS 4-1 4-2 M M SWITCHING REGULATOR IF-131 BOARD CK-151 BOARD MV-045 BOARD MS-203 BOARD BASE UNIT OPTICAL DEVICE SW+8V SC_IN (N) 2P AC_IN (L) 2 1 1 1-963-090-11 HARNESS PM-119 1-830-281-11 FFC (FIM-011) 1.0 pitch 10P CN201 10P CN501 MTR GND 2 EVER+11V 3 EVER+5V 4 SW+3.3V 5 SW+5V 6 GND 7 P-CONT 8 POWER SW 9 EVER-10V 10 SW+8V 1 MTR GND 2 EVER+11V 3 EVER+5V 4 SW+3.3V 5 SW+5V 6 GND 7 P-CONT 8 POWER SW 9 EVER-10V 10 GND POWER_SWITCH SW-10V A_MUTE EVER+3.3V PCONT SW+3.3V V_MUTE SCO GND SOO SIO XIFBUSY XIFCS 3.3V_MNT SYSRST GND 1 2 3 4 5 6 7 8 9 10 11 12 13 14 15 16 17 17 16 15 14 13 12 11 10 9 8 7 6 5 4 3 2 1 GND POWER_SWITCH SW-10V A_MUTE EVER+3.3V PCONT TXD PI TE FE GND RF 5 4 3 2 1 OCSW1 / REV CKSW1 / FWD GND / CTL LDM- LDM+ 1 2 3 4 5 OCSW1 / REV CKSW1 / FWD GND / CTL LDM- LDM+ 5 4 3 2 1 RXD GND +3.3V V2REF0 RF MON 1 2 3 4 5 6 SW+3.3V V_MUTE SCO GND SOO SIO XIFBUSY XIFCS 3.3V_MNT SYSRST GND 17P CN401 17P * CN106 6P CN105 5P CN103 TO SERVO JIG 5P CN202 CN001 5P 1-830-280-11 FFC (FMS-007) 1.0 pitch 24P CN101 GND (LD) 1 LD (650) 2 N.C 3 N.C 4 PD 5 LD (780) 6 VR (650) 7 VR (780) 8 N.C 9 VoE/e+g 10 Vcc 11 Vc 12 GND (PDIC) 13 VoF/f+n 14 VoB/b 15 VoA/a 16 RF 17 (LO:DVD, HI:CD) MSW 18 VoD/d 19 VoC/c 20 TRK- 21 TRK+ 22 FCS+ 23 FCS- 24 24P CN101 GND (LD) 24 LD (650) 23 N.C 22 N.C 21 PD 20 LD (780) 19 VR (650) 18 VR (780) 17 N.C 16 VoE/e+g 15 Vcc 14 Vc 13 GND (PDIC) 12 VoF/f+n 11 VoB/b 10 VoA/a 9 RF 8 (LO:DVD, HI:CD) MSW 7 VoD/d 6 VoC/c 5 TRK- 4 TRK+ 3 FCS+ 2 FCS- 1 1-830-279-11 FFC (FMO-008) 0.5 pitch HARNESS MD-111 1-963-599-11 SP- SP+ LIMIT (GND) LIMIT SL- SL+ 1 2 3 4 5 6 6P CN201 SP- SP+ LIMIT (GND) LIMIT SL- SL+ 6 5 4 3 2 1 6P CNXXX SPINDLE MOTOR LIMIT SWITCH SLIDER MOTOR 1-963-598-11 HARNESS IK-053 SW+3.3V LED_KEY- LED_KEY0 KEY CONTROL LED_KEY+ 6 5 4 3 2 GND 1 6P CN302 SW+3.3V LED_KEY- LED_KEY0 KEY CONTROL LED_KEY+ 6 5 4 3 2 GND 1 6P CN406 MC-155 BOARD 1-963-597-11 MC-086 HARNESS MIC+ECHO XMIC AU+11V AU-10V GND_AUDIO 5 4 3 2 1 5P * CN404 MIC+ECHO XMIC AU+11V AU-10V GND 5 4 3 2 1 5P CN501 FRAME SCHEMATIC DIAGRAM 4-1. FRAME SCHEMATIC DIAGRAM w w w . x i a o y u 1 6 3 . c o m Q Q 3 7 6 3 1 5 1 5 0 9 9 2 8 9 4 2 9 8 T E L 1 3 9 4 2 2 9 6 5 1 3 9 9 2 8 9 4 2 9 8 0 5 1 5 1 3 6 7 3 Q Q TEL 13942296513 QQ 376315150 892498299 TEL 13942296513 QQ 376315150 892498299 http://www.xiaoyu163.com DVP-K80P/K82P 4-3 4-4 For printed wiring boards: • : indicates a lead wire mounted on the component side. • : indicates a lead wire mounted on the printed side. • a : Through hole. • : Pattern from the side which enables seeing. (The other layers’ patterns are not indicated.) For schematic diagrams: • All capacitors are in µF unless otherwise noted. pF : µµF. 50V or less are not indicated except for electrolytics and tantalums. • All resistors are in ohms, 1/4W (Chip resistors : 1/10W) un-less otherwise specified. kΩ = 1000Ω, MΩ = 1000kΩ. • Caution when replacing chip parts. New parts must be attached after removal of chip. Be careful not to heat the minus side of tantalum capacitor, because it is damaged by the heat. • All variable and adjustable resistors have characteristic curve B, unless otherwise noted. • : non flammable resistor. • : fusible resistor. • : panel designation. • f : internal component. • : adjustment for repair. • Circled numbers refer to waveforms. • Voltages are dc between measurement point. • Readings are taken with a color-bar signal on DVD refer- ence disc and when playing CD reference disc. • Readings are taken with a digital multimeter (DC 10MΩ). • Voltage variations may be noted due to normal production tolerances. Caution: Pattern face side: Parts on the pattern face side seen from (Side A) the pattern face are indicated. Parts face side: Parts on the parts face side seen from (Side B) the parts face are indicated. When indicating parts by reference number, please include the board name. Note: The components identi- fied by mark or dotted line with mark are criti- cal for safety. Replace only with part number specified. Note: Les composants identifiés par une marque sont critiques pour la sécurité. Ne les remplacer que par une pièce portant le numéro spécifié. 4-2. PRINTED WIRING BOARDS AND SCHEMATIC DIAGRAMS THIS NOTE IS COMMON FOR WIRING BOARDS AND SCHEMATIC DIAGRAMS. (In addition to this, the necessary note is printed in each block) MV-045 BOARD H H H H IC101 C/BAR PB IC101 C/BAR PB IC101 C/BAR PB IC101 9 228 156 215 IC101 6 (CD PB) 1 200nsec IC101 6 (DVD PB) 2 100nsec 5 1Vp-p H IC101 C/BAR PB 6 1Vp-p H IC101 7 0.7Vp-p H IC101 8 0.7Vp-p H 3.3Vp-p 203 202 200 198 194 196 4 1Vp-p H 3 H 3.3Vp-p 24MHz IC101 11 3.3Vp-p 110MHz 27MHz IC101 10 3.5Vp-p H 3.3Vp-p H IC406 4 (CD) 12 IC406 4 (DVD) 13 IC304 wl C/BAR PB 15 2.0Vp-p IC304 wg C/BAR PB 16 2.0Vp-p IC304 wj C/BAR PB 14 2.0Vp-p IC304 ea C/BAR PB 19 IC304 wd 17 1.4Vp-p H IC304 wa 18 1.4Vp-p H (0.5Vp-p to 1.1Vp-p) (0.65Vp-p to 1.48Vp-p) 286 mVp-p (NTSC) 300 mVp-p (PAL) 1.8Vp-p 4-3. WAVEFORM WAVEFORM MV-045 • Abbreviation BR : Brazilian Model E : Latin America Model CH : Chinese Model EA : Saudi Arabia Model SP : Singapore Model w w w . x i a o y u 1 6 3 . c o m Q Q 3 7 6 3 1 5 1 5 0 9 9 2 8 9 4 2 9 8 T E L 1 3 9 4 2 2 9 6 5 1 3 9 9 2 8 9 4 2 9 8 0 5 1 5 1 3 6 7 3 Q Q TEL 13942296513 QQ 376315150 892498299 TEL 13942296513 QQ 376315150 892498299 http://www.xiaoyu163.com DVP-K80P/K82P D C E F B A 1 2 5 4 3 CK-151 Board (KEY CONTROL) MC-155 Board (MIC-ECHO) IF-131 Board (IF) MV-045 Board (CPU, Servo-DSP, AVDEC, DRIVE, VIDEO, AUDIO, POWER) Power Board MV-045 BOARD SIDE A IC101 C-4 IC102 B-3 IC103 B-4 IC104 C-5 IC108 A-2 IC110 D-2 IC201 B-2 IC401 E-4 IC402 E-4 IC404 G-5 IC405 G-4 IC406 E-4 Q101 C-4 Q102 D-2 Q103 C-4 Q304 F-3 Q305 F-2 Q307 F-4 Q371 F-1 Q372 F-1 Q373 E-1 Q374 F-1 Q401 E-3 Q402 E-5 Q403 E-3 Q404 E-4 Q405 F-4 Q406 E-5 Q409 E-5 Q410 F-5 Q414 F-3 Q417 F-2 Q501 E-1 Q502 E-1 Q503 D-1 Q504 D-1 D201 A-2 D310 E-2 D501 A-3 D402 E-4 D403 F-4 D405 E-4 SIDE B IC105 B-3 IC106 D-4 IC107 D-3 IC303 F-5 IC304 F-4 IC403 E-3 IC501 A-3 Q407 F-3 Q408 F-3 Q411 F-1 Q416 E-3 D308 F-4 D309 F-4 D401 E2 D404 E-3 There are a few cases that the part printed on this diagram isn’t mounted in this model. For printed wiring board CPU, Servo-DSP, AVDEC, DRIVE, VIDEO, AUDIO, POWER MV-045 MV-045 (CPU, Servo-DSP, AVDEC, DRIVE, VIDEO, AUDIO, POWER) PRINTED WIRING BOARD • : Uses unleaded solder. MV-045 BOARD SIDE A MV-045 BOARD SIDE B 4-5 D C E F G B A 1 2 5 4 3 w w w . x i a o y u 1 6 3 . c o m Q Q 3 7 6 3 1 5 1 5 0 9 9 2 8 9 4 2 9 8 T E L 1 3 9 4 2 2 9 6 5 1 3 9 9 2 8 9 4 2 9 8 0 5 1 5 1 3 6 7 3 Q Q TEL 13942296513 QQ 376315150 892498299 TEL 13942296513 QQ 376315150 892498299 http://www.xiaoyu163.com DVP-K80P/K82P 1 A B C D E F G H I J 2 12 13 11 10 9 8 7 6 5 4 3 14 15 4-7 4-8 CPU, Servo-DSP, AVDEC MV-045 (1/5) For Schematic Diagram • Refer to page 4-5 for printed wiring board of MV-045 board. • Refer to page 4-4 for waveform MV-045 BOARD (1/5) CPU, Servo-DSP, AVDEC -REF.NO.:1000 SERIES- XX MARK:NO MOUNT NO MARK:REC/PB MODE w w w . x i a o y u 1 6 3 . c o m Q Q 3 7 6 3 1 5 1 5 0 9 9 2 8 9 4 2 9 8 T E L 1 3 9 4 2 2 9 6 5 1 3 9 9 2 8 9 4 2 9 8 0 5 1 5 1 3 6 7 3 Q Q TEL 13942296513 QQ 376315150 892498299 TEL 13942296513 QQ 376315150 892498299 http://www.xiaoyu163.com DVP-K80P/K82P 1 A B C D E F G H I J 2 12 13 11 10 9 8 7 6 5 4 3 14 15 4-10 DRIVE MV-045 (2/5) 4-9 For Schematic Diagram • Refer to page 4-5 for printed wiring board of MV-045 board. • Refer to page 4-4 for waveform MV-045 BOARD (2/5) DRIVE -REF.NO.:1000 SERIES- XX MARK:NO MOUNT NO MARK:REC/PB MODE w w w . x i a o y u 1 6 3 . c o m Q Q 3 7 6 3 1 5 1 5 0 9 9 2 8 9 4 2 9 8 T E L 1 3 9 4 2 2 9 6 5 1 3 9 9 2 8 9 4 2 9 8 0 5 1 5 1 3 6 7 3 Q Q TEL 13942296513 QQ 376315150 892498299 TEL 13942296513 QQ 376315150 892498299 http://www.xiaoyu163.com DVP-K80P/K82P 1 A B C D E F G H I J 2 12 13 11 10 9 8 7 6 5 4 3 14 15 4-11 4-12 VIDEO MV-045 (3/5) For Schematic Diagram • Refer to page 4-5 for printed wiring board of MV-045 board. • Refer to page 4-4 for waveform MV-045 BOARD (3/5) VIDEO -REF.NO.:1000 SERIES- XX MARK:NO MOUNT NO MARK:REC/PB MODE SIGNAL PATH VIDEO SIGNAL CHROMA PB Y Y/CHROMA AUDIO SIGNAL w w w . x i a o y u 1 6 3 . c o m Q Q 3 7 6 3 1 5 1 5 0 9 9 2 8 9 4 2 9 8 T E L 1 3 9 4 2 2 9 6 5 1 3 9 9 2 8 9 4 2 9 8 0 5 1 5 1 3 6 7 3 Q Q TEL 13942296513 QQ 376315150 892498299 TEL 13942296513 QQ 376315150 892498299 http://www.xiaoyu163.com DVP-K80P/K82P 1 A B C D E F G H I J 2 12 13 11 10 9 8 7 6 5 4 3 14 15 4-13 4-14 MV-045 BOARD (4/5) AUDIO -REF.NO.:1000 SERIES- XX MARK:NO MOUNT NO MARK:REC/PB MODE For Schematic Diagram • Refer to page 4-5 for printed wiring board of MV-045 board. • Refer to page 4-4 for waveform AUDIO MV-045 (4/5) SIGNAL PATH VIDEO SIGNAL CHROMA PB Y Y/CHROMA AUDIO SIGNAL w w w . x i a o y u 1 6 3 . c o m Q Q 3 7 6 3 1 5 1 5 0 9 9 2 8 9 4 2 9 8 T E L 1 3 9 4 2 2 9 6 5 1 3 9 9 2 8 9 4 2 9 8 0 5 1 5 1 3 6 7 3 Q Q TEL 13942296513 QQ 376315150 892498299 TEL 13942296513 QQ 376315150 892498299 http://www.xiaoyu163.com DVP-K80P/K82P 1 A B C D E F G H I J 2 12 13 11 10 9 8 7 6 5 4 3 14 15 4-15 4-16 POWER MV-045 (5/5) For Schematic Diagram • Refer to page 4-5 for printed wiring board of MV-045 board. • Refer to page 4-4 for waveform MV-045 BOARD (5/5) POWER -REF.NO.:1000 SERIES- XX MARK:NO MOUNT NO MARK:REC/PB MODE Note : The components identified by mark or dotted line with mark are critical for safety. Replace only with part number specified. w w w . x i a o y u 1 6 3 . c o m Q Q 3 7 6 3 1 5 1 5 0 9 9 2 8 9 4 2 9 8 T E L 1 3 9 4 2 2 9 6 5 1 3 9 9 2 8 9 4 2 9 8 0 5 1 5 1 3 6 7 3 Q Q TEL 13942296513 QQ 376315150 892498299 TEL 13942296513 QQ 376315150 892498299 http://www.xiaoyu163.com DVP-K80P/K82P 4-17 4-18 IF-131 BOARD SIDE A IC406 A-2 Q402 A-10 Q403 B-12 Q404 A-12 Q405 A-12 D407 B-11 D409 A-9 D410 A-1 D411 A-1 SIDE B IC404 A-5 IC407 B-1 IC408 A-3 Q401 A-2 Q402 A-3 D402 A-1 D403 A-1 D404 A-1 D405 A-1 D406 A-2 IF-131 (IF) PRINTED WIRING BOARD There are a few cases that the part printed on this diagram isn’t mounted in this model. For printed wiring board IF-131 BOARD SIDE A • : Uses unleaded solder. IF IF-131 IF-131 BOARD SIDE B A 1 2 8 7 6 5 4 11 10 9 3 A 1 2 8 7 6 5 4 11 10 9 3 CK-151 Board (KEY CONTROL) MC-155 Board (MIC-ECHO) IF-131 Board (IF) MV-045 Board (CPU, Servo-DSP, AVDEC, DRIVE, VIDEO, AUDIO, POWER) Power Board w w w . x i a o y u 1 6 3 . c o m Q Q 3 7 6 3 1 5 1 5 0 9 9 2 8 9 4 2 9 8 T E L 1 3 9 4 2 2 9 6 5 1 3 9 9 2 8 9 4 2 9 8 0 5 1 5 1 3 6 7 3 Q Q TEL 13942296513 QQ 376315150 892498299 TEL 13942296513 QQ 376315150 892498299 http://www.xiaoyu163.com 1 A B C D E F G H I J 2 12 13 11 10 9 8 7 6 5 4 3 14 15 DVP-K80P/K82P 4-19 4-20 For Schematic Diagram • Refer to page 4-17 for printed wiring board of IF-131 board. IF-131 BOARD IF -REF.NO.:1000 SERIES- XX MARK:NO MOUNT NO MARK:PB MODE MARKED:MOUNT TABLE IF IF-131 w w w . x i a o y u 1 6 3 . c o m Q Q 3 7 6 3 1 5 1 5 0 9 9 2 8 9 4 2 9 8 T E L 1 3 9 4 2 2 9 6 5 1 3 9 9 2 8 9 4 2 9 8 0 5 1 5 1 3 6 7 3 Q Q TEL 13942296513 QQ 376315150 892498299 TEL 13942296513 QQ 376315150 892498299 http://www.xiaoyu163.com DVP-K80P/K82P 4-21 4-22 MIC-ECHO MC-155 MC-155 BOARD SIDE A IC507 B-3 Q501 A-4 Q503 A-3 SIDE B IC501 A-3 IC502 C-3 IC503 B-1 IC504 B-1 IC505 B-2 Q502 A-3 D501 B-4 D502 B-4 D503 C-4 MC-155 (MIC-ECHO) PRINTED WIRING BOARD There are a few cases that the part printed on this diagram isn’t mounted in this model. For printed wiring board MC-155 BOARD SIDE A • : Uses unleaded solder. MC-155 BOARD SIDE B B C A 1 2 4 3 B C A 1 2 4 3 CK-151 Board (KEY CONTROL) MC-155 Board (MIC-ECHO) IF-131 Board (IF) MV-045 Board (CPU, Servo-DSP, AVDEC, DRIVE, VIDEO, AUDIO, POWER) Power Board w w w . x i a o y u 1 6 3 . c o m Q Q 3 7 6 3 1 5 1 5 0 9 9 2 8 9 4 2 9 8 T E L 1 3 9 4 2 2 9 6 5 1 3 9 9 2 8 9 4 2 9 8 0 5 1 5 1 3 6 7 3 Q Q TEL 13942296513 QQ 376315150 892498299 TEL 13942296513 QQ 376315150 892498299 http://www.xiaoyu163.com 1 A B C D E F G H I J 2 12 13 11 10 9 8 7 6 5 4 3 14 15 DVP-K80P/K82P 4-23 4-24 MIC-ECHO MC-155 For Schematic Diagram • Refer to page 4-21 for printed wiring board of MC-155 board. MC-155 BOARD MIC-ECHO -REF.NO.:1000 SERIES- XX MARK:NO MOUNT NO MARK:PB MODE MARKED:MOUNT TABLE w w w . x i a o y u 1 6 3 . c o m Q Q 3 7 6 3 1 5 1 5 0 9 9 2 8 9 4 2 9 8 T E L 1 3 9 4 2 2 9 6 5 1 3 9 9 2 8 9 4 2 9 8 0 5 1 5 1 3 6 7 3 Q Q TEL 13942296513 QQ 376315150 892498299 TEL 13942296513 QQ 376315150 892498299 http://www.xiaoyu163.com DVP-K80P/K82P 4-25 4-26 KEY CONTROL CK-151 CK-151 (KEY CONTROL) PRINTED WIRING BOARD There are a few cases that the part printed on this diagram isn’t mounted in this model. For printed wiring board CK-151 BOARD SIDE A • : Uses unleaded solder. CK-151 BOARD SIDE B CK-151 BOARD SIDE A Q301 A-1 Q302 A-1 Q303 A-2 Q304 A-2 Q305 A-2 Q306 A-3 D301 A-1 D302 A-2 D303 A-3 A 1 2 3 A 1 2 3 CK-151 Board (KEY CONTROL) MC-155 Board (MIC-ECHO) IF-131 Board (IF) MV-045 Board (CPU, Servo-DSP, AVDEC, DRIVE, VIDEO, AUDIO, POWER) Power Board w w w . x i a o y u 1 6 3 . c o m Q Q 3 7 6 3 1 5 1 5 0 9 9 2 8 9 4 2 9 8 T E L 1 3 9 4 2 2 9 6 5 1 3 9 9 2 8 9 4 2 9 8 0 5 1 5 1 3 6 7 3 Q Q TEL 13942296513 QQ 376315150 892498299 TEL 13942296513 QQ 376315150 892498299 http://www.xiaoyu163.com 1 A B C D E F G H I J 2 12 13 11 10 9 8 7 6 5 4 3 14 15 DVP-K80P/K82P 4-27 4-28 For Schematic Diagram • Refer to page 4-25 for printed wiring board of CK-151 board. CK-151 BOARD KEY CONTROL -REF.NO.:1000 SERIES- XX MARK:NO MOUNT NO MARK:PB MODE MARKED:MOUNT TABLE KEY CONTROL CK-151 w w w . x i a o y u 1 6 3 . c o m Q Q 3 7 6 3 1 5 1 5 0 9 9 2 8 9 4 2 9 8 T E L 1 3 9 4 2 2 9 6 5 1 3 9 9 2 8 9 4 2 9 8 0 5 1 5 1 3 6 7 3 Q Q TEL 13942296513 QQ 376315150 892498299 TEL 13942296513 QQ 376315150 892498299 http://www.xiaoyu163.com DVP-K80P/K82P 4-30 4-29 There are a few cases that the part printed on this diagram isn’t mounted in this model. For printed wiring board • : Uses unleaded solder. POWER BLOCK (SRV1501WW) PRINTED WIRING BOARD POWER BOARD (SRV1501WW) (SIDE A) POWER BOARD (SRV1501WW) (SIDE B) POWER BOARD (SRV1501WW) SIDE A IC101 B-4 IC611 A-6 Q211 A-6 D101 A-4 D102 A-3 D103 A-3 D104 A-3 D105 B-4 D106 B-4 D107 A-4 D108 A-4 D211 A-5 D212 C-5 D213 A-6 D311 B-5 D312 B-5 D313 B-5 D315 A-6 D317 A-6 D318 A-7 D411 B-5 D511 C-5 SIDE B Q311 A-1 Q611 A-2 Q712 A-1 POWER BOARD POWER BLOCK (SRV1501WW) B A 1 2 7 6 5 4 3 1-478-539-31 B A 1 2 7 6 5 4 3 CK-151 Board (KEY CONTROL) MC-155 Board (MIC-ECHO) IF-131 Board (IF) MV-045 Board (CPU, Servo-DSP, AVDEC, DRIVE, VIDEO, AUDIO, POWER) Power Board w w w . x i a o y u 1 6 3 . c o m Q Q 3 7 6 3 1 5 1 5 0 9 9 2 8 9 4 2 9 8 T E L 1 3 9 4 2 2 9 6 5 1 3 9 9 2 8 9 4 2 9 8 0 5 1 5 1 3 6 7 3 Q Q TEL 13942296513 QQ 376315150 892498299 TEL 13942296513 QQ 376315150 892498299 http://www.xiaoyu163.com 1 A B C D E F G H I J 2 12 13 11 10 9 8 7 6 5 4 3 14 15 DVP-K80P/K82P For Schematic Diagram • Refer to page 4-29 for printed wiring board of Power Board. 4-31 4-32E POWER BOARD POWER BLOCK (SRV1501WW) POWER BOARD POWER BLOCK (SRV1501WW) -REF.NO.:1000 SERIES- XX MARK:NO MOUNT NO MARK:PB MODE MARKED:MOUNT TABLE Note : The components identified by mark or dotted line with mark are critical for safety. Replace only with part number specified. w w w . x i a o y u 1 6 3 . c o m Q Q 3 7 6 3 1 5 1 5 0 9 9 2 8 9 4 2 9 8 T E L 1 3 9 4 2 2 9 6 5 1 3 9 9 2 8 9 4 2 9 8 0 5 1 5 1 3 6 7 3 Q Q TEL 13942296513 QQ 376315150 892498299 TEL 13942296513 QQ 376315150 892498299 http://www.xiaoyu163.com

标签:

版权声明

1. 本站所有素材,仅限学习交流,仅展示部分内容,如需查看完整内容,请下载原文件。
2. 会员在本站下载的所有素材,只拥有使用权,著作权归原作者所有。
3. 所有素材,未经合法授权,请勿用于商业用途,会员不得以任何形式发布、传播、复制、转售该素材,否则一律封号处理。
4. 如果素材损害你的权益请联系客服QQ:77594475 处理。