索尼SONY DVP-F5 DVD机电路原理图

分类:电子电工 日期: 点击:0
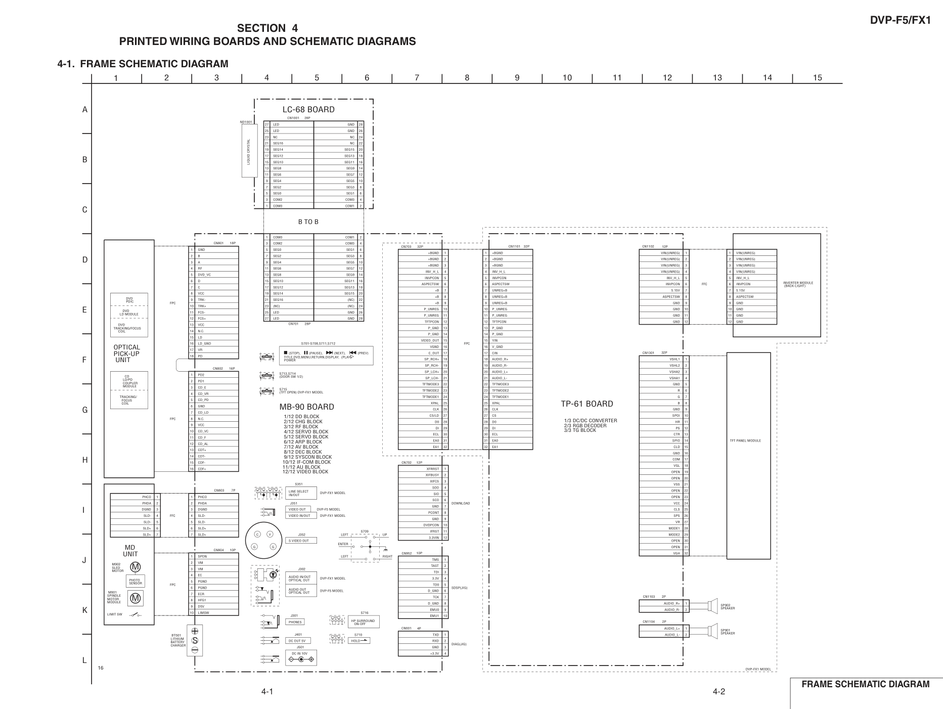
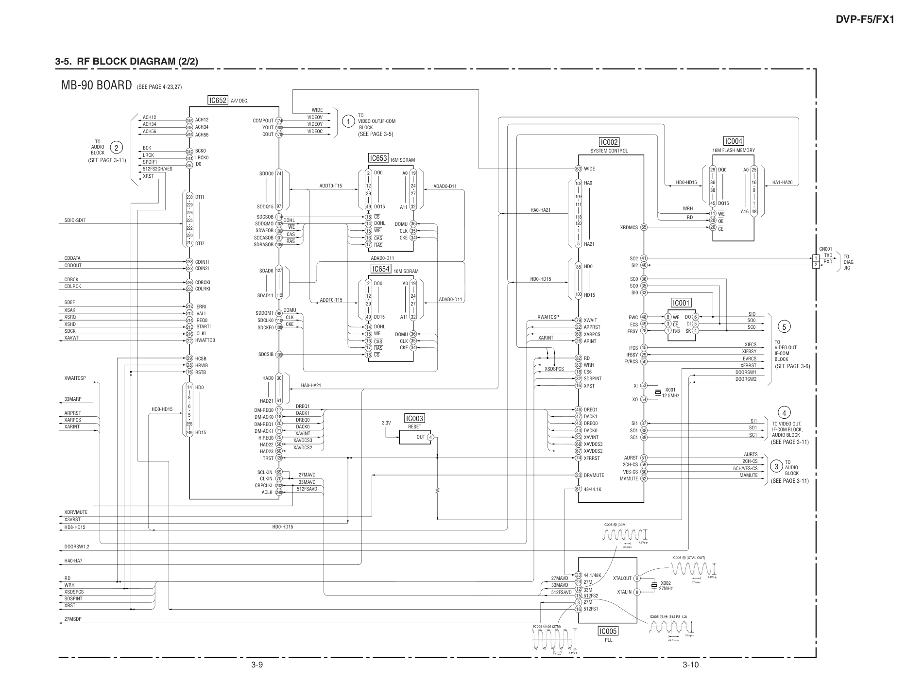
索尼SONY DVP-F5 DVD机电路原理图-0 索尼SONY DVP-F5 DVD机电路原理图-1 索尼SONY DVP-F5 DVD机电路原理图-2 索尼SONY DVP-F5 DVD机电路原理图-3 索尼SONY DVP-F5 DVD机电路原理图-4 索尼SONY DVP-F5 DVD机电路原理图-5 索尼SONY DVP-F5 DVD机电路原理图-6 索尼SONY DVP-F5 DVD机电路原理图-7 索尼SONY DVP-F5 DVD机电路原理图-8 索尼SONY DVP-F5 DVD机电路原理图-9

IC801 IC805 IC808 IC802 IC952 IC602 IC603 IC652 IC005 IC004 IC003 IC653 IC654 IC351 IC813 IC002 IC703 IC001 IC701 IC702 IC354 IC353 IC352 MB-90 BOARD RF A B C D LD PD RF CD-E CD-AL CD-F PD1 PD2 CP-PD CD-LD SIGO XLDON MIRR TZC PI FE TE DFT SCLK SDATA SDEN SSCK SSDATA SSCS SPON3 BUFF Q812 SW DOOR SW1 DOOR SW2 TO S713 TO S714 GI03 SDSP MDP0 MDS0 LOCK ARP2 SDI0-7 CDDATA CDDOUT CD1N1I CD1N2I MA0-9 MD00-15 MEMORY LCAS WE OE RAS UCAS CDBCK CDLRCK SDEF XSAK XSRQ XSHD XDCK XWAT IERRI IVALI IREQ0 ISTARTI ICLKI HWATTOB RSTB HD0-15 16 8 HD8-15 8 HA0-7 XRD XWR ARPRST XCS XINT HA0-21 HD0-15 512FS1 TO IC301 IC302 3 6 PLL 512FS2 33M 27M 44.1/48K X002 27MHz CLKIN HA0,1 HD8-15 2 8 HRD HWR RS HIN HCS SDSPINT XSDSPCS 48/44.1K XFRRST DACK0,1 DREQ0,1 XAVINT XAVDCS2,3 ARINT XARPCS ARPRST WRH RD XRST HA0-21 HD0-15 HD0-15 HA1-20 16M FLASH MEMORY WE OE CE XRDMCS 27M RESET SPDIF1 LRCK BCK BCK0 LRCK0 D0 7 A/V DEC. ACH12 ACH34 ACH56 VIDEOV VIDEOY VIDEOC ADDT0-15 ADADT0-11 DOHL WE CAS RAS DOMU CLK CKE SDCS0B SDCS1B CS CS 16M SDRAM (IC653) (IC654) TRST DM-ACK0,1 DACK0,1 DM-REQ0,1 DREQ0,1 HIRREQ0 XAVINT XAVDCS2,3 HAD22,23 SCLKIN CLKIN CRPCLKI ACLK 22 HA0-21 VIDEO AMP DVP-F5 J351 VIDEO OUT VIDEO IN/OUT J352 S VIDEO OUT S351 LINE SELECT IN/OUT DVP-FX1 VIDEO SW VIDEO OUT C OUT V-IOCNT C SW C SW CONTROL V Y C ACH12 ACH34 ACH56 BCK LRCK SPDIF1 XRST S701-704 S709 FUNCTION KEY FUNCTION KEY FUNCTION KEY S705-708 REMOTE CONTROL RECEIVER KEY1 KEY2 KEY3 IR IF-COM (1/2) VMUTE-TFT V-IOCNT VIDEOSW XFRRST RESET EEPROM XRESET SOUT1 SIN1 SCLK11 DO DI SK WC CS R/B WIDE EWC ECS EBSY SI0 SO0 SC0 XIFCS XIFBSY (1/2) SYSTEM CONTROL TEMP TH701 DVD PDIC/LD MODULE CD LD/PD COUPLER MODULE TRK– TRK+ FCS– FCS+ SPON PHDA SLD– SLD+ CDF+ CDF– CDT– CDT+ FOCUS /TRACKING COIL DRIVE SRDR SFDR TGIN PWM0 PWM1 SLED MOTOR DRIVE PWM2 IC811 SPINDL MOTOR DRIVE EC FGIN PG REF HFGI LIMSW MD BLOCK OPTICAL DEVICE RFIN1,2 IC812 ERROR AMP IN1 IN3 IN2 IN4 FCD– FCD+ TRD– TRD+ (SEE PAGE 4-13,15,17,19,21,23,25,27,29,33) (DVP-F5) (DVP-FX1) ON PAGE 3-3 DVD TRK/FCS COIL CD TRK/FCS COIL 16 M901 SPINDLE MOTOR M902 SLED MOTOR M M LIMIT DVP-F5/FX1 3-4 3-2. OVERALL BLOCK DIAGRAM (2/2) 3-3 MB-90 BOARD IC701 IC301 IC302 IC002 IC305 IC303 IC309 IC304 IC308 IC307 IC310 IC1302 IC1202 IC1201 IC1301 ND1001 D1006 D1012 LC-68 BOARD COM0-3 SEG0-16 TO Q812 DOORSW2 DOORSW1 LCDPCON DOORSW1 DOORSW2 PLAY POWER TFTOPEN SRSSW HOLD S713 S714 S711 S712 S715 S716 S710 XOUT XIN X701 4MHz (2/2) IF-COM INV-H-L INVPCON ASPECTSW XPAL Q1202 NT/PAL SW ACC FILTER Q1205 NT/PAL SW VCO OUT X1201 3.58MHz NTSC X1202 4.43MHz PAL VCO IN LCD VIDEO PROCESS R OUT G OUT B OUT SYNC OUT SYNC IN FRP COMMON FRP NT/PAL SYNCI HSY FRPV FRT VIDEO IN SYNC SEP C IN A01-012 LCD VIDEO CONT. CS/LD EA0,EA1,ECL EVER CS TO IC002 SI1 SC1 SO1 DO CLK DI TETMODE1-3 LCD CONTROL PDV OSCI OSCO D1303 RV1302 SPOI HR PS CTR SPIO CLD CLS SPS VR MODE1 MODE2 DVP-FX1 DVP-FX1 INVERTER MODULE R G B TFT PANEL MODULE VIDEO OUT C OUT V-IOCNT ACH12 ACH34 ACH56 BCK LRCK SPDIF1 XRST SDI0 SDI1 SDI2 BCKI LRCKI MCLK MCLK SO SCK SI XCS LRCK SCLK MCLK 512FS TO IC005 M1(SDA/CDIN) M2(SCL/CCLK) MO(AD0/CS) RST SI1 SC1 SO1 VES-CS SI1 SC1 SO1 2CH-CS AURST MAMUTE (2/2) SYSTEM CONTROL AOUTA– AOUTB– AMUTEC SD00 SW1,2 IN1A IN2A R L R L DVP-F5 DVP-F5 DVP-FX1 DVP-FX1 DVP-FX1 Q103,203 MUTE OUT1 OUT2 R L RV301 VOL RIN LIN Q101,201 MUTE MODE ROUT LOUT SHTDWN RLIN LLIN ROUT+ ROUT– LOUT+ LOUT– IN1 IN2 OUT1 OUT2 SP AMP HP AMP Q102,202 MUTE J301 PHONES SP L SP R OPTICAL OUT AUDIO OUT AUDIO IN/OUT J302 OUT IN RSCNT SPMUTE AMUTE HPJACK TP-61 BOARD (DVP-FX1) EVERCS TO IC202 (SEE PAGE 4-29,31) (SEE PAGE 4-37,39,41) (SEE PAGE 4-6) ON PAGE 3-2 (EVR) OPE AMP FREE RUN H OSC BUFFER FUNCTION SW AUDIO DSP AUDIO DAC BUFFER AMP LINE AMP SRS AMP ANALOG SW DVP-F5/FX1 3-5 3-6 LCD LC-68 3-3. VIDEO OUT BLOCK DIAGRAM 4 2 7 1 13 12 15 14 10 9 2 3 4 11 67 5 12 57 60 37 36 70 8 43 13 39 41 45 33 59 63 18 19 20 23 17 61 40 22 30 31 29 28 27 26 25 10 69 68 56 66 14 65 55 3 1 2 7 2 5 6 3 1 7 5 6 2 1 3 7 3 1 2 4 1 4 95 92 88 72 G G Y C S S 5 21 IC351 IC701 IC352 IC353 IC354 IC703 IC702 MB-90 BOARD TO A/D DEC., SYSTEM CONTROL BLOCK VIDEOV VIDEOY VIDEOC WIDE Q354 MUTE Q355 SW VIDEO AMP INB INA INC MUTE OUTB1 OUTB2 OUTA1 OUTA2 OUTC1 OUTC2 DVP-F5 V Y C J351 VIDEO OUT DVP-F5 DVP-FX1 VIDEO IN/OUT LINE SELECT IN/OUT J352 S VIDEO OUT S351 VIDEO SW V Y Q351 BUFF C SW CONTROL C SW Q356 BUFF UNREG FL701 +B +B +B P-UNREG P-UNREG INV-H-L INVPCON ASPECTSW TFTPCCON VIDEO OUT C OUT SP-RCH+ SP-RCH– SP-LCH+ SP-LCH– V-IOCNT SRSCNT AMUTE SPMUTE HPJACK TO AUDIO BLOCK CLK CS/LD DO DI SC1 SI1 SO1 TFTMODE3 TFTMODE2 TFTMODE1 XPAL ECL EA0 EA1 TO A/V DEC, SYSTEM CONTROL BLOCK TO A/V DEC, SYSTEM CONTROL BLOCK XFRRST XIFBSY XIFCS SO0 SIO SC0 EVRCS TO A/V DEC, SYSTEM CONTROL BLOCK DOORSW1 DOORSW2 XFRRST XIFBUSY XIFCS SI0 SO0 SC0 PCONT DVDPCON IFRST 3.3VIN RESET EVER 3V OUT VDD SO0 SI0 SC0 PCONT DOORSW1 DOORSW2 (PLAY) POWER TFTOPEN DVP-FX1 EVER 3V S716 HP SURROUND ON OFF S710 HOLD S715 S712 S711 S714 S713 CN702 DOWNLOAD 1 2 3 4 5 6 8 10 11 12 32 31 30 25 24 23 22 29 28 27 26 21 20 19 18 TO TP-61 BOARD CN1101 17 15 12 6 5 4 11 10 9 8 7 CN703 DVP-FX1 (PREV) (NEXT) (PAUSE) (STOP) S704 S703 S702 S701 S708 S707 S706 S705 DISPLAY RETURN DVDMENU TITLE RIGHT DOWN LEFT ENTER UP S709 ENTER TH701 Q353 SW Q352 SW V-IOCNT 1 2 3 4 5 6 8 10 11 12 ND1001 CN1001 COM0 COM3 SEG0 SEG16 13 14 15 16 17 18 19 20 21 25 27 D1006 D1012 1 2 3 4 5 6 8 10 11 12 13 14 15 16 17 18 19 20 21 25 27 CN701 COM0 COM1 COM2 COM3 SEG0 SEG1 SEG2 SEG3 SEG4 SEG5 SEG6 SEG7 SEG8 SEG9 SEG10 SEG11 SEG12 SEG13 SEG14 SEG15 SEG16 7 9 7 9 LED LED LED6V Q702 LED DRIVE Q701 SW 3.3V X701 4MHz OUT REMOTE CONTROL RECEIVER COM0-3 SEG0-6 LC-68 BOARD KEY3 KEY2 KEY1 IR COM0 COM3 SEG0 SEG16 XOUT XIN LCDPCON PON-CNK IF-COM (2/2) MUTE TEMP VIDEOSW V-IOCNT VMUTE-TFT INV-H-L INVPCON ASPECTSW TFTPCON SRSCNT AMUTE SPMUTE HPJACK TFTMODE3 TFTMODE2 XPAL ECL EA0 EA1 DOORSW1 TFTMODE1 DOORSW2 XFRRST XIFBUSY XIFCS SIN1 SOUT1 SCLKI1 MAINPCON DVDPCON XRESET PLAY POWER TFTOPEN SRSSW HOLD 1 5 4 6 5 LCD VIDEO /CONTROL BLOCK (SEE PAGE 4-29) (SEE PAGE 4-6) (SEE PAGE 3-11) (SEE PAGE 3-12) (SEE PAGE 3-13) (SEE PAGE 3-10) (SEE PAGE 3-10) (SEE PAGE 3-9) 16 250 nsec IC701 ej (X OUT) 3.6Vp-p H J351 (VIDEO OUT) 1.2Vp-p H J352 C (S-C OUT) 1.8Vp-p H J352 Y (S-Y OUT) 2.0Vp-p DVP-F5/FX1 3-7 3-8 3-4. RF BLOCK DIAGRAM (1/2) IC801 ra (TE) 1.0Vp-p 13 14 11 12 6 5 8 7 22 21 1 26 19 16 18 17 15 4 3 23 24 29 49 45 37 41 35 42 36 32 25 29 27 57 63 64 48 47 46 11 8 3 6 5 2 1 9 10 12 13 4 32 31 30 29 27 26 25 24 13 11 22 20 17 18 19 21 16 23 7 1 2 3 6 5 1 2 4 52 27 23 22 21 26 41 39 54 5 3 1 7 1 3 2 9 13 1 3 2 7 5 6 53 45 45 48 55 72 73 28 32 29 3 2 4 71 14 7 4 1 3 1 3 4 16 17 18 19 20 84 83 82 81 80 79 78 77 76 68 31 95 58 70 71 61 60 17 19 150 151 152 148 97 98 107 110 108 109 96 95 94 93 91 86 123 121 87 84 83 33 35 34 18 17 146 147 52 49 154 157 159 152 164 167 169 172 46 49 41 44 7 10 2 5 27 32 21 24 141 144 136 139 100 105 63 68 73 76 79 82 90 86 MB-90 BOARD MONITOR 6 5 4 3 1 CDRF CN951 PI TE FE RE CN801 5 4 3 1 B A D C 15 LD PD VCC 18 13 4 5 9 10 11 12 RF DVD-VC TRK– TRK+ FCS– FCS+ 10 16 15 14 13 3 12 11 1 2 5 7 CD-VC CDF+ CDF– CDT– CDT+ CD-E CD-AL CD-F PD2 PD1 CD-PD CD-LD 1 2 4 PHCD 5 6 7 PHDA SLD– SLD– SLD+ SLD+ 10 8 7 LIMSW HFG1 ECR EC SPON VM VM 4 1 2 3 IC801 RF IC802 IC805 IC813 IC808 IC811 IC952 IC803 IC951 IC603 IC602 B A D C B2 A2 D2 C2 DVDLD DVDPD DVDRFP VC CE1 CEIN E F CDTE PD2 PD1 CDPD CDLD SCLK SDATA SDEN CDRFDC CDRF SIGO VC1 XLDON MIRR TZC PI FE TE MIN XFDCHG DFT HOLD2 HOLD1 OUT 1B OUT 1A IN1B IN1A OEB OUT1R OUT1F OUT2R OUT1F OUT3F OUT3R OUT4F OUT4R OPOUT OP– IN1 IN2 IN3 IN4 VREF XMUTE34 MUTE2 BRAKE1 CONT GIO3 MIRR TZC ADC2 ADC1 ADC0 GIO11 DFCT1 GIO1 PDM3 PDM2 PDM1 PDM0 VRTA VRBA GIO2 GIO8 GIO7 GIO5 GIO0 PWM0 PWM1 ADC7 ADC6 ADC5 ADC4 ADC3 HD0 HD7 HA0 HA1 HRD HWR HCS HINT RS FGREE CLKIN PGREF FGIN TGIN PWM2 A0 A9 I/O0 I/O15 WE OE RAS UCAS LCAS MD00 MD15 RFIN1 RFIN2 MDPO MDSO MA0 MA9 SD0 SD7 XMWR XOE XRAS XCAS DATA DOUT BCLK LRCK SDEF XSAK XSRQ XSHD XDCK XWAT LOCK D7 D0 SCKI MCKI XRST XCS XINT XWR XRD A7 A0 FL801 Q801 FL802 Q803 Q804 LD SWITCH LDV SWITCH SW MPWR CD-LD DRIVE Q802 L803 CN802 A5V CN803 3.3V SLED MOTOR DRIVE CN804 SPINDLE MOTOR DRIVE M5V SRDR SFDR Q808 SW A5V SSCK SSDATA SSCS SPON3 FCS– FCS+ TRK– TRK+ CDF+ CDF– CDT+ CDT– Q812 DOOR1,2 SW DOORSW1 DOORSW2 SDSP Q805 XLDON SW Q811 SW SSDFCT PI FE TE MPWR SSCK SSDATA SSCS SPON3 SPDR SFDR TCK FCD– FCD+ TRD+ TRD– IC812 IC810 FOCUS/TRACKING COIL DRIVE ERROR AMP D805 D601 2V REG 3.3V FCD– FCD+ TRD– TRD+ VRT/VRB OUT HD8-HD12 HD13 HD14 HD15 MA0-9 MD00-15 MEMORY ARP MA0-9 HD8-HD13 HD15 HD14 HA0-HA3 HA4-HA7 SDI0-SDI7 CDDATA CDDOUT CDBCK CDLRCK SDEF XSAK XSRQ XSHD XDCK XAVWT XWAITCSP 33MARP ARPRST XARPCS XARINT XDRVMUTE X3VRST HD8-HD15 DOORSW1,2 HA0-HA7 RD WRH XSDSPCS SDSPINT XRST 27MSDP OPT A5V (SEE PAGE 4-15,17,19,21) OPTICAL DEVICE MD BLOCK M901 SPINDLE MOTOR M902 SLED MOTOR M M 16 IC952 wl (PG IN) 3.3Vp-p 4.5 S 3.3Vp-p IC952 es (FG IN) 5.8 msec CN801 4 (RF) 680mVp-p IC801 tj (SIGO) 1.4Vp-p C801 rs (FE) 150mVp-p DVP-F5/FX1 3-9 3-10 3-5. RF BLOCK DIAGRAM (2/2) 245 246 244 242 241 240 230 217 238 237 236 233 218 212 214 213 216 22 29 28 16 14 20 21 25 56 60 126 69 70 232 248 17 18 4 30 61 109 108 110 98 127 112 105 101 106 102 114 74 97 178 180 174 17 16 15 14 18 34 35 36 18 17 16 15 14 34 35 36 79 85 100 26 69 22 82 32 18 83 16 41 40 36 33 35 48 28 49 45 50 29 8 1 3 6 4 5 63 65 11 28 26 38 39 37 51 59 60 62 46 44 43 47 25 67 68 74 23 61 3 16 12 15 23 24 9 8 IC652 IC653 IC654 IC003 IC002 IC004 IC001 IC005 TO AUDIO BLOCK ACH12 ACH34 ACH56 BCK LRCK SPDIF1 512FS2CH/VES XRST 229 226 225 222 220 8 249 255 6 5 19 32 27 24 2 49 39 12 19 32 27 24 2 49 39 12 102 118 111 109 5 1 120 29 45 38 36 25 1 9 16 48 ACH12 ACH34 ACH56 BCK0 LRCK0 D0 COMPOUT YOUT COUT DTI1 DTI7 SDDQ0 SDDQ15 SDCSOB SDDQMO SDWEOB SDCASOB SDRASOB CDIN1I CDIN2I CDBCKI CDLRKI IERRI IVALI IREQ0 ISTARTI ICLKI HWATTOB HCSB HRWB RSTB HD0 HD15 ACLK CRPCLKI CLKIN SCLKIN TRST HAD23 HAD22 HIREQ0 DM-ACK1 DM-REQ1 DM-ACK0 DM-REQ0 SDAD0 SDAD11 SDDQM1 SDCLK0 SDCKE0 SDCSIB HAD0 HAD21 DO0 DO15 CS DOHL WE CAS RAS A0 A11 DOMU CLK CKE DO0 DO15 CS DOHL WE CAS RAS A0 A11 DOMU CLK CKE OUT HA0 HA21 XRDMCS WIDE HD0 HD15 SO2 SI2 SC0 SO0 SI0 EWC ECS EBSY IFCS IFBSY EVRCS XWAIT ARPRST XARPCS ARINT RD WRH CS6 SDSPINT XRST DREQ1 DACK1 DREQ0 DACK0 XAVINT XAVDCS3 XAVDCS2 XFRRST DRVMUTE 48/44.1K SI1 SO1 SC1 AURST 2CH-CS VES-CS MAMUTE DQ0 DQ15 WE OE CE A0 A16 WE CE R/B DO DI SK 44.1/48K 27M 33M 512FS2 27M 512FS1 XTALOUT XTALIN A/V DEC. SDIO-SDI7 CDDATA CDDOUT CDBCK CDLRCK SDEF XSAK XSRQ XSHD SDCK XAVWT HD0-HD15 XWAITCSP 33MARP ARPRST XARPCS XARINT XDRVMUTE X3VRST HD8-HD15 DOORSW1,2 HA0-HA7 RD WRH XSDSPCS SDSPINT XRST 27MSDP WIDE VIDEOV VIDEOY VIDEOC TO VIDEO OUT,IF-COM BLOCK 16M SDRAM ADDT0-T15 DOHL WE CAS RAS ADAD0-D11 16M SDRAM ADDT0-T15 DOMU CLK CKE HA0-HA21 DREQ1 DACK1 DREQ0 DACK0 XAVINT XAVDCS3 XAVDCS2 27MAVD 33MAVD 512FSAVD HD0-HD15 3.3V RESET ADAD0-D11 ADAD0-D11 SYSTEM CONTROL HA0-HA21 HD0-HD15 XWAITCSP XARINT XSDSPCS 27MAVD 33MAVD 512FSAVD PLL X002 27MHz 53 54 X001 12.5MHz HD0-HD15 WRH RD 16M FLASH MEMORY HA1-HA20 CN001 TO DIAG JIG TXD RXD 1 2 SIO SO0 SC0 XIFCS XIFBSY EVRCS DOORSW1 DOORSW2 XFRRST TO VIDEO OUT IF-COM BLOCK TO VIDEO OUT, IF-COM BLOCK, AUDIO BLOCK SI1 SO1 SC1 2CH-CS AURTS 6CH/VES-CS MAMUTE TO AUDIO BLOCK MB-90 BOARD 2 1 5 4 3 XO XI (SEE PAGE 4-23,27) (SEE PAGE 3-11) (SEE PAGE 3-11) (SEE PAGE 3-11) (SEE PAGE 3-6) (SEE PAGE 3-5) 37 nsec IC005 3,wf (27M) 4.8Vp-p 37 nsec IC005 9 (XTAL OUT) 2.4Vp-p 30 nsec IC005 qs (33M) 4.5Vp-p 44.3 nsec IC005 qg,qh (512 FS 1,2) 5.0Vp-p DVP-F5/FX1 3-6. AUDIO BLOCK DIAGRAM 3-11 3-12 6 7 8 48 3 5 9 17 14 13 11 37 6 5 4 8 9 19 18 15 14 10 1 20 3 2 16 15 13 14 12 11 9 10 5 4 6 7 9 10 12 13 6 7 1 2 11 8 5 14 3 5 4 2 5 14 15 9 8 1 13 6 7 2 4 10 12 16 1 10 7 1 4 2 2 6 1 4 4 10 9 7 6 7 8 23 5 22 21 4 16 9 3 IC301 IC302 IC305 IC303 IC311 IC304 IC309 IC310 IC307 IC308 SDI0 SDI1 SDI2 XRST MCLK LRCKI BCKI SO SCK SI XCS SD00 SDATA MCLK LRCK SCLK M2(SCL/CCLK) M1(SDA/CDIN) M0(ADO/CS) RST AMUTEC AOUTA– AOUTA+ AOUTB+ AOUTB– IN1A+I/P SW1 SW2 IN2A+I/P OUT1 OUT2 IN1A-I/P IN1B-I/P IN1B+I/P IN2A-I/P IN2B-I/P IN2B+I/P GND SWR OUT V+ SD COM2 COM1 COM3 COM4 IN4 IN2 IN3 NO3 NO2 NO1 NO4 VCC –VCC RIN LIN ROUT LOUT MODE IN1 VCC PISW IN2 MT/S OUT1 OUT2 HP AMP SP AMP RLIN LLIN SHITDWN ROUT+ ROUT– LOUT+ LOUT– IN OUT VIN VCC DGND ACH12 ACH34 ACH56 XRST 512FS2CH/VES LRCK BCK SI1 SC1 SO1 SPDIF1 TO A/V DEC. SYSTEM CONTROL BLOCK TO A/V DEC. SYSTEM CONTROL BLOCK TO A/V DEC. SYSTEM CONTROL BLOCK 6CH/VES-CS 2CH-CS AURST MAMUTE V5V –5V SUPPLY L303 Q305 INV. Q320 INV. D303 D308 Q307 D301 SW V5V IR5V MUTE SW Q306 Q321,322 MUTE SW INV. Q309 DVP-F5 V5V V5V DVP-FX1 DVP-F5 DVP-F5 Q302 Q301 RV301 VOL NUTE Q103, 203 DVP-FX1 D311 Q310,311 SHTDWN SW Q313 SW Q303 SW V-IOCNT SP-RCH+ SP-RCH– SP-LCH+ SP-LCH– SRSCNT SPMUTE AMUTE HPJACK Q101,201 MUTE Q304 VCC SW 2.3V J302 D304 Q306 AUDIO OUT JACK DET OPTICAL OUT AUDIO OUT J301 PHONES SP5V Q314,315 VCC SW Q317 SW Q316 INV. Q318,319 MUTE SW MUTE Q102, 202 Q312 HP JACK DET TO VIDEO OUT, IF-COM BLOCK MB-90 BOARD 2 4 3 6 AUDIO DSP AUDIO DAC LINE AMP BUFFER AMP SRS AMP INC– INC+ IND+ IND– OUTC OUTB OUTA OUTD INB+ INB– INA– INA+ –VCC SW AUDIO +B SW BUFFER ANALOG SW (SEE PAGE 3-6) (SEE PAGE 3-9) (SEE PAGE 4-19) (SEE PAGE 3-11) (SEE PAGE 3-10) 16 IC301 9 (BCKI) 3.5Vp-p 325 nsec IC301 3 (MCLK) 5.0Vp-p 40.8 nsec 3.5Vp-p IC301 5 (LRCKI) 20.8 µsec DVP-F5/FX1 3-7. LCD BLOCK DIAGRAM 3-13 3-14 PICTURE GAMMA2 GAMMA0 SUB BRIGHTR SUB BRIGHTB AGC OUT COLOR COMMON AMP ADJ CONTRAST BRIGHT RGB AMPLITUDE ADJ COMMON OUT 7 8 9 10 11 12 CN1101 UNREG +B POWER BLOCK P-UNREG TFTPCON Y IN C IN CLK CS D0 D1 ECL EA0 EA1 TFTMODE3 TFTMODE2 TFTMODE1 XPAL AUDIO-R+ AUDIO-R– AUDIO-L+ AUDIO-L– INV-H-L INV-PCON ASPECTSW INVERTER MODULE CN1102 ASPECTSW INVPCON INV-H-L 5.15V 8 6 5 7 4 3 2 1 1 2 CN1103 AUDIO-R+ AUDIO-R– VIN(UNREG) 5V UNREG +B FL1102 CN1104 AUDIO-L– AUDIO-L+ 2 1 CS Q1213 INV. EA1 EA0 ECL DI DO EA1 EA0 ECL DI DO CLK CS/LD 22 21 16 20 17 19 18 A01(RGB AMP) A02(BRIGHT) A03(CONTRAST) A04(COM AMP) A05(COLOR) A08(SUB B) A09(SUB R) A010(∂0) A011(∂2) A012(PICTURE) A06(TINT/BCL) A07(COMMO DC) 1 2 3 4 5 8 9 10 11 12 6 7 IC1201 IC1202 LCD VIDEO CONT. (D/A CONV.) A01 A02 A03 A04 A05 A08 A09 A010 A011 A012 A06 5.0V Q1207-1211 COMMON OUT AMP SW Q1301 D1303 –17V 4 5.0V D1302 RV1302 CLS SPS VR MOD1 MOD2 57 58 59 60 32 70 71 BLKI BLKO NT/PAL MDS MDW MDN OSCO OSCI 38 11 16 20 21 43 44 RV1301 SYNCI HSY FRPV FRT VCS 7 4 8 6 10 SPOI HR PS CTR SPIO CLD 28 33 35 36 37 47 TIMING GENERATOR 10 11 12 13 14 15 17 18 25 26 27 28 29 21 24 32 SPOI HR PS CTR SPOI CLD COM VGL CLS SPS VR MODE1 MODE2 VSS VCC VGH –17V D1305 13V PDP VSHL1 VSHL2 VSHA2 VSHA1 R G B 1 2 3 4 6 7 8 L1304 L1303 CN1301 5.0V TFT PANEL MODULE 4 4 2 2 2 1 5 R G B R OUT G OUT B OUT SYNC OUT SYNC IN FRP COMMON FRP SW BURST OUT TINT 19 21 24 35 34 33 32 39 7 LCD VIDEO PROCESS VIDEO IN SYNC SEP C IN CHROMA OUT R-Y B-Y ACC FILTER 3 36 5 13 9 10 11 13 48 26 27 31 30 47 6 37 2 29 28 38 16 14 VCO OUT VCO IN SPEAKER R L 15 17 26 27 28 29 30 31 32 22 23 24 25 18 19 20 21 4 5 6 A06 A012 A011 A010 A09 A08 A04 A03 A02 A01 A05 Q1203 Q1212 SW L1201 TFT MODE3 TFT MODE2 TFT MODE1 Q1205 NT/PAL VCO SW X1202 4.43MHz PAL X1201 3.58MHz NTSC Q1206 INV. Q1204 Q1202 R-Y/B-Y OUT NT/PAL SW TO MB-90 BOARD CN703 VIDEO OUT, IF-COM BLOCK TP-61 BOARD (DVP-FX1) IC1301 IC1305 IC1304 IC1302 IC1303 PAL MODEL PAL MODEL (SEE PAGE 4-37,39,41) (SEE PAGE 3-6) 20MHz OSC 1 3 PICTURE FRAME +13V +7.5V +5.0V –5.0V –17V ONE SHOT MULTI BIV 16 IC1201 5 (CIN) 900mVp-p H IC1201 qh (VCO OUT) 500mVp-p 279 nsec 2H IC1201 ql (R OUT) 4.2Vp-p 2H IC1201 wa (G OUT) 4.2Vp-p 2H IC1201 wf (B OUT) 4.2Vp-p IC1201 3 (VIDEO IN) 500mVp-p H IC1201 eg (SYNC OUT) 4.8Vp-p H 1.7Vp-p 2H IC1201 ek (COMMON OUT) IC1301 4 (HSY) 4.8Vp-p H 2H IC1301 6 (FRPI) 5.0Vp-p H IC1301 7 (SYNCI) 5.0Vp-p 2H IC1301 8 (FRPV) 5.0Vp-p IC1301 rf (OSCI) 2.0Vp-p 50 nsec DVP-F5/FX1 3-8. POWER BLOCK DIAGRAM (1/2) 3-15 3-16 2 3 2 3 S 5 1 4 3 9 32 7 64 1 44 58 21 42 5 89 90 63 59 70 66 33 8 28 42 51 63 27 31 30 29 18 19 20 57 34 33 32 56 37 36 35 50 40 39 38 46 14 16 17 64 9 11 12 4 1 2 1 4 LF501 F501 D502 Q501 DC IN DET IC501 3.3V REG IC401 IN OUT IC504 5V REG IN OUT Q508 IR 5V 3W Q509 STBY 3V SW L411 D504 F402 BT501 F502 Q515 BATT TYPE SW IC502 CHG CONT. Q516 SWITCH D506 RV501 CHG Q517 CHG CONT Q510 CHG CONT. Q503 SW D501 Q504 LB CHG SW LB CHG SW CHG CONT Q518 Q505 S501 Q413 DC OUT SW Q409 DC OUT JACK SW D407 F401 FL402 J401 DC OUT 5V J501 DC IN 10V OVP 5.6 POWER CONTROL VCC OUT1-4 IN(C)4 –IN(E)4 FB4 DTC3 VREF CTL1 CTL2 OUT1-3 IN(C)3 –IN(E)3 FB3 OUT1-2 IN(C)2 –IN(E)2 FB2 OUT1-1 IN(C)1 –IN(E)1 FB1 OUT1-6 IN(C)6 –IN(E)6 FB6 OUT1-5 IN(C)5 –IN(E)5 FB5 Q401 UNREG SW UNREG SW Q402 Q403 UNREG SW Q404 UNREG SW UNREG SW Q405 Q406 UNREG SW Q410 D1.8V SW Q414 SW Q411 A 5V SW Q415 SW Q412 3.3V SW Q416 SW IN OUT V 5V REG IC402 25 27 25 27 Q702 LED DRIVE Q701 LCD PCON LED CN701 CN1001 LC-68 BOARD D1006 D1012 IC703 RESET OUT VDD IC701 IF - COM (1/2) BATTYPE XDCIN VCCMNT CHGCNT DCOUTMNT DCOUTJACK IRPCON LBCHG BATTSW CHGMNT VCC VREF MAINPCONT DVDPCONT LCDPCON TFTPCON XRESET TFTPCON UNREG STBY 3V EVER 3V IR5V D1.8V M5V A5V A5V 3.3V SP5V V5V MB-90 BOARD (SEE PAGE 4-11) (SEE PAGE 4-6) 16 IC401 yf (OUT 1-5) 1.2Vp-p 3.0 µsec 3.0 µsec IC401 4 (OUT 1-6) 1.5Vp-p IC401 rh (OUT 1-1) 0.8Vp-p 3.0 µsec IC401 th (OUT 1-3) 1.1Vp-p 3.0 µsec 0.7Vp-p IC401 tj (OUT 1-4) 3.0 µsec IC401 t; (OUT 1-2) 0.7Vp-p 3.0 µsec DVP-F5/FX1 3-9. POWER BLOCK DIAGRAM (2/2) 3-17 3-18 169 2 1 16 36 8 17 5 1 4 1 2 3 5 1 4 74 4 7 5 3 2 1 4 7 2 5 1 8 3 6 UNREG MB-90 BOARD IC702 REMOTE CONTROL RECEIVER TFTPCON IC652 VREFI A/V DEC IC653 16M SDRAM 16M SDRAM IC654 FL651 IC805 FOCUS/TRACKING COIL DRIVE Q807 SW HVCC V REF IC808 SLED MOTOR DRIVE VM1 VM2 IR5V D1.8V M5V FL652 FL655 VADJ RV651 IC801 IC810 SW IC802 AND GATE L804 ERROR AMP IC812 IC951 FL951 IC302 OUT –INV +INV 2V REG IC803 OUT IC601 3.3V REG FL601 FL654 OUT IC651 3.3V REG AMP IC813 IC311 L301 IC305 IC303 IC304 IC309 IC351 IC353 IC354 IC352 L351 VIDEO AMP C SW CONT C SW VIDEO SW DVP-FX1 IC811 SPINDLE MOTOR DRIVE IC310 HP AMP SP AMP IC307 ARP3 16M DRAM MEMORY IC602 IC603 FL602 FL603 FL001 IC001 XFRRST IC002 SYSCON IC003 RESET OUT FL002 16M FLASH IC004 FL003 PLL IC005 FL953 SDSP IC952 IC301 IC308 SW Q304 VCC 4 9 8 2 3 7 9 +3.3V CN001 CN802 L802 L801 VCC VCC CN801 VM 0.5V CN804 MD BLOCK OPTICAL PICK UP BLOCK DIAG JIG J302 OPTICAL OUT A5V 3.3V SP5V V5V –5V REG –5V DVP-FX1 FL701 P-UNREG P-UNREG +B +B +B TFTPCON 11 10 9 8 7 12 11 10 9 8 7 12 1 2 3 4 7 INVERTER MODULE VIN(UNREG) VIN(WNREG) VIN(UNREG) VIN(UNREG) 5.15V CN1102 L1102 F1101 L1106 +9VREG IC1101 SWITCHING CONT. SWITCHING Q1102 D1102 T1101 D1103 D1104 D1105 D1106 D1107 L1104 L1103 L1105 L1102 L1101 Q1105,D1110 +7.5V REG Q1104,D1199 –5V REG –17V REG 7.5V –5V 32 RV1101 VGH 21 4 3 2 1 VSS VSHA1 VSHA2 VSHL2 VSHL1 PANEL MODULE L1303 L1304 IC1201 LCD VIDEO LCD VIDEO CONTROL IC1202 IC1301 IC1302 IC1305 IC1303 IC1304 INV. AND TP-61 BOARD DVP-FX1 (SEE PAGE 4-13,15,17,19,21,23,25,27,29,31,33) (SEE PAGE 4-37,39,41) ANALOG SW SRS AMP LINE AMP BUFFER AMP AUDIO DISP BUFFER AUDIO DAC VRV,VRB RF CN703 CN1101 OPE AMP TIMING GENERATOR ONE SHOT MULTI BIV DVP-F5/FX1 4-1 4-2 FRAME SCHEMATIC DIAGRAM SECTION 4 PRINTED WIRING BOARDS AND SCHEMATIC DIAGRAMS 4-1. FRAME SCHEMATIC DIAGRAM 18P CN801 1 GND 2 B 3 A 4 RF 5 DVD_VC 6 D 7 C 8 VCC 9 TRK- 10 TRK+ 11 FCS- 12 FCS+ 13 VCC 14 N.C. 15 LD 16 LD_GND 17 VR 18 PD 7P CN803 1 PHCO 2 PHDA 3 DGND 4 SLD- 5 SLD- 6 SLD+ 7 SLD+ 10P CN804 1 SPON 2 VM 3 VM 4 EC 5 PGND 6 PGND 7 ECR 8 HFG1 9 D5V 10 LIMSW 1 PHCO 2 PHDA 3 DGND 4 SLD- 5 SLD- 6 SLD+ 7 SLD+ 28P CN701 1 COM0 3 COM2 5 SEG0 7 SEG2 9 SEG4 11 SEG6 13 SEG8 15 SEG10 17 SEG12 19 SEG14 21 SEG16 23 (NC) 25 LED 27 LED 2 COM1 4 COM3 6 SEG1 8 SEG3 10 SEG5 12 SEG7 14 SEG9 16 SEG11 18 SEG13 20 SEG15 22 (NC) 24 (NC) 26 GND 28 GND 28P CN1001 1 COM0 3 COM2 5 SEG0 7 SEG2 9 SEG4 11 SEG6 13 SEG8 15 SEG10 17 SEG12 19 SEG14 21 SEG16 23 NC 25 LED 27 LED 2 COM1 4 COM3 6 SEG1 8 SEG3 10 SEG5 12 SEG7 14 SEG9 16 SEG11 18 SEG13 20 SEG15 22 NC 24 NC 26 GND 28 GND 32P CN703 1 +BGND 2 +BGND 3 +BGND 4 INV_H_L 5 INVPCON 6 ASPECTSW 7 +B 8 +B 9 +B 10 P_UNREG 11 P_UNREG 12 TFTPCON 13 P_GND 14 P_GND 15 VIDEO_OUT 16 VGND 17 C_OUT 18 SP_RCH+ 19 SP_RCH- 20 SP_LCH+ 21 SP_LCH- 22 TFTMODE3 23 TFTMODE2 24 TFTMODE1 25 XPAL 26 CLK 27 CS/LD 28 D0 29 DI 30 ECL 31 EA0 32 EA1 32P CN1101 1 +BGND 2 +BGND 3 +BGND 4 INV_H_L 5 INVPCON 6 ASPECTSW 7 UNREG+B 8 UNREG+B 9 UNREG+B 10 P_UNREG 11 P_UNREG 12 TFTPCON 13 P_GND 14 P_GND 15 YIN 16 V_GND 17 CIN 18 AUDIO_R+ 19 AUDIO_R- 20 AUDIO_L+ 21 AUDIO_L- 22 TFTMODE3 23 TFTMODE2 24 TFTMODE1 25 XPAL 26 CLK 27 CS 28 D0 29 DI 30 ECL 31 EA0 32 EA1 12P CN702 1 XFRRST 2 XIFBUSY 3 XIFCS 4 SOO 5 SIO 6 SCO 7 GND 8 PCONT 9 GND 10 DVDPCON 11 IFRST 12 3.3VIN 10P CN952 1 TMS 2 TAST 3 TDI 4 3.3V 5 TD0 6 D_GND 7 TCK 8 D_GND 9 EMU0 10 EMU1 4P CN001 1 TXD 2 RXD 3 GND 4 +3.3V 12P CN1102 1 VIN(UNREG) 2 VIN(UNREG) 3 VIN(UNREG) 4 VIN(UNREG) 5 INV_H_L 6 INVPCON 7 5.15V 8 ASPECTSW 9 GND 10 GND 11 GND 12 GND 1 VIN(UNREG) 2 VIN(UNREG) 3 VIN(UNREG) 4 VIN(UNREG) 5 INV_H_L 6 INVPCON 7 5.15V 8 ASPECTSW 9 GND 10 GND 11 GND 12 GND 32P CN1301 1 VSHL1 2 VSHL2 3 VSHA2 4 VSHA1 5 GND 6 R 7 G 8 B 9 GND 10 SPOI 11 HR 12 PS 13 CTR 14 SPIO 15 CLD 16 GND 17 COM 18 VGL 19 OPEN 20 OPEN 21 VSS 22 OPEN 23 OPEN 24 VCC 25 CLS 26 SPS 27 VR 28 MODE1 29 MODE2 30 OPEN 31 OPEN 32 VGH 2P CN1103 1 AUDIO_R+ 2 AUDIO_R- 2P CN1104 1 AUDIO_L+ 2 AUDIO_L- 1 A J351 J301 J401 J501 16P CN802 1 PD2 2 PD1 3 CD_E 4 CD_VR 5 CD_PD 6 GND 7 CD_LD 8 N.C. 9 VCC 10 CD_VC 11 CD_F 12 CD_AL 13 CDT+ 14 CDT- 15 CDF- 16 CDF+ OPTICAL PICK-UP UNIT FFC FPC MD UNIT FPC MB-90 BOARD B TO B DIAG(JIG) SDSP(JIG) DOWNLOAD FFC INVERTER MODULE (BACK-LIGHT) TFT PANEL MODULE TP-61 BOARD FPC LC-68 BOARD FPC B H 15 4 E 10 12 13 K 9 D 11 C L 14 7 3 I 2 6 J 5 F 8 G 16 1/12 DD BLOCK 2/12 CHG BLOCK 3/12 RF BLOCK 4/12 SERVO BLOCK 5/12 SERVO BLOCK 6/12 ARP BLOCK 7/12 AV BLOCK 8/12 DEC BLOCK 9/12 SYSCON BLOCK 10/12 IF-COM BLOCK 11/12 AU BLOCK 12/12 VIDEO BLOCK 1/3 DC/DC CONVERTER 2/3 RGB DECODER 3/3 TG BLOCK SP901 SPEAKER SP902 SPEAKER DVP-FX1 MODEL LIQUID CRYSTAL ND1001 DVD PDIC DVD LD MODULE DVD TRACKING/FOCUS COIL CD LD/PD COUPLER MODULE TRACKING/ FOCUS COIL M902 SLED MOTOR M901 SPINDLE MOTOR MODULE M PHOTO SENSOR M LIMIT SW S BT501 LITHIUM BATTERY CHARGER S701-S708,S711,S712 (STOP), (PAUSE), (NEXT), (PREV) TITLE,DVD,MENU,RETURN,DISPLAY, (PLAY) POWER S713,S714 (DOOR SW 1/2) S715 (TFT OPEN) DVP-FX1 MODEL S351 LINE SELECT IN/OUT DVP-FX1 MODEL VIDEO OUT DVP-F5 MODEL VIDEO IN/OUT DVP-FX1 MODEL Y C G G S VIDEO OUT J352 AUDIO IN/OUT OPTICAL OUT J302 AUDIO OUT OPTICAL OUT DVP-FX1 MODEL DVP-F5 MODEL DC OUT 5V DC IN 10V PHONES HP SURROUND ON-OFF S716 HOLD S710 RIGHT LEFT LEFT ENTER UP S709 DVP-F5/FX1 4-11 4-12 DC-DC CONVERTER MB-90 (1/12) For Schematic Diagram • Refer to page 4-7 for printed wiring board. • Refer to page 4-35 for waveforms. The components identified by mark 0 or dotted line with mark 0 are critical for safety. Replace only with part number specified. Les composants identifiés par une marque 0 sont critiques pour la sécurité. Ne les remplacer que par une pièce portant le numéro spécifié. 0 R424 15uH L401 C434 20V 47u 0.1u B C440 0 R449 0 R454 2.2uH L407 6.3V TA 10u C452 XX C428 ± 0.5% 2200 R431 ± 0.5% 1500 R432 ± 0.5% 15k R433 XX C446 JL408 JL402 0 R430 0.1u B C441 C435 16V 100u L402 RB051L-40TE25 D402 0 R425 2200p B C447 JL409 ± 0.5% 3300 R435 ± 0.5% 15k R436 XX C429 CPH3109-TL Q402 47uH L408 ± 0.5% 33k R434 0 R455 10V TA 10u C453 0 R450 A5V 0.1u B C442 C436 20V 47u 15uH L403 0 R426 XX C448 ± 0.5% 1.5k R440 JL410 ± 0.5% 1500 R438 C437 20V 47u 0 R427 ± 0.5% 10k R439 2.2uH L410 XX C430 6.3V TA 10u C455 0 R457 2.2uH L409 JL405 ± 0.5% 22k R437 15uH L404 0.1u B C443 0 R456 3.3V 10V TA 10u C454 XX C431 0 R451 XX C449 JL411 ± 0.5% 510 R441 ± 0.5% 1.5k R442 2.2uH L412 XX C432 10V TA 10u C457 15uH L406 CPH3109-TL Q405 0 R459 ± 0.5% 33k R443 XX C433 0.1u B C445 0 R453 XX C451 ± 0.5% 20k R447 ± 0.5% 15k R448 0 R458 JL413 C438 20V 47u RB051L-40TE25 D405 L405 0 R428 XX C450 JL412 ± 0.5% 27k R446 ± 0.5% 15k R445 ± 0.5% 3300 R444 0 R429 C439 20V 47u 0.1u B C444 0 R452 SP5V XP162A12A6PR Q413 XP162A12A6PR Q412 10k R462 10k R463 DTC124EUA-T106 Q416 DTC144EUA-T106 Q409 0 R469 DCOUTMNT PCONT 1 R470 1/2W ± 0.5% 240k R471 ± 0.5% 68k R472 J401 47k R473 0.1u B C458 1k R474 DCOUTJACK 4700p C419 B 4700p C416 B 4700p C421 B 4700p C422 B 4700p C423 B 4700p B C417 IC401 MB3825APFV-G-BND-ER 1 2 3 4 5 6 7 8 9 10 11 12 13 14 15 16 17 18 19 20 21 22 23 24 25 26 27 28 29 30 31 32 33 34 35 36 37 38 39 40 41 42 43 44 45 46 47 48 49 50 51 52 53 54 55 56 57 58 59 60 61 62 63 64 GND UNREG 10k R420 10k R419 10p C418 10p C415 0 R417 2200 R415 2200 R408 0.1u B C410 0.01u B C408 0.1u B C412 0.022u B C405 0.022u B C404 0.1u C406 B 0.1u B C407 0.1u B C401 330k R405 33k R406 68k R403 2200 R407 100p C403 XX R404 XX R412 22k R410 22k R411 2200 R409 2200 R413 2200 R416 10k R418 10k R421 10k R423 10k R422 10p C414 10p C420 10p C424 10p C425 0.1u B C411 0.01u B C413 0.047u B C409 JL401 47k R401 0 R466 10k R461 0 R465 XP162A12A6PR Q411 DTC124EUA-T106 Q415 DTC124EUA-T106 Q414 0 R464 10k R460 XP162A12A6PR Q410 0 R467 V5V DVDPCON XX R414 F401 VDR401 0.1u B C459 0.1u B C460 16V 4.7u C402 1u C426 B 1u B C461 1u B C462 1u C427 B 1u B C463 1u B C464 D1.8V M5V Q407 XX Q408 XX SBS004-TL D407 LED6V FB401 0uH FB402 0uH FL402 XX R475 0 R476 CPH5705-TL Q401 CPH5705-TL Q403 CPH5705-TL Q404 CPH5705-TL Q406 TK1125BMCL IC402 1 2 3 4 5 6 0.1u B C456 47uH L411 XX R402 JL403 F402 XX R478 R479 XX R480 XX R481 XX R482 XX R483 10k R484 10k R485 10k R486 10k R487 10k R488 10k R489 XX Q417 XX 1 R468 1/2W 10V TA 47u C465 VDR402 GND A5V 3.3V GND A5V 3.3V GND 3.3V GND A5V 3.3V A5V GND 3.3V GND 3.3V GND A5V GND 3.3V GND V5V STBY3V 3.3V STBY3V 1 A 3.15A FB5 IN(C)4 IN(E)4 FB4 RT CT CSCP GND1 GND2 CS VREF VCC CLT2 CLT1 DTC3 FB3 -IN(E)3 IN(C)3 FB2 -IN(E)2 IN(C)2 FB1 -IN(E)1 IN(C)1 VB1 VCC(O)1,3 OUT2-1 CB1-1 CB2-1 OUT1-1 VB2 CB1-2 OUT1-5 VCC(O)4,4,6 VB4 GND(O)4,5,6 OUT2-4 CB1-4 CB2-4 OUT1-4 OUT1-3 CB2-3 CB1-3 GND(O)1,2,3 VB3 VCC(O)2 OUT1-2 CB2-2 -IN(E)5 +IN(E)5 IN(C)5 SCP FB6 -IN(E)6 +IN(E)6 IN(C)6 OVP5,6 VB6 CB1-6 CB2-6 OUT1-6 VB5 CB1-5 CB2-5 15uH 15uH DC-DC CONVERTER(DD BLOCK) NO MARK:DVD PB MODE XX MARK:NO MOUNT MB-90 BOARD(1/12) 16 1A V5V REG IC402 SWITCHING D1.8V SW POWER SW UNREG SW SWITCHING POWER SW A5V SW SWITCHING 3.3V SW POWER SW UNREG SW SWITCHING DC OUT SW DC OUT SW DC OUT 5V TO(10/12) 1 TO(7/12) 40 TO(4/12) 41 42 TO(3/12) TO(5/12) 43 TO(6/12) 44 TO(8/12) 45 TO(9/12) 46 TO(11/12) 47 TO(10/12) 49 48 TO(12/12) TO(2/12) 55 B 16 H 19 15 4 E 10 12 13 K 9 17 D 11 C 14 7 3 I 2 6 18 J 5 F 8 G B+ B+ B+ B+ B+ B+ B+ B+ B+ B+ B+ B+ B+ DC-DC CONVERTER IC401 1.9 1.8 0 0 3.0 1.9 1.9 9.6 9.7 9.7 5.1 9.5 5.0 5.0 9.4 9.7 5.0 5.0 0 0 3.0 3.0 3.5 3.4 0 0 9.5 3.5 3.5 9.7 9.7 9.6 5.2 9.7 6.2 6.2 9.5 6.2 6.2 0 6.2 0 6.2 1.2 6.2 5.0 1.5 1.5 5.2 1.5 0.9 1.5 9.3 6.2 9.8 8.4 9.9 9.5 9.5 8.8 10.2 0.8 1.6 1.5 0.8 0 1.2 9.7 2.0 1.5 3.2 1.3 3.0 0.9 0.8 1.8 1.5 1.5 1.0 1.7 0.9 1.5 2.0 9.3 9.7 2.4 9.9 9.5 8.5 9.7 9.2 9.6 9.7 9.5 3.4 10.2 8.7 9.4 9.6 8.4 9.9 9.7 9.3 8.2 9.3 6 5 4 3 2 1 B+ B+ DVP-F5/FX1 4-13 4-14 For Schematic Diagram • Refer to page 4-7 for printed wiring board. D/D CONV, BATT CHG MB-90 (2/12) The components identified by mark 0 or dotted line with mark 0 are critical for safety. Replace only with part number specified. Les composants identifiés par une marque 0 sont critiques pour la sécurité. Ne les remplacer que par une pièce portant le numéro spécifié. J501 F501 RB051L-40TE25 D502 4700 R503 ±0.5% 240k R506 ±0.5% 68k R507 16V 100u C502 4700 R510 470k R509 0.033u B C504 1k R512 L501 RB051L-40TE25 D505 DTA143ZUA-T106 Q510 ±0.5% 12k R521 ±0.5% 4300 R522 470 RV501 ±0.5% 4300 R523 1/2W 1 R524 1/2W 1 R526 F502 0.1u B C505 DTC124EUA-T106 Q503 ±0.5% 240k R527 ±0.5% 68k R528 10k R534 EVER3V UNREG CHGMNT BATTSW XDCIN VCCMNT CHGCNT 0 R513 RB551V-30TE-17 D503 0.1u B C508 IR5V GND LF501 16V 47u C510 0 R516 XX C514 STBY3V 0 R530 0 R531 S-8520F18MC-BND-T2 IC502 1 2 3 4 5 2SK2009(TE85L) Q515 1k R532 1M R533 BATTYPE 1000 R501 0.1u B C515 RB051L-40TE25 D506 1k R511 0.01u B C507 VDR501 S501 16V 4.7u C501 Q516 CPH3109-TL JL501 JL502 JL503 0.1u B C516 10k R508 VDR502 100k R505 Q508 UMC3TL Q509 UMC3TL S BT501 DTC114EUA-T106 Q501 IC501 S-81233SG-QF-T1 1 2 3 4 5 S-81250SG-QD-T1 IC504 1 2 3 4 5 JL504 JL505 XP162A12A6PR Q504 2SB1197k-T146-R Q517 RB051L-40TE25 D504 1/2W 22 R502 DAN202UT106 D501 1 2 3 XX Q502 XX D507 JL506 JL507 0 R504 DTC124EUA-T106 Q505 1k R514 DTC124EUA-T106 Q518 LBCHG DA204UT106 D508 C503 0.01u B 1/2W 1 R525 IR5V STBY3V GND GND UNREG 1 A IRPCON B (2012) 3.15A CHG 22uH XX MARK:NO MOUNT 2 TO(10/12) MB-90 BOARD(2/12) NO MARK:DVD PB MODE 5V REG IC504 D/D CONV,BATT CHG(CHG BLOCK) 16 DC IN 10V BATT TYPE SW IC501 3.3V REG IR5V SW STB3V SW IC502 CHARGER CONTROL +B SWITCH SW CHG CONT 3.15A(DVP-FX1) 2.0A (DVP-F5) (CHARGER IN) H:ON L:OFF TO BATTERY CHARGER 55 TO(1/12) 53 TO(10/12) 54 TO(11/12) Q505,515,517,518 BATTERY CHAGER DETECT B 4 E 10 12 13 9 D 11 C 7 3 2 6 5 F 8 3.3 3.3 3.0 3.0 5.0 5.0 5.0 9.8 0.1 0.1 0.1 0.1 0.1 0 0.1 0.1 0 0.1 0 0 0 0 3.2 9.8 3.3 0.1 9.8 9.7 9.7 9.8 0 0 0 0.6 0 4.8 B+ B+ B+ B+ B+ B+ LBCHG SWITCH 14 DVP-F5/FX1 4-15 4-16 SIGNAL PROCESSOR MB-90 (3/12) For Schematic Diagram • Refer to page 4-7 for printed wiring board. • Refer to page 4-35 for waveforms. 0.1u B C841 0.1u B C842 5600p B C825 150p C844 470p B C845 0.1u F C836 0.01u B C831 0.1u B C830 0.1u B C829 0.1u B C834 0.1u B C835 ±0.5% 8200 R857 0.047u B C837 0.047u B C838 0.01u B C827 0.1u B C843 5600p B C813 2200p B C814 560p C826 2200p B C815 2200p B C816 2200p B C817 IC803 NJM3414AV(TE2) 1 2 3 4 5 6 7 8 0.1u F C847 10V TA 10u C852 10V TA 10u C839 0.1u F C840 CPH3106-PM-TL Q802 33 R830 2012 ±0.5% 33 R837 2012 ±0.5% 10V TA 10u C810 0.01u B C811 ±0.5% 10 R846 10V TA 10u C809 33 R836 2012 ±0.5% 0.01u B C812 CPH3106-PM-TL Q801 33 R829 2012 ±0.5% ±0.5% 10 R848 220k R832 ±0.5% 22k R833 ±0.5% 22k R834 ±0.5% 51k R851 ±0.5% 51k R845 4700 R827 22k R828 0.1u B C808 150k R831 22k R838 68k R854 3300p B C828 2SA1577-T106-R Q803 10k R849 1k R850 10V TA 10u C823 TC74VHCT08AFT(EL) IC802 1 2 3 4 5 6 7 8 9 10 11 12 13 14 0.1u F C832 10uH L804 0.1u C818 10V TA 10u C824 100k R852 FL802 2200 R865 1500 R862 0 R867 2012 0.47u B C846 XX R863 XX Q806 XX R879 XX R869 R868 2.2M ±0.5% 10k R860 ±0.5% 6800 R859 0.1u F C833 47k R840 47uH L803 1SS355TE-17 D802 10V TA 10u C807 1SS355TE-17 D801 FL801 47k R847 1k R835 3300 R839 2012 100 R801 0.1u F C804 10V TA 10u C806 0.1u F C801 10V TA 10u C805 10uH L801 10uH L802 2012 82 R802 0.1u F C802 0.1u F C803 XX R884 XX C819 XX C820 XX C821 XX C822 A5V 3.3V SSCK SSDATA SSCS SSDFCT GND 1TJEN 4300 R866 0 R856 DTC114EE-TL Q805 0 R826 XX IC804 1 2 3 4 5 XX R878 XX R882 XX R880 XX R883 XX R881 XX C851 XX C850 XX C848 XX C849 0 R875 0 R874 100 R803 0 R805 0 R804 SSDFCTI FE MIRR TE PI TZC RF_MON DTC124EE-TL Q804 0 R819 XX R820 2200p B C895 220 R821 0 R823 0 R822 JL828 JL826 JL878 JL857 JL827 JL853 JL860 JL858 JL820 JL829 JL821 JL871 JL864 JL874 JL863 JL875 JL848 JL861 JL877 JL869 JL873 JL868 JL847 JL851 JL865 JL866 JL881 JL859 JL870 JL855 JL876 JL872 JL879 JL880 JL852 JL867 JL856 JL854 JL862 18P CN801 1 2 3 4 5 6 7 8 9 10 11 12 13 14 15 16 17 18 16P CN802 1 2 3 4 5 6 7 8 9 10 11 12 13 14 15 16 10k R861 100 R864 CDRF_MON UMX1-TN Q812 1 5 6 4 2 3 2SA1577-T106-R Q811 1k R871 10k R870 0.1u F C904 0.1u F C905 XX R855 XX R858 0 R890 0 R877 10V TA 10u C908 XX R841 01ZA8.2(TPL3) D806 01ZA8.2(TPL3) D807 1 2 3 JL841 FCS- FCS+ TRK- TRK+ CDF+ CDF- CDT+ CDT- JL830 RF+ MPWR JL831 R842 390k R843 390k D808 1SS355TE-17 D809 1SS355TE-17 B C909 0.47u B C910 0.47u DOORSW1 DOORSW2 LDON A1.65V-1 ECR 1.65V 1.65V 2.0V SPON3 SPON5 JL806 JL805 JL804 JL842 JL845 JL846 JL849 JL843 JL844 1 A IC801 SSI33P3721-R4 1 2 3 4 5 6 7 8 9 10 11 12 13 14 15 16 17 18 19 20 21 22 23 24 25 26 27 28 29 30 31 32 33 34 35 36 37 38 39 40 41 42 43 44 45 46 47 48 49 50 51 52 53 54 55 56 57 58 59 60 61 62 63 64 CD-PD1 CD-PD2 CD-E CD-F PD CD-PD CD-A/L LDV RF+ TZC CD-LD LD MIRR SSDFCTI TZC PI TE FE SSCK SSDATA SSCS SSDFCT SPON5 SSCS SSCK B A RF D C TRK- TRK+ FCS- FCS+ LDV CD-PD2 CD-PD1 CD-E CD-PD CD-LD CD-F CD-A/L CDT+ CDT- CDF- CDF+ MPWR FE PI RF RF_MON SSDATA RF_MON MIRR SSDFCTI D C B A SPON3 CDRF_MON CDRF_MON LD PD FCS- TRK+ FCS+ TRK- CDF- CDF+ CDT- CDT+ RF+ MPWR SPON5 SPON3 TE SSDFCT VCC CONT GND GND B A RF DVD_VC D C VCC TRK- TRK+ FCS- FCS+ VCC N.C. LD LD_GND VR PD PD2 PD1 CD_E CD_VR CD_PD GND CD_LD N.C. VCC CD_VC CD_F CD_AL CDT+ CDT- CDF- CDF+ DVDRFP DVDRFN PD1 PD2 A2 B2 C2 D2 CP CN D C B A F E CDTE CEIN CE1 VNB(GND) DVDPD DVDLD CDPD CDLD XLDON VC VCI VPB(VCC) MIRR MP MB XFDCHG SDEN SDATA SCLK HOLD2 BYP2 CE FE TE TEI TZC TPH DFT PI MIN MLPF1 MLPF2 CDRFDC CDRF ATOP ATON AIN AIP VPA(VCC) SIGO BYP RX DIN DIP FNP FNN VNA(GND) HOLD1 SIGNAL PROCESSOR(RF BLOCK) 16 MB-90 BOARD(3/12) NO MARK:DVD PB MODE XX MARK:NO MOUNT SIGNAL PB AUDIO Y CHROMA REC VIDEO SIGNAL Y/CHROMA SIGNAL PATH OPTICAL PICK-UP UNIT B+ B+ B+ CD LD DRIVE VCC ON/OFF LDV SW SW DVD LD DRIVE B+ IC801 TO(6/12) 9 7 TO(5/12) TO(5/12) 5 3 TO(4/12) TO(1/12) 42 B+ B+ DOOR SW SW TO(10/12) 10 TO(5/12) 8 51 TO(5/12) TO(4/12) 4 IC802 NAND GATE 1.0 0.6 3.6 3.6 3.4 3.4 4.9 2.4 0.6 3.4 3.4 2.2 2.2 0.1 2.8 3.4 3.4 2.5 2.5 3.4 3.4 3.4 3.4 3.4 3.4 2.6 2.6 2.6 2.6 3.0 2.5 INVERTER B+ IC803 2V REG B+ B 16 H 19 15 4 E 10 12 13 K 20 9 17 D 11 C 14 7 3 I 2 6 18 J 5 F 8 G B+ B+ B+ B+ 4.9 0 0 4.9 3.4 4.9 4.9 4.9 3.4 4.9 0 4.9 0 0 0 0 4.9 2.5 2.2 1.9 2.0 0.1 2.5 0.1 3.4 2.8 2.5 2.4 0.3 4.2 4.3 4.3 0.3 3.6 4.9 0 2.5 0 4.9 2.0 2.6 0.3 3.4 2.7 8 9 10 7 4.9 4.9 0.6 2.0 2.0 2.0 4.9 4.5 1.7 1.9 B+ B+ DVD PD IC DVD FOCUS/ TRACKING COIL DVD LD MODULE COUPLER CD LD/PD MODULE FOCUS/ COIL CD TRACKING FOCUS SERVO TRACKING SERVO DVD/CD CDV SIGNAL PATH DVD/CD DIGITAL SIGNAL PROCESSOR DVP-F5/FX1 4-17 4-18 SERVO (1) MB-90 (4/12) For Schematic Diagram • Refer to page 4-7 for printed wiring board. XX C859 47k R937 ±0.5% 20k R903 0.1u F C883 0.1u F C853 15k R929 BA5901K IC805 1 BSEN 2 BATT 3 RESET 4 DEAD 5 SW 6 EO 7 EI 8 SPRT 9 CT 10 N.C. 11 OP- 12 VSYS1 13 OPOUT 14 OP+ 15 VSYS2 16 VREF 17 IN3 18 IN4 19 XMUTE34 20 IN2 21 MUTE2 22 IN1 23 BRAKE1 24 OUT4R 25 OUT4F 26 OUT3R 27 OUT3F 28 POWGND 29 OUT2F 30 OUT2R 31 OUT1F 32 OUT1R 33 RCHG 34 AMUTE 35 EMP 36 HVCC 37 PSW 38 CLK 39 START 40 OFF 41 CHGVCC 42 OFF 43 PREGND 44 PWMFIL XX R889 39k R940 ±0.5% 2700 R904 47p C893 2200p B C857 10V 47u C855 82k R934 470p B C863 XX R885 39k R941 ±0.5% 2700 R905 100p C894 10p C858 0.1u F C854 XX C862 15k R939 47 R887 47p C887 0.068u B C897 2SB1132-T100-QR Q807 XX C856 NJM3404AM-TE1 IC812 1 2 3 4 5 6 7 8 XX C861 47k R933 100k R886 100p C884 10V TA 10u C899 47k R930 XX C860 47k R938 ±0.5% 2700 R902 0.068u B C888 33uH L805 82k R928 4V TA 47u C892 0.1u B C882 0.1u F C864 0.1u F C889 10 R897 MPC17A29VMEL IC808 1 VC 2 IN1A 3 IN1B 4 OEB 5 OUT2A 6 PGND1 7 OUT1A 8 VM1 9 VG 10 C2H 11 C1H 12 C1L 13 C2L 14 OUT1B 15 PGND2 16 OUT2B 17 VM2 18 IN2B 19 IN2A 20 LGND L806 0.1u F C871 10k R888 10 R926 10V TA 10u C890 10P CN804 1 2 3 4 5 6 7 8 9 10 0.1u F C885 0.1u B C881 4V TA 47u C891 0.1u F C868 TC7S66FU(TE85R) IC810 1 2 3 4 5 0.1u F C877 RB491D-T146 D803 1SS355TE-17 D805 XX D804 DTC124EE-TL Q808 1k R946 470p C898 470p C901 1k R944 1k R945 1k R942 1k R943 XX C900 A5V 3.3V XDVD/CD XDRVMUTE X3VRST FCD+ FCD- TRD+ TRD- GND SPON3 SFDR SRDR SPDL MDP0 MDS0 SPGAIN 0 R809 750k R810 0 R811 0 R812 0 R814 10k R813 2.0V SEIN LIMSW HFG TKC 0 R815 7P CN803 1 2 3 4 5 6 7 0 R818 XX R817 0 R824 JL837 JL813 JL832 JL892 JL833 JL834 JL816 JL817 JL801 JL838 JL839 JL818 JL840 JL815 JL811 JL814 JL802 JL893 JL894 JL898 JL819 JL895 JL897 JL896 1.65V 470 R876 0.1u F C902 ±0.5% 10k R873 ±0.5% 10k R872 0.1u F C963 1k R925 ECR A1.65V-1 1.65V SPON3 SPON5 FCS- FCS+ TRK- TRK+ CDT- CDF+ CDT+ CDF- XX IC809 1 2 3 4 5 0 R853 NJM2107F-TE2 IC811 1 2 3 4 5 XX R916 XX C896 XX R899 XX R915 XX R825 XX R898 0 R921 0.1u F C876 XX C866 4700p B C875 XX C870 XX IC806 1 2 3 4 5 XX R896 0.015u B C879 JL886 XX R919 XX C865 0.1u F C886 0 R917 XX C869 XX R901 XX C880 XX C874 XX R907 0.001u B C878 XX R894 XX R920 XX R908 10k R906 XX R893 10k R911 30k R924 220 R927 JL888 XX IC807 1 2 3 4 5 XX C873 0.1u F C907 10k R922 XX C867 JL889 XX R909 0.1u F C906 XX Q809 100p CH C903 1M R912 XX R892 XX R910 100k R914 XX C872 470k R808 3300 R913 XX Q810 XX R895 220k R807 NJM2406F-TE2 IC813 1 2 3 4 5 10k R923 XX R900 10k R806 XX R918 M5V 1 A 0 R815 0 R844 CDT- CDF- CDF+ TRK+ TRK- FCS+ FCS- CDT+ SFDR SRDR SRDR SFDR TKC HFG SPDL MDS0 MDP0 SPGAIN SPON5 SPON3 SPON3 LIMSW SPON5 SPON3 CDT+ FCS- FCS+ TRK- TRK+ CDF+ CDF- CDT- TKC MDP0 HFG SPGAIN SPDL MDS0 LIMSW VCC GND GND VCC CONT PHCO PHDA DGND SLD- SLD+ SLD+ SLD- LIMSW D5V HFG1 ECR PGND PGND EC VM VM SPON 47uH 16 MB-90 BOARD(4/12) NO MARK:DVD PB MODE XX MARK:NO MOUNT 41 TO(1/12) TO(3/12) AMP IC813 3 TO(3/12) 4 VCC VCC GND GND VCC VCC GND VCC GND GND IC811 SLED MOTOR DRIVE IC808 IC805 IC810 SWITCH IC812 B+ B+ B+ B+ B+ B+ 52 TO(5/12) TO(9/12) 11 28 TO(7/12,9/12) TO(5/12) 6 12 TO(5/12,6/12) B 16 H 15 4 E 10 12 13 K 9 17 D 11 C L 14 7 3 I 2 6 J 5 F 8 G MD UNIT B+ B+ B+ B+ B+ B+ B+ B+ B+ B+ B+ B+ B+ B+ B+ B+ 0.9 0.1 0.2 0 0.4 0.4 0.4 0.4 0 1.6 4.9 5.0 0.4 1.6 4.9 5.0 5.0 5.0 0.7 1.7 1.9 0 2.0 0 2.0 1.8 2.0 5.0 1.7 1.7 5.0 4.9 1.8 1.8 1.8 2.0 1.8 1.8 3.4 0 0 0 0.1 5.0 10.0 8.3 1.7 5.0 5.0 0 3.4 3.4 1.7 3.4 3.4 1.7 1.5 1.7 1.7 1.4 3.4 FOCUS/TRAKING COIL DRIVE SPINDLE MOTOR DRIVE ERROR AMP SIGNAL PATH SLED SERVO DVD/CD SPINDLE SERVO (SPEED AND PHASE) M SENSOR PHOTO M902 SLED MOTOR M901 M SPINDLE MOTOR LIMIT SW SERV01 (RF BLOCK) DVP-F5/FX1 4-19 4-20 SERVO, DSP MB-90 (5/12) For Schematic Diagram • Refer to page 4-7 for printed wiring board. • Refer to page 4-35 for waveforms. 10k R979 10k R978 FL953 FL951 CXD9570R IC952 1 2 3 4 5 6 7 8 9 10 11 12 13 14 15 16 17 18 19 20 21 22 23 24 25 26 27 28 29 30 31 32 33 34 35 36 37 38 39 40 41 42 43 44 45 46 47 48 49 50 51 52 53 54 55 56 57 58 59 60 61 62 63 64 65 66 67 68 69 70 71 72 73 74 75 76 77 78 79 80 81 82 83 84 85 86 87 88 89 90 91 92 93 94 95 96 97 98 99 100 0.1u B C974 0.1u B C972 0.22u B C973 0.01u B C971 22 R970 0.1u B C970 0.1u B C969 0.1u B C968 TA 10u 10V C967 0.1u B C975 XX R976 0.001u B C976 12k R961 12k R962 0.1u B C962 0.1u B C961 0.1u B C960 1k R957 470 R965 470 R966 470 R967 4700p B C964 4700p B C965 4700p B C966 NJM3404AM-TE1 IC951 1 2 3 4 5 6 7 8 ±0.5% 1k R956 ±0.5% 1k R955 470 R954 ±0.5% 1k R952 ±0.5% 1k R953 XX C951 0.1u B C952 10V TA 10u C953 0.1u B C955 RF_MON JL951 TE TZC PI FE SSDFCTI 2.0V MIRR A5V 3.3V XSDSPCS WRH HD11 XRST RD HD12 HD10 SDSPINT HA0 HD14 HD8 HA1 HD15 HD13 27MSDP HD9 MDS0 MDP0 JL958 JL956 JL962 JL972 JL959 JL961 JL970 JL969 JL968 100 R980 0.1u B C958 0.1u B C959 220 R963 33 R960 0.1u C957 B 100 R977 0 R971 0 R972 XX R973 XX R974 XX R975 LOCK 1800 R958 1800 R959 XX CN952 1 2 3 4 5 6 7 8 9 10 JL965 JL966 JL967 XDVD/CD FCD+ FCD- TRD+ TRD- GND MPWR SPON3 SFDR SRDR SPDL SPGAIN HFG TKC LIMSW SEIN 1TJEN LDON SSCK SSDATA SSDFCT SSCS 0.1u F C977 18k R951 18k R964 XX C978 6P CN951 1 2 3 4 5 6 CDRF_MON XX R969 0 R968 1.65V 100p CH C954 0.1u B C956 470 R950 1k R947 1k R948 1k R949 1k R981 2.0V 1.65V 1 A HA0 HA1 RD WRH XSDSPCS SDSPINT SDSPINT RD WRH XSDSPCS HA1 HA0 HD8 HD9 HD10 HD11 HD12 HD13 HD14 HD15 HD15 HD14 HD13 HD12 HD11 HD10 HD9 HD8 STRST2 STMS2 STDI2 STCK2 STDO2 SEMU1 SEMU0 MIRR SSDFCTI TZC PI TE SSCK SSDATA SSCS SSDFCT PI FE TE TZC MIRR SRDR SFDR SPDL SPON3 SSDFCTI SSDFCT SSCK SSDATA SSCS PI TE FE STMS2 STRST2 STDI2 STDO2 SEMU0 SEMU1 MPWR LDON 1TJEN HFG TRD+ TRD- FCD+ FCD- FE TRD- TRD+ FCD- FCD+ MPWR SPON3 SFDR SRDR LIMSW TKC HFG SPDL SPGAIN XDVD/CD XDVD/CD 1TJEN LDON LIMSW STCK2 TKC SPGAIN (3.3V) (GND) TMS TRST TDI 3.3V TDO D_GND TCK EMU0 EMU1 D_GND RF GND FE TE PI CDRF PDM3 VDD2 PDM2 VSS2 PDM1 VDD1 PDM0 VSS1 VRTA VCCA1 TESTA GNDA1 VRBA VSS3V VDD3V ADC7 ADC6 ADC5 ADC4 ADC3 ADC2 ADC1 ADC0 VSS VDD TZC MIRR PGREF PGIN VSS FGREF FGIN LG DFCTI HEAD VDD GIO15 GIO14 GIO13 GIO12 GIO11 GIO10 VSS GIO9 GIO8 GIO6 GIO7 GIO4 GIO5 VDD VSS VDD PWM0 PWM1 PWM2 TESTB TESTC RS VSS EMU0 EMU1 VDD TDO TCK TDI TMS TRST VSS CLKOUT1 VCC GIO0 GIO1 GIO2 GIO3 VSS VSS TEST0 TEST1 TEST2 VDD CLKIN VSS VCCA2 LF GNDA2 HD0 HD1 HD2 HD3 HD4 VDD HD6 HD5 HD7 HA0 HA1 HRD HWR HCS HINT VRVVRB IC951 TO(1/12) 43 B+ B+ 51 TO(3/12) B+ B+ 52 TO(4/12) 5 TO(3/12) (2.0V) B+ B+ B+ 6 TO(4/12) 8 TO(3/12) 7 TO(3/12) B+ B+ 12 TO(4/12, 6/12) 13 TO(6/12) OPEN 14 TO(9/12) B+ 15 TO(6/12, 7/12, 9/12) 16 TO(9/12) 17 TO(7/12, 9/12, 11/12) SERVO DSP(SERVO BLOCK) 16 MB-90 BOARD(5/12) NO MARK:DVD PB MODE XX MARK:NO MOUNT B 16 H 15 4 E 10 12 13 9 D 11 C 14 7 3 I 2 6 5 F 8 G SERVO DSP IC952 B+ 17 3.4 1.7 3.4 1.0 2.7 2.8 2.7 2.5 2.6 3.4 2.3 2.3 0 2.8 2.5 2.7 3.4 3.4 3.4 0.1 0.3 3.4 3.4 3.4 3.4 1.7 3.4 0.1 0 3.4 3.4 0 0 0 3.4 3.4 1.8 3.4 1.6 3.4 1.7 3.4 1.7 3.0 2.0 3.4 2.1 1.0 2.1 2.0 2.0 2.0 2.7 2.0 1.9 3.4 3.4 0 0.1 1.8 3.4 3.4 3.4 3.4 0.6 3.4 3.4 1.7 0 3.4 3.4 3.4 0 3.3 11 12 2.0 2.0 3.0 1.0 1.0 1.0 4.9 (FOR CHECK) SPINDLE SERVO (SPEED AND PHASE) FOCUS SERVO SLED SERVO DVD/CD TRACKING SERVO DVD/CD CDV DVP-F5/FX1 4-21 4-22 ARP, DRAM MB-90 (6/12) For Schematic Diagram • Refer to page 4-7 for printed wiring board. GM71V18160CT-6TR IC603 1 VDD 2 I/O0 3 I/O1 4 I/O2 5 I/O3 6 VDD 7 I/O4 8 I/O5 9 I/O6 10 I/O7 16 N.C 17 WE 18 RAS 19 N.C 20 N.C 21 A0 22 A1 23 A2 26 GND 27 A4 28 A5 29 A6 30 A7 31 A8 32 A9 33 OE 34 UCAS 35 LCAS 41 I/O8 42 I/O9 43 I/O10 44 I/O11 45 GND 46 I/O12 11 N.C 15 N.C 36 N.C 40 N.C 24 A3 25 VDD 47 I/O13 48 I/O14 49 I/O15 50 GND NJM2370U33-TE2 IC601 1 2 3 4 5 FL602 FL601 FL603 0.01u B C631 0.01u B C632 0.01u B C629 0.01u B C630 0.01u B C617 0.01u B C618 0.01u B C619 0.01u B C609 0.01u B C610 0.01u B C611 0.01u B C612 0.01u B C613 0.1u B C614 0.01u B C615 0.01u B C623 0.01u B C626 0.01u B C624 0.01u B C627 0.01u B C628 0.01u B C625 0.01u B C616 0.01u B C608 0.01u B C607 10V 22u C621 6.3V 100u C620 GND 3.3V A5V 6.3V 47u C622 JL1602 JL1604 JL1603 JL1605 JL1606 JL1607 10k R612 100k R613 10k R614 10k R615 10k R616 XX R611 0.01u B C603 4700p B C602 JL1610 JL1609 JL1608 1800 R619 ±0.5% 220 R602 ±0.5% 2200 R604 ±0.5% 1k R605 0.01u B C604 ±0.5% 22k R601 ±0.5% 33k R603 2200 R606 2200 R608 27k R607 1200 R609 0.068u B C601 ±0.5% 10k R618 10k R620 220 R621 100 R610 100p C606 0.01u B C605 ±0.5% 10k R617 JL1624 JL1625 JL1626 JL1627 JL1628 JL1629 JL1630 JL1631 JL1632 JL1633 JL1634 JL1635 JL1636 10k R623 22 R637 33MARP CDDOUT CDLRCK CDBCK CDDATA 10k R632 10k R633 0 R634 0 R629 SDEF XSAK XSHD SDI7 SDI6 SDI5 SDI4 SDI3 SDI2 SDI1 SDI0 XSRQ SDCK JL1638 JL1637 JL1639 JL1641 JL1640 JL1642 JL1643 JL1644 JL1645 JL1646 JL1647 JL1648 JL1649 JL1650 JL1651 JL1652 JL1653 10k R630 10k R631 JL1617 JL1619 JL1621 JL1622 JL1623 10k R622 10k R625 0 R624 MDS0 MDPO LOCK WRH RD 10k R627 100 R628 XARINT XWAITCSP ARPRST 0 R635 22 R639 MA785-(TX),SO D601 XAVWT XARPCS HA0 HA1 HA2 HA3 HA4 HA5 HA6 HA7 HD8 HD9 HD10 HD11 HD12 HD13 HD14 HD15 10k R626 RF+ 1k R640 XX R641 IC602 CXD9576GF 1 2 3 4 5 6 7 8 9 10 11 12 13 14 15 16 17 18 19 20 21 22 23 24 25 26 27 28 29 30 31 32 33 34 35 36 37 38 39 40 41 42 43 44 45 46 47 48 49 50 51 52 53 54 55 56 57 58 59 60 61 62 63 64 65 66 67 68 69 70 71 72 73 74 75 76 77 78 79 80 81 82 83 84 85 86 87 88 89 90 91 92 93 94 95 96 97 98 99 100 101 102 103 104 105 106 107 108 109 110 111 112 113 114 115 116 117 118 119 120 121 122 123 124 125 126 127 128 129 130 131 132 133 134 135 136 137 138 139 140 141 142 143 144 145 146 147 148 149 150 151 152 153 154 155 156 157 158 159 160 161 162 163 164 165 166 167 168 169 170 171 172 173 174 175 176 1 A MD07 MD06 MD05 MD04 MD03 MD02 MD01 MD00 MD08 MD09 MD10 MD11 MD15 MD14 MD13 MD12 MD11 MD10 MD09 MD08 MD07 MD06 MD04 MD05 MD03 MD00 MD01 MA9 MA8 MA7 MA6 MA5 MA4 MA3 MA2 MA1 MA0 MA3 MA2 MA1 MA0 MA4 MA5 MA6 MA7 MA8 MA9 MD12 MD13 MD14 MD15 SDI0 SDI1 SDI2 SDI3 SDI4 SDI5 SDI6 SDI7 SDCK XSHD XSRQ XSAK SDEF SDI0 SDI1 SDI2 SDI3 SDI4 SDI5 SDI6 SDI7 SDCK XSHD XSRQ XSAK SDEF HD15 HD14 HD10 HD12 HD13 HD11 HD9 HD8 HA0 HA1 HA2 HA3 HA4 HA5 HA6 HA7 HD15 HD14 HD13 HD12 HD11 HD10 HD9 HD8 HA7 HA6 HA5 HA4 HA3 HA1 MD02 MDS0 MDPO LOCK WRH RD MDS0 MDPO LOCK WRH RD HA2 HA0 VDD XCAS XRAS XOE VSS MD00 MD01 MD02 MD03 VDD MD04 MD05 EXCK SCOR WFCK MD2 VDD MUTE DOUT LRCK BCLK DATA VSS SD7 XRD VSS D0 D1 D2 D3 D4 D5 VDD D6 D7 TEST RFIN1 AIN RFIN2 VDDA1 VRTS VRT VDD3V1 VSS3V2 VDD3V2 IREF AOUT VSSA2 EAD3 EAD4 EAD5 EAD6 EAD7 PLDIR VDD PLCKI PLCKO VSS RFD VDD3V1 VSS3V1 VRB VRBS VSSA1 VDDA2 BIAS VREF VDDA3 Y FR1 FR2 FR3 INM INP VSSA3 VDDA4 R2 R1 VCO VSSA4 VDD VCK VSS TESTA MDS0 MDS1 MON MDP0 MDP1 VDD DFCT NORF JITPWM LOCK FWON XWR A0 A1 A3 A2 VSS SCEN A4 A7 A5 A6 XINT XCS VDD XWAT XRST TEST0 SD6 SD5 SD3 SD4 SD2 VDD SD0 SD1 SDEF XSAK XSRQ XSHD VSS SDCK ETST SCMD MNT6 MNT5 MNT4 VDD MNT3 MNT2 MNT1 MNT0 VSS SCKI VDD MCKI VSS SQCK SQSO SBSO XMWR MA9 MA8 VSS MA7 MA6 MA5 VDD MA4 MA2 MA3 MA0 MA1 VSS ESTB MNT7 EAD2 EAD1 EAD0 VSS MD15 MD14 MD12 MD13 MD11 MD10 MD08 MD09 MD07 MD06 VDD VSS 44 TO(1/12) +3.3V REG IC601 MEMORY IC603 9 TO(3/12) TO(4/12, 5/12) 12 13 TO(5/12) TO(5/12. 7/12, 9/12) 15 18 TO(6/12, 7/12) ARP2 IC602 19 TO(7/12) TO(9/12) 20 ARP,DRAM(ARP BLOCK) 16 MB-90 BOARD(6/12) NO MARK:DVD PB MODE XX MARK:NO MOUNT B 16 H 15 4 E 10 12 13 K 9 D 11 C 14 7 3 I 2 6 J 5 F 8 G B+ B+ B+ B+ B+ B+ B+ B+ 3.2 3.0 3.0 3.0 3.0 3.0 3.0 3.0 3.0 3.0 0.2 0.3 0.3 0.3 0.2 0.2 0.2 3.0 3.0 3.0 3.4 3.0 3.0 3.4 3.0 3.0 3.0 3.0 3.2 3.4 0.3 0.3 0.3 0.3 4.9 1.2 4.9 3.2 AUDIO Y SIGNAL PATH SIGNAL Y/CHROMA PB VIDEO SIGNAL CHROMA REC 17 DVP-F5/FX1 4-23 4-24 AV DECODER MB-90 (7/12) For Schematic Diagram • Refer to page 4-7 for printed wiring board. NJM2370U33-TE2 IC651 1 2 3 4 5 FL652 FL651 FL654 GND D1.8V 3.3V 0.01u B C658 100 R659 XRST 10k R679 VIDEOY VIDEOC VIDEOV ± 0.5% 220 R665 ± 0.5% 220 R666 ± 0.5% 220 R667 10V 10u C653 JL1664 JL1665 JL1666 XX R680 XX C674 XX B C673 0.01u B C670 XAVDCS3 XAVDCS2 27MAVD HA21 HA20 HA19 HA18 HA17 HA16 HA15 HA14 HA13 HA12 HA11 HA10 HA9 HA8 HA7 HA6 HA5 HA4 HA3 HA2 10k R683 10k R670 10k R660 A5V 0.01u B C661 0.01u B C663 0.01u B C664 0.01u B C669 0.01u B C668 0.01u B C671 0.01u B C659 0.01u B C662 0.01u B C654 0.01u B C655 0.01u B C656 0.01u B C667 0.01u B C665 6.3V 22u C660 16V 10u C657 0.1u B C666 1200 R669 0.01u B C672 XX R672 XX R673 XX R671 0 R675 3300 R674 1k RV651 JL1684 JL1683 JL1695 JL1696 JL1698 JL1697 SDCK SDEF XSAK XSHD XSRQ SDI0 SDI1 SDI2 SDI3 SDI4 SDI5 SDI6 SDI7 JL1667 JL1670 JL1669 JL1668 JL1673 JL1672 JL1671 512FSAVD CDBCK CDDOUT CDDATA 33MAVD CDLRCK ACH56 ACH12 ACH34 SPDIF1 LRCK BCK HD0 HD1 HD2 HD3 HD4 HD5 HD6 HD7 HD8 HD9 HD10 HD11 HD12 HD13 HD14 HD15 RD WRH DACK1 DACK0 DREQ1 XAVWT DREQ0 XAVINT 0.01u B C675 0.01u B C676 0.01u B C677 0.01u B C678 0 R682 0 R681 0 R651 0 R652 47k R676 47k R678 0 R677 0 R662 10V 10u C652 XX R668 6.3V 10u C651 XX R685 XX R687 XX C691 IC655 XX 1 CONT 2 GND 3 BP 4 VO 5 GND 6 VIN 0 R653 0 R656 X3VRST IC652 CXD1932GA-T6 N.C 1 N.C 2 N.C 3 N.C 4 HD8 5 HD7 6 IOVDD_00 7 HD6 8 HD5 9 HD4 10 HD0 11 HD3 12 HD2 13 HD1 14 IOVSS_14 15 RSTB 16 DM_REQ0 17 DM_ACK0 18 IOVDD_14 19 DM_REQ1 20 DM_ACK1 21 HWATTOB 22 IOVSS_13 23 VDD_10 24 HIREQ0 25 HHCPU_MD 26 VSS_10 27 HRWB 28 HCSB 29 HAD0 30 IOVDD_13 31 HAD2 32 HAD1 33 HAD3 34 VDD_09 35 HAD6 36 HAD17 53 HAD16 54 AVSS_06 55 HAD22 56 HAD20 57 HAD19 58 AVDD_07 59 HAD23 60 HAD21 61 VC 62 CPOT 63 N.C 64 N.C 65 N.C 66 N.C 67 N.C 68 SCLKIN 69 CLKI 70 AVDD_06 71 IOVSS_11 72 TESTI 73 SDDQ0 74 VDD_08 75 SDDQ15 76 SDDQ1 77 SDDQ14 78 IOVDD_11 79 SDDQ2 80 SDDQ13 81 SDDQ3 82 VSS_08 83 SDDQ12 84 SDDQ4 85 SDDQ11 86 IOVSS_10 87 SDDQ10 88 SDDQ5 89 SDDQ6 90 VDD_07 91 IOVDD_10 92 SDDQ9 93 SDDQ7 94 IOVDD_09 95 IOVSS_09 96 SDDQ8 97 SDDQM1 98 IOVDD_08 99 IOVSS_08 100 SDCASOB 101 SDDQMO 102 VSS_07 103 IOVSS_07 104 SDRASOB 105 SDWEOB 106 IOVDD_07 107 SDCKEO 108 SDCS1B 109 SDCLKO 110 VDD_06 111 SDAD11 112 SDAD10 113 SDCSOB 114 IOVSS_06 115 SDAD8 116 SDAD0 117 SDAD9 118 IOVDD_06 119 SDAD1 120 SDAD6 121 SDAD7 122 SDAD3 123 SDAD5 124 SDAD2 125 TRST 126 SDAD4 127 N.C 128 N.C 129 N.C 130 N.C 131 N.C 132 TMS 133 TDO 134 VSS_06 135 TCK 136 TDI 137 SHTDWNB 138 VDD_05 139 NRSENB 140 X_SCAN_EX 141 PDO7 142 IOVSS_05 143 PDO6 144 HAD12 44 HAD18 52 VSS_09 43 AVDD_08 51 HAD7 42 HAD13 50 HAD8 41 HAD14 49 HAD9 40 HAD15 48 IOVSS_12 39 IOVDD_12 47 HAD4 38 HAD10 46 HAD5 37 HAD11 45 NRSDOUT 145 PDO4 146 CVS05 147 PDO3 148 PDO5 149 PDO1 150 IOVDD_05 151 PDO0 152 PDO2 153 PDI1 154 IOVSS_04 155 PDI2 156 PDI0 157 PDI3 158 VDD_04 159 PDI6 160 PDI4 161 PDI7 162 VSS_04 163 PDI5 164 FLDO 165 HSYNCO 166 IOVDD_04 167 AVDD_05 168 VREFI 169 IREFI 170 IOAVDD_00 171 AVSS_05 172 VG0 173 COMPOUT 174 DVDD33 175 AVSS_04 176 AVDD_04 177 COUT 178 DVSS33 179 YOUT 180 AVSS_03 181 AVDD_03 182 IOAVSS_00 183 AVSS_02 184 GOUT 185 AVDD_02 186 AVSS_01 187 BOUT 188 AVDD_01 189 ROUT 190 AVDD_00 191 N.C 192 N.C 193 N.C 194 N.C 195 N.C 196 DVO7 197 D1CLKO 198 IOVSS_03 199 AVSS_00 200 DVO4 201 DVO6 202 VDD_03 203 DVO5 204 DVO2 205 DVO3 206 IOVDD_03 207 DVO1 208 PWM 209 DVO0 210 VSS_03 211 IVALI 212 ISTARTI 213 IREQO 214 IOVSS_02 215 ICLKI 216 DTI7 217 IERRI 218 VDD_02 219 DTI4 220 DTI5 221 DTI6 222 IOVSS_01 223 IOVDD_02 224 DTI2 225 DTI3 226 IOVDD_01 227 VSS_02 228 DTI0 229 DTI1 230 VDD_01 231 CRPCLKI 232 CDLRKI 233 CDEMPI 234 VSS_01 235 CDBCKI 236 CDIN2I 237 CDIN1I 238 IOVSS_00 239 DO 240 LRCKO 241 BCKO 242 CVD00 243 ACH56 244 ACH12 245 ACH34 246 VSS_00 247 ACLK 248 HD14 249 HD15 250 HD10 251 HD13 252 HD12 253 HD9 254 HD11 255 N.C 256 JL1674 HA0 HA1 D652 01AZ8.2 1 2 3 D653 01AZ8.2 1 2 3 D651 01AZ8.2(TPL3) 1 2 3 ADDT0 ADDT15 ADDT1 ADDT14 ADDT13 ADDT2 ADDT3 ADDT4 ADDT12 ADDT11 ADDT5 ADDT6 ADDT10 ADDT9 ADDT7 ADDT8 ADAD11 ADAD10 ADAD0 ADAD8 ADAD6 ADAD1 ADAD7 ADAD3 ADAD2 ADAD5 ADAD9 ADAD4 DOMU CAS DOHL RAS WE CKE CS-1 CS CLK FB651 0uH FB652 0uH FB653 0uH FB654 0uH 1 A 0 R688 HA0 HA3 HA1 HA2 HA4 HA5 HA6 HA7 HA8 HA9 HA10 HA11 HA12 HA13 HA14 HA15 HA16 HA17 HA18 HA19 HA20 HA21 HA21 HA19 HA17 HA15 HA13 HA11 HA9 HA7 HA5 HA3 HA20 HA18 HA16 HA14 HA12 HA10 HA8 HA6 HA4 HA2 HD0 HD3 HD2 HD1 HD6 HD5 HD4 HD8 HD7 HD9 HD11 HD10 HD13 HD12 HD14 HD15 SDI7 SDI6 SDI5 SDI4 SDI3 SDI2 SDI1 SDI0 SDI6 SDI5 SDI4 SDI3 SDI2 SDI1 SDI0 SDI7 HD15 HD14 HD13 HD12 HD11 HD10 HD9 HD8 HD7 HD6 HD5 HD4 HD3 HD2 HD1 HD0 RD WRH XAVINT XAVWT DACK0 DREQ0 DACK1 DREQ1 XAVINT DACK0 DREQ0 DACK1 DREQ1 RD WRH HA0 HA1 XAVWT VIDEO LEVEL 4.9 3.3 4.9 1.2 TO(9/12) 21 B+ 15 TO(5/12, 6/12, 9/12) 17 TO(5/12, 9/12, 11/19) 23 TO(9/12) TO(11/12) 24 19 TO(6/12) (TPL3) (TPL3) (TPL3) TO(1/12) 40 29 TO(12/12) TO(9/12) 26 25 TO(9/12) TO(6/12,9/12) 18 TO(9/12) 22 TO(4/12, 9/12) 28 TO(8/12) 27 AV DECODER(AV BLOCK) MB-90 BOARD(7/12) 16 NO MARK:DVD PB MODE XX MARK:NO MOUNT B 16 H M 15 4 E 10 N 12 13 K 9 17 D 11 C L 14 7 3 I 2 6 18 J 5 F 8 G B+ B+ B+ B+ B+ B+ B+ B+ B+ B+ B+ B+ B+ A/V DECODER IC652 IC651 +3.3V REG AUDIO Y SIGNAL PATH SIGNAL Y/CHROMA PB VIDEO SIGNAL CHROMA REC DVP-F5/FX1 4-25 4-26 16M SDRAM MB-90 (8/12) For Schematic Diagram • Refer to page 4-7 for printed wiring board. HY57V161610DTC-7TR IC653 1 VCC 2 DO0 3 DO1 4 VSS0 5 DO2 6 DO3 7 VCC0 8 DO4 9 DO5 10 VSS0 11 DO6 12 DO7 13 VCC0 14 DOHL 15 WE 16 CAS 17 RAS 18 CS 19 A11(BA) 20 A10/AP 21 A0 22 A1 23 A2 24 A3 25 VCC 26 VSS 27 A4 28 A5 29 A6 30 A7 31 A8 32 A9 33 N.C 34 CKE 35 CLK 36 DOMU 37 N.C 38 VCC0 39 DO8 40 DO9 41 VSS0 42 DO10 43 DO11 44 VCC0 45 DO12 46 DO13 47 VSS0 48 DO14 49 DO15 50 GND FL655 HY57V161610DTC-7TR IC654 1 VCC 2 DO0 3 DO1 4 VSS0 5 DO2 6 DO3 7 VCC0 8 DO4 9 DO5 10 VSS0 11 DO6 12 DO7 13 VCC0 14 DOHL 15 WE 16 CAS 17 RAS 18 CS 19 A11(BA) 20 A10/AP 21 A0 22 A1 23 A2 24 A3 25 VCC 26 VSS 27 A4 28 A5 29 A6 30 A7 31 A8 32 A9 33 N.C 34 CKE 35 CLK 36 DOMU 37 N.C 38 VCC0 39 DO8 40 DO9 41 VSS0 42 DO10 43 DO11 44 VCC0 45 DO12 46 DO13 47 VSS0 48 DO14 49 DO15 50 GND 0.01u B C679 0.01u B C680 0.01u B C687 0.01u B C683 0.01u B C684 0.01u B C689 3.3V 0.01u B C688 0.01u B C681 0.01u B C682 0.01u B C685 0.01u B C690 0.01u B C686 GND CKE CLK DOMU CS-1 CAS DOHL WE CS RAS ADDT0 ADDT15 ADDT1 ADDT14 ADDT12 ADDT2 ADDT13 ADDT3 ADDT5 ADDT10 ADDT11 ADDT4 ADDT7 ADDT9 ADDT8 ADDT6 ADAD11 ADAD10 ADAD0 ADAD8 ADAD6 ADAD7 ADAD1 ADAD9 ADAD2 ADAD3 ADAD5 ADAD4 1 A ADDT0 ADDT1 ADDT2 ADDT3 ADDT4 ADDT5 ADDT6 ADDT7 ADDT0 ADDT1 ADDT2 ADDT3 ADDT4 ADDT5 ADDT6 ADDT7 ADDT15 ADDT14 ADDT13 ADDT12 ADDT11 ADDT10 ADDT9 ADDT8 ADDT15 ADDT14 ADDT13 ADDT12 ADDT11 ADDT10 ADDT9 ADDT8 ADAD11 ADAD10 ADAD0 ADAD1 ADAD2 ADAD3 ADAD11 ADAD10 ADAD0 ADAD1 ADAD2 ADAD3 ADAD9 ADAD8 ADAD7 ADAD6 ADAD5 ADAD4 ADAD4 ADAD9 ADAD8 ADAD7 ADAD6 ADAD5 ADDT15 ADDT14 ADDT12 ADDT4 ADDT7 ADDT11 ADDT6 ADDT10 ADDT9 ADDT2 ADDT3 ADDT13 ADDT8 ADDT1 ADDT0 ADDT5 ADAD4 ADAD6 ADAD5 ADAD9 ADAD2 ADAD11 ADAD7 ADAD1 ADAD3 ADAD0 ADAD8 ADAD10 TO(1/12) 45 B+ IC653 16M SDRAM IC654 16M SDRAM TO(7/12) 27 16M SDRAM(DEC BLOCK) MB-90 BOARD(8/12) 16 XX MARK:NO MOUNT B+ B H 4 E 9 D C 7 3 I 2 6 5 F 8 G DVP-F5/FX1 4-27 4-28 SYSTEM CONTROL MB-90 (9/12) For Schematic Diagram • Refer to page 4-7 for printed wiring board. • Refer to page 4-35 for waveforms. HD10 HD15 3.3k R032 HA16 HA5 MAMUTE HD6 XX R026 HA9 10V 10u C004 WIDE HA7 HA1 HA15 XARPCS 0.01u B C016 10k R027 HA20 HD7 0.01u B C006 HD12 0.01u B C003 HA12 22p C002 10k R025 HD2 HD8 MBM29LV160B-90PFTN IC004 1 A15 2 A14 3 A13 4 A12 5 A11 6 A10 7 A9 8 A8 9 A19 10 N.C. 11 WE 12 RESET 13 N.C 14 N.C(32) 15 RY/BY 16 A18 17 A17 18 A7 19 A6 20 A5 21 A4 22 A3 23 A2 24 A1 25 A0 26 CE 27 VSS 28 OE 29 DQ0 30 DQ8 31 DQ1 32 DQ9 33 DQ2 34 DQ10 35 DQ3 36 DQ11 37 VCC 38 DQ4 39 DQ12 40 DQ5 41 DQ13 42 DQ6 43 DQ14 44 DQ7 45 DQ15/A-1 46 VSS 47 BYTE 48 A16 HA14 HA3 HD14 HA2 HA11 HA6 HD3 HD0 22p C001 HA8 HA19 HD11 HD13 HA13 HA4 HD5 IC003 PST9126NL 1 2 3 4 5 HA10 HA21 0.01u B C008 100k R039 HD4 HD9 HA17 HD1 10k R043 HA18 HA0 MB91107PFV-G-BND IC002 1 HA17 2 HA18 3 HA19 4 HA20 5 HA21 6 (HA22) 7 RGBSEL 8 48/96 9 AVCC 10 AVRH 11 AVSS 12 AN0 13 AN1 14 AN2 15 AN3 16 XRST 17 OEB 18 CS6 19 N.C. 20 LDMM-EUROV/Y 21 N.C. 22 ARPRST 23 DRVMUTE 24 VCC 25 AVINT 26 ARINT 27 INT2 28 EBSY 29 IFBSY 30 INT5 31 INT6 32 SDSPINT 33 SI0 34 VSS 35 SO0 36 SC0 37 SI1 38 SO1 39 SC1 40 SI2 41 SO2 42 SC2 43 DREQ0 44 DACK0 45 IFCS 46 DREQ1 47 DACK1 48 EWC 49 ECS 50 EVRCS 51 AURST 52 VSS 53 X1 54 X0 55 VCC 56 CKSW1 57 OCSW1 58 OCSW2 59 2CH_CS 60 VES_CS 61 48/44.1K 62 MAMUTE 63 WIDE 64 C 65 XROMCS 66 N.C. 67 XAVDCS2 68 XAVDCS3 69 XARPCS 70 CS5X 71 CPUCK 72 NMIX 73 HSTX 74 XFRRST 75 VSS 76 MD0 77 MD1 78 MD2 79 XWAIT 80 BGRNTX 81 BRQ 82 RD 83 WRH 84 N.C. 85 HD0 86 HD1 87 HD2 88 HD3 89 HD4 90 HD5 91 HD6 92 HD7 93 HD8 94 HD9 95 HD10 96 HD11 97 HD12 98 HD13 99 HD14 100 HD15 101 VSS 102 HA0 103 HA1 104 HA2 105 HA3 106 HA4 107 HA5 108 HA6 109 HA7 110 VCC 111 HA8 112 HA9 113 HA10 114 HA11 115 HA12 116 HA13 117 HA14 118 HA15 119 VSS 120 HA16 100 R029 XAVDCS2 XAVDCS3 XSDSPCS X3VRST RD WRH 6CH/VES_CS 2CH_CS DACK0 DREQ0 DACK1 DREQ1 3.3k R034 3.3k R036 3.3k R038 SDSPINT SI1 SO1 SC1 100k R005 XARINT XAVINT * R033 10k R031 * R037 * R035 0.01u B C007 XDRVMUTE AURST XRST ARPRST 10k R001 1k R061 BR9080F-E2 IC001 R/B 1 VDD 2 CS 3 SK 4 DI 5 DO 6 GND 7 WC 8 22 R003 10k R002 XFRRST XIFBSY XIFCS 0 R056 0.01u B C011 512FSAVD FL003 JL019 33MAVD 10V 22u C013 X002 27MAVD 0.01u B C015 0 R052 33MARP 0 R053 22p C009 CXD9572N-E2 IC005 1 VDD1 2 VSS1 3 27M 4 N.C. 5 N.C. 6 AVDD 7 AVSS 8 XTALIN 9 XTALOUT 10 N.C. 11 N.C. 12 33M 13 VSS2 14 VDD2 15 512FS2 16 512FS1 17 N.C. 18 DVSS 19 DVDD 20 384FS 21 N.C. 22 768FS 23 44.1/48K 24 27M 10p C010 10V 22u C012 0 R057 0 R055 512FS2CH/VES FL002 SI0 27MSDP 3.3V GND FL001 10k R008 0.1u B C005 JL022 JL024 JL021 XX R004 4P CN001 1 2 3 4 JL023 10k R019 10k R011 XX R030 JL018 910 R047 EVRCS XWAITCSP JL020 0.1u B C017 0.1u B C018 0.1u B C014 0 R044 0 R045 JL015 JL014 JL010 JL009 JL007 JL002 JL013 XX R062 10k R066 10k R067 0.01u B C020 XX R060 JL004 JL003 JL001 10k R017 22 R021 22 R023 IC007 XX 1 N.C. 2 A18 3 A17 4 A7 5 A6 6 A5 7 A4 8 A3 9 A2 10 A1 13 VSS 14 OE 15 D0 16 D8 17 D1 18 D9 19 D2 20 D10 21 D3 22 D11 23 VCC 24 D4 25 D12 26 D5 27 D13 28 D6 29 D14 30 D7 31 D15/A-1 32 VSS 35 A15 36 A14 37 A13 38 A12 39 A11 40 A10 11 A0 12 CE 33 BYTE 34 A16 41 A9 42 A8 43 A19 44 HA21 XX R024 XX R028 XX R040 XX R041 XX R042 JL005 JL006 JL008 JL011 100 R063 100 R059 100 R064 10k R070 FB004 0uH FB001 0uH FB003 0uH FB005 0uH SC0 SO0 RB001 1 2 3 4 5 6 7 8 RB005 1 2 3 4 5 6 7 8 RB002 1 2 3 4 5 6 7 8 RB003 1 2 3 4 5 6 7 8 RB004 1 2 3 4 5 6 7 8 RB006 1 2 3 4 5 6 7 8 RB007 1 2 3 4 5 6 7 8 RB008 1 2 3 4 5 6 7 8 X001 12.5MHz 1 2 3 XX R006 10k R007 FB006 0uH 1 A FB002 0uH HA17 HA5 HD7 HD12 HA6 HD4 HD3 HA16 HA13 HD7 HD10 HD9 HD0 HA14 HA8 HA8 HA12 HD15 HD1 HA20 HA7 HD11 HA19 HA3 HD15 HA20 HA19 HD13 HD8 HD12 HA9 HA18 HA6 HA16 HA2 HD8 HD3 HA13 HA4 HA1 HA18 HA9 HA11 HA15 HA21 HD10 HA4 HD2 HD14 HD11 HA10 HD1 HA12 HD6 HA15 HD0 HD5 HD2 HA10 HA7 HA14 HD9 HD6 HA17 HA1 HA11 HD4 HA3 HD14 HD13 HA0 HA5 HD5 HA21 HA20 HA19 HA18 HA17 HA16 HA15 HA14 HA13 HA12 HA11 HA10 HA9 HA8 HA7 HA6 HA5 HA4 HA3 HA2 HA1 HA0 SI2 SO2 SI2 SO2 HA21 HA21 HA3 HA2 HA1 HA5 HA4 HA16 HA15 HD8 HA9 HD12 HA11 HD9 HA12 HD5 HD4 HA13 HD0 HD7 HD1 HA14 HD15 HA10 HD14 HD2 HD10 HA7 HD13 HA6 HA17 HD3 HD6 HD11 HA8 HA18 HA20 HA19 HD13 HD5 HD12 HD4 HD15 HD7 HD14 HD6 HD11 HD3 HD10 HD2 HD9 HD1 HD8 XARINT ARPRST XARPCS XARINT ARPRST XARPCS HD0 HA2 10kX4 TXD RXD GND +3.3V 10kX4 10kX4 10kX4 10kX4 10kX4 27MHz 3.4 1.7 3.4 1.6 1.6 1.3 1.7 3.4 3.4 1.6 1.6 3.4 14 17 16 15 1.8 3.4 2.8 2.6 2.3 2.3 2.3 2.4 2.6 2.4 2.5 3.4 2.7 2.7 2.8 2.7 2.3 2.7 2.5 2.5 2.8 0 3.4 3.1 3.4 3.3 3.4 3.4 3.4 3.4 3.4 3.4 3.4 3.4 3.4 3.4 3.4 3.4 0.8 3.2 0.7 3.4 3.2 1.3 2.2 0.6 0.3 1.9 3.4 3.4 3.4 0.8 3.4 0 0 0.6 3.4 0 3.4 3.4 3.4 3.4 3.4 3.0 3.4 3.4 3.4 3.4 0 1.6 3.4 1.6 3.4 3.4 3.4 3.4 3.4 3.4 3.4 0 2.5 0 3.4 3.4 3.4 3.1 3.4 3.4 3.4 0 2.5 3.4 2.2 2.4 2.6 2.6 2.4 2.4 3.4 3.4 0.4 1.3 1.5 2.3 0.7 2.0 1.9 3.4 2.5 2.9 2.6 2.0 2.2 1.6 2.2 1.8 2.7 0 2.3 2.8 2.2 2.7 2.4 2.5 2.6 2.8 2.7 2.3 3.4 0.8 0 3.4 3.4 3.4 3.4 13 SYSTEM CONTROL(SYSCON BLOCK) 16 MB-90 BOARD(9/12) NO MARK:DVD PB MODE XX MARK:NO MOUNT 16M FLASH IC004 SYSTEM CONTROL IC002 46 TO(1/12) PLL IC005 TO(6/12) 20 TO(5/12, 7/12, 11/12) 17 10kX4 10kX4 IC003 RESET TO(4/12, 7/12) 28 11 TO(4/12) IC001 4k EEPROM 30 TO(10/12, 11/12) 21 TO(7/12) TO(5/12) 16 TO(11/12) 31 TO(10/12) 32 34 TO(12/12) TO(7/12) 25 FOR DIAG JIG 14 TO(5/12) 26 TO(7/12) TO(11/12) 33 TO(7/12) 23 18 TO(6/12,7/12) B 16 H 19 M 15 4 E 10 12 13 K 9 17 D 11 C L 14 7 3 I 2 6 18 J 5 F 8 G 15 TO(5/12, 6/12, 7/12) TO(7/12) 22 B+ B+ B+ B+ R035 R037 F1/F5:US,Canadian... XX XX :AEP,UK........... 12K 47K :Chinese.......... 3300 4700 F5:HongKong...... 2200 22k F1:Australian....... 470 12k DVP-F5/FX1 4-29 4-30 IF CONTROLLER MB-90 (10/12) For Schematic Diagram • Refer to page 4-7 for printed wiring board. • Refer to page 4-35 for waveforms. M37513M8-055GP IC701 1 DCOUTMNT 2 KEY3 3 KEY2 4 KEY1 5 CHGMNT 6 TEMP 7 VCCMNT 8 PON_CHK 9 BATTYPE 10 HPJACK 11 IR 12 VIDEOSW 13 SRSSW 14 ASPECTSW 15 SELF_CHECK 16 XTFT 17 XIFBUSY 18 SCLK11 19 SOUT1 20 SIN1 21 LBCHG 22 DOORSW1 23 XIFCS 24 XPALSET 25 TFTMODE3 26 TFTMODE2 27 TFTMODE1 28 XPAL 29 ECL 30 EA1 31 EA0 32 XDCIN 33 XRESET 34 XCIN 35 XCOUT 36 XIN 37 XOUT 38 VSS 39 TFTOPEN 40 DOORSW2 41 POWER 42 BATTSW 43 HOLD 44 DCOUTJACK 45 PLAY 46 USSET 47 P17 48 P16 49 P15 50 P14 51 P13 52 P12 53 P11 54 P10 55 INV_H_L 56 SRSCNT 57 V_IOCNT 58 IRPCON 59 DVDPCON 60 VMUTE_TFT 61 XFRRST 62 P00 63 MAINPCON 64 CHGCNT 65 INVPCON 66 TFTPCON 67 VMUTE 68 AMUTE 69 SPMUTE 70 LCDPCON 71 SEG17 72 SEG16 73 SEG15 74 SEG14 75 SEG13 76 SEG12 77 SEG11 78 SEG10 79 SEG9 80 SEG8 81 SEG7 82 SEG6 83 SEG5 84 SEG4 85 SEG3 86 SEG2 87 SEG1 88 SEG0 89 VCC 90 VREF 91 AVSS 92 COM3 93 COM2 94 COM1 95 COM0 96 VL3 97 VL2 98 C2 99 C1 100 VL1 28P CN701 1 3 5 7 9 11 13 15 17 19 21 23 25 27 2 4 6 8 10 12 14 16 18 20 22 24 26 28 VIDEO_OUT VGND SP_RCH+ SP_RCH- SP_LCH+ SP_LCH- SC1 EVRCS SO1 SI1 1500 R723 100k R726 * R729 * R731 XX R727 * R730 * R732 S710 330k R736 330k R733 330k R734 330k R735 100k R737 100k R738 4MHz X701 RS-50-T IC702 1 2 3 0.01u B C717 0.01u B C720 UNREG GND XIFCS SO0 SC0 SI0 XIFBSY XFRRST 10k R725 0.01u B C713 XX C714 16V 22u C712 0.1u B C710 0.1u B C709 0.1u B C708 0.01u B C707 0.22u B C711 2200 R719 2k R713 XX R714 S705 S706 S707 S708 10k R709 10k R704 2700 R710 2700 R705 3900 R711 3900 R706 8200 R712 8200 R707 0.01u B C706 DTC124EUA-T106 Q701 8200 R720 22k R721 2700 R715 3900 R716 10k R718 S709 0.01u B C705 6800 R702 3300 R701 0.01u B C703 10V 10u C701 10V 2.2u C702 0.01u B C704 FB701 0uH FB702 0uH LED6V STBY3V EVER3V 3.3V GND IR5V DCOUTMNT CHGMNT VCCMNT BATTYPE DCOUTJACK BATTSW XDCIN PCONT CHGCNT IRPCON DVDPCON 4700 R741 100 R740 100 R742 XX R743 0.022u B C715 0.01u B C716 100 R765 100 R766 S701 S704 S712 S711 S703 S702 S713 S714 S715 TH701 JL715 JL714 JL709 JL711 JL716 RN5VD26AA-TL IC703 1 2 3 4 5 S716 330k R724 16V 4.7u C718 100 R728 22 R739 10uH L702 10k R722 12P CN702 1 2 3 4 5 6 7 8 9 10 11 12 0.01u B C722 9100 R769 JL722 JL724 JL721 JL723 JL725 JL727 JL729 JL726 JL728 DOORSW1 DOORSW2 JL730 JL731 JL732 JL733 JL737 JL735 JL736 JL734 JL712 JL707 JL708 JL710 JL706 JL705 JL703 JL704 JL702 JL701 100k R773 100 R770 XX R771 XX R772 JL718 JL720 JL717 JL719 DTA143ZUA-T106 Q702 JL740 * R774 * R775 JL739 RB701 RB702 RB703 FL701 2012 XX R703 2012 0 R776 SOL701 SOL702 C_OUT 0 R744 JL713 JL741 JL742 CN703 32P 1 2 3 4 5 6 7 8 9 10 11 12 13 14 15 16 17 18 19 20 21 22 23 24 25 26 27 28 29 30 31 32 0 R751 0 R750 0 R752 0 R753 JL746 JL745 JL744 JL747 JL743 JL748 JL749 JL751 JL752 JL750 JL753 JL755 JL754 JL757 JL756 JL759 JL758 JL761 JL760 JL764 JL763 JL762 JL765 JL766 JL767 JL769 JL768 JL770 JL771 JL772 JL773 JL774 JL775 JL776 JL777 JL780 JL779 JL778 LBCHG JL781 JL782 JL783 JL784 HPJACK AMUTE VIDEOSW VMUTE V_IOCNT VMUTE_TFT SRSCNT SPMUTE JL738 100 R745 0.01u B C719 1 A V_OUT VIDEO_GND XX R708 XX R717 SEG16 SEG15 SEG14 SEG13 COM0 COM1 COM2 COM3 SEG0 SEG1 SEG2 SEG3 SEG4 SEG5 SEG6 SEG7 SEG8 SEG9 SEG10 SEG11 SEG12 SEG16 SEG14 SEG12 SEG10 SEG8 SEG6 SEG4 SEG2 SEG0 COM2 COM0 SEG15 SEG13 SEG11 SEG9 SEG7 SEG5 SEG3 SEG1 COM3 COM1 VMUTE_TFT V_IOCNT SRSCNT INV_H_L XIFBUSY SC0 SI0_IF SO0 XIFCS HPJACK VIDEOSW DCOUTMNT CHGMNT VCCMNT BATTYPE PLAY HOLD POWER DOORSW2 TFTOPEN EA0 EA1 ECL XPAL TFTMODE1 TFTMODE2 TFTMODE3 DCOUTJACK BATTSW XDCIN VMUTE_TFT HPJACK VIDEOSW VMUTE AMUTE SPMUTE SRSCNT V_IOCNT SO1 SI1 EVRCS SC1 VIDEO_OUT VGND SP_RCH+ SP_RCH- SP_LCH+ SP_LCH- DCOUTMNT CHGMNT VCCMNT BATTYPE DCOUTJACK BATTSW XDCIN PCONT CHGCNT IRPCON DVDPCON XIFBUSY XIFCS SC0 XFRRST DOORSW1 XFRRST HOLD ASPECTSW SI0_IF SO0 PCONT DVDPCON TFTOPEN DOORSW2 DOORSW1 IRPCON TFTPCON INVPCON CHGCNT SPMUTE AMUTE VMUTE PCONT DVDPCON EA1 EA0 ECL SO1 SI1 EVRCS SC1 XPAL TFTMODE1 TFTMODE2 TFTMODE3 SP_LCH- SP_LCH+ SP_RCH- SP_RCH+ TFTPCON INV_H_L INVPCON ASPECTSW V_IOCNT VMUTE_TFT INV_H_L INVPCON TFTPCON TFTMODE3 TFTMODE2 TFTMODE1 XPAL ECL EA0 EA1 DOORSW1 DOORSW2 LBCHG LBCHG PLAY POWER V_OUT VIDEO_GND VIDEO_OUT VGND V_OUT VIDEO_GND COM0 COM2 SEG0 SEG2 SEG4 SEG6 SEG8 SEG10 SEG14 SEG16 SEG12 (NC) LED LED COM1 COM3 SEG1 SEG3 SEG7 SEG5 SEG9 SEG11 SEG15 SEG13 (NC) (NC) GND GND XFRRST XIFBUSY XIFCS SI0 SO0 SC0 GND PCONT IFRST 3.3VIN HOLD (DOORSW1) (DOORSW2) (TFTOPEN) POWER [IR] DVDMENU RETURN DISPLAY [RESET] [GND] [SELF] OUT VDD GND CD NC HP SURROUND GND DVDPCON [XPALSET] [XTFT] [GND] [GND] [SW1] [SW2] [TFTOPEN] [EV3V] [EV3V] LCDPCON [PCONT] [DVDPCON] [EV3V] [EV3V] [US] 10kX4 10kX4 10kX4 SW1 SW2 INV_H_L INVPCON ASPECTSW TFTPCON VIDEO_OUT VGND SP_RCH+ C_OUT TFTMODE2 TFTMODE1 SP_RCH- SP_LCH+ SP_LCH- TFTMODE3 DO DI ECL EA0 XPAL EA1 CLK CS/LD +B +B +B +BGND +BGND +BGND P_GND P_GND P_UNREG P_UNREG (2012) (2012) (2012) (2012) IC702 TO(2/12) TO LC-68 BOARD CN1001 53 (SEE PAGE 4-6) 39 TO(12/12) (SEE PAGE 4-39) TO TP-61 BOARD(1/3) CN1301 DVP-FX1 MODEL DVP-F5 MODEL TO(11/12) 38 TO(11/12, 12/12) 37 TO(12/12) 36 35 TO(11/12) LED +B SW B+ B+ TO(1/12) 49 LED DRIVE 1 TO(1/12) 2 TO(2/12) B+ B+ B+ TO(2/12) 53 (STOP) (PAUSE) (NEXT) (PREV) B+ B+ TITLE LEFT UP ENTER DOWN RIGHT REMOTE COMMANDER RECEIVER B+ B+ B+ B+ IF CONTROLLER IC701 RESET IC703 ON OFF DVP-FX1 MODEL (PLAY) [GND] B+ B+ TO(3/12) 10 TO(9/12, 11/12) 30 TO(5/12) 32 TO BOARD CN IF CONTROLLER(IF COM BLOCK) 16 MB-90 BOARD(10/12) NO MARK:DVD PB MODE XX MARK:NO MOUNT B 16 H 19 15 4 E 10 12 13 K 9 17 D 11 C L 14 7 3 I 2 6 18 J 5 F 8 G PB REC Y SIGNAL PATH CHROMA AUDIO VIDEO SIGNAL SIGNAL Y/CHROMA 3.3 3.3 3.0 0 3.3 0 3.2 2.4 3.3 3.3 1.5 1.2 0.1 3.3 0 0 0 3.9 0 0 4.9 2.5 2.5 2.5 2.5 0 3.0 3.1 3.1 3.0 2.5 2.5 2.5 2.5 2.5 2.5 2.5 2.5 2.5 2.5 2.5 2.5 2.5 3.3 3.3 2.5 2.5 2.5 5.0 3.4 2.5 1.7 2.9 1.3 3.3 3.2 3.1 3.0 3.3 3.3 2.8 3.2 2.7 2.3 3.2 0 3.2 2.1 3.3 0 0 3.2 3.3 3.3 0.8 3.4 0 4.9 3.0 3.3 3.3 3.2 3.2 3.2 3.2 3.2 3.2 3.2 3.1 0 0 18 6.2 6.1 0 3.2 4.9 2.8 0 : DVP-Fx1 MODEL : DVP-F5 MODEL R729 100k XX R730 XX 100k S710 S716 B+ B+ ENTER (SEE PAGE 4-) R731 732 774 775 DVP-F5/FX1:US,Canadian.... 100K XX 100K XX :AEP,UK............ XX 100K XX 100K :Chinese........... 100k xx xx 100k DVP-F1:HongKong....... XX XX XX 100K DVP-F5:AUSTRALIAN... xx 100k xx 100k DVP-F5/FX1 4-31 4-32 AUDIO IN/OUT MB-90 (11/12) For Schematic Diagram • Refer to page 4-7 for printed wiring board. • Refer to page 4-35 for waveforms. CXD9545Q IC301 1 N.C. 2 VDD 3 MCLK 4 VSS 5 LRCKI 6 SDI0 7 SDI1 8 SDI2 9 BCKI 10 VSS 11 XCS 12 N.C 13 SI 14 SCK 15 VDD 16 VSS 17 SO 18 B15 19 VSS 20 1/2MCLK/B14 21 B13 22 B12 23 B11 24 B10 25 B09 26 B08 27 VDD 28 VSS 29 B07 30 B06 31 B05 32 B04 33 B03 34 B02 35 B01 36 B00 37 SDO0 38 BS 39 VDD 40 VSS 41 BCKO 42 SDOI 43 VSS 44 LRCKO 45 VSS 46 MODE 47 DSTP 48 XRST 100 R303 0.001u B C303 0.001u B C305 100 R305 0 R308 XX R306 0 R307 0 R304 0.01u B C302 0.01u B C301 0.01u B C307 GND 10V 22u C308 16V 1u C310 16V 1u C312 0.1u B C309 0.1u B C311 0.1u B C313 A5V 10uH L302 JL303 10uH L301 8200 R102 8200 R202 8200 R101 8200 R201 1500 R105 1500 R104 10k R103 1500 R205 10k R203 1500 R204 150p CH C103 150p CH C203 10V 10u C314 0.01u B C317 0.01u B C318 MAX4066CEE-TE2 IC309 * 1 2 3 4 5 6 7 8 9 10 11 12 13 14 15 16 * R106 * 0.01u B C330 * R318 0.01u B C336 * R206 * R316 16V 3.3u C329 0.01u B C328 0.01u B C331 16V 3.3u C332 10V 1u C326 1u B C334 100uH L303 JL304 * R117 * R217 * C108 * C208 0.01u B C315 0.01u B C316 22k R112 22k R212 22k R114 22k R214 68k R113 68k R213 150p C107 150p C207 * Q301 * Q302 4 2 3 1 5 6 V_IOCNT DTC144EE-TL Q305 DAN202UT106 D303 4700 R326 10k R329 10k R330 XX C339 1SS355TE-17 D301 2SB1218A-QRS-TX Q308 AMUTE 10V 22u C327 6.3V 10u C320 6.3V 22u C319 0.01u B C325 IC304 NJM2190V(TE2) 1 LIN 2 WOUT 3 WIN 4 MODE 5 C1 6 C2 7 LOUT 8 GND 9 V+ 10 ROUT 11 C3 12 C4 13 V+/2 14 REFIN 15 VREF 16 RIN 4700p C322 B 1u B C210 39k R310 220 R118 220 R218 0 R309 10V 10u C321 22k R311 10k R314 0 R315 10k R312 3300p C323 B 0.1u B C324 1u B C110 * R220 * R219 * R119 * R120 6.3V 10u C105 6.3V 10u C205 100k R110 100k R210 470 R107 470 R207 470 R109 470 R209 2200 R108 2200 R208 XX R325 2SD2114KT146 Q101 2SD2114KT146 Q201 TC7SH08FU-TE85R IC308 1 2 3 4 5 UMD2-TR Q306 4 2 3 1 5 6 0.01u B C338 4700 R321 4700 R323 22k R327 22k R328 0.01u B C341 DAN202UT106 D304 2SB1218A-QRS-TX Q304 3.3V JL309 JL308 JL310 JL312 JL311 NJM2123V(TE2) IC303 1 V+ 2 SW1 3 IN1 A +I/P 4 IN1 A -I/P 5 OUT1 6 IN1 B -I/P 7 IN1 B +I/P 8 SW C 9 GND 10 SW R 11 IN2 B +I/P 12 IN2 B -I/P 13 OUT2 14 IN2 A -I/P 15 IN2 B +I/P 16 SW2 10V * C335 * B C333 DTC144EE-TL Q303 * R320 * B C211 * B C111 1k R333 4V 220u C212 1k R225 1k R125 ±0.5% 4700 R322 ±0.5% 12k R324 JL202 JL306 JL102 JL307 J301 J302 6 VIN 7 VCC 8 DGND 4V 220u C112 10k/10k RV301 SRSCNT SI1 MAMUTE SC1 SO1 2CH_CS 6CH/VES_CS AURST ACH34 ACH12 ACH56 0.01u B C304 0.01u B C306 * R317 * R319 220p B C106 220p B C206 XX R335 01ZA8.2(TPL3) D306 01ZA8.2(TPL3) D305 4700p B C213 4700p B C113 01ZA8.2(TPL3) D201 01ZA8.2(TPL3) D101 JL201 JL101 1k R338 33k R339 56k R340 * R341 1S355TE D307 XX R342 * R215 * R216 * R116 * R115 0 R332 0.01u B C345 0 R337 0 R336 NJM2112V(TE2) IC305 1 2 3 4 5 6 7 8 9 10 11 12 13 14 10k R129 130p B C116 130p B C216 560p C201 CH 560p C101 CH 10k R228 10k R128 150p CH C214 150p CH C114 10k R229 FB201 0uH FB101 0uH LM2664M6X IC311 1 2 3 4 5 6 DTC144EE-TL Q309 4700 R331 XRST XX R301 0 R302 XX B C344 1u B C209 1u B C109 2SB1197K-T146-R Q314 UMW1-TR Q315 22k R349 10V 10u C346 UMD2-TR Q317 DTC144EE-TL Q316 100k R350 6.3V 22u C347 6.3V 47u C348 0.15u B C218 0.15u B C118 4.7 R131 4.7 R231 * Q313 DTA144EE-T6 Q312 FB202 0uH FB203 0uH FB102 0uH FB103 0uH FB301 0uH LA4534M-TE-L IC310 1 2 3 4 5 6 7 8 9 10 HPJACK 1SS355TE-17 D309 4700 R347 * R348 * Q310 * Q311 * D311 * B C217 * B C117 * B C337 * B C119 * B C219 * R343 XX R344 * R345 XX R346 SPMUTE SP5V SP_RCH+ SP_RCH- SP_LCH- SP_LCH+ CS4391-KZR IC302 1 2 3 4 5 6 7 8 9 10 11 12 13 14 15 16 17 18 19 20 * IC307 1 2 3 4 5 6 7 8 9 10 11 12 13 14 15 16 17 18 19 20 21 22 23 24 10V 10u C349 10k R380 10k R381 XX R382 2SB1218A-QRS-TX Q319 DTC144EE-TL Q318 2SD2114KT146 Q102 2SD2114KT146 Q202 2.2 R132 2.2 R133 2.2 R232 2.2 R233 4700 R134 4700 R234 220 R383 220 R384 DAN202UT106 D313 2SC4081T106R Q307 47k R387 4700 R386 680 R385 IR5V 4700 R388 DTC144EE-TL Q320 SPDIF1 V5V 1 A 01ZA8.2(TPL3) D202 01ZA8.2(TPL3) D102 D312 XX R334 0 D308 DAN202UT106 R394 0 R395 0 GND C300 XX XX R313 B C380 0.01u R392 0 R230 3300 R130 3300 B C120 1u 10V B C220 1u 10V R126 4700 R226 4700 Q103 2SD2114KT146 Q203 2SD2114KT146 R227 4700 R127 4700 Q321 2SB1218A-QRS-TX R390 10k Q322 DTC144EE-TL C340 XX R389 10k B C350 1u BCK LRCK 512FS2CH/VES C342 XX 0 R300 0.01 B C343 0 R391 SPDIFI SPDIFI SPDIF1 BCK LRCK BCK LRCK RST VL SDATA SCLK LRCK MCLK M3 M2(SCL/CCLK) M1(SDA/CDIN) M0(AD0/CS) AMUTEC AOUTA- AOUTA+ VA AGND AOUTB+ AOUTB- BMUTEC CMOUT FILT+ GND OUT CAP- CAP+ V+ SD GND GAIN0 GAIN1 LOUT+ LLIN LHPIN PVDD RIN LOUT- LIN BYPASS GND GND RLIN SHTDWN ROUT+ RHPIN VDD PVDD PCB-EN ROUT- SE/BLT PC-BEEP GND P/SW IN1 PRG IN2 REF MT/S OUT1 PGND OUT2 VCC 16 MB-90 BOARD(11/12) AUDIO IN/OUT(AU BLOCK) XX MARK:NO MOUNT IC302 IC301 IC303 IC305 IC304 IC309 IC310 IC308 IC307 IC311 B 16 H 19 M 15 4 E 10 23 N 12 13 K 20 9 17 D 22 11 C L 14 21 7 3 I 2 6 18 J 5 F 8 G PHONES OPTICAL OUT AUDIO OUT AUDIO IN/OUT DVP-FX1 MODEL DVP-F5 MODEL VOL SPEAKER AMP PHONES AMP B+ SWITCH SWITCH POWER MUTE MUTE MUTE SW SP MUTE SWITCH MUTE MUTE POWER ON/OFF SWITCH TO(1/12) 47 33 TO(9/12) 30 TO(9/12, 10/12) 17 TO(5/12, 7/12, 9/12) 24 TO(7/12) TO(9/12) 31 TO(10/12) 38 TO(2/12) 54 37 TO(10/12, 12/12) 35 TO(10/12) B+ B+ B+ B+ B+ B+ B+ B+ B+ B+ B+ B+ B+ B+ B+ B+ B+ B+ 4.9 3.4 3.8 3.4 1.7 -0.5 1.7 3.4 3.8 1.7 0 1.1 2.5 0 0 3.8 2.5 -4.5 4.9 1.3 1.1 2.5 1.1 0 1.7 2.4 1.1 2.5 3.8 0 1.6 4.9 2.5 -0.6 0 3.4 4.9 2.7 0.1 0 0 -4.6 2.5 0 0 3.4 -2.3 2.5 -0.5 0 0 3.4 2.5 5.1 1.3 0 0 2.5 5.2 1.3 3.4 1.7 4.9 0.6 -4.6 4.9 0.5 2.5 5.1 1.3 2.2 3.4 2.5 0 1.3 2.3 0 2.5 0 0 2.3 3.4 2.5 0 4.9 4.9 3.4 2.5 -4.5 0 2.3 3.4 3.2 4.9 0 0 0.5 3.8 0 4.9 2.3 0 0 0 0 0 3.4 3.8 -4.5 0 0 0 0 0 0 3.4 -0.5 0 2.2 0 0 3.4 -0.4 2.2 0 -4.6 3.4 0 0 0 0 1.3 4.2 3.8 4.9 0 3.6 3.7 4.9 -4.6 4.3 3.8 -4.5 0 0 4.5 4.9 0 0.7 3.8 3.1 3.4 5.2 0 2.5 0 3.2 2.5 4.9 0 1.1 -4.5 4.9 5.2 2.5 2.5 2.5 5.2 5.2 2.5 5.2 2.5 2.5 5.2 5.2 5.2 0 5.2 0 2.8 21 2.8 20 0 19 0 1.6 3.2 0 3.8 3.4 3.8 3.4 0 NO MARK:DVD PB MODE REC Y/CHROMA Y CHROMA AUDIO PB SIGNAL PATH VIDEO SIGNAL SIGNAL B+ -5V REG OPE AMP AUDIO DAC AUDIO DSP SRS AMP INVERTER MUTE MUTE SW AUDIO B+ SW BUFFER AMP IN/OUT SELECT BUFFER TO(10/12) 35 DVP-F5/FX1 4-33 4-34 VIDEO IN/OUT SELECT MB-90 (12/12) For Schematic Diagram • Refer to page 4-7 for printed wiring board. • Refer to page 4-35 for waveforms. UMD2-TR 22k C117 XX XX 22k DAN202UT10 XX 0.01u 25V B XX R217 *MARKED:MOUNT TABLE 150p 50V CH 0 IC307 R115 DTC144EE-T 0 C111 C211 XX XX R341 68k XX 100u 10V XX R219 0 1u 10V B XX IC309 R116 UMD2-TR 100k C108 C217 0 XX 0 TPA0122PWPR 0.47u 16V B R220 0 0.47u 16V B 0 R117 REF.NO. C219 0 XX Q302 R343 22k Q301 XX XX R316 22k 0.47u 16V B XX R119 DTC144EE-T XX C333 0 XX Q310 R345 100k 0 XX R317 4700 150p 50V CH R120 XX C335 XX XX Q311 R348 22k 0 XX R318 1u 10V B XX R206 XX XX C337 XX MAX4066CEE 22k C208 0 XX R319 100k 0.47u 16V B R215 XX XX DVP-FX1 XX D311 Q313 DTC144EE-T 68k C119 XX XX R320 22k XX 0.47u 16V B XX R216 XX XX DVP-F5 XX R106 330k R366 75 R363 75 R362 75 R364 UMD2-TR Q355 4 2 3 1 5 6 10k R361 10k R360 0.1u B C363 4V 22u C362 4V 220u C361 4V 220u C359 4V 22u C360 10V 10u C358 0.01u B C356 BA7660FS-E2 IC351 1 MUTE 2 IN A 3 GND 4 IN B 5 GND 6 NC 7 IN C 8 GND 9 OUTC2 10 OUTC1 11 NC 12 OUTB2 13 OUTB1 14 OUTA2 15 OUTA1 16 VCC NJM2535V(TE2) IC352 1 2 3 4 5 VCC 6 7 GND 8 6.3V 10u C357 6.3V 10u C364 75 R359 10k R357 10k R356 DTC144EE-TL Q353 DTC144EE-TL Q352 0.01u B C354 DTC144EE-TL Q354 4700 R358 10uH L351 STBY3V JL355 V_IOCNT V5V VMUTE_TFT GND JL354 JL353 VGND * R365 J351 01ZA8.2(TPL3) D351 01ZA8.2(TPL3) D353 S351 VIDEOY VIDEOC VIDEOV WIDE 0.1u F C355 VMUTE Y C G G S S J352 R351 0 JL351 JL352 2SC4116GL-TE85L Q351 220 R352 100 R353 22k R354 22k R355 6.3V TA 10u C352 0.01u B C351 10V TA 10u C353 VIDEOSW VIDEO_OUT JL356 FB351 0uH FB352 0uH FB353 0uH 510 R368 510 R369 0 R370 18p C365 18p C366 XX C367 33p C368 33p C369 100p CH C370 15uH L352 15uH L353 4.7uH L354 TC7W02FU(TE12R) IC353 1 2 3 4 5 6 7 8 TC7W66FU(TE12R) IC354 1 2 3 4 5 6 7 8 0.01u B C373 0.1u B C371 0.1u B C372 22k R371 22k R372 100 R373 1k R374 2SC4116GL-TE85L Q356 C_OUT XX R375 0 R367 JL358 JL357 JL359 01ZA8.2(TPL3) D352 1 A V_OUT VIDEO_GND BIAS VCC GND VCC GND DVP-FX1 MODEL XX MARK:NO MOUNT PB MB-90 BOARD(12/12) VIDEO SW IC352 Y VIDEO IN/OUT SELECT(VIDEO BLOCK) CHROMA REC 16 VIDEO SIGNAL Y/CHROMA SIGNAL PATH 36 TO(10/12) TO(10/12, 11/12) 37 TO(7/12) 29 34 TO(9/12) TO(10/12) 39 48 TO(1/12) BUFFER V MUTE SWITCH MUTE SWITCH S VIDEO OUT VIDEO OUT VIDEO IN/OUT DVP-F5 MODEL DVP-FX1 MODEL LINE SELECT IN/OUT R365 XX DVP-FX1 MODEL 0 DVP-F5 MODEL VIDEO AMP IC351 C SW CONT IC353 IC354 C SWITCH DVP-FX1 MODEL DVP-FX1 MODEL B+ B+ B+ B+ B H 4 E 10 12 13 9 D 11 C 7 3 I 2 6 J 5 F 8 G NO MARK:DVD PB MODE 4.9 1.9 1.2 3.1 0 0 3.1 1.5 4.9 1.3 0 1.7 0 2.0 0 0.7 0.7 0.7 4.9 2.2 2.2 2.3 2.2 2.1 2.1 0 3.2 4.9 4.9 4.9 4.9 2.7 4.9 2.7 2.7 4.9 0 0 0 0 4.9 1.7 2.4 0 0 4.9 4.9 4.9 23 24 22 BUFFER DVP-F5 MODEL DVP-F5/FX1 4-35 4-36 MB-90 BOARD 2 IC401 t; (OUT 1-2) 3 IC401 th (OUT 1-3) 1 IC401 rh (OUT 1-1) 0.8Vp-p 3.0 µsec 0.7Vp-p 1.1Vp-p 0.7Vp-p 4 IC401 tj (OUT 1-4) 5 IC401 yf (OUT 1-5) 1.2Vp-p 3.0 µsec 3.0 µsec 6 IC401 4 (OUT 1-6) 1.5Vp-p 7 CN801 4 (RF) 680mVp-p 8 IC801 tj (SIGO) 1.4Vp-p 44.3 nsec 250 nsec 3.0 µsec 3.0 µsec 3.0 µsec 0 IC801 ra (TE) qa IC952 wl (PG IN) 9 IC801 rs (FE) 150mVp-p 1.0Vp-p 3.3Vp-p 3.3Vp-p qs IC952 es (FG IN) qd IC002 tf (XO) 3.3Vp-p 80 nsec 37 nsec 37 nsec 30 nsec qf IC005 3,wf (27M) 4.8Vp-p qg IC005 9 (XTAL OUT) 2.4Vp-p qh IC005 qs (33M) 4.5Vp-p 4.5 S 5.8 msec qk IC701 ej (X OUT) ql IC301 3 (MCLK) qj IC005 qg,qh (512 FS 1,2) 5.0Vp-p 3.6Vp-p 5.0Vp-p 3.5Vp-p w; IC301 5 (LRCKI) wa IC301 9 (BCKI) 3.5Vp-p 325 nsec H H H ws J351 (VIDEO OUT) 1.2Vp-p wd J352 C (S-C OUT) 1.8Vp-p wf J352 Y (S-Y OUT)2.0Vp-p 40.8 nsec 20.8 µsec WAVEFORMS MB-90 DVP-F5/FX1 4-39 4-40 For Schematic Diagram • Refer to page 4-45 for printed wiring board. • Refer to page 4-47 for waveforms. DC-DC CONVERTER TP-61 (1/3) The components identified by mark 0 or dotted line with mark 0 are critical for safety. Replace only with part number specified. Les composants identifiés par une marque 0 sont critiques pour la sécurité. Ne les remplacer que par une pièce portant le numéro spécifié. SB05-05CP-TB D1104 SB05-05CP-TB D1105 SB05-05CP-TB D1106 1SS193-TE85L D1103 1SS193-TE85L D1107 35V TA 2.2u C1108 16V TA 22u C1110 16V TA 100u C1112 20V TA 22u C1114 35V TA 2.2u C1116 R1111 1k D1111 UDZ-TE-17-13B 0.1u B C1117 13V 7.5V 5.0V -5V -17V Q1105 2SD1781K-T146-R Q1104 2SB1197K-T-146-R Q1103 2SB1197K-T-146-R D1110 UDZS-TE17-8.2B D1109 UDZS-TE17-5.6B D1108 UDZ-TE-17-18B 0.1u B C1115 100p C1113 0.1u B C1111 0.1u B C1109 56k R1108 12k R1109 2200 RV1101 R1106 1k R1107 1k R1110 1k Q1102 2SK2788VYTR 10 R1105 470p C1107 B 330p C1106 10k R1104 IC1101 XC6367D103ML 1 2 3 4 5 0.1u B C1104 0.1u B C1103 15u C1102 35V TA 220k R1103 T1101 1 2 3 4 5 6 7 8 D1102 SB05-05CP-TB 2SD1781K-T146-R Q1101 UDZ-TE-17-9.1B D1101 1k R1102 1 R1101 2012 0.1u B C1105 12P CN1102 1 2 3 4 5 6 7 8 9 10 11 12 2P CN1103 1 AUDIO_R+ 2 AUDIO_R- 2P CN1104 1 2 15u 35V C1101 TA XPAL 47uH L1101 47uH L1102 47uH L1103 47uH L1104 47uH L1105 0.1u B C1118 TFTMODE3(DS) TFTMODE2(DW) TFTMODE1(DN) GND Y_IN GND JL1101 JL1102 JL1103 JL1104 JL1105 JL1106 JL1107 JL1108 CLK CS DI ECL EA0 EA1 DO JL1109 JL1112 JL1114 JL1115 JL1113 JL1123 JL1124 JL1118 JL1122 JL1120 JL1119 JL1121 JL1125 JL1132 JL1129 JL1126 JL1130 JL1131 JL1127 JL1135 JL1133 JL1136 JL1134 FL1102 F1101 32P CN1101 1 2 3 4 5 6 7 8 9 10 11 12 13 14 15 16 17 18 19 20 21 22 23 24 25 26 27 28 29 30 31 32 JL1110 CIN 47uH L1106 JL1111 JL1116 R1112 0 R1113 0 2012 R1114 0 B C1121 10u 6.3V B C1119 10u 6.3V B C1120 10u 6.3V 1 A GND GND GND GND ASPECTSW 5.15V INVPCON INV_H_L VIN(UNREG) VIN(UNREG) VIN(UNREG) VIN(UNREG) IFTPCON ASPECTSW INV_H_L INV_PCON Y IN V_GND AUDIO_R+ AUDIO_R- AUDIO_L- AUDIO_L+ TFTMODE3 TFTMODE2 TFTMODE1 DO CS XPAL DI CLK ECL EA0 EA1 CIN UNREG+B UNREG+B UNREG+B +B_GND +B_GND +B_GND P_GND P_GND P_UNREG P_UNREG AUDIO_L- AUDIO_L+ TO MB-90 BOARD(10/12) CN703 XX MARK:NO MOUNT (SEE PAGE 4-30) SIGNAL PB SWITCHING AUDIO TP-61 BOARD(1/3) NO MARK:DVD PB MODE Y DC-DC CONVERTOR(DD BLOCK) IC1101 CHROMA REC 16 VIDEO SIGNAL Y/CHROMA SIGNAL PATH 7 TO(3/3) TO(2/3) 8 TO(2/3) 3 2 TO(3/3) B- B+ SP902 SPEAKER SP901 SPEAKER 1 TO(2/3) PROTECTOR SWITCHING -17V REG -5V REG 7.5V REG 4 TO(2/3,3/3) 9 TO(2/3,3/3) B- B+ B- B- B+ B+ VOL.LEV. ADJ B+ B+ B+ B+ B 16 15 4 E 10 12 13 9 D 11 C 14 7 3 2 6 5 F 8 G B+ 8.5 9.5 9.0 3.2 1.0 3.6 8.5 3.6 9.3 -19.1 -18.1 -17.5 -6.1 -5.0 -5.6 8.7 7.7 8.3 1 INVERTER MODULE (BACK-LIGHT) (DVP-FX1 MODEL) B- B+ B+ DVP-F5/FX1 4-41 4-42 For Schematic Diagram • Refer to page 4-45 for printed wiring board. • Refer to page 4-47 for waveforms. RGB DECODER TP-61 (2/3) IC1201 IR3Y29B4 1 TRAP 2 CONTRAST 3 VIDEO IN 4 IDENT FILTER 5 C IN 6 COLOR 7 BURST OUT 8 KILLER FILTER 9 R-Y 10 B-Y 11 ACC FILTER 12 CHROMA OUT 13 TINT 14 VCO IN 15 APC FILTER 16 VCO OUT 17 GND1 18 GND2 21 G OUT 19 R OUT 20 R DC DET 22 G DC DET 23 VCC2 24 BOUT 25 B DC DET 26 GAMMA2 27 GEMMA0 28 RGB AMPLITUDE ADJ 29 BRIGHT 30 SUB BRIGHT B 31 SUB BRIGHT R 32 COMMON FRP 33 FRP 34 SYNC IN 35 SYNC OUT 36 SYNC SEP 37 COMMON AMP ADJ 38 COMMON OUT 39 SW 40 B IN 41 G IN 42 R IN 45 CLAMP 44 F ADJ 43 VCC1 46 AGC FILTER 47 AGC OUT 48 PICTURE 100 R1238 100 R1236 100 R1237 7.5V 1608 1u B C1226 1608 1u B C1227 0.1u B C1232 100u C1234 16V TA 2200 R1240 10p CH C1228 0.01u B C1231 0.01u B C1229 XX R1241 XX R1244 0.47u C1235 25V TA 5600 R1246 8200 R1247 0.01u B C1220 XX R1232 XX R1231 XX R1227 XX R1228 3600 R1223 6800 R1222 COMFRPT FRP SYNC_IN 1k R1212 1608 10M R1215 680p B C1212 0.01u B C1213 0.01u B C1214 0.047u B C1215 0.1u B C1219 5.6M R1229 0.01u B C1216 0.01u B C1217 82p CH C1218 6800 R1224 Q1204 2SA1586YG-TE85L 330 R1234 1500 R1235 5600 R1233 0.01u B C1204 1608 0.22u B C1201 560 R1208 C1210 820p 0.1u B C1205 0.1u B C1202 TA 100u C1203 16V ±0.5% 18k R1210 6800p B C1206 330k R1209 XX R1206 XX R1203 0.01u B C1209 0.01u B C1207 330k R1211 XX R1201 TA 10u C1211 10V ±0.5% 100 R1214 ±0.5% 100 R1213 Y_IN Q1207 2SA1586YG-TE85L Q1208 2SC4116GL-TE85L Q1209 2SC4116GL-TE85L 47k R1249 820 R1251 560 R1254 3600 R1257 3600 R1256 750 R1261 750 R1262 10 R1263 12k R1248 1300 R1250 3300 R1253 750 R1258 750 R1259 10 R1260 0.1u B C1237 3216 10u B C1236 2700 R1252 8200 R1255 5.0V -5V GND 0.01u B C1221 0.01u B C1222 0.01u B C1223 0.01u B C1224 1u B C1225 VCS SYNC_OUT R G B COM XPAL 1M R1230 680 R1239 CH C1230 8p XP6115-TXE Q1205 6 1 4 2 3.3u C1233 16V C1208 3.3u 16V FMY4A-T148 Q1211 2 3 4 1 5 Q1206 DTC124XUA-T106 4700 R1245 XX L1202 XX L1203 XX C1238 XX C1239 GND JL1201 JL1202 JL1203 JL1204 JL1205 JL1206 JL1207 JL1208 JL1209 JL1210 JL1211 JL1212 JL1213 JL1214 JL1215 JL1216 JL1217 JL1218 27uH L1201 DTC124XUA-T106 Q1203 4700 R1204 10k R1207 XX R1218 XX R1220 47k R1219 4700 R1221 2SD2216J-QR(TX).SO Q1212 1T369-01-T8A D1201 XX C1240 0.01u B C1241 10k R1225 10k R1226 ECL EA0 EA1 4700 R1264 4700 R1265 4700 R1266 47k R1267 DTC124XUA-T106 Q1213 DI CS CLK DO 10k R1268 10k R1269 10k R1270 10k R1271 10k R1272 10k R1273 1u B C1242 1u B C1243 0.01u B C1244 2200 R1242 3300 R1243 JL1219 JL1220 JL1221 X1202 X1201 1500 R1274 10k R1276 10k R1275 XX R1282 XX R1281 XX R1280 XX R1279 XX R1277 XX R1278 10k R1283 470k R1284 XP4210-TXE Q1202 2 1 3 5 4 XX Q1201 16V TA 100u C1245 16V TA 100u C1246 16V TA 100u C1247 3300 R1202 2700 R1205 XX R1217 XX R1216 FMY3A-T148 Q1210 1 5 4 2 3 CIN 4700p B C1251 4700p B C1250 4700p B C1249 XX B C1248 XX B C1252 XX B C1253 0.1u B C1254 0.1u B C1255 JL1222 JL1224 JL1223 JL1225 JL1226 JL1227 JL1228 JL1231 JL1230 JL1229 JL1232 AK9813BF-E2 IC1202 AO1(RGB AMP) 1 AO2(BRIGHT) 2 AO3(CONTRAST) 3 AO4(COM AMP) 4 AO5(COLOR) 5 AO6(TINT/BCL) 6 AO7(COM DC) 7 AO8(SUB B) 8 AO9(SUB R) 9 AO10( 0) 10 AO11( 2) 11 AO12(PICTURE) 12 VDD 13 VCC 14 SEL 15 ECL 16 DO 17 CS/LD 18 CLK 19 DI 20 EA0 21 EA1 22 GND 23 VSS 24 JL1227 V_GND JL1226 Y_IN 1 A NTSC PAL 4.43MHz 3.58MHz TP-61 BOARD(2/3) 16 PB 3 TO(1/3) TO(3/3) 5 Y IC1202 CHROMA REC VIDEO SIGNAL Y/CHROMA SIGNAL PATH EVR (DC/DC CONV) 6 TO(3/3) 10 TO(3/3) Q1207-1211 COMMON OUT AMP TO(1/3) 8 TO(1/3,3/3) 9 TO(1/3,3/3) 4 NO MARK:DVD PB MODE XX MARK:NO MOUNT B+ B+ B+ B+ B+ NT/PAL VCO SW SWITCH INVERTER B- B+ B+ R-Y/B-Y OUT NT/PAL SWITCH STV TO(1/3) 1 B+ IC1201 LCD VIDEO PROCESS B 16 H 15 4 E 10 12 13 9 D 11 C 14 7 3 I 2 6 J 5 F 8 G 3.4 0 0 0 5.0 0 0 5.0 5.0 5.0 1.4 2.0 3.1 3.0 1.7 2.3 4.9 4.0 2.2 3.2 2.3 2.1 5.0 0 0 3.9 5.1 -3.7 5.8 -4.4 4.1 3.5 7.7 3.5 -4.9 4.1 3.5 7.6 7.7 3.5 2.9 -4.9 3.5 1.3 0.6 3.9 0 1.3 0 2.6 5.0 3.2 3.9 3.0 3.0 0 3.0 2.5 7.7 2.9 2.5 2.9 2.5 3.0 2.6 4.2 3.2 2.4 0.6 4.6 2.5 2.5 2.0 1.7 2.2 2.2 1.5 2.3 0 2.2 3.7 0 5.0 1.3 2.6 3.1 2.4 2.1 2.2 2.3 2.2 2.4 2.2 2.5 0.8 2.8 3.1 3.4 1.0 2.0 2.0 2.0 2.7 3.2 0 2 3 4 5 6 7 8 9 10 11 12 RGB DECODER(RGB BLOCK) (DVP-FX1 MODEL) INVERTER PAL MODEL PAL MODEL PAL MODEL PAL MODEL 3 5 γ γ DVP-F5/FX1 4-43 4-44 TIMING GENERATOR TP-61 (3/3) For Schematic Diagram • Refer to page 4-45 for printed wiring board. • Refer to page 4-47 for waveforms. 32P CN1301 1 2 3 4 5 6 7 8 9 10 11 12 13 14 15 16 17 18 19 20 21 22 23 24 25 26 27 28 29 30 31 32 0.1u B C1303 82p C1304 0.1u B C1305 100k RV1301 0.1u B C1301 0.1u B C1302 0.1u B C1306 0.1u B C1307 470k R1301 560 R1302 560 R1303 560 R1308 560 R1304 560 R1307 560 R1310 C1308 470p 0.1u B C1309 0.1u B C1310 100p C1311 0 R1312 XX R1314 0 R1315 XX R1313 0.1u B C1320 0.1u B C1319 560p C1316 560p C1322 560p C1323 0.01u B C1315 560 R1323 560 R1322 560 R1316 390 R1306 560k R1305 560k R1309 3600 R1317 5600 R1318 47k R1319 68k R1320 1M R1311 24k R1321 68k R1324 1M R1325 10k R1326 33p C1313 33p C1312 0.001u B C1314 560p C1324 0.1u B C1325 15uH L1301 NJM2107F-TE2 IC1302 1 2 3 4 5 MA152K-TX D1302 MA335-TX D1303 2200 RV1302 0.1u B C1327 100p CH C1328 0.001u B C1330 2700 R1327 3300 R1331 2700 R1330 100 R1335 330 R1332 68 R1336 220p CH C1329 330p CH C1334 1608 1u B C1338 1608 1u B C1351 2SC2411K-T-146-CP Q1301 2.7uH L1302 0.1u B C1331 8200 R1328 0.1u B C1335 UDZ-TE-17-5.1B D1304 0.1u B C1343 0.1u B C1336 0.1u B C1344 0.1u B C1339 3216 10u B C1340 3216 10u B C1345 1608 1u B C1346 1608 1u B C1348 0.1u B C1349 0.1u B C1350 4.7uH L1303 4.7uH L1304 UDZ-TE-17-5.1B D1305 10u B C1332 10u B C1333 0.1u B C1337 33p C1341 24k R1329 33k R1334 10k R1333 R G B 13V 5.0V COM -17V TFTMODE2(DW) TFTMODE1(DN) TFTMODE3(DS) VCS FRP COMFRPT SYNC_IN XPAL 1608 1u B C1317 0.1u B C1318 33p C1321 0.1u B C1326 GND JL1301 JL1302 JL1303 JL1304 JL1305 JL1309 JL1310 JL1311 JL1312 JL1313 JL1314 JL1315 JL1316 JL1317 JL1318 JL1322 JL1323 0.1u B C1353 0.1u B C1355 100p C1354 220k R1337 0.22u C1352 B 100k R1338 100k R1339 100k R1340 LZ9GJ19 IC1301 VIN 1 VCOP 2 MON_E 3 HSY 4 VDD 5 FRPT 6 SYNI 7 FRPV 8 GND 9 VCS 10 NT/PAL 11 VSY 12 HRVC 13 VRVC 14 CLKC 15 MDS 16 GND 17 EXCL 18 GND 19 MDW 20 MDN 21 PWM 22 MON_F 23 VSWC 24 VSWI 25 VSWO 26 VDD 27 SPOI 28 GND 29 PCP 30 CLOC 31 MOD2 32 HR 33 IHR 34 PS 35 CTR 36 SPIO 37 PDP 38 GND 39 MON 40 GND 41 GND 42 OSCO 43 OSCI 44 VDD 45 GND 46 CLD 47 TST1 48 RESH 49 RESV 50 TST2 51 TEST 52 MON_A 53 MON_B 54 MON_C 55 MON_D 56 CLS 57 SPS 58 VR 59 MOD1 60 TCLK 61 GND 62 GND 63 GPS 64 LOWI 65 ABC 66 VPD 67 GND 68 DVTC 69 BLKI 70 BLKO 71 SYNO 72 JL1329 JL1325 JL1326 JL1327 JL1328 JL1324 JL1330 JL1331 JL1332 D1306 1SS319(TE85R) 4 1 3 2 TC7S04FU(TE85R) IC1303 1 2 3 4 5 TC7S08FU(TE85R) IC1304 1 2 3 4 5 TC7WH123FU(TE12R) IC1305 1 2 3 4 5 6 7 8 3300p CH C1347 3300 R1341 SYNC_OUT 10u C1342 16V TA JL1333 0.1u B C1356 1 A VGH OPEN OPEN MODE2 MODE1 VR SPS CLS VCC OPEN OPEN VSS OPEN OPEN VGL COM GND CLD SPIO CTR PS HR SPOI GND B G R GND VSHA1 VSHA2 VSHL2 VSHL1 A B CL GND VCC RX/CX CX Q TIMING GENERATOR(TG BLOCK) NO MARK:DVD PB MODE XX MARK:NO MOUNT TP-61 BOARD(3/3) 16 TO(2/3) 5 TIMING GENERATOR IC1301 VCO/V-COM IC1302 20MHz OSC FREE RUN H OSC AND IC1304 INVERTER IC1303 IC1305 4 TO(1/3, 2/3) 2 TO(1/3) 6 TO(2/3) 9 TO(1/3,2/3) TO(2/3) 10 TO(1/3) 7 TFT PANEL MODULE PICTURE FRAME B- B+ B+ B+ B- B+ PB Y CHROMA REC VIDEO SIGNAL Y/CHROMA SIGNAL PATH B H 15 4 E 10 12 13 K 9 D 11 C L 14 7 3 I 2 6 J 5 F 8 G 4.9 0 0 4.9 4.8 4.8 4.9 2.1 4.9 2.4 2.4 0 2.7 4.4 0 0 4.4 4.0 0 4.9 0 4.8 4.9 4.9 2.5 2.5 0 2.5 4.9 4.9 4.9 4.9 0.9 0 4.9 0 4.9 0 0 0.4 0 4.6 4.9 2.5 0.4 2.5 0 3.9 4.9 0 4.9 4.9 0.4 0.6 4.9 4.9 4.9 4.2 0.9 0.9 4.9 4.0 4.0 0.6 4.9 0.4 2.7 2.7 4.9 2.6 2.6 4.3 2.1 17 13 14 15 16 (DVP-FX1 MODEL) ONE SHOT MULTIBIV

标签:

版权声明

1. 本站所有素材,仅限学习交流,仅展示部分内容,如需查看完整内容,请下载原文件。
2. 会员在本站下载的所有素材,只拥有使用权,著作权归原作者所有。
3. 所有素材,未经合法授权,请勿用于商业用途,会员不得以任何形式发布、传播、复制、转售该素材,否则一律封号处理。
4. 如果素材损害你的权益请联系客服QQ:77594475 处理。