索尼SONY D-EJ011音响电路原理图

分类:电子电工 日期: 点击:0
索尼SONY D-EJ011音响电路原理图-0 索尼SONY D-EJ011音响电路原理图-1 索尼SONY D-EJ011音响电路原理图-2 索尼SONY D-EJ011音响电路原理图-3 索尼SONY D-EJ011音响电路原理图-4 索尼SONY D-EJ011音响电路原理图-5 索尼SONY D-EJ011音响电路原理图-6 索尼SONY D-EJ011音响电路原理图-7 索尼SONY D-EJ011音响电路原理图-8 索尼SONY D-EJ011音响电路原理图-9

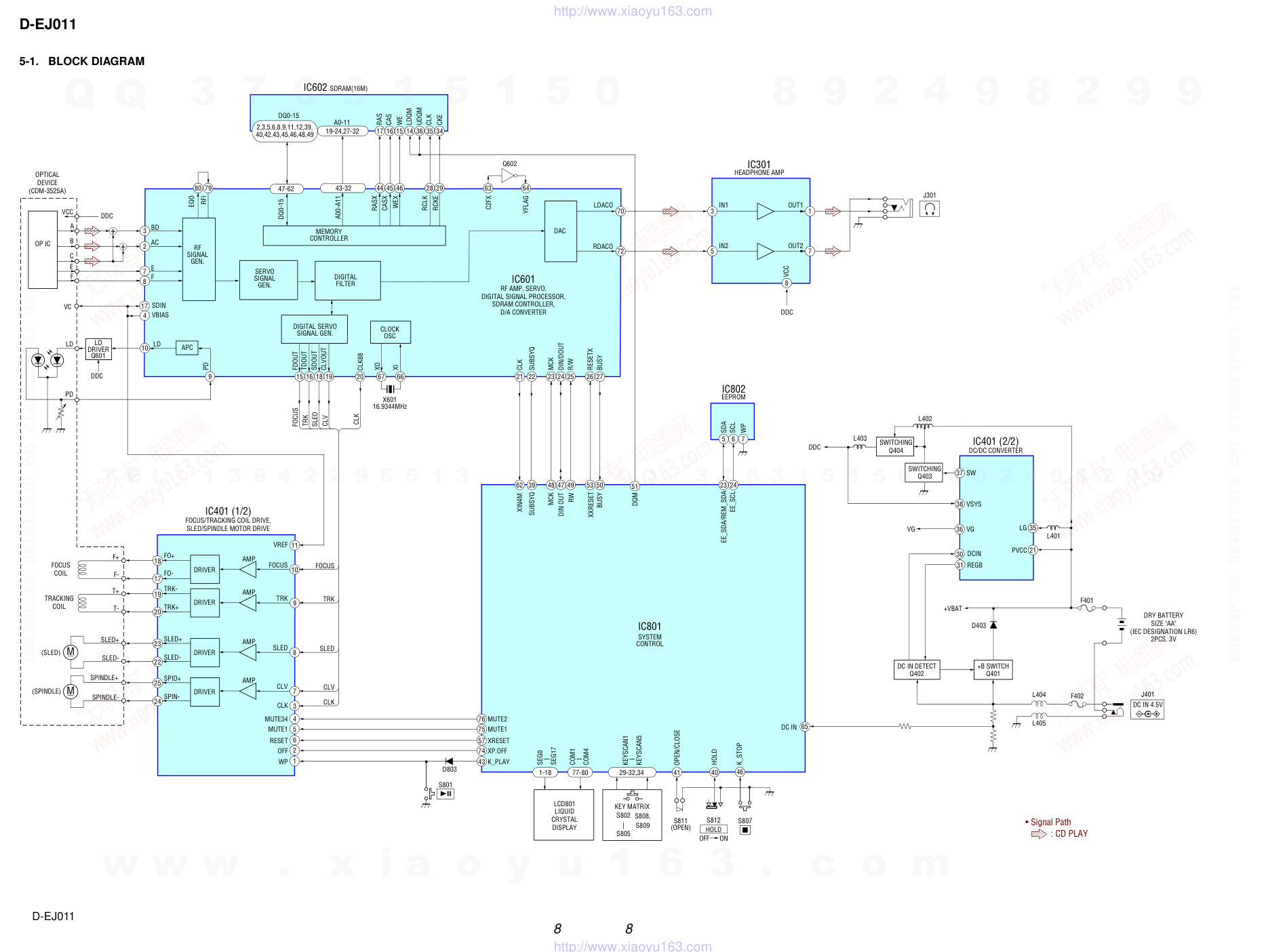
PORTABLE CD PLAYER E Model SPECIFICATIONS D-EJ011 Ver. 1.0 2006.12 Model Name Using Similar Mechanism D-EJ010 CD Mechanism Type CDM-3525A Optical Pick-up Name DAX-25E 9-887-511-01 2006L02-1 © 2006.12 Sony Corporation Personal Audio Division Published by Sony Techno Create Corporation SERVICE MANUAL System: Compact disc digital audio system Laser diode properties Emission duration: Continuous Laser output: Less than 44.6 µW (This output is the value measured at a distance of 200 mm from the objective lens surface on the optical pick-up block with 7 mm aperture.) Power requirements • Two LR6 (size AA) batteries: 1.5 V DC × 2 Dimensions (w/h/d) (without projecting parts and controls) Approx. 139.8 × 27.9 × 139.8 mm Mass (excluding accessories) Approx.188 g Operating temperature 5°C - 35°C (41°F - 95°F) Battery life* (approx. hours) (When the CD player is used on a flat and stable place.) Playing time varies depending on how the CD player is used. G-PROTECTION G-on G-off Two Sony alkaline batteries LR6 (SG) (produced in Japan) 16 11 * Measured value by the standard of JEITA (Japan Electronics and Information Technology Industries Association). • The indicator sections of roughly show the remaining battery power. One section does not always indicate one-fourth of the battery power. Design and specifications are subject to change without notice. Supplied accessories Headphones (1) www. xiaoyu163. com QQ 376315150 9 9 2 8 9 4 2 9 8 TEL 13942296513 9 9 2 8 9 4 2 9 8 0 5 1 5 1 3 6 7 3 Q Q TEL 13942296513 QQ 376315150 892498299 TEL 13942296513 QQ 376315150 892498299 http://www.xiaoyu163.com 2 D-EJ011 Notes on chip component replacement • Never reuse a disconnected chip component. • Notice that the minus side of a tantalum capacitor may be damaged by heat. Flexible Circuit Board Repairing • Keep the temperature of the soldering iron around 270 ˚C during repairing. • Do not touch the soldering iron on the same conductor of the circuit board (within 3 times). • Be careful not to apply force on the conductor when soldering or unsoldering. CAUTION Use of controls or adjustments or performance of procedures other than those specified herein may result in hazardous radiation exposure. TABLE OF CONTENTS 1. SERVICING NOTES ................................................ 3 2. GENERAL ................................................................... 3 3. DISASSEMBLY 3-1. Disassembly Flow ........................................................... 4 3-2. Cabinet (Inner) Assy, Cabinet (Lower) Assy ...................................................... 4 3-3. Optical Pick-up (CDM-3525A), MAIN Board.................................................................... 5 4. ELECTRICAL ADJUSTMENT ............................. 6 5. DIAGRAMS 5-1. Block Diagram ................................................................ 8 5-2. Printed Wiring Board – Main Board (Side A) – ................................................. 9 5-3. Printed Wiring Board – Main Board (Side B), Jack Board – ............................. 10 5-4. Schematic Diagram – Main Board (1/2) – ..................... 11 5-5. Schematic Diagram – Main Board (2/2), Jack Board – . 12 5-6. IC Pin Function Description ............................................ 15 6. EXPLODED VIEWS ................................................. 17 7. ELECTRICAL PARTS LIST .................................. 18 SAFETY-RELATED COMPONENT WARNING!! COMPONENTS IDENTIFIED BY MARK 0 OR DOTTED LINE WITH MARK 0 ON THE SCHEMATIC DIAGRAMS AND IN THE PARTS LIST ARE CRITICAL TO SAFE OPERATION. REPLACE THESE COMPONENTS WITH SONY PARTS WHOSE PART NUMBERS APPEAR AS SHOWN IN THIS MANUAL OR IN SUPPLEMENTS PUBLISHED BY SONY. UNLEADED SOLDER Boards requiring use of unleaded solder are printed with the lead- free mark (LF) indicating the solder contains no lead. (Caution: Some printed circuit boards may not come printed with the lead free mark due to their particular size) : LEAD FREE MARK Unleaded solder has the following characteristics. • Unleaded solder melts at a temperature about 40 °C higher than ordinary solder. Ordinary soldering irons can be used but the iron tip has to be applied to the solder joint for a slightly longer time. Soldering irons using a temperature regulator should be set to about 350 °C. Caution: The printed pattern (copper foil) may peel away if the heated tip is applied for too long, so be careful! • Strong viscosity Unleaded solder is more viscou-s (sticky, less prone to flow) than ordinary solder so use caution not to let solder bridges occur such as on IC pins, etc. • Usable with ordinary solder It is best to use only unleaded solder but unleaded solder may also be added to ordinary solder. www. xiaoyu163. com QQ 376315150 9 9 2 8 9 4 2 9 8 TEL 13942296513 9 9 2 8 9 4 2 9 8 0 5 1 5 1 3 6 7 3 Q Q TEL 13942296513 QQ 376315150 892498299 TEL 13942296513 QQ 376315150 892498299 http://www.xiaoyu163.com 3 D-EJ011 SECTION 1 SERVICING NOTES NOTES ON HANDLING THE OPTICAL PICK-UP BLOCK OR BASE UNIT The laser diode in the optical pick-up block may suffer electrostatic break-down because of the potential difference generated by the charged electrostatic load, etc. on clothing and the human body. During repair, pay attention to electrostatic break-down and also use the procedure in the printed matter which is included in the repair parts. The flexible board is easily damaged and should be handled with care. NOTES ON LASER DIODE EMISSION CHECK The laser beam on this model is concentrated so as to be focused on the disc reflective surface by the objective lens in the optical pick- up block. Therefore, when checking the laser diode emission, observe from more than 30 cm away from the objective lens. LASER DIODE AND FOCUS SEARCH OPERATION CHECK During normal operation of the equipment, emission of the laser diode is prohibited unless the upper lid is closed while turning ON the S811. (push switch type) The following checking method for the laser diode is operable. Fig. 1 Method to push the S811 SECTION 2 GENERAL This section is extracted from instruction manual. LOCATING THE CONTROLS • Method: Emission of the laser diode is visually checked. 1. Open the upper lid. 2. With a disc not set, turn on the S811 with a screwdriver having a thin tip as shown in Fig.1. 3. Press the u button. 4. Observing the objective lens, check that the laser diode emits light. When the laser diode does not emit light, automatic power control circuit or optical pick-up is faulty. In this operation, the objective lens will move up and down 2 times along with inward motion for the focus search. S811 Remaining battery power Sound mode Track number Playing time Play mode Bookmark * The button has a tactile dot. �� ^*(play/pause) DC IN 4.5 V 2 (headphones) jack �� p(stop) HOLD (rear) VOL –/+* Headphones SOUND/AVLS = + /� P MODE/ OPEN Display www. xiaoyu163. com QQ 376315150 9 9 2 8 9 4 2 9 8 TEL 13942296513 9 9 2 8 9 4 2 9 8 0 5 1 5 1 3 6 7 3 Q Q TEL 13942296513 QQ 376315150 892498299 TEL 13942296513 QQ 376315150 892498299 http://www.xiaoyu163.com 4 D-EJ011 SECTION 3 DISASSEMBLY • This set can be disassembled in the order shown below. 3-1. DISASSEMBLY FLOW 3-2. CABINET (INNER) ASSY, CABINET (LOWER) ASSY Note: Follow the disassembly procedure in the numerical order given. 3-2. CABINET (INNER) ASSY, CABINET (LOWER) ASSY (Page 4) 3-3. OPTICAL PICK-UP (CDM-3525A), MAIN BOARD (Page 5) SET 4 two screws cabinet (inner) assy cabinet (lower) assy 3 five screws 1 2 5 two claws 6 two claws www. xiaoyu163. com QQ 376315150 9 9 2 8 9 4 2 9 8 TEL 13942296513 9 9 2 8 9 4 2 9 8 0 5 1 5 1 3 6 7 3 Q Q TEL 13942296513 QQ 376315150 892498299 TEL 13942296513 QQ 376315150 892498299 http://www.xiaoyu163.com 5 D-EJ011 3-3. OPTICAL PICK-UP (CDM-3525A), MAIN BOARD MAIN Board (side A) To/From Optical device CDM-3525A BLK RED ORG GRY 4 MAIN board cabinet (lower) assy 3 optical pick-up CDM-3525A 1 CN501 2 Unsolder four lead wires www. xiaoyu163. com QQ 376315150 9 9 2 8 9 4 2 9 8 TEL 13942296513 9 9 2 8 9 4 2 9 8 0 5 1 5 1 3 6 7 3 Q Q TEL 13942296513 QQ 376315150 892498299 TEL 13942296513 QQ 376315150 892498299 http://www.xiaoyu163.com 6 D-EJ011 SECTION 4 ELECTRICAL ADJUSTMENTS The CD section adjustments are done automatically in this set. Adjusting Procedure: 1. Perform check in the order given. 2. Use YEDS-18 disc (Part No: 3-702-101-01) unless otherwise indicated. 3. Power supply voltage requirement :DC4.5 V in DC IN jack. (J401) VOLUME button : Minimum HOLD switch :OFF Focus bias Check Condition: • Hold the set in horizontal state. Connection: Procedure: 1. Make a solder bridge to short SL801 (OPEN) on the MAIN board side B. 2. Connect the oscilloscope to the test point TP604 (EQOUT) and TP406 (M-GND) on the MAIN board side B. 3. Set a disc. (YEDS-18) 4. Press the u button. 5. Check the oscilloscope waveform is as shown below. A good eye pattern means that the diamond shape ( ) in the center of the waveform can be clearly distinguished. RF Signal reference Waveform (Eye Pattern) To watch the eye pattern, set the oscilloscope to AC range and increase the vertical sensitivity of the oscilloscope for easy watch-ing. 6. Stop revolving of the disc motor by pressing the x button. 7. SL801 is opened by taking the solder bridge. RF level 1.3 ± 0.2 Vp-p VOLT/DIV : 500 mV (With the 10 : 1 probe in use) TIME/DIV : 500ns (SIDE B) MAIN BOARD 1 25 26 50 X601 S811 (OPEN) SL801 (OPEN) i J301 E C629 TP604 EQ OUT C627 C110 R107 R207 R101 C803 R305 L201 R211 R111 C612 R602 R617 C625 R622 R625 R626 R618 Q602 L301 L101 IC602 oscilloscope (AC range) + – TP604 (EQOUT) SL801 (OPEN) www. xiaoyu163. com QQ 376315150 9 9 2 8 9 4 2 9 8 TEL 13942296513 9 9 2 8 9 4 2 9 8 0 5 1 5 1 3 6 7 3 Q Q TEL 13942296513 QQ 376315150 892498299 TEL 13942296513 QQ 376315150 892498299 http://www.xiaoyu163.com 7 7 D-EJ011 D-EJ011 Note on Printed Wiring Boards. • X : parts extracted from the component side. • Y : parts extracted from the conductor side. • a : Through hole. • f : internal component • : Pattern from the side which enables seeing. (The other layers' patterns are not indicated.) • Note for Printed Wiring Boards and Schematic Diagrams Note on Schematic Diagrams. • All capacitors are in µF unless otherwise noted. (p: pF) 50 WV or less are not indicated except for electrolytics and tantalums. • All resistors are in Ω and 1/4 W or less unless otherwise specified. • f : internal tolerance. • C : panel designation. • A : B+ Line. • H : adjustment for repair. • Power voltage is dc 3 V and fed with regulated dc power supply from battery terminal. • Voltages and waveforms are dc with respect to ground under no-signal conditions. no mark : CD PLAY • Voltages are taken with a VOM (Input impedance 10 MΩ). Voltage variations may be noted due to normal produc- tion tolerances. • Waveforms are taken with a oscilloscope. Voltage variations may be noted due to normal produc- tion tolerances. • Circled numbers refer to waveforms. • Signal path. J : CD PLAY Caution: Pattern face side: Parts on the pattern face side seen from (Side B) the pattern face are indicated. Parts face side: Parts on the parts face side seen from (Side A) the parts face are indicated. • Indication of transistor. Note: The components identified by mark 0 or dotted line with mark ! are critical for safety. Replace only with part number specified. SECTION 5 DIAGRAMS C B These are omitted. E Q D G These are omitted. S Q • Waverforms 1 IC601 yj XO 2 V/DIV, 50 ns/DIV 59.5 ns 4.5 Vp-p 2 IC801 yd XOUT4M 2 V/DIV, 0.1 µs/DIV 244 ns 3.5 Vp-p w w w . x i a o y u 1 6 3 . c o m Q Q 3 7 6 3 1 5 1 5 0 9 9 2 8 9 4 2 9 8 T E L 1 3 9 4 2 2 9 6 5 1 3 9 9 2 8 9 4 2 9 8 0 5 1 5 1 3 6 7 3 Q Q TEL 13942296513 QQ 376315150 892498299 TEL 13942296513 QQ 376315150 892498299 http://www.xiaoyu163.com 8 8 D-EJ011 D-EJ011 5-1. BLOCK DIAGRAM : CD PLAY • Signal Path 3 80 79 3 5 6 5 1 7 72 2 17 4 7 8 15 16 18 19 64 63 51 66 67 24 23 50 53 49 47 48 39 62 27 26 25 24 23 22 3 57 6 9 18 DRIVER DRIVER DRIVER 17 19 20 23 22 11 DIGITAL FILTER SERVO SIGNAL GEN. RF SIGNAL GEN. OP IC DIGITAL SERVO SIGNAL GEN. PD LD FDOUT TDOUT SDOUT CLVOUT TRK FOCUS 20 CLK88 CLK TRK SLED CLV XO XI SUBSYQ MCK DIN/DOUT R/W RESETX BUSY CLOCK OSC DAC 31 36 21 35 SWITCHING Q404 SWITCHING Q403 17 16 15 47-62 19-24,27-32 2,3,5,6,8,9,11,12,39, 40,42,43,45,46,48,49 43-32 MEMORY CONTROLLER 41 40 1-18 77-80 29-32,34 70 LCD801 LIQUID CRYSTAL DISPLAY KEY MATRIX XIN4M SUBSYQ 21 CLK MCK DIN OUT RW EE_SCL EE_SDA/REM_SDA XXRESET BUSY DQM MUTE2 XRESET SEG0 I SEG17 COM1 I COM4 KEYSCAN1 I KEYSCAN5 OPEN/CLOSE HOLD REGB 65 DC IN 30 DCIN IC801 SYSTEM CONTROL L401 D403 F402 F401 DDC LG PVCC +VBAT VG DDC L402 L403 VG 38 VSYS 37 SW X601 16.9344MHz RDACO LDACO Q602 OUT1 OUT2 IN1 IN2 SDA SCL 7 WP 8 VCC IC301 HEADPHONE AMP IC802 EEPROM IC401 (2/2) DC/DC CONVERTER BD AC DDC E FO+ FO- TRK- TRK+ SLED+ SLED- F SDIN VBIAS AMP 10 FOCUS AMP 8 SLED AMP 7 CLV CLK TRK FOCUS VREF SLED CLV CLK AMP RESET 74 2 XP.OFF OFF 76 4 MUTE34 75 5 MUTE1 MUTE1 43 1 K_PLAY WP IC401 (1/2) FOCUS/TRACKING COIL DRIVE, SLED/SPINDLE MOTOR DRIVE IC602 SDRAM(16M) RAS CAS WE RASX A00-A11 DQ0-15 RFI EQO CASX WEX DQ0-15 A0-11 44 45 46 14 36 LDQM UDQM 35 34 CLK CKE RCLK C2FX YFLAG RCKE 28 29 IC601 RF AMP, SERVO, DIGITAL SIGNAL PROCESSOR, SDRAM CONTROLLER, D/A CONVERTER J401 DC IN 4.5V ! DRY BATTERY SIZE "AA" (IEC DESIGNATION LR6) 2PCS. 3V J301 i (SLED) FOCUS COIL (SPINDLE) M TRACKING COIL F+ F- T+ T- SLED+ SLED- DRIVER 25 24 SPID+ SPIN- M SPINDLE+ SPINDLE- OPTICAL DEVICE (CDM-3525A) VCC + + A B C E F LD PD VC LD DRIVER Q601 DDC S811 (OPEN) S812 HOLD OFF ON S807 APC 10 9 D803 46 K_STOP S801 S802 | S805 S808, S809 +B SWITCH Q401 DC IN DETECT Q402 L404 L405 w w w . x i a o y u 1 6 3 . c o m Q Q 3 7 6 3 1 5 1 5 0 9 9 2 8 9 4 2 9 8 T E L 1 3 9 4 2 2 9 6 5 1 3 9 9 2 8 9 4 2 9 8 0 5 1 5 1 3 6 7 3 Q Q TEL 13942296513 QQ 376315150 892498299 TEL 13942296513 QQ 376315150 892498299 http://www.xiaoyu163.com 9 9 D-EJ011 D-EJ011 5-2. PRINTED WIRING BOARD – MAIN BOARD (SIDE A) – :Uses unleaded solder. • Semiconductor Location Ref. No. Location D401 E-6 D403 D-6 D803 D-5 IC301 A-2 IC601 B-4 IC802 E-4 Q401 D-6 Q402 E-6 Q403 E-7 IC301 IC601 1 4 8 5 1 20 40 60 21 41 61 80 1 4 8 5 E E + – – + (SLED) M (SPINDLE) M OPTICAL DEVICE (CDM-3525A) (1/2) GRY ORG BLK RED C210 R201 R205 R206 R106 R104 R204 R620 R601 R608 C613 C614 C615 R615 R609 R610 C609 C611 C604 R606 R103 R203 R616 R105 R304 R619 C108 C102 C618 R607 C605 C626 R815 R833 R834 R839 R818 R817 C809 C806 C808 D803 R404 D403 R810 L406 L407 CN408 CN403 CN407 CN404 SLED– SLED+ SPINDLE– SPINDLE+ C405 R407 C413 R406 R405 R403 D401 F402 L404 L405 C807 R410 R807 R806 C805 R840 R841 R832 Q401 Q402 Q403 C802 R804 R844 R805 R843 IC802 R614 C606 R613 L801 C202 C201 C624 C208 C306 C303 C630 C620 C101 11 (11) 1-871-743- (SIDE A) BOARD MAIN 2 3 4 5 6 7 A 1 B C D E F 8 w w w . x i a o y u 1 6 3 . c o m Q Q 3 7 6 3 1 5 1 5 0 9 9 2 8 9 4 2 9 8 T E L 1 3 9 4 2 2 9 6 5 1 3 9 9 2 8 9 4 2 9 8 0 5 1 5 1 3 6 7 3 Q Q TEL 13942296513 QQ 376315150 892498299 TEL 13942296513 QQ 376315150 892498299 http://www.xiaoyu163.com 10 10 D-EJ011 D-EJ011 5-3. PRINTED WIRING BOARD – MAIN BOARD (SIDE B) – :Uses unleaded solder. • Semiconductor Location Ref. No. Location D404 E-1 IC401 D-3 IC602 B-6 IC801 E-4 Q404 E-2 Q601 C-5 Q602 A-5 1 20 21 40 1 20 60 80 40 21 61 41 1 22 BP VL 1 25 26 50 DC IN 4.5V J401 S803 . S802 > S807 x S801 u LCD801 LIQUID CRYSTAL DISPLAY S812 HOLD. 1 2 15 16 OPTICAL DEVICE (CDM-3525A) (2/2) X601 S811 (OPEN) SL801 (OPEN) i J301 S804 VOL– S808 SOUND/ AVLS S805 VOL+ S809 P MODE/ DRY BATTERY SIZE "AA" (IEC DESIGNATION LR6) 2PCS. 3V CN401 CN402 OFFtON E E 11 (11) 1-871-743- D404 Q404 C417 C406 R821 C416 C401 C410 C804 C412 C403 C404 L401 C411 C409 F401 CB414 IC401 IC801 SL803 R828 R831 R830 CN801 C420 C408 R414 R415 R402 R416 R418 R419 R417 R811 C623 C628 C610 C602 C607 C105 C305 C205 C204 C104 C304 C601 C603 CN501 C629 TP604 EQ OUT C627 C110 R107 R207 R101 C803 R305 L201 R211 R111 C612 R603 R602 R617 C625 R622 R625 R626 R618 Q602 R604 Q601 L301 L101 IC602 R812 R823 R624 C619 R829 C811 R401 L403 C419 L402 (SIDE B) MAIN BOARD 2 3 4 5 6 7 8 1 B A C D E F w w w . x i a o y u 1 6 3 . c o m Q Q 3 7 6 3 1 5 1 5 0 9 9 2 8 9 4 2 9 8 T E L 1 3 9 4 2 2 9 6 5 1 3 9 9 2 8 9 4 2 9 8 0 5 1 5 1 3 6 7 3 Q Q TEL 13942296513 QQ 376315150 892498299 TEL 13942296513 QQ 376315150 892498299 http://www.xiaoyu163.com 11 11 D-EJ011 D-EJ011 5-4. SCHEMATIC DIAGRAM – MAIN BOARD (1/2) – • See page 7 for Waveforms. • See page 13, 14 for IC Block Diagrams. DQ00 DQ01 DQ02 DQ03 DQ04 DQ05 DQ06 DQ07 DQ08 DQ09 DQ10 DQ11 DQ12 DQ13 DQ14 DQ15 A00 A01 A02 A03 A04 A05 A06 A07 A08 A09 A10 A11 A12 A13 D401 D403 IC301 IC601 IC602 Q601 LD DRIVER 501 L406 47uH 47uH L407 C410 C411 C412 C403 L401 330uH CB414 R416 R417 R418 R419 R608 R601 R620 R607 C613 R609 R610 C614 C615 C605 C609 C606 R615 R606 R613 R614 C610 C611 C618 X601 C620 C629 2.2 C625 C630 R619 R622 R618 R626 R203 C101 C201 C102 C202 C406 J301 R111 R211 C104 R101 R201 C110 C210 C304 C306 C627 C612 R811 C204 R617 L801 0H R406 C413 C626 R305 C603 R603 C604 R602 C623 R604 R105 10k R207 1k R107 1k R106 22k R206 22k R205 10k C105 C205 R304 Q602 Q402 Q401 R410 C607 C602 C601 CN403 CN404 CN407 CN408 IC401 R403 C408 C409 C404 R405 C305 C628 R616 C624 L301 0H 0H L201 0H L101 C108 C208 R407 C303 MA8062 MA2YD2300LSO BH3544F BU9352KV 2SA1235TP-1EF 16P 0.1 470p 1 0.1 0.022 22k 100k 47k 22k 47k 47k 47k 47k 0.01 1k 1k 0.01 2200p 0.1 2200p 0.1 68k 220k 68k 470 4.7 50V 0.22 470p 16.9344MHz 0.1 2.2 1000p 100k 220 1M 10k R625 10k 220 R103 220 R204 220 R104 220 4700p 4700p 2200p 2200p 0.1 10 10 220 6.3V 10 10 1000p 1000p 100 16V 0.1 0.1 0.1 100k 220 6.3V 100 10k 0.022 0.01 220k 0.01 4.7 0.1 2.2 470 6.3V 100k 4.7 50V 4.7 50V 1M RT1N140C-TR1 BUFFER XP6215 DC IN DETECT 2SB1132-T100-Q +B SWITCH 2.2 47 6.3V 47 6.3V 47 6.3V BH6575FV-E2 1k 100 16V 10 35V 10 35V 12k 47 6.3V 10 35V 0H 0.1 470p 470p 27k 1 GND BUS VCC PVCC GND B+ D GND A01 A02 A03 A10 A11 A00 DQ00 DQ01 DQ02 DQ03 DQ04 DQ05 DQ06 DQ07 WE CAS RAS CKE CLK DQ08 DQ09 DQ10 DQ11 DQ12 DQ13 DQ14 DQ15 DQ08 DQ09 DQ10 DQ11 DQ12 DQ13 DQ14 DQ15 DQ00 DQ01 DQ02 DQ03 DQ04 DQ05 DQ06 DQ07 A00 A01 A02 WE CAS RAS A03 A04 A05 A06 A07 A08 A09 A10 A11 CLK CKE 1 2 3 4 5 6 7 8 11 13 14 15 16 19 20 A04 A05 A06 A07 A08 A09 3 PVCC SLED- SLED+ SPIND- SPIND+ DPG2 SPRT SOFT CT DCIN REGB REGO PRGND PGND LG VG SW VSYS EI EO TRK+ TRK- FO+ FO- FIL4 FIL3 FIL2 FIL1 VREF FOCUS TRK SLED CLV RESET MUTE1 MUTE34 CLK OFF WP VSS DQ15 DQ14 VSSQ DQ13 DQ12 VCCQ DQ11 DQ10 VSSQ DQ9 DQ8 VCCQ NC UDQM CLK CKE NC A9 A8 A7 A6 A5 A4 VSS VCC DQ1 VSSQ DQ2 DQ3 VCCQ DQ4 DQ5 VSSQ DQ6 DQ7 VCCQ LDQM XWE CAS RAS XCS A11 A10 A0 A1 A2 A3 VCC OUT1 XMUTE IN1 GND IN2 BIAS OUT2 VCC CLK SUBSYQ MCK DIN/DOUT R/W BUSY RCLK RCKE WEX CASX RASX CLK88 CLVOUT SDOUT SDIN TDOUT FDOUT FCO PCO ASY LD PD F E BD GAIN AC GAIN VBIAS BD AC AVDD1 EQO ANA MONI1 ANA MONI0 TEST AD MONI1 AD MONI0 AGND2 RDACO VCDAC LDACO AVDD2 DGND XO XI DVDD YFLAG C2FX 16M SDRAM C E A B F VCC VC GND GND PD LD NC F+ T+ T- F- FOCUS/TRACKING COIL DRIVE, SLED/SPINDLE MOTOR DRIVE, DC/DC CONVERTER DPG1 RESETX RFI AGND1 SDRAM CONTROLLER ,D/A CONVERTER RF AMP,SERVO,DIGITAL SIGNALPROCESSOR, HEADPHONE AMP DQ0 M121616A-7T(J) (2/2) (Page 12) BOARD MAIN IC B/D IC B/D IC B/D w w w . x i a o y u 1 6 3 . c o m Q Q 3 7 6 3 1 5 1 5 0 9 9 2 8 9 4 2 9 8 T E L 1 3 9 4 2 2 9 6 5 1 3 9 9 2 8 9 4 2 9 8 0 5 1 5 1 3 6 7 3 Q Q TEL 13942296513 QQ 376315150 892498299 TEL 13942296513 QQ 376315150 892498299 http://www.xiaoyu163.com 12 12 D-EJ011 D-EJ011 5-5. SCHEMATIC DIAGRAM – MAIN BOARD (2/2) – • See page 7 for Waveforms. • See page 15 for IC Pin Function Description. SEG1 SEG2 SEG3 SEG4 SEG5 SEG6 SEG7 SEG8 SEG9 SEG10 SEG11 SEG12 SEG13 SEG14 SEG15 SEG16 SEG17 SEG0 COM1 COM2 COM3 COM4 D404 D803 IC801 IC802 L405 L404 L402 165uH C416 C417 R414 R415 C419 C420 L403 10uH C405 R404 S801 S807 S802 S803 S805 S804 S808 S809 S812 SL801 R624 R823 R829 C619 R812 R828 R830 R831 R832 R833 R834 R839 C805 R804 CN801 SL803 R818 R805 C806 R806 R815 C802 R810 1M C804 R841 R821 C811 C809 C807 1 Q403 Q404 F401 CN401 CN402 R844 R843 C808 F402 S811 R840 R402 R401 C401 J401 R817 UDZS-TE17-12B 1SS355TE-17 BU1377KS2 S24CS02AFJ-TB-G 0H 0H 47p 0.1 10 1k 220 6.3V 220 6.3V 1000p 100 1k 100k 100k 0.1 100k 1k 1k 1k 1k 1k 1k 100k 0.1 0 22P 100k VARISTOR 0.1 47k R807 47k 10k 0.01 VARISTOR 100k 100k 0.1 0.1 2SD2652T106 SWITCHING 2SD2652T106 SWITCHING 2A 32V 10k 10k 1 2A 32V (OPEN) (OPEN) 100k 22k 100k 1 10k BUS VCC GND PVCC B+ D GND COM1 COM2 COM3 COM4 SEG01 SEG02 SEG03 SEG04 SEG05 SEG06 SEG07 SEG08 SEG09 SEG10 SEG11 SEG12 SEG13 SEG14 SEG15 SEG16 SEG17 SEG00 SEG17 SEG16 SEG15 SEG14 SEG13 SEG12 SEG11 SEG10 SEG09 SEG08 SEG07 SEG06 SEG05 SEG04 SEG03 SEG02 SEG01 COM4 COM3 COM2 SEG00 COM1 2 11 3 4 5 6 7 20 15 13 1 16 8 14 19 DC IN 4.5V DRY BATTERY SIZE"AA" 2PCS. 3V (IEC DESIGNATION R6) HOLD ON OFF SDA SCL WP VCC GND A2 A1 A0 XOUT75 XIN75 TEST0 XRESET XHP MUTE TU CTL CD CTL XXRESET VDD DQM BUSY RW MCK DIN OUT K STOP BEEP K TUNER K PLAY INNER OPEN/CLOSE SEL CHG SEL CEX CHARGE CTL XLINEOUT MUTE EE SCL PLL CE PLL CLK PLL DATA EE SDA/REM SDA KEYSCAN6 KEYSCAN5 KEYSCAN4 KEYSCAN1 KEYSCAN2 GND KEYSCAN3 PLL RST ST DET XLINE DET SUBSYQ HOLD MMUE2 MMUE1 XP.OFF TEST1 SEL DRAM SEL OPTION WREM TEST MODE KEY1 BATT- BATT+ DC IN VDD XOUT4M XIN4M GND 1 5 10 15 20 22 LIQUID CRYSTAL DISPLAY SYSTEM CONTROL MO/ST EEPROM BOARD MAIN (1/2) (Page 11) w w w . x i a o y u 1 6 3 . c o m Q Q 3 7 6 3 1 5 1 5 0 9 9 2 8 9 4 2 9 8 T E L 1 3 9 4 2 2 9 6 5 1 3 9 9 2 8 9 4 2 9 8 0 5 1 5 1 3 6 7 3 Q Q TEL 13942296513 QQ 376315150 892498299 TEL 13942296513 QQ 376315150 892498299 http://www.xiaoyu163.com 13 D-EJ011 • IC Block Diagrams IC301 BH3544F-FE2 + 6 7 5 8 + 2 1 3 4 OUT 1 XMUTE MUTE IN 1 GND VCC OUT 2 BIAS IN 2 BIAS TSD 6dB 6dB 90k 90k IC401 BH6575FV-E2 EO SYSTEM ON OSC SYSTEM OFF CLK 30k 30k DC/DC CONVERTER – + – + – + VG CONV VSYS REG PRE-DR VSYS DETECT OFF 2 MUTE34 4 CLK 3 MUTE1 5 RESET 6 CLV 7 SLED TRK 9 VREF 11 FIL1 12 FIL2 13 FIL3 14 DPG1 16 TRK– TRK+ 19 20 FIL4 15 WP 1 40 SPIND– SLED+ SLED– PVCC 24 23 22 21 SPIND+ 25 SPRT 27 DPG2 26 SOFT 28 DCIN 30 CT 29 REGO 32 REGB 31 PRGND 33 PGND 34 VG 36 LG 35 VSYS 38 SW 37 EI 39 MUTE34 – – + RESET MUTE1 – + 8 30k – + – + – + – + 30k – + FOCUS 10 PRE-DR PRE-DR PRE-DR FO+ 18 FO– 17 www. xiaoyu163. com QQ 376315150 9 9 2 8 9 4 2 9 8 TEL 13942296513 9 9 2 8 9 4 2 9 8 0 5 1 5 1 3 6 7 3 Q Q TEL 13942296513 QQ 376315150 892498299 TEL 13942296513 QQ 376315150 892498299 http://www.xiaoyu163.com 14 D-EJ011 IC601 BU9352KV 1 AVDD1 2 AC 3 BD 4 VBIAS 5 AC_GAIN 6 BD_GAIN 7 E 8 F 9 PD 10 LD 11 ASY 12 PCO 13 FCO 14 AGND1 15 FDOUT 16 TDOUT 17 SDIN 18 SDOUT 19 CLVOUT 20 CLK88 CLK SUBSYQ MCK DIN/DOUT R/W RESETX BUSY RCLK RCKE A13 A12 A11 A10 A03 80 79 78 77 76 75 74 73 72 71 70 69 54 DQ00 53 DQ01 52 DQ02 51 DQ03 49 DQ05 DQ06 DQ07 46 WEX 45 CASX 44 RASX A00 A01 A02 EQO RFI ANA_MONI1 ANA_MONI0 TEST AD_MONI1 AD_MONI0 AGND2 RDACO VCDAC LDACO AVDD2 DGND XO 68 67 66 65 64 63 XI DVDD YFLAG C2FX DQ08 DQ09 62 61 21 22 23 24 25 26 27 28 29 30 31 32 33 A09 A08 A07 A06 A05 A04 34 35 36 37 38 39 40 43 42 41 47 48 50 DQ04 60 DQ10 59 DQ11 58 DQ12 57 DQ13 55 DQ15 56 DQ14 ANTI-SHOCK MEMORY CONTROLLER DIGITAL SIGNAL PROCESSOR DIGITAL SERVO FILTER DIGITAL SERVO SIGNAL PROCESSOR COMMAND INTERFACE x8 OVER SAMPLING DIGITAL FILTER 16K SRAM SERVO SIGNAL GENERAL RF SIGNAL GENERAL APC 1 BIT DAC PLL www. xiaoyu163. com QQ 376315150 9 9 2 8 9 4 2 9 8 TEL 13942296513 9 9 2 8 9 4 2 9 8 0 5 1 5 1 3 6 7 3 Q Q TEL 13942296513 QQ 376315150 892498299 TEL 13942296513 QQ 376315150 892498299 http://www.xiaoyu163.com 15 D-EJ011 5-6. IC PIN FUNCTION DESCRIPTION Pin No. Pin name I/O Description • IC801 BU1377KS2 (SYSTEM CONTROLLER) 1 to 18 SEG0 to SEG17 O LCD segment output 19 SEL_CHG I Not used (fixed at “L”) 20 SEL_CEX I Destination select (fixed at “L”) 21 CHARGE_CTL O Not used (OPEN) 22 XLINEOUT_MUTE O LINE OUT muting output (OPEN) 23 EE_SDA/REM_SDA I/O EEPROM data 24 EE_SCL O EEPROM clock 25 PLL_CE O Not used (OPEN) 26 PLL_CLK O Not used (OPEN) 27 PLL_DATA O Not used (OPEN) 28 KEYSCAN6 O Not used (OPEN) 29 KEYSCAN5 O Key matrix detect output 30 KEYSCAN4 O Key matrix detect output 31 KEYSCAN1 I Key matrix detect input 32 KEYSCAN2 I Key matrix detect input 33 GND – Ground terminal 34 KEYSCAN3 I Key matrix detect input 35 PLL_RST O Not used (OPEN) 36 ST_DET O Not used (OPEN) 37 MO/ST O Not used (OPEN) 38 XLINE_DET I/O LINE OUT sensing status detection input (OPEN) 39 SUBSYQ I Sub code sync interuption input 40 HOLD I HOLD switch status detection input 41 OPEN/CLOSE I OPEN switch status detection input 42 INNER O Not used (OPEN) 43 K_PLAY I PLAY KEY input 44 K_TUNER O Not used (OPEN) 45 BEEP O Not used (OPEN) 46 K_STOP I STOP KEY input 47 DIN OUT I/O Command output , DSP status input, subcode Q input 48 MCK O Serial interface clock output 49 RW O DSP’s serial interface Read/Write signal output 50 BUSY I DSP’s auto sequencer status 51 DQM O SDRAM initialize output 52 VDD – Power supply for CPU and I/O 53 XXRESET O System reset output 54 CD_CTL O Not used (OPEN) 55 TU_CTL O Not used (OPEN) 56 XHP_MUTE O Headphone IC mute ON/OFF control output 57 XRESET I Micon reset terminal 58 TEST0 I Connect to GND 59 XIN75 I Not used (fixed at “L”) 60 XOUT75 O Not used (OPEN) 61 GND – Ground terminal 62 XIN4M I 4MHz clock input 63 XOUT4M O 4MHz clock output (OPEN) www. xiaoyu163. com QQ 376315150 9 9 2 8 9 4 2 9 8 TEL 13942296513 9 9 2 8 9 4 2 9 8 0 5 1 5 1 3 6 7 3 Q Q TEL 13942296513 QQ 376315150 892498299 TEL 13942296513 QQ 376315150 892498299 http://www.xiaoyu163.com 16 D-EJ011 Pin No. Pin name I/O Description 64 VDD – Power supply for CPU and I/O 65 DC_IN I DC IN voltage monitoring input 66 BATT+ I Batt+ terminal voltage monitoring input 67 BATT– I Connect to GND 68 KEY1 I Connect to GND 69 TEST MODE I Test mode terminal 70 WREM I Wired remotecontroler key detection input. Not used (fixed at “H”) 71 SEL_OPTION I Connect to GND 72 SEL_DRAM I Connect to GND 73 TEST1 I Connect to GND 74 XP_OFF O Power OFF contorol output 75 MMUTE1 O Spindle motor drive mute output 76 MMUTE2 O Focus/Tracking drive mute output 77 COM1 O LCD common output 78 COM2 O LCD common output 79 COM3 O LCD common output 80 COM4 O LCD common output www. xiaoyu163. com QQ 376315150 9 9 2 8 9 4 2 9 8 TEL 13942296513 9 9 2 8 9 4 2 9 8 0 5 1 5 1 3 6 7 3 Q Q TEL 13942296513 QQ 376315150 892498299 TEL 13942296513 QQ 376315150 892498299 http://www.xiaoyu163.com 17 D-EJ011 SECTION 6 EXPLODED VIEWS NOTE: • -XX and -X mean standardized parts, so they may have some difference from the original one. • Items marked “*” are not stocked since they are seldom required for routine service. Some delay should be anticipated when ordering these items. • The mechanical parts with no reference number in the exploded views are not supplied. • Color Indication of Appearance Parts Example: KNOB, BALANCE (WHITE) . . . (RED) R R Parts of Color Cabinet’s Color • Accessories are given in the last of the electrical parts list. Ref. No. Part No. Description Remark Ref. No. Part No. Description Remark The components identified by mark 0 or dotted line with mark 0 are critical for safety. Replace only with part number specified. 1 X-2176-178-1 CABINET (LOWER) ASSY (S) (SILVER) 1 X-2176-179-1 CABINET (LOWER) ASSY (B) (BLACK) (E) 2 2-887-110-01 TERMINAL (RELAY), BATTERY 3 2-887-109-01 TERMINAL (-), BATTERY 4 2-887-108-01 TERMINAL (+), BATTERY 5 A-1220-717-A MAIN BOARD, COMPLETE 6 3-245-331-02 INSULATOR 1 2 3 4 5 6 6 7 8 9 10 11 LCD801 not supplied not supplied not supplied not supplied not supplied not supplied not supplied 07 A-1112-193-A OPTICAL PICK-UP CDM-3525A 8 3-254-070-11 SCREW 9 2-887-113-01 SPRING (LID) 10 2-887-103-01 LID, BATTERY CASE 11 X-2176-174-1 CABINET (INNER) ASSY (SILVER) 11 X-2176-175-1 CABINET (INNER) ASSY (BLACK) (E) LCD801 1-805-860-11 DISPLAY PANEL, LIQUID CRYSTAL www. xiaoyu163. com QQ 376315150 9 9 2 8 9 4 2 9 8 TEL 13942296513 9 9 2 8 9 4 2 9 8 0 5 1 5 1 3 6 7 3 Q Q TEL 13942296513 QQ 376315150 892498299 TEL 13942296513 QQ 376315150 892498299 http://www.xiaoyu163.com 18 D-EJ011 SECTION 7 ELECTRICAL PARTS LIST Ref. No. Part No. Description Remark Ref. No. Part No. Description Remark NOTE: • Due to standardization, replacements in the parts list may be different from the parts specified in the diagrams or the components used on the set. • -XX and -X mean standardized parts, so they may have some difference from the original one. • RESISTORS All resistors are in ohms. METAL: Metal-film resistor. METAL OXIDE: Metal oxide-film resistor. F: nonflammable • Items marked “*” are not stocked since they are seldom required for routine service. Some delay should be anticipated when ordering these items. • SEMICONDUCTORS In each case, u: µ, for example: uA... : µA... uPA... : µPA... uPB... : µPB... uPC... : µPC... uPD... : µPD... • CAPACITORS uF: µF • COILS uH: µH When indicating parts by reference number, please include the board. The components identified by mark 0 or dotted line with mark 0 are critical for safety. Replace only with part number specified. A-1220-717-A MAIN BOARD, COMPLETE ******************** 2-887-108-01 TERMINAL (+), BATTERY 2-887-109-01 TERMINAL (–), BATTERY < CAPACITOR > C101 1-100-581-81 CERAMIC CHIP 0.0047uF 10% 50V C102 1-164-939-11 CERAMIC CHIP 0.0022uF 10% 50V C104 1-124-635-00 ELECT 220uF 20% 6.3V C105 1-126-794-11 ELECT 4.7uF 20% 50V C108 1-164-935-11 CERAMIC CHIP 470PF 10% 50V C110 1-164-937-11 CERAMIC CHIP 0.001uF 10% 50V C201 1-100-581-81 CERAMIC CHIP 0.0047uF 10% 50V C202 1-164-939-11 CERAMIC CHIP 0.0022uF 10% 50V C204 1-124-635-00 ELECT 220uF 20% 6.3V C205 1-126-794-11 ELECT 4.7uF 20% 50V C208 1-164-935-11 CERAMIC CHIP 470PF 10% 50V C210 1-164-937-11 CERAMIC CHIP 0.001uF 10% 50V C303 1-125-837-91 CERAMIC CHIP 1uF 10% 6.3V C304 1-126-382-11 ELECT 100uF 20% 16V C305 1-126-513-11 ELECT 47uF 20% 6.3V C306 1-107-826-11 CERAMIC CHIP 0.1uF 10% 16V C401 1-100-352-91 CERAMIC CHIP 1uF 20% 16V C403 1-107-820-11 CERAMIC CHIP 0.1uF 16V C404 1-126-791-11 ELECT 10uF 20% 35V C405 1-164-937-11 CERAMIC CHIP 0.001uF 10% 50V C406 1-107-820-11 CERAMIC CHIP 0.1uF 16V C408 1-126-382-11 ELECT 100uF 20% 16V C409 1-126-791-11 ELECT 10uF 20% 35V C410 1-107-826-11 CERAMIC CHIP 0.1uF 10% 16V C411 1-164-935-11 CERAMIC CHIP 470PF 10% 50V C412 1-115-156-11 CERAMIC CHIP 1uF 10V C413 1-107-819-11 CERAMIC CHIP 0.022uF 10% 16V C416 1-164-866-11 CERAMIC CHIP 47PF 5% 50V C417 1-107-826-11 CERAMIC CHIP 0.1uF 10% 16V C419 1-124-635-00 ELECT 220uF 20% 6.3V C420 1-124-635-00 ELECT 220uF 20% 6.3V C601 1-126-513-11 ELECT 47uF 20% 6.3V C602 1-126-513-11 ELECT 47uF 20% 6.3V C603 1-100-567-81 CERAMIC CHIP 0.01uF 10% 25V C604 1-107-826-11 CERAMIC CHIP 0.1uF 10% 16V C605 1-107-820-11 CERAMIC CHIP 0.1uF 16V C606 1-107-826-11 CERAMIC CHIP 0.1uF 10% 16V C607 1-126-513-11 ELECT 47uF 20% 6.3V C609 1-164-939-11 CERAMIC CHIP 0.0022uF 10% 50V C610 1-126-794-11 ELECT 4.7uF 20% 50V C611 1-115-467-11 CERAMIC CHIP 0.22uF 10% 10V C612 1-107-820-11 CERAMIC CHIP 0.1uF 16V C613 1-100-567-81 CERAMIC CHIP 0.01uF 10% 25V C614 1-100-567-81 CERAMIC CHIP 0.01uF 10% 25V C615 1-164-939-11 CERAMIC CHIP 0.0022uF 10% 50V C618 1-164-935-11 CERAMIC CHIP 470PF 10% 50V C619 1-107-826-11 CERAMIC CHIP 0.1uF 10% 16V C620 1-107-820-11 CERAMIC CHIP 0.1uF 16V C623 1-119-941-41 ELECT 470uF 20% 6.3V C624 1-107-826-11 CERAMIC CHIP 0.1uF 10% 16V C625 1-165-884-91 CERAMIC CHIP 2.2uF 10% 6.3V C626 1-100-567-81 CERAMIC CHIP 0.01uF 10% 25V C627 1-107-820-11 CERAMIC CHIP 0.1uF 16V C628 1-126-791-11 ELECT 10uF 20% 35V C629 1-165-884-91 CERAMIC CHIP 2.2uF 10% 6.3V C630 1-164-937-11 CERAMIC CHIP 0.001uF 10% 50V C802 1-100-567-81 CERAMIC CHIP 0.01uF 10% 25V C803 1-165-128-11 CERAMIC CHIP 0.22uF 16V C804 1-802-068-21 VARISTOR, CHIP (1608) C805 1-107-826-11 CERAMIC CHIP 0.1uF 10% 16V C806 1-107-826-11 CERAMIC CHIP 0.1uF 10% 16V C807 1-115-156-11 CERAMIC CHIP 1uF 10V C808 1-125-837-91 CERAMIC CHIP 1uF 10% 6.3V C809 1-107-820-11 CERAMIC CHIP 0.1uF 16V C811 1-107-826-11 CERAMIC CHIP 0.1uF 10% 16V CB414 1-112-557-11 CERAMIC CHIP 0.022uF 20% 16V < CONNECTOR > CN501 1-774-975-51 CONNECTOR, FFC/FPC 16P < DIODE > D401 8-719-422-58 DIODE MA8062 D403 8-719-085-43 DIODE MA2YD2300LS0 D404 8-719-083-82 DIODE UDZS-TE17-12B D803 8-719-404-50 DIODE MA111-TX < FUSE > 0F401 1-576-415-21 FUSE 2A 32V 0F402 1-576-415-21 FUSE 2A 32V MAIN • Abbreviation KR : korea model www. xiaoyu163. com QQ 376315150 9 9 2 8 9 4 2 9 8 TEL 13942296513 9 9 2 8 9 4 2 9 8 0 5 1 5 1 3 6 7 3 Q Q TEL 13942296513 QQ 376315150 892498299 TEL 13942296513 QQ 376315150 892498299 http://www.xiaoyu163.com Ref. No. Part No. Description Remark Ref. No. Part No. Description Remark 19 D-EJ011 < IC > IC301 8-759-588-61 IC BH3544F-FE2 IC401 6-704-047-01 IC BH6575FV-E2 IC601 6-708-130-01 IC BU9352KV IC602 6-709-459-01 IC M12L16161A-7T (J) IC801 6-806-316-01 IC BU1377KS2 IC802 6-710-820-01 IC S-24CS02AFJ-TB-G < JACK > J301 1-820-259-11 JACK, HEADPHONE (i) J401 1-819-364-11 JACK, DC (POLARITY UNIFIED TYPE) (DC IN 4.5V) < COIL > L101 1-400-981-21 INDUCTOR (EMI FERRITE) L201 1-400-981-21 INDUCTOR (EMI FERRITE) L301 1-400-970-21 INDUCTOR (EMI FERRITE) L401 1-457-095-11 INDUCTOR 330uH L402 1-457-096-21 INDUCTOR 165uH L403 1-400-945-11 INDUCTOR 10uH * L404 1-400-974-21 INDUCTOR (EMI FERRITE) * L405 1-400-974-21 INDUCTOR (EMI FERRITE) L406 1-400-145-21 INDUCTOR 47uH L407 1-400-145-21 INDUCTOR 47uH L801 1-400-981-21 INDUCTOR (EMI FERRITE) < LIQUID CRYSTAL DISPLAY PANEL> LCD801 1-805-860-11 DISPLAY PANEL, LIQUID CRYSTAL < TRANSISTOR > Q401 8-729-106-60 TRANSISTOR 2SB1115A-YQ Q402 8-729-428-51 TRANSISTOR XP6215 Q403 6-550-364-01 TRANSISTOR 2SD2652T106 Q404 6-550-364-01 TRANSISTOR 2SD2652T106 Q601 8-729-600-22 TRANSISTOR 2SA1235-F Q602 8-729-027-44 TRANSISTOR DTC114TKA-T146 < RESISTOR > R101 1-216-797-11 METAL CHIP 10 5% 1/10W R103 1-216-813-11 METAL CHIP 220 5% 1/10W R104 1-216-813-11 METAL CHIP 220 5% 1/10W R105 1-216-833-11 METAL CHIP 10K 5% 1/10W R106 1-216-837-11 METAL CHIP 22K 5% 1/10W R107 1-216-821-11 METAL CHIP 1K 5% 1/10W R111 1-216-797-11 METAL CHIP 10 5% 1/10W R201 1-216-797-11 METAL CHIP 10 5% 1/10W R203 1-216-813-11 METAL CHIP 220 5% 1/10W R204 1-216-813-11 METAL CHIP 220 5% 1/10W R205 1-216-833-11 METAL CHIP 10K 5% 1/10W R206 1-216-837-11 METAL CHIP 22K 5% 1/10W R207 1-216-821-11 METAL CHIP 1K 5% 1/10W R211 1-216-797-11 METAL CHIP 10 5% 1/10W R304 1-216-857-11 METAL CHIP 1M 5% 1/10W R305 1-216-849-11 METAL CHIP 220K 5% 1/10W R401 1-216-845-11 METAL CHIP 100K 5% 1/10W R402 1-216-837-11 METAL CHIP 22K 5% 1/10W R403 1-216-821-11 METAL CHIP 1K 5% 1/10W R404 1-216-809-11 METAL CHIP 100 5% 1/10W R405 1-218-873-11 METAL CHIP 12K 0.5% 1/10W R406 1-216-833-11 METAL CHIP 10K 5% 1/10W R407 1-218-881-11 METAL CHIP 27K 0.5% 1/10W R410 1-216-789-11 METAL CHIP 2.2 5% 1/10W R414 1-216-797-11 METAL CHIP 10 5% 1/10W R415 1-216-821-11 METAL CHIP 1K 5% 1/10W R416 1-216-837-11 METAL CHIP 22K 5% 1/10W R417 1-216-845-11 METAL CHIP 100K 5% 1/10W R418 1-216-841-11 METAL CHIP 47K 5% 1/10W R419 1-216-837-11 METAL CHIP 22K 5% 1/10W R601 1-216-841-11 METAL CHIP 47K 5% 1/10W R602 1-216-789-11 METAL CHIP 2.2 5% 1/10W R603 1-216-793-11 METAL CHIP 4.7 5% 1/10W R604 1-216-845-11 METAL CHIP 100K 5% 1/10W R606 1-216-849-11 METAL CHIP 220K 5% 1/10W R607 1-216-841-11 METAL CHIP 47K 5% 1/10W R608 1-216-841-11 METAL CHIP 47K 5% 1/10W R609 1-216-821-11 METAL CHIP 1K 5% 1/10W R610 1-216-821-11 METAL CHIP 1K 5% 1/10W R613 1-216-843-11 METAL CHIP 68K 5% 1/10W R614 1-216-817-11 METAL CHIP 470 5% 1/10W R615 1-216-843-11 METAL CHIP 68K 5% 1/10W R616 1-400-981-21 INDUCTOR (EMI FERRITE) R617 1-216-809-11 METAL CHIP 100 5% 1/10W R618 1-216-857-11 METAL CHIP 1M 5% 1/10W R619 1-216-845-11 METAL CHIP 100K 5% 1/10W R620 1-216-841-11 METAL CHIP 47K 5% 1/10W R622 1-216-813-11 METAL CHIP 220 5% 1/10W R624 1-216-845-11 METAL CHIP 100K 5% 1/10W R625 1-216-833-11 METAL CHIP 10K 5% 1/10W R626 1-216-833-11 METAL CHIP 10K 5% 1/10W R804 1-216-864-11 SHORT CHIP 0 R805 1-802-068-21 VARISTOR, CHIP (1608) R806 1-216-841-11 METAL CHIP 47K 5% 1/10W R807 1-216-841-11 METAL CHIP 47K 5% 1/10W R810 1-216-857-11 METAL CHIP 1M 5% 1/10W R811 1-216-845-11 METAL CHIP 100K 5% 1/10W R812 1-216-845-11 METAL CHIP 100K 5% 1/10W R815 1-216-833-11 METAL CHIP 10K 5% 1/10W R817 1-216-833-11 METAL CHIP 10K 5% 1/10W R818 1-216-845-11 METAL CHIP 100K 5% 1/10W R821 1-216-845-11 METAL CHIP 100K 5% 1/10W R823 1-216-821-11 METAL CHIP 1K 5% 1/10W R828 1-216-821-11 METAL CHIP 1K 5% 1/10W R829 1-216-845-11 METAL CHIP 100K 5% 1/10W R830 1-216-821-11 METAL CHIP 1K 5% 1/10W R831 1-216-821-11 METAL CHIP 1K 5% 1/10W R832 1-216-821-11 METAL CHIP 1K 5% 1/10W R833 1-216-821-11 METAL CHIP 1K 5% 1/10W R834 1-216-821-11 METAL CHIP 1K 5% 1/10W R839 1-216-845-11 METAL CHIP 100K 5% 1/10W R840 1-216-845-11 METAL CHIP 100K 5% 1/10W R841 1-216-845-11 METAL CHIP 100K 5% 1/10W R843 1-216-833-11 METAL CHIP 10K 5% 1/10W R844 1-216-833-11 METAL CHIP 10K 5% 1/10W MAIN www. xiaoyu163. com QQ 376315150 9 9 2 8 9 4 2 9 8 TEL 13942296513 9 9 2 8 9 4 2 9 8 0 5 1 5 1 3 6 7 3 Q Q TEL 13942296513 QQ 376315150 892498299 TEL 13942296513 QQ 376315150 892498299 http://www.xiaoyu163.com Ref. No. Part No. Description Remark Ref. No. Part No. Description Remark 20 D-EJ011 < SWITCH > S801 1-786-865-11 SWITCH, KEYBOARD (u) S802 1-786-865-11 SWITCH, KEYBOARD (>) S803 1-786-865-11 SWITCH, KEYBOARD (.) S804 1-786-865-11 SWITCH, KEYBOARD (VOL –) S805 1-786-865-11 SWITCH, KEYBOARD (VOL +) S807 1-786-865-11 SWITCH, KEYBOARD (x) S808 1-786-865-11 SWITCH, KEYBOARD (SOUND/AVLS) S809 1-786-865-11 SWITCH, KEYBOARD (P MODE/F) S811 1-570-953-11 SWITCH, PUSH (1 KEY) (OPEN) S812 1-786-864-11 SWITCH, SLIDE (HOLD”) < VIBRATOR > X601 1-813-590-11 VIBRATOR, CERAMIC (16.934 MHz) ************************************************************ MISCELLANEOUS ************** 07 A-1112-193-A CDM-3525A LCD801 1-805-860-11 DISPLAY PANEL, LIQUID CRYSTAL ************************************************************ ACCESSORIES ************ 1-542-697-51 HEADPHONE (MDR-E706) 2-896-703-41 MANUAL, INSTRUCTION (ENGLISH) (E) 2-896-703-61 MANUAL, INSTRUCTION (SIMPLIFIED CHINESE, TRADITIONAL CHINESE)(E) 2-898-323-11 MANUAL, INSTRUCTION (KOREAN) (KR) MAIN www. xiaoyu163. com QQ 376315150 9 9 2 8 9 4 2 9 8 TEL 13942296513 9 9 2 8 9 4 2 9 8 0 5 1 5 1 3 6 7 3 Q Q TEL 13942296513 QQ 376315150 892498299 TEL 13942296513 QQ 376315150 892498299 http://www.xiaoyu163.com 21 D-EJ011 MEMO www. xiaoyu163. com QQ 376315150 9 9 2 8 9 4 2 9 8 TEL 13942296513 9 9 2 8 9 4 2 9 8 0 5 1 5 1 3 6 7 3 Q Q TEL 13942296513 QQ 376315150 892498299 TEL 13942296513 QQ 376315150 892498299 http://www.xiaoyu163.com D-EJ011 REVISION HISTORY Clicking the version allows you to jump to the revised page. Also, clicking the version at the upper right on the revised page allows you to jump to the next revised page. Ver. Date Description of Revision 1.0 2006.12 New www. xiaoyu163. com QQ 376315150 9 9 2 8 9 4 2 9 8 TEL 13942296513 9 9 2 8 9 4 2 9 8 0 5 1 5 1 3 6 7 3 Q Q TEL 13942296513 QQ 376315150 892498299 TEL 13942296513 QQ 376315150 892498299 http://www.xiaoyu163.com

标签:

版权声明

1. 本站所有素材,仅限学习交流,仅展示部分内容,如需查看完整内容,请下载原文件。
2. 会员在本站下载的所有素材,只拥有使用权,著作权归原作者所有。
3. 所有素材,未经合法授权,请勿用于商业用途,会员不得以任何形式发布、传播、复制、转售该素材,否则一律封号处理。
4. 如果素材损害你的权益请联系客服QQ:77594475 处理。