天龙DENON DVD-310 DVD播放器电路图

分类:电子电工 日期: 点击:0
天龙DENON DVD-310 DVD播放器电路图-0 天龙DENON DVD-310 DVD播放器电路图-1 天龙DENON DVD-310 DVD播放器电路图-2 天龙DENON DVD-310 DVD播放器电路图-3 天龙DENON DVD-310 DVD播放器电路图-4 天龙DENON DVD-310 DVD播放器电路图-5 天龙DENON DVD-310 DVD播放器电路图-6 天龙DENON DVD-310 DVD播放器电路图-7 天龙DENON DVD-310 DVD播放器电路图-8 天龙DENON DVD-310 DVD播放器电路图-9

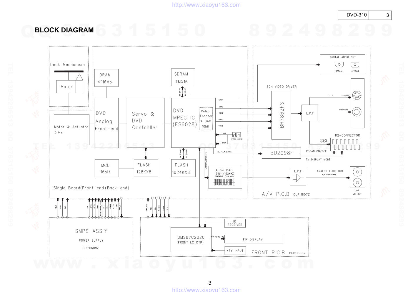
SERVICE MANUAL MODEL DVD-310 DVD VIDEO PLAYER For Japan model 16-11, YUSHIMA 3-CHOME, BUNKYOU-KU, TOKYO 113-0034 JAPAN S-1129V.01 DE/CDM 0307 注 意 サービスをおこなう前に、このサービスマニュアルを 必ずお読みください。本機は、火災、感電、けがなど に対する安全性を確保するために、さまざまな配慮を おこなっており、また法的には「電気用品安全法」に もとづき、所定の許可を得て製造されております。 従ってサービスをおこなう際は、これらの安全性が維 持されるよう、このサービスマニュアルに記載されて いる注意事項を必ずお守りください。 ● 本機の仕様は性能改良のため、予告なく変更すること があります。 ● 補修用性能部品の保有期間は、製造打切後 8年です。 Some illustrations using in this service manual are slightly different from the actual set. ● ● Please use this service manual with referring to the operating instructions without fail. ● For purposes of improvement, specifications and design are subject to change without notice. ● 修理の際は、必ず取扱説明書を参照の上、作業を行って , ください。 ● 本文中に使用しているイラストは、説明の都合上現物 と多少異なる場合があります。 Ver. 1 www. xiaoyu163. com QQ 376315150 9 9 2 8 9 4 2 9 8 TEL 13942296513 9 9 2 8 9 4 2 9 8 0 5 1 5 1 3 6 7 3 Q Q TEL 13942296513 QQ 376315150 892498299 TEL 13942296513 QQ 376315150 892498299 http://www.xiaoyu163.com 2 2 DVD-310 SAFETY PRECAUTIONS The following check should be performed for the continued protection of the customer and service technician. LEAKAGE CURRENT CHECK Before returning the unit to the customer, make sure you make either (1) a leakage current check or (2) a line to chassis resistance check. If the leakage current exceeds 0.5 milliamps, or if the resistance from chassis to either side of the power cord is less than 460 kohms, the unit is defective. LASER RADIATION Do not stare into beam or view directly with optical instruments, class 3A laser product. (1) (2) 500V 1M (1) (2) www. xiaoyu163. com QQ 376315150 9 9 2 8 9 4 2 9 8 TEL 13942296513 9 9 2 8 9 4 2 9 8 0 5 1 5 1 3 6 7 3 Q Q TEL 13942296513 QQ 376315150 892498299 TEL 13942296513 QQ 376315150 892498299 http://www.xiaoyu163.com 3 3 DVD-310 BLOCK DIAGRAM www . x ia o y u 1 6 3 . c o m QQ 3 7 6 3 1 5 1 5 0 9 9 2 8 9 4 2 9 8 T E L 1 3 9 4 2 2 9 6 5 1 3 9 9 2 8 9 4 2 9 8 0 5 1 5 1 3 6 7 3 Q Q TEL 13942296513 QQ 376315150 892498299 TEL 13942296513 QQ 376315150 892498299 http://www.xiaoyu163.com 4 4 DVD-310 半導体一覧表 Only major semiconductors are shown, general semiconductors etc. are omitted to list. 主な半導体を記載しています。汎用の半導体は記載を省略しています。 ● IC's Note: Abbreviation ahead of IC No. indicates the name of P.W.B., etc. 注 ): IC No. の前の記号は、基板の名称を表します。 AV: A/V P.W.B. ME: MECHA P.W.B. FR: FRONT P.W.B. SM: SMPS P.W.B. ES6028FW (ME: U9) Function I/O Pin No. Pin Name ES6038 Terminal Function 1, 18, 27, 59, 68, 75, 92, 99, 104, 130, 148, VEE I I/O power supply. 157, 159, 164, 183, 193, 201 8, 17, 26, 34, 43, 52, 60, 67, 76, 84, 91, 98, 103, 112, 120, VSS I Ground. 129, 138, 147, 156, 163, 171, 177, 184, 192, 200, 208 23:19, 16:10, 7:2, 207:204 LA[21:0] O Device address output. 9, 35, 44, 83, 121, 139, 172 VCC I Core power supply. 1 2 3 4 5 6 7 8 9 10 11 12 13 14 15 16 17 18 19 20 21 22 23 24 25 26 27 28 29 30 31 32 33 34 35 36 37 38 39 40 41 42 43 44 45 46 47 48 49 50 51 52 53 54 55 56 57 58 59 60 61 62 63 64 65 66 67 68 69 70 71 72 73 74 75 76 77 78 79 80 81 82 83 84 85 86 87 88 89 90 91 92 93 94 95 96 97 98 99 100 101 102 103 104 156 155 154 153 152 151 150 149 148 147 146 145 144 143 142 141 140 139 138 137 136 135 134 133 132 131 130 129 128 127 126 125 124 123 122 121 120 119 118 117 116 115 114 113 112 111 110 109 108 107 106 105 208 207 206 205 204 203 202 201 200 199 198 197 196 195 194 193 192 191 190 189 188 187 186 185 184 183 182 181 180 179 178 177 176 175 174 173 172 171 170 169 168 167 166 165 164 163 162 161 160 159 158 157 VEE LA4 LA5 LA6 LA7 LA8 LA9 VSS VCC LA10 LA11 LA12 LA13 LA14 LA15 LA16 VSS VEE LA17 LA18 LA19 LA20 LA21 RESET# TDMDX VSS VEE TDMDR TDMCLK TDMFS TDMTSC# TWS/SEL_PLL2 TSD0/SEL_PLL0 VSS VCC TSD1/SEL_PLL1 TSD2 TSD3 MCLK TBCK SPDIF/PLL3 NC VSS VCC RSD RWS RBCK NC XIN XOUT AVEE VSS DMA0 DMA1 DMA2 DMA3 DMA4 DMA5 VEE VSS DMA6 DMA7 DMA8 DMA9 DMA10 DMA11 VSS VEE DCAS# DSCK_EN DWE# DRAS# DMBS0 DMBS1 VEE VSS DB0 DB1 DB2 DB3 DB4 DB5 VCC VSS DB6 DB7 DB8 DB9 DB10 DB11 VSS VEE DB12 DB13 DB14 DB15 DCS1# VSS VEE DCS0# DQM DSCK VSS VEE VSS HA1 HA0 HCS3FX# HCS1FX# HIOCS16# HRD# HWR# VEE VSS HIORDY HRST# HIRQ HRDQ# HWRQ# HD15 HD14 VCC VSS HD13 HD12 HD11 HD10 HD9 HD8 HD7 VEE VSS HD6 HD5 HD4 HD3 HD2 HD1 HD0 VCC VSS HSYNC# VSYNC# PCLKQSCN PCLK2XSCN YUV7 YUV6 YUV5 VSS ADVEE YUV4 YUV3 YUV2 YUV1 YUV0 DCLK VSS LA3 LA2 LA1 LA0 CAMIN1 CAMIN0 VEE VSS LWRHL# LWRLL# LD15 LD14 LD13 LD12 VEE VSS LD11 LD10 LD9 LD8 LD7 LD6 LD5 VSS VEE LD4 LD3 LD2 LD1 LD0 VSS LCS3# LCS2# LCS1# LCS0# VCC VSS LOE# AUX[7] AUX[6] AUX[5] AUX[4] AUX[3] VEE VSS AUX[2] AUX[1] AUX[0] VEE HA2 VEE www. xiaoyu163. com QQ 376315150 9 9 2 8 9 4 2 9 8 TEL 13942296513 9 9 2 8 9 4 2 9 8 0 5 1 5 1 3 6 7 3 Q Q TEL 13942296513 QQ 376315150 892498299 TEL 13942296513 QQ 376315150 892498299 http://www.xiaoyu163.com 5 5 DVD-310 24 RESET# I Reset input, active low. 25 TDMDX O TDM transmit data. 28 TDMDR I TDM receive data. 29 TDMCLK I TDM clock input. 30 TDMFS I TDM frame sync. 31 TDMTSC# O TDM output enable. TWS O Audio transmit frame sync. SEL_PLL2 I System and DSCK output clock frequency selection is made at the rising edge of RESET#. The matrix below lists the available clock frequencies and their respective PLL bit settings. SEL_PLL2 SEL_PLL1 SEL_PLL0 Clock Type 0 0 0 VCO off. 0 0 1 DCLK 32 0 1 0 Bypass mode 0 1 1 DCLK x 2 1 0 0 DCLK x 4.5 1 0 1 DCLK x 3 1 1 0 DCLK x 3.5z 1 1 1 DCLK x 4 33 TSD0 O Audio transmit serial data port 0. SEL_PLL0 I Refer to the description and matrix for SEL_PLL2 pin 32. 36 TSD1 O Audio transmit serial data port 1. SEL_PLL1 I Refer to the description and matrix for SEL_PLL2 pin 32. 37 TSD[2] O Audio transmit serial data output 2. 38 TSD[3] O Audio transmit serial data output 3. 39 MCLK I/O Audio master clock for audio DAC. 40 TBCK O Audio transmit bit clock. SPDIF O S/PDIF output. SEL_PLL3 I Clock source select. 41 SEL_PLL3 Clock Source 0 Crystal oscillator 1 DCLK input 42,48 NC No connect pins. Leave open. 45 RSD I Audio receive serial data. 46 RWS I Audio receive frame sync. 47 RBCK I Audio receive bit clock. 49 XIN I Crystal input. 50 XOUT O Crystal output. 51 AVEE I Analog power for PLL. 66:61, 58:53 DMA[11:0] O DRAM address bus [11:0] 69 DCAS# O DRAM column address strobe, 70 DSCK_EN O DRAM clock enable. 71 DWE# O DRAM write enable. 72 DRAS# O DRAM row address strobe. 73 DMBS0 O SDRAM bank select 0. 74 DMBS1 O SDRAM bank select 1. 96:93, 90:85, 82:77 DB[15:0] I/O DRAM data bus [15:0] 97, 100 DCS[1:0]# O SDRAM chip select [1:0] 101 DQM O Data input/output mask. 102 DSCK O Output clock to SDRAM. 105 DCLK I 27 MHz clock input to PLL. 106 UDAC O Video UDAC output. 107 VREF I Internal voltage to video DAC. 108 CDAC O Video CDAC output. 109 COMP I Compensation input. 110 RSET I DAC current adjustment resistor input. 111 ADVEE I Analog power for video DAC. 113 YDAC O Video YDAC output. Function I/O Pin No. Pin Name www. xiaoyu163. com QQ 376315150 9 9 2 8 9 4 2 9 8 TEL 13942296513 9 9 2 8 9 4 2 9 8 0 5 1 5 1 3 6 7 3 Q Q TEL 13942296513 QQ 376315150 892498299 TEL 13942296513 QQ 376315150 892498299 http://www.xiaoyu163.com 6 6 DVD-310 114 VDAC O Video VDAC output. 115 YUV7 O YUV7 pixel output data. 116 PCLK2XSCN I/O 27 MHz video output pixel clock. 117 PCLKQSCN O 13.5 MHz video output pixel clock. 118 VSYNC# I/O Vertical sync, active low. 119 HSYNC# I/O Horizontal sync, active low. 127:122 HD[5:0] I/O Host data I/O [5:0]. 128 HD[6] I/O Host data I/O [6]. 131 HD[7] I/O Host data I/O [7]. 132 HD[8] I/O Host data bus 8. 133 HD[9] I/O Host data bus line 9. 134 HD[10] I/O Host data bus line 10. 135 HD[11] I/O Host data bus line 11. 136 HD[12] I/O Host data bus line 12. 137 HD[13] I/O Host data bus line 13. 140 HD[14] I/O Host data bus line 14. 141 HD[15] I/O Host data bus line 15. 142 HWRQ# O Host write request. 143 HRRQ# O Host read request. 144 HIRQ I/O Host interrupt. 145 HRST# O Host reset. 146 HIORDY I Host I/O ready. 149 HWR# I/O Host write. 150 HRD# O Host read. 151 HIOCS16# I Device16-bit data transfer. 152 HCS1FX# O Host select 1. 153 HCS3FX# O Host select 3. 158, 155:154 HA[2:0] I/O Host address bus. 160 AUX[0] O I2C DATA. 162 AUX[2] I/O Auxiliary ports 2. 165 AUX[3] I/O Auxiliary ports 3. 169:166 AUX[7:3] I/O Auxiliary ports 7:3. 170 LOE# O Device output enable. 176:173 LCS[3:0]# O Chip select [3:0]. 197:194, 191:185, LD[15:0] I/O EPROM device data bus. 182:178 198 LWRLL# O Device low-byte write enable. 199 LWRHL# O Device high-byte write enable. 202 CAMIN0 I Camera YUV 0. 203 CAMIN1 I Camera YUV 1. Function I/O Pin No. Pin Name 161 AUX[1] O I2C CLK. www. xiaoyu163. com QQ 376315150 9 9 2 8 9 4 2 9 8 TEL 13942296513 9 9 2 8 9 4 2 9 8 0 5 1 5 1 3 6 7 3 Q Q TEL 13942296513 QQ 376315150 892498299 TEL 13942296513 QQ 376315150 892498299 http://www.xiaoyu163.com 7 7 DVD-310 1 2 3 4 5 6 7 8 9 10 11 12 13 14 15 16 17 18 19 20 21 22 23 24 25 26 27 28 29 30 31 32 33 34 35 36 37 38 39 40 41 42 43 44 AVSS-DS XSRFIN XSIPIN AVDD5-DS XSDSSLV XSRSLINT VDD XSAWRC XSRFGC XSEFGC XSFOCUS XSTRACK XSSLEG AVDD5-DA XSMOTOR AVSS-DA XSRFRPLP XSTELP XSVREF2 XSRFRP XSTEXI AVSS-AD XSTEI XSFEI XSAEI AVDD5-AD XSSBAD GND XSDFCT XSCSJ XSCLK XSDATA XSLDC XSFGIN XSSPDON XSFLAG(3) XSFLAG(2) XSFLAG(1) XSFLAG(0) XMP1_7 XMP1_6 GND NC XMP1_4 132 131 130 129 128 127 126 125 124 123 122 121 120 119 118 117 116 115 114 113 112 111 110 109 108 107 106 105 104 103 102 101 100 99 98 97 96 95 94 93 92 91 90 89 XRD(3) XRD(12) GND XRD(2) XRD(13) XRD(1) XRD(14) XRD(0) XRD(15) XHD(7) XHD(8) XHD(6) XHD(9) XHD(5) XHD(10) XHD(4) XHD(11) VDD XHD(3) XHD(12) XHD(2) XHD(13) GND XHD(1) XHD(14) XHD(0) XHD(15) XHDRQ XHIOWJ XHIORJ XHIORDY XHDACKJ XHINT XHCS16J XHA(1) XHPDIAGJ XHA(0) XHA(2) XHCS1J XHCS3J XHDASPJ XMA(15) XMA(14) XMA(13) 45 46 47 48 49 50 51 52 53 54 55 56 57 58 59 60 61 62 63 64 65 66 67 68 69 70 71 72 73 74 75 76 77 78 79 80 81 82 83 84 85 86 87 88 XMP1_3 XMFSCSJ XMP1_2 XGPIO(2) XMP1_1 XMRSTJ XGPO(1) XGPO(0) XCRSTJ XMPSENJ VDD XMALE XMP1_0 VDD XOSC1 XOSC2 GND XMD(0) XMD(1) XMD(2) XMD(3) XMD(4) XMD(5) XMD(6) XMD(7) XMCSJ XMRDJ XMWRJ XMINT1J XMA(11) XMA(10) VDD XMA(9) XMA(8) XMA(7) XMA(6) XMA(5) XMA(4) XMA(3) XMA(2) XMA(1) XMA(0) XMA(12) GND 176 175 174 173 172 171 170 169 168 167 166 165 164 163 162 161 160 159 158 157 156 155 154 153 152 151 150 149 148 147 146 145 144 143 142 141 140 139 138 137 136 135 134 133 XSAWRCVCO XSVREFO XSPDOFTR2 XSVR_PLL XSFTROPI XSFDO AVSS_PL XSPLLFTR2 AVDD5_PL XSFDIREF XSPDIREF GND XTSLRF XTPLCK VDD XRA(3) XRA(2) XRA(1) XRA(0) XRA(4) XRA(5) XRA(6) GND XRA(7) XRA(10) XRA(11) VDD XRA(8) XRA(9) XROEJ VDD XRCASJ XRRASJ XRSDCLK XRWEJ XRD(7) XRD(8) XRD(6) GND XRD(9) XRD(5) XRD(10) XRD(4) XRD(11) Data Separator ATAPI & MPEG I/F Digital Servo DVD-DSP RAM Arbiter Target Search ROM C3 ECC EDC MPEG DEC. Motor Driver PC 4M DRAM CD-DSP MCU M M5705 M5705 Terminal Function M5705 (ME: U1) Description Pin No. Pin Name Type 2 XSRFIN I/A Analog RF signal input after passing through the equalizer 3 XSIPIN I/A Inverting input pin of data slicer 5 XSDSSLV O/A Slice level output pin 6 XSRSLINT I/A Reference current setting pin for analog data slicer 8 XSAWRC O/A Output for enlarge VCO range. Analog output from DAC buffer 9 XSRFGC O/A RF gain control output 10 XSEFGC O/A E,F gain control output 11 XSFOCUS O/A Output voltage level for focusing buffer IC 12 XSTRACK O/A Output voltage level for tracking buffer IC 13 XSSLEG O/A Output voltage level for sledge buffer IC 15 XSMOTOR O/A Output voltage level for spindle motor buffer IC 17 XSRFRPLP I/A High bandwidth low pass filter input for RFRP 18 XSTELP I/A High bandwidth low pass filter input for TE 19 XSVREF2 I/A 2.1V reference voltage input 20 XSRFRP I/A RF ripple/envelope signal input 21 XSTEXI I/A Tracking zero crossing input signal 23 XSTEI I/A Tracking error input signal 24 XSFEI I/A Focus error input signal 25 XSCEI I/A 1. Center error input signal 2. Photo Interrupt input www. xiaoyu163. com QQ 376315150 9 9 2 8 9 4 2 9 8 TEL 13942296513 9 9 2 8 9 4 2 9 8 0 5 1 5 1 3 6 7 3 Q Q TEL 13942296513 QQ 376315150 892498299 TEL 13942296513 QQ 376315150 892498299 http://www.xiaoyu163.com 8 8 DVD-310 Description Pin No. Pin Name Type 27 XSSBAD I/A Sub-beam addition signal input 166 XSPDIREF I/A Phase detector reference current generator. Connect a resistor between this pin and ground to set reference current 167 XSFDIREF I/A Frequency detector reference current generator. Connect a resistor between this pin and ground to set reference current 169 XSPLLFTR2 I/A Data PLL loop filter pin#2 171 XSFDO O/A Output node of frequency detector charge pump circuit 172 XSFTROPI I/A Input node of loop filter OP circuit 173 XSVR_PLL I/A PLL reference voltage input 174 XSPDOFTR2 I/A Phase detector filter pin#1 175 XSVREFO O/A Reference voltage output 176 XSAWRCVCO I/A Auto Wide Range Control of VCO input pin. For enlarge VCO range in CAV mode 29 XSDFCT I Detect detection signal input 30 XSCSJ O Chip select signal for accessing control registers 31 XSCLK O Clock output for accessing control registers 32 XSDATA I/O Registers data input/output pin 33 XSLDC O Laser diode on/off control output for both CD/DVD 34 XSFGIN I Motor Hall sensor input 35 XSSPDON O Spindle motor on output 36, 37, 38, 39 XSFLAG[3:0] O These pins are used to monitor some status of servo control block 48, 51, 52 XGPIO[2:0] I/O 1. These pins are used as general purpose I/O bus 2. When use internal microcontroller, XGPIO[2] can be used as programmable I/O port 3.6. 40 XMP1_7 I/O Internal microcontroller programmable I/O port 1.7. 41 XMP1_6 I/O Internal microcontroller programmable I/O port 1.6. 43 XMP1_5 I/O This pin is now changed to be NC. 44 XMP1_4 I/O Internal microcontroller programmable I/O port 1.4. 45 XMP1_3 I/O Internal microcontroller programmable I/O port 1.3. 47 XMP1_2 I/O Internal microcontroller programmable I/O port 1.2. 49 XMP1_1 I/O Internal microcontroller programmable I/O port 1.1. 57 XMP1_0 I/O Internal microcontroller programmable I/O port 1.0. This pin is default used as the A16 (microcontroller address line 16) 46 XMFSCSJ I/O Output chip select connected to external flash ROM chip enable pin 54 XMPSENJ I/O Output program store enable connected to external ROM PSENJ pin. 56 XMALE I/O This signal is used as address latch signal in address/data mux mode 70 XMCSJ I/O 1. This signal must be asserted for all microcontroller accesses to the register of this chip 2. When use internal microcontroller, this signal can be used as programmable I/O port 3.1 71 XMRDJ I/O 1. This signal is used as the Read Strobe signal 2. When use internal microcontroller, this signal can be used as programmable I/O port 3.0 72 XMWRJ I/O This signal is used as the Wire Strobe signal 73 XMINT1J I/O 1. This signal is an interrupt line to the microcontroller 2. When use internal microcontroller, this signal can be used as programmable I/O port 3.7 74, 75, 77, 78, XMA[15:0] I/O These pins are used as address bus 79, 80, 81, 82, 83, 84, 85, 86, 87, 89, 90, 91 62, 63, 64, 65, XMD[7:0] I/O These pins are used as data bus for the 16-bit processor mode, or the address/data mux 66, 67, 68, 69 bus for the 8-bit processor mode. 163 XTPLCK I/O PLCK test pin 164 XTSLRF I/O SLRF test pin 59 XOSC1 I Crystal input/System clock. The input frequency from outside crystal or oscillator is 33.8688MHz 60 XOSC2 O Crystal output 53 XCRSTJ I Chip Reset. As asserted low input generates a component reset that stops all operations within the chip and deasserts all output signals. All input/output signals are set to input. 94 XHCS1J I This pin is used to select the command block task file registers 93 XHCS3J I This pin is used to select the control block task file registers 103 XHIORJ I Asserted by the host during a host I/O read operation 104 XHIOWJ I Asserted by the host during a host I/O write operation 105 XHDRQ O 1. DMA request. This pin is configured as the DMA request signal, and is used during DMA transfer between the host and the controller. This pin is tri-stated when DMA transfers are not enabled. 2. MPEG acknowledge. This pin is used as the ACKJ signal when MPEG interface mode is selected. 101 XHDACKJ I 1. DMA acknowledge. This pin is configured as DACKJ, and is used as the DMA acknowledge signal during DMA data transfers. 2. MPEG request. This pin is used as the REQ signal when MPEG interface mode is selected 99 XHCS16J O 1. 16-bit data select. This signal indicates that a 16-bit data transfer is active on the host data bus. This pin is open-drain tri-state output. 2. MPEG clock. This pin is used as the CLOCK signal when MPEG interface mode is selected. 50 XHRSTJ I Host Reset. The reset of ATA bus 100 XHINT O 1. Host interface request. This tri-state pin is the host interrupt request, and is asserted to indicate to the host that the controller needs attention. 2. MPEG begin. This pin is used as the BEGIN signal when MPEG interface mode is selected www. xiaoyu163. com QQ 376315150 9 9 2 8 9 4 2 9 8 TEL 13942296513 9 9 2 8 9 4 2 9 8 0 5 1 5 1 3 6 7 3 Q Q TEL 13942296513 QQ 376315150 892498299 TEL 13942296513 QQ 376315150 892498299 http://www.xiaoyu163.com 9 9 DVD-310 Description Pin No. Pin Name Type 97 XHPDIAGJ I/O This pin is used as the Passed Diagnostics signal, and may be an input or an open-drain output 92 XHDASPJ I/O This pin is used as the Drive Active/Slave Present signal, and is an input or an open-drain output. This pin is used for Master/Slave drive communication and/or for driving an LED 102 XHIORDY I/O 1. I/O channel ready. This signal is driven low to extend host transfer cycles when the controller is not ready to respond. This pin will be tri-stated when a read or write is not in progress. 2. MPEG error. This pin is used as the ERROR signal when MPEG interface mode is selected 95, 96, 98 XHA[2:0] I Host address lines. The host address lines A[2:0] are used to access the various host control, status, and data registers XHD[15.0] I/O 1. Host data bus. This bus is used to transfer data and status between the host and the controller. 106, 107, 108, 2. MPEG data bus 7-8. The HD[7:0] are used as the DATA [7:0] when MPEG interface mode is selected. 109, 111, 112, 3. VCD I/F. Bit3-0 are used as VCD I/F signal when VCD function is enabled. The relationship of 113, 114, 116, bit3-0 and VCD I/F is as follow 117, 118, 119, HD0—CD-DATA 120, 121, 122, HD1—CD-LRCK 123 HD2—CD-BCK HD3—CD-C2PO 143 XRSDCLK O This signal is the clock output for SDRAM 147 XROEJ O This signal is used as the memory output enable for external DRAM buffers. After RSTJ is asserted, this signal will be low 142 XRWEJ O This signal is asserted low when a buffer memory write operation is active 144 XRRASJ O This signal is used as Row address output to external DRAM buffer. After RSTJ is asserted, this signal will be high 145 XRCASJ O This signal is used as column address output to external DRAM. After RSTJ is asserted, this signal will be high 1. RAM address lines. These are bits11-0 for addressing the buffer memory. 2. Hardware setting. The bits6-0 are used as hardware setting for some functions. RA[9] : FLASH size is 64K/128K 1: FLASH size is 64K 0: FLASH size is 128K RA[8] : External CPU is 8032/H8 1: 8032 0: H8 RA[7] : Microcontroller programmable I/O port 1 pin control 1: By internal microcontroller 148, 149, 151, 0: By registers to decide input/output 152, 153, 155, RA[6] : System test pin output 156, 157, 158, XRA[11:0] O 1: Normal operation 159, 160, 161 0: System test pin output RA[5] : For testing purpose, don’t need to set RA[4] : IDE master/slave 1: Slave 0: Master RA[3] : For testing purpose, don’t need to set RA[2] : For testing purpose, don’t need to set RA[1-0] : MCU Mode selection 11: Normal Mode (internal uP, internal address latch) 10: Outside uP Mode (ICE Mode) 01: Test mode for internal uP testing 00: Internal uP mode with external address latch 124, 125, 126, XRD[15:0] I/O These signals are the 8-bit parallel data lines to/from the buffer memory. 127, 128, 129, 131, 132, 134, 135, 136, 137, 138, 139, 140, 141 4 AVDD5_DS Analog Power +5V for Data Slicer part 14 AVDD5_DA Analog Power +5V for DAC part 26 AVDD5_AD Analog Power +5V for ADC part 168 AVDD5_PL Analog Power +5V for Data PLL part 7, 55, 58, 76, VDD Power +3.3V for digital core logic and pad 115, 146, 150, 162 1 AVSS_DS Analog Ground for Data Slicer part 16 AVSS_DA Analog Ground for DAC part 22 AVSS_AD Analog Ground for ADC part 170 AVSS_PL Analog Ground for Data PLL part 28, 42, 61, GND Digital Ground core logic and pad. 88, 110, 130, 138, 154, 165 www. xiaoyu163. com QQ 376315150 9 9 2 8 9 4 2 9 8 TEL 13942296513 9 9 2 8 9 4 2 9 8 0 5 1 5 1 3 6 7 3 Q Q TEL 13942296513 QQ 376315150 892498299 TEL 13942296513 QQ 376315150 892498299 http://www.xiaoyu163.com 10 10 DVD-310 SP3721A Terminal Function SP3721A (ME: U2) Description Pin No. Pin Name Type 1, 2 DVDREP, DVDREN I RF Signal Inputs. Differential RF signal attenuator input pins 63 CDRF I RF Signal Inputs. Single-ended RF signal attenuator input pin 59, 60 AIP, AIN I AGC Amplifier Inputs. Differential AGC amplifier input pins 53, 54 DIP, DIN I Analog inputs for RF Single Buffer. Differential analog inputs to the RF single-ended output buffer and full wave rectifier 32 FDCHG# I Low Impedance Enable. A TTL compatible input pin that activates the FDCHG switches. A low level activates the switches and the falling edge of the internal FDCHG triggers the fast decay for the MIRR bottom hold circuit. (open high) 49 HOLD1 I Hold Control. A TLL compatible control pin which, when pulled high, disables the RF AGC charge pump and holds the RF AGC amplifier gain at its present value. (open high) 11~14 D, C, B, A I Photo Detector Interface Inputs. Inputs from the main beam Photo detector matrix outputs 5~8 A2, B2, C2, D2 I Photo Detector Interface Inputs. AC coupled inputs for the DPD from the main beam Photo detector matrix outputs 15~16 F, E I CD tracking Error Inputs. Inputs from the CD photo detector error outputs. 3~4 PD1, PD2 I CD Photo detector Interface Inputs. Inputs from the CD photo detector error outputs 40 MEI I Mirror Envelope Inputs. The SIGO envelope input pin 35 MIN I RF signal Input for Mirror. AC coupled inputs for the mirror detection circuit from the pull-in signal output. (PI) 21 DVDPD I APC Input. DVD APC input pin from the monitor photo diode 23 CDPD I APC Input. CD APC input pin from the monitor photo diode 25 LDON# I APC Output On/Off. APC output control pin. A low level activates the LD output. (open high) 61, 62 ATON/ATOP O Differential Attenuator Output. Attenuator outputs 51, 52 FNN, FNP O Differential Normal Output. Filter normal outputs 57 SIGO O Single Ended Normal Output. Single-ended RF output 64 CDRFDC O CD RF Signal Output. Single ended CD RF summing output 42 FE O Focusing Error Signal Output. Focus error output reference to VCI 41 TE O Tracking Error Signal Output. Tracking error output reference to VCI 16 15 14 13 12 11 10 9 8 7 6 5 4 3 2 1 33 34 35 36 37 38 39 40 41 42 43 44 45 46 47 48 MLPF MEVO MIN PI DFT TPH MEV MEI TE FE CE LCN LCP SCLK SDATA SDEN E F A B C D CN CP D2 C2 B2 A2 PD2 PD1 DVDRFN DVDRFP 32 31 30 29 28 27 26 25 24 23 22 21 20 19 18 17 49 50 51 52 53 54 55 56 57 58 59 60 61 62 63 64 HOLD1 VNA FNN FNP DIP DIN RX BYP SIGO VPA AIP AIN ATON ATOP CDRF CDRDDC FDCHG# VIB VIP VIIRR VPB VCI VC LDON# CDLD CDPD DVDLD DVDPD VNB NC VCI2 CDTE TOP VIEW www. xiaoyu163. com QQ 376315150 9 9 2 8 9 4 2 9 8 TEL 13942296513 9 9 2 8 9 4 2 9 8 0 5 1 5 1 3 6 7 3 Q Q TEL 13942296513 QQ 376315150 892498299 TEL 13942296513 QQ 376315150 892498299 http://www.xiaoyu163.com 11 11 DVD-310 Description Pin No. Pin Name Type 43 CE O Center Error Signal Output. Center error output reference to VCI 34 NEVO O SIGO Bottom Envelope Output. Bottom envelope for mirror detection 37 DFT O Defect Output. Pseudo CMOS output. When a defect is detected, the DFT output goes high. Also the servo AGC output can be monitored at this pin, when CAR bits 7-4 are ‘0011’ 29 MIRR O Mirror Detect Output. Mirror Detect comparator output. Pseudo CMOS output 36 PI O Pull-in Signal Output. The summing signal output of A, B, C, D or PD1, PD2 for mirror detection. Reference to VCI 22 DVDLD O APC output. DVD APC output pin to control the laser power 24 CDLD O APC output. CD APC output pin to control the laser power 56 BYP I/O The RF AGC integration capacitor CBYP, is connected between BYP and VPA 9 CP I/O Differential Phase tracking LPF pin. An external capacitance is connected between this pin and the CN pin 10 CN I/O Differential Phase tracking LPF pin. An external capacitance is connected between this pin and the CP pin 45 LCP — Center Error LPF pin. An external capacitance is connected between this pin and the LCN pin 44 LCN — Center Error LPF pin. An external capacitance is connected between this pin and the LCP pin 30 MP — MIRR signal Peak hold pin. An external capacitance is connected to between this pin and VPB 31 MB — MIRR signal Bottom hold pin. An external capacitance is connected to between this pin and VPB 39 MEV — Sigo Bottom Envelope pin. An external capacitance is connected to between this pin and VPB 17 CDTE — CD Tracking. E-F Opamp output for feedback 38 TPH — PI Top Hold pin. An external capacitance is connected to between this pin and VPB 26 VC — Reference Voltage output. This pin provides the internal DC bias reference voltage (+2.5V lix). Output Impedance is less than 50ohms 27 VCI — Reference Voltage input. DC bias voltage input for the servo input reference 18 VCI2 — Reference Voltage input. DC bias voltage input for the servo input reference 55 RX — Reference Resistor Input. An external 8.2kohm, 1% resistor is connected from this pin to ground to establish a precise PTAT (proportional to absolute temperature) reference current for the filter 33 MLPF — MIRR signal LPF pin. An external capacitance is connected between this pin and VPB 19 NC — No Connect 48 SDEN I Serial Data Enable. Serial Enable CMOS input. A high level input enable the serial port (Not to be left open) 47 SDATA I/O Serial Data. Serial data bi-directional CMOS pin. NRZ programming data for the internal registers is applied to this input ( Not to be left open) 46 SCLK I Serial Clock. Serial Clock CMOS input. The clock applied to this pin is synchronized with the data applied to SDATA (Not to be left open) 58 VPA Power. Power supply pin for the RF block and serial port 28 VPB Power. Power supply pin for the servo block 50 VNA Ground. Ground pin for the RF block and serial port 20 VNB Ground. Ground pin for the servo bolck www. xiaoyu163. com QQ 376315150 9 9 2 8 9 4 2 9 8 TEL 13942296513 9 9 2 8 9 4 2 9 8 0 5 1 5 1 3 6 7 3 Q Q TEL 13942296513 QQ 376315150 892498299 TEL 13942296513 QQ 376315150 892498299 http://www.xiaoyu163.com 12 12 DVD-310 GMS87C2020Q (FR: IC91) BLOCK DIAGRAM ALU Interrupt Controller Data Memory 8-bit ADC 8-bit Counter Timer/ Program Memory Data Table PC 8-bit Basic Timer Interval Watchdog Timer PC R4 R5 R2 PSW System controller Timing generator System Clock Controller Clock Generator RESET XIN XOUT R40 / T0O R41 R50 R20~R27 VDD VSS Power Supply 8-bit serial R51 R52 R53 / SCLK R54 / SIN R55 / SOUT R56 / PWM1O/T1O R57 R1 R10~R17 R3 R30~R35 Interface Buzzer Driver R6 R60 / AN0 R61 / AN1 R62 / AN2 R63 / AN3 R64 / AN4 R65 / AN5 R66 / AN6 R67 / AN7 (448 bytes) 10-bit AVDD AVSS ADC Power Supply Stack Pointer R0 R04 R03/BUZO R02/EC0 R00/INT0 Vdisp/RA R7 R70 / AN8 R71 / AN9 R72 / AN10 R42 R43 R73 / AN11 Sub System Clock Controller SXIN SXOUT R05 R06 R07 R01/INT1 RA PWM A X Y High Voltage Port www. xiaoyu163. com QQ 376315150 9 9 2 8 9 4 2 9 8 TEL 13942296513 9 9 2 8 9 4 2 9 8 0 5 1 5 1 3 6 7 3 Q Q TEL 13942296513 QQ 376315150 892498299 TEL 13942296513 QQ 376315150 892498299 http://www.xiaoyu163.com 13 13 DVD-310 R51 R30 R31 R32 R33 R34 R35 RA R40 R41 R42 R43 R50 T0O Vdisp R66 R04 R03 R02 R01 R00 VDD AVDD R73 R72 R71 R70 R67 AN6 AN8 AN7 R27 R25 R24 R23 R22 R21 R20 R17 R16 R15 R14 R13 R12 R11 R10 R07 R26 R06 R05 R52 R54 R55 R56 R57 RESET XI XO VSS R74 R75 AVSS R60 R61 R62 R63 R53 R64 R65 SIN SOUT PWM1O/T1O SXI SXO AN0 AN1 AN2 AN3 SCLK AN4 AN5 1 2 3 4 5 6 7 8 9 10 11 12 13 14 15 16 17 18 19 48 47 46 45 44 43 42 41 40 39 38 37 36 35 34 33 51 50 49 32 31 30 29 28 27 26 25 24 23 22 21 20 52 53 54 55 56 57 58 59 60 61 62 63 64 64MQFP AN9 AN11 AN10 INT0 EC0 INT1 BUZO High Voltage Port GMS81C2012/20 PIN NAME In/Out Function Basic Alternate VDD - Supply voltage VSS - Circuit ground RA (Vdisp) I(I) 1-bit high-voltage Input only port High-voltage input power supply pin RESET I Reset signal input XIN I Oscillation input XOUT O Oscillation output SXIN(R74) I Sub Oscillation input General I/O ports SXOUT(R75) O Sub Oscillation output R00 (INT0) I/O (I) 8-bit high-voltage I/O ports External interrupt 0 input R01 (INT1) I/O (I) External interrupt 1 input R02 (EC0) I/O (I) Timer/Counter 0 external input R03 (BUZO) I/O (O) Buzzer driving output R04~R07 I/O R10~R17 I/O 8-bit high-voltage I/O ports R20~R27 I/O 8-bit high-voltage I/O ports R30~R35 I/O 6-bit high-voltage I/O ports R40 (T0O) I/O (O) 4-bit general I/O ports Timer/Counter 0 output R41~R43 I/O R50~R52 I/O 8-bit general I/O ports R53 (SCLK) I/O (I/O) Serial clock source R54 (SIN) I/O (I) Serial data input R55 (SOUT) I/O (O) Serial data output R56 (PWM1O/T1O) I/O (O) PWM 1 pulse output /Timer/Counter 1 out- put R57 I/O R60~R67 (AN0~AN7) I/O (I) 8-bit general I/O ports Analog voltage input R70~R73 (AN8~AN11) I/O (I) 4-bit general I/O ports AVDD - Supply voltage input pin for ADC AVSS - Ground level input pin for ADC VDD - Supply voltage VSS - Circuit ground Port Function Description www. xiaoyu163. com QQ 376315150 9 9 2 8 9 4 2 9 8 TEL 13942296513 9 9 2 8 9 4 2 9 8 0 5 1 5 1 3 6 7 3 Q Q TEL 13942296513 QQ 376315150 892498299 TEL 13942296513 QQ 376315150 892498299 http://www.xiaoyu163.com 14 14 DVD-310 HY57V65120BTC-75 (ME: U11) PIN PIN NAME DESCRIPTION CLK Clock The system clock input. All other inputs are registered to the SDRAM on the rising edge of CLK CKE Clock Enable Controls internal clock signal and when deactivated, the SDRAM will be one of the states among power down, suspend or self refresh CS Chip Select Enables or disables all inputs except CLK, CKE and DQM BA0,BA1 Bank Address Selects bank to be activated during RAS activity Selects bank to be read/written during CAS activity A0 ~ A11 Address Row Address : RA0 ~ RA11, Column Address : CA0 ~ CA7 Auto-precharge flag : A10 RAS, CAS, WE Row Address Strobe, Column Address Strobe, Write Enable RAS, CAS and WE define the operation Refer function truth table for details LDQM, UDQM Data Input/Output Mask Controls output buffers in read mode and masks input data in write mode DQ0 ~ DQ15 Data Input/Output Multiplexed data input / output pin VDD/VSS Power Supply/Ground Power supply for internal circuits and input buffers VDDQ/VSSQ Data Output Power/Ground Power supply for output buffers NC No Connection No connection VSS DQ15 VSSQ DQ14 DQ13 VDDQ DQ12 DQ11 VSSQ DQ10 DQ9 VDDQ DQ8 VSS NC UDQM CLK CKE NC A11 A9 A8 A7 A6 A5 A4 VSS 1 2 3 4 5 6 7 8 9 10 11 12 13 14 15 16 17 18 19 20 21 22 23 24 25 26 27 54 53 52 51 50 49 48 47 46 45 44 43 42 41 40 39 38 37 36 35 34 33 32 31 30 29 28 VDD DQ0 VDDQ DQ1 DQ2 VSSQ DQ3 DQ4 VDDQ DQ5 DQ6 VSSQ DQ7 VDD LDQM /WE /CAS /RAS /CS BA0 BA1 A10/AP A0 A1 A2 A3 VDD PIN DESCRIPTION www. xiaoyu163. com QQ 376315150 9 9 2 8 9 4 2 9 8 TEL 13942296513 9 9 2 8 9 4 2 9 8 0 5 1 5 1 3 6 7 3 Q Q TEL 13942296513 QQ 376315150 892498299 TEL 13942296513 QQ 376315150 892498299 http://www.xiaoyu163.com 15 15 DVD-310 T431616A-8S(ME:U5) PIN PIN NAME DESCRIPTION CLK System Clock Active on the positive going edge to sample all input. CKE Clock Enable Disables or enables device operation by masking or enabling all input except CLK,CKE and L(U)DQM CS Chip Select Masks system clock to freeze operation from the next clock cycle. CKE should be enabled at least one cycle prior to new command. Disable input buffers for power down in standby. BA Bank Select Address A0 ~ A10/AP DQ0 ~ DQ15 Address Selects bank to activated during row address latch time. Select bank for read/write during column address latch time. Row/column aaddresses are multiplexed on the same pins. Row address : RA0 ~ RA10,column address : CA0 ~ CA7 RAS CAS WE Row Address Strobe Column Address Strobe Write Enable Latches row addresses on the positive going edge of the CLK with RAS low. Enables row access & precharge. L(U)DQM Data Input/Output Mask Data Input/Output Latches column addresses on the positive going edge of the CLK with CAS low. Enables column access. Enables write operation and row precharge. Latches data in starting from CAS, WE active. VDD/VSS Power Supply/Ground Data inputs/outputs are multiplexed on the same pins. Makes data output Hi-Z, tSHZ after the clock and masks the output. Blocks data input when L(U)DQM active. VDDQ/VSSQ Data Output Power/Ground N.C/RFU No Connection/Reserved for Future Use This pin is recommended to be left No Connection on the device. Isolated power supply and ground for the output buffers to provide improved noise immunity. Powe and ground for the input buffers and the core logic. VSS DQ15 VSSQ DQ14 DQ13 VDDQ DQ12 DQ11 DQ10 VSSQ DQ9 VDDQ DQ8 N . C / RFU UDQM CLK CKE N . C A9 A8 A7 A6 A5 A4 VSS 1 2 3 4 5 6 7 8 9 10 11 12 13 14 15 16 17 18 19 20 21 22 23 24 25 26 27 50 49 48 47 46 45 44 43 42 41 40 39 38 37 36 35 34 33 32 31 30 29 28 VDD DQ0 DQ1 DQ2 VSSQ DQ3 DQ4 VDDQ DQ5 DQ6 VSSQ DQ7 LDQM WE CAS RAS CS BA A10/AP A0 A1 A2 A3 VDD PIN DESCRIPTION VDDQ www. xiaoyu163. com QQ 376315150 9 9 2 8 9 4 2 9 8 TEL 13942296513 9 9 2 8 9 4 2 9 8 0 5 1 5 1 3 6 7 3 Q Q TEL 13942296513 QQ 376315150 892498299 TEL 13942296513 QQ 376315150 892498299 http://www.xiaoyu163.com 16 16 DVD-310 MX29LV160ABTC-70 (ME: U10) A15 A14 A13 A12 A11 A10 A9 A8 A19 NC WE RESET NC NC RY/BY A18 A17 A7 A6 A5 A4 A3 A2 A1 1 2 3 4 5 6 7 8 9 10 11 12 13 14 15 16 17 18 19 20 21 22 23 24 A16 BYTE GND Q15/A-1 Q7 Q14 Q6 Q13 Q5 Q12 Q4 VCC Q11 Q3 Q10 Q2 Q9 Q1 Q8 Q0 OE GND CE A0 48 47 46 45 44 43 42 41 40 39 38 37 36 35 34 33 32 31 30 29 28 27 26 25 BLOCK DIAGRAM CONTROL INPUT LOGIC PROGRAM/ERASE HIGH VOLTAGE WRITE STATE MACHINE (WSM) STATE REGISTER FLASH ARRAY X-DECODER ADDRESS LATCH AND BUFFER Y-PASS GATE Y-DECODER ARRAY SOURCE HV COMMAND DATA DECODER COMMAND DATA LATCH I/O BUFFER PGM DATA HV PROGRAM DATA LATCH SENSE AMPLIFIER Q0-Q15/A-1 A0-A19 CE OE WE RESET www. xiaoyu163. com QQ 376315150 9 9 2 8 9 4 2 9 8 TEL 13942296513 9 9 2 8 9 4 2 9 8 0 5 1 5 1 3 6 7 3 Q Q TEL 13942296513 QQ 376315150 892498299 TEL 13942296513 QQ 376315150 892498299 http://www.xiaoyu163.com 17 17 DVD-310 BH7862FS Terminal Function BH7862FS (AV: IC54) COUT TEST TEST MIXOUT MIXFB GND YTRAP PYOUT PYFB GND PbOUT N.C. PrOUT 01 CTRAP 02 MUTE1 MUTE1 03 20k 1.5-6M BPF 20k 6M LPF 6M LPF 6dB 75ohm 6dB 6dB 75ohm 20k 6M LPF 12M LPF CLAMP CLAMP CIN 04 GND 05 YIN 06 VCC 07 GND 08 PYIN 09 GND 10 PYTRAP 11 VCC 12 PbIN 13 GND 14 PrIN 15 MUTE2 MUTE2 16 PrTRAP 32 31 30 29 28 27 GND 26 YOUT 25 YFB 24 GND 23 22 21 20 19 18 17 75ohm 6dB 75ohm 6dB 75ohm 6dB 75ohm 1 CTRAP 10 PYTRAP Pin for LC resonation 16 PrTRAP 27 YTRAP 2 MUTE1 Mute control pin, L: C, MIX, Y simultaneous mute 3 CIN 12 PbIN Signal input pin, chroma signal & color-difference signal 14 PrIN 4, 7, 9, 13, 20, 23, 26, 28 GND GND pin 5 YIN Signal input pin, luminance signal 8 PYIN 6 VCC Power supply for C, MIX, Y 11 Power supply for PY, Pb, Pr 15 MUTE2 Mute control pin, L: PY, Pb, Pr simultaneous mute 17 PrOUT Signal output pin, color-difference signal 19 PbOUT 18 N.C.  21 PYFB Signal output pin, luminance signal (progressive) 22 PYOUT 24 YFB Signal output pin, luminance signal (interlace) 25 YOUT 29 MIXFB Signal output pin, Y/C MIX signal 30 MIXOUT 31 TEST TEST pin 32 COUT Signal output pin, chroma signal Description Pin No. Port www. xiaoyu163. com QQ 376315150 9 9 2 8 9 4 2 9 8 TEL 13942296513 9 9 2 8 9 4 2 9 8 0 5 1 5 1 3 6 7 3 Q Q TEL 13942296513 QQ 376315150 892498299 TEL 13942296513 QQ 376315150 892498299 http://www.xiaoyu163.com 18 18 DVD-310 AT49F001N-70JC(ME:U3) FAN8024BDTF(ME:U6) Pin Configurations Pin Name Function A0 - A16 Addresses CE Chip Enable OE Output Enable WE Write Enable RESET RESET I/O0 - I/O7 Data Inputs/Outputs NC No Connect DC Don’t Connect 5 6 7 8 9 10 11 12 13 29 28 27 26 25 24 23 22 21 A7 A6 A5 A4 A3 A2 A1 A0 I/O0 A14 A13 A8 A9 A11 OE A10 CE I/O7 4 3 2 1 32 31 30 14 15 16 17 18 19 20 I/O1 I/O2 GND I/O3 I/O4 I/O5 I/O6 A12 A15 A16 RESET * VCC WE NC *Note: This pin is a DC on the AT49F001N(T). 28 27 26 25 24 23 22 21 20 19 18 17 16 15 1 2 3 4 5 6 7 8 9 10 11 12 13 14 STBY REF IN4 CAP4.1 CAP4.2 IN3 VCCGND PVCC2 FB4 PGND2 DO3− DO3+ DO4− DO4+ IN1 CAP1.1 CAP1.2 IN2.1 IN2.2 OUT2 FB1 VCC PGND1 DO2− DO2+ DO1− DO1+ PVCC1 - + - + 10K 20K 7.5K X2 7.5K Loading Driver Actuator Driver - + 10K 15K - + - + 20K 10K 7.5K 7.5K - + X2 - + 10K 25K Sled Driver Actuator Driver PVCC2 VCC PVCC1 VCC PVCC1 PVCC2 TSD GND GND Pin Definitions Pin Number Pin Name I/O Pin Function Description 1 IN1 I CH1 input 2 CAP1.1 - Connection with capacitor 3 CAP1.2 - for CH1 4 IN2.1 I OP-AMP CH2 input(+) 5 IN2.2 I OP-AMP CH2 input(-) 6 OUT2 O OP-AMP CH2 output 7 FB1 I Feedback for CH1 8 VCC - Signal Vcc 9 PVCC1 - Power Supply 1 10 PGND1 - Power Ground 1 11 DO2− O Drive2 Output (-) 12 DO2+ O Drive2 Output (+) 13 DO1− O Drive1 Output (-) 14 DO1+ O Drive1 Output (+) 15 DO4+ O Drive4 Output (+) 16 DO4− O Drive4 Output (-) 17 DO3+ O Drive3 Output (+) 18 DO3− O Drive3 Output (-) 19 PGND2 - Power Ground 2 20 FB4 - Feedback for CH4 21 PVCC2 - Power Supply 2 22 VCCGND - Vcc ground 23 IN3 I CH3 input 24 CAP4.2 - Connection with capacitor 25 CAP4.1 - for CH4 26 IN4 I CH4 input 27 REF I Bias voltage input 28 STBY I Stand-by input www. xiaoyu163. com QQ 376315150 9 9 2 8 9 4 2 9 8 TEL 13942296513 9 9 2 8 9 4 2 9 8 0 5 1 5 1 3 6 7 3 Q Q TEL 13942296513 QQ 376315150 892498299 TEL 13942296513 QQ 376315150 892498299 http://www.xiaoyu163.com 19 19 DVD-310 FAN8423D3TF(ME:U7) CS4392(ME: U16) 28 27 26 25 24 23 22 21 20 19 18 17 16 15 1 2 3 4 5 6 7 8 9 10 11 12 13 14 NC A3 NC A2 NC A1 GND NC H1+ H1- H2+ H2- H3+ H3- CS1 VM NC VCC FG1X EC ECR S/S DIR FG3X SB PC1 NC VH FG1X Generator Start Stop - + Reverse Rota- tion Logic Short Brake Hall Commutation Selector Detec- tor Direc- tion Upper Distribu- Lower Distribu- Hall Amp TSD Current Sense Amp Output Current Limit Absolute Values FG3X Generator GND GND Pin Definitions Pine Number Pin Name I/O Pin Function Description 1 NC - No connection 2 A3 O Output (A3) 3 NC - No connection 4 A2 O Output (A2) 5 NC - No connection 6 NC - No connection 7 A1 O Output (A1) 8 GND - Ground 9 H1+ I Hall signal (H1+) 10 H1- I Hall signal (H1-) 11 H2+ I Hall signal (H2+) 12 H2- I Hall signal (H2-) 13 H3+ I Hall signal (H3+) 14 H3- I Hall signal (H3-) 15 VH I Hall bias 16 NC - No connection 17 PC1 - Phase compensation capacitor 18 SB I Short brake 19 FG3X O FG waveform (3X) 20 DIR O Rotational direction output 21 ECR I Output current control reference 22 EC I Output current control voltage 23 S/S I Power save (Start/Stop switch) 24 FG1X O FG waveform (1X) 25 VCC - Supply voltage (Signal) 26 NC - No connection 27 VM - Supply voltage (Motor) 28 CS1 - Output current detection RST M1 M3 M2 M0 (SDA/CDIN) (SCL/CCLK) (AD0/CS) AMUTEC BMUTEC CMOUT FILT+ SCLK LRCK SDATA AOUTB- AOUTB+ AOUTA- AOUTA+ REFERENCE EXTERNAL MUTE CONTROL VOLUME CONTROL VOLUME CONTROL SERIAL PORT MIXER INTERPOLATION FILTER ANALOG FILTER △Σ DAC △Σ DAC ANALOG FILTER INTERPOLATION FILTER MODE SELECT ( CONTROL PORT) MCLK 1 2 3 4 20 19 18 17 RST VL SDATA SCLK AMUTEC AOUTA- AOUTA+ VA 5 6 7 8 16 15 14 13 LRCK MCLK M3 (SCL/CCLK) M2 AGND AOUTB+ AOUTB- BMUTEC 9 10 12 11 (SDA/CDIN) M1 (AD0/CS) M0 CMOUT FILT+ www. xiaoyu163. com QQ 376315150 9 9 2 8 9 4 2 9 8 TEL 13942296513 9 9 2 8 9 4 2 9 8 0 5 1 5 1 3 6 7 3 Q Q TEL 13942296513 QQ 376315150 892498299 TEL 13942296513 QQ 376315150 892498299 http://www.xiaoyu163.com 20 20 DVD-310 SN74HCU04PWR (ME: U8) 1 2 3 4 5 6 7 14 13 12 11 10 9 8 1A 1Y 2A 2Y 3A 3Y GND Vcc 6A 6Y 5A 5Y 4A 4Y 15 1 2 3 4 5 6 7 8 5 16 14 13 12 11 10 9 A0 A1 A2 Q0 Q1 Q2 Q3 VSS VDD SDA SCL NC Q7 Q6 Q5 Q4 BU2098F (AV: IC51) I C Bus Contoller 2 Write Buffer Latch Power-On Reset Shift Register 8bit Block Diagram 1 2 3 4 8 7 6 5 A0 A1 A2 GND VCC WP SCL SDA AT24C02N(ME: U13) RC1117S285T(ME: Q4) VOUT 3 2 1 IN OUT ADJ/GND V6309M(ME: Q5) GND Input Output FRONT VIEW Output GND Input FRONT VIEW AK79L08AZ (AV: IC53) KA78L08AZ (AV: IC52) www. xiaoyu163. com QQ 376315150 9 9 2 8 9 4 2 9 8 TEL 13942296513 9 9 2 8 9 4 2 9 8 0 5 1 5 1 3 6 7 3 Q Q TEL 13942296513 QQ 376315150 892498299 TEL 13942296513 QQ 376315150 892498299 http://www.xiaoyu163.com 21 21 DVD-310 2SK2731 DTC114TK TOP VIEW S G D TOP VIEW E B C B C E R1 R2 B C E R1 R2 KRA107M KRC107M FRONT VIEW B C E KRA Series DTC Series KRC Series KRA107M R1 10kohm R2 47kohm KRC107M 10kohm 47kohm R1 R2 DTC114TK TRANSISTORS DIODE MMBD4148SE 10kohm G: Gate S: Source D: Drain www. xiaoyu163. com QQ 376315150 9 9 2 8 9 4 2 9 8 TEL 13942296513 9 9 2 8 9 4 2 9 8 0 5 1 5 1 3 6 7 3 Q Q TEL 13942296513 QQ 376315150 892498299 TEL 13942296513 QQ 376315150 892498299 http://www.xiaoyu163.com 22 22 DVD-310 ● FL DISPLAY HNV06SC15T (F901) PIN CONNECTION GRID ASSIGNMENT (31) (1) www. xiaoyu163. com QQ 376315150 9 9 2 8 9 4 2 9 8 TEL 13942296513 9 9 2 8 9 4 2 9 8 0 5 1 5 1 3 6 7 3 Q Q TEL 13942296513 QQ 376315150 892498299 TEL 13942296513 QQ 376315150 892498299 http://www.xiaoyu163.com 23 23 DVD-310 ANODE CONNECTION www. xiaoyu163. com QQ 376315150 9 9 2 8 9 4 2 9 8 TEL 13942296513 9 9 2 8 9 4 2 9 8 0 5 1 5 1 3 6 7 3 Q Q TEL 13942296513 QQ 376315150 892498299 TEL 13942296513 QQ 376315150 892498299 http://www.xiaoyu163.com 24 24 DVD-310 CUP11607Z A/V UNIT ASS’Y COMPONENT SIDE CUP11607Z A/V UNIT ASS’Y FOIL SIDE PRINTED WIRING BOARD www . x ia o y u 1 6 3 . c o m QQ 3 7 6 3 1 5 1 5 0 9 9 2 8 9 4 2 9 8 T E L 1 3 9 4 2 2 9 6 5 1 3 9 9 2 8 9 4 2 9 8 0 5 1 5 1 3 6 7 3 Q Q TEL 13942296513 QQ 376315150 892498299 TEL 13942296513 QQ 376315150 892498299 http://www.xiaoyu163.com 25 25 DVD-310 CUP11608Z FRONT UNIT ASS’Y COMPONENT SIDE CUP11608Z FRONT UNIT ASS’Y FOIL SIDE www . x ia o y u 1 6 3 . c o m QQ 3 7 6 3 1 5 1 5 0 9 9 2 8 9 4 2 9 8 T E L 1 3 9 4 2 2 9 6 5 1 3 9 9 2 8 9 4 2 9 8 0 5 1 5 1 3 6 7 3 Q Q TEL 13942296513 QQ 376315150 892498299 TEL 13942296513 QQ 376315150 892498299 http://www.xiaoyu163.com 26 26 DVD-310 RL-S871 MECHANISM UNIT ASS’Y COMPONENT SIDE RL-S871 MECHANISM UNIT ASS’Y FOIL SIDE w w w . x i a o y u 1 6 3 . c o m Q Q 3 7 6 3 1 5 1 5 0 9 9 2 8 9 4 2 9 8 T E L 1 3 9 4 2 2 9 6 5 1 3 9 9 2 8 9 4 2 9 8 0 5 1 5 1 3 6 7 3 Q Q TEL 13942296513 QQ 376315150 892498299 TEL 13942296513 QQ 376315150 892498299 http://www.xiaoyu163.com 27 27 DVD-310 CUP11609Z SMPS UNIT ASS’Y COMPONENT SIDE CUP11609Z SMPS UNIT ASS’Y FOIL SIDE www . x ia o y u 1 6 3 . c o m QQ 3 7 6 3 1 5 1 5 0 9 9 2 8 9 4 2 9 8 T E L 1 3 9 4 2 2 9 6 5 1 3 9 9 2 8 9 4 2 9 8 0 5 1 5 1 3 6 7 3 Q Q TEL 13942296513 QQ 376315150 892498299 TEL 13942296513 QQ 376315150 892498299 http://www.xiaoyu163.com 28 28 DVD-310 NOTE FOR PARTS LIST 5% 1/4W 1/16W s s s s s s s s s s s s RD : 2B : 1/8 W F : ±1% P : RC : 2E : 1/4 W G : ±2% NL : RS : 2H : 1/2 W J : ±5% NB : RW : 3A : 1 W K : ±10% FR : RN : 3D : 2 W M : ±20% F : RK : 3F : 3 W 3H : 5 W RN 14K 2E 182 G FR ∗ 18 2 � 1800 =1.8k 0 2 1R 2 � 1.2 1 2 R CE 04W 1H 2R2 M BP CE : 0J : 6.3 V F : ±1% HS : CA : 1A : 10 V G : ±2% BP : CS : 1C : 16 V J : ±5% HR : CQ : 1E : 25 V K : ±10% DL : CK : 1V : 35 V M : ±20% HF : CC : 1H : 50 V Z : +80% U : UL CP : 2A : 100 V −20% C : CSA CM : 2B : 125 V P : +100% W : UL-CSA CF : 2C : 160 V − 0% F : CH : 2D : 200 V C : ±0.25pF 2E : 250 V D : ±0.5pF 2H : 500 V = : 2J : 630 V ∗ 22 2 � 2200µF 0 2 µF 22 2 � 2200pF=0.0022µF 0 2 pF pF 22 1 � 220pF 2 (0 2 ) 0 (0 0 1 ) 2R 2 � 2.2µF 1 2 R µF AC RD : Carbon 2B : 1/8W F : ±1% P : Pulse-resistant type RC : Composition 2E : 1/4W G : ±2% NL : Low noise type RS : Metal oxide film 2H : 1/2W J : ±5% NB : Non-burning type RW : Winding 3A : 1W K : ±10% FR : Fuse-resistor RN : Metal film 3D : 2W M : ±20% F : Lead wire forming RK : Metal mixture 3F : 3W 3H : 5W CE : Aluminum foil 0J : 6.3V F : ±1% HS : High stability type electrolytic CA : Aluminum solid 1A : 10V G : ±2% BP : Non-polar type electrolytic CS : Tantalum electrolytic 1C : 16V J : ±5% HR : Ripple-resistant type CQ : Film 1E : 25V K : ±10% DL : For change and discharge CK : Ceramic 1V : 35V M : ±20% HF : For assuring high requency CC : Ceramic 1H : 50V Z : +80% U : UL part CP : Oil 2A : 100V –20% C : CSA part CM : Mica 2B : 125V P : +100% W : UL-CSA type CF : Metallized 2C : 160V –0% F : Lead wire forming CH : Metallized 2D : 200V C : ±0.25pF 2E : 250V D : ±0.5pF 2H : 500V = : Others 2J : 630V l Part indicated with the mark "�" are not always in stock and possibly to take a long period of time for supplying, or in some case supplying of part may be refused. l When ordering of part, clearly indicate "1" and "I" (i) to avoid mis- supplying. l Ordering part without stating its part number can not be supplied. l Part indicated with the mark " " is not illustrated in the exploded view. l Not including Carbon Film Resister ±5%, 1/4W Type in the P.W.Board parts list. (Refer to the Schematic Diagram for those parts.) l Not including Carbon Chip Resister 1/16W Type in the P.W.Board parts list. (Refer to the Schematic Diagram for those parts.) WARNING: Parts marked with this symbol have critical characteristics. Use ONLY replacement parts recommended by the manufacturer. lllll Resistors Ex.: RN 14K 2E 182 G FR Type Shape Power Resist- Allowable Others and per- ance error formance ] Resistance 1 8 2 ⇒ 1800 ohm = 1.8 kohm Indicates number of zeros after effective number. 2-digit effective number. • Units: ohm 1 R 2 ⇒ 1.2 ohm 1-digit effective number. 2-digit effective number, decimal point indicated by R. • Units: ohm lllll Capacitors Ex.: CE 04W 1H 2R2 M BP Type Shape Dielectric Capacity Allowable Others and per- strength error formance ] Capacity (electrolyte only) 2 2 2 ⇒ 2200µF Indicates number of zeros after effective number. 2-digit effective number. • Units: µF. 2 R 2 ⇒ 2.2µF 1-digit effective number. 2-digit effective number, decimal point indicated by R. • Units: µF. ] Capacity (except electrolyte) 2 2 2 ⇒ 2200pF=0.0022µF (More than 2) Indicates number of zeros after effective number. 2-digit effective number. • Units: pF. 2 2 1 ⇒ 220pF (0 or 1) Indicates number of zeros after effective number. 2-digit effective number. • Units: pF. • When the dielectric strength is indicated in AC, "AC" is included after the dieelectric strength value. www. xiaoyu163. com QQ 376315150 9 9 2 8 9 4 2 9 8 TEL 13942296513 9 9 2 8 9 4 2 9 8 0 5 1 5 1 3 6 7 3 Q Q TEL 13942296513 QQ 376315150 892498299 TEL 13942296513 QQ 376315150 892498299 http://www.xiaoyu163.com 29 29 DVD-310 PARTS LIST OF P.W.B. UNIT ASS'Y CUP11607Z A/V UNIT ASS’Y Ref. No. Part No. Part Name Remarks New SEMICONDUCTORS GROUP IC051 943 0006 905 BU2098F IC052 943 0005 605 KA78L08AZT IC053 943 0005 702 KA79L08AZT IC054 943 0007 001 BH7862FS IC055 943 0007 108 NJM2068MD-TE1 Q501 943 0004 208 KRC107M Q502,503 943 0004 208 KRA107M Q504,505 943 0006 002 KTD1302 Q508 943 0006 109 KSA916YT Q509,511 943 0006 206 KTA1268GR Q510,512 943 0006 303 KTC3200GR Q513 943 0007 700 KSD288Y D501 943 0005 401 MTZJ3.3BT D502-504 943 0004 101 1SS133T-77 D505 943 0005 508 MTZJ4.3CT D506,507 943 0004 101 1SS133T-77 D509 943 0005 508 MTZJ4.3CT CAPACITORS GROUP C501,503 943 0016 018 CERAMIC BS1H104ZF C504 943 0016 131 ELECT EA1CH101T C505 943 0016 018 CERAMIC BS1H104ZF C506 943 0016 131 ELECT EA1CH101T C510 943 0016 144 ELECT EA1CH221T C511 943 0016 018 CERAMIC BS1H104ZF C512 943 0016 131 ELECT EA1CH101T C513 943 0016 186 ELECT EA1HH100T C514,515 943 0016 018 CERAMIC BS1H104ZF C516 943 0016 131 ELECT EA1CH101T C519,520 943 0016 173 ELECT EA1EH470T C522 943 0016 131 ELECTHEA1CH101T C523 943 0016 160 ELECTHEA1EH220T C524 943 0016 050 CERAMIC BS1H510KB C525 943 0016 131 ELECT EA1CH101T C526 943 0016 160 ELECT EA1EH220T C527 943 0016 131 ELECT EA1CH101T C528 943 0016 160 ELECT EA1EH220T C529,530 943 0016 115 ELECT EA1AH470T C531 943 0016 186 ELECT EA1HH100T C533 943 0016 063 CERAMIC BS1H681KB C534 943 0016 021 CERAMIC BS1H152MX C535 943 0016 063 CERAMIC BS1H681KB C536, 943 0016 186 ELECT EA1HH100T C539,540 943 0016 186 ELECT EA1HH100T C541 943 0016 047 CERAMIC BS1H222MX C542 943 0016 063 CERAMIC BS1H681KB C543 943 0016 018 CERAMIC BS1H104ZF C544 943 0016 131 ELECT EA1CH101T C545 943 0016 018 CERAMIC BS1H104ZF C546 943 0016 131 ELECT EA1CH101T C547,548 943 0016 186 ELECT EA1HH100T C549 943 0016 144 ELECT EA1CH221T C550 943 0016 128 ELECT EA1AH471T www. xiaoyu163. com QQ 376315150 9 9 2 8 9 4 2 9 8 TEL 13942296513 9 9 2 8 9 4 2 9 8 0 5 1 5 1 3 6 7 3 Q Q TEL 13942296513 QQ 376315150 892498299 TEL 13942296513 QQ 376315150 892498299 http://www.xiaoyu163.com 30 30 DVD-310 C555 943 0016 102 ELECT EA0JH102T C558 943 0016 157 ELECT EA1CH471T C564 943 0016 102 ELECT EA0JH102T C568 943 0016 128 ELECT EA1AH471T C571 943 0016 018 CERAMIC BS1H104ZF C576 943 0016 128 ELECT EA1AH471T C578,579 943 0016 131 ELECT EA1CH101T C580 943 0016 005 CERAMIC BS1H102KB C581 943 0016 144 ELECT EA1CH221T C582 943 0016 199 ELECT EA1HH3R3T C583 943 0016 186 ELECT EA1HH100T C587 943 0016 050 CERAMIC BS1H510KB C589 943 0016 131 ELECT EA1CH101T C590 943 0016 034 CERAMIC BS1H220KB C592 943 0016 018 CERAMIC BS1H104ZF C593,594 943 0016 047 CERAMIC BS1H222MX OTHER PARTS GROUP BN051 943 0006 400 CWB1C511090GN BN058 943 0006 507 CWB1C507070GN CN051,052 943 0006 604 KJP20GA147ZY CN054 943 0006 701 KJP15GA117ZG CN055 943 0006 808 KJP07GA47ZG JK051 943 0007 205 BJJYKF45-3001 JK052 943 0007 302 CJJ9N004Z JK054,055 943 0007 506 HJS9L001Z JK056 943 0007 603 CJJ4N062Z L503 943 0005 809 HLQ02CR68KT L504 943 0005 906 HLQ02CR39KT L505 943 0005 809 HLQ02CR68KT Ref. No. Part No. Part Name Remarks New www. xiaoyu163. com QQ 376315150 9 9 2 8 9 4 2 9 8 TEL 13942296513 9 9 2 8 9 4 2 9 8 0 5 1 5 1 3 6 7 3 Q Q TEL 13942296513 QQ 376315150 892498299 TEL 13942296513 QQ 376315150 892498299 http://www.xiaoyu163.com 31 31 DVD-310 CUP11608Z FRONT UNIT ASS’Y Ref. No. Part No. Part Name Remarks New SEMICONDUCTORS GROUP IC091 943 0004 703 GMS87C2020Q IC092 943 0004 800 KSM-603TH2 Q901 943 0004 208 KRA107M Q902 943 0004 305 KRC107M Q907 943 0004 208 KRA107M Q908 943 0004 305 KRC107M D901 943 0004 004 SLR342VCTB7T089 (RED) D904 943 0004 101 1SS133T-77 F901 943 0004 606 HNV06SC15T CAPACITORS GROUP C901-902 943 0016 238 CHIP US1E104ZF C903 943 0016 225 ELECT EA1HKS1R0T C904 943 0016 209 ELECT EA1CKS100T C905 943 0016 241 CHIP US1E150JA C906 943 0016 267 CHIP US1H330JA C907 943 0016 212 ELECT EA1CKS470T C908 943 0016 238 CHIP US1E104ZF C909 943 0016 254 CHIP US1H102KB C910 943 0016 212 ELECT EA1CKS470T C914,915 943 0016 238 CHIP US1E104ZF C920,921 943 0016 238 CHIP US1E104ZF OTHER PARTS GROUP CN091 943 0004 509 KJP15GB113ZG S901-907 943 0004 402 SW , TACT X901 943 0004 907 HOX04000E150C (4MHz) www. xiaoyu163. com QQ 376315150 9 9 2 8 9 4 2 9 8 TEL 13942296513 9 9 2 8 9 4 2 9 8 0 5 1 5 1 3 6 7 3 Q Q TEL 13942296513 QQ 376315150 892498299 TEL 13942296513 QQ 376315150 892498299 http://www.xiaoyu163.com 32 32 DVD-310 RL-S871 MECHANISM UNIT ASS’Y Ref. No. Part No. Part Name Remarks New SEMICONDUCTORS GROUP U1 943 0011 903 M5705 U2 943 0012 009 SP3721A U3 943 0012 805 AT49F001N-70JC U5 943 0012 902 T431616A-8S U6 943 0013 008 FAN8024BD TF U7 943 0013 105 FAN8423D 3TF U8 943 0013 202 SN74HCU04PWR U9 943 0013 309 ES6028FW U10 943 0013 406 MX29LV160ABTC-70 U11 943 0013 503 HY57V651620BTC-75 U13 943 0013 600 AT24C02N-10SC U16 943 0013 707 CS4392-KZ Q1,2 943 0011 408 2SB1132 T100 R/Q Q4 943 0011 806 RC1117S285T Q5 943 0013 804 VA6309M 6Q1,2 943 0011 505 2SK2731 6Q3 943 0011 602 DTC114TKA 6U1 943 0011 709 BA4560 D1 943 0011 204 DIODE, RLS4148 D2-5 943 0011 301 DIODE, MMBD4148SE D10-13 943 0011 204 DIODE, RLS4148 RESISTORS GROUP RN1 943 0015 349 ARC241 33R RN2,3 943 0015 381 ARC241 10K RN4 943 0015 349 ARC241 33R RN5 943 0015 352 ARC241 47R RN6 943 0015 349 ARC241 33R RN11-14 943 0015 365 ARC241 100R RP1 943 0015 378 ARC241 3.3K RP3 943 0015 349 ARC241 33R RP4-6 943 0015 323 ARC241 10R DR761 943 0015 417 RC115%0R2012(0805) ER1 943 0015 462 RC215%33R0603(1608) IR1 943 0015 608 RC215%10K0603(1608) CAPACITORS GROUP C1 943 0015 226 CERAMIC,0.047U (47N),10%,16V C3 943 0015 174 CERAMIC,560P,10%,50V C4,5 943 0015 255 CERAMIC,0.1U,-20 - 80%,25V C6 943 0015 132 CERAMIC,47P,5%,50V C7,8 943 0015 255 CERAMIC,0.1U,-20 - 80%,25V C9 943 0015 190 CERAMIC,1000P,10%,50V C11 943 0015 213 CERAMIC,6800P,10%,50V C12,13 943 0015 255 CERAMIC,0.1U,-20 - 80%,25V C14,15 943 0015 161 CERAMIC,470P,10%,50V C16 943 0015 190 CERAMIC,1000P,10%,50V www. xiaoyu163. com QQ 376315150 9 9 2 8 9 4 2 9 8 TEL 13942296513 9 9 2 8 9 4 2 9 8 0 5 1 5 1 3 6 7 3 Q Q TEL 13942296513 QQ 376315150 892498299 TEL 13942296513 QQ 376315150 892498299 http://www.xiaoyu163.com 33 33 DVD-310 C17,18 943 0015 255 CERAMIC,0.1U,-20 - 80%,25V C19,20 943 0015 190 CERAMIC,1000P,10%,50V C21,22 943 0015 255 CERAMIC,0.1U,-20 - 80%,25V C25-30 943 0015 255 CERAMIC,0.1U,-20 - 80%,25V C31,32 943 0015 187 CERAMIC,680P,10%,50V C33-35 943 0015 129 CERAMIC,33P,5%,50V C36 943 0015 255 CERAMIC,0.1U,-20 - 80%,25V C37,38 943 0015 187 CERAMIC,680P,10%,50V C39 943 0015 226 CERAMIC,0.047U (47N),10%,16V C40,41 943 0015 187 CERAMIC,680P,10%,50V C42 943 0015 145 CERAMIC,100P,5%,50V C43 943 0015 190 CERAMIC,1000P,10%,50V C44 943 0015 255 CERAMIC,0.1U,-20 - 80%,25V C45 943 0015 239 CERAMIC,0.33U,-20 - 80%,16V C46 943 0015 158 CERAMIC,160P,5%,50V C47 943 0015 200 CERAMIC,4700P,10%,50V C48 943 0015 190 CERAMIC,1000P,10%,50V C49-53 943 0015 255 CERAMIC,0.1U,-20 - 80%,25V C54,55 943 0015 145 CERAMIC,100P,5%,50V C56 943 0015 200 CERAMIC,4700P,10%,50V C57,58 943 0015 255 CERAMIC,0.1U,-20 - 80%,25V C59 943 0015 242 CERAMIC,1U,-20 - 80%,10V C60-71 943 0015 255 CERAMIC,0.1U,-20 - 80%,25V C72,73 943 0015 242 CERAMIC,1U,-20 - 80%,10V C74 943 0015 255 CERAMIC,0.1U,-20 - 80%,25V C75 943 0015 242 CERAMIC,1U,-20 - 80%,10V C76 943 0015 116 CERAMIC,15P,5%,50V C77-90 943 0015 255 CERAMIC,0.1U,-20 - 80%,25V C91,92 943 0015 103 CERAMIC,6.8P,5%,50V C94-100 943 0015 255 CERAMIC,0.1U,-20 - 80%,25V C102-117 943 0015 255 CERAMIC,0.1U,-20 - 80%,25V C122-129 943 0015 161 CERAMIC,470P,10%,50V C130,131 943 0015 255 CERAMIC,0.1U,-20 - 80%,25V C441,442 943 0015 255 CERAMIC,0.1U,-20 - 80%,25V C681 943 0015 200 CERAMIC,4700P,10%,50V C691 943 0015 116 CERAMIC,15P,5%,50V BC1-21 943 0015 255 CERAMIC,0.1U,-20 - 80%,25V BCU1 943 0015 255 CERAMIC,0.1U,-20 - 80%,25V TC2 943 0015 271 ELECTROLYTIC,20%,22U/6.3V TC3,4 943 0015 297 ELECTROLYTIC,20%,100U/6.3V TC5 943 0015 284 ELECTROLYTIC,20%,47U/6.3V TC6 943 0015 271 ELECTROLYTIC,20%,22U/6.3V TC7 943 0015 310 ELECTROLYTIC,20%,220U/6.3V TC8 943 0015 297 ELECTROLYTIC,20%,100U/6.3V TC11,12 943 0015 297 ELECTROLYTIC,20%,100U/6.3V TC13 943 0015 310 ELECTROLYTIC,20%,220U/6.3V TC14,15 943 0015 297 ELECTROLYTIC,20%,100U/6.3V TC16,17 943 0015 310 ELECTROLYTIC,20%,220U/6.3V TC18,19 943 0015 271 ELECTROLYTIC,20%,22U/6.3V TC20-23 943 0015 268 ELECTROLYTIC,20%,10U/16V TC441 943 0015 284 ELECTROLYTIC,20%,47U/6.3V TC442 943 0015 310 ELECTROLYTIC,20%,220U/6.3V 6TC1 943 0015 310 ELECTROLYTIC,20%,220U/6.3V 6TC2 943 0015 284 ELECTROLYTIC,20%,47U/6.3V TCU1 943 0015 310 ELECTROLYTIC,20%,220U/6.3V TC1V 943 0015 268 ELECTROLYTIC,20%,10U/16V Ref. No. Part No. Part Name Remarks New www. xiaoyu163. com QQ 376315150 9 9 2 8 9 4 2 9 8 TEL 13942296513 9 9 2 8 9 4 2 9 8 0 5 1 5 1 3 6 7 3 Q Q TEL 13942296513 QQ 376315150 892498299 TEL 13942296513 QQ 376315150 892498299 http://www.xiaoyu163.com 34 34 DVD-310 OTHER PARTS GROUP CN1 943 0014 201 CONN, PICKUP CON24-05M(Top Contact) CN1 943 0014 201 CONN, PICKUP CON24-05M(Top Contact) CN2 943 0014 308 CONN, SPINDLE MOTOR CON11A1MD CN3 943 0014 405 CONN, SLED ACTUATOR 2PIN 2mm PITCH CN4 943 0014 502 CONN, LOADING CONN, 5PIN CN5 943 0017 703 CONN, FRONT PANEL CONN, 14PIN CN6,7 943 0017 800 CONN, AUDIO,VIDEO CONN, 20PIN CN8 943 0014 609 CONN, POWER CONN, 7PIN CN9 943 0014 706 CONN, SPDIF CONN,3PIN L1,2 943 0014 803 IND,3.9UH,2012(0805) L3-12 943 0015 006 FB,2012(0805)600E,1.5A,POWER L15-18 943 0014 900 IND,2.2UH,2012(0805) L21-38 943 0015 006 FB,2012(0805)600E,1.5A,POWER L1G 943 0017 907 FB,2012(0805)121E,1.5A,POWER LR72 943 0017 907 FB,2012(0805)121E,1.5A,POWER MR1G 943 0017 907 FB,2012(0805)121E,1.5A,POWER R851 943 0017 907 FB,2012(0805)121E,1.5A,POWER SPL1 943 0017 907 FB,2012(0805)121E,1.5A,POWER X1 943 0014 007 RESONATOR,33.8688MHZ X3 943 0014 104 X-TAL, 27MHz Ref. No. Part No. Part Name Remarks New www. xiaoyu163. com QQ 376315150 9 9 2 8 9 4 2 9 8 TEL 13942296513 9 9 2 8 9 4 2 9 8 0 5 1 5 1 3 6 7 3 Q Q TEL 13942296513 QQ 376315150 892498299 TEL 13942296513 QQ 376315150 892498299 http://www.xiaoyu163.com 35 35 DVD-310 CUP11609Z SMPS UNIT ASS’Y Ref. No. Part No. Part Name Remarks New RESISTORS GROUP R604 943 0018 003 CEMENT RESISTOR 10Ω/5W OTHER PARTS GROUP F601 943 0018 100 FUSE 250V/2A www. xiaoyu163. com QQ 376315150 9 9 2 8 9 4 2 9 8 TEL 13942296513 9 9 2 8 9 4 2 9 8 0 5 1 5 1 3 6 7 3 Q Q TEL 13942296513 QQ 376315150 892498299 TEL 13942296513 QQ 376315150 892498299 http://www.xiaoyu163.com 36 36 DVD-310 EXPLODED VIEW 1 3 2 4 5 6 7 8 10 9 11 13 14 19 15 14 21 18 S7 11 12 13 14 16 19 13 17 20 22 23 24 25 26 S1 S1 S1 S1 S2 S2 S2 S3 S3 S3 S4 S5 S5 S5 S6 S6 S6 Parts List www . x ia o y u 1 6 3 . c o m QQ 3 7 6 3 1 5 1 5 0 9 9 2 8 9 4 2 9 8 T E L 1 3 9 4 2 2 9 6 5 1 3 9 9 2 8 9 4 2 9 8 0 5 1 5 1 3 6 7 3 Q Q TEL 13942296513 QQ 376315150 892498299 TEL 13942296513 QQ 376315150 892498299 http://www.xiaoyu163.com 37 37 DVD-310 PARTS LIST OF EXPLODED VIEW Ref. No. Part No. Part Name Remarks Q'ty New 1 943 0002 200 WINDOW , FIP 1 2 943 0002 103 ORNAMENT , DOOR 1 3 943 0002 909 PANEL , AL 1 4 943 0002 802 PANEL , SUB 1 5 943 0002 705 WINDOW , IR 1 6 943 0002 501 KNOB , PROGRAM 1 7 943 0002 404 KNOB , OPEN 1 8 943 0002 307 KNOB , STAND-BY 1 9 943 0002 608 INDICATOR , STAND-BY 1 10 943 0004 606 FIP 1 11 - BRACKET,FIP 2 12 943 0003 005 FRONT P.W.B. ASS'Y 1 13 943 0003 500 CUSHION , FOOT 4 14 943 0003 403 FOOT , FRONT 2 15 943 0007 904 CHASSIS , BOTTOM 1 16 943 0016 306 COVER , SCREW 1 17 943 0005 207 HOLDER , PW.D 2 18 943 0007 807 SMPS P.W.B. ASS'Y 1 19 943 0005 304 SUPPORT , MECHA 2 20 943 0009 009 RL-S871 DVD MECHA 1 21 943 0003 102 A/V P.W.B. ASS'Y 1 22 943 0003 704 PANEL , REAR 1 23 943 0008 000 BUSHING , AC CORD 1 ! 24 943 0003 801 POWER CORD 1 25 943 0008 204 TAPE , HEMELON 2 26 943 0003 607 CABINET , TOP 1 ★ - CARD CABLE 1 ★ - STICKER , CAUTION 1 ★ 943 0001 308 LABEL , RATING 1 SCREWS S1 943 0016 319 CTS3+8JFC 6 S2 943 0016 322 CTB3+6JFC 5 S3 943 0016 335 CTB3+10G 6 S4 943 0016 348 CTB3+10J 2 S5 943 0016 351 CTB3+10GFZ 6 S6 943 0016 364 CTW3+6J 4 S7 943 0016 377 CTW3+16J 2 www. xiaoyu163. com QQ 376315150 9 9 2 8 9 4 2 9 8 TEL 13942296513 9 9 2 8 9 4 2 9 8 0 5 1 5 1 3 6 7 3 Q Q TEL 13942296513 QQ 376315150 892498299 TEL 13942296513 QQ 376315150 892498299 http://www.xiaoyu163.com 38 38 DVD-310 EXPLODED VIEW OF DVD MECHANISM UNIT 9 1 7 3 6 4 13 10 16 20 23 23 21 22 22 22 22 24 24 17 18 19 14 11 15 12 8 2 5 23 23 23 23 23 (LABEL AREA) www. xiaoyu163. com QQ 376315150 9 9 2 8 9 4 2 9 8 TEL 13942296513 9 9 2 8 9 4 2 9 8 0 5 1 5 1 3 6 7 3 Q Q TEL 13942296513 QQ 376315150 892498299 TEL 13942296513 QQ 376315150 892498299 http://www.xiaoyu163.com 39 39 DVD-310 PARTS LIST OF DVD MECHANISM UNIT Ref. No. Part No. Part Name Remarks Q'TY New 1 943 0010 302 COVER,TOP 1 2 - LABEL,MODEL 1 3 943 0010 409 CLAMP,TOP 1 4 943 0010 603 PLATE,CLAMP 1 5 943 0010 700 MAGNET 1 6 943 0010 506 CLAMP,BTM 1 7 943 0010 205 FEEDING ASS'Y 1 8 943 0010 904 FFC,P/U 1 9 943 0010 807 TRAY,DISC 1 10 943 0009 203 BASE,LOADING 1 11 943 0009 504 PINION,LOADING 1 12 943 0009 708 BELT 1 13 943 0009 300 AY L/MOTOR 1 14 943 0009 407 SLIDE,CAM 1 15 943 0009 601 GEAR,PULLY 1 16 943 0009 805 LEVER,CAM 1 17 943 0009 902 PCB,LOADING 1 18 943 0010 001 DETECTOR SWITCH 1 19 943 0010 108 FFC,LOADING PCB 1 20 943 0017 004 RL-S871,P.W.B. ASS'Y 1 21 943 0011 000 COVER,BTM2 1 22 943 0016 416 SCREW,TAP 5 23 943 0016 429 SCREW,TAP 7 24 943 0016 403 SCREW,MC 2 www. xiaoyu163. com QQ 376315150 9 9 2 8 9 4 2 9 8 TEL 13942296513 9 9 2 8 9 4 2 9 8 0 5 1 5 1 3 6 7 3 Q Q TEL 13942296513 QQ 376315150 892498299 TEL 13942296513 QQ 376315150 892498299 http://www.xiaoyu163.com 40 40 DVD-310 PACKING VIEW PARTS LIST OF PACKING & ACCESSORIES Ref. No. Part No. Part Name Remarks Q'ty New 1 943 0001 104 BOX , OUT CARTON 1 2 943 0001 007 BAG , POLY(SET) 1 3 943 0001 201 PAD , PAPER 2 4 - LABEL , SERIAL NO 2 5 - INSTRUCTION MANUAL ASS'Y 1 5-1 943 0001 502 REMOCON TRANSMITER ASS'Y 1 5-2 943 0001 609 CORD . PIN (1P) YELLOW (1.5M) 1 5-3 943 0001 706 CORD , PIN 1 5-4 943 0001 803 BAG , POLY 1 5-5 515 0918 005 SERVICE STATION LIST 1 5-6 943 0001 900 MANUAL , INSTRUCTION 1 5-7 - BATTERY 2 5-8 943 0002 006 OPTICAL CABLE 1 ★ 515 0919 004 GURANTEE CARD (S) 1 ★ 943 0001 405 LABEL , POS 1 ★ 943 0008 107 CLAMPER 3 1 3 4 2 3 5 4 OPP TAPE 5 6 5 8 5 3 5 5 5 2 5 7 5 1 5 4 www. xiaoyu163. com QQ 376315150 9 9 2 8 9 4 2 9 8 TEL 13942296513 9 9 2 8 9 4 2 9 8 0 5 1 5 1 3 6 7 3 Q Q TEL 13942296513 QQ 376315150 892498299 TEL 13942296513 QQ 376315150 892498299 http://www.xiaoyu163.com 41 41 DVD-310 WIRING DIAGRAM www . x ia o y u 1 6 3 . c o m QQ 3 7 6 3 1 5 1 5 0 9 9 2 8 9 4 2 9 8 T E L 1 3 9 4 2 2 9 6 5 1 3 9 9 2 8 9 4 2 9 8 0 5 1 5 1 3 6 7 3 Q Q TEL 13942296513 QQ 376315150 892498299 TEL 13942296513 QQ 376315150 892498299 http://www.xiaoyu163.com 42 42 DVD-310 NOTE FOR SCHEMATIC DIAGRAM 1. WARNING: Parts marked with this symbol have critical character- istics. Use ONLY replacement parts recommended by the manu- facturer. 2. CAUTION: Before returning the unit to the customer, make sure you make either (1) a leakage current check or (2) a line to chassis resistance check. If the leakage current exceeds 0.5 milliamps, or if the resistance from chassis to either side of the power cord is less than 460 kohms, the unit is defective. 3. WARNING: DO NOT return the unit to the customer until the problem is located and corrected. 4. NOTICE ALL RESISTANCE VALUES IN OHM. k=1,000 OHM M=1,000,000 OHM ALL CAPACITANCE VALUES IN MICRO FARAD. p=MICRO-MICRO FARAD EACH VOLTAGE AND CURRENT ARE MEASURED AT NO SIGNAL INPUT CONDITION. CIRCUIT AND PARTS ARE SUBJECT TO CHANGE WITHOUT PRIOR NOTICE. SIGNAL LINE 配線図について 注) 1. 指定なき抵抗値は Ω、k は kΩ、M は MΩ を示 す。 2. 指定なきコンデンサーの値は µF、p は pF を示 す。 3. 各部の電圧は無信号の値を示す。 4. この配線図は基本配線図です。改良等のため変更 することがありますのでご了承ください。 印の部品は安全を維持するために重要な部品です。 従って交換時は必ず指定の部品を使用してください。 SIGNAL LINE www. xiaoyu163. com QQ 376315150 9 9 2 8 9 4 2 9 8 TEL 13942296513 9 9 2 8 9 4 2 9 8 0 5 1 5 1 3 6 7 3 Q Q TEL 13942296513 QQ 376315150 892498299 TEL 13942296513 QQ 376315150 892498299 http://www.xiaoyu163.com 43 SCHEMATIC DIAGRAMS (1/9) CUP11607Z A/V BOARD SCHEMATIC DIAGRAMS (1/9) 1 2 3 4 5 6 7 8 9 10 11 A B C D E F G H DVD-310 43 w w w . x i a o y u 1 6 3 . c o m Q Q 3 7 6 3 1 5 1 5 0 9 9 2 8 9 4 2 9 8 T E L 1 3 9 4 2 2 9 6 5 1 3 9 9 2 8 9 4 2 9 8 0 5 1 5 1 3 6 7 3 Q Q TEL 13942296513 QQ 376315150 892498299 TEL 13942296513 QQ 376315150 892498299 http://www.xiaoyu163.com 44 SCHEMATIC DIAGRAMS (2/9) CUP11608Z FRONT BOARD SCHEMATIC DIAGRAMS (2/9) 1 2 3 4 5 6 7 8 9 10 11 A B C D E F G H DVD-310 44 w w w . x i a o y u 1 6 3 . c o m Q Q 3 7 6 3 1 5 1 5 0 9 9 2 8 9 4 2 9 8 T E L 1 3 9 4 2 2 9 6 5 1 3 9 9 2 8 9 4 2 9 8 0 5 1 5 1 3 6 7 3 Q Q TEL 13942296513 QQ 376315150 892498299 TEL 13942296513 QQ 376315150 892498299 http://www.xiaoyu163.com 45 SCHEMATIC DIAGRAMS (3/9) MECHANISM BORDE (1/6) RL-S871(HD60) MPEG SCHEMATIC DIAGRAMS (3/9) 1 2 3 4 5 6 7 8 9 10 11 A B C D E F G H DVD-310 45 w w w . x i a o y u 1 6 3 . c o m Q Q 3 7 6 3 1 5 1 5 0 9 9 2 8 9 4 2 9 8 T E L 1 3 9 4 2 2 9 6 5 1 3 9 9 2 8 9 4 2 9 8 0 5 1 5 1 3 6 7 3 Q Q TEL 13942296513 QQ 376315150 892498299 TEL 13942296513 QQ 376315150 892498299 http://www.xiaoyu163.com CS4392 DVD-310 : OPEN 46 SCHEMATIC DIAGRAMS (4/9) MECHANISM BOARD (2/6) RL-S871(HD60) AUDIO_DAC SCHEMATIC DIAGRAMS (4/9) 1 2 3 4 5 6 7 8 9 10 11 A B C D E F G H DVD-310 46 w w w . x i a o y u 1 6 3 . c o m Q Q 3 7 6 3 1 5 1 5 0 9 9 2 8 9 4 2 9 8 T E L 1 3 9 4 2 2 9 6 5 1 3 9 9 2 8 9 4 2 9 8 0 5 1 5 1 3 6 7 3 Q Q TEL 13942296513 QQ 376315150 892498299 TEL 13942296513 QQ 376315150 892498299 http://www.xiaoyu163.com 47 SCHEMATIC DIAGRAMS (5/9) MECHANISM BOARD (3/6) RL-S871(HD60) DRIVE_IC SCHEMATIC DIAGRAMS (5/9) 1 2 3 4 5 6 7 8 9 10 11 A B C D E F G H DVD-310 47 w w w . x i a o y u 1 6 3 . c o m Q Q 3 7 6 3 1 5 1 5 0 9 9 2 8 9 4 2 9 8 T E L 1 3 9 4 2 2 9 6 5 1 3 9 9 2 8 9 4 2 9 8 0 5 1 5 1 3 6 7 3 Q Q TEL 13942296513 QQ 376315150 892498299 TEL 13942296513 QQ 376315150 892498299 http://www.xiaoyu163.com DVD-310 : OPEN 48 SCHEMATIC DIAGRAMS (6/9) MECHANISM BOARD (4/6) RL-S871(HD60) DRAM_FE SCHEMATIC DIAGRAMS (6/9) 1 2 3 4 5 6 7 8 9 10 11 A B C D E F G H DVD-310 48 w w w . x i a o y u 1 6 3 . c o m Q Q 3 7 6 3 1 5 1 5 0 9 9 2 8 9 4 2 9 8 T E L 1 3 9 4 2 2 9 6 5 1 3 9 9 2 8 9 4 2 9 8 0 5 1 5 1 3 6 7 3 Q Q TEL 13942296513 QQ 376315150 892498299 TEL 13942296513 QQ 376315150 892498299 http://www.xiaoyu163.com 49 SCHEMATIC DIAGRAMS (7/9) MECHANISM BOARD (5/6) RL-S871(HD60) RF_AMP SCHEMATIC DIAGRAMS (7/9) 1 2 3 4 5 6 7 8 9 10 11 A B C D E F G H DVD-310 49 w w w . x i a o y u 1 6 3 . c o m Q Q 3 7 6 3 1 5 1 5 0 9 9 2 8 9 4 2 9 8 T E L 1 3 9 4 2 2 9 6 5 1 3 9 9 2 8 9 4 2 9 8 0 5 1 5 1 3 6 7 3 Q Q TEL 13942296513 QQ 376315150 892498299 TEL 13942296513 QQ 376315150 892498299 http://www.xiaoyu163.com 50 SCHEMATIC DIAGRAMS (8/9) MECHANISM BOARD (6/6) RL-S871(HD60) DVD_DSP SCHEMATIC DIAGRAMS (8/9) 1 2 3 4 5 6 7 8 9 10 11 A B C D E F G H DVD-310 50 w w w . x i a o y u 1 6 3 . c o m Q Q 3 7 6 3 1 5 1 5 0 9 9 2 8 9 4 2 9 8 T E L 1 3 9 4 2 2 9 6 5 1 3 9 9 2 8 9 4 2 9 8 0 5 1 5 1 3 6 7 3 Q Q TEL 13942296513 QQ 376315150 892498299 TEL 13942296513 QQ 376315150 892498299 http://www.xiaoyu163.com 51 SCHEMATIC DIAGRAMS (9/9) CUP11609Z SMPS BOARD SCHEMATIC DIAGRAMS (9/9) 1 2 3 4 5 6 7 8 9 10 11 A B C D E F G H DVD-310 51 w w w . x i a o y u 1 6 3 . c o m Q Q 3 7 6 3 1 5 1 5 0 9 9 2 8 9 4 2 9 8 T E L 1 3 9 4 2 2 9 6 5 1 3 9 9 2 8 9 4 2 9 8 0 5 1 5 1 3 6 7 3 Q Q TEL 13942296513 QQ 376315150 892498299 TEL 13942296513 QQ 376315150 892498299 http://www.xiaoyu163.com

标签:

版权声明

1. 本站所有素材,仅限学习交流,仅展示部分内容,如需查看完整内容,请下载原文件。
2. 会员在本站下载的所有素材,只拥有使用权,著作权归原作者所有。
3. 所有素材,未经合法授权,请勿用于商业用途,会员不得以任何形式发布、传播、复制、转售该素材,否则一律封号处理。
4. 如果素材损害你的权益请联系客服QQ:77594475 处理。