采用MT1389L(配三洋HD65光头)DVD应用电路

分类:电子电工 日期: 点击:0
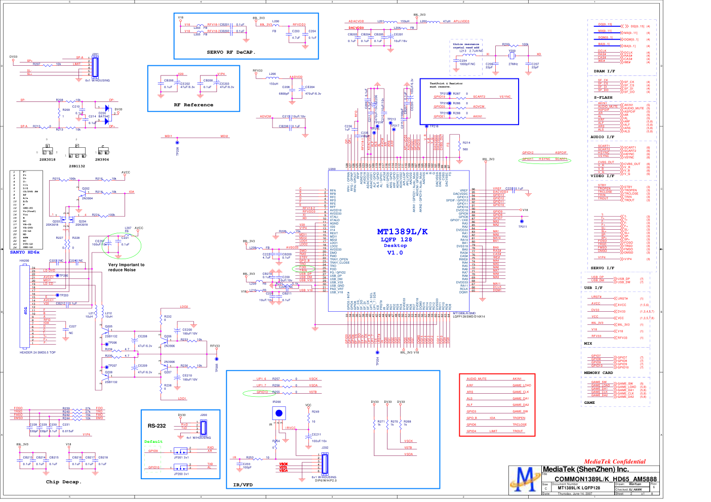
采用MT1389L(配三洋HD65光头)DVD应用电路-0 采用MT1389L(配三洋HD65光头)DVD应用电路-1 采用MT1389L(配三洋HD65光头)DVD应用电路-2 采用MT1389L(配三洋HD65光头)DVD应用电路-3 采用MT1389L(配三洋HD65光头)DVD应用电路-4 采用MT1389L(配三洋HD65光头)DVD应用电路-5 采用MT1389L(配三洋HD65光头)DVD应用电路-6 采用MT1389L(配三洋HD65光头)DVD应用电路-7

5 4 3 2 1 D D C C B B A A +P12V VCC GND V33 -P12V URST# -12V +12V AVCC RFV33 V18 DV33 V33 V33 URST# +12V -12V AVCC +P12V VCC 89L_3V3 DV33 RFV33 V18 V18_AM5888 V18_AM5888 V33 V33 VCC -P12V +P12V DV33 DV33 -P12V +12V -12V +P12V VCC RFV33 AVCC DV33 V33 V18 DV33 89L_3V3 URST# (2) +12V (5) -12V (5) AVCC (2,5,6) +P12V (5) VCC (2,3,5,7,8) 89L_3V3 (2) DV33 (2,3,4,5,7) RFV33 (2) V18 (2) V18_AM5888 (3) V33 (2) Title Size Document Number Rev Date: Sheet o f MediaTek (ShenZhen) Inc. Drawn: Checked: Index & Power 6 C 1 8 Monday, June 11, 2007 COMMON1389L/K_HD65_AM5888 MediaTek Confidential WenYuan XJ_HAWK COMMON1389L/K_HD65_AM5888_V6 5 AUDIO I/F 4 SDRAM & FLASH 2 MT1389L/K LQFP128 6 VIDEO I/F MT1389L/K (LQFP128) DVD TEST Board w/ Sanyo HD6x Series PUHs 1 INDEX & POWER, RESET RESET Circuit URST# Desktop Model 3 MOTOR DRV 7 MS/SD & USB 2006/12/12 Rev History Date V1 The original released. Base on 3-SYHI89LSD1-V10.DSN POWER I/F MT1389L/K Full Function: (USB,1CH MIC,6CH DAC,VGA/SCART,GAME,CARD,VFD) MT1389L/K General GPIO List C100 must closer to PIN43 of 1389L/K. V2 2007/01/22 1),Re-arrange MT1389LK Servo IO Pin & VFD Pin; 2),Update brake ciucuit; 3),Change RFO circuit V3_ Ext 1),Re-arrange MT1389L IO Pin 2),GPIO Extension Solution; 2007/02/05 3),Add Scart Circuit; GPIOK0 GPIOK1 GPIOK2 27 28 31 USB_DP USB_DM PAD_VRT GPO_A Name GPIO3 PIN GPIO4 GPIO7 GPIO6 GPIO8 GPIO9 GPIO10 GPO_B GPIO2 GPIO11 GPIO12 33 34 35 87 22 23 26 88 89 91 Features STBY 92 93 GPIO13 94 106 107 108 TROUT TROPEN IOA ASPDIF ADVCM AKIN1 TRCLOSE TRIN UP1_6 UP1_7 40 41 VSCK VSDA GPIO19 GPIO20 GPIO21 ALS ALF 119 120 114 115 AUDIO_MUTE ARF ARS SCART1 SCART2 VSTB V4_ Ext 1),Exchange Trin and Limit GPIO Pin; 2007/02/12 MS_BS MS_D0 SD_CLK SD_CMD SD_D0 LIMIT V5_ Ext 1),Modify Mute Circuit; 2007/03/01 V6 1),Re-arrange MT1389L IO Pin; 2007/06/05 8 GAME I/F GAME_SW GAME_DA1 GAME_DA2 VSYNC HSYNC GAME_LOAD MS_CLK GAME_CLK AUDIO_ARF AUDIO_ARS AUDIO_ALS AUDIO_ALF 2),Add GPIO reuse function and circuit; + CE107 47uF/16v/NC L101 FB CB101 0.1uF LED100 LED DIP2.54 + CE105 47uF/10v CB105 0.1uF/NC + CE100 47uF/16v + CE102 220uF/6.3v CB104 0.1uF L104 FB CON100 6x1 W/HOUSING DIP6/W/H/P2.54 1 2 3 4 5 6 + CE106 220uF/6.3v L102 FB U100 AAC1117-ADJ/NC SOT223/SMD ADJ/GND 1 OUT 2 IN 3 CB106 0.1uF CB107 0.1uF + CE104 47uF/16v CB100 0.1uF + CE103 47uF/16v C10UF16V/D5H11 C100 1uF/NC + CE110 47uF/6.3v L100 FB CB102 0.1uF D100 1N4148 L105 FB + CE109 47uF/16v + CE101 220uF/16v CB108 0.1uF R100 220 + CE108 10uF/16v/NC L106 FB TP100 CB103 0.1uF R101 22k L103 FB 5 4 3 2 1 D D C C B B A A CAS# RAS# DQM[0..1] MA[0..11] DCLK WE# DQ[0..15] BA[0..1] SF_DO SF_CK SF_DI SF_CS CVBS_OUT DACVDD3 DACVDD3 ADACVDD V18 RFV18-1 APLLVDD3 RFVDD3 TxD R xD V20 IOA _3 _2 LDO1 _4 LDO2 B E F+ T- A MDI1 F- T+ IOA D C F V20 AVCC1 AVCC1 LD-CD LD-DVD SP+ SL+ SL- SP-A RFO F- T- F+ SL+ SL- SP- SP+ T+ TRSO FOSO FMSO DMSO SP- 89L_3V3 VREF GPIO12 GPIO11 GPIO7 MA3 MA2 MA1 BA1 RAS# BA0 CAS# WE# MA6 MA4 MA5 MA7 MA8 MA9 MA11 DQ8 DQ10 DQ9 DQ11 DQ13 DQ12 DQ14 DQ15 DQM0 DQ5 DQ6 DQ7 DQ4 DQ1 DQ2 DQ3 DQ0 URST# IR SF_DI I CE SF_CK UP1_7 SF_DO SF_CS UP1_6 GPIO6 GPIO4 USB_V18 USB_V33 USB_DM USB_DP TRIN FOO TRO FMO DMO AVDD33 LDO1 LDO2 V1P4 V20 XO XI RFV18-2 RFVDD3 OP- OP+ DACVDD3 FS CVBS_OUT DACVDD3 DACVDD3 V_R V_G V_B GPIO13 MA0 MA10 DQM1 DCLK GPIO19 AADVDD APLLVDD3 AL AVCM AR RFV18-1 ADACVDD A RF ARS ALS ALF ASPDIF AR AL V_B V_R V_G A RF ALF ARS ALS A C B D F E RXD AR TXD AL GPIO9 GPIO10 AVCC V1P4 OP+ OP- _1 DMO V1P4 TRO FOO V1P4 FMO SP-A RFV18-2 V18 AADVDD XO USB_DM GPIO21 GPIO20 XI URST# I RVCC VSDA VSDA VSDA VSDA VSDA VSDA VSDA VSDA VSTB VSTB VSTB VSTB VSTB VSTB VSTB VSTB VSCK VSCK VSCK VSCK VSCK VSCK VSCK VSCK VSCK VSCK VSCK VSCK VSCK VSCK VSCK VSCK IR FMSO DMSO FOSO TRSO VSCK UP1_6 VSDA UP1_7 VSTB GPIO13 VSDA VSCK VSTB STBY TROPEN TRCLOSE TRIN TROUT MDI2 MDI1 USB_DP MDI1 RFO STBY GPO_B MDI2 AKIN1 GPIO12 ASPDIF GPIO11 SCART1 H SYNC GPIO9 GPIO8 GPIO10 GPIO3 LIMIT DV33 VCC 89L_3V3 V18 RFV33 GPIO7 GPIO8 GPIO9 GPIO10 ADVCM SCART2 VS YNC ADVCM AKIN1 GPIO19 GPIO20 GPIO21 SCART2 H SYNC VS YNC SCART1 GPIO3 GAME_SW AUDIO_MUTE AKIN1 A RF GAME_LOAD ARS GAME_CLK ALF GAME_DA2 ALS GAME_DA1 IOA TROPEN GPO_B GPIO6 TRCLOSE GAME_LOAD GAME_DA1 GAME_CLK GAME_DA2 GAME_SW AUDIO_MUTE LIMIT TROUT GPIO4 V18 89L_3V3 V18 V18 89L_3V3 89L_3V3 DV33 V18 89L_3V3 AVCC DV33 AVCC DV33 89L_3V3 V18 89L_3V3 89L_3V3 RFV33 RFV33 VCC DV33 DV33 DV33 DQ[0..15] (4) MA[0..11] (4) DQM[0..1] (4) BA[0..1] (4) DCLK (4) RAS# (4) CAS# (4) WE# (4) SF_DI (4) SF_CK (4) SF_CS (4) SF_DO (4) CVBS_OUT (6) T- (3) T+ (3) F- (3) F+ (3) SL- (3) SL+ (3) SP- (3) SP+ (3) FOSO (3) TRSO (3) FMSO (3) DMSO (3) ASPDIF (5) AR (5) AL (5) V_B (6) V_G (6) V_R (6) ARF (5,8) ALF (5,8) ARS (5,8) ALS (5,8) AVCC (1,5,6) V1P4 (3) USB_DM (7) URST# (1) STBY (3) TROPEN (3) TRCLOSE (3) TRIN (3) TROUT (3) USB_DP (7) DV33 (1,3,4,5,7) VCC (1,3,5,7,8) 89L_3V3 (1) V18 (1) RFV33 (1) GPIO7 (7) GPIO8 (7) GPIO9 (7) GPIO10 (7) AKIN1 (5) SCART2 (6) HSYNC (6) VSYNC (6) SCART1 (6) GAME_LOAD (5,8) GAME_DA1 (5,8) GAME_CLK (5,8) GAME_DA2 (5,8) GAME_SW (5) AUDIO_MUTE (5) Title Size Document Number Rev Date: Sheet o f MediaTek (ShenZhen) Inc. Drawn: Checked: MT1389L/K LQFP128 6 C 2 8 Thursday, June 14, 2007 COMMON1389L/K_HD65_AM5888 MediaTek Confidential WenYuan XJ_HAWK DRAM I/F S-FLASH AUDIO I/F VIDEO I/F 1 SERVO RF DeCAP. RF Reference RS-232 SANYO HD6x VR-CD 16 3 NC 2 NC 4 CD/DVD SW F- F 1 20 VR-DVD T- B/b 24 6 23 CD-LD Vcc 7 5 19 8 GND-LD HFM 17 F+ 12 21 T+ RF 22 14 18 10 MD GND-PD Vc(Vref) E 15 C/c 13 D/d A/a 9 11 DVD-LD 2SK3018 1 C 1 C 2N3904 1 B 3 C 2 2SB1132 S 3 G B 3 E E Very Important to reduce Noise SERVO I/F Default Chip Decap. D 2 USB I/F thrice resonance crystal need add MIX IR/VFD MEMORY CARD TestPoint & Resistor must reserve. GAME L211 10uH R224 100k L210 FB C229 330pF + CE205 100uF/6.3v R256 0 TP219 L207 FB + CE210 100uF/10V TP204 R227 0 CB214 0.1uF C233 100pF J202 6x1 W/HOUSING DIP6/W/H/P2.0 1 2 3 4 5 6 R271 1k L212 10uH TP214 C209 0.1uF R212 0 J201 6x1 W/HOUSING 1 2 3 4 5 6 R254 0 TP207 C213 10uF/10v C221 0.1uF C230 0.1uF Q204 2SK3018 1 3 2 + CE201 10uF/16v CB200 0.1uF CB210 0.1uF R286 0 CB216 0.1uF TP200 Q208 2SB1132 1 3 2 C231 0.015uF C200 10uF/10v R238 0 C223 NC L201 150uH D200 BAT54C 1 3 2 C235 220pF C204 0.1uF C222 4.7uF C212 10uF/10v TP203 C208 6800pF R235 4.7 CB206 0.1uF R214 560 IR200 IR 1 2 3 C214 0.1uF R228 0 TOP HA200 HEADER 24 SMD0.5 TOP 1 2 3 4 5 6 7 8 9 10 11 12 13 14 15 16 17 18 19 20 21 22 23 24 + CE207 100uF/10v JP201 3x1 1 2 3 R270 1k C224 NC C228 330pF R200 100k CB209 0.1uF TP217 L202 47uH C236 1uF Q205 2SB1132 1 3 2 C210 0.1uF C227 NC C211 4.7uF R249 10 R255 0 C206 22pF Q202 2N3904 1 3 2 CB212 0.1uF TP205 + CE204 470uF/6.3v R240 27k R208 10k R231 5.1k R288 0 R236 10k R257 0 R268 1k Y200 27MHz R215 100k MT1389L/K LQFP 128 V1.0 Desktop U200 MT1389L/K/SMD LQFP128/SMD/D14X14 RFE 5 RFF 6 AVDD18 7 AVDD33 8 XTALI 9 XTALO 10 AGND 11 V20 12 REXT 14 MDI1 15 MDI2 16 LDO1 17 LDO2 18 AVDD33 19 DMO 20 FMO 21 TRAY_OPEN 22 TRAY_CLOSE 23 TRO 24 FOO 25 FG / GPIO2 26 USB_DP 27 USB_DM 28 USB_V33 29 USB_GND 30 PAD_VRT 31 USB_V18 32 GPIO3 / INT# 33 GPIO4 34 SF_CS_ 36 SF_DO 37 SF_DI 38 SF_CK 39 UP1_6 / SCL 40 UP1_7 / SDA 41 ICE 42 PRST# 43 IR 44 RD0 45 RD1 46 RD2 47 RD3 48 RD4 49 RD5 51 RD6 52 RD7 53 DVDD33 50 DQM0 55 RD15 56 RD14 57 DVDD18 54 RD13 58 RD12 59 RD11 61 RD10 62 RD9 63 DVSS33 60 RD8 64 DQM1 65 RCLK 66 RA11 67 RA9 69 RA8 70 GPIO13 94 DVDD18 90 SPDIF / GPIO12 93 GPIO11 92 GPIO10 91 GPIO9 89 GPIO8 88 DVDD33 84 V14 13 GPIO6 35 RA3 86 DVSS18 79 RA2 85 RA1 83 RA0 82 RA10 81 BA1 80 BA0 78 RAS# 77 CAS# 76 RWE# 75 RA4 74 DVDD33 68 RA5 73 RA6 72 RA7 71 RFD 4 RFC 3 RFB 2 RFA 1 RFH / OPINN 128 RFG / OPINP 127 RFIN / OPOUT 126 RFIP 125 AGND18 124 AVDD18 123 AL / GPIO1 118 AVCM 117 AR / GPIO0 116 APLLCAP 111 APLLVDD 110 AADVDD 109 AKIN1 / GPIO21 / Audio_Mute 108 ADVCM / GPIO20 107 AKIN2 / GPIO19 / Audio_Mute 106 AADVSS 105 R 104 B 103 G 102 DACVDDA 101 DACVDDB 100 CVBS 99 DACVSSC 98 FS 97 VREF 96 DACVDDC 95 GPIO7 / CKE 87 ADACVSS2 112 ADACVSS1 113 ADACVDD2 122 ADACVDD1 121 ALF / GPIO 120 ALS / GPIO 119 ARS / GPIO 115 ARF / GPIO 114 CB201 0.1uF TP208 L213 2.7uH/NC CB208 0.1uF CB218 0.1uF L208 FB R233 10k TP212 Q207 2N3906 1 3 2 L203 FB C226 10uF/10v R216 10k CB204 0.1uF + CE202 47uF/6.3v C215 1500pF L205 FB R244 10k + CE200 100uF/10V R287 0 CB215 0.1uF C220 0.1uF R232 0 CB202 0.1uF + CE209 47uF/6.3v R213 10k C234 1000pF/NC TP218 JP200 3x1 1 2 3 R218 10k + CE206 470uF/10v R239 27k L209 FB TP213 TP206 R242 15k R207 10k R253 10 CB203 0.1uF + CE203 47uF/6.3v R234 4.7 TP216 CB217 0.1uF CB205 0.1uF L200 FB R226 15k CB211 0.1uF L206 150uH J200 4x1 W/HOUSING 1 2 3 4 + CE208 47uF/6.3v Q203 2SK3018 1 3 2 CB207 0.1uF TP215 C207 22pF C203 4.7uF + CE211 100uF/10v TP211 R209 1 CB213 0.1uF Q206 2N3906 1 3 2 L204 FB C225 NC 5 4 3 2 1 D D C C B B A A TRIN LOAD+ TROUT LOAD- F+ T- SL- F- SP+ FOSO T+ DMSO TRSO FMSO SP- SL+ V1P4 TRIN STBY TROUT TRCLOSE TROPEN DV33 VCC DMSO SP+ T- FOSO TROPEN TRSO FMSO SL+ SP- LOAD+ SL- TRCLOSE T+ F+ LOAD- F- V1P4 STBY V18_AM5888 V33 VCC MO_VCC V33 V18_AM5888 MO_VCC MO_VCC DV33 SL- (2) SL+ (2) FOSO (2) SP- (2) F+ (2) TRSO (2) F- (2) FMSO (2) DMSO (2) T+ (2) SP+ (2) T- (2) V1P4 (2) STBY (2) TROPEN (2) TRCLOSE (2) TRIN (2) TROUT (2) DV33 (1,2,4,5,7) VCC (1,2,5,7,8) V18_AM5888 (1) V33 Title Size Document Number R ev Date: Sheet o f MediaTek (ShenZhen) Inc. Drawn: Checked: MOTOR DRV 6 Custom 3 8 Wednesday, June 13, 2007 COMMON1389L/K_HD65_AM5888 MediaTek Confidential WenYuan XJ_HAWK SERVO I/F POWER V18=(R304/R305+1)*1.25 TP307 + CE302 47uF/16v D300 IN4001/DIP L300 FB TP308 J300 5x1 W/HOUSING 1 2 3 4 5 R300 10k CB300 0.1uF CB302 0.1uF U300 AM5888 HSOP28/SMD VINFC 1 VOTR- 9 VOTR+ 10 VOSL- 12 REGO2 3 TRB1 2 VOTK+ 15 REV 7 VOFC+ 14 VOFC- 13 VCTL 21 VCC2 19 NC 20 NC 24 BIAS 27 FWD 6 VINSL+ 4 REGO1 5 MUTE 28 VCC 8 VOSL+ 11 VOLD+ 17 VOLD- 18 VOTK- 16 VINLD 23 GND 22 TRB2 25 VINTK 26 G1 29 G2 30 TP309 TP302 + CE300 47uF/10v + CE213 47uF/16v TP303 R309 10k CB301 0.1uF R305 10k TP305 C300 0.1uF TP301 R304 4.7k TP304 R303 10k CB303 0.1uF CB304 0.1uF Q300 8550/DIP 1 3 2 TP300 TP306 5 4 3 2 1 D D C C B B A A MA6 MA1 MA1 DQM0 DCLK DQ4 DBA0 DQ6 SDCKE MA2 DQ12 DQ14 DQ9 DQ10 DQ8 DQ7 DQ15 BA1 DCAS# DBA0 SDCKE DQ7 DWE# MA4 DQ2 MA0 MA7 MA4 MA3 DQ11 DQM1 DCAS# WE# DQ11 DQ15 CAS# DRAS# MA9 MA5 MA2 DCAS# SDCLK DQ8 MA10 DWE# SDCLK DQ1 DQ3 DQ4 MA10 DQM1 DQ0 DWE# DBA1 DCS# DQM0 SDCLK DQ1 DBA1 MA0 MA8 MA5 DBA0 DQ5 DQ9 MA11 DQ6 RAS# DQ5 DRAS# MA7 MA9 DCS# MA8 DQ3 DRAS# MA3 DQ13 DQ10 BA0 DQ0 MA6 DQ2 DQ14 DQ12 DQ13 DQ[0..15] MA[0..11] DQM[0..1] BA[0..1] DCLK RAS# CAS# WE# SF_CK SF_CS SF_DI SF_DO DCS# SF_DI SF_DO SF_CS SD33 SF_CS SF_CK DV33 SDCKE SD33 SD33 SD33 SD33 DV33 SD33 DV33 DV33 DV33 SD33 DV33 SD33 DQ[0..15] (2) MA[0..11] (2) DQM[0..1] (2) BA[0..1] (2) DCLK (2) RAS# (2) CAS# (2) WE# (2) SF_DI (2) SF_CK (2) SF_CS (2) SF_DO (2) DV33 (1,2,3,5,7) Title Size Document Number Rev Date: Sheet o f MediaTek (ShenZhen) Inc. Drawn: Checked: SDRAM & FLASH 6 B 4 8 Monday, June 11, 2007 COMMON1389L/K_HD65_AM5888 MediaTek Confidential WenYuan XJ_HAWK SDRAM (Dual Layout) DRAM I/F S-FLASH 4M/8M bit S-FLASH POWER CB400 0.1uF L400 FB R406 0 C400 0.1uF CB405 0.1uF R402 10k + CE400 100uF/10v R410 10k RN400 0x4 1 2 3 4 5 6 7 8 CB402 0.1uF CB407 0.1uF R408 10k U400 ESMT M12L16161A-7 VCC 1 DQ0 2 DQ1 3 VSSQ 4 DQ2 5 DQ3 6 VCCQ 7 DQ4 8 DQ5 9 VSSQ 10 DQ6 11 DQ7 12 VCCQ 13 DQML 14 WE 15 CAS 16 RAS 17 CS 18 BA/A11 19 A10 20 A0 21 A1 22 A2 23 A3 24 VCC 25 VSS 26 A4 27 A5 28 A6 29 A7 30 A8 31 A9 32 NC 33 CKE 34 CLK 35 DQMH 36 NC 37 VCCQ 38 DQ8 39 DQ9 40 VSSQ 41 DQ10 42 DQ11 43 VCCQ 44 DQ12 45 DQ13 46 VSSQ 47 DQ14 48 DQ15 49 VSS 50 R403 10k + CE401 47uF/10v CB404 0.1uF U401 ESMT M12L64164A/N.C VCC 1 DQ0 2 DQ1 4 VSSQ 12 DQ2 5 DQ3 7 VCCQ 9 DQ4 8 DQ5 10 VSSQ 46 DQ6 11 DQ7 13 DQML 15 WE 16 CAS 17 RAS 18 CS 19 A11 35 A10/AP 22 A0 23 A1 24 A2 25 A3 26 VCC 14 VSS 41 A4 29 A5 30 A6 31 A7 32 A8 33 A9 34 NC 36 CKE 37 CLK 38 DQMH 39 NC 40 VCCQ 43 DQ8 42 DQ9 44 VSSQ 52 DQ10 45 DQ11 47 VCCQ 49 DQ12 48 DQ13 50 DQ14 51 DQ15 53 VSS 54 BA0/A13 20 BA1/A12 21 VCCQ 3 VSSQ 6 VCC 27 VSS 28 CB408 0.1uF R405 0 CB406 0.1uF U403 AT25FS040/EN25B80 CE# 1 SO 2 WP# 3 VSS 4 SI 5 SCK 6 HOLD# 7 VDD 8 R409 10k R411 10k/NC R404 33 CB403 0.1uF 5 4 3 2 1 D D C C B B A A OP_12V -12V A_MUTE OP_12V AR AL -12V ALS LSCH A_MUTE OP_12V OP_12V A_MUTE ALF VCC AKIN1 ARS ALS A RF ALF R CH LCH +12V -12V ARS A RF RS CH A_MUTE R/V_OUT B/U_OUT G/Y_OUT AKIN1 SUB CENT AL -12V A_MUTE -12V LCH A_MUTE AR -12V +12V -12V +12V R CH AUDIO_MUTE DV33 VCC +P12V OPTICAL COAXIAL ASPDIF ASPDIF LSCH RS CH B/U_OUT CENT SUB G/Y_OUT R CH R/V_OUT LCH AVCC GAME_MUTE GAME_MUTE GAME_MUTE GAME_MUTE GAME_LOAD GAME_DA1 GAME_CLK GAME_DA2 AUDIO_MUTE A_MUTE GAME_MUTE GAME_SW GAME_SW VCC AVCC +P12V DV33 +12V OP_12V DV33 AL (2) AR (2) ARS (2,8) ALS (2,8) ARF (2,8) ALF (2,8) RCH (6) LCH (6) +12V (1) -12V (1) R/V_OUT (6) B/U_OUT (6) G/Y_OUT (6) AUDIO_MUTE DV33 (1,2,3,4,7) VCC (1,2,3,7,8) +P12V (1) ASPDIF (2) AKIN1 (2) AVCC (1,2,6) GAME_LOAD (2,8) GAME_DA1 (2,8) GAME_CLK (2,8) GAME_DA2 (2,8) GAME_SW (2) Title Size Document Number Rev Date: Sheet o f MediaTek (ShenZhen) Inc. Drawn: Checked: AUDIO OUTPUT 6 C 5 8 Monday, June 11, 2007 COMMON1389L/K_HD65_AM5888 MediaTek Confidential WenYuan XJ_HAWK AUDIO I/F MIC INPUT Only for MT1389L,not for MT1389K. R & C closed to MT1389 YUV I/F Only for MT1389L,not for MT1389K. 3906 C B E MUTE_Circuit POWER GAME_SW: Play game: 1 No Game : 0 AKIN1 signal:Vp-p<=700mV GAME Q507 2N3904 1 3 2 D501 1N4148 R546 100k R525 100 R536 100 + CE517 10uF/16v + CE509 10uF/16v C524 1000pF R526 100K Q500 2N3906 1 3 2 + CE526 10uF/16v R550 33 Q503 2N3904 1 3 2 C520 1000pF + CE514 10uF/16v + - U500B NJM4558 OPA 5 6 7 8 4 C502 0.1uF R544 100k + CE500 47uF/16v D502 1N4148 R509 5.1k C508 100pF + CE510 10uF/16v + CE523 10uF/16v R551 3.3M Q510 2N3904 1 3 2 R547 100k C501 100pF + CE527 10uF/16v R517 10k R512 10k R515 31k C525 100pF R545 100k Q506 2N3904 1 3 2 + - U502B NJM4558 OPA 5 6 7 8 4 R549 100 + CE522 10uF/16v R521 10k Q515 2N3904 1 3 2 R507 31k R530 10k R506 100/NC Q509 2N3904 1 3 2 + - U500A NJM4558 OPA 3 2 1 8 4 J500 4x1 W/HOUSING/NC DIP4/W/H/P2.0 1 2 3 4 R513 5.1k C531 0.1uF C515 1000pF + CE518 10uF/16v R532 100 D503 1N4148 R542 100k 7 9 11 17 15 13 P500 PORT RCA3X3 DIP 20P 2 1 4 6 8 10 12 14 16 18 3 5 7 13 9 15 17 11 R508 10k R504 5.1k R533 31k R528 31k Q516 2N3904 1 3 2 Q501 2N3904 1 3 2 C507 3300pF/NC R543 100k R523 3.3M + - U501B NJM4558 OPA 5 6 7 8 4 C512 100pF C500 1000pF R503 10k R510 100 R518 510 R502 100 C530 330pF R501 31k + CE501 100uF/16v R592 4.7K R522 5.1k C511 1000pF Q512 2N3904 1 3 2 TP500 C506 0.1uF/NC R590 1K R527 47K C528 1000pF + - U502A NJM4558 OPA 3 2 1 8 4 Q508 2N3904 1 3 2 R511 31k C521 100pF + - U501A NJM4558 OPA 3 2 1 8 4 Q504 2N3906 1 3 2 C519 3300pF C529 0.1uF Q502 2N3904 1 3 2 + CE503 10uF/16v D500 1N4148 + CE513 10uF/16v C516 100pF R535 5.1k R505 100 R534 10k C505 3300pF P501 S/PDIF OUT G 1 VCC 2 IN 3 K1 4 K2 5 6 6 G 7 8 8 9 9 R520 470 R524 100 Q511 2N3904 1 3 2 R591 20K R531 5.1k R548 100 + CE504 10uF/16v Q505 2N3904 1 3 2 R514 100 5 4 3 2 1 D D C C B B A A V_B V_G V_R CVBS_OUT R CH LCH CVBSO SC SY R/V_OUT B/U_OUT G/Y_OUT SCART1 SCART2 +12V AVCC VCC SY SC B/U_OUT V_B G/Y_OUT V_R V_G VSYNC HSYNC Y61 CVBS_OUT CVBSO Y61 SCART_CVBS R/V_OUT SCART2 VSYNC B/U_OUT G/Y_OUT SCART1 HSYNC R CH LCH R/V_OUT SCART_CVBS AVCC AVCC AVCC AVCC AVCC AVCC AVCC AVCC AVCC AVCC V_R (2) V_B (2) V_G (2) CVBS_OUT (2) RCH (5) LCH (5) R/V_OUT (5) B/U_OUT (5) G/Y_OUT (5) SCART2 (2) SCART1 (2) +12V (1,5) AVCC (1,2,5) VCC (1,2,3,5,7,8) HSYNC (2) VSYNC (2) Title Size Document Number Rev Date: Sheet o f MediaTek (ShenZhen) Inc. Drawn: Checked: VIDEO OUT 6 B 6 8 Monday, June 11, 2007 COMMON1389L/K_HD65_AM5888 MediaTek Confidential WenYuan XJ_HAWK VIDEO I/F AUDIO I/F POWER C B E 3906 H-Impedance Mode: R660=75 1%,R642=NC. L-Impedance Mode: R660=75 1%,R642=75 1%. Low Impedance Mode V SCART/VGA CONNECTOR | Pitch=2.0 m/m 1 R608 75,1% CB602 0.1uF C0603/SMD D611 DIODE SMD BAV99 1 3 2 J601 11x1 W/HOUSING DIP11/W/H/P2.0 1 2 3 4 5 6 7 8 9 10 11 R603 75,1%/NC R657 0 L6011.8uH + CE601 22uF/16v R644 3.3K R646 75 1% D613 DIODE SMD BAV99 1 3 2 C606 100P Q613 2N3904 1 3 2 Q600 2N3906/NC 1 3 2 C600 100P R662 75,1% R640 3.3K C620 100P R660 75,1% C618 100pF D607 DIODE SMD BAV99 1 3 2 Q611 2N3906/NC 1 3 2 R653 75,1%/NC D601 DIODE SMD BAV99 1 3 2 R645 75 1% CB601 0.1uF C0603/SMD C604 100P R607 0 G G C Y P600 S/RCA/9P/DIP 3 4 1 2 7 8 9 5 6 R643 3.3K R641 3.3K R601 0 R647 75,1%/NC + CE600 22uF/16v Q612 2N3906/NC 1 3 2 C608 100P L6031.8uH C602 100P D612 DIODE SMD BAV99 1 3 2 Q615 2N3904 1 3 2 R602 75,1% C617 100pF R642 75,1% L6071.8uH L606 1.8uH 5 4 3 2 1 D D C C B B A A PWR2 PWR2 USB_DP USB_DM MS_D0 MS_D1 MS_D2 MS_D3 MS_CLK MS_3V3 MS_CD MS_BS MS_D1 MS_D2 MS_D0 MS_D3 MS_CLK MS_3V3 MS_CD SD_D2 SD_D0 SD_D1 SD_D3 SD_CMD MCR_33 SD_CLK SD_CD SD_CD SD_D3 SD_D0 SD_D1 SD_D2 VCC DV33 USB_DM USB_DP GPIO9 GPIO8 GPIO7 GPIO10 GPIO10 SD_D0 GPIO9 SD_CMD MS_D0 GPIO8 SD_CLK MS_BS GPIO7 MS_CLK MS_CD SD_CMD MCR_33 VCC MCR_33 MCR_33 MCR_33 DV33 VCC (1,2,3,5,8) DV33 (1,2,3,4,5) USB_DM (2) USB_DP (2) GPIO9 (2) GPIO8 (2) GPIO7 (2) GPIO10 (2) Title Size Document Number Rev Date: Sheet o f MediaTek (ShenZhen) Inc. Drawn: Checked: MS/SD & USB 6 B 7 8 Monday, June 11, 2007 COMMON1389L/K_HD65_AM5888 MediaTek Confidential WenYuan XJ_HAWK USB Only For MT1389L 3 S 1 D CES2301 G 2 MEMORY CARD POWER Only for MT1389L + CE700 220uF/10V C707 0.1uF QF700 CES2301/NC 1 2 3 Q700 2N3904 1 3 2 R702 10K CON700 TAI_TWUN_3IN1_CARD SD-DAT2 20 SD-DAT3 18 MS-VCC 17 MS-SCLK 16 MS-D3(MS-RESERVED) 14 MS-INS 13 MS-D2(MS-RESERVED) 11 MS-D0(MS_SDIO) 9 MS-D1(MS-VCC) 8 MS-BS 6 MS-GND 5 MS-GND 19 SD-CMD 15 SD-GND 4 SD-VCC 10 SD-CLK 7 SD-GND 12 SD-DAT0 3 SD-DAT1 2 SD-CD GND 22 SD-CD 21 SD-WP 1 SD-WPGND 23 R704 10k/NC C708 0.1uF C702 20pF CB700 0.1uF R709 10k R713 68 R701 10 L700 4.7uH 1 2 R706 10k/NC L701 FB 1 2 C705 20pF R705 10k/NC C700 10pF/NC R708 10k R703 10k/NC C703 20pF R712 10K R700 10k R707 10k C706 10uF/10v 1:GND 2:D+ 3:D- 4:VCC 4 2 3 1 P700 USB TYPEA 3 2 1 4 5 6 F700 1A BEAD/SMD/1206 C704 20pF R711 10k 5 4 3 2 1 D D C C B B A A GAME_DA1 GAME_LOAD GAME_CLK GAME_DA2 GAME_LOAD GAME_DA1 GAME_CLK GAME_DA2 VCC VCC GAME_LOAD GAME_DA1 GAME_CLK GAME_DA2 GAME_VCC GAME_VCC VCC GAME_VCC VCC (1,2,3,5,7) GAME_LOAD (2,5) GAME_DA1 (2,5) GAME_CLK (2,5) GAME_DA2 (2,5) Title Size Document Number Rev Date: Sheet o f MediaTek (ShenZhen) Inc. Drawn: Checked: GAME I/F 6 B 8 8 Monday, June 11, 2007 COMMON1389L/K_HD65_AM5888 MediaTek Confidential WenYuan XJ_HAWK GAME POWER OPTION1 OPTION2 CB801 0.1uF C801 4.7nF/NC C803 4.7nF/NC R803 33R R807 33R L801 FB R804 4.7k + CE801 47uF/10v C804 4.7nF/NC R805 4.7k J801 D-SUB9 MALE 5 9 4 8 3 7 2 6 1 10 11 R809 4.7k R806 4.7k J803 7x1 W/HOUSING DIP7/W/H/P2.0 1 2 3 4 5 6 7 J802 D-SUB9 MALE 5 9 4 8 3 7 2 6 1 10 11 R801 33R C802 4.7nF/NC R802 33R

标签:

版权声明

1. 本站所有素材,仅限学习交流,仅展示部分内容,如需查看完整内容,请下载原文件。
2. 会员在本站下载的所有素材,只拥有使用权,著作权归原作者所有。
3. 所有素材,未经合法授权,请勿用于商业用途,会员不得以任何形式发布、传播、复制、转售该素材,否则一律封号处理。
4. 如果素材损害你的权益请联系客服QQ:77594475 处理。